|
Тmax
Н*м
|
d
|
D
|
L
|
l
|
J*106,
кг*м2
|
Масса
Кг.
|
|
Мм
|
|
|
315
|
35
|
250
|
250
|
84
|
0,12
|
15
|
Частота вращения муфты
=960 об/мин < [n] = 1980 об/мин,
где [n] -максимальная частота вращения муфты.
Допускаются смещения валов: осевое w= 1…4,5мм
радиальное Δ=1…4 мм
угловое γ=
до 1000’
.5 Материалы для изготовления привода
Чугун-для корпуса редуктора, крышек подшипников,
центра червячного колеса
Сталь-для червяка, валов, , звёздочек
Цветные металлы - для венца червячного колеса
Конструкционная сталь-для валов, звездочек,
ограждений
Сортовой прокат-для рамы.
. Разработка эскизного проекта
.1 Расчет червячного редуктора
Исходные данные: Р1=5,458
кВт-мощность на быстроходном валу; n1=960 об/мин-частота вращения
червяка редуктора; U=12,63-передаточное отношение червячной передачи; режим
нагружения: постоянный (0).
) Число заходов червяка: Z1=4, число
заходов червячного колеса: Z2=Z1·U=4·12,63=50,52
принимаем Z2 = 50 ≥28 -по условию неподрезания зубьев [2,
с.213].
) Вращающий момент на валу червяка: Т1=53,2
Н·м;
Вращающий момент на валу колеса: Т2=537,6
Н·м.
) Скорость скольжения:
[2, с.223].
) Материал колеса II группы т. к. vs≤
5 м/с: БрА9Ж4 при σT=200МПа, σB=400МПа [2,
с.223];
червяка: Сталь 40Х (объемная закалка
до 55 [2,с.176].
При этом допускаемое контактное
напряжение:
[σН]= [σН]0
- 25
=300 -
25·3,5=212,5 ≤
[σН]max
[2, с.223],
где: [σН]0=300
МПа при Н≥45 HRC [2, с.223]
[σН]max =2 · σT =2 ·200 =
400 МПа;
Коэффициент долговечности:
KFL=
≤ 1,15FL =
=
= 0,52 ≤ 1,15,
где NFE=µF·NK=
1·316,8· 106 =316,8· 106 - эквивалентное число циклов
нагружения зубьев червячного колеса за весь срок службы передачи [1, c. 33].K=60·n2·Lh
=60· 960·0,55·104=316,8· 106 (время работы передачи Lh=0,55·104
ч.) - Суммарное число циклов перемены напряжений [1, c. 34].
) Предварительно назначаем коэффициент диаметра
червяка q:
>0,25·Z2=0,25·50=12 ,5
принимаем q=12,5 [2,с.212].
При этом q/Z2=12,5/45=0,28 входит в
рекомендуемые пределы = 0,22..0,4 [2,с.220].
) Межосевое расстояние [2, с.220]:
округляем по ряду Ra40: aW=140
мм [2, с.143],
где:
Е1=2,1·105
МПа-модуль упругости стали (червяк)
Е2=0,9·105 МПа
- модуль упругости бронзы (колесо).
) Модуль:
мм,
=5мм соответствует стандартным
значениям [2, с.212]
Коэффициент смещения:
[2,с.213].
Выбираем эвольвентный червяк (ZI).
По условию неподрезания и незаострения зубьев величину x рекомендуется изменять
в пределах -1≤x≤0.
Назначаем
=150,
=10
Получаем:
[2,с.213].
Уточним передаточное отношение:
ред. = Z2/
Z1=50/4=12,5 =>
=> Uред.= Uобщ./
Uцеп..=> Uцеп.= Uобщ./ Uред.=25,26/12,5=2,02
) Проверяем прочность по контактным
напряжениям:
[2, с.220 ],
где: торцовый коэффициент перекрытия
в средней плоскости червячного колеса:
входит в рекомендуемые пределы:
1,8...2,2 [2, с.219];
коэффициенты расчетной нагрузки:
;
где KV=1(коэффициент
динамической нагрузки) при VS<3 м/с и коэффициент концентрации
нагрузки:
[2, с.221];
делительный диаметр червяка:
делительный диаметр колеса:
коэффициент, учитывающий уменьшение
длины контактной линии:
половина дуги обхвата червяка
колесом:
угол профиля в осевом сечении:
угол подъема винтовой линии:
[2, c.212].
Уточняем величину скорости
где
[2,
c.215].
Условие прочности соблюдается с
недогрузкой в 21%. Отметим, что перегрузка допустима не более 5%, недогрузка -
не более 20%.
) Проверяем прочность на изгиб:
[2, с.221],
где: окружная сила колеса:
модуль по нормали:
[2, с.221];
диаметр вершин зубьев червяка:
[2, с.212];
ширина колеса:
[2, с.213];
- коэффициент формы зуба [2, с.221]

[2, с.224]
) Уточняем КПД:
[1,
c.36],
) Основные размеры:
Основные
размеры червяка:1=4-количество заходов
червяка;=5мм-модуль;=10-коэффициент диаметра червяка;1=50мм-делительный
диаметр червяка;a1=60мм-диаметр вершин зубьев червяка;f1=d1-2,4·m=50-2,4·5=38
мм-диаметр впадин зубьев червяка [2, c.212];
1=
мм,
для
шлифуемых и фрезеруемых червяков длину нарезанной части червяка b1.
[2, c.212].
Основные
размеры колеса:W=150мм-межосевое расстояние;
χ=0-коэффициент
смешения;2=50-число зубьев колеса;2=40,2 мм-ширина
колеса;2=250 мм-делительный диаметр колеса;
a2=d2+2·m=250+2·5=260
мм-диаметр вершин зубьев [2, c.213];f2=d2-2,4·m=250-2,4·5=238
мм-диаметр впадин зубьев [2, c.213];
Назначаем
8-ую степень точности [2, c.214].
)
Проверочный расчет на прочность зубьев червячного колеса при действии
максимальной нагрузки:
Проверка
на контактную прочность:
[1, с.36]
Проверка
по напряжениям изгиба:
[1, с.36]
.2
Расчет диаметров валов
Предварительные
значения диаметров различных участков стандартных валов редуктора определяются
по формулам:
)
Для быстроходного вала: d=38 принимаем по диаметру вала электродвигателя, так
как двигатель подсоединен напрямую к редуктору (чтобы возможно было извлекать
червяк через подшипниковое отверстие).
Диаметр под подшипник:
,[1, с.45]
принимаем из ряда Ra40:
П=45 мм; [2, с.143],
где:
t-высота заплечика.
Диаметр
базы подшипника:
,[1, с.45]
принимаем
из ряда Ra40: dБП=53 мм; [2, с.143], где: r-координата фаски
подшипника [1, с.46].
)
Для тихоходного вала:
,[1, с.45]
принимаем
из ряда Ra40: d=40 мм [2, с.143] .
Диаметр
под подшипник:
,[1, с.45]
принимаем
из ряда Ra40: dП=50 мм; [2, с.143], где: t-высота заплечика.
Диаметр
базы подшипника:
,[1, с.45]
принимаем из ряда Ra40: dБП=60 мм;
[2, с.143], где: r-координата фаски подшипника [1, с.62].
Диаметр вала под червячное колесо выбираем из
ряда Ra40 следующее значение после диаметра под подшипник dП=50 мм
т. е. dК=53мм.
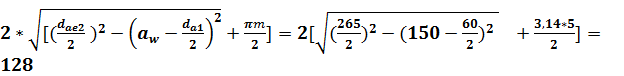
.3 Расчет цепной передачи
Исходные данные: n1= 76об/мин, P1=4,276кВ,
Uцеп. =2 характер нагрузки - переменно-спокойная
Выбор числа зубьев звездочек:
Назначаем число зубьев малой звездочки z1=27,
тогда число зубьев большой звездочки
2=z1*Uцеп.=27*2=54
[2. стр. 305]
По рекомендации назначаем межосевое расстояние
a=35pц [2. стр. 295]
Выбор коэффициентов
Кэ=Кд+Ка+Кн+Крег+Кс+Креж=1,2*1*1*1*1*1=1,2
[2. стр. 305]
Где Кд= 1,2- коэффициент динамической
нагрузки [2. стр. 306]
Ка=1- коэффициент межосевого
расстояния [2. стр. 306]
Кн=1- коэффициент наклона передачи к
горизонту [2. стр. 306]
Крег=1- коэффициент способа
регулировки натяжения цепи [2. стр. 306]
Кс=1- коэффициент смазки и
загрязнения передачи [2. стр. 306]
Креж=1- коэффициент режима работы
(односменный) [2. стр. 306]
Расчет коэффициентов
Кz=
- коэффициент числа зубьев [2. стр. 307]
-коэффициент
частоты вращения [таблица 13.1 с. 305]
Выбор шага цепи по расчетной мощности
Рр=
*
P1* Кz* Кэ=2,63*4,3*1,2*0,92=12,5 кВт
По таблице 13.4 назначаем однорядную цепь с
шагом Рц=31,75 мм.
Выбираем по таблице 13.4 мощность Рц=19,3
кВТ.
Рц=31,75<[Pц]max=50,80
При этом a=35pц =35*31,75=1111,25мм
Уточняем числа зубьев:
Рр=
*
P1* Кz* Кэ,
отсюда Кz=1,4, тогда
1=
,
принимаем z1=18
2=18*2=36
Скорость цепи
V=
[2. стр. 295]
При удовлетворительном качестве смазки II назначаем
густую внутришарнирнцю смазку [2. стр. 306] при V<4 м/с.
Расчет числа звеньев в цепи:
р=
Уточняем межосевое расстояние:
a=
=1109,98
Учитываем рекомендации по уменьшению межосевого
расстояния на Δа=0,003а=3 мм,
назначаем а= 1107 мм. [2. стр.307]
Расчет делительных диаметров звездочек:
1=
- делительный диаметр ведущей
звездочки [2. стр.307]2=
- делительный диаметр ведомой
звездочки [2. стр.307]
Расчет
окружной силы
t=
[2. стр.308]
2.4 Расстояние между деталями передач
Чтобы поверхности вращающихся колес не задевали
за внутренние поверхности стенок корпуса, между ними оставляют зазор
"а" (мм) [1, c. 49]:
где L-расстояние между внешними поверхностями
деталей передач, (мм).
Вычисленное значение a округляют в большую
сторону до целого числа. Следовательно, принимаем а=10мм. В дальнейшем под а
будем понимать также между внутренней поверхностью стенки корпуса и торцом
ступицы колеса.
Расстояние b0 между дном корпуса и
поверхностью червяка или колес для всех типов редукторов и коробок передач
принимают:
[1, c.48]
.5 Толщина стенки редуктора
Для редукторов толщину стенки, отвечающую
требованиям технологии литья, необходимой прочности и жесткости корпуса,
вычисляют по формуле:
[1, c.289],
где Т - вращающий момент на выходном
(тихоходном) валу(Н∙м);
Плоскости стенок, встречающихся под прямым или
тупым углом, сопрягают дугами радиусами r и R.
Если стенки встречаются под острым углом,
рекомендуют их соединять короткой вертикальной стенкой.
В обоих случаях принимают:
[1, c.257],
[1, c.257].
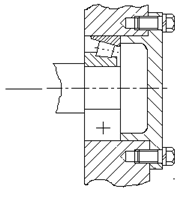
.6 Выбор типа подшипника
1) Червячное колесо должно быть точно и жестко
зафиксировано в осевом направлении, поэтому в силовых передачах для опор валов
применяют конические роликовые подшипники [1, с.465].
Выберем подшипник легкой серии: 7210А ГОСТ
27365-87
Размеры подшипника: d=50мм; D=90мм; Tнаиб=22мм;
B=20мм; c=17мм; r=1,5мм; r1=1,5мм.
Грузоподъемность динамическая:Cr=70,4кН.
Грузоподъемность статическая:Cor=55,0кН.
Расчетные параметры:e=0,42; Y=1,4; Y0=0,8.
) Опоры червяка в силовых передачах нагружены
значительными осевыми силами, поэтому применяются конические роликовые
подшипники [1, с.465].
Выберем подшипник легкой серии: 7211А ГОСТ
27365-87
Размеры подшипника: d=45мм; D=85мм; Tнаиб=21мм;
B=19мм;=16мм; r=1,5мм; r1=1,5мм.
Грузоподъемность динамическая:Cr=62,7кН.
Грузоподъемность статическая:Cor=50,0кН.
Расчетные параметры:e=0,40; Y=1,5; Y0=0,8.
.7 Расчет объема масляной ванны
Червяк при вращении увлекает масло, разбрызгивая
его внутри корпуса и смазывается колесо. Внутри корпуса образуется взвесь
частиц масла в воздухе, которая покрывает поверхности расположенных внутри
корпуса деталей.
Объем масляной ванны принимают таким, чтобы
обеспечить отвод выделяющегося тепла к стенкам корпуса, толщину масляного слоя
между червяком и днищем рекомендуется назначить большой, чтобы продукты износа
могли оседать на дне и не попадать на рабочие детали.
Передаваемая мощность: Р=5,345 кВт
Требуемый объем масляной ванны:
=P·0,4= 5,345·0,4=2,1 л=2100 см3
Площадь масляной ванны:
=L·B= 21,5·9,5=204,25 см2
где: L=21,5см-длина ванны; B=9,5см-ширина ванны
Необходимая высота уровня масла:
где: h=11см - высота уровня масла
Выбираем масло для редуктора: И-Т-С-320
.8 Выбор уплотнений
Уплотнительные устройства применяют для
предохранения от вытекания смазочного материала из подшипниковых узлов, а также
для зашиты их от попадания извне пыли и влаги. Применим манжеты резиновые
армированные дл валов из ГОСТ 8752-79.
Для быстроходного вала [1, с.431]:
Тип исполнения 1.Размеры: d=45 мм; D1=65мм;
h1=10мм.
Для тихоходного вала [1, с.431]:
Тип исполнения 1.Размеры: d=50мм; D1=70мм;
h1=10мм.
.9 Выбор рамы
При единичном производстве выгоднее применять
сварные рамы сваренные из элементов сортового проката : уголков швеллеров,
полос листов.
Выбираем швеллеры стальные горячекатаные из ГОСТ
8240-89 [1, с.441].
Номер профиля: 14 (чтобы можно было крепить
редуктор к полкам швеллера)
Размеры: h=140мм; b=58мм; S=4,9мм; t=8,1мм;
R=8,0мм; r=3,0мм; x0=16,7мм; A=1560мм2; масса=12,3кг/м.
.10 Выбор крепежных элементов
Редуктор и электродвигатель крепятся к раме с
помощью болтов[1, с.437], шайб[1, с.439] и гаек[1, с.439]. Крышки подшипников
крепятся к корпусу с помощью болтов с шайбами.
|
Крепежные
элементы Место крепежа
|
По
ГОСТ 15521-70
|
По
ГОСТ 6402-70
|
По
ГОСТ 7796-70
|
|
Крепление
редуктора
|
d=16мм;
S=22мм; D=23,9мм; H=13мм;
|
d=16,3;
s=b=3,5мм;
|
d=16мм;
S=22мм; D=23,9мм; H=9мм; l=30мм; l0=30мм;
|
|
Крепление
электродвигателя
|
d=10мм;
S=14мм; D=15,3мм; H=8мм;
|
d=10,2мм;
s=b=2,5мм;
|
d=10мм;
S=14мм; D=15,3мм; H=6мм; l=30мм; l0=30мм;
|
|
Крепление
крышек подшипников червяка и колеса
|
d=8мм;
S=12мм; D=13,1мм; H=6,5мм;
|
d=8,2мм;
s=b=2мм;
|
d=8мм;
S=12мм; D=13,1мм; H=5мм; l=40мм; l0=22мм;
|
|
Крепление
крышек люков
|
-
|
d=8,2мм;
s=b=2мм;
|
d=8мм;
S=12мм; D=13,1мм; H=5мм; l=15мм; l0=15мм;
|
|
Крепление
крышки к корпусу
|
-
|
d=12,2мм;
s=b=3мм;
|
d=12мм;
S=17мм; D=18,7; H=7мм; l=60мм; l0=30мм;
|
Для замены масла в корпусе предусматривают
сливное отверстие, закрываемое пробкой с цилиндрической или конической резьбой.
Назначаем пробку с цилиндрической резьбой (б).
Размеры пробки:
|
d
|
D
|
D1
|
L
|
l
|
b
|
t
|
|
M1
6x1,5
|
25
|
21,9
|
24
|
13
|
3
|
3
|
3. Технический проект
.1 Расчет тихоходного вала
Схема расчета
Исходные данные
Ft2 =4296 Н - окружная сила колесаR2
=
Н - радиальная сила колесац= 5938 Н - нагрузка от звездочкиα2
=1718,4 Н - осевая сила колесаk =265 мм - диаметр червячного колеса2
= 537,6 Н·м - момент на тихоходном валу1 = 51 Н·м - момент на
быстроходном валу
Расчет нагрузки от звездочки
ц1=Fц*cosβ=5938*0,86=5143
Нц1=Fц*sinβ=5938*0,5=2969 Н[1.
Стр. 217]
Расчет сил в зацеплении
[1.
Стр. 217]
[1. Стр. 217]
Выбор материалов.
Сталь 45, S<60мм, НВ270;
σВ
=850МПа; σТ
=750МПа; термообработка - улучшение.
Построение эпюр изгибающих и крутящих моментов с
определением наиболее напряженных участков вала.
Рассмотрим опасное сечение II - II
Концентратором напряжения являются: галтельный
переход и шпоночный паз.
Определение коэффициентов концентрации: [2,
стр.320]
Для галтельного перехода d=50мм, r=3,5мм, t=2мм
[2.таб.15.1
стр.321]
Для шпоночного паза:
[2.таб.15.2
стр.321]
Концентратором является шпоночный паз
b=
12 мм - ширина шпоночного паза= 8 мм - высота шпоночного паза=40мм
Определение момента сопротивлению
Определение действующих напряжений [2,стр.319]
Суммарные коэффициенты концентрации напряжений в
расчетном сечении учитывают влияние всех факторов на сопротивление усталости
соответственно при изгибе и кручении: [2. 15.8 стр. 320]
при изгибе и
кручении
Величину масштабного фактора можно оценить по
формуле:
[2. Стр.320]
n = 0,19-1,25×10-4×sв=0,19-1,25×10-4×850=0,084
55
Принимаем Rz = 3,2 мкм - шероховатость
поверхности вала
- коэффициент,
учитывающий качество поверхности при кручении
- т.к. вал без
поверхностного упрочнения
Расчет запасов сопротивления усталости.
При совместном действии напряжений кручения и
изгиба запас определяется: [2, стр. 299]
По ГОСТ 25.504 определяем:
МПа
Пределы выносливости по формулам [2, стр.319]
МПа;
МПа;
Рассмотрим опасное сечение I - I
Концентратором напряжения являются: галтельный
переход , посадка с натягом и шпоночный паз.
Определение коэффициентов концентрации: [2,
стр.320]
Для галтельного перехода d=53 мм, r=3,5мм, t=3
мм
[2.таб.15.1
стр.321]
Для шпоночного паза:
[2.таб.15.2
стр.321]
Для посадки с натягом:[2. Стр.320]

(Ранее найдено)
(при d<150)
- давление посадки
P>25 МПа [P = 53,9 - ранее найдено]
Концентратором является прессовая осадка
b=
12 мм - ширина шпоночного паза= 5 мм - высота шпоночного паза=53мм
Определение момента сопротивлению
Определение действующих напряжений [2,стр.319]
Суммарные коэффициенты концентрации напряжений в
расчетном сечении учитывают влияние всех факторов на сопротивление усталости
соответственно при изгибе и кручении: (1. 15.8 стр. 320)
при изгибе и
кручении
;
- найдено ранее
Величину масштабного фактора можно оценить по
формуле: : [2. Стр.320]
n = 0,19-1,25×10-4×sв=0,19-1,25×10-4×850=0,084
Принимаем Rz = 3,2 мкм - шероховатость
поверхности вала
коэффициент,
учитывающий качество поверхности при кручении
- т.к. вал без
поверхностного упрочнения
Расчет запасов сопротивления усталости.
При совместном действии напряжений кручения и
изгиба запас определяется: [2, стр. 319]
По ГОСТ 25.504 определяем:
,
МПа
МПа;
МПа;
(найдено ранее)
Наиболее опасное сечение I - I
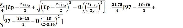
Проверка статической прочности [2, стр. 322]
Эквивалентное напряжение
[2, стр. 322]
- коэффициент
перегрузки
Расчет на жесткость [2, стр. 323]
Полярный момент инерции поперечного сечения вала
Прогиб под колесом:
Суммарный прогиб:
мм
мм [2, стр. 323] (m
- модуль зацепления.)
В вертикальной плоскости:
В горизонтальной плоскости:
3.2 Расчет болтов
Рассчитаем самый нагруженный болт. (крепление
крышки подшипника червяка)
. Исходные данные:
Болт
Материал болта: сталь 45
Количество болтов: z = 6 шт.
Нагрузка на крышку подшипника: Fa=10200
H
. Нагрузка, приходящаяся на один болт.
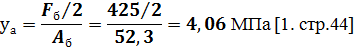
. Необходимое усилие затяжки.
- коэффициент
затяжки (металлическая плоская прокладка)
. Сила в болте, возникающая под действием
внешней нагрузки
c = 0.25 - коэффициент внешней нагрузки
. Запас прочности по переменным
напряжениям.
2. стр.44]
= 0.1 - коэффициент
чувствительности материала болта к асимметрии цикла напряжений [1. стр.44]
s-1 = 240МПа - предел
выносливости материала болта [1.стр.54 таб.1.1]
Кs =
3,5 - эффективный коэффициент концентрации напряжений в резьбе для углеродистых
сталей [1.стр.54]
[S] = 4 - неконтролируемая затяжка [1.стр.55
таб.1.2]
Полное переменное с амплитудой напряжение в
болте.
Площадь болта по внутреннему диаметру резьбы.
Полное постоянное напряжение в болте.
1. стр.44]
. Запас статической прочности по
текучести. (1.стр.44)
[Sт] = 2,5 -
контролируемая затяжка [1.стр.55 таб.1.2]
sт=360 МПа - предел
текучести материала болта [1.стр.54 таб.1.1]
. При заводской сборке, эксплуатации и
ремонте нужно использовать контролируемую затяжку.
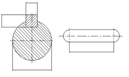
.3 Проверочный расчет шпоночных соединений
Соединение с призматической шпонкой проверяем по
напряжениям смятия, т.к. шпонка стандартная
[2. Стр.92]
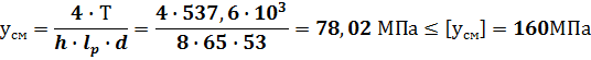
Т
= 537,6 Н×м -момент на
тихоходном валу редуктора= 8 мм - высота шпонки= 12 мм -ширина шпонки1 =
53 мм - диаметр вала под червячным колесом2 = 40 мм - диаметр вала в
месте посадки звездочки1 = 70 мм - длина шпонки под червячным
колесом2 = 70 мм - длина шпонки в месте посадки звездочки
[sсм] = 160 МПа
-при посадке с натягом( чугунная ступица) [2. Стр.94]
. Проверяем
соединение тихоходного вала с червячным колесом
. Проверяем соединение тихоходного вала с
звездочкой
.4 Расчет подшипников качения
Определим ресурс подшипников качения тихоходного
вала
. Исходные данные:
Подшипники легкой серии роликовые конические
радиально-упорные однорядные
Подшипник
7210А ГОСТ 27365 - 87= 50 мм - диаметр внутреннего кольца h = 132 мм -радиус
колеса= 90 мм - диаметр наружного кольца l = 71 мм
В
= 20 мм - ширина lц= 84 мм
С
= 70,4 кН - динамическая грузоподъемность
Со
= 55 кН - статическая грузоподъемность
Расчетные
параметры:= 0,40=1,50 =0,8= 76 мин-1 - частота вращения
вала
Ft2 =4296 Н Fц1 =5143 Fц2
=2969 Нα2
=1718,4 Н FR2 =
Н
. Определение реакций в опорах подшипников:
В вертикальной плоскости:
R2=(
=510,7 Н
Из уравнения:
R1=
В плоскости смещения валов:
Максимальные реакции в опорах:
FR1=
FR2=
3. Внутренние осевые факторы.
. Осевые нагрузки.

. Определение эквивалентных расчетных
нагрузок с учетом режимаE = 0,56 - коэффициент эквивалентности [2.
Стр.360]
. Определение параметра e и коэффициентов
X и Y:
е = 0,40


= 1 - коэффициент вращения, зависящий от того ,
какое кольцо подшипника вращается относительно внешней нагрузки (при вращении
внутреннего кольца) [2. Стр.358]
. Определение эквивалентной динамической
нагрузки [2. Стр.358]
[2. Стр.358]
=
1 - температурный коэффициент (при t до 100оС) [2. Стр.358]
В опоре B подшипник нагружен больше.
. Определим ресурс более нагруженного
подшипника. [2. Стр.358]
1 =1
- коэффициент долговечности [1. Стр.357]23 = 0,65 - обобщенный
коэффициент совместного влияния качества металла и условий эксплуатации (для
роликовых конических подшипников ) [1. Стр.357 таб. 16.3]
- эквивалентная
динамическая нагрузка.
С = 70,4 kH - базовая динамическая
грузоподъемность.
Р = 3,33 - для роликовых подшипников [1.
Стр.356]= 76 об/мин. - частота вращения вала .
Министерство науки и образования Российской
Федерации
Поволжский Государственный Технологический
Университет
4. Техническое описание привода
Разработанное изделие индивидуального
производства "привод транспортера заготовок" состоит из:
электродвигателя 3-х фазного тока, червячного редуктора, торовой муфты, цепной
передачи, сварной рамы . В соответствии с техническим заданием: частота
приводного вала машины n = 38 об/мин., наибольший крутящий момент Т = 1000 Нм.
Движение приводного вала - реверсивное. Характер нагрузки, с которой работает привод
- переменная спокойная. Режим нагружения - легкий . Максимальная нагрузка в
следствии преодолимых перегрузок: Тmax /Т = 1,7. Для обеспечения
свободного выбега привода при выключении двигателя выбираем редуктор с
четырехзаходным червяком.
Порядок сборки привода.
В первую очередь собираем редуктор. На
тихоходный вал редуктора запрессовываем червячное колесо, так же на него
надеваются уплотнительное кольцо и подшипники с двух сторон. Все это
устанавливаем в корпус редуктора. Повторяем порядок сборки для быстроходного
вала. Устанавливаем на корпус крышку и затягиваем стяжными винтами, потом
устанавливаем крышки на валы и затягиваем болтами диаметрическим ключом
Плоскость
разъема покрыть герметиком УT-34. При сборке редуктора следует отметить:
необходимо следить, чтобы валы вращались плавно, без заедания, от руки и чтобы
не было осевых люфтов. Далее при помощи комплекта прокладок регулируем пятно
контакта в зацеплении. После сборки редуктор, с предварительно запрессованными
на его валы ведущей звездочки и муфтой, устанавливается на раму. Далее следует
проследить плавность вращения валов муфты. В редуктор заливаем масло марки
И-Т-С320 через смотровой люк в крышке корпуса. Затем на раму устанавливается
электродвигатель. Электродвигатель может перемещаться в горизонтальном
направлении за счет пазов в раме привода. Это дает возможность надеть и
отрегулировать цепь.
После натяжения двигатель фиксируется на раме
окончательно. После сборки цепной передачи следует проверить, чтобы звездочки
располагались в одной плоскости
Техническое обслуживание привода.
После первых 120 часов работы, в редукторе
следует сменить масло и проверить зацепление. Масло сливают через сливное
отверстие в корпусе редуктора, при этом открыв смотровой люк. Систематически
необходимо проверять цепь. Следует следить чистотой привода и температурой
работы привода в окружающей среде от - 20°С до + 30°С
Необходимо следить за пожароопасной средой. Срок службы привода при правильной
эксплуатации - 0,55×104 час
Список используемой литературы
1)
Иванов М.Н. Детали машин: Учеб. для студентов высш. техн. учеб.
заведений-5-изд., перераб.- М.: Высш. шк., 1991-383с., ил.
)
Конструирование узлов и деталей машин: Учеб. пособие для студ. высш. учеб.
заведений / Дунаев П.Ф., Леликов О.П. -12-е изд., стер. - Издательский центр
"Академия" 2009.- 469с.
)
Дунаев П.Ф., Леликов О.П. Конструирование узлов и деталей машин. Учеб. пособие
для техн. спец. вузов.-5 изд., перераб. и доп.-М.: Высш. шк., 1998-447с., ил.
)
Атлас конструкций узлов и деталей машин: учебное пособие / [Б.А. Байков и др];
под ред. О.А. Ряховского, О.П. Леликова. - 2-е изд., перераб. И доп. - М.:
Изд-во МГТУ им Н.Э. Баумана,2009.-400 с.