Привод скребкового транспортера стружки для автоматической линии

  • Вид работы:
    Курсовая работа (т)
  • Предмет:
    Другое
  • Язык:
    Русский
    ,
    Формат файла:
    MS Word
    104,88 Кб
  • Опубликовано:
    2015-06-16
Вы можете узнать стоимость помощи в написании студенческой работы.
Помощь в написании работы, которую точно примут!

Привод скребкового транспортера стружки для автоматической линии

Министерство образования и науки Украины

Одесский национальный политехнический университет

Кафедра теоретической механики и деталей машин








Расчетно-пояснительная записка

к курсовому проекту по деталям машин

«Привод скребкового транспортера стружки для автоматической линии»

ДМ 0221.00.000.ПЗ


Студента Рубанский О.Д. группы КИ-051

Задание 02 вариант 21








Содержание

Техническое задание

Введение

. Определение потребной мощности привода и частоты вращения

исполнительного органа

. Кинематический расчет привода

.1 Определение общего КПД привода

.2 Выбор асинхронного электродвигателя

.3 Определение общего передаточного отношения привода и разбивка его между передачами

.4 Определение частот вращения, угловых скоростей и крутящих моментов валов

. Расчет тихоходной передачи редуктора

. Расчет быстроходной передачи редуктора

. Расчет ременной передачи привода

. Эскизная компоновка редуктора

.1 Предварительный расчет валов

.2 Выбор подшипников

.3 Конструирование зубчатых колес и корпуса редуктора

.4 Конструирование подшипниковых узлов

.5 Разработка смазки передач и подшипников

.6 Подбор шпонок и их проверочные расчеты

.7 Выбор и расчет соединений «вал-ступица» 

. Уточненный расчет валов

. Расчет подшипников по динамической грузоподъемности

Литература

Техническое задание

Спроектировать привод скребкового транспортера стружки для автоматической линии. В комплект конструкторской документации входят габаритный чертеж привода, сборочный чертеж редуктора, чертежи основных деталей редуктора, расчетно-пояснительная записка и спецификации

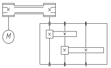
Схема привода:


Исходные данные

Производительность Q=13,8 т/ч

Длина скребкового транспортера L=90м; скорость скребкового транспортера v=0,1м/с; материал обрабатываемой детали - чугун

Способ обработки - растачивание;

Тип ременной передачи - КР;

тип редуктора - 2ЦР;

синхронная частота вращения асинхронного электродвигателя - nс=750мин-1

срок службы привода - Lh=20000ч;

ориентировочное передаточное отношение открытой передачи - iотк=2,6

Введение

Какой-нибудь предмет или набор предметов производства, которые изготовляет предприятие, называют изделием. Все машины или механизмы состоят из деталей, объединенные в сборочные единицы.

Редуктором называют механизм, состоящий из зубчатых или червячных передач, выполненный в виде отдельного агрегата и служащий для передачи вращения от вала двигателя к валу рабочей машины.

Назначение редуктора - понижение угловой скорости и соответственно повышение вращающего момента ведомого вала по сравнению с ведущим. Механизмы для повышения угловой скорости, выполнение в виде отдельных агрегатов, называют ускорителями.

Редуктор состоит из корпуса (литого чугунного или сварного стального), в котором помещают элементы передачи - зубчатые колеса, валы, подшипники.

Редуктор проектируют либо для привода определенной машины, либо по заданной нагрузке (моменту на выходном валу) и передаточному числу без указания конкретного назначения. Второй случай характерен для специализированных заводов, на которых организовано серийное производство редукторов.

Редукторы классифицируют по следующим основным признакам: типу передач (зубчатые, червячные или зубчато-червячные); числу ступеней (одноступенчатые двухступенчатые); типу зубчатых колес (цилиндрические, конические, конически-цилиндрические); относительному расположению валов редуктора в пространстве (горизонтальные, вертикальные); особенностям кинематической схемы (развернутая, соосная, с раздвоенной ступенью)

1. Определение потребной мощности привода и частоты вращения исполнительного органа

Определяем производительность скребкового транспортера


где:

=

B и Н- рабочая ширина и высота желоба;

- коэффициент заполнения желоба;

 - насыпная плотность стружки;

v       - скорость транспортирования.

     [1, табл. 9, стр. 24]

B/H=2,4…4 - по условию


Принимаем В=0,3м

Потребная мощность на валу:


f - коэффициент трения о стенки желоба (для чугунной стружки f=0,3)

привод редуктор зубчатый вал

2. Кинематический расчет привода

.1 Определение общего КПД привода

Общий КПД привода


где η1 и η2 - КПД первой (быстроходной) и второй (тихоходной) передач редуктора;

ηп - КПД пары подшипников;

ηцп - КПД цепной передачи;

ηм - КПД компенсирующей муфты

η12=0.98     [2, стр. 6, табл. 1.1]

ηп=0.995     [2, стр. 6, табл. 1.1]

ηрп=0.95     [2, стр. 6, табл. 1.1]

[2, стр. 6, табл. 1.1]

Отсюда общий КПД привода равен


.2 Выбор асинхронного электродвигателя

Двигатель выбираем в зависимости от требуемой мощности Р=2,73 кВт и от заданной синхронной частоты вращения nс=750мин-1

Принимаем асинхронный трехфазный двигатель 4А112МВ8; Nдв=3,0кВт, nдв=700мин-1,    [4, стр. 313, табл. П1]

2.3 Определение общего передаточного отношения привода и разбивка его между передачами

Определяем передаточное число привода


Определяем передаточное число редуктора


Определяем передаточное число быстроходной ступени двухступенчатого цилиндрического редуктора развернутой схемы


Определяем передаточное число тихоходной ступени редуктора


Расчетные значения u и u округляем до величин u1 и u2, входящих в стандартные ряды (СТ СЭВ 221-75)

Принимаем u1=6.3; u2=4,5

Уточняем передаточное отношение двухступенчатого редуктора


Уточняем передаточное отношение открытой передачи


.4 Определение частот вращения, угловых скоростей и крутящих моментов валов

Определяем частоту вращения каждого вала


Определяем угловую скорость каждого вала


Определяем крутящие моменты на каждом валу


где Р - мощность на данном валу, Вт;

ω - угловая скорость данного вала, с-1



3. Расчет тихоходной передачи редуктора

Проектировочный расчет тихоходной передачи

Проектировочный расчет закрытых зубчатых передач выполняем по условию предупреждения поверхностных разрушений зубьев колес

Назначаем коэффициент ширины венца

.

Принимаем     [2, стр. 10]

Определяем коэффициент ширины по диаметру


Устанавливаем ориентировочное значение коэффициента неравномерности

Принимаем     [2, стр. 11]

Выбираем материал зубчатых колес и допускаемые контактные напряжения

Принимаем материал колес сталь 45. Принимаем твердость колеса Н=200…250 НВ, шестерни Н=220…300 НВ, что уменьшает опасность заедания и сближает долговечность шестерни и колеса.

Определяем базовое число циклов шестерни и колеса

; ,

где ННВ1 и ННВ2 - твердость зубьев шестерни и колеса;

Принимаем

Определяем коэффициент режима нагружения по числу циклов


где к=3 - число ступеней нагружения;

Т - расчетный вращающий момент на шестерне;

,  - параметры циклограммы нагружения

Определяем эквивалентное число циклов нагружения зубьев шестерни и колеса


где n1 - частота вращения шестерни, мин-1;

Lh - срок службы, ч

Определяем коэффициент долговечности шестерни и колеса


Принимаем

Определяем допускаемое контактное напряжение


где  и  - предел контактной выносливости для шестерни и колеса;

  [2, стр. 14, табл. 2.1]

 и  - коэффициенты запаса прочности

 - для колес с однородной структурой

Принимаем допускаемое контактное напряжение передачи

Определяем межосевое расстояние тихоходной ступени


где Ка=495 - вспомогательный коэффициент для прямозубой передачи;

Расчет геометрических параметров передачи

Найденное расчетное межосевое расстояние  округляем к ближайшему стандартному значению  в соответствии с ГОСТ 2185-66

Принимаем

Выбираем модуль

Согласую со стандартными значениями по ГОСТ 9562-60, принимаем

Принимаем значение угла наклона зубьев β=0 для прямозубых колес

Определяем число зубьев шестерни


Определяем число зубьев колеса


Уточняем передаточное число тихоходной ступени

Определяем диаметры зубчатых колес

делительные:

вершин зубьев несмещенных колес (х12=0)


Определяем ширину зубчатых колес


Принимаем


Принимаем

Определяем делительный угол профиля в торцовом сечении


Угол зацепления в торцовой плоскости для несмещенных колес

Определяем коэффициент торцового перекрытия


Определяем коэффициент осевого перекрытия


где bw=b2 - рабочая ширина зубчатого венца

Определяем основной угол наклона

Определяем окружную скорость


Проверочные расчеты тихоходной передачи

Проверочный расчет на контактную выносливость

Расчет выполняем по уточненным значениям коэффициентов нагрузки и допускаемого напряжения

Условие контактной выносливости


Коэффициент, учитывающий механические свойства сопряженных зубчатых колес, изготовленных из стали

Определяем коэффициент, учитывающий форму сопряженных поверхностей зубьев


Определяем коэффициент, учитывающий суммарную длину контактных линий


Определяем окружную силу


Принимаем коэффициент, учитывающий внешнюю динамическую нагрузку

Принимаем коэффициент, учитывающий распределение нагрузки между зубьями для прямозубых колес

Значение коэффициента

Определяем коэффициент, учитывающий динамическую нагрузку


где  - удельная окружная динамическая сила


где  - коэффициент, учитывающий влияние проявления

погрешностей на динамическую нагрузку [2, стр. 19, табл. 2.4]

 - коэффициент, учитывающий влияние разности шагов

зацепления    [2, стр. 19, табл. 2.5]

Уточняем значения допускаемого контактного напряжения


где  - коэффициент, учитывающий шероховатость сопряженных

поверхностей зубьев  [2, стр. 18, табл. 2.3]

 - коэффициент, учитывающий окружную скорость


Проверяем условие контактной выносливости

Условие выполняется

Расчет зубьев на выносливость при изгибе

Условие предотвращения усталостного излома имеет вид


Определяем коэффициент, учитывающий распределение нагрузки между зубьями  - для прямозубой передачи

Определяем коэффициент, учитывающий неравномерность распределения нагрузки по длине контактных линий


где


Определяем коэффициент, учитывающий динамическую нагрузку


где  - удельная окружная динамическая сила


где      [2, стр. 19, табл. 2.4]

 - коэффициент, учитывающий влияние разности шагов

зацепления    [2, стр. 19, табл. 2.5]

;

Определяем коэффициент, учитывающий форму зубьев и концентрацию напряжений


где  и  - эквивалентные числа зубьев шестерни и колеса


Определяем коэффициент, учитывающий наклон зубьев


Определяем коэффициент, учитывающий перекрытие зубьев

 - для прямозубых колес

Определяем предел выносливости зубьев колес

Определяем коэффициент режима нагружения шестерни по числу циклов


где Т1F - расчетный вращающий момент на шестерне;

m1=6 - показатель степени кривой усталости при

Определяем коэффициент режима нагружения колеса по числу циклов


где m2=6 - показатель степени кривой усталости при

Определяем эквивалентное число циклов нагружения зубьев колес


Определяем коэффициент долговечности шестерни и колеса


Принимаем

Определяем коэффициент, учитывающий влияние двухстороннего приложения нагрузки

 - для одностороннего приложения нагрузки

Определяем допускаемое изгибное напряжение для шестерни и колеса


где  - коэффициент запаса прочности

Проверяем условие предотвращения усталостного излома

Условия выполняются

4. Расчет быстроходной передачи редуктора

Проектировочный расчет быстроходной передачи

Проектировочный расчет закрытых зубчатых передач выполняем по условию предупреждения поверхностных разрушений зубьев колес

Назначаем коэффициент ширины венца .

Принимаем  - для косозубых колес [2, стр. 10]

Определяем коэффициент ширины по диаметру


Устанавливаем ориентировочное значение коэффициента неравномерности

Принимаем     [2, стр. 11]

Выбираем материал зубчатых колес и допускаемые контактные напряжения

Принимаем материал колес сталь 45. Принимаем твердость колеса Н=250 НВ, шестерни Н=300 НВ, что уменьшает опасность заедания и сближает долговечность шестерни и колеса.

Определяем базовое число циклов шестерни и колеса

; ,

где ННВ1 и ННВ2 - твердость зубьев шестерни и колеса;

Принимаем

Определяем коэффициент режима нагружения по числу циклов


где к=3 - число ступеней нагружения;

Т - расчетный вращающий момент на шестерне;

,  - параметры циклограммы нагружения

Определяем эквивалентное число циклов нагружения зубьев шестерни и колеса


где n1 - частота вращения шестерни, мин-1;

Lh - срок службы, ч

Определяем коэффициент долговечности шестерни и колеса


Принимаем

Определяем допускаемое контактное напряжение


где  и  - предел контактной выносливости для шестерни и колеса;

  [2, стр. 14, табл. 2.1]

 и  - коэффициенты запаса прочности

 - для колес с однородной структурой

Принимаем допускаемое контактное напряжение передачи

Определяем межосевое расстояние тихоходной ступени


где Ка=430 - вспомогательный коэффициент для косозубой передачи;

Расчет геометрических параметров передачи

Найденное расчетное межосевое расстояние  округляем к ближайшему стандартному значению  в соответствии с ГОСТ 2185-66

Принимаем

Выбираем модуль


Согласую со стандартными значениями по ГОСТ 9562-60, принимаем

Принимаем значение угла наклона зубьев β=8º для косозубых колес

Определяем число зубьев шестерни


Принимаем

Определяем число зубьев колеса


Принимаем

Уточняем передаточное число быстроходной ступени


Определяем диаметры зубчатых колес

делительные:

вершин зубьев несмещенных колес (х12=0)


Определяем ширину зубчатых колес


Определяем делительный угол профиля в торцовом сечении


Угол зацепления в торцовой плоскости для несмещенных колес

Определяем коэффициент торцового перекрытия


Определяем коэффициент осевого перекрытия


где bw=b2 - рабочая ширина зубчатого венца

Определяем основной угол наклона


Определяем окружную скорость


Проверочные расчеты быстроходной передачи

Проверочный расчет на контактную выносливость

Расчет выполняем по уточненным значениям коэффициентов нагрузки и допускаемого напряжения

Условие контактной выносливости


Коэффициент, учитывающий механические свойства сопряженных зубчатых колес, изготовленных из стали

Определяем коэффициент, учитывающий форму сопряженных поверхностей зубьев


Определяем коэффициент, учитывающий суммарную длину контактных линий


Определяем окружную силу


Принимаем коэффициент, учитывающий внешнюю динамическую нагрузку

Принимаем коэффициент, учитывающий распределение нагрузки между зубьями для непрямозубых колес


где  - степень точности   [2, стр. 18, табл. 2.3]

Значение коэффициента

Определяем коэффициент, учитывающий динамическую нагрузку


где  - удельная окружная динамическая сила


где  - коэффициент, учитывающий влияние проявления  погрешностей на динамическую нагрузку [2, стр. 19, табл. 2.4]

 - коэффициент, учитывающий влияние разности шагов зацепления [2, стр. 19, табл. 2.5]

Уточняем значения допускаемого контактного напряжения


где  - коэффициент, учитывающий шероховатость сопряженных поверхностей зубьев  [2, стр. 18, табл. 2.3]

 - коэффициент, учитывающий окружную скорость


Проверяем условие контактной выносливости

Условие выполняется

Расчет зубьев на выносливость при изгибе

Условие предотвращения усталостного излома имеет вид


Определяем коэффициент, учитывающий распределение нагрузки между зубьями  - для непрямозубой передачи

Определяем коэффициент, учитывающий неравномерность распределения нагрузки по длине контактных линий


где

 - для непрямозубой передачи

Определяем коэффициент, учитывающий динамическую нагрузку


где  - удельная окружная динамическая сила


где      [2, стр. 19, табл. 2.4]

 - коэффициент, учитывающий влияние разности шагов зацепления    [2, стр. 19, табл. 2.5]

Определяем коэффициент, учитывающий форму зубьев и концентрацию напряжений


где  и  - эквивалентные числа зубьев шестерни и колеса


Определяем коэффициент, учитывающий наклон зубьев


Определяем коэффициент, учитывающий перекрытие зубьев

 - для непрямозубых колес

Определяем предел выносливости зубьев колес

Определяем коэффициент режима нагружения шестерни по числу циклов


где Т1F - расчетный вращающий момент на шестерне;

m1=6 - показатель степени кривой усталости при

Определяем коэффициент режима нагружения колеса по числу циклов


где m2=6 - показатель степени кривой усталости при

Определяем эквивалентное число циклов нагружения зубьев колес


Определяем коэффициент долговечности шестерни и колеса

Принимаем

Определяем коэффициент, учитывающий влияние двухстороннего приложения нагрузки

 - для одностороннего приложения нагрузки

Определяем допускаемое изгибное напряжение для шестерни и колеса


где  - коэффициент запаса прочности

Проверяем условие предотвращения усталостного излома

Условия выполняются

5. Расчет ременной передачи привода

Выбираем сечение ремня и диаметр меньшего шкива d1=90мм

Сечение ремня-А

Определяем диаметр большего шкива

=

Принимаем =224мм

Выбираем размеры сечения ремня=11мм; b=13мм; у=2,8мм; А1=81мм; =560…4000мм

Определяем угловую скоростьтихоходного вала, принимая =(0,015…0,02)


Определяем передаточное отношение


Определяем скорость ремня


Ориентировочно назначаем межосевое расстояние

высота сечения клинового ремня

Определяем расчетную длину ремня


Принимаем

Уточняем значение межосевого расстояния по стандартной длине


Принимаем a=450мм

Принимаем исходную мощность, передаваемую одним ремнем нормального сечения

    [5, табл. 5.5, стр86]

Опредиляем требуемое число ремней

    [5,табл. 2.5, стр. 78]

Принимаем z=4

Определяем силу предварительного натяжения


Определяем силу действующую на вал


6. Эскизная компоновка редуктора

.1 Предварительный расчет валов

Предварительный расчет валов выполняем на статическую прочность

Быстроходный вал редуктора

Диаметр выступающего конца быстроходного вала


Принимаем

Диаметр вала под подшипник


Принимаем

Диаметр промежуточного вала под подшипник


Принимаем =50 мм

Диаметр вала под насадкой колеса


Тихоходный вал редуктора

Выступающий конец


Принимаем =80 мм

Диаметр вала под подшипник


f - размер фаски в отверстиях ступицы

f=2,0     [4, табл. 8.14, стр. 158]

Принимаем =85мм

Диаметр вала под насадкой колеса


Принимаем

.2 Выбор подшипников

Принимаем подшипник №35ГОСТ 8338-75 легкой серии d=35мм, D=72мм, B=17мм, Cr=25,5кН , Cor=13,7 кН для вала 2 [2, стр. 27, табл. 3.1]

Принимаем подшипник № 210 ГОСТ 8338-75 легкой серии d=50мм, D=90мм, B=20мм, Cr=35,1 кН, Cor=19,8кН для вала 3 [2, стр. 27, табл. 3.1]

Принимаем подшипник № 217 ГОСТ 8338-75 легкой серии d=85мм, D=150мм, B=28мм, Cr=83,2 кН, Cor=53,0 кН для вала 4 [2, стр. 27, табл. 3.1]

6.3 Конструирование корпуса редуктора

Толщина стенок и ребер жесткости


Принимаем

Толщина стенки основания корпуса


Принимаем =8 мм

Толщина стенки крышки корпуса


Принимаем

Толщина ребра в основании

Толщина подъемного уха в основании


Принимаем =20 мм

Диаметр стяжного


Принимаем

Диаметр штифтов


Принимаем =10 мм

Диаметр фундаментного болта


Принимаем =18 мм

Толщина лапы фундаментного болта


Высота центров редуктора


Расстояние между торцом шестерни и выступающими элементами внутренней части корпуса


Принимаем =7 мм

Ширина пояса жесткости


Расстояние между зубьями колеса в радиальном направлении и торцом фланца, днищем основания


Принимаем

.4 Конструирование подшипниковых узлов

Конструктивное оформление подшипниковых узлов зависит от типа подшипников, схемы их установки, вида зацепления редукторной пары и способа смазывания подшипников и колес

Схемы установки валов:

первый и второй вал - с одной плавающей опорой;

третий вал - враспор

Посадки подшипников:

принимаем поле допуска валов под внутренние кольца подшипников при циркуляционном нагружении k6;

принимаем поле допуска отверстий в корпусе под наружные кольца подшипников Н7

Для подшипниковых узлов принимаем закладные крышки

6.5 Разработка смазки передач и подшипников

Смазывание зубчатых передач и подшипников применяют в целях защиты от коррозии, снижения коэффициента трения, уменьшения износа, отвода тепла и продуктов износа от трущихся поверхностей, снижения шума и вибраций.

Смазку цилиндрических передач редуктора проектируем методом погружения колес в масляную ванну на глубину 20…30 мм. Смазку подшипников - масляным туманом.

Ориентировочно принимаем необходимую вязкость смазочного материала


Выбираем масло ИРП-150 ТУ-38-101451-78 с кинематической вязкостью

=140…160    [4, табл.8. 31, стр. 188]

Принимаем объем масляной ванны 4 л (0,004)

Определяем глубину ванны


6.6 Подбор шпонок и их проверочные расчеты

Выбранные шпонки проверяют срез, ступицу колеса на смятие

Для вала 3 выбираем шпонку 20´12

l=56…220 мм


=

=

Для вала 4 выбираем шпонку 24´14

l=62…240 мм


=

=

Условия выполняются

.7 Выбор и расчет соединений «вал-ступица»

Вал 3

Определяем расчетный момент


m=2,2 - коэффициент, учитывающий кратковременные нагрузки

Определяем удельное давление, обеспечивающее неподвижность соединения, принимая коэффициент трения f=0,14 (сборка с нагревом, запас сцепления S=2)


Определяем диаметр ступицы колеса


Принимаем =115 мм

Определяем коэффициент жесткости


Определяем расчетный натяг


Принимая выглаживания микронеровностей U=0, допуск отверстия 75Н7 - 30мкм

Определяем основное отклонение вала

ei=

Принимаем по СТ СЭВ 144-75 ближайшую посадку вала Æ75s6

Вал 4

Определяем расчетный момент


m=2,2 - коэффициент, учитывающий кратковременные нагрузки

Определяем удельное давление, обеспечивающее неподвижность соединения, принимая коэффициент трения f=0,14 (сборка с нагревом, запас сцепления S=2)


Определяем диаметр ступицы колеса


Принимаем =145 мм

Определяем коэффициент жесткости


Определяем расчетный натяг


Принимая выглаживания микронеровностей U=0, допуск отверстия 95Н7 - 35мкм

Определяем основное отклонение вала

ei=

Принимаем по СТ СЭВ 144-75 ближайшую посадку вала Æ95u7

7. Уточненный расчет валов

Проверяем тихоходный вал редуктора на циклическую прочность

Определяем составляющие силы нормального давления в зацеплении:

окружная ;

радиальная ;

Определяем реакции опор в вертикальной плоскости

; ;

; ;

Строим эпюру изгибающих моментов в вертикальной плоскости

Определяем реакции опор в горизонтальной плоскости

; ;

; ;

Строим эпюру изгибающих моментов в горизонтальной плоскости

Из эпюр видно, что опасным является сечение, находящееся под колесом. Определяем для данного сечения суммарный изгибающий момент


Определяем момент сопротивления в данном сечении

Окончательно принимаем материал вала сталь 45 улучшенная

Устанавливаем предел выносливости для материала вала при симметричном цикле изгиба и кручения

;

где  - предел выносливости  [2, стр. 36, табл. 4.2]

Определяем расчетный коэффициент запаса прочности


где  - допускаемое значение коэффициента запаса прочности;

 и  - коэффициенты запаса прочности по нормальным и

касательным напряжениям


Определяем параметры симметричного цикла изменения напряжения при изгибе и кручении

амплитуда;

W=

среднее значение цикла ;

 

где  - момент сопротивления сечения кручению

Определяем эффективные коэффициенты концентрации напряжений


где  - эффективные коэффициенты концентрации напряжений при расчете на изгиб и кручение; [2, стр. 38, табл. 4.3]

 - коэффициенты влияния абсолютных размеров поперечного сечения;   [2, стр. 38, табл. 4.4]

 - коэффициенты качества обработки поверхности  [2, стр. 39, табл. 4.5]

 - коэффициент упрочняющей обработки

Определяем коэффициент чувствительности к ассиметрии цикла

    [2, стр. 36, табл. 4.2]

Условие выполняется

8. Проверочный расчет подшипников качения на долговечность

Условие обеспечения долговечности выбраного подшипника


Проверяем подшипник 217

m=3 - для шарикоподшипников

Определяем эквивалентную нагрузку


V=1 - при вращении внутреннего кольца

=1,8…2,5 - коэффициент безопасности

=1 - температурный коэффициент

=

X=0,56

F=

>>

Условие выполняется

Литература

1. Задания и методические указания к курсовому проекту «Привод транспортно-загрузочных устройств» для студентов специальности 0501/ Сост.: В.А. Орлов, Н.А. Цецорин. - Одесса: ОПИ. 1988. - 32с.

. Методические указания к курсовому проектированию по курсу «Детали машин и основы конструирования». «Расчет зубчатых зацеплений, валов и подшипников цилиндрического редуктора» для студентов всех специальностей/ Сост.: В.А. Орлов, Э.Д. Кравцов. - Одесса: ОПИ, 1993. - 43с.

. Расчет и проектирование передач с гибкими звеньями: Методические указания к курсовому проектированию по курсу «Детали машин» для студентов специальностей 0501, 0502, 0510, 1609/ Сост.: В.А. Орлов, Э.Д. Кравцов, А.М. Харсун. - Одесса: ОПИ, 1988. - 36с.

. Чернилевский Д.В. Детали машин и механизмов: Учеб. - К.: Высш. Шк. Головное изд-во, 1987. - 328с.

Похожие работы на - Привод скребкового транспортера стружки для автоматической линии

 

Не нашли материал для своей работы?
Поможем написать уникальную работу
Без плагиата!
Без нейросетей!