Привод транспортера
МИНИСТЕРСТВО ОБРАЗОВАНИЯ И НАУКИ
РОССИЙСКОЙ ФЕДЕРАЦИИ
Федеральное государственное бюджетное
образовательное учреждение высшего профессионального образования
«Оренбургский государственный
университет»
Транспортный факультет
Кафедра «Детали машин и прикладная
механика»
КУРСОВОЙ ПРОЕКТ
по дисциплине “Основы
конструирования”
Привод транспортера
Оренбург 2012 г.
Аннотация
В данном проекте изложен процесс проектирования привода транспортера с
разработкой конструкции шевронного одноступенчатого редуктора и открытой цепной
передачи, служащих для передачи вращающего момента с вала электродвигателя на
рабочий вал транспортера.
Техническое задание
Привод транспортера
Исходные данные:
угловая
скорость рабочего вала
…………………………….....9,25;
вращающий
момент на рабочем валу
………………...…...250;
срок
службы привода
, час …………………………………......10000;
производство
…………………………………………………..единичное;
особые
требования ………………………………………нереверсивный.
Разработать:
1) пояснительную записку;
2) сборочный чертеж редуктора (А1);
3) рабочие чертежи двух деталей (2·А3);
4) чертеж общего вида привода (А2).
Содержание
Введение
1 Выбор и проверка
электродвигателя, кинематический расчёт привода
1.1 Выбор и проверка
электродвигателя
1.2 Определение общего
передаточного числа и разбивка его между ступенями
1.3 Определение частот
вращения валов привода
1.4 Определение угловых
скоростей валов привода
1.5 Определение мощностей
на валах привода
1.6 Определение вращающих
моментов на валах привода
2 Расчет закрытой
цилиндрической шевронной передачи
2.1 Исходные данные для
расчета
2.2 Выбор материалов
зубчатых колес передачи и определение допускаемых напряжений
2.3 Определение основных
параметров передачи
Рабочая ширина
колеса
2.4 Уточнение расчетных
параметров передачи и проверочный расчет на контактную прочность зубьев
2.5 Проверка зубьев на
изгибную выносливость
2.6 Основные
геометрические размеры колес
2.7 Силы, действующие в
зацеплении
2.8 Проверка передачи на
кратковременную пиковую нагрузку
3 Расчёт открытой
цепной передачи
3.1 Определяем число
зубьев звёздочек
3.2 Определение шага цепи
3.3 Проверка условия
обеспечения износостойкости цепи
3.4 Определение
геометрических параметров передачи
3.5 Проверка коэффициента
запаса прочности
3.6 Определение силы
действующей на вал
4 Проектный расчет
валов и компоновка редуктора
4.1 Проектный расчет валов
редуктора
4.2 Выбор подшипников
качения для валов редуктора
4.3 Шпоночные соединения
4.4 Основные размеры
зубчатого шевронного колеса
4.5 Конструктивные размеры
корпуса редуктора
5 Конструирование
подшипниковых узлов
5.1 Конструирование
подшипниковых узлов быстроходного вала
5.2 Конструирование
подшипниковых узлов тихоходного вала
6 Смазывание.
Смазочные устройства
6.1 Смазывание шевронного
зацепления
6.2 Смазывание подшипников
7 Выбор муфты
8 Проверочный расчет
валов
8.1 Проверка быстроходного
вала редуктора
8.2 Проверка тихоходного
вала редуктора
9 Проверочный расчёт
шпонок
10 Проверочный расчет
подшипников на долговечность
11 Проверочный расчёт
стяжных винтов подшипниковых узлов
12 Тепловой расчёт
редуктора
13 Сборка редуктора
Список
используемой литературы
Введение
Рисунок 1 - Элементы привода транспртера
Привод общего назначения состоит из:
- электродвигатель;
- упругая компенсирующая муфта;
- закрытая зубчатая цилиндрическая передача с косым зубом;
- открытая цепная передача.
Валы привода:
I -
вал электродвигателя;
II -
быстроходный вал редуктора;
III -
тихоходный вал редуктора;
IV -
вал рабочей машины.
В
курсовом проектировании принята единая система физических единиц (СИ) со
следующими отклонениями, допущенными в стандартах (ИСО и ГОСТ) на расчёты
деталей машин: размеры деталей передач выражаются в миллиметрах (мм), силы в
ньютонах (Н), и соответственно напряжения в ньютонах, делённых на миллиметры в
квадрате (
), т.е. мегапаскалях (МПа), а моменты в ньютонах,
умноженных на миллиметр (
). У отдельных групп формул даны соответствующие
примечания.
При
расчёте закрытой зубчатой цилиндрической передачи с косым зубом редуктора
вводятся следующие обозначения: параметры для быстроходного вала обозначаются с
индексом «1», а параметры для тихоходного вала обозначаются с индексом «2».
При
расчёте открытой цепной передачи индекс «1» присваивается всем элементам и
параметрам ведущего звена, а индекс «2» - ведомого звена рассчитываемой
передачи.
1
Выбор и проверка электродвигателя, кинематический расчёт привода
1.1 Выбор и
проверка электродвигателя
Определение
требуемой мощности электродвигателя
,
где:
-
мощность на рабочем валу;
- общий
коэффициент полезного действия (К.П.Д.) привода;
здесь:
-
вращающий момент на рабочем валу;
-
угловая скорость рабочего вала;
- К.П.Д.
упругой компенсирующей муфты между рабочим валом и редуктором;
- К.П.Д.
ременной открытой передачи;
- К.П.Д.
червячной закрытой передачи;
- К.П.Д.
пар подшипников;
Определение
требуемой частоты вращения электродвигателя
Требуемая частот вращения находится из следующего диапазона частот
вращения:
где:
-
частота вращения рабочего вала привода;
-
диапазон возможных передаточных чисел привода.
здесь:
-
диапазон возможных передаточных чисел червячного открытого редуктора;
-
диапазон возможных передаточных чисел ремённой открытой передачи.
Тогда:
.
Отсюда:
об/мин
Выбор
электродвигателя
Исходя из требуемой мощности и требуемого диапазона частот вращения,
выбираем трехфазный короткозамкнутый асинхронный двигатель переменного тока
АИР100L2.
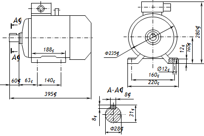
Таблица 1 - Технические характеристики выбранного электродвигателя
Тип
двигателя Исполнение Число пар полюсов Мощность,
, кВтЧастота
|
вращения , мин-1 Диаметр
вала d, мм
|
|
|
|
|
|
АИР100L2
|
1М1081
|
2
|
5,5
|
2880
|
2,5
|
28
|
Рисунок 2 - Электродвигатель АИР100L2 исполнения 1М1081
1.2 Определение
общего передаточного числа и разбивка его между ступенями
Общее передаточное число привода:
Примем
передаточное число червячной передачи редуктора
, тогда
передаточное число открытой ремённой передачи равно:
1.3
Определение частот вращения валов привода
;
;
.
1.4 Определение
угловых скоростей валов привода
;
;
;
.
1.5 Определение
мощностей на валах привода
;
;
;
.
1.6
Определение вращающих моментов на валах привода
;
;
;
.
Таблица 2 - Результаты кинематического расчёта привода
Угловая
скорость
, рад/сЧастота вращения
,
об/минМощность
,
ВтВращающий
|
момент , Н×м
|
|
|
|
|
|
I
|
302,4
|
2880
|
4692
|
1,52
|
|
II
|
160,51
|
1528,66
|
4412,826
|
27,49
|
|
III
|
8,025
|
76,433
|
3232,836
|
404,14
|
|
IV
|
8,025
|
76,433
|
3200,5
|
398,816
|
2
Расчет закрытой цилиндрической шевронной передачи
2.1 Исходные
данные для расчета
Получены из кинематического расчета и на основании исходных данных на
проектирование.
Вращающий момент на шестерне ТII=T1, Н×м - 17,47.
Вращающий момент на колесе ТIII=T2, Н×м - 76,25.
Частота вращения шестерни nII=n1, об/мин - 1435.
Частота вращения колеса nIII=n2, об/мин - 318,89.
Передаточное
число передачи
= 4,5.
Срок
службы передачи Lh , час - 10000
Режим
работы 0.
Смазка
погружением колеса в масляную ванну.
Электродвигатель
имеет следующие параметры:
мощность
номинальная
, Вт - 3000;
мощность
расчетная
, Вт - 2624;
·
отношение
пускового момента к номинальному Тмах / Тном = 2,4.
2.2 Выбор
материалов зубчатых колес передачи и определение допускаемых напряжений
Выбор
материала зубчатых колес
Так как к габаритным размерам редуктора не предъявляется особых
требований, то принимаем следующие материалы:
для шестерни: сталь 40Х ГОСТ 4543-71: термическая обработка - улучшение,
твердость НВ1 269÷302, предел прочности σВ1 = 900 МПа, предел текучести σТ1 = 750 МПа /2, c. 7, таблица 1/;
для колеса: сталь 45 ГОСТ 4543-71: термическая обработка - улучшение, НВ 235÷262,
предел прочности σВ2 = 780 МПа, предел текучести σТ2 = 540 МПа /2, c. 7, таблица 1/.
Средняя
твердость материала шестерни и колеса
НВср1 = (НВmin1 + HBmax 1) / 2 = (269 + 302) / 2 = 285,5;
НВср2 = (НВmin2 + HBmax2) / 2 = (235 + 262) / 2 = 248,5.
Число циклов
перемены напряжений шестерни и колеса N∑1 и N∑2
N∑1
= 60 × Lh × nII = 60 × 10000 × 1435 = 8,61 × 108 ;
N∑2
= 60 × Lh × nIII = 60 × 10000 × 318,89 = 1,91 × 108 .
Эквивалентное
число циклов перемены напряжений
При расчете на контактную выносливость:
для шестерни:
=kHE× N∑1=
1,0×8,61 × 108 =8,61 × 108,
здесь kHE = 1,0 - коэффициент приведения для режима работы 0 /2, c. 12, таблица 5/- для колеса:
NHE2=kHE× N∑2= 1,0×1,91 × 108 = 1,91 × 108 .
При расчете на изгибную выносливость:
NHE1=kFE× N∑1= 1,0×8,61 × 108 = 8,61 × 108,
здесь kFE = 1,0 - коэффициент приведения для режима работы 0 /2, c. 12, таблица 5/;
NFE2=kFE× N∑2= 1,0×1,91 × 10 8= 1,91 × 108 .
Число циклов перемены напряжений, соответствующее длительному пределу
контактной выносливости шестерни и колеса NHG1 и NHG2 для колес из улучшенных
сталей
= 30 ×
(HBср1)2,4 = 30 × 285,52,4 = 23,47 × 106;= 30 × (HBср2)2,4 = 30 × 248,52,4 = 16,82 × 106 /2, c. 8/.
Число циклов перемены напряжений, соответствующее длительному пределу
изгибной выносливости
Для улучшенных сталей не зависимо от твердости зубьев колес:
NFG1 =
NFG2 = 4 × 106 /2, c. 8/
Допускаемые
напряжения для расчетов на выносливость
Допускаемые
напряжения для расчетов на контактную выносливость
Для шестерни:
,
где
σНlim - предел контактной выносливости, для улучшенных
колес /2, c. 9, таблица 3/:
σНlim1=2· HBср1 +70 =2·285,5+70=641 МПа;- коэффициент запаса
прочности при расчете на контактную прочность; SH = 1,1 - для улучшенных колес
/2, c. 9/;
-
коэффициент долговечности, так как
> NHG1
=23,47 × 106, то
/2, c.
10/;
-
коэффициент, учитывающий влияние шероховатости сопряженных поверхностей зубьев,
для материалов первой группы принимаем
=0,9 /2, c.
10/;
-
коэффициент, учитывающий влияние окружной скорости, на предварительном этапе
расчета принимаем
= 1 /2, c. 10/.
Тогда
МПа.
Для колеса:
,
σНlim2=2· HBср2 +70 =2·248,5+70=567 МПа.
Поскольку
NHE2 =1,91 × 108 >
NHG2=16,82 × 106 , то
/2, c.
10/, тогда:
МПа.
Расчетное
допускаемое контактное напряжение для косозубых передач:
МПа,
МПа <
МПа.
Принимаем
МПа.
Допускаемые
напряжения для расчетов на изгибную выносливость
Для шестерни:
,
где
- предел изгибной выносливости
при нулевом цикле напряжений /2 таблица 4/, для улучшенных колес:
=1,75×HBср1
= 1,75×285,5 =499,6 МПа,
- коэффициент запаса
прочности при расчете на изгибную прочность /2, c. 11/;
-
коэффициент долговечности, так как
> NFG1
=4 × 106, то
/2, c.
11/;
-
коэффициент, учитывающий влияние шероховатости переходной поверхности между
зубьями, при зубофрезеровании
/2, c.
12/;
-
коэффициент, учитывающий влияние двухстороннего приложения нагрузки (реверса);
при одностороннем приложении нагрузки
/2, c.
12/.
Тогда:
Для колеса:
,
=1,75×HBср2=
1,75×248,5 =434,9 МПа.
Поскольку
NFE2 =1,91 × 10 8 > NFG2=4
× 10 6 , то
/2, c.
11/, тогда:
Максимальные
допускаемые напряжения [σ]Hmax и [σ]Fmax
1) При расчете на контактную выносливость [σ] Hmax
[σ] Hmax = 2,8×σТ2 = 2,8 × 540 = 1512 МПа.
) При расчете на изгибную выносливость [σ]Fmax1 и [σ]Fmax2
[σ]Fmax1= 2,74 × НВ ср1 = 2,74 × 285,5 = 782,3 МПа;
[σ]Fmax2 = 2,74 × НВ ср2 = 2,74 × 248,5 = 680,9 МПа.
2.3 Определение
основных параметров передачи
Коэффициенты нагрузки при расчете на контактную выносливость
КН = КН β×КНV×KHa.
Коэффициент концентрации нагрузки для прирабатывающихся колес
КНβ =
× (1 - Х) + Х .
Полагая
y ba= 0,5 для шевронной зубчатой передачи /2, c.
15/, определим относительную ширину шестерни
Коэффициент
режима для режима работы 0 X=1 /2, c. 8, таблица 2/.
Тогда
КНβ = 1.
С
целью определения коэффициента динамичности нагрузки вычислим приближенное
значение окружной скорости:
м/с,
где
- коэффициент для косозубой передачи /2, c.
16/.
Назначаем
9-ю степень точности изготовления цилиндрической косозубой шевронной передачи
/2, c. 17, таблица 9/.
Тогда
коэффициент динамичности нагрузки равен KHV = 1,02 /2, c. 17, таблица
10/.
Коэффициент,
учитывающий распределение нагрузки между зубьями в косозубой передаче KHa= 1,12 /3, c.
39, таблица 3,4/ для шевронных колес 9-й степени точности при окружной скорости
V=1,88 м/c.
Коэффициент
нагрузки
КН = КН β×КНV ×KHa = 1,0×1,02 ×1,12 = 1,142.
Коэффициенты нагрузки при расчете на изгибную выносливость
КF = КF β×КFV×КFα.
Коэффициент концентрации нагрузки для прирабатывающихся колес
КFβ =
× (1 - Х) + Х
Так
как Х = 0, то по аналогии с п. 2.3.1 КFβ = 1.
Тогда коэффициент динамичности нагрузки равен KFV = 1,08. /2, c. 18, таблица 11/.
Коэффициент, учитывающий распределение нагрузки между зубьями в косозубой
передаче KFa= 0,91 /2, c. 24, таблица 14/ для косозубых колес 9-й степени точности.
Коэффициент нагрузки
КF = КFβ×КFV×KFa= 1,0×1,08×0,91 = 0,983.
Предварительное значение межосевого расстояния
Примем значение aW =
80 мм по ГОСТ 2185-66/2, c.
20/.
Рабочая ширина венца
Рабочая
ширина колеса
b2 = y ba× aW = 0,5 × 80 =40мм.
Ширина шестерни
b1 = b2 + (2…4) = 40 + (2…4) = 42…44 мм.
В соответствии с ГОСТ 6636-69 из ряда Ra20 примем b1 =
45 мм и b2 =40 мм /2, c. 20/.
Модуль передачи
мм.
По
ГОСТ 9563-60 принят нормальный модуль
мм.
Минимальный
угол наклона зубьев для шевронной передачи
/2, c.
21/.
Суммарное число зубьев
.
Примем
Действительное значение угла наклона зубьев
Число зубьев шестерни
Число зубьев колеса
Фактическое передаточное число
2.4
Уточнение расчетных параметров передачи и проверочный расчет на контактную
прочность зубьев
Окружная
скорость
м/с,
где
мм - делительный диаметр шестерни.
Уточняем
коэффициенты нагрузки
Уточняем значение коэффициента, учитывающего распределение нагрузки между
зубьями в косозубой передаче KHa= 1,12 /3, c. 39, таблица
3,4/ для косозубых колес 9-й степени точности при окружной скорости V=2,15 м/c.
Коэффициент, учитывающий распределение нагрузки между зубьями в косозубой
передаче KFa= 0,91 /2, c. 24, таблица 14/ для косозубых колес 9-й степени точности.
Коэффициенты динамичности нагрузки:
при расчете на контактную выносливость KHV = 1,02 /2, c. 17, таблица 10/;
при расчете на изгибную выносливость KFV = 1,08 /2, c. 17,
таблица 11/.
Коэффициенты нагрузки:
КH = КHβ×КHV×КHα
= 1,0×1,02×1,12 = 1,142;
КF = КFβ×КFV ×КFα = 1,0×1,08×0,92 = 0,983.
Расчетное контактное напряжение
sН=450,68 МПа < [s]H=495,1 МПа.
Недогрузка
передачи по контактным напряжениям составляет:
,
что
является допустимым /2, c. 23 /.
2.5 Проверка
зубьев на изгибную выносливость
Напряжения
изгиба в зубьях колеса
.
Эквивалентное
число зубьев колеса
Коэффициент,
учитывающий форму зубьев колеса
.
Коэффициент,
учитывающий наклон зубьев
Напряжение
в опасном сечении зубьев колеса
МПа.
МПа <
МПа.
Напряжения
изгиба в зубьях шестерни
Эквивалентное число зубьев шестерни
Коэффициент,
учитывающий форму зубьев шестерни
Напряжение
в опасном сечении зуба шестерни
МПа <
МПа.
2.6
Основные геометрические размеры колес
Диаметры
делительных окружностей
мм;
мм.
Проверка:
мм =
мм.
Диаметры
окружностей вершин зубьев
мм;
мм.
.6.3
Диаметры окружностей впадин зубьев
мм;
мм.
2.7 Силы,
действующие в зацеплении
Окружная
сила Ft1 = Ft2 =
Н.
Радиальная
сила
Н.
Осевая
сила
Н.
2.8
Проверка передачи на кратковременную пиковую нагрузку
Определяем коэффициент перегрузки привода
=
2,74.
Максимальное
контактное напряжение σH
max
.
Максимальные
напряжения изгиба
МПа <
[σ]Fmax1=
782,3 МПа;
МПа <
[σ]Fmax2
= 680,9 МПа.
Во
всех случаях прочность зубьев при кратковременных пиковых перегрузках также
обеспечена.
3
Расчёт открытой цепной передачи
3.1 Определяем
число зубьев звёздочек
где:
передаточное
число открытой цепной передачи.
Z1 округляем до
ближайшего целого нечётного числа
.
.
Z2 округляем до
ближайшего целого чётного числа
.
3.2 Определение
шага цепи
мм,
где:
[p]=20
МПа - ориентировочное допускаемое среднее давление в шарнирах цепи /4, с.
15,таблица А1/.
m=1 - число рядов цепи.
Kэ=Кд×Ка×Кн×Кр×Ксм×Кп -
коэффициент эксплуатации,
здесь:
Кд =1- динамический коэффициент, учитывающий характер нагрузки, для
спокойной нагрузки/4, с. 5/;
Ка =1 - коэффициент, учитывающий межосевое расстояние, при а′=(30…50)×t /4, с. 6/;
Кн =1 - коэффициент, учитывающий влияние наклона цепи к горизонту, при
угле наклона цепи к горизонту до 600 /4, с. 6/;
Кр =1,25 - коэффициент, учитывающий способ регулирования натяжения цепи,
при периодическом регулировании /4, с. 6/;
Ксм =1,3 - коэффициент, учитывающий способ смазки цепи, при периодической
смазке /4, с. 6/;
Кп =1 - коэффициент, учитывающий периодичность работы, при односменной
работе /4, с. 6/.э=1×1×1×1,25×1,3×1= 1,625.
мм.
Полученное
значение шага t принимаем согласно ГОСТ 13568 /4, с. 15,таблица А2/.
Таблица
3 - Параметры цепи
|
t, мм
|
BBН, мм
|
d, мм
|
d1*,мм
|
h, мм
|
B, мм
|
F, Н
|
q, г/м
|
S, мм2
|
|
19,05
|
12,70
|
5,96
|
11,91
|
18,2
|
33
|
31195
|
1,5
|
105,8
|
Цепь ПР-19,05-3183 ГОСТ 13568
3.3 Проверка
условия обеспечения износостойкости цепи
Проверка
условия: n£[n1]
[n1]=900 об/мин - допускаемое значение частоты вращения ведущей звездочки
/4, с. 15,таблица А4/.
[n]=319 об/мин - действительное значение частоты вращения ведущей
звездочки.
<900.
Условие выполняется.
Проверка
условия: р£[р]
[р] - допускаемое значение среднего давления в шарнирах цепи.
где:=105,8
мм2 - проекция опорной поверхности шарнира;
-
окружная сила, Н;
-
скорость цепи, м/с;
где:
- число
зубьев на ведущей звёздочке;
[n]=319
об/мин - частоты вращения ведущей звездочки;=19,05 мм - шаг цепи.
-
мощность на ведущей звёздочке, Н;
где:
-
вращающий момент на ведущей звёздочке.
Н.
МПа.
[р]=[р]табл.×[0,01× (z1-17)+1]= 22.×[0,01× (23-17)+1]=23,32 МПа,
где:
[р]табл.
= 22 - допускаемое среднее давление в шарнирах цепи /4, с. 15,таблица А1/.
Так
как значение р значительно меньше [р], то уменьщим количество зубьев на ведущей
звездочке до
, тогда
,
где:=105,8
мм2 - проекция опорной поверхности шарнира;
- окружная
сила, Н;
-
скорость цепи, м/с;
-
мощность на ведущей звёздочке, Н;
где:
-
вращающий момент на ведущей звёздочке.
Н;
МПа.
[р]=[р]табл.×[0,01× (z1-17)+1]= 22.×[0,01× (19-17)+1]=22,44 МПа,
р≤
[р] - условие выполняется.
.
Z2 округляем до
ближайшего целого чётного числа
.
3.4 Определение
геометрических параметров передачи
Вычисление
предварительного межосевого расстояния
а′=40×t =40×19,05 =
780 мм.
Определение
числа звеньев цепи
Округляем о ближайшего чётного числа Lt=130.
Уточнение межосевого расстояния
, мм
мм.
Монтажное
межосевое расстояние:
а=0,997·а″=807,85
мм.
Определение
делительного «d» диаметра ведущей и ведомой звездочек
.
-
Делительный диаметр ведущей звёздочки:
мм;
делительный
диаметр ведомой звёздочки:
мм.
Определение
наружного «Dе» диаметра ведущей и ведомой звездочек
,
где:
К=0,532
- коэффициент высоты зуба /4, с. 8,таблица 2/.
Наружный
диаметр ведущей звёздочки:
мм;
наружный
диаметр ведомой звёздочки:
мм.
3.5 Проверка
коэффициента запаса прочности
,
где:Р
= 31195 - разрушающая нагрузка, Н;д = 1- динамический коэффициент;= 1,5- масса
1 м цепи, кг;= 6 - коэффициент, учитывающий положение цепи;
a// = 803,28 -
принятое межосевое расстояние, мм;
[s] =
9,8 - допускаемый запас прочности /4, с. 16, таблица А5/.
.
3.6 Определение
силы действующей на вал
Fв=Ft×KВ,
где:
КВ =1,15 - коэффициент нагрузки вала /4, с. 8/.
Fв=1322,7×1,15=1521,1 Н.
4
Проектный расчет валов и компоновка редуктора
4.1 Проектный
расчет валов редуктора
Проектный
расчет быстроходного вала редуктора
Диаметр выходного конца вала:
мм,
примем,
учитывая, что диаметр вала электродвигателя равен
мм и с редуктором соединяется при помощи муфты /3,
с.279, таблица 11.6/
= 22 мм.
Отклонение
диаметра входного вала редуктора от диаметра вала электродвигателя:
.
Длина
выходного конца быстроходного вала равна:
мм,
примем
=36 мм.
Диаметр
вала под подшипник:
мм,
примем
мм.
Диаметр
бурта подшипника:
мм,
примем
32 мм.
Здесь
r = 2 мм - координата фаски подшипника /5, с.46/.
Вал
сделан заодно с шестерней.
Проектный расчет тихоходного вала редуктора
Диаметр вала на выходном конце тихоходного вала:
мм,
примем:
мм.
Длина
выходного конца тихоходного вала равна:
мм,
примем
= 42 мм.
Диаметр
вала по уплотнение и под подшипник:
мм,
примем
30 мм.
Здесь
t = 2,2 мм - высота буртика /5, с.113, таблица 7.1/.
Диаметр
вала под колесом:
примем
мм.
Диаметр
бурта колеса и бурта подшипника:
мм,
38 мм.
Здесь
мм - размер фаски колеса /5, с.46/.
4.2
Выбор подшипников качения для валов редуктора
Для быстроходного вала редуктора выбираем роликоподшипники радиальные с
короткими цилиндрическими роликами легкой узкой серии №32205А ГОСТ 8328 - 75 со
следующими размерами: диаметр внутреннего кольца подшипника d=25 мм, диаметр наружного кольца
подшипника D=52 мм, остальные размеры: В=15 мм, r=1,5 мм. /3, с.393, таблицаП3/.
Для тихоходного вала редуктора выбираем шарикоподшипники радиальные
однорядные легкой серии №80206 ГОСТ 8338 - 75 со следующими размерами: диаметр
внутреннего кольца подшипника d=30
мм, диаметр наружного кольца подшипника D=62 мм, остальные размеры: В=16 мм, r=1,5 мм. /3, с.397, таблицаП5/.
4.3 Шпоночные
соединения
Шпонка
призматическая для соединения муфты и ведущего вала редуктора -
ГОСТ 23360-78 /3, с.169, таблица 8.9/
Толщина:
;
Высота:
;
Глубина
паза вала:
;
Глубина
паза ступицы:
;
Длина:
;
Фаска
- 0,25 мм.
Шпонка
призматическая для соединения шевронного колеса и ведомого вала редуктора -
ГОСТ 23360-78 /3, с.169, таблица 8.9/
Толщина:
;
Высота:
;
Глубина
паза вала:
;
Глубина
паза ступицы:
;
Длина:
;
Фаска
- 0,25 мм.
Шпонка
призматическая для соединения ступицы звездочки цепной передачи и ведомого вала
редуктора -
ГОСТ 23360-78 /3, с.169, таблица 8.9/
Толщина:
;
Высота:
;
Глубина
паза вала:
;
Глубина
паза ступицы:
;
Длина:
;
Фаска
- 0,25 мм.
4.4 Основные
размеры зубчатого шевронного колеса
Расстояние между полушевронами примем равным 18 мм
Диаметр ступицы колеса
мм, примем
55 мм.
Длина
ступицы
мм,
Толщина
обода
мм,
примем
мм.
Толщина
диска
мм.
Примем
С=18 мм.
4.5 Конструктивные
размеры корпуса редуктора
Толщина стенки корпуса:
мм,
примем
мм;
мм,
примем
мм.
Толщина
верхнего пояса (фланца) основания корпуса и нижнего пояса (фланца) крышки
корпуса:
мм.
Толщина
нижнего пояса (фланца) основания корпуса без бобышки:
мм,
примем
мм.
Диаметры
болтов:
фундаментных:
мм,
принимаем
болт М14;
соединяющий
крышку с основанием корпуса у подшипников:
мм,
принимаем
болт М10;
·
соединяющих
крышку с корпусом:
мм,
принимаем
болт М8.
Диаметр
штифтов
мм;
длина
штифтов
мм, примем
=30 мм.
Таблица
4
|
Параметры
|
Болты
|
|
М8
|
М10
|
М14
|
|
Кi ci
|
24 13
|
28 16
|
36 20
|
5
Конструирование подшипниковых узлов
5.1 Конструирование
подшипниковых узлов быстроходного вала
Крепление
колец подшипников на валу и в корпусе
Внутренние кольца подшипников в обеих опорах устанавливают на вал с
натягом по посадке L0/k6, с упором в буртик вала, с
дополнительным креплением с противоположной стороны с помощью упорных плоских
внутренних концентрических колец А 25 65Г кд 15 ГОСТ 13941 - 68 /3, с.195,
таблица 9.6/. Наружные кольца подшипников в обеих опорах устанавливают в корпус
с зазором по посадке H7/l0 с односторонней фиксацией упором в
упорные плоские наружные концентрические кольца А 52 65Г кд 15 хр ГОСТ 13940 -
68/3, с.192, таблица 9.4/.
Крышки
подшипниковых узлов
Крышка торцевая глухая, крепится к корпусу четырьмя болтами М6. Толщину
крышки под болтами примем равной толщине корпуса редуктора - 8 мм. Между
корпусом и крышкой устанавливается картонная уплотнительная прокладка.
Аналогично крепится сквозная крышка.
Уплотнительные
устройства
Уплотнение в сквозных крышках осуществим с помощью резиновых армированных
манжет типа I ГОСТ 8752 - 79 /3, с.209, таблица
9.16/. Для извлечения манжет в крышках предусмотрено три отверстия d=3мм.
5.2 Конструирование
подшипниковых узлов тихоходного вала
Крепление
колец подшипников на валу и в корпусе.
Внутренние кольца подшипников в обеих опорах устанавливают с натягом по
посадке L0/k6 с упором в буртик вала, без дополнительного крепления с
противоположной стороны.
Наружные кольца подшипников в обеих опорах устанавливают в корпус с
зазором по посадке H7/l0 с односторонней фиксацией упором в
упорные плоские наружные концентрические кольца А 62 65Г кд 15 хр ГОСТ 13940 -
68 /3, с.192, таблица 9.4/.
Крышки
подшипниковых узлов
Крышка торцевая глухая, крепится к корпусу четырьмя болтами М6. Толщину
крышки под болтами примем равной толщине корпуса редуктора - 8 мм. Между
корпусом и крышкой устанавливается картонная уплотнительная прокладка.
Аналогично крепится сквозная крышка.
5.2.1 Уплотнительные
устройства
Уплотнение в сквозных крышках осуществим с помощью резиновых армированных
манжет типа I ГОСТ 8752 - 79 /3, с.209, таблица
9.16/. Для извлечения манжет в крышках предусмотрено три отверстия d=3мм.
6
Смазывание. Смазочные устройства
6.1 Смазывание
шевронного зацепления
Выберем непрерывное смазывание жидким маслом картерным непроточным
способом (окунанием).
Для
контактных напряжений
=450 МПа<600 МПа и окружной скорости
м/с выберем масло с вязкостью 34*10-6 м2/с /3, с.253,
таблица 10.8/, которой соответствует индустриальное масло И-Г-А-32 ГОСТ
20799-88/3, с.253, таблица 10.10/.
Минимальный
необходимый объем масла определим как 0,25 литра на каждый киловатт
передаваемой мощности, или 0,25·2,545=0,636 л. Допустимый уровень погружения
шевронного колеса в масло
мм, но не менее 10 мм /5, с. 173/. Здесь m -
модуль зацепления. Расстояние меду дном корпуса и поверхностью колеса примем
равным 4а=4·7=28 мм /5, с. 46/. Таким образом, уровень масла от дна корпуса
может колебаться от 38 до 60 мм.
Контроль
уровня масла осуществляется жезловым маслоуказателем с установкой в крышке
корпуса /3, с.254, рисунок 10.34/.
Слив
масла производится через сливное отверстие, закрываемое пробкой с цилиндрической
резьбой и шестигранной головкой, пробка М16×1,5 - 8g /5, с.178,
рисунок 11.11/.
Внутренняя
полость корпуса сообщается с внешней средой путём установки крышки-отдушины на
смотровой люк в верхней части крышки корпуса.
6.2
Смазывание подшипников
Смазывание подшипников осуществляется масляным туманом, образующимся от
вращения зубчатой передачи /3, с.207/.
7
Выбор муфты
Муфта упругая втулочно-пальцевая 63-22.I.1-28.I.2
ГОСТ 21424-93 /3, с.277, таблица 11.5/.
Материал полумуфт - сталь Ст30Л (ГОСТ 977-88).
Материал пальцев - сталь 45 (ГОСТ 1050-88).
Допускаемый вращающий момент для передачи [T] =63 Н·м, допускаемое напряжение смятия упругих элементов [σсм]=2Н/мм2 /5,с. 314/. Предположив,
что нагрузка равномерно распределена между пальцами.
8
Проверочный расчет валов
8.1 Проверка
быстроходного вала редуктора
Таблица
5: Нагрузки
Радиальные силы
|
N
|
Расстояние от левого конца
вала, мм
|
Модуль, Н
|
Угол, град
|
|
0
|
302.00
|
232.55
|
0.00
|
|
1
|
302.00
|
579.00
|
-90.00
|
|
2
|
343.00
|
232.55
|
0.00
|
|
3
|
343.00
|
579.00
|
-90.00
|
Осевые силы
|
N
|
Расстояние от левого конца
вала, мм
|
Значение, Н
|
|
0
|
302.00
|
540.20
|
|
1
|
343.00
|
-540.20
|
Моменты кручения
|
N
|
Расстояние от левого конца
вала, мм
|
Значение, Нxм
|
|
0
|
302.00
|
-8.73
|
|
1
|
343.00
|
-8.73
|
|
2
|
428.00
|
17.47
|
Реакции в опорах
|
N
|
Расстояние от левого конца
вала, мм
|
Реакция верт., Н
|
Реакция гориз., Н
|
Реакция осевая, Н
|
Модуль, Н
|
Угол, град
|
|
0
|
12.50
|
-234.97
|
585.03
|
0.00
|
630.46
|
-21.88
|
|
1
|
108.50
|
-230.13
|
572.97
|
0.00
|
617.46
|
-21.88
|
Вывод: на быстроходном валу опасным сечением является участок между
полушевронами, где концентратором напряжений является галтельный переход, и
коэффициент запаса составляет 3,5.
8.2
Проверка тихоходного вала редуктора
Таблица
6: Нагрузки
Радиальные силы
|
N
|
Расстояние от левого конца
вала, мм
|
Модуль, Н
|
Угол, град
|
|
0
|
21.00
|
1521.00
|
-90.00
|
|
1
|
133.00
|
465.10
|
180.00
|
|
2
|
133.00
|
1158.00
|
90.00
|
Моменты кручения
|
N
|
Расстояние от левого конца
вала, мм
|
Значение, Нxм
|
|
0
|
21.00
|
76.25
|
|
1
|
133.00
|
-76.25
|
Реакции в опорах
|
N
|
Расстояние от левого конца
вала, мм
|
Реакция верт., Н
|
Реакция гориз., Н
|
Реакция осевая, Н
|
Модуль, Н
|
Угол, град
|
|
0
|
77.00
|
199.33
|
1893.86
|
0.00
|
1904.32
|
6.01
|
|
1
|
175.00
|
265.77
|
-1530.86
|
0.00
|
1553.76
|
170.15
|
Вывод: на тихоходном валу опасными сечениями являются выходной участок
вала, где концентратором напряжений является шпоночный паз, и коэффициент
запаса составляет 3,4, переходный участок вала от места под подшипник к бурту
подшипника, где концентратором напряжений является канавка, а коэффициент
запаса составляет 1,8, и участок перехода от места под колесо к бурту колеса,
где концентратором напряжений является канавка, а коэффициент запаса составляет
2,8.
9
Проверочный расчёт шпонок
Шпонка под полумуфтой:
Условие прочности:
-
окружная сила на валу;
-
допускаемое напряжение на смятие /3, с. 170/;
-
площадь смятия;
здесь:
-
рабочая длина шпонки;
- высота
шпонки;
-
глубина шпоночного паза;
- длина
шпонки;
-
толщина шпонки.
Условие
выполняется.
Шпонка
под шевронным колесом:
Условие
прочности:

-
допускаемое напряжение на смятие/3, с. 170/;
-
площадь смятия;
здесь:
-
рабочая длина шпонки;
- высота
шпонки;
-
глубина шпоночного паза;
- длина
шпонки;
-
толщина шпонки.
Условие
выполняется.
Шпонка
под звёздочкой:
Условие
прочности:
-
окружная сила на червячном колесе;
-
допускаемое напряжение на смятие при использовании стальной ступицы цепной
звездочки/3, с. 170/;
-
площадь смятия;
здесь:
-
рабочая длина шпонки;
- высота
шпонки;
-
глубина шпоночного паза;
- длина
шпонки;
-
толщина шпонки.
Условие
выполняется.
привод транспортер
редуктор электродвигатель
10
Проверочный расчет подшипников на долговечность
Для каждой из двух пар подшипников для расчета выберем наиболее
нагруженный подшипник. Номинальную долговечность (ресурс) подшипника в часах
вычислим по формуле
, ч
где
С - динамическая грузоподъемность по каталогу, Н;
P -
эквивалентная нагрузка, Н;
p - показатель
степени для радиально упорных шарикоподшипников равен 3, для роликоподшипников
10/3 /3, с. 211/;
n - частота
вращения, об/мин.
,
где
Fr - радиальная сила, действующая на подшипник, Н;
V - коэффициент
вращения кольца, V=1 /5, с. 106/;
Кб
- коэффициент безопасности, Кб=1,2 /5, с. 107 таблица 7,4/;
Кт
- температурный коэффициент, Кт=1 /5, с. 107/.
На
быстроходном валу используются роликоподшипники радиальные 32205 А ГОСТ 8328 -
75 с С=28,6 кН/3, с. 397/.
Более
нагружен левый подшипник с Fr =630 Н /с. 30/, тогда Р=756 Н, и
ч,
что
превышает заданный ресурс редуктора равный 10000 ч.
На
тихоходном валу используются радиальные шарикоподшипники легкой серии 80206
ГОСТ 8338 - 75 с С=19,5 кН /3, с. 393/.
Более
нагружен левый подшипник с Fr =1904 Н /с. 35/, тогда Р=2284,8 Н, и
ч,
что
превышает заданный ресурс редуктора равный 10000 ч.
11
Проверочный расчёт стяжных винтов подшипниковых узлов
Стяжные
винты рассчитывают на прочность по эквивалентным напряжениям на совместное
действие растяжения и кручения
,
:
-
расчётная сила затяжки винтов;
здесь:
- сила
воспринимаемая одним стяжным винтом,
где
Н -
большая из реакций в вертикальной плоскости в опорах подшипников тихоходного
вала /с. 35/;
-
коэффициент затяжки /7 с 114/;
-
коэффициент основной нагрузки /7 с 114/.
-
площадь опасного сечения винта;
-
расчётный диаметр винта, где
-
наружный диаметр винта;
- шаг резьбы.
-
допускаемое напряжение при неконтролируемой затяжке /7 с 112/.
- предел
текучести /6, с. 86/.
Условие
выполняется.
12
Тепловой расчёт редуктора
Температура
масла
в корпусе шевронной передачи при непрерывной работе
без искусственного охлаждения определяется по формуле:
где:
-
температура воздуха вне корпуса редуктора;
-
мощность на быстроходном валу редуктора;
- К.П.Д.
редуктора;
-
коэффициент теплопередачи/3, с. 256/;
-
площадь теплоотдающей поверхности корпуса редуктора;
-
коэффициент учитывающий теплоотвод в фундаментную плиту или раму/3, с. 256/;
-
допускаемая температура масла.
13
Сборка редуктора
Перед сборкой внутреннюю полость корпуса редуктора тщательно очистить и
покрыть маслостойкой красой.
Сборку производить в соответствии со сборочными чертежами редуктора,
начиная с узлов валов:
на ведущий вал насадить маслоотражающие кольца и шарикоподшипники,
предварительно нагретые в масле до температуры 80-100 0 С;
в ведомый вал заложить шпонку 10×8×56 и напрессовать зубчатое колесо до
упора в бурт вала; затем надеть распорную втулку и установить шарикоподшипники,
предварительно нагретые в масле;
на ведущем валу установить упорные кольца, установить упорные кольца в
основание корпуса для фиксации внешних колец подшипников ведущего вала.
Собранные валы уложить в основание корпуса редуктора и надеть крышку
корпуса, покрыв предварительно поверхность стыка крышки и корпуса спиртовым
лаком. Для центровки установить крышку на корпус с помощью двух конических
штифтов; затянуть болты, крепящие крышку к корпусу.
После этого установить распорные втулки между крышками ведущего вала и
подшипниками, вложить манжеты в открытые крышки, установить крышки на свои
места, проложив между ними и корпусом редуктора картонные прокладки. Проверить
проворачиванием валов отсутствие заклинивания подшипников (валы должны
проворачиваться от руки) и закрепить крышки винтами.
Далее на концы валов в шпоночные канавки заложить шпонки.
Затем ввернуть пробку маслоспускового отверстия с прокладкой и жезловый
маслоуказатель.
Ввернуть рым-болт в крышку корпуса.
Залить в корпус масло и закрыть смотровое отверстие крышкой с прокладкой
из наполненной резины, закрепить крышку ботами.
Собранный редуктор обкатать и подвергнуть испытанию на стенде по
программе, установленной техническими условиями.
Список используемой литературы
1. Кинематический расчет силового привода: Методические
указания по курсовому проектированию для студентов инженерно-технических
специальностей / Решетов С.Ю., Клещарева Г.А., Кушнаренко В.М. - Оренбург: ГОУ
ОГУ, 2005. - 29 с.
. Передачи зубчатые цилиндрические: Методические указания по
расчету закрытых и открытых цилиндрических эвольвентных передач для студентов
инженерно-технических специальностей в курсовых и дипломных проектах /
Ковалевский В.П., Решетов С.Ю., Сейтпанов С.Т. - Оренбург: ГОУ ОГУ, 2005. - 45
с.
. Курсовок проектирование деталей машин: Учебное пособие для
учащихся машиностроительных специальностей техникумов / С.А. Чернавский, К.Н.
Боков, И.М. Чернин и др. - 2-е изд., перераб. и доп. - Машиностроение,1988. -
416 с.: ил.
. Расчет открытых передач: Методические указания,
предназначенные для выполнения расчета открытых цепных, зубчатых и
клиноременных передач в курсовых проектах (работах) для студентов
немеханических специальностей / Р.Н. Узяков, В.Г. Ставишенко, Ю.А. Чирков, Н.Ф.
Васильев. - Оренбург: ГОУ ОГУ, 2004.-20 с.
. Конструирование узлов и деталей машин: Учеб. пособие для
студ. техн. спец. вузов / П.Ф.Дунаев, О.П.Леликов. - 8-е изд., перераб. и доп.
- М.: Издательский центр «Академия», 2003. - 496 с.
. Справочник конструктора-машиностроителя: / Анурьев В.И. В
3-х т. Т. 1. - 5-е изд., перераб. и доп. - М.: машиностроение,1978. - 728с.:
ил.
. Детали машин: Учебник для студентов машиностроительных и
механических специальностей вузов. / Решетов Д.Н.- 4-е изд., перераб. и доп. -
М.: Машиностроение, 1989. - 497 с.: ил.
. Курсовое проектирование деталей машин: Учебное пособие для
технических техникумов / А.Е. Шейнблит.- Москва: Высшая школа, 1991.-432 с.