Расчет переходных процессов в электрической цепи
Пояснительная
записка к курсовой работе
на тему:
Расчет
переходных процессов в электрической цепи
ЗАДАНИЕ 1
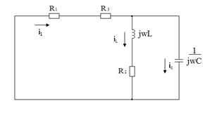
Рассчитать цепь, изображенную на рисунке 1
классическим и операторными методами.
Дано:
L = 6 мГн
C = 10 мкФ
r1 =
10 Ом
r2
= 15 Ом
r3
= 10 Ом
Е= 10 В
Ключ К1 замыкается в момент времени t
= 0, а ключ К2 - в момент времени t
= τ.
Рисунок 1 - Схема электрическая исходная
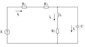
ЗАДАНИЕ 2
Рассчитать переходные процессы при импульсных
воздействиях.
Дано:
R=60 Ом
С=5 мкФ
Е1=100 В
Е2=50 В
Рисунок 2 - Схема электрическая исходная
Рисунок 3 - закон изменения ЭДС
Пояснительная записка 22 с., 11 рисунков
Объектом исследования является сложная
электрическая цепь, состоящая из катушки индуктивности, емкости, активных
сопротивлений, источника ЭДС.
Цель работы - изучить переходные процессы в
цепях первого и второго порядков.
В результате работы найдены токи всех ветвях и
напряжения на всех элементах.
СОДЕРЖАНИЕ
Введение
1. Расчет переходных процессов при
коммутации ключа К1
2.
Расчет переходных процессов при коммутации ключа К2
3.
Расчёт переходных процессов цепи операторным методом
4.
Расчет переходного процесса при импульсных воздействиях
Заключение
Список
использованных источников
ВВЕДЕНИЕ
В данной работе представлено два способа
нахождения токов и напряжений в электрических цепях, а также нахождение реакции
в цепи на импульсное воздействие напряжения.
1. Расчет переходных
процессов при коммутации ключа К1
Перерисуем цепь с учетом того, что ключ К1
замкнут, а ключ К2 разомкнут - рисунок 2.
Рисунок 4 - Схема цепи до размыкания ключа К2
. Рассчитаем ток индуктивности
.
Для этого используем эквивалентную схему в момент коммутации ключом К1.
Рисунок 5 - Схема цепи после коммутации ключа К2
. Решение для тока индуктивности найдем в
виде:
. Рассчитаем установившуюся составляющую тока.
Для этого используем эквивалентную схему установившегося режима после окончания
переходного процесса
Рисунок 5 - Схема цепи для установившейся
составляющей тока
Установившаяся составляющая тока будет иметь
вид:
. Найдем свободную
составляющую тока
методом
входного сопротивления.
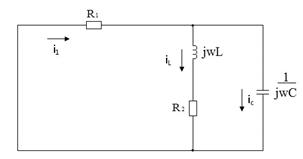
Изобразим схему цепи, по которой найдем
комплексное входное сопротивление.
Рисунок 6 - Схема цепи для комплексного входного
сопротивления
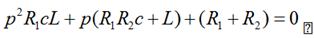
Методом входного сопротивления сформируем
характеристическое уравнение:
Преобразовывая данное выражение,
получим квадратное уравнение относительно p.
Подставим все известные величины и
найдем корни этого уравнения:

5. Значение свободной составляющей тока
находится в виде:
А общий ток:
Найдем постоянную интегрирования A и сдвиг фаз
.
Подставим t=0 в
уравнение тока и получим:

Тогда при учете всех условий получим:

Составим и решим, подставив
известные данные, систему уравнений:
Преобразовав данную систему, получаем
результат:
Запишем полное выражение для тока
индуктивности:
6. Найдём токи и напряжения во всех элементах
цепи:
Для нахождения
необходимо
знать,
и
. Изобразим
схему цепи:
Рисунок 7 - Схема цепи для после
коммутации ключом К1
Найдем
и
:
Из рисунка 7 видно, что
.Тогда:
Ток
найдем по первому закону Кирхгофа:
Время, когда замкнули ключ К2:
Расчет критического сопротивления
Оставим неизвестным сопротивление R2.
Решим относительно неизвестного
сопротивления данное уравнение, подставив известные значения индуктивности,
емкости и сопротивления:
Второй корень уравнения не подходит,
так как он является отрицательным, а сопротивление не может иметь такую величину.
Значит,
2. Расчет переходных
процессов при коммутации ключа К2
Перерисуем цепь с учетом того, что ключ К1 ключ
К2 замкнуты.
Рисунок 8 - Схема цепи после замыкания ключа К2
. Рассчитаем ток индуктивности
.
Для этого используем результаты при расчете переходных процессов коммутацией
ключом К1.
281А
. Решение для тока индуктивности найдем в
виде:
. Рассчитаем установившуюся составляющую тока.
Для этого используем эквивалентную схему установившегося режима после окончания
переходного процесса
Рисунок 9 - Схема цепи для установившейся
составляющей тока
Установившаяся составляющая тока будет иметь
вид:
. Найдем свободную
составляющую тока
методом
входного сопротивления.
Изобразим схему цепи, по которой найдем
комплексное входное сопротивление.
Рисунок 10 - Схема цепи для комплексного
входного сопротивления
Методом входного сопротивления сформируем характеристическое
уравнение:

Преобразовывая данное выражение,
получим квадратное уравнение относительно p.
Подставим все известные величины и
найдем корни этого уравнения:
Получились комплексные корни.
Колебательный режим.
5. Значение свободной составляющей тока
находится в виде:
А общий ток:
Найдем постоянную интегрирования A и сдвиг фаз
.
281А
Подставим t=0 в
уравнение тока и получим:

Для нахождения
необходимо
использовать эквивалентную схему на рисунке 11.
Рисунок 11 - Эквивалентная схема
замещения в момент коммутации ключом К2.
Рассмотрим контур II
электрический цепь
импульсный ток напряжение
Тогда при учете всех условий
получим:

Составим и решим, подставив
известные данные, систему уравнений:
Преобразовав данную систему,
получаем результат:
Запишем полное выражение для тока
индуктивности:
7. Найдём токи и напряжения во всех элементах цепи:
Для нахождения
необходимо
знать,
и
. Изобразим
схему цепи:
Рисунок 12 - Схема цепи после
коммутации ключом К2
Найдем
и
:
Из рисунка 12 видно, что
.
Тогда:
Ток
найдем по первому закону Кирхгофа:
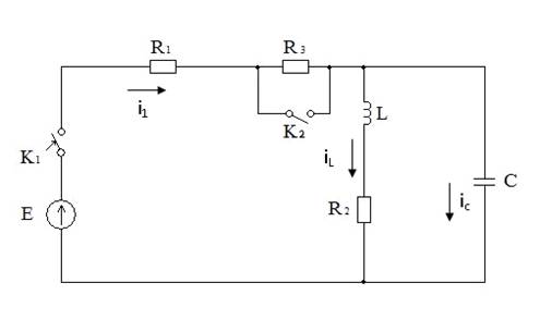
. РАСЧЁТ ПЕРЕХОДНЫХ ПРОЦЕССОВ ЦЕПИ
ОПЕРАТОРНЫМ МЕТОДОМ
Рисунок 13 - Схема цепи после
коммутации ключом К2
1. Независимые начальные условия:
2. Составим операторную схему замещения после
замыкания ключа К2:
Рисунок 14 - Операторная схема замещения
Используя метод узловых потенциалов, найдем
напряжение на емкости.
Примем потенциал одного из узлов в
цепи за
, а
потенциал другого за
. Допустим,
что
. Покажем
данные действия на схеме цепи.
Рисунок 15 - Операторная схема
замещения
Определим операторное напряжение на
емкости:
Найдем операторный ток всех ветвей,
подводимых к узлу (1):
Приведем к общему знаменателю и получим:
Найдем операторную проводимость всех
ветвей, подходящих к узлу (1):
Приведем к общему знаменателю и
получим:
Подставим и найдем операторное напряжение
на емкости:
f(t)=
Один корень данного уравнения равен
.
При всех найденных условиях найдем
:
Подставим найденные корни и
определим напряжение на емкости. Используя математический пакет MathCad 14,
получаем выражение для
:
Определим ток в неразветвленной
части цепи.
Таким образом, получим выражение для
тока
:
Построим графики для токов и напряжений.
Рисунок 16 - Зависимость тока на
индуктивности от времени для переходного процесса после коммутации ключа К1
Рисунок 17 - Зависимость тока на
емкости от времени для переходного процесса после коммутации ключа К1
Рисунок 18 - Зависимость напряжения
на индуктивности от времени для переходного процесса после коммутации ключа К1
Рисунок 19 - Зависимость напряжения
на емкости от времени для переходного процесса после коммутации ключа К1
Рисунок 19 - Зависимость тока в
неразветвленной части цепи от времени для переходного процесса после коммутации
ключа К1
Рисунок 20 - зависимость тока на
индуктивности от времени для переходного процесса после коммутации ключа К2
Рисунок 21 - График зависимости тока
i1 от времени
после коммутации ключа К2
4. Расчет переходного
процесса при импульсных воздействиях
Рисунок 22 - Операторная схема замещения
Рассчитаем операторное входное сопротивление:
Z(p)
= R+
Рассчитаем операторную переходную проводимость:
Y1(p) =
=
Найдём переходную проводимость:
y1(t)=
=-
(t)=
Рассмотрим случаи:
≤t≤t1
Запишем закон изменения ЭДС на этом промежутке
времени:
t
t>t2
Рассчитаем операторную импульсную
проводимость:
Yδ(p)
=
=
C(p)=I(p)·
=
=
δ(p)=
-
операторный импульсный коэффициент передачи по напряжению.
Kδ(p)=
δ(t)=
По данным значениям тока в неразветвленной части
цепи и напряжения на реактивном элементе построим для них графики (рисунок 23 и
рисунок 24):
ЗАКЛЮЧЕНИЕ
В данной работе был выполнен расчет цепи второго
порядка двумя методами при переходном процессе, а также рассчитана реакция цепи
на импульсное воздействие источника ЭДС. В результате в первой задаче получили
одинаковые ответы при решении разными методами, а во второй задаче - реакцию
тока и напряжения на импульсное воздействие ЭДС. Построены графики зависимостей.
СПИСОК ИСПОЛЬЗОВАННЫХ ИСТОЧНИКОВ
1. Атабеков,
Г.И. Основы теории цепей [Текст] / Г.И. Атабеков - СПб.: Издательство «Лань»,
2012.-432 с.
. Болгов,
В.А. Сборник задач по математике для вузов (Текст) 4,1, Линейная алгебра и
основы математического анализа. Учебное пособие для втузов. В.А. Болгов, Б.П.
Демидович, А.В. Ефимов, под ред. А.В. Ефимова и Б.П. Демидовича. - 2-е изд. -
М.: Наука, Гл. ред. 1986, - 464 с.
3. Зевеке,
Г.В. Основы теории цепей (Текст): Учебник для втузов / Г.В. Зевеке, П.А. Ионкин,
А.В. Нетушил, С.В. Страхов, -5-е изд., - М.: Энергоатомиздат. 2010, -528 с.