|
17,4
Таблица
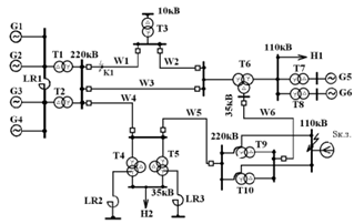
3. Параметры реактора и нагрузки
|
Параметры реактора
|
Параметры нагрузки
|
|
LR1, LR2, LR3
|
Н1
|
Н2
|
|
Тип реактора
|
Р, МВт
|
Cosϕ
|
S, МВА
|
|
РБ-10-2000-6
|
800
|
0,8
|
30
|
Таблица
4. Параметры линий электропередач
|
W-1
|
W-2
|
W-3
|
W-4
|
W-5
|
W-6
|
|
U, кВ
|
ℓ, км
|
U, кВ
|
ℓ, км
|
U, кВ
|
ℓ, км
|
U, кВ
|
ℓ, км
|
U, кВ
|
ℓ, км
|
U, кВ
|
ℓ, км
|
|
220
|
120
|
220
|
95
|
220
|
145
|
220
|
15
|
220
|
115
|
35
|
35
|
Вид короткого замыкания - однофазное короткое
замыкание.
расчетный электропередача ток замыкание
2. Выбор базисных условий и
приведение параметров элементов расчетной схемы к базисным условиям
Расчет элементов схемы замещения производится в
относительных единицах с приближенным приведением параметров к базисным
условиям.
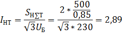
Для данного курсового проекта базисная мощность SБ
= 1000 МВА и базисное напряжение UБ = 230 В. Величина базисного
напряжения равна напряжению той ступени, на которой произошло КЗ и выбрано из
ряда средних значений. Базисный ток:
.
Приведение параметров элементов расчетной схемы к
базисным условиям.
.1 Генераторы
Генераторы G1- G4
Считая, что до КЗ предшествующий режим был нормальным,
генератор вводят в схему замещения в виде относительной сверхпереходной ЭДС за
относительным сверхпереходным индуктивным сопротивлением по продольной оси,
приведенным к базисным условиям.
,
где: относительное номинальное сверхпереходное индуктивное
сопротивление генератора по продольной оси; SНГ - номинальная полная
мощность генератора, МВА.
,
где:
Значение относительной сверхпереходной ЭДС генератора
определяют по выражению:
,
где: ϕ - угол, с которым генератор работал до
момента возникновения КЗ.
.
Генераторы G5, G6
,
где:
.
.2 Система
Относительное номинальное напряжение (ЭДС) за сопротивлением
системы считается постоянным и равным единице.
.
Относительное сопротивление системы, приведенное к
базисным условиям
где: - мощность короткого замыкания системы ( , см. таб. 1 примечание 3).
.3 Нагрузка
где:
.4 Линии электропередач
Относительное базисное сопротивление воздушной линии
электропередачи:
,
где: - удельное сопротивление линии, Ом/км; - протяженность линии, км; - среднее напряжение ступени линии,
кВ.
W1: : : : 5:
W6:
.5 Реакторы
Относительное базисное сопротивление реактора:
где: - индуктивное сопротивление реактора, %; - номинальный ток реактора, кА.
Р1:
где:
Р2, Р3:
где:
2.6 Трансформаторы
Относительное базисное сопротивление двухобмоточного
трансформатора:
где: - напряжение короткого замыкания трансформатора, %; - номинальная полная мощность
трансформатора, МВА.
Т1, Т2:
Т3:
Т7, Т8:
Относительное базисное сопротивление трехобмоточного
трансформатора
,
,
,
Т4, Т5:
( принимают равным 0)
Т6:
Т9, Т10:
( принимают равным 0)
3. Расчет параметров тока КЗ
аналитическим способом
На основе произведенных вычислений составляют исходную
схему замещения. В ней каждый элемент обозначают в виде дроби: в числителе -
порядковый номер сопротивления, в знаменателе - его относительное базисное
значение.
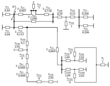
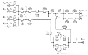
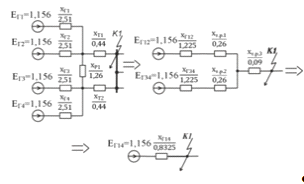
Рис.3.1. Общая схема замещения для расчета тока КЗ
аналитическим способом
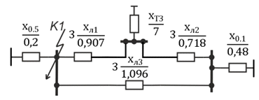
.1 Свертывание схемы
При свертывании схемы используют известные методы
преобразования, применяемые при расчете линейных электрических цепей. К ним
относятся: последовательное и параллельное соединения сопротивлений, замена
нескольких генерирующих ветвей одной эквивалентной, преобразования треугольника
в эквивалентную звезду и другие.
Рис.
2.2. Промежуточная схема №1
Сопротивление в схеме не учитывается, т. к. за ним
на схеме замещения отсутствует источник питания для точки КЗ и оно оказывается
обесточенным при КЗ.
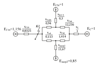
Рис. 3.3. Промежуточная схема №2
Сопротивления и не учитываются, т. к. за ними на
схеме замещения отсутствуют источники питания для точки КЗ, т. е. они
оказываются обесточенными. Сопротивления реакторов LR2 и LR3 подключены в
нейтральную точку обмотки СН трансформатора, поэтому по ним ток КЗ течь не
будет и они не будут входить в схему замещения.
Рис. 3.4. Промежуточная схема №3
Рис. 3.5. Промежуточная схема №4
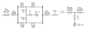
Рис.3.6. Промежуточная схема №5
.
Рис.3.7. Промежуточная схема №6
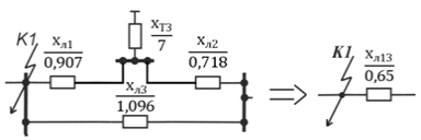
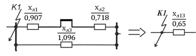
Для дальнейшего упрощения схемы необходимо трехлучевую
звезду заменить эквивалентным треугольником, затем разрезать его по вершине, к
которой приложена ЭДС. Образовавшиеся параллельные ветви при этом следует
заменить эквивалентными ветвями с такой же ЭДС.
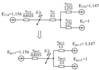
Рис.3.8. Промежуточная схема №7
,
,
.
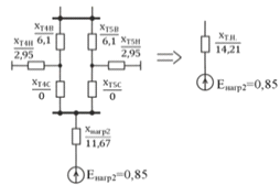
Рис.3.9. Промежуточная схема №8
Рис.3.10. Промежуточная схема №9
Рис.3.11. Промежуточная схема №10
В конечном итоге получается простейшая эквивалентная
(результирующая) генерирующая ветвь с одним эквивалентным (результирующим)
источником питания (ЭДС) и эквивалентным (результирующим) сопротивлением.
3.2 Расчет начального значения
периодической составляющей полного тока КЗ
На основе конечной схемы замещения производят расчет
начального сверхпереходного тока, т. е. начального значения периодической
составляющей полного тока КЗ (в момент возникновения КЗ) в относительных
единицах:
где: - результирующая ЭДС всех источников питания схемы (в
относительных единицах); - результирующее сопротивление схемы замещения -
электрическая удаленность точки КЗ (в относительных базисных единицах).
Начальное значение периодической составляющей тока
короткого замыкания в именованных единицах определяют по следующему выражению:
Ударный ток короткого замыкания от одного
эквивалентного источника энергии вычисляют следующим образом:
где: ударный коффициент ( .
4. Расчет параметров тока КЗ методом
типовых кривых
Расчетные кривые позволяют определить действующее
значение периодической составляющей полного тока КЗ в заданной точке КЗ не
только для начального, но и для произвольного момента времени переходного
процесса.
Рис.4.1. Схема замещения для определения тока КЗ
методом расчетных кривых
.1 Свертывание схемы
В ходе преобразования разнотипные источники энергии
различных типов (гидрогенераторы G1, G2, G3, G4, турбогенераторы G5, G6 и
система) не должны эквивалентироваться.
При свертывании исходной схемы замещения применяют
такие же эквивалентные преобразования, которые использовались при расчете
аналитическим методом.
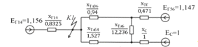
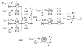
Рис. 4.2. Промежуточная схема №11
Рис. 4.3. Промежуточная схема №12
ЕГ56 = 1,147
Рис. 4.4. Промежуточная схема №13
Рис. 4.5. Промежуточная схема №14
Рис. 4.6. Промежуточная схема №15
Рис. 4.7. Промежуточная схема №16
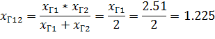
Дальнейшее преобразование схемы замещения выполняют с
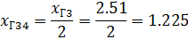
использованием коэффициентов токораспределения Сi = хрез/хi,
которые определяют долевое участие i-й ветви с сопротивлением хi в
эквивалентном сопротивлении хрез. Последнее представляет собой
параллельное соединение всех сопротивлений, которые подключены к
рассматриваемому узлу.
Использование коэффициентов токораспределения
позволяет преобразовать сложную схему замещения с несколькими источниками в
многолучевую схему замещения (звезду) с генерирующими лучами и точкой КЗ в узле
лучей. Это позволяет выявить роль (долю) каждого источника в питании точки КЗ.
Коэффициент токораспределения для генератора Г14
(гидрогенератора) равен:
Так как , то .
Рис. 4.8. Промежуточная схема №17
.2 Расчет начального значения
периодической составляющей полного тока КЗ при трехфазном КЗ и ударного тока КЗ
методом расчетных кривых
Суммарный номинальный ток гидрогенераторов , турбогенераторов и системы , приведенный к напряжению той
ступени, где произошло КЗ.
,04
Для источника неограниченной мощности (системы)
величину относительного сверхпереходного тока для любого момента времени (в том
числе и начального) считают постоянной и определяют аналитическим способом:
.
Для каждой индивидуальной ветви (гидрогенераторов и
турбогенераторов) конечной схемы замещения определяют относительную расчетную
реактивность (с учетом суммарного коэффициента токораспределения), приведенную
к номинальным условиям:
где: - результирующие сопротивления ветвей гидрогенераторов и
турбогенераторов конечной схемы замещения соответственно (в относительных
базисных единицах); - номинальные суммарные мощности ветвей (групп)
гидрогенераторов и турбогенераторов соответственно.
Так как и меньше 3, то относительный
сверхпереходной ток для гидрогенераторов и турбогенераторов находят по типовым
расчетным кривым.
При t = 0.
3,2
0,58.
Результирующую периодическую составляющую тока КЗ в
именованных единицах в рассматриваемой точке схемы принимают равной сумме
аналогичных составляющих от всех ветвей конечной схемы замещения
кА.
Результирующий ударный ток в точке КЗ является
следствием суммирования соответствующих составляющих от всех ветвей конечной
схемы замещения.
где: КУГ, КУТ, КУС -
ударные коэффициенты для отдельных ветвей конечной схемы замещения, которые для
гидрогенераторов, турбогенераторов и системы соответственно полагают равными: КУГ
=1,9; КУТ =1,8; КУС =1,4.
кА
При t = 0,2.
2,9
0,585
кА
Рис.4.9. Расчетные кривые для типового гидрогенератора
с АРВ
Рис. 4.10. Расчетные кривые для типового
турбогенератора с АРВ
При t = ∞.
2,95
0,65
кА
4.3 Оценка погрешности расчета
параметров тока КЗ
Относительную погрешность начального значения
периодической составляющей полного тока короткого замыкания, поученного
аналитическим путем и методом расчетных кривых (в именованных единицах), определяют
с помощью выражения:
где: - сверхпереходный ток, рассчитанный аналитическим способом; - сверхпереходный ток, рассчитанный
с помощью расчетных кривых.
Погрешность находится в пределах допустимых 10 %.
5. Расчет параметров тока КЗ при
несимметричном однофазном КЗ
Практический расчет любой несимметрии связан с
составлением схемы замещения соответствующих последовательностей и нахождением
их результирующих сопротивлений (относительно точки несимметрии).
.1 Схема замещения обратной
последовательности, результаты преобразований и расчеты
Исходная схема замещения обратной последовательности
по своей конфигурации является копией схемы прямой последовательности, в
которой ЭДС всех генерирующих ветвей принимают равными нулю. Генераторы,
двигатели и обобщенную нагрузку вводят в нее с соответствующими реактивностями
обратной последовательности, которые в общем случае не равны реактивностям
прямой последовательности элементов, входящих в расчетную схему.
В приближенных расчетах этим различием пренебрегают.
Поэтому отпадает необходимость в составлении исходной схемы замещения обратной
последовательности.
Конечная схема замещения обратной имеет такой же вид,
как и конечная схема замещения прямой последовательности. В ней отсутствуют
(равны нулю) ЭДС генерирующих ветвей, а в точке КЗ подключено напряжение
обратной последовательности.
Рис. 5.1. Схема замещения обратной последовательности
Расчет результирующего сопротивления обратной
последовательности (с учетом равенства) сводится к вычислению результирующего
сопротивления конечной схемы замещения обратной последовательности (в относительных
базисных единицах) относительно точки КЗ по следующему выражению:
5.2 Схема замещения нулевой
последовательности, результаты преобразований и расчеты
Рис.5.2. Схема замещения нулевой последовательности
Рис. 5.3. Промежуточная схема №18
Рис. 5.4. Промежуточная схема №19

.2.1 Расчет тока несимметричного КЗ
для заданного момента времени
Дополнительная реактивность, полученная из
относительных базисних сопротивлений .
При однофазном КЗ: .
Коэффициенты распределения тока в ветвях схемы
замещения:
Расчетные сопротивления ветвей (в относительных
базисных единицах) с различными типами источников питания:
Так как меньше 3, то относительный
сверхпереходной ток для гидрогенераторов находят по типовым расчетным кривым.
,04
По типовым кривым: .
Величина тока несимметричного КЗ для заданного момента
времени:
При однофазном КЗ .
При t = 0,2.
По типовым кривым:
При t = ∞.
По типовым кривым:
Заключение
В результате курсовой работы были уточнены, закреплены
и расширены теоретические положения по дисциплине «Переходные процессы в
системах электроснабжения»
На основе исходной расчетной схемы и исходных данных
был произведен расчет переходного процесса
При расчете переходного процесса были определены
следующие параметры:
. начальное действующее значение периодической
составляющей полного тока КЗ при трехфазном КЗ в заданной точке (аналитическим
способом и методом расчетных или типовых кривых);
. ударный ток и его действующее значение при
трехфазном КЗ в заданной точке (аналитическим способом);
. действующее значение периодической
составляющей полного тока КЗ при несимметричном КЗ в начальный момент времени и
через интервал времени 0,2 с после возникновения КЗ.
Список литературы
1. Винославский В.Н. Переходные процессы в электрических системах
электроснабжения/ В.Н. Винославский, Г.Г. Пивняк, Л.И. Несен, А.Я. Рыбалко,
В.В. Прокопенко. - Киев: Выща школа, 1989. - 422 с.
. Курехин В.В. Токи короткого замыкания и их расчет/ В.В. Курехин.
- Кемерово: КузГТУ. 2002. - 144с.
. Соколов Б.В. Переходные процессы в системах электроснабжения.
Методические указания к курсовой работе для студентов направления 13.03.03
(140400.62) «Электроэнергетика и электротехника» образовательная программа
«Электроснабжение», всех форм обучения/ Б.В. Соколов. - Кемерово: КузГТУ. 2015.
- 36 с.
. Ульянов С.А. Электромагнитные переходные процессы в
электрических системах/ С.А. Ульянов. М.: Энергия, 1970. - 519 с.
. Ульянов С.А. Сборник задач по электромагнитным переходным
процессам в электрических системах/ М.: Энергия, 1968. - 495 с.
Похожие работы на - Расчет переходного процесса
|