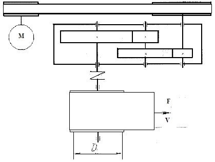
Кинематический расчет передачи
1. ЗАДАНИЕ
ДАНО:
=
5000 H V
= 0,9 m/c D
= 350 mm
КИНЕМАТИЧЕСКИЙ РАСЧЕТ
КПД привода
Определяем по таблицам:
h1 - КПД соединительной муфты, h1
= 0,98
h2 - КПД пары подшипников приводного вала, h2
= 0,99
h3 - КПД цилиндрической закрытой передачи
h4 - КПД ременной передачи, h4
= 0,95
h = h1
h4
= 0.98
h
= 0.859
Требуемая мощность двигателя
=
=
Bт
Частота вращения выходного вала
=
=
=
49.1 1
Принимаем двигатель 4А112M4Y3
n = 1500
S=4.7
=
5500 Вт
=
38 мм
Частота вращения вала электродвигателя
=
(100
- S) =
(100
- 4.7)
= 1429. 5
Передаточное отношение привода
=
=
=
29.11
Принимаю для ременной передачи
=
2.5
Для редуктора
=
=
=
11.64
Разбиваем по ступеням
= 0.88
=
0.88
=
3
Для редуктора принимаем стандартные значения
передаточных чисел
= 4
=
3.15
Для ременной передачи
=
=
=
2.31
Мощности на валах, передаваемые крут. моменты,
частота вращения валов:
=
=
5239. 26 Вт
h4
h2
= 5239.26
0.95
0.99
= 4927. 52 Вт
h3
h2
= 4927.52
0.98
0.99
= 4780.68 Вт
h3
h2
= 4780.68
0.98
0.99
= 4638. 22 Вт
h1
h2
= 4638.22
0.98
0.99
= 4500 Вт
= 1429.5
=
=
618.79
=
=
=
154.7
=
=
=
49.11
=
=
49.11
= 9.55
=
9.55
=
35
= 9.55
=
9.55
=
79.05
= 9.55
=
9.55
=
259.13
= 9.55
=
9.55
=
901.94
= 9.55
=
9.55
=
875.06
2. РАСЧЕТ ПЛОСКОРЕМЕННОЙ ПЕРЕДАЧИ
цилиндрический подшипник вал шпонка
Исходные данные для расчета:
Передаваемая мощность
=
5239 Вт
Частота ведущего вала
=
1429.5
Передаточное отношение
=
2.31
Скольжение
= 0.01
Момент
=
35 Hm
Диаметр меньшего шкива
= 60
=
60
=
196.29 мм Приняли
=200 мм
Диаметр большего шкива
=
(
1 -
)
= 2.31
1
- 0.015)
=
457.41 мм
Приняли
=460
мм
Уточняю передаточное отношение и частоту
=
=
=
2.32
=
=
=
615.31
=
100
=
100
= 0.56
(Допустимо до 3%)
Межосевое расстояние
a = 2
)
= 2
(200
+ 460) a = 1320 мм
Приняли а =1400 мм
Расчетная длина ремня
L = 2a +
(
)
+
=
2
1400
+
(
200 + 460) +
= 3849
При монтаже передачи необходимо обеспечить
возможность уменьшения его на 0,01L для облегчения надевания ремней, и
увеличения на 0,025L, для подтягивания по мере износа.
= 180 - 60
=
180 - 60
=
169
Коэффициент угла обхвата в зависимости от
:
= 1 - 0.003
(180
-
=
1 - 0.003
(180 - 169)
=
0.97
Скорость ремня
V =
=
V
= 14.97
Окружная сила
Ft =
=
Ft
= 350 H
Принимаем ремень Б 800 с числом прокладок
z = 3
=
1.5
=
3
Проверим выполнение условия
0.025
=
z
=
4.5 мм 0.0025
= 5 - условие
выполнено
Коэффициент режима работы
=
0.95
Коэффициент учитывающий центробежную силу
= 1.04 - 0.0004
=
1.04 - 0.0004
=
0.95
Коэффициент учитывающий угол наклона ветви ремня
при наклоне до 60 град
= 1.0
Допускаемая нагрузка на 1 мм ширины прокладки
p =
p
= 2.62 H
Ширина ремня
b =
=
b
= 44.56 мм
Приняли b
= 50 мм
Ширина шкивов
= b
+ 10 = 50 + 10
= 60 мм
Предварительное натяжение ремня при
=
1.8 МПа
=
b
=
1.8
50
4.5
=
405 H
Натяжение ведущей ветви
=
+
0.5
=
405 + 0.5
350
= 580 H
Напряжение от этой силы
=
=
=
2.58
Напряжение от центробежной силы при p
= 1100
= p
=
1100
=
0.25 МПа
Максимальное напряжение
=
+
+
=
2.58 + 0.25 + 2.25
= 5.07 МПа
Условие
7
МПа - выполнено где
= 7 МПа - для
материала ремня
= 1.5
-
0.5 = 1.5
-
0.5 = 1.48
= 1.48 -
коэффициент учитывающий передаточное отношение
=
=
=
3.89 - число пробегов ремня в секунду
Проверка передачи на долговечность по формуле
=
=
=3467
час
Давление на валы
= 2
sin
=
2
405
=
806.17 H
3. РАСЧЕТ НА ПРОЧНОСТЬ БЫСТРОХОДНОЙ
ЦИЛИНДРИЧЕСКОЙ ПЕРЕДАЧИ
3.1 Исходные данные
= 4927.52 Bт
=
618.79
=
76.05 Hм
= 295.13 Hм
= 4
3.2 Выбор материалов
Материал шестерни и колеса сталь 40Х ,
улучшенная
= 280
=
260
3.3 Допускаемые
контактные напряжения
=
где
=
2
+ 70 = 2
=
630 МПа
= 2
+ 70 = 2
=
590 МПа
коэффициент безопасности принимаем
=
1.1
коэффициент долговечности при числе чиклов
нагружения больше базового
=1
=1
тогда
=
=
1
= 572.73 МПа
=
=
1
= 536.36 МПа
условное контактное напряжение:
=
=
536.36 МПа
3.4 Допускаемые
напряжения изгиба
=
Где
=
1.8 HB1 = 1.8
280
=
504 МПа
= 1.8 HB2
= 1.8
260
=
468 МПа
= 1 для
одностороннего приложения нагрузки
Базовое число циклов перемен
=
4
при
числе циклов перемен больше базового принимаем:
= 1 Коэффициент
безопасности
= 1.75 тогда
=
=
1
1
= 288 МПа
=
=
1
1
= 267.43 МПа
3.5 Проектировочный
расчет передачи на контактную прочность
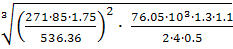
3.5.1 Межосевое
расстояние
(
+
1)

= 0.85
Коэффициент, учитывающий суммарную длину контактных линий
= 1.75
Коэффициент, учитывающий форму сопряженных поверхностей
= 1.3 Коэффициент,
учитывающий нагрузку, принимаем предварительно.
= 1.1 Коэффициент,
учитывающий неравномерность нагрузки между зубьями, для косозубых колес.
= 0.5 Коэффициент
ширины колеса по межосевому расстоянию
приняли предварительно
=
12 - угол наклона зуба,
= (
+
1)
=
(
+
1)
= 124.28 мм
.5.2 Основные параметры
и размеры зубчатых колес
Ширина зубчатого венца
= 0.5
=
0.6
=
62.14мм
Приняли для шестерни и колеса
= 70 мм
=
65 мм
Модуль передачи принимаем в интервале
= 0.01
=
0.01
124.28
= 1.24 мм
= 0.01
=
0.02
124.28
= 2.49 мм
приняли m
= 2.5 мм
приняли a
= 2.5 мм
суммарное число зубьев
=
=
97.81
приняли
=
=
19.6 приняли
=
20
=
-
=
98 - 20
= 78
Фактическое передаточное отношение
=
=
Погрешность
U
=
100
=
100
=
2.5
- допустимо до 3%
Действительный угол наклона зубьев
=
acos
=
acos
= 11.48 град
Передачу выполняем без смещения, начальные
диаметры равны делительным
=
=
=
51.02 мм
=
=
=
198.98 мм
Диаметры вершин и впадин зубьев
=
+
2m = 51.02 + 2
2.5
=
56.02 мм
=
+
2m = 198.98 + 2
2.5
= 203.98 мм
=
-
2m = 51.02 - 2
2.5
=
44.77 мм
=
+
2m = 198.98 - 2
2.5
=
192.73 мм
Окружная скорость колес
V=
=
=
1.65
V = 1.65 м/с Приняли
8-ю степень точности
3.6 Проверочный расчет
на контактную прочность
.6.1 Определяем
коэффициент торцевого перекрытия
=
=
= 1.65
3.6.2 Определяем для
несимметричного расположения колес при НВ до 350
= 1.12
для V=1.65
m/c, и косозубых колес при 8 степени точности
=
1.2
Коэффициент нагрузки
=
=
1.12
1.2
=
1.34
=
=
=
0.78
При
=
20 определим коэффициент , учитывающий форму сопряженных поверхностей
=
=
=
1.75
Контактные напряжения
=
=
= 476.7 МПа
Проверим недогрузку
100
=
100
= 4.49
3.7 Проверочный расчет
по напряжениям изгиба
.7.1 Определяем
эквивалентное число зубьев и коэффициент формы зуба
=
=
=
21.25
=
=
=
82.87
по таблице приняли:
=
3.95
= 3.61
Проверим отношение
=
72.91
= 74.08 - для
шестерни отношение меньше, расчет ведем по зубу шестерни
Коэффициент, учитывающий неравномерность
нагрузки между зубьями
= 1.07
Коэффициент, учитывающий динамическую нагрузку
=
1.06
Коэффициент нагрузки
=
=
1.06
=
1.13
Коэффициент, учитывающий наклон зубьев
= 1 -
=
1 -
= 0.92
Коэффициент, учитывающий неравномерность
нагрузки между зубьями
= 0.91
Вычисляем по формуле:
=
=
0.91
0.92
= 60.53
=
288 МПа
изгибная прочность обеспечена т.к 
.8.1 Окружная сила
=
=
=
2981.07 H
=
=
2981.07 H
3.8.2 Радиальная сила
=
=
2981.07
=
= 1107.16
=
1107.16
3.8.3 Осевая сила
=
tan(
= 2981.07
tan(11.48)
=
= 605.33 H
=
605.33 H
4. РАСЧЕТ НА ПРОЧНОСТЬ ТИХОХОДНОЙ ЦИЛИНДРИЧЕСКОЙ
ПЕРЕДАЧИ
.1 Исходные данные
= 4780.68 Вт
=
154.7
=
295.13Нм
=
901.94Нм
=
3.15
.2 Выбор материалов
Материал шестерни и колеса сталь 40Х ,
улучшенная
=280
=260
4.3 Допускаемые
контактные напряжения
=
где
=
2
+
70 = 2
280
+70
= 630 МПа
= 2
+
70 = 2
260
+70
= 590 МПа
коэффициент безопасности принимаем Sn
= 1.1
коэффициент долговечности при числе чиклов
нагружения больше базового
=1
=1
тогда
=
1
=
572.73 МПа
=
1
=
536.36 МПа
условное контактное напряжение:
= 0.45
)
= 0.45
(572.73
+ 536.36)
= 499.09 МПа
4.4 Допускаемые
напряжения изгиба
где
=
1.8
HB1
= 1.8
=
288 МПа
= 1.8
HB2
= 1.8
=
468 МПа
=1 для
одностороннего приложения нагрузки
Базовое число циклов перемен
=
4
при числе циклов перемен больше базового принимаем:
=
1. Коэффициент безопасности
=1.75 тогда
=
=
=288
МПа
=
=
=267.43
МПа
4.5 Проверочный расчет
по напряжениям изгиба
Определяем эквивалентное число зубьев и
коэффициент формы зуба
=
=
=
29.45
=
=
=
94.65
по таблице приняли:
=
3.85
= 3.65
Коэффициент, учитывающий неравномерность
нагрузки между зубьями
=1.18
Коэффициент, учитывающий динамическую нагрузку
=1.06
Коэффициент нагрузки
=
=
1.25
Коэффициент, учитывающий наклон зубьев
= 1-
=
1-
=
0.93
По табл 303 Коэффициент, учитывающий
неравномерность нагрузки между зубьями
=
0.91
Вычисляем по формуле
=
=
0.91
0.92
=74.77
=267.43
МПа
изгибная прочность обеспечена т.к .
5. КОНСТРУКТИВНЫЕ РАЗМЕРЫ ШЕСТЕРEН И КОЛЕС
5.1 Быстроходная
ступень
.1.1 Шестерня
изготовлена заодно с валом , ступицу не выделяю
.1.2 Колесо кованое
диаметр cтупицы колеса приняли
= 1.6
50
80
Приняли
80
мм
Длина ступицы колеса
=
=70
мм приняли
=70
Толщина диска С=0.3
=
0.3
70 C=19.5мм
Толщина обода
=
4
m
= 4
2.5
=10
мм
5.2 Тихохоходная
ступень
.2.1 Шестерня
изготовлена заодно с валом, ступицу не выделяю
.2.2 Колесо кованое
диаметр cтупицы колеса приняли
= 1.6
80
128
Приняли
128
мм
Длина ступицы колеса
=
=95
мм
приняли
=95
Толщина диска С=0.3
=
0.3
90 C=27
мм
Толщина обода
=
4
m
= 4
3
=12
мм
6. КОНСТРУКТИВНЫЕ РАЗМЕРЫ КОРПУСА РЕДУКТОРА
6.1. Толщина стенок
корпуса и крышки
= 0.025 a+
2 = 0.025
180 + 2
=
6.5 приняли
= 8 мм
= 0.02 a+
2 = 0.02
180
+ 2
= 5.6 приняли
=
8 мм
6.3 Толщина нижнего пояса
корпуса при наличии бобышек
=12 мм
=20
мм приняли
=12 мм
=20
мм
Диаметры болтов
=
0.04 a + 12
=19.2мм
приняли болты с резьбой М18
=14
мм
=12
мм
7. ПОДБОР ПОДШИПНИКОВ
Ведущий вал
=35мм
Приняли шарикоподшипники средней серии 207 : d =
35 мм, D =72 мм, B = 17 мм
=25.5
H
=13.7
H
Промежуточный вал
=45мм
Приняли шарикоподшипники средней серии 309 : d =
45 мм, D =100 мм, B = 25 мм
= 52.7 Н
=30
H
Ведомый вал
=70мм
Приняли шарикоподшипники легкой серии 214 : d =
70 мм, D = 125 мм, B =24 мм
= 61.8 Н
=37.5
H
8. ПОДБОР МУФТЫ
Расчетный момент муфты
Тм = Км Т
где коэффициент запаса принимаем в зависимости
от режима нагрузки Км = 1,2....1,5. В нашем случае приняли Км = 1,3 , тогда:
Муфта на входном валу
Тм=1.3
=
1.3
901.94
Тм=1172.53 Hм
=65
мм
Приняли муфту упругую, втулочно-пальцевую
2000-55-1.1 ГОСТ 21424-75 с номинальным моментом
Тн =2000 Нм,
посадочными диаметрами d =65 мм , диаметр муфты
D = 250 мм.
9. ПОДБОР ШПОНОК
Вал. Шпонка под полумуфтой
=30
=63
=76.05
Hм
b=8 h=7
=4 l=55мм
=
=
=35.96
МПа
=
=
=
11.52 МПа
Вал Шпонка под колесом
=50
=70
=295.13
Hм b=14 h=5.5
=4 l=63мм
=
=
=68.83
МПа
=
=
=
13.38 МПа
Вал Шпонка под колесом
=80
=95
=901.94
Hм b=20 h=12
=7.5
l=80мм
=
=
=83.51
МПа
=
=
=
14.09МПа
Шпонка на выходном конце
=50
=70
b=20h=12
=7.
l=75мм
=
=
=112.13
МПа
=
=
=
18.5 МПа
Напряжения смятия и среза не превышают
допустимых.
Прочность шпонок обеспечена.
10. ПРОВЕРКА СТАТИЧЕСКОЙ ПРОЧНОСТИ ВАЛОВ,
ДОЛГОВЕЧНОСТИ ПОДШИПНИКОВ
10.1 Исходные данные
для расчета
Вал 1
= 605.33
=1107.16
=2981.07
=
806.17 H
= 76.05 Hм=
0.095 b=0.195 c=0.07
d= 0.051 m
10.2. Рассмотрим
нагрузку вала в вертикальной плоскости
Определяем реакции опор ƩMb
=0
(b+a)
+
b
+0.5
d
-
c=0
Ya=
=
603.13 H
ƩMa
=0=
=1310.21 H
Строим эпюру изгибающего мoмента в вертикальной
плоскости
= 0
=
Ya
a
=
57.3 Hм
= Yb
b-
(c+b)
= 1310.21
806.17
(0.07
0.195)
=
41.85 Hм
= -
c
= 806.17
0.07
10.3 Рассмотрим
нагрузку вала в горизонтальной плоскости
Определяем реакции опор ƩMb
=0
b
-
(a+b)
= 0
=
=
ƩMa=
(c+b)
-
=
0
=
=
Строим эпюру изгибающего мoмента в вертикальной
плоскости
=0
=Xb
=976.56
0.195
=190.43
10.4 Эпюра суммарного
изгибающего мoмента
=
=
=
56.43 Hм
=
=
=
198.86 Hм
=
=
=194.86
Hм
Ra=
=
Ra=2093.28
H
Rb=
=
Rb=
1634.11 H
10.6 Исходные данные
для расчета
=2981.07
=1107.16
=605.33
Вал2
=6906.69
=2557.16
=1277.56
=295.13 Hм=
0.075 b=0.085 c=0.11= 0.199 d3= 0.085
10.7 Рассмотрим нагрузку вала в вертикальной
плоскости
Определяем
реакции опор ƩMb =
(b+a+с) +
а -
(а+b)=0
Yb=
= 783.87 H
ƩMb = Yb
(b+a+с)
-
(b+c) +
+0.=0=
= 666.52 H
10.8. Изгибающий момент
= Ya
a =666.52
0.075
= Ya
a- 0.5
= 49.99 -
0.5
605.33
0.199
= 10.24
= Yb
c = 783.87
0.11
= 86.23
= Yb
c + 0.5
= 86.23 +0.5
1277.56
0.085
=140.52
10.9 Нагрузка в горизонтальной плоскости
Определяем
реакции опор ƩMb = Xa
(a+b+c) +
(b+c)+
c
Xa=
=
Xa=4968.05
H
ƩMb = Xa
(a+b+c) -
-
(b+c)=
=
Xb=8307.06
H
Строим
эпюру изгибающего мoмента в горизонтальной плоскости
=
a= 4968.05
0.075
=372.6H
=
c= 8307.06
0.11
= 913.78 H
10.10 Эпюра суммарного изгибающего мoмента
=
=
=917.84
=
=
=924.52
=
=
= 375.94
=
=
10.11 Cуммарные реакции опор
=
=
= 5012.56 H
=
=
= 8343.96 H
11. ПРОВЕРКА ОПАСНЫХ СЕЧЕНИЙ ВАЛОВ НА
ВЫНОСЛИВОСТЬ
11.1 Сечение вблизи
шестерни вала 2
Материал вала сталь 45 нормализованная.
Выписываем для этой стали ее характеристики:
= 246 МПа
=
570 МПа
= 142 МПа
Амплитуда и среднее значение цикла нормальных и
касательных напряжений:
=
=42.8
=0
=
6.83 МПа
=
=3.42
МПа
=
Концентрация напряжений обеспечена переходом от d=50
к D=55 мм
= 0.82
=
0.7
=1.1
0.02
Определяем по таблице :
=1.96
=1.35
Коэффициенты ассимметрии цикла
=0.15
=0.1
Коэффициенты запаса по нормальным, касательным
напряжениям и результирующий:
=
=
=
2.4
=
=
=
20.5=
=
S=2.39
больше нормативного коэффициента S = 2.0 ... 2.5
, выносливость вала обеспечена
ЛИТЕРАТУРА
1.
Дунаев П.Ф., Леликов О.П. Конструирование узлов и деталей машин: Учебное
пособие. Изд. 5-е, переоаб.и доп. М. Высшая школа, 1988. 447с.
.
Проектирование механических передач: Учеб. Пособие для немашиностр. Вузов
Чернавский С.А., Г.М. Цикович, В.А. Киселев и др. 4-е изд. Перераб. М.
Машиностроение 1976.
.
Проектирование механических передач: Учебно-справочное пособие для Втузов С.А.
Чернавский, Г.А. Снасарев, Б.С. Снесарев и др. М. Машиностроение 1984. 580 с.
.
Чернавский С.А. Курсовое проектирование деталей машин. Учебное пособие для
учащихся машиностроительных специальностей техникумов. М. Машиностроение 1988.