Кинематический расчет привода электродвигателя
Содержание
1. Кинематический расчет привода
1.1 Мощность на выходе
1.2 Общий КПД привода
1.3 Требуемая мощность электродвигателя
1.4 Частота вращения приводного (выходного) вала
1.5 Ориентировочные значения частоты вращения двигателя
1.6 Подбор электродвигателя
1.7 Передаточные числа ступеней привода
1.7.1 Общее передаточное число привода
1.7.2 Передаточное число ременной передачи
1.7.3 Передаточные числа входных и выходных ступеней редуктора
1.8 Определение частоты вращения валов привода
1.8.1 Вал двигателя
1.8.2 Входной вал
1.8.3 Промежуточный вал
1.8.4 Выходной вал
1.9 Крутящие моменты на валах привода
1.9.1 Вал двигателя
1.9.2 Входной вал
1.9.3 Промежуточный вал
1.9.4 Выходной вал
2. Расчет редуктора
2.1 Расчет тихоходной ступени - прямозубой передачи
2.1.1 Выбор материалов
2.1.2 Расчет передачи
2.2 Расчет входной ступени косозубой передачи
2.2.1 Выбор материала
2.2.2 Определяем допускаемые напряжения
2.2.3 Расчет передачи
2.2.3 Проверочный расчет по напряжениям изгиба
2.2.4 Выполняем проверочный расчет на заданную перегрузку
2.3 Проектный расчет валов
2.3.1 Входной вал
2.3.2 Промежуточный вал
2.3.3 Выходной вал
3. Расчет клиноременной передачи
4. Эскизная компоновка редуктора
5. Выбор и проверка шпонок
5.1 Шпонка на вал-шестерню (быстроходный)
5.2 Шпонка для промежуточного вала
5.3 Шпонки для выходного (тихоходного) вала редуктора
6. Проверочные расчеты валов
6.1 Определение реакций опор для быстроходного вала
6.1 Определение реакций опор
6.2 Определение реакций опор для промежуточного вала
6.3 Проверочные расчеты для выходного вала
6.3.1 Определение реакций опор
6.3.3 Проверка вала на усталостную прочность
7. Проверочный расчет подшипников качения на долговечность
7.1 Для быстроходного вала
7.2 Для промежуточного вала
7.3 Для тихоходного вала
8. Проектирование приводного вала цепного конвейера
9. Расчет элементов корпуса
10. Выбор муфты
11. Смазка зубчатых колес и подшипников
12. Выбор посадок сопряженных деталей
Заключение
Библиография
1.
Кинематический расчет привода
Исходные данные:
- тяговое усилие цепи конвейера,
;
- скорость движения цепи,
;
- число зубьев звездочки,
.
1.1 Мощность
на выходе
.
1.2 Общий КПД
привода
,
значения
,
,
,
принимаем по таблице 1.1 [1],
где
- КПД муфты,
;
- КПД ременной передачи,
;
- КПД зацепления,
;
- КПД опор,
,
откуда
.
кинематический расчет привод электродвигатель
1.3 Требуемая
мощность электродвигателя
.
1.4 Частота
вращения приводного (выходного) вала
.
1.5
Ориентировочные значения частоты вращения двигателя
,
где
- передаточное число редуктора,
;
- передаточное число ременной передачи,
,
откуда
.
1.6 Подбор
электродвигателя
По найденным значениям
и
выбираем двигатель.
Электродвигатель 4А132S6/965:
,
.
1.7
Передаточные числа ступеней привода
1.7.1 Общее
передаточное число привода
1.7.2
Передаточное число ременной передачи
Примем
,
тогда
1.7.3
Передаточные числа входных и выходных ступеней редуктора
,
где
- передаточное отношение быстроходной
ступени редуктора,
- передаточное отношение тихоходной ступени редуктора,
- табл.1.3 [1];
;
;
Принимаем стандартные значения:
;
.
Тогда
;
.
1.8
Определение частоты вращения валов привода
1.8.1 Вал
двигателя
.
1.8.2 Входной
вал
.
1.8.3
Промежуточный вал
1.8.4
Выходной вал
.
1.9 Крутящие
моменты на валах привода
1.9.1 Вал
двигателя
.
1.9.2 Входной
вал
.
1.9.3
Промежуточный вал
1.9.4
Выходной вал
Исходные данные для расчета ременной передачи

для расчета быстроходной ступени

для расчета тихоходной ступени

2. Расчет
редуктора
2.1 Расчет
тихоходной ступени - прямозубой передачи

Продолжительность работы деталей привода:
2.1.1 Выбор
материалов
Выбираем для изготовления колес и шестерен материал со
средними механическими требованиями - сталь 40Х.
Твердость рабочих поверхностей зубьев шестерни и колеса назначаем
различной
. Назначаем термообработку: - для колеса
улучшение 230НВ,
,
, - для шестерни - улучшение 240НВ,
,
.
Допускаемые контактные напряжения.
Предел выносливости
для шестерни
;
для колеса
;
Коэффициент безопасности в зависимости от термообработки для
данного материала
.
Принимаем для всех колес передачи т.к. срок службы равен 9 лет.
.
Допускаемые контактные напряжения - для шестерни
.
колеса:
.
Для прямозубой передачи допускаемое контактное напряжение для
расчетов равно:
Допускаемых напряжений изгиба.
Для колеса
;
для шестерни
;
Принимаем для всех колес передачи, т.к. срок службы равен 9 лет.
. Коэффициент безопасности при изгибе
определяем в зависимости от вида термообработки и выбранного материала
.
Допускаемые напряжения изгиба - для колеса
;
для шестерни
;
Допускаемые напряжения при кратковременной перегрузке.
Предельные контактные напряжения для колеса
;
для шестерни
.
Предельные напряжения изгиба - для шестерни
;
для колеса
;
2.1.2 Расчет
передачи
По рекомендации принимаем
При этом по формуле
по графику на рисунке 8.15 [1] находим
.
Межосевое расстояние
находим
Находим модуль
Назначаем стандартное значение модуля
.
Число зубьев шестерни
, принимаем
число зубьев колеса
принимаем
.
Делительные диаметры шестерни и колеса
;
.
Окружная скорость
.
По таблице 8.2 [1] назначаем 9-ю степень точности.
По таблице 8.3 [1]
.
Ранее было найдено
.
Коэффициент торцового перекрытия
;
находится в рекомендуемых пределах.
Коэффициент, учитывающий суммарную длину контактных линий - для
прямозубой передачи
;
Коэффициент, учитывающий форму сопряженных поверхностей зубьев в
полюсе зацепления
;
Рабочие контактные напряжения
Изменяем ширину колес
Проверочный расчет по напряжениям изгиба.
, где
- допускаемое контактное напряжение изгиба.
По графику на рисунке 8.20 [1] при Х=0 находим:
для шестерни при 
;
для колеса при 
.
Расчет выполняем по тому колесу пары, у которого меньше
.
В нашем случае
;
.
Расчет выполняем по колесу.
По графику на рисунке 8.15 [1]
.
По таблице 8,3 [1]
.
Далее
.
Находим
.
.
Выполняем проверочный расчет на заданную перегрузку.
По формуле
, где
и
- соответственно расчетные напряжения и
момент по контактной усталости зубьев;
- предельно допускаемое напряжение.
Получаем
.
По формуле
, где
и
- напряжение и момент при расчете на
усталость;
- предельно допускаемое напряжение.
Получаем
.
Условие прочности соблюдается.
2.2 Расчет
входной ступени косозубой передачи
Исходные данные для расчета:

2.2.1 Выбор
материала
Выбираем для изготовления колес и шестерен материал со
средними механическими требованиями - сталь 40Х.
Твердость рабочих поверхностей зубьев шестерни и колеса назначаем
различной
. Назначаем термообработку: - для колеса -
улучшение 230НВ,
,
, - для шестерни - улучшение 280НВ,
,
. При этом обеспечивается приработка
зубьев обеих ступеней.
2.2.2
Определяем допускаемые напряжения
Допускаемые контактные напряжения.
,
где
- предел выносливости по контактным
напряжениям;
- коэффициент безопасности в зависимости от термообработки для
данного материала.
- коэффициент долговечности для контактных напряжений,
.
Принимаем
, т.к. срок службы передачи составляет 6
лет.
Предел выносливости для колеса
;
для шестерни
;
Коэффициент безопасности в зависимости от термообработки для
данного материала:
.
Допускаемые контактные напряжения для шестерни
.
колеса:
.
Допускаемое контактное напряжение для расчетов равно
Допускаемых напряжений изгиба.
,
где
- предел выносливости зубьев по
напряжениям изгиба;
- коэффициент, учитывающий влияние двустороннего приложения
нагрузки;
- при односторонней нагрузке.
- коэффициент долговечности для изгибных напряжений,
,
- коэффициент безопасности по напряжениям изгиба в зависимости от
термообработки для данного материала.
Принимаем для всех колес передачи
.
Коэффициент безопасности при изгибе определяем по таблице 8.9 в
зависимости от вида термообработки и выбранного материала
.
Предел выносливости зубьев по напряжениям изгиба:
для колеса
;
для шестерни
.
Допускаемые напряжения изгиба - для колеса
;
для шестерни
.
Допускаемые напряжения при кратковременной перегрузке.
Предельные контактные напряжения определяем по таблице 8.9 для
колеса
;
для шестерни
.
Предельные напряжения изгиба для колеса
;
для шестерни
2.2.3 Расчет
передачи
По рекомендации принимаем
При этом по формуле
и по графику на рисунке 8.15 [1] находим
.
Межосевое расстояние для косозубой передачи
Округляя по ряду Ra 40 до
,
ширина колеса
Или
.
Модуль зубчатых колес
.
По таблице 8.1 [1] и рекомендациям назначаем
.
Принимаем угол наклона зубьев
Суммарное число зубьев:
Принимаем
Действительное значение угла наклона зубьев
Угол находится в рекомендуемых пределах
.
Число зубьев шестерни и колеса.
Число зубьев шестерни:
Принимаем
Число зубьев колеса:
Геометрические размеры колес
Делительные диаметры:
шестерни:
;
колеса:
.
Диаметры окружностей вершин зубьев:
шестерни:
;
колеса:
Окружная скорость
.
По таблице 8.2 [1] назначаем 8-ю степень точности. По таблице 8.3
[1]
; По графику на рисунке 8.14 [1]
. По таблице 8.7 [1]
.
Коэффициент торцового перекрытия
;
находится в рекомендуемых пределах.
Коэффициент, учитывающий суммарную длину контактных линий - для
прямозубой передачи
;
Коэффициент, учитывающий форму сопряженных поверхностей зубьев в
полюсе зацепления
;
Удельная окружная сила
.
Контактные напряжения
Пересчитываем ширину зубчатого венца
Принимаем
Контактные напряжения
Условие прочности выполняется.
2.2.3
Проверочный расчет по напряжениям изгиба
, где
- допускаемое изгибное напряжение.
По графику на рисунке 8.20 [1] при Х=0 находим:
для шестерни при
;
для колеса при 
.
Расчет выполняем по тому из колес пары, у которого меньше
.
В нашем случае
;
.
Расчет выполняем по колесу.
По графику на рисунке 8.15 [1]
.
По таблице 8.3 [1]
.
,
.
Вспомогательный коэффициент
Коэффициент, учитывающий перекрытие зубьев
Коэффициент, учитывающий наклон зуба
;
Проверка по условию прочности на изгиб
.
Условие прочности выполняется.
2.2.4
Выполняем проверочный расчет на заданную перегрузку
По формуле
, где
и
- соответственно расчетные напряжения и
момент по контактной усталости зубьев;
- предельно допускаемое напряжение.
Получаем
.
По формуле
, где
и
- напряжение и момент при расчете на
усталость;
- предельное допускаемое напряжение.
Получаем
.
Условия прочности соблюдается.
Окружная сила
Осевая сила
Радиальная сила
2.3 Проектный
расчет валов
2.3.1 Входной
вал
Определяем диаметр вала в опасном сечении при пониженных
допускаемых напряжений кручения:
, где
- крутящий момент на валу,
.
Принимаем диаметр выходного конца вала для ведомого шкива ременной
передачи:
,
,
.
Диаметр вала под подшипниками
Диаметр вала под уплотнителями
Диаметр буртика вала около подшипника
Выбираем предварительно подшипник №36207,
,
,
,
.
2.3.2
Промежуточный вал
Для промежуточного вала необходимо определить:
Диаметр вала под колесом
мм
принимаем диаметр под колесом
принимаем диаметр под подшипниками
.
Диаметр вала под втулку
Диаметр буртика вала около колеса
Предварительно принимаем подшипники №36208,
,
,
,
,
.
2.3.3
Выходной вал
Принимаем диаметр вала под муфту МУВП-2000-65-1,2 ГОСТ 21424-75.
.
Диаметр вала под подшипниками
Диаметр вала под уплотнителями
Диаметр буртика для подшипника
, при
принимаем
.
Диаметр вала под колесо
.
- под муфту МУВП-2000
Принимаем подшипник №214:
,
,
.
3. Расчет
клиноременной передачи
Используем данные для расчета:
Мощность
;
Частота вращения (меньшего) шкива
;
Передаточные отношения
;
Скольжение ремня
.
. По номограмме в зависимости от частоты вращения меньшего
шкива
(
(или вал А)) и передаваемой мощности
принимаем сечение клинового ремня А.
2. Вращающий момент
. Диаметр меньшего шкива по формуле:
согласно таблице 7.7 с учетом того, что диаметр шкива для ремней
сечения Б не должен быть менее 125 мм, принимаем
.
Диаметр ведомого шкива:
Уточняем передаточное число:
Устанавливаем межосевое расстояние:
Расчетная длина ремня:
Принимаем стандартную длину ремня
.
Уточняем межосевое расстояние:
Найденное межосевое расстояние удовлетворяет рекомендациям
методики расчета:
Угол обхвата ремнем малого шкива:
.
Это также удовлетворяет требованию по минимальному углу обхвата
.
Скорость ремня:
Мощность
, которого может передать один ремень U=1 для скорости
, равна 1,52кВт.
Мощность
, которую может передать один ремень в
заданных условия:
Принимаем число ремней z=4,
тогда
, а
Окончательно z=2.
Сила предварительного натяжения одного ремня:
для сечения В,
Сила, действующая на вал:
Приняв класс точности ремней II, ресурс передачи вычисляем по
формуле:
Ширину шкива для сечения А и двух ремней определяем по формуле:
.
4. Эскизная
компоновка редуктора
Чтобы поверхности вращающихся валов не задевали за внутренние
поверхности стенок корпуса, между ними оставляют зазор
и зазор
, которые определяются по формулам:
Принимаем а=12мм
.
.
Расстояние между дном корпуса и поверхностью колес:
.
Принимаем
.
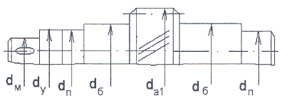
На рис. 4.1 показана эскизно-компоновочная схема редуктора на
основе которой установим:
) для входного (быстроходного) вала
.
-ширина подшипника 36207
- зазор для маслозащитного кольца, а=12мм
- ширина зубьев шестерни;
Примем а1=154мм
L1=a1+b1=48+154=202мм
Lш=44мм -
ширина шкива
Примем с1=62 мм
Рис. 4.1 Эскизно - компоновочная схема редуктора.
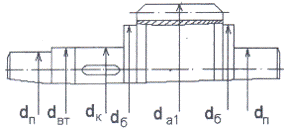
) для выходного вала
,
Принимаем
.
,
Принимаем
.
Принимаем с3=94мм
) для промежуточного вала:
При подшипнике 36208, у которого Bn2=18мм>Bn1=17мм
Принимаем
.
Вычисленные размеры ai, bi, ci позволяют составить расчетные схемы
нагружения валов.
5. Выбор и
проверка шпонок
5.1 Шпонка на
вал-шестерню (быстроходный)
Для установки на входной вал (dш=32мм) шкива
клиноременной передачи с длиной ступицы Lст=44мм 10х8, выберем
шпонку 10х8х32 ГОСТ 23360-78. Размеры шпонки: ширина b=10мм, высота b=6мм, t=5мм, длина l=32мм.
Материал шпонки - сталь чистотянутая с σв≈600МПа.
Проверим выбранную шпонку по напряжениям смятия:
;
для стальных ступиц [σсм] =100МПа
где lp=l-b=32-10=22мм - расчетная длина шпонки
При T1=54,7Нм
5.2 Шпонка
для промежуточного вала
При dв=dк2=42мм шпонка bxh=12x8мм, t=5мм. Ширина зубчатого
колеса bw2=42мм. Примем Lшп=32мм, тогда Lраб=Lшп-b=32-12=20мм.
При Т2=262,3Нм
Условие прочности не обеспечивается.
Определим
тогда Lш=Lр+b=41,6+12=53,6мм.
Учитывая принятое заниженное значение [σсм] =100МПа примем Lш=50мм, тогда Lстк=60мм.
5.3 Шпонки
для выходного (тихоходного) вала редуктора
1) Шпонка под муфту.
Dм=65мм, сечение шпонки 20х12мм, t=7,5мм.
При Т3=1133,2Нм рабочая длина шпонки
тогда Lш=Lр+b=77,48+20=97,48мм
При Lм=105мм принимаем стандартное значение Lш=100мм
) Шпонка под колесо.
При dk=78мм, шпонка bxh=22x14мм, t=9мм.
При Т3=1133,2Нм рабочая длина шпонки
Длина шпонки Lш=lp+b=80,11 мм.
Принимаем Lш=80мм и Lстк=90мм
6.
Проверочные расчеты валов
6.1
Определение реакций опор для быстроходного вала
Расчетная схема нагружения вала показана на рис. 6.1.
Рис. 6.1 Расчетная схема нагружения быстроходного вала.
Исходные данные: крутящий момент Tб=54,7 Н·м, nб=n1=482,5об/мин. Материал
вала-сталь улучшенная.
σв= 750Мпа, σТ=450Мпа, dшк=32мм - посадочный диаметр вала подшипников
ременной передачи, dп=35мм - диаметр вала под подшипник, dбп=40мм, t= (dбп-dn1) /2=2,5мм, d1=42,99мм. Силы в
зацеплении Ft1=2545H, FM=948H, Fa1=557H, Fp. n=731H.
6.1
Определение реакций опор
1) В плоскости YAZ (вертикальной)
Проверка:
Fr=948H=RBY+RAY=663,46+284,54=948H
2) Реакции опор в плоскости XAZ (горизонтальной)
Проверка:
RВX+RAX=948,88+829,12=1814Н=Ft1-Fp. n=2545-731=1814H
3) Суммарные радиальные реакции опор:
Rmax=RB=1188H
Осевая реакция RAZ=FA=557H
6.2
Определение реакций опор для промежуточного вала
Исходные данные: Ft2=2545H, Fr2=948H, Fa2=557H, Ft3,t4=65.58H? da2=217.01мм, Fr3,r4=2387H.
Расчетная схема приведена на рис. 6.2
Рис. 6.2 схема нагружения промежуточного вала
) Реакции опор в плоскости YAZ (вертикальной)
2) Реакции опор в плоскости XAZ (горизонтальной)
Проверка:
RВX+RAX=4256,68+4846,32=9103Н=Ft2+Ft3=2545+6558=9103H
3) Суммарные радиальные реакции опор:
Осевая реакция RAZ=FA=557H
6.3
Проверочные расчеты для выходного вала
6.3.1
Определение реакций опор
Расчетная схема нагружения приведена на рис.6.3.
Рис .6.3 Схема нагружения выходного вала
Нагрузки: крутящий момент T3=1133,2
Н·м,, усилия на зубчатым колесе
,
,
- нагрузка от муфты.
1) Реакции опор в плоскости YAZ (вертикальной)
2) Реакции опор в плоскости XAZ (горизонтальной)
Проверка:
RВX-RАX=8054,1-6196,1=1858Н=FM-Ft=8416-6558=1858H
3) Суммарные радиальные реакции опор:
Rmax=RB=8198H
Расчет вала на сложное сопротивление учитывает совместное действие
деформаций изгиба и кручения.
) Определим изгибающие моменты на участках вала
а) в плоскости YAZ
В сечении "С" вала My1=RAYa3=RBYb3=1530*74=113220Нмм
б) в плоскости XAZ
в) Суммарный изгибающий момент
Эпюры изгибающих моментов показаны на рис. 6.3 В местах, где MƩmax,
сечения вала считаются основными.
2) Приведенные (эквивалентные) моменты
3) Проверка прочности вала в опасных сечениях
а) по месту установки подшипника в опоре "В"
В опоре "В" dв=dп=70мм
Условие прочности
при dв=70мм

Условие прочности обеспечивается
б) по месту закрепления колеса (сечение "С")
Условие статической прочности вала выполняется.
6.3.3
Проверка вала на усталостную прочность
Материал вала - Сталь 45, улучшенная, σв≤700Мпа.
Пределы прочности: σ-1=280МПа,
Общий расчетный коэффициент запаса усталостной прочности вала в
сечениях вала:
где
- запас сопротивления усталости по
изгибу;
- запас сопротивления усталости по кручению.
,
В этих формулах
и
- амплитуды переменных составляющих
циклов напряжений;
и
- постоянные (средние) составляющие.
и
- пределы выносливости по нормальным и
касательным напряжениям.
;
и
- эффективные коэффициенты концентрации
напряжений при изгибе и кручении. (при r/d=0.03 и t/r=2)
и
- масштабные коэффициенты при изгибе и
кручении. (при dв=70мм)
) Проверим запас усталостной прочности по месту установки
подшипника в опоре "В".
,
- для среднеуглеродистых сталей
коэффициенты чувствительности материала к асимметрии цикла напряжений.
Запас усталостной прочности по касательным напряжения
Суммарный коэффициент запаса
Условие усталостной прочности обеспечивается.
) Проверим запас усталостной прочности для сечения "С".
,
Коэффициенты:
и
;
,
Запас прочности по нормальным напряжениям
Запас прочности по касательным напряжениям
Суммарный коэффициент запаса усталостной прочности
Условие обеспечения усталостной прочности в данном сечении также
выполняется.
7.
Проверочный расчет подшипников качения на долговечность
7.1 Для
быстроходного вала
Принят подшипник 36207, С=30800Н, С0=17000Н
Нагрузки: RA=877H, RB=1188H, Fa=557H, n1=483об/мин.,lh=22075час
Проверим отношение: Fa/C0=557/1700=0.032
Этому отношению соответствует параметр осевой нагрузки e=0.345 и y= 1.59
Проверим отношение Fa/VFr=557/1*1188=0.468>e
Примем Fr1 = 1188Н - радиальная нагрузка; и V =1 - кинематический
коэффициент, вращается внутреннее кольцо подшипника;
Поэтому эквивалентная (динамическая) нагрузка
Qэкв = (0,45 Fr + Y · Fa) · Kδ · KT;
где: Kδ = 1,3 - коэффициент
безопасности;
KT = 1,05 - температурный коэффициент;
Qэкв = (0,45*1188 + 1,59*557) ·1,3 ·1,05 =
1940 Н;
Расчетная долговечность в часах
lh =
;
Подшипник 36207 обеспечивает запланированную долговечность.
7.2 Для
промежуточного вала
Приняты подшипники 36208, С=38900Н, С0=23200Н
Нагрузки: RA=5106H, RB=4260H, Fa=557H, n2=96,5 об/мин.,lh=22075час
Проверим отношение: Fa/C0=557/23200=0,024
Этому отношению соответствует параметр осевой нагрузки e=0.32 и y= 1.7
Проверим отношение Fa/VFr=557/1*5106=0.1<e=0.32
Поэтому эквивалентная (динамическая) нагрузка
Qэкв = VFr · Kδ · KT;
где: Kδ = 1,3 - коэффициент
безопасности;
KT = 1,05 - температурный коэффициент;
Qэкв = 1*5106·1,3 ·1,05 = 5970 Н;
Расчетная долговечность в часах
lh =
;
Подшипник 36208 обеспечивает запланированную долговечность.
7.3 Для
тихоходного вала
Приняты подшипники 214, С=61800Н, С0=37500Н
Нагрузки: RA=6255H, RB=8198H, Fa=0H, n3=96,5 об/мин.,lh=22075час
Проверим отношение Fa/VFr=557/1*5106=0.1<e=0.32
Поэтому эквивалентная (динамическая) нагрузка
Qэкв = VFr · Kδ · KT;
где: Kδ = 1,3 - коэффициент
безопасности;
KT = 1,05 - температурный коэффициент;
Qэкв = 1*8198·1,3 ·1,05 = 11190 Н;
Расчетная долговечность в часах
lh =
;
Подшипник 214 обеспечивает запланированную долговечность.
8.
Проектирование приводного вала цепного конвейера
Исходные данные: T4=Tприв. =648Нм, n4=54 об/мин. Шаг тяговой цепи t=100 мм, шаг зубьев z=10, количество звездочек
2.
) Потребный диаметр вала
, Тприв. =648Нм.
Принимаем для расчета [τкр] =18МПа; dbmin=55
мм для стандартной муфты МУВП-1000-55
) Принимаем конструктивно другие размеры вала
dп4=60мм, dбп=66мм, dбзв=75мм, l=105мм - данные размеры соответствуют размерам тихоходного вала.
Эскиз приводного вала показан на рис.8.1.
Рис. 8.1 эскиз конструкции приводного вала
Подшипник принимаем двухрядный шариковый сферический 1212, имеющий
dxDxB=60x110x22, r=2.5мм, С=30200Н, С0=15500Н.
) Конструктивные размеры звезды.
Делительный диаметр
Диаметр окружности выступов
Диаметр ступицы звезды dст=1,5 dв=105мм
Длина ступицы lст=90 мм
) Длина шпонки для закрепления тяговой звезды.
Для dв=70мм сечение шпонки Bxh=20x12, t=7.5мм.
Для шпонки установим из условия прочности ее на смятие.
Lш=lp+b=20.571+20=40.571мм.
Уточняем длину ступицы тяговой звезды lcn=65мм
) Параметры тяговой цепи.
По ГОСТ 588-81 принимаем цепь М80 с разрушающей нагрузкой Fраз=80000Н, шаг t=100мм, ширина
цепи BH=62мм, dp=25мм, ширина пластин h=35мм
) Ширину зубьев звездочки принимаем Bзв=23мм
) Проверочный расчет вала
а) составление расчетной схемы.
Известные параметры: T4=Tприв.
=648Нм, n4=54 об/мин, FM=6364Н,
материал - сталь 45, улучшенная, σв =700Мпа, σ-1=280МПа, τ-1=140Мпа, [σиз] =80МПа
Составим расчетную схему вала, сто показано на рис.8.2.
Расстояние между звездами примем В=400мм, lм=105мм
Рис.8.2 Расчетная схема нагружения.
На схеме нагружения вала К1=30…40мм К2=40…60мм-конструктивные
размеры, включающие размеры ширины крышки и подшипника в месте с выступающими
винтами для ее закрепления на корпусе опоры, а также зазор для удобства
выполнения разборки. К1=40мм, К2=52мм
Имеем размеры a=c=98мм, b=450мм, d=108мм
б) Определим реакции опор
Проверка: RBX-RAX=5509.52-3145.52=2364H=FM-F=2364H
в) Изгибающие моменты.
Мх1=6364*108=687312Нмм
Mx2=3146*100=314600Нмм
г) Приведенный изгибающий момент (наибольший)
МпривМАХ=
д) Проверка сечения вала в опоре "В" на сложное
сопротивление.
Условие статической прочности обеспечивается.
) Проверка подшипника качения на долговечность.
Эквивалентная нагрузка
Qэкв
= VFr · Kδ · KT=5510*1*1,3*1,05=7521Н;
Долговечность в часах
lh =
;
Принятый подшипник 1212 обеспечивает запланированную
долговечность.
9. Расчет
элементов корпуса
Корпус литой из серого чугуна. Толщина стенок корпуса и
крышки
δ =
при Tmax=T3=1133.2Нм
δ =
.
Принимаем δ =7мм и δ1= 6мм
Толщина верхнего фланца основания корпуса редуктора b, мм:
b = 1.5 δ=12мм;
b1= 1.5 δ =10 мм;
Ширина верхнего пояса:
k=2.7dкр=2,7*12=32,4мм
.
Принимаем
(М12) к=32мм.
Ширина нижнего пояса корпуса (по фундаменту)
Кф=2,7dф=2,7*16=43,2мм
Принимаем болты резьбой М16 в количестве 4 шт. Примем Кф=42мм.
Толщина фундаментальных лап
.
10. Выбор
муфты
Исходные данные известные из предыдущих расчетов:
-вращающий момент на валу редуктора;
n=22 об/мин - частота вращения входного вала
- диаметр консольного участка вала
Для данных параметров наиболее подходящая муфта упругая
втулочно-пальцевая. Размеры этой муфты возьмем по ГОСТ 21424-75:
МУВП-2000-65-1.2
Расчетный крутящий момент: D=250мм, L=218мм, l=105мм
Tp=kTH, где TH - номинальный делительный действующий
момент
TH=T1=2000Нм, k=1.4 - коэффициент динамичности
11. Смазка
зубчатых колес и подшипников
В проектируемом редукторе используем смазывание зубчатых
колес путем частичного погружения одного из колес пары в масло.
Выбор сорта масла зависит от контактного давления в зубьях [σН] =579,3МПа, а также от окружной скорости Vmax=0,75м/с.
По табл. определяем необходимую кинематическую вязкость
масла-60*10-6м2/с, по величине которой назначаем масло
индустриальное И-30А ГОСТ 20779-75.
Рекомендуемый объем масляной ванны редуктора принимают из
расчета 0,5…0,8л масла на 1кВт передаваемой мощности. При Р=3кВт V=2лит.
Смазка подшипников качения осуществляется за счет
разбрызгивания масла зубчатыми колесами.
12. Выбор
посадок сопряженных деталей
Посадка зубчатых колес на вал -
по ГОСТ 25347-82.
Шейки валов под подшипники выполняем с отклонением вала к6.
Отклонения отверстий в корпусе под наружные кольца подшипников по
Н7.
Посадка муфты на входной вал редуктора -
,
посадка распорных колец -
,
Заключение
На основании произведенных расчетов выбран электродвигатель
132S4, определены
передаточные отношения ременной и зубчатой передач Uр = 17,13 UБ = 5,72, UТ = 3, мощности, частоты
вращения и вращающие моменты на валах редуктора nдв=1440, nвх=654,55, nпр=125,87, nвых=41,96, Тдв=43,74
Н∙м, Твх=92,37 Н∙м, Тпр=466 Н∙м, Твых=1356,24
Н∙м.
Путем подбора диаметров шкивов, толщины ремня, получена
требуемая долговечность ременной передачи 2500 ч.
Используя недорогие, но достаточно прочные стали 40ХН,
рассчитаны компактные зубчатые передачи, определены диаметры валов и сделаны
проверки на прочность.
Разработана эскизная компоновка редуктора, позволившая
принять окончательное решение о размерах деталей редуктора, с учетом характера
действующих в зацеплении сил и размеров валов, подобраны подшипники качения и
проверены на долговечность 33999,94 ч.
Для соединения редуктора с приёмным валом машины из
стандартов выбрана муфта, и её отдельные элементы проверены на прочность.
Расчетным путём определена марка масла И-40A для зубчатых колес и
подшипников, установлен уровень масла 2,5 литра.
По размерам, полученным из расчетов, выполнены сборочный
чертеж редуктора и рабочие чертежи деталей.
Библиография
1.
Иванов М.Н. "Детали машин"-М.: Высшая школа, 1984. - 336с.
.
Дунаев П.Ф., Леликов О.П. "Конструирование узлов и деталей машин",
М.: Высшая школа, 1985,-416с. ил.
.
Чернавский С.А. и др. Курсовое проектирование деталей машин. - М.:
Машиностроение, 1988.
.
Соловьев В.Д. Курсовое проектирование деталей машин. - Тула: Тульский
государственный университет, 2002.
.
Решетов Д.Н. "Детали машин"-М.: Машиностроение, 1974.
.
Анурьев В.И. "Справочник конструктора-машиностроителя"-М.:
Машиностроение, 1978-559с., т.1,2.
.
Справочник-каталог "Подшипники качения"/Под ред.В.Н. Нарышкина и Р.В.
Коросташевского. - М.: Машиностроение, 1984. - 280с.