Проект привода от электродвигателя к машине прессования кормов
Министерство сельского хозяйства и
продовольствия РФ
Ижевская государственная
сельскохозяйственная академия.
Кафедра «Сопротивление материалов»
КОНТРОЛЬНАЯ РАБОТА ПО
МЕХАНИКЕ
Проект привода от электродвигателя к
машине прессования кормов
Разработал:
студент 432 гр.
Микешкин П.В.
Руководил:
доцент к.т.п.
Канаев А.С.
Ижевск, 2006
Содержание
1. Данные для расчета
. Кинематический расчёт привода. Выбор электродвигателя
. Двигатели закрытые, обдуваемые
.Расчёт основных параметров зубчатых передач
. Составление кинематических схем для расчёта валов и
подшипников качения. Определение сил действующих в зацеплении и опорных
реакций. 8
. Расчёт и выбор концов валов
. Выбор и расчёт подшипников качения
. Эскизное проектирование. Конструкция быстроходного вала
. Расчёт диаметров тихоходного вала в опасном сечении
.Выбор и расчёт шпоночных соединений
. Расчёт основных конструктивных элементов корпусных,
резьбовых и зубчатых деталей
. Выбор метода, типа смазки для зубчатых передач и
подшипников
. Выбор фланцевой муфты
. Выбор и расчёт клиноременной передачи
. Литература
электродвигатель
привод зубчатый клиноременный передача
1. Данные для расчёта
N=6,5 кВт. - мощность на валу электродвигателя (кВт).
ω=13 рад/с. - угловая скорость вала
машины;
Тип зубьев - прямой;=4 - передаточное число редуктора.
Тип гибкой связи - клиноремённая.
ω - угловая скорость вала
электродвигателя (150 рад/с)
Схема 1.
2. Кинематический расчёт привода.
Выбор электродвигателя
1. Примем К.П.Д. цилиндрического редуктора - 0,97; ремённой передачи -
О,95; муфты - 0,99;
. Определим передаточное число привода:
3. Определим передаточное число ремённой передачи (гибкой связи):
4. Рассчитаем потребную мощность для электродвигателя:
5. Определим синхронную частоту вращения вала электродвигателя:
6. По синхронной частоте и потребной мощности определяем тип
электродвигателя:
Тип электродвигателя - 132S4/1455 N=7.5кВт
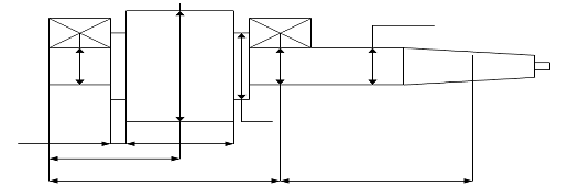
3. Двигатели закрытые, обдуваемые
d=38 l=80 l3=276 d1=12 h1=132=8
l1=140 l4=480 d2=350 h2=350
b=10 l2=216 l5=80 h3=13
4. Расчёт основных параметров
зубчатых передач
1. Межосевое расстояние:
;
Ка=4950-для прямозубых.
2. Модуль передачи:
3. Угол наклона зубьев:
Cуммарное
число зубьев:
4. Число зубьев:
5. Фактическое передаточное число редуктора и его отклонение:
7.Диаметрыколес
5. Составление кинематических схем
для расчёта валов и подшипников качения. Определение сил действующих в
зацеплении и опорных реакций
Fr-радиальная; Fa-осевая; Fω-окружная сила.

Тихоходный вал:
6. Расчёт и выбор концов валов
Быстроходный вал:
Тихоходный
вал:
Быстроходный вал выбираем 2
исполнения:=25 l=42 r=0.4 c=0.4
Тихоходный вал выбираем 2
исполнения:=40 l=82 r=1.0 c=0.6
7. Выбор и расчёт подшипников качения
Подшипники качения выбирают по динамической грузоподъемности (n>10min1).
Динамическая грузоподъёмность рассчитывается согласно зависимости:
где: Р- динамическая эквивалентная нагрузка;
-
долговечность, млн. оборотов;
r - радиальная нагрузка на подшипник: Fr=RB
V
- коэффициент, учитывающий, какое кольцо вращается: V=1
x=1.0; - коэффициенты радиальной нагрузок (для подшипников радиальных); Fa
- осевая нагрузка на подшипник, равная осевой силе в зубчатой передаче; Кς= 1,2 - коэффициент безопасности;τ= 1,0 - коэффициент, учитывающий
температуру подшипника; - число оборотов вала; h - долговечность в
часах (10000 часов - для быстроходных валов; 50000 часов - для тихоходных
валов);- показатель степени: q=3 - для роликоподшипников;
Далее, имея необходимый диаметр вала, по динамической грузоподъёмности
выбираем подшипники. Подшипники на одном валу должны быть одинаковы, поэтому
расчёт необходимо вести по наиболее нагруженной опоре (опора В). Тихоходный
вал:
Быстроходный вал:
8. Эскизное проектирование.
Конструкция быстроходного вала
dп=25мм 3=25+5=30ммп=d5=25мм
9. Расчёт диаметров тихоходного вала
в опасном сечении
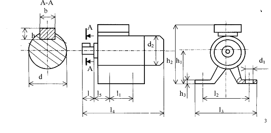
10. Выбор и расчёт шпоночных
соединений
В зависимости от d выбирают из табл. сечение шпонки b,h.
Для быстроходного вала:=25
b=8 h=7 t1=4 t2=3.3 фаска - 0,25 , 2 - исполнение
расчёт рабочей длины шпонки:
Для тихоходного вала:=40 b=12
h=8 t1=5 t2=3,8 фаска - 0,4, 2- исполнение
расчёт рабочей длины шпонки:
11. Расчёт основных конструктивных
элементов корпусных, резьбовых и зубчатых деталей
1. Толщина стенки корпуса: h3=0,025а+4мм=6.8мм;
Толщина крышки: h4=0,9h3=0,9*6.8=6.12мм;
Толщина рёбер жёсткости: (1,2..1,5)h3=8.45мм;
. диаметр отверстия под
фундаментальный болт:=0,04а+12мм=16.48мм;
. Толщина фланца подошвы
корпуса h=1,5d=1,5*16.48=24.72мм;
. Толщина фланца крышки h2=1,5h4=1,5*6.1=9.1мм;
. Толщина фланца корпуса h1=1,6d1=10.2мм;
. диаметр стяжных болтов d1=0,03a+10мм=13.36мм;
. Высота центров
Н=1,06а=120мм;
.Диаметр бонки под подшипникБ=1,25dn+10мм=100мм
- быстроходныйБ=1,25dn+10мм=135мм - тихоходный
. Наименьший зазор между
колесом и стенкой корпуса:
По диаметру - 1.2*h3=8.16мм;
По торцу - h3=6.8мм;
. Длина ступицы Lст=(1..
1,5)D>длины шпонки; ст=1.5*40=60мм;
. диаметр ступицы: D1=1,5D=1.5*40=60мм;
. диаметр D2=da2-10m=179.5-10*2.24=156.8мм;
. Ширина зубчатого колеса:
b=a*Ψ=112*0.315=35.28мм;
. Ширина обода: b1=0.3b=13.44мм;
. Ширина зубчатого венца
шестерни b2=b+m=44.8+2.24=42.56мм;
12. Выбор метода, типа смазки для
зубчатых передач и подшипников редуктора и расчёт объёма масляной ванны. Контроль уровня
масла
Способ смазки - картерный. Тихоходное зубчатое колесо погружено в
масляную ванну на ширину зубчатого венца, т. е. 58.25мм.
Объём масляной ванны:
V=L
Н
В=251.24*21*70=480119мм3 =0.5(
+da2)+
+(20…30)=0.5(49.28+179.2)+112+25=251мм;
В=b+(20…30)=44,8+25=70мм;
Контроль
уровня масляной ванны осуществляется с помощью маслоспускной пробки,
находящейся в торцевой стенке редуктора.
V=75d1/Uгс=1.17м/с
Кинематическая вязкость (сСт). при V=1,17 м/с =120
Марка масла при такой вязкости - И-100А.
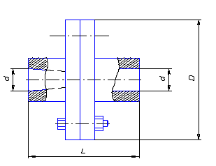
13. Выбор фланцевой муфты
d1=40мм; D=150мм; L=170мм.

По числу оборотов и передаваемой мощности эл. дв. в кВт малого шкива
выбираем тип ремня: тип - Б, у которого: S=138мм2 , h=10.5
15. Литература
1. Канаев А.С. Методическое пособие по курсовому
проектированию. Ижевск,1999.
. Канаев А.С. Методика расчета ременных передач. Ижевск,1998.
. Канаев А.С. Образцы графического выполнения курсовой
работы. Ижевск, 1998.