Проектирование подстанции системы электроснабжения города

  • Вид работы:
    Курсовая работа (т)
  • Предмет:
    Физика
  • Язык:
    Русский
    ,
    Формат файла:
    MS Word
    229,08 Кб
  • Опубликовано:
    2016-03-11
Вы можете узнать стоимость помощи в написании студенческой работы.
Помощь в написании работы, которую точно примут!

Проектирование подстанции системы электроснабжения города














Проектирование подстанции системы электроснабжения города

Введение

ток мощность трансформатор подстанция

Вследствии роста потребления электрической энергии возникает необходимость создания электрических станций, распределительных подстанций, отвечающих новым, современным требованиям. К тому же многие действующие на данный момент подстанции уже устаревают. Достижения в современной энергетике позволяют строить подстанции отвечающие высоким требования надежности, эксплуатации, отвечающие новым экологическим стандартам. Строительство этих подстанций также должно быть экономически целесообразным. Поэтому в некоторых случаях, проектируемая подстанция, строится с минимальными экономическими затратами. К такому случаю можно отнести подстанции обслуживающие вторые и третьи категории электроприемников.

В курсовом проекте по графикам суточной нагрузки в летний и зимний период на среднем и низком напряжении нужно выбрать структурную схему электрической подстанции, отвечающей всем техническим и экономическим требованиям и расчищать основное оборудование для надежной и экономичной работы подстанции. В результате чего закрепить и расширить теоретические и практические знания. При выполнении курсового проекта усвоить методику проектирования.

От выбранной схемы зависят надежность работы электроустановки, ее экономичность, оперативная гибкость и удобство эксплуатации, безопасность обслуживания и возможность расширения.

Но способу присоединения к сети все ПС можно разделить на тупиковые, ответвительные, проходные, узловые. В нашем случае подстанция узловая. По назначению различают потребительские и системные. Потребительские ПС предназначены для распределения электроэнергии между потребителями.

Проектируемая подстанция должна обеспечить надежность электроснабжения потребителей и перетоков мощности по межсистемным или магистральным связям в нормальном и в после аварийном режиме, учитывать перспективу развития. Допускать возможность дальнейшего расширения. Обеспечить возможность проведения ремонтных и эксплуатационных работ, без отключения соседних присоединений.

1. Выбор вариантов структурной схемы подстанции

1.1  Перевод суточных графиков потребления мощности

Переведём графики потребление активной мощности из % в график мощности именованных единицах.

а) сеть НН б) сеть СН

Рисунок 1 - Суточные графики потребления активной мощности (в% от ).

,  ,

При известной активной максимальной мощности нагрузки () можно перевести типовой график в график нагрузки данного потребителя, используя соотношения для каждой ступени графика:

, (1.1)

где  - активная мощность соответствующей ступени, МВт;

   - ордината соответствующей ступени типового графика;

 - активная максимальная мощность нагрузки, МВт.

для зимнего графика рисунок 1 а): для зимнего графика рисунок 1 б):

 

 

 

 

для летнего графика рисунок 1а): для летнего графика рисунок 1б):

 

 

 

Далее переводим графики активной в графики реактивной мощности, согласно формул

 (1.2)

 (1.3)

где  

 .

для зимнего графика рисунок 1 а): для зимнего графика рисунок. 1 б):

 

 

 

 

для летнего графика рисунок 1 а): для летнего графика рисунок 1 б):

 

 

 

Находим значения полных мощностей в течении суток:

, (1.4)

где  - полная мощность соответствующей ступени, ;

 - коэффициент мощности.

для зимнего графика Рисунок 1а): для зимнего графика Рисунок 1б):

 

 

 

 

для летнего графика Рисунок 1а): для летнего графика Рисунок 1б):

 

 

 

На основании расчетов построим графики потребления полной мощности представленный на рисунке 2

а) сеть НН б) сеть СН

Рисунок 2 - Суточные графики потребления полной мощности.

Полная мощность у выводов ВН вычисляется по формуле


, (1.4)

где ; .

Активная мощность ВН для зимнего периода:


Активная мощность ВН для летнего периода:


Реактивная мощность ВН для зимнего периода:


Реактивная мощность ВН для летнего периода:


Полная мощность ВН для зимнего периода:


Полная мощность ВН для летнего периода:


На основании расчетов построим график потребления полной мощности


Рисунок 3 - Суточный график потребления полной мощности по сети ВН.

1.2  Предварительный выбор мощности трансформатора (автотрансфрматора)


Предварительная мощность трансформатора (автотрансформатора):

 МВ×А,

, (1.5)

где - коэффициент перегрузки трансформатора(автотрансформатора).

 МВ×А.

1.3 Выбор вариантов структурной схемы подстанции

Для обеспечения надежного электроснабжения потребителей I, II и III категорий на подстанциях устанавливают два понижающих трансформатора (автотрансформатора).

С учетом предварительной мощности трансформатора, которая необходима для ПС, номенклатуры трансформаторов (автотрансформаторов) и структурных схем выбираем два варианта схемы ПС:

3)  с автотрансформаторами:

Рисунок 4

4) 
с четырьмя двухобмоточными трансформаторами:

Рисунок 5

2. Выбор мощности и типа трансформаторов (автотрансфрматоров)

2.1    Расчет автотрансформаторов для первого варианта структурной схемы

Для данной структурной схемы рисунок 4, с учетом предварительной мощности  МВ×А и  МВ×А, выбираем трансформатор типа АТДЦТН-160000/230/121/11 МВ×А, МВ×А (согласно таблице П. 2.10 [1]).

Найдем коэффициент выгодности автотрансформатора:

 

Квыг=(Uв-Uc)/Uв (2.1)

 

Квыг =(230-121)/230=0,47

Определим параметры зимнего эквивалентного графика, необходимые для оценки аварийной перегрузки автотрансформатора.

1)      При аварийном отключении одного из двух трансформаторов определим начальную нагрузку  эквивалентного графика нагрузки из выражения:

 (2.2)

)        Определим предварительное значение нагрузки  эквивалентного графика нагрузки из выражения:

 (2.3)

Для аварийной перегрузки при системе охлаждения с принудительным дутьём (ДЦ) и значениях , h=0 и  по таблицам П4.2 [2] определим допустимую аварийную перегрузку . Если , то перегрузка  допустима.

,5>0,91ÞРежим допустим.

Если , то перегрузка  допустима.

 МВ×А  МВ×АÞ Режим допустим.

 

2.2    Расчет трансформаторов для второго варианта структурной схемы

Для данной структурной схемы рисунок 5, с учетом предварительных мощностей, выбираем 2 типа трансформатора.

Первый трансформатор понижающий (ВН→НН) ТРДЦН-100000/230/11 Рхх=94 кВт, Ркз=360 кВт (согласно таблице 27.8 [3]).

Из условия:

, (2.4)

 МВ×А.

Выбираем второй повышающий трансформатор (НН→СН) ТРДЦН-63000/115/10,5 Рхх=70 кВт, Ркз=245 кВт (согласно таблице 27.8 [3]).

Проверим, подходят ли выбранные нами трансформаторы.

Проверяем трансформатор ТРДЦН-100000/230/11

1) На графике рисунок 3 проводим линию номинальной нагрузки, на уровне 100 МВ×А.

) Пересечением этой линии с исходным графиком выделяем участок наибольшей перегрузки продолжительностью h.

3) Оставшуюся часть исходного графика разбиваем на  интервалов , и определяем значения .

) Определяем начальную нагрузку  эквивалентного графика из выражения:

, (2.5)

) Участок перегрузки на исходном графике разбиваем на p интервалов и определяем значения .

) Определяем предварительное значение нагрузки  эквивалентного графика нагрузки из выражения:

, (2.6)

7) Определяем максимальное значение нагрузки Кmax эквивалентного графика нагрузки из выражения:

, (2.7)

) Сравним предварительное значение  с  исходного графика

>, тогда

Продолжительность перегрузки следует скорректировать по формуле


, (2.8)

 часов.

Для аварийной перегрузки при системе охлаждения (ДЦ) и значениях , h=10 часов и  по таблицам П4.2 [2] определим допустимую аварийную перегрузку . Если , то перегрузка  допустима.

,5>1,306ÞРежим допустим.

Таким образом, окончательно принимаем выбранный трансформатор к установке.

Проверяем трансформатор ТРДЦН-63000/115/10,5.

1) На графике рисунок 2 проводим линию номинальной нагрузки, на уровне 63 МВ×А.

) Пересечением этой линии с исходным графиком выделяем участок наибольшей перегрузки продолжительностью h.

3) Оставшуюся часть исходного графика разбиваем на  интервалов , и определяем значения .

) Определяем начальную нагрузку  эквивалентного графика по выражению (2.5)

) Участок перегрузки на исходном графике разбиваем на p интервалов и определяем значения .

) Определяем предварительное значение нагрузки  эквивалентного графика нагрузки по выражению (2.6)

7) Определяем максимальное значение нагрузки Кmax эквивалентного графика нагрузки по выражению (2.7)

) Сравним предварительное значение  с  исходного графика

>, тогда

Продолжительность перегрузки следует скорректировать по формуле (2.8)

 часов

Для аварийной перегрузки при системе охлаждения (ДЦ) и значениях , h=8 часов и  по таблицам П4.2 [2] определим допустимую аварийную перегрузку . Если , то перегрузка  допустима.

,5>1,19ÞРежим допустим.

Таким образом, окончательно принимаем выбранный трансформатор к установке.

3. Технико-экономическое расчет вариантов

1 Капиталовложения на сооружение подстанций

Суммарные капиталовложения на сооружение понижающих подстанций определяются как

, (3.1)

Найдем составляющую . При установке на ПС nт=2 однотипных трансформаторов (или АТ) одинаковой мощности.

, (3.2)

где - укрупненный показатель стоимости, включающий помимо стоимости самого трансформатора () затраты на строительную часть, монтаж, ошиновку, шинопроводы, грозозащиту, заземление, контрольные кабели и релейную защиту.

Для устанавливаемых трансформаторов (автотрансформаторов) отношение  принимаем 1,3.

Показатели стоимости трансформаторного оборудования 110-220 кВ и распределительных устройств представлены в таблице 1, в соответствие [4], [5].

Для 1 варианта структурной схемы, рисунок 4:

АТДЦТН-160000-230/121/11, согласно (3.2)

 руб.

Для 2 варианта структурной схемы, рисунок 5:

ТРДЦН-100000/230/11 согласно (3.2)

 руб.,

ТРДЦН-63000/115/10,5 согласно (3.2)

 руб.

,

 руб.

Второй крупной составляющей КПС является стоимость распределительных устройств.

, (3.3)

где слагаемые правой части отвечают распределительным устройствам высшего, среднего и низшего напряжения.

Для 1 варианта структурной схемы, рисунок 4:

 руб.

Для 2 варианта структурной схемы, рисунок 5:

 руб.

Таблица 1 - Расчетные стоимости трансформаторов (автотрансформаторов) и РУ 10-110-220 кВ

Наименование Оборудования

Стоимость единицы, руб.

1-вариант

2-вариант



Кол.

Цена, руб.

Кол.

Цена, руб.

Автотрансформатор:






АТДЦТН-160000-230/121/11

22005160

2

44010320

-

-

трансформатор: ТРДЦН-100000/230/11

 14250600

 -

 -

 2

28501200

ТРДЦН-63000/121/10,5

10125500

-

-

2

20251000

ОРУ 220

6000000

1

6000000

2

6000000

ОРУ 110

4000000

1

4000000

1

4000000

РУ 10

2000000

1

2000000

-

-

РУ 10

3000000

-

-

1

3000000

Итого:



52410320


58752200


Суммарные капиталовложения на сооружение понижающих подстанций

Для 1 варианта структурной схемы, рисунок 4 согласно (3.1)

 руб.

Для 2 варианта структурной схемы, рисунок 5 согласно (3.1)

 руб.

3.2 Издержки на амортизацию и обслуживание подстанций

При технико-экономическом сопоставлении вариантов подстанций ежегодные издержки на амортизацию и обслуживание элементов сети определяют как долю от капиталовложений, то есть

, (3.4)

где аПС - общие нормы отчислений от капиталовложений для ПС, складывающиеся из норм амортизационных отчислений аам и отчислений на текущий ремонт и обслуживание аобсл.

Часть амортизационных отчислений используется для замены оборудования по истечении срока службы на новое и называется отчислениями на реновацию арен. Вторая часть обеспечивает возможность выполнения периодических капитальных ремонтов ак.р. Таким образом, общая норма отчислений имеет три составляющие:

, (3.5)

Нормы ежегодных отчислений на амортизацию и обслуживание элементов подстанции для силового электрооборудования и коммутационной аппаратуры подстанций при высшем напряжении 220 кВ (% /год):

арен=3,5;

ак.р=2,9;

аобсл=2,0;

аПС =8,4.

Издержки на амортизацию и обслуживание подстанций.

Для 1 варианта структурной схемы, рисунок 4 согласно (3.4)

 руб.

Для 2 варианта структурной схемы, рисунок 5 согласно (3.4)

 руб.

.3 Определение потерь электроэнергии в трансформаторах (автотрансформаторах)

Потери электроэнергии в трехфазных автотрансформаторах определяются по следующим формулам:

, (3.6)

где: k - число параллельно включенных автотрансформаторов;

Рх, - потери холостого хода автотрансформатора, кВт;

Nз, Nл - число рабочих суток в зимнем и летнем сезонах;

n, m - количество ступеней в зимнем и летнем графиках;

Sв, Sс, Sн - нагрузки обмоток ВН, СН и НН, кВ×А;

Si, Sj - нагрузка i-й, j-й ступеней соответственно зимнего и летнего графиков нагрузки, кВ×А;

Sном - номинальная мощность автотрансформатора, кВ×А;

Dti, Dtj - длительность ступеней, часов;

Ркв, Ркс, Ркн - потери КЗ в обмотках ВН, СН и НН, кВт:

, (3.7)

где: Рк,В-Н, Рк,С-Н, Рк,В-С - потери в обмотках трехобмоточного трансформатора полученные из опытов короткого замыкания, с попарным участием обмоток высшего, среднего, и низшего напряжения.

.

, (3.8)

.

 (3.9)

Вычислив потери КЗ в обмотках высшего, среднего, низшего напряжений, кВт определим потери для автотрансформатора АТДЦТН-160000-230/121/11 согласно (3.6)

Годовые потери энергии в двухобмоточном трансформаторе, работающем по многоступенчатому графику, определяют следующим образом

 (3.10)

где: k - число параллельно включенных автотрансформаторов;

Рх, Рк - потери холостого хода и короткого замыкания трансформатора, кВт;

Nз, Nл - число рабочих суток в зимнем и летнем сезонах;

n, m - количество ступеней в зимнем и летнем графиках;

Si, Sj - нагрузка i-й, j-й ступеней соответственно зимнего и летнего графиков нагрузки, кВ×А;

Sном - номинальная мощность автотрансформатора, кВ×А;

Dti, Dtj - длительность ступеней, часов;

Определим годовые потери энергии в двухобмоточных трансформаторах для 2 варианта структурной схемы, рисунок 5 согласно (3.10)

Потери для ТРДЦН-100000-230/11

Определим потери для ТРДЦН-63000-115/10,5

Определяем суммарные годовые потери электроэнергии для схемы:


3.4 Технико-экономический расчет

Определим расчетный дисконтирующий множитель за срок эксплуатации до окончания расчетного периода:

, (3.11)

где Е - норматив дисконтирования (приведения разновременных затрат) E=0,1

.

Вычислим эквивалентный дисконтирующий множитель:

, (3.12)

где - коэффициент отчислений на реновацию;

- общие нормы отчислений от капиталовложений;

Тэ = Тр - Тс, - время эксплуатации объекта до окончания расчетного периода, лет. (Тс =2 года - срок строительства обоих вариантов подстанций, Тр=10 лет)

Тэ=10-2=8 лет.

.

Найдем издержки на возмещение потерь электроэнергии:

, (3.13)

где С - стоимость 1 кВт×ч электроэнергии, принимаем по данным АО «Мариэнерго» на 2006 год равными 1,24 руб./кВт×ч;

Для 1 варианта структурной схемы, рисунок 4

 руб.

Для 2 варианта структурной схемы, рисунок 5

 руб.

Тогда

. (3.14)

Для 1 варианта структурной схемы, рисунок 4

 руб.

Для 2 варианта структурной схемы, рисунок 5

 руб.


 (3.15)

где ПС - сумарная дисконтированная стоимость сооружения объекта на момент начала его эксплуатации, т.е. за период строительства (t=Tс), руб.

Для 1 варианта  руб. Тогда

 руб.

Для 2 варианта  руб. Тогда

руб.

Оптимальному варианту электрической сети соответствует наименьшее значение суммарных дисконтированных затрат на ее сооружение и эксплуатацию в течение заданного расчетного периода. Как мы видим таковой у нас 1 вариант схемы с автотрансформаторами.

4. Выбор отходящих линий

.1 Выбор отходящих линий на стороне высшего напряжения

Максимальная мощность на стороне ВН: , число отходящих одноцепных линий - 2, длина линии: 90/140 км. Выбор сечения провода производится методом экономической плотности.

Продолжительность использования максимума нагрузки:

, (4.1)

где и- полные мощности соответствующих ступеней по сети ВН.

Для алюминиевых проводов по таблице 4.5 [1] определяем экономическую плотность jэк=1А/мм2. Предположим, что нагрузка распределена по линиям равномерно, тогда нормальный расчетный ток

, (4.2)

 А.

Экономическое сечение

, (4.3)

 мм2

Принимаем по таблице 1.10 [2] приближенное стандартное сечение 240 мм2 и предварительно выбираем провод АС-240/32, допустимая токовая нагрузка Iдоп=610 А.

Проверку осуществляем по допустимому току в режиме обрыва одной цепи линии. При этом ток, протекающий по оставшейся цепи линии

, (4.4)

 А

Т.к. Imax<Iдоп, то окончательно принимаем провод АС-240/32, с сопротивлением постоянному току r=0,121 Ом/км, и индуктивным сопротивлением x=0,435 Ом/км.

Провода, располагаемые на открытом воздухе, по термической стойкости не проверяются.

4.2 Выбор отходящих линий на стороне среднего напряжения

Максимальная полная мощность на стороне СН:  МВ×А, три линии длиной 80/40/90 км. Выбор сечения провода производится методом экономической плотности.

Продолжительность использования максимума нагрузки по (4.1)

Для алюминиевых проводов таблице 4.5 [1] определяем экономическую плотность jэк= 1 А/мм2.

Нормальный расчетный ток по (4.2)

 А

Экономическое сечение по (4.3)

 мм2

Принимаем по таблице 1.10 [2] приближенное стандартное сечение 70 мм2 и предварительно выбираем провод АС-70/11, допустимая токовая нагрузка Iдоп=265 А.

Проверку осуществляем по допустимому току в режиме обрыва одной цепи линии, при этом ток, протекающий по оставшимся цепям линии по (4.4)

 А

Т.к. Imax<Iдоп, то окончательно принимаем провод АС-70/11, с сопротивлением постоянному току r=0,428 Ом/км, и индуктивным сопротивлением x=0,444 Ом/км.

5. Расчет токов короткого замыкания

Коротким замыканием (КЗ) называют замыкание между фазами (фазными проводниками электроустановки), замыкание фаз на землю (нулевой провод) в сетях с глухо- и эффективно-заземленными нейтралями, а также витковые замыкания в электрических машинах.

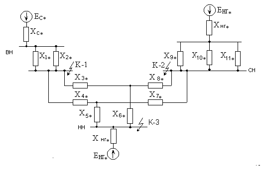
Для рассматриваемой установки составляют расчетную схему

Рисунок 6 - Расчетная схема замещения подстанции.

5.1 Определение параметров схемы замещения

За базисную мощность берём мощность системы

Sб=1000 МВ×А.

Базисные напряжения берём из номинального ряда

UБ1 =230 кВ, UБ2 =115 кВ, UБ3 =10,5 кВ.

Базисные токи

, (5.1)

,

, (5.2)

,

, (5.3)

Далее расчет проводим в относительных единицах

Сопротивления системы

, (5.4)

.

Сопротивления обмоток трансформатора

, (5.5)

,

, (5.6)

,

сопротивление  мало, ими можно пренебречь при дальнейших расчетах.

, (5.7)

.

Сопротивление линий на стороне 220 кВ:

, (5.8)

,

, (5.9)

.

Сопротивление линий на стороне 110 кВ

, (5.10)

,

, (5.11)

,

, (5.12)

.

Также в расчёте учитываем обобщенную нагрузку

, X*НГ=0,35.

Обобщенная нагрузка на стороне среднего напряжения

, (5.13)

.

Обобщенная нагрузка на стороне низкого напряжения

, (5.14)

.

ЭДС системы


5.2 Расчет токов короткого замыкания на шинах высшего напряжения

Рассмотрим короткое замыкание в точке К1. Для этого преобразуем схему на рисунке 6, приведём её к более простому виду. Влияние нагрузок на сторонах среднего и низшего напряжения не учитываем вследствие их удаленности от КЗ в точке К-1.

Преобразуем сопротивления

, (5.15)


Рисунок 7 - Упрощенная расчетная схема замещения подстанции, при КЗ в точке К-1

Найдем ток КЗ

, (5.16)

.

Установим значение ударного коэффициента для КЗ в воздушных линий напряжением 220 кВ при Та = 0,03 (таблица 3.8 [1])

, (5.17)

.

Ударный ток трехфазного КЗ для точки К-1

, (5.18)

.

Так как КЗ электрически удаленное, то можно приближенно принять, что периодическая составляющая тока КЗ не затухает то есть Iпо=Iпt=2,39 kA.

Значение апериодической составляющей тока КЗ в начальный момент времени

, (5.19)

.

.3 Расчет токов короткого замыкания на шинах среднего напряжения

Рассмотрим К.З в точке К-2. Для этого преобразуем схему на рисунке 6, приведём её к более простому виду. Влияние нагрузок на стороне низшего напряжения не учитываем вследствие их удаленности от КЗ в точке К-2.

Преобразуем сопротивления

, (5.20)

,

, (5.21)

 откуда .

Рисунок 8 - Упрощенная расчетная схема замещения подстанции, при КЗ в точке К-2

, (5.22)

,

, (5.23)

.

Рисунок 9 - Упрощенная расчетная схема замещения подстанции, при КЗ в точке К-2

Найдем ток КЗ

, (5.24)

,

, (5.25)

,

, (5.26)

.

Установим значение ударного коэффициента для КЗ по сети ВН и СН (таблица 3.8 [1]):

на шинах ВН ,

на шинах СН

Ударный ток трехфазного КЗ для точки К-2, согласно (5.18)

на шинах ВН

,

на шинах СН

,

.

Так как КЗ электрически удаленное, то можно приближенно принять, что периодическая составляющая тока КЗ не затухает то есть Iпо=Iпt=4,41 kA.

Значение апериодической составляющей тока КЗ в начальный момент времени, согласно (5.19)

.

.4 Расчет токов короткого замыкания на шинах низшего напряжения

Рассмотрим К.З. в точке К-3. Для этого преобразуем схему на рисунке 6, приведём её к более простому виду. Влияние нагрузок на стороне среднего напряжения не учитываем вследствие их удаленности от КЗ в точке К-3.

Преобразуем сопротивления

 (5.27)


Рисунок 10 - Упрощенная расчетная схема замещения подстанции, при КЗ в точке К-3

Найдем ток КЗ

, (5.28)

,

, (5.29)

,

 (5.30)

Установим значение ударного коэффициента для КЗ по сети ВН и НН (таблица 3.8 [1]):

на шинах ВН ,

на шинах НН .

Ударный ток трехфазного КЗ для точки К-3, согласно (5.18)

на шинах ВН

,

на шинах НН

,

.

Так как КЗ электрически удаленное, то можно приближенно принять, что периодическая составляющая тока КЗ не затухает то есть Iпо=Iпt=36,24 kA.

Значение апериодической составляющей тока КЗ в начальный момент времени, согласно (5.19)

.

6. Расчет кабельной сети нагрузки нн, линейных реакоров

.1 Выбор сечения кабельных линий распределительной сети 10 кВ

По суточному графику потребления мощности по сети НН (рисунок 2, а) определим время максимальных потерь Тmax

, (6.1)

.

Для кабелей с бумажной изоляцией и алюминиевыми жилами экономическая плотность тока (3000<Тmax<5000 ч.)

Расчетный ток в нормальном режиме для кабельных линий питающих РП1 и РП2:

 (6.2)


 (6.3)

Рассчитаем экономическое сечение, для расчёта возьмём за расчетный ток, ток питающий РП2:

, (6.4)

.

По таблице 4.14 [3] принимаем ближайшее стандартное сечение Sсеч=240 мм2 и предварительно принимаем кабель марки АСБ - 3240 (Iдоп = 355 А).

Рабочий ток в аварийном режиме:

Обрыв КЛ2, РП1 и РП2 питаются через КЛ1, или обрыв КЛ1, тогда РП1 и РП2 питаются через КЛ2.

, (6.5)

.

Проверка кабеля по длительно допустимому току:

 (6.6)

где kпер =1,2 - коэффициент аварийной перегрузки;

k =1 - поправочный коэффициент на температуру окружающей среды;

kN =1 - поправочный коэффициент на число кабелей в траншее.

 Þ этот кабель не подходит, предварительно принимаем 2 кабеля марки АСБ - 3´120 (Iдоп = 240 А).

Проверка кабеля по длительно допустимому току:

Þ принимаем 2 кабеля АСБ 3х120, сопротивление кабеля r0=0,28 Ом/км, x0=0,06 Ом/км.

Расчетный ток для кабельных линий питающих РП3:

, (6.7)

.

Экономическое сечение:

, (6.8)

.

По таблице 4.14 [3] принимаем стандартное сечение Sсеч=185 мм2 и предварительно принимаем кабель марки АСБ - 3´185 (Iдоп = 310 А).

Рабочий ток в аварийном режиме:

обрыв КЛ3, РП3 питается через КЛ4, или обрыв КЛ4, тогда РП3 питается через КЛ3.

, (6.9)

.

Проверка кабеля по длительно допустимому току согласно (6.6)

Þ принимаем кабель марки АСБ - 3185 сопротивление кабеля r0=0,18 Ом/км, x0=0,06 Ом/км.

Определение тока термической стойкости кабеля:

 (6.10)

где Та = 0,23 (ветви защищенные реактором с Iном = 1000 А и выше, с таблицы 3.8 [1]);

С - коэффициент термической стойкости по таблице 3.14 [1] (для кабелей с бумажной изоляцией и АС жилами равен 90 Ас-1/2/мм2);

tотк - время отключения К.З. релейной защитой.

 (6.11)

где tр.з. - время срабатывания релейной защиты (tр.з. = 0,3 с.);

tо.в. - время отключения выключателя (для выключателя ВВЭ-10 (tо.в. = 0,075 с.));

.

Для АСБ - 3´120 ток термической стойкости

Для АСБ - 3´185 ток термической стойкости

Требуется установка реакторов, так как токи К.З. больше тока термической стойкости: IП0.К3 =36,24 кА.

6.2 Выбор линейных реакторов

Выбор реакторов для кабельных линий питающих РП1 и РП2

Нагрузка, приходящаяся на каждую ветвь сдвоенного реактора для РП1 и РП2 не превысит значения:

, (6.12)

.

(При обрыве КЛ1 или КЛ2 и соответственно питания РП2 или РП1 от одной кабельной линии, оставшейся в работе).

Для РП3 это значение будет равно:

, (6.13)

.

С учетом того, что линии распределены на две ветви реактора предварительно выбираем реактор РБСДГ-10-2Х2500-0,35 по таблице 23.21 [6].

Определяем требуемое сопротивление цепи:

, (6.14)

.

Результирующее сопротивление цепи до реактора:

, (6.15)

.

Сопротивление реактора:

, (6.16)

.

Выбираем по таблице 23.21 [6] реактор РБСГ-10-2х2500-0,35, с номинальными параметрами:

сопротивление реактора xр=0,35 Ом;

ток динамической стойкости iдин=60 кА;

ток термической стойкости ;

время термической стойкости tт=8 с.

Вычисляем значение результирующего сопротивления цепи КЗ с учетом реактора:

, (6.17)

.

Значение периодической составляющей тока КЗ на шинах РП:

,                (6.18)

.

Проверка по электродинамической стойкости.

, (6.19)

где ку = 1,956 - ударный коэффициент (ветви защищенные реактором с Iном = 1000 А и выше по таблице 3.8 [1]);

.

Реактор соответствует электродинамической стойкости, если выполняется условие

, (6.20)

Проверка на термическую стойкость.

Тепловой импульс:

, (6.21)

где - импульс квадратичного тока при КЗ за реактором, гарантированный заводом изготовителем;

- ток термической стойкости;

- время термической стойкости.


 (6.22)

где - расчетный импульс квадратичного тока при КЗ за реактором;

- полное время отключения тока КЗ.

Реактор соответствует термической стойкости, если выполняется условие

 (6.23)

Остаточное напряжение на шинах ГРУ при КЗ за реактором:

 (6.24)

Значение  по условиям работы потребителей должно быть не менее 65-70%.

Потери напряжения при протекании максимального тока в нормальном режиме работы:

, (6.25)

где - коэффициент связи.

Для РП1 и РП2:

.

Для РП3:  

.

Таким образом, принимаем выбранный реактор к установке.

7. Выбор схемы и трансформатора собственных нужд

На двух трансформаторных подстанциях устанавливаются два трансформатора собственных нужд, которые присоединяются к сборным шинам 10кВ. Приемниками энергии собственных нужд (с.н.) являются: электродвигатели системы охлаждения трансформаторов; устройства обогрева масленых выключателей и шкафов с установленными в них электрическими аппаратами и приборами; электрическое отопление и освещение; система пожаротушения. Для электроснабжения системы с.н. подстанций предусматривают понижающие трансформаторы с вторичным напряжением 380/220 В. Трансформаторы с.н. могут быть присоединены к сборным шинам РУ 10кВ. Но такая схема обладает недостатком, нарушение электроснабжения системы с.н. при повреждении в РУ.

Выбор трансформатора собственных нужд.


Принимаем по таблице 27.11 [3] два трансформатора ТСЗ-250/10 Uнн=0,4 кВ, uk=5.5% Iх = 3,5%.

Рисунок 11 - Схема питания собственных нужд подстанций.

8. Выбор схемы распределительных устройств

8.1 Выбор распределительного устройства на стороне высшего напряжения

Для крупных ПС 220 кВ со значительной мощностью двух трансформаторов или автотрансформаторов, питающихся по двум линиям, рекомендуется применение схемы четырехугольника, обеспечивающей высокую надежность электроснабжения потребителей. Достоинствами такой схемы является возможность проведения ревизии любого выключателя без нарушения работоспособности всей схемы, а также использование разъединителя только для ремонтных работ. К недостаткам данной схемы можно отнести снижение надёжности при разомкнутом кольце и повышенные требования к подключаемым в эту схему трансформаторам тока, выключателям и разъединителям кольца.

Рисунок 12 - Схема распределительного устройства ВН

8.2   
Выбор распределительного устройства на стороне среднего напряжения

Для РУ 110 кВ принимается схема с двумя рабочими и обходной системой шин с одним выключателем на цепь. Обе системы сборных шин находятся под напряжением. Эта схема надежна, т.к. при К.З на шинах отключаются шиносоединительный выключатель, и только половина присоединений. Схема имеет высокую ремонтопригодность, дает возможность ревизии любой системы сборных шин и любого выключателя без перерыва работы присоединений.

Рисунок 12 - Схема распределительного устройства СН

8.3  Выбор распределительных устройств на стороне низшего напряжения

На низшем напряжении подстанций 10 кВ применяется схема с одной системой сборных шин секционированных выключателями. При этом РП1 и РП2 питаются от различных секций, а питание РПЗ осуществляется по двум кабельным линиям, которые также присоединены к разным секциям. Достоинствами схемы являются простота, наглядность, экономичность, достаточно высокая надежность. Однако схема обладает и рядом недостатков. При повреждении и последующем ремонте одной секции ответственные потребители, нормально питающиеся с обеих секций, остаются без резерва, а потребители, не резервированные по сети, отключаются на все время ремонта. В этом же режиме источник питания, подключенный к ремонтируемой секции, отключается на все время ремонта.

.       
Выбор проводников и аппаратов

9.1 Выбор выключателей

1

Выключатель - это коммутационный аппарат, предназначенный для включения и отключения тока. Выключатель является основным аппаратом в электроустановках, он служит для отключения и включения цепи в любых режимах: длительная нагрузка, перегрузка, короткое замыкание, холостой ход, несинхронная работа. Наиболее тяжелой и ответственной операцией является отключение токов КЗ и включение на существующее короткое замыкание.

В распределительных устройствах 35 кВ и выше применяем элегазовые выключатели, т.к. они обладают рядом преимуществ: пожаро- и взрывобезопасность, минимальное обслуживание, снижение нагрузки на фундамент, сокращение времени установки, отсутствие элементов требующих ручной смазки, отключение с высокой скоростью, надежная коммутация кондесаторных батарей и реакторов, высокая сейсмостойкость, работоспособность при температуре окружающей среды до - 55ºС, малый износ дугогасящих контактов.

Все выключатели характеризуются номинальным напряжением (Uном) и номинальным рабочим током (Iном), которые они выдерживают длительное время. Поэтому при выборе аппарата необходимо соблюдать условия:

 

Uном.а. ³ Uном.с.,                                           (9.1)

Iраб.макс. £ Iном.а. (9.2)

где: Uном.а. - номинальное напряжение, кВ;

Uном.с. - номинальное напряжение сети, кВ;

Iраб.макс. - наибольший ток утяжеленного режима цепи в которой

устанавливается данный выключатель, кА;

Iном.а. - номинальный ток аппарата, кА.

Выключатели по номинальному напряжению и номинальному току, подлежат проверкам:

В первую очередь производится проверка на симметричный ток отключения по условию

. (9.3)

где Iном.откл номинальный ток отключения, кА.

Затем проверяется возможность отключения апериодической составляющей тока КЗ:

, (9.4)

где - апериодическое составляющая тока КЗ в момент расхождения контактов τ, кА;

   - номинальный допустимое значение апериодической составляющей в отключаемом токе для времени τ, кА;

- нормированное значение содержания апериодической составляющей в отключаемом токе (справочные данные);

 определяется по формуле

, (9.5)

где τ - наименьшее время от начала КЗ до момента расхождения дугогасительных контактов, с (расчетное время действия тока КЗ):

τ определяется по формуле

,                                        (9.6)

где:   tз - время срабатывание релейной защиты, с;

tо.в. - время отключения выключателя, с.

По электродинамической стойкости при токах КЗ выбранный выключатель проверяется по одному из условий:

 или                                 (9.7)

где:   Iпо - начальное значение периодической составляющей тока К.З., кА;

Iдин - начальное действующие значение предельного сквозного тока данного выключателя, кА. (справочные данные);

iу - ударный ток КЗ, кА;

iм.дин. - амплитудное значение (наибольший пик) предельного сквозного тока выключателя, кА. (справочные данные).

По термической стойкости проверка осуществляется по расчетному импульсу квадратичного тока короткого замыкания. Значение теплового импульса тока КЗ (кА2×с) определяется по формуле

,                                  (9.8)

где:   Iпо - начальное значение периодической составляющей тока КЗ, кА;

τ - расчетное время действия тока КЗ, с;

Ta - постоянная времени затухания апериодической составляющей, с.

Значение постоянной времени затухания апериодической составляющей тока КЗ зависит от места короткого замыкания.

Зная значение теплового импульса тока КЗ в цепи установки выбранного выключателя можно записать условие проверки на термическую стойкость

,                             (9.9)

где:   Iт - ток термической стойкости выбранного выключателя, кА;

Выбор выключателей на стороне высокого напряжения

Напряжению установки 220 кВ.

Максимальный рабочий ток:

.                    (9.10)

Предварительно принимаем элегазовый выключатель типа ВГБУ-220, в соответствии [7], с номинальными параметрами:

номинальный рабочий ток Iном=2 кА;

номинальный ток отключения Iном.откл=40 кА;

амплитудное значение предельного сквозного тока iпр.с =102 кА;

время отключения tо.в.=0,035 с;

ток термической стойкости Iт=40 кА;

время термической стойкости tт=3 с.

Проверка выбранного выключателя:

Проверке выключателя на отключающую способность симметричного тока КЗ по (9.3)

.

Возможность отключения апериодической составляющей тока КЗ по (9.4)

.

где по (9.6) τ = 0,9 + 0,035 = 0,935 c, следовательно, принимают (рис. 4,54 [1])

По электродинамической стойкости (9.7)

.      

где iм.дин. - амплитудное значение (наибольший пик) предельного сквозного тока выключателя, кА, следовательно .

По термической стойкости.

Значение теплового импульса тока КЗ (кА2×с) определяется по (9.8)

.  

Условие проверки на термическую стойкость по (9.9)

.

Таким образом, выбранный элегазовый выключатель ВГБУ-220 подходит по всем пунктам, принимаем его к установке окончательно.

Выбор выключателей на стороне среднего напряжения

Напряжению установки 110 кВ.

Максимальный рабочий ток:

.            (9.11)

Предварительно принимаем элегазовый выключатель типа ВГБУ-110, в соответствии [7], с номинальными параметрами:

номинальный рабочий ток Iном=2 кА;

номинальный ток отключения Iном.откл=40 кА;

амплитудное значение предельного сквозного тока iпр.с=102 кА;

время отключения tо.в.=0,035 с;

ток термической стойкости Iт=40 кА;

время термической стойкости tт=3 с.

Проверке выключателя на отключающую способность симметричного тока КЗ по (9.3)

Возможность отключения апериодической составляющей тока КЗ по (9.4)

где по (9.6) τ = 0,9 + 0,035 = 0,935c, следовательно принимают  (рис. 4,54 [1])

По электродинамической стойкости (9.7)

     

По термической стойкости.

Значение теплового импульса тока КЗ (кА2×с) определяется по (9.8)

.

Условие проверки на термическую стойкость по (9.9)

Таким образом, выбранный элегазовый выключатель ВГБУ-220 подходит по всем пунктам, принимаем его к установке окончательно.

Выбор выключателей на стороне низкого напряжения

Напряжению установки 10 кВ.

Максимальный рабочий ток:

.            (9.12)

Предварительно по таблице 31.1 [3] принимаем масляный выключатель типа МГГ-10-4000-45Т3 с номинальными параметрами:

номинальный рабочий ток Iном=4,0 кА;

номинальный ток отключения Iном.откл=45,0 кА;

амплитудное значение предельного сквозного тока iпр.с=120,0 кА;

время отключения tо.в.=0,14 с;

ток термической стойкости Iт=45,5 кА;

время термической стойкости tт=4 с.

Проверка выключателя на отключающую способность симметричного тока КЗ по (9.3)

Возможность отключения апериодической составляющей тока КЗ по (9.4)

где по (9.6) τ = 0,9 + 0,14 = 1,04 c, следовательно принимают (рис. 4.54 [1]).

По электродинамической стойкости (9.7)

  

По термической стойкости.

Значение теплового импульса тока КЗ (кА2×с) определяется по (9.8)

.

Условие проверки на термическую стойкость по (9.9)

Таким образом, выбранный вакуумный выключатель МГГ-10-4000-45Т3 подходит по всем пунктам, принимаем его к установке окончательно.

Выбор выключателей на линиях, отходящих от шин низшего напряжения

Максимальный рабочий ток:

               (9.13)

Предварительно принимаем вакуумный выключатель типа ВВЭ-10-20/630, в соответствии [8], с номинальными параметрами:

номинальный рабочий ток Iном=630 А;

номинальный ток отключения Iном.откл=20 кА;

амплитудное значение предельного сквозного тока iпр.с=51 кА;

время отключения tо.в.=0,075 с;

ток термической стойкости Iт=20 кА;

время термической стойкости tт=3 с.

Проверка выключателя на отключающую способность симметричного тока КЗ по (9.3)

Возможность отключения апериодической составляющей тока КЗ по (9.4)

где по (9.6) τ = 0,4 + 0,075 =0,475 c, следовательно, принимают (рисунок 4.54 [1]).

По электродинамической стойкости (9.7)

       

По термической стойкости.

Значение теплового импульса тока КЗ (кА2×с) определяется по (9.8)

.                

Условие проверки на термическую стойкость по (9.9)

.

Таким образом, выбранный вакуумный выключатель ВВЭ-10-20/630 подходит по всем пунктам, принимаем его к установке окончательно.

9.2 
Выбор разъединителей

Условия выбор разъединителей.

По напряжению установки:

 

Uуст. £ Uном. (9.14)

По току:

 

Iнорм. £ Iном., Imax £ Iном. (9.15)

По конструкции и роду установки.

По электродинамической стойкости:

 

iу < iпр.,с, (9.16)

где iпр.,с - предельный сквозной ток КЗ, кА.

По термической стойкости

, (9.17)

где Bк - тепловой импульс по расчёту, кА2× с;

Iт - предельный ток термической стойкости, кА;

tт - длительность протекания предельного тока термической стойкости, с.

Выбор разъединителей на стороне высокого напряжения

Напряжение установки Uуст.=220 кВ.

Максимальный рабочий ток, согласно (9.10)

Iраб.max=0,382 кА.

Предварительно по таблице 7.2 [1] выбираем разъединитель типа РДЗ 220/1000 с номинальными параметрами:

номинальный рабочий ток Iном=1 кА;

амплитудное значение предельного сквозного тока КЗ iпр.с=100 кА;

ток термической стойкости Iт=40 кА;

время термической стойкости tт=3 с.

Проверка выбранного разъединителя.

По способности выдерживать ударный ток КЗ, согласно (9.16)

.

По термической стойкости, согласно (9.17)

.

Таким образом, выбранный разъединитель РДЗ-220/1000 подходит по всем пунктам. Окончательно принимаем этот разъединитель к установке.

Выбор разъединителей на стороне среднего напряжения

Напряжение установки Uуст.=110 кВ.

Максимальный рабочий ток, согласно (9.11)

Iраб.max=0,39 кА.

Предварительно по таблице 7.2 [1] выбираем разъединитель типа РДЗ 110/1000 с номинальными параметрами:

номинальный рабочий ток Iном=1 кА;

амплитудное значение предельного сквозного тока КЗ iпр.с=80 кА;

ток термической стойкости Iт=31,5 кА;

время термической стойкости tт=3 с.

Проверка выбранного разъединителя.

По способности выдерживать ударный ток КЗ, согласно (9.16)

.

По термической стойкости, согласно (9.17)

.

Таким образом, выбранный разъединитель РДЗ-110/1000 подходит по всем пунктам. Окончательно принимаем этот разъединитель к установке.

Выбор разъединителей на стороне низкого напряжения

Напряжение установки Uуст.=10 кВ.

Максимальный рабочий ток, согласно (9.12)

Iраб.max=3,88 кА.

Предварительно по таблице 7.2 [1] выбираем разъединитель типа РВРЗ-10/4000 с номинальными параметрами:

номинальный рабочий ток Iном=4 кА;

амплитудное значение предельного сквозного тока КЗ iпр.с=180 кА;

ток термической стойкости Iт=71 кА;

время термической стойкости tт=4 с.

Проверка выбранного разъединителя.

По способности выдерживать ударный ток КЗ, согласно (9.16)

.

По термической стойкости, согласно (9.17)

.

Таким образом, выбранный разъединитель РВРЗ-10/4000 подходит по всем пунктам. Окончательно принимаем этот разъединитель к установке.

9.3  Выбор шин

В РУ напряжением 35 кВ и выше с целью снижения потерь на корону следует применять шины круглого сечения. В ОРУ следует применять гибкие шинопроводы (сталеалюминевые провода). Провода линий электропередач напряжением более 35 кВ, провода длинных связей трансформаторов с ОРУ выбираются по экономической плотности тока:

Выбор сечения шин производится по экономической плотности тока:

, (9.18)

где: F - стандартное сечение шины, мм;

- экономически целесообразное сечение, мм;

- длительный рабочий ток нормального режима, А;

- экономическая плотность тока, А/мм.

Жесткими шинами называются жесткие неизолированные проводники. В закрытых РУ 6-10 кВ ошиновка выполняется жесткими алюминиевыми шинами. Медные шины из-за их высокой стоимости применяются только в агрессивных средах. Форму и размеры поперечного сечения шин выбирают в соответствии с рабочим током, учитывая явление поверхностного эффекта, а также требования термической и динамической стойкости при КЗ.

Так как сборные шины по экономической плотности тока не выбираются, принимаем сечение по допустимому току при максимальной нагрузке на шинах, равной току наиболее мощного присоединения. Выбранные шины должны удовлетворять условию:

, (9.19)

где:   - длительно допустимый рабочий ток для шин выбранного сечения.

Для жестких шин с учетом поправки на температуру окружающей среды. Так как расчетная температура окружающей среды принята +25оС, то при другой температуре окружающей среды следует вычислить длительно допустимый рабочий ток:

     (9.20)

где:   - допустимая температура шины (для алюминиевых шин =70оС), оС;

- допустимый ток для шин выбранного сечения при расчетной температуре +25 оС (справочная величина), А.

Проверка на термическое действие тока КЗ для гибких шин не производится, так как шины выполнены голыми проводами на открытом воздухе.

Проверка на термическую стойкость жестких шин при токах КЗ:

В практических расчетах для определения минимальной величины допустимого сечения по термической стойкости (SТ), пользуются формулой

(мм2), (9.21)

где: - тепловой импульс тока КЗ, кА2×с;

с - коэффициент, соответствующий разности выделенного тепла в проводнике после КЗ и до него, (справочная величина).

Если расчетная величина минимального сечения допустимого по термической стойкости ST меньше сечения проводника выбранного по допустимому току S, то считается, что шины термически стойкие, т.е. соблюдается условие

. (9.22)

На электродинамическое действие тока КЗ (на схлестывание) не проверяются гибкие шины РУ при

. (9.23)

В жестких шинах принимаем, что швеллеры шин соединены жестко по всей длине сварным швом, по ПУЭ такая конструкция не требует проверки на электродинамическую стойкость.

Выбор шин на стороне высокого напряжения

Сечение сборных шин выбираются по условию прохождения допустимого тока при максимальной нагрузке на шинах, согласно (9.10)

.

Принимаем провод марки АС 120/19, Iдоп=390 А (по таблице П 3,3 [1]).

Проверка шин на схлестывание (на электродинамическое действие тока КЗ) не производится, так как, согласно (9.23)

.

Проверка на термическое действие тока КЗ не производится, так как шины выполнены голыми проводами на открытом воздухе.

По условию короны также не проверяются.

Окончательно принимаем выбранный тип шины к установке.

Токоведущие части от выводов 220 кВ автотрансформатора до сборных шин выполняется гибкими проводами. Сечение выбираем по экономической плотности тока jЭК=1,0 А/мм2 (таблица 4.5 [1]), согласно (9.18)

.

Принимаем провод марки АС 400/51, Iдоп=825 А.

Проверка шин на схлестывание не производится, так как, согласно (9.23)

.

Проверяем провода по допустимому току, согласно (9.19)

.

Проверка на термическое действие тока КЗ не производится, так как шины выполнены голыми проводами на открытом воздухе.

По условию короны также не проверяются.

Окончательно принимаем выбранный тип шины к установке.

Выбор шин на стороне среднего напряжения

Сечение сборных шин выбирается по условию прохождения допустимого тока при максимальной нагрузке на шинах, согласно (9.11)

.

Принимаем провод марки АС 150/24, Iдоп=450 А (по таблице П3.3 [1]).

Проверка шин на схлестывание не производится, так как, согласно (9.23)

.

Проверка на термическое действие тока КЗ не производится, так как шины выполнены голыми проводами на открытом воздухе.

По условию короны также не проверяются.

Окончательно принимаем выбранный тип шины к установке.

Токоведущие части от выводов 110 кВ автотрансформатора до сборных шин выполняется гибкими проводами. Сечение выбираем по экономической плотности тока jЭК=1,0 А/мм2 (таблице 4.5 [1]), согласно (9.18)

.

Принимаем провод марки АС 400/51, Iдоп=825 А.

Проверка шин на схлестывание не производится, так как, согласно (9.23)

.

Проверяем провода по допустимому току, согласно (9.19)

.

Проверка на термическое действие тока КЗ не производится, так как шины выполнены голыми проводами на открытом воздухе.

По условию короны также не проверяются.

Окончательно принимаем выбранный тип шины к установке.

9.4   Выбор шин на стороне низшего напряжения

В закрытых РУ 6-10кВ ошиновку и сборные шины выполняют жесткими алюминиевыми шинами. Сечение сборных шин выбирается по условию прохождения допустимого тока при максимальной нагрузке на шинах, согласно (9.12)

.

С учетом больших токов на сборных шинах применяются шины коробчатого сечения, так как они обеспечивают меньшие потери, а также обладают лучшими условиями охлаждения. Предварительно принимаем шины коробчатого сечения алюминиевые 2 (55×6,5×10)  сечением S = 2×1370; Iдоп=4640 А по таблице П3.5 [1].

С учетом поправочного коэффициента на температуру для действительной температуры воздуха оС, согласно (9.20)

.

Выбранные шины должны удовлетворять условию, согласно (9.19)

Проверку сборных шин на термическую стойкость.

Так как тепловой импульс тока КЗ , то минимальное сечение по условию термической стойкости, согласно (9.21)

.

Что меньше выбранного сечения S = 2×1370, следовательно, шины термически стойкие; С принимаем по таблице 3.14 [1]

Окончательно принимаем выбранный тип шины к установке.

9.5 Выбор трансформаторов тока

Трансформатор тока (ТТ) для питания измерительных приборов выбирают по номинальным первичному и вторичному токам. В режиме КЗ необходимо проверить ТТ на динамическую и термическую стойкость.

Условия выбора ТТ.

Номинальное напряжение:

 

UустUном. (9.24)

Номинальный первичный ток:

 

Iраб.махI1ном. (9.25)

Проверка ТТ по динамической стойкости:

 или , (9.26)

где  - кратность электродинамической стойкости;

 - номинальный первичный ток ТТ.

Проверка ТТ по термической стойкости:

 или  (9.27)

где  - кратность термической стойкости.

Выбор трансформатора тока на стороне высшего напряжения

Напряжение установки Uуст.=220 кВ.

Максимальный рабочий ток, согласно (9.10)

Iраб.мах=382 А.

Предварительно по таблице 31.10 [3] принимаем ТТ типа ТФЗМ-220Б-У1 со следующими номинальными параметрами:

номинальный первичный ток I1 = 300 - 600 А;

номинальный вторичный ток I2 = 5 А;

ток динамической стойкости iдин=50 кА;

ток термической стойкости Iт=19,6 кА;

время термической стойкости tт=3 с.

Проверка по динамической стойкости, согласно (9.26)

Проверка по термической стойкости, согласно (9.27)

              

Окончательно принимаем выбранный ТТ к установке.

Выбор трансформатора на стороне среднего напряжения

Напряжение установки Uуст.=110 кВ.

Максимальный рабочий ток, согласно (9.11)

Iраб.мах=390 А.

Предварительно по таблице 31.10 [3] принимаем ТТ типа ТФЗМ-110-У1 со следующими номинальными параметрами:

номинальный первичный ток I1 = 400 - 800 А;

номинальный вторичный ток I2 = 5 А;

ток динамической стойкости iдин = 62 кА;

ток термической стойкости Iт = 14 кА.

время термической стойкости tт=3 с.

Проверка по динамической стойкости, согласно (9.26)

.

Проверка по термической стойкости, согласно (9.27)

.      

Окончательно принимаем выбранный ТТ к установке.

Выбор трансформатора тока на стороне низшего напряжения

Напряжение установки Uуст.=10 кВ.

Максимальный рабочий ток, согласно (9.12)

Iраб.max = 3880 А.

Предварительно по таблице 31.9 [3] принимаем ТТ типа ТПШЛ-10У3 со следующими номинальными параметрами:

номинальный первичный ток I1 = 4000 - 5000 А;

номинальный вторичный ток I2 = 5 А;

кратность электродинамической стойкости ;

кратность термической стойкости.

время термической стойкости tт=3 с.

Проверка ТТ по динамической стойкости, согласно (9.26)

.

Проверка ТТ по термической стойкости, согласно (9.27)

.

Окончательно принимаем выбранный ТТ к установке.

9.6 Выбор трансформаторов напряжения

Условия выбора трансформаторов напряжения (ТН) для питания электроизмерительных приборов.

По номинальному напряжению:

 

U2U2ном. (9.28)

По нагрузке вторичной цепи:

 

S2∑S2ном, (9.29)

где S2ном - номинальная мощность в выбранном классе точности;

S2∑ - нагрузка всех измерительных приборов и реле, присоединенных к трансформатору напряжения.

Выбор трансформатора на стороне высшего напряжения

На стороне ВН устанавливаются один вольтметр с переключением для измерения фазного напряжения и три вольтметра для измерения междуфазного напряжения.

Принимаем к установке вольтметры типа Э-335, его параметры:

мощность одной катушки P=2,0 Вт;

число кашек: 1;

число приборов: 4;

класс точности: 1,0.

Таким образом S2å=8 В·А.

Проверка по нагрузке вторичной цепи, согласно (9.29)

S2å =8 В·А < S2НОМ = 400 В·А.

ТН для установки на стороне ВН по таблице 31.13 [3] принимаем марки НКФ-220-58, S2ном= 400 В·А.

Сечение соединительного кабеля выбирается из условия механической прочности. Принимаем к установке кабель марки АКВРГ, сечение 2,5 мм2.

Выбор трансформатора напряжения на стороне среднего напряжения

На стороне СН к вторичным обмоткам ТН присоединяются один вольтметр с переключением для измерения фазного напряжения и три вольтметра для измерения междуфазного напряжения, катушки напряжения ваттметров, катушки счетчиков активной и реактивной мощности. Перечень приборов и их характеристики даны в таблице 2.

Таблица 2 - Перечень приборов

Прибор

Тип

Мощность катушки, Вт

Число катушек

Число приборов

Р, Вт

Q, Вар

Вольтметр

Э-335

2,0

1

4

8,0

-

Варметр

Д-345

1,0

2

1

2,0

-

Ваттметр

Д-345

1,0

2

1

2,0

-

И-680

2,0

2

1

4,0

9,7

Счётчик реактивной энергии

И-673

3,0

2

1

6,0

14,5

Итог





22

24,2


Вторичная нагрузка

, (9.30)

.

Проверка по нагрузке вторичной цепи, согласно (9.29)

S2å =32,71 В·А < S2НОМ = 400 В·А.

На стороне СН по таблице 31.13 [3] принимаем трансформатор напряжения марки НКФ-110-58, S2ном=400 ВА.

Принимаем к установке соединительный кабель марки АКВРГ сечением 2,5 мм2.

Выбор трансформатора напряжения на стороне низшего напряжения

На стороне НН к вторичным обмоткам ТН присоединяются один вольтметр с переключением для измерения фазного напряжения и три вольтметра для измерения междуфазного напряжения, катушки напряжения ваттметров, катушки счетчиков активной и реактивной мощности. Перечень приборов и их характеристики даны в таблице 3.

Таблица 3 - Перечень приборов

Прибор

Тип

Мощность катушки В×А

Число катушек

Число приборов

Р, Вт

Q, Вар

Вольтметр

Э-335

2,0

1

4

8,0

-

Варметр

Д-345

1,0

2

1

2,0

-

Ваттметр

Д-345

1,0

2

1

2,0

-

Счётчик активной энергии

И-680

2,0

2

1

4,0

9,7

Счётчик реактивной энергии

И-673

3,0

2

1

6,0

14,5

Итог





22

24,2


Вторичная нагрузка, согласно (9.30)

.

Проверка по нагрузке вторичной цепи, согласно (9.29)

S2å =32,71 В·А < S2НОМ = 75 В·А

На стороне НН по таблице 31.13 [3] принимаем ТН марки НОМ-10-66, S2ном=75 В·А.

Принимаем к установке соединительный кабель марки АКВРГ сечением 2.5 мм2.

Проектируемая нами подстанция должна удовлетворять всем современным требованиям. При проектирование были использовано новое оборудование, улучшающее эксплуатацию подстанции техническому персоналу.

Литература

1 Электрооборудование станции и подстанций: учебное пособие для вузов /Л.Д. Рожкова, В.С. Козулин - 3-е изд., перераб. и доп., - М: Энергоатомиздат 1987.-648 с.

2 Электрическая часть станции и подстанций; Справочные материалы, Учебное пособие для электрических специальностей вузов/ Крючков И.П., Кувшинский Н.Н., Неклепаев Б.Н. Под ред. Неклепаева Б.Н., 3-е изд. Перераб. и доп., - М: Энергия, 1978 - 456 с.

3 Справочник по электроснабжению и электрооборудованию: в 2т. / Под общ. ред. А.А. Федорова. Т.2. Электрооборудование. - М: Энергоатомиздат, 1987. - 592 с.

 Ресурсы сайта www.diarost.ru. ЗАО «Диарост». Прейскурант цен на трансформаторы.

5 Торговая система http://www.b2b-energo.ru/market. Прейскурант цен на ячейки ОРУ.

Электрическая часть станции и подстанций: Учебное пособие для вузов/ Под ред., А.А. Васильева, 2-е изд., перераб. и доп., - М: Энергоатомиздат 1990 г.

Ресурсы сайта www.info.garmony.ru ООО «ПФК Гармония» Технические характеристики элегазовых выключателей.

. Ресурсы сайта www.rzva.ru. ЗАО «Высоковольтный союз». Технические характеристики вакуумных выключателей для цепей НН.

Правила устройства электроустановок - 6-е издание переработано и доп. - М: Энергоатомиздат 1998 г.

Похожие работы на - Проектирование подстанции системы электроснабжения города

 

Не нашли материал для своей работы?
Поможем написать уникальную работу
Без плагиата!
Без нейросетей!