Расчет тупиковой подстанции для электроснабжения нового микрорайона
Факультет Техники и современных
технологий Кафедра Энергетики
Уровень образования Бакалавриат
Направление Электроэнергетика
Профиль Электроэнергетические системы
и сети
ВЫПУСКНАЯ КВАЛИФИКАЦИОННАЯ РАБОТА
на тему
«Расчет тупиковой подстанции для электроснабжения
нового микрорайона»
Москва 2015 г.
ВВЕДЕНИЕ
Актуальность работы состоит в том, что в связи со строительством новых
жилых микрорайонов в городах увеличивается и потребление электрической энергии.
В настоящее время многие существующие подстанции очень сильно устарели или же
их мощности не хватает для питания всех потребителей. Чтобы устранить эту
проблему необходимо строить новые подстанции с возможностью их дальнейшего
расширения, реконструировать и модернизировать уже имеющиеся подстанции.
Одной из особенностей при проектировании понизительной подстанций
является закладывание запаса мощности при выборе оборудования. Это необходимо в
связи с тем, что населенные пункты, предприятия со временем расширяются и если
данный запас не предусмотреть при проектировании, то существует вероятность,
что через несколько лет после строительства подстанции будет необходима ее
реконструкция.
Практическая значимость состоит в возможности использования результатов
расчета на реальной подстанции Московской области.
Объектом исследования данной выпускной квалификационной работы выступает
г. Видное Московской области, в котором для электроснабжения новых строящихся
микрорайонов необходимо разработать проект новой тупиковой подстанции 110/10
кВ.
Предметом исследования выступает тупиковая подстанция, а также
технико-экономические показатели, связанные с проектированием и строительством
подстанции.
Цель работы - проектирование тупиковой подстанции 110/10 кВ, выбор всего
необходимого оборудования с учетом различных режимов работы.
Задачи работы состоят в следующем:
1) Проанализировать
характеристики потребителей;
2) Выбрать схему электрических соединений подстанции, основное оборудование
(включая силовые трансформаторы и трансформаторы собственных нужд и токоведущие
части;
3) Рассчитать релейную защиту и автоматику подстанции;
4) Определить конструкцию РУ, компоновку сооружений на площадке подстанции;
5) Рассмотреть вопросы технико-экономического обоснования.
Результатом работы будет являться готовый проект понизительной тупиковой
подстанции 110/10 кВ.
Работа состоит из трех глав, включающих в себя описание текущего
состояние энергетики Московской области, выбора основного электрооборудования и
главной схемы электрических соединений подстанции, а также технико-экономическое
обоснование строительства подстанции.
Авторы, в научных произведениях которых рассматривалась проблема
исследования: И. И. Артюхов, В. Д. Куликов, В. В. Тютьманова, Б. Н. Неклепаев,
Л. Д. Рожкова, В. С. Козулин.
1. ТЕОРЕТИЧЕСКИЕ АСПЕКТЫ ПРОЕКТИРОВАНИЯ
трансформатор нагрузка короткий замыкание
1.1 Современное состояние
энергетики Московской области
ОАО «Мосэнерго» - самая крупная из региональных генерирующих компаний
Российской Федерации и технологически неотъемлемая часть Единой энергетической
системы России. Компания - один из крупнейших производителей тепла в мире.
В составе ОАО «Мосэнерго» работают 15 электростанций (а именно ГЭС-1 им.
П.Г. Смидовича, ТЭЦ-8, ТЭЦ-9, ТЭЦ-11 им. М.Я. Уфаева, ТЭЦ-12, ТЭЦ-16, ТЭЦ-20,
ТЭЦ-21, ТЭЦ-23, ТЭЦ-25, ТЭЦ-26, расположенные на территории г. Москвы, ГРЭС-3
им. Р.Э. Классона, ТЭЦ-17, ТЭЦ-22, ТЭЦ-27 расположенные на территории
Московской области) установленной электрической мощностью 12,7 тыс. МВт.
Установленная тепловая мощность компании - 40,4 тыс. Гкал/ч. Электростанции ОАО
«Мосэнерго» поставляют свыше 60% электрической энергии, потребляемой в
Московском регионе, и обеспечивают более 70% потребностей Москвы в тепловой
энергии.
Техническое развитие - один из приоритетов деятельности компании. ОАО
«Мосэнерго» в числе первых в России приступило к масштабному строительству и
вводу генерирующих мощностей на основе технологии парогазового цикла,
позволяющей существенно повысить эффективность и улучшить экологические
показатели производства.
Акции ОАО «Мосэнерго» обращаются на Московской бирже. Общество регулярно
реализует мероприятия по повышению инвестиционной привлекательности и
капитализации компании.
ОАО «Мосэнерго» - информационно открытая компания, руководствующаяся в
своей деятельности принципами корпоративного управления, принятыми в
цивилизованном бизнесе.
Мосэнерго - это уникальный коллектив высоко профессиональных
специалистов, круглосуточно обеспечивающих теплом и светом жителей Москвы и
Московской области. Их опыт и знание современных технологий, высочайший уровень
ответственности, умение работать в сложных ситуациях делают будущее московской
генерации энергоэффективным.
ОАО «Мосэнерго» - лидер по объему введенных мощностей среди российских
генерирующих компаний. В 2007-2011 годах на ТЭЦ-21, ТЭЦ-26 и ТЭЦ-27 Мосэнерго
введены современные парогазовые энергоблоки суммарной мощностью свыше 1,7 тысяч
МВт. В 2014 году введены газотурбинная установка ГТУ-65 на ТЭЦ-9 и парогазовый
энергоблок ПГУ-420 на ТЭЦ-16 Мосэнерго. Преимущества блоков на базе ПГУ -
высокая эффективность и экономичность. Использование парогазового цикла
позволяет достичь существенной экономии газа, снизить выбросы вредных веществ в
атмосферу. В настоящее время Мосэнерго ведет строительство ПГУ-220 на ТЭЦ-12 и
ПГУ-420 на ТЭЦ-20, их ввод в эксплуатацию запланирован на 2015 год.
1.2 Анализ нагрузок, категории потребителей и
необходимой мощности
Проектируемая подстанция будет снабжать
электроэнергией новые жилые микрорайоны г. Видное. Жилые микрорайоны относятся
ко второй категории по надежности электроснабжения.
Для жилых микрорайонов типовой график нагрузки
задается следующими значениями (таблица 1.1 и 1.2)
Таблица 1.1 Параметры зимнего графика нагрузки жилого микрорайона
|
Час
|
0-1.
|
1-2.
|
2-3.
|
3-4.
|
4-5.
|
5-6.
|
6-7.
|
7-8.
|
8-9.
|
9-10.
|
10-11
|
11-12
|
|
ηi, %
|
60
|
50
|
40
|
40
|
45
|
55
|
70
|
80
|
85
|
70
|
50
|
45
|
|
Час
|
12-13
|
13-14
|
14-15
|
15-16
|
16-17
|
17-18
|
18-19
|
19-20
|
20-21
|
21-22
|
22-23
|
23-24
|
|
ηi, %
|
40
|
40
|
60
|
70
|
80
|
90
|
100
|
100
|
95
|
85
|
80
|
70
|
Рисунок 1.1 - Зимний график нагрузки жилого микрорайона
Таблица 1.2 Параметры летнего графика нагрузки жилого микрорайона
|
Час
|
0-1.
|
1-2.
|
2-3.
|
3-4.
|
4-5.
|
5-6.
|
6-7.
|
7-8.
|
8-9.
|
9-10.
|
10-11
|
11-12
|
|
ηi, %
|
55
|
40
|
25
|
25
|
25
|
40
|
45
|
65
|
70
|
65
|
45
|
45
|
|
Час
|
12-13
|
13-14
|
14-15
|
15-16
|
16-17
|
17-18
|
18-19
|
19-20
|
20-21
|
21-22
|
22-23
|
23-24
|
|
ηi, %
|
35
|
35
|
45
|
55
|
55
|
60
|
70
|
80
|
85
|
85
|
75
|
60
|
Рисунок 1.2 - Летний график нагрузки жилого микрорайона
При известной Pрасч. можно перевести типовой график в график нагрузки
заданного потребителя, используя соотношение для каждой ступени графика [8]:= ηi % · Ррасч. / 100 (МВА) (1.1)
где ηi %-
ордината соответствующей ступени типового графика, в %.расч - расчетная
мощность предприятия, МВт. Суточные графики нагрузки жилых микрорайонов по
сезонам (зима, лето), представлены в таблицах 1.1-1.6. Графики нагрузок для
всех микрорайонов аналогичны графикам, представленным на рисунках 1.1 и 1.2.
Таблица 1.1 Расчет зимнего графика нагрузки микрорайонов 1, 2 и 4
|
Час
|
0-1.
|
1-2.
|
2-3.
|
3-4.
|
4-5.
|
5-6.
|
6-7.
|
7-8.
|
8-9.
|
9-10.
|
10-11
|
11-12
|
|
ηi, %
|
60
|
50
|
40
|
40
|
45
|
55
|
70
|
80
|
85
|
70
|
50
|
45
|
|
Pi
|
2,4
|
2
|
1,6
|
1,6
|
1,8
|
2,2
|
2,8
|
3,2
|
3,4
|
2,8
|
2
|
1,8
|
|
Час
|
12-13
|
13-14
|
14-15
|
15-16
|
16-17
|
17-18
|
18-19
|
19-20
|
20-21
|
21-22
|
22-23
|
23-24
|
|
ηi, %
|
40
|
40
|
60
|
70
|
80
|
90
|
100
|
100
|
95
|
85
|
80
|
70
|
|
Pi
|
1,6
|
1,6
|
2,4
|
2,8
|
3,2
|
3,6
|
4
|
4
|
3,8
|
3,4
|
3,2
|
2,8
|
Таблица 1.2 Расчет летнего графика нагрузки микрорайонов 1, 2 и 4
|
Час
|
0-1.
|
1-2.
|
2-3.
|
3-4.
|
4-5.
|
5-6.
|
6-7.
|
7-8.
|
8-9.
|
9-10.
|
10-11
|
11-12
|
|
ηi, %
|
55
|
40
|
25
|
25
|
25
|
40
|
45
|
65
|
70
|
65
|
45
|
45
|
|
Pi
|
1,6
|
1
|
1
|
1
|
1,6
|
1,8
|
2,6
|
2,8
|
2,6
|
1,8
|
1,8
|
1,6
|
|
Час
|
12-13
|
13-14
|
14-15
|
15-16
|
16-17
|
17-18
|
18-19
|
19-20
|
20-21
|
21-22
|
22-23
|
23-24
|
|
ηi, %
|
35
|
35
|
45
|
55
|
55
|
60
|
70
|
80
|
85
|
85
|
75
|
60
|
|
Pi
|
1,4
|
1,8
|
2,2
|
2,2
|
2,4
|
2,8
|
3,2
|
3,4
|
3,4
|
3
|
2,4
|
1,4
|
Таблица 1.3 Расчет зимнего графика нагрузки микрорайонов 3 и 6
|
Час
|
0-1.
|
1-2.
|
2-3.
|
3-4.
|
4-5.
|
5-6.
|
6-7.
|
7-8.
|
8-9.
|
9-10.
|
10-11
|
11-12
|
|
ηi, %
|
60
|
50
|
40
|
40
|
45
|
55
|
70
|
80
|
85
|
70
|
50
|
45
|
|
Pi
|
2,2
|
1,6
|
1
|
1
|
1
|
1,6
|
1,8
|
2,6
|
2,8
|
2,6
|
1,8
|
1,8
|
|
Час
|
12-13
|
13-14
|
15-16
|
16-17
|
17-18
|
18-19
|
19-20
|
20-21
|
21-22
|
22-23
|
23-24
|
|
ηi, %
|
40
|
40
|
60
|
70
|
80
|
90
|
100
|
100
|
95
|
85
|
80
|
70
|
|
Pi
|
1,4
|
1,4
|
1,8
|
2,2
|
2,2
|
2,4
|
2,8
|
3,2
|
3,4
|
3,4
|
3
|
2,4
|
Таблица 1.4 Расчет летнего графика нагрузки микрорайонов 3 и 6
|
Час
|
0-1.
|
1-2.
|
2-3.
|
3-4.
|
4-5.
|
5-6.
|
6-7.
|
7-8.
|
8-9.
|
9-10.
|
10-11
|
11-12
|
|
ηi, %
|
55
|
40
|
25
|
25
|
25
|
40
|
45
|
65
|
70
|
65
|
45
|
45
|
|
Pi
|
1,65
|
1,2
|
0,75
|
0,75
|
0,75
|
1,2
|
1,35
|
1,95
|
2,1
|
1,95
|
1,35
|
1,35
|
|
Час
|
12-13
|
13-14
|
14-15
|
15-16
|
16-17
|
17-18
|
18-19
|
19-20
|
20-21
|
21-22
|
22-23
|
23-24
|
|
ηi, %
|
35
|
35
|
45
|
55
|
55
|
60
|
70
|
80
|
85
|
85
|
75
|
60
|
|
Pi
|
1,05
|
1,05
|
1,35
|
1,65
|
1,65
|
1,8
|
2,1
|
2,4
|
2,55
|
2,55
|
2,25
|
1,8
|
Таблица 1.5 Расчет зимнего графика нагрузки микрорайона 5
|
Час
|
0-1.
|
1-2.
|
2-3.
|
3-4.
|
4-5.
|
5-6.
|
6-7.
|
7-8.
|
8-9.
|
9-10.
|
10-11
|
11-12
|
|
ηi, %
|
60
|
50
|
40
|
40
|
45
|
55
|
70
|
80
|
85
|
70
|
50
|
45
|
|
Pi
|
3
|
2,5
|
2
|
2
|
2,25
|
2,75
|
3,5
|
4
|
4,25
|
3,5
|
2,5
|
2,25
|
|
Час
|
12-13
|
13-14
|
14-15
|
15-16
|
16-17
|
17-18
|
18-19
|
19-20
|
20-21
|
21-22
|
22-23
|
23-24
|
|
ηi, %
|
40
|
40
|
60
|
70
|
80
|
90
|
100
|
100
|
95
|
85
|
80
|
70
|
|
Pi
|
2
|
2
|
3
|
3,5
|
4
|
4,5
|
5
|
5
|
4,75
|
4,25
|
4
|
3,5
|
Таблица 1.6 Расчет летнего графика нагрузки микрорайона 5
|
Час
|
0-1.
|
1-2.
|
2-3.
|
3-4.
|
4-5.
|
5-6.
|
6-7.
|
7-8.
|
8-9.
|
9-10.
|
10-11
|
11-12
|
|
ηi, %
|
55
|
40
|
25
|
25
|
25
|
40
|
45
|
65
|
70
|
65
|
45
|
45
|
|
Pi
|
2,75
|
2
|
1,25
|
1,25
|
1,25
|
2
|
2,25
|
3,25
|
3,5
|
3,25
|
2,25
|
2,25
|
|
Час
|
12-13
|
13-14
|
14-15
|
15-16
|
16-17
|
17-18
|
18-19
|
19-20
|
20-21
|
21-22
|
22-23
|
23-24
|
|
ηi, %
|
35
|
35
|
45
|
55
|
55
|
60
|
70
|
80
|
85
|
85
|
75
|
60
|
|
Pi
|
1,75
|
1,75
|
2,25
|
2,75
|
2,75
|
3
|
3,5
|
4
|
4,25
|
4,25
|
3,75
|
3
|
Суммарный график нагрузок потребителей определяется с учетом потерь
мощности на тупиковой понизительной подстанции.
Суммируя значения мощностей iх-ступеней графиков нагрузки всех
потребителей и потери мощности на подстанции для каждой ступени, получают
суммарный (совмещенный) график нагрузки подстанции для сезонов (зима, лето)
согласно выражения:
Σ пс(i)=P(i) + Δ Pпост. + Δ Pпер.+ ΔPс.н. МВА (1.2)
где P(i) - суммарная мощность всех предприятиями i-ступени;
Δ Pпост. - постоянные потери, которые
составляют 1% от Pmax,
где Pmax - максимальное значение активной мощности i-ступени совмещенного
графика, Pmax = 23,0 МВт [8,13];
Δ Pпост.=0,01 Pmax (1.3)
Δ Pпост.=0,01 · 23 = 0,23 МВА;
ΔPс.н. - потери на собственные нужды,
составляют 0,5% от Pmax
ΔPс.н.= 0,005 Pmax (1.4)
ΔPс.н.= 0,005 · 23 = 0,1, МВА,
Δ Pпер - переменные потери, зависящие
от значения мощности каждой ступени и вычисляются по формуле [8,13]:
Δ Pпер = P (i)2 / 10 ∙ Pmax, МВА (1.5)
Расчет суммарных графиков нагрузки потребителей (зима, лето) на шинах
подстанции сведен в таблицы 1.7 - 1.8.
Таблица 1.7 Суммарный зимний график нагрузки подстанции
|
Час
|
0-1.
|
1-2.
|
2-3.
|
3-4.
|
4-5.
|
5-6.
|
6-7.
|
7-8.
|
8-9.
|
9-10.
|
10-11
|
11-12
|
|
Pi
|
13,8
|
11,5
|
9,2
|
9,2
|
10,4
|
12,7
|
16,1
|
18,4
|
19,6
|
16,1
|
11,5
|
10,4
|
|
ΔРпост
|
0,23
|
|
ΔРс.н.
|
0,12
|
|
ΔРпер
|
0,8
|
0,6
|
0,4
|
0,4
|
0,5
|
0,7
|
1,1
|
1,5
|
1,7
|
1,1
|
0,6
|
0,5
|
|
PΣпсi
|
15,0
|
12,4
|
9,9
|
9,9
|
11,2
|
13,7
|
17,6
|
20,2
|
21,6
|
17,6
|
12,4
|
11,2
|
|
Час
|
12-13
|
13-14
|
14-15
|
15-16
|
16-17
|
17-18
|
19-20
|
20-21
|
21-22
|
22-23
|
23-24
|
|
Pi
|
9,2
|
9,2
|
13,8
|
16,1
|
18,4
|
20,7
|
23,0
|
23,0
|
21,9
|
19,6
|
18,4
|
16,1
|
|
ΔРпост
|
0,23
|
|
ΔРс.н.
|
0,12
|
|
ΔРпер
|
0,4
|
0,4
|
0,8
|
1,1
|
1,5
|
1,9
|
2,3
|
2,3
|
2,1
|
1,7
|
1,5
|
1,1
|
|
PΣпсi
|
9,9
|
9,9
|
15,0
|
17,6
|
20,2
|
22,9
|
25,7
|
25,7
|
24,3
|
21,6
|
20,2
|
17,6
|
Таблица 1.8 Суммарный летний график нагрузки подстанции
|
Час
|
0-1.
|
1-2.
|
2-3.
|
3-4.
|
4-5.
|
5-6.
|
6-7.
|
7-8.
|
8-9.
|
9-10.
|
10-11
|
11-12
|
|
Pi
|
12,7
|
9,2
|
5,8
|
5,8
|
5,8
|
9,2
|
10,4
|
15,0
|
16,1
|
15,0
|
10,4
|
10,4
|
|
ΔРпост
|
0,22
|
|
ΔРс.н.
|
0,11
|
|
ΔРпер
|
0,7
|
0,4
|
0,2
|
0,2
|
0,2
|
0,4
|
0,5
|
1,0
|
1,2
|
1,0
|
0,5
|
0,5
|
|
PΣпсi
|
13,7
|
9,9
|
6,2
|
6,2
|
6,2
|
9,9
|
11,2
|
16,3
|
17,6
|
16,3
|
11,2
|
11,2
|
|
Час
|
12-13
|
13-14
|
14-15
|
15-16
|
16-17
|
17-18
|
18-19
|
19-20
|
20-21
|
21-22
|
22-23
|
23-24
|
|
Pi
|
8,1
|
8,1
|
10,4
|
12,7
|
12,7
|
13,8
|
16,1
|
18,4
|
19,6
|
19,6
|
17,3
|
13,8
|
|
ΔРпост
|
0,22
|
|
ΔРс.н.
|
0,11
|
|
ΔРпер
|
0,3
|
0,3
|
0,5
|
0,7
|
0,7
|
0,9
|
1,2
|
1,6
|
1,8
|
1,8
|
1,4
|
0,9
|
|
PΣпсi
|
8,7
|
8,7
|
11,2
|
13,7
|
13,7
|
15,0
|
17,6
|
20,3
|
21,6
|
21,6
|
18,9
|
15,0
|
По результатам конечной суммы PΣпс(i) таблиц 1.7 - 1.8 для сезонов
года (зима, лето) строятся графики суммарной (совмещенной) нагрузки подстанции
с учетом потерь (рисунки 1.3 и 1.4).
Рисунок 21.3 - Зимний график суммарной (совмещенной) нагрузки подстанции
с учетом потерь
Рисунок 1.4 - Летний график суммарной (совмещенной) нагрузки подстанции с
учетом потерь
Построение графика полной мощности подстанции необходимо для выбора и
проверки на перегрузочную способность силовых трансформаторов на понизительной
подстанции.
Произведем расчет средневзвешенного коэффициента мощности нагрузки для
каждой ступени графика нагрузки - tg φсв (i) по [10]:
φсв(i) = P1(i) · tg φ1 + P2(i) · tg φ2 +…./ Σ P1-n(i) (1.6)
Затем вычисляем полную мощность с учетом выше найденных средневзвешенных
коэффициентов для каждого часа графика полной мощности подстанции по [10]:
(1.7)
где
PΣ(i) - сумма активных мощностей i-ой ступени графика
полной мощности подстанции.
Результаты расчетов сведены в таблицы 1.9 и 1.10.
Таблица 1.9 Полная мощность подстанции в зимний период
|
Час
|
0-1
|
1-2
|
2-3
|
3-4
|
4-5
|
5-6
|
6-7
|
7-8
|
8-9
|
9-10
|
10-11
|
11-12
|
|
tgφcвi
|
0,54
|
0,54
|
0,54
|
0,54
|
0,54
|
0,54
|
0,54
|
0,54
|
0,54
|
0,54
|
0,54
|
0,54
|
|
PΣпсi
|
15,0
|
12,4
|
9,9
|
9,9
|
11,2
|
13,7
|
17,6
|
20,2
|
21,6
|
17,6
|
12,4
|
11,2
|
|
S(i)
|
17,0
|
14,1
|
11,3
|
11,3
|
12,7
|
15,6
|
20,0
|
23,0
|
24,5
|
20,0
|
14,1
|
12,7
|
|
Час
|
12-13
|
13-14
|
14-15
|
15-16
|
16-17
|
17-18
|
18-19
|
19-20
|
20-21
|
21-22
|
22-23
|
23-24
|
|
tgφcвi
|
0,54
|
0,54
|
0,54
|
0,54
|
0,54
|
0,54
|
0,54
|
0,54
|
0,54
|
0,54
|
0,54
|
0,54
|
|
PΣпсi
|
9,9
|
9,9
|
15,0
|
17,6
|
20,2
|
22,9
|
25,7
|
25,7
|
24,3
|
21,6
|
20,2
|
17,6
|
|
S(i)
|
11,3
|
11,3
|
17,0
|
20,0
|
23,0
|
26,1
|
29,2
|
29,2
|
27,6
|
24,5
|
23,0
|
20,0
|
Таблица 1.10 Полная мощность подстанции в летний период
|
Час
|
0-1
|
1-2
|
2-3
|
3-4
|
4-5
|
5-6
|
6-7
|
7-8
|
8-9
|
9-10
|
10-11
|
11-12
|
|
tgφcвi
|
0,54
|
0,54
|
0,54
|
0,54
|
0,54
|
0,54
|
0,54
|
0,54
|
0,54
|
0,54
|
0,54
|
0,54
|
|
PΣпсi
|
13,7
|
9,9
|
6,2
|
6,2
|
6,2
|
9,9
|
11,2
|
16,3
|
17,6
|
16,3
|
11,2
|
11,2
|
|
S(i)
|
15,6
|
11,3
|
7,1
|
7,1
|
7,1
|
11,3
|
12,7
|
18,5
|
20,0
|
18,5
|
12,7
|
12,7
|
|
Час
|
12-13
|
13-14
|
14-15
|
15-16
|
16-17
|
17-18
|
18-19
|
19-20
|
20-21
|
21-22
|
22-23
|
23-24
|
|
tgφcвi
|
0,54
|
0,54
|
0,54
|
0,54
|
0,54
|
0,54
|
0,54
|
0,54
|
0,54
|
0,54
|
0,54
|
|
PΣпсi
|
8,7
|
8,7
|
11,2
|
13,7
|
13,7
|
15,0
|
17,6
|
20,3
|
21,6
|
21,6
|
18,9
|
15,0
|
|
S(i)
|
9,9
|
9,9
|
12,7
|
15,6
|
15,6
|
17,1
|
20,0
|
23,1
|
24,6
|
24,6
|
21,5
|
17,1
|
По полученным значениям мощностей S(i) строятся графики полной мощности
подстанции (рисунки 1.5 и 1.6).
Рисунок 1.5 - Зимний график полной мощности подстанции
Рисунок 1.6 - Летний график полной мощности подстанции
Для жилых микрорайонов продолжительность использования максимальной
нагрузки равна Tmax = 6000 часов.
Данная величина показывает, сколько часов за рассматриваемый период
установка должна была бы работать с неизменной максимальной нагрузкой, чтобы
отпустить с шин подстанции действительное количество электрической энергии Wп
за этот период времени.
Время максимальных потерь:
Выводы по разделу 1
Подводя
итог вышесказанному, следует заметить, что Московская область с прилегающими
акваториями имеет огромный природно-ресурсный потенциал.
ГЛАВА 2. ПРАКТИЧЕСКАЯ ЧАСТЬ
2.1 Выбор силовых
трансформаторов
Число силовых трансформаторов, которые устанавливаются на понизительных
подстанциях всех категорий принимается, как правило, не более двух. При
установке 2-х трансформаторов и отсутствия резервирования по сетям низшего
напряжения мощность каждого из них выбирается с учетом загрузки трансформатора
не более 70% от суммарной максимальной нагрузки подстанции в номинальном
режиме.
Мощность силового трансформатора на понизительной подстанции должна быть
такой, чтобы при выходе из работы одного из них второй воспринял основную
нагрузку подстанции с учетом допускаемой перегрузки в послеаварийном режиме и
возможного временного отключения потребителей третьей категории. В соответствии
с существующей практикой проектирования мощность трансформаторов на подстанции
рекомендуется выбирать из условия допустимой перегрузки в послеаварийных
режимах до 40% на время максимума по условию [2,7]:
н.тр. ≥ Smax / 1,4 (2.1)
где Smax - максимальная расчетная мощность подстанции по расчету раздела
1.5н.тр. ≥ 29,2 / 1,4 = 20,9 МВА,
Принимаем трансформатор ТРДН-25000/110/10. Технические характеристики
трансформаторов сводим в таблицу 2.1 [11,13]
Таблица 2.1
Технические характеристики трансформаторов ТРДН-25000/110/10
|
Номинальная мощность Sнт,
(МВА)
|
25
|
|
Номинальное напряжение на
стороне ВН UВН, кВ
|
110
|
|
Номинальное напряжение на
стороне НН UНН, кВ
|
10,5
|
|
Напряжение КЗ (ВН-НН) Uк,
%
|
10,5
|
|
Ток ХХ ix, %
|
0,75
|
|
Потери КЗ ΔРк, кВт
|
121
|
|
Потери ХХ ΔРх, кВт
|
31,5
|
.2 Выбор главной схемы
электрических соединений подстанции
В общем виде принципиальная схема понизительной районной подстанции
представлена на рисунке 2.1. Распределительное устройство (РУ) высокого
напряжения (ВН) выполнено по схеме «Два блока с выключателями и
неавтоматической перемычкой со стороны линии»; РУ низкого напряжения (НН) - по
схеме «Две, секционированные выключателем, системы шин».
Q1…Q19 - выключатели; QS1… QS8 - разъединители; W1, W2 - питающие линии, W3… W14 - отходящие линии; Т1, Т1 - силовые трансформаторы; QB1, QB2 - секционные выключатели
Рисунок 2.1 - Главная схема электрических соединений подстанции
Принцип работы подстанции, представленной на рисунке 1.1, вкратце можно
описать следующим образом:
в нормальном режиме выключатели Q1, Q2, Q3, Q4, Q5 и Q6 включены. Ремонтная перемычка разомкнута разъединителями QS3 и QS2 и выключателем Q19. Разъединители QS1, QS4, QS5, QS6, QS7, QS8 замкнуты. Питание потребителей осуществляется по двумя
высоковольтными линиями W1 и W2 через выключатели и разъединители,
а затем через трансформаторы;
при выводе в ремонт линии W1(W2) или ее повреждении отключаются
выключатель Q1, Q3 и Q4 (Q2, Q5 и Q6) и
трансформатор Т1 (Т2) на некоторое время остается без питания, при этом на
стороне низшего напряжения действием устройств автоматического включения
резервного питания (АВР), будут включены секционные выключатели QB1 и QB2 и электроснабжение потребителей не нарушиться;
при повреждении трансформатора Т1 (Т2) газовая защита, дифференциальная
защита или максимально токовая защита отключает выключатели на низшей стороне Q3 и Q4 (Q5 и Q6) трансформатора и на высшей стороне
Q1 (Q2). После этого на стороне низшего напряжения действием АВР
будет включен секционный выключатель и электроснабжение потребителей не
нарушится.
Следует отметить, что недостатком представленной схемы является тот факт,
что при аварии в линии автоматически отключается поврежденная линия и
трансформатор.
2.3 Выбор марки и сечения проводов линий
высокого и низкого напряжения
В ЛЭП напряжением 10-110 кВ принимаем провод сталеалюминевый АС [2].
Сечения проводов ЛЭП в нормальном режиме определяем из экономической плотности
тока [2,12]. Экономическое сечение проводника линии определяется по формуле
[12]
(2.2)
где
Imax - максимальный ток нормального рабочего режимаэк. - экономическая
плотность тока, зависящая от материала проводника и Tmax [2,11]. Для
неизолированных проводов при Tmax > 5000 jэк. = 1,0 А/мм2.
Максимальный
ток нормального рабочего режима определяем по формуле:
(2.3)
где
Smax - максимальная расчетная мощность линии, МВАНОМ - напряжение воздушной
линии, кВ.количество цепей воздушной линии.
По
величине экономического сечения принимаем ближайшее стандартное сечение
проводника [9,11,13].
Выбранное
сечение должно удовлетворять условию нагрева [2]:
≤
Iдоп (2.4)
где
Iдоп - длительно допустимый ток провода по [9,11,13].
Результаты
выбора сечений проводов сводим в таблицу 2.2.
Таблица
2.2 Результаты выбора ВЛ-110 кВ и ВЛ-10 кВ
|
Назначение
|
Smax, (МВА)
|
Imax, (A)
|
Fэк, (мм2)
|
Провод
|
Iдоп, (А)
|
|
Питающая ВЛ - 110 кВ
|
29,2
|
73
|
73
|
АС-95/16
|
330
|
|
Микрорайон 1
|
4/0,78
|
141
|
141
|
АС-150/24
|
450
|
|
Микрорайон 2
|
4/0,76
|
145
|
145
|
АС-150/24
|
450
|
|
Микрорайон 3
|
3/0,95
|
87
|
87
|
АС-95/16
|
330
|
|
Микрорайон 4
|
4/0,93
|
118
|
118
|
АС-120/19
|
375
|
|
Микрорайон 5
|
5/0,91
|
151
|
151
|
АС-150/24
|
450
|
|
Микрорайон 6
|
3/0,95
|
87
|
87
|
АС-95/16
|
330
|
Проверим провода питающей линии 110 кВ по условиям короны.
Правильный выбор сечения проводника обеспечивает снижение действия короны
до допустимых значений. Провода не будут коронировать если максимальная
напряженность поля у поверхности любого провода будет не более 0,9 Ео [6,8] то
есть Еmax ≤ 0,9 Ео кВ/см - при расположении проводов в треугольник
Максимальная напряженность поля у поверхности нерасщепленного провода:
(2.5)
где
U - линейное напряжение, кВ,о - радиус провода, см,ср. - среднее геометрическое
расстояние между проводами фаз, см;
кВ/см.
Начальное
значение критической напряженности электрического поля:
(2.6)
где m - коэффициент, который учитывает шероховатость поверхности провода,
принимаем m=0,82
кВ/см.
,9
∙ Ео = 0,9 ∙ 27,7 = 24,9 кВ/см ≥ Еmax = 3,5 кВ/см.
Выбранный провод проходит по условию короны.
2.4 Расчет токов короткого
замыкания
Основная причина аварийных режимов в электрических установках - это
трехфазные, двухфазные, двухфазные на землю и однофазные короткие замыкания.
Расчеты аварийных режимов при проектировании электроустановки нужны для
выбора аппаратуры подстанции и проверки токоведущих частей на их термическую и
электродинамическую стойкость, и кроме того для расчета релейной защиты и
заземляющих устройств.
Все элементы сети необходимо представить схемами замещения. На данных
схемах приводим активные и индуктивные сопротивления элементов, по которым
могут протекать токи КЗ.
Схема замещения для нашего варианта сети представлена на рисунке 2.11
Рисунок 2.2 - Схема замещения для расчета токов КЗ
На рисунке 2.2: Хс, Xл, Xт - индуктивные сопротивления системы, ВЛ-110
кВ, силовых трансформаторов.л, Rт - активные сопротивления ВЛ-110 кВ, силовых
трансформаторов.- количество цепей ВЛ-110 кВ, трансформаторов на подстанции.
Расчет токов КЗ выполняем в системе именованных единиц [4,7].
Расчет сопротивлений схем замещения системы, ВЛ-110 кВ, трансформаторов.
При КЗ на шинах ВН подстанции (точка К1) индуктивное сопротивление системы
определяется по выражению [4,5,6,7]:
(2.7)
Ом.
Активное сопротивление ВЛ-110 кВ [2,3,4,5]:
л = r0·L (2.8)
Реактивное сопротивление ВЛ-110 кВ [2,3,4,5]:
л = x0·L (2.9)
где L - длина ЛЭП, км;, x0 -удельные активные и индуктивные сопротивления
провода, Ом/км [11,13].л = 0,306 · 40 = 18,36 Ом;л = 0,397 · 40 = 23,82 Ом.
При коротком замыкании на шинах НН подстанции (точка К2), индуктивное
сопротивление системы определяется по формуле:
(2.10)
где
Uс.н.2 - средне-номинальное напряжение ступени КЗ, Uс.н.2
= 10,5 кВ.
Ом.
Активное сопротивление ВЛ-110 кВ:
(2.11)
Ом.
Реактивное
сопротивление ВЛ-110 кВ [4,5,6,7]:
(2.12)
Ом.
Расчетные сопротивления обмоток трансформатора:
активное сопротивление трансформатора:
(2.13)
Ом;
(2.14)
Ом;
реактивное
сопротивление трансформатора:
(2.15)
Ом,
(2.16)
Ом.
Где
- напряжение короткого замыкания трансформатора;
UНН -
средне-номинальное напряжение обмотки НН;
-
номинальная мощность трансформатора.
Суммарные активное и реактивное сопротивления цепи трансформатора при КЗ
на шинах низшего напряжения:
Т = rВН + rНН1 = 0,002 + 0,03 = 0,03 Ом (2.17)
хТ = хВН + хНН1 = 57,88 + 810,34 = 868,22 Ом. (2.18)
Результирующее сопротивление до точки короткого замыкания К1:
(2.19)
Ом.
Результирующее
сопротивление до точки короткого замыкания К2:
(2.20)
Ом.
Расчет
трехфазного КЗ на шинах 110 кВ в точке К-1:
(2.21)
А = 2,1
кА.
Расчет
трехфазного КЗ на шинах 10,5 кВ в точке К-2:
(2.22)
кА.
Ударный ток на ВН:
(2.23)
где
kу - ударный коэффициент, определяемый по выражению
[4,7];
(2.24)
где
Та - постоянная времени затухания апериодической составляющей тока короткого
замыкания, которая может быть определена по формуле:
(2.25)
где
Хрез, Rрез - соответственно результирующие (суммарные)
индуктивные и активные сопротивления до точек КЗ (т.т. К1 и К2);
ω = 2πf -
угловая частота (f = 50 Гц).
ω = 2 · 3,14 · 50 = 314 рад/с.
с;
с;
кА.
кА.
2.5 Выбор основного оборудования, токоведущих частей
и КИП
Выбор и проверка ошиновки распределительного устройства высокого
напряжения.
Токоведущие части в РУ высокого напряжения выполняются гибкими
сталеалюминевыми проводами марки АС. Сечение проводников и ошиновка в пределах
ОРУ было выбрано в пункте 2.3.
Гибкие провода крепятся на гирляндах подвесных изоляторов типа ПФ6-В с
числом изоляторов в гирлянде 6 при напряжении 110 кВ.
Выбор и проверка ошиновки распределительного устройства низкого
напряжения.
Соединение силового трансформатора с КРУ выполним шинным мостом. Согласно
ПУЭ /1/ в пределах открытых и закрытых распределительных устройств всех
напряжений шины и ошиновка по экономической плотности тока не проверяются. Так
как шинный мост, соединяющий трансформатор с КРУ, небольшой длины и находится в
пределах подстанции, то выбор сечения шин производится по нагреву (по
допустимому току):
(2.26)
(2.27)
А.
Принимаем
однополосные алюминиевые шины 60×8
,
А.
Прокладка шин строго горизонтальная при расположении большой грани полосы в
вертикальной плоскости.
Определяем пролёт l, при
условии, что частота собственных колебаний будет больше 200 Гц
(2.28)
откуда
следует
(2.29)
Так как шины на изоляторах расположены плашмя, то
(2.30)
см4,
м2,
м.
Этот вариант расположения шин позволяет увеличить длину пролета до 1,2 м,
т.е. дает значительную экономию изоляторов. Принимаем расположение пакета шин
плашмя; пролет 1,2 м; расстояние между фазами а = 0,8 м.
Определяем силу взаимодействия между полосами
(2.31)
Напряжение
в материале полос составит
(2.32)
где
- момент сопротивления одной полосы.
(2.33)
Таким
образом, σрасч = 2,5 < σдоп = 75 МПа, поэтому шины механически прочны.
Выбираем
шины прессованные из алюминиевого сплава марки АДЗ1Т. Допустимое механическое
напряжение в материале шин σдоп = 75
МПа.
Выбор и проверка электрических аппаратов.
В соответствии с выбранной схемой электрических соединений подстанции
производим выбор и проверку следующих аппаратов: на стороне высокого напряжения
подстанции - разъединители, силовые выключатели, ОПН, КИП (ТТ и ТН, измерительные
приборы).
На стороне НН понизительной подстанции - определить тип ячеек ЗРУ, в
которых установлено следующее оборудование: разъединители, силовые выключатели,
ОПН, КИП (ТТ и ТН, измерительные приборы).
При выборе электрических аппаратов необходимо учитывать возможность
появления в схеме электроснабжения понизительной подстанции утяжеленного
режима.
Выбираем по справочнику разъединитель типа
РНДЗ - 110/1000/УХЛ1 разъединитель одноколонковый с заземлением с
усиленной изоляцией повышенной надежности.
(2.34)
(2.35)
Где
- время от начала короткого замыкания до его
отключения;
- время
действия основной защиты трансформатора, равное 0,1 с;
- полное
время отключения выключателя, равное 0,08 с;
;
(кА)2с.
Все
расчетные, каталожные данные разъединителя сводим в таблицу 2.3.
Таблица
2.3
Расчетные
и каталожные данные разъединителей на ВН подстанции
|
Параметра выбора
|
Тип разъединителя
|
Расчетные данные
|
Каталожные данные
|
|
РНДЗ -110/1000/УХЛ1Uсети = 110 кВUном
= 110
кВ
|
|
|
|
|
, АIнорм.расч. = 73 АIном = 1000 А
|
|
|
|
|
, кАiу = 4,2 кА
|
|
|
|
|
, кА2∙сВК = 1,5 кА2с
|
|
|
|
На высоком напряжении (110 кВ) рекомендуются к установке вакуумные и
элегазовые силовые выключатели. При выборе силовых выключателей, также как и
иного оборудования, целесообразно стремиться к однотипности, в связи с этим
основной расчет производим по одной из цепей на высоком напряжении, а в других
цепях устанавливаются аналогичные выключатели при условии прохождения их по
основным параметрам. Силовые выключатели выбираются:
- по номинальному напряжению;
- по номинальному току;
по отключающей способности, характеризующейся номинальным током
отключения Iотк.ном. в виде действующего значения
периодической составляющей отключающего тока.
К
установке принимаем вакуумный выключатель типа ВВУ-110-40/2000 У1 с
гидравлическим приводом. Собственное время отключения выключателя
.
;
(кА)2с.
По
каталогу
- предельный ток термической стойкости Iтер = 40 кА;
- длительность протекания Iтер - tтер =
3 с.
(кА)2с
1,7 (кА)2с
проходит
Все расчетные и каталожные данные сводим в таблицу 2.4.
Таблица 2.4 Параметры выбора выключателя
|
Параметры выбора
|
Тип выключателя
|
Расчетные данные
|
Каталожные данные
|
|
ВВУ-110-40/2000 У1Uсети.ном =
110 кВUном = 110 кВ
|
|
|
|
|
, АIнорм.расч. = 73 АIном = 1000 А
|
|
|
|
|
, кА кА кА
|
|
|
|
|
, кА2∙с кА2с
|
|
|
|
|
, кА кА кА
|
|
|
|
В цепи 10 кВ с рабочим током Imax = 963,4 А и IП(К2) = 7,0 кА
принимаем к установке вакуумный выключатель ВВ/TEL-10-12,5/1000 УЗ с электромагнитным приводом.
Собственное
время отключения выключателя:
В первую очередь производится проверка на симметричный ток отключения по
условию:
(2.36)
Электродинамическая
стойкость проверяется по условиям:
(2.37)
;
.
По
каталогу
- предельный ток термической стойкости Iтер = 12,5 кА;
- длительность протекания Iтер - tтер =
3 с.
проходит
Все расчетные и каталожные данные сводим в таблицу 2.5.
Таблица 2.5
Расчетные и каталожные данные вводного выключателя 10 кВ
Выключатели отходящих линий 10 кВ подстанции необходимо выбирать
однотипными. Будем выбирать их по максимальному току отходящих линий в аварийном
режиме. Он будет при отключении одной из отходящих линий на конкретный
микрорайон.
(2.38)
Результаты
расчетов представлены в таблице 2.6.
Таблица
2.6 Расчет максимальных токов в аварийных режимах
|
Назначение
|
Smax, (МВА)
|
Imax.н, (A)
|
Imax.ав, (A)
|
|
Микрорайон 1
|
4/0,78
|
141
|
282
|
|
Микрорайон 2
|
4/0,76
|
145
|
290
|
|
Микрорайон 3
|
3/0,95
|
87
|
174
|
|
Микрорайон 4
|
4/0,93
|
118
|
236
|
|
Микрорайон 5
|
5/0,91
|
151
|
302
|
|
Микрорайон 6
|
87
|
174
|
В
отходящих линиях с максимальным рабочим током Imax.ав = 302 А
и
принимаем выключатель ВВ/TEL - 10 -
12,5/630 УЗ.
Проверка выключателя ВВ/TEL
-10-12,5/630УЗ аналогична проверке выключателя ВВ/TEL-10-12,5/1000 УЗ, так как все параметры этих
выключателей, кроме тока, одинаковы.
Все расчетные и каталожные данные сводим в таблицу 2.7.
Таблица 2.7 Расчетные и каталожные данные выключателей 10 кВ
Распределительное устройство на напряжение 10 кВ понижающей подстанции
принимается комплектным из шкафов КРУ серии К-104м для внутренней установки.
Выбор ограничителей перенапряжения.
ОПН устанавливаются для защиты ВЛ. Параметры выбора ОПН представлены в
таблице 2.8.
Таблица 2.8 Параметры выбора ограничителя перенапряжения
|
Тип ограничителя
перенапряжения
|
Напряжение установки
|
Назначение
|
Способ установки
|
|
ОПН-У-110/77 УХЛ1
|
110 кВ
|
Защита питающей ВЛ
|
Наружной
|
|
ОПН-У-110/56 УХЛ1
|
110 кВ
|
Защита трансформатора
|
Наружной
|
|
ОПН-Т-10/12,7 УХЛ1
|
10 кВ
|
Защита отходящих линий 10
кВ
|
Встроенный в КРУ
|
Контрольно-измерительная аппаратура.
Количество электроизмерительной аппаратуры, которая устанавливается на
понизительной подстанции, должно быть минимально возможным для облегчения
обслуживания, упрощения и удешевления установки, но с другой стороны
достаточным для правильного ведения эксплуатации.
Выбор трансформаторов тока.
ТТ предназначены для питания измерительных приборов. Их выбирают:
- по номинальному напряжению
- по номинальному току, номинальный ток должен быть как можно
ближе к рабочему току установки, так как недогрузка первичной обмотки приводит
к увеличению погрешности;
- по конструкции и классу точности;
Для проверки по вторичной нагрузке воспользуемся схемой включения рисунок
2.3 и таблицей 2.9 номинальных данных приборов. В цепи питающих линий
устанавливаются следующие измерительные приборы: амперметр, ваттметр, варметр,
фиксирующий прибор для определения места КЗ и счетчики активной и реактивной
энергии.
Таблица 2.9 Расчет мощности счетчиков
|
Прибор
|
Тип
|
Класс точности
|
Нагрузка фазы,
|
|
|
|
А
|
В
|
С
|
|
Амперметр
|
Э-335
|
0,5
|
-
|
0,5
|
-
|
|
Ваттметр
|
Д-335
|
1,0
|
0,5
|
-
|
0,5
|
|
Варметр
|
Д-335
|
1,0
|
0,5
|
-
|
0,5
|
|
Счетчик активной энергии
|
САЗ-И674
|
1,0
|
2,5
|
-
|
2,5
|
|
Счетчик реактивной энергии
|
СР4-И676
|
1,0
|
2,5
|
-
|
2,5
|
|
Итого
|
6,0
|
0,5
|
6,0
|
Рисунок 2.3 - Схема включения приборов в полную звезду
Для обеспечения выбранного класса точности необходимо, чтобы
действительная нагрузка вторичной цепи не превосходила нормированной для
данного класса точности, выбор по вторичной нагрузке:
(2.39)
Индуктивное
сопротивление токовых цепей невелико, поэтому
, при
этом вторичная нагрузка
(2.40)
Где
- сопротивление приборов;
; (2.41)
-
мощность, потребляемая приборами;
-
вторичный номинальный ток прибора;
-
сопротивление контактов;
Ом
Сопротивление
соединительных проводов:
(2.42)
Вторичная
номинальная нагрузка трансформатора тока в классе точности 0,5
;
Ом;
Зная
величину
можно определить сечение соединительных проводов:
(2.43)
Где
- удельное сопротивление провода,
для
провода с медными жилами;
-
расчетная длина соединительных проводов, учитывающая схему включения приборов и
трансформаторов тока, а также длину соединительных проводов между ними.
Схема
включения трансформаторов тока - полная звезда, так как сеть 220 кВ работает с
эффективно заземленной нейтралью. Все фазы загружены равномерно, при этом
.
;
По
условию механической прочности для проводов с медными жилами принимаем
многожильный контрольный кабель с резиновой изоляцией и поливинилхлоридной герметизирующей
оболочкой без защитного покрова КРВГ с сечением
.
- по электродинамической стойкости
iдин ≥
iу = 4,2 кА;
по термической стойкости
В
соответствии с вышеизложенным выбираем трансформаторы тока на ВН в цепи
питающих линий. Расчетные и каталожные данные трансформаторов тока ВН
подстанции представлены в таблице 2.10.
Таблица
2.10
Расчетные
и каталожные данные трансформаторов тока ВН подстанции
|
Параметры
|
Тип трансформатора
|
Расчетные данные
|
Каталожные данные
|
|
ТФНД-110М-|-100/5-0,5/10Р/10Р У1
|
|
|
|
|
, А
|
|
|
|
|
По конструкции и классу
точности
|
|
|
|
, кА
|
|
|
|
|
, кА2∙с
|
|
|
|
|
Z2 ≤ Z2ном, Ом
|
|
1,2 Ом
|
Z2ном = 1,2 Ом
|
Выбор трансформаторов тока на НН.
Трансформаторы тока в цепи силового трансформатора.
- по номинальному напряжению
;
- по номинальному току
,
по
конструкции и классу точности
Расчетные
и каталожные данные трансформаторов тока НН подстанции представлены в таблице
2.11
Таблица
2.11
Расчетные
и каталожные данные трансформатора тока НН
|
Параметры
|
Тип трансформатора
|
Расчетные данные
|
Каталожные данные
|
|
ТЛ-10-1000-0,5/10Р/10Р У3
|
|
|
|
|
, А
|
|
|
|
|
По конструкции и классу
точности
|
|
|
|
, кА
|
|
|
|
|
, кА2∙с
|
|
|
|
|
Z2 ≤ Z2ном, Ом
|
|
1,2 Ом
|
Z2ном = 1,2 Ом
|
В цепи секционных выключателей к установке принимаем трансформаторы тока
того же типа, что и в цепи силового трансформатора на стороне НН. Схема
включения трансформаторов тока - неполная звезда, так как сеть 10 кВ работает с
изолированной нейтралью.
Трансформаторы тока в цепи отходящих линий.
- по номинальному напряжению
;
- по номинальному току
Расчетные и каталожные данные трансформаторов тока отходящих линий
подстанции представлены в таблице 2.12.
Таблица 2.12 Расчетные и каталожные данные трансформаторов тока отходящих
линий
|
Параметры
|
Тип трансформатора
|
Расчетные данные
|
Каталожные данные
|
|
ТЛ-10-300-0,5/10Р У3
|
|
|
|
|
, А
|
|
|
|
|
По конструкции и классу
точности
|
|
|
|
, кА
|
|
|
|
|
, кА2∙с
|
|
|
|
|
Z2 ≤ Z2ном, Ом
|
|
1,2 Ом
|
Z2ном = 1,2 Ом
|
В остальные отходящие линии устанавливаются аналогичные трансформаторы
тока, но другого номинала. Результаты выбора ТТ представлены в таблице 2.13.
Таблица 2.13 Результаты выбора ТТ на отходящих линиях
|
Назначение
|
Imax.ав, A
|
Тип ТТ
|
|
Микрорайон 1
|
282
|
ТЛ-10-300-0,5/10Р У3
|
|
Микрорайон 2
|
290
|
ТЛ-10-300-0,5/10Р У3
|
|
Микрорайон 3
|
174
|
ТЛ-10-200-0,5/10Р У3
|
|
Микрорайон 4
|
236
|
ТЛ-10-300-0,5/10Р У3
|
|
Микрорайон 5
|
302
|
ТЛ-10-300-0,5/10Р У3
|
|
Микрорайон 6
|
174
|
ТЛ-10-200-0,5/10Р У3
|
Выбор трансформаторов напряжения.
Трансформатор напряжения предназначен для питания катушек напряжения
измерительных приборов и для контроля изоляции в сетях с изолированной
нейтралью. Трансформатор напряжения включается по схеме «звезда с землей -
звезда с землей - разомкнутый треугольник», что позволяет получить необходимые
фазные и линейные напряжения, а также обеспечивает срабатывание релейной защиты
при однофазных коротких замыканиях на землю, действующей на отключение в сетях
110 кВ.
Заземление первичной обмотки является рабочим, вторичной - защитным для
обеспечения безопасной работы персонала в случае пробоя изоляции. В первую
вторичную обмотку (соединение «звезда с землей») включаются измерительные
приборы, а вторая (соединение «разомкнутый треугольник») используется для контроля
изоляции в ТН со стороны 10,5 кВ, и для релейной защиты в ТН со стороны 110 кВ
(рисунок 2.4).
Рисунок 2.4 - Схема подключения трансформатора напряжения
ТН подключаются к каждой секции или системе сборных шин для обеспечения
требований надежности.
ТН выбираются по:
-
напряжению:
;
вторичной
нагрузке в выбранном классе точности S2Σ ≤
S2ном, а при соединении однофазных трансформаторов в
звезду S2ном = 3S2нт.
Данные трансформаторов напряжения записываем в таблицу 2.14
Таблица 2.14 Выбор трансформаторов напряжения
|
Прибор и место его
установки
|
Тип
|
Мощ-ть одной обм-ки, ВА
|
Число обм-к
|
 Число
приб-ов
|
Общая мощность
|
|
|
|
|
|
|
|
|
|
, Вт ,Вар
|
|
|
ВН 110 кВ
|
|
V
|
Система шин
|
Э-335
|
2
|
1
|
1
|
0
|
1
|
2
|
-
|
|
Регистрвольт
|
|
Н-393
|
10,0
|
1
|
1,0
|
0
|
1
|
10
|
-
|
|
var
|
Цепи питающих линий
|
Д-335
|
1,5
|
2
|
0
|
1
|
2
|
-
|
6
|
|
W
|
|
Д-335
|
1,5
|
2
|
1
|
0
|
2
|
6
|
-
|
|
Wh
|
|
САЗ-И674
|
3,0 Вт
|
2
|
0,38
|
0,925
|
2
|
12
|
29,2
|
|
Varh
|
|
СР4-И689
|
3,0 Вт
|
2
|
0,38
|
0,925
|
2
|
12
|
29,2
|
|
Итого
|
42
|
64,4
|
|
НКФ-110-58 У1
|
Трехфазный трансформатор
напряжения
|
|
|
S2, кл.точн.0,5 = 400 ВА
|
S2ном = 1200 ВА > S2Σ
|
|
|
НН 10,5 кВ
|
|
V
|
Секция СШ
|
Э-335
|
2
|
1
|
1
|
0
|
2
|
4
|
-
|
|
Var
|
Цепь силового тр-ра
|
Д-335
|
1,5
|
2
|
1
|
0
|
1
|
3
|
-
|
|
W
|
|
Д-335
|
1,5
|
2
|
1
|
0
|
1
|
3
|
-
|
|
Wh
|
Цепь силового
трансформатора и отходящих линий
|
САЗ-И674
|
3,0 Вт
|
2
|
0,38
|
0,925
|
5
|
30
|
73
|
|
Varh
|
|
СР4-И689
|
3,0 Вт
|
2
|
0,38
|
0,925
|
5
|
30
|
73
|
|
Итого
|
70
|
146
|
|
ЗНОЛ.06-10
|
Однофазный трансформатор
напряжения
|
ВА
|
|
S2, кл.точн.0,5 = 75 ВА
|
S2ном = 3 · 75 = 225 ВА > S2Σ
|
|
|
|
|
|
|
|
|
|
|
|
|
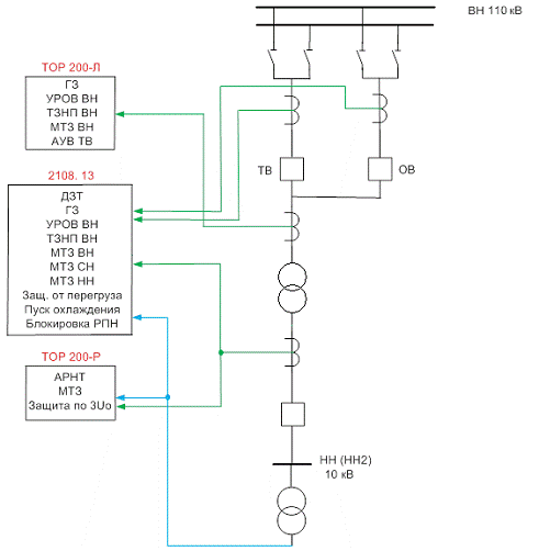
2.6 Релейная защита и
автоматика
Для защиты силового трансформатора согласно ПУЭ предусматриваются
следующие виды защит:
) Дифференциальная токовая защита трансформатора;
2) Газовая защита;
) Устройства резервирования при отказе выключателя;
) Токовая защита нулевой последовательности;
) Максимальная токовая защита ВН;
) Максимальные токовые защиты НН;
) Комбинированный пуск по напряжению;
) Защита трансформатора от перегрузки.
Данные защиты выполняем с применением устройства защиты типа «Бреслер ШТ
2108».
2.6.1 Дифференциальная токовая защита
трансформатора
Дифференциальная токовая защита трансформатора (ДЗТ) выполнена в виде
трех фазных каналов с независимыми токовыми цепями. Каждый канал содержит орган
дифференциальной токовой отсечки и дифференциальный орган с торможением.
Дифференциальная токовая отсечка (ДТО) является органом с низкой
чувствительностью и действует непосредственно на отключение трансформатора.
Уставка срабатывания по дифференциальному току отстраивается от режимов броска
тока намагничивания и токов небаланса при внешних замыканиях и пуске
двигательной нагрузки. ДТО обеспечивает быстрое отключение тяжелых внутренних
повреждений, действуя на отключение трансформатора без выдержки времени.
В составе ДТО реализовано два критерия срабатывания: 1) при превышении
модулем основной гармоники дифференциального тока заданной уставки ДТО; 2) при
превышении выпрямленным мгновенным дифференциальным током уставки ДТО,
увеличенной в 2
2 раз.
Дифференциальный орган с торможением является органом с высокой
чувствительностью, предназначенным для отключения всех видов замыканий внутри
защищаемой зоны.
Для отстройки от токов небаланса, возникающих в дифференциальной цепи в
режимах внешнего замыкания и пуска двигательной нагрузки, используется
процентное торможение. Данный принцип реализуется с помощью тормозной
характеристики (ТХ), которая определяет уровень срабатывания по дифференциальному
току при заданном значении тормозного тока.
В уставках терминала в соответствии с картой заказа задаются номинальные
мощности Sн,т,к и номинальные напряжения Uн,т,к обмоток силового
трансформатора, номинальные первичные Iперв,к и вторичные Iвтор,к
токи высоковольтных измерительных трансформаторов тока (ИТТ). Индекс к
обозначает сторону силового трансформатора, т.е. ВН или НН.
Номинальные токи Iн,т,к
обмоток силового трансформатора определяются по формуле:
(2.44)
При протекании в обмотке к силового трансформатора номинального тока на
входе терминала наблюдается ток, обозначенный как Iвт,н,к (вторичный ток в номинальном режиме). Значение
вторичного тока в номинальном режиме используется для выбора рабочего
ответвления токового входа терминала и определяется по формуле:
(2.45)
где
- коэффициент трансформации ИТТ стороны k.
Коэффициенты
цифрового выравнивания токов плеч, используемые в терминале, рассчитывается
программно по формуле:
(2.46)
где Iном,к - номинальный ток выбранного
ответвления токового входа терминала, подключенного к измерительному
трансформатору стороны к;
Sном -
номинальная мощность трансформатора, определяемая как максимальная из
номинальных мощностей обмоток Sн,т,к.
Данные расчетные величины отображаются на экране ИЧМ. При наладке
устройства защиты следует убедиться в следующем:
• вторичный
ток в номинальном режиме не должен превышать длительно допустимого значения.
• коэффициент
выравнивания по каждой из сторон силового трансформатора должен быть не менее
0.5 и не более 5.0.
В случае, когда измерительный трансформатор тока соединен в группу
«треугольник», номинальный вторичный ток ИТТ соответствующей стороны следует
задавать в
3 раз большим. Измерительные органы ДЗТ используют токи всех
сторон силового трансформатора, приведенные к обмотке с наибольшей мощностью и
выраженные в процентах от номинального тока данной обмотки. Предусмотрено использование
защиты для двух- и трехобмоточных трансформаторов с группами соединения Y/Y-0,
-0, Y/
-11, Y/Y/Y-0-0,
-0-0, Y/Y/
-О-11, Y/
-11-11. Группа соединения защищаемого трансформатора задается
в виде отдельной уставки «Группа», значение которой влияет на работу ряда
измерительных органов, что показано в таблице 2.15.
Таблица 2.15
Влияние выбранной группы соединения «Группа» на работу ИО
|
Значение уставки группы
соединения
|
Y/Δ -11
|
|
Цифровой расчет междуфазных
токов для МТЗ ВН
|
да
|
|
Цифровая компенсация 11
группы соединения для токов ВН
|
да
|
Компенсация 11 группы соединения силового трансформатора производится
цифровым способом, что позволяет использовать по всем сторонам измерительные
трансформаторы тока, соединенные в группу «звезда».
Предусмотрена возможность использования ДЗТ в схеме с измерительными
трансформаторами тока на стороне НН, соединенными в группу «неполная звезда». В
этом случае дифференциальная защита выполняется двухканальной. Для этого
требуется вывести канал ДЗТ фазы В с помощью программной накладки N10.
Реализовано цифровое выравнивание вторичных токов плеч. Диапазон
цифрового выравнивания - пятикратный.
Суммарная погрешность выравнивания токов плеч ДЗТ не превышает 3% от
номинального тока наиболее мощной обмотки.
Для подключения вторичных цепей измерительного трансформатора тока
выбирается ответвление токового входа терминала с наименьшим номинальным током,
для которого выполняется условие Iн,птт,к
> Iн,вт,k. При этом значение коэффициента цифрового выравнивания
должно быть менее пяти.
Рабочий диапазон устройства по вторичным токам в номинальном режиме Iн,вт,к составляет от 0,2 до 5 А. Если
диапазон недостаточен, то по специальному заказу отдельные токовые входы могут
быть выполнены на номинальный ток 0,5 А, что позволит обеспечить диапазон от
0,1 А.
Рабочие величины дифференциального органа с торможением рассчитываются
следующим образом. Дифференциальный ток 1диф рассчитывается как сумма токов
плеч основной гармоники I1,12 и I3 соответствующего канала ДЗТ:
(2.47)
Входной ток, равный току плеча с максимальным модулем, выходной и
тормозной токи определяются следующим образом:
(2.48)
(2.49)
(2.50)
где φ - угол между входным и выходным токами.
Вид тормозной характеристики срабатывания, состоящей из двух участков,
показан на рисунке 1. Первый участок выполнен горизонтальным, а другой - наклонным.
Наклон регулируется с помощью коэффициента торможения.
Под коэффициентом торможения понимается отношение приращения
дифференциального тока срабатывания к приращению тормозного тока, выраженное в
процентах.
Для торможения дифференциального органа в режимах внешнего замыкания,
сопровождающихся насыщением измерительных трансформаторов тока, область
тормозной характеристики Iторм
> «Iблок» выводится по критерию, что
входной и выходной токи больше уставки «Iблок».
Уставки дифференциальной защиты трансформатора приведены в таблице 2.16.
Коэффициент возврата ДЗТ не ниже 0.8.
Время срабатывания ДЗТ при подаче дифференциального тока, превышающего
уровень срабатывания в два раза и более, составляет не более 30 мс. Полное
время работы защиты, включая время работы выходных реле, составляет не более 40
мс. Время возврата ДЗТ при сбросе десятикратного тока до нуля составляет не
более 40 мс.
Таблица 2.16 Уставки измерительных органов ДЗТ
|
Уставка
|
Диапазон значений
|
Описание
|
|
«Iдто»
|
600…2000%
|
Уставка дифференциальной токовой
отсечки
|
|
«Iдиф.н»
|
20.. .100 %
|
Начальный дифференциальный
ток срабатывания
|
|
«Iторм»
|
60...100 %
|
Начальный тормозной ток
|
|
«Кторм»
|
20.80 %
|
Коэффициент торможения
|
|
«Iблок»
|
120..600 %
|
Ток блокировки
|
|
«Кгарм2»
|
10…30 %
|
Уставка блокировки по
второй гармонике (отношение второй гармоники к основной)
|
|
«Iактг2»
|
120..300 %
|
Ток автоматической
активации блокировки по второй гармонике
|
Рисунок 2.5 - Тормозная характеристика срабатывания
Время срабатывания ДТО при подаче двукратного тока срабатывания 2Iср составляет не более 20 мс.
Время возврата ДТО при сбросе тока от 5Iср до нуля составляет не более 30 мс.
Измерительный орган блокировки по второй гармонике реагирует на отношение
модуля второй гармоники дифференциального тока к модулю основной гармоники. При
превышении уставки орган блокирует срабатывание тормозной характеристики.
Предусмотрены следующие режимы работы ИО блокировки по второй гармонике,
задаваемые с помощью программной накладки N11:
• режим непрерывной работы;
• режим автоматической активации.
В режиме автоматической активации блокировка находится в действии при
выполнении одного из условий:
входной ток Iвх ниже 5 %
номинального тока трансформатора;
входной ток резко увеличился (стал больше уставки «Iактг2»), в то время как
дифференциальный ток Iдиф
остался достаточно малым. В первом случае предусмотрено продление работы
блокировки при постановке силового трансформатора под напряжение в течение
времени с момента включения, задаваемого с помощью DT2. Во втором случае блокировка вводится в действие на время DT3 с момента обнаружения внешнего
замыкания для дополнительного торможения дифференциального органа в данном
режиме, а также в случае возможного режима броска намагничивающего тока,
возникающего после отключения внешнего замыкания. Типичное значение DT2 - 5000 мс, а DT3 - 3000 мс.
Предусмотрена возможность отстройки от максимального нагрузочного режима
с помощью уставки по входному току «Iактг2».
Средняя основная погрешность ДЗТ по начальному дифференциальному току срабатывания
составляет не более ±10%.
Средняя основная погрешность по начальному тормозному току, току
блокировки и коэффициенту торможения - не более ±5% от уставки.
Средняя основная погрешность ДТО по току срабатывания Iср составляет не более ±3% от уставки.
Средняя основная погрешность по уровню блокировки по второй гармонике
составляет не более ±10%.
Средняя основная погрешность по току автоматической активации блокировки
по второй гармонике составляет не более ±5%.
Дополнительная погрешность по току срабатывания Iср при изменении температуры окружающей среды в рабочем
диапазоне не превышает ±5% от среднего значения уставки, определенного при
температуре 20±5 °С.
Дополнительная погрешность по начальному дифференциальному току
срабатывания, начальному тормозному току, току блокировки и коэффициенту
торможения при изменении температуры окружающей среды в рабочем диапазоне не
превышает ±5% от средних значений уставок, определенных при температуре 20±5
°С.
Измерительный орган блокировки по форме тока реагирует на скорость
изменения мгновенного дифференциального тока. При обнаружении пауз в
дифференциальном токе более 6 мс орган действует на блокировку срабатывания
тормозной характеристики.
Дифференциальная защита трансформатора селективно срабатывает при внутренних
повреждениях в защищаемом трансформаторе и всех видах КЗ на его выводах и не
срабатывает при внешних замыканиях, бросках тока намагничивания, неполнофазных
режимах, качаниях, асинхронном режиме, несинхронных включениях и при
оперативных переключениях.
Дифференциальная защита трансформатора при минимальных уставках по
начальному току срабатывания и коэффициенту торможения отстроена от
однополярных бросков тока намагничивания, с учетом влияния трансформаторов
тока, с амплитудой, превышающей в шесть раз амплитуду синусоидального
номинального тока трансформатора с основанием полуволны до 240°.
Дифференциальная защита трансформатора при минимальных уставках по
начальному току срабатывания и коэффициенту торможения отстроена от
разнополярных бросков тока намагничивания, с учетом влияния трансформаторов
тока, с амплитудой, превышающей в два раза амплитуду синусоидального
номинального тока трансформатора.
Дифференциальная защита трансформатора при срабатывании действует на
отключение выключателей всех сторон силового трансформатора с запретом АПВ, а
также действует на пуск УРОВ выключателя ВН.
Предусматривается возможность оперативного вывода защиты от ключа «ДЗТ»
(положение «Вывод»).
Рисунок 2.6 - Применение устройства защиты типа «Бреслер ШТ 2108»
2.6.2 Газовая защита
Обеспечивается прием сигналов от отключающей и сигнальной ступеней
газовой защиты бака трансформатора и ступени газовой защиты (или струйного
реле) контакторного объема РПН. Для этого в составе шкафа предусмотрен комплект
промежуточных реле, действующих на отключение как через терминал основных
защит, так и резервных, либо непосредственно на АУВ выключателей всех сторон (в
зависимости от проекта). Газовая защита при срабатывании действует на
отключение выключателей всех сторон силового трансформатора с запретом АПВ, а
также действует на пуск УРОВ выключателя ВН.
Действие отключающей ступени газовой защиты трансформатора (ГЗТ) на
отключение трансформатора производится через выдержку времени DТ25, ступени ГЗ
РПН - через DТ27. Сигнальная ступень ГЗТ срабатывает с выдержкой времени DТ26.
Программная накладка N12
позволяет задать режим действия сигнальной ступени газовой защиты бака
трансформатора на отключение трансформатора. По заказу может быть предусмотрен
вывод действия сигнальной ступени с помощью оперативного переключателя.
Предусмотрена возможность оперативного перевода отключающей ступени
газовой защиты бака трансформатора на сигнал от ключа «Действие ГЗТ» (положение
«Сигнал») и оперативного перевода газовой защиты РПН на сигнал от ключа
«Действие ГЗ РПН» (положение «Сигнал»).
В составе шкафа могут быть предусмотрены устройства контроля изоляции
цепей газовой защиты трансформатора и газовой защиты РПН, действующие при
ухудшении изоляции на сигнал через комплект основных защит.
2.6.3 Устройство резервирования при отказе
выключателя
Устройство резервирования при отказе выключателя (УРОВ) содержит три
фазных измерительных органа, контролирующих протекание тока через выключатель
на стороне ВН.
Диапазон изменения уставки «Iуров» токовых ИО УРОВ от 5 до 50 % выбранного номинального тока входа
терминала.
Средняя основная погрешность по току срабатывания Iср ИО УРОВ не превышает ±5%.
Дополнительная погрешность по току срабатывания Iср ИО УРОВ при изменении температуры в рабочем диапазоне
температур не превышает ±5% от среднего значения, определённого при температуре
20±5 °С.
Дополнительная погрешность по току срабатывания Icр ИО УРОВ при изменении частоты в пределах от 0.9 до 1.1
номинальной не превышает ±5% от среднего значения, определённого при
номинальной частоте.
Коэффициент возврата токовых ИО УРОВ не менее 0.9.
Время срабатывания токовых ИО УРОВ не превышает 25 мс при подаче
двукратного тока срабатывания 2 Iср.
Время возврата токовых ИО УРОВ при сбросе тока от 20 Iном до нуля не более 25 мс.
Органы тока УРОВ правильно функционируют при токах установившегося режима
с величиной от 4 до 40 Iном,
трансформированных с полной погрешностью до 50% включительно, обусловленной
насыщением высоковольтных трансформаторов тока при работе на активную нагрузку.
УРОВ формирует сигнал на отключение смежных выключателей при срабатывании
защит и протекании тока через выключатель стороны ВН в течение времени DТ30.
При этом формируются сигналы:
• в
ДЗШ на отключение системы шин;
• на запрет АПВ шин;
• на отключение силового трансформатора со всех сторон с запретом АПВ.
Предусмотрены следующие режимы работы УРОВ, выбираемые с помощью
программной накладки N13:
■ вывод действия УРОВ;
■ с действием на отключение своего выключателя (без контроля
тока);
■ с действием на отключение своего выключателя (с контролем
тока);
■ УРОВ с контролем РПВ (действие на свой выключатель
отсутствует);
■ УРОВ с контролем РПВ и действием на свой выключатель (с
контролем тока).
Действие на отключение своего выключателя производится с выдержкой
времени DТ31.
Пуск УРОВ происходит при появлении любого из сигналов:
• действие
внешних устройств РЗА (сигнал с дискретного входа);
• отключение трансформатора от защит терминала.
Предусмотрена возможность оперативного вывода УРОВ из работы от ключа
«УРОВ ВН» (положение «Вывод»).
2.6.4 Токовая защита нулевой последовательности
Токовая защита нулевой последовательности (ТЗНП) содержит измерительный
орган тока нулевой последовательности. Предусмотрена возможность отстройки
защиты от режима броска намагничивающего тока.
Измерительный орган защиты реагирует на модуль основной гармоники
расчетного тока нулевой последовательности I0,вн:
(2.51)
Диапазон изменения уставки «Iнп» измерительного органа тока нулевой последовательности от 10 до 1000 %
номинального тока входа терминала.
Средняя основная погрешность по току срабатывания Iср измерительного органа тока нулевой
последовательности не превышает ±5%.
Дополнительная погрешность по току срабатывания Iср измерительного органа тока нулевой последовательности при
изменении температуры в рабочем диапазоне температур не превышает ±5% от
среднего значения, определённого при температуре 20±5 °С.
Дополнительная погрешность по току срабатывания Iср измерительного органа тока нулевой последовательности при
изменении частоты в пределах от 0.9 до 1.1 номинальной не превышает ±5% от
среднего значения, определённого при номинальной частоте.
Коэффициент возврата измерительного органа тока нулевой
последовательности не менее 0.9.
Время срабатывания измерительного органа тока нулевой последовательности
не превышает 25 мс при подаче двукратного тока срабатывания 2 Iср.
Время срабатывания измерительного органа тока нулевой последовательности
не превышает 40 мс при подаче тока, превышающего ток срабатывания на 20%, 1.2 Iср.
Время возврата измерительного органа тока нулевой последовательности при
сбросе тока от 10 Iср до нуля не
более 25 мс.
Для отстройки от режима броска намагничивающего тока контролируется
отношение второй гармоники тока нулевой последовательности к основной
гармонике. При превышении уставки «Кгарм2,ТЗНП» срабатывание измерительного
органа блокируется.
Диапазон изменения уставки органа блокировки по второй гармонике тока
нулевой последовательности «Кгарм2,ТЗНП» от 15 до 100 %.
Средняя основная погрешность по уровню блокировки по второй гармонике
тока нулевой последовательности составляет не более ±10%.
Срабатывание защиты на отключение выключателя стороны ВН параллельного
трансформатора, работающего с незаземленной нейтралью, производится с выдержкой
времени DТ34.
Срабатывание защиты на деление системы (секции) шин через отключение
шиносоединительного и секционного выключателей производится с выдержкой времени
DТ35.
Срабатывание защиты на отключение выключателя ВН защищаемого
трансформатора производится с выдержкой времени DТ36. Через дополнительную
выдержку времени DТ37 производится отключение выключателей всех сторон силового
трансформатора с запретом АПВ, а также производится действие на пуск УРОВ
выключателя ВН.
Предусмотрен дискретный вход для отключения выключателя ВН от ТЗНП
параллельного трансформатора при работе защищаемого трансформатора с незаземленной
нейтралью. Отключение производится с выдержкой времени DT38.
Предусмотрена возможность вывода защиты из действия с помощью программной
накладки N14.
При использовании на стороне ВН высоковольтных трансформаторов тока,
соединенных в группу «треугольник», требуется вывести ТЗНП с помощью
программной накладки N14.
2.6.5 Максимальная токовая защита ВН
Максимальная токовая защита стороны ВН содержит три измерительных органа
тока, каждый из которых реагирует на модуль основной гармоники междуфазного
тока. Предусмотрена возможность отстройки защиты от режима броска
намагничивающего тока.
При использовании группы ИТТ «звезда» получение междуфазных токов
производится цифровым способом:
(2.52)
(2.53)
(2.54)
Включение ИО МТЗ ВН на токи ВН регулируется заданием уставки группы
соединения обмоток силового трансформатора.
Диапазон изменения уставки «IмтзВН» измерительных органов тока от 20 до 3000 % номинального тока входа
терминала.
Средняя основная погрешность по току срабатывания Iср измерительных органов тока не
превышает ±3%.
Дополнительная погрешность по току срабатывания Iср измерительных органов тока при изменении температуры в
рабочем диапазоне температур не превышает ±5% от среднего значения,
определённого при температуре 20±5 °С.
Дополнительная погрешность по току срабатывания Iср измерительных органов тока при изменении частоты в
диапазоне от 0.9 до 1.1 номинальной не превышает ±5% от среднего значения,
определённого при номинальной частоте.
Коэффициент возврата измерительных органов тока не менее 0.9.
Время срабатывания измерительных органов тока не превышает 25 мс при
подаче двукратного тока срабатывания 2 Iср.
Время срабатывания измерительных органов тока не превышает 40 мс при
подаче тока, превышающего ток срабатывания на 20%, 1.2Iср.
Время возврата измерительных органов тока при сбросе тока от 10 Iср до нуля не более 25 мс.
Для отстройки от режима броска намагничивающего тока контролируется
отношение второй гармоники междуфазных токов к основной гармонике. При
превышении уставки «Кгарм2,мтзВН» срабатывание измерительных органов
блокируется.
Диапазон изменения уставки органов блокировки по второй гармонике
междуфазных токов «Кгарм2,мтзВН» от 15 до 100 %.
Средняя основная погрешность по уровню блокировки по второй гармонике
междуфазных токов составляет не более ±10%.
Срабатывание защиты на отключение выключателей всех сторон силового
трансформатора с запретом АПВ и пуск УРОВ выключателя ВН производится с
выдержкой времени DТ39.
МТЗ ВН выполнена с комбинированным пуском по напряжению от органов
напряжения НН. Пуск МТЗ ВН по напряжению может быть отключен при помощи
программной накладки N16.
2.6.6 Максимальные токовые защиты НН
Максимальная токовая защита стороны НН выполнена трехступенчатой,
направленной, с комбинированным пуском по напряжению. Каждая ступень содержит
по три измерительных органа, каждый из которых реагирует на модуль фазного
тока.
Диапазон изменения уставок токовых ИО, где «Iст1,мтзНН» - уставка первой ступени, «Iст2,мтзНН» - второй ступени, «Iст3,мтзНН» - третьей ступени, от 20
до 3000 % номинального тока входа терминала.
Средняя основная погрешность по току срабатывания Iср измерительных органов тока не превышает
±3%.
Дополнительная погрешность по току срабатывания Iср измерительных органов тока при изменении температуры в
рабочем диапазоне температур не превышает ±5% от среднего значения,
определённого при температуре 20±5 °С.
Дополнительная погрешность по току срабатывания Iср измерительных органов тока при изменении частоты в
диапазоне от 0.9 до 1.1 номинальной не превышает ±5% от среднего значения,
определённого при номинальной частоте.
Коэффициент возврата измерительных органов тока не менее 0.9.
Время срабатывания измерительных органов тока не превышает 20 мс при
подаче двукратного тока срабатывания 2 Iср.
Время срабатывания измерительных органов тока не превышает 40 мс при
подаче тока, превышающего ток срабатывания на 20%, 1.2 Iср.
Время возврата измерительных органов тока при сбросе тока от 10 Iср до нуля не более 25 мс.
Так как на подстанции установлены двухобмоточные трансформаторы, то
измерительные органы стороны СН необходимо вывести из действия.
Первая ступень выполнена ненаправленной, без пуска по напряжению. Вторая
ступень, наоборот, выполнена направленной, с комбинированным пуском по
напряжению. Для третьей ступени МТЗ НН направленность может быть задана с
помощью программной накладки N24 (N34), а комбинированный пуск по напряжению -
с помощью программной накладки N25 (N35). Отключение выключателя НН от первой
ступени МТЗ НН производится с выдержкой времени DТ40 (Т47), от второй ступени -
с выдержкой времени DТ41 (Т48), от третьей - с выдержкой времени DТ42 (Т49).
С помощью программной накладки N26 (N36) предусмотрена возможность выбора
ступени МТЗ НН с ускорением по сигналу от дискретного входа. Подхват ускорения
выполнен с помощью элемента времени DТ45 (Т52). Отключение выключателя НН от
ступени с ускорением производится с выдержкой времени DТ44 (Т51).
С помощью программной накладки N27 (N37) предусмотрена возможность выбора
ступени МТЗ НН, пуск которой следует использовать в схемах логической защиты
шин и дуговой защиты НН.
При отключении выключателя НН от МТЗ НН формируется сигнал запрета АВР НН.
Для отключения выключателей всех сторон силового трансформатора с
запретом АПВ и пуска УРОВ выключателя ВН при отказе выключателя НН
предусмотрена дополнительная выдержка времени DТ43 (Т50).
Предусмотрена возможность вывода из действия первой, второй и третьей
ступеней МТЗ НН с помощью программных накладок N31, N32 и N33 соответственно.
Предусмотрена возможность применения МТЗ НН в схемах с измерительными
трансформаторами тока на стороне НН, соединенных в группу «неполная звезда». В
этом случае защита выполняется двухканальной, для чего измерительные органы
канала фазы В необходимо вывести с помощью программной накладки N30. При этом
МТЗ НН сохраняет свойство направленности.
Предусмотрена возможность вывода из действия МТЗ НН от ключа «МТЗ НН» при
установке в положение «Вывод».
2.6.7 Комбинированный пуск по напряжению
Для выполнения пуска по напряжению максимальных токовых защит
предусмотрено по два измерительных органа напряжения на стороне НН силового
трансформатора. Орган максимального действия включен на напряжение обратной
последовательности, а орган минимального действия - на линейное напряжение.
Диапазон изменения уставок ИО максимального («Uоп,кпнНН») напряжения обратной последовательности составляет
от 5 до а ИО минимального («Uмин,кпнНН»)
напряжения - от 5 до 100 В.
Средняя основная погрешность по напряжению срабатывания Uср органов максимального и
минимального напряжения составляет ±3%.
Дополнительная погрешность по напряжению срабатывания Uср органов максимального и
минимального напряжения при изменении температуры в рабочем диапазоне
температур не превышает ±5% от среднего значения, определённого при температуре
20±5 °С.
Дополнительная погрешность по напряжению срабатывания Uср органов максимального и
минимального напряжения при изменении частоты в диапазоне от 0.9 до 1.1
номинальной не превышает ±5% от среднего значения, определённого при
номинальной частоте.
Коэффициент возврата органов максимального напряжения не менее 0.9,
органов минимального напряжения не более 1.1.
Время срабатывания органов максимального напряжения обратной
последовательности не превышает 25 мс при подаче напряжения скачком от нуля до
3 Uср.
Время возврата органов максимального напряжения обратной
последовательности при сбросе напряжения от 3 Uср до нуля не более 25 мс.
Время срабатывания органов минимального напряжения не превышает 25 мс при
сбросе напряжения от 2 Uср до
нуля.
Время возврата органов минимального напряжения при подаче напряжения
скачком от нуля до 2 Uср не
более 25 мс.
Так как на подстанции установлены двухобмоточные трансформаторы, то
измерительные органы стороны СН необходимо вывести из действия.
2.6.8 Защита трансформатора от перегрузки
Защита трансформатора от перегрузки содержит три измерительных органа,
каждый из которых реагирует на максимальный из фазных токов соответствующей
стороны.
Диапазон изменения уставок измерительных органов тока от 20 до 300 %
номинального тока входа терминала.
Средняя основная погрешность по току срабатывания Iср измерительных органов не превышает
±3%.
Дополнительная погрешность по току срабатывания Iср измерительных органов при изменении температуры в рабочем
диапазоне температур не превышает ±5% от среднего значения, определённого при
температуре 20±5 °С.
Коэффициент возврата ИО тока не менее 0.9.
Время срабатывания ИО тока не превышает 20 мс при подаче двукратного тока
срабатывания 2 Iср.
Время возврата ИО тока при сбросе тока от 10 Iср до нуля не более 25 мс.
Защита от перегрузки срабатывает с выдержкой времени DT54 и действует на сигнализацию.
Диапазон изменения уставки элемента времени DT54 от 0,1 до 600,0 с. Дискретность изменения уставки 0,02 с.
Так как на подстанции установлены двухобмоточные трансформаторы, то
измерительные органы стороны СН необходимо вывести из действия.
2.7 Собственные нужды
подстанции
Для увеличения надежности электроснабжения собственных нужд подстанции
трансформатор подключается к выводу НН силового трансформатора на участке между
трансформатором и вводным выключателем. На двухтрансформаторных ПС
рекомендуется применять два ТСН-10/0,4 кВ. Для питания собственных нужд
подстанции используется трансформатор собственных нужд. Так как подстанция
двухтрансформаторная, то берется два ТСН. Мощность ТСН определяется нагрузкой.
При проектировании подстанций, когда точный состав нагрузки неизвестен, допускается
тсн
= 0,05 ∙ 25000 = 1250 кВА.
Принимаем
трансформатор ТМ-1250/10.
На двухтрансформаторной подстанции устанавливаем два
ТСН напряжением 10/0,4 кВ.
2.8 Выбор конструкции РУ всех
напряжений
Компоновка ОРУ 110 кВ.
Подстанцию предлагается выполнить на базе комплектной трансформаторной
подстанции блочного типа (КТПБ).
Преимущества использования комплектных подстанций: сокращение сроков
разработки проекта; сокращение сроков поставки оборудования; сокращение сроков
монтажа.
В состав ОРУ 110 кВ входят:
- транспортабельные блоки 110 кВ со смонтированными высоковольтными
аппаратами, главными и вспомогательными цепями согласно принципиальной
электрической схеме на подстанцию;
- общеподстанционный пункт управления (ОПУ);
жесткие и гибкие ошиновки;
кабельные конструкции;
осветительные установки.
В ОРУ-110 кВ используются следующие блоки: блоки линии; блоки ввода;
блоки шинных аппаратов; блоки опорных изоляторов; блоки разъединителя; блоки
ТСН; блоки кабельных муфт. В группы блоков одновременно входят полюса
разъединителя 110 кВ, трансформаторы напряжения, опорные изоляторы.
На ОРУ 110 кВ используются жесткая и гибкая ошиновки. Жесткая ошиновка
унифицирована для всех классов напряжений и производится из труб алюминиевого
сплава, отпайки и перемычки выполняются стплеалюминиевым проводом марки АС.
Ошиновка расположена в один или два яруса. Гибкая ошиновка используется для
присоединения ячеек КРУ-10 кВ к силовому трансформатору.
Общеподстанционный пункт управления (ОПУ) - это здание, которое собрано
из отдельных элементов каркаса и утепленных панелей. Внутри общеподстанционного
пункта управления размещены панели управления, защиты и сигнализации,
аккумуляторы для питания цепей управления и сигнализации, нагревательные печи и
светильники, и оборудование высокочастотной связи. Конструкция и масса
общеподстанционного пункта управления позволяют транспортировать его в
полностью собранном виде.
Фундаменты под элементы подстанции для стационарной установки
предусматриваются незаглубленного типа и состоят из железобетонных лежней,
которые укладываются непосредственно на спланированную поверхность грунта или
на выверенную песчаную подушку. Элементы подстанций можно устанавливать также и
на заглубленные фундаменты.
Молниезащита и заземление рассмотрены в главе 3.
Конструкция ЗРУ-10 кВ.
Сеть 10 кВ подстанции предлагается выполнить в виде комплектного
распределительного устройства наружной установки (КРУН 10 кВ). КРУН выполнено в
виде металлического здания, в котором размещены ячейки (рисунок 2.7) с
оборудованием.
Рисунок 2.7 - Ячейка КРУН в разрезе
К преимуществам КРУ относятся: высокая надежность в работе, безопасность
при обслуживании, компактность, экономичность и индустриализация монтажных
работ. Ячейки соединяются между собой сборными шинами и имеют кабельные и
воздушные вводы.
Используются шкафы с выключателями, которые установлены на тележке и
имеют втычные контакты. Данные контакты заменяют разъединители. Наличие
выкаткой тележки с выключателем увеличивает бесперебойность питания
потребителей и обеспечивает удобный доступ к силовому выключателю и его приводу
при ремонте. Для безопасного обслуживания и локализации аварийных ситуаций
корпус комплектного распределительного устройства 10 кВ разделен на отсеки
металлическими шторками.
На тупиковой понизительной подстанции используются два
вида оград: внутренние и внешние. Внешняя ограда является препятствием для
проникновения на подстанцию посторонних лиц, крупных животных, а также для
обеспечения сохранности дорогостоящего оборудования. Внутренняя ограда служит
для отделения зоны, где находится персонал, от зоны с оборудованием, которое
находится под напряжением.
Вывод по главе 2
В данной главе было выбрано электрооборудование проектируемой подстанции
- силовой трансформатор ТРДН-25000/110/10, разъединитель 110 кВ РНДЗ -
110Б/1000/УХЛ1, выключатель 110 кВ ВВУ-110-||-40/2000 У1, вводной выключатель
10 кВ ВВ/TEL-10-12,5/1000 УЗ, выключатели
отходящих линий 10 кВ ВВ/TEL -10-12,5/630 УЗ, трансформатор тока 110 кВ
ТФНД-110М-|-100/5-0,5/Р/Р У1, трансформаторы тока 10 кВ типа ТЛ-10,
трансформаторы напряжения 110 В НКФ-110-58 У1 и 10 кВ ЗНОЛ.06-10. Определена
главная схема подстанции - на РУ ВН выбрана схема «мостик с перемычкой со
стороны трансформаторов», на РУ НН - «Две, секционированные выключателем,
системы шин». Также была рассмотрена автоматика тупиковой подстанции.
ГЛАВА 3 ТЕХНИКО-ЭКОНОМИЧЕСКОЕ ОБОСНОВАНИЕ
3.1 Затраты на проектирование, строительство и
монтаж
Капитальные затраты на строительство подстанции складываются из стоимости
оборудования, затрат на проектирование, монтаж и эксплуатацию оборудования
подстанции. Стоимость оборудования принимаем на основании действующих цен.
Соб = ni · Собi (3.1)
где ni - количество i-ого оборудования на подстанции;
Собi - стоимость i-ого оборудования, тыс. руб;
так для трансформаторов ТРДН-25000/110/10
Соб = 2 · 13500 = 27000 тыс руб.
Аналогично определяются стоимости каждой группы оборудования. Результаты
расчета сведены в таблицу 3.1.
Затраты на монтаж электрооборудования (стоимость строительства) принимаем
равными 10 % от его стоимости
СМ = 0,1 · СобΣ (3.2)
СМ = 0,1 · 50355 = 5035,5 тыс. руб.
Затраты на проектирование понизительной подстанции принимаем равными 10 %
стоимости строительства
Спр = 0,1 · СМ (3.3)
Спр = 0,1 · 5035,5 = 503,55 тыс. руб.
Таким образом, капитальные затраты на строительство подстанции будут
равны
К = СобΣ + СМ + Спр (3.4)
К = 50355 + 5035,5 + 503,55 = 55894,05 тыс. руб.
Таблица 3.1
Расчет стоимости оборудования для строительства подстанции
|
№ п/п
|
Наименование оборудования
|
Ед. изм.
|
Кол-во
|
Цена за единицу, тыс. руб
|
Общая стоимость, тыс. руб
|
|
1
|
Строительная часть ОРУ-110
кВ
|
компл
|
1
|
1 200
|
1200
|
|
2
|
Трансформатор
ТРДН-25000/110/10
|
шт.
|
2
|
13 500
|
27000
|
|
3
|
Выключатель ВВУ-110-40/2000
У1
|
шт.
|
3
|
1 500
|
4500
|
|
4
|
Разъединитель РНДЗ-110/1000
|
шт.
|
8
|
150
|
1200
|
|
5
|
Трансформатор тока
ТФНД-110М-100/5 У1
|
компл
|
3
|
95
|
285
|
|
6
|
Трансформатор напряжения
НКФ-110-58 У1
|
компл
|
2
|
200
|
400
|
|
7
|
Ограничитель перенапряжения
ОПН-У-110/77 У1
|
компл
|
2
|
30
|
60
|
|
8
|
Ограничитель перенапряжения
ОПН-У-110/56 У1
|
шт
|
2
|
30
|
60
|
|
9
|
Заземляющий нож ЗОН-35
|
шт
|
2
|
10
|
20
|
|
10
|
Трансформатор собственных
нужд ТМ-1250/10/0,4 У1
|
шт
|
2
|
500
|
1000
|
|
11
|
Строительная часть ЗРУ-10 кВ
|
компл
|
1
|
630
|
630
|
|
12
|
Ячейка К-104М с
выключателем BB/TEL-10-12,5/1000 У3, трансформатором тока ТЛ-10-1000/5
У1
|
шт.
|
6
|
720
|
4320
|
|
13
|
Ячейки К-104М с
выключателями BB/TEL-10-12,5/630 У3, трансформаторами тока ТЛ-10, ТЗЛМ
|
шт.
|
14
|
680
|
9520
|
|
14
|
Ячейка К-104М без
выключателя и трансформатора тока
|
шт
|
2
|
62
|
124
|
|
15
|
Трансформатор напряжения
ЗНОЛ.06-10
|
компл
|
4
|
36
|
|
ИТОГО:
|
50355
|
3.2 Расчет издержек
К годовым эксплуатационным издержкам относятся расходы, связанные с
поддержанием электрических сетей в нормальном техническом состоянии, а также
годовая стоимость износа и затраты на компенсацию потерь электрической энергии
в элементах сети.
Годовые эксплуатационные отчисления определяются:
И = Иам + Ит.р.обс + Ипот (3.5)
где Иам - амортизационные отчисления, тыс. руб./год;
Ит.р.обс - затраты на текущий ремонт и обслуживание, тыс. руб./год;
Ипот - затраты на компенсацию потерь электроэнергии, тыс. руб./год;
Амортизационные отчисления определяются по формуле:
Иам = К · αам / 100 (3.6)
где К - капиталовложения в подстанцию, тыс. руб.;
αам - норма амортизационных отчислений
для подстанции, αам = 4,4 %;
Иам = 55894,05 · 4,4 / 100 = 2459,34 тыс. руб/год.
Издержки на обслуживание понизительной подстанции состоят из стоимости
израсходованного сырья и прочих материальных средств, зарплату обслуживающего
персонала, расходы на ТОиР подстанции.
Ит.р.обс = К · αт.р.обс / 100 (3.7)
где αт.р.обс - норма на ТОиР подстанции, αт.р.обс = 4,0 %;
Ит.р.обс = 55894,05 · 4,0 / 100 = 2239,36 тыс. руб/год.
Затраты на компенсацию потерь электроэнергии определяются:
Ипот = С · ΔW (3.8)
где C - одноставочный тариф на электрическую энергию, для I полугодия 2015 года для московской
области С = 2,93 руб./(кВт ·ч);
ΔW - суммарные потери электроэнергии в
трансформаторах подстанции, кВт ·ч;
ΔWтр = 2 · (8760
· ΔPхх +
ΔPкз ·
· τ) (3.8)
где
ΔPхх, ΔPкз -
потери холостого хода и короткого замыкания силового трансформатора ТРДН
25000/110;
Sмаx1 -
максимальная полная мощность, проходящая через один трансформатор в нормальном
режиме в течение года, МВА
Sмаx1 = Sмаx / 2
= 29,2 / 2 = 14,6 МВА;
Sн - номинальная
мощность трансформатора, МВА
ΔWтр = 8760 ·
31,5 + 121 ·
· 4592 = 600429 кВт · ч
Ипот
= 2,93 · 600429 = 1 759 260 руб./ год = 1759,36 тыс. руб./ год
Годовые
эксплуатационные издержки равны:
И = 2459,34 + 2239,36 + 1759,36 = 6458,06 тыс. руб. / год.
3.3 Анализ экономической эффективности
Для определения экономической эффективности строительства новой
подстанции определим количество электроэнергии, потребляемой потребителями
подстанции за год. Будем считать, что потребители питаются по зимнему графику
нагрузки 200 дней в году, по летнему 165 дней, тогда из суммарного графика
нагрузки
Wгод = Σ(РΣПСi(зим) · 200 · 24 + РΣПСi(лет) · 165 · 24).......... (3.9)
где РΣПСi(зим) - суммарная
мощность подстанции в i-ый
час зимнего времени (таблица 1.7), МВт;
где РΣПСi(лет) - суммарная
мощность подстанции в i-ый
час летнего времени (таблица 1.7), МВт;
Wгод =
133773,5 МВт · ч = 133 733 500 кВт · ч.
Тогда доход
от продажи электроэнергии потребителям равен
Д = С · Wгод................................................................................... (3.10)
Д = 2,93 ·
133 733 500 = 391 956 355 руб = 391 956,4 тыс. руб.
Суммарные затраты через год эксплуатации
З = К + И (3.11)
З = 55894,05 + 6458,06 = 62352,11 тыс. руб.
Так как годовой доход от продажи электроэнергии населению превышает
суммарные затраты через год эксплуатации, то строительство подстанции окупится
менее чем через год, а значит оно экономически эффективно.
Вывод по главе 3
В данной главе выпускной квалификационной работы были рассчитаны
капитальные затраты на строительство понизительной тупиковой подстанции 110/10
кВ.
Они составили 55 894,05 тыс. руб. Затем были рассчитаны годовые
эксплуатационные издержки, которые составили 6 458,06 тыс. руб.
После расчета дохода от продажи электроэнергии было определено, что
строительство подстанции окупится менее, чем через год, а значит данное
строительство экономически очень выгодно.
ЗАКЛЮЧЕНИЕ
В выпускной квалификационной работе разработан проект тупиковой
подстанции напряжением 110/10 кВ для электроснабжения нового микрорайона,
расположенного в г.Видное Московской области.
Были рассмотрены современное состояние энергетики и
поставщики электрической энергии Московской области, а также стратегия развития
энергетики региона. Также были рассчитаны графики нагрузок строящихся шести
микрорайонов.
На подстанции для обеспечения необходимого уровня надежности
электроснабжения потребителей II
категории установлены два силовых двухобмоточных трансформатора с расщепленной
обмоткой типа ТРДН, мощностью по 25000 кВ·А каждый. Кроме того, было выбрано
электрооборудование проектируемой подстанции - разъединитель 110 кВ РНДЗ -
110Б/1000/УХЛ1, выключатель 110 кВ ВВУ-110-||-40/2000 У1, вводной выключатель
10 кВ ВВ/TEL-10-12,5/1000 УЗ, выключатели
отходящих линий 10 кВ ВВ/TEL-10-12,5/630 УЗ, трансформатор тока 110 кВ
ТФНД-110М-|-100/5-0,5/Р/Р У1, трансформаторы тока 10 кВ типа ТЛ-10,
трансформаторы напряжения 110 В НКФ-110-58 У1 и 10 кВ ЗНОЛ.06-10.
Определена главная схема подстанции - на РУ ВН выбрана схема «мостик с
перемычкой со стороны трансформаторов», на РУ НН - «Две, секционированные
выключателем, системы шин». Также была рассмотрена релейная защита подстанции,
которая выполнена с применением устройства защиты типа «Бреслер ШТ 2108».
Принятый объем релейной защиты обеспечивает требуемую надежность
электроснабжения потребителей с учетом питания подстанции от
взаиморезервируемых источников питания.
В третьей главе выпускной квалификационной работы были рассчитаны
капитальные затраты на строительство понизительной тупиковой подстанции 110/10
кВ. Они составили 55 894,05 тыс. руб. Затем были рассчитаны годовые
эксплуатационные издержки, которые составили 6 458,06 тыс. руб. После расчета
дохода от продажи электроэнергии было определено, что строительство подстанции
окупится менее, чем через год, а значит данное строительство экономически очень
выгодно.
Все принятые в выпускной квалификационной работы технические решения
экономически обоснованы, технически целесообразны и безопасны.
СПИСОК ИСПОЛЬЗОВАННЫХ ИСТОЧНИКОВ
1 Федеральный
закон Российской Федерации ОБ ЭЛЕКТРОЭНЕРГЕТИКЕ от 26 марта 2003 г. №35-ФЗ.
Правила
устройства электроустановок РК. Министерство энергетики и минеральных ресурсов
РК, 2004;
Правила
технической эксплуатации электрических станций и сетей. - М.: Энергия, 2003. -
224 с.
РД
153-34.0-20.527-98. Руководящие указания по расчету токов короткого замыкания и
выбору электрооборудования/ под ред. Б.Н.Неклепаева. - М.: Изд-во НЦ ЭНАС,
2001;
СТО
56947007-29.130.15.114-2012 Руководящие указания по проектированию заземляющих
устройств подстанций напряжением 6-750 кВ. М.: ОАО «ФСК ЕЭС», 2012. - 63 с.
Инструкция по
устройству молниезащиты зданий, сооружений и промышленных коммуникаций СО
153-34.21.122-2003. М.: ЦПТИ ОРГРЭС, 2004. - 31 с.
Конюхова Е.А.
Электроснабжение объектов. -М.: Изд-во «Мастерство», 2001;
Рожкова Л.Д.,
Козулин В.С. Электрооборудование станций и подстанций. - М.: Энергоатомиздат,
1987;
Ульянов С.А.
Электромагнитные переходные процессы в электрических системах.-М.:Энергия,
1972;
Справочник по
проектированию электроснабжения/под ред. Ю.Г. Барыбина, Л.Е. Федорова, М.Г.
Зименкова, А.Г. Смирнова. - М.: Энергоатомиздат, 1990;
Неклепаев
Б.Н. Электрические станции. -М.: Энергия,1976;
Электрическая
часть электростанций и подстанций/ справочные материалы под ред. Б.Н.
Неклепаева. -М.: Энергия, 1978;
Мельников
Н.А. Электрические сети и системы. -М.: Энергия, 1975;
Справочник по
электрическим установкам высокого напряжения/под ред. И.А. Баумштейна и
М.В.Хомякова. -М.: Энергоиздат, 1981;
Вакуумная
коммутационная аппаратура. ФГУП «НПП Контакт», Россия г.Саратов, 2005;
Высоковольтное
оборудование. Карпинский электромашиностроительный завод, Россия г.Карпинск,
2005;
Вакуумные
выключатели ВВ/ТЕL, ОПН/TEL. Таврида Электрик, Россия г. Москва, 2005;
Техническая
документация ЗАО ПФ «КТП-Урал», ISO
9001:2000, Россия, Екатеринбург, 2005.
Игуменщев
В.А., Олейников В.К., Малафеев А.В. Электрическая часть понизительной
подстанции промышленного предприятия: Учебное пособие. Магнитогорск: МГТУ,
2002. - 127 с.
Стратан И.П.
Справочный материал к курсовому проекту по электрическим сетям и системам.
Кишинёв: КПИ им. С. Лазо‚ 1980.
Справочник по
проектированию подстанций 35 - 1150 кВ/ Под ред. Самойлова Я. С. - М.:
Энергоатомиздат, 1992. - 302 с.
Пособие к
курсовому и дипломному проектированию для электроэнергетических специальностей
ВУЗов/ Под ред. Блока В. М. - М.: Высшая школа, 1990. - 308 с.
ГОСТ 14209 -
85 (СТ СЭВ 3916 - 82). Трансформаторы силовые масляные общего назначения.
Допустимые нагрузки. - М.: Издательство стандартов, 1985. - 30 с.
Синягин Н. Н.
Система планово-предупредительных ремонтов оборудования и сетей промышленной
энергетики. - М.: Энергия, 1978. - 408
Инструкция по
проектированию силового и осветительного электрооборудования промышленных
предприятий. СН 357 - 77. М.: Госстрой СССР, 1977.