|
№
|
Наименование ПС
или фидера.
|
Коэф. транс
формации ТТ
|
Загрузка
трансформаторов тока зима max
|
Загрузка
трансформаторов тока лето min
|
|
|
|
|
|
|
|
|
1
|
2
|
2
|
4
|
5
|
6
|
7
|
|
1
|
ВЛ-110-18
|
150/5
|
30
|
20
|
18
|
12
|
|
2
|
ВЛ-35-214
|
100/5
|
19
|
19
|
5
|
5
|
|
3
|
Ввод 6кВ Т-1
|
1000/5
|
480
|
48
|
320
|
32
|
|
4
|
Ввод 6кВ Т-2
|
1000/5
|
295
|
29,5
|
0
|
0
|
|
5
|
Ф-2 Гаризон
|
100/5
|
28
|
28
|
13
|
13
|
|
6
|
Ф-10 Мясоком-
бинат
|
50/5
|
36
|
72
|
22
|
44
|
|
7
|
Ф-11 Связная-2
|
300/5
|
68
|
22,7
|
50
|
16.7
|
|
8
|
Ф-19 Совхоз-
техникум
|
75/5
|
44
|
14,6
|
26
|
34.7
|
|
9
|
Ф-23 Прийсковая
|
200/5
|
63
|
32
|
40
|
20
|
|
10
|
Ф-24 Меб.
Фабрика
|
300/5
|
81
|
27
|
48
|
16
|
|
11
|
Ф-25 Госпиталь
|
150/5
|
55
|
36,7
|
35
|
23.3
|
|
12
|
Ф-26 Связная-1
|
200/5
|
104
|
52
|
85
|
42.5
|
|
13
|
Ф-27 ЖБИ
|
150/5
|
19
|
12,7
|
3
|
2
|
|
14
|
Ф-28 Компрес-
сорная
|
50/5
|
15
|
30
|
3
|
6
|
|
15
|
Ф-29 Гарнизон
|
150/5
|
16
|
10,7
|
4
|
2.7
|
|
16
|
Ф-30 Водовод
|
150/5
|
8
|
5,3
|
2
|
1,3
|
|
17
|
Ввод 10кВ Т-3
|
150/5
|
69
|
46
|
23
|
15,3
|
|
18
|
Ф-1 В. Ключи
|
50/5
|
15
|
30
|
5
|
10
|
|
19
|
Ф-2 Алеур
|
20/5
|
9
|
45
|
3
|
15
|
|
20
|
Ф-3 СХТ
|
50/5
|
26
|
52
|
15
|
30
|
|
21
|
Ф-4 РРС
|
30/5
|
10
|
30
|
1
|
3,3
|
Минимальная загрузка трансформаторов составила Т-1=0% Т-2
40%, Т-3=9%
Максимальная нагрузка трансформаторов составилаТ-1=% Т-2=%
Т-3=%
Согласно контрольных замеров:
Рср. з. =9405кВт
Qср. з=3135квар
Sср. з=9913,74кВА
Мощность трансформаторов определяем по формуле
, кВА (2.1)
Где
Scp - средняя нагрузка потребителя,
кВА; n - число трансформаторов на подстанции;
β - оптимальный коэффициент загрузки
трансформаторов в нормальном режиме, для двухтрансформаторной подстанции β= 0,65…0,7
Принимаем к установке два трансформатора марки ТДТН-10000кВА
Проверяем загрузку трансформаторов в нормальном режиме по условию:
Где Smax - максимальная нагрузка потребителей в
2004году, кВА.
Sном. Т - номинальная мощность выбранного трансформатора, кВА;
n - число трансформаторов
(2.2)
В аварийном режиме трансформатор должен передавать всю необходимую
мощность. Проверим загрузку оставшегося в послеаварийном режиме по условию:
(2.3)
В соответствии с данными ОАО "Читаэнерго" прогнозируемые
максимальные нагрузки потребителей, питание которых осуществляется от шин 35
кВ, и 10кВ ПС на уровне 2006 года составят:
Шины 35 кВ: 3,2мВт с учетом коэффициента одновременности:
Шины 10 кВ: 1,6мВт с учётом коэффициента одновременности.
Дополнительная перспективная нагрузка:
1. На ВЛ-35-214 - 0,8 МВт;
Всего с учетом коэффициента мощности: 9,62МВА
Проведем расчет работы трансформаторов с учетом дополнительной
перспективной нагрузки:
,
На подстанции "Нерчинск" становлены два трансформатора
ТДТН - 10000/110.
,
Определим полную нагрузку подстанции с учетом дополнительной
нагрузки:
, МВА (2.3)
где: Sпол. ПС - полная нагрузка подстанции;
Sдоп -
дополнительная нагрузка.
.
Проверим работу трансформаторов в режиме перегрузки:


(2.4)
Условие проверки:
1,25<1,4 - условие выполняется.
Проверим работу трансформаторов в режиме недогруза:
(2.5)
Условие проверки:
(5)
,67>0,55 - условие выполняется.
Наиболее экономичным для трансформатора является понижающий режим
с передачей мощности в сеть среднего и низшего напряжения. Проверим работу
трансформатора в этом режиме.
Номинальные параметры трансформатора ТДТН-10000/110/35/10
Sном = 10
МВА = 10000 кВА;
Uвн ном =
115 кВ; Uсн ном = 38,5 кВ; Uнн ном=11кВ; Ктип=0,5.
Определим необходимые для расчетов параметры:
типовую мощность трансформатора:
кВА (2.6)
где Ктип - коэффициент типовой мощности.
общий номинальный ток:
(2.7)
Загрузка трансформатора на стороне высокого, среднего и низкого
напряжения:
Sвн =
7469,44кВА; Sсн = 3789,72кВА; Sнн = 1950кВА.
(2.8)
,
(2.9)
кА (2.10)
(2.11)
Условие проверки:
I0 < I о ном
(2.12)
,0185<0,075 - условие выполняется, следовательно такой режим
допустим.
Исходя из того, что все условия проверки трансформаторов, с учетом
дополнительной нагрузки, выполняются, оставляем в работе трансформаторы:
ТДТН-10000 110/35/10кВ
Вывод.
Проверочный расчет трансформаторов на подстанции показал, что
увеличение их мощности не требуется.
Провожу проверочный расчёт понижающего трансформатора ТМН 4000
35/10
Согласно контрольных замеров:
Рср. з. =1985,714кВт
Qср. з=406,83квар
Sср. з=2035,367кВА
Мощность трансформаторов определяем по формуле
, кВА (2.13)
Где Scp - средняя нагрузка потребителя, кВА;
n - число трансформаторов на подстанции;
β - оптимальный коэффициент загрузки
трансформаторов в нормальном режиме, для однотрансформаторной подстанции β= 0,9
Принимаем к установке два трансформатора марки ТМН-2500кВА
Проверяем загрузку трансформаторов в нормальном и аварийном
режимережиме по условию:
(2.14)
Где Smax - максимальная нагрузка потребителей в
2004году, кВА.
Sном. Т - номинальная мощность выбранного трансформатора, кВА;
В аварийном режиме трансформатор должен передавать всю необходимую
мощность. Проверим загрузку оставшегося в послеаварийном режиме по условию:
Окончательно выбираем трансформатор типа ТМН-2500/35 устанавливаю
трансформаторы ТМН-2500/35
Производим технико-экономическое сравнение вариантов
I-устанавливаю трансформаторы ТМН-2500/35
II-оставлены в работе трансформаторы ТМН-4000/35
Экономическим показателем является минимум приведённых затрат,
определённый по формуле:
З=Ен·К+И, тыс. руб/год (2.15)
Где Ен - нормативный коэффициент сравнительной эффективности
капитальных вложений. Ен=0,12
К - единовременные капиталовложения, тыс. руб. /*год.
И - ежегодные эксплуатационные издержки определяются по формуле:
+β·∆W, тыс. руб (2.16)
Где Ра, Ро - отчисления на амортизацию и обслуживание, %, общая -
Ра=6,4%, затраты на обслуживание - Ро=3%. По Л-1 (справочник по проектированию
электроэнергетических систем под редакцией С.С. Рокотяна и И.М. Шапиро третье
издание переработанное и дополненное Москва энергоатомиздат 1985год 352с.)
таблица 8.2.
β-стоимость электроэнергии, согласно
решения №60 от 15 декабря 2005года ОАО "Читаэнерго" β=1,02руб.
/кВт·час.
∆W-годовые потери электроэнергии в
трансформаторе, определяются по формуле:
∆W=PxT+Pkβ
²·τв+Pkн
²τн, (2.17)
Где ∆Pх - потери
холостого хода трансформатора, кВт;
Т - время работы трансформаторов, Т=8760часов;
Ркв, Ркн - потери короткого замыкания в обмотках высокого и
низкого напряжения.
Sс. в., Sс. н. - средняя нагрузка обмоток высокого
и низкого напряжения; τв, τн - время наибольших потерь в обмотках
высокого и низкого напряжения, час; определяются исходя из продолжительности
использования максимальной нагрузки, Тmax.
Время использования максимальной нагрузки определяется по формуле:
, ч (2.18)
Где Pi - активная мощность каждого периода, кВт;
ti - время потребления Рi, час
Рmax - максимальная активная мощность за весь
период, кВт. Определяем Тmax - для
обмоток высокого и низкого напряжения. Принимаем данные по показаниям счётчиков
подстанции Т-3и отходящих фидеров по 10кВ данные расчётов свожу в таблице №2.2
Таблица №2. расчёт мощностей на напряжение 10кВ.
|
Т-3
|
,t, час
|
ΣP, кВт
|
Тmax
|
|
1
|
2
|
3
|
4
|
|
12,62,8
|
744
|
939523,2
|
|
|
1654,2
|
696
|
1151323
|
|
|
1657,6
|
1233254
|
|
|
1416,8
|
720
|
1020096
|
|
|
1149,4
|
744
|
855153,6
|
|
|
781,2
|
720
|
562464
|
|
|
702,8
|
744
|
522883,2
|
|
|
723,8
|
744
|
538507,2
|
|
|
988,4
|
720
|
711648
|
|
|
1269,8
|
744
|
944731,2
|
|
|
1495,2
|
720
|
1076544
|
|
|
1262,8
|
744
|
939523,2
|
|
|
|
10495651
|
6331,836
|
τм=
²·8760, час (2, 19)
τ=
²·8760=5022час
Определяем суммарную мощность на стороне 35кВ. по формуле (2.18)
рассчитываю время использования максимальной нагрузки данные свожу в таблице
№2.3
Таблица №.3 Тmax на стороне 35кВ
|
Суммарная Р,
кВт
|
‘t’ч
|
ΣР, кВт
|
Тmax, ч
|
|
1
|
2
|
3
|
4
|
|
1998,15
|
744
|
1486624
|
|
|
1787,1
|
696
|
1243822
|
|
|
1710,45
|
744
|
1272575
|
|
|
1529,85
|
720
|
1101492
|
|
|
1311,45
|
744
|
975718,8
|
|
|
1045,8
|
720
|
752976
|
|
|
897,75
|
744
|
667926
|
|
|
1058,4
|
744
|
787449,6
|
|
|
1173,9
|
720
|
845208
|
|
|
1412,25
|
744
|
1050714
|
|
|
1697,85
|
720
|
1222452
|
|
|
1998,15
|
744
|
1486624
|
|
|
|
12893580
|
6452,759
|
τм=
²·8760, час (2, 19) τ=
²·8760=5184час
Таблица№2.4 Тmax на стороне
10кВ
Вариант I: трансформатор
ТМН 2500/35-
∆Pх=4,35кВт, ∆Pк=25кВт
∆W=4,35·8760+25·
²·5184+25
²·5022=
176091,17кВт/год
∆W=176091,17*1,02=179,6кВт/год
Капитальные затраты для варианта Iскладываются:
К1=Ст+См-Св. пр.; (2.20)
Где Ст - стоимость трансформатора, Ст=170тыс. руб (Л-1 таб. №9,18)
См-стоимость монтажных работ, См=1000тыс. руб (Л-1 таб. №9,35)
Св. пр. - сумма от продажи трансформатора ТМН-4000/35 сторонней
организации за 20% от первоначальной стоимости
Св. пр. =2,3*20%=46тыс. руб
К1=170+1000-46=1124тыс. руб.
Ежегодные эксплуатационные издержки: по формуле 2.16
И= (6,4+3) /100*1124+1,02*179,6=285,3тыс. руб.
Затраты по Iварианту
З1=0,12*1124+285,3=420,18тыс. руб.
Вариант II:
трансформаторы ТМН-4000/35-
∆Рх==5,74,35кВт, ∆Рк=33,525кВт
∆W=5,7·8760+33,5·
²·5184+33,5
²·5022=
=122158,6кВт/год
Трансформатор ТМН-4000/35 был установлен на подстанции
"Нерчинск" в 1979 году, срок его работы составляет 27 лет. Отчислений
на его амортизацию и обслуживание уже не производится, ежегодные издержки
складываются:
И=β·∆W=1,02*122,1586=124,602тыс.
руб.
Затраты по II-варианту
составили: З2=И2=124,602тыс. руб.
Результаты технико-экономических показателей сведены в таблице
№2.5
Таблица №.4 - Технико-экономическое сравнение вариантов.
|
Вариант
|
∆W·β, тыс. руб/год
|
И, тыс руб
|
К, тыс. руб.
|
З, тыс. руб
|
|
вариантI
ТМН-4000/35
|
179,6
|
285,3
|
1124
|
420,18
|
|
вариантII
ТМН-2500/35
|
124,602
|
124,602
|
----
|
124,602
|
Срок окупаемости замены трансформаторов:
То= (З1-З2) / (∆W·β1+∆W·β2), лет (2.10)
То= (420,18-124,602) /179,6-124,602=5,37года.
То=5,37 года<Тн=8лет, поэтому экономически целесообразен I - вариант - установка
трансформатора ТМН-2500/35.
3. Расчёт
токов короткого замыкания в сети высокого напряжения
Токи короткого замыкания на шинах 110кВ взяты по данным ВПЭС
и равны:
I (3) К-1 max=2200А раб. 1940
I (3) К-1 min=1300Араб.1200
В дипломном проекте этот расчет ведется с целью проверки
выбранной аппаратуры, проводов и кабелей на динамическую и термическую
стойкость
Для расчёта схемы замещения запишем следующие исходные
параметры элементов схемы:
Трансформаторы Т-1 и Т-2 типаТДТН-10000/110/35/10
Т-1, Т-2
Sн. т. =10000кВА
Uвн=115кВ Uк вн-сн=10,5%
Uсн=38,5кВUк вн-нн=17%
Uнн=11кВUк сн-нн=6%
На подстанции "Нерчинск" установлены два
трёхобмоточных трансформатора мощностью по 10МВ*А, напряжением 115/38,5/11кВ.
Работа трансформаторов отдельная.
Принимаю трансформатор типа ТДТН-10000/110 со следующими
параметрами:
Sн=10МВ·А; Uвн=115кВ; Uсн=38,5кВ; Uнн=11кВ; ∆Pх=19кВт; ∆Pк=80кВт; Ukв-с=10,5%; Ukв-н=17%; Ukс-н=6%; Ix=1,1%
Для выбора и проверки силового оборудования расчёт ведём
приближённым приведением в относительных единицах.
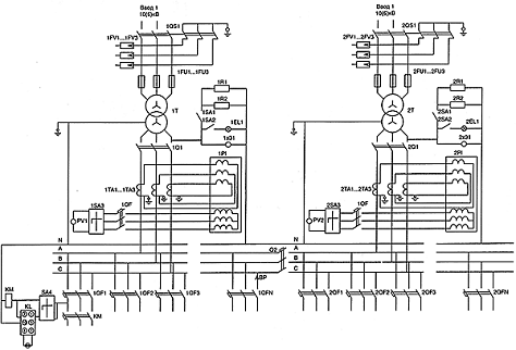
Рисунок №1 - Схема замещения сети высокого напряжения для расчётов
тока короткого замыкания
3.1 Расчёт
токов КЗ на шинах 110кВ
Воспользуемся методом точного приведения в относительных
единицах (ТПОЕ)
Принимаем базисные величины: Для Т-1 и Т-2
базисная мощность-Sб=100МВ*А;
базисное напряжение Uб=Uср ном. =115 кВ;
базисный ток
=
. (3.1)
сопротивление базисное 
(3.2)
Система:
; (3.3)
(3.4)
(3.5)
Линии:
(3.6)
Хл. min=0,157о. е.
Трансформаторы:
Uкв=0,5 (Uк вн-сн+Uк сн-нн - Uк сн-нн) =0,5
(10,5+17,5-6,5) =10,75%
Uкс=0,5 (Uк вн-сн+Uк сн-нн - Uк вн-нн) =0,5
(10,5+6,5-17,5) =0%
Uкн=0,5 (Uк вн-нн+Uк сн-нн-Uк вн-сн) =0,5
(17,5+6,5-10,5) =6,75%
(3.7)
ХТ-1с=ХТ-2с=0
(3.8)
Максимальный режим:
Х1=Хс. max+Xл. max=0,022+0,078=0,1о. е.
Х2=XТ-1в // ХТ-2в=
=0,535о. е. (3.9)
ХΣ=
ХΣ=
(3.10)
I (3) к2max=
(3.11)
I (3) к2max=
Минимальный режим:
Х1=Хс. min+Xл. min=0,038+0,157+=0, 195о. е. (3.12)
ХΣ=Х1 //
Хтн1=
=
о. е. (3.13)
I (3) к2min
(3.14)
3.2 Расчёт
токов КЗ на шинах 35кВ
Принимаем базисные величины:
базисная мощность-Sб=100МВ*А;
базисное напряжение Uб=Uср ном. =38,5 кВ;
базисный ток
=
. (3.1)
сопротивление базисное 
(3.2)
Система:
; (3.3)
(3.4)
(3.5)
Линии:
(3.6)
,
Хл. min=0,17о. е.
Трансформаторы:
(3.7)
для трансформатора Т-3
Sн. т. =2500кВА
Uвн=35кВUк. Вн-нн=6,5%
Uнн=11кВ
Линии ВЛ-237: провод АС-70/11 L=0,02м, Худ=0,4Ом
Линии:
(3.6)
Хл. min=0,00006о. е
Трансформатор.
(3.7)
Максимальный режим:
Х1=Хс. max+Xл. max+0,08+0,0025=0,0825о. е. (3.15)
Х2=XТ-1в // ХТ-2в =
=о. е. (3.16)
Х3= Хл2+ХТ3 (0,00003+0,291) =0,29103о. е.
Х4= X1+Х2=0,0825+0,0595=0,142о. е. (3.9)
ХΣ=
(3.9)
I (3) к2max=
(3.10)
I (3) к2max=
Минимальный режим:
Х1=Хс. min+Xл. min+XТ-1в=0,16+0,038+0,119=0,317о.
е. (3.11)
Х2=ХТ-3+Хл2=0,291+0,00006=0,29106о. е. (3.17)
Х3=ХΣ=Х1 // Х2=
I (3) к2min
(3.13)
3.3 Расчёт
токов КЗ на шинах 10кВ
Базисные условия:
Sб=100мВА;
Uб=11кВ
Базисный ток 
кА (3.1)
Сопротивление базисное:
(3.2)
Система:
; (3.3)
(3.5)

Линии:
*КТ² (3.6)
Хл. min=0,0006о. е.
Линии:
(3.6)
Хл. min=0, 192о. е.
Трансформаторы:
(3.7)
Максимальный режим:
Х1=Хс. max+Xл. max= 0,0026+0,096=0,0986о. е. (3.9)
Х2= Хт3+Хл2=0,291+0,0001=0,2911о. е.
Х3=ХТ1в // ХТ2в=0,12/2=0,06о. е.
Х4=Х1+Х5=0,0986+0,06=0,1586о. е.
ХΣ=Х4+Х2=0,2911+0,1586=0,4497о.
е.
I (3) к2max
(3.10)
I (3) к2max
Минимальный режим:
Х1 =Хс. min+Xл. min+ХТ1в=0,0045+0,
192=0, 1965о. е. (3.11)
Х2=ХТ3+ХЛ2=0,291+0,0006=0,2916о. е.
Х3=Х3+Х2+ХТ1в=0,12+0, 1965+0,2916=0,608о. е.
I (3) к2min=
(3.10)
I (3) к2min=
3.4 Расчёт
токов КЗ на шинах 10кВ трансформаторов Т-2 и Т-1
Принимаем базисные величины:
базисная мощность-Sб=100МВ*А;
базисное напряжение Uб=Uср ном. =11 кВ;
базисный ток
=
. (3.1)
сопротивление базисное 
Система:
; (3.3)
(3.4)
(3.5),
Линии:
(3.6)
Хл. min=0,157о. е.
Трансформаторы:
(3.7)
(3.8)
Трансформаторы:
Максимальный режим:
Х1=Хс. max+Xл. max=0,023+0,078=0,1о. е.
Х2=Хт1в // ХТ2в=0,537о. е.
Х3=ХТн1 // ХТн2=0,673/2=0,337о. е.
ХΣ=0,537+0,337+0,1=0,975о. е.(3)
к2max=
(3.10), I (3) к2max=
Минимальный режим:
Х1=Хс. min+Xл. min=0,038+0,157=0, 195о. е. (3.11)
Х2=ХТв1+Х1=1,27о. е.
Х3=Х2+ХТ1н=1,27+0,673=1,943о. е.
I (3) к2max=
(3.10)
I (3) к2max=
По данным Нерчинского РЭС мощность КЗ на шинах подстанции
10кВ=143МВА
Таблица № 5 сопротивление кабельных линий.
|
№ кл
|
L, км
|
R, Ом/км
|
Х, Ом/км
|
S. б О. е.
|
U. б²
кВ
|
Худ, О. е.
|
Х, О. е.
|
|
1
|
2
|
3
|
4
|
5
|
6
|
7
|
8
|
|
Кл-27
|
0,04
|
0,326
|
0,083
|
100
|
121
|
0,336
|
0,0009
|
|
Кл-28
|
0,14
|
0,326
|
0,083
|
100
|
121
|
0,336
|
0,003
|
|
Кл-10
|
0,172
|
0,258
|
0,081
|
100
|
121
|
0,27
|
0,03
|
|
Кл-23
|
0,116
|
0,443
|
0,086
|
100
|
121
|
0,035
|
|
Кл-19
|
0,152
|
0,443
|
0,086
|
100
|
121
|
0,451
|
0,033
|
|
Кл-24
|
0,126
|
0,326
|
0,083
|
100
|
121
|
0,336
|
0,003
|
|
Кл-25
|
0,114
|
0,326
|
0,083
|
100
|
121
|
0,336
|
0,003
|
|
Кл-26
|
0,1
|
0,258
|
0,081
|
100
|
121
|
0,27
|
0,0018
|
|
Кл-11
|
0,12
|
0,258
|
0,081
|
100
|
121
|
0,27
|
0,0018
|
Для выбора оборудования определяем значение тока при самом
тяжёлом случае КЗ, таковым является трёхфазное короткое замыкание
3.5 Расчёт
однофазного КЗ на землю110кВ
Расчёт однофазного КЗ на землю на шинах 110кВ необходим для
расчёта заземляющего устройства на подстанции, поэтому необходимо знать
максимально возможный ток на землю.
При расчёте используем метод симметричных составляющих и
правило эквивалентной прямой последовательности. Определив ток прямой
последовательности фазы "А" в месте КЗ, найдём и все остальные
симметричные составляющие.
Базисные условия:
Sб=100МВА;
Uб=110кВ
Схема замещения прямой последовательности аналогична случая
трёхфазного КЗ, т.е.:
ХΣ=0,084о.
е.
ЕΣ=1о. е.
Схема замещения обратной последовательности аналогична схеме
замещения прямой последовательности, но без ЭДС генерирующих ветвей, а поэтому:
ХΣ=0,084о.
е.
Схема замещения нулевой последовательности представлена на рисунке
2
Рисунок 2 - Схема замещения
Параметры схемы замещения:
(3.18)
(3.19)
для двухцепной линии с тросом.
(3.20)
Хн=0
Сворачиваю схему: Х1=Хс+Хл=0,022+0,234=0,256о. е. (3.21)
Х2= ХТ-в-1/2=1,07/2=0,535о. е. (3.22)
ХΣ0=
(3.23)
ХΣ0=
(3.24)
Ток однофазного КЗ на землю в точке К-1:
IА1 (1) =
(3.25)
IА1 (1) =
IА2 (1) = IА1 (1) =IА1 (1) =1,47кА
Ток повреждённой фазы:
IА (1) =3* IА1 (1) (3.26)
IА (1) =3*1,47=4,416кА
3.5
Результаты расчётов токов КЗ
Определим ударный ток КЗ по формуле:
iуд=Ку*√2*Iк. (3) max, кА (3.27)
Где Ку ударный коэффициент для цепей рассчитываемый без учёта
активных нагрузок согласно (Л-2-таблица 2.45) (Ку=1,7)
iудК-1=1,7*√2*5,79=13,92кА
iудК-2=1,7*√2*15,72=37,8кА
iудК-3=1,7*√2*5,4=12,98кА
Мощность Кз определяем по формуле:
Sк1=√3∙Uн∙Iк (3) max (3.28)
Sк1=√3*115*5,79=1151,92МВА
Sк2=√3*38,5*15,72=1047МВА
Sк3=√3*11*5,4=102,76МВА
Для удобства дальнейших расчётов данные, полученные при
расчёте токов КЗ занесём в таблицу №3.1.
Таблица № 6 - Результаты расчёта токов КЗ:
|
Шины 110кВ
|
Шины 35кВ
|
|
Шины10кВ
|
|
Iк. (3) max, кА
|
5,79
|
15,72
|
|
5,4
|
|
Iк. (3) min, кА
|
3,34
|
10
|
|
2,7
|
|
Iуд, кА
|
13,92
|
37,8
|
|
12,98
|
|
Sк, кА
|
1151,92
|
1047
|
|
102,76
|
|
Iк. (1) max,
|
4,416
|
|
|
|
3.6
Расчёт токов КЗ отходящих фидеров и КТП
Электроснабжение города Нерчинска осуществляется по девяти
фидерам. Сети выполнены в основном воздушной линией. Пример расчёта по
фидеру№10 "Мясокомбинат"
Составляю схему замещения:
Рисунок 3 - Схема замещения отходящего фидерадлина всей линии L=6,86км-98 опор.
Расстояние между опорами 0,07км. линия выполнена проводом АС-95.
расстояние до КТП-493 равно по схеме 0,77км проводом АС-95, и 0,35км до КТП
проводом АС-35. мощность трансформатора КТП кВ100кВА 10/0,4
ВЛ-95=0,77*Худ=0,77*0,306=0,277Ом; ХВЛ-35=0,35*0,89=0,313Ом.
Сопротивление трансформатора R=23,4Ом, Х=50,5Ом.
Zтр-ра=√Х²+R²=√23,4²+50,5²=55,5Ом
В общем случае начальное действующее значение периодической
составляющей трехфазного тока КЗ в точке:
(23)
где XS и RS - соответственно суммарные индуктивное и
активное сопротивления цепи, мОм;
U - среднее напряжение ступени, принимаемое U=1.05×UНОМ =
400кВ для практических расчетов.
Ударный ток КЗ:
(28)
где kу =1,3 - ударный коэффициент;
Наибольшее действующее значение тока КЗ:
(29)
Ток двухфазного КЗ:
(30)
Все аналогичные расчеты сведем в таблицу 6.
|
№ТП
|
Хвл-1
|
Хвл-2
|
Хт
|
∑Х
|
Iкз
|
iуд
|
|
|
|
493 100
|
0,2541
|
0,2975
|
55,65797
|
56, 20957
|
4,108555
|
7,553486
|
|
|
|
415 400
|
1,8249
|
0,1625
|
13,18977
|
15,17717
|
15,21628
|
27,9748
|
|
|
|
36 400
|
1,8249
|
0,546
|
13,18977
|
15,56067
|
14,84127
|
27,28535
|
|
|
|
419 400
|
1,9635
|
0,6545
|
13,18977
|
15,80777
|
14,60928
|
26,85883
|
|
|
|
489 160
|
0,4508
|
0,5355
|
33,94584
|
34,93214
|
6,611107
|
12,15437
|
|
|
|
400
|
0,4508
|
0,5355
|
13,18977
|
14,17607
|
16,29084
|
29,95035
|
|
|
|
598 400
|
0,5152
|
0,2295
|
13,18977
|
13,93447
|
16,5733
|
30,46964
|
|
|
|
490 320
|
0,644
|
0
|
13,18977
|
13,83377
|
16,69394
|
30,69144
|
|
|
|
491 250
|
0,805
|
0, 1932
|
21,34596
|
22,34416
|
10,33559
|
19,00175
|
|
|
|
492 400
|
1,0948
|
0,238
|
13,18977
|
14,52257
|
15,90215
|
29,23575
|
|
|
|
424,,63
|
1,3524
|
0
|
88,97061
|
90,32301
|
2,556825
|
4,700665
|
|
|
|
425,,,250
|
1,771
|
0
|
21,34596
|
23,11696
|
9,990073
|
18,36653
|
|
|
|
430,,,100
|
2,1896
|
0,0595
|
55,65797
|
57,90707
|
3,988116
|
7,332061
|
|
|
|
442,,,250
|
2,1896
|
2,0825
|
21,34596
|
25,61806
|
9,014738
|
16,57339
|
|
|
|
445,,160
|
2,5116
|
0
|
33,94584
|
36,45744
|
6,334513
|
11,64586
|
|
|
|
39,,630
|
2,737
|
0,119
|
9,848858
|
12,70486
|
18,17731
|
33,41857
|
|
|
|
461,,180
|
2,9302
|
0,0595
|
23,70232
|
26,69202
|
8,652028
|
15,90656
|
|
|
|
02 63
|
1,4364
|
0,1785
|
88,97061
|
90,58551
|
2,549415
|
4,687043
|
|
|
|
03 160
|
1,5309
|
0,578
|
33,94584
|
36,05474
|
6,405264
|
11,77593
|
|
|
|
13 100
|
1,5309
|
1,105
|
55,65797
|
58,29387
|
3,961653
|
7,283411
|
|
|
|
586 100
|
1,9089
|
0,4655
|
55,65797
|
58,03237
|
3,979505
|
7,316231
|
|
|
|
587 160
|
0
|
0
|
33,94584
|
33,94584
|
6,803193
|
12,50752
|
|
|
|
588 160
|
2,1357
|
0
|
33,94584
|
36,08154
|
6,400506
|
11,76719
|
|
|
|
589 250
|
2,1546
|
0,5355
|
21,34596
|
24,03606
|
9,608068
|
17,66422
|
|
|
|
26 400
|
1,568
|
0,17
|
13,18977
|
14,92777
|
15,4705
|
28,44218
|
|
|
|
477 180
|
1,8354
|
0
|
33,94584
|
35,78124
|
6,454223
|
11,86595
|
|
|
|
20 400
|
0,805
|
0,065
|
13,18977
|
14,05977
|
16,4256
|
30, 19809
|
|
|
|
528 100
|
1,82
|
0
|
55,65797
|
57,47797
|
4,017889
|
7,386799
|
I наиб
|
Iк2
|
|
524 160
|
2,093
|
0
|
33,94584
|
36,03884
|
6,40809
|
11,78113
|
5, 196956
|
0,866025
|
|
529 100
|
0,7735
|
0,119
|
40,21323
|
5,742888
|
10,55817
|
19,24725
|
0,866025
|
|
73 100
|
1,5925
|
0
|
39,32073
|
40,91323
|
5,644631
|
10,37753
|
18,77289
|
0,866025
|
|
57 320
|
2,275
|
0
|
13,18977
|
15,46477
|
14,9333
|
27,45455
|
18,47944
|
0,866025
|
|
536 250
|
2,912
|
0,2975
|
21,34596
|
24,55546
|
9,404837
|
17,29058
|
8,362462
|
0,866025
|
|
542 400
|
2,912
|
0,2975
|
13,18977
|
16,39927
|
14,08234
|
25,89007
|
20,60647
|
0,866025
|
|
534 100
|
3,0485
|
0,119
|
39,32073
|
42,48823
|
5,43539
|
9,992843
|
20,96375
|
0,866025
|
|
72 250
|
3,276
|
0
|
21,34596
|
24,62196
|
9,379436
|
17,24388
|
21,11635
|
0,866025
|
|
543 160
|
3,5945
|
0
|
33,94584
|
37,54034
|
6,151785
|
11,30992
|
13,0736
|
0,866025
|
|
74 400
|
0,819
|
0,425
|
13,18977
|
14,43377
|
15,99999
|
29,41562
|
20,11481
|
0,866025
|
|
52 630
|
2,912
|
0,0626
|
9,848858
|
12,82346
|
18,00919
|
33,1095
|
3,234156
|
0,866025
|
|
400
|
2,912
|
0,0626
|
13,18977
|
16,16437
|
14,28699
|
26,2663
|
12,63655
|
0,866025
|
|
478 630
|
3,549
|
0,476
|
9,848858
|
13,87386
|
16,6457
|
30,60275
|
5,044612
|
0,866025
|
|
630
|
3,549
|
0,476
|
9,848858
|
13,87386
|
16,6457
|
30,60275
|
11,40284
|
0,866025
|
|
481 100
|
2,6082
|
0,2275
|
55,65797
|
58,49367
|
3,948121
|
7,258532
|
8,012595
|
0,866025
|
|
480 100
|
2,6404
|
0
|
55,65797
|
58,29837
|
3,961347
|
7,282849
|
22,99268
|
0,866025
|
|
483 160
|
3,22
|
0,357
|
33,94584
|
37,52284
|
6,154654
|
11,31519
|
10,94405
|
0,866025
|
|
482 160
|
3,703
|
0
|
33,94584
|
37,64884
|
6,134057
|
11,27733
|
3,224784
|
0,866025
|
|
484 320
|
4,025
|
0
|
13,18977
|
17,21477
|
13,41523
|
24,6636
|
8,102089
|
0,866025
|
|
485 250
|
4,0572
|
0,1785
|
21,34596
|
25,58166
|
9,027565
|
16,59698
|
5,011139
|
0,866025
|
|
488 180
|
4,2182
|
1,9635
|
33,94584
|
40,12754
|
5,755153
|
10,58072
|
5,03372
|
0,866025
|
|
48 40
|
4,6046
|
0
|
141,6407
|
146,2453
|
1,579128
|
2,903192
|
8,605435
|
0,866025
|
|
51 160
|
4,7334
|
0,952
|
33,94584
|
39,63124
|
5,827224
|
10,71322
|
8,096071
|
0,866025
|
|
463 180
|
0,8505
|
0,0455
|
33,94584
|
34,84184
|
6,628241
|
12,18587
|
12,15335
|
0,866025
|
|
404 400
|
0,8883
|
0,119
|
13,18977
|
14, 19707
|
16,26675
|
29,90605
|
19,56881
|
0,866025
|
|
407 560
|
1,1151
|
0
|
9,848858
|
10,96396
|
21,06357
|
38,7249
|
8,164018
|
0,866025
|
|
510 100
|
1,1718
|
0,119
|
55,65797
|
56,94877
|
4,055225
|
7,455441
|
20,77692
|
0,866025
|
|
511 160
|
1,3797
|
0
|
33,94584
|
35,32554
|
6,537483
|
12,01902
|
5,082272
|
0,866025
|
|
66 250
|
0,8505
|
1,5925
|
21,34596
|
23,78896
|
9,707869
|
17,8477
|
8,105663
|
0,866025
|
|
250
|
0,8505
|
1,5925
|
21,34596
|
23,78896
|
9,707869
|
17,8477
|
7,264243
|
0,866025
|
|
495 100
|
1, 1907
|
0
|
55,65797
|
56,84867
|
4,062366
|
7,468569
|
7,139956
|
0,866025
|
|
68 100
|
1,2474
|
0
|
55,65797
|
56,90537
|
4,058318
|
7,461127
|
18,8893
|
0,866025
|
|
497 250
|
1,3608
|
0,476
|
21,34596
|
23,18276
|
9,961718
|
18,3144
|
11,89628
|
0,866025
|
|
69 160
|
1,3986
|
0,6545
|
33,94584
|
35,99894
|
6,415192
|
11,79419
|
17,81291
|
0,866025
|
|
14 160
|
1,4553
|
0,02125
|
33,94584
|
35,42239
|
6,519608
|
11,98615
|
6,875285
|
0,866025
|
|
70 160
|
1,4553
|
0,102
|
33,94584
|
35,50314
|
6,50478
|
11,95889
|
11,86415
|
0,866025
|
|
100
|
1,4553
|
0,102
|
55,65797
|
57,21527
|
4,036337
|
7,420715
|
7,781461
|
0,866025
|
|
466 160
|
0,455
|
0,1785
|
33,94584
|
34,57934
|
6,678558
|
12,27838
|
20,23856
|
0,866025
|
|
250
|
0,455
|
0,1785
|
21,34596
|
21,97946
|
10,50709
|
19,31705
|
22,78003
|
0,866025
|
|
30 160
|
0,819
|
0,425
|
33,94584
|
35,18984
|
6,562693
|
12,06536
|
18,07177
|
0,866025
|
|
470 160
|
0,8645
|
0
|
34,81034
|
6,634239
|
12, 1969
|
21,05533
|
0,866025
|
|
475 100
|
1,365
|
0,119
|
55,65797
|
57,14197
|
4,041514
|
7,430234
|
21,05533
|
0,866025
|
|
472 250
|
1,092
|
0,238
|
21,34596
|
22,67596
|
10,18436
|
18,72372
|
4,994022
|
0,866025
|
|
473 400
|
1,274
|
0,357
|
13,18977
|
14,82077
|
15,58219
|
28,64752
|
5,010752
|
0,866025
|
|
474 400
|
1,365
|
0,1785
|
13,18977
|
14,73327
|
15,67474
|
28,81765
|
7,78509
|
0,866025
|
|
476 160
|
2,093
|
0
|
33,94584
|
36,03884
|
6,40809
|
11,78113
|
7,759036
|
0,866025
|
|
545 250
|
0,273
|
0
|
21,34596
|
21,61896
|
10,6823
|
19,63916
|
16,96907
|
0,866025
|
|
547 250
|
0,5915
|
0,2975
|
21,34596
|
22,23496
|
10,38635
|
19,09507
|
11,41907
|
0,866025
|
|
544 63
|
0,728
|
0
|
88,97061
|
89,69861
|
2,574623
|
4,733387
|
7,279756
|
0,866025
|
|
550 250
|
0,8645
|
0,1785
|
21,34596
|
22,38896
|
10,31491
|
18,96373
|
1,997457
|
0,866025
|
|
414 400
|
0,91
|
0,1785
|
13,18977
|
14,27827
|
16,17424
|
29,73597
|
7,37092
|
0,866025
|
|
553 400
|
1,5015
|
0,238
|
13,18977
|
14,92927
|
15,46895
|
28,43932
|
8,384135
|
0,866025
|
|
552 630
|
1,6835
|
0
|
9,848858
|
11,53236
|
20,0254
|
36,81625
|
20,57599
|
0,866025
|
4.
Выбор оборудования
4.1 Выбор шин
Так как сборные шины электроустановок и ошиновка в пределах
открытых и закрытых распределительных устройств всех напряжений не выбираются
по экономической плотности тока, то принимаем сечение по допустимому току при
максимальной нагрузке на шинах, равной току наиболее мощного присоединения.
На стороне 110 кВ наиболее мощным присоединением является
присоединение питающей линии
А (4.1)

В режиме аварийной нагрузки:
(4.2)
По значению Imax
из [16] принимаем провод марки АС-120/19 с номинальными данными d = 15,2 мм; I доп = 380А
(стр.20 [16])
Фазы расположены горизонтально с расстоянием l между фазами 290 см. Проверим выбранный провод по условиям
нагрева:
(4.3)
Проверка на термическое действие тока короткого замыкания не
производится, так как шины выполнены голыми проводами на открытом воздухе.
Проверка по условию коронирования - согласно [1] минимальное
сечение для воздушных линий 35 кВ составляет 120 мм2, поэтому
необходимо провести расчет по условию коронирования.
Номинальная критическая напряженность определяется по формуле:
(4.4)
где m - коэффициент, учитывающий шероховатость
поверхности провода, m=0,82/0,94
ro - радиус провода
Напряженность электрического поля около поверхности провода
определяется по выражению:

(4.5)
где Dcр - среднее геометрическое расстояние между проводами фаз, см

(4.6)
Dср=1,26*300=378см - при горизонтальном расположении фаз
Условия проверки:
(41)
Условие выполняется.
Таким образом провод АС-120/19 по условиям короны проходит,
принимаем его в качестве шин 110кВ.
На стороне 35кВ
На стороне 35 кВ наиболее мощным является присоединение
трансформатора ТМН-2500/35. В аварийном режиме трансформатор может быть
перегружен не более чем на 40% проведём проверку:
присоединение питающей линии
А (4.1)

В режиме аварийной нагрузки:
(4.2)
По значению Imax
из [16] принимаем провод марки АС-120/19 с номинальными данными d = 15,2 мм; I доп = 380А
(стр.20 [16])
Фазы расположены горизонтально с расстоянием l между фазами 290 см.
Проверим выбранный провод по условиям нагрева:
(4.3)
Проверка на термическое действие тока короткого замыкания не
производится, так как шины выполнены голыми проводами на открытом воздухе.
Проверка по условию коронирования - согласно [1] минимальное
сечение для воздушных линий 35 кВ составляет 120 мм2, поэтому
необходимо провести расчет по условию коронирования.
Номинальная критическая напряженность определяется по формуле:
(4.4)
где m - коэффициент, учитывающий шероховатость
поверхности провода,
m=0,82, ro - радиус провода
Напряженность электрического поля около поверхности провода
определяется по выражению:

(4.5)
где Dcр - среднее геометрическое расстояние между проводами фаз, см
(4.6)
Dср=1,26*150=189см - при горизонтальном расположении фаз
Условия проверки:
(4.7)
Условие выполняется.
На стороне 10 кВ

(4.1)
(4.2)
По значению Imax из [Л-3]
принимаем двухполосные шины 2/100х8мм² с номинальными данными:
d=7,97см², Iдоп = 2390 А (Таблица П3-2 Л-3)
Фазы расположены горизонтально с расстоянием l между фазами 180 см.
Проверим выбранный провод по условиям нагрева:
(4.9)
- проверка шин на термическую стойкость:
(4.8)
где С - термический коэффициент, для алюминиевых шин по
(таблице3.12 - Л-3) С=91
Вк - тепловой импульс квадратичного тока
Где t0-время отключения тока КЗ, с
t0=tр. з. +tо. в. =0,1+0,2=0,3c;
Та - постоянная времени затухания апериодической составляющей тока
КЗ, с согласно (таблице 2.45. Л1) Та=0,02с
Вк=1279²*
(0,3+0,02) =52,5кА²с
,
что меньше выбранного сечения, Данные шины по сечению проходят
2,5мм²≤800мм². Шины термически стойки.
Проверяем шины на механическую прочность. Определяем длину пролёта
между изоляторами, при условии, что частота собственных колебаний будет меньше
200 Гц в этом случае проверка шин на электродинамическую стойкость производится
с предположением, что шины и шинные изоляторы являются статической системой с
нагрузкой равной максимальной силе, возникающей при к. з.
(4.11)
где J-момент инерции поперечного сечения шины
относительно оси, перпендикулярной направлению изгибающей силы; g-поперечное сечение шины. Из формулы получим:
(4.12)
Рисунок 4 - Шины расположены на ребро.
J=0.72*b³*h
J=0.72*0.8³*10=3,68cm²·²
Если шины расположены на изоляторах плашмя.
Рисунок 5.
По данным расчетов при расположении шин плашмя длина пролета между
изоляторами увеличилась с 0,76 метра до 1,88 метра, что дает значительную
экономию изоляторов. Принимаем для установки расположения шин плашмя.
Определим расстояние между прокладками:
Где аn - расстояние между осями полос, см;
=1,6см
Е - модуль упругости материала шин=70мПа
Jn - момент инерции полосы,
Кф - коэффициент форма по (Л-2 рис 4-5) =0,35
Где mn - масса полос на единицу длины кг/м,
согласно (Л-1 П3-2) =1,295кг/м
Принимаю меньшее значение l n=0,41м, тогда
число прокладок в пролёте: n=l/ln-1=1,88/0,46-1=3,08
принимаем n=3
Расчётный пролёт:
Определяем силу взаимодействия между полосами по формуле:
Напряжение в материале:
Где Wn - момент сопротивления одной полосы, см³
Напряжение в материале шин от взаимодействия фаз:
Где Wф - момент сопротивления шины, см²
Условия выбора:
Таким образом алюминиевые шины 2 (100х8) мм механически прочны.
Принимаю к установке шины марки АДО2 (100х8) Это плоские шины. Они обеспечивают
хороший отвод тепла в окружающую среду, чем шины любой другой формы.
4.2 Выбор
изоляторов
Для установки на ОРУ-110кВ принимаем изоляторы марки ИОС
110-2000
Условия выбора:
- по
номинальному напряжению
(4.17)
кВ=110кВ
- по допустимой нагрузке на изолятор:
(4.18)
где Fрасч - сила, действующая на изолятор,
Fдоп -
допустимая нагрузка на головку изолятора.
Fдоп=0,6 Fразр (4.19)
где Fразр - разрушающая сила на изгиб
Fдоп = 0,6*2000=
1200 кгс
Расчетная сила определяется по формуле:
(4.20)
где iу - ударный ток на стороне 110 кВ (iу=13,92
кА)
а - расстояние между фазами, 300см
Кп - поправочный коэффициент на высоту расположения
шин, Кп =1 из (cтр33 [1])
(4.21)
Для установки на ОРУ-35кВ принимаем изоляторы марки ИОС 35-1000
Условия выбора:
- по
номинальному напряжению
(4.17), 35кВ=35кВ
- по допустимой нагрузке на изолятор:
(4.18)
где Fрасч - сила, действующая на изолятор,
Fдоп -
допустимая нагрузка на головку изолятора.
Fдоп=0,6 Fразр (4.19)
где Fразр - разрушающая сила на изгиб
Fдоп = 0,6*1000=
600 кгс
Расчетная сила определяется по формуле:
(4.20)
где iу - ударный ток на стороне 35 кВ (iу=37,8 кА)
а - расстояние между фазами, 150см
Кп - поправочный коэффициент на высоту расположения
шин, Кп =1 из (cтр33 [1])
(4.21)
На стороне 10 кВ принимаем к установке изоляторы марки И-16-80
Условие выбора:
- по
номинальному напряжению
(4.17)
кВ<10кВ
- по допустимому
усилию на изолятор
(4.18)
Fдоп =
0,6 ·Fразр кгс
Fдоп =
0,6 ·1600 = 960 кгс
Расчетная сила определяется:
(4.19)
где iу=105,5кА - ударный ток к. з. на стороне 10 кВ
а=80см - расстояние между фазами
Кп=1 - поправочный коэффициент по [1]
(4.20),
Условие выполнено.
На стороне 10 кВ принимаем к установке изоляторы марки И-16-80.
Условие выбора:
- по
номинальному напряжению
(4.17)
кВ=10кВ
- по допустимому усилию на изолятор
(4.18)
Fдоп =
0,6 ·Fразр кгс
Fдоп =
0,6 ·1600 = 960 кгс
Расчетная сила определяется:
(4.19)
где iу=1279кА - ударный ток к. з. на стороне 10 кВ
а=80см - расстояние между фазами
Кп=1 - поправочный коэффициент по [1]
(4.20)
Условие выполнено.
4.3 Выбор
выключателей
К выключателям высокого напряжения предъявляются следующие
требования:
- надежность
отключения любых токов;
- быстрота
действия;
- возможность быстрого включения выключателя
сразу после отключения;
- легкость ревизии и осмотра контактов;
- взрыво - и
пожаробезопасность
Выбор высоковольтных выключателей производится:
- по конструктивному выключению и месту
установки;
- по
номинальному напряжению:
Uном ≥ Uраб, кВ;
(4.21)
- по
номинальному току:
Iном ≥ Iраб, кВ.
(4.22)
Выбранный выключатель проверяется:
- по отключающей
способности
Iном. откл ≥ I к, кА (4.23)
где Iном. откл - номинальный ток отключения выключателя
по каталогу, кА; I к - ток трехфазного к. з., кА.
- по предельному периодическому току к. з.:
Iпр. с ≥ I к, кА (4.24)
где Iпр. с - эффективное значение периодической
составляющей предельного сквозного тока к. з. по каталогу, кА;
- по ударному току к. з.:
iпр. с ≥iу, кА (4.25)
где iпр. с - амплитудное значение предельного сквозного
тока к. з. по каталогу, кА;
iу - ударный ток к. з., кА;
- на термическую
стойкость:
I2т tт ≥Вк,
кА2·с (4.26)
tт - время протекания тока термической стойкости по
каталогу, с;
Вк - тепловой импульс тока к. з., определяемый по
формуле
, кА2·с, (4.27)
где tоткл - время отключения к. з., определяется по формуле:
tоткл = tр. з. + tоткл. В, с (4.28)
где tр. з. - время срабатывания релейной защиты, с;
tоткл. В -
собственное время отключения выключателя;
Та - постоянная времени затухания апериодической
составляющей тока к. з.
Та = 0,05 с по [9]
Краткая характеристика элегазовых выключателей:
Элегазовый выключатель марки ВГТ относится к электрическим
коммутационным аппаратам высокого напряжения, в которых в качестве
дугогасительной и изоляционной среды используется элегаз (шестифтористая сера SF6). Чистый элегаз с плотностью, соответствующей давлению 0,5 МПа
при температуре 20°С. Чтобы обеспечить работоспособность выключателя при низких
температурах воздуха до минус 55°С, используется смесь элегаза и
четырехфтористого углерода CF4.
Выключатель может применяться для коммутации электрических цепей в
нормальном и аварийных режимах, в том числе циклах АПВ, в сетях трехфазного
переменного тока частоты 50Гц. Выключатель предназначен для эксплуатации на
открытом воздухе в районах и холодным климатом при следующих условиях:
- окружающая среда - невзрывоопасная, не содержащая
агрессивных газов и паров в концентрации разрушающих металлы и изоляцию;
- рабочие значения температуры окружающего
воздуха при эксплуатации:
нижнее - минус 55°С;
верхнее - плюс 45°С.
- относительная влажность воздуха при
температуре 20°С - 80% (верхнее значение 100% при 25°С).
Основные преимущества элегазового выключателя по сравнению с
масляными. Высокая надежность работы благодаря:
- пониженным условиям к усилиям оперирования
выключателем, энергия, необходимая для гашения токов короткого замыкания,
частично используется из самой дуги, что существенно уменьшает работу привода и
повышает надежность;
- использованию в соединениях двойных
уплотнений с обеспечением пониженного уровня естественных утечек. Уровень
утечек - не более 1% в год - подтверждается испытаниями каждого выключателя на
заводе-изготовителе по методике, применяемой в косметических технологиях;
- высокая заводская готовность, простой и
быстрый монтаж и ввод в эксплуатацию;
- высокая коррозийная стойкость покрытий,
применяемых для стальных конструкций выключателя;
- отсутствие необходимости в сложном
техническом обслуживании и ремонтах при нормальных условиях эксплуатации;
- возможность отключения токов нагрузки при
потере избыточного давления элегаза в выключателе;
- сохранение электрической прочности
изоляции выключателя при напряжении равном 1,15 наибольшего фазного напряжения
в случае потери избыточного давления элегаза в выключателе;
- отключение емкостных токов без повторных
пробоев дуги, низкие перенапряжения;
- отсутствие феррорезонанса в сетях при
эксплуатации выключателя;
- низкий уровень шума при срабатывании
соответствующий высокими природоохранными требованиями;
- низкие динамические нагрузки на фундаменте
опоры.
На стороне 110 кВ принимаем выключатели марки ВГТ-110II-40/2500.
Рабочий ток установки принимаю ток самого мощного
присоединения, в данном случае это присоединение трансформатора.
Таблица №7 - Выбор выключателей 110 кВ
|
Проверяемая
величина
|
Условия
проверки
|
Расчетные
данные
|
Каталожные
данные
|
|
Напряжение
установки, кВ
|
Uном ≥
Uраб
|
110
|
110
|
|
Номинальный
длительный ток, А
|
Iном
≥ Iраб
|
73,5
|
2500
|
|
Отключающая
способность, кА
|
Iном. откл
≥ I к
|
22
|
40
|
|
Предельный
периодический ток к. з., кА
|
Iпр. с
≥ I к
|
22
|
40
|
|
Ударный ток к.
з., кА
|
iпр. с
≥iу
|
13,92
|
100
|
|
Термическая
стойкость, кА2·с
|
I2т
tт ≥Вк
|
84,7
|
403·3=4800
|
Выбор и проверку выключателей сведем в таблицы:
Таблица №8 - Выбор выключателей на ОРУ-35
|
Проверяемая
величина
|
Условия
проверки
|
Расчетные
данные
|
Каталожные
данные
|
|
Напряжение
установки, кВ
|
Uном ≥
Uраб
|
35
|
35
|
|
Номинальный длительный
ток, А
|
Iном
≥ Iраб
|
231
|
630
|
|
Отключающая
способность, кА
|
Iном. откл
≥ I к
|
15,72
|
20
|
|
Ударный ток к.
з., кА
|
iпр. с
≥iу
|
37,8
|
52
|
|
Термическая
стойкость, кА2·с
|
I2т
tт ≥Вк
|
65,8
|
202·3=1200
|
Таблица № 9 - Выключатель на присоединение трансформатора
Т-3/35кВ
|
Проверяемая
величинаУсловия проверкиРасчетные данныеКаталожные данные
|
|
|
|
|
Напряжение
установки, кВ
|
Uном ≥
Uраб
|
35
|
35
|
|
Номинальный
длительный ток, А
|
Iном
≥ Iраб
|
57,8
|
630
|
|
Отключающая
способность, кА
|
Iном. откл
≥ I к
|
19,4
|
20
|
|
Ударный ток к.
з., кА
|
iпр. с
≥iу
|
37,8
|
52
|
|
Термическая
стойкость, кА2·с
|
I2т
tт ≥Вк
|
65,8
|
202·3=1200
|
Принимаю для установки на ОРУ - 35кВ выключатели вакуумные
марки ВБЗЕ-35-20/630 - У1
Таблица №10 - Выбор вводных выключателей 10кВ
|
Проверяемая
величинаУсловия проверкиРасчетные данныеКаталожные данные
|
|
|
|
|
Напряжение
установки, кВ
|
Uном ≥
Uраб
|
10
|
10
|
|
Номинальный
длительный ток, А
|
Iном
≥ Iраб
|
202,3
|
2000
|
|
Отключающая
способность, кА
|
Iном. откл
≥ I к
|
12,83
|
20
|
|
Ударный ток к.
з., кА
|
iпр. с
≥iу
|
30,85
|
80
|
|
Термическая
стойкость, кА2·с
|
I2т
tт ≥Вк
|
15,7
|
31,5²*3=2977
|
Таблица№ 11 - Выбор выключателей 10 кВ отходящих фидеров
|
Проверяемая
величина
|
Условия
проверки
|
Расчетные
данные
|
Каталожные
данные
|
|
Напряжение
установки, кВ
|
Uном ≥
Uраб
|
10
|
10
|
|
Номинальный
длительный ток, А
|
Iном
≥ Iраб
|
141
|
2000
|
|
Отключающая
способность, кА
|
Iном. откл
≥ I к
|
5,4
|
20
|
|
Предельный
периодический ток к. з., кА
|
Iпр. с
≥ I к
|
5,4
|
20
|
|
Ударный ток к.
з., кА
|
iпр. с
≥iу
|
12,79
|
80
|
|
Термическая
стойкость, кА2·с
|
I2т
tт ≥Вк
|
28,8
|
31,5²*3=2977
|
На стороне 35кВ - ОРУ-35 в качестве выключателей примем
вакуумные выключатели наружной установки ВБЗЕ-35-20/630-У1. по климатическим
условиям выключатели подойдут для нашего климата (Пределы температур: от+45С
до-45С)
На стороне 10 кВ установлены комплектные распределительные
устройства типа К-XXVI. Для установки в данные КРУ выбираем вакуумные выключатели серии
ВВ/TEL-10:
- вводные и секционные выключатели марки ВВ/TEL-10-1600/20;
- выключатели отходящих фидеров марки ВВ/TEL-10-630/20.
Преимущества вакуумных выключателей:
- отсутствие необходимости в замене и
пополнении дугогасящей среды, компрессорных установок и масляного хозяйства;
- высокая износостойкость при коммутации
токами и токов к. з.;
- минимум обслуживания, снижение
эксплуатационных затрат, почти в 2 раза по сравнению с масляными выключателями;
- быстрое восстановление электрической
прочности (10-50) ·103 В/мкс;
- полная взрыво-
и пожаробезопасность;
- широкий диапазон температур окружающей
среды, в котором возможна работа (от - 65°С до +60°С);
- повышенная устойчивость к ударным и
вибрационным нагрузкам;
- бесшумность, чистота, удобство
обслуживания, обусловленные малым выделением энергии в дуге и отсутствием
внешних эффектов при отключении токов к.з.;
- отсутствие
загрязнения окружающей среды;
- сравнительно малые массы и габаритные
размеры и небольшие динамические нагрузки на конструкцию и фундамент;
- высокое
быстродействие;
- надежная работа в случае когда в процессе
отключения малого тока в цепи возникает ток к. з. (ДУ масляных выключателей в
таких случаях разрывается).
4.4 Выбор
разъединителей
Выбор разъединителей производится по конструктивному
выполнению, месту установки, по номинальному току. Выбранные аппараты
проверяются по ударному току к. з. и на термическую стойкость. Выбор
разъединителей сведем в таблицы.
На ОРУ-110 кВ устанавливаем разъединители марки
РДЗ-2-110/1000 УХЛ1. Разъединитель выполнен в виде двухколонкового аппарата с
разворотом главных ножей в горизонтальной плоскости с двумя заземляющими
ножами.
Управление разъединителем осуществляется с помощью приводов
ПР-0,5-2В НУХЛ1, при эксплуатации в районов с умеренно-холодным климатом.
Таблица №12 - Выбор разъединителей 110 кВ
|
Проверяемая
величина
|
Условия
проверки
|
Расчетные
данные
|
Каталожные
данные
|
|
Напряжение
установки, кВ
|
Uном ≥
Uраб
|
110
|
110
|
|
Номинальный
длительный ток, А
|
Iном
≥ Iраб
|
73,5
|
1000
|
|
Ударный ток к.
з., кА
|
iпр. с
≥iу
|
13,92
|
63
|
|
Термическая
стойкость, кА2·с
|
I2т
tт ≥Вк
|
5,1
|
1885кА²c
|
На ОРУ-35 кВ устанавливаем разъединители марки РНД (З) - С-35/1000
У1. Привод - ПР-У1
Таблица №13 Отходящие фидера 35кВ
|
Проверяемая
величинаУсловия проверкиРасчетные данныеКаталожные данные
|
|
|
|
|
Напряжение
установки, кВ
|
Uном ≥
Uраб
|
35
|
35
|
|
Номинальный
длительный ток, А
|
Iном
≥ Iраб
|
58,7
|
1000
|
|
Ударный ток к.
з., кА
|
iпр. с
≥iу
|
37,8
|
63
|
|
Термическая
стойкость, кА2·с
|
I2т
tт ≥Вк
|
43,2
|
1885кА²c
|
Таблица №14 - Выбор разъединителей 10 кВ
|
Проверяемая
величина
|
Условия
проверки
|
Расчетные
данные
|
Каталожные
данные
|
|
Напряжение
установки, кВ
|
Uном ≥
Uраб
|
10
|
10
|
|
Номинальный
длительный ток, А
|
Iном
≥ Iраб
|
202,3
|
2000
|
|
Ударный ток к.
з., кА
|
iпр. с
≥iу
|
30,85
|
80
|
|
Продолжение
таблицы 7
|
|
Термическая
стойкость, кА2·с
|
I2т
tт ≥Вк
|
29,1
|
2977
|
В КРУН-10кВ принимаю разъединители РВР3-Ш-10/2000У3 с
приводом ПД-5У1
4.5 Выбор
трансформаторов тока
Выбор трансформаторов тока состоит в выборе типа,
сопоставление определенных нагрузок и проверки на термическую и
электродинамическую стойкость.
На стороне 110 кВ применяются следующие приборы: амперметр,
ваттметр, варметр, счетчик реактивной энергии, счетчик активной энергии.
Расчет нагрузки трансформаторов тока (ТА) сводим в таблицу.
Таблица №15 - Расчет нагрузки ТА-110 кВ
|
Прибор
|
Тип
|
Нагрузки по
фазам, В·А
|
|
|
А
|
В
|
С
|
|
Амперметр
|
Э-335
|
-
|
0,5
|
-
|
|
Ваттметр
|
Д-335
|
0,5
|
-
|
0,5
|
|
Варметр
|
Д-335
|
0,5
|
-
|
0,5
|
|
Счетчик
активной энергии
|
ЦЭ-6805В
|
0,2
|
-
|
0,2
|
|
Счетчик
реактивной энергии
|
ЦЭ-6811
|
0,3
|
-
|
0,3
|
|
Итого
|
|
1,5
|
0,5
|
1,5
|
Принимаем к установке трансформатор тока марки ТОГ-110-II 1У1 с элегазовой
изоляцией и коэффициентом трансформации 300/5, класс точности 0,5.
Произведем расчет сопротивления приборов:
, Ом (4.29)
где Sприб - мощность потребляемая приборами,
I2 -
номинальный вторичный ток прибора
Для обеспечения работы трансформаторов тока в выбранном классе
точности должно выполняться условие:
(4.30)
где Z2н - вторичная нагрузка трансформатора тока (по справочным
данным), Zконт - сопротивление контактов, Zконт=0,1
Ом,
Zпров = 1,2 - 0,06 - 0,1 = 1,04 Ом
Определим сечение соединительных проводов:
(4.31)
где lрасч-расстояние от ТА до места установки
приборов, принимаем lрасч=130м.
ρ=0,0283 Ом·мм2/м - удельное
сопротивление соединительных проводов, из [9]
Выбираем кабель АКРВГ с жилами сечением 4 мм2.
Сопротивление проводов:
Вторичная расчетная нагрузка ТА:
Z2 расч=Zприб+Zпров+Zконт, Ом (4.32)
Z2 расч=0,06+0,91+0,1=1,07
Ом
Z2 расч < Z2н (4.33)
Условия проверки трансформаторов тока:
- по напряжению:
Uном ≥ Uуст; кВ
(4.34)
кВ = 110 кВ;
- по длительному
току:
Iр. max ≤ I1н; А
(4.35)
,6 А ≤ 600А;
- по термической
стойкости:
Вк ≤ (Кт · I1н) 2·tт, кА2·с;
(4.36)
Где Кт-кратность термической стойкости по каталогу
Кт=70000/300=233
5,792·0,15 ≤ (20·1000) 2·3,1,84
кА2·с ≤ 14658 кА2·с;
- по
электродинамической стойкости:
iуд ≤ iдин, кА (4.37)
,92 кА ≤ 125 кА.
На стороне 35 кВ применяются следующие приборы: амперметр,
ваттметр, счетчик реактивной энергии, счетчик активной энергии.
Расчет нагрузки трансформаторов тока (ТА) сводим в таблицу.
Принимаем к установке трансформатор тока ТФЗМ-35А-ХЛ-1.
Коэффициент трансформации 75/5, класс точности 0,5.
Таблица №16 - Расчет нагрузки ТА-35 кВ
|
Прибор
|
Тип
|
Нагрузки по
фазам, В·А
|
|
|
А
|
В
|
С
|
|
Амперметр
|
Э-335
|
-
|
0,5
|
-
|
|
Ваттметр
|
Д-335
|
0,5
|
-
|
0,5
|
|
Счетчик
активной энергии
|
ЦЭ-6805В
|
0,2
|
-
|
0,2
|
|
Счетчик
реактивной энергии
|
ЦЭ-6811
|
0,3
|
-
|
0,3
|
|
Итого
|
0,5
|
1,
|
Рассчитываем сопротивление подключаемых приборов по формуле:
где Sприб - мощность потребляемая приборами, В·А;
I2 - номинальный вторичный ток прибора, А;
Ом
Для обеспечения работы ТА в выбранном классе точности должно
выполняться условие:
гдеZ2н - вторичная нагрузка трансформатора тока в выбранном
классе точности (по справочным данным), Ом;
Zконт -
сопротивление контактов, при числе приборов более трех Zконт = 0,1
Ом, по [].
Zпров
=2-0,04-0,1 = 1,86 Ом.
Зная Zпров можно определить сечение соединительных проводов по
формуле:
где lрасч - расстояние от ТА до места установки приборов, принимаем lрасч=100м;
ρ - удельное сопротивление соединительных
проводов с алюминиевыми жилами;
ρ = 0,0283 Ом·мм/м;
мм2;
Выбираем кабель АКРВГ с жилами сечением 10х4 мм2.
Сопротивление проводов:
Ом;
Вторичная расчетная нагрузка;
Z2расч =
0,04+0,53+0,1=0,67 Ом;
Z2расч <
Z 2н.
Условия выбора трансформатора тока:
- по напряжению
установки:
Uном ≥ Uуст, кВ;
кВ = 35 кВ;
- по допустимому
току:
Ipmax ≤ I1н, А; 57,8А ≤ 75А
Выбранный трансформатор тока проверяется:
- по термической
стойкости
Ik32·tn ≤ (Ut·I1н) 2·tт, кА2·с;
гдеtn - собственное время отключения выключателя с
приводом;
Kт - кратность термической стойкости (стр.303 [6]);
Tт - допустимое время, с (стр.303 [6]).
15,722·0,055 ≤ (25·600) 2·3;
,59 кА2·С ≤ 675 кА2·С
- по
электродинамической стойкости:
iy ≤ iдин, кА
,8 кА ≤ 100 кА.
На стороне 10 кВ на вводах 1 и 2. Устанавливаются следующие
приборы: амперметр, ваттметр, счетчик активной энергии, счетчик реактивной
энергии.
Общее сопротивление приборов:
Ом.
Расчет нагрузки ТА-10кВ (вводных, отходящих линий) сводим в
таблицы
Таблица №-17 Расчет нагрузок ТА-10кВ (вводных)
|
Прибор
|
Тип
|
Нагрузки по
фазам, В·А
|
|
|
А
|
В
|
С
|
|
Амперметр
|
Э-350
|
-
|
0,5
|
-
|
|
Ваттметр
|
Д-335
|
0,5
|
-
|
0,5
|
|
Счетчик
активной энергии
|
ЦЭ-6805В
|
0,2
|
-
|
0,2
|
|
Счетчик
реактивной энергии
|
ЦЭ-6811
|
0,3
|
-
|
0,3
|
|
Итого
|
|
1,0
|
0,5
|
1,0
|
Номинальная вторичная нагрузка трансформаторов
тока
Z2н = 0,8 Ом
Допустимое сопротивление проводов для обеспечения работы ТА в
выбранном классе точности:
Zпров = 0,8-0,04-0,1-0,66 Ом;
Сечение соединительных проводов:
мм2.
мм2
По условию механической прочности выбираем кабель марки АКРВГ с
сечением жил 4 мм2.
Ом.
Расчетная вторичная нагрузка:
Z2расч =
0,04+0,1+0,11=0,25 Ом.
Принимаем к установке трансформатор тока марки ТШЛ-10У3 с
коэффициентом трансформации 1500/5.
Выбор и проверку трансформаторов сводим в таблицы.
В цепи СВ-10 кВ устанавливается амперметр Э-353. принимаем
трансформаторы тока марки ТШЛ-10У3 с коэффициентом трансформации 1500/5.
Таблица №18 - Выбор ТА-10 кВ (вводного)
|
Проверяемая
величина
|
Условие выбора
|
Расчетные
данные
|
Каталожные
данные
|
|
Напряжение
установки, кВ
|
Uраб
≤ Uном
|
10
|
10
|
|
Максимальный
рабочий ток, а
|
Iраб. max
< Iном
|
5,4
|
1500
|
|
Термическая
стойкость, кА2·с
|
I3кtn
≤ Вк
|
12,79
|
1470
|
|
Электродинамическая
стойкость, кА
|
iy ≤ iдин
|
30,85
|
100
|
|
Вторичная
нагрузка
|
Z2расч ≤
Z2н
|
0,25
|
0,8
|
На отходящих линиях 10кВ устанавливают следующие приборы:
амперметр, счетчики активной и реактивной энергии.
Общее сопротивление приборов:
Ом.
Номинальная вторичная нагрузка трансформаторов тока:
Ом
Таблица №18 - Расчет нагрузки ТА-10кВ (отходящих линий)
|
Прибор
|
Тип
|
Нагрузки по
фазам, В·А
|
|
|
А
|
В
|
С
|
|
Амперметр
|
Э-350
|
0,5
|
-
|
-
|
|
Счетчик активной энергии
|
ЦЭ-6805В
|
0,2
|
-
|
0,2
|
|
Счетчик
реактивной энергии
|
ЦЭ-6811
|
0,3
|
-
|
0,3
|
|
Итого
|
|
1,0
|
-
|
0,5
|
Допустимое сопротивление проводов:
Zпров = 0,4-0,04-0,05=0,31 Ом.
Сечение соединительных проводов:
мм2,
мм2
По условию механической прочности выбираем кабель АКРВГ с сечением
жил 4 мм2.
Ом.
Расчетная вторичная нагрузка:
Z2рач =
0,04+0,05+0,16=0,25 Ом.
Принимаем к установке трансформаторы тока марки ТОЛ-10,
коэффициент трансформации 300/5 (исходя из нагрузки наиболее загруженного
фидера).
Выбор и проверку трансформаторов тока сводим в таблицу 12.
Таблица №19 - Выбор ТА-10 кВ (отходящих линий)
|
Проверяемая
величина
|
Условие выбора
|
Расчетные
данные
|
Каталожные
данные
|
|
Напряжение
установки, кВ
|
Uраб
≤ Uном
|
10
|
10
|
|
Максимальный
рабочий ток, а
|
Iраб. max
< Iном
|
140
|
300
|
|
Термическая
стойкость, кА2·с
|
I2кtn
≤ Вк
|
5,4
|
1080
|
|
Электродинамическая
стойкость, кА
|
iy ≤ iдин
|
12,79
|
100
|
|
Вторичная
нагрузка
|
Z2расч ≤
Z2н
|
0,25
|
0,4
|
Таблица №21 Выбор ТА в цепи СВ-10кВ
|
Проверяемая
величинаУсловие выбораРасчетные данныеКаталожные данные
|
|
|
|
|
Напряжение
установки, кВ
|
Uраб
≤ Uном
|
10
|
10
|
|
Максимальный
рабочий ток, а
|
Iраб. max
< Iном
|
628
|
1000
|
|
Термическая
стойкость, кА2·с
|
I2кtn
≤ Вк
|
5,4
|
75
|
|
Электродинамическая
стойкость, кА
|
iy ≤ iдин
|
12,79
|
75
|
|
Вторичная
нагрузка
|
Z2расч ≤
Z2н
|
0,8
|
0,25
|
На отходящих линиях устанавливаются следующие приборы:
амперметр, счётчик активной энергии и счётчик реактивной энергии.
4.6 Выбор
трансформаторов напряжения
К трансформаторам напряжения 35кВ подключаются следующие
приборы:
- на секции шин: вольтметр для измерения
трех межфазных напряжений;
- на линиях: ваттметр,, счетчик активной и реактивной энергии,.
Расчет нагрузки трансформаторов напряжения (TV) - 35кВ сводим в
таблицу.
Суммарная нагрузка на трансформаторе напряжения определяется
без разделения по фазам, но с отдельным определением активных и реактивных
составляющих:
, В·А, (4.38),
Выбираем трансформатор напряжения элегазовой изоляции марки НАМИ-35-УХЛ1.
Вторичная нагрузка S2ном = 360 В·А для класса точности 0,5.
Выбор трансформаторов напряжения сведем в таблицы
Таблица №22 - Расчет нагрузки TV-35 кВ
|
Наименование
прибора
|
Тип
|
Мощность одной
обмотки, В·А
|
Число обмоток
|
Cos φ
|
Sin φ
|
Число приборов
|
Общая
потребляемая мощность
|
|
|
|
|
|
|
|
Р, Вт
|
Q, Вар
|
|
На с. ш.
|
|
|
|
|
|
|
|
|
|
Вольтметр
|
Э-335
|
2
|
1
|
1
|
0
|
1
|
2
|
-
|
|
На ВЛ-35 кВ
|
|
|
|
|
|
|
|
|
|
Ваттметр
|
Д-335
|
1,5
|
2
|
1
|
0
|
2
|
3
|
-
|
|
Счетчик
реактивной энергии
|
ЦЭ-6811
|
1
|
2
|
0,5
|
0,866
|
2
|
4
|
6,927
|
|
Счетчик
активной энергии
|
ЦЭ-6805
|
1
|
2
|
0,5
|
0,866
|
2
|
4
|
3,698
|
|
Итого
|
|
|
|
|
|
|
13
|
13,856
|
Для соединения с приборами выбираем кабель АКРВГ 10х4 мм2
(по условиям механической прочности).
Условия выбора трансформатора напряжения:
- по напряжению
установки,
(4.39)
кВ=35кВ,
- по классу
точности,
класс точности 0,5 для подключения счетчиков коммерческого
учета.
- по вторичной
нагрузке
(4.40)
К трансформаторам напряжения 10 кВ подключают следующие приборы:
на секции шин: вольтметр для измерения трех напряжений (междуфазных); на линии:
ваттметр, счетчики активной и реактивной энергии, устанавливаю трансформатор
типа НАМИ-10-95 УХЛ2
Все приборы устанавливаемые на стороне 10 кВ сведены в таблицу.
Таблица №23 - Расчет нагрузки ТV-10 кВ
|
Наименование
прибора
|
Тип
|
Мощность одной
обмотки, В·А
|
Число обмоток
|
Cos φ
|
Sin φ
|
Число приборов
|
Общая
потребляемая мощность
|
|
|
|
|
|
|
|
Р, Вт
|
Q, Вар
|
|
Вольтметр
|
Э-335
|
2
|
1
|
1
|
0
|
1
|
2
|
-
|
|
Ваттметр
|
Д-335
|
1,5
|
2
|
1
|
0
|
2
|
6
|
-
|
|
|
|
|
|
|
|
|
|
|
Счетчик
реактивной энергии
|
ЦЭ-6811
|
1
|
2
|
0,5
|
0,866
|
5
|
2
|
8,66
|
|
Счетчик
активной энергии
|
ЦЭ-6805
|
1
|
2
|
0,5
|
0,866
|
5
|
2
|
8,66
|
|
Итого
|
|
|
|
|
|
|
12
|
17,32
|
Суммарная нагрузка на трансформаторе напряжения определяется
без разделения по фазам, но с отдельным определением активны и реактивных
составляющих:
В·А,
В·А.
Для соединения с приборами выбираем кабель АКРВГ 10х4 мм2
(по условию механической прочности).
Условие выбора:
- по напряжению
установки
Uном ≥ Uуст, кВ
кВ = 10 кв;
- по классу точности, класс точности 0,5 -
для подключения счетчиков коммерческого учета;
- по вторичной
нагрузке
, В·А,
,66В·А ≤ 200 В·А.
К трансформаторам напряжения на стороне 10 кВ устанавливаем
следующие приборы; вольтметр, счетчики активной и реактивной энергии,
4.7 выбор
трансформаторов собственных нужд
Мощность трансформаторов собственных нужд выбирается по
нагрузке собственных нужд с учётом коэффициента загрузки. Расчётная нагрузка
потребителей собственных нужд приведена в таблице №27. установленная мощность
потребителей определяется согласно (Л-4-) и паспортных данных выбранного
оборудования.
Таблица №24 Нагрузка собственных нужд подстанции
"Нерчинск"
|
потребитель
|
Установленная
мощность
|
cosφ
|
tgφ
|
нагрузка
|
|
На еденицу
|
Число приём
|
Всего, кВТ
|
|
|
Р, кВт
|
Q, квар
|
|
1
|
3
|
4
|
5
|
6
|
7
|
8
|
|
Охлаждение
ТДТН-10000
|
1,5
|
2
|
3
|
0,85
|
0,62
|
3
|
1,86
|
|
Автоматический
подогрев приводов ВГТ-110
|
0,8
|
3
|
2,4
|
1
|
0
|
2,4
|
-
|
|
Подогрев
привода ВБЗЕ-35
|
0,6
|
7
|
4,2
|
1
|
0
|
4,2
|
-
|
|
Подогрев
привода РПН ТДТН-1600/110
|
0,8
|
2
|
1,6
|
1
|
0
|
1,6
|
-
|
|
Подогрев
привода РПН ТМН-35/10
|
0,8
|
1
|
0,8
|
1
|
0
|
0,8
|
-
|
|
Подогрев шкафов
зажимов ОРУ-110, 35
|
0,6
|
10
|
6
|
1
|
0
|
6
|
-
|
|
Отопление,
освещение, вентиляция ОПУ
|
110
|
-
|
110
|
1
|
0
|
110
|
-
|
|
Отопление,
освещение, вентиляция ЗРУ-6кВ
|
7
|
-
|
7
|
1
|
0
|
7
|
-
|
|
Обогрев КРУН-10кВ
|
19,5
|
-
|
19,5
|
1
|
0
|
19,85
|
|
|
Устройство
подзарядного устройства ВАЗП
|
23
|
2
|
46
|
1
|
0
|
46
|
-
|
|
Освещение
подстанции
|
10
|
-
|
10
|
1
|
0
|
10
|
-
|
|
Аппаратура
связи и телемеханики
|
8,7
|
-
|
8,7
|
1
|
0
|
8,7
|
-
|
|
Маслохозяйство
|
75
|
-
|
75
|
1
|
0
|
75
|
|
|
Итого
|
|
|
|
|
|
294,55
|
1,86
|
|
ТСН-1.2
|
|
|
|
|
|
255,2
|
1,86
|
|
ТСН-3
|
|
|
|
|
|
39
|
-
|
Суммарная расчётная нагрузка потребителей собственных нужд:
ТСН-1 иТСН-2
В·А,
Где Кс-коэффициент спроса, Кс=0,8
В·А.
ТСН-3
ВА
На подстанции установлены три трансформатора собственных нужд: 2
на секции шин 6кВ и один на секции шин 10кВ
При двух трансформаторах мощность определяем по формуле
Кп - коэффициент допустимой перегрузки, Кп=1,4
Принимаю к установке трансформаторы ТМГ-160/6 и ТМ 100/10 в
аварийном режиме часть нагрузки можно перевести на ТСН-3, что обеспечит резервирование
и безаварийную работу.
4.8 выбор
защиты от перенапряжений
На подстанции "Нерчинск" для защиты силовых
трансформаторов и трансформаторов напряжения от грозовых и внутренних
перенапряжений установлены разрядники типа: РВС-110М, РВС-35, РВП-6, РВС-10. в
настоящее время возникла необходимость замены вентильных разрядников на
нелинейные ограничители перенапряжений, которая вызвана следующими
обстоятельствами:
большинство вентильных разрядников 110 и выше установлено в
сетях более 25 лет назад, поэтому по различным причинам исчерпали свой ресурс
как по надёжности, так и по защитным свойствам;
промышленность страны не выпускает вентильные разрядники 110
кВ и выше почти всех групп;
вентильные разрядники в ряде случаев не обеспечивают
технико-экономически обоснованного показателя надёжности защиты от грозовых
перенапряжений, а в большинстве случаев сетей 110/220кВ показателя надёжности
защиты от внутренних перенапряжений;
при коммуации в РУ110кВ и выше в ряде случаев наблюдаются
повреждения вентильных разрядников, что приводит к серьёзным последствиям.
Ограничители перенапряжения нелинейные (ОПН) предназначены
для защиты изоляции электрооборудования в энергетических системах и сетях, от
грозовых и внутренних перенапряжений. ОПН обладает хорошими защитными
характеристиками и надежной конструкцией, удобны в эксплуатации. Мировой опыт
эк4сплуатации ОПН доказывает их исключительную надежность при защите
электротехнического оборудования от грозовых и внутренних перенапряжений
возникающих в энергосистемах. В целях повышения технических и защитных
характеристик произведем замену разрядников марки РВС на ОПН.
Преимуществом ОПН - являются:
глубокий уровень ограничений грозовых и коммутационных
перенапряжений;
простая конструкция, стабильность характеристик и высокая
надёжность в эксплуатации;
эксплуатация без обслуживания и ремонта в течение всего срока
эксплуатации (25лет);
малые габариты, вес и стоимость.
Для защиты силового трансформатора со стороны 110кВ примем к
установке нелинейный ограничитель перенапряжения серииVari STAR типа AZG3-ОПН-110/115-10 (I) УХЛ1.
Для защиты изоляции нейтралей трансформатора ТДТН-10000/110
примем ОПН-110/44 (I) УХЛ1.
Для защиты силового трансформатора со стороны 35кВ и
трансформатора напряжения 35кВ примем ОПН-35/38- (I) УХЛ1.
Для защиты силового трансформатора со стороны 6кВ и
трансформатора напряжения 6кВ установим ограничитель перенапряжения типа
ОПН-6/6,5-10 (I)
УХЛ1,2.
4.9 Выбор КТП
10/0,4кВ
По расчётам таблицы №6 для электроснабжения города Нерчинска
принимаю к установке следующие трансформаторные подстанции: для установок
открытого типа КТП марки (КТП) шкафного типа Комплектные трансформаторные
подстанции наружной установки шкафные трехфазного переменного тока частотой
50Гц мощностью от 25 до 250кВА предназначены для приема, преобразования и
распределения электроэнергии трехфазного переменного тока частотой 50Гц
напряжением 6 (10) /0,4 кВ.
Область применения КТП - системы электроснабжения
сельскохозяйственных потребителей, отдельных населенных пунктов и небольших
промышленных объектов, нефтяных скважин, относящихся к III категории по надежности
электроснабжения.
КТП изготовлена в соответствии с требованиями ГОСТ 14695-80,
правилами устройства электроустановок (ПУЭ), ТУ, по рабочим чертежам и схемам
главных и вспомогательных цепей. КТП представляет собой металлическую
конструкцию, выполненную из листовой стали толщиной 2 мм. Имеет 2 шкафа ВН и
НН. Двери снабжены внутренними замками под спецключ. В шкафу НН располагается
панель РУНН, низковольтные коммутационные аппараты, аппараты защиты и учета. В
шкафу УВН размещены высоковольтные предохранители и проходные изоляторы.
Отличительной особенностью КТП от аналогичных
является:
§ усиленный каркас и корпус, что гарантирует
длительный эксплуатационный период до 30 лет;
§ КТП складывается в транспортное положение для
удобства при погрузочно-разгрузочных работах и перевозке (отсутствует
"парусность");
§ имеется подставка, регулируемая под
трансформатор;
§ имеется площадка для обслуживающего персонала с
лицевой стороны КТП;
§ кожух защиты трансформатора от атмосферных
осадков значительно увеличен;
§ в шкафу НН перед панелью РУНН имеется фальшпанель
со смотровым окошком для счетчика, рубильника и автоматов;
§ в КТП устанавливаются на отходящих линиях как
автоматы, так и рубильники (по заказу);
§ покраска КТП ведется в несколько этапов с
обязательной обезжиркой и грунтованием;
§ краска для наружных металлоконструкций наносится
в два слоя, все это способствует отличному внешнему виду на длительное время.
С КТП поставляется ВВ разъединитель наружной установки с
приводом (по заказу потребителя).
Провода для присоединения к воздушным линиям 0,4 кВ
прокладываются в специальных коробах. В верхней части шкафа ввода ВН
предусмотрены крепления для установки разрядников или ограничителей
перенапряжения. Учет расхода активной энергии производится на шинах 0,4 кВ
после водного рубильника. Для обеспечения нормальной работы электросчетчика Т°С
< 0°С предусмотрен его обогрев. КТП устанавливается на фундаменте такой
высоты, чтобы расстояние от земли до открытых токоведущих частей
соответствовало требованиям ПУЭ, при этом высота фундамента должна быть не
менее 1 - 1,2 м. КТП скомплектован аппаратурой общего назначения. Во всех
случаях комплектующая аппаратура имеет сертификаты качества. Полный срок службы
КТП не менее 25 лет.
Рисунок 6 - КТП шкафного типа.
1. Кронштейн для в/в изоляторов
2. Кронштейн для н/в изолятора
. Разрядники вентильные
. Кожух защитный боковой
. Шкаф УВН
. Кожух защитный трансформатора
. Шкаф РУНН
. Рама подстанции
. Площадка обслуживания
Рисунок 7 - Схема заполнения КТП
QS1 - разънитель FV1. FV3 - разрядники F1. F3 - предохранители Т - трансформатор Q1 - выключатель ТА1. ТА3 - трансформаторы тока PI - счетчик QF1. QF4 - выключатели линий KL - цепи наружного освещения
Комплектная трансформаторная подстанция наружной установки
тупикового и проходного типа напряжением 6 (10) /0,4 кВ мощностью от 25 до 1000
кВА киоскового типа (КТПК) Комплектные трансформаторные подстанции наружной
установки типа "Киоск", трехфазного переменного тока частотой 50Гц
мощностью от 25 до 10ООкВА предназначены для резервированного приема,
преобразования и распределения электроэнергии трехфазного переменного тока
частотой 50Гц напряжением 6 (10) /0,4 кВ. Комплектная двухтрансформаторная
подстанция наружной установки напряжением 6 (10) /0,4 кВ мощностью от 25 до
1000 кВА городского типа (тупиковая) 2КТПГ (т)
Комплектные двухтрансформаторные подстанции наружной установки
городского типа трехфазного переменного тока частотой 50Гц мощностью от 100 до
1000 кВА предназначены для резервированного приема, преобразования и
распределения электроэнергии трехфазного переменного тока частотой 50Гц
напряжением 6 (10) /0,4 кВ.
Комплектная двухтрансформаторная подстанция городского типа
(тупиковая)
Рисунок 8 двухтрансформаторная КТП типа "Киоск"
Рисунок 9 - Схема электрическая принципиальная двухтрансформаторной
подстанции тупикового типа
АЕ1, QF2 - выключатель 1SA1.1SA3, 2SA1.2SA3 - переключатели 1R1, 1R2, 2R1, 2R2 - резисторы
обогрева 1EL1, 2EL1 - лампы PV1, PV2 - вольтметры 1Х31, 2Х31 - розетки QF1, QF2 - выключатели фаз вольтметра 1Т, 2Т - трансформаторы 1PI, 2PI - счетчики 1ТА1.1ТАЗ, 2ТА1.2ТАЗ - трансформаторы тока 1QF1.1QFN, 2QF1.2QFN - выключатели линий KL - цепи
наружного освещения KM - пускатель 1QS1, 2QS1 - разъединители 1FV1.1FV3, 2FV1.2FV3 - разрядники 1FU1.1FU3, 2FU1.2FU3 - предохранители Комплектная
двухтрансформаторная подстанция городского типа (проходная) 2КТПГ (п)
Рисунок 10 схема заполнения двухтрансформаторной проходной КТП
QS1, 2QS1 - разъединители 1FV1.1FV3, 2FV1.2FV3 - разрядники 1FU1.1FU3, 2FU1.2FU3 - предохранители 1Т, 2Т - трансформаторы
1ТА1.1ТА3, 2ТА1.2ТА3 - трансформаторы тока 1Р1, 2Р1 - счетчики 1QF1.1QF6, 2QF1.2QF6-выключатели линий
Вывод
По результатам проделанных расчетов по выбору оборудования, исходя
из условий выбора, принимаем к установке элегазовые выключатели марки ВГТ-110,
на ОРУ-35 вакуумные выключатели ВБЗЕ-35. Для установки в ячейки КРУ и КРУН
принимаем вакуумные выключатели ВВ/TEL-10.
Также были приняты к установки: разъединители серии РДЗ-2-110, РНД
(З) - С-35,РВРЗ-Ш-10 трансформаторы тока, ТОГ-110, ТФЗМ-35, ТШЛ-10,
трансформаторы напряжения серии НАМИ, нелинейные ограничители перенапряжения
ОПН-110, 35, 10,6. трансформаторы собственных нужд - ТМГ-160 и ТМ-100. для
электроснабжения по городу устанавливаем одно и двухтрансформаторные КТП типа
"киоск" и шкафного, где КТП не имеют большого износа ограничиваемся
заменой трансформаторов.
5. Релейная
защита
5.1
Продольная дифференциальная токовая защита трансформатора ТДТН-10000/110
Продольная дифференциальная защита предназначена для защиты
трансформаторов Т-1 (Т-2) и при всех видах короткого замыкания в зоне ее
действия.
В зону защиты дифференциальной защиты входят:
- обмотки
110,35, 10, кВ трансформаторов;
- выключатель 110 кВ и ошиновка на стороне
110 кВ от Т-1 (Т-2) до выносных трансформаторов тока (ТТ) 110 кВ.
- ошиновка на стороне 35 кВ от Т-1 (Т-2 до
выносных ТТ 35 кВ);
- ошиновка на стороне 10 кВ от Т-1 (Т-2) до
ТТ ввода 10 кВ.
Дифференциальная защита является основной защитой Т-1 (Т-2) и
Дифференциальная защита выполнена на реле тока ДЗТ-11.
Токовые цепи дифференциальной защиты подключены:
- на стороне 110 кВ к выносным
трансформаторам тока с коэффициентом трансформации Ктт = 300/5;
- на стороне 35 кВ к выносным ТТ к Ктт
= 75/5;
- на стороне 10кВ к проходным ТТ с Ктт
= 1500/5.
Дифференциальная защита действует без выдержки времени:
- на отключение выключателей вводов Т-1
(Т-2) 110, 35, 10кВ;
- на запрет АПВ выключателей вводов Т-1
(Т-2) 110,35, 10кВ;
Расчет защиты состоит в определении токов срабатывания защиты
и реле, числа витков обмоток реле и коэффициента чувствительности.
. Номинальная мощность защищаемого автотрансформатора
Т-1 и
Т-2 Sном=10000 кВА, Т-3 Sном=2500 кВА
2. Номинальные напряжения обмоток
защищаемого трансформатора
Т-1 и Т-2 Uвн=115 кВ; Uсн=38,5кВ; Uнн=10кВ.
. Первичные номинальные токи трансформаторов тока
(5.1)
гдеSном. прох - номинальная проходная мощность обмотки
трансформатора, кВа;
Uном -
номинальное напряжение обмотки трансформатора, кВ.
Для трансформатора Т-1 и Т-2
;
4. Коэффициент трансформации трансформаторов тока Т-1
иТ-2
kвн=300/5; nсн=75/5; nнн=100/5.
. Схема соединения трансформаторов тока: Т-1 и Т-2
- на стороне ВН
- Y.
- на стороне СН
- ∆.
- на стороне НН
- Y.
- Т-3 на стороне ВН - Y. на стороне НН - ∆.
6. Вторичные токи в плечах защиты:
А (5.2)
где kсх - коэффициент схемы из [12];
n - коэффициент трансформации ТА.
(5.3)
где
из [12].
(5.4)
где kсх=√3 из [12].
7. Относительная погрешность, обусловленная
регулированием напряжения Т-1 иТ-2 ∆U=16%;
8. Минимальное значение тока трехфазного к. з. на
выводах СН приведенное к напряжению ВН. для трансформатора Т-1 и Т-2
9. Минимальное значение тока трехфазного к. з. на
выводах НН приведенное к напряжению ВН
10. Первичный ток срабатывания защиты по условию отстройки
от броска тока намагничивания для Т-1 и Т-2
(5.5)
11. Ток срабатывания реле, приведенной к стороне ВН Т-1 и
Т-2
(5.6)
12. Расчетное число витков обмотки реле включенной в плечо
защиты со стороны ВН (основная обмотка)
(5.7)
гдеFср = 100 принимаем из [12]. Т-1 и Т-2
ωВН принимаем 46 витков для Т-1 и Т-2.
13. Расчетное число витков обмотки реле, включенной со
стороны НН (неосновная обмотка).
(5.8)
Wнн
принимаем 9 витков и 52 витка
14. Расчетное число витков обмотки реле, включенной в
плечо защиты со стороны СН (неосновная обмотка)
(5.9)
Wсн принимаем 4 витка.
15. Максимальное значение тока трехфазного к. з. на
выводах НН, приведенное к напряжению ВН для Т-1 и Т-2
Где 5400А - значение трехфазного к. з. на стороне НН (10 кВ) для
Т-1 иТ-2
16. Первичный ток небаланса, без учета составляющей.

где
-значение тока трехфазного к. з. на
выводах НН, приведенное к напряжению ВН; А
,1 - полная погрешность трансформатора по [12];
,16 относительная погрешность, обусловленная регулированием
напряжения по [12].
Определим составляющую ток небаланса
(5.10)
где WР ВН (СН) - расчетное значение числа витков неосновной
обмотки;
WПР ВН (СН) - принятое (установленное) число витков неосновной обмотки;
- максимальное значение тока трехфазного к. з. на стороне НН
(СН), приведенное к напряжению ВН, А
для Т-3
17. Определим ток небаланса с учетом составляющей тока
небаланса:
(5.11)
где
- ток небаланса без учета составляющей, А
- составляющая тока небаланса сторон ВН (СН), А
Iнб=133,8+11,7+426,7=572,2А для Т-1 и Т-2
18. Тормозную обмотку включаем на сумму токов
трансформаторов тока, установленных на сторонах среднего и низшего напряжений.
Определим число витков тормозной обмотки:
(5.12)
гдеtgα - тангенс угла наклона к горизонтальной оси касательной,
проведенный из начала координат и тормозной характеристике реле,
соответствующий минимальному торможению, для ДЗТ-11 tgα=0,87 по (стр. 202 [7]).
Kт=1,5 согласно (стр.15 [12]).
Wт
принимаем 17 витков. Проверка:
для Т-1 иТ-2
Проверка чувствительности защиты при двухфазном к. з. на стороне
НН.
Минимальное значение тока в реле, при двухфазном к. з.
(5.13)
19. Коэффициент чувствительности защиты:
(5.14)
Защита имеет достаточную чувствительность и может быть
использована для защиты автотрансформатора.
5.2
Максимальная токовая защита автотрансформаторов
Максимально токовая защита с пуском по напряжению при
трехфазных к. з. на стороне 110кВ (МТЗ-110) предназначена для резервирования
основных защит Т-1 (Т-2) шин 110 кВ и отходящих ВЛ 110 кВ при возникновении
симметричных к. з. на Т-1 (Т-2) шинах 110 кВ, отходящих ВЛ 110 кВ.
. МТЗ является резервной защитой Т-1 (Т-2)
2. Защита выполнена на реле тока типа РТ-40, пусковой
орган по напряжению выполнен на реле напряжения типа РН-54/160.
. Токовые цепи защиты подключены и встроены в ввода
110 кВ Т-1 (Т-2) ТТ с Ктт=300/5 и Т-3 ТТ с Кт=75/5
1. МТЗ-6 предназначена для резервирования основных защит
Т-1 (Т-2), защиты секции шин 10кВ и отходящих присоединений при возникновении
всех видов междуфазных к. з. на шинах 10 кВ и отходящих присоединений.
2. МТЗ-6 является резервной защитой Т-1 (Т-2); Защита
выполнена на реле тока типа РТ-40, пусковой орган по напряжению выполнен на
фильтре-реле напряжения обратной последовательности типа РНФ-1 и реле
минимального напряжения типа РН-54/160.
. Токовые цепи защиты, подключены к встроенным в ввода
10 кВ Т-1 (Т-2) ТТ с Ктт=1500/5.
. Цепи напряжения пускового органа подключены к ТН-10
кВ.
Проведем проверочный расчет защиты МТЗ-10
Проведем проверочный расчет защиты МТЗ
1. расчётный ток срабатывания защиты определяется по
условию отстройки от номинального тока трансформатора на стороне, где
установлена рассматриваемая защита, по формуле:
(5.15)
гдеКОТС - коэффициент отстройки, учитывающий ошибку реле
и необходимый запас, принимается равным 1,2 по [12];
КВ - коэффициент возврата реле, принимается равным 0,8.
по [12]
Ксз - коэффициент самозапуска = 1,1 для общей нагрузки.
(5.16)
Imax - наибольшее значение тока нагрузки трансформатора.
гдеКсх - коэффициент схемы, Ксх=√3 по
[12];
Кт - коэффициент трансформации ТА.
Чувствительность защиты оценивают коэффициентом чувствительности,
который определяется по выражению:
(5.17)
Где IК (2) min - ток двухфазного КЗ в минимальном режиме определяемый по
формуле:
На стороне 110кВ
МТЗ на стороне 10кВ
5.3 Защита
трансформатора от перегрузки
Защита от перегрузок устанавливается на трансформаторах
мощностью более 400 кВА. Защита устанавливается со стороны питания с действием
на сигнал на реле РТ-40.
Ток срабатывания защиты определяется по формуле:
(5.18)
гдеКотс - коэффициент отстройки принимается равным 1,05
из (стр56 [12])
Кв - коэффициент возврата реле, принимается равным 0,85
из (стр.56 [12])
Iном. АТ -
номинальный ток обмотки трансформатора, с учетом регулирования напряжения.
для Т-1 и Т-2
Ток срабатывания реле:
(5.19)
гдеКСХ - коэффициент схемы; КТТ -
коэффициент трансформации ТА.
5.4 Газовая
защита трансформатора
Газовая защита трансформатора предназначена для защиты
трансформатора от внутренних повреждений, сопровождающихся выделением газа, а
также от понижения уровня масла.
При понижении уровня масла или при попадании воздуха в
систему срабатывает верхний поплавок газового реле, выдавая сигнал на
центральную сигнализацию. При повреждении трансформатора, сопровождающегося
бурным газообразованием срабатывает нижний поплавок, выдавая импульс на
выходное реле.
Выходное реле отключает выключатели трансформатора со всех
сторон. Отключающий элемент газовой защиты должен быть включен с действием на
"отключение" при включении трансформатора и не должен затем
переводиться "на сигнал" на время выделения воздуха из
трансформаторного масла.
Перевод отключающего элемента газовой защиты с действием
"на сигнал" должен производиться в следующих случаях:
- на время
проведения защиты;
- при
неисправности защиты;
- при работах в масляной системе
трансформатора, в том числе и при доливке масла.
В качестве газовой защиты используется газовое реле типа
РГТ-40, BF-80/Q.
Схемы релейной защиты представлены на рисунке:
Защита КТП осуществляется предохранителями и разрядниками.
6.
Безопасность и экологичность
6.1 Анализ
проектируемого объекта по потенциальной опасности
По степени опасности поражения людей электрическим током
помещения подразделяются на помещения:
- без повышенной
опасности;
- помещения с
повышенной опасностью;
- особо опасные
помещения.
Подстанция "Нерчинск"относится к категории особо
опасных, так как имеется более двух условий повышенной опасности, а именно:
наружное размещение электроустановок, влияние метеорологических условий и
другие.
К распределительным устройствам данной подстанции
предъявляются следующие основные требования:
- надежность
работы;
- пожаробезопасность;
- экономичность.
Согласно [1] нормальные условия работы электроустановок не
должны создавать опасность для обслуживающего персонала и оборудования
распределительных устройств, приводить к повреждению оборудования, возникновению
коротких замыканий и замыканий на землю. Данное распределительное устройство
оборудовано стационарными заземляющими ножами, которые обеспечивают заземление
аппаратов без использования переносных заземлений; разъединители с одним и
двумя заземляющими ножами, с блокированными с основными ножами и высоковольтным
силовым оборудованием, обеспечивающим надежную работу электроустановки.
Электрические соединения выполнены проводами и шинами из алюминия и его
сплавов, что увеличивает стойкость их к токам короткого замыкания и
относительную дешевизну.
В целях безопасности по периметру распределительного
устройства выполнено ограждение. Ограждение выполнено сетчатым, высота
ограждения два метра. Территория открытых КТП шкафного типа имеет ограждения.
На дверцы, ограждения и шкафы КТП вывешиваются замки. Ключи находятся у
обслуживающего персонала, во избежание попадания на территорию или приближения
к токоведущим частям на недопустимое расстояние людей и животных. На территории
подстанции находится оперативный пункт управления (ОПУ), в котором расположены
панели управления силовым оборудованием и панели релейной защиты оборудования,
дежурная комната, аккумуляторная и подсобные помещения. Условия работы для
обслуживающего персонала соответствует санитарно-гигиеническим нормам, то есть
температура окружающего воздуха в холодный и переходный сезоны года
поддерживается в пределах 18-20оС, а относительная влажность 60% для
категории работ средней тяжести. Система отопления воздушная, выполнена
трубчатыми электрическими нагревателями (ТЭН).
Вопросу охраны труда на подстанциях придается большое
значение.
Наряду с совершенствованием техники и технологии, улучшением
организации труда совершенствуются и условия труда. Вопросы охраны труда
регулируются "Трудовым кодексом РФ". В соответствии с ТК, руководство
по созданию безопасных условий труда возлагается на администрацию предприятия,
которое планирует и обеспечивает выполнение мероприятий по безопасности труда и
производственной санитарии.
Задача охраны труда свести к минимуму вероятность поражения и
заболевания работающего с одновременным обеспечением комфорта.
6.2
Производственная санитария
Здоровье и безопасность условий труда на производстве
обеспечивается правильной организацией охраны труда. Персонал, обслуживающий
электроустановки, работает в условиях возможного действия ряда неблагоприятных
для здоровья факторов, обусловленных состоянием помещений и характером
производства. Поэтому для сохранения здоровья и работоспособности людей при
проектировании предприятий необходимо руководствоваться требованиями санитарных
норм проектирования промышленных предприятий.
Производственные факторы подразделяются на опасные,
воздействие которых на работающего приводит к травме и вредные, которые
приводят к проф. заболеваниям. Согласно ГОСТ 10 0.003-74 опасные и вредные
производственные факторы подразделяются на следующие группы: физические,
химические, биологические и психофизические. На энергетических предприятиях
имеются следующие опасные и вредные производственные факторы: электрическое
напряжение, повышенная напряженность электрического поля, высокие уровни шума и
вибрации, возможность образования взрыво - и пожароопасных смесей в помещениях
аккумуляторных батарей и другие.
На территории подстанции к числу вредных производственных факторов
можно отнести шум силовых автотрансформаторов и трансформаторов возникает от
магнитострикции. Уровень шума при нагрузке превышает уровень шума при холостом
ходе на 5…15 дБ. Допустимый уровень шума Lа = 75 дБ
на класс напряжений 110кВ. При соединении обмоток трансформатора по
уровень шума на 5-6 дБ ниже, чем при
соединении
. Шум трансформатора возрастает с
увеличением высоты магнитопровода, а также при недоброкачественной сборке
сердечника.
В помещении ОПУ подстанции имеется помещение аккумуляторных
батарей, что создает неблагоприятный фактор для здоровья обслуживающего
персонала. В аккумуляторной должны соблюдаться следующие меры безопасности:
аккумуляторное помещение должно быть постоянно заперто на замок; в
аккумуляторной запрещается курение, вход с огнем, пользование
электронагревательными приборами, аппаратами и инструментами. На дверях
аккумуляторного помещения должны быть сделаны надписи:
"Аккумуляторная", "Огнеопасно", "Курить
запрещено". Вход в аккумуляторную осуществляется через тамбур. Тамбур
должен иметь такие размеры, что дверь из помещения аккумуляторной в тамбур
можно было открыть и закрыть при закрытой двери тамбура. Приточно-вытяжная
вентиляция помещения аккумуляторной батареи должна включаться во время заряда
батарей при достижении напряжения 2,3 В на аккумулятор и отключаться после
полного удаления газов, но не раньше чем через 1,5 часа после окончания заряда.
В режиме постоянного подзаряда напряжением 2,3В на элемент в помещении должна
осуществляться вентиляция, обеспечивающая не менее чем однократный обмен
воздуха в час. Для этого применяется принудительная приточно-вытяжная
вентиляция. Требуемый объем воздуха определяется по следующей формуле:
, м3/час, (6.1)
Где Iзар - наибольший ток заряда, А;
П - количество элементов.
При приготовлении электролита кислоту вливают в воду тонкой струей
при постоянном помешивании. Запрещается вливать воду в кислоту. Плотность
электролита нормализуется при температуре 20°С. Плотность электролита,
измеренная при другой температуре приводится к плотности при 20°С по формуле:
, г/см2 (6.2)
где ρ20 - плотность электролита при температуре t;
,0007 - коэффициент изменения плотности электролита с изменением
температуры на 1°С;
t - температура электролита,°С.
Температура в аккумуляторной должна поддерживаться не ниже +10°С
по [3].
6.3
Производственное освещение
Наилучшим видом освещения является дневное. Поэтому в
соответствии со СНиП 23-05-95 все производственные помещения, как правило,
должны иметь естественное (солнечное) освещение. Однако, только дневной свет не
может обеспечить наружное освещение в течение всего рабочего дня, а также
зависит от природных условий. Поэтому производственные помещения обеспечиваются
естественным и искусственным освещением. В качестве источников искусственного
освещения используются электрические люминесцентные лампы, газоразрядные лампы
высокого давления и лампы накаливания. Освещение разделяется на: рабочее,
дежурное, аварийное, эвакуационное и охранное.
Рабочее освещение следует предусматривать для всех помещений,
зданий, а также участков открытых пространств, предназначенных для работы,
прохода людей и движения транспорта.
Для дежурного освещения при необходимости может
использоваться часть светильников того или иного вида освещения. Аварийное
освещение следует предусматривать, если отключение рабочего освещения и
связанное с этим нарушение нормального обслуживания оборудования может вызвать:
взрыв, пожар, длительное нарушение технологического процесса. Эвакуационное
освещение следует предусматривать: в местах опасных для прохода людей. Охранное
освещение должно предусматриваться вдоль границ территорий, охраняемых в ночное
время.
Для нашего объекта предусматривается рабочее дежурное,
аварийное и эвакуационное освещение, а для территории ОРУ рабочее и охранное
освещение. Переносные светильники должны применяться только заводского
изготовления напряжением не выше 42 В, а в местах особо опасных (сырых
помещениях, траншеях, металлических резервуарах и др.) не выше 12В.
У ручного переносного светильника должна быть металлическая
сетка, крючок для подвески и шланговый провод с вилкой.
6.4 Техника
безопасности
К работе в качестве дежурного диспетчера и члена бригады ОВБ
на подстанции могут допускаться лица прошедшие медицинское освидетельствование
и признанные годными по состоянию здоровья, имеющие среднетехническое или
высшее образование по специальности.
Для защиты от воздействия вредных и опасных факторов
необходимо применять следующие средства защиты:
- для защиты от поражения электрическим
током служат следующие защитные средства: указатели напряжения, диэлектрические
перчатки, боты, переносные заземления, оперативные штанги, плакаты и знаки
безопасности;
- для защиты головы от ударов случайными
предметами в помещениях с действующим электрооборудованием, ОРУ, колодцах,
камерах, каналах и тоннелях, строительных площадках и ремонтных зонах
необходимо носить защитную каску, застегнутую подбородочным ремнем.
При выполнении работ на высоте с использованием переносной
деревянной лестницы необходимо убедиться в ее исправном состоянии. На нижних
концах ее должны быть вставки с острыми наконечниками для установки на грунте,
а при использовании лестницы на гладких поверхностях, на них должны быть надеты
башмаки из резины или другого нескользящего материала.
6.5 Пожарная
безопасность
Пожарная безопасность - это система организационных и
технических средств, направленных на профилактику и ликвидацию пожаров,
ограничение их последствий. Пожаро- и взрывоопасность - такое состояние
производственного, при котором с заданной, весьма большой степенью вероятности
исключается возможность пожара или взрыва, а если он все же возникает, то
предотвращается воздействие на людей опасных факторов пожара или взрыва и
обеспечивается защита материальных ценностей. Пожарная безопасность
осуществляется за счет систем предотвращения пожара или взрыва и системы
пожарной защиты. При пожаре на производстве одновременно с эвакуацией людей от
очага пожара вызывается пожарная охрана. Рассматриваемая подстанция имеет
постоянный дежурный персонал, поэтому при возникновении пожара дежурный
персонал докладывает диспетчеру. А затем диспетчер вызывает пожарную бригаду и
принимает меры по отключению силового оборудования, выдавая распоряжения
дежурному персоналу. Территория постоянно убирается от травы, мусора и легко
воспламеняющихся предметов.
На подстанции предусматриваются следующие средства для
тушения пожара: ящики с песком, огнетушители (ОП и ОУ-5). При обслуживании КТП
бригадой ОВБ огнетушители находятся непосредственно у них. Также в лотках, в
которых проложены кабели, для предотвращения распространения пожара, через
равные промежутки все свободные пространства лотка пересыпаны песком.
6.6 Расчет
заземления подстанции
Все электроустановки переменного и постоянного тока
напряжением до 1кВ и выше должны быть заземлены. Заземление частей
электроустановки с целью обеспечить электробезопасность. Заземляющее устройство
- это совокупность заземлителя и заземляющих проводников.
В качестве естественных заземлителей применяют металлические
стержни, уголки, погруженные в почву.