Подстанция ВЛ-110 кВ
АННОТАЦИЯ
В данном курсовом проекте разработана тупиковая подстанция 110/35/10кВ.
Связь с системой осуществляется по ВЛ-110 кВ.
Произведен выбор двух вариантов структурных схем, выбор числа и мощности
трансформаторов связи. Произведен расчет количества линий. Выбраны схемы
распределительных устройств. Для выявления наиболее оптимального варианта
проведено технико-экономическое сравнение двух вариантов. Составлена схема
питания собственных нужд. Рассчитаны токи короткого замыкания. Выбраны
выключатели, разъединители, трансформаторы тока и напряжения. Произведен выбор
основных токоведущих частей. Выбраны конструкции распределительных устройств.
В графической части приведены полная принципиальная электрическая схема
подстанции 110/35/10 кВ а также черчёж общего вида ячейки 10кВ и черчёж общего
вида выдвижног элемента ТН-10кВ.
ВВЕДЕНИЕ
Первые электрические станции и электроустановки в нашей стране стали
строиться в конце XIX века. Их появлению способствовали значительные достижения
в электротехнике: изобретение генераторов, дуговой лампы (свечи Яблочкова),
создание А.Н. Лодыгиным более совершенной лампы накаливания, осуществление
трансформации переменного тока, решение проблемы передачи электроэнергии на
дальние расстояния.
После образования СССР в основу его экономической плотики было положено
создание мощной энергетической базы нового государства. В 1920г. был принят
государственный план электрификации России - ГОЭЛРО. Так появилась одна из
самых мощных в мире электроэнергетических компаний ЕЭС СССР, а после распада
советской власти ЕЭС России.
Техническую основу ЕЭС России составляют:
электростанций суммарной установленной мощностью около 200ГВт;
ЛЭП общей протяженностью 3018 тыс. км;
единая система диспетчерского регулирования, объединяющая практически все
энергетические объекты в работу с единой частотой электрического тока 50 Гц.
РАО «ЕЭС России» выполняет функции общего координирующего центра,
реализующего определенные государством общие условия функционирования и
развития ЕЭС России, исходя из общесистемного эффекта, и обеспечивает в
оперативном плане единое диспетчерское управление для повышения экономической
эффективности ЕЭС России.
ЕЭС России является крупнейшем в мире централизованно управляемым
энергообъединением. Основная доля в структуре генерирующих мощностей приходится
на тепловые электростанции, работающие на органическом топливе. Они достигли
высоких технико-экономических показателей. Удельный расход условного топлива на
1 квт*ч отпущенной электроэнергии составляет на ТЭС около 340 г. Отличительная
особенность отечественной электроэнергетики - широкое строительство
теплоэлектроцентралей (ТЭЦ), отпускающих потребителю не только электроэнергию,
но и тепловую энергию за счёт тепла отработавшего пара. Комбинированное
производство энергии на ТЭЦ дает в год до 25 млн. т экономии условного топлива
(11% всего топлива, идущего на производство электроэнергии). Важное значение
придаётся использованию в качестве топлива для ТЭС дешёвого угля.
Есть и недостаток в использовании этих электростанций это загрязнение
окружающей среды. Тепловые электростанции, сжигающие значительное количество
топлива, являются одним из крупных источников загрязнения атмосферы, так как
кроме основных продуктов горения углерода и водорода СО2 и Н2О, не являющихся
токсичными, выбрасывают золу, окислы серы SО2 и SО2, окислы азота NО и NО2,
некоторые фтористые соединения и др.
Чтобы защитить атмосферу от вредных выбросов ТЭС на ней осуществляют:
- предварительную очистку топлива от вредных примесей - золы и
серы;
- очистка дымовых газов от золы, окислов серы и азота;
рассеивание дымовых газов через высокие трубы;
комплексное энерготехнологическое использование топлива,
обеспечивающее уменьшение вредных выбросов.
Зная, что природные ресурсы ограничены, государство и правительство
заинтересовано в поиске альтернативных источников электроэнергии. Одними из
перспективных являются ветровые, приливные и геотермальные электростанции. Но
пока их доля в выработке электричества в России мала. Кроме того, в перспективе
возможно использование почти даровой и бесконечной мощности, путем управляемой
термоядерной реакции (синтез водорода). Но пока все это в стадии разработок,
потому что термоядерная реакция проходит с огромным выделением энергии, за
короткий промежуток времени. При настоящих научных достижениях пока невозможно
осуществление получения такого вида энергии.
1. ВЫБОР ДВУХ ВАРИАНТОВ СТРУКТУРНЫХ СХЕМ
ток
короткий замыкание трансформатор
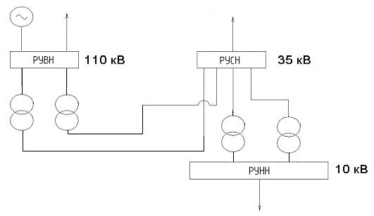
1 Вариант
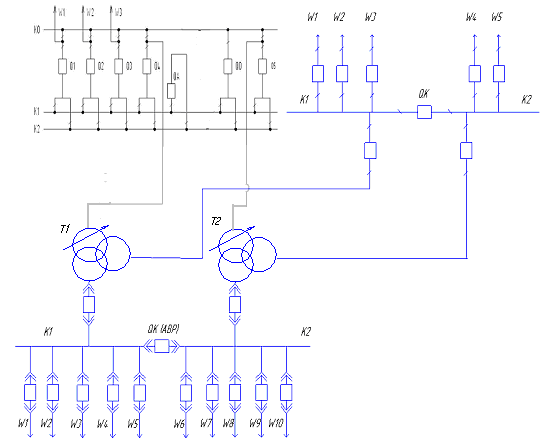
По первому варианту структурной схемы связь между РУ 110/35/10 кВ
осуществляется при помощи двух трехобмоточных трансформаторов (рис. 1)
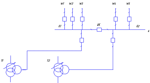
Вариант
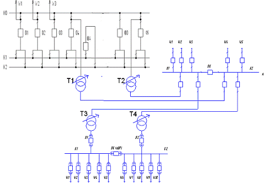
По второму варианту структурной схемы связь между РУ осуществляется при
помощи четырех двухобмоточных трансформаторов связи (рис.2). Два трансформатора
связывают между собой РУВН (110 кВ) и РУСН (35 кВ), а два других связывают РУСН
(35 кВ) и РУНН (10 кВ).
2. ВЫБОР ОСНОВНОГО ОБОРУДОВАНИЯ
Производим выбор числа и мощности трансформаторов связи, устанавливаемых
на ПС.
2.1 Выбор основного оборудования для первого
варианта
Выбираем два параллельно работающих трансформатора. Выбранные
трансформаторы должны обеспечивать питание всех потребителей при оптимальной
загрузки трансформатора - (0.8-0.7) Sн.т., а в аварийном режиме один трансформатор,
оставшийся в работе, обеспечит питание потребителей с учетом перегрузки на 40%.
Условия выбора трансформаторов связи:
1)
;
)
;
)
;
)
,
где
,
,
, - номинальные напряжения высокой, средней и низкой
стороны трансформатора соответственно;
-
установившееся напряжение в цепи;
-
номинальная мощность трансформатора;
-
фактическая мощность трансформатора.
По указанным условиям определяем параметры выбираемого трансформатора
кВ ³ 110 кВ
38.5 кВ ³ 35 кВ
кВ ³ 10 кВ
для
начала определим
:
=
МВА
= 0.7
= 0.7×93.6 = 65.52 МВА
По
таблице А.2. [1] выбираем марку трансформатора ТДТН-80000/110, при этом 80 МВА ³ 65.52 МВА.
Проверим
выбранный трансформатор на режим, если один из трансформаторов аварийно
отключен:
т.
е. в аварийном режиме при отключении одного из трансформаторов второй будет
перегружен на 17%.
Трансформатор
ТДТН-80000/110
)
Трансформатор;
)
Трансформатор трёхфазный;
)
Оснащён системой охлаждения с принудительной циркуляцией воздуха и естественной
циркуляцией масла;
)
Трёхобмоточный трансформатор;
)
Наличие системы регулирования напряжения.
2.2 Выбор основного оборудования для второго варианта
В
этом варианте выбираем по два параллельно работающих трансформатора,
связывающих различные РУ.
Выбор
производим по условиям (1.1):
)
;
)
;
)
.
2.2.1 Выбор трансформаторов, связывающих РУВН и
РУСН
По условиям:
1) 115 кВ ³ 110 кВ;
2) 38,5 кВ ³ 35 кВ;
3) определим
:
=
МВА
= 0.7
Smax = 0.7×63.83 = 44.7МВА
По
таблице А.1. [1] выбираем марку трансформатора ТДН-63000/110, при этом 63 МВА ³ 44.7 МВА.
Проверим
выбранный трансформатор на режим, если один из трансформаторов аварийно
отключен, согласно (1.2):
т.
е. в аварийном режиме при отключении одного из трансформаторов второй не будет
загружен даже на 100%.
Трансформатор
ТДН-63000/110
)
Трансформатор;
)
Трансформатор трёхфазный;
)
Оснащён системой охлаждения с принудительной циркуляцией воздуха и естественной
циркуляцией масла;
)
Двухобмоточный трансформатор;
)
Наличие системы регулирования напряжения.
2.2.2 Выбор трансформаторов, связывающих РУСН и РУНН
По
условиям:
1) 38.5 кВ ³ 35 кВ;
2) 10.5 кВ ³ 10 кВ;
3) определим
:
=
МВА
= 0.7
Smax = 0.7×29.78 = 20.84 МВА
По
таблице А.3. [1] выбираем марку трансформатора ТРДНС-25000/110, при этом
МВА
³ 20.84 МВА.
Проверим
выбранный трансформатор на режим, если один из трансформаторов аварийно
отключен, согласно (1.2):
т.
е. в аварийном режиме при отключении одного из трансформаторов второй не будет
загружен даже на 100%.
Трансформатор
ТРДНС-25000/35
)
Трансформатор;
)
Трансформатор трёхфазный;
)
Наличие расщеплённой обмотки низшего напряжения;
)
Оснащён системой охлаждения с принудительной циркуляцией воздуха и естественной
циркуляцией масла;
)
Двухобмоточный трансформатор;
)
Наличие системы регулирования напряжения;
)
Возможно применение для систем собственных нужд подстанции
2.3 Технические данные трансформаторов
Таблица 1
|
Тип тр-ра
|
Sн,т МВА
|
Напряжение обмоток, Кв
|
Потери, кВт
|
Uн,, %
|
Цена, Тыс. руб.
|
|
|
ВН
|
СН
|
НН
|
Pхх
|
Pкз
|
ВН-СН
|
СН-НН
|
ВН-НН
|
|
|
ТДТН-80000/110
|
80
|
115
|
38.5
|
11
|
64
|
365
|
11
|
18.5
|
7
|
41100
|
|
ТДН- 63000/110
|
63
|
115
|
-
|
38.5
|
50
|
245
|
-
|
-
|
10.5
|
56000
|
|
ТРДНС-25000/35
|
25
|
36.75
|
-
|
10.5-10.5
|
21
|
115
|
-
|
-
|
10.5
|
18600
|
Исходя из условий проверки выбираем автотрансформатор
ТДТН-80000/110/35/10.
Произведем проверку:
).
Исходя из среднесуточного графика нагрузки, проверим достаточность номинальной
мощности трансформатора для аварийного режима с отключением одного из
трансформаторов.
На
рисунке 2.1.1(а),(б) и на рисунке 2.1.2(а),(б) показаны суточные и годовые
графики нагрузки на шинах НН и СН подстанции. Все значения нагрузок сведены в
таблицы 2.1.1 и 2.1.2
Рис.2.1.1(а)
Суточные графики нагрузки на шинах НН.
Таблица
1.1 (суточные графики нагрузки на шинах НН. )
|
Ступень графика
|
Рнн, МВт
|
|
0 -8
|
25,2
|
|
8 - 9
|
26,6
|
|
9 - 12
|
28
|
|
12 - 14
|
26,6
|
|
14 - 19
|
28
|
|
19 - 24
|
26,6
|
Рmax = 28000, кВт
т.е.
,
следовательно
ч,
ч,
,
,
.
Рис.2.1.1(б)
Годовой график нагрузки на шинах НН.
Рис.2.1.2(а).
Суточные графики нагрузки на шинах СН.
Таблица
1.2 (Суточные графики нагрузки на шинах СН.)
|
Ступень графика
|
Рсн, МВт
|
|
0 -8
|
54
|
|
8 - 9
|
57
|
|
9 - 12
|
60
|
|
12 - 14
|
57
|
|
14 - 19
|
60
|
|
19 - 24
|
57
|
Рmax=60000кВт
,
т.е.
Рис.2.1.2(б)
Годовой график нагрузки на шинах СН.
Рис.2.1.3
Суммарный суточный график нагрузки на шинах СН и НН
Таблица
1.3 (Суммарный суточный график нагрузки на шинах СН и НН.)
|
Ступень графика
|
Рсн+нн, МВт
|
|
0 -8
|
79.2
|
|
8 - 9
|
83.6
|
|
9 - 12
|
88
|
|
12 - 14
|
83.6
|
|
14 - 19
|
88
|
|
19 - 24
|
83.6
|
Рис.2.1.4 Суммарный годовой график нагрузки на шинах СН и НН
Определяем полную энергию отпущенную подстанцией:
=233016+499320=732336,МВт*ч
Приведем
полученные нами графики нагрузки к двухступенчатому виду по формулам:((1),
стр.68-70)
,
где
- значения нагрузки в интервалах
,
где
- значения нагрузки в интервалах
,
Проверим соотношение между
и
=
0.9*1,43 = 1,29
.14<1.29,
т.е.
<
поэтому
из (1),стр.70:,
Если
<
, то
принимают
=
=1.29,
следует
=1.14
Рис.2.1.5 Двухступенчатый график суточной нагрузки
Номинальная
мощность автотрансформатора
на
двухтрансформаторной подстанции определяется выражением:
,
где
суммарная активная мощность подстанции, МВт;
коэффициент
участия в нагрузке потребителей I и II категории. Обычно
равен 0,75…0,85.
Автотрансформатор
ТДТН-80000/110/35/10 удовлетворяет всем условиям.
2.4 Схемы перетоков мощности
Вариант
Рис. 3
Вариант
Рис. 4
3. РАСЧЕТ КОЛИЧЕСТВА ЛИНИЙ НА ВСЕХ НАПРЯЖЕНИЯХ
.1 На шинах ВН
На ВН на ПС число линий определяется:

,
где
- пропускная способность одной линии,
= 40 МВт
,
- активные мощности на низкой и средней сторонах
Выбираем количество линий равное 3.
3.2 На шинах СН
Как правило, на шинах СН фиксированная нагрузка, поэтому количество линий
определяется по формуле:
=
,
где
- пропускная способность одной линии. Принимаем
= 10 МВт.
=
линий
Исходя из расчетов, принимаем количество линий на СН равное 5.
3.3 На шинах НН
Как правило, на шинах СН фиксированная нагрузка, поэтому количество линий
определяется по формуле:
=
,
где
- пропускная способность одной линии. Принимаем
= 3 МВт.
=
линий
Исходя из расчетов, принимаем количество линий на НН равное 10.
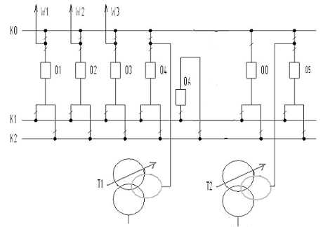
4. ВЫБОР СХЕМ РАСПРЕДИЛИТЕЛЬНЫХ УСТРОЙСТВ
4.1 Составление неполной принципиальной схемы
для варианта №2
На РУВН - 110 кВ 5 присоединений (3 - на линии и 2 - на трансформаторы).
Примем схему «две рабочие системы шин с обходной системой шин», т.к. эта схема
является основной для РУ 110 кВ на подстанциях при числе присоединений до 15.
Обе
системы шин
и
являются
рабочими, нормально находятся под напряжением. Шиносоединительный выключатель
(ШСВ)
включен для выравнивания потенциалов в шинах.
Половина присоединений подключена к
, другая
половина - ко второй системе шин
. Каждое
присоединение подключается к двум системам шин через вилку из двух шинных
разъединителей.
Обходная
система шин
нормально находится без напряжения. Обходной
выключатель
, разъединители в цепи обходного выключателя также
нормально отключены.
Рис.4.1.1.
ОРУ на напряжении 110 кВ по схеме «две рабочие системы шин с обходной системой
шин»
На РУ 35 кВ, согласно [5], пункт 1.7.3., принимаем схему с одной,
секционированной системой шин. Секционный выключатель нормально отключен для
ограничения токов короткого замыкания и включается автоматически при коротком
замыкании в цепи трансформатора, питая линии, присоединенные к отключившемуся
трансформатору.
На РУ 10 кВ, согласно [5], пункт 1.9.2., принимаем схему с одной
секционированной системой шин. Данная схема применяется при двух
трансформаторах с расщепленной обмоткой или сдвоенных реакторах, присоединенных
каждый к двум секциям. Согласно НТП пункту 3.10. на стороне 6-10 кВ должна
предусматриваться, как правило, раздельная работа трансформаторов и поэтому
секционные выключатели нормально отключены.
4.2 Выбор схем распределительных устройств для варианта №2
Схемы РУНН,СН,ВН для второго варианта аналогичны схемам для варианта №1.
Отличие лишь в том, что во втором варианте на РУСН на два присоединения больше
(2 - на блочные трансформаторы связывающие РУВН и РУСН, 2 - на блочные трансформаторы
связывающие РУСН и РУНН, 5 - на линии).
Неполная принципиальная схема. Вариант №1.
Неполная принципиальная схема. Вариант №2.
5. ТЕХНИКО-ЭКОНОМИЧЕСКОЕ СРАВНЕНИЕ ДВУХ ПРОЕКТИРУЕМЫХ ВАРИАНТОВ.
Технико-экономическое сравнение производится по методу приведенных
затрат, которые определяются по формуле:
,
где
PН - нормативный коэффициент эффективности
[2],
К
- капитальные затраты, включающие в себя стоимость оборудования и т.д. (таблица
2),
С
- эксплутационные расходы.
5.1 Расчет капитальных затрат
Капитальные
затраты состоят из стоимости оборудования, затрат на монтаж, наладку,
эксплуатацию и пуск оборудования.
Для
подсчета капитальных затрат составляем таблицу (2), в которой учитывается
только то оборудование на которое различаются варианты.
Таблица 2
(капитальные затраты)
|
Наименование оборудования
|
Стоимость единицы, тыс.
руб.
|
1 вариант
|
2 вариант
|
|
|
Количество, шт.
|
стоимость, тыс. руб.Количество, шт. стоимость, тыс. руб.
|
|
|
|
Трансформаторы ТДТН
80000/110
|
41100
|
2
|
82200
|
-
|
-
|
|
ОРУ 35кВ
|
816
|
8
|
6528
|
-
|
-
|
|
Трансформаторы ТДН
63000/110
|
56000
|
|
|
2
|
112000
|
|
Трансформаторы ТРДНС
25000/110
|
18600
|
|
|
2
|
37200
|
|
Ячейки ОРУ 35 кВ
|
816
|
|
|
10
|
8160
|
|
Итого
|
|
|
88728
|
|
157360
|
Примечание к таблице 2:
1) Цены на трансформаторы и реакторы принимаются по
справочнику [6] и с учетом инфляции, умножаются на 300.
2) Цены на ячейки ОРУ принимаются по учебнику [3] и с учетом
инфляции, умножаются на 200.
5.2 Подсчет приведенных затрат по первому
варианту
Эксплуатационные расходы определяются по формуле:
где
- стоимость потерь электроэнергии в трансформаторах,
где
- годовые потери электроэнергии в трансформаторе,
-
стоимость 1 кВт×ч эл. энергии.

Находим потери в трехобмоточном трансформаторе ТДТН-80000/110:
,
где
- потери трансформатора, взятые из паспортных данных;-
число часов работы трансформаторов в году t = 8760 ч;
- переток
мощности через трансформатор;
t - время max потерь,
определяется в зависимости от
.
Согласно графику на рис.5-5 [2] при cosj = 0.94 и
=4900 ч., t = 3500 ч.;
-
номинальная мощность из паспортных данных.
По
формуле (5.3) определяем
:
По
формуле (5.4) определяем
:
Тогда
С равно:
определим
приведенные затраты по (5.1):
5.3 Подсчет приведенных затрат по второму варианту
Определяем
потери в двухобмоточном трансформаторе ТДН-63000/110:
,
Определяем
потери в двухобмоточном трансформаторе ТРДНС-25000/35:
,
кВт×ч.
Определим
суммарные потери:
,
По
формуле (5.3) определяем
:
По
формуле (5.4) определяем
:
Тогда
С равно:
определим
приведенные затраты по (5.1):
5.4 Определение наиболее экономичного варианта
Определяем
наиболее экономичный вариант по формуле
Где
- вариант с наибольшими затратами.
Дальнейший
расчет ведем по первому варианту, т. к. он экономичнее второго на 40%.
6.
СОСТАВЛЕНИЕ СХЕМЫ СОБСТВЕННЫХ НУЖД
Согласно
[7], пункт 2.8, выбираем на проектируемой ПС постоянный оперативный ток.
Источником постоянного оперативного тока служит аккумуляторная батарея.
Согласно, пункту 2.4 на проектируемой ПС устанавливается одна аккумуляторная
батарея 220 В. Батареи, согласно пункту 2.6, работают в режиме постоянного
подзаряда от выпрямительных устройств.
На
всех ПС необходимо устанавливать не менее двух трансформаторов СН. От сети СН
ПС должны предусматривать присоединение трансформаторов СН к разным источникам
питания на стороне НН. Трансформаторы СН должны работать раздельно с АВР.
6.1 Таблица СН
При
составлении таблицы, учитываем, что для осветительной нагрузки и подогрева cosj = 1, а для двигательной нагрузки cosj = 0.85.
Таблица. 3
Перечень нагрузок на собственные нужды
|
Наименование приемника
|
Установленная мощность
|
   Расчетная
нагрузка
|
|
|
|
|
|
Ед. кол.
|
Всего кВт ч
|
|
|
|
|
Летом
|
Зимой
|
|
|
|
|
|
|
|
  
|
|
|
|
|
Охлаждение трансформаторов
|
34х0.25
|
8,5
|
0.85
|
0.85
|
0.62
|
0.5
|
4.25
|
2.635
|
4.25
|
2.635
|
|
Электроподогрев и сушка трансформаторов
|
2х100
|
200
|
1
|
1
|
0
|
0.7
|
140
|
-
|
140
|
-
|
|
Маслоочистительная
установка
|
2х28
|
56
|
1
|
1
|
0
|
0.2
|
11,2
|
|
11,2
|
|
|
Фильтр пресс
|
2х2
|
4
|
1
|
1
|
0
|
0,1
|
0,4
|
|
0,4
|
|
|
Насосы
|
2х2
|
4
|
1
|
1
|
0
|
0,1
|
0,4
|
|
0,4
|
|
|
Электродвигатель лебёдки
|
2х16
|
32
|
|
0,85
|
0,62
|
0,05
|
1,6
|
1
|
1,6
|
1
|
|
Подзарядно-зарядный агрегат
|
2х23
|
46
|
1
|
1
|
0
|
0.12
|
5.52
|
-
|
5.52
|
-
|
|
Постоянно включенные
сигнальные лампы
|
0.5х38
|
119
|
1
|
1
|
0
|
1
|
19
|
-
|
19
|
-
|
|
Подогрев выключателей 110
кВ
|
9х(1.8+0,4)
|
19.8
|
1
|
1
|
0
|
1
|
-
|
-
|
19,8
|
-
|
|
Подогрев выключателей 35 кВ
|
9х(1.8+0,4)
|
19.8
|
1
|
1
|
0
|
1
|
-
|
-
|
19,8
|
-
|
|
Подогрев КРУ 10 кВ
|
18х1
|
18
|
1
|
1
|
0
|
1
|
-
|
-
|
18
|
-
|
|
Подогрев приводов
разъединителей
|
78х0.6
|
46.8
|
1
|
1
|
0
|
1
|
-
|
-
|
46,8
|
-
|
|
Подогрев релейного шкафа
|
20х1
|
20
|
1
|
1
|
0
|
1
|
-
|
-
|
20
|
-
|
|
Насосы пожаротушения
|
100х2
|
200
|
0,85
|
0,85
|
0,62
|
0,05
|
10
|
6,2
|
10
|
6,2
|
|
Отопление насосной
пожаротушения
|
-
|
20
|
1
|
1
|
0
|
1
|
|
|
20
|
|
|
Освещение ОПУ, совмещенного
с ЗРУ
|
-
|
14.35
|
1
|
1
|
0
|
0.6
|
8.61
|
-
|
8.61
|
-
|
|
Силовая нагрузка ОПУ
|
-
|
5
|
1
|
1
|
0
|
1
|
5
|
|
5
|
|
|
Устройство связи
|
-
|
1
|
1
|
1
|
0
|
1
|
2
|
-
|
2
|
-
|
|
Освещение ОПУ и КРУ
|
-
|
2
|
1
|
1
|
0
|
0.5
|
1
|
|
1
|
|
|
Отопление ОПУ и КРУ
|
-
|
18
|
1
|
1
|
0
|
1
|
-
|
-
|
18
|
-
|
|
Аварийная сигнализация
|
|
0,2
|
1
|
1
|
0
|
1
|
0,2
|
-
|
0,2
|
-
|
|
Освещение ОРУ-110
|
|
11,2
|
1
|
1
|
0
|
1
|
0,2
|
|
0,2
|
|
|
Освещение ОРУ-35
|
|
4,35
|
1
|
1
|
0
|
0,1
|
0,44
|
|
0,44
|
|
|
Итого:
|
|
|
|
|
|
|
179,66
|
11,57
|
370,8
|
11,57
|
Формулы для расчета:
Т.о., расчетная нагрузка:
Летом
Зимой
Согласно
НТП на всех подстанциях необходимо устанавливать не менее двух ТСН-ов. Мощность
каждого с низкой стороны 0,4 кВ должна быть не более 630кВА для подстанции с ВН
110В.
Положим,
что подстанция с постоянным дежурством, значит можно допустить перегрузку
одного трансформатора на 30% в течении 2 часов после аварийного отключения,
тогда:
При двух ТСН-ах в нормальном режиме каждый загружен на 50-60%, а при
отключении одного второй перегружен не более чем на 30%. В этом случае
применяется принцип неявного резерва.
Расчетной нагрузкой является зимняя:
Тогда
мощность каждого трансформатора выбираем по условию:
Выбираем
два трансформатора ТСЗ-400/10.
Определим
нагрузку трансформаторов в ремонтном режиме:
Аварийная
нагрузка с применением:
).
Аварийной вентиляции
).
Ремонтная нагрузка (сварочный аппарат)
Всего
Проверим
выбранный трансформатор нагрузку в ремонтном режиме:
Трансформатор
ТСЗ:
Т
- трехфазный
С
- для систем собственных нужд
З
- защитное исполнение
Так
как тип оперативного тока - постоянный, схема питания СН будет такой:
Рис.6.1
Схема питания собственных нужд
7. РАСЧЕТ ТОКОВ КОРОТКОГО ЗАМЫКАНИЯ
Коротким замыканием (КЗ) называется нарушение нормальной работы
электрической установки, вызванное замыканием фаз между собой, а также
замыканием фаз на землю в сетях с глухозаземленными нейтралями.
Причинами КЗ обычно являются нарушения изоляции, вызванные её
механическими повреждениями, старением, набросами посторонних тел на провода
линий электропередачи, проездом под линиями негабаритных механизмов, прямыми
ударами молнии, перенапряжениями, неудовлетворительным уходом за оборудованием.
Часто причиной повреждений в электроустановках, сопровождающихся короткими
замыканиями, являются неправильные действия обслуживающего персонала.
При КЗ токи в поврежденных фазах увеличиваются в несколько раз по сравнению
с их нормальным значением, а напряжения снижаются, особенно вблизи места
повреждения.
Протекание больших токов КЗ вызывает повышенный нагрев проводников, а это
ведет к увеличению потерь электроэнергии, ускоряет и разрушение изоляции, может
привести к потере механической прочности токоведущих частей и электрических
аппаратов.
При расчёте токов короткого замыкания принимают ряд допущений, не
вносящих существенных погрешностей в расчёты, к ним относятся:
) отсутствие качаний генераторов;
) линейность всех элементов схемы (не учитывается насыщение магнитных
систем);
) приближённый учёт нагрузок (все нагрузки представляются в виде
постоянных по величине индуктивных сопротивлений);
) пренебрежение активными сопротивлениями элементов схемы при расчёте
токов короткого замыкания и учёт активных сопротивлений только при определении
степени затухания апериодических составляющих токов короткого замыкания;
) пренебрежение распределённой ёмкостью линий, за исключением случаев
длинных линий и линий в сетях с малым током замыкания на землю;
) симметричность всех элементов системы, за исключением места короткого
замыкания;
) пренебрежение током намагничивания трансформаторов.
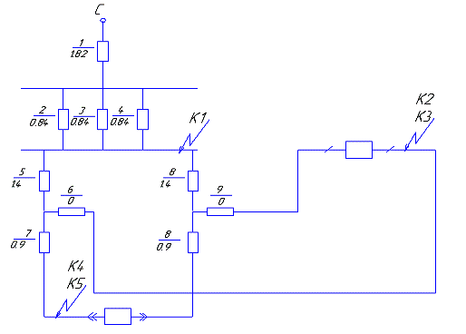
7.1 Составление схемы замещения
Расчетная схема:
Используя расчетную схему, составим схему замещения:
.2 Расчет сопротивлений схемы замещения
Расчет сопротивлений будем производить в относительных единицах. За
базовую мощность принимаем мощность Sб =1000 МВА .
Базисные напряжения на каждой ступени будут равны средним номинальным
напряжениям тех же ступеней:
;
;
7.2.1 Сопротивление энергосистемы
где
- мощность энергосистемы, МВА
.2.2 Сопротивление линий электропередачи

.2.3 Сопротивление трансформаторов
где
- относительное сопротивление обмотки трансформатора,
от.ед.
Сопротивление
трансформатора АТДЦТН-160000/220/110 и регулировочного трансформатора
7.3 Ток короткого замыкания в точке К1
Преобразование схемы относительно точки К1:
Для данной точки будет одна генерирующая ветвь системы С. При расчете не
будем учитывать сопротивления х5-х10, т.к через эти сопротивления ток в точку
к.з. не протекает.
Сопротивление генерирующей ветви:
Рисунок
7.3 - Преобразование схемы замещения относительно точки К1
Составляющие
тока короткого замыкания в точке К1:
Периодическая
составляющая тока короткого замыкания:
где
- сверхпереходная относительная эдс, от.ед.;
-
результирующее сопротивление генерирующей ветви, Ом,
Ударное
значение тока короткого замыкания:
где
- ударный коэффициент
Для системы, связанной со сборными шинами, где рассматривается КЗ,
воздушными линиями напряжением, кВ:
Апериодическая
составляющая тока короткого замыкания в момент разведения контактов
выключателя:
где
=0,1с - расчетное время, с;
Та-
постоянная времени затухания апериодической составляющей тока короткого
замыкания, с
Периодическая
составляющая в момент разведения контактов выключателя:
где
- коэффициент определяющий во сколько раз изменяется
периодическая составляющая после начала к.з.
Т.к.
система является источником бесконечной мощности то
Таблица
7.3 (Составляющие тока короткого замыкания в т. К1)
7.4 Ток короткого замыкания в точке К2
Преобразование схемы относительно точки К2:
Для данной точки будет одна генерирующая ветвь системы С. При расчете не
будем учитывать сопротивления х6,х9, т.к их сопротивления равны нулю и
сопротивления х7,х10, т.к. через эти сопротивления ток в точку к.з. не
протекает.
Рисунок
7.4 - Преобразование схемы замещения относительно точки К2 (секционный
выключатель включен)
Составляющие
тока короткого замыкания в точке К2:
Периодическая
составляющая тока короткого замыкания:
Ударное
значение тока короткого замыкания:
где
- ударный коэффициент
Для системы, связанной со сборными шинами, где рассматривается КЗ,
воздушными линиями напряжением, кВ:
Апериодическая
составляющая тока короткого замыкания в момент разведения контактов
выключателя:
где
=0,1с - расчетное время, с;
Та-
постоянная времени затухания апериодической составляющей тока короткого
замыкания, с
Периодическая
составляющая в момент разведения контактов выключателя:
где
- коэффициент определяющий во сколько раз изменяется
периодическая составляющая после начала к.з.
Т.к.
система является источником бесконечной мощности то
Таблица
7.4 (Составляющие тока короткого замыкания в т. К2)
7.5 Ток короткого замыкания в точке К3
(секционный выключатель отключен)
Преобразование схемы относительно точки К3:
Для данной точки будет одна генерирующая ветвь С.
Рисунок 7.5 - Преобразование схемы замещения относительно точки К2
(секционный выключатель выключен).
Составляющие
тока короткого замыкания в точке К3:
Периодическая
составляющая тока короткого замыкания:
Ударное
значение тока короткого замыкания:
где
- ударный коэффициент
Для системы, связанной со сборными шинами, где рассматривается КЗ,
воздушными линиями напряжением, кВ:
Апериодическая
составляющая тока короткого замыкания в момент разведения контактов
выключателя:
где
=0,1с - расчетное время, с;
Та-
постоянная времени затухания апериодической составляющей тока короткого
замыкания, с
Периодическая
составляющая в момент разведения контактов выключателя:
где
- коэффициент определяющий во сколько раз изменяется
периодическая составляющая после начала к.з.
Т.к.
система является источником бесконечной мощности то
Таблица
7.5 (Составляющие тока короткого замыкания в т. К3)
7.6 Ток короткого замыкания в точке К4
(секционный выключатель включен)
Преобразование схемы относительно точки К4:
Для данной точки будет одна генерирующая ветвь С.
Составляющие
тока короткого замыкания в точке К4:
Периодическая
составляющая тока короткого замыкания:
Ударное
значение тока короткого замыкания:
где
- ударный коэффициент
Для системы, связанной со сборными шинами, где рассматривается КЗ,
воздушными линиями напряжением, кВ:
Апериодическая
составляющая тока короткого замыкания в момент разведения контактов
выключателя:
где
=0,1с - расчетное время, с;
Та-
постоянная времени затухания апериодической составляющей тока короткого
замыкания, с
Периодическая составляющая в момент разведения контактов выключателя:
где
- коэффициент определяющий во сколько раз изменяется
периодическая составляющая после начала к.з.
Т.к.
система является источником бесконечной мощности то
Таблица
7.6 (Составляющие тока короткого замыкания т. К4)
7.7 Ток короткого замыкания в точке К5
(секционный выключатель отключен)
Преобразование схемы относительно точки К5:
Для данной точки будет одна генерирующая ветвь С.
Рисунок 7.7 - Преобразование схемы замещения относительно точки К5
(секционный выключатель выключен).
Составляющие
тока короткого замыкания в точке К5:
Периодическая
составляющая тока короткого замыкания:
Ударное
значение тока короткого замыкания:
где
- ударный коэффициент
Для системы, связанной со сборными шинами, где рассматривается КЗ,
воздушными линиями напряжением, кВ:
Апериодическая
составляющая тока короткого замыкания в момент разведения контактов
выключателя:
где
=0,1с - расчетное время, с;
Та-
постоянная времени затухания апериодической составляющей тока короткого замыкания,
с
Периодическая составляющая в момент разведения контактов выключателя:
где
- коэффициент определяющий во сколько раз изменяется
периодическая составляющая после начала к.з.
Т.к.
система является источником бесконечной мощности то
Таблица
7.7 Составляющие тока короткого замыкания т. К5)
Таблица 7.8 - Составляющие тока короткого замыкания
|
Наименование точки
короткого замыкания
|
Наименование ветви
|
Значение , кА
|
|
|
, кА , кА , кА , кА
|
|
|
|
|
К-1 РУВН 110 кВ
|
Система
|
2,39
|
5,62
|
0.062
|
2,39
|
|
К-2 РУСН 35 кВ (Секционный
выключатель - включен)
|
Система
|
5,57
|
12,66
|
0.05
|
5,57
|
|
К-3 РУСН 35 кВ (Секционный
выключатель - выключен)
|
Система
|
4,45
|
10.12
|
0.04
|
4,45
|
|
К-4 РУНН 10 кВ (Секционный
выключатель - включен)
|
Система
|
16,92
|
38,47
|
6.3
|
16,92
|
|
К-5 РУНН 10 кВ (Секционный
выключатель - выключен)
|
Система
|
12,49
|
28,4
|
4,65
|
12,49
|
8. ВЫБОР
ВЫКЛЮЧАТЕЛЕЙ И РАЗЬЕДИНИТЕЛЕЙ
.1 Выбор выключателей в РУ ВН 110 кВ
РУ ВН 110 кВ выполняется открытого типа т.к. подстанция не имеет в близи
предприятий с химически агрессивной средой.
В пределах РУ выключатели выбираются по цепи самого мощного
присоединения, в нашем случаи это трансформатор ТДТН-80000/110/35.
Выключатели выбираются по следующим условиям:
8.1.1 Номинальный и максимальный ток цепи
По
полученным данным выбираем выключатель ВЭБ-110-40/2000У1
Расшифровка типа выключателя ВЭБ
В-Выключатель
Э-Элегазовый
Б-Баковый
8.1.2 Проверка выбранного выключателя на отключающую
способность
8.1.3 Проверка выключателя на возможность отключения
апериодической составляющей
где
- допустимое относительное содержание апериодической
составляющей тока в токе отключения.
Определение
момента расхождения контактов
где
- минимальное время срабатывания защиты, с;
- полное
время отключения выключателя, с.
8.1.4 Проверка выключателя на термическую
устойчивость
где
- допустимый тепловой импульс, А2·с.
где
- ток термической стойкости, кА;
- время
протекания тока, с.
где
- время отключения выключателя, с,
где
- время срабатывания защиты, с;
- полное
время отключения выключателя, с.
8.1.5 Проверка выключателя на электродинамическую
устойчивость
Выбранный
выключатель удовлетворяет всем условиям.
8.2 Выбор выключателей в РУ СН 35 кВ
РУ СН 110 кВ выполняется открытого типа т.к. подстанция не имеет в близи
предприятий с химически агрессивной средой.
В пределах РУ выключатели выбираются по цепи самого мощного
присоединения, в нашем случаи это автотрансформатор ТДТН-80000/110/35.
8.2.1 Номинальный и максимальный ток цепи
По
полученным данным выбираем вакуумный выключатель ВБН-35-20/1600 УХ11
Расшифровка типа вакуумного выключателя ВБН
В-Выключатель
Б-Баковый
Н-для наружной установки
8.2.2 Проверка выбранного выключателя на отключающую
способность
8.2.3 Проверка выключателя на возможность отключения
апериодической составляющей
.2.4 Проверка выключателя на термическую устойчивость
8.2.5 Проверка выключателя на электродинамическую
устойчивость
Выбранный
выключатель удовлетворяет всем условиям.
8.3 Выбор выключателей в РУ НН 10кВ
Выбираем выключатели для КРУ:
.3.1 Номинальный и максимальный ток цепи
По полученным данным выбираем выключатель ВВ/TEL-10-20/630УЗ
.3.2 Проверка выбранного выключателя на отключающую
способность
.3.3 Проверка выключателя на возможность отключения
апериодической составляющей
8.3.4 Проверка выключателя на термическую
устойчивость
8.3.5 Проверка выключателя на электродинамическую
устойчивость
Выбранный
выключатель удовлетворяет всем условиям.
Для
РУНН выбираем шкаф КРУ К-104М.
.4 Выбор вводного и секционного выключателей в
РУ НН 10кВ
.4.1 Номинальный и максимальный ток цепи
По полученным данным выбираем выключатель ВВЭ-10-31,5/2000УЗ
.4.2 Проверка выбранного выключателя на отключающую
способность
.4.3 Проверка выключателя на возможность отключения
апериодической составляющей
8.4.4 Проверка выключателя на термическую
устойчивость
8.4.5 Проверка выключателя на электродинамическую
устойчивость
Выбранный
выключатель удовлетворяет всем условиям.
8.5 Выбор разъединителей в РУ ВН 110 кВ
Разъединители выбираются по следующим условиям:
Выбираем
разъединитель типа РНДЗ-2- 110У/1000 У1
Р-Разьеденитель
Н-Наружной
установки
Д-Наличие
колонок (Двухколонковый)
З-Наличие
заземлителей
-Кол-во
заземллителей
8.5.1 Проверка разъединителя на термическую
устойчивость
8.5.2 Проверка разъединителя на электродинамическую
устойчивость
Выбранный
разъединитель удовлетворяет всем условиям.
8.6 Выбор разъединителей в РУ СН 35 кВ
Разъединители выбираются по следующим условиям:
Выбираем
разъединитель типа РНДЗ-35/2000 У1
Р-Разьеденитель
Н-Наружной
установки
Д-Наличие
колонок (Двухколонковый)
З-Наличие
заземлителей
-Кол-во
заземлителей
8.6.1 Проверка разъединителя на термическую
устойчивость
.6.2 Проверка разъединителя на электродинамическую
устойчивость
Выбранный
разъединитель удовлетворяет всем условиям.
9. ВЫБОР ТРАНСФОРМАТОРОВ ТОКА И НАПРЯЖЕНИЯ
9.1 Выбор трансформаторов напряжения
.1.1 Выбор трансформаторов напряжения для РУ СН
110 кВ
Выбираем трансформатор типа НКФ-110-58
Н- трансформатор напряжения
К- каскадный
Ф- с фарфоровой изоляцией

Группа
соединения
9.1.1.1 Проверка трансформатора напряжения на
вторичную нагрузку
Вторичная
нагрузка определяется в режиме когда одна система шин выведена в ремонт.
Таблица
9.1- Вторичная нагрузка трансформатора
|
Наименование цепи
|
Наименование прибора
|
Тип прибора
|
Потребляемая мощность одной
катушки ВА
|
Кол-во катушек
|
Кол-во приборов
|
Сум. потреб. Мощность ВА
|
|
Линия 110кВ
|
Ваттметр Варметр Фиксирую-
щий прибор
|
Д-365 Д-365 ФИП
|
2 2 1
|
3 3 3
|
12 12 9
|
|
Обходной выключатель
|
Ваттметр Варметр прибор
Счетчик активной реактивной энергии Фиксирующий
|
Д-365 Д-365 Ц6805В
ЦЭ6811 ФИП
|
2 2 1 1 3
|
2 2 2 2 1
|
1 1 1 1 1
|
4 4 2 2 3
|
|
Сборные шины 110 кВ
|
Вольтметр Вольтметр
регистрирующий Осцилограф
|
Э-365 Н-393 Э-362
|
2 10 1
|
2 1 1
|
1 1 2
|
4 10 2
|
|
Релейная защита линии
|
Микропроцессорная
|
-
|
1
|
-
|
3
|
3
|
|
Итого
|
|
|
|
|
|
64
|
Табличная расчётная вторичная нагрузка трансформатора напряжения для РУВН
110кВ
Выбранный
измерительный трансформатор напряжения НКФ-110-58 удовлетворяет всем условиям.
9.1.2 Выбор трансформаторов напряжения для РУ СН 35
кВ
Выбираем
трансформатор типа ЗНОЛ-35.
З-
заземляемый с одним заземляющим вводом обмотки высшего напряжения;
Н
- трансформатор напряжения;
О
- однофазный;
Л
- с литой изоляцией.

Группа
соединения
9.1.2.1 Проверка трансформатора на вторичную нагрузку
Таблица
9.2- Вторичная нагрузка трансформатора
|
Наименование цепи
|
Наименование прибора
|
Тип прибора
|
Потребляемая мощность одной
катушки ВА
|
Кол-во катушек
|
Кол-во приборов
|
Сум. потреб. Мощность ВА
|
|
Цепь трансформатора
|
Счетчик активной реактивной
энергии
|
ЦЭ6805В ЦЭ6811
|
1 1
|
2 2
|
1 1
|
2 2
|
|
Линия 35кВ
|
Счетчик активной реактивной
энергии
|
ЦЭ6805В ЦЭ6811
|
1 1
|
2 2
|
3 3
|
6 6
|
|
Сборные шины 35 кВ
|
Вольтметр Вольтметр
регистрирующий
|
Э-390 Н-344
|
2 10
|
2 1
|
1 1
|
4 10
|
|
Итого
|
|
|
|
|
|
30
|
Табличная вторичная нагрузка трансформатора напряжения для РУ 35кВ
Выбранный
измерительный трансформатор напряжения ЗНОЛ-35 удовлетворяет всем условиям.
9.1.3 Выбор трансформаторов напряжения для РУ НН 10
кВ
Выбираем
трансформатор типа ЗНОЛ-08 - 10У2.

Группа
соединения
9.1.3.1 Проверка трансформатора на вторичную нагрузку
Таблица 9.3- Вторичная нагрузка трансформатора напряжения
|
Наименование цепи
|
Наименование прибора
|
Тип прибора
|
Потребляемая мощность одной
катушки ВА
|
Кол-во катушек
|
Кол-во приборов
|
Сум. потреб. Мощность ВА
|
|
Цепь трансформатора
|
Счетчик активной реактивной
энергии
|
ЦЭ6805В ЦЭ6811
|
1 1
|
2 2
|
1 1
|
2 2
|
|
Линии 10кВ
|
Счетчик активной реактивной
энергии
|
ЦЭ6805В ЦЭ6811
|
1 1
|
2 2
|
5 5
|
10 10
|
|
Сборные шины 10 кВ
|
Вольтметр Вольтметр
регистрирующий
|
Э-390 Н-393
|
2 10
|
2 1
|
1 1
|
4 10
|
|
Суммарная потребляемая
мощность, ВА
|
56
|
Выбранный
измерительный трансформатор напряжения ЗНОЛ-08-10У2 удовлетворяет всем
условиям.
TV каскадного типа НКФ находят широкое применение в установках 110 кВ и
выше. В этих трансформаторах обмотка ВН равномерно распределяется по нескольким
магнитопроводам, благодаря чему облегчается её изоляция.на 220 кВ состоят из
двух блоков, установленных один над другим, т.е. имеют два магнитопровода и
четыре ступени каскадной обмотки ВН. TV на 500 кВ соответственно имеют четыре блока,
т.е. восемь степеней обмотки ВН.
На 10 кВ всё шире применяются TV с литой изоляцией. Вообще, заземляемые
TV серии ЗНОЛ.09 имеют пять исполнений по номинальному напряжению: 6, 10,15,20
и 24 кВ. Магнитопровод в них ленточный, разрезной, С-образный, что позволило
увеличить класс точности до 0,2. Такие трансформаторы имеют небольшую массу,
могут устанавливаться в любом положении, пожаробезопасны.
9.2 Выбор измерительных трансформаторов тока
Трансформаторы тока выбираются по следующим условиям:
Трансформаторы
тока выбираются по цепи самого мощного присоединения.
В
данном случае в цепи трансформатора связи ТДТН 80000/110
9.2.1 Выбор измерительных трансформаторов тока в РУ
СН 110 кВ
Выбираем
трансформатор тока ТВТ-110-IΙI-600/5.
Т-
трансформатор
В-
встроенный
9.2.1.1 Проверка трансформатора тока на динамическую
устойчивость
.2.1.2 Проверка на термическую устойчивость
9.2.1.3 Проверка на вторичную нагрузку
где
- суммарное сопротивление приборов, проводов и
контактов, Ом
Проверка
на вторичную нагрузку сводится к определению сечения провода
где
- удельное сопротивление материала, Ом·м;
- длина
контрольных проводов, м;
-
сопротивление провода, Ом
где
- сопротивление контактов, Ом;
-
номинальная вторичная нагрузка, Ом;
-
сопротивление приборов, Ом
где
- полная мощность всех приборов, ВА;
-
номинальный вторичный ток, А
Таблица
9.4
|
Наименование прибора
|
Тип прибора
|
Потребляемая мощность
прибора, ВА
|
|
Амперметр
|
Э-335
|
0,5
|
|
Суммарная потребляемая
мощность, ВА
|
0,5
|
По
условию прочности сечение не должно быть меньше 4мм2 для алюминиевых жил.
Выбираем
кабель АКРВБ- 4 мм2.
А
- алюминиевый;
К
- контрольный кабель;
Р
- резина;
В
- поливинил хлоридный пластикат;
Б
- броня из двух стальных лент с противокоррозионным покрытием.
9.2.2 Выбор измерительных трансформаторов тока в РУ
СН 35 кВ
Выбираем
трансформатор тока ТВТ35-I-2000/5.
9.2.2.1 Проверка трансформатора тока на динамическую
устойчивость
9.2.2.2 Проверка на термическую устойчивость
9.2.2.3 Проверка на вторичную нагрузку
где
- суммарное сопротивление приборов, проводов и
контактов, Ом
Проверка
на вторичную нагрузку сводится к определению сечения провода
где
- удельное сопротивление материала, Ом·м;
- длина
контрольных проводов, м;
-
сопротивление провода, Ом
где
- сопротивление контактов, Ом;
-
номинальная вторичная нагрузка, Ом;
-
сопротивление приборов, Ом
где
- полная мощность всех приборов, ВА;
-
номинальный вторичный ток, А
Таблица
9.5
|
Наименование прибора
|
Тип прибора
|
Потребляемая мощность
прибора, ВА
|
|
Амперметр Ваттметр Варметр
Счетчик активной реактивной энергии
|
Э-335 Д-335 Д-335 ЦЭ6804
ЦЭ6811
|
0,5 0,5 0,5 0,2 0,6
|
|
Суммарная потребляемая
мощность, ВА
|
2,3
|
По
условию прочности сечение не должно быть меньше 4мм2 для алюминиевых жил.
Выбираем
кабель АКРВБ- 4 мм2.
А
- алюминиевый;
К
- контрольный кабель;
Р
- резина;
В
- поливинил хлоридный пластикат;
Б
- броня из двух стальных лент с противокоррозионным покрытием.
9.2.3 Выбор измерительных трансформаторов тока в РУ
НН 10 кВ
Трансфоматоры
тока на напряжение 10кВ мы не выбираем, т.к. они встроены в КРУ.
10. Выбор токоведущих частей
Основное электрическое оборудование подстанций и аппараты в этих цепях
(выключатели, разъединители и др.) соединяются между собой проводниками разного
типа, которые образуют токоведущие части электрической установки.
В данном курсовом проекте нашей задачей в этом разделе является выбрать
шины и ошиновку РУ-110кВ и РУ-35кА, а также подобрать токопровод для соединения
обмотки низкого напряжения трансформатора связи с КРУ-10кВ.
10.1 Выбор токоведущих частей для РУ-110кВ
Согласно ПУЭ, в РУ-110кВ, РУ-35кВ в качестве шин и ошиновки применяются
гибкие шины, выполненные проводами АС.
Сечение гибких шин выбирается по длительно допустимому току:
≤Iдоп
где Imax - ток самого мощного присоединения РУ - 110кВ при максимальной
нагрузке на шинах.
Вычислим ток для выбора шин 110кВ:
.
Согласно (53) выберем по [4], стр.590 для РУ-110кВ сталеалюминевые
провода марки АС-240/32, q=240 мм2, d=21,6 мм, Iдоп.=605А; радиус провода:
r0=1,08 см; расстояние между фазами: D=300 см, фазы расположены горизонтально.
Проверка:
1) Проверка на схлестывание не производится т. к. Iп.0 < 20
кА;
2) Проверка на термическое действие тока КЗ не производится, так как
шины выполнены голыми проводами на открытом воздухе;
) Проверка по условиям короны:
По началу критической напряженности:
,
где
m - коэффициент, учитывающий шероховатость поверхности провода, т = 0.82;
- радиус
провода..
.
По
напряженности вокруг провода:
,
где
U - минимальное напряжение;
см -
расстояние между фазами.
Условие
проверки:
,
.681
£ 28,8
.
Таким
образом, провод АС-240/32 проходит по условиям короны.
10.2 Выбор токоведущих частей для РУ-35кВ
Вычислим ток для выбора шин и ошиновки 35кВ:
Согласно
условию (53) для РУ - 35кВ из [4] выберем сталеалюминевый провод марки АС-600/72,
q=500мм2, d=33,мм, Iдоп.=1050 А, D=150см, r0=1,66см, с горизонтальным
расположением фаз.
Проверка:
1) Проверка на схлестывание не производится т. к. Iп.0 < 20
кА;
2) Проверка на термическое действие тока КЗ не производится, так как
шины выполнены голыми проводами на открытом воздухе;
) Проверка по условиям короны по формулам (10.1)-(10.3):
По началу критической напряженности:
,
где
m - коэффициент, учитывающий шероховатость поверхности провода, m = 0.82;
- радиус
провода..
.
По
напряженности вокруг провода:
,
где
U - минимальное напряжение;
см -
расстояние между фазами,
Условие
проверки:
,
,28
£ 26,388
.
Таким
образом, провод АС-300/72 проходит по условиям короны.
10.3 Выбор токоведущих частей для РУ-10кВ
Расчетные токи продолжительных режимовном=860 А=1720 А.
Выбираем сечение алюминиевых шин по допустимому току, т.к. по
экономической плотности тока они не выбираются.
Принимаем шины прямоугольного сечения, алюминиевые 2х(75х 35х5,5)
сечением (2х695) мм2, Iдоп=2670 А, r= 6мм, высота h=75 мм, ширина полки b=35
мм, толщина шины с=5,5 мм.-y0=30,1 cм3, Wy-y=3,17 cм3.
1) Проверка шин по допустимому току:
Imax=1720А< Iдоп=2670А
Проверка выбранных шин:
2) На термическую устойчивость:
где
- тепловой импульс при КЗ,
С
= 91, определяется по таблице 3-14, [3].
Шины
термически устойчивы, т. к. 3,22
< 1390
.
3) проверка сборных шин на механическую прочность:
Шины прямоугольного сечения обладают большим моментом инерции, поэтому
расчет производится без учета колебательного процесса в механической
конструкции. Принимаем, что швеллеры шин соединены жестко по всей длине сварным
швом, тогда момент сопротивления
При
расположении шин горизонтально, получим.
Напряжение
в шине от взаимодействия фаз:
,
т.
е. шины механически прочны, по всем параметрам подходят.
10.4 Выбор изоляторов
Шины в РУ крепятся на опорных, проходных и подвесных изоляторах. Жесткие
шины крепятся на опорных изоляторах.
Выбор изоляторов:
В РУ шины крепятся на опорных, проходных и подвесных изоляторах. Жесткие
шины крепятся на опорных изоляторах, выбор которых производится по следующим
условиям:
1)
)
.
При
горизонтальном расположении изоляторов всех фаз расчетная сила:
,
где
- поправочный коэффициент на высоту шину, если они
расположены на ребро,
Выбираем
изолятор С4-801 УХЛ Т1,
= 4 кН, высота изолятора
=190 мм. Проверим на механическую прочность по
условиям (10.10) и по формулам (10.11), (10.12):
)
)
.
;
.
Изолятор
проходит.
Выбор
проходного изолятора:
)
)
)
.
Выбираем
изолятор ИП-10-2000-12,5УХЛ1. проверка производится по условиям (10.13) и
формуле (10.14):
)
)
)
.
Изолятор
ИП-10-2000-12,5,УХЛ1 - проходит проверку.
11.
ВЫБОР КОНСТРУКЦИИ РУ
11.1 Конструкция РУ 110 кВ
На
110 кВ применяются ОРУ.
ОРУ
- это открытое распределительное устройство, расположенное на открытом воздухе.
Все аппараты ОРУ обычно располагаются на невысоких основаниях (металлических
или железобетонных). По территории ОРУ предусматриваются проезды для
возможности механизации монтажа и ремонта оборудования.
ОРУ
должны обеспечивать надежность работы, безопасность и удобство обслуживания при
минимальных затратах на сооружение, возможность расширения, максимальное
применение крупноблочных узлов заводского изготовления.
В
ОРУ все выключатели устанавливаются в один ряд около второй системы шин.
Ошиновка ОРУ выполняется гибким сталеалюминевым проводом, который закрепляется
на изоляторах, установленных на ЖЗБ опорах. Разъединители шинных аппаратов или
линейных, крепятся на опорах.
11.2 Конструкция РУ 10 кВ
КРУ/TEL комплектуются из отдельных компактных шкафов, в каждом из которых
может находиться от двух до четырех присоединений к сборным шинам (модулей).
Шкаф представляет собой каркасно-панельную конструкцию. Каркас собирается
из алюминиевого профиля специального сечения. Отрезки профиля скрепляются между
собой с помощью уголков и болтов, головки которых вставляются в канал профиля.
Снаружи шкаф обшивается плоскими стальными листами толщиной 1,5 мм. Листы
обшивки крепятся к каркасу винтами-саморезами. В канавку между обшивкой и
профилем закладывается
уплотнительная резина, обеспечивающая степень защиты оболочки IP40.
Внутреннее пространство шкафа разделено на три отсека: низковольтный,
высоковольтный и кабельный. На объекте монтажа сверху на шкаф главных цепей
устанавливается релейный отсек.
Модули закрепляются на горизонтальных отрезках профиля, разделяющего
низковольтный и высоковольтный отсеки. При этом в низковольтном отсеке
располагаются приводы вакуумных выключателей, части приводов и органы
управления разъединителей, гнёзда датчиков напряжения. В низковольтном отсеке
также расположены элементы электромеханических блокировок и действующая
мнемосхема.
В высоковольтном отсеке располагаются отрезки сборных шин, вакуумные
камеры выключателей, подвижные контакты разъединителей, трансформаторы тока и
датчики напряжения.
В кабельном отсеке располагаются кабельные приёмники, отключающие пружины
разъединителей, перемычка узла секционирования сборных шин модулей,
трансформаторы напряжения модулей и заземляющая перемычка модуля. Кабельные
присоединения соседних модулей отделяются друг от друга вертикальными
перегородками. В случае возникновения короткого замыкания на одном из
присоединений авария локализуется в пределах одного модуля.
Трансформаторы тока нулевой последовательности устанавливаются в
кабельном канале на специальных горизонтальных уголках, проложенных по всей
длине РУ.
Двухслойная фасадная панель низковольтного отсека состоит из алюминиевого
листа и прозрачной лексановой пластины толщиной 3 мм. На панели расположены
органы управления разъединителями. Через окна, вырезанные в алюминиевом листе,
оператор может наблюдать за работой привода разъединителя и положением
элементов мнемосхемы.
Двухслойная фасадная панель высоковольтного отсека имеет окна, закрытые
сплошной прозрачной лексановой пластиной толщиной 6 мм. Окна позволяют
визуально контролировать положение контактов разъединителей. Для крепления
фасадной панели к каркасу шкафа используются закладные кронштейны,
установленные по периметру отсека, и специальные вертикальные швеллеры. Панель
крепится к кронштейнам и швеллерам болтами. Такая конструкция обладает высокой
прочностью и надёжно защищает обслуживающий персонал при возникновении аварии в
высоковольтном отсеке.
Боковые панели высоковольтного отсека изготавливаются из алюминия и
содержат отверстия, предназначенные для стыковки шкафов друг с другом.
Задние стальные листы обшивки высоковольтного и кабельного отсеков
крепятся к каркасу шкафа при помощи специальных пластиковых кронштейнов и
винтов-саморезов.
Такая конструкция позволяет использовать задние листы обшивки в качестве
аварийных клапанов сброса давления в необслуживаемую зону КРУ.
Каждое кабельное присоединение с фасадной стороны закрывается отдельной
панелью, снять которую можно только при помощи специальных ключей.
ЗАКЛЮЧЕНИЕ
Конструкции РУ приняты по типовым схемам, которые в настоящее время
широко используются и зарекомендовали себя с лучшей стороны. При выборе
оборудования были учтены разработки и рекомендации проектно-конструкторских
организаций. В частности для установки в РУ 110 кВ приняты современные
элегазовые выключатели типа ВЭБ-110, для РУ 35 кВ - вакуумные типа ВБН-35, а
для РУ 10 кВ - вакуумные типа ВВ/TEL-10 и ВВЭ-10. Все эти выключатели надежны в
работе и соответствуют всем предъявляемым требованиям. Также на КРУ 10 кВ в
проекте были использованы КРУ К-104М.
Выбор современного оборудования позволяет улучшить надежность работы ПС,
а также повысить экологические показатели передачи и распределения
электроэнергии.
СПИСОК ЛИТЕРАТУРЫ
1. В. П.
Шеховцов «Расчет и проектирование схем электроснабжения» - М.: ФОРУМ: ИНФРА-М,
2003.
2. Рожкова
Л. Д., Козулин В. С. «электрооборудование станций и подстанций. Учебник для
техникумов». М.: «Энергия», 1975.
. Рожкова
Л. Д., Козулин В. С. «электрооборудование станций и подстанций. Учебник для
техникумов». М.: «Энергия», 1987.
. Боровиков
В.А., Косарев В.К., Ходот Г.А. «Электрические сети энергетических систем». Л.:
«Энергия», 1977.
. «Типовые
схемы принципиальные электрические распределительных устройств 6-750 кВ
подстанций и указания по их применению» №14198ТМ -Т1, Москва. 1993.
. Неклепаев
Б. Н., Крючков Н. П. «электрическая часть станций и подстанций. Справочные
материалы». М.: Энергоатомиздат, 1989.
. «Указания
по применению различных видов оперативного тока на подстанциях 110 кВ и выше»
№13906ТМ -Т1. Москва, 1990.
. ПУЭ.
М.: Энергоатомиздат, 1996.