Электроснабжение подстанция 110/10 кВ
Содержание
Аннотация
Введение
Раздел 1. Подсчет электрических
нагрузок электрифицируемого района
.1 Характеристика
электрифицируемого района
.2 Источники электроснабжения.
Напряжение питающих и распределительных сетей
.3 Определение расчетных
электрических нагрузок потребителей. Количества трансформаторных подстанций
(ТП) и номинальные мощности трансформаторов в населенных пунктахРаздел 2.
Расчет электрических сетей
.1 Выбор места расположения
подстанции
.2 Выбор количества
распределительных линий и их трасс
.3 Основные технические решения,
принятые при проектировании распределительных линии 10 кВ. Расчет линий 10 кВ
.4 Выбор сечения проводов ВЛ 110 кВ
.5 Проверочный расчет питающих ВЛ
110 кВ
.6 Проверка отклонений напряжений у
потребителей. Выбор оптимальных ответвлений на трансформаторах
.7 Выбор средств повышения
надежности: количества и мест установки коммутирующих аппаратов в сетях 10 кВ
.8 Выбор числа и номинальной
мощности трансформаторов
Раздел 3. Проектирование
электрической части районных трансформаторных подстанций
.1 Сельские трансформаторные
подстанции. Общие сведения
.2 Расчет токов короткого замыкания
в схемах сельского электроснабжения
.3 Выбор электрических аппаратов и
проводников первичных цепей
.4 Релейная защита подстанции 110/10
кВ
.5 Защита подстанции от
перенапряжений
.6 Защита подстанции от прямых
ударов молнии
.7 Расчет заземляющего устройства
.8 Вопросы автоматизации
Раздел 4. Специальный вопрос.
Обеспечение надежного электроснабжения
.1 Последствия от нарушения
электроснабжения птицефабрики
.2 Надежность элементов
электрической сети
.3 Методика расчета надежности
.4 Учет надежности ТП и сети 0,38 кВ
Раздел 5. Технико-экономические
показатели
.1 Определение капитальных вложений
в электроснабжение
.2 Определение годовых
эксплуатационных затрат по проектируемой электрической сети
.3 Технико-экономическая оценка
проектируемой электрической сети
Раздел 6. Охрана труда
.1 Общие мероприятия по
.2 Блокировки, обеспечивающие
безопасность в электроустановках
.3 Пожарная безопасность
.4. Для обеспечения охраны труда и
техники безопасности проектом предусмотрено
Раздел 7. Вопросы экологии
Список литературы
Аннотация
Настоящий дипломный проект посвящен вопросам
реконструкции электроснабжения Наровчатского района Пензенской области от
подстанции 110/10 «Наровчатское».Решается вопрос повышения надежности и
качества электрической энергии передаваемой потребителю. Осуществлен расчет
нагрузок по району, выбор схем электроснабжения и определены напряжения
питающих и распределительных сетей. С учетом надежности выбрана схема
электроснабжения и схема коммутации районной трансформаторной подстанции.
По результатам расчетов токов короткого
замыкания проведен выбор аппаратуры 110 и10 кВ, так же осуществлен расчет
релейной защиты. Рассмотрены вопросы защиты подстанции от перенапряжений и
вопросы автоматики.
Специальным вопросом в дипломном проекте
является расчет надежности электроснабжения птицефабрики «Суворовская»
Пензенской области.
Так же рассмотрены вопросы охраны труда,
экологии, произведены технико-экономические расчеты проектируемой электрической
сети.
Введение
Электрификация, т. е. производство,
распределение и применение электроэнергии, - основа устойчивого
функционирования и развития всех отраслей промышленности и сельского хозяйства
страны и комфортного быта населения.
Общеизвестно, что надежное, высококачественное и
дешевое электроснабжение - основа для электрификации любой отрасли народного
хозяйства, в том числе и для сельского хозяйства.
Воздушными линиями охвачены почти все сельские
населенные пункты. Электроснабжение производственных предприятий и населенных
пунктов в сельской местности имеет свои особенности по сравнению с
электроснабжением промышленности и городов. Главная из них - это необходимость
подводить электроэнергию к огромному числу сравнительно маломощных объектов,
рассредоточенных по большой территории.
В связи с ростом электрификации
сельскохозяйственного производства, особенно с созданием в сельском хозяйстве
животноводческих комплексов промышленного типа, птицефабрик, тепличных
комбинатов и др., линии электропередач построенные довольно давно не
справляются с нагрузкой передаваемой по ним, выходя из строя. В свою очередь
всякое отключение - плановое (для ревизии и ремонта) и особенно неожиданное
аварийное - наносит огромный ущерб потребителю и самой энергетической системе.
Во многих районах нашей страны осталось довольно
большое количество трансформаторных подстанций и линий электропередачи,
построенных в 60-70-е годы прошлого столетия, которые требуют реконструкции. На
пример Наровчатский район Пензенской области.
За последние 35 лет потребление электроэнергии в
этом районе увеличилось, связанно это с увеличением объемов производства
сельскохозяйственной продукции, с тем, что практически в каждом доме появилось
электрооборудование, потребляющее довольно много электроэнергии. Так же в
районе была построена птицефабрика, которая является потребителем 1 категории.
Старая районная трансформаторная подстанция
2х2500 уже не удовлетворяла по нагрузочной способности, а линии электропередачи
по пропускной способности что в свою очередь приводило к увеличению аварийных
отключений.
Поэтому было принято решение о замене на РТП
трансформаторов на большую мощность и на некоторых линиях увеличить сечение
проводов с целью уменьшения потерь электроэнергии. Так же к проектированию было
принято строительство двух параллельных линий, которые должны обеспечить
бесперебойное питание для птицефабрики.
Раздел 1. Подсчет электрических нагрузок
электрифицируемого района
.1 Характеристика электрифицируемого района
Наровчатский район располагается в
северо-западной части Пензенской области, в нем насчитывается 83 населенных
пункта (трансформаторных подстанций).
Рельеф местности слабовсхолмленный, естественные
преграды в виде крупных рек и озер отсутствуют.
Район климатических условий Пензенской области
(РКУ) по ветру - II,
по гололеду - III. В данной
местности количество грозовых часов находится в пределе 40 - 60 часов в год.
Средняя многолетняя температура составляет: минимальная (январь) от -10 до 0
0С, максимальная (июль) от 22 до 24 0С.
Район относится к числу сельскохозяйственных
районов, здесь хорошо развито мясное животноводство, представленное в
рассматриваемой зоне небольшими фермами крупного рогатого скота и птицеводство.
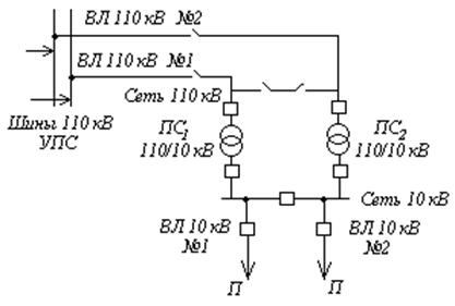
.2 Источники электроснабжения. Напряжение
питающих и распределительных сетей
Потребители Наровчатского района получают
питание от районной двух трансформаторной подстанции РТП 110/10 кВ
«Наровчатское», которая присоединена к энергосистеме на ответвлениях. РТП
110/10 получает двух стороннее питание от узловых подстанций Н-Ломов и
Ковылкино. Мощность каждого трансформатора 110/10 кВ Sн=6300
кВА. РТП «Наровчатсоке» удалена от энергосистемы на 15 км.
Рис 1. Принципиальная электрическая схема
питающей сети 110 кВ.
Раздел 2. Расчет электрических сетей
.1 Выбор места расположения подстанции 110/10 кВ
РТП 110/10 кВ «Наровчатское» находится в центре
электрических нагрузок, рядом с г.Наровчат РЭС. Данная местность незатопляема
паводковыми водами. По данным инженерно - геологических изысканий основанием
фундаментов является супесь твердая. Строительные конструкции РТП приняты из
унифицированных железобетонных элементов. Подъездная автомобильная дорога к РТП
с шириной проезжей части 4,5 м покрыта асфальтобетоном. Для нужд эксплуатации и
размещения аппаратуры связи и телесигнализации при РТП предусмотрено ОПУ.
Территория РТП ограждена железобетонным забором.
.2 Выбор количества распределительных линий и их
трасс
От РТП 110/10 кВ отходит пять воздушных линий 10
кВ, но в связи со строительством в районе птицефабрики планируется ввести в
эксплуатацию еще две ВЛ 10 кВ. Трассы ВЛ 10 кВ построены по радиальному
принципу, суммарная длина распределительных линий составляет 132 км, в среднем
приходится по 18-20 км на одну ВЛ с учетом всех ответвлений. Длина воздушных
линий подходящих к птицефабрике равна 1,5 км. Линии были построены с учетом
близости проезжих дорог, избегая прокладки по лесным массивам и болотистым
местам.
.3 Основные технические решения, принятые при
проектировании распределительных линий 10 кВ. Расчет линий 10 кВ
Для обеспечения нормативного уровня надежности
электроснабжения, схемы электрических сетей должны строятся таким образом,
чтобы шины (секции шин РТП) U=10
кВ подстанции 110/10 кВ, от которых осуществляется питание потребителей,
резервировали друг друга.
Схема сети 10 кВ строится по магистральному
принципу. К магистралям линий 10 кВ, по которым осуществляется взаимное
резервирование линий, присоединяются опорные трансформаторные подстанции 10/0,4
кВ (ОТП). Они представляют собой ТП 10/0,4 кВ с развитым распределительным
устройством (РУ), предназначенным для присоединения радиальных линий 10 кВ,
автоматического секционирования и резервирования магистрали, устройств
автоматики и телемеханики и (или) распределительные пункты 10 кВ (РП).
Линии 10 кВ, как правило,
обеспечиваются резервным питанием только от одного источника питания. Следует
иметь в виду, что техническими ограничениями при расчете ВЛ 10 кВ являются требования
надежности электроснабжения и качества электрической энергии по напряжению, в
соответствии с которыми провода на линиях 10 кВ должны быть сталеалюминевыми
АС, причем сечение провода на магистрали - не менее 70 мм2, а на отпайках - не
менее 35 мм2, а кроме того, отклонение напряжения у потребителей не должны
превышать
.
Предварительно, до выбора сечений
проводов, составим таблицу, в которую занесем названия населенных пунктов с их
вечерней и дневной максимальными нагрузками и количество и мощности ТП 10/0,4
кВ, распределенные по отходящим от РТП ВЛ 10 кВ.
Таблица №2. Распределение населенных
пунктов по ВЛ 10 кВ.
|
№
№
|
Населенные
пункты
|
SД кВА
|
SВ кВА
|
Количество
и номинальная мощность ТП, SНОМ кВА
|
|
|
ВЛ
№1
|
|
|
|
|
|
1.
|
Коркино
|
100
|
120
|
1х100
|
|
|
2.
|
Пчельня
I
|
60
|
130
|
1х100
|
|
|
3.
|
Пчельня
II
|
110
|
140
|
1х160
|
|
|
4.
|
Жестовое
|
60
|
130
|
1х100
|
|
|
5.
|
Калиновка
|
110
|
80
|
1х100
|
|
|
6.
|
Павловка
|
30
|
60
|
1х63
|
|
|
7.
|
р.
Площадский
|
105
|
150
|
1х160
|
|
|
8.
|
Скрипово
|
40
|
95
|
1х100
|
|
|
9.
|
Заподово
|
105
|
150
|
1х160
|
|
|
10.
|
Немцово
|
110
|
140
|
1х160
|
|
|
11.
|
Исаково
|
60
|
130
|
1х100
|
|
|
ВЛ
№2
|
|
|
|
|
|
12.
|
Исаково
|
60
|
130
|
1х100
|
|
|
13.
|
Артаково
|
110
|
140
|
1х160
|
|
|
14.
|
Шумово
|
60
|
130
|
1х100
|
|
|
15.
|
Кр.
Заря
|
40
|
95
|
1х100
|
|
|
16.
|
Какуринка
|
100
|
120
|
1х100
|
|
|
17.
|
Маловель
|
60
|
130
|
1х100
|
|
18.
|
Рассыльная
|
30
|
60
|
1х63
|
|
19.
|
Краснополье
|
100
|
120
|
1х100
|
|
20.
|
Мал.
Сонино
|
60
|
130
|
1х100
|
|
21.
|
Бол.
Сонино
|
40
|
95
|
1х100
|
|
22.
|
Покровское
|
105
|
150
|
1х160
|
|
23.
|
Пяниково
|
30
|
60
|
1х63
|
|
24.
|
Бол.
Касимово
|
40
|
95
|
1х100
|
|
25.
|
Мал.
Касимово
|
105
|
150
|
1х160
|
|
ВЛ
№3
|
|
|
|
|
26.
|
Верх.
Касимово
|
100
|
120
|
1х100
|
|
27.
|
Никулино
|
110
|
140
|
1х160
|
|
28.
|
Маринино
|
60
|
130
|
1х100
|
|
29.
|
Сомово
(ж/зона)
|
110
|
140
|
1х160
|
|
30.
|
КРС
на 400 гол.
|
140
|
210
|
2х100
|
|
31.
|
Сомово
(мастер.)
|
110
|
140
|
1х160
|
|
32.
|
ц.
у-ба. Одоевский
|
40
|
95
|
1х100
|
|
33.
|
Коровино
|
60
|
130
|
1х100
|
|
34.
|
Николо-Жупань
|
30
|
60
|
1х63
|
|
35.
|
Брусна
|
140
|
210
|
1х63
|
|
36.
|
Петровское
|
40
|
95
|
1х100
|
|
37.
|
Петровское
|
30
|
60
|
1х63
|
|
38.
|
Петровское
|
100
|
120
|
1х100
|
|
ВЛ
№4
|
|
|
|
|
39.
|
Филатово
|
30
|
60
|
1х63
|
|
40.
|
Крупец
|
60
|
130
|
1х100
|
|
41.
|
Болотское
|
110
|
140
|
1х160
|
|
42.
|
Кошкино
|
30
|
60
|
1х63
|
|
43.
|
Сидорово
|
60
|
130
|
1х100
|
|
44.
|
ц.
у-ба. Апухтино
|
100
|
120
|
1х100
|
|
45.
|
Красное
|
140
|
210
|
1х160
|
|
46.
|
Красное
|
40
|
95
|
1х100
|
|
47.
|
Нестерово
|
110
|
140
|
1х160
|
|
48.
|
Дракино
|
100
|
120
|
1х100
|
|
49.
|
Северо-Одоевское
лесничество
|
100
|
120
|
1х100
|
|
50.
|
Апухтино
|
110
|
140
|
1х160
|
|
ВЛ
№5
|
|
|
|
|
51.
|
Апухтино
|
100
|
130
|
1х160
|
|
52.
|
Апухтино
|
110
|
140
|
1х160
|
|
53.
|
Комбикормовый
завод
|
60
|
120
|
1х100
|
КРС
на 3000 гол.
|
70
|
90
|
1х100
|
|
|
55.
|
Новоархангельское
|
20
|
40
|
1х40
|
|
|
56.
|
п.
Одоев
|
30
|
60
|
1х63
|
|
|
57.
|
Ниж.
Пасад
|
110
|
140
|
1х160
|
|
|
58.
|
Анастасово
|
105
|
170
|
1х160
|
|
|
59.
|
Нов.
Городок
|
150
|
130
|
1х160
|
|
|
60.
|
КРС
на 400 гол.
|
30
|
70
|
1х63
|
|
|
61.
|
Татьево
|
90
|
130
|
1х100
|
|
|
62.
|
Филимоново
|
70
|
100
|
1х100
|
|
|
ВЛ
№6 и №7
|
|
|
|
|
|
63.
|
Птицефабрика
|
2000
|
738
|
2х1000
|
|
|
|
|
|
|
|
|
|
|
|
|
|
|
|
Существует много способов выбора сечений
проводов на ВЛ 10 кВ: по минимуму расхода металла, по допустимой потери
напряжения, по экономическим интервалам, по экономической плотности тока,
магистральным способом.
Учитывая что в магистральном способе
изначально заложены требования надежности электроснабжения и в соответствии с
которым на магистрали ВЛ 10 кВ принимаются провода АС 70, а отпайках - АС 35
целесообразно выбирать сечения проводов на ВЛ 10 кВ этим способом. После
определения сечений провода проверяют по допустимой потери напряжения, причем
потеря напряжения в проектируемой линии
должна быть меньше или равна допустимой
потери напряжения
. Это
означает, что отклонения напряжения у потребителей V, питающихся
по этой линии входят в пределы, установленные ГОСТ 13109-87
.
Потери напряжения в % на участках
линии рассчитывают по формуле:
где S - полная
мощность на участке линии, кВА;
l - длина
участка, км;
R0 - удельное
активное сопротивление 1 км ВЛ 10 кВ, Ом/км: определяется сечением провода,
берется П. 6-55 [9];
Х0 - удельное активное сопротивление
1 км ВЛ 10 кВ, Ом/км, П. 15 [5];
UH -
номинальное напряжение ВЛ.
Максимальные потери напряжения в ВЛ
10 кВ рассчитываются путем суммирования потери напряжения на участках от шин
подстанции до самой удаленной ТП 10/0,4 кВ.
Для выбора сечений проводов в ВЛ 10
кВ по эквивалентному току магистрали токи участков магистрали рассчитываются:
.
Эквивалентный ток магистрали и сечение определяется по формулам:
,
.
Экономическая плотность тока для ВЛ
10 кВ принимаем равной
[8].
Расчет схем ВЛ 10 кВ ведется по
большему значению из дневного и вечернего максимумов нагрузки, они даны в кВА,
принимается
одинаковым для всех нагрузок, указываются длины участков - в км, среднее
геометрическое расстояние между проводами в ВЛ 10 кВ принимается - Дср=1250 мм.
Допустимая потеря напряжения в ВЛ 10 кВ берется из таблицы отклонения
напряжения и равна
.
Расчет максимальных нагрузок на участках
линии проводится по добавкам мощностей, которые приведены в П. 12 [7].
Подробный расчет проведем для ВЛ №1,
для остальных линий расчет проводится аналогично и все данные сводятся в
таблицы.
Расчет ВЛ № 1.
Рис. 2. Расчетная схема ВЛ 10 кВ.
;
;
;
;
;
;
;
;
;
;
;
;
;
;
;
;
;
.
Выбираем провод АС 95 на магистрали
и АС 35 на отпайках.
Таблица №3. Выбор сечений проводов и
расчет потерь напряжения в ВЛ 10 кВ.
|
№-№
|
Длина
участка, км
|
Smax (расч), кВА
|
марка
и сечение
|
Потеря
напряжения , %
|
|
|
|
|
|
на
участке
|
от
ТП
|
|
0-1
|
2,5
|
972
|
АС
95
|
0,434
|
1,085
|
1,085
|
|
1-2
|
0,7
|
220
|
АС
35
|
0,187
|
0,131
|
1,216
|
|
2-№1
|
1,0
|
120
|
АС
95
|
0,102
|
0,102
|
1,318
|
|
2-№2
|
0,5
|
130
|
АС
35
|
0,111
|
0,055
|
1,373
|
|
1-3
|
3,0
|
802,5
|
АС
95
|
0,358
|
1,074
|
2,447
|
|
3-4
|
0,8
|
238
|
АС
35
|
0,203
|
0,162
|
2,609
|
|
4-№3
|
0,5
|
140
|
АС
35
|
0,119
|
0,059
|
2,668
|
|
4-№4
|
0,7
|
130
|
АС
35
|
0,111
|
0,078
|
2,746
|
|
3-5
|
2,1
|
616,5
|
АС
95
|
0,275
|
0,578
|
3,324
|
|
5-№5
|
0,8
|
80
|
АС
35
|
0,068
|
0,054
|
3,378
|
|
5-6
|
1,8
|
557
|
АС
95
|
0,248
|
0,446
|
3,824
|
|
6-7
|
1,0
|
264
|
АС
35
|
0,225
|
0,225
|
4,049
|
Расчет ВЛ № 2.
Рис. 3. Расчетная схема ВЛ 10 кВ.
Таблица №4. Выбор сечений проводов и расчет
потерь напряжения в ВЛ 10 кВ.
|
№-№
|
Длина
участка, км
|
Smax (расч), кВА
|
марка
и сечение
|
Потеря
напряжения , %
|
|
|
|
|
На
1 км
|
на
участке
|
от
ТП
|
|
0-1
|
2,5
|
937
|
70
|
0,507
|
1,257
|
1,257
|
|
1-№12
|
1,3
|
130
|
35
|
0,111
|
0,144
|
1,401
|
|
1-2
|
1
|
308
|
35
|
0,262
|
0,262
|
1,663
|
|
2-№13
|
0,7
|
140
|
35
|
0,119
|
0,083
|
1,746
|
|
2-№14
|
0,8
|
130
|
35
|
0,111
|
0,089
|
1,835
|
|
2-№15
|
0,7
|
95
|
35
|
0,081
|
0,057
|
1,892
|
|
1-3
|
2,1
|
598
|
70
|
0,321
|
0,674
|
2,566
|
|
3-4
|
1,2
|
264
|
35
|
0,225
|
0,27
|
2,836
|
|
4-№16
|
0,9
|
120
|
35
|
0,102
|
0,092
|
2,928
|
|
4-5
|
0,7
|
174
|
35
|
0,148
|
0,104
|
3,032
|
|
5-№17
|
1,1
|
130
|
35
|
0,111
|
0,123
|
3,155
|
|
5-№18
|
0,7
|
60
|
35
|
0,051
|
0,036
|
3,191
|
|
3-6
|
3,0
|
390
|
70
|
0,209
|
0,628
|
3,819
|
|
6-8
|
1,5
|
220
|
35
|
0,187
|
0,281
|
4,1
|
|
8-№19
|
0,8
|
120
|
35
|
0,102
|
0,082
|
4,182
|
|
8-№20
|
1,1
|
130
|
35
|
0,111
|
0,122
|
4,304
|
|
6-7
|
1,1
|
220
|
35
|
0,187
|
0,206
|
4,51
|
|
7-№21
|
0,7
|
95
|
35
|
0,081
|
0,057
|
4,567
|
|
7-№22
|
0,8
|
150
|
35
|
0,128
|
0,102
|
4,669
|
|
6-9
|
3,1
|
264
|
70
|
0,142
|
0,439
|
5,108
|
|
9-№23
|
2,2
|
60
|
35
|
0,051
|
0,112
|
5,22
|
|
9-№24
|
2,4
|
150
|
70
|
0,081
|
0,193
|
5,413
|
|
9-№25
|
1,0
|
95
|
35
|
0,081
|
0,081
|
5,494
|
;
.
Выбираем провод АС 95 на магистрали
и АС 35 на отпайках.
Таблица №5. Выбор сечений проводов и
расчет потерь напряжения в ВЛ 10 кВ.
|
№-№
|
Длина
участка, км
|
Smax (расч), кВА
|
марка
и сечение
|
Потеря
напряжения , %
|
|
|
|
|
На
1 км
|
на
участке
|
от
ТП
|
|
0-1
|
2,1
|
1196
|
95
|
0,533
|
1,121
|
1,12
|
|
1-2
|
1,1
|
230
|
35
|
0,196
|
0,215
|
1,336
|
|
2-№26
|
0,8
|
120
|
35
|
0,102
|
0,082
|
1,417
|
|
2-№27
|
1,2
|
140
|
35
|
0,119
|
0,143
|
1,56
|
|
1-3
|
1,0
|
1018
|
95
|
0,454
|
0,454
|
2,014
|
|
3-4
|
1,0
|
238
|
35
|
0,203
|
0,203
|
2,217
|
|
4-№28
|
1,1
|
130
|
35
|
0,111
|
0,122
|
2,339
|
|
4-№29
|
0,9
|
140
|
35
|
0,119
|
0,107
|
2,446
|
|
3-5
|
1,5
|
833
|
95
|
0,375
|
0,557
|
3,003
|
|
5-6
|
1,2
|
372
|
35
|
0,317
|
0,38
|
3,383
|
|
6-7
|
0,8
|
210
|
35
|
0,179
|
0,143
|
3,526
|
|
6-№30
|
0,7
|
210
|
35
|
0,179
|
0,125
|
3,652
|
|
7-№31
|
0,7
|
140
|
35
|
0,119
|
0,083
|
3,735
|
|
7-№32
|
0,8
|
95
|
35
|
0,081
|
0,064
|
3,8
|
|
5-8
|
2,1
|
542
|
95
|
0,242
|
0,508
|
4,307
|
|
8-9
|
0,9
|
174
|
35
|
0,148
|
0,133
|
4,441
|
|
9-№33
|
0,8
|
130
|
35
|
0,111
|
0,089
|
4,529
|
|
9-№34
|
1,1
|
60
|
35
|
0,051
|
0,056
|
4,585
|
|
8-10
|
2,4
|
407
|
95
|
0,182
|
0,436
|
5,081
|
|
10-11
|
1,2
|
164
|
35
|
0,14
|
0,168
|
5,188
|
|
11-№35
|
1,3
|
60
|
35
|
0,051
|
0,066
|
5,255
|
|
11-№36
|
0,7
|
120
|
35
|
0,102
|
0,072
|
5,326
|
|
10-№37
|
2,1
|
210
|
35
|
0,179
|
0,376
|
5,702
|
|
10-№38
|
3,0
|
95
|
95
|
0,042
|
0,127
|
5,829
|
;
.Выбираем провод АС 95 на магистрали
и АС 35 на отпайках.
Расчет ВЛ № 4.
Рис. 5. Расчетная схема ВЛ 10 кВ.
Таблица №6. Выбор сечений проводов и расчет
потерь напряжения в ВЛ 10 кВ.
|
№-№
|
Длина
участка, км
|
Smax (расч), кВА
|
марка
и сечение
|
Потеря
напряжения , %
|
|
|
|
|
На
1 км
|
на
участке
|
от
ТП
|
|
0-1
|
1,8
|
1087
|
АС
95
|
0,485
|
0,873
|
0,873
|
|
1-2
|
1,1
|
174
|
АС
35
|
0,148
|
0,163
|
1,036
|
|
2-№39
|
0,8
|
60
|
АС
35
|
0,051
|
0,041
|
1,077
|
|
2-№40
|
0,9
|
130
|
АС
35
|
0,111
|
0,1
|
1,177
|
|
1-3
|
1,5
|
953
|
АС
95
|
0,425
|
0,638
|
1,815
|
|
3-№41
|
0,7
|
140
|
АС
35
|
0,119
|
0,083
|
1,898
|
|
3-4
|
1,1
|
847
|
АС
95
|
0,378
|
0,416
|
2,314
|
|
4-5
|
0,7
|
174
|
АС
35
|
0,148
|
0,104
|
2,418
|
|
5-№42
|
0,9
|
60
|
АС
35
|
0,051
|
0,046
|
2,464
|
|
5-№43
|
0,7
|
130
|
АС
35
|
0,111
|
0,078
|
2,542
|
|
4-6
|
2,1
|
713
|
АС
95
|
0,318
|
0,668
|
3,21
|
|
6-7
|
1,2
|
300
|
АС
35
|
0,255
|
0,307
|
3,517
|
|
7-№44
|
0,9
|
120
|
АС
35
|
0,102
|
0,092
|
3,609
|
|
7-№45
|
0,7
|
210
|
АС
35
|
0,179
|
0,125
|
3,734
|
|
6-8
|
3,5
|
478
|
АС
95
|
0,213
|
0,746
|
4,48
|
|
8-9
|
1,2
|
300
|
АС
35
|
0,255
|
0,307
|
4,787
|
|
9-№46
|
1,0
|
95
|
АС
35
|
0,081
|
0,081
|
4,868
|
|
9-10
|
1,1
|
230
|
АС
35
|
0,196
|
0,215
|
5,083
|
|
10-№47
|
0,8
|
140
|
АС
35
|
0,119
|
0,095
|
5,178
|
|
10-№48
|
0,9
|
120
|
АС
35
|
0,102
|
0,092
|
5,27
|
|
8-11
|
2,8
|
230
|
АС
95
|
0,106
|
0,296
|
5,566
|
|
11-№49
|
1,3
|
120
|
АС
35
|
0,102
|
0,133
|
5,699
|
|
11-№50
|
2,7
|
140
|
АС
95
|
0,168
|
5,867
|
;
.Выбираем провод АС 95 на магистрали
и АС 35 на отпайках.
Расчет ВЛ № 5.
Рис. 6. Расчетная схема ВЛ 10 кВ.
Таблица №7. Выбор сечений проводов и расчет
потерь напряжения в ВЛ 10 кВ.
|
№-№
|
Длина
участка, км
|
Smax (расч), кВА
|
марка
и сечение
|
Потеря
напряжения , %
|
|
|
|
|
На
1 км
|
на
участке
|
от
ТП
|
|
0-1
|
1
|
985
|
95
|
0,439
|
0,439
|
0,439
|
|
1-№51
|
1,2
|
130
|
35
|
0,111
|
0,133
|
0,572
|
|
1-2
|
1,5
|
887
|
95
|
0,396
|
0,594
|
1,166
|
|
2-3
|
1,3
|
230
|
35
|
0,196
|
0,255
|
1,421
|
|
3-№52
|
0,9
|
140
|
35
|
0,119
|
0,107
|
1,528
|
|
3-№53
|
1,1
|
120
|
35
|
0,102
|
0,112
|
1,64
|
|
2-4
|
2,0
|
709
|
95
|
0,316
|
0,732
|
2,372
|
|
4-5
|
0,8
|
118,4
|
35
|
0,101
|
0,081
|
2,453
|
|
5-№54
|
0,7
|
90
|
35
|
0,077
|
0,054
|
2,507
|
|
5-№55
|
0,7
|
40
|
35
|
0,034
|
0,024
|
2,531
|
|
4-6
|
1,1
|
620
|
95
|
0,277
|
0,305
|
2,836
|
|
6-№56
|
0,9
|
60
|
35
|
0,051
|
0,046
|
2,882
|
|
6-7
|
2,1
|
576
|
95
|
0,257
|
0,54
|
3,422
|
|
7-8
|
1,0
|
374
|
35
|
0,318
|
0,318
|
3,74
|
|
8-№57
|
1,1
|
140
|
35
|
0,119
|
0,131
|
3,871
|
|
8-9
|
1,0
|
268
|
35
|
0,228
|
0,228
|
4,099
|
|
9-№58
|
0,9
|
170
|
35
|
0,145
|
0,13
|
4,229
|
|
9-№59
|
0,7
|
130
|
35
|
0,111
|
0,076
|
4,305
|
|
7-10
|
2,7
|
256,5
|
95
|
0,114
|
0,308
|
4,613
|
|
10-11
|
1,3
|
182
|
35
|
0,155
|
0,202
|
4,815
|
|
11-№60
|
1,0
|
70
|
35
|
0,06
|
0,06
|
4,875
|
|
11-№61
|
0,9
|
130
|
35
|
0,111
|
0,1
|
4,975
|
|
10-№62
|
2,2
|
100
|
95
|
0,045
|
0,1
|
5,075
|
;
Выбираем провод АС 95 на
магистрали и АС 35 на отпайках.
В результате расчета ВЛ 10 кВ получены следующие
значения расчетных максимальных мощностей: SВЛ
1=972кВА, SВЛ 2=937кВА, SВЛ
3=1196 кВА,SВЛ 4=1087 кВА, SВЛ
5=985кВА.
Кроме сельскохозяйственной нагрузки от
подстанции питаются промышленные потребители, суммарной мощностью 2400 кВА.
Суммарная мощность РТП равна:
.4 Выбор сечения проводов ВЛ 110 кВ
Сечение проводов в питающих линиях
напряжением 110 кВ выбирают по экономической плотности тока с дальнейшей
корректировкой по условиям механической прочности: для 110 кВ минимальное
сечение провода равно АС 95, так же линии 110 кВ должны проверяться по условиям
«короны», которое регламентирует провод АС сечением не менее 70.
Экономическая плотность тока для ВЛ
110 кВ принимаем равной jэк=1,1 А/мм2 [8]. Длина линии 110
кВ, необходимая для присоединения проектируемой подстанции равна 15 км каждая.
Суммарная передаваемая по ним мощность составляет 6900 кВА. На каждую линию 110
кВ в нормальном режиме приходится примерно половина всей мощности, то есть 3450
кВА.
Сечение провода в ВЛ 110 кВ
рассчитывается по формуле
, где
. Принимаем
провод АС 95. Потери напряжения в ВЛ 110 кВ, присоединяющие проектируемую
подстанцию к системообразующим линиям электропередачи 110 кВ определяется по
известной формуле:
;
где R0, X0 - удельное
сопротивление проводов, для АС 95 равные R0=0,31
Ом/км, X0=0,433
Ом/км;
,
,
.
2.5 Проверочный расчет питающих ВЛ
110 кВ
Проверочный расчет питающих ВЛ
110 кВ состоит в определении точки токораздела в замкнутой сети в нормальном
режиме, а также потери напряжения в нормальном и аварийном режимах.
Рис №9. Схема питающей сети.
Мощность от узловой подстанции
Фетисово (А) на участке А-1 определяется в предположении, что замкнутая сеть
выполнена одинаковым сечением провода, нагрузки S1, S2, S3, S4 имеют
одинаковый
, а
напряжение на узловых подстанциях Фетисово и Хилово (В) равны UA=UB по величине
и по фазе.
Мощность на остальных участках линии
определяется по первому закону Кирхгофа (сумма токов в узле равна нулю).
;
;
;
;
Точка 2 является точкой токораздела.
Токи на участках ВЛ 110 кВ:
;
;
;
;
.
Сечение проводов на участках ВЛ 110 кВ:
=> AC 95;
=> AC
95;
=> AC 95;
=> AC
95;
=> AC 95.
Потери напряжения от источника до
точки присоединения проектируемой подстанции (точка токораздела совпадает с
точкой подключения проектируемой подстанции):
Потери напряжения от источника А до
проектируемой подстанции в нормальном режиме:
,
в процентах:
.
Потери напряжения от источника В до
подстанции в нормальном режиме равняется потери напряжения от источника А до
подстанции:
Потери напряжения от источника В до
проектируемой подстанции в нормальном режиме:
,
в процентах:
.
Определяем потери напряжения в сети
110 кВ в аварийном режиме при обрыве провода на самом загруженном участке, то
есть на участке В - 4.
Рис №10. Схема питающей сети аварийного
режима.
При расчете нормального режима
принимался одинаковый (средневзвешенный)
для всех нагрузок.
Распределение мощностей по участкам
линии в аварийном режиме рассчитано с учетом фактических
нагрузок,
мощность представлена в комплексном виде:
.
Потери напряжения до проектируемой
подстанции в аварийном режиме:
.
Потери напряжения в трансформаторе
РТП:
.
В нормальном режиме максимальная
нагрузка на один трансформатор равна
;
где RT, XT - активное
и реактивное сопротивления трансформатора, равные:
.6 Проверка отклонений напряжения у
потребителей. Выбор оптимальных ответвлений на трансформаторах (РПН и ПБВ)
Одной из задач системы
электроснабжения является обеспечение качества электроэнергии у потребителей.
Показатели качества электроэнергии регламентируются ГОСТом 13109-87. В системах
электроснабжения сельских районов можно влиять на напряжение у потребителей,
отклонения которого от номинального допускается
в нормальном режиме и
- в
аварийном. Составляя баланс потери и надбавок напряжения с учетом всех
элементов схемы, начиная от источника до потребителей и выбирая оптимальные
надбавки напряжения на трансформаторах, определяем значение допустимых потерь
напряжения в линиях 10 и 0,38 кВ.
Таблица №10. Отклонение напряжения у
потребителей и допустимые потери напряжения в ВЛ 10 и 0,38 кВ.
|
Элементы
схемы
|
Нормальный
режим
|
Аварийный
режим
|
|
Удаленная
ТП
|
Ближайшая
ТП
|
Удаленная
ТП
|
|
100%
|
25%
|
100%
|
25%
|
100%
|
|
удал.
потр
|
ближ.
потр
|
удал.
потр
|
ближ.
потр
|
удал.
потр
|
ближ.
потр
|
удал.
потр
|
ближ.
потр
|
удал.
потр
|
|
Шины
110 кВ
|
+5
|
+5
|
0
|
0
|
+5
|
+5
|
0
|
+5
|
+5
|
|
ВЛ
110 кВ
|
-1,3
|
-1,3
|
-0,33
|
-0,33
|
-1,3
|
-1,36
|
-0,33
|
-1,3
|
-1,3
|
|
РТП
110/10 кВ - потери
|
-3,13
|
-3,13
|
-0,78
|
-0,78
|
-3,13
|
-3,13
|
-0,78
|
-6,26
|
-6,26
|
|
-
надбавка
|
2,5
|
2,5
|
2,5
|
2,5
|
2,5
|
2,5
|
2,5
|
2,5
|
2,5
|
|
Шины
10 кВ
|
+3,07
|
+3,07
|
+1,39
|
+1,39
|
+3,07
|
+3,07
|
+1,39
|
-0,06
|
-0,06
|
|
ВЛ
10 кВ
|
-5,87
|
-5,87
|
-1,46
|
-1,46
|
0
|
0
|
0
|
-5,87
|
-5,87
|
|
ТП
10/0,4 кВ - потери
|
-1,2
|
-1,2
|
-0,3
|
-0,3
|
-4
|
-4
|
-1
|
-1,2
|
|
-
надбавка
|
+5
|
+5
|
+5
|
+5
|
+5
|
+5
|
+5
|
+5
|
+5
|
|
ВЛ
0,38 кВ
|
-5
|
0
|
-1,25
|
0
|
-5
|
0
|
-1,25
|
0
|
-1,25
|
|
Потребитель
|
-4,0
|
+1
|
+3,38
|
+4,63
|
-0,93
|
4,07
|
4,14
|
-1,23
|
-3,38
|
.7 Выбор средств повышения надежности:
количества и мест установки коммутирующих аппаратов в сетях 10 кВ
Сельскохозяйственные потребители и их
электроприемники в отношении требований к надежности электроснабжения
разделяются на три категории. Электроприемники и потребители I
категории должны обеспечиваться электроэнергией от двух независимых источников
питания и перерыв в электроснабжении может быть допущен лишь на время
автоматического включения резервного питания.
В зоне централизованного электроснабжения вторым
источником питания должна служить подстанция 35-110/10 кВ или другая секция шин
10 кВ той же двухтрансформаторной подстанции с двусторонним питанием по сети
35-110 кВ, от которой осуществляется основное питание. Для удаленных
потребителей при технико-экономическом обосновании вторым источником питания
может быть автономный источник резервного электропитания (дизельная
электростанция).
В соответствии с РУМ [10] для электроприемников II
категории, не допускающих перерывов в электроснабжении длительностью более 0,5
часа, установлены следующие нормативные показатели надежности:
допустимая частота отказов в электроснабжении
для специально выделенной группы электроприемников, не допускающих перерыва
электроснабжения τ не более 0,5
часа
.
Для остальных электроприемников и
потребителей II категории
устанавливаются два нормативных показателя надежности (для каждого
электроприемника и потребителя):
допустимая частота отказов в
электроснабжении с длительностью перерыва не более 4-х часов
,
допустимая частота отказов в
электроснабжении с длительностью перерыва более 4-х, но не более 10 часов,
равная:
для потребителей с расчетной
нагрузкой 120 кВт и более;
для потребителей с расчетной
нагрузкой менее 120 кВт.
Для электроприемников и потребителей
III категории
установлен следующий нормативный показатель надежности:
допустимая частота отказов в
электроснабжении с длительностью перерыва не более 24 часов:
.
Для упрощения технологичности
проектирования непосредственный расчет показателей надежности мы не проводим.
Выбор средств повышения надежности осуществляется в соответствии с
рекомендациями, приведенными в РУМ [10].
При выборе количества и мест установки
автоматических коммутационных аппаратов в первую очередь рассматриваем
мероприятия по обеспечению надежным электроснабжением потребителей I категории.
Местное резервирование их целесообразно при условии
, где
- длина
резервной линии 10 кВ, которую необходимо соорудить для местного
резервирования;
- длина
магистрального участка линии 10 кВ, которую необходимо соорудить для
осуществления схемы питания опорной трансформаторной подстанции (ОТП).
При условии
следует
принять схему с ОТП и пунктом сетевого АВР на линии 10 кВ.
Выбор количества и мест установки
автоматических коммутационных аппаратов, обеспечивающих нормативы надежности
электроснабжения потребителей II и III категории,
осуществляем в зависимости от схемы подстанции 110/10 кВ (двухтрансформаторная
подстанция с двухсторонним питанием), суммарной длины l∑ и
расчетной нагрузки Р∑ линии 10 кВ, наличия на линии 10 кВ потребителя I категории.
При этом максимальная длина участка линии (включая ответвления), к которому
присоединены эти потребители, ограниченная автоматическим коммутационным
аппаратом, во всех случаях не должна превышать 12 км.
Число секционирующих выключателей и
пунктов АВР выбираем по номограммам, приведенным в [10].
Кроме того на магистрали ВЛ 10 кВ
через 3,5 км (включая ответвления) устанавливают линейные разъединители и на
отпайке при ее длине более 2,5 км
Возле каждого разъединителя следует устанавливать
указатели короткого замыкания (УКЗ). Каждая линия должна быть оснащена
устройством АПВ на головном и секционирующем выключателях, устройством
дистанционного измерения расстояния до места короткого замыкания, а также
телесигнализацией (ТС) положения головного выключателя линии 10 кВ,
секционирующего выключателя и выключателей пунктов АВР, наличия замыкания на
землю.
На примере ВЛ 10 кВ изображенной на
рис №5 выбираем следующие средства повышения надежности: Р∑=1157,85 кВт (S∑=1286.5
кВА), l∑=18
км; один СВ установленный на участке 4-7 (ближе к узлу 7), одно АВР, 3 линейных
разъединителя, 4 УКЗ.
Данные по выбору средств
повышения надежности для остальных ВЛ 10 кВ сведены в таблице №11.
Таблица №11. Выбор средств
повышения надежности для ВЛ 10 кВ.
|
№
ВЛ
|
S∑, кВА
|
l∑, км
|
Потребители
|
СВ
|
АВР
|
ЛР
|
УКЗ
|
|
|
|
I категории
|
II категории
|
|
|
|
|
|
1
|
972
|
24,7
|
-
|
-
|
2
|
2
|
3
|
3
|
|
2
|
937
|
31,4
|
-
|
+
|
1
|
2
|
6
|
6
|
|
3
|
1196
|
30,5
|
-
|
-
|
2
|
2
|
5
|
5
|
|
4
|
1087
|
30,6
|
-
|
+
|
1
|
1
|
3
|
3
|
|
5
|
985
|
31,2
|
-
|
+
|
1
|
1
|
4
|
4
|
|
|
|
|
|
|
|
|
|
Графически это представлено на
листе №1.
.8 Выбор числа и номинальной
мощности трансформаторов
На РТП 110/10 «Наровчатское»
сельскохозяйственного назначения устанавливаем два трансформатора мощностью
каждый 6300 кВ (расчетная нагрузка 6900 кВА). Количество отходящих линий 8.
При выходе из строя одного
трансформатора, перегрузка Кп второго составляет:
.
Таблица №12. Технические данные
трансформатора ТМН-6300/110
|
Тип
трансформа-тора
|
Sн, МВА
|
Uн, кВ
|
Потери,
кВт
|
Uк.з., %
|
Iх.х., %
|
Габариты,
м
|
|
|
ВН
|
НН
|
Рх.х.
|
Рк.з.
|
|
|
длина
|
ширина
|
высота
|
|
ТМН-6300/110
|
6,3
|
115
|
11
|
10
|
50
|
10,5
|
0,9
|
5,8
|
4,2
|
5,0
|
Раздел 3. Проектирование электрической части
районных трансформаторных подстанций
.1 Сельские трансформаторные подстанции. Общие
сведения
Электроснабжение сельскохозяйственных районов
обеспечивается от районных трансформаторных подстанций (РТП), понижающих
напряжение сети с 220…35 кВ, при котором передается электрическая энергия от
основного централизованного источника электроснабжения (электрической системы),
до напряжения 35…20…10…6 кВ (в основном 10 кВ). В электрифицируемом районе
электрическая энергия непосредственно распределяется между потребителями через
потребительские подстанции 35…10/0,4 кВ.
Трансформаторные подстанции состоят из силового
трансформатора и распределительных устройств (РУ). Последние служат для приема
и распределения электрической энергии и содержат коммутационные аппараты,
сборные и соединительные шины, устройства защиты, автоматики, измерительные
приборы и т. п. Для электроснабжения сельского хозяйства широко применяются
комплектные трансформаторные подстанции (КТП) и комплектные распределительные
устройства 10 кВ для наружной установки (КРУН - 10). КТП состоят из узлов
заводского изготовления в собранном виде, а КРУН - из полностью закрытых
шкафов, со встроенными в них аппаратами, устройствами защиты и автоматики.
Местоположение подстанции в сети, тип ее,
количество и мощность трансформаторов, главная схема электрических соединений
определяется комплексно с учетом развития системы и схемы электроснабжения района,
требованиям надежности электроснабжения и качества электрической энергии.
По способу присоединения к питающей сети
подстанции подразделяются на тупиковые (подключаются в конце питающей ЛЭП),
промежуточные (присоединены на ответвлении или в рассечку ЛЭП) и узловые.
Главная схема электрических соединений
подстанции, то есть принципиальная схема соединений первичных цепей основного
оборудования подстанции (сборные шин, разъединителей, выключателей,
трансформаторов тока и т. п.) должна обеспечивать требуемую надежность
электроснабжения потребителей, быть удобной в эксплуатации и безопасной в
обслуживании.
В данном проекте подстанция является
промежуточной на ответвлении от ЛЭП (ответвительная подстанция), поэтому
целесообразно выбрать мостиковую схему соединения, которая позволяет питать
подстанцию по транзитным линиям или линиям с двусторонним питанием, а так же
при осуществлении секционирования питающей линии.
Принципиальная схема выполнения подстанции
110/10 кВ по мостиковой схеме приведена на рис. №11
Рис. №11. Главная схема соединения РУ на
напряжение 110 кВ.
Поскольку в сетях 110 кВ транзит
мощности наиболее вероятен, то подстанция 110 кВ по схеме мостика выполняется с
ремонтной перемычкой из разъединителей со стороны линии, которая позволяет
присоединить оба трансформатора к одной линии при ремонте второй.
На подстанциях 110/10 кВ
применяются выключатели со стороны высшего напряжения (ВН), так как они
допускают отключение и включение нагруженного трансформатора, а так же его
отключение при повреждениях без дополнительного срабатывания головного
выключателя питающей линии.
Для комплектных
трансформаторных подстанций ОРУ комплектуется готовыми к монтажу блоками
аппаратуры с соответствующими металлоконструкциями и блокировками. Используем
серию КТП 110/10. Блоки выполняют уже со смонтированными и отрегулированными
аппаратами, элементами монтажных схем вторичных соединений. Блоки унифицированы
и позволяют комплектовать подстанцию по типовым схемам ОРУ.
На стороне низкого напряжения
(НН) двухтрансформаторных подстанций применяются двухсекционная система шин.
Каждый трансформатор работает на свою секцию. В качестве РУ - 10 кВ используют
КРУН серии К - 47 с выкатными (выдвижными) элементами. К основному
оборудованию, которое встраивается в КРУН, относится: выключатели, разрядники,
трансформаторы напряжения и тока, трансформаторы собственных нужд.
.2 Расчет токов к.з. в схемах
сельского электроснабжения
.2.1 Общие положения
Схемы сельского электроснабжения
содержат питающие линии электропередач 110 кВ, подключенные к мощным
электрическим системам, районные трансформаторные подстанции 110/10 кВ,
распределительные сети 10 кВ, потребительские подстанции ТП 10/0,4 кВ.
При коротких замыканиях в таких
схемах амплитуда периодической составляющей тока к.з. во времени изменяется и
определяется из условия постоянства ЭДС на шинах системы и равной среднему
номинальному напряжению.
Расчеты токов к.з. выполняют в
объеме, необходимом для выбора и проверки электрических аппаратов и токоведущих
частей, для выбора уставок и оценки возможного действия релейной защиты и
автоматики, для выбора устройств защиты от перенапряжений и заземляющих
устройств. При этом устанавливают расчетные схемы, точки и вид к.з. с целью
определения максимальных и минимальных токов к.з. (максимальный и минимальный
режимы).
В расчетные схемы включаются те элементы, через
которые точка к.з. связана с питающей системой. При этом для определения
максимальных и минимальных значений токов к.з. следует учитывать
соответствующие схемы длительных эксплуатационных режимов, в том числе
ремонтных и послеаварийных, питающей сети и проектируемой подстанции.
Расчетными точками к.з. для подстанции 110/10 кВ
являются: шины высшего напряжения (К1), шины 10 кВ (К2), а так же наиболее
удаленная точка сети 10 кВ (К3, К4) и в месте установки секционного выключателя
(К5),. При этом расчетным видом короткого замыкания является трехфазное к.з.
Расчет токов к.з. в точке (К1) проводится для
выбора аппаратуры на стороне высшего напряжения (максимальный режим), в точке
(К2) - для выбора аппаратуры на стороне 10 кВ подстанции, выбора уставок и
проверки чувствительности релейных защит, установленных на стороне высшего
напряжения (максимальный и минимальный режим), в точках (К3, К4) - для проверки
защит отходящих линий 10 кВ (минимальный режим) и в точке (К5) для выбора
аппаратуры секционирующего пункта.
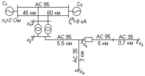
.2.2 Составление схемы замещения
Эквивалентные схемы замещения для каждой
расчетной точки к.з. составляем отдельно для максимального и минимального
режима. Расчет токов к.з. ведем в относительных единицах принимая, для
облегчения расчетов, за базисную мощность величину Sб=100
МВА, а за базисное напряжение на каждой ступени среднее номинальное напряжение,
в соответствии со шкалой напряжений указанных [1]. Тогда для схемы рис. №12
;
.
В схемах замещения элементы
расчетной схемы представляются индуктивными х и активными r
сопротивлениями, а источник питания - система, кроме того, и ЭДС, равной
Ес=1,0.
Рис. №12. Расчетная схема электроснабжения (а) и
схема замещения для расчета токов к.з. (б).
(а)
(б)
.2.3 Расчет токов короткого
замыкания
Расчет токов к.з. проводим на примере
ВЛ №2, для остальных линий расчет проводится аналогично.
Определяем сопротивления элементов
схемы.
Удельные сопротивления проводов
линий электропередач принимаем равными:
АС 95/16 - rуд=0,30
Ом/км, худ=0,4 Ом/км;
АС 70/11 - rуд=0,42
Ом/км, худ=0,34 Ом/км;
АС 35/6,2 - rуд=0,77
Ом/км, худ=0,37 Ом/км.
Для простоты записи в обозначениях
не указываем индексы (*б)
Тогда:
Определение токов к.з. на шинах
110 кВ (точка К1).
Максимальный режим.
- токи от систем;
- полный ток к.з.
Для расчета ударных токов определяем
отношение [x/r] и по
кривой kуд=f(x/r) [11]
находим kуд:
;
.
Тогда
.
Ударный ток в точке К1:
.
Минимальный режим.
Минимальный режим к.з. будет при питании
подстанции только от системы С2, так как она имеет большую удаленность от точки
к.з., тогда
;
.
Определение токов к.з. на шинах
10 кВ (точка К2).
Максимальный режим.
;
;
.
Для определения ударного тока к.з. в
точке К2 допускается приближенно найти:
,
и по
определяем kуд=1,82
Минимальный режим.
,
.
Определение токов к.з. в конце
ВЛ 10 кВ (точка К3).
Максимальный режим.
;
;
.
.
Минимальный режим.
,
.
Определение токов к.з. в конце
ВЛ 10 кВ (точка К4).
Максимальный режим.
;
;
.
Для определения ударного тока к.з. в точке К4
допускается приближенно найти:
,
определяем kуд=1,18.
.
Минимальный режим.
,
.
Определение токов к.з. в месте
установки секционного выключателя (точка К5).
Максимальный режим.
;
;
.
Для определения ударного тока к.з. в точке К5
допускается приближенно найти:
,
определяем kуд=1,25.
.
Минимальный режим.
,
.
Для удобства использования
результатов расчета токов к.з. сведем все данные в таблицу.
Таблица №13. Результаты
расчетов токов к.з. ВЛ №2.
|
Элемент
сети, точка к.з.
|
Максимальный
режим
|
Минимальный
режим
|
|
, кА , кА , кА , кА
|
|
|
|
|
Шины
110 кВ, К1
|
3,09
|
5,91
|
2,53
|
2,2
|
|
Шины
10 кВ, К2
|
4,73
|
12,17
|
2,1
|
1,83
|
|
В
конце ВЛ 10 кВ, К3
|
0,73
|
1,03
|
0,62
|
0,54
|
|
В
конце ВЛ 10 кВ, К4
|
0,92
|
1,53
|
|
|
|
В
месте установки СВ, К5
|
1,38
|
2,44
|
|
|
Таблица №14. Результаты
расчетов токов к.з. ВЛ №1-8.
Элемент сети, точка к.з.
|
Элемент
сети, точка к.з.
|
Максимальный
режим
|
Минимальный
режим
|
|
, кА , кА , кА , кА
|
|
|
|
|
Шины
110 кВ, К1
|
8,03
|
13,71
|
2,98
|
2,59
|
|
Шины
10 кВ, К2
|
3,18
|
8,9
|
3,02
|
2,63
|
|
ВЛ №1
|
К3
|
0,6
|
1,02
|
0,6
|
0,51
|
|
К4
|
0,48
|
0,8
|
0,48
|
0,42
|
|
К5
|
1,33
|
2,35
|
1,28
|
1,12
|
|
ВЛ №2
|
К3
|
0,78
|
1,32
|
0,77
|
0,67
|
|
К4
|
0,92
|
1,53
|
0,91
|
0,79
|
|
К5
|
1,38
|
2,44
|
1,33
|
1,16
|
|
ВЛ №3
|
К3
|
0,59
|
1,0
|
0,59
|
0,51
|
0,1
|
0,46
|
0,09
|
0,07
|
|
К5
|
1,09
|
1,93
|
1,05
|
0,91
|
|
ВЛ №4
|
К3
|
1,01
|
1,71
|
0,99
|
0,87
|
|
К4
|
0,64
|
1,26
|
0,62
|
0,51
|
|
К5
|
1,73
|
3,06
|
1,67
|
1,46
|
|
ВЛ
№5
|
К3
|
0,6
|
1,02
|
0,6
|
0,51
|
|
К5
|
1,39
|
2,45
|
1,34
|
1,17
|
|
ВЛ
№6
|
К3
|
0,56
|
0,94
|
0,55
|
0,48
|
|
К5
|
1,29
|
2,29
|
1,25
|
1,09
|
|
ВЛ
№7
|
К3
|
0,3
|
0,51
|
0,3
|
0,26
|
|
ВЛ
№8
|
К3
|
0,3
|
0,51
|
0,3
|
0,26
|
3.3 Выбор электрических аппаратов и проводников
первичных цепей
.3.1 Общие положения
При выборе электрических аппаратов исходим из
принятой главной схемы электрических соединений подстанции. Распределительное
устройство высшего напряжения содержит разъединители, выключатели,
трансформаторы тока и напряжения, вентильные разрядники, заградители и
конденсаторы высокочастотной связи. Распределительное устройство низшего
напряжения выполняется комплектным для наружной установки (КРУН - 10),
состоящим из нескольких соединенных между собой шкафов специального назначения,
в котором смонтированы электрические аппараты и соединяющие их проводники.
Поэтому следует выбирать, а точнее проверять по условиям к.з. аппараты,
которыми комплектуется используемая серия КРУН - 10.
Электрические аппараты выбирают исходя из
условий нормального режима работы электроустановки, и проверяют по условиям
короткого замыкания.
В зависимости от приведенных в каталогах
технических данных электрических аппаратов, выбираем их путем сравнивания этих
данных с расчетными для проектируемой электроустановки.
Общие правила выбора и проверки аппаратов
сводится к следующему:
. По напряжению установки: UHапп≥Uуст
(для кварцевых предохранителей, разрядников и трансформаторов напряжения UHапп=Uуст)/
. По длительному току: IHапп>IРАБmax,
где IРАБmax
- рабочий максимальный ток нормального или утяжеленного режима, например, при
отключении одного из трансформаторов двухтрансформаторной подстанции.
. По отключающей способности (для выключателей,
предохранителей) IHоткл≥Iк.
. По включающей способности (для выключателей,
работающих в режиме повторного включения): IHвкл>Iк,
iВКЛ max>iк.
. По классу точности выбираются трансформаторы
тока (ТТ) т трансформаторы напряжения (ТН) и проверяются по условию Z2н>Z2расч,
S2н>S2,
где Z2н - номинальная
нагрузка для данного класса точности ТТ; S2н
- номинальная мощность ТН или ТТ.
6. Проверка на термическую стойкость
по условию
, где IT, tT -
предельный ток термической стойкости и допустимое время его действия; ВК -
интеграл Джоуля (расчетный тепловой импульс); tК - время
протекания тока к.з. IК.. Можно предварительно принять tК=2 с для РУ
- 10 кВ, tК=3 с для РУ
- 110 кВ.
. Проверку на электродинамическую
стойкость выполняется по условию: iпрс≥iу; Iпрс≥Iк (или iдин≥iу; Iдин≥Iк), где iпрс, Iпрс -
амплитудное и действующее значение сквозного предельного тока.
.3.2 Расчетные параметры для
выбора оборудования
Максимальные расчетные токи:
1. В цепи ввода 110 кВ:
;
. На головном участке ВЛ 10 кВ:
;
. В цепи ввода 10 кВ:
;
. В цепи секционного выключателя 10
кВ:
.
.3.3 Выбор аппаратуры на стороне ВН
Разъединители: таблица №15
|
Параметры
разъединителя (каталог): РНДЗ-1-110/630 Т1
|
Расчетные
данные
|
|
Uн=110 кВ
|
Uн=110 кВ
|
|
Iн=63 А
|
Iраб.max=44.94 А
|
|
Iпрс=80 кА
|
|
|

|
|
Выбранный разъединитель РНДЗ-1-110/630 Т1
удовлетворяет расчетным параметрам.
Выключатель шкафа ввода 110 кВ: таблица №16
|
Параметры
выключателя (каталог): ВВУ-110Б-40/2000 У1
|
Расчетные
данные
|
|
Uн=110 кВ
|
Uн=110 кВ
|
|
Iн=2000 А
|
Iраб.max=44.94 А
|
|
Iн.откл=40 кА
|
|
|
Iн.вкл=102 кА
|
|
|
iпрс=102 кА
|
iу1=13,71 кА
|
|

|
|
Выбранный выключатель ввода 110 кВ
ВВУ-110Б-40/2000 У1 удовлетворяет расчетным параметрам.
.3.4 Выбор аппаратуры на стороне НН
Выключатель шкафа ввода 10 кВ: таблица №17
Параметры выключателя (каталог): ВВТЭ-10-20/630
УХЛ2
|
Параметры
выключателя (каталог): ВВТЭ-10-20/630 УХЛ2
|
Расчетные
данные
|
|
Uн=10 кВ
|
Uн=10 кВ
|
|
Iн=630 А
|
Iраб.max=398,4 А
|
|
Iн.откл=20 кА
|
|
|
Iн.вкл=52 кА
|
|
|
iпрс=52 кА
|
iу2=8,9 кА
|
|

|
|
Выбранный выключатель ввода 110 кВ
ВВТЭ-10-20/630 УХЛ2 удовлетворяет расчетным параметрам.
Трансформатор тока (ТТ): таблица №18
Поскольку термическая и динамическая стойкость
ТТ зависит от его первичного номинального тока, достаточно проверить по
условиям короткого замыкания ТТ отходящих линий 10 кВ (с наименьшим I1.н).
|
Параметры
ТТ (каталог): ТЛМ-10-2
|
Расчетные
данные
|
|
Uн=10 кВ
|
Uн=10 кВ
|
|
I1.н=100 А (*)
|
Iраб.max=61,8 А
|
|
Iдин=35,2 кА
|
|
|

|
|
(*) - номинальный ток ТТ принят с учетом
возможного применения трансформатора в схеме токовых защит с дешунтированием
электромагнитов отключения выключателя.
Выбранный трансформатор тока
удовлетворяет расчетным параметрам. Варианты исполнения вторичных обмоток -
0,5/10Р: сердечник с обмоткой класса 0,5 - для подключения измерительных
приборов, класса 10р - для подключения устройств релейной защиты. Номинальная
вторичная нагрузка в классе точности 0,5 составляет
(номинальная
мощность
).
В шкафу ввода 10 кВ принимаем к
установке трансформатор ТЛМ-10-2 с I1.н=600 А,
для секционного выключателя - с I1.н=300 А.
По классу точности достаточно
проверить наиболее нагруженный ТТ шкафа ввода 10 кВ, соединенные по схеме
неполная звезда с приборами: счетчиком активной энергии типа САЗУ - И670М, две
токовые катушки которого включены в фазы А и С и при номинальном токе потребляют
мощность не менее Sа=2,5 ВА каждая (
); счетчиком
реактивной энергии типа СРУУ-И673М с катушками во всех фазах и потребляющих
такую же мощность Sр=2,5 ВА (
);
амперметром типа Э-378, включенным в фазу В и потребляющий мощность SА=0,1 ВА (
).
Условия проверки:
,
,
где rконт -
сопротивление контактов, принимаем ее равным 0,05 Ом при двух - трех числе
приборов;
rпров -
сопротивление соединительных проводов.
.
Условие удовлетворяется, так как
(10 ВА >
7,6 ВА).
Приняв длину медных соединительных
проводов l=5 м,
находим допустимые сечение
. Выбираем медные провода сечением 4
мм2.
.3.5 Выбор трансформатора напряжения
Для РУ - 10 кВ выбираем
трансформатор напряжения типа НАМИ - 10 (антирезонансный), с помощью которого
можно осуществлять контроль изоляции сети 10 кВ. Трансформатор устанавливается
на каждой секции шин 10 кВ подстанции и питает приборы ввода 10 кВ и четырех
отходящих линий 10 кВ. Условия выбора:
;
,
где S2н -
номинальная мощность трансформатора в требуемом классе точности (S2н=120 ВА в
классе точности 0,5; S2н=200 ВА в классе точности 1,0);
S2расч -
мощность потребляемая приборами.
Для подсчета S2расч
составлена таблица №19
|
Приборы
|
Кол-во
приборов
|
Суммарное
кол-во катушек
|
Мощность,
потребляемая катушкой
|
Суммарная
мощность
|
|
|
|
Р,
Вт
|
Q,Вар
|
Р2,
Вт
|
Q2,Вар
|
|
Вольтметр
Э-335
|
1
|
1
|
2
|
-
|
2
|
-
|
|
Счетчик
активной энергии СА3У-И670М
|
4
|
8
|
3
|
11,6
|
24
|
92,8
|
|
Счетчик
реактивной энергии СР4У-И673М
|
1
|
3
|
3
|
11,6
|
9
|
34,8
|
|
ИТОГО
|
35
|
127,6
|
Расчетная мощность трансформатора:
.
Таким образом, выбранный
трансформатор напряжения будет работать в классе точности 1,0, что допустимо,
так как на подстанциях 110/10 кВ осуществляется технический учет электрической
энергии.
.3.5 Выбор шин и шинных конструкций
Шины ОРУ - 110 кВ подстанций
выполняют гибкими и как правило, тем же проводом, что и питающие линии, то есть
АС 95. При этом их дополнительно проверяют на корону и на исключение
возможности схлестывания или опасного сближения в результате динамического
действия к.з. Однако указанные проверки не выполняем, так как используемые
провода диаметром более 11,4 мм (АС 95/16), а мощность к.з. на шинах не более
4000 МВА.
Шины РУ - 10 кВ выполняются жесткими
прямоугольного сечения из алюминиевых сплавов.
Расчетное сечение шин
выбирают из
условия длительного нагрева, пользуясь таблицами допустимых длительных токов
для шин стандартных сечений [6]. При этом сечение выбирается таким, чтобы
допустимый длительный ток был не менее
. Для шин прямоугольного сечения
шириной до 60 мм, расположенных плашмя, допустимый ток снижают на 5%.
По значению
выбираем
плоские алюминиевые шины сечением
с
(
).
Для проверки шин на термическую
стойкость сравниваем расчетное сечение
шин с минимальным сечением
допустимым
по условию термической стойкости:
,
где С - коэффициент, равный для
алюминиевых шин С = 90.
Таким образом, термическая стойкость
шин обе6спечивается, так как
.
Шинная конструкция (шины - опорные
изоляторы) обладают электрической стойкостью, если максимальное расчетное
напряжение в материале шин σрасч и максимальные нагрузки Fрасч на
изоляторы меньше допускаемых значений:
,
.
Для алюминиевых шин σдоп=82,3
МПа. Расчетная результирующая сила, действующая на единицу длины шины при
ударном токе к.з. определяется:
,
где Ксх - коэффициент, зависящий от
взаимного расположения шин, равный 0,95;
а=0,25 м - расстояние между шинами.
Тогда напряжение в материале шины
будет:
,
где l=1 м -
расстояние между осями опорных изоляторов;
- момент сопротивления шины (в,h - размеры
сечения шины, м).
Таким образом, электродинамическая
стойкость обеспечивается, так как
.
Выбираем для шинной конструкции
опорные изоляторы типа ОФ - 10 - 3,75. Разрушающая нагрузка из [6] составляет Fразр=3750 Н.
Тогда допустимая нагрузка на
изолятор:
,
а расчетная нагрузка на изолятор:
.
Так как
электродинамическая
стойкость обеспечивается.
.4 Релейная защита подстанции 110/10 кВ
.4.1 Общие положения
В объем проектирования релейной защиты на
подстанциях 110/10 кВ входят расчеты релейной защиты силового трансформатора,
защита шин 10 - 110 кВ и защита отходящих линий 10 кВ.
Согласно ПУЭ для силовых трансформаторов
подстанции предусматриваются следующие защиты:
а) от повреждений внутри трансформатора,
сопровождающихся выделением газа, и от понижения уровня масла - газовая защита;
б) от повреждений на выводах трансформатора, а
так же от внутренних повреждений - продольная дифференциальная защита,
установка которой является обязательной для трансформаторов мощностью 6,3 МВА и
выше.
в) от токов, обусловленных внешними короткими
замыканиями - максимальная токовая защита, устанавливаемая со стороны питания,
которая может иметь пуск по напряжению;
г) от токов обусловленных перегрузкой (если она
возможна) - максимальная токовая защита от перегрузки, включенная на ток одной
фазы.
Дифференциальная защита и отсечка действуют на
отключение выключателя со стороны питания 110 кВ и на отключение выключателей
со стороны 10 кВ. Первая степень газовой защиты и защита от перегрузки выполняются
с действием на сигнал. Вторая ступень газовой защиты и максимальная токовая
защита действует на отключение выключателя со стороны питания (или на
отключение выключателей всех сторон).
Для защиты шин 10 кВ предусматривается
максимальные токовые защиты, установленные на вводе 10 кВ и на шинах секционных
выключателей.
Для защиты отходящих линий 10 кВ от междуфазных
к.з. и двойных замыканий на землю предусматривается максимальная токовая
защита, которая может дополняться токовой отсечкой.
д) от однофазных замыканий на землю на отходящих
линиях10 кВ предусматривают устройства контроля изоляции или секционные защиты
с действием на сигнал или отключение.
Расчет релейной защиты для двухтрансформаторной
подстанции 2х6300 кВА (рис. №11).
Максимальная мощность на шинах 10 кВ
составляет 8563 кВА. Количество отходящих линий 10 кВ - 8 (по 4 от каждой
секции шин). Максимальные рабочие токи на отходящих линиях 10 кВ - 61,8 А, на
вводе 110 кВ - 44,94 А, на секционном выключателе - 185,4 А, на вводе 10 кВ -
494,4 А. Величина токов к.з.: на шинах 110 кВ
,
, на шинах 10 кВ
,
, в конце ВЛ
10 кВ
,
, в месте
установки СВ
,
.
Расчет релейной защиты проведем на
примере ВЛ №2, для остальные линии электропередач расчет релейной защиты
проводится аналогично.
Выполнение схем защит и
используемые реле приняты такими, которые применяются на комплектных
трансформаторных подстанциях (КТПБ) 110 кВ с трансформаторами мощностью до 16
МВА и шкафами КРУ - 10 серии К - 49. На подстанции предусматриваются: МТЗ на
отходящих линиях 10 кВ, МТЗ на секционном выключателе 10 кВ, МТЗ трансформатора
на стороне 110 кВ, дифференциальная и газовая защиты трансформатора, защита от
перегрузки трансформатора. Устройства защиты на стороне 110 кВ подключаются к
встроенным трансформаторам тока ТВТ - 110, а на стороне 10 кВ - к
трансформаторам типа ТЛМ - 10.
.4.2 Защита отходящих линий 10 кВ
На подстанциях 110/10 кВ для защиты отходящих
линий 10 кВ от междуфазных к.з. и двойного замыкания на землю предусматриваются
МТЗ, выполняемые по двухфазной двухрелейной схеме (неполная звезда) с
применением индукционных реле типа РТ - 85 с дешунтированием электромагнитов
отключения выключателя. Принципиальная схема первичных цепей шкафа линии10 кВ
серии к - 49 и вторичных цепей релейной защиты и измерений приведены на
графическом листе №2
. Определяем ток срабатывания защиты:
а) из условия отстройки от максимального тока
нагрузки:
,
где
- максимальный рабочий ток линии
(без учета сетевого резервирования);
kн -
коэффициент надежности, учитывающий погрешности реле и равный для реле типа РТ
- 85 и РТ - 40 kн=1,2;
kВ -
коэффициент возврата реле, равный для реле типа РТ - 85 и РТ - 40 kВ=0,8 -
0,85;
kсзп -
коэффициент самозапуска, который зависит от схемы и параметров питающих сети.
Для линий сельских районов коэффициент самозапуска может быть принят равным kсзп=1,2 -
1,3;
б) из условия согласования по
селективности (для секционированных линий) выбор не производится.
. Ток срабатывания реле РТ - 85:
а)
,
где
- ток срабатывания защиты;
kсх -
коэффициент схемы при симметричном режиме. Для схем соединения трансформаторов
тока в звезду
;
пТ - коэффициент трансформации
трансформаторов тока.
б) из условия надежного срабатывания
ТЭО выключателя с током:
,
.
. Ток уставки реле РТ - 85/1 и ток
срабатывания защиты с учетом выбранной уставки:
. Принимаем
;
. Коэффициент чувствительности
защиты в основной зоне:
,
Нормируемое значение коэффициента
чувствительности для основной зоны
.
. Время срабатывания и уставка
выдержки времени принимается минимальной ty=0.6 c.
. Проверка трансформаторов тока и
возможность применения схемы с дешунтированием электромагнитов отключения:
а) из условия обеспечения надежной
работы дешунтирующих контактов реле РТ - 85:
,
.
б) из условия исключения возврата
реле после дешунтирования. Расчетная нагрузка на ТТ после дешунтирования:
,
где
, сопротивление соединительных
проводов длиной l=10 м и сечением q=4 мм2;
, сопротивление обмотки реле при
токе уставки
;
, сопротивление токового
электромагнита отключения.
По кривой предельных кратностей К10=f(ZH) [8] для ТТ
типа ТЛМ - 10 с пТ=100/5 по значению
находится допустимая кратность тока
К10=4. Тогда отношение
, а
погрешность ТТ определяемая по зависимости f%=ψ(А) [8]
,будет равна f%=52%.
Коэффициент чувствительности защиты,
показывающий во сколько раз ток к.з. с учетом погрешности ТТ после
дешунтирования будет больше тока возврата реле:
,
где kB=0.2…0,3 -
коэффициент возврата электромагнитного элемента реле РТ - 85;
Коэффициент чувствительности
электромагнитов отключения будет:
.
Таким образом, расчеты показывают, что
ТТ пригодны для применения в схеме защиты с дещунтированием ЭО.
в) проверка на 10% - ную
погрешность:
до дешунтирования: предельная
кратность тока
;
по кривой К10=f(ZH) находим
, расчетная
нагрузка на ТТ составляет
и поэтому
требуемая точность работы трансформаторов обеспечивается (
).
после дешунтирования:
;
по кривой К10=f(ZH) находим
,что
указывает на надежную работу электромагнитов отключения после дешунтирования (
).
г) погрешность ТТ при максимальном
токе к.з. (до дешунтирования): по значению
находим по кривой К10=f(ZH),
К10доп=20.
Тогда отношение
, а
следовательно f%=30%, что
меньше fдоп%=50%.
д) напряжение на выводах вторичной
обмотки ТТ после дешунтирования:
.
.4.2 Защита шин 10 кВ
Защита одиночной
секционированной системы шин 10 кВ подстанции 110 кВ должна осуществляться
действием защиты трансформатора от внешних к.з. и защиты, установленной на
секционном выключателе. При этом на двухтрансформаторных упрощенных подстанциях
МТЗ трансформатора должны обеспечивать двухступенчатое действие: с меньшей
выдержкой времени на отключение выключателя на стороне низшего напряжения, а с
большей - на стороне высшего напряжения. Защита выполняется на переменном
оперативном токе и имеет независимую выдержку времени. Для оперативных цепей
управления используются предварительно заряженные конденсаторы.
При определении токов
срабатывания МТЗ ввода и шинного секционного выключателя коэффициент
самозапуска принимается равным kсзп=1,2
- 1,3.
. Определяем ток срабатывания
защиты:
а) из условия отстройки от
максимального тока нагрузки:
б) из условия согласования по
чувствительности с предыдущей защитой:
,
где
- наибольший из токов срабатывания
защит линий 10 кВ одной из секций;
- суммарный ток линий, отходящих от
секции шин, без учета линии, имеющий наибольший ток срабатывания защиты.
2. Ток срабатывания реле РТ -
40:
.
3. Ток уставки реле РТ - 40/10 и ток
срабатывания защиты с учетом выбранной уставки:
. Принимаем
,
.
. Коэффициент чувствительности защиты в основной
зоне:
.
. Время срабатывания и уставка
выдержки времени реле РВМ - 12:
Уставка выдержки времени защиты шин,
действующей на секционный выключатель, находится при согласовании ее с защитой
линии 10 кВ из построения карты селективности (рис. №13).Согласование
проводится при токе
, а так как
при этом характеристики защит наиболее приближаются друг к другу. При токе
согласования время срабатывания защиты линии равняется tс.з.(л)=1,0
с (определяется по характеристики реле РТ - 85 [12]). Тогда время срабатывания
защиты шин и уставка времени РВМ - 12 будут:
.
. Проверка ТТ и возможности
применения дешунтирования:
а) из условия надежной работы
дешунтирующих контактов реле РТ - 40:
,
.
б) проверка на 10% - ную
погрешность: до дешунтирования: предельная кратность тока:
;
по кривой К10=f(ZH) находим
, расчетная
нагрузка на ТТ составляет
,
где
, сопротивление обмотки реле РТ - 40
(Sp -
потребляемая реле мощность при минимальной уставке);
;
.
Требуемая точность работы
трансформаторов тока обеспечивается (
).
Остальные требования к ТТ, а так же
возможность применения дешунтирования, выполняются, так как условия работы ТТ
практически не отличаются от условий работы ТТ линии, а номинальный ток их
выше.
Принципиальная схема первичных цепей
ввода 10 кВ КРУ серии К - 49 и вторичных цепей защиты и измерений представлены
на графическом листе №2
Как отмечалось выше, на подстанциях
с двухобмоточными трансформаторами ликвидация к.з. на шинах 10 кВ, помимо
рассмотренной защиты на секционном выключателе, должна осуществляться действием
МТЗ трансформатора, установленной со стороны питания. В этом случае к
трансформаторам тока ввода 10 кВ подключается только цепи дифференциальной
защиты, измерений и регулирования АРНТ.
.4.3 Защита трансформаторов
Защита силовых трансформаторов подстанции можно
подразделить на две группы:
а) защита от сверхтоков, вызванных внешним к.з.
(МТЗ);
б) защита от внутренних повреждений
(дифференциальная, газовая).
Оперативный ток на сельских подстанциях, как
правило, трансформаторы тока, трансформатор собственных нужд (ТСН),
измерительный трансформатор напряжения (ТН) и предварительно заряженные
конденсаторы, подключаемые к блокам питания и заряда.
Расчет МТЗ трансформатора.
На трансформаторах с высшим напряжением 110 кВ
МТЗ выполняется на переменном оперативном токе и имеет независимую выдержку
времени. Для реализации защиты используется реле тока РТ - 40, реле времени РВМ
- 12 и промежуточное реле РП - 321. При срабатывании МТЗ с меньшей выдержкой
времени действует на отключение выключатель ввода 10 кВ, а с большей - на
отключение выключателей на стороне основного питания. Схема выполнения защиты:
треугольник с двумя реле РТ - 40.
1. Определяем ток срабатывания
защиты:
а) из условия отстройки от
максимального тока нагрузки:
б) из условия отстройки от токов при
включении дополнительной нагрузки после срабатывания АВР:
,
где
.
в) из условия согласования по
чувствительности с предыдущей защитой:
.
2. Ток срабатывания реле РТ - 40:
.
3. Ток уставки реле РТ - 40/10 и ток
срабатывания защиты с учетом выбранной уставки:
. Принимаем
,
,
.
. Коэффициент чувствительности защиты в основной
зоне (при двухфазном к.з. за трансформатором):
.
. Время срабатывания и уставка
выдержки времени реле РВМ - 12: уставка выдержки времени определяется из
построения карты селективности (рис №13). Защиты предусматривается
двухступенчатого действия:
- с меньшей выдержкой времени - на отключение
выключателя ввода 10 кВ:
;
с большей выдержкой времени - на
отключение выключателей на стороне основного питания 110 кВ:
.
. Проверка трансформаторов тока:
а) проверка на 10% - ную погрешность:
Предельная кратность тока
;
по кривой К10=f(ZH) для
встроенных трансформаторов тока ТВТ - 110 с пТ=50/5…300/5 определяется
. При
последовательном соединении двух ТТ, установленных на ввод каждой фазы, имеем
.
Расчетная нагрузка на ТТ для
принятой схемы защиты:
,
где
- сопротивление алюминиевых
соединительных проводов длиной 35 м и сечением 4 мм2;
;
;
;
- сопротивление дифференциального
реле типа РНТ - 565 (ДЗТ - 11).
Требуемая точность трансформатора
тока обеспечивается, так как (
).
б) погрешность ТТ при максимальном
токе к.з. По значению
,
приходящемуся на один ТТ определяется по кривой К10=f(ZH) допустимая
кратность К10 доп=10. Тогда отношение:
, а следовательно, токовая погрешность
трансформатора ТВТ - 110 будет не более f%<10%.
.
Дифференциальная защита трансформатора.
Принимаем двухрелейную схему защиты. Тип реле
уточним в процессе расчета. Трансформаторы тока со стороны 110 кВ ТВТ - 110
включаются в треугольник, а со стороны 10 кВ (типа ТЛМ - 10) в неполную звезду.
. Определяем первичные и вторичные номинальные
токи для сторон ВН и НН защищаемого трансформатора. Результаты расчетов сведены
в таблицу №20.
|
Величины
|
Численное
значение для сторон
|
|
110
кВ
|
10
кВ
|
|
Первичный
номинальный ток трансформатора II, А
|

|
|
|
Коэффициент
трансформации ТТ, пТ
|
200/5
|
600/5
|
|
Схема
соединения ТТ
|
∆
|
Υ
|
|
Вторичные
токи в плечах защиты I2, А
|

|
|
. Определяем ток срабатывания защиты,
приведенный к стороне высшего напряжения (основная сторона):
а) из условия отстройки от небалансов при
внешних к.з.:
,
где Кн=1,3 - коэффициент надежности;
∆U* -
относительное значение половины суммарного диапазона регулирования напряжения
обмоток, по которым протекает расчетный внешний ток к.з. например, для
двухобмоточного трансформатора с диапазоном регулирования ±16% - ∆U*=0,16;
б) из условия отстройки от броска тока
намагничивания при включении трансформатора под напряжение:
;
где
.
. Предварительно принимаем
. Проверяем
возможность использования для защиты реле РНТ - 565, для чего оценим
чувствительность защиты.
При двухфазном к.з. за
трансформатором ток реле со стороны ВН будет:
.
Ток срабатывания реле:
.
Коэффициент чувствительности:
.
. Так как
, то для
выполнения защиты применять реле РНТ нельзя. Поэтому защиту выполним с
торможением, используя реле ДЗТ - 11.
5. Выбираем место включения тормозной обмотки
плечо со стороны 10 кВ. Принципиальная схема приведена на графическом листе №2.
. Определяем ток срабатывания защиты из условия
отстройки от броска тока намагничивания:
.
. Определяем число витков обмотки
реле ДЗТ для основной (110 кВ) и не основной (10 кВ) сторон трансформатора.
Примем схему включения обмоток без использования рабочей (дифференциальной)
обмотки. Результаты расчетов сведены в таблицу №21
Таблица №21.
|
№
|
Обозначение
величины и расчетное выражение
|
Численное
значение
|
|
1.
|

|
|
|
2.
|
 витков
|
|
|
3.
|
(ближайшее
целое число)39
|
|
|
4.
|

|
|
|
5.
|

|
|
|
6.
|
(ближайшее
целое число)18
|
|
. Определяем число витков тормозной обмотки:
.
Принимаем ближайшее число витков
.
. Определяем коэффициент чувствительности
защиты при к.з. за трансформатором в зоне действия защиты:
.
. Проверка ТТ на 10% - ную
погрешность для ТТ обеих сторон трансформатора:
Предельная кратность К10 для сторон
ВН:
.
По кривой предельной кратности для
ТВТ - 110 с пТ=200/5 при К10=1,44 определяем допустимую вторичную нагрузку на
ТТ
. Расчетная
нагрузка для ТТ соединенных в треугольник составляет
(определена
выше).
Так как
, то работа
ТТ с полной погрешностью не более 10% обеспечивается.
Предельная кратность К10 для сторон
НН:
.
Допустимая нагрузка на
трансформаторы тока ТЛМ - 10 с пТ=600/5 при К10=5,3 составляет
. Расчетная
нагрузка на ТТ составляет:
.
Таким образом, точность работы
обеспечивается и для ТТ стороны 10 кВ.
Защита трансформатора от
перегрузки.
В качестве защиты
предусматривается МТЗ в однофазном исполнении, действующей с выдержкой времени
на сигнал или автоматическую разгрузку.
Используется реле тока РТ - 40.
Индивидуальное реле времени не предусматривается, а используется общее реле
времени цепей предупреждающей сигнализации.
Защита устанавливается на
стороне высшего напряжения трансформатора. Ток срабатывания защиты:
,
где
Ток срабатывания и уставки реле:
. Принимаем
.
Газовая защита.
Согласно ПУЭ газовая защита должна
обязательно применяться на трансформаторах мощностью 6300 кВА и более.
Оперативные цепи газовой защиты на
подстанциях 110/10 кВ подключаются к шинам трансформатора собственных нужд, а
на двухтрансформаторных подстанциях - к шинам обеспечения питания (ШОП),
которые питаются через АВР от обоих ТСН. Кроме того, широко применяются схемы
газовой защиты с питанием оперативных цепей от предварительно заряженных
конденсаторов.
Во всех указанных случаях
газовая защита не может считаться полноценной защитой трансформатора, так как
может отказать из-за низкого напряжения оперативного тока или из-за отсутствия
заряда на конденсаторах. Например, при включении трансформатора после ремонта
на к.з. Поэтому газовая защита обязательно дополняется другой быстродействующей
защитой (дифференциальной или отсечной).
Защита трансформатора осуществляется с помощью
газового реле ПГ 43 - 66 (или BF
- 80/Q). Установка реле
принимается равной 0,6 (0,65) м/с. Защита контакторного устройства РПН с
разрывом дуги в масле осуществляется отдельным газовым реле RS
- 1000. Для защиты избирателей РПН, размещенных в отдельном баке, так же
предусматривается отдельное газовое реле.
Принципиальная типовая схема защиты и управления
на переменном оперативном токе трансформатора 110/10 кВ приведена на
графическом листе №2.
.5 Защита подстанции от перенапряжений
Перенапряжения в электрических сетях могут быть
грозовыми, возникающими при ударах молнии и внутренними, связанными с
коммутациями, дуговыми замыканиями на землю и резонансными явлениями в сети.
Проектирование защиты от грозовых перенапряжений
сводим к выбору длины защищаемых подходов линий к подстанции и выбору
разрядников на них, выбору типа, числа и мест установки разрядников на
подстанции.
Специальных мер по ограничению внутренних
перенапряжений в сетях 110 кВ, работающих с заземляющей нейтралью не требуется.
В сетях 10 кВ с компенсацией емкостных токов замыкания на землю такие меры
предусматриваются и сводятся к выравниванию емкости фаз сети относительно
земли, выбору мощности, места установки и схемы присоединения дугогасящих
заземляющих реакторов.
Защита от грозовых перенапряжений подходов,
питающих ЛЭП к подстанциям, выполняется тросовыми молниеотводами. Длина
защищаемого участка составляет 2,0 км.
Вентильные разрядники устанавливаются: на первой
опоре подхода к подстанции ЛЭП 110 кВ, а так же на входных порталах подстанции
или на первой от подстанции опоре.
Для защиты отходящих линий 10 кВ на деревянных опорах
предусматриваются вентильные разрядники, один комплект которых устанавливается
на первой опоре, а второй - через 200…300 м.
В ОРУ 110 кВ непосредственно у силового
трансформатора со стороны всех обмоток устанавливаются вентильные разрядники
типа РВМГ - 110. В КРУН - 10 устанавливаться вентильные разрядники на шинах 10
кВ типа РВМ - 10, для каждой секции.
.6. Защита подстанции от прямых ударов молнии.
Для защиты подстанции от прямых ударов молнии
(ПУМ) применяются стержневые молниеотводы. Молниеотводы состоят из следующих
конструктивных элементов: молниеприемника, непосредственно воспринимающего
прямой удар молнии; несущей конструкции, предназначенной для установки
молниеприемника; токоотвода, обеспечивающего отвод тока молнии в землю;
заземлителя, отводящий ток молнии в землю и обеспечивающего контакт с землей
токоотвода.
Расчеты защиты от ПУМ состоят из: выбора высоты
молниеотводов, их количества и мест установки при условии, что все объекты на
территории подстанции (ОРУ - 110, силовые трансформаторы, КРУН - 10 ОПУ) попали
в зоны защиты молниеотводов.
Подстанция 110/10 кВ (мощность трансформаторов
2х6300 кВА) ограниченна оградой 28м х 34 м. Принимаем вариант защиты подстанции
одним стержневым молниеотводом рис. №14, установленном на концевой опоре типа
У-110-3 высотой Н=20 м. Определим высоту молниеотвода из условия защиты угла
КРУН на высоте hх=2,6м. Из
схемы компоновки подстанции находим требуемый радиус защиты (для точки «А» на
рис. №15):
.
Тогда полная высота молниеотвода
может быть найдена из уравнения:
,
где
при h≤30 м
- коэффициент для разных высот молниеотводов;
- высота молниеотвода,
- высота
точки на границе защищаемой зоны,
- активная высота молниеотвода.
Рис. №14. Зоны защиты одиночного
стержневого молниеотвода.
Рис. №15. Компоновка подстанции
110/10 кВ 2х6300 кВА с указанием расчетных размеров в метрах.
- линейный портал (h=10 м); 2 -
блок разъединителя (h=3,5 м);
- шинный мост; 4 - блок выключателя
(h=3 м);
- трансформаторный портал; 6 -
силовой трансформатор (h=5 м);
- КРУН-10 серии К-49 (h=2,6 м); 8 -
опора двухцепная (H=20 м);
,
Откуда имеем квадратное уравнение:
1,6h2-36,16h-83,2=0,
решая его находим:
.
Следовательно, высота молниеотвода
будет равна:
Радиус защиты этого
молниеотвода на высоте hх=5
м (для силовых трансформаторов) будет равен:
.
Фактически требуемый радиус,
найденный из рис. №15 (точки «Б»):
Меньше действительного и,
следовательно, силовые трансформаторы подстанции попадают в зону защиты
молниеотвода.
Радиус защиты этого молниеотвода на
высоте hх=10 м
(линейный портал) составляет:
,
а фактически требуемый (для точки
«Б» на рис. №15):
.
Следовательно, линейный портал с
электрооборудованием, находящийся на расстоянии 8,5 м от молниеотвода, так же
попадает в зону его защиты.
Учитывая, что концевая опора, по
существу, является несущей конструкцией молниеотвода, то для его выполнения
следует только установить молниеотвод высотой:
.
.7 Расчет заземляющего устройства
подстанции
Заземление на подстанции является
защитной мерой от поражения электрическим током при повреждении изоляции. К
заземлителю присоединяются корпуса силовых трансформаторов, электрических аппаратов
и их приводов, вторичные обмотки трансформаторов тока, металлические
конструкции распределительных устройств, броня силовых кабелей и т.п.
На подстанциях с высшим напряжением
110 кВ заземляющее устройство должно иметь в любое время года сопротивление не
более 0,5 Ом, включая сопротивление естественных заземлителей.
Заземлитель подстанции
выполняется в виде заземленной сетки из соединенных между собой продольных и
поперечных заземлителей. Продольные заземлители прокладываются вдоль осей
электрооборудования со стороны обслуживания на глубине 0,5 - 0,7 м и на
расстоянии 0,8 - 1,0 м от фундаментов или оснований оборудования. Поперечные
заземлители прокладываются в удобных местах между оборудованием.
Определяем сопротивление заземлителя подстанции
110/10 кВ мощностью 2х3600 кВА с учетом двухслойности земли. Площадь
подстанции, ограниченная оградой, составляет 28х34 м2. Сетчатый заземлитель с
размерами 24х30 м2 помимо внешнего замкнутого горизонтального заземлителя имеет
6 выравнивающих полос, положенные вдоль большей стороны (lБ)
и 8 - вдоль меньшей стороны (lМ).
К сетке присоединены 9 вертикальных электродов длиной 3 м (4 у входа и въезда
на подстанцию и 5 у мест присоединения молниеотводов к заземлителю).
Известно, что h1=2 м, t=0,5 м,
(глина
полутвердая),
(суглинок
пластичный). Ток однофазного к.з., стекающий с заземлителя равен 4 кА (примерно
0.5
на шинах
110 кВ подстанции).
. Так как
не менее
двух, то учет двухслойности земли необходим.
.
. Так как
, то
(при
)
,
где lВ - длина
вертикального стержня, м; t - глубина заложения горизонтального
заземлителя, м; S - площадь охваченная сетчатым
заземлителем, м2; L - суммарная длина всех элементов
заземлителя, м.
. Эквивалентное сопротивление земли:
. Сопротивление сетчатого
заземлителя в двухслойном грунте:
.
. Чтобы не предусматривать мер по предотвращению
выноса опасных потенциалов за пределы подстанции, напряжение на заземляющем
устройстве при стекании с него тока замыкания на должно превышать 5 кВ.
В данном случае:
.
.8 Вопросы автоматизации
Использование автоматики повышает
надежность электроснабжения, позволяет уменьшить эксплуатационные расходы,
снизить себестоимость электроэнергии и дает возможность сократить
эксплуатационный персонал. Для этого в сетях применяют следующие устройства:
защита линии и трансформаторов от
всех видов повреждений и ненормальных режимов (релейная защита);
автоматическое повторное включение
(АПВ);
автоматическое включение резервного
питания (АВР) и т.д.;
Автоматическое повторное включение.
Автоматическое повторное включение
(АПВ) относят к устройствам автоматики аварийного режима, обеспечивающим
ликвидацию аварий в схемах электроснабжения. АПВ - одно из основных средств
повышения надежности электроснабжения потребителей.
Установлено, что число успешных
АПВ на воздушных линиях электропередач всех напряжений в среднем составляет
70...80 %. В соответствии с ПУЭ все воздушные и воздушно-кабельные линии
напряжением выше 1 кВ оснащают АПВ.
В системах сельского
электроснабжения применяются трехфазные электрические устройства АПВ
однократного или двукратного действия.
Рис. №16. Схема АПВ однократного действия для
выключателей напряжением 10 кВ с пружинным приводом [5].
К устройствам АПВ предъявляют следующие
основные требования.
1.АПВ должно
происходить при всех аварийных отключениях выключателя, за исключением случая,
когда отключение произошло сразу же после его оперативного включения
персоналом. АПВ не должно происходить также при оперативном отключении
выключателя.
2. АПВ должно обеспечиваться с
заранее установленной выдержкой времени (бестоковой паузой до АПВ), которую
выбирают исходя из условий рассмотренных ниже.
. АПВ должно происходить с
заданной кратностью. Возможность многократных включений должна быть исключена.
. Устройство АПВ должно иметь
автоматический возврат в состояние готовности к новому действию после успешного
цикла повторного включения.
Продолжительность бестоковой паузы до АПВ
однократного действия определяется следующими условиями:
;
;
;
где tд - время
деионизации среды в месте к.з. после его отключения, для сетей напряжением 6…35
кВ tд≤0,2
с;
tзап=0,4-0,5
с - время запаса, учитывающее неточность исходных данных, погрешности;
tг.п. - время
готовности привода; tг.п.=0,1…0,2 с;
tг.в. - время
готовности выключателя; tг.в.=0,2…2 с;
tв.в. - время
включения выключателя.
Время срабатывания принимают равным
.
Время автоматического возврата
устройства АПВ определяют из условия:
где tс.з. мах -
наибольшее время срабатывания защиты, действующее на выключатель (в сетях 6…10
кВ tс.з. мах≤2
с);
; tзап=2…3 с.
При использовании двукратного АПВ
продолжительность бестоковой паузы перед вторым повторным включением принимают
обычно равной 10…20 с.
Автоматическое включение резервного
питания.
В сельских сетях напряжением
6...35кВ предусматривают, как правило, схемы одностороннего питания
потребителей, в которых имеющиеся источники электроснабжения (питающие линии,
силовые трансформаторы на подстанциях, подстанции) работают раздельно.
Для обеспечения нормативных показателей
надежности электроснабжения при отключениях основного (рабочего) источника
питания к независимому резервному источнику питания подключают потребители с
помощью специальных устройств автоматического включения резерва (АВР).
По направлению действия различают
устройства АВР одностороннего и двухстороннего действия. АВР одностороннего
действия применяют в случаях, когда один из вводов питания служит постоянно
рабочим, а второй - только резервным. Если оба ввода являются одновременно и
рабочими и резервными по отношению друг к другу, то используют АВР
двухстороннего действия.
Устройства АВР должны
удовлетворять следующим основным требованиям.
1. АВР должно обеспечиваться
при исчезновении напряжения у потребителя из-за аварийного, самопроизвольного
или ошибочного отключения выключателя рабочего ввода питания или при
исчезновении напряжения со стороны рабочего (основного) источника питания.
2. Устройство АВР не должно
приходить в действие до отключения выключателя рабочего ввода во избежание
включения резервного источника на устойчивое к.з. в основном источнике питания.
3. В случае исчезновения
напряжения со стороны основного источника выключатель рабочего ввода до АВР
должен отключаться специальным пусковым органом минимального напряжения.
4. АВР должно происходить с
возможно минимальной выдержкой времени.
5. Действие АВР должно быть
однократным, чтобы не допустить многократных включений резервного источника на
устойчивое к.з.
6. Для ускорения отключения
резервного источника при его включении на устойчивое к.з. должно
предусматриваться ускорение защиты после АВР.
7. В схеме АВР должен
существовать контроль исправности цепи включения выключателя резервного ввода
питания.
Рис. №17. Схема АВР двухстороннего действия для
двухтрансформаторной подстанции [5]:
а - поясняющая схема; б - схема АВР и управления
выключателем Q1 (аналогично и для
Q2); в - схема АВР
для выключателя Q3.
На рис. №17 приведена наиболее распространенная
схема местного АВР двухстороннего действия на переменном оперативном токе,
применяемая на сельских двухтрансформаторных подстанциях напряжением 110…35/10
кВ, где все выключатели оборудованы пружинными приводами.
При расчете и выборе уставок АВР трансформаторов
определяют следующее:
1.Напряжение
срабатывания пускового органа минимального напряжения:
Для реле, подключаемых к ТСН, Uс.р=55…88 В,
к ТН - Uс.р=25…40 В.
. Время срабатывания пускового
органа:
а) по условию отстройки от времени
срабатывания тех защит, в зоне действия которых повреждения могут вызвать
снижение напряжения ниже принятого Uс.р.
;
где tс.з.max
- наибольшее время срабатывания указанных защит, установленных на подстанции;
∆t
- ступень селективности, принимаемая равной 0,6 с при использовании реле
времени со шкалой до 9 с и равной 1,5…2 с со шкалой до 20 с;
б) по условию согласования с другими
устройствами автоматики (например, АПВ линии, по которой осуществляется подача
энергии от основного источника питания):
ср.АВР≥
tс.з.лэп+
tАПВ
лэп+
tзап;
где tс.з.лэп
- наибольшее время действия защиты линии, передающей энергию потребителям, для
которых осуществляется АВР;
tАПВ лэп - время
цикла неуспешного АПВ этой линии;
tзап - запас по
времени, принимаемый равным 2…3,5 с.
в) уставки по времени
устройства автоматического восстановления нормальной схемы подстанции принимают
равными: 15с - на включение рабочего ввода; 20 с - на отключение секционного
выключателя.
Раздел 4. Специальный вопрос. Обеспечение
надежного электроснабжения
.1 Последствия от нарушения электроснабжения
птицефабрики
электрический нагрузка трансформатор
мощность
Электроснабжение имеет важное значение в
животноводстве. Рост его энерговооруженности связан с повышением
производительности труда за счет повышения механизации процессов. Особое
значение занимают крупные животноводческие и птицеводческие комплексы по
производству яиц, мяса птицы на промышленной основе. По уровню
электропотребления, сложности электрооборудования такие потребители
соответствуют промышленным предприятиям.
Прекращение подачи электроэнергии приводит к
срыву основных технологических процессов: кормления, поения,
кормоприготовления, перерыву в работе вентиляции и отопления и, следовательно,
к изменению микроклимата в животноводческих помещениях.
Ухудшение параметров микроклимата вызывает у
птиц стрессовое состояние, последствиями которого могут быть снижение
продуктивности, выбраковка (вынужденный убой), гибель птицы.
В терморегуляции птиц основную роль играет
дыхательный центр с его большой испаряющей поверхностью воздухонасосных мешков.
Поэтому при повышении внешней температуры потребление кислорода птицей
уменьшается, а при ее понижении резко возрастает. По данным исследований,
продуктивность кур - несушек при снижении температуры воздуха в птичниках с 12
до 5 оС уменьшается на 12 %, а при повышении до +30 оС падает на 28…30%.
При температуре 34…42 оС снижается яйценоскость,
повышается смертность птицы. Через 20…24 ч 95 % кур погибает по причине
температурного стресса. При понижении температуры воздуха с 12 до 0 оС каждый
градус снижения температуры яйценоскость снижается на 1,5…2,5%. При дальнейшем
понижении температуры до -2 оС, яйценоскость снижается на 30…55%, а у
высокопродуктивных кур прекращается.
Параметром микроклимата так же является
концентрация углекислого газа. Гибель птицы начинается при достижении
концентрации в среднем 10%. При повышении температуры в помещении увеличивается
выделение аммиака и сероводорода.
Поскольку углекислый газ постепенно заполняет
помещение, то при начавшейся гибели птицы часть их (до 50% оставшейся в живых)
выбраковывается из-за болезней, вызванными отравлением сильнодействующими
газами, или линьки птицы, вызванной стрессовым воздействием микроклимата.
Перерыв в яйценоскости в случае преждевременной
линьки составляет 50…60 дней, что соответствует снижению яйценоскости на срок
использования яичных кур - несушек на 5,5%, мясных - на 6,7%. При перерывах
электроснабжения небольшой длительности, когда параметры микроклимата не
достигают опасных значений, у кур - несушек в результате стресса происходит срыв
яйценоскости, на восстановление которого требуется 10…15 дней.
При отключении электроэнергии нарушается режим
инкубации яиц. В первое время после отключения возникает перегрев яиц, так как
вентиляция не работает, а инкубатор имеет значительную тепловую энергию, так же
много тепла выделяют сами эмбрионы. По оценкам специалистов гибель эмбрионов
начинается через 0,3…1 ч, а через 5…6 ч после отключения погибнут все эмбрионы.
По данным разделов 1 - 5 птицефабрика потребляет
2% от общего потребления электроэнергии (на 1990г). В настоящее время доля ПТФ
увеличилась, так как она укрупнилась, расширилась, добавился цех по
производству полуфабрикатов.
. 2. Надежность элементов сельских электрических
сетей.
Одним из базовых понятий в теории надежности
является отказ - событие, заключающееся в переходе объекта из состояния
работоспособности в состояние неработоспособности, т. е. состояние, в котором
исследуемый объект не способен выполнять свои функции [15].
Отказы могут быть устойчивыми и неустойчивыми.
Устойчивым считается отказ, при котором объект может быть переведен в
работоспособное состояние только путем направленного воздействия на него,
например путем ремонта. При неустойчивом отказе объект сам может перейти в
работоспособное состояние при прекращении внешнего воздействия. Устойчивые и
неустойчивые отказы, рассматриваемые совместно, называются нарушениями.
Различают также внезапные отказы и
преднамеренные (иногда их называют плановыми) отключения. Ни обслуживающий
персонал, ни потребитель не знают заранее, когда наступит внезапный отказ;
преднамеренные отключения планируются заблаговременно. Поэтому последствия от
внезапных отказов и преднамеренных отключений существенно различаются: к
последним потребитель имеет возможность заранее подготовиться и тем самым уменьшить
ущерб от прекращения питания. Принято считать, что в сельских электрических
сетях ущерб от преднамеренных отключений в три раза меньше, чем от внезапных
отказов.
Надежность электроснабжения
потребителей определяется надежностью элементов, входящих в систему
электроснабжения, а также структурой этой системы.
В данной работе в качестве
элементов систем электроснабжения сельскохозяйственного назначения
рассматриваются: воздушные линии электропередачи, ячейки распределительных
устройств, трансформаторы, комплектные трансформаторные подстанции,
коммутационная аппаратура, релейная защита, автоматика.
Надежность элемента ψ
- го
вида характеризуется следующими показателями:
частотой отказов ωψ;
средним временем восстановления
τψ;
частотой преднамеренных отключений
υψ;
средним временем
преднамеренного отключения μψ.
Частота отказов и частота преднамеренных
отключений элементов определяется по формулам:
(1),
где λψg и λплψg - число
отказов и преднамеренных отключений рассматриваемого элемента, зафиксированных
в g-м году
наблюдения;
Nψg - общее
число элементов данного типа, находящихся в эксплуатации в g-м году, в
том числе и те элементы, которые ни разу не отказывали в g-м году;
G - число лет
наблюдений.
Среднее время восстановления и
среднее время преднамеренного отключения определяется по формулам:
(2),
где tψg и tплψg - время
восстановления и время простоя при преднамеренном отключении, зафиксированное
при q-м отказе
(преднамеренном отключении);
Λψ и Λплψ - число
зафиксированных отказов (преднамеренных отключений) элементов ψ-го вида.
Воздушные линии электропередачи (ВЛ)
являются наименее надежными элементами сельских электросетей; около 85 - 90%
всех нарушений в сетях приходится на их долю.
Основными причинами повреждений ВЛ
являются: поверхностные и другие пробои изоляции; гололедно - изморозевые
отложения на проводах; нагрузки от ветра; совместные нагрузки от ветра и
гололеда, вибрация, «пляска» и схлестывание проводов; ослабление механической
прочности деталей опор; повреждения, наносимые линии транспортом, механизмами и
пр.
Считается, что повреждаемость ВЛ
распределяется равномерно по длине линии, поэтому на основании статистических
данных определяют удельную частоту отказов (преднамеренных отключений),
отнесенному к одному километру линии по формулам (1), но в качестве Nψg принимается
суммарная длина линии данного класса, эксплуатируемых в g-м году.
Для конкретной линии длиной L частота
отказов и преднамеренных отключений определяется по формулам:
,
,
где ω0 и υ0 - удельная
частота отказов и преднамеренных отключений на одном километре линии.
В таблице №4.1 приведены показатели
надежности воздушных линий 0,38; 10; 110 кВ в сельской местности (эти данные
используются в расчетах). В таблице №4.2 приведены показатели надежности
воздушных линий 10 кВ при повреждении опор, проводов, изоляторов, сложных видах
повреждений (опор с проводами, проводами, проводов с изоляторами, всех вместе)
и при других причинах, а так же показатели вероятности перехода однофазных
замыканий в устойчивые отказы. Эти данные необходимы для оценки влияния
различных средств повышения надежности на ВЛ подходящих к ПТФ. Таблицы №4.1 и
№4.4 приведены на графическом листе №3.
Таблица №4.1
|
Наименование
объекта
|
Удельная
частота, (год∙км)-1
|
Среднее
время, ч
|
|
устойчивых
отказов ω0
|
преднамеренных
отключений υ0
|
ремонта
τр
|
преднамеренного
отключения μ
|
|
Воздушная
линия: 0,38 кВ 10 кВ
|
0,75
0,375
|
0,30
0,18
|
2,2
3,22
|
4,0
5,0
|
|
Цепь
воздушной линии 110 кВ: одна
|
0,09
|
1,5
|
4,8
|
6,0
|
Примечание. Среднее время ремонта линии включает
в себя время от момента обнаружения места повреждения до окончания ремонта.
Таблица №4.2
|
Наименование
показателя
|
Условное
обозначение
|
Численное
значение
|
|
Удельная
частота нарушения линии, (год∙км)-1: после первого цикла АПВ
|
а01
АПВ
|
0,5
|
|
Удельная
частота устойчивых отказов из-за повреждений, (год∙км)-1: опор проводов
изоляции сложных видов повреждений прочих причин
|
ω0оп ω0пр ω0из ω0сл ω0пч
|
0,060
0,053 0,150 0,038 0,075
|
|
Среднее
время ремонта, ч, при повреждении: опор проводов изоляции сложных видов
повреждений прочих причин
|
τр.оп τр.пр τр.из τр.сл τр.пч
|
2,8
2,2 1,0 4,9 3,1
|
|
Удельная
частота однофазных замыканий на землю, (год∙км)-1:
|
ω0оф.з
|
0,85
|
|
Вероятность
перехода однофазных коротких замыканий на землю в устойчивые отказы при
длительности режима однофазного замыкания tоф.з, ч:
0,5 1 2 3 4 и более
|
bоф.з→к.з.
|
0,07 0,15 0,25 0,32 0,35
|
Частота отказов ВЛ 10 кВ:
ω=ωоп+ωпр+ωиз+ωсл+ωпч
(3);
где составляющий правой части формулы - частоты
отказов из-за повреждений опор, проводов, изоляции, сложных повреждений и
прочих причин, определяемые по статистическим данным, либо расчетным путем при
исследовании способов повышения надежности воздушных линий.
Среднее время ремонта линии с учетом того, что
некоторые виды ремонтных работ выполняются силами оперативно - выездной
бригады, а некоторые - ремонтной бригадой:
τр=bоп∙τр.оп+
bпр∙τр.пр+bиз∙τр.из+
bсл∙τр.сл+
bпч∙τр.пч
(4)
;
;
;
;
; (5)
(6)
Здесь bоп, bпр, bиз, bсл, bпч -
вероятность того, что нарушение работы произошло из-за повреждения опор,
проводов, изоляции, сложных повреждений, прочих причин;
tоп, tпр, tиз, tсл, tпч - затраты
времени на собственно ремонт при соответствующем виде повреждения без учета
времени прибытия ремонтной бригады к месту повреждения;
- время от момента поступления
заявки на ремонт до момента выезда бригады к месту повреждения;
Ккр - коэффициент кривизны дорог;
- скорость переезда бригады;
Lр.б-м.п -
расстояние по прямой от места дислокации ремонтной бригады до места
повреждения;
- вероятность того, что ремонт
данного вида повреждений осуществляется силами оперативно - выездной бригады.
Среднее время ремонта из-за
различных видов повреждения линии состоит из двух составляющих: времени
собственно ремонта и времени затрачиваемого ремонтной бригадой на прибытие к
месту повреждения с учетом вероятности выполнения ремонта силами оперативно -
выездной бригады. Ремонты при повреждениях опор, сложных повреждений
выполняются ремонтной бригадой (
), а изоляция ремонтируется, как
правило, оперативно выездной бригадой при выполнении операции по восстановлению
работоспособности линий, поэтому
.
Величины, входящие в формулы 4 - 6,
определяются на основании статистических данных эксплуатации. В таблице №4.3
приведены значения этих величин.
Таблица №4.3
|
Наименование
величины
|
Обозначение
|
Численное
значение
|
|
Время
ожидания выезда ремонтной бригады, ч
|
1,0
|
|
|
Скорость
переезда, км/ч
|
20
|
|
|
Коэффициент
кривизны дорог
|
Ккр
|
1,4
|
|
Расстояние
от места дислокации ремонтной бригады до место повреждения, км
|
Lр.б-м.п
|
15
|
Вероятность того, что оперативно -
выездная бригада выполняет ремонт: провода прочих повреждений
,25
Что касается показателей надежности по
преднамеренным отключениям ВЛ 10 кВ, то обычно они принимаются на основании
статистических данных эксплуатации для линии целиком без детализации по звеньям
линии.
Силовые электроустановки. К ним относятся ячейки
распределительных устройств, трансформаторные подстанции 10/0,4 кВ, силовые
трансформаторы. Эти установки выходят из строя по следующим причинам:
повреждение вводов от внешних и внутренних
перенапряжений;
поверхностный пробой изоляторов в результате
воздействия пыли и влаги из-за дефектов уплотнений КРУН, КТП;
поверхностный пробой шин и вводов при попадании
птиц и животных;
повреждение изоляции обмоток трансформаторов при
перенапряжениях и перегрузках из-за дефектов конструкций и изготовления и пр.
Ремонт оборудования на подстанциях 110/10 кВ
производится на месте; КТП, трансформаторы 10/0,4 кВ ремонтируются обычно
централизованно, а отказавшее оборудование заменяются другим, работоспособным.
В таблице №4.4 приведены ориентировочные
показатели надежности силовых электроустановок относящихся к ПТФ.
Таблица №4.4
|
Наименование
объекта
|
Частота,
год -1
|
Среднее
время, ч
|
|
отказов
ω
|
преднамеренных
отключений υ
|
ремонта
(замены) τр
|
преднамеренного
отключения μ
|
|
Комплектные
трансформаторные подстанции 10/0,4 кВ
|
0,07
|
0,25
|
2,7
|
4,0
|
|
Трансформаторы
110/10 кВ
|
0,03
|
0,3
|
20
|
10
|
|
Ячейки
10 кВ наружной установки (КРУН)
|
0,05
|
0,25
|
4,0
|
4,5
|
Коммутационная аппаратура, релейная защита и
автоматика. Как и другие электроустановки, коммутационная аппаратура (КА)
выходит из строя в период своего функционирования. Эти отказы называются
отказами в стационарном состоянии. Особенностью этой аппаратуры и средств
автоматизации является то, что они эксплуатируются в режиме ожидания «заявки»
на их работу. Эти заявки могут быть не удовлетворены: например, выключатель не
отключил короткое замыкание. Такие отказы называются отказами в срабатывании,
их частота определяется по формуле:
ωк.а.р.з=ак.а.р.з∙h
(7),
где ак.а.р.з - частота заявок на срабатывание устройства;
h - вероятность
отказа в срабатывании, определяемая по статистическим данным.
Эти устройства могут так же сработать при
отсутствии заявок на их срабатывание: либо когда поступает заявка на работу
другого устройства, вне зоны действия рассматриваемого, либо заявка на работу
вообще отсутствует. Такие отказы называются неселективным срабатыванием и
ложным срабатыванием.
Частота неселективных срабатываний ωн.с.
вычисляется по формуле (7); в этом случае частота заявок определяется заявками
на срабатывание соседних устройств;
Частота ложных срабатываний ωл.с
определяется путем обработки статистических данных о функционировании
исследуемых устройств.
В таблице №4.5 приведены показатели надежности
коммутационных аппаратов, а в таблице №4.6 - показатели надежности основных
видов релейной защиты и автоматики в линиях питающих ПТФ.
Таблица №4.5
|
Наименование
аппаратов
|
Частота
отказов в стационарном состоянии ωк.а.
|
Вероятность
отказа в срабатывании h
|
Среднее
время ремонта (замены) τр, ч
|
|
Выключатель
мощности 10 кВ наружной установки
|
0,008
|
0,075
|
4,5
|
|
Линейный
разъединитель 10 кВ наружной установки
|
0,002
|
0,01
|
3,0
|
Таблица №4.6
|
Наименование
аппаратов
|
Вероятность
отказа в срабатывании h
|
Вероятность
неселективного срабатывания hн.с
|
Частота
ложных срабатываний ωл.с., год
-1
|
|
Максимальная
токовая защита 10 кВ
|
0,015
|
0,010
|
0,003
|
|
Дифференциальная
защита10 кВ
|
0,025
|
0,015
|
0,006
|
|
Для
отключения выключателя 10 кВ при отсутствии напряжения до него
|
0,05
|
0,02
|
0,005
|
|
АПВ
10 кВ однократное
|
0,015
|
-
|
-
|
|
Телесигнализация
положения выключателя линии 10 кВ
|
0,020
|
-
|
0,0025
|
|
Указатель
поврежденного участка линии 10 кВ
|
0,08
|
-
|
0,07
|
.3 Методика расчета надежности
Под потребителем понимается один или группа
приемников электрической энергии предприятия или организации. Уровень
надежности электроснабжения потребителей принято оценивать ожидаемым
недоотпуском электроэнергии за год либо годовой эквивалентной
продолжительностью отключения:
(8);
(9),
где
и
- составляющие недоотпуска
электроэнергии из-за внезапных отказов и преднамеренных отключений;
и
- составляющие годовой
продолжительности отключений;
и
- частота внезапных отказов и
преднамеренных отключений потребителя;
и
- среднее время восстановления
электроснабжения при отказах и преднамеренных отключениях;
и
- средняя
отключаемая нагрузка потребителя при отказах и преднамеренных отключениях.
Величина нагрузки зависит от графика
нагрузки потребителя, времени суток и года; отказы и преднамеренные отключения
так же располагаются неравномерно во времени. Для инженерных расчетов средняя
отключаемая нагрузка как при внезапных отказах, так и при преднамеренных
отключениях может быть принята равной половине расчетной нагрузки
сельскохозяйственного потребителя [15]:
Недоотпуск электроэнергии потребителю
и годовая продолжительность отключений в общем случае могут быть выражены как
∆WптрΣ=∆Wптр(ВН)Σ+∆Wптр(10)Σ+∆Wптр(ТП)Σ+∆Wптр(0,38)Σ (10);
ТптрΣ=Тптр(ВН)Σ+Тптр(10)Σ+Тптр(ТП)Σ+Тптр(0,38)Σ (11);
где ∆Wптр(ВН)Σ, ∆Wптр(10)Σ, ∆Wптр(ТП)Σ, ∆Wптр(0,38)Σ - недоотпуски
электроэнергии потребителю, обусловленные нарушением в сетях 110, 10 кВ, ТП
10/0,4 кВ и 0,38 кВ;
Тптр(ВН)Σ, Тптр(10)Σ, Тптр(ТП)Σ, Тптр(0,38)Σ - годовая
продолжительность отключений потребителя при повреждении в тех же элементах
системы электроснабжения потребителя.
Для расчета показателей надежности
отдельного потребителя составляется единая схема замещения, состоящая из
элементов всех структурно - иерархических уровней. Для сельских систем
электроснабжения «входами» в эту схему замещения служат узловые подстанции,
надежность которых принимается абсолютной, т. е. ∆Wптр(УПС) =
0. Это допущение, конечно условно, но логично, поскольку сельская система
электроснабжения не располагает способами управлять надежностью систем высших
иерархий, в лучшем случае она предъявляет требования к надежности таких систем.
«Выходом» схемы замещения является потребитель, надежность электроснабжения
которого определяется.
В данном случае птицефабрика
«Суворовская» питается по двум линиям 10 кВ от двух разных источников - понизительных
подстанций 110/10 кВ. В свою очередь, эти подстанции присоединены к различным
цепям двух параллельных одноцепных воздушных линий 110 кВ. На рисунке №18
приведена схема электроснабжения птицефабрики и ее схемы замещения.
Рис. №18. Схема электроснабжения
потребителя (а) и ее схемы замещения на уровне сети 110 кВ (б) и на уровне сети
10 кВ (в).
а)
Параметры надежности и обеспеченность средствами
ее повышения основных сетей энергосистем и сельских распределительных сетей
существенно различаются. Сети 35 - 110 кВ, питающие сельскохозяйственные
потребителей,выполненные в соответствии с ПУЭ с высокой степенью резервирования
и насыщенные устройствами автоматики, в отношении надежности могут быть
отнесены к основным сетям энергосистемы.
Поэтому влияние верхних структурно -
иерархических уровней надежности электроснабжения потребителей, присоединенных
к сетям 10 кВ, а тем более 0,38 кВ, невелико и зависит от характера
резервирования питания потребителей.
.4 Учет надежности ТП и сети 0,38 кВ
Рассмотрим порядок расчета показателей
надежности потребителей, присоединенных к сети 0,38 кВ. Такой расчет удобнее
производить раздельно, сначала для ТП 10/0,4 кВ, а затем - для потребителя,
учитывая параметры и схему сети 0,38 кВ.
Выражения для определения показателей надежности
потребителей из-за отказов ТП 10/0,4 кВ получены для различных схем, нашедших
применение в сельских электрических сетях. Такие схемы приведены на графическом
листе №4 Показатели надежности определяются для расчетной точки А на секции шин
0,4 кВ ТП.
Двухтрансформаторная ТП 10/0,4 кВ питающая
птицефабрику, присоединяется к линии 10 кВ по двулучевой схеме (графический
лист №4.(б)); разъединитель в перемычке 10 кВ нормально разомкнут. Здесь
рассматриваются два случая: секции шин 0,4 кВ взаимно резервируются вручную и
автоматически.
При ручном взаимном резервировании секции шин
0,4 кВ расчетная точка А будет обесточена:
при обесточивании общих шин для основного и
резервного питания секций шин 0,4 кВ участков сети верхних иерархических
уровней;
при обесточивании участка линии 10 кВ и
оборудования ТП, по которой осуществляется основное питание секции шин 0,4 кВ с
расчетной точкой А, на время переключения секции шин 0,4 кВ на резервное
питание;
при повреждении секции шин 0,4 кВ на время
ремонта:
ωА=ωобщ+ω10+ω/ТП+ωш
0,4 ; ТА=Тобщ+(ω10+ω/ТП)∙τпер
ТП+ωш
0,4 ;
где ω/ТП
- частота отказов оборудования ТП, входящего в цепочку основного питания
расчетной точки А;
τпер ТП - время
переключений в ТП на резервное питание.
При преднамеренных отключениях
элементов основного питания расчетной точки А на эту секцию подается резервное
питание, поэтому годовая продолжительность преднамеренных отключений точки А
определяется преднамеренными отключениями общих участков высших уровней и
секций шин 0,4 кВ:
.
При автоматическом взаимном
резервировании секций шин 0,4 кВ надежность питания точки А будет определяться
числом отказов и преднамеренных отключений общих для основного и резервного
питания участков верхних уровней сети и секции шин 0,4 кВ:
ωА=ωобщ+ ωш 0,4 ;
ТА=Тобщ +Тш 0,4 ,
.
В этом случае вероятность отказа
резервного питания при ремонте основного питания можно пренебречь.
Показатели надежности
электроснабжения потребителей определяется для различных способов питания
потребителей по сети 0,38 кВ и приведены на графическом листе №5.
Раздел 5. Технико-экономические
показатели
.1 Определение капитальных вложений
в электроснабжение
Для сооружения новых, расширения и
реконструкции действующих сельских электрических сетей необходимо затратить
значительные материально-денежные и трудовые ресурсы, именуемые капитальными
вложениями. Последние формируется из затрат на изыскательские, проектные и
подготовительные работы, из стоимости оборудования, строительных и монтажных
работ, включая транспортные расходы и затраты на эксплуатацию строительных
машин и механизмов, стоимость отчуждения земли и затраты на переустройство
других объектов.
Размер капитальных вложений в
электроснабжение сельскохозяйственных предприятий можно определить путем
составления локальных смет, сметных и сводных сметных расчетов, а так же при
помощи укрупненных показателей стоимости сооружения сельских линий
электропередачи и подстанций.
Однако, составление локальных,
объектных и сводных смет, сопряжено со значительными трудностями, так как
обширный нормативно - справочный материал зачастую недоступен. Поэтому
допускается определение капитальных вложений в проектируемую электрическую сеть
по укрупненным показателям:
стоимость 1 км линии электропередачи
в зависимости от ее напряжения, конструкции, района (с учетом ветра, гололеда,
сечения провода);
стоимость сооружения подстанции в
зависимости от конструкции, напряжения мощности;
стоимости расширения и реконструкции
линий электропередачи и подстанций.
В общем виде капитальные вложения на
строительство электрической сети определяется:
,
где КРТП - капитальные вложения в
районную подстанцию 110/10 кВ;
КТП - капитальные вложения в
потребительские подстанции 10/0,4 кВ;
КПЛ - капитальные вложения в
питающие линии электропередачи 110 кВ;
КРЛ - капитальные вложения в
распределительные линии электропередачи 10 кВ;
КСП - капитальные вложения на
строительство секционирующих пунктов и пунктов автоматического ввода резерва.
.1.1 Определение капитальных
вложений в РТП 110/10 кВ
Капиталовложения в подстанцию 110/10
кВ 2х6300 кВА (в ценах 1990 г) [6]: К/РТП=144,8 тыс.руб. С учетом коэффициента
инфляции kинф=40,
получаем:
КРТП= К/РТП ∙ kинф =144,8∙40=5792
тыс. руб.
.1.2 Определение капитальных
вложений в подстанции 10/0,4 кВ
Расчет капитальных вложений сведем в
таблицу №22
|
Мощность
ТП, кВА
|
Количество,
шт.
|
Стоимость,
тыс. руб.
|
Общая
стоимость, тыс. руб.
|
|
40
|
1
|
1,28
|
1,28
|
|
63
|
9
|
1,46
|
13,14
|
|
100
|
17
|
1,58
|
26,86
|
|
160
|
35
|
2,19
|
76,65
|
|
2000
|
1
|
8,38
|
8,38
|
|
ИТОГО
|
63
|
-
|
126,33
|
С учетом коэффициента инфляции:
КТП=121,93 ∙40=4877,2 тыс. руб.
.1.3 Определение капитальных вложений в питающие
линии 110 кВ
КПЛ=LПЛ
∙Ук110∙kинф=30∙8,5∙40=10200
тыс.руб.
Для ВЛ 110 кВ на железобетонных опорах в III
районе по гололеду (АС 95) Ук110=8,5 тыс.руб./км, берется из приложения [7] -
укрупненный удельный показатель стоимости строительства ВЛ 110 кВ;
протяженность линии 110 кВ LПЛ=30
км.
.1.4 Определение капитальных вложений в
распределительные линии 10 кВ
КРЛ=LРЛ
∙Ук10
Расчеты капитальных вложений сведем в таблицу
№23:
|
Марка
провода
|
Длина
линии, км
|
Ук10,
тыс. руб./км
|
КРЛ,
тыс. руб.
|
|
АС
95
|
54,6
|
3,3
|
180,18
|
|
АС
70
|
13,1
|
3,1
|
40,61
|
|
АС
35
|
76,5
|
2,8
|
214,2
|
|
ИТОГО
|
144,2
|
-
|
435
|
С учетом коэффициента инфляции:
КРЛ=435∙40=17400 тыс. руб.
.1.5 Определение капитальных вложений на
строительство СВ и АВР
Капитальные вложения в один СВ пункт КСВ=2,4
тыс. руб., в один АВР пункт КАВР=2,5 тыс. руб., количество СВ пСВ=5 шт., АВР
пАВР=6 шт.
С учетом коэффициента инфляции:
КСП=( КСВ∙пСВ + КАВР∙пАВР)∙kинф
=(2,4∙5+2,5∙6)∙40=1080 тыс. руб.
.1.6 Определение суммарных капитальных вложений
.2 Определение годовых
эксплуатационных затрат по проектируемой электрической сети
К годовым эксплуатационным издержкам
относятся все расходы, предусмотренные на поддержание сетей в рабочем состоянии,
а так же годовую стоимость потерять электрической энергии в элементах
электросети. В общем виде расчетная формула эксплуатационных издержек имеет
вид:
где ИА - амортизационные отчисления
(на капитальный ремонт и полное восстановление);
ИОБ - издержки на обслуживание
электрических сетей;
ИПЭ - издержки на потери
электроэнергии.
.2.1 Определение амортизационных
отчислений
Амортизационные отчисления включают
затраты на капитальный ремонт и средства полного восстановления (реновацию)
электрической сети:
,
где Рaj - годовая
норма отчислений на амортизацию по j - му
элементу сети берется из таблицы 4.2. [14];
Кj -
капитальные вложения в j - й элемент сети;
п - количество элементов сети.
.2.2 Определение издержек на
обслуживание сети
Издержки на обслуживание
электрических сетей складываются из стоимости израсходованного сырья, топлива,
энергии и других материальных средств, заработной платы персонала, расходов на
техническое обслуживание, текущий ремонт, общестанционных и общесетевых
расходов.
Для определения издержек необходимо
рассчитать объем работ по эксплуатации электрических сетей по формуле:
,
где Nj - количество
j - х
элементов электрической сети;
Куj -
количество у.е. для j - ого элемента электрической сети.
Суммарные издержки по обслуживанию
электрической сети:
,
где γ - среднестатистический
расход средств на эксплуатацию 1 у.е. сетей, γ=0,028∙40=1,12
руб./у.е.
Результаты расчетов сведем в таблицу
№24
|
Элемент
сети
|
Количество
|
Ку
|
N, у.е.
|
Иобс,
тыс.руб.
|
|
ВЛ
110 кВ
|
30
|
2,1
|
63
|
70,56
|
|
ВЛ
10 кВ
|
144,2
|
1,7
|
245,14
|
274,56
|
|
РТП
110/10 кВ
|
2
|
70,8
|
141,6
|
158,59
|
|
Присоединение110
|
2
|
48,7
|
97,4
|
109,09
|
|
Присоединение10
|
6
|
16,3
|
97,8
|
109,54
|
|
ТП
10/0,4 кВ
|
63
|
5,6
|
352,8
|
395,14
|
|
ИТОГО
|
|
|
997,74
|
1117,47
|
.2.3 Издержки на потери
электроэнергии
Затраты на потери электроэнергии в
элементах электрических сетей вычисляются по формуле: ИПЭ=ИВЛ 110+ИВЛ 10+ИРТП
110/10+ИТП 10/0,4
а) в линиях электропередачи:
б) в трансформаторах:
где Sp - расчетная
максимальная нагрузка, кВА; Uн - номинальное напряжение ВЛ, кВ; r - активное
погонное сопротивление провода ВЛ, Ом/км; L - длинна
линии электропередачи, км; τ - время потерь, час; Cк -стоимость
потерянного киловатт-часа в меди (к.з.); Сх - стоимость потерянного
киловатт-часа при холостом ходе трансформатора; Sн -
номинальная мощность трансформатора, кВА; ∆Рх.х. - номинальные потери
холостого хода для данного трансформатора, кВт; ∆Рк.з. - номинальные потери
короткого замыкания для данного трансформатора, кВТ; Тх.х. - время включенного
состояния трансформатора (Тх.х.=8760 час.); Тмах - время использования мах
нагрузки.
Стоимость потерянного киловатт-часа
рассчитываем по формулам, приведенным в [16]:
а) в меди (Cк):
для ЛЭП 110 кВ
;
для ЛЭП 10 кВ
;
для РТП 110/10 кВ
;
б) при холостом ходе:
для РТП 110/10 кВ
;
для ТП 10/0,4 кВ
;
. Издержки на потери электроэнергии
в питающей линии 110 кВ.
Результаты сведены в таблицу №25:
|
ВЛ
|
Sp, кВА
|
Марка
провода
|
L, км
|
Тмах,
час
|
τ,
час
|
r, Ом/км
|
Ск,
коп/кВт∙ч
|
Стоимость
потерь, тыс. руб.
|
|
110
|
6900
|
АС
95
|
30
|
4600
|
3100
|
0,31
|
1,7
|
1,928
|
С учетом коэффициента инфляции:
ИВЛ 110=1,928∙40=77,1тыс. руб.
. Издержки на потери электроэнергии в
распределительной линии 10 кВ:
Подробный расчет стоимости потерь электроэнергии
проводим для ВЛ №1.
Таблица №26. Расчет стоимости потерь
электроэнергии для ВЛ №1.
|
№-№
|
Длина
участка, км
|
Sp, кВА
|
Марка
и сечение
|
Тмах,
час
|
τ, час
|
r, Ом/км
|
Ск,
коп/кВт∙ч
|
Стоимость
потерь, тыс. руб.
|
|
0-1
|
2,0
|
1108
|
АС
95
|
3000
|
1900
|
0,31
|
2,87
|
0,409084
|
|
1-№1
|
0,3
|
110
|
АС
35
|
|
|
0,773
|
2,87
|
0,00153
|
|
1-2
|
1,0
|
1026
|
АС
95
|
|
|
0,31
|
2,87
|
0,175872
|
|
2-3
|
0,5
|
269
|
АС
35
|
|
|
0,773
|
2,87
|
0,014247
|
|
3-№2
|
0,1
|
117
|
АС
95
|
|
|
0,31
|
2,87
|
0,000205
|
|
3-4
|
1,0
|
183
|
АС
35
|
|
|
0,773
|
2,87
|
0,013657
|
|
4-№3
|
0,7
|
110
|
АС
35
|
|
|
0,773
|
2,87
|
0,00357
|
|
4-№4
|
1,9
|
98
|
АС
35
|
|
|
0,773
|
2,87
|
0,006487
|
|
2-5
|
0,8
|
814
|
АС
95
|
|
|
0,31
|
2,87
|
0,088727
|
|
5-6
|
0,2
|
402
|
АС
35
|
|
|
0,773
|
2,87
|
0,013489
|
|
6-№5
|
0,3
|
80
|
АС
95
|
2,87
|
0,000325
|
|
6-7
|
1,2
|
342,5
|
АС
35
|
|
|
0,773
|
2,87
|
0,058473
|
|
7-№6
|
1,5
|
110
|
АС
35
|
|
|
0,773
|
2,87
|
0,007651
|
|
7-8
|
1,3
|
260,5
|
АС
35
|
|
|
0,773
|
2,87
|
0,037043
|
|
7-№8
|
0,8
|
95
|
АС
35
|
|
|
0,773
|
2,87
|
0,002731
|
|
7-8
|
1,3
|
194
|
АС
35
|
|
|
0,773
|
2,87
|
0,019782
|
|
8-№6
|
0,5
|
60
|
АС
95
|
|
|
0,31
|
2,87
|
0,000304
|
|
8-№7
|
0,6
|
150
|
АС
35
|
|
|
0,773
|
2,87
|
0,00569
|
|
6-9
|
2,0
|
353
|
АС
95
|
|
|
0,31
|
2,87
|
0,041416
|
|
9-№9
|
1,0
|
150
|
АС
35
|
|
|
0,773
|
2,87
|
0,009484
|
|
9-10
|
1,0
|
238
|
АС
95
|
|
|
0,31
|
2,87
|
0,008942
|
|
10-№10
|
1,1
|
140
|
АС
35
|
|
|
0,773
|
2,87
|
0,009088
|
|
10-№11
|
1,0
|
130
|
АС
35
|
|
|
0,773
|
2,87
|
0,007124
|
|
ИТОГО
|
0,934921
|
Для остальных линий расчет проводится
аналогично.
Таблица №27. Расчет стоимости потерь
электроэнергии для ВЛ №1-6
|
№
ВЛ 10 кВ
|
Стоимость
потерь, тыс. руб.
|
|
№1
|
0,935
|
|
№2
|
1,026
|
|
№3
|
1,378
|
|
№4
|
1,458
|
|
№5
|
0,941
|
|
№6
|
0,047
|
|
ИТОГО
|
5,785
|
С учетом коэффициента инфляции:
ИВЛ 10=5,785∙40=231,4 тыс. руб.
. Издержки на потери электроэнергии в
потребительских подстанциях ТП 10/0,4 кВ.
Расчет стоимости потерь электроэнергии для ТП
10/0,4 к В так же проведем для ВЛ №1. Для остальных ТП 10/0,4 кВ расчет
проводится аналогично.
Таблица №28. Расчет стоимости потерь
электроэнергии для ТП 10/0,4 кВ на ВЛ №1.
|
№
ТП
|
Sp, кВА
|
Sн, кВА
|
Тмах,
час
|
τ, час
|
Сх,
коп кВт∙ч
|
∆Рк.з,
кВт
|
∆Рх.х,
кВт
|
Ск,
коп кВт∙ч
|
Тх.х.,
час
|
Стоимость
потерь, тыс. руб.
|
|
1
|
120
|
100
|
2800
|
1430
|
3,67
|
2,27
|
0,365
|
1,5
|
8760
|
0,166036
|
|
2
|
130
|
160
|
2800
|
1430
|
3,67
|
2,27
|
0,365
|
1,5
|
8760
|
0,117345
|
|
3
|
140
|
160
|
2800
|
1430
|
3,67
|
2,27
|
0,365
|
1,5
|
8760
|
0,117345
|
|
4
|
130
|
160
|
2400
|
1160
|
4,13
|
2,27
|
0,365
|
1,5
|
8760
|
0,132053
|
|
5
|
80
|
100
|
2400
|
1160
|
4,13
|
1,47
|
0,27
|
1,5
|
8760
|
0,097683
|
|
6
|
60
|
63
|
2800
|
1430
|
3,67
|
2,27
|
0,365
|
1,5
|
8760
|
0,117345
|
|
7
|
150
|
160
|
2800
|
1430
|
3,67
|
2,27
|
0,365
|
1,5
|
8760
|
0,117345
|
|
8
|
95
|
100
|
2400
|
1160
|
4,13
|
2,27
|
0,365
|
1,5
|
8760
|
0,132053
|
|
9
|
150
|
160
|
2400
|
1160
|
4,13
|
2,27
|
0,365
|
1,5
|
8760
|
0,132053
|
|
10
|
140
|
160
|
2800
|
1430
|
3,67
|
2,27
|
0,365
|
1,5
|
8760
|
0,117345
|
|
11
|
130
|
160
|
2800
|
1430
|
3,67
|
2,27
|
0,365
|
1,5
|
8760
|
0,117345
|
|
ИТОГО
|
1,363944
|
Таблица №29. Расчет стоимости потерь
электроэнергии для ТП 10/0,4 кВ на ВЛ №1-8.
|
№
ВЛ 10 кВ
|
Стоимость
потерь, тыс. руб.
|
|
№1
|
1,364
|
|
№2
|
2,795
|
|
№3
|
1,483
|
|
№4
|
1,953
|
|
№5
|
1,992
|
|
№6
|
0,842
|
|
ИТОГО
|
10,43
|
С учетом коэффициента инфляции:
ИТП 10/0,4=10,43∙40=417,16 тыс. руб.
. Издержки на потери электроэнергии в РТП 110/10
кВ таблица №30.
|
Sp, кВА
|
Sн, кВА
|
Тмах,
час
|
τ,
час
|
Сх,
коп кВт∙ч
|
∆Рк.з,
кВт
|
∆Рх.х,
кВт
|
Ск,
коп кВт∙ч
|
Тх.х.,
час
|
Стоимость
потерь, тыс. руб.
|
|
РТП
|
6900
|
12600
|
4600
|
3100
|
1,3
|
50
|
10
|
2,02
|
8760
|
1,14
|
С учетом коэффициента инфляции:
ИРТП 110/10=1,14∙40=45,6 тыс. руб.
Определяем суммарные издержки на потерю
электроэнергии:
ИПЭ=ИВЛ 110+ИВЛ 10+ИРТП 110/10+ИТП
10/0,4=231,4+77,1+45,6+417,16=771,26тыс. руб.
Годовые эксплуатационные затраты составляют:
5.3 Технико-экономическая оценка
проектируемой электрической сети
Расчет основных экономических
показателей по проектируемой сети базируется на предыдущих расчетах
капиталовложений и годовых эксплуатационных издержек с привлечением нормативных
и справочных материалов. Объем строительно-монтажных работ определяется по
структуре капиталовложений в линии электропередачи и трансформаторные
подстанции. Общий объем строительно-монтажных работ по сооружению
запроектированной сети представим как сумму объемов работ по отдельным
элементам.
Таблица №31. Определение объемов
строительно-монтажных работ.
|
Элемент
электрической сети
|
Размер
капитальных вложений, тыс. руб.
|
Доля
СМР в объеме капитальных вложений*
|
Объем
СМР, тыс. руб.
|
|
ЛЭП
110 кВ
|
10200
|
0,59
|
6018
|
|
ЛЭП
10 кВ
|
17400
|
0,69
|
12006
|
|
РТП
110/10 кВ
|
5792
|
0,33
|
1911,36
|
|
ТП
10/0,4 кВ
|
4877
|
0,31
|
1511,87
|
|
ИТОГО
|
|
|
21447,23
|
* - данные взяты из таблицы 4.5 [16].
Капиталоемкость сооружения элементов
электрической сети определяется по формулам: ВЛ 110 кВ:
;
ВЛ 10 кВ:
;
РТП 110/10 кВ:
;
ТП 10/0,4 кВ:
;
где КВЛ и КПС - капиталовложения,
соответственно в ВЛ и ПС, руб;
LВЛ -
суммарная протяженность ВЛ, км;
РСП - суммарная мощность ПС, кВА;
Себестоимость передачи
электроэнергии по проектируемой электрической сети до шин 0,4 кВ ТП 10/0,4 кВ
определяется по формуле:
;
где WПО - объем
полезно отпущенной электроэнергии за год, кВт∙ч.
Полная себестоимость отпущенной
электроэнергии потребителям включает в себя себестоимость передачи
электроэнергии по проектируемой сети, себестоимость производства и
себестоимость передачи электроэнергии в энергосистеме (до шин 110 кВ): SП=SПЭ+SВ+SЭС=0,13+0,26+0,1=0,49
руб./кВт∙ч,
где SВ -
себестоимость производства электроэнергии на электростанциях, руб./кВт∙ч
(в среднем по России составляет SВ=0,26);
SЭС -
себестоимость передачи электроэнергии в энергосистемах до шин 110 кВ, руб./кВт∙ч
(в среднем по России составляет SЭС=0,1);
Стоимость электроэнергии определяем
по показателю приведенных затрат:
.
Калькуляция себестоимости передачи
электроэнергии
|
Статья
затрат и показатели
|
Единицы
измерения
|
Количество
|
|
Амортизационные
отчисления
|
тыс.
руб.
|
1623,14
|
|
Издержки
на обслуживание сети
|
тыс.
руб.
|
1117,47
|
|
Стоимость
потерь электроэнергии
|
тыс.
руб.
|
771,26
|
|
ИТОГО
|
тыс.
руб.
|
3511,87
|
тыс
кВт∙ч
|
26026,8
|
|
Себестоимость
передачи электроэнергии по проектируемой сети
|
руб./кВт∙ч
|
0,13
|
|
Себестоимость
производства электроэнергии
|
руб./кВт∙ч
|
0,26
|
|
Себестоимость
передачи электроэнергии в энергосистеме
|
руб./кВт∙ч
|
0,1
|
|
Полная
себестоимость полезно отпущенной электроэнергии
|
руб./кВт∙ч
|
0,64
|
Раздел 6. Охрана труда
6.1 Общие мероприятия по
электробезопасности
.1.1 Защита от прикосновения к
частям электроустановок, нормально находящихся под напряжением
Переменный ток частотой 50 Гц и
величиной 100 мА, протекая через тело человека более 3 с, может парализовать деятельность
сердца. Большие токи парализуют сердце за доли секунды. Дыхание может быть
парализовано уже при длительном токе 30-80 мА. Токи в 10-25 мА, протекающие
между руками или между рукой и ногами; вызывают судорогу мышц (неотпускающий
ток).
При расчетах
электробезопасности принимают допустимыми:
ток, мА…………..…………....250 65 6
продолжительность, с……..….0,2 1
30
Длительно допустимы токи менее
0,8-1 мА в зависимости от состояния кожи, пути тока и величины напряжения
сопротивление тела составляет от 100 кОм до 1000- 500 Ом [13].
Электроустановки по степени
опасности поражения током подразделяют на две группы: до и выше 1000 В.
Напряжения в 36, 24 и 12 В считают относительно безопасными.
Важнейшим средством защиты от
прикосновения к частям электроустановки, нормально находящимся под напряжением,
служит электрическая изоляция. Ее сопротивление измеряют мегомметром на 1000 В
не реже одного раза в 2 года у электропроводки в обычных помещениях и ежегодно
в помещениях с едкими парами, сырых, особо сырых, взрыво- и пожароопасных. Если
сопротивление между проводом одной из фаз и землей или между фазами на участке
между последовательно включенными плавкими предохранителями или за последним
предохранителем менее 0,5 МОм, то изоляцию надо испытать в течение 1 мин напряжением
1000 В переменного тока или мегомметром на напряжение 2500 В. Для
электродвигателей в холодном состоянии норма сопротивления изоляции 1 Мом [13].
Оголенные токоведущие части,
которые невозможно расположить на высоте, недоступной для прикосновения, защищают
кожухами, сплошными или сетчатыми ограждениями.
Под проводами воздушных
электрических линий работа экскаваторов, стреловых кранов и стогометателей
запрещена. Работу вблизи линий разрешают только при условии, что расстояние
между крайней точкой машины и ближайшим проводом составляет не менее 1,5 м при
напряжении линий до 1 кВ, 2 м - при напряжении 1-20 кВ и 4 м при 35 и 110 кВ.
При передвижении крупных машин под проводами высоковольтных линий расстояние по
вертикали между высшей точкой машины или груза и низшим проводом линии должно
быть не менее 1 м при напряжении до 1 кВ, 2 м при напряжении 1-20 кВ и 2,5 м
при 35-220 кВ.
Для защиты от прикосновения к
нормально находящимся под напряжением частям электроустановок используют
защитные изолирующие средства и инструменты, указатели напряжения,
предупредительные плакаты. Последние подразделяют на предостерегающие,
запрещающие, разрешающие, напоминающие [13].
.1.2 Индивидуальные средства
защиты
Изолирующие защитные средства
по степени надежности делятся на основные и дополнительные. К основным относят
те, изоляция которых выдерживает рабочее напряжение установки и допускает
непосредственное соприкосновение с находящимися под напряжением частями
электроустановки. Дополнительные изолирующие защитные средства служат только
дополнительной гарантией на случай повреждения основных средств или при
появлении напряжения на частях установки, нормально не находящихся под
напряжением, для уменьшения опасного действия напряжения прикосновения или
шагового напряжения. Штанги (типов ШО-10, ШЗП-1760) и клещи являются основными
защитными средствами, а боты, галоши и коврики - дополнительными.
Изолирующие защитные средства и указатели
напряжения при приемке в эксплуатацию независимо от заводских испытаний
испытывают повышенным напряжением и затем периодически в установленные сроки.
Изолирующие защитные средства осматривают по прошествии половины срока годности
до новых испытаний, а резиновые перчатки, инструмент с изолирующими рукоятками
и некоторые другие - перед каждым употреблением. Все изолирующие защитные
средства, кроме инструмента с изолирующими рукоятками, должны иметь штамп с
указанием срока следующих испытаний и наибольшего номинального напряжения
установки, для которой годно это защитное средство. Штамп должен быть выбит,
нанесен несмываемой краской или наклеен. На негодных защитных средствах штамп
перечеркивают крест-накрест красной краской [13].
.1.3 Требования к персоналу электроустановок
Все лица, занятые на обслуживании действующих
электроустановок сильного тока, должны быть психически здоровыми и не иметь
увечий или болезней, препятствующих физическому труду, или повышающих
вероятность несчастного случая и тяжелого его исхода (болезни зрения, сердца,
почек, кожи, заикание и др.). Эти лица должны проходить медицинский осмотр при
поступлении на работу, и затем раз в 2 года.
По квалификации в вопросах
техники безопасности все лица, обслуживающие действующие электроустановки,
делятся на 5 квалификационных групп. Возраст их должен быть не менее 18 лет
(для некоторых групп 20-21 год), за исключением лиц I
и II групп, где
допускается 17 лет для практикантов. Лиц, не достигших 18 лет, нельзя
использовать на работах, к которым не допускают подростков: на монтаже
кабельных муфт, на верховых работах на воздушных линиях (при высоте более 3 м
от земли до ног), на работах без снятия высокого напряжения, на ремонте и
обслуживании электрооборудования в котельных, в теплосиловом отделении
электростанций и на электрофильтрах, а также при электроизоляционных работах с
применением эпоксиднофенольных смол и лаков [13].
Знания правил технической эксплуатации
электроустановок и техники безопасности при их обслуживании проверяют ежегодно
у персонала, обслуживающего действующие электроустановки или выполняющего в них
наладочные, электромонтажные и ремонтные работы или испытания, а также у лиц,
организующих эти работы или оформляющих наряды на них. Инженерно-технические
работники, не относящиеся к перечисленному персоналу, проходят проверку знаний
раз в 3 года. Результаты успешной проверки отмечают в удостоверении, где
указывают присвоенную владельцу группу и дату проверки [17].
.1.4 Заземление и зануление
Заземлением называют соединение частей
электроустановки с заземляющим устройством (совокупность заземления и
заземляющих проводников). Заземлитель - проводник или группа электрически
соединенных проводников, находящихся в непосредственном соприкосновении с
землей. Заземляющие проводники - металлические проводники, соединяющие
заземляемые части электроустановки с заземлителем.
Защитное заземление применяют
во всех электроустановках напряжением выше 1000 В, а также в установках до 1000
В с незаземленной нейтралью.
В сельских сетях напряжением
380 В с наглухо заземленной нейтралью применяют зануление. Под занулением
понимают соединение корпусов электроприемников, каркасов распределительных
щитов и шкафов, стальных труб электропроводки, металлических оболочек кабелей и
проводов, станины станков с заземленной нейтральной точкой (нулевой точкой)
генератора или вторичной обмотки трансформатора, питающего сеть.
В качестве зануляющих обычно
используют, рабочие нулевые провода. К однофазным электроприемникам (например,
светильникам и электроинструменту) прокладывают отдельный (третий) зануляющий
проводник. При замыкании фазы на зануленный корпус электроприемника или другие
детали установки происходит однофазное короткое замыкание (к. з.), которое
должно вызывать достаточно быстрое (несколько секунд или доли секунды)
отключение поврежденного участка электроустановки или электроприемника.
Применение в электроустановках напряжением до
1000 В с глухозаземленной нейтралью защитного заземления без связи с нулевой
точкой источника запрещено. На случай обрыва нулевого провода на воздушных
линиях и для снижения напряжения на зануленном оборудовании при повреждении изоляции
в нем (в том числе при целом нулевом проводе) по концам линий или ответвлений
длиной более 200 м, а также в промежуточных точках не реже чем через 250 м
делают повторные заземления нулевого провода. В помещениях без повышенной
опасности поражения электрическим током при напряжении 380/220 В, а также во
всех помещениях (кроме взрывоопасных) при напряжении 36 В и ниже переменного
тока или 110 В и ниже постоянного тока зануление и защитное заземление не
применяют.
Сопротивление заземлений
повторных заземлителей нулевого провода не должно превышать 10 Ом. Если сеть
питается от подстанции или электростанции с суммарной мощностью агрегатов до
100 кВА, то сопротивление каждого повторного заземлителя при их количестве не
менее трех на линию может достигать 30 Ом.
В качестве зануляющих
проводников в дополнение к ним, а когда достаточно по проводимости, то и вместо
них следует применять так называемые естественные зануляющие проводники:
металлические трубопроводы (кроме газопроводов и труб, содержащих горючие жидкости
и газы), а также стальные конструкции зданий, подкрановые пути, металлические
оболочки кабелей (но не проводов). Исключением являются взрывоопасные помещения
класса В-1. где в электропроводках во всех случаях должен быть отдельный
зануляющий проводник или специальная кабельная жила [13].
Подробный расчет заземляющего
устройства подстанции приведен в 3 разделе.
.2 Блокировки, обеспечивающие
безопасность в электроустановках
Устройства, не допускающие
опасных ошибок в работе, называют блокировками безопасности. Например, дверь в
ячейку РУ напряжением выше 1000 В может быть снабжена электромагнитным замком,
позволяющим открыть дверь, когда отключены выключатели и разъединители, через
которые внутрь ячейки подается напряжение.
В электроустановках напряжением
свыше 1000 В ток нагрузки более 15 А можно выключить только выключателем, в
конструкции которого предусмотрены элементы для гашения электрической дуги,
например бак с трансформаторным маслом. Внутри бака размыкаются контакты
выключателя. Последовательно с выключателем включен разъединитель,
предназначенный для создания видимого разрыва цепи ради большей безопасности
работ при соприкосновении с токоведущими частями. Одна из конструкций
разъединителя напоминает большой трехполосный рубильник. Он не может разрывать
ток нагрузки более 15 А, а только ток холостого хода трансформаторов и зарядный
(емкостный) ток ЛЭП без нагрузки.
Существуют блокировки,
предотвращающие операции разъединителями при включенном выключателе, что может
сопровождаться аварией и несчастным случаем [17].
На двухтрансформаторных
подстанциях применяют электромагнитную блокировку при помощи одинаковых блок -
замков типа ЗБ-1 и одного общего электромагнитного ключа типа КЭЗ-1
(представлен на графическом листе №7). Электромагнитный замок одновременно
служит розеткой, а ключ - вилкой. Чтобы ключ открыл замок, его вставляют в
розетку данного замка, а напряжение в розетку подается автоматически с помощью
сигнальных контактов, замыкающихся в зависимости от положения привода
выключателя или разъединителя. Напряжение в розетки блок - замков
разъединителей данного присоединения попадает при отключенном выключателе, а в
розетку двери в сетчатом ограждении - при отключенных разъединителях. При
обтекании током катушки 7 электромагнитного ключа внутрь ее втягивается
сердечник 5, который сжимает пружину 6 и притягивает к себе запорный стержень 1
замка. На противоположном конце сердечника 5 ключа находится кольцо. Потянув за
него, перемещают запорный стержень 1 и отпирают замок.
.3 Пожарная безопасность
Проектируемая подстанция по
степени пожарной опасности относится к пожарной категории производства
"В" - установки, где в процессе производства обращаются горючие и
трудногорючие жидкости. С точки зрения требований к электрооборудованию
подстанция имеет пожарные зоны класса П - III,
к которым относятся наружные установки с горючими материалами.
На подстанции предусмотрены следующие
противопожарные инструменты и инвентарь: - лопата - 5 шт;
лом - 2 шт;
- ящик с песком - 2 шт;
ведра - 2 шт;
- топоры - 2 шт;
шкаф для противопожарного оборудования;
багор - 2 шт;
огнетушители типа: ОХП-10 - 3 шт, ОУБ-7 - 3 шт.
Для обеспечения пожарной
безопасности в ОРУ под трансформаторами с содержанием масла более 1000 кг
устраивают маслоприемник, заглубленный ниже уровня земли, и закрывают его
сверху металлической решеткой с насыпанным поверх нее крупным и чистым гравием
или непористым щебнем. Слой гравия делают толщиной не менее 25 см. Такой же
слой насыпают на дно маслоприемника.
Маслоприемник выступает за
габарит трансформатора во все четыре стороны не менее чем на 1,5 метра, когда
масса масла более 10 тонн. Фундамент под маслоприемником выполнен из
несгораемых материалов, возвышающихся над слоем гравия не менее чем на 10 см.
Кабельные каналы закрыты несгораемыми плитами.
Расчет размеров маслоприемника.
На подстанции установлены 2
трансформатора ТМН-6300/110.
. Размеры трансформатора:
длина 1=6,09 м
ширина b=4,2
м.
. Масса масла М= 14,5т.
Вычислим объем масла по
формуле:
,
где ρ - плотность масла,
т/ мi: ρ= 0,87 т/ мi.
Тогда
.
Размеры маслоприемника:
длина lм=6,09+2∙1,5=9,09
м,
ширина bм=4,2+2∙1,5=7,2
м.
Следовательно, глубина маслоприемника:
6.4 Для обеспечения охраны труда
и техники безопасности проектом предусмотрено
Форма обслуживания подстанции 110/10 кВ -
дежурство на дому. Поэтому здесь должны быть следующие защитные средства:
комплект монтерского инструмента с изолирующими
ручками;
- изолирующие штанги ШИО - 110
и ШО -10 У1 - 2 шт. на каждое напряжение;
указатели напряжения - УВНБ -
6-35, УВН - 90,УНН-1;
изолирующие клещи - 1 шт. на
напряжение 10 кВ (для снятия предохранителей):
диэлектрические перчатки - не
менее 2-х пар;
диэлектрические боты - 2 пары;
временные ограждения (щиты) -
не менее 2-х штук;
переносные заземления со
штангами типа ШЗЛ -110 - не менее 2-х;
переносные плакаты безопасности
- не менее 4-х комплектов;
защитные очки ЗНР 1-Т - 2 пары;
каски пластмассовые - 4 шт.;
противогазы ПШ 1-2 шт.
Раздел 7. Вопросы экологии
.1 Природоохранные мероприятия и экологическая
безопасность при электроснабжении с/х района
.1.1 Введение
В данном разделе дипломного проекта рассмотрено
влияние электрических сетей на окружающую среду определяется воздействием
электрического поля, использованием земельных ресурсов, нарушением природных
ландшафтов.
Электрическое поле ВЛ - это вредный,
биологически активный фактор, воздействующий на человека и окружающую природную
среду.
Это влияние в основном ощущается на ВЛ
напряжением 750 и 1150 кВ переменного и 1500 кВ постоянного тока. В связи я
этим напряжённость электрического поля под проводами ВЛ сверхвысокого
напряжения (СВН) нормируется и контролируется в пределах охранной зоны у
поверхности земли, обычно 1-15 кВ/м на высоте 1,8 м от земли.
.2 Общие сведения
Учитывая, что с удалением от линии
электропередачи напряженность поля снижается до безопасных значение, по
рекомендациям Минздрава СССР вдоль этих линий установлена санитарно-защитная
зона с граничной напряжённостью электрического поля 1 кВ/м. Для ВЛ напряжением
750 и 1150 кВ ширина санитарно-защитной зоны, в пределах которой может иметь
место угнетающее действие поля, составляет 120 и 160 м соответственно.
Основное влияние электросетевых объектов ВЛ и ПС
на окружающую вреду связано с изъятием участков земли под опоры ВЛ и площадки
подстанций (ПС). Полоса земли под ВЛ в пределах установленной охранной зоны не
изымается у землепользователей и может быть использована для
сельскохозяйственных и других нужд в соответствии с «Правилами охраны
электрических сетей напряжением свыше 1000 вольт».
В ряде случаев строительство ВЛ связано с
вырубкой леса вдоль трасс, что приводит не только к потере леса, но и к другим
нежелательным явлениям.
Существующая в настоящее время система компенсации
государству за порубки леса не учитывает экологического ущерба от миграции
промысловых животных, гибели ценных растений и животных, потери так называемых
«бесплатных даров природы».
Экономическим подсчётам не поддаётся ценность
участков трассы, проходящих гнездовьям птиц и зверей, занесённых в Красную
книгу, по зарослям дикорастущего женьшеня, заповедным и реликтовым рощам
кедровой сосны и др.
В целях экологической оптимизации трасс линий
электропередачи целесообразно в качестве природоохранной меры производить
соответствующие биологические изыскания, картографические местности по
биологическим признакам; дифференцировать тарифы на порубку лесов в размерах,
стимулирующих корректировку трассы, запрещать использование гусеничной тяги с
большим давлением на грунт и т.п.
Имеют место случаи, когда ВЛ становятся
привлекательными объектами для крупных птиц и причиной массовой гибели в
результате замыкания проводов широко распахнутыми крыльями. Наиболее опасны
опоры ВЛ с штыревыми изоляторами для степного орла, занесённого в Красную
книгу, орла канюка-курганника и др. Для устранения этой опасности должны
разрабатываться соответствующие конструкции опор.
Для ПС, находящихся вблизи населённых пунктов,
нормируется шумовое воздействие на человека. Особенно неблагоприятны
низкочастотные составляющие (около 50-150 Гц) шумовых характеристик
трансформаторного оборудования. Превышение нормируемого значения уровня шумов
(30дБ на уровне открытой форточки в жилой застройке) устраняется мероприятиями
по снижению уровня шумов (удаление ПС от селитебных территорий, шумопоглощающие
устройства, размещение трансформаторов в закрытых камерах и т.п.).
Воздействие напряжённости электрического поля на
окружающую среду вне территории ПС невелико.
Для персонала ПС внутри её территории напряжённость
электрического поля по нормам должна быть не более 15кВ/м на маршрутах обхода
для осмотра оборудования не более 5кВ/м на рабочих местах у оборудования, где
возможно длительное присутствие персонала для профилактических и ремонтных
работ. В зонах, где эти значения превышены, производится экранирование площадок
у рабочих мест и трасс на маршрутах обхода.
Для исключения влияния на окружающую среду
возможных сбросов трансформаторного масла при авариях с маслонаполненным
оборудованием (трансформаторы, реакторы и пр.) на ПС предусматриваются
маслоприёмники, аварийные маслостоки и закрытые маслосборники, в которые также
могут поступать ливневые воды из маслоприёмников, содержащие следы масла.
Вместе с тем необходимо отметить, что по своему устройству и режимам работы ВЛ
и ПС напряжением 500кВ и выше не могут привести к катастрофическим авариям,
связанным с массовым поражением населения или обслуживающего персонала.
Многолетний опыт эксплуатации электрических сетей в России и за рубежом показал
, что при авариях на ВЛ даже с падением (разрушением) опор, проводов и гирлянд
изоляторов случаи поражения отдельных людей, случайно оказавщихся в месте
аварии на ВЛ, чрезвычайно редки.
Повреждения и аварии на ПС напряжением 500кВ и
выше, как правило, также не распространяются за пределы их внешней ограды.
Некоторую опасность могут представлять только пожары на ПС, связанные с
авариями трансформаторов большой мощности. Однако такие пожары в подавляющем
числе случаев ликвидируются автоматическими средствами пожаротушения на ПС и не
распространяются0 на расположенные вблизи жилые здания или промышленные
сооружения.
.3 Влияние электрических сетей и подстанций на
земельные ресурсы
Высокие темпы электрификации страны приводят к
быстрому росту протяжённости ВЛ и повышению их номинальных напряжений.
К 1990г. в нашей стране под электросетевые
объекты отведено около 90 тыс. га земель, в том числе под ВЛ напряжением
35-750кВ - около 20 тыс., под распределительные сети напряжением 0,4-10кВ - до
50 тыс. га. Площадь, занимаемая подстанциями напряжением 35-750кВ, достигла 20
тыс. га.
Площади земли, отводимые в постоянно
пользование, определяются в соответствии с нормами отвода земель СЕ 465-74. В
постоянное пользование передаются только площади, занимаемые опорами с учётом
полосы земли вокруг каждой опоры шириной 2м, и территории подстанции.
Электрифицируются в основном зоны с
благоприятными климатическими условиями, где сосредоточена основная масса
населения страны. В этих зонах сосредоточена также и большая часть
обрабатываемых земель и лесных массивов. Сооружение ВЛ неизбежно приводит к
выводу из хозяйственного применения пахотных земель и лугов, используемых для
установки опор, а для опор на оттяжках эти отчуждаемые земли достаточно велики
(табл.5.1.).
Таблица 5.1.
|
Номинальное
напряжение кВ2203305007501150
|
|
|
|
|
|
|
Площадь
отчуждаемой земли под промежуточную опору, 2402603208301280
|
|
|
|
|
|
|
Площадь
отчуждаемой земли под опоры на 1 км линии, 60065080021003200
|
|
|
|
|
|
Поэтому линии электропередачи оттесняются на
неудобные для пахоты земли, в том числе в лесные массивы. Проблема
сосуществования лесных массивов и линий электропередачи достаточно сложна. При
наличии широкой просеки вдоль трассы линий деревья теряют устойчивость,
характерную для сплошных лесных массивов. В связи с этим велика опасность
падения деревьев на линию.
Для ВЛ, проходящих через лесные массивы,
прорубают просеки. Для ВЛ напряжением 220кВ и ниже, проходящих по ценным лесным
массивам, ширина просеки предусматривается такой, чтобы расстояние по
горизонтали от проводов (при их наибольшем отклонении) до кроны деревьев
составляло 3-5 м, для ВЛ 330-750 кВ - 6м. Во всех остальных случаях для этих ВЛ
ширина просеки принимается равной сумме расстояния между крайними проводами
линии и удвоенного расстояния от крайних проводов до лесного массива (последнее
обычно принимается равным высоте деревьев основного лесного массива).
Наносимый природе и лесному хозяйству ущерб и
трудозатраты на расчистку просек можно значительно сократить, отказавшись от
традиционного способа проектирования и строительства ВЛ. Расстояние между
проводами соседних фаз должны быть сокращены до минимально необходимых для
обеспечения надёжной работы линии при перенапряжениях.
Сплошная вырубка растительности
на трассах линий наносит ущерб не только сельскому хозяйству и животному миру
но и осложняет экологическую обстановку по линиям, вызывая необходимость
принятия специальных дорогостоящих мероприятий. Вопреки существующей практике
сооружения линий, нужно сохранять на трассах растительность высотой 4-5 м,
производя выборочную вырубку лишь высокорастущих деревьев.
Для предотвращения уменьшения
изоляционных расстояний при боковом ветре в пролётах должны быть установлены
междуфазовые изоляционные распорки. Для того чтобы не устанавливать большое
число распорок, а ограничиться двумя-тремя распорками на пролет длиной 350-600м
(120-150между распорками), необходимо увеличить габаритное междуфазовое
расстояние примерно на 0,5м.
При оценке расстояния между
крайними проводами учтены размеры фаз. В результате ширина трассы линии
получается на 10-20 м меньше, чем при традиционной конструкции линий, а
уменьшение площади трасс в лесных угодьях при той же протяжённости линии СВН
составляет около 100 тыс. га. Такой эффект вполне оправдывает меры сокращения
междуфазовых расстояний на линиях.
Для линий электропередачи,
проходящих вне населённых пунктов, Правилами охраны электрических сетей
установлено понятие «охранная зона». Земельные участки, входящие в охранную
зону, не изымаются у землепользователей. В пределах этой зоны запрещается
производство каких либо работ, за исключением сельскохозяйственных, без
согласования с организацией, эксплуатирующей линии.
Ширина охранной зоны зависит от
напряжения ВЛ. Охранная зона вдоль ВЛ устанавливается в виде воздушного
пространства над землёй, ограниченного параллельными вертикальными плоскостями,
отстоящими по обе стороны линии на расстоянии от крайних проводов по горизонтали,
указанном ниже (ГОСТ 12.1.051-90):
|
Напряжение
ВЛ, кВ
|
Расстояние,
м
|
|
До
20
|
10
|
|
Свыше
20 до 35
|
15
|
|
35-110
|
20
|
|
110-220
|
25
|
|
220-500
|
30
|
|
500-750
|
40
|
|
750-1150
|
55
|
В настоящее время общая площадь
охранных зон ВЛ составляет более 12 млн. га, 1/3 этой площади приходятся на ВЛ
35 кВ и выше. Входящие охранные зоны земельные участки используются для
сельскохозяйственных нужд при условии строгого соблюдения Правил охраны. При
с/х работах, соблюдение этих правил вызывает трудности, связанные с
ограничением применения механизмов при обработке земли, невозможностью полива
с/х культур и др.
В целях защиты населения от
вредного воздействия электрического поля ВЛ сверхвысокого напряжения (СВН)
вдоль них устанавливаются санитарно-защитные зоны, ширина которых практически
совпадает с шириной охранной зон (исключения составляют ВЛ 300кВ,
санитарно-защитная зона которых меньше охранной). В санитарно-защитных зонах ВЛ
СВН рекомендуется выращивать с/х культуры не требующие ручной обработки.
Подстанции, как правило, должны
располагаться на непригодных для с/х использования землях, на незаселённой
территории или на территории, занятой кустарниками и малоценными насаждениями,
вне площадей залегания полезных ископаемых.
Подстанции должны размещаться с
учётом наиболее рационального использования земель и перспективы последующего
расширения.
Следует отметить, что в случае
широкого внедрения элегазовых распределительных устройств на ПС 500, 700 и 1150
кВ площади, занимаемые под эти подстанции, могут уменьшится на 30-40%.
7.4 Влияние воздушных линий
электропередачи на окружающую среду
ВЛ оказывают многостороннее
комплексное экологическое воздействие. В связи с этим задачей специалистов
является разработка мероприятий, обеспечивающих оптимальное сосуществование
сети ВЛ, природы и человека.
При длительном пребывании человека в
полях более высокой напряженности (E
10-15 кВ/м)
могут возникнуть неблагоприятные физиологические изменения, связанные с
воздействием на нервную систему и сердечнососудистые системы, мышечную ткань и
органы. При этом возможно изменение кровяного давления и пульса, аритмия,
повышенная нервная возбудимостью Эти явления носят временный характер и
исчезают через некоторое время после прекращения воздействия поля.
На основе изложенных факторов
разработаны нормы, ограничивающие напряжённость поля под линиями и длительность
пребывания обслуживающего персонала в полях различной напряжённости. Под
линиями в труднодоступной местности (болота, горные склоны) допускается
напряжённость электрического поля 20 кВ/м; для ненаселённой местности - 15
кВ/м, в местах пересечения с дорогами - 10 кВ/м и для населённой местности, где
под линиями могут находиться люди - 5 кВ/м. Кроме того нормируется допустимая
напряжённость на границах жилых застроек -1,5 кВ/м, при этом допускается
пребывание человека в течение всей жизни.
Наиболее простым конструктивным
способом ограничения напряжённости поля под линиями является установка
заземлённых тросов под проводами линий. Как указывалось выше, габарит до земли
нормируется с учётом необходимости обеспечения безопасности перемещения под
линиями различных механизмов высотой до 4-4,5 м. Поэтому, если высота троса в
месте его максимального провеса не будет превышать 4-4,5 м, высота подвески
проводов над землёй не изменится. Наведённые на заземлённых тросах заряды
частично компенсируют поле проводов линии и ограничивают напряжённость поля.
Более эффективна подвеска под каждым проводом линии двух тросов, разнесённых в
горизонтальной плоскости.
На заземлённых тросах наводятся
заряды, знак которых противоположен знаку заряда соответствующего провода,
поэтому Е поля под линией уменьшается.
Следует заметить, однако, что
подвеска дополнительных тросов приводит к заметному удорожанию линии. Расчёты
показывают, что экономически более целесообразно увеличивать высоту подвески
провода. Поэтому тросовые экраны применяются только при пересечениях линией
дорог. При этом они натягиваются между дополнительными железобетонными
стойками.
Габарит от провода до земли
устанавливается ПУЭ с учётом возможности проезда с/х машин и механизмов
(например, комбайнов и автокранов). Поэтому ПУЭ допускается сохранять под
линиями электропередачи сады с высотой крон деревьев не более 4 м. При этом не
возникает опасности разрядов проводов на деревья.
Ограничение напряжённости поля под
линиями электропередачи может быть достигнуто без изменения конструкции линии
при использовании растительного массива под линиями. Дело в том, что стволы и
ветки деревьев, кустарников имеют довольно высокую проводимость в течении всего
года, но особенно в летнее время: погонное сопротивление составляет 1-3,5 МОм/м
при положительных температурах и 100-500 МОм/м при отрицательных температурах.
Сопротивление корневой системы деревьев и кустарников (30-40 кОм) мало по
сравнению с сопротивлением веток.
В связи с этим при высоте
древесно-кустарниковой растительности под проводами линии 4 м падение
напряжения не превышает десятков вольт в летнее время и единиц киловольт (до
3-4 кВ) в зимнее время. Таким образом, средняя напряженность поля в массиве
древесно-кустарниковой растительности по ВЛ не превышает 1 кВ/м при
отрицательных температурах и 0,01 кВ/м при положительных температурах. Это
обеспечивает полную экологическую безопасность людей и животных под линиями.
Длительными (многолетними)
наблюдениями установлено почти полное отсутствие влияние электрических полей с
напряжённостью до 50 кВ/м на физиологические процессы в клетках растений и на
состояние и рост растений в целом. Не обнаружено влияние электрического поля и
на цветение и плодоношение плодовых деревьев: яблони, груши, вишни.
Наличие низкорослой
древесно-кустарниковой растительности на трассах линий затрудняет произрастание
высокорастущих пород деревьев, что приведёт к значительному сокращению работ по
расчистке трасс линий, а также имеет другое важнейшее значение. Электрическое
поле, создаваемое линиями СВН, оказывает неблагоприятное влияние на живые
организмы. Наиболее чувствительны к электрическим полям копытные животные и
человек в обуви, изолирующей его от земли. Копыто животных также является
хорошим изолятором. В этом случае на изолированном от земли проводящем объёмном
теле наводится потенциал, зависящий от соотношения ёмкости тела на землю и на
провода ВЛ. Чем меньше ёмкость на землю (чем толще, например, подошва обуви),
тем больше наведённый потенциал, который может составлять несколько киловольт и
даже достигать 10кВ.
В зонах интенсивного земледелия
целесообразно использовать трассы линий для разведения плодово-ягодных садов,
тутовника и других полезных в хозяйственном отношении культур.
Таким образом, при наличии
растительных массивов пол линиями высотой 4-5 м культурных пород и дикорастущих
местных видов проблема безопасности экологических видов полностью решается и
габарит между проводом и землёй может выбираться только из условия надёжной
работы линий при воздействии напряжений с учётом выноса потенциала земли на
уровень высоты растительного массива.
Выводы
1. Применение традиционных
конструкций ВЛ приводит к уничтожению сотен тысяч гектаров лесов, к исключению
возможности хозяйственного использования этих площадей, к значительным
нарушениям условий произрастания леса на примыкающих к трассам линий
территорий.
. Ущерб от сооружения ВЛ
в лесных массивах может быть значительно сокращён при использовании компактных
конструкций линий и дендромелиорации трасс.
. В данном проекте
учтены вопросы дендромелиорации трасс ВЛ обеспечивающих полную их экологическую
безопасность.
. Установка заземлённых
тросов под проводами линий является простным конструктивным способом ограничения
Е поля под линиями.
. Внедрение элегазовых
распределительных устройств значительно сокращает занимаемый площади под ПС.
Список литературы
1.
РУМ, ноябрь 1981 г., М.: Сельэнергопроект.
.
Будзко И. А., Левин М. С.: Электроснабжение сельскохозяйственных предприятий и
населенных пунктов. - М.: Агропромиздат, 1985 г.
.
Солдаткина Л. А. Электрические сети и системы. - М.: Энергия, 1978 г.
.
Каганов И. Л. Курсовое и дипломное проектирование. - М.: Агропромиздат, 1990 г.
.
Будзко И. А., Лещинская Т. Б., Сукманов В. И. Электроснабжение сельского
хозяйства. - М.: Колос, 2000 г.
.
Неклепаев Б. Н., Крючков И. П. Электрическая часть электростанций и подстанций:
справочные материалы для курсового и дипломного проектирования. - М.:
Энергоатомиздат, 1989 г.
.
Левин М. С., Лещинская Т. Б., Белов С. И. Электроснабжение населенного пункта.
Методические рекомендации по курсовому и дипломному проектированию. - М.: МГАУ
им. В. П. Горячкина, 1999 г.
.
Сукманов В. И., Лещинская Т. Б. Дипломное проектирование. Методические рекомендации
по электроснабжению сельского хозяйства. - М.: МГАУ им. В. П. Горячкина, 1998
г.
.
Катков П. А., Франгулян В. И. Справочник по проектированию электросетей в
сельской местности. - М.: Энергия, 1980 г.
.
РУМ, сентябрь 1986 г., М.: Сельэнергопроект.
.
Ульянов С. А. Электромагнитные переходные процессы в электрических системах.
М.: Энергия, 1970 г.
.
РУМ, ноябрь1976 г., М.: Сельэнергопроект.
.
Ганелин А. М. Применение электрической энергии в сельскохозяйственном
производстве. Справочник. - М.: Колос, 1974г.
.
Водяников В. Т. Экономическая оценка энергетики АПК. - М.: ИКФ «ЭКМОС», 2002 г.
.
Прусс В.Л., Тисленко В.В. Повышение надежности сельских электрических сетей. -
Л.: Энергоатомиздат, 1989 г.
.
Лещинская Т. Б. Методические указания по выполнению курсовой работы по курсу
«Электрические сети». - М.: МГАУ им. В. П. Горячкина, 1991 г.
.
Шкрабак В. С., Луковников А. В., Тургиев А. К. Безопасность жизнедеятельности в
сельскохозяйственном производстве. - М.: КолосС, 2002 г.