Чингирлауская подстанция 110/35/10кВ
Введение
Современные промышленные предприятия характеризуются непрерывным ростом
электропотребления, увеличением удельных расходов электроэнергии и удельных
плотностей нагрузок за счет резкого повышения производственных мощностей и
расширения области применения электроэнергии в технологических процессах.
При построении системы электроснабжения необходимо учитывать
многочисленные факторы, к числу которых относятся потребляемая мощность и
категории надежности питания отдельных элементов; графики нагрузок потребителей;
число и мощность подстанций и других пунктов потребления электроэнергии;
напряжение потребителей; число, расположение, мощность, напряжение и другие
параметры располагаемых источников питания; требования энергетической системы;
учет совместного питания с другими потребителями; требования аварийного и
послеаварийного режимов; степень загрязненности окружающей среды и др.
Электрификацию обеспечивает система электроснабжения. Для передачи
электроэнергии на значительные расстояния - порядка сотен километров - нужны
высокие напряжения - несколько сотен тысяч вольт. При данной мощности, чем выше
напряжение линии электропередачи, тем меньше должна быть сила тока, а вместе с
ней уменьшается падение напряжения в линии и потери энергии на нагревание проводов,
если считать постоянной величиной сопротивление линии. Таким образом, повышение
напряжения линии передачи дает возможность при тех же относительных потерях
передавать энергию на более дальние расстояния. По этой причине стремятся
применять для линий передач все более высокие напряжения до 1,5 млн. В.
Следует отметить, что с повышением напряжения непропорционально быстро
возрастают затраты на изолирующие устройства, в частности, на тяжелые гирлянды
изоляторов, нести которые должны высокие опоры, увеличиваются размеры и
стоимость трансформаторных подстанций, наконец, значительно возрастают
ежегодные расходы на обслуживание и поддержание установок более высокого
напряжения. Если увеличение напряжения экономически необоснованно, то вызванные
этим повышением затраты могут оказаться существенно больше экономики, которую
создает уменьшение потерь энергии на нагревание проводов.
Чтобы в современных условиях обеспечить высокую экономическую
эффективность производства и конкурентоспособность выпускаемой продукции необходимо
применять высокотехнологические производственные процессы.
При реконструкции и модернизации необходимо максимально унифицировать
оборудование подстанций, использовать типовые конструкции и новые материалы.
Для решения задач в соответствии с проектным заданием необходимо провести
перерасчет основных параметров подстанций. Расчет основных параметров
подстанций должен включать в себя последовательно: расчет ожидаемых
электрических нагрузок (с учетом увеличения нагрузок потребителей в будущем).
По расчетам должен быть проведен выбор наиболее целесообразного и для него
проведен полный технический расчет и расчет токов короткого замыкания.
Подстанция является сложным объектом, все единицы которой участвуют в
едином процессе, основными специфическими особенностями которого является
неизбежность повреждений аварийного характера. Поэтому надежное и экономичное
функционирование системы возможно только при автоматическом управлении. Для
этой цели используется комплекс автоматических устройств, среди которых первостепенное
значение имеют устройства релейной защиты и автоматики.
Рост потребления электроэнергии и усложнение СЭС требуют постоянного
усовершенствования этих устройств. Наблюдается тенденция создания
автоматизированных систем управления на основе использования цифровых систем,
также замена морально устаревшего оборудования на более современные, например,
ограничители перенапряжения вместо разрядников, применение элегазовых
выключателей. Вместе с тем широко применяются и простейшие средства защиты и
автоматики: плавкие предохранители, автоматические выключатели, магнитные
пускатели и др.
Для автоматического управления СЭС в целом и обеспечения экономичности
нормальных режимов ее работы в настоящее время применяются автоматизированная
система управления (АСУ), построенная на основе ЭВМ.
В материалах дипломной пояснительной записки должны найти отражение
организационно-экономические вопросы и вопросы обеспечения безопасности
жизнедеятельности персонала.
При модернизации подстанции 110/35/10кВ Чингирлау Чингирлауского района
должны быть соблюдены требования нормативно-технических документов: ПУЭ, СНиП,
ПТБ, ПЭЭ и др.
1. Характеристика месторасположения подстанции
110/35/10кВ Чингирлау
Подстанция напряжением 110/35/10 кВ Чингирлау предназначается для
электроснабжения сельскохозяйственных коммунально-бытовых и промышленных
нагрузок, находящихся в районе действия ВЛ 110,35 и 10 кВ от данной подстанции.
В нормальном режиме подстанция 110/35/10 кВ Чингирлау питается от
районной подстанции напряжением 110/35/10 кВ Соль Илецк Оренбургской области по
ВЛ 110 кВ Соль Илецк - Чингирлау.
На подстанции установлены два трехфазных трансформатора 110/35/10 кВ
мощностью по 10000 кВА типа ТДТН-10000/110. На напряжение 110 кВ приняты две
системы сборных шин с обходной. На напряжение 35 кВ и 10 кВ принята схема с
одной системой шин, состоящей из двух секций, соединенных выключателем.
На подстанции предусмотрена установка двух заземляющих катушек 35 кВ.
Обслуживание подстанции предусматривается с дежурством на дому со штатом
два человека. Производство ремонтных работ - выездными бригадами
централизованных служб района.
Распределительные устройства 110 кВ и 35 кВ приняты открытого типа с
применением унифицированных железобетонных конструкций. Распределительное
устройство 10 кВ комплектуется из шкафов заводского изготовления Куйбышевского
завода. Здание ОПУ принято типовое, совмещенное со вспомогательными помещениями
подстанции.
Подстанция является узловым пунктом сети 110 кВ и сооружение ее в районе
железнодорожной станции Чингирлау предусматривалось в схеме развития
электрических сетей 110-10 кВ в сельской местности Уральской области Республики
Казахстан на период 1970-1975 гг.
Для строительства подстанции была выбрана площадка в юго-восточной части
железнодорожной станции Чингирлау в 800 м. от существующей разгрузочной
площадки.
Присоединение подстанции к системе и электрическим нагрузкам
Электрические нагрузки потребителей, тяготеющих к подстанции 110/35/10кВ
Чингирлау, на уровне 1975 года составляли:
на напряжение 35 кВ - 7350 кВА;
на напряжение 10 кВ - 2200 кВА.
Для покрытия вышеуказанных нагрузок на напряжение 35 кВ предусматриваются
следующие линии электропередачи:
. ВЛ 35/10 кВ Мырза-гора
. ВЛ 35/10 кВ Линевка
. ВЛ 35/10 кВ Полтавка
Число отходящих линий на 10 кВ:
. ВЛ 35/10 кВ Шоктыбай
. ВЛ 35/10 кВ Жанакуш
. ВЛ 35/10 кВ РСС
. ВЛ 35/10 кВ Чилик
. ВЛ 35/10 кВ Станция
. ВЛ 35/10 кВ КСХТ
. ВЛ 35/10 кВ Тираж
На напряжение 35 кВ предусматривается четыре ячейки отходящих линий, из
них одна - резерв по месту.
Для питания потребителей райцентра Чилик, железнодорожной станции
Чингирлау и прилегающего района на напряжение 10 кВ предусмотрено 6 шкафов
КРУН-10 кВ для отходящих линий с воздушными вводами, три из них резервные.
Для компенсации емкостных токов замыкания на землю в сети 35 кВ на подстанции
предусматривается установка двух дугогасящих катушек ЗРОМ-550/35 кВ.
По условиям релейной защиты на данной подстанции предусматривается
возможность работы трансформаторов как с заземленной, так и с незаземленной
нейтралью обмотки 110 кВ.
Главная схема электрических соединений схемы собственных нужд
В аварийном режиме одним из установленных на подстанции трансформатором с
учетом его перегрузочной способности может быть покрыта вся нагрузка
подстанции.
Надежность питания подстанции, являющейся единственным источником
электроснабжения района, будет обеспечиваться от подстанции 110/35/10 кВ Соль
Илецк Оренбургской системы и в аварийном режиме от подстанции 110/35/10 кВ
Казахстан системы ЗапКазЭнерго.
В цепях трансформаторов и в цепи межсекционной связи предусматриваются
выключатели типа ВМП-10 на 1000 А, а в цепях отходящих линий - на 600 А.
В связи с наличием на подстанции сложной релейной защиты и установкой
выключателей, управление которых не может быть обеспечено на оперативном
переменном токе, предусматривается установка одной аккумуляторной батареи типа
СК-8, состоящей из 120 элементов для оперативного тока.
Управление, сигнализация и защита подстанции 110/35/10кВ Чингирлау
Управление выключателями 110 кВ и 35 кВ и основных элементов 10 кВ
предусматривается со щита управления. Управление выключателями 10 кВ
предусматривается из РУ 10 кВ.
Все разъединители имеют ручное управление.
Аварийная и предупреждающая сигнализация выполнена с повторностью
действия и с центральным съемом звукового сигнала. Указанная установка
центральной сигнализации производит вызов обслуживающего персонала на
подстанцию в случае нарушения нормального режима работы.
В помещении общеподстанционного пункта управления располагаются панели
управления и защиты, а также щиты собственных нужд постоянного и переменного
тока.
В соответствии с намеченным режимом работы сетей района и подстанции
предусматривается следующий объем автоматизации:
· Автоматическое регулирование напряжения на трансформаторах
· АПВ на линиях 110 и 35 кВ
· АПВ на линиях 10 кВ
· АПВ на стороне 35 и 10 кВ основных трансформаторов
· Автоматическое включение трансформаторов собственных нужд.
· Автоматическое включение резервного питания.
Для надежной работы выключателей и приводов предусмотрена сеть подогрева
масла в выключателях и подогрева приводов, включаемая автоматически при
уменьшении температуры до 20 градусов.
Целевая установка и исходные данные
· Цель и назначение модернизации:
Целью дипломного проекта является модернизация подстанции 110/35/10 кВ
Чингирлау, выбор оборудования подстанции, решение вопросов охраны труда и
технико-экономических показателей модернизируемой подстанции.
· Источники проектирования:
Источником модернизации является результаты преддипломной практики, ПУЭ,
ПТЭ, ПТБ и другие нормативные документы.
· Технические требования:
Характеристики источников питания. Питание осуществляется от ПС
«Соль-Илецк» напряжением 110 кВ, от ПС «Карачаганак» напряжением 110 кВ, от ПС
«Каратюба» напряжением 110 кВ.
- Установленная мощность потребителей в часы максимума 12,725 МВА.
Характеристика реактивной мощности. Реактивная мощность
составляет 6825,28 кВАР.
- Требования к качеству электроэнергии. Качество должно соответствовать
ГОСТ 13.109-87.
- Требования к надежности электроснабжения. Надежность электроснабжения
должна соответствовать ПУЭ.
Характеристика окружающей среды. Нормальная.
Канализация электроэнергии должна соответствовать ПУЭ.
Требования к унификации. При выполнении схемных и конструктивных
решений используется типовые схемы и конструкции.
- Требование к КИП и автоматике. КИП автоматика выполняется в
соответствии существующими правилами и нормами.
- Требования к охране труда в соответствии с ПТБ.
Требование к охране окружающей среды в соответствии с
существующими правилами и нормами.
· Требование к расчетно-пояснительной записке. Расчетно-пояснительная
записка выполняется в соответствии с ГОСТ 2.119-73 на эскизный проект.
Оформление проекта в соответствии с ГОСТ 2.105-95.
Климатические условия
· Расчетная температура воздуха:
а)
Максимальная: 
;
б)
Минимальная: 
;
в)
Среднегодовая: 
;
· Расчетная
максимальная скорость ветра: 
;
· Ветровой
напор: 
;
· Район по
гололедности: II, С = 10мм;
· Высота
снежного покрова: h = 22см;
· Сейсмичность
района: 3 балла;
· Грунт
суглинок: 
;
· Уровень грунтовых вод: 4,4м;
· Глубина промерзания грунта: 1,9м;
· Агрессивность грунтовых вод: агрессивные;
· Число дней с гололедом в году: 15 дней;
· Среднее продолжительность гроз: 36 дней в году.
2. Графики нагрузок
Таблица 2.1 Суточный замер нагрузок в зимний период
|
Время
|
Нагрузка в часы
суток, кВт
|
Общая нагрузка, кВт
|
|
35 кВ
|
10 кВ
|
|
|
Полтавка
|
Мрза-Гора
|
Линевка
|
Шоктыбай
|
РРС
|
Жанакуш
|
Тираж
|
Чилик
|
Станция
|
КСХТ
|
|
|
00-02
|
1267
|
1950
|
1560
|
390
|
98
|
234
|
254
|
585
|
1560
|
2145
|
10043
|
|
02-04
|
624
|
858
|
624
|
103
|
39
|
80
|
86
|
410
|
702
|
1209
|
4735
|
|
04-06
|
585
|
712
|
488
|
96
|
31
|
68
|
70
|
312
|
546
|
1170
|
4078
|
|
06-08
|
702
|
936
|
663
|
117
|
45
|
92
|
96
|
468
|
761
|
1190
|
5070
|
|
08-09
|
1268
|
1463
|
1209
|
244
|
68
|
185
|
166
|
527
|
1229
|
1443
|
7802
|
|
10-12
|
1209
|
1287
|
1151
|
234
|
60
|
176
|
176
|
507
|
1170
|
1229
|
7199
|
|
12-14
|
1385
|
1463
|
1277
|
390
|
98
|
224
|
254
|
527
|
1404
|
1638
|
8660
|
|
14-16
|
1229
|
1385
|
1151
|
254
|
98
|
185
|
224
|
419
|
1268
|
1560
|
7773
|
|
16-18
|
1151
|
1482
|
1385
|
312
|
103
|
234
|
226
|
546
|
1385
|
2145
|
8969
|
|
18-20
|
1404
|
2243
|
1560
|
390
|
107
|
254
|
234
|
585
|
1677
|
2438
|
10892
|
|
20-22
|
1814
|
2438
|
1736
|
488
|
113
|
273
|
275
|
663
|
1755
|
2633
|
12188
|
|
22-23
|
1580
|
2340
|
1658
|
449
|
99
|
254
|
255
|
624
|
1677
|
2535
|
11471
|
|
23-24
|
1167
|
1950
|
1660
|
340
|
148
|
244
|
244
|
585
|
1660
|
2045
|
10043
|
Для расчета можно ограничиться одним суточным графиком для зимнего и
периода. Суточные графики нагрузок строим по данным замера нагрузок для зимнего
(Рисунок 2.1) дня.
Рисунок 2.1 Суточный график нагрузки для зимнего дня
Годовой график - это изменение по месяцам года максимальной получасовой
нагрузки. Он характеризует колебание расчетной мощности объекта в течение года.
Для расчета удобен годовой график по продолжительности.
Годовой
график по продолжительности строится на основе суточного графика. Делаем это
следующим образом. На суточном графике нагрузки зимнего периода (Рисунок 2.1),
проводим пунктирные прямые, соответствующие нагрузкам 
Сельские
потребители в среднем в течение года работают 365 дней. Таким образом,
продолжительность действия нагрузок 
и
больших их в течение года определится так:

;

;

;

;

;

;

;
Откладываем
соответствующие точки в системе координат P,t и,
соединяя их, получаем годовой график по продолжительности (Рисунок 2.2).
Рисунок 2.2 Годовой график по продолжительности.
На
основе зимнего суточного графика нагрузок потребителей рассчитано количество
электроэнергии, потребляемой подстанциями за сутки
, которое
вычислим по формуле:
Зная
суточное потребление можно вычислить годовое потребление электроэнергии
, по
формуле:
Продолжительность
потребления энергии
, ч,
вычислим по формуле:
Среднесуточную
нагрузку подстанций
определим по формуле:
3. Выбор силовых трансформаторов
Силовые трансформаторы, установленные на подстанциях, предназначены для
преобразования электроэнергии с одного напряжения на другое. Наибольшее
распространение получили трехфазные трансформаторы, так как потери в них на 12
- 15% ниже, а расход активных элементов и стоимость на 20-25% меньше, чем в
группе трех однофазных трансформаторов такой же суммарной мощности.
Выбор числа трансформаторов на подстанции определяется категорийностью
потребителя. Понизительные подстанции желательно выполнять с числом
трансформаторов не более двух. Для потребителей третьей и частично второй
категории возможно рассмотрение варианта установки одного трансформатора при
наличии резервного питания от соседней трансформаторной подстанции.
На подстанциях с двумя трансформаторами рабочие секции шин низшего
напряжения целесообразно держать в работе раздельно. При таком режиме ток
короткого замыкания уменьшается, и облегчаются условия работы аппаратов низкого
напряжения.
В системах электроснабжения промышленных предприятий мощность силовых
трансформаторов должна обеспечить в нормальных условиях питание всех
приемников. При выборе мощности трансформаторов следует добиваться как
экономически целесообразного режима работы, так и соответствующего обеспечения
резервирования питания приемников при отключении одного из трансформаторов. При
этом следует помнить, что на однотрансформаторной подстанции определяющим
является нормальный режим работы, на двухтрансформаторной подстанции
определяющий режим послеаварийный.
Мощность трансформатора на двухтрансформаторной подстанции можно выбирать
двумя способами: по заданной мощности подстанции; по графику нагрузки.
Мощность трансформатора на подстанции по первому способу определяется:

,
где Sном - номинальная мощность трансформатора;'max - максимальная
нагрузка подстанции с учетом компенсирующих устройств.

,
где Pmax - максимальная активная мощность;- максимальная реактивная
мощность подстанции;ку - мощность компенсирующих устройств;
tg φ определяется по заданному cos φ;

,
где
Qэс - реактивная мощность, которая может быть выдана энергосистемой в сеть.
Базовое
значение
tg φб = 0,3 при питании подстанции
на U = 110 - 150 кВ
Тогда:
Мощность
трансформатора на подстанции:
Выбираем
два трансформатора марки: ТДТН -10000/110.
Проверяем
коэффициент загрузки трансформаторов в нормальном режиме:

,
что
соответствует экономической загрузке трансформаторов.
Проверяется
выбранный трансформатор на аварийную перегрузку:

,
где
k2 - коэффициент аварийной перегрузки при отключении одного из трансформаторов
во время аварии (k2 = 1,4).
Выбранный
трансформатор удовлетворяет требованиям ГОСТ 14209-97. Выписываем все
каталожные данные трансформатора ТДТН-10000/110.
Паспортные
данные силового трансформатора:

; 
;
; 
;

; ; 
; 
;

; 

;


; 
;
; 
.
Трансформатор
имеет встроенный регулятор напряжения РПН (регулирование напряжения под
нагрузкой) 
на
стороне высокого напряжения.
Расчет компенсаторов реактивной мощности
Реактивная мощность, которую энергосистема может отпускать в часы
наибольших нагрузок, ограничена возможностями загрузки генераторов по току и
пропускной способностью системообразующих ЛЭП. При этом реактивная мощность,
которую в режиме максимальных нагрузок готова выдавать энергосистема, как
правило, оказывается недостаточной, и на подстанциях потребителей необходима
установка компенсирующих устройств.
Потребление активной и реактивной мощности всеми потребителями в часы
максимума уже известна, она составляет:

; 
Мощность компенсирующих устройств на подстанции определяется по
выражению:
Если требуемая мощность компенсирующих устройств превышает 10 МВАР, то
для компенсации используют синхронные компенсаторы, если же не превышает, то
используют батареи статических конденсаторов.
Для определения количества компенсирующих установок используется
выражение:
nку = Qку /Qед
где Qед - мощность одной установки.
Естественно, nку необходимо округлить до ближайшего
целого числа.
Принимаем
к установке конденсаторные батареи ККУ-10-2 , с номинальным напряжением
,
мощностью
Qед =500 кВАР.
Количество
компенсационных устройств на шинах 10кВ, устанавливается равное штук, соединяем
параллельно друг к другу.
4. Расчет токов короткого замыкания
Основная цель расчета состоит в определении периодической составляющей
тока КЗ для наиболее тяжелого режима сети. Учет апериодической составляющей
произведем приближенно, допуская при этом, что она имеет максимальное значение
в рассматриваемой фазе.
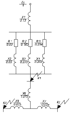
Схема замещения элементов электроснабжения для расчета тока короткого
трехфазного замыкания для точек К1-К3.
Рисунок 4.1 Схема замещения элементов электроснабжения.
4.1 Расчет сопротивлений элементов схемы
Расчет ведем в относительных единицах.
Принимаем


;

;

;
Определяем
сопротивления схемы замещения:
· Система: 
· Воздушная
линия 110кВ Соль Илецк:
· Воздушная линия 110 кВ Карачаганак:
· Воздушная линия 110 кВ Каратюба:
· Трансформатор ТДТН-10000/110

;

;

;
4.2 Схема замещения элементов электроснабжения для
расчета тока короткого трехфазного замыкания для точки К1
Ток
короткого трехфазного замыкания в относительных единицах:
Ток
короткого трехфазного замыкания в именованных единицах.
Ток
короткого двухфазного замыкания в именованных единицах.
4.3 Схема замещения элементов электроснабжения для
расчета тока короткого трехфазного замыкания для точки К2

о.е.
Ток
короткого трехфазного замыкания в относительных единицах.
Ток
короткого трехфазного замыкания в именованных единицах.
Ток
короткого двухфазного замыкания в именованных единицах.
4.4 Схема замещения элементов электроснабжения для
расчета тока короткого трехфазного замыкания для точки К3

Ток
короткого трехфазного замыкания в относительных единицах.
Ток
короткого трехфазного замыкания в именованных единицах.
Ток
короткого двухфазного замыкания в именованных единицах.
4.5 Ударные токи КЗ для точек К1, К2, К3
Для
их определения рассчитаем значения ударных коэффициентов по ветвям схемы:
где

-
постоянная времени равна:

;
Тогда ударный коэффициент для каждой ветви схемы будет равен:
Ударный ток в точке К1:

; 
Ударный
ток в точке К2:

; 
Ударный
ток в точке К3:

; 
Все
токи КЗ сводим в таблицу 4.1.
Талица
4.1 Расчетные данные токов КЗ
|
Точка № 1
|
Точка № 2
|
Точка № 3
|
|
|
2,95
|
1,23
|
2,94
|
|
|
2,57
|
1,07
|
2,56
|
5. Выбор основного электрооборудования
подстанции
После определения токов КЗ выберем электрические аппараты подстанций и
шины: выключатели, разъединители, разрядники и измерительные трансформаторы
тока и напряжения, трансформаторы собственных нужд.
5.1 Выбор шин распределительных устройств
подстанций
Основное электрическое оборудование подстанций и аппараты в этих цепях
соединяются между собой проводниками разного типа, которые образуют токоведущие
части электроустановки.
· Выбор шин на стороне 110 кВ.
В РУ 35 кВ и выше применяются гибкие шины, выполненные проводами АС,
обладающие малым удельным сопротивлением и хорошей механической прочностью.
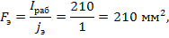
– Сечение F, мм2 питающей линии (при
напряжении 220 кВ и ниже) выбирается по экономической плотности тока:
где Iраб - рабочий ток на стороне высокого напряжения подстанции, A;э -
экономическая плотность тока, определяемая материалом проводника, конструкцией
сети, числом часов использования максимальной нагрузки, Tмакс, и т.д.
Рабочий ток определяется:
где S'max - максимальная мощность подстанции, МВА, с учетом
компенсирующих устройств;вн - напряжение подстанции с высокой стороны, кВ.
Полученное сечение округляем до ближайшего стандартного значения 70 мм2 и
выбираем провод марки АС-70/72; S=70мм2;
d=15,4 мм2; Iдл.доп.=265 А, при этом необходимо помнить, что по условиям
короны минимальные сечения, таковы:
мм2 при Uвн = 110 кВ,
мм2 при Uвн = 150 кВ,
мм2 при Uвн = 220 кВ.
– Выбранное сечение необходимо
проверить по нагреву в аварийном режиме, когда одна из цепей отключена:
где Iдл.доп. - длительно допустимый ток
для выбранного сечения линии, А;
Iав -
аварийный ток, А.
Аварийный ток приближенно определяется по формуле:
При этом получаем:
Условие выполняется.
– Многопроволочные провода и трубчатые
шины напряжением 35 кВ и выше, выбранные по экономической плотности тока и
проверенные по нагреву в аварийном режиме, дополнительно должны быть проверены
на коронирование, поскольку на подстанции расстояние между проводами
значительно меньше, чем на линии.
Разряд в виде короны возникает при максимальном значении начальной
критической напряженности электрического поля, E0кр, кВ/см:
где m - коэффициент, учитывающий шероховатость поверхности провода (для
многопроволочных проводов m = 0.82);- радиус провода, см.
Напряженность электрического поля E около поверхности нерасщепленного
провода определяется по выражению:
где U - линейное напряжение, кВ;ср - среднее геометрическое расстояние
между проводами фаз, см; при горизонтальном расположении фаз Dср =1,26·D=1,26·250=315 см (D - расстояние между двумя соседними
фазами, см.).
При горизонтальном расположении проводов напряженность на среднем проводе
примерно на 7% больше величины Е0кр. Провода не будут коронировать, если
наибольшая напряженность поля Emax у поверхности любого провода не более 0.9
E0кр, то есть должно выполняться условие:
Таким образом, требуемое условие выполняется.
· Выбор шин на стороне 35 кВ.
– Сечение F, мм2 питающей линии (при
напряжении 220 кВ и ниже) выбирается по экономической плотности тока:
где Iраб - рабочий ток на стороне высокого напряжения подстанции, A;э -
экономическая плотность тока, определяемая материалом проводника, конструкцией
сети, числом часов использования максимальной нагрузки, Tмакс, и т.д.
Рабочий ток определяется:
где S'max - максимальная мощность подстанции, МВА, с учетом
компенсирующих устройств;вн - напряжение подстанции с высокой стороны, кВ.
Полученное сечение округляем до ближайшего стандартного значения 240 мм2
и выбираем провод марки АС-240/39 ; S=240 мм2; d=21,6 мм; Iдл.доп.=610 А
– Выбранное сечение необходимо
проверить по нагреву в аварийном режиме, когда одна из цепей отключена:
где Iдл.доп. - длительно допустимый ток
для выбранного сечения линии, А;
Iав -
аварийный ток, А.
Аварийный ток приближенно определяется по формуле:
При этом получаем:
Условие выполняется.
– Выполняем проверку на коронирование:
Максимальном значение начальной критической напряженности электрического
поля, E0кр, кВ/см:
где m - коэффициент, учитывающий шероховатость поверхности провода (для
многопроволочных проводов m = 0.82);- радиус провода, см.
Напряженность электрического поля E около поверхности нерасщепленного
провода определяется по выражению:
где U - линейное напряжение, кВ;
Dср - среднее геометрическое расстояние между проводами фаз, см; при
горизонтальном расположении фаз Dср =1,26·D=1,26·250=315 см (D - расстояние между двумя соседними фазами, см.).
При горизонтальном расположении проводов напряженность на среднем проводе
примерно на 7% больше величины Е0кр. Провода не будут коронировать, если
наибольшая напряженность поля Emax у поверхности любого провода не более 0.9
E0кр, то есть должно выполняться условие:
Таким образом, требуемое условие выполняется.
· Выбор и проверка шинного моста.
Шинный мост - это соединение трансформатора с распределительным
устройством низкого напряжения (РУ НН). В качестве шинного моста могут использоваться
как гибкие, так и жесткие шины, а также комплектные токопроводы. При токах до
3000 А применяются одно- и двухполюсные шины, при больших токах рекомендуются
шины коробчатого сечения, так как они обеспечивают меньшие потери от эффекта
близости и поверхностного эффекта, а также лучшие условия охлаждения. Кроме
того, коробчатые шины имеют меньший вес при одних и тех же значениях
допустимого тока. Для лучшей теплоотдачи и удобства эксплуатации шины
окрашиваются: при переменном токе: фаза А - в желтый, фаза В - в зеленый и фаза
С - в красный цвет; при постоянном токе положительная шина окрашивается в
красный, отрицательная - в синий цвет.
Шинный мост выбирается по экономической плотности тока и проверяется по
длительно допустимому току.
Рассчитываем рабочий ток шинного моста на стороне низкого напряжения
подстанции, используя мощность подстанции с учетом КУ (Smax):
Выбираем однополюсные алюминиевые шины прямоугольного сечения
60×8 мм; I дл.доп.=1025 А.
– Выбранное сечение необходимо
проверить по нагреву в аварийном режиме, когда одна из цепей отключена:
где Iдл.доп. - длительно допустимый ток
для выбранного сечения линии, А;
Iав -
аварийный ток, А.
Аварийный ток определяем по формуле:
При этом получаем:
Условие выполняется.
– Проверка сборных шин на термическую
стойкость.
Тепловой импульс тока КЗ:
Минимальное сечение по условию термической стойкости:
где С = 91

<
выбранного сечения
,
следовательно, шины термически стойки.
– Проверка сборных шин на механическую
прочность.
Шины механически прочны, если выполняется условие:

,
где

-
допустимое механическое напряжение в материале шины, МПа.
Вычислим
силу F, действующую на шины, при протекании по ним ударного
тока трехфазного КЗ:

,
где l - длина пролета между опорными
изоляторамишинной конструкции,м (рекомендуется l=1-1,5 м);

- ударный
ток при трехфазном коротком замыкании на шинах 10кВ;
а
- расстояние между фазами шин (рекомендуется,
а=0,6-0,8 м).
Сила
F создает изгибающий момент (М), Н·м, при расчете
которого шина рассматривается как многопролетная балка, свободно лежащая на
опорах,
Напряжение
в материале шин σрасч, МПа, возникающее при воздействии изгибающего
момента:
где W - момент сопротивления, шины
относительно оси, перпендикулярной действию силы, см2.
Определяем момент сопротивления, шин, расположенных плашмя:
Определим расчетное напряжение на изгиб:
Выбранные шины проверяем по условию механической прочности:
,4 МПа <42 МПа
Делаем вывод, что шины механически устойчивы.
5.2 Выбор изоляторов
· Выбор изоляторов на стороне 110 кВ
– Выбор опорных изоляторов
Опорные изоляторы предназначены для изоляции и крепления шин или
токоведущих частей аппаратов на заземленных металлических или бетонных
конструкциях, а также для крепления проводов воздушных линий на опорах.
Выбираем
опорные изоляторы внешней установки на напряжение 
кВ С8-450
1 УХЛ Т1 с минимальной разрушающей силой на изгиб 
Н.
Проверка
опорных изоляторов:
1) По номинальному напряжению:
) По допустимой нагрузке:
где Fрасч - сила, действующая на изолятор;
Fдоп -
допустимая нагрузка на головку изолятора.
где Fразр - разрушающая нагрузка на изгиб.
При горизонтальном или вертикальном расположении изоляторов всех фаз
расчетная сила Fрасч, Н,
определяется:
где

- ударный
ток при трехфазном коротком замыкании, А;
l - длина пролета между опорными изоляторами, м;
а
- расстояние между фазами, м;
kh - поправочный
коэффициент на высоту шины, kh≈1.
Условия
выполняются.
– Выбор подвесных изоляторов
Выбираем подвесной изолятор типа ПС-11А, в гирлянде их будет 7 штук.
· Выбор изоляторов на стороне 35 кВ
– Выбор опорных изоляторов
Выбираем
опорные изоляторы внешней установки на напряжение 
кВ С6-200
1 УХЛ Т1 с минимальной разрушающей силой на изгиб 
Н.
Проверка
опорных изоляторов:
3) По номинальному напряжению:
) По допустимой нагрузке:
Условия выполняются.
– Выбор подвесных изоляторов
Выбираем подвесной изолятор типа ПС-11А, в гирлянде их будет 4 штук.
· Выбор изоляторов на стороне 10 кВ
Выбор опорных изоляторов
Выбираем
опорные изоляторы внутренней установки на напряжение 
кВ С6-80
1 УХЛ Т1 с минимальной разрушающей силой на изгиб 
Н.
Проверка
опорных изоляторов:
1) По номинальному напряжению:
) По допустимой нагрузке:
Условия выполняются.
– Выбор проходных изоляторов
Проходные изоляторы предназначены для проведения проводника сквозь
заземленные кожухи трансформаторов и аппаратов, стены и перекрытия зданий.
Выбираем проходной изолятор по наибольшему току:
По
наибольшему току 
А
выбираем проходные изоляторы на напряжение 
кВ
ИП-10/1600-3000,У,ХЛ,Т2 с допустимым номинальным током 
А, с
минимальной разрушающей силой на изгиб 
Н.
Проверим
изоляторы по допустимой нагрузке.
Максимальную
силу, действующую на изгиб
,
вычисляют по формуле
что
меньше допустимого 
Н.
5.3 Выбор выключателей и разъединителей
Выключатель - это коммутационный аппарат, предназначенный для включения и
отключения тока.
Выключатель является основным аппаратом в электрических установках, он
служит для отключения и включения в цепи в любых режимах: длительная нагрузка,
перегрузка, короткое замыкание, холостой ход, несинхронная работа. Наиболее
тяжелой и ответственной операцией является отключение токов КЗ и включение на существующее
короткое замыкание.
Привод выключателя предназначен для операции включения, для удержания во
включенном положении и для отключения выключателя.
Разъединитель - коммутационный аппарат, предназначенный для отключения и
включения электрической цепи без тока или с незначительным током, который для
обеспечения безопасности имеет между контактами в отключенном положении
изоляционный промежуток. При ремонтных работах разъединителем создается видимый
разрыв между частями, оставшимися под напряжением, и аппаратами, выведенными в
ремонт.
Разъединители могут быть внутренней и наружной установок. Заземляющие
ножи могут быть расположены со стороны шарнирного или разъемного контакта или с
обеих сторон. Заземляющие ножи имеют механическую блокировку, не разрешающую
включать их при включенных главных ножах.
Включение и отключение разъединителей осуществляется электродвигательным
приводом (ПДВ), позволяющим произвести эти операции дистанционно. Для
управления заземляющими ножами используются ручные рычажные приводы (ПР,ПЧ).
Выключатели и разъединители выбираем по следующим параметрам:
- по
напряжению установки
;
по
длительному току 
;
по
отключающей способности.
· Выбор выключателей и разъединителей на напряжение 110 кВ
а) Выбираем выключатель элегазовый марки ВГБ-110А.
б) Разъединитель типа РДЗ-110Б/1000Н УХЛ1
Тип привода ПД-5У1(ХЛ1).
Расчетные и каталожные данные сведены в таблицу 5.1.
Таблица 5.1 Расчетные и каталожные данные
· Выбор выключателей и разъединителей на напряжение 35 кВ
а) Выбираем выключатель вакуумный марки ВБН-35-20/1600УХ11.
б) Разъединитель типа РДЗ.2-35Б/1000УХЛ1
Тип привода ПРЗ.2-УХЛ1.
Расчетные и каталожные данные сведены в таблицу 5.2.
Таблица 5.2 Расчетные и каталожные данные
· Выбор выключателей и разъединителей на напряжение 10 кВ
а) Выбираем выключатель вакуумный марки ВВТЭ-10-10/630У2.
б) Разъединитель типа РЛДЗ.1-10.11/400 У1
Тип привода ПРЗ-10-1У1.
Расчетные и каталожные данные сведены в таблицу 5.3.
Таблица 5.3 Расчетные и каталожные данные
5.4 Выбор ограничителей перенапряжения
Для защиты электрооборудования подстанции от перенапряжений применяются
нелинейные ограничители перенапряжений, представляющие собой разрядники без
искровых промежутков, активная часть которых состоит из металлоокисных
нелинейных резисторов (варисторов), изготовленных из окиси цинка с малыми
добавками других металлов.
Принцип действия: при возникновении в сети волн перенапряжений ток через
ОПН резко увеличивается (5-10кА), что снижает сопротивление ОПН ограничивает
напряжение на защищаемом эл.оборудовании. После прохождения импульса
перенапряжения ОПН возвращается в исходное состояние, т.к. в ОПН нет искрового
промежутка, то при их срабатывании износа контактов не происходит.
Выбираем ограничители перенапряжений ОПН-110/73-10 11 УХЛ1 ,
предназначенные для защиты трансформаторов, эл.оборудования РУ и аппаратов от
атмосферных и коммутационных перенапряжений в сетях 35-110 кВ переменного тока
частоты 48-62 Гц. Эффективно применение в районах с высокой грозовой
активностью и в сетях с особо ответственным оборудованием.
Таблица 5.4 Параметры ОПН 110 кВ
|
Класс напряжения сети
|
110 кВ
|
|
Наибольшее длительно
допустимое напряжение
|
73 кВ
|
|
Номинальный разрядный ток
|
10 кА
|
|
Отстающее напряжение на
ОПН,не более, при импульсе тока: 500 А 1000 А 5-10 кА
|
176 кВ 182 кВ 206(222) кВ
|
Выбираем ограничители перенапряжений ОПН-35/37-10 (11) УХЛ1 , предназначенные
для защиты трансформаторов, эл.оборудования РУ и аппаратов от атмосферных и
коммутационных перенапряжений в сетях 35-110 кВ переменного тока частоты 48-62
Гц. Эффективно применение в районах с высокой грозовой активностью и в сетях с
особо ответственным оборудованием.
Таблица 5.5 Параметры ОПН 35 кВ
|
Класс напряжения сети
|
35 кВ
|
|
Наибольшее длительно
допустимое напряжение
|
37 кВ
|
|
Номинальный разрядный ток
|
10 кА
|
|
Отстающее напряжение на
ОПН, не более, при импульсе тока: 500 А 1000 А 5-10 кА
|
88,4 кВ 91,4 кВ (104)111 кВ
|
Выбираем ограничители перенапряжений ОПН-10/12-10 (1) УХЛ1 ,
предназначенные для защиты эл.оборудования РУ и аппаратов от грозовых и
коммутационных перенапряжений в сетях 3-10 кВ переменного тока частоты 48-62
Гц. Рекомендуется использование для защиты изоляции кабельных сетей,
эл.генераторов и двигателей ЭС и пром.предприятий.
|
Класс напряжения сети
|
10 кВ
|
|
Наибольшее длительно
допустимое напряжение
|
12 кВ
|
|
Номинальный разрядный ток
|
10 кА
|
|
Отстающее напряжение на
ОПН, не более, при импульсе тока: 500 А 1000 А 5-10 кА
|
29 кВ 30,2 кВ 35,4 (39,1)
кВ
|
5.4 Выбор измерительных трансформаторов
· Выбор трансформаторов тока (ТТ)
Трансформатор тока (ТТ) предназначен для уменьшения тока до значений,
наиболее удобных для измерительных приборов и реле, а также для отделения цепей
измерения и защиты от первичных цепей высокого напряжения.
Трансформаторы тока выбираем по следующим параметрам:
- по
напряжению установки 
;
по
длительному току 
.
- Выбор ТТ на стороне 110 кВ.
Выбираем трансформатор марки: ТВТ-110-I-600/5.
Сравнение расчетных и каталожных данных приведено в таблицу 5.7.
Таблица 5.7 Расчетные и каталожные данные
Выбор ТТ на стороне 35 кВ.
Выбираем трансформатор марки: ТФЗМ-35А У1.
Сравнение расчетных и каталожных данных приведено в таблицу 5.8.
Таблица 5.8 Расчетные и каталожные данные
|
Условия выбора
|
Расчетные данные
|
Каталожные данные
|
|
|
ТФЗМ-35А У1
|




Выбор ТТ на стороне 10 кВ.
Выбираем трансформатор марки: ТЛМ-10- 2У3.
Сравнение расчетных и каталожных данных приведено в таблицу 5.9.
Таблица 5.9 Расчетные и каталожные данные
|
Условия выбора
|
Расчетные данные
|
Каталожные данные
|
|
|
ТЛМ-10- 2У3
|




Определяем нагрузку на трансформатор тока от измерительных приборов,
данные сводятся в таблицу 5.10.
Таблица 5.10 Нагрузка измерительных приборов по фазам
|
Прибор
|
Тип
|
Нагрузка по фазам, ВА
|
|
|
А
|
В
|
С
|
|
Амперметр
|
Э-335
|
0,5
|
-
|
-
|
|
Ваттметр
|
Д-335
|
0,5
|
-
|
0,5
|
|
Счетчик активной энергии
|
САЗ-И680
|
2,5
|
-
|
2,5
|
|
Счетчик реактивной энергии
|
САЗ-И680
|
2,5
|
-
|
2,5
|
|
Итого
|
|
6
|
-
|
5,5
|
Из
таблицы видно, что наиболее нагруженной является фаза, ее нагрузка составляет 
или 
Определяем
сопротивление соединительных проводов :

Ом,
где
ρ
- удельное сопротивление проводов, (ρ=0,0283) для алюминиевых проводов;
lрасч -
расчетная длина проводов;
q - сечение
проводов:
q, мм2≤2,5
мм2 для алюминиевых проводов.
Длина
соединительных проводов зависит от схемы соединения трансформатора тока:

,
где
m - коэффициент, зависящий от схемы включения;
l - длина
проводов (для подстанций принимают l=5 м).
Полное
сопротивление вторичной цепи:

Ом ,
где

=0,1 Ом -
сопротивление контактов.
Сравнивая
паспортные и расчетные данные по вторичной нагрузке трансформаторов тока
получаем:
Следовательно,
выбранный трансформатор тока проходит по всем параметрам.
· Выбор трансформаторов напряжения (ТН)
Трансформатор
напряжения предназначен для понижения высокого напряжения до стандартного
значения 100 или 
и для
отделения цепей измерения и релейной защиты от первичных цепей высокого
напряжения.
Трансформаторы напряжения выбираем:
- по
напряжению установки 
;
по
конструкции и схеме соединения обмоток;
по
классу точности (в зависимости от классов точности подключаемых приборов);
Перечень необходимых измерительных приборов, которые питаются от
трансформатора напряжения, приведены в таблицу 5.11.
Таблица 5.11 Данные для расчета ТН
|
№
|
Прибор
|
Место установки
|
Мощность P/Q
|
cosφ
|
sinφ
|
Число приборов, шт.
|
Общая потребляемая мощность
|
|
|
|
|
|
|
|
P, кВт
|
Q, кВАР
|
|
1
|
Вольтметр Э-335
|
Сборные шины
|
2/0
|
1
|
|
4
|
8
|
-
|
|
2
|
Счетчик электронный типа СЭТ-4ТМ
(многофункц-й)
|
Ввод секция отходящая
|
0,8/1,28
|
0,53
|
0,85
|
4
|
3,2
|
3,4
|
|
3
|
Счетчик для ТСН электронный
типа СЭТ-4ТМ (многофункц-й)
|
|
0,8/1,28
|
0,53
|
0,85
|
1
|
0,8
|
1,28
|
|
Итого:
|
|
3,6/2,56
|
2,06
|
1,7
|
5
|
12
|
4,68
|
Расчетная полная мощность:
На напряжение 10 кВ выбираем трансформаторы напряжения типа НТМИ-10-66У3
при классе точности 0,5-120 ВА. Номинальная мощность этих трансформаторов:
На напряжение 35 кВ выбираем ТН типа ЗНОМ -35-65У1;
На напряжение 110 кВ выбираем ТН типа НКФ-110-83У1.
5.5 Выбор трансформаторов собственных нужд
При
проектировании по ориентировочным данным определим основные нагрузки
собственных нужд подстанций 
,кВт.
- Установленная мощность двигателей системы охлаждения для силового
- трансформатора ТДТН-10000/110;
Подогрев шкафов КРУН;
Подогрев приводов разъединителей;
Подогрев релейного шкафа;
Отопление, освещение, вентиляция ОПУ;
Подогрев выключателей и приводов:
а) ВБГ-110А;
б) ВБН-35-20/1600УХ11;
Освещение, вентиляция ПЖЗ.
Выбираем два трансформатора марки: ТМ-100/10.

;

;

;

;
.6
Выбор типа конструкции РУ на стороне низкого напряжения 10 кВ
Выбираем
КРУН 10 кВ с вакуумными выключателями типа ВВТЭ-10-10/630У2 марки КРН-III-I.
Технические
данные КРУН: Вид установки внутренний.

, 
, 
, 
, ТТ типа
ТЛМ-10-2У3, ТН типа НТМИ-10-66-У3 со встроенными плавкими предохранителями ПКТН
- 10.
Конструктивное
исполнение шкафов: Конструктивной особенностью КРУН серий КРН-III-I
является размещение сборных шин в нижней части шкафов и наличие с задней
стороны монтажно-ремонтного прохода, необходимого для присоединения силовых и
контрольных кабелей, их ремонта или замены.
Шкафы
КРУН стыкуются и устанавливаются в помещениях распредустройства (РУ) на общих
опорных швеллерах, однорядно или двухрядно.
Для
данной серии КРУ предусматривается следующее устройство дуговых защит,
работающих при возникновении коротких замыкании (КЗ) в шкафах КРУ с помощью
дугоуловителей и клапанов разгрузки.
Для
защиты отсека сборных шин по торцам секций КРУ устанавливается дугоуловители.
При
однорядном размещении двух секций КРУ предусматривается установка шинного блока
(ШБ) между шкафами секционного выключателя, при этом дугоуловители
устанавливается между секциями. При возникновении в отсеке сборных шин любого шкафа
КРУ дуга перемещается (не оставляя никаких следов) по сборным шинам от
источника питания. Добравшись до торцевого шкафа секций, дуга попадает в
дугоуловитель, на крышке которого установлен разгрузочный клапан с концевым
выключателем. Клапан под действием электрической дуги открывается, и контакты
концевого выключателя дают сигнал на отключение вводного выключателя. Дуговая
защита отсеков выкатного элемента и линейного также осуществляется с помощью
разгрузочных клапанов и концевых выключателей, действующих на отключение
выключателя данного шкафа КРУ.
Выполнение
дуговой защиты с помощью разгрузочных клапанов и дугоуловителей - самый простой
и надежный способ дугогашения.
5.7 Выбор аппаратов в нейтрали трансформатора
В
установках 110 кВ в нейтрали трансформатора предусматривается заземлитель
нейтрали ЗОН-110.
6. Релейная защита силового трансформатора
ТДТН-10000кВА
В
процессе эксплуатации возможны повреждения в трансформаторах и на их
соединениях с коммутационными аппаратами. Могут быть также ненормальные режимы
работы, не связанные с повреждением трансформатора или его соединений.
Возможность повреждений и ненормальных режимов обуславливает необходимость
установки на трансформаторах защитных устройств. В соответствии с требованиями
ПУЭ на трансформаторе предусматриваются следующие защиты:
· От внутренних повреждений в трансформаторе, сопровождающихся выделением
газа и понижением уровня масла в баке трансформатора - газовая защита,
действующая на отключение трансформатора и на сигнал.
· От внутренних повреждений в баке РПН, сопровождающихся
выделением газа - газовая защита РПН, действующая на отключение трансформатора.
· От внутренних междуфазных повреждений и на выводах
трансформатора - токовая дифференциальная защита, действующая на отключение
трансформатора.
· От внешних к.з. на стороне 35 и 10кВ и для резервирования
основных защит трансформатора - максимальная токовая защита, установленная со
стороны 110кВ и действующая на отключение трансформатора.
· Защита от перегрузки силового трансформатора на стороне 110
кВ.
6.1 Расчет основной дифференциальной защиты
Определяем первичные номинальные токи на сторонах трансформатора
и коэффициенты трансформации трансформатора тока:

; 
; 
.
- Определяем вторичные номинальные токи в плечах дифференциальной
защиты:
По большему значению вторичного номинального тока принимаем основную
сторону дифференциальной защиты, и все расчеты приводим к стороне 10
кВ.Выбираем ток срабатывания защиты из условия отстройки:
а) от броска тока намагничивания:
где

-
коэффициент отстройки дифференциальной защиты от бросков тока намагничивания.
(Для реле РНТ - 565 
)
б)
от максимального тока небаланса:

обусловлен
погрешностью (токами намагничивания) трансформаторов тока, питающих
дифференциальную защиту.

,
где

-
коэффициент, учитывающий переходный режим (
=1);

-
коэффициент, учитывающий однотипность трансформаторов тока (
=0,5-1);

-
коэффициент, учитывающий 10%-ую погрешность трансформаторов тока (
= 0,1);

- полный
диапазон регулирования напряжения.

-
максимальное значение тока КЗ за трансформатором приведенное к основной стороне
трансформатора.
Тогда:

обусловлен
регулированием напряжения защищаемого трансформатора.

,
где

- полный
диапазон регулирования напряжения.

обусловлен
неточностью установки на коммутаторе реле РНТ расчетного целого числа витков
уравнительных обмоток :

,
где

-
соответственно расчетное и установленное число витков обмоток РНТ для
неосновной стороны.
На
первом этапе расчета уставки дифференциальной защиты 
не
учитывается, т.е.
За
расчетную величину принимается большее значение тока срабатывания защиты.
Производим предварительную проверку чувствительности защиты при
повреждениях в зоне ее действия:
- Определяем ток срабатывания реле на основной стороне 10 кВ:
Определяем число витков обмотки реле РНТ-565 на основной стороне:
где Fср - намагничивающая сила (Fср =100 А для РНТ-565)
Предварительно принятое число витков для установки на основной стороне:
- Расчетное число витков обмотки насыщающего трансформатора реле
РНТ-565 для стороны 110 кВ:
Предварительно принятое число витков для установки для стороны 110 кВ:
- Расчетное число витков обмотки насыщающего трансформатора реле
РНТ-565 для стороны 35 кВ:
Предварительно принятое число витков для установки для стороны 35 кВ:
- Определяется
ток небаланса с учетом 
Повторно определяем первичный ток срабатывания защиты и вторичный ток
срабатывания реле:
Чувствительность соблюдается.
6.2 Газовая защита
Основной защитой, реагирующей на все виды повреждений внутри бака
трансформатора, является газовая защита.
Газовая защита основана на использовании явления газообразования в баке
поврежденного трансформатора. Интенсивность газообразования зависит от
характера и размеров повреждения. Это дает возможность выполнить газовую
защиту, способную различать степень повреждения и в зависимости от этого
действовать на сигнал или отключение. Газовая защита выполнена на реле типа BF-80/Q производства Германия.
Газовая защита проста по выполнению, имеет малое время действия и
реагирует на повреждения в начальный момент их возникновения. Однако она
действует только при повреждениях внутри бака трансформатора, а потому не может
полностью заменить другие виды защит, реагирующие на повреждения на выводах и в
соединительных проводах от трансформатора к выключателю.
6.3 Максимальная токовая защита
Расчет максимальной токовой защиты на стороне 110 кВ.
Ток срабатывания МТЗ выбирается из условий отстройки от перегрузок.
Ток срабатывания зашиты:
где

-коэффициент
самозапуска обобщенной нагрузки (
=2,5);

-
коэффициент отстройки (
=1,1-1,2);

-
коэффициент возврата реле (
=0,8).
По
току срабатывания защиты выбираем трансформатор тока ТВТ110-I-600/5У1: I1=400
А, I2=5А.
Ток
срабатывания реле МТЗ определяют из выражения:
где

коэффициент
схемы;

коэффициент
трансформации трансформаторов тока.
Проверяем
эту защиту на чувствительность, которая будет обеспечена при соблюдении
следующего условия:
- Расчет максимальной токовой защиты на стороне 35 кВ.
Ток срабатывания МТЗ выбирается из условий отстройки от перегрузок.
Ток срабатывания зашиты:
По току срабатывания защиты выбираем трансформатор тока ТФЗМ 35Б-1У1: I1=1500 А, I2=5А.
Ток срабатывания реле МТЗ определяют из выражения:
Проверяем эту защиту на чувствительность, которая будет обеспечена при
соблюдении следующего условия:
Расчет максимальной токовой защиты на стороне 10 кВ.
Ток срабатывания МТЗ выбирается из условий отстройки от перегрузок.
Ток срабатывания зашиты:
По току срабатывания защиты выбираем трансформатор тока ТЛ-10-2У3: I1=3000 А, I2=5А.
Ток срабатывания реле МТЗ определяют из выражения:
Проверяем эту защиту на чувствительность, которая будет обеспечена при
соблюдении следующего условия:
6.4 Защита от перегрузки силового трансформатора
Защита от перегрузки трансформатора на стороне 35 кВ.
Ток срабатывания защиты определяем по выражению:

-
коэффициент отстройки (
=1,05);

-
коэффициент возврата реле (
=0,8).
Ток
срабатывания реле определяют из выражения:
Принимаем
тип реле РТ-40/6.
- Защита от перегрузки трансформатора на стороне 10 кВ.
Ток срабатывания защиты определяем по выражению:
Ток срабатывания реле определяют из выражения:
Принимаем тип реле РТ-40/6.
6.5 Токовая отсечка силового трансформатора
- Токовая отсечка на стороне 110 кВ
Ток срабатывания выбирается:
а) из условия отстройки от максимального тока КЗ
где

-
коэффициент отстройки (
=1,2…1,3);
б)
из условия отстройки от броска тока намагничивания, возникающего при включении
трансформатора под напряжение
где

-
коэффициент отстройки защиты от бросков тока намагничивания (
=3…5 для
реле РТ-40);
По
наибольшему току срабатывания защиты выбираем трансформатор ТВТ 220-I-4000/5:
I1=4000 А, I2=5А.
Т.к чувствительность не соблюдается, определяем ток срабатывания реле,
используя ток срабатывания защиты из условия отстройки от броска
намагничивания:
По току срабатывания выбираем реле РТ-40.
Проверим токовую защиту на чувствительность:
По коэффициенту чувствительности делаем вывод - токовая отсечка имеет
необходимую чувствительность.
Токовая отсечка на стороне 35 кВ
Ток срабатывания выбирается:
а) из условия отстройки от максимального тока КЗ
б) из условия отстройки от броска тока намагничивания, возникающего при
включении трансформатора под напряжение
По наибольшему току срабатывания защиты выбираем трансформатор ТФЗМ-35Б -IIУ1: I1=3000 А, I2=5А.
Т.к чувствительность не соблюдается, определяем ток срабатывания реле,
используя ток срабатывания защиты из условия отстройки от броска
намагничивания:
По току срабатывания выбираем реле РТ-40.
Проверим токовую защиту на чувствительность:
По коэффициенту чувствительности делаем вывод - токовая отсечка имеет
необходимую чувствительность.
Токовая отсечка на стороне 10 кВ
Ток срабатывания выбирается:
а) из условия отстройки от максимального тока КЗ
б) из условия отстройки от броска тока намагничивания, возникающего при
включении трансформатора под напряжение
По наибольшему току срабатывания защиты выбираем трансформатор ТВТ 220-I-4000/5: I1=4000 А, I2=5А.
Т.к. чувствительность не соблюдается, определяем ток срабатывания реле,
используя ток срабатывания защиты из условия отстройки от броска
намагничивания:
По току срабатывания выбираем реле РТ-40.
Проверим токовую защиту на чувствительность:
По коэффициенту чувствительности делаем вывод - токовая отсечка имеет
необходимую чувствительность.
7. Автоматика подстанции - специальный вопрос
В соответствии с намеченным режимом работы сетей района и подстанции
предусматривается следующий объем автоматизации:
· Автоматическое регулирование напряжения на трансформаторах
· АПВ на линиях 110 и 35 кВ
· АПВ на линиях 10 кВ
· АПВ на стороне 35 и 10 кВ основных трансформаторов
· Автоматическое включение трансформаторов собственных нужд
· Автоматическое включение резервного питания и резервного
оборудования
Автоматическое включение резервного питания и резервного оборудования
является одной из наиболее эффективных мер, повышающих бесперебойность питания
приемников электрической энергии и обеспечивающих нормальные режимы
технологических процессов производства.
Технико-экономическая целесообразность АВР оправдывается не только
применительно к собственным нуждам станций и подстанций, но и для ряда
производственных процессов, технология которых не допускает даже кратковременного
перерыва питания их электрической энергией.
В связи с широким внедрением электрической энергии в различные
производственные процессы вопрос применения АВР в ряде случаев также актуален.
При этом исходный импульс для действия устройства АВР может быть получен
от изменения как электрических, так и неэлектрических величин (давления,
уровня, скорости движения жидкости или пара и др.)
АВР линий позволяет удешевить и упростить схемы электроснабжения.
Устройства АВР относительно просты и стоимость их незначительна, поэтому
экономический эффект от внедрения устройств относительно велик.
Применения АВР для воздушных линий не исключает установку устройств АПВ и
рассматривается как резервирующее мероприятие.
Если АПВ производит повторное включение линии, на которой произошло
короткое замыкание, то устройство АВР включает посторонний резервный источник
электроэнергии при выходе из работы основного.
Схемы устройств АВР весьма разнообразны и выполняются в зависимости от
местных условий, типа установленного оборудования, схемы соединения
электрической установки и т.д. Однако во всех случаях устройства АВР должны
удовлетворять следующим основным требованиям:
- Схема АВР должна приходить в действие при исчезновении напряжения
на шинах потребителя по любой причине, в том числе при аварийном, ошибочном или
самопроизвольном отключении выключателей рабочего источника питания, а также
при исчезновении напряжения в шинах, от которых осуществляется питание рабочего
источника. Включение резервного источника часто допускается также при КЗ на
шинах потребителя.
- Для того, чтобы уменьшить длительность перерыва питания
потребителей, включение резервного источника питания должно производиться сразу
же после отключения рабочего источника.
Действие АВР должно быть однократным, чтобы не допускать
нескольких включений резервного источника на неустранившееся КЗ.
Схема АВР не должна приходить в действие до отключения
выключателя рабочего источника, чтобы избежать включения резервного источника
на КЗ в неотключившемся рабочем источнике. Выполнение этого требования
исключает также в отдельных случаях несинхронное включение двух источников
питания.
Для того, чтобы схема АВР действовала при исчезновении
напряжения на шинах, питающих рабочий источник, когда его выключатель остается
включенным, схема АВР должна дополняться специальным пусковым органом
минимального напряжения.
Для ускорения отключения резервного источника при его включении
на неустранившееся КЗ должно предусматриваться ускорение защиты резервного
источника после АВР. Это особенно важно в тех случаях, когда потребители,
потерявшие питание, подключаются к другому источнику, несущему нагрузку.
Ускоренная защита обычно действует по цепи ускорения без выдержки времени.
Время действия устройств АВР ограничивается двумя условиями: оно должно
быть больше времени работы защиты последующих элементов и в то же время
возможно минимально, чтобы обеспечить самозапуск электродвигателей потребителей
при восстановлении напряжения. Чем короче перерыв в питании, тем меньше
электродвигатели успевают затормозиться и тем меньший ток будет в цепи при их
обратном включении на нормальную работу.
На двухтрансформаторных подстанциях промышленных сельскохозяйственных
предприятий осуществляется, как правило, раздельная работа трансформаторов на
стороне низшего напряжения (6 или 10 кВ). Такой режим позволяет значительно
снизить значения токов к.з. по сравнению с режимом параллельной работы
трансформаторов, а, следовательно, применить более дешевые выключатели, а также
выполнить более простую релейную защиту.
При аварийном отключении одного из трансформаторов питание потребителей
должно автоматически переключаться на другой трансформатор. Обычно это
выполняется путем автоматического включения секционного выключателя,
соединяющего две секции подстанции, питающиеся от первого и второго
трансформаторов. Автоматическое включение секционного выключателя производится
устройством автоматического включения резервного питания АВР. Схема
двустороннего АВР на подстанции должна приходить в действие при исчезновении питания
любой из секций, которое может произойти при аварийном, ошибочном или
самопроизвольном отключении выключателя рабочего питания, а также в случае
исчезновения напряжения на секции без отключения этого выключателя. Последнее
происходит, например, при отключении питающих линий 35 - 220 кВ.
В этом случае устройство АВР должно сначала дать команду на отключение
выключателя рабочего питания, а затем на включение секционного выключателя.
Для модернизируемой подстанции необходимость установки УАВР очевидна, так
как она питает потребителей II категории. На подстанции будет установлено УАВР
на постоянном оперативном токе, применяемое в установках, имеющих выключатели с
электромагнитными приводами, электромагниты отключении и, тем более,
электромагниты включения, которые потребляют сравнительно большие мощности.
Схема
УАВР приведена на чертеже «Спецвопрос: Устройство АВР». Пусковой орган УАВР
содержит минимальные реле напряжения KV1, KV3 и максимальное реле напряжения
KV2. Выдержку времени 
создает
реле времени КТ. Однократность действия обеспечивается промежуточным реле KLT,
имеющим при возврате выдержку времени
. В
нормальном режиме выключатель Q1 (вводной выключатель на стороне 10 кВ
подстанции) включен, а выключатель Q2 (секционный выключатель) отключен. На
шинах и на линии имеется напряжение. Контакты минимальных реле напряжения KV1 и
KV3 разомкнуты, а контакт максимального реле напряжения KV2 замкнут.
Вспомогательные контакты Q1.1 и Q1.2 выключателя Q1 замкнуты, а вспомогательный
контакт Q1.3 разомкнут. При этом реле KLT находится в возбужденном состоянии и
его контакты KLT.1 и KLT.2 замкнуты. Вспомогательный контакт Q2.1 выключателя
Q2 замкнут; цепь электромагнита включения секционного выключателя YAC2
подготовлена.
Устройство
АВР действует следующим образом. При исчезновении напряжения на шинах
подстанции срабатывают реле KV1 и KV3, их контакты в цепи реле времени КТ замыкаются.
Если на линии имеется напряжение, то реле КV2 находится в состоянии после
срабатывания, его контакт замкнут. Реле времени КТ приходит в действие и по
истечении времени 
замыкает
контакт в цепи электромагнита отключения YAT1, выключатель Q1 (вводной
выключатель на шинах 10 кВ) отключается, при этом его вспомогательные контакты
Q1.1 и Q1.2 размыкаются, a Q1.3 в цепи электромагнита включения YAC2
замыкается, производя включение выключателя Q2 (секционный выключатель). Если
включение происходит на поврежденные шины, то защита выключателя с ускорением
после действия УАВР отключает его. Повторного включения не последует, так как к
этому времени реле KT размыкает свои контакты KLT1 и KLT2.
8. Охрана труда
.1 Защита от прямого попадания молнии
Атмосферное электричество (молния) представляет собой электрический
разряд в атмосфере между облаками и землей или между разноименными зарядами
облаков.
В большинстве случаев нижняя часть грозовых облаков заряжается
отрицательно, а на поверхности индуцируется положительные заряды. Так
образуется как бы гигантский заряженный конденсатор, одной обкладкой которого
служит грозовое поле, а другое земля. По мере концентрации зарядов
увеличивается напряженность электрического поля этого конденсатора при
достижении величины 300 кВ/м создается условие для возникновения молнии.
Молния - поражает здание и установки (непосредственно удар молнии),
молния оказывает вторичное воздействие, объясняемые электростатической и
электромагнитной индукцией.
Электростатическая индукция проявляется тем, что на изолированных
металлических предметах наводятся опасные электрические потенциалы, вследствие
чего возможно искрение между отдельными металлическими элементами конструкций и
оборудования.
В результате электромагнитной индукции, обусловленными быстрыми
изменением значения тока молнии в металлических незамкнутых контура, наводятся
электродвижущие силы, что приводит к опасности искрообразования между ними в
местах сближения этих контуров.
Инструкцией по проектированию и устройству молниезащиты, они
подразделяются на три категории. Предусмотрена молниезащита зданий и сооружений
в зависимости от назначения, интенсивности грозовой деятельности в районе их
расположения, а также от ожидаемого количества поражений молний в год по одной
из трех категорий устройства молниезащиты и с учетом типа зоны защиты. Зона
защиты молниеотвода - это часть пространства, внутри которого здание или
сооружение защищено от прямых ударов молнии с определенной степенью надежности.
Зона защиты типа А - надежность 99,5% и выше, зона Б - надежность 95% и выше.
Наружные установки, отнесенные по устройству молниезащиты ко второй
категории, защищают от прямых ударов молнии и статической индукции, а отнесенные
к третьей категории - только от прямых ударов молнии.
Наиболее часто возникают линейные молнии, длительность которых составляет
десятые доли секунды. Такие молнии наиболее опасны при прямом ударе. В основном
они поражают предметы, имеющие большую высоту, чем другие расположены по
близости, поэтому для защиты от молний используют молниеотводы, которые
представляют собой возвышающиеся над защищаемым объектом металлические
устройства, воспринимающие прямой удар молнии и отводящие молнии в землю.
Данные для расчета молниезащиты:
Площадь подстанций: S = 92×120 м2;
- Высота
защищаемого объекта:
;
Высота
металлического молниеотвода: 
.
Расстояния
между молниеотводами: 
;
;
Молниеотвод состоит следующих элементов: молниеприемника, непосредственно
принимающего удар молнии; несущей конструкции, предназначенной для установки
молниеприемников; токоотвода, обеспечивающего вывод тока молнии в землю.
Рассчитываем зону защиты на уровне шинного моста подстанций.
· Радиус зоны защиты:
· Ширина зоны зашиты:
где ha - активная часть молниеотвода:

;
a - расстояние
между молниеотводами;
Тогда:
При
полной высоте молниеотвода h ≤
30м должно соблюдаться условие:
Рисунок
8.1 Зона защиты молниеотводов
Из
рисунка 8.1 видно, что зона действия молниеотвода, охватывает не всю территорию
подстанции, поэтому устанавливаем дополнительно два одиночных стержневых
молниеотвода радиусом 13,7 м.
8.2 Расчет заземления
Защитное действие заземления основано на снижении напряжения
прикосновения, что достигается путем уменьшения напряжения на корпус
оборудования относительно поверхности земли или за счет малого сопротивления
заземления.
Защитное заземление является эффективной мерой для электроустановок,
питающихся напряжением 1000В с изолированной нейтралью и напряжением выше 1000В
с любым режимом нейтрали источника питания.
Различают три вида заземлений: рабочее заземление, защитное заземление и
заземление грозозащиты, причем в ряде случаев один и тот же заземлитель может
выполнять два или три назначения одновременно. К рабочему заземлению относится
заземление нейтралей силовых трансформаторов, генераторов, дугогасящих
аппаратов, измерительных трансформаторов напряжения, реакторов, заземление фазы
при использовании земли в качестве рабочего провода и пр.
Защитное заземление выполняется для обеспечения безопасности людей,
обслуживающих электрическую установку, путем заземления металлических частей
установки (например, баков трансформаторов), которые нормально имеют нулевой
потенциал, но могут оказаться под напряжением при перекрытии или пробое
изоляции.
Заземление грозозащиты служит для отвода тока молнии в землю от защитных
разрядников, стержневых и тросовых молниеотводов или других конструкций, в
которые произошел удар молнии.
Данные для расчета заземления:
Длина контура заземления 110 м, ширина 82 м, площадь S=92×120м2 , грунт двухслойный, удельное
сопротивление верхнего слоя ρ1 = 70 Ом∙м, нижнего ρ2
= 60 Ом∙м. Толщина
верхнего слоя h = 2м. По периметру территории подстанции в грунт забиты
вертикальные элементы длиной lв=5м,
соединенные стальной полосой на глубине t = 0,7м.
· Длительность воздействия:
Наибольшее
допустимое напряжение прикосновения: 
· Коэффициент прикосновения
где lв = 5м - длина вертикального
заземлителя;

длина
горизонтального заземлителя 
;
а
- расстояние между вертикальными заземлителями (а = 9,5м);
S - площадь
контура заземления;
М
- параметр, зависящий от 
(М
= 0,5);

коэффициент,
определяемый по сопротивлению тела
человека

и
сопротивлению расстояния тока от ступней 
.

=
В
расчетах принимаем 
, 
.
Тогда:
· Потенциал на заземлителе:
· Сопротивление заземляющего устройства:
где

-
примерный ток однофазного КЗ на землю.
Действующий
план заземляющего устройства преобразуем в расчетную квадратную модель.
· Число ячеек по стороне квадрата:
принимаем

.
Длина полос в расчетной модели:
· Длина сторон ячейки:

;
· Число вертикальных заземлителей по периметру контура:
принимаем
.
· Общая длина вертикальных заземлителей:
·
Относительная глубина:
Тогда:
Для

; 
Определим

, тогда
эквивалентное сопротивление земли
· Общее сопротивление сложного заземлителя:
Согласно
ПУЭ сопротивление заземляющего устройства 110 кВ и выше должно быть 

< 
· Найдем напряжение:
Что
меньше допустимого значения 
· Определяем наибольший допустимый ток, стекающий с заземляющей
подстанций при однофазном КЗ:
Рисунок 8.2 Заземление подстанции
8.3 Расчет освещения подстанции в
ночное время
Технологический процесс на электрической станции, работающей
круглосуточно, не допускает перерывов в действии осветительной установки
основных цехов. В связи с этим предъявляются жесткие требования к обеспечению
надежного и бесперебойного питания светильников основных цехов электрической
станции.
Рабочее освещение является основным видом освещения и выполняется во всех
помещениях электрических подстанций, а также на открытых участках территории,
где в темное время суток производятся работы или происходит движение транспорта
и людей. Рабочее освещение должно создавать на рабочих поверхностях, в
помещении и на открытых участках территории освещенность.
Аварийное освещение предусматривается в тех помещениях, где не
допускается прекращение работы персонала или должна быть обеспечена безопасная
эвакуация людей при аварийном отключении рабочего освещения.
Произведем расчет освещения подстанции.
Для этого определяем:
· удельную мощность, потребляемую для освещения:
где m - коэффициент рассеивания
освещенности для светильников с лампами
ДРЛ (m=0,15);
Е - требуемая освещенность в ночное время (Е=4 лк);
k -
коэффициент запаса ( k=1,3).
· Площадь, которую необходимо осветить:
· Требуемая мощность прожекторов:
· Мощность одной лампы.
Принимаем
мощность лампы: 
Площадь подстанций должна освещаться 9 прожекторами типа ПЗР-1000, 6
прожекторов устанавливаются на молниеотводах, 3 на порталах.
8.4 Техника безопасности
Требования к персоналу.
· Порядок обучения и проверки знаний работающих должен соответствовать
«Руководящим указаниям по организации работы с персоналом на энергетических
предприятиях и в организациях».
· Рабочие и инженерно-технические работники, занятые на работах
с вредными и опасными условиями труда, должны проходить медицинский осмотр
порядке и в сроки, установленные Минздравом РК.
· Работники, обслуживающие электроустановки, должны знать
настоящие Правила в пределах занимаемой должности или профессии и иметь группу
по электробезопасности. Работнику, прошедшему проверку знаний Правил, выдается
удостоверение установленной формы, которое он обязан иметь при себе, находясь
на работе.
· Работники, обладающие правом проведения работ, к которым
предъявляются дополнительные требования по безопасности (специальных работ),
должны иметь об этом запись в удостоверении о проверке знаний.
К таким работам относятся:
верхолазные работы;
- работы под напряжением на токоведущих частях: чистка, обмыв и
замена изоляторов, ремонт проводов, контроль измерительной штангой изоляторов и
соединительных зажимов, смазка тросов;
обслуживание сосудов, работающих под давлением;
испытания оборудования повышенным напряжением (за исключением
работ с мегомметром);
Перечень специальных работ может быть дополнен указанием
руководства предприятия с учетом местных условий.
· Запрещается допуск лиц моложе 18 лет к работам.
· Работники, нарушившие настоящие Правила, несут
ответственность (дисциплинарную, административную или уголовную) согласно
действующему законодательству. Этим работникам руководством предприятия может
быть снижена группа по электробезопасности.
8.5 Экология. Охрана окружающей среды
Все стороны деятельности человечества, и в том числе природоохранная
деятельность, неразрывно связаны с производством и потреблением энергии, прежде
всего электрической. Однако резкий рост темпов развития энергетики, без
которого пока что немыслим научно-технический прогресс, ставит две важнейшие
проблемы, от успешного решения которых во многом зависит будущее человечества.
Модернизируемая подстанция, а также подходящие и отходящие ВЛ вредных
выбросов в атмосферу не производят.
С целью предотвращения загрязнения окружающей территории при аварийном
сбросе трансформаторного масла и предотвращения пожара, предусмотрено
сооружение закрытых масло приемных устройств.
Напряженность электрического поля в любой точке ПС не превышает 5 кВ/м,
поэтому в соответствии с СанПИН РК № 3.0.1.036-97 «Защита населения от
воздействия электрического поля, создаваемого воздушными линиями
электропередачи переменного тока промышленной частоты» и ГОСТ 12.4.154-85
«ССБТ. Устройства экранирующие для защиты от электрических полей промышленной
частоты. Общие технические требования, основные параметры и размеры», проектом
не предусматриваются экранирующие устройства для защиты работающих в ОРУ 110кВ
от электрических полей.
Территория в пределах отведенной под строительство подстанций
благоустраивается, сводная территория засевается многолетними травами.
Обслуживающий персонал обязан содержать оборудование и территорию в
чистом виде. Все утечки масла на оборудованиях должны устранятся, загрязненный
щебень должен промываться.
9. Технико-экономический расчет
· Затраты на обслуживание и эксплуатацию подстанции до предлагаемой в проекте
модернизации, в год:

тенге,
где
n = 728 у.ед. - количество оборудования, условно
принятое для одного присоединения;
Iс = 18000 тенге - удельные затраты на 1у.ед.
оборудования подстанции со старым оборудованием.
· Капиталовложения на приобретение и ввод в эксплуатацию новых предлагаемых
проектом выключателей:

тенге,
где
СЭВ= СЭВ×n =
1470000×6 = 8820000 тенге - стоимость элегазовых выключателей
типа ВБГ-110;
СЭВ
= 1470000 тенге - себестоимость одного элегазового выключателя.
N - количество
применяемых выключателей ;
СВВ35кВ
= СВВ35кВ ×n =
1388000×6 = 8328000 тенге - стоимость вакуумных выключателей
типа ВБН-35-20/1600УХ11;
СВВ35кВ
= 1388000 тенге - себестоимость одного вакуумного выключателя;
СВВ10кВ
= СВВ10кВ ×n = 1110000×15 = 16650000 тенге - стоимость вакуумных выключателей типа
ВВТЭ-10-10/630У2;
СВВ35кВ
= 1110000 тенге - себестоимость одного вакуумного выключателя;
Рн
= 0,16(СЭВ +
)= 0,16(
)=
5407680 тенге - накладные расходы на транспортировку ,погрузку, упаковку и пр.
(16% от общей стоимости выключателей);
Рм
= 0,4(СЭВ +
) = 0,4 (
) =
13519200 тенге - расходы на монтаж выключателей , равные 40% от их общей
стоимости.
· Затраты на обслуживание нового оборудования после его
установки снижаются за счёт уменьшения количества текущих и капитальных
ремонтов , так как согласно заводской инструкции капитальной ремонт
производиться после 12 лет эксплуатации:

тенге
в
результате модернизации количества оборудования, условно принятое для одного
присоединения снизиться до n= 480 у. ед., за счёт снятия с подстанции отделителей
и короткозамыкателей;
Удельные
затраты на 1у.ед. при новом оборудовании составляют 60 % от Jc:

тенге
· Экономическая эффективность составит:
где Ид - использование демонтированного оборудования для ремонтных нужд
других подстанций ( с амортизацией).
Отделитель - 3 комплекта: стоимость Сод= 3×60 000 = 180 000 тенге;
Фундаменты и закладные детали под отделители и короткозамыкатели согласно
НД-2000: Сф=9000 тенге/м3×3м3= 27 000 тенге ( по 0,5 м3 на каждый отделитель и
короткозамыкатель).

тенге
Тогда:

тенге
Окупаемость нового электрооборудования:

года
Заключение
В представленном дипломном проекте произвели модернизацию существующей
подстанций 110/35/10кВ Чингирлау.
Произвели выбор необходимого оборудования электрической части подстанций.
Рассмотрели специальные разделы, касающиеся охраны труда, охраны
окружающей среды, экономические обоснования, вопросы релейной защиты и
противоаварийной автоматики. Рассмотрели, кроме того, специальный вопрос,
посвященный разработке автоматического включения резервного питания. При
модернизации существующей подстанций 110/35/10кВ Чингирлау морально устаревшие
оборудование и аппаратура были заменены более современными их аналогами.
В целом, работа по своему содержанию, удовлетворяет объем поставленных
задач по умению самостоятельно и технически грамотно решать поставленные
инженерно-технические задачи с учетом требований ПУЭ и ПТЭ, пользованию
технической и справочной литературой, современной вычислительной техникой;
развитию навыков проведения самостоятельной работы и овладению методикой
расчетных исследований при решении разрабатываемых в дипломном проекте задач и
вопросов; систематизации, закреплении и расширении теоретических и практических
знаний по специальности.
резервный ток подстанция нагрузка
Список используемой литературы
1. Шабад,
М.А. Расчеты РЗ и А распределительных сетей: Монография / М.А. Шабад. - СПб. :
ПЭИпк, 2003.
2.
Овчинников, В.В. Защита электрических сетей 0,4-35кВ. /В.В. Овчинников. - М. :
Издательство редакции журнала Энергетик, 2002.
3. Басс, Э.И.
Релейная защита электроэнергетических систем / Э.И. Басс, В.Г. Дорогунцев; под
ред. А.Ф. Дьякова. - М. : Издательство МЭИ, 2002.
.
Чернобровов, Н.В. Релейная защита энергетических систем: учебное пособие для
техникумов / Н.В. Чернобровов, В.А. Семенов. - М. : Энергоатомиздат, 1998.
. Васильев,
А.А. Электрическая часть станций и подстанций /А.А. Васильев. М. :
Энергоатомиздат, 1990.
. Неклепаев,
Б.Н. Электрическая часть станций и подстанций /Б.Н. Неклепаев. - М. :
Энергоатомиздат, 1986.
.
Электротехнический справочник / под ред. В.Р. Герасимова. - М. :
Энергоатомиздат, 1985. - 1т.
. Алиев, И.И.
Справочник по электротехнике и электрооборудованию / И.И. Алиев. - М. : Высшая
школа, 2000.
. Неклепаев,
Б.Н. Электрическая часть электростанций и подстанций: Справочные материалы для
курсового и дипломного проектирование: учеб. пособ. / Б.Н. Неклепаев, И.П.
Крючков. - М. : Энергоатомиздат,1989.
. Правила
техники безопасности при эксплуатации электроустановок потребителей - :
Обязательны для всех потребителей электроэнергии независимо от их ведомственной
принадлежности и форм собственности. - 4-е изд. - СПб. : Изд-во Деан, 2000.
. Правила
технической эксплуатации электроустановок потребителей. - М. ИНФРА - М, 2006.
. Правила
технической эксплуатации электроустановок потребителей. 5-е изд. - Ростов н /Д.
: Феникс, 2006.
. Правила
технической эксплуатации электроустановок потребителей. -6-й выпуск. -
Новосибирск: Сиб. универ. изд-во, 2007.
. Правила
устройства электроустановок. -6-е изд., доп. и испр. - М. : Госэнергонадзор,
2000.
. Справочник
по электроснабжению промышленных предприятий. Электрооборудование и
автоматизация / Т. В. Анчарова [и др.]; под ред.
А.А. Федорова,
Г.В. Сербиновского. - 2-ое изд., перераб. и доп. - М. : Энергоиздат, 1981.
. Справочник
по проектированию электроснабжения / под ред. Ю.Г. Барыбина [и др.]. - М. :
Энергоатомиздат, 1990.
. Справочник
по проектированию электроснабжения /под ред. В.И. Круповича, Ю.Г. Барыбина,
М.Л. Самовера. -3-е изд., перераб. и доп. - М. : Энергия, 1980.
. Конюхова,
Е.А. Электроснабжение объектов / Е.А. Конюхова. - М. : Издательство Мастерство,
2002.
. Кудрин,
Б.И. Электроснабжение промышленных предприятий /Б.И. Кудрин. - М. :
Энергоатомиздат, 1995.
. Болотов,
А.В. Электротехнологические установки / А. В.Болотов, Г.А. Шепель. - М. :
Высшая школа, 1988.
. Веников,
В.А. Введение в специальность / В.А.Веников, Е.В. Путятин. - М. : Высшая школа.
Электроэнергетика, 1988.
. Идельчик,
В.И. Электрические системы и сети: Учебник для вузов / В.И. Идельчик. - М. :
Энергоатомиздат, 1989.