Повышение надежности бесперебойного электроснабжения потребителей
Содержание
ВВЕДЕНИЕ
. ОПИСАНИЕ ОБЪЕКТА И ПОСТАНОВКА ЗАДАЧИ ПРОЕКТИРОВАНИЯ
.1 Назначение и общая характеристика объекта
.2 Описание применяемой релейной защиты и автоматики
.3 Постановка задачи реконструкции
1.4 Выводы по главе 1
2. РАСЧЕТ И АНАЛИЗ РЕЖИМОВ РАБОТЫ ПОДСТАНЦИИ
2.1 Определение расчётных нагрузок потребителей ПС
110/35/6 кВ «Рассохинская»
.2 Выбор и обоснование контрольных точек расчёта и вида тока
короткого замыкания
2.3 Составление расчётной схемы и схемы замещения
2.4 Расчёт токов короткого замыкания в рассматриваемых точках
системы электроснабжения
2.5 Расчет токов короткого замыкания на отходящих линиях
.6 Выводы по главе 2
. ВЫБОР УСТРОЙСТВ РЕЛЕЙНОЙ ЗАЩИТЫ И АВТОМАТИКИ
.1 Общие сведения о микропроцессорных защитах
.2 Выбор микропроцессорных терминалов защит системы
электроснабжения
3.3 Выбор вида и типа защит элементов системы
электроснабжения ПС «Рассохинская»
3.4 Расчёт и выбор уставок МТЗ и токовой отсечки
.4.1 Расчет токовой отсечки
.4.2 Расчет максимальной токовой защиты
.4.3 Выполнение уставок на устройстве
.5 Расчет защит трансформатора
3.5.1 Расчет уставок МТЗ, перегруза, перегрева трансформатора
и блокировки регулирования под напряжением
3.5.2 Расчёт дифференциальной защиты трансформатора
.6 Противоаварийная автоматика
.7 Выводы по главе 3
Заключение
Список использованной литературы
Приложения на компакт-диске
Перечень используемых условных сокращений
ВЛ - воздушная линия
ПС - подстанция
ОРУ - открытое распределительное устройство
ЗРУ - закрытое распределительное устройство
ТСН - трансформатор собственных нужд
РЗиА - релейная защита и автоматика
КЗ - короткое замыкание
МТЗ - максимальная токовая защита
ТО - токовая отсечка
ДЗТ - дифференциальная защита трансформатора
ФННП - фильтр напряжения нулевой последовательности
ОЗЗ - однофазные замыкания на землю
АПВ - автоматика повторного включения
АВР - автоматическое включение резерва
АЧР - автоматическая частотная разгрузка
ЧАПВ - частотная автоматика повторного включения
ЭЭС - электроэнергетическая система
ТН - трансформатор напряжения
АСУ - автоматизированные системы управления
МУРЗ - микропроцессорные устройства релейной защиты
ПО - программное обеспечение
ЭДС - электродвижущая сила
ОЛ - отходящая линия
ЗНЗ - защита от замыканий на землю
ПО - программное обеспечение
ВВЕДЕНИЕ
Назначение релейной защиты и автоматики заключается в постоянном контроле
за работой систем электроснабжения, обнаружении поврежденных участков и их
быстром отключении, либо информировании персонала о повреждении или
ненормальном режиме. Релейная защита должна удовлетворять требованиям,
основными из которых являются быстродействие, селективность, чувствительность и
надежность.
Одна из острых проблем российской электроэнергетики - поддержание в
работоспособном состоянии действующих систем РЗиА. С этой глобальной задачей
связан еще целый ряд частных вопросов, касающихся темпов замены
электромеханических реле микропроцессорными, появления новых алгоритмов работы
микропроцессорных защит, разработка систем РЗиА нового поколения, наконец,
перспектив и трудностей внедрения на подстанциях устройств, поддерживающих
современные протоколы обмена данными.
На сегодняшний день в энергосистемах в эксплуатации находится
значительное количество подстанций, с устройствами РЗиА выполненными на
устаревшей электромеханической релейной аппаратуре. Эта аппаратура физически
изношена, ее характеристики значительно отстают от современных требований по
точности, энергопотреблению, возможности работать в экстремальных аварийных
условиях [1].
Целью выпускной квалификационной работы является реконструкция релейной
защиты и автоматики на ПС 110/35/6 кВ «Рассохинская», главным потребителем
которой является предприятие «Водоочистные сооружения Старая Чусовая».
Реконструкция выполняется в рамках инвестиционной программы филиала ОАО «МРСК
Урала» - «Пермэнерго» «Реконструкции подстанций в городе Перми».
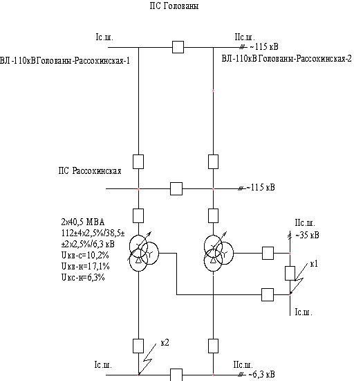
1. ОПИСАНИЕ ОБЪЕКТА И ПОСТАНОВКА ЗАДАЧИ ПРОЕКТИРОВАНИЯ
1.1 Общая характеристика ПС Рассохинская
Объектом исследования является подстанция 110/35/6 кВ Рассохинская,
находящаяся в ведомстве производственного отделения Пермские городские
электрические сети филиала ОАО «МРСК-Урала»- «Пермэнерго». Подстанция находится
на территории Орджоникидзевского района г. Перми.
Функционально подстанция представляет собой электроустановку для приема,
преобразования и распределения электрической энергии. Питание подстанции
осуществляется с двух воздушных линий: ВЛ-110 кВ «Голованы - Рассохинская-1» и
ВЛ-110 кВ «Голованы - Рассохинская-2». Со стороны среднего напряжения отходящие
линии предназначены для питания ПС «Река». Отходящие фидера по стороне
напряжения 6 кВ предназначены для питания трансформаторных подстанций и
распределительных пунктов предприятия «Водоочистные сооружения Старая Чусовая».
Конструктивно подстанция состоит из ОРУ-110 кВ, ЗРУ-6 кВ и помещения щита
управления. На подстанции установлено два силовых трехобмоточных трансформатора
типа ТДТН-40500/110 мощностью 40500 кВА.
Обмотки сторон 110 и 35 кВ трансформатора имеют схему
соединения звезда, а обмотка стороны 6 кВ соединена в треугольник. Каждая
сторона напряжения подстанции состоит из двух секций шин, соединенных между
собой через секционные масленые выключатели соответственно, согласно классам
напряжения. По стороне 110 кВ установлены масленые выключатели серии ВМТ-110 с
приводами типа ППРК. По стороне 35 кВ выключатели С-35М с приводами ПЭМУ-500.
По стороне 6 кВ - ВМЭ-10 с приводами ПЭ-11, кроме того в реконструированных
ячейках 6 кВ установлены вакуумные выключатели BB/TEL-10.
Трансформаторы тока на подстанции установлены по трехфазной схеме с
каждой стороны от выключателя. Трансформаторы тока предназначены для измерения
величины электрического тока и его преобразования (гальванической развязки) во
вторичные цепи релейной защиты. На стороне 110 кВ это трансформаторы серии
ТФЗМ-110, на стороне 35 кВ серии ТФЗМ-35, а на стороне 6 кВ серии ТПОЛ-10.
Источниками питания собственных нужд служат два трансформатора ТМ мощностью 180
кВА. Цепи измерения и учета электроэнергии питаются от трансформаторов
напряжения типа НКФ-110, ЗНОМ-35 и НАМИ-6.
Для обеспечения безопасного проведения работ, на шинах подстанции, на
питающих и отходящих линиях всех классов напряжений установлены разъединители
(шинные, линейные) и заземляющие ножи различных типов.
1.2 Анализ существующей схемы электроснабжения и
режимов электропотребления
В настоящее время ПС Рассохинская 110/35/6кВ установлены два
трехобмоточных силовых трансформатора типа ТДТН-40500/110 мощностью 40500 кВА. В нормальном режиме они работают раздельно.
Для защиты силовых трансформаторов применены следующие виды основной защиты.
· Дифференциальная защита (ДЗТ) - мгновенная защита обмоток,
вводов и ошиновок трансформатора, а также замыканий на землю. Принцип действия
защиты основан на сравнении величин и направлений токов до и после защищаемого
элемента. В настоящий момент реализована на электромеханических реле ДЗТ-11.
· Действие газовой защиты (ГЗ) основано на том, что всякие,
даже незначительные, повреждения, а также повышенные нагревы внутри бака
трансформатора вызывают разложение масла и органической изоляции, что сопровождается
выделением газа. Интенсивность газообразования и химический состав газа зависят
от характера и размеров повреждения. Газовая защита является наиболее
чувствительной защитой трансформаторов от внутренних повреждений, в частности
на межвитковые замыкания [2]. При слабом газообразовании - газовое реле
работает на сигнал диспетчеру и при интенсивном - на отключение.
К резервной защите трансформатора относится защита от сверхтоков -
максимальная токовая защита, предназначенная для отключения выключателей
трансформатора при коротких замыканиях вне зоны действия основной защиты.
Защита от перегрузки и перегрева. Перегрузка трансформаторов обычно
бывает симметричной. Поэтому защита от перегрузки выполняется с помощью МТЗ,
включенной на ток одной фазы. Перегрев трансформатора срабатывает при
достижении температуры масла 95 0С. На трансформаторе установлен датчик
температуры ТС (термосигнализатор), на котором выставляется уставка по
перегреву Защита действует с выдержкой времени на сигнал (ШЗП).
Кроме того, имеется защита, включающая вентиляторы охлаждения при
увеличении тока выше уставки 0,7Iн
(где Iн - номинальный ток трансформатора) и
повышению температуры масла трансформатора выше 55
Для защиты отходящих линий 35 и 6 кВ предусмотрены такие защиты как: токовая
отсечка (защита от токов КЗ без выдержки времени), максимальная токовая защита
(защита от токов КЗ с выдержкой времени) с действием на отключение выключателя
и защита замыканий на землю с действием на сигнал.
На каждой секции шин 6 кВ установлен контроль изоляции фиксирует
возникновение ОЗЗ в контролируемой сети по появлению напряжения 3U0. Для выполнения устройства контроля
изоляции в качестве фильтра напряжения НП (ФННП), используются трехфазные
трансформаторы напряжения с двумя вторичными обмотками, одна из которых
соединена по схеме звезды, а вторая по схеме разомкнутого треугольника.
Вторичная обмотка, соединенная по схеме разомкнутого треугольника, образует
ФННП. При появлении напряжения 3U0 в
сети срабатывает реле напряжения, которое в свою очередь обеспечивает подачу
звукового и светового сигналов и посредством телемеханики отправляет сигнал
диспетчеру.
В качестве противоаварийной автоматики в ЗРУ-6 кВ установлена
автоматическая частотная разгрузка (АЧР), отключающая менее ответственных
потребителей при снижении частоты сети в ненормальном или аварийном режиме
работы электроустановки. После восстановления частоты сети, потребители
автоматически включаются в работу с помощью частотной автоматики повторного
включения (ЧАПВ).
Кроме того на подстанции предусмотрено автоматическое повторное включение
(АПВ) и автоматический ввод резерва (АВР). АПВ используется на воздушных линиях
35 и 6 кВ. АВР предусмотрен на стороне 35кВ и 6кВ.
Вторичные цепи подстанции выполнены на постоянном оперативном токе
напряжения 220 В. Питание вторичных цепей осуществляется от двух
трансформаторов собственных нужд 6/0,4 кВ (по одному на каждую секцию шин). Для
резервирования вторичных цепей предусмотрено кольцевание цепей защит в ячейке
секционного разъединителя.
Устройство центральной сигнализации предусматривает индивидуальную
световую и общую звуковую предупреждающую и аварийную сигнализацию с передачей
на диспетчерский пункт.
1.3 Постановка задачи реконструкции
В процессе эксплуатации электрические аппараты изнашиваются и устаревают.
Износ аппаратов условно можно подразделить на: механический (следствием
длительных или переменных воздействий на отдельные части или детали в процессе
эксплуатации аппаратов и устройств, происходит изменение их первоначальных
характеристик), электрический (невосстанавливаемая потеря изоляционных свойств
электроизоляционными материалами электрических аппаратов) и моральный износ
(закономерное явление, которое обусловлено развитием науки и непрерывным
техническим прогрессом) [3].
С момента ввода подстанции в эксплуатацию реконструкция систем защит
практически не проводилась. Реконструкции подвергалось лишь силовое
оборудование (трансформаторы тока, выключатели и т.д.). Эксплуатация морально
устаревших комплексов релейной защиты может привести к ложным срабатываниям
защит, отказу срабатывания. В дальнейшем это может привести к возникновению
опасных аварийных ситуаций и снижению надёжности функционирования ЭЭС в целом.
Изношенность оборудования не позволяет добиться высокой точности,
быстродействия, требует значительных капиталовложений и трудозатрат на
техническое обслуживание. Электромеханическая аппаратура занимает слишком много
места и требует мощных источников питания оперативным током, вследствие своего
значительного потребления энергии.
Вопрос замены устаревшего электромеханического оборудования систем
релейной защиты и автоматики ПС «Рассохинская» на современные микропроцессорные
устройства считаю актуальным. Переход на новую элементную базу не приведет к
изменению принципов релейной защиты и электроавтоматики, а только расширит ее
функциональные возможности, упростит эксплуатацию и снизит ее стоимость.
Основные преимущества микропроцессорных устройств над
электромеханическими являются:
· снижение потребляемой мощности от измерительных трансформаторов;
· аппаратная погрешность от 2 до 5 %;
· коэффициент возврата 0,96 - 0,97;
· низкие эксплуатационные затраты;
· снижение затрат на ремонт первичного оборудования;
· возможность выполнения диагностики первичного оборудования;
· значительное снижение габаритов, веса;
· многофункциональность (защита, управление, измерения и
сигнализация);
· высокая надежность и готовность;
· стыковка с современными АСУ;
· дистанционное управление и контроль;
· дополнительные важные функции (регистратор событий, фиксация времени
аварий);
· реализация функций автоматики, различных алгоритмов
функционирования;
· регистрация аварийных параметров тока, напряжения.
1.4 Выводы по главе 1
В данной главе была рассмотрена общая характеристика ПС 110/35/6 кВ ПС
«Рассохинская». Реконструируемая подстанция находится в ведомстве
производственного отделения Пермские городские электрические сети филиала ОАО
«МРСК-Урала»- «Пермэнерго». Подстанция находится на территории
Орджоникидзевского района г. Перми. Подстанция предназначена для питания
трансформаторных подстанций и распределительных пунктов предприятия
«Водоочистные сооружения Старая Чусовая».
Питание подстанции осуществляется с двух воздушных линий: ВЛ-110 кВ
«Голованы - Рассохинская-1» и ВЛ-110 кВ «Голованы - Рассохинская-2».
В главе проведён анализ существующей системы электроснабжения до
реконструкции, описано установленное на подстанции оборудование.
Также отмечены основные требования, предъявляемые к электрическим сетям и
возможные ситуации при отказе от реконструкции.
2. РАСЧЁТ И АНАЛИЗ РЕЖИМОВ РАБОТЫ ПОДСТАНЦИИ
2.1 Определение расчётных нагрузок потребителей
ПС 110/35/6 кВ «Рассохинская»
Определение электрических нагрузок является первым этапом проектирования
любой системы электроснабжения. Значения электрических нагрузок определяют
выбор всех элементов и технико-экономические показатели проектируемой системы
электроснабжения. От правильной оценки ожидаемых нагрузок зависят капитальные
затраты в схеме электроснабжения, расход цветного металла, потери
электроэнергии и эксплуатационные расходы, а также надежность работы
электрооборудования.
Подстанция «Рассохинская» является действующей, следовательно,
электрические нагрузки на каждом из присоединений нам уже известны. Данные по
нагрузкам сведены в таблицу А1.
2.2 Выбор и обоснование контрольных точек
расчёта и вида тока короткого замыкания
Для снижения ущерба, обусловленного выходом из строя электрооборудования
при протекании токов КЗ, а также для быстрого восстановления нормального режима
работы СЭС необходимо правильно определять токи КЗ и по ним выбирать
электрооборудование, защитную аппаратуру и средства ограничения токов КЗ. Кроме
этого, расчет токов короткого замыкания необходим и для оценки условий работы
потребителей в аварийных режимах; для проверки аппаратов и проводников по
условиям электродинамической и термической стойкости; проектирования и
настройки устройств релейной защиты и автоматики; сопоставления, оценки и
выбора схемы электрических соединений; определение влияния линий
электропередачи на линии связи; анализа аварий [4].
Места расположения точек КЗ выбирают таким образом, чтобы при КЗ
проверяемое электрооборудование, проводники находились в наиболее
неблагоприятных условиях. Места расположения точек КЗ при расчётах релейной
защиты определяют по ее назначению - в начале или конце защищаемого участка.
Место короткого замыкания выбирается из следующих соображений:
1) Ток КЗ должен проходить по ветвям, для которых выбирается
аппаратура или рассчитываются параметры релейной защиты;
) Для определения наибольшего значения тока КЗ при данном режиме
место короткого замыкания выбирается у места установки защиты (в начале линии,
до трансформатора и т.д., считая от источника питания). Для определения
наименьшего значения тока КЗ место короткого замыкания выбирается в конце
защищаемого участка или в конце следующего (резервируемого) участка для
проверки резервирующего действия защиты;
) Для согласования чувствительности двух устройств релейной защиты
место короткого замыкания выбирается в конце зоны действия того устройства, с
которым ведётся согласование;
Для определения коэффициентов распределения место короткого замыкания
выбирается в конце участка, следующего за узлом, в котором «происходит подпитка
или распределение токов КЗ».
Выбор вида КЗ в расчётах релейной защиты определяется её функциональным
назначением и может быть трёх-, двух-, однофазным и двухфазным КЗ на землю. Для
определения электродинамической стойкости аппаратов и жестких шин в качестве
расчётного принимают трёхфазное КЗ; для определения термической стойкости
аппаратов, проводников - трёхфазное или двухфазное КЗ в зависимости от тока.
Проверку отключающей и включающей способностей аппаратов проводят по
трёхфазному или по однофазному току КЗ на землю (в сетях с большими токами
замыкания на землю) в зависимости от его значения. Трёхфазные КЗ являются
симметричными, так как в этом случае все фазы находятся в одинаковых условиях,
все остальные виды КЗ являются несимметричными, поскольку при каждом их них
фазы находятся не в одинаковых условиях и значения токов и напряжений в той или
иной мере искажаются.
Для расчета релейной защиты нам необходимо произвести расчёт токов КЗ на
шинах 110, 35, 6 кВ и на отходящих фидерах, причем необходимым и достаточным
условием является расчет трёх- и двухфазных токов короткого замыкания [8].
2.3 Составление расчётной схемы и схемы замещения
Схемой замещения называют электрическую схему, составленную по данным
расчётной схемы, в которой все электрические и магнитные (трансформаторные)
связи представлены электрическими сопротивлениями. При расчётах токов короткого
замыкания (КЗ) генерирующие источники (энергосистема, генераторы,
электродвигатели) вводятся в схему соответствующими ЭДС, а пассивные элементы,
по которым проходит ток короткого замыкания, индуктивными с указаниями их параметров,
влияющих на величину тока короткого замыкания. Параметры элементов схем
замещения можно определять в именованных или в относительных единицах при
базисных условиях. При расчётах в именованных единицах все сопротивления схемы
должны быть выражены в Омах и приведены к одному базовому напряжению (к
среднему напряжению одной электрической ступени). Такое приведение необходимо,
если между источником и точкой КЗ имеется одна или несколько ступеней
трансформации [7].
2.4 Расчёт токов короткого замыкания в
рассматриваемых точках системы электроснабжения
При расчётах тока короткого замыкания в сетях 0,4 - 220 кВ используют
приближённый метод. Поэтому при выполнении расчётов не учитывают:
1. Сдвиг по фазе ЭДС и измерение частоты вращения роторов синхронных машин.
2. Ток намагничивания трансформаторов.
. Насыщение магнитных систем генераторов, трансформаторов и
электродвигателей.
. Емкостную проводимость воздушных и кабельных линий.
. Возможную несимметрию трёхфазной системы.
. Генерирующие мощности энергосистемы рассматриваются как единый
источник бесконечной мощности, то есть при коротких замыканиях на шинах
подстанции сохраняется симметричная неизменная по величине трёхфазная система
напряжений с сопротивлением Xc.
. Влияние недвигательной нагрузки на токи коротких замыканий.
. Подпитку места короткого замыкания со стороны электродвигателей
напряжением до 1 кВ при расчёте токов короткого замыкания в сети напряжением
выше 1 кВ.
9. Отсутствие
учёта активных сопротивлений, если они не превышают 30 % от индуктивных (в
электроустановках напряжением выше 1 кВ условие
как
правило выполняется);
. Различие
значений сверхпереходных сопротивлений по продольной и поперечной осям
синхронных машин.
Для трансформаторов, высоковольтных линий и коротких участков
распределительной сети обычно учитывают только индуктивные сопротивления. При
значительной протяженности сети (кабельной и воздушной) учитываются так же их
активные сопротивления
Активное сопротивление линии, выражаемое в Ом/км, учитывается при их
большом удельном сопротивлении и в расчете определяются по выбранному сечению
или находятся по справочным таблицам [7].
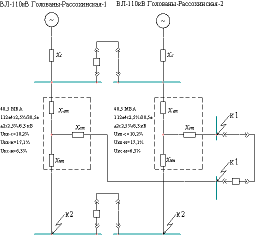
Расчетная схема будет выглядеть следующим образом (рис. 1), расчет ведем
исходя из токов КЗ на шинах 110 кВ. За основные точки короткого замыкания
принимаем точки на шинах 110, 35 и 6 кВ. Расчёт ведём в именованных единицах,
активным сопротивлением пренебрегаем.
Рисунок
1 - Расчетная схема для определения токов КЗ
При расчёте токов КЗ в максимальном и минимальном режимах все величины
сравниваются с базисными, в качестве которых принимаем базисную мощность SБ и базисное напряжение UБ за базисную мощность принимаем
мощность одного трансформатора ПС «Расохинская» 110/35/6 кВ SБ = 40,5 МВА. В качестве базисного
напряжения принимаем среднее напряжение той ступени, на которой имеет место КЗ
(в нашем случае UБ = 6,3; 38,5;
112;). Схема замещения для определения точек КЗ показана на рисунке 2.
Рисунок 2 - Схема замещения для определения токов КЗ
Расчет производим в соответствии с методикой [7].
Напряжение короткого замыкания стороны 110, 35, 6 кВ:
%;
%;
%.
Максимальное
и минимальное сопротивление обмоток трансформатора:
; (1)
кВ;
; (2)
кВ.
Максимальное
сопротивление обмотки трансформатора 110, 35, 6 кВ:
Ом;
Ом;
Ом.
Минимальное
сопротивление обмотки трансформатора 110, 35 и 6 кВ:
Ом;
Ом;
Ом.
Максимальное
и минимальное сопротивление обмоток 110-35, 110-6 кВ:
Ом;
Ом;
Ом;
Ом.
Расчет
токов короткого замыкания на I секции шин 35 кВ
Максимальные
и минимальные токи короткого замыкания, приведённые к стороне 110 кВ:
· для трехфазного короткого замыкания:
А;
А.
· для двухфазного короткого замыкания:
А;
А.
Максимальные
и минимальные токи короткого замыкания на секции шин 35 кВ:
· для трехфазного короткого замыкания:
А;
А.
· для двухфазного короткого замыкания:
А;
А.
Расчет
токов короткого замыкания на II секции шин 35 кВ выполняется аналогично.
Расчет
токов короткого замыкания на I секции шин 6 кВ
Максимальные
и минимальные токи короткого замыкания, приведённые к стороне 110 кВ.
· для трехфазного короткого замыкания:
А;
А.
· для двухфазного короткого замыкания:
А;
А.
Максимальные
и минимальные токи короткого замыкания на секции шин 6 кВ:
для
трехфазного короткого замыкания:
А;
А.
для
двухфазного короткого замыкания:
А;
А.
Расчет
токов короткого замыкания на II секции шин 6 кВ выполняется аналогично.
2.5 Расчет токов короткого замыкания на отходящих
линиях
При
расчетах токов короткого замыкания на отходящих линиях, было принято решение:
рассчитать токи КЗ для отходящих линий 6 кВ, так как с того момента как были
рассчитаны уставки для защит этих линий прошло много времени и нагрузки на
некоторых присоединениях стали больше.
Рассмотрим
расчет токов короткого замыкания для двух различных линий. Расчеты остальных
линий рассматриваться не будут, ввиду того, что расчеты для остальных линий
будут аналогичны. На рисунке 3 изображена принципиальная схема замещения
отходящих линий.
Расчет
линии к ТП-82 (ф. № 1 Озонирование-1)
Определим
индуктивное сопротивление трансформатора [4]:
; (3)
Ом.
Где
- потери короткого замыкания трансформатора;
Рисунок
3 - Принципиальная схема замещения отходящих линий 6 кВ
Ом;
Ом.
Определим
максимальный и минимальный токи короткого замыкания для трехфазного короткого
замыкания:
А;
А.
Где
и
-
максимальное и минимальное индуктивное сопротивление сети.
Ом;
Ом.
Для
двухфазного короткого замыкания:
А;
А;
Расчет
линии к РП-55 (ф. № 10)
Определяем
сопротивление кабельной линии :
Активное
сопротивление алюминиевого кабеля rк =0,129 Ом/км;
Индуктивное
сопротивление алюминиевого кабеля хк = 0,071 Ом/км;
Ом;
Ом.
Сопротивление
кабельной линии равно:
Ом.
Определим
суммарное сопротивление кабельной линии и сети:
Ом;
Ом.
Определим
максимальный и минимальный токи короткого замыкания
для
трехфазного короткого замыкания:
А;
А.
для
двухфазного короткого замыкания:
А;
А.
2.6 Выводы по главе 2
Подстанция «Рассохинская» является действующей, следовательно,
электрические нагрузки на каждом из присоединений нам уже известны.
В данной главе были выбраны и просчитаны точки короткого замыкания, т.е.
такие точки, в которых электрооборудование, проводники находятся в наиболее
неблагоприятных условиях. Произведены расчеты коротких замыканий с целью
определения токов, протекающих по участкам сети в максимальном режиме и в
минимальном режиме.
Токи короткого замыкания в дальнейшем необходимы для выбора
электрооборудования, для расчета уставок релейной защиты и противоаварийной
автоматики.
3. ВЫБОР
УСТРОЙСТВ РЕЛЕЙНОЙ ЗАЩИТЫ И АВТОМАТИКИ
3.1 Общие сведения о микропроцессорных защитах
Прогресс в развитии электромеханических реле был полностью остановлен
30-35 лет тому назад в связи с тем, что все усилия разработчиков были
направлены на создание электронных, а затем и микропроцессорных защит.
Применение микропроцессоров и микро-ЭВМ для выполнения функций релейной
защиты обусловлено их широкими функциональными возможностями, обеспечивающими
создание защит нового поколения практически любой сложности и высокой
надежности.
Цифровые реле защиты обладают многими замечательными свойствами, которые
и определяют их преимущества в сравнении с традиционными аналоговыми реле,
электромеханическими и полупроводниковыми. К этим достоинствам в первую очередь
следует отнести:
· самодиагностика;
· совмещение функций управления, контроля и защиты
электроустановок в одном микропроцессорном блоке;
· ускорение отключения коротких замыканий (0,15 - 0,2 с);
· сокращение расходов при сооружении энергетических объектов и
при их обслуживании;
· обеспечение безопасности оперативного и релейного персонала
за счёт возможности дистанционного обслуживания.
Из этого, далеко неполного, перечня достоинств цифровой техники защиты и
управления видно, на сколько желательны и важны практические освоения новейшей
техники релейной защиты и автоматики (РЗиА) и её программного обеспечения [3].
3.2 Выбор микропроцессорных терминалов защит для системы
электроснабжения
Сегодня на рынке микропроцессорных устройств релейной защиты (МУРЗ)
присутствуют сотни моделей десятков различных производителей. Лидерами в
производстве новейшей микропроцессорной техники РЗиА являются европейские
концерны Alston, ABB, Areva,
Siemens, General Electric, Schneider. Цифровые защиты, выпускаемые этими
фирмами, имеют высокую стоимость, которая впрочем, окупается их высокими
техническими характеристиками и многофункциональностью.
Терминалы Micom - самый
доступный выбор, они сочетают в себе все необходимые функции защит. Sepam - возможность выбора в широком ценовом
диапазоне и последующего расширения до необходимого объема функций. ABB - здесь мы имеем 2 варианта решения.
Либо достаточно дешевые терминалы SPAC с необходимым набором защит, но минимумом дополнительных функций. Либо
самые дорогие, но продвинутые защиты на базе Ref 542plus с
возможностью гибкой настройки и массой дополнительных функций.
Для выполнения защит на ПС 110/35/6кВ «Рассохинская» выбраны следующие
модификации терминалов Micom:
. Защита трансформатора - P633 ;
. Защита линия 6 кВ - Р123;
3.3 Выбор вида и типа защит элементов системы
электроснабжения ПС «Рассохинская»
Согласно главы № 3 ПУЭ [11], электроустановки должны быть оборудованы
устройствами релейной защиты, предназначенными для:
. Автоматического отключения поврежденного элемента от остальной,
неповрежденной части электрической системы (электроустановки) с помощью
выключателей; если повреждение (например, замыкание на землю в сетях с
изолированной нейтралью) непосредственно не нарушает работу электрической
системы, допускается действие релейной защиты только на сигнал.
. Реагирования на опасные, ненормальные режимы работы элементов
электрической системы (например, перегрузку, повышение напряжения в обмотке
статора гидрогенератора); в зависимости от режима работы и условий эксплуатации
электроустановки релейная защита должна быть выполнена с действием на сигнал
или на отключение тех элементов, оставление которых в работе может привести к
возникновению повреждения.
Устройства релейной защиты должны обеспечивать наименьшее возможное время
отключения КЗ в целях сохранения бесперебойной работы неповрежденной части
системы (устойчивая работа электрической системы и электроустановок
потребителей, обеспечение возможности восстановления нормальной работы путем
успешного действия АПВ и АВР, самозапуска электродвигателей, втягивания в
синхронизм и пр.) и ограничения области и степени повреждения элемента.
Защиты, выполненные на ПС Рассохинская, соответствуют требованиям Правил
устройства электроустановок. В данной ВКР главной задачей является замена
устаревших электромеханических и электронных систем на микропроцессорные, при
этом виды защит остаются прежними.
релейный защита автоматика электроснабжение
3.4 Расчёт и выбор уставок МТЗ и токовой отсечки
Ток срабатывания максимальной токовой защиты выбирается с учетом
следующих соображений: отстройка от максимально возможного тока нагрузки,
согласование защиты по току с защитами последующих элементов, обеспечение
необходимой чувствительности.
Выдержка времени выбирается, исходя из условия согласования с выдержкой
времени последующей защиты. Первая ступень защиты может быть выбрана с
зависимой или независимой от тока характеристикой выдержки времени [6].
3.4.1 Расчёт токовой отсечки
Отсечка является разновидность токовой защиты, позволяющей обеспечить
быстрое отключение короткого замыкания. Токовые отсечки подразделяются на
отсечки мгновенного действия и отсечки с выдержкой времени (порядка 0,3 - 0,6
сек).
Селективность действия токовых отсечек достигается ограничением их зоны
работы так, чтобы отсечка не действовала при коротких замыканиях на смежных
участках сети, защита которых имеет выдержку времени, равную или больше, чем
отсечка. Для этого ток срабатывания отсечки должен быть больше максимального
тока короткого замыкания, проходящего через защиту при повреждении в конце
выбранной зоны действия [12]:
≥
.
(4)
Коэффициент
надёжности
для токовых отсечек без выдержки времени,
установленных на линии электропередачи и понижающих трансформаторах, при
использовании цифровых реле, в том числе Micom, может
приниматься в пределах от 1,1 до 1,15.
Еще одним условием выбора токовой отсечки, является отстройка от суммарного
броска тока намагничивания трансформаторов, подключенных к линии. Эти броски
тока возникают в момент включения под напряжение ненагруженного трансформатора
и могут первые несколько периодов превышать номинальный ток в 5 - 7 раз. При
включении линии под напряжение при выдержке времени отсечки порядка 0,05с. ток
срабатывания отсечки должен быть равен пяти суммарным номинальным токам:
≥
. (5)
Если
это последнее условие оказывается расчетным, следует попытаться использовать
загрубление на время включения.
Проверка
чувствительности защиты:
ПУЭ
требуют для токовых защит коэффициент чувствительности 1,5 при коротких
замыканиях на защищаемом оборудовании, и 1,2 в зоне резервирования. Коэффициент
чувствительности определяется по выражению:
. (6)
Данные
по расчёту уставок токовой отсечки сведены в таблицу Б.1.
.4.2 Расчёт максимальной токовой защиты
Максимальные токовые защиты являются основным видом защит для сетей с
односторонним питанием и должны устанавливаться в начале каждой линии со
стороны источника питания. При таком расположении защит каждая линия имеет
самостоятельную защиту, отключающую линию в случае повреждения на ней самой или
на шинах питающейся от нее подстанции.
Принцип действия МТЗ основан на том, что при возникновении КЗ ток
увеличивается и начинает превышать ток нагрузочного режима. Селективность
действия при этом достигается выбором выдержек времени.
Для
того чтобы защита работала при КЗ и не работала в нормальных режимах необходимо
определять ток срабатывания защиты -
.
- это
наименьший первичный ток, необходимый для действия защиты. При этом необходимо
обеспечить несрабатывание МТЗ при максимальных токах (
) и пусковых токов (
)
нагрузки. Для этого необходимо выполнение следующих условий:
.
- пусковые органы защит не должны приходить в
действие при максимальном рабочем токе нагрузки;
. Пусковые
органы защиты, пришедшие в действие при внешнем КЗ, должны вернуться в исходное
состояние после его отключения и снижения до Imaxнагр. Для
выполнения этого условия ток возврата защиты
должен
удовлетворять требованию
, где
-
коэффициент самозапуска двигательной нагрузки, учитывает возрастание тока при
самозапуске двигателей,
.
Токи
и
связаны
коэффициентом возврата
:
, (7)
где
, для МТЗ на цифровых реле
.
При
выполнении условия 2 всегда выполняется условие 1, поэтому выражение для
определения
можно получить следующим образом:
, (8)
где
- коэффициент надёжности, учитывает погрешность в
определении
, при использовании цифровых реле, в том числе Micom,
может приниматься в пределах от 1,1 до 1,15.
. (9)
Зная
величину
, можно определить
- ток
срабатывания реле, как ток
,
пересчитанный на вторичную обмотку ТТ
, где
- коэффициент схемы, зависящий от схемы соединения ТТ
и обмоток реле и равный отношению тока в реле ко вторичному току ТТ;
- коэффициент трансформации ТТ. По рассчитанному
значению
определяют
- ток
уставки. У части токовых реле
регулируется
плавно, у других - ступенчато, при этом округление
до
производится
в большую сторону.
При расчете значений уставок для защит было выявлено, что полученные
данные несколько ниже существующих. Связано это с тем, что уставки были
согласованы с уставками выполненными на трансформаторных подстанциях и
распределительных пунктах потребителей. Поэтому было принято решение оставить
существующие уставки защит.
Данные по расчёту уставок максимальной токовой защиты для I с.ш. сведены в таблицу Б.2, для II с.ш. - в таблицу Б.3.
3.4.3 Выполнение уставок на устройстве
Токи срабатывания защиты МТЗ должны быть пересчитаны в доли номинального
тока реле или номинального вторичного тока трансформатора.
Если уставки защиты выбраны в первичном токе, то они должны быть
приведены к напряжению, где установлена защита, а затем определен относительный
вторичный ток срабатывания реле, делением первичного тока срабатывания на
первичный ток трансформатора тока соответствующей стороны [6]:
>>=
. (10)
Если
уставки защиты выбраны в относительных единицах к номинальному току
соответствующей стороны, должен быть определен относительный вторичный ток
срабатывания, умножением относительного тока срабатывания на базисный ток этой
стороны:
>>=
. (11)
Базисный
ток (коэффициент) на каждой стороне трансформатора
- отношение номинального тока соответствующей стороны
трансформатора к номинальному первичному току трансформатора тока этой стороны:
. (12)
3.5 Расчет защит трансформатора
.5.1 Расчет уставок МТЗ, перегруза, перегрева трансформатора и
блокировки регулирования под напряжением
Формулы применяемые для расчета этих защит аналогичны друг другу и были
рассмотрены в главе 3.4.2.
Данные по расчёту уставок сведены в таблицу Б.4.
3.5.2 Расчёт дифференциальной защиты трансформатора
Для реализации дифференциальной защиты трансформатора было выбрано
микропроцессорное устройство Micom
Р633. Дифференциальная защита трансформатора использует 3 комплекта
трансформаторов тока, расположенных со всех трёх сторон трансформатора. Так как
вторичные токи ТТ на стороне низшего напряжения защищаемого трансформатора
отстают от вторичных токов ТТ на стороне его высшего напряжения на угол,
соответствующий группе соединения обмоток защищаемого трансформатора, в обычно
применяемых дифференциальных защитах компенсируют токи путем включения
вторичных обмоток в схему соответствующую группе соединений. На стороне
трансформатора соединенной в звезду вторичные обмотки соединяют в треугольник,
а на стороне треугольника трансформаторы тока соединяют в звезду.
В
устройстве Micom Р633 согласование групп соединений осуществляется
математически. Трансформаторы тока на всех сторонах собираются в звезду, что
уменьшает погрешность трансформаторов тока. Устройство Micom Р633
реализует изменение группы за счет образования геометрических разностей фазных
токов Ia-Ib, Ib-Ic и Ic-Ia на стороне низшего напряжения. При нечётных группах
соединения обмоток для сохранения ранее полученного амплитудного согласования
эта разность умножается на коэффициент
. Таким
образом производится выравнивание по фазе и дополнительное выравнивание по
величине [5].
Реле
имеет тормозную характеристику пропорционального типа (процентное торможение) -
ток срабатывания защиты увеличивается пропорционально увеличению тока короткого
замыкания. Тормозным током является самый большой ток среди подводимых к реле,
по каждой фазе отдельно.
Характеристика дифференциальной защиты трансформатора представлена на
рисунке 4.
Первый участок характеристики является самым чувствительным диапазоном
характеристики срабатывания, представляет собой горизонтальный участок с
регулируемой уставкой Id
>.
Значение устанавливаемое по умолчанию равно 0,2 должно учитывать ток
намагничивания трансформатора, который протекает даже в режиме холостого хода и
составляет не более 5 % от номинального тока трансформатора. Линия первого
участка срабатывания соответствует горизонтальной линии дифференциального тока
задаваемого уставкой Id
>.
Рисунок 4 - Характеристика дифференциальной защиты трансформатора
Второй участок характеристики срабатывания представляет собой прямую
линию, наклон которой должен обеспечить отстройку от суммарного небаланса
дифференциального тока вызванного погрешностью комплектов трансформаторов тока.
Уставкой m1 задаётся наклон второго участка
характеристики. Значение коэффициента m1, задаваемое по умолчанию составляет 0,3 в защите для трёхобмоточного
трансформатора. Вторая точка перегиба характеристики срабатывания определяет
конец зоны сверх токов в направлении увеличения тормозного тока в безаварийном
режиме. В отдельных режимах она может достигать токов до четырёхкратного
номинального. Следовательно, вторая точка перегиба (IR,m2), значение
которой устанавливаемое по умолчанию равно 4×Iref×I×R,m2, должна
задаваться равной максимально возможному току при работе трансформатора.
m2-коэффициент
наклона третьего участка характеристики. Значение устанавливаемое по умолчанию
для коэффициента m2 равно 0,7.
Выбор уставок дифференциальной защиты трансформатора
Выбор уставок дифференциальной защиты сводится к выбору параметров
тормозной характеристики и проверки чувствительности.
При использовании микропроцессорного реле Micom P633 появляется возможность скомпенсировать отличие вторичных
токов и угловой сдвиг, появляющийся при трансформации токов.
Расчёт уставок дифференциальной защиты сведён в таблицу Б.5
3.6 Противоаварийная автоматика
На микропроцессорных терминалах Micom можно реализовать всю существующую противоаварийную автоматику ПС
«Рассохинская» благодаря тому, что терминал содержит логическую функцию.
АПВ предусматриваем на отходящих линиях всех классов напряжений. АПВ
однократного действия предусматриваем на вводах при раздельной работе трансформаторов
необходимой для автоматического восстановления их нормальной работы после
аварийных отключений, несвязанных с внутренними повреждениями трансформатора.
Устройства АПВ выполнены так, что исключена возможность многократного
включения на КЗ при любой неисправности в схеме устройства. Сущность АПВ
состоит в том, что элемент системы электроснабжения, отключившейся при
срабатывании релейной защиты, через определенное время (0,5 - 1,5 с.) снова
включается под напряжение, если нет запрета на включение или причина отключения
элемента исчезла. После включения выключателя, АПВ отключается [3].
АВР предусмотрен на каждом из напряжений 110, 35 и 6 кВ, согласно ПУЭ
применяется для автоматического переключения нагрузки между независимыми
источниками (вводами) электроэнергии при возникновении аварии или другой
неисправности на основном вводе.
Различают основной и вольтметровый пуски АВР.
· От основного пуска АВР включается секционный выключатель в тех случаях,
когда питающий секцию шин основной ввод аварийно отключается от цепей релейной
защиты. Главным условием основного пуска являются отсутствие КЗ на секции шин.
· Вольтметровый пуск АВР. Если на одной из секций шин
напряжение проседает ниже 40 % от номинала хотя бы по одной фазе, а на соседней
секции шин напряжение на всех фазах не менее 70 % от номинала срабатывает
вольтметровый пуск АВР. Автоматически включается секционный выключатель, с
выдержкой времени отключается ввод. Устройства АВР устанавливаем на секционном
выключателе.
· В ЗРУ-6 кВ установлена автоматическая частотная разгрузка
(АЧР). Автоматика чувствительна к снижению частоты напряжения сети, вызванной
снижением активной мощности, отключающая часть менее ответственных
потребителей. После восстановления частоты сети, отключённые потребители
автоматически включаются в работу с помощью частотной автоматики повторного
включения (ЧАПВ).
На подстанции предусматриваем ключи вывода из работы, исключающие
возможность ложного срабатывания цепей автоматики в процессе обслуживания
устройств релейной защиты и автоматики.
4.7 Выводы по главе 4
Данная глава посвящена выбору и расчету релейной защиты и
противоаварийной автоматики. Для трансформаторов и отходящих линий 6кВ
установили устройства релейной защиты на микропроцессорной основе. Одним из
главных достоинств микропроцессорных реле защиты является осуществимость
реализации целого ряда функций и характеристик. Для выборы необходимых нам
микропроцессорных блоков в главе проведено сравнение нескольких видов
микропроцессорных устройств. Для установки на подстанции «Рассохинская»
предусмотрены терминалы Micom Р123 и Р633.Р123 устанавливаем по низкой стороне
трансформатора и секционного выключателя. Защиту трансформатора осуществляем на
терминале Micom Р633.
Для повышения надёжности и бесперебойности работы систем электроснабжения
применили противоаварийную автоматику (АПВ и АВР).
Заключение
В данной выпускной квалификационной работе рассмотрена реконструкция
устройств релейной защиты и автоматики на подстанции 110/35/6 кВ «Рассохинская»
в рамках инвестиционной программы филиала ОАО «МРСК Урала» - «Пермэнерго»
«Реконструкции подстанций в городе Перми». Цель реконструкции - повышение
чувствительности, быстродействия, надежности и селективности вторичных цепей
защиты и автоматики.
Замена устаревшей электромеханической аппаратуры на современные
микропроцессорные устройства защит позволит упростить применяемые схемы,
соответственно снизить затраты на эксплуатацию. Значительно повысится
надёжность работы, что приведёт к меньшему числу отказов защит и ложных
срабатываний.
Произведен выбор электромеханических реле на основе сравнения технических
характеристик и многофункциональности нескольких терминалов защит известных
фирм производителей. Для отходящих линий 6 кВ Micom Р123. Для защит трансформатора были выбраны терминалы
Micom Р633.
Произведен расчет и анализ электропотребления. На основании расчётных
данных токов короткого замыкания были рассчитаны уставки защит.
Реконструкция ПС 110/35/6 кВ «Рассохинская» позволяет решить такие
проблемы как: надежность и бесперебойность работы релейной защиты и
электроустановки в целом.
Список используемой литературы
1. Андреев
В.А. Релейная защита и автоматика систем электроснабжения. Москва: Высшая
школа, 2006. - 639 с.
2. Чернобровов
Н.В. Релейная защита. Москва: Энергия, 1971. - 624 с.
. Гловацкий
В.Г. Современные средства релейной защиты и автоматики электросетей.
Электронная версия 6, март 2006 г.
. Больтам
Я.М. Справочник по проектированию электроснабжения линий электропередачи и
сетей. Москва: Энергия, 1974. - 696 с.
. Шабад
М.А. Расчеты релейной защиты и автоматики распределительных сетей: Монография.-
Санкт Петербург: ПЭИПК, 2003. - 350 с.
6. Рекомендации по выбору уставок защит
электротехнического оборудования с использованием микропроцессорных устройств
концерна Areva, 2000.
7. Крючков
И.П. Расчет коротких замыканий и выбор электрооборудования. Москва: Академия,
2005.- 411 с.
8. Барыбин
Ю.Г. Справочник по проектированию электроснабжения. Москва: Энергоатомиздат,
1990. - 576 с.
. Федоров
А.А. Электроснабжение промышленных предприятий. Москва: Энергия, 1961. - 737 с.
. Каталог
реле защиты и управления Micom
концерна Areva.
. Правила
устройства электроустановок. - 6-ое изд., перераб. и доп. - Москва:
Энергоатомиздат, 2000.
. Андреев
В.А. Релейная защита и автоматика систем электроснабжения. Москва: Высшая
школа, 2006. - 639 с.
Приложение А
(обязательное)
РАСЧЕТ И АНАЛИЗ ЭЛЕКТРОПОТРЕБЛЕНИЯ
Таблица А.1 Нагрузка потребителей ПС 110/35/6 кВ «Рассохинская»
|
Фидера I
с.ш. - 6 кВ
|
Нагрузка, А
|
Фидера II
с.ш. - 6 кВ
|
Нагрузка, А
|
95
|
ф. № 2 Подъем-ввод 2
|
190
|
|
ф. № 3 Подъем-ввод 1
|
190
|
ф. № 4
|
190
|
|
ф. № 5 Малая-1
|
180
|
ф. № 6
|
95
|
|
ф. № 7
|
150
|
ф. № 8
|
140
|
|
ф. № 9 Павлова-1
|
650
|
ф. № 10
|
630
|
|
ф. № 11 Подъем-ввод 3
|
675
|
ф. № 12 Подъем-ввод 4
|
260
|
|
ф. № 13
|
340
|
ф. № 14 Малая-2
|
180
|
|
ф. № 15
|
95
|
ф. № 16 Озонирование-2
|
95
|
|
ф. № 17
|
120
|
ф. № 18
|
85
|
|
ф. № 21
|
80
|
ф. № 20
|
75
|
|
ф. № 23
|
200
|
ф. № 22 Павлова-2
|
660
|
Таблица А.2 Расчет токов КЗ отходящих линий к РП
Присоединение Данные
линии Полное сопротивление линии и сети Значение 3-х фазного КЗ
Значение 2-х фазного КЗ
|
|
|
|
|
   , Ом , ОмmaxminmaxMin
|
|
|
|
|
|
|
|
|
|
ф. №2 Подъем-вв. 2
|
0,85
|
0,11
|
0,06
|
0,34
|
0,36
|
10813
|
10239
|
9353
|
8857
|
|
ф. № 3 Подъем-вв. 1
|
0,85
|
0,11
|
0,06
|
0,34
|
0,36
|
10813
|
10239
|
9353
|
8857
|
|
ф. № 4
|
0,85
|
0,11
|
0,06
|
0,34
|
0,36
|
10813
|
10239
|
9353
|
8857
|
|
ф. № 5 Малая-1
|
0,85
|
0,11
|
0,06
|
0,34
|
0,36
|
10813
|
10239
|
9353
|
8857
|
|
ф. № 7
|
0,97
|
0,125
|
0,069
|
0,35
|
0,37
|
10402
|
9876
|
8998
|
8543
|
|
ф. № 8
|
0,97
|
0,125
|
0,069
|
0,35
|
0,37
|
10402
|
9876
|
8998
|
8543
|
|
ф. № 9 Павлова-1
|
0,7
|
0,09
|
0,05
|
0,32
|
0,34
|
11353
|
10714
|
9820
|
9267
|
|
ф. № 10
|
0,4
|
0,052
|
0,028
|
0,287
|
0,308
|
12689
|
11823
|
10976
|
10227
|
|
ф.№ 11 Подъем-вв. 3
|
0,7
|
0,09
|
0,05
|
0,32
|
0,34
|
11353
|
10714
|
9820
|
9267
|
|
ф.№ 12 Подъем-вв.4
|
0,6
|
0,077
|
0,043
|
0,31
|
0,33
|
11729
|
11042
|
10145
|
9551
|
|
ф. № 13
|
0,6
|
0,077
|
0,043
|
0,31
|
0,33
|
11729
|
11042
|
10145
|
9551
|
|
ф. № 14 Малая-2
|
0,85
|
0,11
|
0,06
|
0,34
|
0,36
|
10813
|
10239
|
9353
|
8857
|
|
ф. № 18
|
1
|
0,129
|
0,071
|
0,35
|
0,37
|
10303
|
9788
|
8912
|
8466
|
|
ф. № 20
|
1
|
0,129
|
0,071
|
0,35
|
0,37
|
10303
|
9788
|
8912
|
8466
|
|
ф. № 21
|
1
|
0,129
|
0,071
|
0,35
|
0,37
|
10303
|
9788
|
8912
|
8466
|
|
ф. № 22 Павлова-2
|
0,4
|
0,052
|
0,028
|
0,287
|
0,308
|
12689
|
11823
|
10976
|
10227
|
|
ф. № 23
|
0,85
|
0,11
|
0,06
|
0,34
|
0,36
|
10813
|
10239
|
9353
|
8857
|
Таблица А3 Расчёт токов КЗ отходящих линий к ТП
Присоединение Данные
трансформатора Значение 3-х фазного КЗ
Значение 2-х фазного КЗ
|
|
|
|
|
   maxminmaxMin
|
|
|
|
|
|
|
|
|
ф. № 1 Озонир.-1
|
1000
|
10500
|
5,5
|
2,18
|
1521
|
1508
|
1316
|
1304
|
|
ф. № 6
|
1000
|
10510
|
5,73
|
2,27
|
1460
|
1449
|
1263
|
1253
|
|
ф. № 15
|
1000
|
10510
|
5,61
|
2,23
|
1489
|
1477
|
1282
|
1279
|
|
ф. № 16 Озонир.-2
|
1000
|
10515
|
5,54
|
2,2
|
1507
|
1494
|
1303
|
1293
|
|
ф. № 17
|
630
|
8248
|
5,97
|
3,76
|
927
|
922
|
802
|
798
|
Приложение Б
(обязательное)
ВЫБОР УСТРОЙСТВ РЕЛЕЙНОЙ ЗАЩИТЫ И АВТОМАТИКИ
Таблица Б.1 Расчет уставок ТО ЗРУ - 6 кВ
|
Место установки защиты
|
коэффициент отстройки Котс
|
max ток 3-х фазного
замыкания, А
|
Расчетная уставка, А
|
|
ф. № 1 Озонир.-1
|
1,1
|
1521
|
1673,1
|
|
ф. № 6
|
1,1
|
1460
|
1606
|
|
ф. № 15
|
1,1
|
1489
|
1637,9
|
|
ф. № 16 Озонир.-2
|
1,1
|
1507
|
1657,7
|
|
ф. № 17
|
1,1
|
927
|
1019,7
|
Таблица Б.2 Расчет уставок МТЗ ЗРУ - 6 кВ Iс.ш.
|
Наименование
|
Обозначение
|
Присоединения I
с.ш.
|
|
|
ф. 1 Озонир..-1
|
ф. 3 Подъем вв1
|
ф. 5 Малая-1
|
ф. 7
|
ф. 9 Павлова-1
|
ф. 11 Подъем-3
|
|
|
1
|
2
|
3
|
4
|
5
|
6
|
|
Максимальный рабочий ток
|
Iм
|
95
|
190
|
180
|
150
|
650
|
675
|
|
Коэф. трансф-ии
трансформаторов тока
|
nт
|
60
|
200
|
160
|
120
|
200
|
200
|
|
Мин. значение тока 3-х
фазного к.з. при к.з. в зоне защит
|
Основной, А
|
Iк1
|
13100
|
13100
|
13100
|
13100
|
13100
|
13100
|
|
в конце линии
|
Iк2
|
1508
|
10239
|
10239
|
10714
|
10714
|
10714
|
|
Расчетные коэффициенты
|
кратности макс. тока
|
Кр
|
1
|
1
|
1
|
1
|
1
|
|
схемы вкл. реле
|
Ксх
|
1
|
1
|
1
|
1
|
1
|
1
|
|
отстройки
|
Котс
|
1,1
|
1,1
|
1,1
|
1,1
|
1,1
|
1,1
|
|
возврат реле
|
Кв
|
0,93
|
0,93
|
0,93
|
0,93
|
0,93
|
0,93
|
|
Ток срабатывания реле Iср и
защиты Iсз
|
расчетный, А
|
Iср
|
1,87
|
1,12
|
1,33
|
3,84
|
3,99
|
3,84
|
|
принятый, А
|
Iср
|
2,5
|
1,6
|
1,4
|
4
|
4
|
4
|
|
первичный, А
|
Iсз
|
150
|
320
|
224
|
800
|
800
|
800
|
|
коэф. Ксг для определения
чувствительности
|
от сборных шин до
трансформатора
|
Ксч1
|
-
|
0,87
|
0,87
|
0,87
|
0,87
|
0,87
|
|
за трансформатором
|
Ксч2
|
1
|
-
|
-
|
-
|
-
|
-
|
|
Чувствительность защит при
2-х фазном к.з.
|
в зоне защиты от сборных
шин до трансформатора
|
Кч
|
-
|
27,84
|
39,77
|
11,65
|
11,65
|
11,65
|
|
за трансформатором в зоне
защит
|
Кч
|
13,23
|
-
|
-
|
-
|
-
|
-
|
|
Выбрано токовое реле
|
тип
|
|
Micom 123
|
Micom 123
|
Micom 123
|
Micom123
|
Micom 123
|
Micom123
|
|
пределы уставки тока реле
|
от до
|
2,5-200
|
2,5-200
|
2,5-200
|
2,5-200
|
2,5-200
|
2,5-200
|
|
Принятая уставка времени
защит, с
|
t
|
1
|
1,8
|
1,8
|
1,5
|
1,8
|
1,8
|
Продолжение таблицы Б.2
|
Наименование
|
Обозначение
|
Присоединения I
с.ш.
|
|
|
ф. 13
|
ф. 15
|
ф. 17
|
ф. 21
|
ф. 23
|
СВ-6 кВ
|
|
|
7
|
8
|
9
|
10
|
11
|
12
|
|
Максимальный рабочий ток
|
Iм
|
340
|
95
|
120
|
80
|
200
|
2730
|
|
Коэф. трансф-ии
трансформаторов тока
|
nт
|
200
|
30
|
60
|
40
|
60
|
800
|
|
Мин. значение тока 3-х
фазного к.з. при к.з. в зоне защит
|
Основной, А
|
13100
|
13100
|
13100
|
13100
|
13100
|
13100
|
13100
|
|
в конце линии
|
11042
|
1477
|
1502
|
9788
|
1502
|
10239
|
-
|
|
Расчетные коэффициенты
|
кратности макс. тока
|
1
|
1
|
1
|
1
|
1
|
1
|
1
|
|
схемы вкл. реле
|
1
|
1
|
1
|
1
|
1
|
1
|
1
|
|
отстройки
|
1,1
|
1,1
|
1,1
|
1,1
|
1,1
|
1,1
|
1,1
|
|
возврат реле
|
0,93
|
0,93
|
0,93
|
0,93
|
0,93
|
0,93
|
0,93
|
|
Ток срабатывания реле Iср и
защиты Iсз
|
расчетный, А
|
2,01
|
3,75
|
2,37
|
2,37
|
2,37
|
3,94
|
4,04
|
|
принятый, А
|
2,1
|
3,8
|
2,4
|
3
|
2,4
|
4
|
4,1
|
|
первичный, А
|
420
|
114
|
144
|
120
|
144
|
240
|
3280
|
|
коэф. Ксг для определения
чувствительности
|
от сборных шин до
трансформатора
|
0,87
|
0,87
|
-
|
0,87
|
-
|
0,87
|
0,87
|
|
за трансформатором
|
-
|
1
|
1
|
-
|
1
|
-
|
-
|
|
Чувствительность защит при
2-х фазном к.з.
|
в зоне защиты от сборных
шин до трансформатора
|
22,87
|
-
|
-
|
88,70
|
-
|
37,12
|
3,47
|
|
за трансформатором в зоне
защит
|
-
|
12,96
|
12,52
|
-
|
12,52
|
-
|
-
|
|
Выбрано токовое реле
|
тип
|
Micom 123
|
Micom 123
|
Micom 123
|
Micom 123
|
Micom 123
|
Micom 123
|
Micom 123
|
|
пределы уставки тока реле
|
2,5-200
|
2,5-200
|
2,5-202
|
2,5-200
|
2,5-202
|
2,5-200
|
2,5-200
|
|
Принятая уставка времени
защит, с
|
t
|
1,8
|
0,6
|
1
|
1,8
|
1,8
|
2
|
|
Максимальный ток
|
Iм
|
190
|
190
|
95
|
140
|
630
|
260
|
|
|
Коэф. трансф-ии
трансформаторов тока
|
nт
|
160
|
200
|
60
|
120
|
200
|
200
|
|
|
Мин. значение тока 3-х
фазного к.з. при к.з. в зоне защит
|
Основной, А
|
13100
|
13100
|
13100
|
13100
|
13100
|
13100
|
13100
|
|
|
в конце линии
|
10239
|
10239
|
1449
|
10239
|
11823
|
11042
|
1449
|
|
|
Расчетные коэффициенты
|
кратности макс. тока
|
1
|
1
|
1
|
1
|
1
|
1
|
1
|
|
|
схемы вкл. реле
|
1
|
1
|
1
|
1
|
1
|
1
|
1
|
|
|
отстройки
|
1,1
|
1,1
|
1,1
|
1,1
|
1,1
|
1,1
|
1,1
|
|
|
возврат реле
|
0,93
|
0,93
|
0,93
|
0,93
|
0,93
|
0,93
|
0,93
|
|
|
Ток срабатывания реле Iср и
защиты Iсз
|
расчетный, А
|
1,40
|
1,12
|
1,87
|
1,12
|
3,73
|
1,54
|
1,87
|
|
|
принятый, А
|
1,2
|
4
|
1,2
|
3,8
|
1,6
|
4
|
|
|
первичный, А
|
240
|
240
|
240
|
240
|
760
|
320
|
240
|
|
|
коэф. Ксг для определения
чувствительности
|
от сборных шин до
трансформатора
|
0,87
|
0,87
|
-
|
0,87
|
0,87
|
0,87
|
-
|
|
|
за трансформатором
|
-
|
-
|
1
|
-
|
-
|
-
|
1
|
|
|
Чувствительность защит при
2-х фазном к.з.
|
в зоне защиты от сборных
шин до трансформатора
|
37,12
|
37,12
|
-
|
37,12
|
13,53
|
30,02
|
-
|
|
|
за трансформатором в зоне
защит
|
-
|
-
|
6,04
|
-
|
-
|
-
|
6,04
|
|
|
Выбрано токовое реле
|
тип
|
Micom 123
|
Micom 123
|
Micom123
|
Micom 123
|
Micom 123
|
Micom 123
|
Micom 123
|
|
|
пределы уставки тока реле
|
2,5-200
|
2,5-200
|
2,5-200
|
2,5-200
|
2,5-200
|
2,5-200
|
2,5-200
|
|
|
Принятая уставка времени
защит, с
|
t
|
1,8
|
1,8
|
1
|
1,5
|
1,8
|
1,8
|
|
|
|
|
|
|
|
|
|
|
|
|
|
|
|
|
|
Продолжение таблицы Б.3
|
Наименование
|
Обозначение
|
Присоединения II
с.ш.
|
|
|
ф. 14 Малая-2
|
ф. 16 Озонир.-2
|
ф. 18
|
ф. 20
|
ф. 22 Павлова-2
|
|
|
7
|
8
|
9
|
10
|
11
|
|
Максимальный ток
|
Iм
|
180
|
95
|
85
|
75
|
660
|
|
Коэф. трансф-ии
трансформаторов тока
|
nт
|
200
|
30
|
60
|
40
|
80
|
|
Мин. значение тока 3-х
фазного к.з. при к.з. в зоне защит
|
Основной, А
|
13100
|
13100
|
13100
|
13100
|
13100
|
13100
|
|
в конце линии
|
10239
|
1494
|
9788
|
9788
|
11823
|
10239
|
|
Расчетные коэффициенты
|
кратности макс. тока
|
1
|
1
|
1
|
1
|
1
|
1
|
|
схемы вкл. реле
|
1
|
1
|
1
|
1
|
1
|
1
|
|
отстройки
|
1,1
|
1,1
|
1,1
|
1,1
|
1,1
|
1,1
|
|
возврат реле
|
0,93
|
0,93
|
0,93
|
0,93
|
0,93
|
0,93
|
|
Ток срабатывания реле Iср и
защиты Iсз
|
расчетный, А
|
1,06
|
3,75
|
1,68
|
2,22
|
3,73
|
9,76
|
|
принятый, А
|
1,1
|
3,8
|
1,7
|
2,3
|
3,8
|
9,8
|
|
первичный, А
|
220
|
114
|
102
|
92
|
760
|
784
|
|
коэф. Ксг для определения
чувствительности
|
от сборных шин до
трансформатора
|
0,87
|
-
|
0,87
|
0,87
|
0,87
|
0,87
|
|
за трансформатором
|
1
|
1
|
|
-
|
-
|
-
|
|
Чувствительность защит при
2-х фазном к.з.
|
в зоне защиты от сборных
шин до трансформатора
|
40,49
|
-
|
83,49
|
92,56
|
13,53
|
11,36
|
|
за трансформатором в зоне
защит
|
-
|
13,11
|
-
|
-
|
-
|
-
|
|
Выбрано токовое реле
|
тип
|
Micom 123
|
Micom 123
|
Micom 123
|
Micom 123
|
Micom 123
|
Micom 123
|
|
пределы уставки тока реле
|
2,5-200
|
2,5-200
|
2,5-200
|
2,5-200
|
2,5-200
|
2,5-200
|
|
Принятая уставка времени
защит, с
|
t
|
1,5
|
0,6
|
1,5
|
1,8
|
1,8
|
Таблица Б.4 Расчет уставок защит трансформатора
|
Наименование
|
Обозначение
|
Защиты трансформатора
|
|
|
МТЗ 110 кВ
|
МТЗ 35 кВ
|
МТЗ 6 кВ
|
|
|
2
|
3
|
4
|
|
Максимальный ток
|
Iм
|
213
|
669
|
3902
|
|
Коэф. трансф-ии
трансформаторов тока
|
nт
|
60
|
160
|
800
|
|
Мин. значение тока 3-х
фазного к.з. при к.з. в зоне защит
|
Основной, А
|
Iк1
|
10660
|
3970
|
13100
|
|
за трансформатором, А
|
Iк2
|
35 кВ 6 кВ 1241 670
|
-
|
-
|
|
Расчетные коэффициенты
|
кратности макс. тока
|
Кр
|
-
|
-
|
-
|
|
схемы вкл. реле
|
Ксх
|
1
|
1
|
1
|
|
отстройки
|
Котс
|
1,1
|
1,1
|
1,1
|
|
возврат реле
|
Кв
|
0,93
|
0,93
|
0,93
|
|
Ток срабатывания реле Iср и
защиты Iсз
|
расчетный, А
|
Iср
|
4,20
|
4,95
|
5,77
|
|
принятый, А
|
Iср
|
4,7
|
5,5
|
6,5
|
|
первичный, А
|
Iсз
|
282
|
880
|
5200
|
|
коэф. Ксг для определения
чувствительности
|
от сборных шин до трансформатора
|
Ксч1
|
0,87
|
-
|
-
|
|
за трансформатором
|
Ксч2
|
35 кВ 6 кВ 0,87 0,87
|
-
|
-
|
|
Чувствительность защит при
2-х фазном к.з.
|
в зоне защиты от сборных
шин до трансформатора
|
Кч
|
32,89
|
-
|
-
|
|
за трансформатором в зоне
защит
|
Кч
|
35 кВ 6 кВ 3,83 2,06
|
-
|
-
|
|
Выбрано токовое реле
|
Количество и тип
|
|
Micom 139
|
Micom 139
|
Micom 139
|
|
пределы уставки тока реле
|
от до
|
2,5-200
|
2,5-200
|
2,5-200
|
|
Принятая уставка времени
защит, с
|
t
|
5
|
4,5
|
2,5
|
Таблица Б.5 Расчет дифференциальной токовой защиты на терминале Micom
P633
|
Наименование величины
|
Расчетная формула
|
Расчетное значение для
стороны напряжения
|
|
|
110
|
35
|
6
|
|
Номинальная мощность
трансформатора, кВА
|
Sн
|
40500
|
40500
|
40500
|
|
Номинальное напряжение
трансформатора, кВ
|
Uн
|
112
|
38,5
|
6,3
|
|
Номинальный первичный ток
трансформатора (базисный), А
|
2096083716
|
|
|
|
|
Схема и группа соединений
обмоток трансформатора
|
-
|
Y
|
Y
|
∆
|
|
Коэффициент трансформации
трансформаторов тока
|
nт
|
300/5
|
4000/5
|
|
Схема соединения вторичных
обмоток ТТ
|
-
|
Y
|
Y
|
Y
|
|
Коэффициенты согласования
токов по амплитуде
|
1,441,321,08
|
|
|
|
|
Уставка 1 ступени диф. тока
реле
|
Iдиф>
|
0,4
|
|
Минимальный
дифференциальный ток, А
|
83,6
|
|
|
Уставка 2 ступени диф. тока
реле
|
Iдиф >>
|
6
|
|
Ток срабатывания 2 ступени,
А
|
1254
|
|
|
Уставка 3 ступени диф. тока
реле
|
Iдиф >>>
|
14
|
|
Ток срабатывания 3 ступени,
А
|
2926
|
|
|
Коэффициент торможения
первого участка характеристики
|
m1
|
0,3
|
|
Коэффициент торможения
второго участка характеристики
|
m2
|
0,7
|
|
Точка перехода
характеристики с участка торможением m1 на участок
с торможением m2
|
Ir m3|Iref
|
4
|
|
Уставка блокировки защиты
током второй гармоники
|
|
12%
|
Расчёт выполнен на основании «Рекомендации по выбору уставок защиты с
использованием микропроцессорных устройств концерна Alstom» и информации на микропроцессорное устройство Micom P633 фирмы Alstom.