Электроснабжение шахты

  • Вид работы:
    Курсовая работа (т)
  • Предмет:
    Физика
  • Язык:
    Русский
    ,
    Формат файла:
    MS Word
    1,32 Мб
  • Опубликовано:
    2012-11-29
Вы можете узнать стоимость помощи в написании студенческой работы.
Помощь в написании работы, которую точно примут!

Электроснабжение шахты

ВВЕДЕНИЕ

Современные угольные шахты - крупнейшие потребители электроэнергии. Они оснащены высокопроизводительными машинами и механизмами для проведения горных выработок и добычи полезного ископаемого, мощными транспортными средствами, а также стационарными установками для обеспечения выдачи добытого угля на поверхность и для безопасной работы людей под землей. К ним предъявляют повышенные требования по применению электрооборудования, в особенности в условиях разработки пластов, опасных по газу или пыли. Специально для угольной промышленности выпускают взрывозащищенное электрооборудование, в том числе передвижные трансформаторные подстанции, магнитные станции управления и защиты, электродвигатели, различные кабели, осветительную технику, средства автоматики, сигнализации и связи.

Реконструкция и модернизация шахт, дальнейшее осуществление технического прогресса в угольной промышленности предъявляют новые повышенные требования к совершенствованию электрификации горных работ. Увеличивается потребность в высокоэффективном и надежном электрооборудовании, в более рациональных и высококачественных схемах электроснабжения, которые должны обеспечивать бесперебойную и экономичную работу машин и механизмов, рост производительности труда, повышение безопасности применения электрической энергии в подземных условиях.

Большое внимание в области электрификации шахт отдают вопросам экономии электроэнергии, регулирования режимов электропотребителей, снижения удельных норм расхода электроэнергии. На предприятиях, разработаны и широко вводятся организационно-технические мероприятия по экономии топливно-энерготехнических ресурсов.

. СХЕМА ЭЛЕКТРОСНАБЖЕНИЯ ШАХТЫ

1.1 Анализ потребителей электроэнергии

Система электроснабжения (СЭС) - совокупность источников питания и преобразователей электрической энергии, линий электропередач, распределительных устройств и коммутационных аппаратов, а также средств защиты, автоматизации, измерения и сигнализации, объединенных общим режимом работы.

В настоящее время в системах электроснабжения шахт применяют переменный трехфазный ток частотой 50 Гц. Для питания групп приемников постоянного тока (контактная электровозная откатка, подъемная установка и др.) сооружают преобразовательные подстанции. Преобразовательные подстанции питаются от сети трехфазного тока и поэтому являются приемниками трехфазного тока.

Потребителем электрической энергии называется аппарат (агрегат, механизм), предназначенный для преобразования электрической энергии в другой вид энергии. Различают потребители электрической энергии, располагаемые в подземных горных выработках и на поверхности шахт.

Наиболее мощными потребителями электроэнергии на поверхности шахты являются главная вентиляторная установка, скиповой, клетьевой и породный подъемы, технологический комплекс шахты и дегазационная установка.

Мощности электродвигателей подъемных машин находятся в широком диапазоне - от 500 до 10 000 кВт (4*2500) - являясь наиболее мощным потребителем электрической энергии на шахте.

Наиболее мощными потребителями в подземных горных выработках являются проходческие комбайны и комплексы, горные машины для очистных работ, главная водоотливная установка, конвейерный транспорт, компрессорная установка и установка для кондиционирования воздуха.

Основная масса применяемых в технологических установках двигателей асинхронные, потребляющие активную и реактивную энергии. Для компенсации реактивной энергии применяются конденсаторные установки, как на поверхности шахты (на ГПП), так и в подземных условиях. Компенсация также осуществляется и синхронными электродвигателями, которые установлены на главной вентиляторной и компрессорной установках.

Шахтные компрессорные установки оснащаются двигателями от 40 до 3500 кВт, в зависимости от конструктивного исполнения компрессоров.

1.2 Категория электроустановок шахты по бесперебойности электроснабжения

Важность надежного и бесперебойного электроснабжения горных предприятий связана с рядом специфических особенностей. К ним относят:

. Высокие требования безопасности при ведении горных работ, исключающие: возможность загазирования горных выработок; затопление подземных выработок; невозможность транспортирования людей по вертикальным и наклонным выработкам и т. п.

. Жесткая технологическая зависимость отдельных звеньев производственного процесса - прекращение работы любого звена приводит к остановке всей технологической цепочки по добыче угля;

. Значительное повышение требований эксплуатации, обусловленное высокими нагрузками на лаву и быстрыми темпами проведения горных выработок.

Бесперебойное электроснабжение может быть обеспечено: применением электрооборудования высокой надежности; своевременным выполнением технического обслуживания, ремонта и профилактических испытаний; соблюдением установленных режимов работы электрооборудования; резервированием элементов систем электроснабжения и потребителей электрической энергии.

Достижение высокой степени бесперебойного электроснабжения требует значительного увеличения капитальных и эксплуатационных затрат, что не всегда оправданно. Поэтому потребители электрической энергии по условиям бесперебойного электроснабжения согласно ПУЭ разделяют на три категории:

І категория - потребители, нарушение электроснабжения которых может повлечь за собой: опасность для жизни людей, расстройство сложного технологического процесса, значительный ущерб, повреждение оборудования, массовый брак продукции.

Перерыв в электроснабжении таких потребителей допускается на время автоматического ввода резервного питания. Питание их необходимо обеспечивать от двух независимых источников (трансформаторов, линий электропередач, секций шин) и применять устройства автоматического ввода резерва. Все эти элементы должны постоянно находиться под нагрузкой, но работать раздельно, так как при параллельной работе увеличиваются токи короткого замыкания и усложняется релейная защита, что удорожает всю систему электроснабжения.

Для внешнего электроснабжения шахт должно применяться не менее двух цепей воздушных линий. Допускается применение двух цепных ВЛ если их опоры рассчитаны на повышенные ветровые и гололедные нагрузки. Кабельные линии, идущие от разных источников, должны быть проложены по отдельным трассам. Секции шин должны получать питание от независимых источников.категория - потребители, перерыв в электроснабжении которых приводит к простою машин, рабочих, расстройству быстровосстанавливаемого технологического процесса.

Перерыв в электроснабжении этой категории допустим на время, необходимое для включения резервного питания вручную дежурным персоналом или выездной оперативной бригадой. Питание таких потребителей осуществляют также от двух независимых источников.категория - потребители, допускающие длительный перерыв в электроснабжении, на время необходимое для замены или ремонта поврежденного электрооборудования, но не более одних суток. Для приёмников III категории резервное питание не предусматривают.

Категории бесперебойности электроснабжения потребителей угольных шахт, разрезов и обогатительных фабрик регламентированы ПТЭ угольных и сланцевых шахт и “Инструкцией по проектированию электроустановок угольных шахт, разрезов и обогатительных фабрик” ВСН 12.25.003 - 80.

1.3 Схемы электроснабжения основных установок шахты

Схема распределения электрической энергии зависит от большого числа разнообразных факторов, основными из которых являются: тип, расположение, напряжение источника питания или центрального распределительного устройства; расположение, число, мощность, напряжение и режимы работы потребителей; бесперебойность электроснабжения и степень резервирования; взаимосвязь работы отдельных электроустановок, обеспечение безопасности и др. Эти факторы вызывают необходимость применения разнообразных схем распределения электроэнергии: радиальных, магистральных, кольцевых и смешанных.

Радиальные схемы применяют в тех случаях, когда установки имеют разностороннее расположение относительно центрального распределительного устройства (ЦРУ) и находятся на сравнительно небольшом расстоянии от него. При этом каждая установка питается самостоятельной линией.

Радиальные схемы просты, надежны, легко поддаются автоматизации, позволяют применить простые защиты с высокой степенью селективности, гибки и удобны в эксплуатации, выход из строя одной из линий не влияет на работу других установок. Однако такие схемы требуют применения большего числа коммутационных аппаратов и питающих линий, для чего необходимы дополнительные капитальные и эксплуатационные затраты.

Магистральные схемы применяют для питания нескольких установок сравнительно небольшой мощности, расположенных в одном направлении по отношению к центральному распределительному устройству и на сравнительно небольших расстояниях друг от друга. Отдельные распредустройства присоединяют к одной воздушной линии отпайками, а кабельные линии поочерёдно заводят к распредустройствам отдельных РУ.

При применении таких схем уменьшается число коммутационных аппаратов и линий передач, они позволяют лучше использовать воздушные линии по нагрузке. Поэтому магистральные схемы дешевле радиальных. Однако, следует отметить, что при магистральных схемах снижается надёжность электроснабжения; увеличивается взаимозависимость работы отдельных электроустановок, так как при отключении магистрали отключаются одновременно несколько установок; усложняются схемы коммутации и работа защит; затрудняется применение устройств автоматики.

Кольцевые схемы являются разновидностью магистральных. Такие схемы применяют для электроснабжения электроустановок с разносторонним расположением относительно ГПП, на сравнительно больших расстояниях. При нормальной работе кольцо разомкнуто (секционировано выключателем или разъединителем), что исключает одновременное отключение головных выключателей в аварийных режимах.

Системы электроснабжения отличаются большим разнообразием требований и факторов, влияющих на построение схем, поэтому, как правило, на шахтах применяют смешанные схемы. Выбор конкретной схемы определяют путём технико - экономического сравнения нескольких вариантов.

С учетом спецификации расположения электропотребителей на шахте выбрана комбинированная схема, включающая в себя элемент радиальной и магистральной схем.

Питание подземных потребителей осуществляется обособленно от двух трехобмоточных трансформаторов. Этим достигается резервирование электроснабжения подземных потребителей. Энергия передается от ГПП к ЦПП по стволовым кабелям. От ЦПП получают питание все потребители околоствольного двора. В местах сосредоточения нагрузок устанавливаются промежуточные распределительные пункты высокого напряжения (РПП - 6). От них получают питание стационарные и передвижные участковые подстанции (ПУПП), от которых получают питание потребители участков.

Для компенсации реактивной мощности проектом предусмотрена установка конденсаторных установок на ГПП, а также на ЦПП и распределительном пункте участка.

1.4 Схема обособленного питания подземных электроустановок

Согласно «Правилам безопасности угольных шахт» подземные электроустановки не должны иметь электрической связи с установками поверхности. В данном курсовом проекте обособленное питание подземных электроустановок осуществляется от отдельной обмотки трёхобмоточного трансформатора.

ОПРЕДЕЛЕНИЕ ЭЛЕКТРИЧЕСКИХ НАГРУЗОК И ВЫБОР ТРАНСФОРМАТОРОВ

2.1 Электрические нагрузки участка и выбор КТП

Данные для определения расчётной мощности по проектируемому участку привожу в таблице 2.1.1.

Таблица 2.1.1 - Характеристика электроприемников участка (электроустановок)

Наименование и тип машины

Тип ЭД

Кол - во ЭД

Мощность, кВт

Номинальный ток

Пусковой ток, А

Коэф. мощностиcos γ




ЭД

машины

ЭД

машины



Электродвигатели на напряжение 1140 В

Комбайн 1ГШ68Е

ЭКВ4-160

2

160

320

110

220

750

0,85

Конвейер лавы СП87ПМ

2ЭДКОФВ250В4

2

110

220

65

130

846

0,85

Всего:




540


350



Электродвигатели на напряжение 660 В

Конвейер штрека СР-70М

ЭДКОФ42-4

2

55

110

60,5

121

453,8

0,86

Насосная станция СНУ-7*2

ВАО82 - 4

2

55

119

59,5

127,2

387

0,86


ВР100 - 4


4,5


4,1




Станция орошения НУМС

ВАО72-30

1

30

30

32,5

32,5

228

0,85

Лебёдка предохранительная ЛП

ВАОФ 62/4

1

17

17

15,8

15,8

130

0,86

Осветительная нагрузка




8





Всего:




284


296,5




Полную расчетную мощность (кВА) по участку определяем по формуле


где: kc - коэффициент спроса;

SPi - суммарная установленная номинальная мощность потребителей участка, кВт.

cosj ср. взв - средневзвешенный коэффициент мощности.


где: Pmax - номинальная мощность электродвигателя наиболее мощного потребителя.


Определим данные КТП для оборудования на 1140 В

;

.

По расчетной мощности потребителей участка выбираем трансформаторную подстанцию, исходя из условия:

SH  SP,

где: SH - номинальная мощность трансформаторной подстанции.

Для питания потребителей очистного забоя, а также освещения штрека применяется трансформаторная подстанция ТСВП - 630. Параметры данной подстанции приведены в таблице 2.1.2.

Таблица 2.1.2 - Параметры подстанции трансформаторной ТСВП - 630

Тип

Sном, кВА

Отключающая способность

Тип разъединителя

Uн, В

Iн, А

R, Ом





ВН

НН

ВН

НН

R

X

ТСВП - 630

630

25000

А3792

6000

1200

60,6

304

0,017

0,0776


Определим данные КТП для оборудования на 660 В

;

.

По расчетной мощности потребителей участка выбираем трансформаторную подстанцию, исходя из условия:

SH  SP,

где: SH - номинальная мощность трансформаторной подстанции.

Для питания потребителей очистного забоя, а также освещения штрека применяется трансформаторная подстанция ТСВП - 250. Параметры данной подстанции приведены в таблице 2.1.3.

Таблица 2.1.3 - Параметры подстанции трансформаторной ТСВП - 250

Тип

Sном, кВА

Отключающая способность

Тип разъединителя

Uн, В

Iн, А

R, Ом





ВН

НН

ВН

НН

R

X

ТСВП - 250

250

42000

А3792

6000

690

24,1

209

0,019

0,0639



2.2 Электрические нагрузки РПП-6

Исходными данными для расчета нагрузки на РПП - 6 являются установленные активные мощности всех приемников (Ру), присоединенных к данному РПП, коэффициент спроса (kc) и средневзвешенный коэффициент мощности (cosjср.вз). При определении нагрузки все приемники группируют по технологическим процессам или установкам (табл. 2.2.1).

По группам приемников определяем расчетные активные и реактивные мощности по формулам:

;

.

Таблица 2.2.1 - Характеристика электроприемников РПП - 6

Группы электропотребителей

Установленная мощность Ру, кВт

Коэффициент спроса

Расчетная активная мощность Рр, кВт

Средневзвешенный cosjср.вз

Средневзвешенный tgjср.вз

Расчетная реактивная мощность Qp, кВАр

1.Очистные работы

1400

0,6

840

0,6

1,33

1117,2

2.Подготови-тельные работы

760

0,4

304

0,6

1,33

404,32

3.Конвейерный транспорт

900

0,6

540

0,7

1,02

550,8

4.Подъемные установки

680

0,6

408

0,7

1,02

416,16

Всего

3740


2092



2488,48


.

;    .

;    .

;    .

С целью снижения реактивной нагрузки проектом рекомендована разработка и использование технических средств для компенсации реактивной мощности. Для этой цели можно использовать конденсаторные установки. При их выборе необходимо руководствоваться следующими положениями:

·   конденсаторные установки должны в максимальной степени разгружать систему электроснабжения от реактивной нагрузки;

·   должна быть обеспечена высокая степень их использования.

Произведём расчёт для конденсаторных установок, расположенных на РПП. Данная схема расположения позволит разгрузить кабели, прокладываемые по стволу и горным выработкам от реактивной нагрузки и, следовательно, уменьшить число или сечение силовых кабелей, снизить в них потери напряжения и энергии.

Мощность конденсаторной установки принимаем исходя их расчета:


кВАр.

Принимаю пять конденсаторных установки типа УКРВ-6,3-350 с номинальной мощностью 350 кВА.

Полную расчетную мощность по РПП - 6 определяем по формуле:

 

где = 0,8 - коэффициент участия в максимуме нагрузки.

 кВА.

электроустановка шахта ток бесперебойность

2.3 Электрические нагрузки ЦПП

Исходными данными для расчета нагрузки на ЦПП являются установленные активные мощности всех приемников (Ру), присоединенных к данному ЦПП, коэффициент спроса (kc) и средневзвешенный коэффициент мощности (cosjср.вз). При определении нагрузки все приемники группируют по технологическим процессам или установкам (табл. 2.3.1).

По группам приемников определяем расчетные активные и реактивные мощности по формулам:

;

.

;        .

;    .

.

Таблица 2.3.1 - Характеристика электроприемников ЦПП

Группы электропотребителей

Установленная мощность Ру, кВт

Коэффициент спроса

Расчетная активная мощность Рр, кВт

Средневзвешенный cosjср.вз

Средневзвешенный tgjср.вз

Расчетная реактивная мощность Qp, кВАр

1.РПП-6

3740


2092



2488,48

2.Водоотлив

1600

0,85

1360

0,8

0,75

1020

3.Электровоз-ный гараж

460

0,8

368

0,9

0,48

147,2

4.Околостволь-ный двор

110

0,65

71,5

0,7

1,02

72,93

Всего

5910


3891,5



3728,61


Произведём расчёт для конденсаторных установок, расположенных на ЦПП. Данная схема расположения позволит разгрузить кабели от реактивной нагрузки и, следовательно, уменьшить число или сечение силовых кабелей, снизить в них потери напряжения и энергии.

Мощность конденсаторной установки принимаем исходя их расчета:

;

кВАр.

Принимаю шесть конденсаторных установки типа УКРВ-6,3-450 с номинальной мощностью 450 кВА.

Полную расчетную мощность по ЦПП определяем по формуле:

,

где = 0,8 - коэффициент участия в максимуме нагрузки.

 кВА.

2.4 Электрические нагрузки ГПП и выбор трансформатора ГПП

Исходными данными для расчета нагрузки на ГПП являются установленные активные мощности всех приемников (Ру), присоединенных к данному ГПП, коэффициент спроса (kc) и средневзвешенный коэффициент мощности (cosjср.вз).

При определении нагрузки все приемники группируют по технологическим процессам или установкам (табл. 2.4.1).

По группам приемников определяем расчетные активные и реактивные мощности по формулам

;

.

;    .

;    .

;    .

.

.

.

;         .

.

;         .

;   .

Таблица 2.4.1 - Электрические нагрузки на ГПП и в целом по шахте

Группы электропотребителей

Установленная мощность Ру, кВт

Коэффициент спроса

Расчетная активная мощность Рр, кВт

Средневзвешенный cosjср.вз

Средневзвешенный tgjср.вз

Расчетная реактивная мощность Qp, кВАр

1.ЦПП

5910


3891,5



3728,61

2.Главный вентилятор

800

0,8

640

0,7

1,02

-652,8

3.Скиповой подъем

760

0,8

608

0,7

1,02

4.Клетьевой подъем

560

0,8

448

0,7

1,02

456,96

5.Породный подъем

320

0,55

176

0,7

1,02

179,52

6.Компрессоры

420

0,65

273

0,7

1,02

-278,46

7.Дегазацион-ные установки

400

0,75

300

0,75

0,88

-264

8.Холодильные машины

350

0,75

262,5

0,7

1,02

267,75

9.Фланговый вентилятор

200

0,65

130

0,7

1,02

132,6

10.Подъем шурфа

130

0,65

84,5

0,7

1,02

86,19

11.Технологи-ческий комплекс шахты 380/220 В

800

0,6

480

0,7

1,02

489,6

Всего

10650


7293,5



4766,13


Произведём расчёт для конденсаторных установок, расположенных на ЦПП и РПП-6.

Суммарная мощность конденсаторных установок, составит:

.

Фактическая реактивная мощность на ГПП Qф = 4766,13 кВАр. Фактическое значение реактивной мощность, потребляемой из сети энергосистемы определяем по формуле:

Qэ1 = α ∙ Рр ,

где а = 0,28 - расчетный коэффициент.

Qэ1 = 0,28 ∙ 7293,5 = 2042,18 кВАр.

Так как Qф> (4766,13>4450), то для компенсации реактивной мощности на ГПП устанавливаем одну конденсаторную установку типа УКРВ-6,3-300.

Полную расчетную мощность по ЦПП определяем по формуле:

,

где = 0,8 - коэффициент участия в максимуме нагрузки.

 кВА.

На ГПП шахты, согласно правилам ТБ, устанавливают два трехобмоточных трансформатора, мощности которых принимают такими, чтобы при отключении одного трансформатора, оставшийся, обеспечил потребителей I и II категорий по бесперебойности электроснабжения питанием, во время ремонта или замены трансформатора, с номинальной мощностью каждого:

Sн ≥ 0,75 ∙ SР,

Sн ≥ 0,75 ∙ 6842,

Sн ≥ 5131,5.

Принимаю два трехобмоточных трансформатора типа ТДТНШ-10000/110-84У1. Параметры трансформатора указаны в таблице 2.4.2

Таблица 2.4.2 - Параметры трансформатора ГПП

Тип трансформатора

Sном, кВА

Соотношение напряжений, кВ

Uн, %

Іо, %

Рх.х.,кВт

Рк, кВт










ВН

СН

НН

ВН-СН

ВН-НН

СН-НН




ТДТНШ-10000/110-84У1

10000

115

6,3

6,6

10,5

17

6

1,1

23

76



3. ВЫБОР КАБЕЛЕЙ

3.1 Выбор марок кабелей

Марка кабеля определяется областью его применения, которая для кабелей, прокладываемых на поверхности шахт регламентирована «Правилами устройства электроустановок» (ПУЭ), а в шахте - ПБ.

В соответствии с Правилами безопасности принимаем следующие марки кабелей:

-    стволовые кабели марки ВЭВПШв;

-        кабели бронированные, прокладываемые по наклонным и горизонтальным горным выработкам - ЭПвБВ и ЭВБВ;

-    кабели для присоединения машин и механизмов марки КГЭШ.

3.2 Определение длины кабелей

Длина стволового кабеля, кабеля от ЦПП до РПП-6, кабеля от РПП-6 до ПУПП и магистрального кабеля, может быть найдена по формулам, с учетом запаса на провисание - для бронированных кабелей (Lбр) - 5%, для гибких (Lг) - 10%.

;

,

где ΣLвыр. - суммарная длина выработок, по которым проложен кабель, м.

Исходя из следующих условий:

Для передачи и распределения электроэнергии в шахте применяют следующие кабели:

) при прокладке по стволам, крутонаклонным (до 45º) и капитальным выработкам - бронированные экранированные с проволочной броней;

) при прокладке в горизонтальных и наклонных выработках (до 45º) - бронированные экранированные с ленточной броней;

) для присоединения КТП - бронированные экранированные повышенной гибкости;

) для присоединения РПП низшего напряжения - бронированные экранированные повышенной гибкости или гибкие экранированные;

) для присоединения передвижных машин - гибкие экранированные;

) для участков линии между ручным электросверлом и соединителем напряжения - особо гибкие экранированные;

) для присоединения выемочных машин на крутых пластах с применением кабелеподборщиков - гибкие экранированные повышенной прочности.

 м;

 м;

 м;

 м.

3.3 Определение сечения силовых жил кабеля

Сечение силовых жил кабеля выбирают по длительному допустимому току нагрузки; механической прочности, экономической плотности тока и термической стойкости.

Сечение кабеля по длительному допустимому току

Сечение кабеля по длительно допустимому току нагрузки (Iдл, А) выбирают по условию:


где kп - поправочный коэффициент на температуру окружающей среды,

Кп = 1,07;р. - расчетный ток нагрузки кабеля.

Стволовой кабель (от ГПП до ЦПП)

,

где Sp - полная расчетная мощность, передаваемая по стволовому кабелю, кВА;н - номинальное напряжение, В.

 А.

Принимаем стволовой кабель, рассчитанный на ток 300 А. Сечение кабеля S = 120 мм2.

 ;

.

Окончательно принимаем кабель марки ВЭВПШв 3*120+1*50.

Кабель от ЦПП до РПП-6

,

где Sp - полная расчетная мощность, передаваемая по стволовому кабелю, кВА;н - номинальное напряжение, В.

 А.

Принимаем бронированный кабель, рассчитанный на ток 165 А. Сечение кабеля S = 50 мм2.

 ;

.

Окончательно принимаем кабель марки ВЭВПШв 3*50+1*25.

Кабель от РПП-6 до ПУПП

Так как ПУПП-1,2 и ПУПП-0,66 расположены на одном участке, то и кабель от РПП-6 должен подходить к ним один и быть рассчитан на суммарный расчетный ток, так как обе ПУПП будут подключены параллельно.

Iр = Iр1,2 + Iр0,66,

Где Iр1,2 - расчетный ток для ПУПП-1,2;

Iр0,66 - расчетный ток для ПУПП-0,66.

,

где Sp1,22 - полная расчетная мощность, передаваемая по стволовому кабелю для ПУПП-1,2, кВА;н - номинальное напряжение, В.

,

где Sp - полная расчетная мощность, передаваемая по стволовому кабелю, кВА;

 А.  А.

Iр = 49,6 + 20,75 = 70,35 А.

Принимаем бронированный кабель, рассчитанный на ток 89 А. Сечение кабеля S = 16 мм2.

 ;

.

Окончательно принимаем кабель марки ЭВБВк 3*16+1*6.

Магистральный низковольтный кабель от ПУПП-1,2 до РП очистного забоя

,

где Sp - полная расчетная мощность, передаваемая по стволовому кабелю, кВА;н - номинальное напряжение, В.

 А.

Принимаем бронированный кабель, рассчитанный на ток 278 А. Сечение кабеля S = 70 мм2.

 ;

 

Окончательно принимаем кабель марки ЭПвБВ 3*70+1*35.

Магистральный низковольтный кабель от ПУПП-0,66 до РП очистного забоя

,

где Sp - полная расчетная мощность, передаваемая по стволовому кабелю, кВА;н - номинальное напряжение, В.

 А.

Принимаем бронированный кабель, рассчитанный на ток 179 А. Сечение кабеля S = 35 мм2.

 ;

 

Окончательно принимаем кабель марки ЭПвБВ 3*35+1*16.

Гибкий кабель комбайна

Ip = Iн = 220 А

Принимаем гибкий кабель марки КГЭШ 3*70, рассчитанный на ток 250 А. Сечение кабеля S = 70 мм2.

Гибкий кабель конвейера лавы

Ip = Iн = 130 А

Принимаем гибкий кабель марки КГЭШ 3*25, рассчитанный на ток 136 А. Сечение кабеля S = 25 мм2.

По кабелю к двигателю хвостового привода проходит ток 65 А. Принимаем кабель марки КГЭШ 3*25, рассчитанный на ток 136 А. Сечение кабеля S = 25 мм2.

Гибкий кабель конвейера штрека

Ip = Iн = 121 А

Принимаем гибкий кабель марки КГЭШ 3*25, рассчитанный на ток 136 А. Сечение кабеля S = 25 мм2.

По кабелю к двигателю хвостового привода проходит ток 60,5 А. Принимаем кабель марки КГЭШ 3*10, рассчитанный на ток 75 А. Сечение кабеля S = 10 мм2.

Гибкий кабель насосной станции

Ip = Iн = 63,6 А

Принимаем гибкий кабель марки КГЭШ 3*10, рассчитанный на ток 75 А. Сечение кабеля S = 10 мм2.

Гибкий кабель станции орошения

Ip = Iн = 32,5 А

Принимаем гибкий кабель марки КГЭШ 3*6, рассчитанный на ток 58 А. Сечение кабеля S = 6 мм2.

Гибкий кабель предохранительной лебедки

Ip = Iн = 15,8 А

Принимаем гибкий кабель марки КГЭШ 3*6, рассчитанный на ток 58 А. Сечение кабеля S = 6 мм2.

Сечение кабеля по механической прочности:

Рекомендуется принимать следующие минимальные сечения кабелей:

·            высокого напряжения - 16 мм2;

·        магистральных низкого напряжения - 35 мм2;

·        очистных и проходческих комбайнов - 25 мм2;

·        отдельно установленных, периодически перемещаемых машин - 16 мм2;

·            машин, аппаратов, установленных в откаточных выработках - 10 мм2;

·        машин и аппаратов малой мощности в соответствии с диаметром кабельного ввода.

В соответствии с этим принимаем следующие кабели:

·            Стволовой кабель - ВЭВПШв 3*120+1*50;

·          Кабель от ЦПП до РПП-6 - ВЭВПШв 3*50+1*25;

·        Кабель от РПП-6 до ПУПП - ЭВБВк 3*16+1*6;

·        Магистральный низковольтный кабель от ПУПП-1,2 до РП очистного забоя - ЭпвБВ 3*70+1*35;

·        Магистральный низковольтный кабель от ПУПП-0,66 до РП очистного забоя - ЭПвБВ 3*35+1*16;

·        Гибкий кабель комбайна - КГЭШ 3*70;

·        Гибкий кабель конвейера лавы - КГЭШ 3*25;

·        Гибкий кабель конвейера штрека - КГЭШ 3*25 и КГЭШ 3*10;

·        Гибкий кабель насосной станции - КГЭШ 3*10;

·        Гибкий кабель станции орошения - КГЭШ 3*6;

·        Гибкий кабель предохранительной лебедки - КГЭШ 3*6.

Сечение кабеля по экономической плотности тока:

В соответствии с ПУЭ выбираем кабели со сроком службы более 5 лет.

Это сечение зависит от годового числа часов использования максимума нагрузки, материала жил и изоляции кабеля и определяется по формуле, мм2:

,

где  - экономическая плотность тока, А/м2,  = 3,5.

При этом принимают ближайшее большее стандартное сечение.

Определим минимальное сечение стволового кабеля по экономической плотности тока, мм2:

.

Принимаем кабель марки ВЭВПШв 3*95+1*50.

Определим минимальное сечение кабеля от ЦПП до РПП-6 по экономической плотности тока, мм2:

.

Принимаем кабель марки ВЭВбШв 3*50+1*25.

Определим минимальное сечение кабеля от РПП-6 до ПУПП по экономической плотности тока, мм2:

.

Принимаем кабель марки ЭВБВк 3*16+1*6.

Проверка сечения жил кабелей по термической стойкости:

Выбор сечения кабеля по термической стойкости проводится исходя из условия:


где Iп - предельно допустимый кратковременный ток, А;

I(3)к.з - трехфазный ток короткого замыкания, А.

Проверку сечения жил кабеля по термической стойкости выполняют после расчета токов трехфазного короткого замыкания.

Ведомость кабелей приведена в таблице 3.3

Таблица 3.3 - Ведомость кабелей

Наименование потребителя (электроустановки)

Длина, м

Ток нагрузки А

Предельно допустимый ток нагрузки, А

Ток трехфазного короткого замыкания А

Сечение силовой жилы кабеля, мм2

Марка принятого кабеля

Удельные электрические параметры принятого кабеля






По длительно допустимому току

По механической прочности

По термической стойкости

По экономической плотности тока


Активное сопротивление, Ом/км

Индуктивное сопротивление, Ом/км

Емкость относительно земли, мкФ/км

Напряжение 6 кВ

Стволовой

892,5

312

321

5112

120

120

120

86,4

ВЭВПШв 3*120+1*50

0,153

0,076

0,492

 

От ЦПП до РПП - 6

1680

171

176,55

3402

50

50

50

48,86

ВЭВПШв 3*50+1*25

0,387

0,083

0,344

 

От РПП - 6 до ПУПП

1680

70,35

95,23

1435

16

16

16

15,67

ЭВБВк 3*16+1*6

1,15

0,076

0,258

 

Напряжение 1140 В

Магистральный кабель

10,5

278

297,5

4281

70

70

70

-

ЭПвБВ 3*70+1*35

0,268

0,065

0,455

 

Гибкий кабель комбайна

242

220

250

3085

70

70

70

-

КГЭШ 3*70

0,281

0,079

0,870

 

Гибкий кабель конвейера лавы

242

130

136

2146

25

25

25

-

КГЭШ 3*25

0,767

0,088

0,424

 

Напряжение 660 В

Магистральный кабель

10,5

188,6

191,5

4234

35

35

35

-

ЭПвБВ 3*35+1*16

0,069

0,369

 

Гибкий кабель конвейера штрека

22

121

136

2057

25

25

25

-

КГЭШ 3*25

0,767

0,088

0,424

 


55

60,5

75


10

10

10

-

КГЭШ 3*10

1,96

0,092

0,345

 

Насосная станция №1

22

63,6

75

3130

10

10

10

-

КГЭШ 3*10

1,96

0,092

0,345

 

Насосная станция №2

22

63,6

75

3130

10

10

10

-

КГЭШ 3*10

1,96

0,092

0,345

 

Станция орошения

55

32,5

58

1746

6

6

6

-

КГЭШ 3*6

3,1

0,095

0,27

 

Предохранительная лебедка

55

15,8

58

1746

6

6

6

-

КГЭШ 3*6

3,1

0,095

0,27

 



. РАСЧЕТ ТОКОВ КОРОТКОГО ЗАМЫКАНИЯ

Выполняем расчет токов трехфазного и двухфазного короткого замыкания (к.з.).

Токи трехфазного к.з. (I(3)к.з.max) определяем для проверки коммутационных аппаратов по отключающей способности и кабелей по термической стойкости по формуле, А:

,

где Ux - напряжение холостого хода трансформатора, В;ф.- полное сопротивление одной фазы сети от источника питания до места к.з., Ом.

При этом расчетные параметры должны позволять определить максимальное значение токов к.з. на зажимах аппаратов или в начале кабеля.

Токи двухфазного к.з. (I(2)к.з.min) определяем для проверки надежности отключения поврежденной электрической сети максимальной токовой защитой. Расчеты токов двухфазного к.з. выполняем при параметрах сети, позволяющих определить их минимальное значение на зажимах наиболее электрически удаленного потребителя по формуле, А:

,

где Uн - номинальное напряжение трансформатора, В.

4.1 Расчет токов короткого замыкания в сети 6 кВ

Расчёт тока трёхфазного к.з. на зажимах ЦПП:

Полное сопротивление сети определяем от источника питания до точки короткого замыкания по формуле, Ом:


где Xc - индуктивное сопротивление энергосистемы, при глубоком вводе напряжением 110 кВ можно принимать Xc = 0 Ом;

Хтр - индуктивное сопротивление трансформатора ГПП, Ом;

Хр.н = 0 - номинальное индуктивное сопротивление реактора, Ом;

∑Xк, ∑Rк - суммарное индуктивное и активное сопротивление стволового кабеля, Ом.

При расчете токов короткого замыкания трехобмоточного трансформатора ГПП эти сопротивления принимают равными в соответствии со схемой на рисунке 4.1.

Рисунок 4.1 - Схема замещения трехобмоточного трансформатора

При расчете по цепи 1 - 3:


где Хв, Хн - индуктивное сопротивление соответственно обмоток высшего и низшего напряжения, Ом.

;

 

где Uкв%, Uкн% - напряжение короткого замыкания высшей и низшей обмоток трехобмоточного трансформатора (%), по формулам:

;

,

где UKB - C, UKB - H, UKC - H - напряжение короткого замыкания пар обмоток (для трансформатора ТДТНШ-10000/110 Uкв-с = 10,5%, Uкв-н = 17%, Uкс-н = 6%).

;

.

Определим индуктивное сопротивление обмоток высшего и низшего напряжения:

;

;

 

Сопротивление стволового кабеля определяем по формулам, Ом:

;

,

где Xуд = 0,076 Ом/км, Rуд = 0,153 Ом/км - соответствующие сопротивления 1 км кабеля.

;

 

 

 

Таким образом кабель ВЭВПШв 3*120+1*50 по термической стойкости подходит, т. к. допустимый ток:

Iп = 13946 А > I(3)к.з.max = 5112 А

Расчёт тока двухфазного к. з. на зажимах ЦПП:

,

Расчёт тока трёхфазного к. з. на зажимах РПП-6:

Полное сопротивление сети  увеличивается на величину сопротивления кабеля от ЦПП до РПП-6. В формулу полного сопротивления сети к суммарному активному и реактивному сопротивлению кабелей добавляется сопротивление кабеля от ЦПП до РПП-6.

Сопротивление кабеля определяем по формулам, Ом:

;

,

где Xуд = 0,083 Ом/км, Rуд = 0,387 Ом/км - соответствующие сопротивления 1 км кабеля.

;

 

 

Таким образом кабель ВЭВПШв 3*50+1*25 по термической стойкости подходит, т. к. допустимый ток:

Iп = 13946 А > I(3)к.з.max = 3402 А

Расчёт тока двухфазного к. з. на зажимах РПП-6

,

Расчёт тока трёхфазного к. з. на высоковольтных зажимах ПУПП:

Полное сопротивление сети  увеличивается на величину сопротивления кабеля от РПП-6 до ПУПП. В формулу полного сопротивления сети к суммарному активному и реактивному сопротивлению кабелей добавляется сопротивление кабеля от РПП-6 до ПУПП.

Сопротивление кабеля определяем по формулам, Ом:

;

,

где Xуд = 0,076 Ом/км, Rуд = 1,15 Ом/км - соответствующие сопротивления 1 км кабеля.

;

 

 

 

Таким образом кабель ЭВБВк 3*16+1*6 по термической стойкости подходит, т. к. допустимый ток:

Iп = 4463 А > I(3)к.з.max = 1435 А

Расчёт тока двухфазного к. з. на зажимах ПУПП

.

4.2 Расчёт токов короткого замыкания в сети низшего напряжения

Полное сопротивление в сетях низкого напряжения определяют по формуле


где: Хс; Rс - индуктивное и активное сопротивление высоковольтной сети, приведенное ко вторичной обмотке трансформатора, Ом;

ХТР, RТР - индуктивное и активное сопротивление трансформатора, Ом;

∑Хк, ∑Rк - суммарное индуктивное и активное сопротивление кабелей, Ом;

SRКОН - суммарное переходное сопротивление контактов и элементов аппаратов. Принимаем равным 0,005 Ом на один коммутационный аппарат, Ом.

Приведенные индуктивное и активное сопротивления могут быть определены по формулам:

;

где: Хсв, Rсв - индуктивное, активное сопротивление в сети высшего напряжения, Ом;

КТ - коэффициент трансформации силового трансформатора.

Расчёт тока трёхфазного к. з. на зажимах ПУПП-1,2 лавы:

; .

ХТР = 0,0776 Ом, RТР = 0,017 Ом

Ток трёхфазного к. з. на зажимах ПУПП-1,2:

 

Расчёт тока двухфазного к. з. на зажимах ПУПП-1,2

 

Расчёт тока трёхфазного к. з. на зажимах РП-1,2 лавы:

Сопротивление цепи увеличивается на величину сопротивления магистрального кабеля:

;

,

где Xуд = 0,065 Ом/км, Rуд = 0,268 Ом/км - соответствующие сопротивления 1 км кабеля.

;

.

 

Таким образом кабель ЭПвБВ 3*70+1*35 по термической стойкости подходит, т. к. допустимый ток:

Iп = 13946 А > I(3)к.з.max = 4281 А

Расчёт тока двухфазного к. з. на зажимах распредпункта лавы

 

Расчёт тока трехфазного к. з. на зажимах двигателя комбайна:

Принимая максимальное расстояние от распредпункта до места сопряжения забоя с конвейерным штреком 50 м, получаем с учетом длины лавы 170 м и провисания кабеля (10%) длину гибкого кабеля к комбайну:

.

Полное сопротивление кабельной линии будет равно:

,

где Хрп= 0,123 - индуктивное сопротивление сети распредпункта лавы, Ом;рп= 0,1286 - активное сопротивление сети распредпункта лавы, Ом;

ХК.ком, RК.ком - индуктивное и активное сопротивление кабеля комбайна, Ом.

= 0,005 - переходное сопротивление контактов и элементов аппарата, Ом.

Сопротивление кабеля определяем по формулам, Ом:

;

,

где Xуд = 0,079 Ом/км, Rуд = 0,281 Ом/км - соответствующие сопротивления 1 км кабеля.

;

 

 

Таким образом кабель КГЭШ 3*70 по термической стойкости подходит.

Расчёт тока двухфазного к. з. на зажимах двигателя комбайна

 

Расчет тока трехфазного к. з. на зажимах двигателя конвейера лавы:

Длину кабелей к головному и хвостовому приводам конвейера лавы с учетом провисания кабеля (10%) определим по формуле:

;

;

Полное сопротивление кабельной линии будет равно:


Сопротивление кабелей определяем по формулам, Ом:

;

,

где Xуд = 0,088 Ом/км, Rуд = 0,767 Ом/км - соответствующие сопротивления 1 км кабеля.

;

.

 

Расчёт тока двухфазного к. з. на зажимах двигателя конвейера лавы

 

Расчёт тока трёхфазного к. з. на зажимах ПУПП-0,66 лавы:

; .

ХТР = 0,0639 Ом, RТР = 0,019 Ом

Ток трёхфазного к. з. на зажимах ПУПП-0,66:

 

Расчёт тока двухфазного к. з. на зажимах ПУПП:

 

Расчёт тока трёхфазного к. з. на зажимах РП-0,66 лавы:

Сопротивление цепи увеличивается на величину сопротивления магистрального кабеля:

;

,

где Xуд = 0,069 Ом/км, Rуд = 0,524 Ом/км - соответствующие сопротивления 1 км кабеля.

;

.

 

Таким образом кабель ЭПвБВ 3*35+1*16 по термической стойкости подходит

Расчёт тока двухфазного к. з. на зажимах распредпункта лавы

 

Расчет тока трехфазного к. з. на зажимах двигателя конвейера штрека:

Длину кабелей к головному и хвостовому приводам конвейера штрека с учетом провисания кабеля (10%) определим по формуле:

;

;

Полное сопротивление кабельной линии будет равно:


Сопротивление кабелей определяем по формулам, Ом:

;

,

где Xуд = 0,088 Ом/км, Rуд = 0,767 Ом/км - соответствующие сопротивления 1 км кабеля.

;

.

;

,

где Xуд = 0,092 Ом/км, Rуд = 1,960 Ом/км - соответствующие сопротивления 1 км кабеля.

;

.

 

Расчёт тока двухфазного к. з. на зажимах двигателя конвейера штрека:

 

Расчет тока трехфазного к. з. на зажимах двигателя насосной станции:

Длину кабелей к зажимам двигателя насосной станции с учетом провисания кабеля (10%) определим по формуле:

;

Полное сопротивление кабельной линии будет равно:

.

Сопротивление кабелей определяем по формулам, Ом:

;

,

где Xуд = 0,092 Ом/км, Rуд = 1,96 Ом/км - соответствующие сопротивления 1 км кабеля.

;

.

 

Расчёт тока двухфазного к. з. на зажимах двигателя насосной станции:

 

Расчет тока трехфазного к. з. на зажимах двигателя станции орошения:

Длину кабелей к зажимам двигателя станции орошения с учетом провисания кабеля (10%) определим по формуле:

;

Полное сопротивление кабельной линии будет равно:

.

Сопротивление кабелей определяем по формулам, Ом:

;

,

где Xуд = 0,095 Ом/км, Rуд = 3,1 Ом/км - соответствующие сопротивления 1 км кабеля.

;

.

 

Расчёт тока двухфазного к. з. на зажимах двигателя станции орошения:

 

Расчет тока трехфазного к. з. га зажимах двигателя предохранительной лебедки:

Длину кабелей к зажимам двигателя предохранительной лебедки с учетом провисания кабеля (10%) определим по формуле:

;

Полное сопротивление кабельной линии будет равно:

.

Сопротивление кабелей определяем по формулам, Ом:

;

,

где Xуд = 0,095 Ом/км, Rуд = 3,1 Ом/км - соответствующие сопротивления 1 км кабеля.

;

.

 

Расчёт тока двухфазного к. з. на зажимах двигателя предохранительной лебедки

 

Результаты расчётов сводим в таблицу 4.2.

Таблица 4.2 - Токи короткого замыкания.

Место к.з.

Суммарное сопротивление до точки к.з., Ом

Мощность к.з. в сети, МВА

Приведенная длина кабеля, м

Токи к.з. А


индукти-вное

активное



трехфазные

двухфазные

ЦПП

0,808

0,137

53,1

892,5

5112

3476

РПП-6

0,94744

0,78716

35,4

1680

3402

2313

ПУПП

1,07512

2,71916

12,3

1680

1435

976

РП-1,2

0,123

0,1286

7,3

10,5

4281

3042

1ГШ68

0,142

0,2016

5,26

242

2192

СП87ПМ

0,144296

0,324214

3,66

242

2146

1525

РП-0,66

0,7942

0,0605

4,4

10,5

4234

3167

CР-70М

0,08642

0,1952

2,05

77

2057

1472

СНУ-7

0,081444

0,11362

3,11

22

3130

2239

НУМС

0,084645

0,236

1,73

55

1746

1249

ЛП

0,084645

0,236

1,73

55

1746

1249


5. ПРОВЕРКА ЭЛЕКТРИЧКСКОЙ СЕТИ ПО КАЧЕСТВУ НАПРЯЖЕНИЯ

Высокопроизводительная и безотказная работа технологических электроустановок в принятой системе электроснабжения может быть обеспечена, если качество напряжения на зажимах электроприемников соответствует требованиям ГОСТ и нормативных документов.

В связи с этим в проекте выполняем следующие проверки по качеству напряжения:

-   в сети напряжением 6 кВ - по допустимому отклонению (допустимой потере) напряжения в установившемся режиме от трансформатора ГПП до зажимов трансформатора КТП проектируемого участка;

    в сети напряжением до 1140 В - по допустимому отклонению (допустимой потере) напряжения в установившемся режиме и по допустимому напряжению при пуске электродвигателя. Такую проверку в участковой сети выполняют для одной линии, в которой момент нагрузки (P*L) имеет наибольшее значение. При этом напряжение на зажимах трансформатора принимают равным номинальному.

Электрическая сеть соответствует требованиям по качеству напряжения, если:

;

,

где ∆Uф, ∆Uд - фактическая и допустимая потеря напряжения, В;п.ф., Uп.д - фактическое и допустимое напряжение на зажимах двигателя при пуске, В.

Допустимую потерю напряжения определяют по формуле:

;

.

Фактическая потеря напряжения в сети равна, В:

,

где ∆Uтр - потеря напряжения в трансформаторе, В;

∑∆Uк - суммарная потеря напряжения в кабелях, В.

.1 Проверка по потери напряжения сети 6кВ

Потерю напряжения в трансформаторе определяем по формуле, В:

,

где Ιр.вн, Ιр.нн - расчетный ток соответственно в обмотке высшего и низшего напряжения трехобмоточного трансформатора, определяемые по формулам

;                                                   ;

;                                .

сosφв, сosφн - коэффициент мощности для соответствующих обмоток определяем с учетом компенсации реактивной мощности по формуле:

,

,                            

,                            

При расчете потери напряжения в трансформаторе, по аналогии с расчетом токов короткого замыкания, активное сопротивление принимаем равным нулю.

Хв = 0,468 Ом, Хн = 0,272 Ом - индуктивное сопротивление соответственно обмоток высшего и низшего напряжения.

Следовательно потерю напряжения в трансформаторе:

,

Потерю напряжения в кабеле высокого напряжения можно определить по формуле, В:

.

Потери в стволовом кабеле:

Iр.к = 312 А; сosφк = 0,682; sinφк = 0,731к = 0,068 Ом, Rк = 0,137 Ом.

 

Потери в кабеле от ЦПП до РПП-6:

Iр.к = 171 А; сosφк = 0,991; sinφк = 0,134к = 0,139 Ом, Rк = 0,65 Ом.

 

Потери в кабеле от РПП-6 до ПУПП:

Iр.к = 49,6 А; сosφк = 0,85; sinφк = 0,527к = 0,12768 Ом, Rк = 1,932 Ом.

Фактическая потеря напряжения в сети равна:

∆Uф=∆UТР+∆UК.ст+∆UК.цпп+∆UК.рпп-6=319+77,35+196,3+208,3=800,95В

.

То есть условие выполняется, а следовательно сеть высокого напряжения соответствует ГОСТу.

5.2 Проверка качества напряжения в сети низшего напряжения

Определение фактической потери напряжения в сети низшего напряжения в установившемся режиме выполняется аналогично высоковольтной сети по условию:

;

;

.

.

Фактическая потеря напряжения в сети равна, В:

,

Потери напряжения в сети 1,2 кВ

Потери в трансформаторе ПУПП-1,2:

Потерю напряжения в участковом трансформаторе определяем по формуле:

.

 

,

.

Потери напряжения в магистральном кабеле:

Потерю напряжения в магистральном кабеле определяем по формуле:

.

Iр.к = 278 А; сosφк = 0,85; sinφк = 0,527к = 0,0006825 Ом, Rк = 0,002814 Ом.

Потери напряжения в кабеле комбайна:

Потерю напряжения в кабеле комбайна определяем по формуле:

.

Iр.к = 220 А; сosφк = 0,961; sinφк = 0,276к = 0,019 Ом, Rк = 0,068 Ом.

 

Фактическая потеря напряжения в сети равна:

∆Uф = ∆UТР+∆UК.маг+∆UК.ком = 25 + 0,18 + 26,9 = 52,08 В,

.

То есть условие выполняется, а следовательно сеть низшего напряжения соответствует ГОСТу.

Потери напряжения в сети 0,66 кВ

Потери в трансформаторе ПУПП-0,66:

Потерю напряжения в участковом трансформаторе определяем по формуле

.

,

,

.

Потери напряжения в магистральном кабеле:

Потерю напряжения в магистральном кабеле определяем по формуле:

.

Iр.к = 188,6 А; сosφк = 0,858; sinφк = 0,514к = 0,00072 Ом, Rк = 0,0055 Ом.

Фактическая потеря напряжения в сети равна:

∆Uф = ∆UТР+∆UК.маг = 16,4 + 1,66 = 18,06 В,

.

То есть условие выполняется, а следовательно сеть низшего напряжения соответствует ГОСТу.

5.3 Проверка качества напряжения по условию пуска

В рудничных электродвигателях напряжением до 1140 В допустимое напряжение при пуске должно быть, В:

Фактическое напряжение на зажимах двигателя можно определить по формуле:

,

Где ∆Uн.р - потеря напряжения в участках сети, через которые получает питание запускаемый двигатель, вызванная работой электроприемников, включенных к моменту запуска двигателя;

∑Ιп - сумма токов одновременно запускаемых электродвигателей, А;

∑R, ∑Х - суммарное активное и индуктивное сопротивление электрической сети от трансформатора до зажимов пускаемых электродвигателей, Ом;

cosφп - коэффициент мощности электродвигателя при пуске (принимаем равным 0,5).

∆Uнр = ∆UТР+∆UК.маг = 25 + 0,18 = 25,18 В,

.

UПФ = 928 В > UД = 912 В

Так как условие выполняется, то качество напряжения соответствует ГОСТу.

6. ВЫБОР КОММУТАЦИОННЫХ АППАРАТОВ И УСТАВОК ЗАЩИТЫ

Коммутационные аппараты (КРУ, автоматические выключатели, пускатели, контакторы, станции управления) выбирают по назначению, исполнению, номинальному напряжению и току и проверяют по коммутационной способности.

Выбранные аппараты должны соответствовать следующим условиям:

·   по напряжению Uн = Uс;

·   по току Ін ≥ Ір;

·   по отключающей способности:

а) аппараты на напряжение 6кВ

Іо;

б) аппараты напряжением до 1140В

Іо.

После выбора коммутационных аппаратов определяем уставки максимальной токовой защиты и защиты от перегруза. Максимальная токовая защита должна быть проверена на надежность срабатывания по коэффициенту чувствительности в соответствии с ПБ.

6.1 Выбор высоковольтных КРУ, уставок МТЗ и защиты от перегруза

В качестве высоковольтных коммутационных аппаратов принимаются ячейки КРУВ-6 для РПП-6 и ЦПП.

Вводная ячейка ЦПП:

Uн = Uс = 6кВ;

Iн = 400 А (Ін ≥ Ір, 400 А > 312 А);

Iо = 10000 А (Іо, 10000 А > 5112 А).

Отходящая ячейка ЦПП (на РПП - 6):

Iн = 200 А (200 А > 171 А).

Вводная ячейка РПП - 6:

Uн = Uс = 6 кВ;

Iн = 200 А (Ін ≥ Ір, 200 А > 171 А);

Iо = 10000 А (Іо, 10000 А > 3402 А).

Отходящая ячейка РПП-6 (на ПУПП)

Iн = 80 А (80 А > 70,35 А).

Расчет и выбор уставок МТЗ выполняем в следующем порядке:

. Определяем ток срабатывания токовых реле (Іср.2) на стороне вторичной обмотки трансформатора тока по формуле:

,

Где Кн - коэффициент надежности токовой защиты (Кн = 1,2-1,4);

Ір.max - максимально возможный ток в нормальном режиме работы, А:

Ір.max = Ір + Іп.max,

Где Іп.max - пусковой ток двигателя наиболее мощного потребителя;

Кт.т. - коэффициент трансформации трансформатора тока:

т.т.н.т.т/5),

Где Ін.т.т. - номинальный ток первичной обмотки трансформатора тока, А;

5 - номинальный ток вторичной обмотки ТТ.

. По расчетному току срабатывания определяем ток уставки (Іу). Для защит со ступенчатым регулированием ближайшую большую уставку; для защит с плавным регулированием - ближайшую большую уставку с целым числом.

. Проверяем надежность срабатывания МТЗ по коэффициенту чувствительности:

 

где  - ток к.з. в наиболее удаленной точке электросети, А;

Iср1 - ток срабатывания защиты в сети 6кВ, А.

Коэффициент чувствительности должен быть не ниже 2 для защит распределительной сети и 1,5 - для защит трансформаторов и КТП.

Уставка МТЗ для вводной ячейки ЦПП:

Кт.т. = 400/5 = 80,

Ір.max = 312 + 267 = 579 А,

,

Ток уставки Iу = 10 А,ср 1 = Кт.т.∙ Iу = 80 ∙ 10 = 800 А

.

Уставка МТЗ для отходящей ячейки ЦПП:

Кт.т. = 200/5 = 40,

Ір.max = 171 + 267 = 438 А,

,

Ток уставки Iу = 15 А,ср 1 = Кт.т.∙ Iу = 40 ∙ 15 = 600 А

.

Уставка МТЗ для вводной ячейки РПП-6:

Кт.т. = 200/5 = 40,

Ір.max = 171 + 133 = 304 А,

,

Ток уставки Iу = 10 А,ср 1 = Кт.т.∙ Iу = 40 ∙ 10 = 400 А

.

Уставка МТЗ для отходящей ячейки РПП- 6:

Кт.т. = 80/5 = 16,

Ір.max = 70,35 + 142,6 = 212,95 А,

,

Ток уставки Iу = 18 А,ср 1 = Кт.т.∙ Iу = 16 ∙ 18 = 288 А

.

Во всех случаях коэффициент чувствительности уставки Кч > 1,5, что говорит о достаточно надёжности срабатывания.

Ток срабатывания защиты от перегруза определяем по формуле:

,

Где КОТС - коэффициент отстройки (КОТС = 1,1 ¸1,2);

КСХ - коэффициент схемы, при последовательном соединении обмоток реле КСХ = 1;

КВ - коэффициент возврата КВ = 0,8;

КТ.Т. - коэффициент трансформации трансформатора тока;

IН - номинальный ток потребителя, А.

Для вводной ячейки ЦПП:

,

Ток уставки Iу = 6 А.

Для отходящей ячейки ЦПП:

,

Ток уставки Iу = 6 А.

Для вводной ячейки РПП-6:

,

Ток уставки Iу = 6 А.

Для отходящей ячейки РПП-6:

,

Ток уставки Iу = 6 А.

6.2 Выбор аппаратов и установок защит в сети низшего напряжения

В качестве низковольтных коммутационных аппаратов принимаются комплектные устройства управления взрывобезопасные СУВ-350А.

Данного устройства управления имеет общий ввод, рассчитанный на номинальный ток:

IН = 500 А.

Расчётный ток для двигателей потребителей не должен превышать номинального тока общего ввода модуля аппарата управления и должен удовлетворять условию:

IН ≥ ∑IН.Д.

Укажем потребителей, подключенных к выводам данного устройства управления.

Ввод №1 (IН = 63 А) - насосная станция №1 (IН.Д. = 59,5 А);

Ввод №2(рев.) (IН = 250 А) - конвейер штрека (IН.Д. = 121 А);

Ввод №3 (IН = 63 А) - насос орошения (IН.Д. = 32,5 А);

Ввод №4 (IН = 63 А) - насосная станция №2 (IН.Д. = 59,5 А);

Ввод №5 (IН = 250 А) - резерв.

Ввод №6 (IН = 63 А) - резерв;

Ввод №7(рев.) (IН = 250 А) - резерв.

Ввод №8(рев.) (IН = 32 А) - предохранительная лебедка (IН.Д. = 15,8 А).

А ≥ 59,5 + 121 + 32,5 + 59,5 + 15,8 = 288,3

А > 288,3 А

В связи с тем, что модуль комплектного устройства не в состоянии скоммутировать все участковые потребители (остается не запитанным комбайн и конвейер лавы), то для их питания предусматриваем автоматический выключатель АВ-400ДО 2 (обеспечение защиты), пускатель ПВ-250-В (IН = 250 А) для непосредственной коммутации силовой цепи двигателя комбайна и ПВИ-250БТ (IН = 250 А), для непосредственной коммутации силовой цепи двигателей конвейера лавы.

Уставка МТЗ рассчитывается из следующих условий:

Iуст ≥ Iп,

где Iуст - номинальный ток уставки, А;

Iп - пусковой ток электродвигателя потребителя, А.

Iуст ≥ Iн.п. + ∑ Iн,

где Iн.п. - номинальный пусковой ток наиболее мощного потребителя, А;

Iн - сумма номинальных токов остальных потребителей, А.

Надежность срабатывания уставки определяется с помощью коэффициента чувствительности:

Кч =  ≥ 1,5.

Уставка токовой защиты от перегрузок типа ТЗП определяется из условия:

У = ,

Где Iн.д - номинальный ток электродвигателя потребителя, А;

Iн.пускателя - номинальный ток пускателя, А.

Уставка МТЗ для АВ 400ДО 2:

Iуст ≥ 846 + 220 А,

Iуст ≥ 1066 А

Iуст = 1200 А.

Уставка МТЗ двигателей комбайна:

Iуст ≥ 750 А,

Iуст = 750 А,

Кч =  ≥ 1,5,

Кч = 2,92 > 1,5,

Уставка токовой защиты от перегрузок типа ТЗП комбайна:

У = .

Уставка МТЗ двигателей конвейера лавы:

Iуст ≥ 846 А,

Iуст = 875 А,

Кч =  ≥ 1,5,

Кч = 1,74 > 1,5,

Уставка токовой защиты от перегрузок типа ТЗП конвейера лавы:

У = .

Уставка МТЗ двигателей конвейера штрека:

Iуст ≥ 453,8 А,

Iуст = 500 А,

Кч =  ≥ 1,5,

Кч = 2,94 > 1,5,

Уставка токовой защиты от перегрузок типа ТЗП конвейера штрека:

У = .

Уставка МТЗ двигателей насосной станции:

Iуст ≥ 387 А,

Iуст = 405 А,

Кч =  ≥ 1,5,

Кч = 5,53 > 1,5,

Уставка токовой защиты от перегрузок типа ТЗП насосной станции:

У = .

Уставка МТЗ двигателя станции орошения:

Iуст ≥ 228 А,

Iуст = 250 А,

Кч =  ≥ 1,5,

Кч = 5 > 1,5,

Уставка токовой защиты от перегрузок типа ТЗП станции орошения:

У = .

Уставка МТЗ двигателя предохранительной лебедки:

Iуст ≥ 130 А,

Iуст = 138 А,

Кч =  ≥ 1,5,

Кч = 9 > 1,5,

Уставка токовой защиты от перегрузок типа ТЗП предохранительной лебедки:

У = .

Все расчёты свожу в единую таблицу 6.1.

Таблица 6.1 Ведомость коммутационных аппаратов

Потребитель

Iн.д, А

I(3)кз, А

Тип аппарата

Iн.пускателя, А

Ток отключения, А

Iуст, А

Уставка ТЗП

Кч

АВ-400ДО 2

1066

-

А3732

400

11000

1200

-

-

Комбайн

220

3082

ПВ-250-В (КТ12)

250

3000

750

0,88

2,92

Конвейер лавы

130

2146

ПВИ-250БТ (КТУ-4Б)

250

4000

875

0,52

1,74

Станция управления СУВ-350А

Общий ввод

500

А3732

288,3

20000

1000

-

-

Насосная станция№1

59,5

3140

КТУ-2А

63

1500

405

0,94

5,53

Конвейер штрека

121

2057

КТУ-4А

250

4000

500

0,49

2,94

Станция орошения

32,5

1746

КТУ-2А

63

1500

250

0,52

5

Насосная станция№2

59,5

3140

КТУ-2А

63

1500

405

0,94

5,53

Предохранительная лебедка

15,8

1746

ПМА

32

4000

138

0,49

9



7. ПРОВЕРКА УСТОЙЧИВОСТИ РАБОТЫ ЗАЩИТЫ ОТ УТЕЧЕК ТОКА

Аппараты защиты от утечек тока работают устойчиво при емкости сети не более 1 мкФ. Поэтому проверка сводится к сравнению ёмкости кабельной низковольтной сети с допустимой ёмкостью сети.

,

Где Ci - емкость силовой жилы относительно земли при температуре 20˚С мкФ/км;

Li - длина i-того кабеля, м;

Κβtci - поправочный коэффициент на температуру окружающей среды и загрузку кабеля;д - допустимая емкость сети (Cд = 1мкФ);

Данные проверки сводим в таблицу 7.1.

Таблица 7.1 - Емкость электрической сети

Наименование потребителя

Марка кабеля

Длина кабеля, м

Емкость кабеля, мкФ/км

Магистральный кабель РП-1,2

ЭПвБВ 3*70+1*35

10,5

0,406

Магистральный кабель РП-0,66

ЭПвБВ 3*35+1*16

10,5

0,369

Кабель комбайна

КГЭШ 3*70

242

0,87

Конвейер лавы

КГЭШ 3*25

242

0,424

Конвейер штрека(головной)

КГЭШТ 3*25

22

0,424

Конвейер штрека(хвостовой)

КГЭШТ 3*10

55

0,345

Насосная станция №1

КГЭШ 3*10

22

0,345

Насосная станция №2

КГЭШ 3*10

22

0,345

Станция орошения

КГЭШ 3*6

55

0,27

Лебедка предохранительная

КГЭШ 3*6

55

0,27

Всего


736



 

,39 мкФ < 1 мкФ

Таким образом мы видим, что условие выполняется, а это говорит о том, что защита от утечек тока будет работать устойчиво.

8. ПОСТРОЕНИЕ ГРАФИКА НАГРУЗКИ И ОПРЕДЕЛЕНИЕ РАСХОДА ЭЛЕКТРОЭНЕРГИИ

Графики нагрузки строят для оптимального регулирования режима электропотребления и расчета расхода электроэнергии. Строится суточный график нагрузки для активной и реактивной мощности. Нагрузка должна быть распределена таким образом, чтобы в часы максимума нагрузки энергосистемы шахта использовала минимально возможную активную мощность. При этом не должна снижаться производительность шахты и условия обеспечения безопасности. Данные графика нагрузки используют для определения заявленной активной получасовой мощности и расхода активной энергии.

Заявленную активную мощность принимают равной максимальной получасовой мощности, совпадающей с максимумом нагрузки энергосистемы. Суточный расход активной и реактивной энергии определяем по формуле:

,

,

Где Pi - активная мощность, используемая в течение времени ti, кВт;

ti - время работы системы с неизменной нагрузкой, ч;

Qi - реактивная мощность, используемая в течение времени ti, кВАр.

Рисунок 8.1 - Суточный график нагрузки по шахте

9. РАЗРАБОТКА МЕРОПРИЯТИЙ ПО ЭКОНОМИИ ЭЛЕКТРИЧЕСКОЙ ЭНЕРГИИ

Экономия электрической энергии в масштабах всей шахты сводится к выбору наиболее оптимальных схем электроснабжения, выбору оптимальных режимов работы потребителей, к компенсации реактивной мощности.

В данном проекте предусмотрена компенсация реактивной мощности не только на поверхности (на ГПП), но и в подземных условиях (на ЦПП и РПП-6). Для этих целей предусмотрены конденсаторные установки. На них компенсируется большая часть реактивной мощности, что позволяет уменьшить потребление реактивной мощности и уменьшить сечения применяемых кабелей, что также благоприятно влияет на экономическую сторону проекта.

Особое внимание уделяется снижению оплаты за электроэнергию за счёт снижения установленной активной мощности в часы вечернего и утреннего максимума нагрузки. Согласно графику нагрузки в часы утреннего максимума работает ремонтная смена. Это обстоятельство позволяет исключить нагрузку очистных и проходческих участков, конвейерного транспорта и скипового ствола. В ремонтную смену постоянно клетевой подъём, подземные подъёмные установки, задействованные на доставке материалов, однако они потребляют значительно меньше электроэнергии, этим достигается снижение нагрузки по шахте. В часы вечернего и утреннего максимума отключается главная водоотливная установка.

К локальным мероприятиям по экономии электрической энергии относятся: применение электрооборудования оптимальной мощности, применение энергосберегающих технологий, проведение организационно-технических мероприятий, направленных на экономию электроэнергии.

10. АВТОМАТИЗАЦИЯ И ТЕЛЕМЕХАНИКА В СИСТЕМАХ ЭЛЕКТРОСНАБЖЕНИЯ

Под автоматизацией энергосистем понимают внедрение устройств и схем, осуществляющих управление режимами производства, передачи и распределения электроэнергии в нормальных и аварийных режимах. В системах электроснабжения угольных шахт нашли применения следующие основные виды системной автоматики: автоматическое включение резерва (АВР), автоматическое повторное включение (АПВ), автоматическое регулирование напряжения, автоматическая частотная разгрузка (АЧР), а также диспетчерское управление.

Согласно ПУЭ применение АПВ обязательно на всех воздушных и кабельно - воздушных линиях напряжением до 1000 В и выше.

В последние годы в системах электроснабжения находят все более широкое применение автоматизированные системы управления электроснабжением (АСУЭ), т. е. системы, осуществляющие управление не только в аварийных, но и в нормальных режимах. В системах электроснабжения угольных шахт АСУЭ также начинает внедряться. Так, для угольных шахт рекомендована автоматизированная 32-канальная информационно-логическая система сбора, учета, контроля, прогнозирования и управления электропотреблением ИЛСЭ1-32. Система выполнена на базе микро-ЭВМ и предназначена для технического учета и регистрации расхода электроэнергии по предприятию, технологическим процессам, цехам, группам и отдельным потребителям, а также для анализа электропотребления, контроля за расходом электроэнергии, прогнозирования расхода и управления электропотреблением (отключение потребителей в соответствии с установленной очередностью в часы максимума нагрузок энергосистемы).

Рисунок 10.1 - Блок-схема системы ИЛСЭ1-32.

Автоматическое включение резерва.

К устройствам АВР предъявляют следующие основные требования:

устройства должны приходить в действие в случае исчезновения напряжение на шинах подстанции по любой причине;

с целью уменьшения длительности перерыва в питании потребителей включение резервного источника должно производиться сразу же после отключения рабочего источника;

для исключения многократных включений резервного источника не устранившееся к.з действие АВР должно быть однократным.

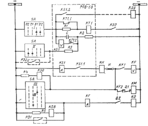
Рисунок 10.2 - Упрощенная схема АВР трансформатора

Особенностью данной схемы является то, что при исчезновении напряжения на одной из линий, АВР включает секционный выключатель, а при восстановлении напряжения на линии автоматически восстанавливается нормальная схема подстанции.

Автоматическое повторное включение.

Могут быть однократного и многократного действия.

Подача импульса на включение выключателя при однократном АПВ осуществляется с задержкой в 0,3 - 0,5 с. Время задержки при двукратном АПВ составляет 10 - 15 с.

АПВ выполняет следующие функции:

приходит в действие при аварийном отключении выключателя;

не приходи в действие при оперативном отключении выключателя персоналом, а также в случаях, когда выключатель отключается релейной защитой сразу же после его включения персоналом, т. е. при включении на устойчивое к. з.;

обеспечивает заданную кратность и минимально возможное время действия;

автоматически подготавливает выключатель, на который действует устройство, к новому действию после его включения.

Рисунок 10.3 - Схема однократного АПВ

Автоматическое регулирование напряжения.

Регулировать напряжение у потребителя можно следующими способами: 1) изменением напряжения на шинах источника; 2) изменением коэффициента трансформации силового трансформатора; 3) изменением реактивной мощности Q, передаваемой по линии, что может осуществляться регулированием возбуждения синхронных компенсаторов или электродвигателей, а также изменением суммарной мощности конденсаторов, установленных на подстанции.

Автоматически регулировать напряжение непосредственно у потребителя (приемная подстанция) можно, используя второй и третий из указанных выше способов.

Автоматическое регулирование напряжения на подстанциях путем изменения коэффициента трансформации силового трансформатора находит все более широкое применение и промышленностью выпускаются регуляторы АРТ-1Н, которые осуществляют автоматическое управление электроприводом с помощью переключателя отпаек.

Рисунок 10.4 - Структурная схема автоматического регулятора напряжения, установленного на трансформаторах.

Автоматическая частотная разгрузка.

Устройство автоматической частотной разгрузки (АЧР) предусматривают на подстанциях и распределительных пунктах предприятий для отключения части электроприемников при возникновении дефицита активной мощности в питающей энергосистеме. Установлены три категории схем частотной разгрузки:

) с малым временем действия (0,25 - 0,5с)

) с единой уставкой по частоте и различными уставками по времени

) дополнительная категория, действующая при возникновении местного глубокого дефицита активной мощности.

Устройство АЧР размещают на подстанциях и РП, от шин 6-10 кВ от которых непосредственно получают питание электроприемники, подлежащие отключению при действии АЧР.

11. РАЗРАБОТКА МЕРОПРИЯТИЙ ПО БЕЗОПАСНОМУ ПРИМЕНЕНИЮ ЭЛЕКТРООБОРУДОВАНИЯ

Одной из важнейших задач в области электрификации угольных шахт является обеспечение условий безопасного применения электроэнергии, т. е. предотвращения поражений людей, пожаров и взрывов метано-воздушной смеси или угольной пыли в результате действия электрического тока.

Основные мероприятия для обеспечения безопасного применения электроэнергии в угольных шахтах следующие:

) применение взрывобезопасного электрооборудования, в котором взрывозащита обеспечивается при помощи взрывонепроницаемых оболочек и искробезопасных электрических цепей;

) использование эффективных устройств защиты от поражения электрическим током и от пожаров;

) применение устройств автоматического быстродействующего защитного отключения электроэнергии и т. п.

Обеспечение безопасного применения электроэнергии в угольных шахтах достигается в первую очередь исполнением электрооборудования, исключающим распространение возникших внутри оболочки искр или дуги в окружающую взрывоопасную атмосферу. Рудничное силовое электрооборудование заключается во взрывонепроницаемые оболочки, сопряжения различных деталей которых имеют щелевые зазоры, выполняющие защитные функции. Для эффективности щелевой защиты необходимо, чтобы щели в местах соединений и стыков выполнялись соответствующей длины и ширины, обеспечивающих хорошую теплопроводность для интенсивного отбора тепла у вырывающихся через зазоры продуктов воспламенения.

Среди известных способов безопасного применения электроэнергии в угольных шахтах особое место занимает искробезопасное исполнение электрических цепей, основанное на том, что при коммутации электрической цепи с правильно выбранными параметрами или не возникает никакого разряда, или возникающий разряд не может вызвать воспламенение взрывчатой атмосферы. Основным средством обеспечения искробезопасности цепей является применение ограничителей напряжения и тока разряда. В качестве ограничителей служат различного рода искрогасящие шунты к индуктивным элементам и специальные источники питания с ограниченными токами к. з.

Особое и весьма существенное значение для обеспечения электробезопасности имеют уровень сопротивления изоляции сети и состояние защитного заземления. В связи с этим на угольных шахтах применяют автоматический контроль целостности (или величины сопротивления) заземляющей жилы и различные устройства автоматического контроля сопротивления изоляции сети относительно земли. В настоящее время в угольных шахтах кроме устройств защиты от утечек, УАКИ и АЗАК эксплуатируются реле утечки РУ-127, РУ-220, РУ-380, и РУ-660, которые обладают самоконтролем исправности элементов схемы контроля изоляции и защитного отключения. Для электрических сетей напряжением 1140 В комплект аппаратуры зашиты oт утечек состоит из блока защитного отключения БЗО, который воздействует на автоматический выключатель, отключающий сеть при снижении сопротивления изоляции до недопустимо низкого уровня и при возникновении опасных утечек тока на землю и блока компенсации емкостных токов, обнаружения и закорачивания поврежденной фазы сети на землю БКЗ.

Основной функцией БКЗ является снижение кратковременных токов утечки шунтированием поврежденной фазы на землю. Компенсация емкостной составляющей тока утечки осуществляется статически и непрерывно до и после отключения автоматического выключателя.

Значительное повышение электробезопасности при использовании электроэнергии в угольных шахтах достигается с помощью коммутационных аппаратов, осуществляющих защитное опережающее отключение, которое состоит в предотвращении образования опасной электрической дуги в месте повреждения изоляции или электрической цепи путем быстрого отключения поврежденного участка цепи или электрооборудования при опасной концентрации метана. Время отключения сети или время защитного отключения энергии должно быть меньше времени развития аварии в системе или времени порога опасности.

Защитное отключение используют как средство, предотвращения электротравматизма, предотвращения пожара на электроустановках в шахтах, снижения вероятности воспламенения взрывчатой атмосферы.

ВЫВОДЫ

В ходе выполнения курсового проекта был произведён выбор системы электроснабжения шахты и выбор питающих напряжений, рассчитаны нагрузки ПУПП, РПП-6, ЦПП и в целом по шахте, произведён выбор кабелей, электрооборудования и средств защиты.

Построен график нагрузки и определён расход электроэнергии по шахте, разработаны мероприятия по экономии электроэнергии и безопасному применению электрооборудования. Представлена схема электроснабжения шахты. При выполнении расчетов главной целью было получение надежной системы с рациональным изложением материалов.

СПИСОК ИСПОЛЬЗУЕМОЙ ЛИТЕРАТУРЫ

1.   Дегтярева В.В., Серова В.И., Цепелинского Г.Ю. Справочник по электроустановкам угольных предприятий. Под общей редакцией - М.: Недра, 1988. - 727с.

2.       Гойхман В.М., Миновский Ю.П. Регулирование электропотребления и экономия электроэнергии на угольных шахтах. - М.: Недра, 1988. - 190с.

.        Справочник по взрывозащищенному электрооборудованию. Под общей редакцией А.И. Пархоменко.- К.: Техника, 1990. - 198с.

.        Щуцкий В.И., Волощенко Н.И., Плащанский Л.А. Электрификация подземных горных работ: Учебник для ВУЗов - М.: Недра, 1986. - 364с.

.        Руководство по ревизии, наладке и испытанию подземных электроустановок шахт. Под редакцией В.В. Дегтярева, Л.В. Седакова - М.: Недра. 1989.- 614с.

.        Цапенко Е.Ф., Мирский М.И., Сухарев О.В. Горная электротехника - М.: Недра, 1986. - 432с.

Похожие работы на - Электроснабжение шахты

 

Не нашли материал для своей работы?
Поможем написать уникальную работу
Без плагиата!
Без нейросетей!