Особенности электроснабжения угольной шахты. Замена проходческого комбайна в условиях шахты 'Ерунаковская VIII'
Содержание
шахта электроснабжение проходческий комбайн
Введение
Часть I.
Общая часть
.1 Технология
и комплексная механизация
.1.1
Геологическое строение шахтного поля
.1.1.1 Общие
сведения
.1.1.2
Стратиграфия и угленосность
1.1.1.3 Тектоника
1.1.1.4
Характеристика угольных пластов
.1.1.5
Качественная характеристика угля
1.1.1.6 Границы и запасы
1.1.2
Вскрытие и подготовка шахтного поля
.1.2.1
Система разработки. Механизация очистных и подготовительных работ
.1.2.2
Проведение и крепление подготовительной выработки
.1.2.3
Технические данные и характеристики крепи АСП20
.1.2.4
Условия применения анкерной крепи
.1.2.5
Разрушение, погрузка и транспортировка горной массы
.1.2.6
Организация работ в проходческом цикле
.1.2.7
Мероприятия по охране труда и технике безопасности
1.2 Электроснабжение шахты
1.2.1 Выбор
схемы внешнего электроснабжения
.2.2 Расчёт
электрических нагрузок
.2.2.1 Выбор
силового трансформатора ГПП
.2.2.2
Определение потерь в трансформаторе
.2.3 Расчёт
воздушных и кабельных линий электропередач
.2.3.1 Расчёт
проводов и кабелей из условий их нагрева
.2.3.2 Расчёт
по экономической плотности тока
1.2.4 Расчёт токов короткого
замыкания
1.2.4.1
Вычисление силы тока и мощности при коротком замыкании
.2.5
Компенсация реактивной мощности
.2.6
Определение потерь мощности и электроэнергии
.2.7
Источники оперативного тока
1.2.8 Выбор оборудования ГПП
1.2.8.1 Выбор
КРУ для ГПП
.2.8.2 Выбор
выключателей
.2.8.3 Выбор
трансформаторов тока
.2.8.4 Выбор
и проверка трансформаторов напряжения
.2.8.5 Выбор
разъединителей, отделителей и короткозамыкателей
1.2.8.6 Выбор разрядников
1.2.9 Выбор оборудования ЦПП
1.2.9.1 Выбор
и проверка КРУ для ЦПП
1.2.9.2 Выбор КРУ вводной ячейки
.2.9.3 Выбор КРУ секционной ячейки
1.2.9.4 Выбор
КРУ для питания группы нагрузок
.2.9.5 Выбор
КРУ для питания высоковольтного электродвигателя
1.2.10 Выбор и проверка уставок КРУ
1.2.10.1 Для
вводных КРУ, ЦПП и РПП
.2.10.2
Отходящая КРУВ (ПУПП)
.2.10.3
Отходящая КРУВ (главный водоотлив)
.2.10.4
Вводная КРУВ
1.2.10.5 Секционная КРУВ
1.3
Электроснабжение проходческого участка
1.3.1 Расчёт ПУПП
1.3.2 Выбор
ПУПП
1.3.3 Выбор и проверка кабельной сети
участка по допустимой нагрузке
1.3.3.1 Выбор
кабельной сети участка по нагрузке
.3.3.2
Проверка кабельной сети участка по допустимым потерям напряжения при нормальном
режиме
.3.3.3
Проверка кабельной сети по потерям напряжения при пуске наиболее мощного и
удалённого электродвигателя
.3.3.4
Проверка кабельной сети по сопротивлению изоляции и ёмкости
.3.4 Расчёт
токов КЗ
.3.5 Выбор и
проверка защитной аппаратуры и уставок её защит
.3.6 Расчёт
ПУПП
.3.7 Выбор
ПУПП
1.3.8 Выбор и проверка кабельной сети
участка по допустимой нагрузке
1.3.8.1 Выбор
кабельной сети участка по нагрузке
.3.8.2
Проверка кабельной сети участка по допустимым потерям напряжения при нормальном
режиме
.3.8.3
Проверка кабельной сети по потерям напряжения при пуске наиболее мощного и
удалённого электродвигателя
.3.8.4
Проверка кабельной сети по сопротивлению изоляции и ёмкости
.3.9 Расчёт
токов КЗ
.3.10 Выбор и
проверка защитной аппаратуры и уставок ее защит
1.4 Стационарные установки
1.4.1
Вентиляторные и калориферные установки
.4.2 Главные
водоотливные установки
.4.3
Транспорт горной массы
.5 Расчёт
проходческого участка
.5.1
Определение численности рабочих проходческого участка
.5.2 Расчет себестоимости
по элементу "Материальные затраты" проходческого участка
.5.3 Расчет
затрат по элементу "Затраты на оплату труда"
.5.4 Расчет
заработной платы работников проходческого участка
.5.5 Расчет
затрат по элементу "Затраты на оплату труда"
.5.6 Расчет
затрат по элементу "Амортизация основных фондов"
.5.7
Участковая себестоимость
1.6 Охрана
труда и промышленная безопасность
1.6.1 Меры
безопасности
.6.1.1 Меры
безопасности при работе с комбайном КП−21
.6.1.2 Меры
безопасности при работе и ремонте скребкового конвейера СР-70
.6.1.3 Меры
безопасностипри работе с пневматической буровой установкой
.6.2 Основные
типовые правила поведения (действия) работников шахты при авариях
.6.2.1 Пожар
(взрыв газа и (или) угольной пыли)
.6.2.2
Внезапный выброс угля и газа, горный удар
.6.2.3
Обрушение
.6.2.4
Затопление водой
.6.2.5
Загазирование
.6.2.6
Общешахтное отключение электроэнергии
.6.2.7
Поражение электрическим током
.6.2.8
Несчастный случай, травмирование
.6.3
Мероприятия по снижению профзаболеваний
Часть II. Специальная часть
"Замена проходческого комбайна в условиях шахты "Ерунаковская
VIII"
2.1 Текущее
положение
.2 Обзор
рынка производителей проходческих комбайнов
.3
Характеристики комбайна Sandvik MB-670
.3.1
Эксплуатация МВ-670 в Австралии
.3.2
Эксплуатация МВ-670 в Великобритании
.3.3
Эксплуатация МВ-670 в Китае
.3.4
Эксплуатация МВ-670 в России
Заключение
Список
использованных источников
Введение
Современные угольные шахты - крупнейшие потребители электроэнергии. Они
оснащены высокопроизводительными машинами и механизмами для проведения горных
выработок и добычи полезного ископаемого, мощными транспортными средствами, а
также стационарными установками для обеспечения выдачи добытого угля на
поверхность и для безопасной работы людей под землёй. К ним повышенные
требования по применению электрооборудования, в особенности в условиях
разработки пластов, опасных по газу и пыли.
В процессе проектирования представлены: горно-геологическая
характеристика месторождения, расчет добычных работ на участке, расчет электроснабжения
шахты и расчёт электроснабжения участка.
Проект содержит технико-экономические показатели. Рассмотрены вопросы
охраны труда.
В специальной части проекта рассматривается несколько проходческих
комбайнов и в результате выбор наиболее эффективного.
Часть I. Общая часть
.1 Технология и комплексная механизация
.1.1 Геологическое строение шахтного поля
.1.1.1 Общие
сведения
Данным дипломным проектом принимается поле шахты
"Ерунаковская-VIII" расположенной на территории Новокузнецкого района
Кемеровской области РФ в Ерунаковском геолого-экономическом районе Кузбасса.
Ближайшие промышленные центры - города Новокузнецк и Прокопьевск
находятся в 70 и 80 км к юго-востоку соответственно. В 10 км юго-западнее
участка проходит ж.д. Артышта - Томусинская с веткой на ст. Новокузнецк.
Электроснабжение предприятий района осуществляется от подстанций 220/110 кВ
"Ускатская", 110/35 кВ "Талдинская".
Район достаточно освоен горнодобывающей промышленностью: в
непосредственной близости от участка находятся действующий разрез
"Ерунаковский" и шахта "Усковская", которые имеют
соответствующую инфраструктуру.
Ландшафт местности таежный. Рельеф сильно расчленен, высотные отметки
изменяются от +220 м (абс.) до +350 м (абс.) над уровнем моря. В целом характер
поверхности участка характеризуется как резко пересеченный. Сложно построенная
гидросеть местности формируется левыми безымянными притоками р. Томи
(водоохранная зона 1000м).
Глубина промерзания почвы зависит от мощности снежного покрова и
колеблется в пределах 0,4-2,5 м. Ветры преобладают юго-западные со скоростью
2-9 м/с.
1.1.1.2
Стратиграфия и угленосность
В соответствии со стратиграфической схемой Кузнецкого бассейна 1979 г.
продуктивные отложения участка представлены осадками ленинской свиты ильинской
подсерии и нижней частью разреза грамотеинской свиты Ерунаковской подсерии
кольчугинской серии верхней перми.
Ленинская свита в границах участка вскрыта на полную мощность 710м в
интервале от кровли пласта 38 до кровли пласта 60.
В литологическом отношении разрез представлен переслаиванием
разнозернистых алевролив и мелкозернистых песчаников с явным преобладанием в
разрезе глинистых разностей. В нижней и верхней частях разреза среди глинистых
пород часто встречаются залежи маломощных пластов и линз угля, которые тяготеют
к кровлям или почвам целевых (номерных) пластов угля. Мелкозернистые алевролиты
иногда замещаются аргиллитами, мощность слоев которых может достигать 4-8
метров. Изредка в разрезе, преимущественно в кровле или почве угольных пластов
встречаются углистые аргиллиты и алевролиты. Наиболее выдержанные и мощные (до
30-45м) слои песчаника в основном приурочены к кровле пласта 40 и почве пластов
45, 51, 54 и 59. Циклы осадконакопления крайне неравномерные, поэтому интервалы
с наличием мощных слоев алевролитов и песчаников перемежаются с интервалами
частого переслаивания вышеназванных пород и угольных пластов.
Всего в разрезе свиты заключено двадцать угольных пластов, а с учетом
расщепления некоторых из них (43-42, 45, 51 и 57) количество угольных пластов в
разрезе возрастает до 24. По степени выдержанности один угольный пласт (50)
отнесен к выдержанным, 8 угольных пластов (45 н.п., 45, 48, 51, 51 н.п., 53, 59
и 60) отнесены к относительно выдержанным, остальные 15 пластов по мощности,
строению и условиям залегания отнесены к невыдержанным. По мощности пласты
квалифицируются: 4 пласта (51 в.п., 52, 57в.п. и 58) весьма тонкие, 5 пластов
(45 н.п., 49, 55, 56 и 57) тонкие, 54 пласт от весьма тонкого до средней
мощности; пласт 51 н.п. - от тонкого до средней мощности и угольные пласты 45,
48, 50, 51, 53, 59 и 60 относятся к пластам средней мощности.
Общая угленосность свит составляет 4,3%, рабочая - 3,8%.
Грамотеинская свита в пределах участка представлена нижней частью
разреза, примерно 1/3 его мощности, в интервале от кровли пласта 60 до почвы
пласта 67а. Общая мощность вскрытой части составляет 150 метров.
В литологическом отношении разрез представлен переслаиванием
разнозернистых алевролитов и мелкозернистых песчаников с пластами каменного
угля, причем преимущественным распространением в разрезе пользуются алевролиты
мелкозернистые, отдельные слои которого нередко достигают мощности 25-35
метров.
В составе вскрытой части разреза свиты заключено 3 угольных пласта
(62-61, 64-63, 66), а с учетом расщепления на самостоятельные угольные залежи
количество пластов возрастает до 6 (пласты 61, 62, 63, 64, 66 и 66 в.п.). По
степени выдержанности 4 угольных пласта из 6 относятся к относительно
выдержанным и 2 пласта (64 и 66 в.п.) невыдержанные. По мощности один пласт (66
в.п.) весьма тонкий, пласт 64 обладает значениями от весьма тонкого до средней
мощности, остальные пласты характеризуются как пласты средней мощности.
Общая угленосность вскрытой части разреза свиты составляет 5,9%, рабочая
- 4,9%.
.1.1.3
Тектоника
В геолого-структурном отношении площадь участков расположена по периферии
юго-западной части Ерунаковской брахисинклинали и представляет собой часть
чашеобразной моноклинали с направлением падения толщи на восток, северо-восток
и север.
Углы падения пород и угольных пластов в северо-западной оконечности
участков изменяются от 6-7° на глубине и восточном фланге площади до 12-14° на
выходе нижних пластов. В юго-западной части участка углы падения изменяются от
5-6° на глубине и на восточном фланге до 33-35° на выходе нижних пластов.
На юге и юго-востоке, аналогично выше описанному, углы падения в центре
складки 5-8°, а на выходе нижних пластов под наносы, углы падения возрастают до
30-35°. В дополнение к вышесказанному следует добавить, что, начиная от
Усковско-Ульяновского профиля в южном и юго-восточном направлениях, наблюдается
некоторое выполаживание углов, а сама чашеобразная структура в этой части как
бы претерпевает некоторое погружение, из-за чего в этом месте возникает подобие
слабовыраженного флексурообразного прогиба.
Из элементов пликативной тектоники следует отметить слабовыраженное
волнистое залегание угольных пластов, которое отчетливо просматривается по
изменению межпластовых расстояний в разрезе и по гипсометрическим подсчетным
планам пластов.
Кроме элементов пликативной тектоники, в пределах участков получила
развитие и разрывная (дизъюнктивная) тектоника, причем по мере удаления от
центра структуры к ее периферии, наряду с нарастанием углов падения, происходит
нарастание интенсивности разрывной нарушенности толщи. Основными наиболее
крупными дислокациями в пределах участков являются взбросы II, IIa, VII, VII’,
2, 3, 3а и т.д.
Помимо указанных разрывных нарушений в пределах участка имеется сеть
более мелких по амплитуде и протяженности разломов, как установленных
проведенными геологоразведочными работами, так и не выявленных разведочными
скважинами. Судя по наличию зон повышенной трещиноватости в пределах угольной
толщи, следует ожидать проявления еще целого ряда нарушенности как с разрывом
сплошности угольных пластов, так и без разрыва, но способных оказывать вредное
влияние на отработку запасов угля.
По интенсивности нарушенности, наличию в разрезе сложно построенных
угольных пластов малой мощности на отдельных площадях и отдельных пластах,
можно выделить вторую группу сложности по геологическому строению, но в целом
участки больше соответствуют первой группе, поэтому характеризуемая площадь в
целом отнесена к месторождениям первой группы сложности по геологическому
строению.
.1.1.4
Характеристика угольных пластов
Угли пластов участка по элементному и петрографическому составу мало чем
отличаются друг от друга. Какое-то различие просматривается только в степени
метаморфизма, закономерно нарастающей от верхних пластов к нижним.
В соответствии с параметрами ГОСТ 25543-88 (классификация по генетическим
и технологическим параметрам) угли пластов 59 (условно), 58,57,56,53,51 в.п.,
отнесённые к марке ГЖО (газовый жирный отощенный), группе 2ГЖО (второй газовый
жирный отощенный), подгруппе 2ГЖОВ (второй газовый жирный отощенный
витринитовый), характеризуются выходом летучих веществ Vdaf (по средним
значениям) от 33,6 до 37,4%, величиной пластического слоя у - 14-16мм,
величиной показателя отражения витринита Ro от 0,84 до 0,86%.
Угли остальных пластов участка 54, 51, 50, 48 и 45 относятся к марке ГЖ
(газовый жирный), группе 2ГЖ (второй газовый жирный) с выходом летучих веществ
Vdaf от 35,7 до 39,3% и толщиной пластического слоя (для пластов 54, 51, и 50)
17-18 мм, а для пластов 48 и 45 - от 19 до 21 мм, причем по крайним значениям
толщина пластического слоя колеблется от 13-15 до 27-28 мм. Следует заметить,
что чувствительные к зольности угля значения толщины пластического слоя в
пробах с низкой зольностью, как правило, обладают максимальной величиной (у
пластов 48 и 45 это 25-28 мм), а в засоренных и даже предварительно
отфлотированных толщина пластического слоя понижается до 15-20 мм. Причины
таких резких колебаний пока не установлены и труднообъяснимы, но это необходимо
учитывать при определении направления использования углей. Если брать во
внимание результаты исследований только изначально низкозольных проб и
опираться на результаты исследования углей по пробам из горных выработок
(уклонов), то уверенно можно заключить о принадлежности угля пласта 50 к марке
ГЖ (газовый жирный), группа 2ГЖ (второй газовый жирный), а угля пластов 48 и 45
- к марке Ж (жирный), группа 2Ж (второй жирный). Для большей уверенности в
вышесказанном необходимо провести дополнительные исследования угля пл.48 по
большевесным пробам, которые нужно отобрать ниже зоны окисления в проходимых
шахтой наклонных стволах или даже штреках. Только в этом случае можно будет
уверенно и однозначно определиться со спекающейся способностью угля, его
марочной принадлежностью и, возможно, исследовать в полузаводских условиях
коксующиеся свойства и даже определить долю угля данного пласта в шахте при
коксовании.
Максимальная влагоемкость (Wmax, %) углей участка, как и аналитическая
влажность (Wa, %), сравнительно невысокие и вполне закономерно имеют тенденцию
к небольшому снижению от верхних пластов к нижним. (Waот 2,0 до 1,7%, Wmaxот
3,9 до 2,9%)
Элементный состав углей по средним значениям характеризуется следующими
величинами:
углерод - от 82,8 до 85,0%;
водород - от 5,40 до 5,85%;
азот + кислород - от 9,94 до 11,60%.
По этим величинам и колебаниям их значений отчетливо видно, что угли
пластов участка обладают довольно однородным элементным составом и каких-либо
заметных изменений с нарастанием стратиграфической глубины залегания в этом
плане не претерпевают.
Содержание серы (Std, %)в углях по крайним значениям колеблется от 0,30
до 1,94%, по средним значениям - от 0,38 до 1,60%. При этом уголь нижних,
наиболее мощных и поэтому наиболее ценных угольных пластов 51, 50, 48 и 45
характеризуется содержанием серы от 0,38 до 0,55%, а уголь верхних, небольших
по мощности, пластов от 56 до 51 в.п. имеет более высокое ее содержание - от
0,78 до 1,60%. Самые верхние пласты, имеющие в пределах участка незначительное
площадное распространение, из-за чего исследованные по единичным пробам, вновь,
как бы, снижают содержание серы до 0,42-0,54%.
В целом угли пластов участка, за исключением угля пласта 54, относятся к
малосернистым, а уголь пласта 54 - к среднесернистым.
Содержание фосфора (Pd, %) в углях по крайним значениям колеблется от
0,016 до 0,210%, по средним значениям - от 0,028 (Пл.56) и 0,038 до 0,087%, что
наглядно указывает на принадлежность углей всех угольных пластов к фосфористым,
в том числе и углей пластов 51 и 50, в которых содержание фосфора заметно выше
чем в остальных пластах.
Теплота сгорания (Qsdaf) неокисленного угля пластов участка изучена по 91
пробе, отобранной по всем угольным пластам участка. Величина теплоты сгорания
неокисленных углей по крайним значениям изменяется от 34320 до 35870 кДж/кг (от
8200 до 8570 ккал/кг), по средним значениям - от 34620 до 35340 кДж/кг (от 8270
до 8440 ккал/кг), что указывает на довольно высокое значение теплотворной
способности всех углей участка от нижних пластов до верхних.
Исходными данными для расчетов низшей теплоты сгорания угля служили
определенные лабораторным путем показателей Qbdaf,Wmax, Wa, Ad, Htdпо каждому
из характеризуемых угольных пластов.
Определенная по вышеуказанной методике низшая теплота сгорания сухого
беззольного угля по пластам, по средним значениям изменяется от 30050 до 31130
кДж/кг (от 7180 до 7440 ккал/кг), по крайним значениям - от 29620 до 31720 кДж
(от 7080 до 7580 ккал/кг).
.1.1.5
Качественная характеристика угля
Угли пластов участка по своим качественным показателям и степени
метаморфизма на основании классификации по генетическим и технологическим
параметрам (ГОСТ 25543-88) относятся к маркам ГЖО (газовый жирный отощенный).
Пласт 53 относится к группе 1 ГЖО подгруппа 1ГЖОВ (первый газовый жирный
отощенный витринитовый). Пласты 51, 50, 48, 45 относятся к группе 2ГЖО,
подгруппа 2ГЖОВ (второй газовый жирный отощенный витринитовый). Все угли
являются коксующими. Качественная характеристика угля по пластам, принятым к
отработке приведена в таблице 1.1.
Элементарный состав углей по средним значениям характеризуется следующими
величинами: углерод - 82,1-84,9%, водород - 5,3-5,9%, азот + кислород -
9,2-12,5%.
Угли малосернистые. По содержанию фосфора угли относятся к фосфористым,
что следует учитывать при использовании угля в шихтах для коксования.
Влага аналитическая в углях по крайним значениям содержится от 0,65% до
2,31%. Отчетливо просматривается снижение содержания влаги от верхних пластов к
нижним.
Глубина зоны негодного угля определена по аналогии с шахтой Ульяновской -
7 м. Теплотворная способность углей из этой зоны колеблется в пределах
5142-5753 ккал. Зона окисленного угля установлена по данным уклонов на глубине
40-41 м от поверхности коренных пород. Теплота сгорания окисленных углей
составляет 6000-7000 ккал. Теплота сгорания неокисленных углей изменяется в
пределах 8560-8583 ккал.
Петрографический состав углей комплексный. Преобладающее значение имеют
полублестящий полосчатый и полублестящий неяснополосчатый угли. Уголь слагается
клареном, реже кларено-дюреном. Среди кларенов нередки полосы и линзы
витринита. Из минеральных включений встречаются зерна пирита и карбонатов.
Объемный вес угля изменяется от 1,33 до 1,39 г/см3.
Опытное коксование угля выполнено по пробам, отобранным из уклонов. Уголь
пласта 50 при самостоятельном коксовании дал кокс средней крупности, хорошо
проплавленный. В результате опытного коксования угля пласта 48 получен
трещиноватый хорошо проплавленный кокс столбчатой формы. При этом проба угля
оказалась явно окисленной. При самостоятельном коксовании уголь пласта 48 дает
мало крупного кокса.
Все угли имеют легкую обогатимость.
Таблица 1.1 − Средние показатели основных качественных
параметровуглей по пластам
|
Индекс пласта
|
Аd, %
|
Vdaf,%
|
у,мм
|
Sdt,%
|
Pd,%
|
Wa,%
|
Qdafб, Ккал/кг
|
Ro,%
|
Sок, %
|
ГОСТ25543-88
|
|
угля
|
пласта
|
|
|
|
|
|
|
|
|
марка
|
группа
|
|
53
|
8,1
|
10,6
|
37,86
|
13
|
0,74
|
0,035
|
1,28
|
−
|
0,80
|
−
|
ГЖО
|
1ГЖО
|
|
51
|
6,53
|
18,2
|
36,39
|
12
|
0,47
|
0,013
|
1,68
|
8576
|
0,80
|
17,1
|
ГЖО
|
2ГЖО
|
|
50
|
7,58
|
16,5
|
35,93
|
15
|
0,50
|
0,047
|
1,67
|
−
|
0,80
|
13,5
|
ГЖО
|
2ГЖО
|
|
48
|
8,84
|
8,84
|
36,80
|
16
|
0,35
|
0,018
|
1,30
|
8583
|
0,82
|
17,7
|
ГЖО
|
2ГЖО
|
|
45
|
8,93
|
21,6
|
37,11
|
16
|
0,66
|
0,027
|
1,25
|
8560
|
0,82
|
19,6
|
ГЖО
|
2ГЖО
|
1.1.1.6
Границы и запасы
Лицензионный участок Ерунаковский VIII находится в юго-восточной части
Ерунаковского геолого-экономического района в границах Ерунаковского
месторождения и является частью геологического участка Ерунаковский VIII.
Расположен на территории Новокузнецкого района Кемеровской области в 60 км от
г. Новокузнецка. Населенные пункты на территории участка отсутствуют.
Границами участка приняты:
на СВ - Бугровский профиль;
на Ю и ЮЗ - Ерунаковский профиль;
на СЗ - выход почвы пласта 45 под наносы;
на ЮВ - проекция на дневную поверхность (с учетом угла сдвижения горных
пород) линии пересечения кровли пласта 45 с горизонтом -100 м (абс.).
По глубине горный отвод ограничен горизонтом - 100 м (абс.).
Размеры шахтного поля: по простиранию 4 км, по падению 2 км. Площадь
участка в указанных границах составляет 7,46 км2. Максимальная
глубина погружения пласта 45 в границах лицензионного участка составляет 465 м
от дневной поверхности.
Балансовые запасы угля по результатам государственной экспертизы ГКЗ
(Протокол ГКЗ №2669 от 16.05.1959 г.) для участка Ерунаковский VIII
представлены в таблице 1.3.
Принимая во внимание ожидаемое качество добываемого угля и требования
ГОСТов, отгрузка угля потребителям возможна только после обогащения. Обогащение
углей шахты до глубины ±0 м предусматривается на действующих обогатительных
фабриках компании "Кузнецкуголь".
Выход товарной продукции и ее качество рассчитаны на основании
фракционного состава и составляет 90,6% концентрата с зольностью 4,6% и
влажностью 6,5%.
В целях ускорения работ по строительству шахты и быстрейшего начала
очистной добычи инвестиционным проектом предусматривается выполнение работ по
вскрытию и подготовке запасов угля по пласту 48 с первоочередной отработкой
лавы 48-3.
Таблица 1.2 - Характеристика угольных пластов (в контурах подсчета
запасов) участка Ерунаковский VIII (юго-восточная часть)
|
№ п/п
|
Пласт
|
Мощность пласта, общая от-до,м
|
Средняя мощность м общ. /полезн.
|
Строение
|
Расстояние от вышележащего пласта, м
|
Выдержанность
|
Примечание
|
|
1
|
53
|
0,80-1,48
|
1,29/1,24
|
Сложное, простое
|
−
|
Относительно выдержан
|
По падению граница отсекается на отм. +200м (5скв)
|
|
2
|
51
|
1,0-2,07
|
1,59/1,51
|
Сложное, простое
|
125
|
Относительно выдержан
|
По падению граница отсекается на отм. +70м (16скв)
|
|
3
|
50
|
1,64-2,50
|
2,07/1,92
|
Сложное
|
50
|
Относительно выдержан
|
По падению граница отсекается на отм. +0м (17скв)
|
|
4
|
48
|
1,60-2,55
|
2,15/2,13
|
Простое, сложное
|
90
|
выдержан
|
Вскрыт 25 скв.
|
|
5
|
45
|
1,18-2,16
|
1,78/1,68
|
Простое, сложное
|
12
|
Относительно выдержан
|
Вскрыт 21 скв.
|
Таблица 1.3 - Распределение запасов по пластам
|
№ Пласта
|
Запасы в тыс. тонн по категориям
|
Запасы в тыс. тонн по категориям
|
|
Не окисленные
|
Окисленные
|
|
А2
|
В
|
А2+В
|
С1
|
А2+В+С1
|
А2
|
В
|
А2+В
|
С1
|
А2+В+С1
|
|
45
|
6077
|
2907
|
8984
|
4873
|
13857
|
10
|
98
|
108
|
244
|
352
|
|
48
|
9348
|
5412
|
14760
|
3591
|
18351
|
57
|
241
|
298
|
405
|
703
|
|
50
|
5322
|
5368
|
10690
|
915
|
11605
|
161
|
141
|
302
|
377
|
679
|
|
51
|
2104
|
3387
|
5491
|
2432
|
7923
|
0
|
199
|
199
|
276
|
475
|
|
53
|
0
|
106
|
2715
|
2821
|
0
|
89
|
89
|
614
|
703
|
|
Итого:
|
22851
|
17180
|
40031
|
14526
|
54557
|
228
|
768
|
996
|
1916
|
2912
|
Всего по категориям:
· Категории А+В - 41027 тысяч тонн;
· Категории С1 - 16442 тысяч тонн;
· Категории А+В+С1 - 57469 тысяч тонн.
.1.2 Вскрытие
и подготовка шахтного поля
Вскрытие и подготовка запасов, предусматривается проведением следующих
выработок:
вентиляционного и транспортного наклонных стволов пл. 45, проводимых с
промплощадки центральных стволов (абс.отм. +257,5 м), расположенной в
юго-западной части шахтного поля вдоль Ерунаковского профиля до отм. +235 м и
+170 м соответственно, с дальнейшей их сбойкой вентиляционными квершлагами на
пл. 8 №3 и №1 с вентиляционным уклоном пл. 48 и вентиляционным штреком 48-3;
транспортного наклонного ствола пл. 48, проводимого с промплощадки
центральных стволов (абс. отм. +257,5) до места заложения вентиляционного
штрека 48-3(отм. +227м);
главного конвейерного наклонного ствола, проводимого с главной
промплощадки (абс. отм +230) по вмещающим породам до сбойки вентиляционным
ходком с конвейерным бремсбергом пл.48 на отм.+170 м;
флангового транспортного и газодренажного наклонных стволов, проводимых с
промплощадки фланговых наклонных стволов (абс. отм. +250 м), расположенной в
центральной части шахтного поля, по пл. 48 до отметки ниже заложения
вентиляционного штрека 48-3.
Вентиляционный и транспортный наклонные стволы пл.45 служат для подачи
свежей струи воздуха в очистной и подготовительные забои, занятые на горных
работах по углубке центральных наклонных стволов, обеспечивают бремсберговую
схему проветривания.
Транспортный наклонный ствол пл.48 служит для подачи свежей струи воздуха
в подготовительные забои, занятые на проведении выемочных штреков со стороны
центральных наклонных стволов, транспортировки материалов и оборудования,
перевозки людей.
Конвейерный бремсберг пл. 48 и главный конвейерный наклонный ствол служат
для выдачи на поверхность горной массы и исходящей струи из подготовительных
забоев, занятых на горных работах по углубке центральных наклонных стволов.
Фланговый транспортный наклонный ствол предназначен для транспортировки материалов
и оборудования по пласту 48, а также для выдачи, отработанной струи воздуха из
очистного и подготовительных забоев, занятых на углубке фланговых выработок и
проведении выемочных штреков со стороны фланговых наклонных стволов.
Для управления газовыделением выработанного пространства, параллельно
фланговому транспортному наклонному стволу проходится фланговый газодренажный
наклонный ствол, который в дальнейшем, при отработке ниже лежащих лав,
оборудуется установкой УВЦГ-15.
Вентиляционные квершлаги служат для подачи свежего воздуха с пл.45 на пл.
48.
Вентиляционный уклон пл.48 служит для передачи, исходящей струи воздуха
из подготовительных забоев, занятых на горных работах по углубке центральных
наклонных стволов на конвейерный бремсберг пл.48 и далее на главный конвейерный
наклонный ствол.
Крепление вскрывающих наклонных выработок принято арочное из спецпрофиля
СВП 22-33, типа КМП-А4, А19-27, А16-27, А13-22 с железобетонной или решетчатой
затяжкой.
Участки, проводимые по наносам вблизи поверхности, с ослабленными
боковыми породами, а также в местах пересечения с воздухоподающими выработками,
крепятся металлобетонной крепью.
Подготовка выемочных участков производится проходкой оконтуривающих
спаренных выработок - конвейерного и вентиляционных штреков. В связи с большой
протяженностью и с целью обеспечения проветривания и исключения накопления воды
в выработанном пространстве, конвейерный штрек первой рабочей лавы (№48-2)
проходится спаренным забоем с вентиляционным штреком нижележащей лавы №48-3 и в
районе флангового бремсберга устраивается участковый водоотлив; вода из
работающей лавы через сбойки и скважины между штреками перепускается на нижний
вентиляционный штрек, в участковый водоотлив и затем выдается на поверхность в
очистные сооружения. Крепление выемочных штреков и сбоечных печей принимается
сталеполимерными анкерами с решетчатой перетяжкой кровли.
Проветривание очистных и подготовительных работ осуществляется
вентиляторной установкой BDK-12№44.
.1.2.1 Система разработки. Механизация очистных и подготовительных работ
Принимается система разработки длинными столбами по простиранию с полным
обрушением пород кровли. Эта система требует минимальных объемов проведения
подготовительных выработок, простые схемы проветривания и транспорта угля.
Общий порядок отработки запасов обратный (от флангов к центральным
уклонам) в нисходящем порядке.
Для выемки угля в лавах пласта 48 принимаются высокомеханизированные
комплексы типа GLINIK-13/28-POz.
Основными элементами лавного комплекта являются секции линейные, секции
концевые I, II, III, а также штрековая секция.
Эти секции предназначены для работы в лавах, подверженных и не
подверженных горным ударам.
Крепь взаимодействует в лавном комплексе с очистным комбайном, забойным
скребковом конвейером и стабилизирующими устройствами.
Секции крепи состоят из оснований, передних и задних тяг, ограждения от
обрушения, верхняка, системы передвижки, силовой гидравлики, гидравлической
системы и устройств стабилизации и корректировки.
Механизированная крепь GLINIK-13/28-POz разработана и изготовлена
согласно с действующими стандартами и рекомендациями.
Таблица 1.4 - Технические параметры крепи GLINIK-13/28-POz и GLINIK 16/40
|
Наименование характеристики
|
Ед. изм.
|
GLINIK 13/28
|
GLINIK 16/40
|
|
Минимальная конструктивная высота
|
мм
|
1300
|
1600
|
|
Максимальная конструктивная высота
|
мм
|
2800
|
4000
|
|
Количество гидравлических стоек
|
шт
|
2
|
2
|
|
Диапазон работы
|
м
|
1,5-2,7
|
1,8-3,9
|
|
Наклон продольной лавы
|
град
|
do 25
|
|
Наклон поперечный лавы
|
град
|
±25
|
±15
|
|
Рабочее сопротивление секции
|
кН
|
8276-10151
|
5897-7041
|
|
Рабочее сопротивление крепи в диапозоне 1,5(2,0)-2,7м
|
МПа
|
0,937(1,104)-1,145
|
0,850(1,001)-1,039
|
|
Среднее давление на почву
|
МПа
|
2,15-2,65
|
1,83-2,19
|
|
Шаг установки секций
|
м
|
1,75
|
1,5
|
|
Шаг передвижки секций крепи
|
м
|
0,8
|
|
Давление питания
|
МПа
|
32
|
|
Габариты секции в транспортном (сложенном) положении:
-высота -ширина -длина
|
мм мм мм мм мм
|
1300 (л, кI…III) 1761 (л, кI) 2100 (кII, кIII) 6544 (л)
7064 (кI,кII,кIII)
|
1600 1450 8413
|
|
Масса
|
т
|
21,535 (л) 24,370 (кI) 25 (кII, кIII)
|
24,1
|
|
Предварительное сопротивление стойки
|
кН
|
4021
|
2574
|
|
Рабочее сопротивление стойки
|
кН
|
5529
|
3619
|
|
Усилие передвижки секции
|
кН
|
726
|
|
Усилие передвижки конвейера
|
кН
|
475
|
|
Максимальная t0 работы крепи
|
0С
|
55
|
|
Рабочая жидкость
|
|
гидравлические жидкости типа HFAE по ISO 7745:1989
|
|
Управление крепью
|
Электрогидравлическое
|
Таблица 1.5 - Технические характеристики очистного комбайна KSW- 460NE
|
Наименование характеристики
|
Ед.изм.
|
Показатель
|
|
Вынимаемая мощность
|
мм
|
1600-3250
|
|
Ширина захвата исполнительного органа
|
мм
|
0,8
|
|
Диаметр исполнительного органа
|
мм
|
1600
|
|
Максимальное заглубление в почву
|
мм
|
300
|
|
Скорость привода подачи
|
м/мин
|
0-20
|
|
Суммарная номинальная мощность привода комбайна
|
кВт
|
703
|
|
Длина по осям шнеков
|
мм
|
10655
|
|
Масса комбайна с комплектом поставки
|
кг
|
39000
|
Таблица 1.6 Техническая характеристика конвейера "RYBNIK-850"
|
Наименование характеристики
|
Ед. изм
|
Показатель
|
|
Производительность
|
т/час
|
1750
|
|
Мощность приводов
|
кВт
|
800, 1200
|
|
Длина конвейера
|
м
|
305
|
|
Тяговый орган:
|
скребковая цепь
|
|
- калибр
|
мм
|
34´126, 38х126
|
|
- количество тяговых цепей
|
шт.
|
2
|
|
- скорость движения
|
м/с
|
1,3
|
Предназначен для транспортировки угля вдоль лавы и погрузки угля на
перегружатель на сопряжении лавы с конвейерным штреком.
1.1.2.2 Проведение и крепление подготовительной выработки
Фланговый вентиляционный наклонный ствол проводится комбайном КП-21.
Выработка крепится на подхват ПМШ-8, L=5 м шагом 1,0 м, закрёпленный анкерами
АСП-20В, L=2,5 м (5 шт.) и в промежутке между подхватами анкерами АСП-20В,
L=2,5 м с шайбой 200х200х5 (250х250х5, 300х300х8) (3 шт.). Крепление бортов
анкерами АСП-20В, L=2,0 м с шайбой 200х200*5 (250х250х5, 300х300х8) - 4 анкера
в верхний борт и 4 анкера в нижний борт.
Перетяжка кровли и борта выработки: МРЗ 5,2х1,2 м - 3 шт. или МРЗ 2,6х1,2
м - 6 шт.
Расчет крепи произведен по приложениям №№2, 3, 5, 16, 17, 18 Федеральных
норм и правилам в области промышленной безопасности "Инструкции по расчету
и применению анкерной крепи на угольных шахтах", 2013 г.
.1.2.3
Технические данные и характеристики крепи АСП20
Удельное сцепление смолы со стержнем анкера - не менее 8,9Мпа.
Разрывное усилие стержня d=24 по резьбе - не менее 137кН.
Срок службы - не менее 5 лет.
.1.2.4 Условия применения анкерной крепи
Крепь анкерная АСП предназначена для крепления подготовительных,
капитальных и очистных горных выработок при химическом способе закрепления в
шпуре стержня анкера, выполненного из круглой горячекатаной, стали. В качестве
постоянной крепи или в сочетании с другими типами крепей. Область применения
крепи ограничивается следующими горно-геологическими условиями:
. Окружающий выработку массив - ненарушенный, необводненный;
. Глубина расположения выработки от поверхности - не менее 50 м;
. Ширина выработки - 3-16 м;
. Выработки - горизонтальные, наклонные;
. Форма выработок - любая;
. Выработки - в зоне и вне зоны влияния очистных работ.
.1.2.5 Разрушение, погрузка и транспортировка горной массы
Комбайн КП-21 одновременно производит разрушение горного массива,
транспортирование и погрузку горной массы на скребковый конвейер СР-70.
Разрушение массива рабочим органом избирательного действия производится врезом
на ширину равную половине диаметра коронки и более, по схеме снизу вверх,
заходками равными шагу установки крепи, но не более 1,3м. Отбитая комбайном
горная масса транспортируется СР-70/0,5 №2, СР-70/0,5 №1, затем по ленточным
конвейерам КЛКТ-1000 №4, 2ЛТ-100У №3, 2ЛТ-100У №2, КЛКТ-1000 №1 и на
поверхность.
.1.2.6 Организация работ в проходческом цикле
Звено рабочих забойной группы состоит из 3 человек (2 проходчика и 1
машинист горно-выемочной машины), один из которых старший (звеньевой). Каждому
работающему в забое необходимо знать все операции и безопасные приёмы ведения
работ, которые он выполняет в течение смены. Работа по подготовке выработки и
ее проведению ведется в 3 смены по 8 часов.
До начала работ горный мастер участка №5 и звеньевой проверяют работу
ВМП, состояние вентиляционного става, кабельной сети, аппаратуры контроля
газовой среды, состояние забоя и призабойного пространства, а также состояние
крепи выработки, наличие запаса крепежных материалов.
В забое звеньевой распределяет обязанности каждому члену звена.
Проходческий цикл производится в следующей последовательности:
1. После приведения забоя в безопасное состояние производится выемка
горной массы с помощью комбайна КП-21. Один из проходчиков в это время готовит
элементы временного и постоянного крепления.
. По окончанию выемки горной массы из забоя на шаг крепи, с отставанием
постоянной крепи от груди забоя не более 1,0 м, комбайном КП-21 при помощи
исполнительного органа производится выравнивание оставшейся горной массы у
груди забоя, после чего комбайн отгоняется от забоя на 3-4м, исполнительный
орган опускается на почву, комбайн выключается, пускатель, включающий его,
блокируется. В забое выработки должна быть предусмотрена блокировка,
исключающая одновременную работу комбайна и компрессора.
. Звеньевой производит осмотр забоя, пикой L=2,5 м производит оборку
забоя (кровля, грудь забоя, борта) от нависших и отслоившихся кусков породы и
угля. Другие проходчики в это время подносят подхват ПМШ-8, L=5 м, 2 стойки
ВК-7 (ВК-8), крепежные материалы и бурильное оборудование.
. После оборки забоя из-под защиты постоянной крепи устанавливается
временная крепь. Установка временной крепи производится в следующем порядке.
Выпускается "опережающая" решетчатая затяжка, устанавливаются 2
стойки ВК-7 (ВК-8), на стойки укладывается похват ПМШ-8, L=5 м, заводится
"опережающая" решетчатая затяжка для следующего цикла и подхват
ПМШ-8, L=5 м поджимается стойками ВК-7 (ВК-8) к кровле, проверяется направление
выработки, при необходимости подхват ПМШ-8, L=5 м приопускается и
устанавливается согласно заданного направления. Временная крепь установлена.
. Установка анкеров постоянной крепи в следующей последовательности:
Производится бурение шпура необходимой длины анкероустановщиком (при установке
анкера в подхват, бурение производится через отверстие в подхвате). По
окончании бурения, штанга извлекается из шпура. В шпур с помощью анкера АСП
досылается одна химическая ампула АКЦ (У) Ф24х1200. Для предотвращения
выпадения ампулы из шпура на конце анкера устанавливается удерживатель ампул
УД-2. В шпиндель анкероустановщика устанавливается анкероверт, в который, в
свою очередь, устанавливается анкер с шайбой и гайкой, включается
анкероустановщик и анкер с вращением досылается до дна шпура. Вращение анкера
продолжается в течение 12-15 секунд до полного перемешивания состава химических
ампул. Далее вращение анкероустановщика выключается и анкер удерживается до
полного схватывания состава химических ампул. Затем производится затяжка гайки
анкероустановщиком. Анкероустановщик переустанавливается для бурения следующего
шпура. Окончательная затяжка гайки производится ключом с рычагом L=0,7 м. Далее
цикл по бурению шпуров и установке анкеров повторяется. После установки всех
анкеров постоянной крепи стойки ВК-7 (ВК-8) извлекаются. Далее устанавливаются
между последним и предпоследним подхватом 3 промежуточных анкера АСП-20В, L=2,5
м с шайбой 200х200х5 (250х250х5, 300х300х8) и 100х100х5.
. Устанавливаются бортовые анкера АСП-20В, L=2,0м - 4 анкера в верхний
борт и 4 анкера в нижний борт. Бурение шпуров под бортовые анкера производится
пневматическим сверлом СБР.
. После установки анкерной крепи буровой инструмент и временная крепь
убираются из призабойного пространства. Компрессор отключается, включае`тся
комбайновый пускатель.
8. Цикл по выемке горной массы и установке крепи повторяется.
.1.2.7 Мероприятия по охране труда и технике безопасности
При ведении проходческих работ предусматриваются следующие мероприятия по
охране труда и технике безопасности:
- Проветривание одиночной тупиковой выработки с помощью
вентиляторов местного проветривания установленных на свежей струе воздуха (один
рабочий, другой резервный)
- Противопожарная защита выработки включает в себя: пожарно-оросительный
трубопровод (ПОТ) Ø159 мм со средствами пожаротушения,
огнетушители и ящики с инертной пылью (средства противопожарной защиты показаны
в графической части).
- Пылеподавление включает в себя: орошение при работе
проходческого комбайна с помощью подачи воды под давлением на внешнее орошение,
подачи воды на погрузочный пункт комбайна, орошение мест перегруза.
- Мероприятия на работу в опасных зонах, согласно перечня
опасных зон.
- Правила поведения работников участка при авариях.
- Перечень средств индивидуальной и коллективной защиты.
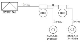
1.2
Электроснабжение шахты
.2.1 Выбор
схемы внешнего электроснабжения
В схеме первичных соединений главной понизительной подстанции на стороне
высокого напряжения применяются выключатели и разъединители. Для обособленного
питания подземных электроприемников предусматривается применение разделительных
силовых трансформаторов с целью ограничения токов короткого замыкания.
Характеристика токоприемников шахты представлена в таблице 2.1.
Таблица 2.1 - Сводная таблица электроприемников шахты
|
Группа электроприемников
|
Номин. Мощность Pн , кВт
|
Коэф. Спроса Кс
|
Коэф. мощ-тиcos φ
|
Коэф. реакт. мощ-тиtg φ
|
Расчетная мощность
|
|
|
|
|
|
Pр , кВт
|
Qр , кВ·Ар
|
|
рабочая
|
резервная
|
общая
|
|
|
|
|
|
|
Электроприемники поверхности
|
|
Главные вентиляционные установки
|
2х1600
|
2х1600
|
3200
|
0,95
|
0,85
|
0,62
|
3040
|
1885
|
|
Низковольтный щит поверхности
|
|
Дегазация
|
128
|
128
|
256
|
0,7
|
0,8
|
0,75
|
179,6
|
134,4
|
|
504
|
504
|
1008
|
0,7
|
0,8
|
0,75
|
705,6
|
529,2
|
|
320
|
320
|
640
|
0,7
|
0,8
|
0,75
|
448
|
336
|
|
Высоковольтный конвейерный транспорт
|
2х500
|
-
|
1000
|
0,65
|
0,7
|
1,02
|
650
|
663
|
|
Низковольтный конвейерный транспорт
|
2x250
|
-
|
500
|
0,65
|
0,7
|
1,02
|
325
|
331,5
|
|
Вентиляторы местного проветривания
|
2х504
|
2х504
|
2016
|
0,7
|
0,8
|
0,75
|
1411,2
|
1058,4
|
|
320
|
320
|
640
|
0,7
|
0,8
|
0,75
|
448
|
336
|
|
320
|
320
|
640
|
0,7
|
0,8
|
0,75
|
448
|
336
|
|
АБК
|
1120
|
-
|
1120
|
0,6
|
0,7
|
1,02
|
672
|
685,44
|
|
Механический цех
|
1040
|
-
|
1040
|
0,3
|
0,65
|
1,1
|
312
|
343,2
|
|
409,5
|
-
|
409,5
|
0,3
|
0,65
|
1,1
|
122,85
|
135,1
|
|
Очистные установки
|
1200
|
-
|
1200
|
0,75
|
0,75
|
0,88
|
900
|
792
|
|
1200
|
-
|
1200
|
0,75
|
0,88
|
900
|
792
|
|
30
|
-
|
30
|
0,75
|
0,75
|
0,88
|
22,5
|
19,8
|
|
Скважина водозабора
|
8х70
|
-
|
560
|
0,65
|
0,7
|
1,02
|
364
|
371,28
|
|
Низковольтный щит поверхности
|
|
Подъем
|
75
|
-
|
75
|
0,75
|
0,75
|
0,88
|
56,25
|
49,5
|
|
Прочие
|
70
|
-
|
70
|
0,65
|
0,7
|
1,02
|
45,5
|
46,41
|
|
3х280
|
-
|
840
|
0,65
|
0,7
|
1,02
|
546
|
556,92
|
|
1120
|
-
|
1120
|
0,65
|
0,7
|
1,02
|
728
|
742,56
|
|
280
|
-
|
280
|
0,65
|
0,7
|
1,02
|
182
|
185,64
|
|
44,1
|
-
|
44,1
|
0,65
|
0,7
|
1,02
|
28,6
|
29,2
|
|
Электроприемники подземные
|
|
Конвейерный транспорт
|
400
|
-
|
400
|
0,65
|
0,7
|
1,02
|
260
|
265,2
|
|
2х400
|
-
|
800
|
0,65
|
0,7
|
1,02
|
520
|
530,4
|
|
315
|
-
|
315
|
0,65
|
0,7
|
1,02
|
204,75
|
208,8
|
|
2х400
|
-
|
800
|
0,65
|
0,7
|
1,02
|
520
|
530,4
|
|
3х630
|
-
|
1890
|
0,65
|
0,7
|
1,02
|
1228,5
|
1253,07
|
|
315
|
-
|
315
|
0,65
|
0,7
|
1,02
|
204,75
|
208,8
|
|
3х400
|
-
|
1200
|
0,65
|
0,7
|
1,02
|
780
|
795,6
|
|
2х280
|
-
|
560
|
0,65
|
0,7
|
1,02
|
364
|
371,28
|
|
2х441
|
-
|
882
|
0,65
|
0,7
|
1,02
|
573,3
|
584,7
|
|
Подготовительный участок
|
8х378
|
-
|
3024
|
0,35
|
0,6
|
1,33
|
1058,4
|
1407,6
|
|
2х240
|
-
|
480
|
0,35
|
0,6
|
1,33
|
168
|
223,4
|
|
600
|
-
|
600
|
0,35
|
0,6
|
1,33
|
210
|
279,3
|
|
Электроприемники подземные
|
|
378
|
-
|
378
|
0,35
|
0,6
|
1,33
|
132,3
|
176
|
|
2х150
|
-
|
300
|
0,35
|
0,6
|
1,33
|
105
|
140
|
|
Главный водоотлив
|
3х800
|
-
|
2400
|
0,85
|
0,85
|
0,62
|
2040
|
1265
|
|
315
|
-
|
315
|
0,85
|
0,85
|
0,62
|
267,7
|
166
|
|
Очистной участок
|
1260
|
-
|
1260
|
0,45
|
0,6
|
1,33
|
567
|
754
|
|
1050
|
-
|
1050
|
0,45
|
0,6
|
1,33
|
472,5
|
628,4
|
|
720
|
-
|
720
|
0,45
|
0,6
|
1,33
|
324
|
430
|
|
МДУ Участковый водоотлив
|
240
|
-
|
240
|
0,45
|
0,6
|
1,33
|
108
|
144
|
|
240
|
-
|
240
|
0,45
|
0,6
|
1,33
|
108
|
144
|
|
Прочие
|
70
|
-
|
70
|
0,65
|
0,7
|
1,02
|
45,5
|
46,4
|
|
175
|
-
|
175
|
0,65
|
0,7
|
1,02
|
114
|
116
|
|
Суммарная мощность поверхности
|
|
|
17888,6
|
|
|
|
12535
|
10358,55
|
|
Подземная
|
|
|
18414
|
|
|
|
10375,7
|
10668,35
|
|
Общая
|
|
|
36302,6
|
|
|
|
22910,7
|
21027
|
|
|
|
|
|
|
|
|
|
|
|
|
.2.2 Расчёт электрических нагрузок
.2.2.1 Выбор силового трансформатора ГПП
Для обеспечения бесперебойного питания потребителей принимается
двухтрансформаторная схема главной понизительной подстанции.
Мощность каждого силового трансформатора определяется по формуле:
,
где
соsφср.взв. - средневзвешенный коэффициент мощности, в
соответствии с таблицей потребителей принимается равным соsφср.взв = 0,71.
Номинальная
мощность трансформатора:
Выбирается
трансформатор ТДТНШ - 25 000/110-84У1
Таблица
2.2 - Технические характеристики трансформатора ТДТНШ - 25 000/110-84У1
|
Трансформатор
|
Sном. т., МВ·А
|
Рхх, кВт
|
Ркз, кВт
|
Uкз, %
|
iхх, %
|
|
ТДТНШ - 25 000/110-84У1
|
25
|
42
|
140
|
17
|
0,9
|
Приведенные потери активной мощности трансформатора (кВт)
,
где
- приведенные потери мощности холостого хода, кВт;
-
коэффициент загрузки трансформатора;
-
приведенные потери мощности короткого замыкания, кВт.
Коэффициент
загрузки трансформатора определяется по выражению
Приведенные
потери мощности короткого замыкания
,
где
- номинальные потери мощности в обмотках
трансформатора, кВт;
-
реактивная мощность, потребляемая трансформатором при полной нагрузке, кВАр.
,
где
- напряжение КЗ, %
,
где
- номинальные активные потери мощности в сети, кВт;
-
коэффициент повышения потерь, принимается равным
;
-
постоянная составляющая потерь реактивной мощности, кВАр.
,
где
- ток холостого хода, %.
кВАр,
кВт,
кВАр,
кВт.
Приведенные
потери активной мощности трансформатора
кВт.
.2.2.2
Определение потерь в трансформаторе
Определение потерь активной (кВт∙ч) и реактивной (кВАр∙ч)
энергии в трансформаторе
где
ТП - полное число часов присоединения трансформатора к сети, 8760 ч;
ТР
- число часов работы трансформатора под нагрузкой за расчетный период, 2400 ч.
.2.3 Расчёт воздушных и кабельных линий электропередач
.2.3.1 Расчёт проводов и кабелей из условий их нагрева
Расчетный ток определяется по формуле
Iр=
А,
где Sр− полная мощность участка сети;н −
номинальное напряжение в линии;− количество питающих цепей.
Мощность участка цепи равна
,
где
- полная активная мощность участка сети;
- полная
реактивная мощность участка сети.
Исходя из таблицы потребителей полные мощности
участков сети
,
Расчетные токи для
воздушных и кабельных линий будут равны

Для кл1 введем поправочные коэффициенты для
прокладки в траншее
.
где
- поправочный коэффициент на температуру земли,
принимается
=1,05;
-
поправочный коэффициент на число работающих кабелей, лежащих рядом в земле,
принимается
,
.
Из
условий нагрева предварительно к установке принимаются провода и кабели
следующих сечений.
Таблица
2.3 - Сечения проводов и кабелей по условию нагрева
|
Вид
|
Марка
|
Расчетный ток, А
|
Принятое сечение, мм2
|
Длительно допустимый ток, А
|
|
ВЛ
|
АС
|
129,262
|
70
|
265
|
|
КЛ1
|
КШВЭБбШв
|
254,146
|
95
|
260
|
|
КЛ2
|
СБГ
|
228,763
|
70
|
250
|
|
КЛ3
|
СБГ
|
228,763
|
70
|
250
|
|
КЛ4
|
СБГ
|
80,6
|
70
|
135
|
.2.3.2 Расчёт по экономической плотности тока
Сечение кабеля питающей линии:
,
где
iэк − экономическая плотность тока в рассматриваемом проводнике,
выбирается согласно [2, с. 158, таблица 9.3].
Для
ВЛiэк.вл = 1,1, для КЛ1 iэк.кл1 = 1,4, для КЛ2 и КЛ3 iэк.кл2 = iэк.кл3 = 2,5.
Выбранные ранее провода и кабели проходят по
экономической плотности.
1.2.3.3 Проверка воздушных и кабельных линий по потерям напряжений
Таблица - 2.4 Характеристика выбранных кабелей
|
№ участка
|
Тип линии
|
Кол-во питающих цепей
|
Сечение
|
Протяженность, км
|
xo, индуктивное, Ом/км
|
ro, активное, Ом/км
|
cosφ
|
sinφ
|
|
1
|
АС
|
2
|
70
|
9
|
0,364
|
0,46
|
0,71
|
0,7
|
|
2
|
КШВЭБбШв
|
4
|
95
|
1,5
|
0,076
|
0,24
|
0,68
|
0,74
|
|
3
|
СБГ
|
2
|
70
|
0,6
|
0,076
|
0,153
|
0,5
|
0,87
|
|
4
|
СБГ
|
2
|
70
|
0,26
|
0,076
|
0,153
|
0,5
|
0,87
|
|
5
|
СБГ
|
1
|
70
|
0,4
|
0,087
|
0,52
|
0,35
|
0,94
|
Потери напряжения определяются по формуле
,
где
Iр.а - расчетный аварийный ток соответствующего участка сети;- длина участка
линии;, x0 - соответственно, активное и реактивное сопротивления 1-го км
участка линии, определяемые по [2, с. 158-159, табл. 9.4 и 9.2].
Потери
напряжения в нормальном режиме
Все провода и кабели проходят по допустимым потерям напряжения. Таким
образом, окончательно принимаем к установке провода и кабели, приведенные в таблицах
2.3 и 2.4.
.2.4 Расчёт
токов короткого замыкания
.2.4.1
Вычисление силы тока и мощности при коротком замыкании
Мощность энергосистемы относительно возможной мощности
короткого замыкания на вводе ЗРУ шахты можно считать бесконечной.
Для простоты расчётов за базисную величину мощности
принимается Sб=100 MBА. За базисное напряжение рассматриваемой ступени
принимается величина на 5% большая номинального напряжения этой ступени.
В соответствии с принятыми базисными величинами для
рассматриваемой ступени трансформации определяется величина базисного тока, А.
,
где
Sб − базисная мощность, Sб = 100 MB.А;бi− базисное напряжение
рассматриваемой ступени,
.
Относительные
активное и реактивное сопротивления участка линии
Относительное
реактивное сопротивление трансформатора
,
где
Uк(%) - напряжение короткого замыкания трансформатора, Uк(%)=17%;н.тр -
номинальная мощность трансформатора, Sн.тр =25 MB.A.
Аналогично
для подстанции:
Сопротивление энергосистемы определяется по формуле
,
где
Sк(3) - установившееся значение мощности короткого замыкания энергосистемы на
шинах головной подстанции, к которой подключена шахта, для сетей 110 кВ
принимается Sк(3) =10000 MB.A.
Для
каждой точки короткого замыкания определяется полное суммарное сопротивление
короткозамкнутой цепи в относительных единицах по формуле:
,
где
− соответственно сумма относительных значений
активных и индуктивных сопротивлений всех элементов сети, по которым проходит
ток КЗ.
Сверхпереходный
ток короткого замыкания в рассматриваемых точках определится как:
.
Ударный
ток короткого замыкания определяется по формуле:
,
где
ку - ударный коэффициент, определяемый по кривой [2, стр.86, рис. 5.6] в
зависимости от отношения
Мощность
короткого замыкания для каждой точки определится как:
.
Двухфазный
ток короткого замыкания определяется по формуле:
Точка
К1:
Точка К2:
Точка
К3:
Точка К4:
В
результате расчетов токов и мощности короткого замыкания получили, что мощность
короткого замыкания в подземной сети шахты не превышает 100 МВ·А.
Проверка кабелей по термической стойкости осуществляется в целях
обеспечения пожаробезопасности кабелей при дуговых коротких замыканиях
посредством выбранных защитных аппаратов с заданным быстродействием отключения
токов трехфазного короткого замыкания. Проверка осуществляется исходя из
условия:
,
,
где In - предельно допустимый кратковременный ток короткого замыкания в
кабеле;
С - коэффициент, учитывающий конечную температуру нагрева жил при
коротком замыкании, А∙с1/2·мм-1;- выбранное сечение жилы кабеля, мм2;п -
приведенное время отключения, для ячеек типа КРУВ-6 tп=0,17 с; для выключателей
общепромышленного типа tп=0,2 с.
Следовательно,
выбранные кабельные линии по термической стойкости соответствуют требованиям
безопасности.
1.2.5
Компенсация реактивной мощности
Мощность компенсирующего устройства определяется:
,
,
где tgφe - естественный коэффициент реактивной мощности;
tgφк - коэффициент реактивной мощности с
учетом ее компенсации, соответствует cosφк = 0,95.
,
,
Рассчитываем количество конденсаторных установок
.
где
Qн - номинальная реактивная мощность компенсирующей установки (600, 900, 1350,
2700 кВ∙Ар).
.
Для компенсации реактивной нагрузки принимаем 4 неуправляемые
конденсаторные установки типа УКРМ-6 мощностью 2700 кВ∙Ар каждое.
.2.6
Определение потерь мощности и электроэнергии
Потери активной мощности на передачу активной нагрузки предприятия
определяются:
где
n - число цепей ВЛ;л - активное сопротивление ВЛ, Ом.
кВт.
Потери
активной мощности на передачу реактивной нагрузки предприятия определяются:
,
где Q∑p
- суммарная реактивная нагрузка, передаваемая по рассматриваемой линии:
кВ∙Ар,
кВт.
Суммарные
потери активной энергии на передачу активной и реактивной нагрузки шахты
определяются:
,
где τа - число часов использования максимума активных потерь,
согласно [2, с. 52, таблица 4.10], τа=3000 ч.
кВт∙ч.
Потери
активной мощности в трансформаторах двухтрансформаторной подстанции
определяются как
,
где ΔPхх, ΔPкз - номинальные активные потери холостого хода и
короткого замыкания;
Pн.о - потери на принудительное охлаждение, в условиях Кузбасса
принудительное охлаждение используется относительно редко, поэтому с небольшой
погрешностью можно принять Pн.о=0;
−
коэффициент загрузки силовых трансформаторов.
.2.7
Источники оперативного тока
Для питания цепей управления, сигнализации, автоматики и связи,
аварийного освещения, приводов выключателей и других систем и механизмов
собственных нужд применяется источник оперативного тока.
В качестве источников переменного оперативного тока принимаются 2
трансформатора ТМ-63/6/0,4, которые будут подключаться непосредственно к
выходным зажимам силовых трансформаторов ГПП на стороне 6,3 кВ.
Таблица 2.5 - Техническая характеристика трансформаторов ТМ - 63/6/0,4
|
Тип, номинальная мощность, кВА
|
Номинальное высшее напряжение, кВ
|
Номинальное низшее напряжение, кВ
|
Потери холостого хода, кВт
|
Потери К.З, кВт
|
Ток холостого хода, %
|
Напряжение КЗ, %
|
|
ТМ - 63/6/0,4
|
6
|
0,4
|
0,23
|
1,28
|
2,6
|
4,5
|
В качестве источников выпрямленного оперативного тока принимаются блок
питания нестабилизированный БПН - 1002, предназначенный для питания
выпрямленным стабилизированным напряжением аппаратуры релейной защиты,
сигнализации и управления.
Таблица 2.6 - Техническая характеристика БПН - 1002
|
Наименование параметра
|
Нормы для блока
|
|
Номинальное входное напряжение, В
|
380
|
|
Номинальное выходное напряжение, В
|
220
|
|
Номинальная частота, Гц
|
50
|
|
Число фаз
|
3
|
|
Потребляемая мощность, ВА, не более - при отсутствии
нагрузки - при максимальной нагрузке
|
25 1350
|
|
Сопротивление изоляции при норм. условиях, МОм, не менее
|
50
|
|
Изоляция всех независимых токоведущих цепей по отношению к
корпусу и между собой выдерживает проверку на пробой при напряжении 2500 В,
частотой 50 Гц, мин., не менее
|
1
|
.2.8 Выбор
оборудования ГПП
.2.8.1 Выбор
КРУ для ГПП
Для установки на низкой (6кВ) стороне ГПП принимаются
ячейки типа КРУ 10-УХЛ5 с технической характеристикой:
Таблица 2.7 - Техническая характеристика КРУ 10-УХЛ5
|
Наименование параметра
|
Значение
|
|
Номинальное напряжение, кВ
|
10
|
|
Наибольшее рабочее напряжение, кВ
|
12
|
|
Номинальный ток, А
|
До 1600
|
|
Мощность отключения, МВА
|
До 200
|
|
Силовой коммутационный аппарат: Вакуумный выключатель
|
EX-ВВ
|
1.2.8.2 Выбор
выключателей
Для установки в ячейку КРУ 10-УХЛ5 принимается
вакуумный выключатель EX-ВВ. Его техническая характеристика приведена в таблице
2.8.
Таблица 2.8 - Техническая характеристика выключателя
EX-ВВ
|
Величина
|
Ед. изм.
|
Значение
|
|
Номинальное напряжение
|
кВ
|
10
|
|
Номинальный ток
|
А
|
1000
|
|
Номинальный токотключения
|
кА
|
20
|
|
Ток термической стойкости/время
|
кА
|
25
|
|
Полное время отключения tоткл., с,
|
мс
|
не более 90
|
|
Величина
|
Ед. изм.
|
Значение
|
|
Собственное время отключения tоткл., с, не более
|
мс
|
не более 70
|
|
Собственное время включения tвкл., с, не более
|
мс
|
не более 100
|
|
Ресурс по механической стойкости (ВКЛ-ОТКЛ)
|
|
50000
|
Выбор и проверка выключателей производится по следующим параметрам.
Номинальное напряжение
,
где Uном.а - номинальное напряжение
выбранного выключателя, кВ;ном.у - номинальное напряжение установки, кВ.
Номинальный ток отключения
где
- номинальный ток отключения выбранного выключателя,
кА;
-
расчетное значение тока трехфазного КЗ, кА.
.2.8.3 Выбор
трансформаторов тока
Для установки принимается трансформатор тока ТЛМ-10У3. Техническая
характеристика трансформатора тока приведена в таблице 9.
Таблица 2.9 - Техническая характеристика трансформатора тока ТЛМ-10У3
|
Величина
|
Значение
|
|
Класс напряжения, кВ
|
10
|
|
Номинальный ток обмоток, А
|
первичной
|
1000
|
|
вторичной
|
5
|
|
Класс точности
|
0,5
|
|
ёТермическая стойкость: Допустимый ток, кА
|
15
|
|
Время протекания тока термической стойкости, с
|
4
|
|
Электродинамическая стойкость: Допустимый ток, кА
|
52
|
|
Номинальная предельная кратность обмотки
|
13
|
Выбор и проверка трансформаторов тока для установки их во внешней схеме
соединения ГПП на стороне 6 кВ, а также для комплектации КРУ производится по
следующим параметрам.
Номинальное напряжение
,
где Uном.а - номинальное напряжение выбранного
трансформатора тока, кВ;ном.у - номинальное напряжение установки, кВ.
Номинальный первичный ток
,
где
Iном.а - номинальный первичный ток выбранного трансформатора тока, А;ном.у -
номинальный ток установки, А.
Нагрузка
вторичной обмотки
,
Нагрузка
вторичной обмотки трансформатора определяется по уравнению
где
I2ном - номинальный ток вторичной обмотки, А;ном - полное допустимое
сопротивление внешней цепи, Ом.
1.2.8.4 Выбор
и проверка трансформаторов напряжения
Выбор и проверку трансформаторов напряжения производят по роду установки
(для подключения счетчиков, для контроля сопротивления изоляции или для питания
оперативных цепей), а также по следующим параметрам.
Трансформатор напряжения НАМИ - 10
Номинальное первичное напряжение
,
где Uном.а - номинальное напряжение выбранного
трансформатора напряжения, кВ;ном.у - номинальное напряжение установки, кВ.
Таблица 2.10 - технические характеристики НАМИ - 10
|
Характеристики
|
Значения
|
|
Ном. напряжение первичной обмотки, кВ
|
10
|
|
Ном. напряжение вторичной основной обмотки, кВ
|
0,1
|
|
Ном. напряжение вторичной дополнительной обмотки, кВ
|
0,1
|
|
Наибольшее рабочее напряжение первичной обмотки частоты 50
Гц, кВ
|
12
|
|
Номинальная трехфазная мощность, В·А, основной вторичной
обмотки при измерении междуфазных напряжений при симметричной нагрузке на
вводах ab, bc и ca в классе точности 0,5
|
200
|
|
Номинальная трехфазная мощность, В·А, основной вторичной
обмотки при измерении междуфазных напряжений при симметричной нагрузке на
вводах ab, bc и ca в классе точности 1,0
|
300
|
|
Номинальная трехфазная мощность, В·А, основной вторичной
обмотки при измерении междуфазных напряжений при симметричной нагрузке на
вводах ab, bc и ca в классе точности 3,0
|
600
|
|
Номинальная трехфазная мощность, В·А, основной вторичной
обмотки при измерении фазных напряжений при симметричной нагрузке на вводах
ao, bo и co в классе точности 3,0
|
30
|
|
Предельная мощность, В·А, первичной обмотки
|
1000
|
|
Предельная мощность, В·А, основной вторичной обмотки
|
900
|
|
Предельная мощность, В·А, дополнительной вторичной обмотки
|
100
|
|
Схема и группа соединения обмоток эквивалентна
|
Ун/ Ун /е П-0
|
|
Климатическое исполнение и категория размещения по ГОСТ
15150
|
УХЛ2
|
|
Длина пути утечки внешней изоляции, см
|
23
|
|
Средняя наработка до отказа, ч., не менее
|
4,4х10^6
|
Погрешность
,
где Nдоп - допустимая погрешность, %;-
погрешность, %.
Трансформатор
напряжения НОМ - 10
Номинальное
первичное напряжение
,
где Uном.а - номинальное напряжение выбранного
трансформатора
напряжения, кВ;ном.у - номинальное напряжение
установки, кВ.
Погрешность
,
где Nдоп - допустимая погрешность, %;-
погрешность, %.
Таблица 2.11 - технические характеристики НОМ - 10
|
Наименование параметра
|
Величина
|
|
Значение номинального первичного напряжения, кВ
|
10
|
|
Значение наибольшего рабочего напряжения, кВ
|
12
|
|
Значение номинального напряжения вторичной обмотки, В
|
100
|
|
Значение сопротивления изоляции обмоток при температуре
20°С, МОм, не менее
|
300
|
|
Значение номинальной мощности вторичной обмотки при работе
в классе точности, ВА 0,5 1 3
|
75 150 300
|
|
Значение предельной мощности, ВА
|
630
|
|
Значение основной погрешности по напряжению, %
|
±0,48
|
|
Значение основной погрешности по углу
|
±20
|
|
Схема и группа соединений обмоток
|
Y/Yn-0
|
.2.8.5 Выбор разъединителей, отделителей и короткозамыкателей
Расчётный тепловой импульс в воздушной линии
,
где
I∞ − установившееся значение тока короткого замыкания в
рассматриваемой линии, кА;р.о.− полное время отключения выключателя,
tр.о. = 0,09 с.
Выбранное
оборудование проверяется по соотношению
.
где Iму − предельный ток термической стойкости;н
− номинальное время протекания тока короткого замыкания.
Для
установки на трансформаторной подстанции принимаются отделители типа
ОД-110/1000УХЛ1 и короткозамыкатели КЗ-110У-У1, характеристика которых
приведена в таблице 2.12.
Таблица
2.12 - Техническая характеристика ОД-110/1000УХЛ1 и КЗ-110УХЛ1
|
Величина
|
Значение
|
|
ОД-110/1000УХЛ1
|
КЗ-110УХЛ1
|
|
Номинальное напряжение, кВ
|
110
|
110
|
|
Номинальный ток, А
|
|
1000
|
-
|
|
Стойкость главных ножей при сквозных токах короткого
замыкания
|
Предельный сквознойток (амплитуда), кА
|
80
|
51
|
|
Ток термической стойкости, кА/с
|
31,5/3
|
20/3
|
|
Полное время, с
|
Включения (без гололёда/при гололёде)
|
-
|
0,14/0,2
|
|
Отключения (без гололёда/при гололёде)
|
0,4/-
|
-
|
|
Масса, кг
|
|
310
|
230
|
|
Тип привода
|
|
ПРО-1ХУ1
|
ПРК-1У1
|
|
, кА2·с29761200
|
|
|
|
Для установки принимаются разъединители
РНДЗ-110/1000У1 с технической характеристикой, приведённой в таблице 2.13.
Таблица 2.13 - Техническая характеристика
РНД3-110/1000У1
|
Величина
|
Значение
|
|
Номинальное напряжение, кВ
|
110
|
|
Номинальный ток, А
|
1000
|
|
Стойкость при сквозных токах короткого замыкания, кА
|
Амплитуда предельного сквозного тока
|
80
|
|
Предельный ток термической стойкости
|
31,5
|
|
Время протекания предельного тока термической стойкости
ножей, с
|
Главных
|
3
|
|
заземляющих
|
1
|
|
Масса без привода, кг
|
231
|
|
Тип привода
|
ПРН-220М
|
|
, кА2·с2880
|
|
.2.8.6 Выбор разрядников
Для защиты оборудования от атмосферных перенапряжений
на ГПП шахты предусматривается установка вентильных разрядников на напряжение
6кВ типа РВ0-6У1 и на напряжение 110 кВ РВС-110МУ1. Их техническая
характеристика приведена в таблице 2.14.
Таблица 2.14 - Техническая характеристика РВС-1 ЮМУ 1
и РВО-6У1
|
Величина
|
Значение
|
|
РВС-110МУ1
|
РВО-6У1
|
|
Номинальное напряжение, кВ
|
110
|
6
|
|
Наибольшее допустимое напряжение (действующее), кВ
|
100
|
7,6
|
|
Пробивное напряжение при частоте 50 Гц (в сухом состоянии и
под дождём) (действующее значение), кВ
|
не менее
|
200
|
16
|
|
не более
|
250
|
19
|
|
Пробивное импульсное напряжение (при разрядном времени не
более 2-20 мкс), кВ
|
285
|
32
|
|
Наибольшее остающееся напряжение при импульсном токе с
длиной фронта волны 8 мкс и амплитудой, А
|
3000
|
315
|
25
|
|
5000
|
335
|
27
|
|
10000
|
367
|
-
|
|
Масса, кг
|
175
|
3,1
|
1.2.9 Выбор
оборудования ЦПП
.2.9.1 Выбор
и проверка КРУ для ЦПП
Для проектируемой угольной шахты для комплектации ЦПП
и РПП принимаем КРУ во взрывобезопасном исполнении типа КРУВ-6м. Техническая
характеристика КРУ приведена в таблице 2.15.
Таблица 2.15 - Технические данные КРУВ-6м
|
Величина
|
Значение
|
|
Номинальное напряжение, кВ
|
6
|
|
Наибольшее напряжение, кВ
|
7,2
|
|
Номинальный ток вводных и секционных шкафов КРУ, А
|
100, 160, 200, 320, 400, 630
|
|
Номинальный ток сборных шин, разъединителей и выключателей,
А
|
630/1000
|
|
Номинальный ток отходящих присоединений, А
|
20, 40, 60, 80, 100, 160, 200, 320, 400
|
|
Номинальный ток отключения, кА
|
20
|
|
Мощность отключения, MB·A
|
200
|
|
Стойкость главных цепей к токам короткого замыкания
Электродинамическая (амплитуда) Термическая (ток/время)
|
25 10/1
|
В качестве межсекционного выключателя на секциях шин
принимается тип выключателя ВПМЭ-10/1600УЗ.
.2.9.2 Выбор КРУ
вводной ячейки
КРУ вводной ячейки выбирается исходя из суммарного тока электроустановок
подземных выработок. Округляется сумма фактических рабочих максимальных токов
всех ячеек ЦПП, которые могут быть включены одновременно.
,
где Iн.кру - номинальный ток выбранного КРУ;
- сумма
фактических рабочих токов нагрузки,
-
коэффициент спроса.
Для
ЦПП принимаем 4 вводные ячейки
1.2.9.3 Выбор
КРУ секционной ячейки
Рассчитывается токовая нагрузка отдельно по левым и правым секциям. Выбор
КРУ производится по большему из этих токов.
Следовательно,
принимаем
.2.9.4 Выбор
КРУ для питания группы нагрузок
Номинальный ток:
Следовательно, принимаем
1.2.9.5 Выбор КРУ для питания высоковольтного электродвигателя
Номинальный ток двигателя ЦНС-180 мощностью 400 кВт:
,
.
Следовательно, принимаем
.2.10 Выбор и проверка уставок КРУ
.2.10.1 Для вводных КРУ, ЦПП и РПП
Уставка максимальной токовой защиты (МТЗ) любого КРУ,
установленного в подземных выработках шахт, выбирается исходя из условия:
,
где
− коэффициент надёжности, принимается
= 1,2-1,4;
−
рабочий максимальный ток.
Для
КРУ, питающих ПУПП, рабочий максимальный ток определяется как
,
где Iн.пупп − номинальный ток защищаемой ПУПП на
первичной стороне:
.
п.max
− номинальный пусковой ток наиболее крупного электродвигателя на
вторичной стороне низкого напряжения ПУПП;
кт-
коэффициент трансформации ПУПП.
Максимальный
рабочий ток вводных и секционных КРУ ЦПП3 определяется как
,
где
Iр.в. − рабочий ток линии, питающей ЦПП в аварийном режиме, А;п.пуск −
пусковой ток наиболее крупного электродвигателя, получающего питание по
защищаемой ветви, А.
Уставка
МТЗ ячеек КРУВ-6, благодаря использованию ступенчатого и плавного её
регулирования, может быть принята любой величины в пределах, начиная от
номинального значения тока первичной цепи установленных в ячейке
трансформаторов тока и кончая максимально возможной величиной 2400 А.
Проверка
выбранной уставки МТЗ высоковольтного КРУ, питающего ПУПП, осуществляется по
току двухфазного короткого замыкания на низкой стороне защищаемого
трансформатора по формуле
,
где Iкз(2) − ток двухфазного короткого замыкания
на стороне вторичной обмотки (НН) трансформатора;
кт − коэффициент трансформации ПУПП,
,
где
U1, U2 − напряжения соответственно на первичной и вторичной сторонах
ПУПП.
.
Для
высоковольтного оборудования 6 кВ кт=1.
Уставка
высоковольтной ячейки, установленной на питающей линии ЦПП3, соответствует
условиям эксплуатации, если сохраняется соотношение:
,
где Iкз(2) − ток двухфазного короткого замыкания
в самой удаленной точке резервируемой смежной зоны.
.2.10.2 Отходящая КРУВ (ПУПП)
Iн.комб=158 А.
Тогда
,
,
,
.
Принимается
уставка Iу=445 А.
Проверка
по КЗ7:
1.2.10.3 Отходящая КРУВ (главный водоотлив)
Iн.дв=225 А.
Тогда
,
,
.
Принимается
уставка Iу=1820 А.
Проверка
по КЗ8:
.2.10.4 Вводная КРУВ
р.в. = Iр.а3=439,01 А.
Пусковой ток двигателя комбайна, с учетом коэффициента трансформации
равен:
Пусковой
ток высоковольтного двигателя насоса равен:
Выбираем
большее из этих значений:
Принимается
уставка Iу=2395 А.
Проверка
по КЗ7:
1.2.10.5 Секционная КРУВ
р.в. = Iр.а3=439,01 А.
Пусковой ток двигателя комбайна, с учетом коэффициента трансформации
равен:
Пусковой ток высоковольтного двигателя насоса равен:
Выбираем
большее из этих значений:
Принимается
уставка Iу=2395 А.
Проверка
по КЗ7:
Результаты
расчетов сводятся в таблицу 2.14.
Таблица 14 - Расчет уставок КРУ
|
Наименование ячейки
|
Ip.max
|
кн
|
IуктТочка
КЗI(3)КЗ,АI(2)КЗ,АI(2)КЗ/(кт·Iу)
|
|
|
|
|
|
|
|
Отходящая (ПУПП)
|
340,3
|
1,3
|
442,39
|
445
|
5
|
К7
|
10580
|
9205
|
4,13
|
|
Отходящая (Гл.в/о)
|
1400
|
1,3
|
1820
|
1820
|
1
|
К8
|
4827
|
4200
|
3
|
|
Вводная
|
1839,01
|
1,3
|
2390,7
|
2395
|
1
|
К7
|
10580
|
9205
|
3,84
|
|
Секционная
|
1839,01
|
1,3
|
2390,7
|
2395
|
1
|
К7
|
10580
|
9205
|
3,84
|
Принятые уставки удовлетворяют условиям эксплуатации.
1.3
Электроснабжение проходческого участка
Характеристики всех потребителей сведены в таблицу 1.
Таблица 3.1 - Характеристика токоприемников всего участка
|
Обозначения по схеме
|
Наименование потребителей
|
Тип электродвигателя
|
Количество
|
Номинальная мощность, кВт
|
Номинальный ток, А
|
Пусковой ток, А
|
Коэффициент мощности, Cosj
|
КПД, h
|
|
ПУПП №1
|
КомбайнКП-21
|
2ЭДКОФВ 250L4
|
1
|
110
|
900
|
0,85
|
0,932
|
|
|
3ВР-160 S4
|
1
|
15
|
18,4
|
138
|
0,81
|
88
|
|
|
ВРП-200 L4
|
1
|
45
|
49,5
|
346,5
|
0,87
|
91,0
|
|
СР-70 №1
|
ВРПВ 225 М4
|
1
|
55
|
60,5
|
396
|
0,86
|
92,5
|
|
СР-70 №2
|
ВРПВ 225 М4
|
1
|
55
|
60,5
|
396
|
0,86
|
92,5
|
|
Компрессор УКВШ-5/7
|
2ВР250S2
|
1
|
55
|
60,5
|
396
|
0,86
|
92.5
|
|
ВМЭ-6 осланцовка
|
АВРМ-160
|
1
|
25
|
30
|
180
|
0,86
|
0,925
|
|
Насос 1В-20
|
ВРП-160 S4
|
1
|
15
|
18,4
|
138
|
0,81
|
88
|
|
ΣРн1=375 кВт
|
|
ПУПП №2
|
ВМЭ-2-10 (рабочий 1)
|
АВР-280
|
1
|
160
|
164
|
1148
|
0,9
|
0,9
|
|
ВМЭ-2-10 (рабочий 2)
|
АВР-280
|
1
|
160
|
164
|
1148
|
0,9
|
0,9
|
|
ΣРн2=320 кВт
|
|
ПУПП №3
|
ВМЭ-2-10 (резерв 1)
|
АВР-280
|
1
|
160
|
164
|
1148
|
0,9
|
0,9
|
|
ВМЭ-2-10 (резерв 2)
|
АВР-280
|
1
|
160
|
164
|
1148
|
0,9
|
0,9
|
|
ΣРн3=320 кВт
|
|
ΣРн.сум. =1015кВт
|
1.3.1 Расчёт
ПУПП
Таблица 3.2 - Потребители ПУПП №1
|
Обозначения по схеме
|
Наименование потребителей
|
Тип электродвигателя
|
Количество
|
Номинальная мощность, кВт
|
Номинальный ток, А
|
Пусковой ток, А
|
Коэффициент мощности, Cosj
|
КПД, h
|
|
ПУПП №1
|
КомбайнКП-21
|
2ЭДКОФВ 250L4
|
1
|
110
|
120
|
900
|
0,85
|
0,932
|
|
|
3ВР-160 S4
|
1
|
15
|
18,4
|
138
|
0,81
|
88
|
|
|
ВРП-200 L4
|
1
|
45
|
49,5
|
346,5
|
0,87
|
91,0
|
|
СР-70 №1
|
ВРПВ 225 М4
|
1
|
55
|
60,5
|
396
|
0,86
|
92,5
|
|
СР-70 №2
|
ВРПВ 225 М4
|
1
|
55
|
60,5
|
396
|
0,86
|
92,5
|
|
Компрессор УКВШ-5/7
|
2ВР250S2
|
1
|
55
|
60,5
|
396
|
0,86
|
92.5
|
|
ВМЭ-6 осланцовка
|
АВРМ-160
|
1
|
25
|
30
|
180
|
0,86
|
0,925
|
|
Насос 1В-20
|
ВРП-160 S4
|
1
|
15
|
18,4
|
138
|
0,81
|
88
|
1.3.2 Выбор
ПУПП
Рисунок 3.1 - Расчетная схема кабельной сети ПУПП №1
В данном случае, так как подстанция питает несколько механизмов,
расчётная мощность ПУПП определяется по формуле
,
где
кс - коэффициент спроса;
∑Pу
- суммарная установленная мощность электроприёмников, получающих питание от
данной ПУПП;
cos φ - коэффициент мощности, для группы электроприёмников cos
φ=0,6.
кВ
А.
Коэффициент
спроса определяется по формуле
,
где Pн.к - номинальная мощность наиболее крупного электродвигателя в
группе.
По
расчётной мощности выбирается ПУПП, которая должна удовлетворять следующему
условию
,
где
1,25 - коэффициент, учитывающий нагрузочную способность участкового
трансформатора и его использование по мощности.
Условие
выполняется, следовательно, выбираем ПУПП типа КТПВ-630/6-0,69 №105 со
следующими данными:
;
В;
В;
;
;
;
;
Ом;
Ом.
.3.3 Выбор и
проверка кабельной сети участка по допустимой нагрузке
.3.3.1 Выбор
кабельной сети участка по нагрузке
Выбор кабелей по допустимой нагрузке производится по условию
,
где Iд.д - длительно допустимый по нагреву ток кабеля с соответствующим
сечением;р - расчётный ток кабеля.
Рабочий ток магистральных кабелей определяется как
,
где кс.г - коэффициент спроса для группы потребителей, получающих питание
по магистральному кабелю;
∑Pу.г - суммарная установленная мощность группы потребителей,
получающих питание по выбираемому магистральному кабелю;н - номинальное
напряжение сети;
cos φ - средневзвешенный коэффициент
мощности, ранее принят равным 0,6.
Следовательно
По
длительно допустимой нагрузке для участка l1 принимается кабель КГЭШ 3х95+1х10,
Для
второго участка кабеля, согласно формуле (2.4)
По
длительно допустимой нагрузке для участка l2 кабель КГЭШ 3х35+1х10,
Выбор типа и сечений кабелей сводится в таблицу 3.3.
Таблица 3.3-
Выбор типа и сечения кабелей
|
Обозначение кабеля по схеме
|
Коэффициент спроса
|
Расчетный ток кабеля, А
|
Принятый тип кабеля
|
Длительно допустимый ток, А
|
|
0,49120КГЭШ 3х95+1х10290
|
|
|
|
|
|
0,4939.3КГЭШ 3х35+1х10130
|
|
|
|
|
|
0,4978.6КГЭШ 3х95+1х10290
|
|
|
|
|
|
0,4939.3КГЭШ 3х35+1х10130
|
|
|
|
|
|
0,4939.3КГЭШ 3х95+1х10290
|
|
|
|
|
|
0,4939.3КГЭШ 3х35+1х10130
|
|
|
|
|
|
0,49134.7КГЭШ 3х95+1х10290
|
|
|
|
|
|
0,49150КГЭШ 3х50+1х10160
|
|
|
|
|
|
0,4910.7
|
КГЭШ 3х16+1х10
|
105
|
|
|
|
0,4917.8КГЭШ 3х16+1х10105
|
|
|
|
|
1.3.3.2
Проверка кабельной сети участка по допустимым потерям напряжения при нормальном
режиме
Суммарные потери напряжения определяются
, (2.5)
где
- потери напряжения в трансформаторе;
-
суммарные потери напряжения в рассматриваемой кабельной ветви участка.
Относительная
потеря напряжения в трансформаторе определяется по формуле
, (2.6)
где
- коэффициент загрузки трансформатора;
,
- относительные величины соответственно активной и
реактивной составляющей напряжения короткого замыкания трансформатора, %.
Относительные
величины
и
вычисляются
соответственно по формулам
(2.7)
, (2.8)
где
- потери мощности короткого замыкания в
трансформаторе;
-
напряжение короткого замыкания трансформатора, %.
В
этом случае
Следовательно, по формуле (2.6)
Потери напряжения в трансформаторе в абсолютных величинах определятся по
формуле
(2.9)
где
- вторичное напряжение трансформатора при холостом
ходе,
Тогда
Потери
напряжения в кабеле определяются по формуле
(2.10)
где
- рабочий ток в кабеле;
,
- соответственно активное и индуктивное сопротивления
рассматриваемого кабеля.
Следовательно
Активное
сопротивление для температуры +65оС принимается по [4, стр. 178].
Расчет
сопротивлений кабелей сведен в таблицу 3.4.
Таблица 3.4 - Определение сопротивления кабелей
|
Обозначение кабеля на схеме
|
Марка кабеля
|
Длина, м
|
Удельное сопротивление, Ом/км
|
Сопротивление кабеля, Ом
|
|
|
|
|
  
|
|
|
|
|
|
КГЭШ 3х95+1х1015
|
0,243
|
0,054
|
0,00364
|
0,00081
|
0,58
|
|
|
|
КГЭШ 3х35+1х1010
|
0,653
|
0,087
|
0,00653
|
0,00087
|
0,31
|
|
|
|
КГЭШ 3х95+1х1050
|
0,243
|
0,054
|
0,01215
|
0,0027
|
1,28
|
|
|
|
КГЭШ 3х35+1х1020
|
0,653
|
0,087
|
0,01306
|
0,00174
|
0,62
|
|
|
|
КГЭШ 3х95+1х1070
|
0,243
|
0,054
|
0,017
|
0,0037
|
0,9
|
|
|
|
КГЭШ 3х35+1х1020
|
0,653
|
0,087
|
0,01306
|
0,00174
|
0,62
|
|
|
|
КГЭШ 3х95+1х1090
|
0,243
|
0,054
|
0,0218
|
0,00486
|
3,95
|
|
|
|
КГЭШ 3х50+1х1030
|
0,455
|
0,081
|
0,01365
|
0,00243
|
2,63
|
|
|
|
КГЭШ 3х16+1х10
|
5
|
1,42
|
0,09
|
0,0071
|
0,00045
|
0,08
|
|
|
КГЭШ 3х16+1х1015
|
1,42
|
0,09
|
0,0213
|
0,00135
|
0,42
|
|
|
Тогда, согласно формуле (2.5)
Допустимая
потеря напряжения в сети определяется по выражению
(2.11)
где 0,05- допустимое отклонение напряжения на зажимах электродвигателей
(ГОСТ 13109-87).
Сеть удовлетворяет условиям, так как
.3.3.3
Проверка кабельной сети по потерям напряжения при пуске наиболее мощного и
удалённого электродвигателя
Допустимое минимальное напряжение на зажимах электродвигателя при пуске
определяется по формуле
,
где
- номинальный момент электродвигателя;
-
номинальный пусковой момент электродвигателя;
-
минимальная кратность пускового момента электродвигателя, обеспечивающая
трогание с места и разгон исполнительного органа рабочей машины. (
- для добычных комбайнов при пуске под нагрузкой).
Тогда
Суммарные
потери напряжения при пуске в любой ветви определяются как
,
где ΔUтр. пуск - потери напряжения в трансформаторе при пуске
наиболее мощного и удалённого электродвигателя;
∑ΔUк. пуск - суммарные потери напряжения при пуске в
рассматриваемой кабельной ветви участка.
,
где
Iпуск - пусковой ток запускаемого электродвигателя;тр, xтр - соответственно
активное и реактивное сопротивление трансформатора, принимаются по [1, с.511,
таблица 20.4];
cosφп - коэффициент мощности электродвигателя в пусковом режиме,
принимается cosφп=0,5.
,
где
nдв - количество одновременно запускаемых двигателей;к, xк - соответственно
активное и реактивное сопротивление кабеля.
В,
В,
В.
1.3.3.4
Проверка кабельной сети по сопротивлению изоляции и ёмкости
Для устойчивой работы реле утечки должно выполняться следующее условие
, (2.13)
где
- фактическое сопротивление изоляции фазы
относительно земли, кОм/фазу;
-
критическое сопротивление изоляции сети, принимаем по паспортным данным реле
утечки
кОм.
Ожидаемое
сопротивление изоляции фазы для всей электрически связанной сети определяется
по формуле
, (2.14)
,
,
,
,
-
минимальное допустимое сопротивление изоляции этих элементов сети, МОм/фазу.
Тогда
Расчет емкости кабельной сети сводится в таблицу 3.5.
Таблица 3.5 - Определение емкости кабельной сети участка
|
Обозначение кабеля на схеме
|
Тип кабеля
|
Длина кабеля, м
|
Средняя величина емкости, мкФ/км
|
Емкость кабеля, мкФ/фазу
|
|
КГЭШ 3х95+1х1015
|
0,695
|
0,01042
|
|
|
|
КГЭШ 3х35+1х1010
|
0,465
|
0,00465
|
|
|
|
КГЭШ 3х95+1х1050
|
0,695
|
0,03475
|
|
|
|
КГЭШ 3х35+1х1020
|
0,465
|
0,0093
|
|
|
|
КГЭШ 3х95+1х1070
|
0,695
|
0,04865
|
|
|
|
КГЭШ 3х35+1х1020
|
0,465
|
0,0093
|
|
|
|
КГЭШ 3х95+1х1090
|
0,695
|
0,06255
|
|
|
|
КГЭШ 3х50+1х1030
|
0,605
|
0,01815
|
|
|
|
КГЭШ 3х16+1х10
|
5
|
0,365
|
0,001825
|
|
|
КГЭШ 3х16+1х1015
|
0,365
|
0,005475
|
|
|
|
Итого:
|
0,205
|
Общая емкость сети определяется как
, (2.15)
где
- суммарная емкость кабельной сети.
Следовательно
Сеть удовлетворяет условиям эксплуатации.
,2255 мкФ<1мкФ.
Емкость сети не превышает 1 мкФ, значит сеть удовлетворяет условиям
эксплуатации.
1.3.4 Расчёт
токов КЗ
Рисунок 3.2 - расчетная схема токов КЗ для ПУПП №1
Ток двухфазного короткого замыкания (к.з.) в любой
точке низковольтной сети участка шахты определяется по формуле
,
где
- суммарное активное сопротивление кабелей, при
рабочей температуре жил 65°С, по которым последовательно проходит ток к.з. до
рассматриваемой точки, определено в разделе "Проверка кабельной сети по
потерям напряжения";
-
суммарное переходное сопротивление и элементов аппаратов, а также переходное
сопротивление в месте к.з., принимается равным 0,005 Ом на один коммутационный
аппарат, включая точку к.з.;
- число
коммутационных аппаратов, через контакты которых последовательно проходит ток
к.з., включая АВ ПУПП;
-
сопротивление высоковольтной распределительной сети, приведенное ко вторичной
обмотке трансформатора;
-
индуктивное сопротивление трансформатора;
-
суммарное индуктивное сопротивление кабелей, по которым последовательно
проходит ток к.з. до рассматриваемой точки.
Индуктивное
сопротивление высоковольтной распределительной сети находится по формуле
,
где
- мощность к.з. на вводе ПУПП, принимается 50 МВА.
Тогда
Токи
трехфазного к.з. в тех же точках, для которых рассчитаны токи двухфазного к.з.,
определяются по формуле
,
где 1,6 - суммарный переводной коэффициент расчетного тока двухфазного
к.з., определяемого для условий, способствующих его минимальному значению, к
току трехфазного к.з., определяемому для условий, способствующих его
максимальному значению.
В точке короткого замыкания К1 ток двухфазного к.з.
равен
ток трехфазного к.з. при этом равен
В
точке короткого замыкания К2 ток двухфазного к.з. равен
ток
трехфазного к.з. при этом равен
Токи
двухфазных и трёхфазных коротких замыканий в сети определены и сведены в
таблицу 3.6.
Таблица 3.6 - Расчет токов короткого замыкания
|
Точка К.З.
|
Обозначение на схеме
|
Рабочий ток, А
|
Сечение кабеля, мм2
|
Длина кабеля, м
|
Приведенная длина кабеля, м
|
Ток двухфазного К.З. , АТок трёхфазного КЗ I(3)∞,
А
|
|
|
К1
|
-
|
-
|
-
|
5
|
10
|
8482
|
|
|
К2
|
l1
|
120
|
95
|
15
|
18.1
|
8033
|
|
|
К3
|
l1.1
|
39.3
|
35
|
10
|
32.2
|
7079
|
|
|
К4
|
l2
|
78.6
|
95
|
50
|
59.2
|
6219
|
|
|
К5
|
l2.1
|
39.3
|
35
|
20
|
87.4
|
5118
|
|
|
К6
|
l3
|
39.3
|
95
|
30
|
103.6
|
4623
|
|
|
К7
|
l3.1
|
39.3
|
35
|
20
|
131.8
|
3949
|
|
|
К8
|
l4
|
134.7
|
95
|
90
|
58.6
|
6219
|
|
|
К9
|
l4.1
|
150
|
50
|
30
|
88.6
|
5118
|
|
|
К10
|
l4.2
|
10.7
|
16
|
5
|
103.6
|
4623
|
|
|
К11
|
l4.3
|
17.8
|
16
|
15
|
149.6
|
3771
|
|
1.3.5 Выбор и
проверка защитной аппаратуры и уставок её защит
Фидерный выключатель, магнитный пускатель и магнитная станция по
выбираются исходя из условия:
,
где Iн - номинальный ток выбранного аппарата;р - рабочий ток
магистрального кабеля или номинальный ток потребителя.
Выбранный фидерный выключатель или магнитный пускатель должны быть
проверены по допустимой нагрузке на вводные зажимы.
Отключающая способность аппарата, согласно, должна соответствовать
условию:
Если отключающая способность не удовлетворяет условию, то при наличии на
присоединении, питающем данный аппарат, другого аппарата с достаточной
отключающей способностью, необходимо, чтобы соблюдалось условие
,
где Iу - уставка тока срабатывания реле максимального тока аппарата с
отключающей способностью, удовлетворяющей вышеуказанным условиям;
Кч = 1,5 - коэффициент чувствительности защиты.
Величина уставки тока срабатывания реле автоматических выключателей или
магнитных пускателей для защиты магистрали, согласно, определяется выражением:
А,
где Iн.руск - номинальный пусковой ток наиболее мощного электродвигателя;
SIн.р. - сумма номинальных токов всех остальных токоприемников.
Для защиты ответвлений величина уставки тока срабатывания реле
определится как:
При этом кратность расчетного минимального тока двухфазного к.з. к
уставке тока срабатывания реле должно удовлетворять условию
Номинальный ток плавкой вставки предохранителей для защиты
электродвигателей по выражением:
,
где 1,6 ¸ 2,5 -
коэффициент, обеспечивающий не перегорание плавкой вставки при пусках
электродвигателей с короткозамкнутым ротором, при нормальных условиях пуска
(редкие запуски и быстрое разворачивание) следует принимать значение 2,5, при
тяжелых (частые запуски при длительном разворачивании) - 1,6 ¸2,0.
Выбранная плавкая вставка предохранителя должна быть проверен по току
двухфазного к.з. с соблюдением соотношения
При выборе уставок реле аппаратов, защищающих магистральную линию,
уставка реле последующего по направлению к ПУПП увеличена на одну - две ступени
по сравнению с уставкой реле предыдущего аппарата при обязательном соблюдении
соотношения:
Таблица 3.7-
Выбор и проверка аппаратуры управления и уставок
|
Тип аппарата
|
Потребитель
|
Номинальный ток аппарата, А
|
Расчетный ток линии, А
|
Ток уставки, А
|
Ток двухфазного к.з. в удаленной точке, А
|
|
Обозначение
|
|
  
|
|
|
|
|
КС-02 (1)
|
Комбайн КП-21
|
320
|
101.6
|
1000
|
5118
|
|
КС-02 (3)
|
ВМЭ-6 ослан.
|
160
|
14,9
|
220
|
4623
|
|
ПВР-125Р
|
СР-70.05 №1
|
250
|
32.8
|
500
|
4623
|
|
ПВИТ-250МВ3
|
СР-70.05 №2
|
250
|
32,8
|
500
|
6219
|
|
ПВИ-315H+R
|
Компрессор УКВШ-5/7
|
315
|
32,8
|
640
|
7079
|
|
КС-02 (7)
|
Насос 1В-20
|
160
|
8,9
|
150
|
3771
|
В
данном случае уставка максимальной токовой защиты КТПВ630-/6-0,69 №105
принимается
А.
Условие
выполняется.
1.3.6 Расчёт
ПУПП
Таблица 3.8 - Потребители ПУПП №2
|
Обозначения по схеме
|
Наименование потребителей
|
Тип электро-двигателя
|
Количество
|
Номинальная мощность, кВт
|
Номинальный ток, А
|
Пусковой ток, А
|
Коэффициент мощности, Cosj
|
КПД, h
|
|
ПУПП №2
|
ВМЭ-2-10 (рабочий 1)
|
АВР-280
|
1
|
160
|
164
|
1148
|
0,9
|
0,9
|
|
ВМЭ-2-10 (рабочий 2)
|
АВР-280
|
1
|
160
|
164
|
1148
|
0,9
|
0,9
|
1.3.7 Выбор ПУПП
Рисунок 3.3 - Расчетная схема кабельной сети ПУПП №2
Расчётная мощность ПУПП определяется по формуле
,
где кс - коэффициент спроса;
∑Pу - суммарная установленная мощность электроприёмников,
получающих питание от данной ПУПП, принимается исходя из таблицы 3.8;
cos φ - коэффициент мощности, согласно
таблице 3.8 принимается равным
cos φ = 0,7.
Суммарная установленная мощность ПУПП №2 равна
Коэффициент
спроса определяется по формуле
Расчётная
мощность ПУПП определяется по формуле
По
расчётной мощности выбирается ПУПП, которая должна удовлетворять следующему
условию

.
Условие выполняется, следовательно, выбираем ПУПП типа
КТПВ-630/6-0,69 №2 со следующими данными:
;
В;
В;
;
;
;
;
Ом;
Ом.
1.3.8 Выбор и
проверка кабельной сети участка по допустимой нагрузке
.3.8.1 Выбор
кабельной сети участка по нагрузке
Рабочий ток магистральных кабелей определяется как
Выбор
типа и сечений кабелей сводится в таблицу 3.9.
Таблица
3.9 - Выбор типа и сечения кабелей
|
Обозначение кабеля по схеме
|
Коэффициент спроса
|
Расчетный ток кабеля, А
|
Принятый тип кабеля
|
Длительно допустимый ток, А
|
|
0,5233
|
КГЭШ 3х95+1х10
|
290
|
|
|
|
П
|
0,5
|
233
|
КГЭШ 3х95+1х10
|
290
|
|
0,5116
|
КВБбШв 3х50
|
210
|
|
|
|
0,5116
|
КВБбШв 3х50
|
210
|
|
|
1.3.8.2
Проверка кабельной сети участка по допустимым потерям напряжения при нормальном
режиме
Коэффициент загрузки трансформатора равен
Активная и реактивная составляющие напряжения короткого замыкания
трансформатора
Относительная
потеря напряжения в трансформаторе равна
Потери
напряжения в трансформаторе в абсолютных величинах определяются как
Потери
напряжения в кабеле определяются по формуле
Расчет остальных кабельных линий сведен в таблицу
3.10.
Таблица 3.10 - Сопротивления и потери
напряжения кабелей
|
Обозначение кабеля на схеме
|
Марка кабеля
|
Длина, м
|
Удельное сопротивление, Ом/км
|
Сопротивление кабеля, Ом
|
|
|
|
|
  
|
|
|
|
|
|
КГЭШ 3х95+1х10
|
15
|
0,243
|
0,054
|
0,00364
|
0,00081
|
1,142
|
|
|
П
|
КГЭШ 3х95+1х10
|
0,243
|
0,054
|
0,001215
|
0,00027
|
0,381
|
|
КВБбШв 3х50
|
130
|
0,455
|
0,081
|
0,05915
|
0,01053
|
8,823
|
|
|
КВБбШв 3х50
|
130
|
0,455
|
0,081
|
0,01306
|
0,00174
|
1,854
|
|
Допустимая потеря напряжения в сети определяется по выражению
Суммарные потери напряжения в любой ветви равны
,
20,2661
В< 63 В.
.3.8.3
Проверка кабельной сети по потерям напряжения при пуске наиболее мощного и
удалённого электродвигателя
Допустимое минимальное напряжение на зажимах электродвигателя при пуске
,
где
Мпуск.дв/Мн.дв - соотношение пускового и номинального момента для двигателя
АВР-280 Мпуск.дв/Мн.дв= 2,1;
Суммарные потери напряжения при пуске в любой ветви определяются
cosφп - коэффициент мощности электродвигателя в пусковом режиме,
принимается cosφп= 0,6.
где
nдв - количество одновременно запускаемых двигателей, nдв= 1.
Суммарные
потери напряжения при пуске в любой ветви будут равны
,6088
В> 160,9405 В.
.3.8.4
Проверка кабельной сети по сопротивлению изоляции и ёмкости
Ожидаемое сопротивление изоляции фазы для всей электрически связанной
сети
Расчет
емкости кабельной сети сводится в таблицу3.11.
Таблица
3.11 - Расчет емкости кабельной сети
|
Обозначение кабеля на схеме
|
Тип кабеля
|
Длина кабеля, м
|
Средняя величина емкости, мкФ/км
|
Емкость кабеля, мкФ/фазу
|
|
КГЭШ 3х95+1х10
|
15
|
0,695
|
0,01042
|
|
|
П
|
КГЭШ 3х95+1х10
|
5
|
0,695
|
0,00347
|
|
КВБбШв 3х50
|
130
|
0,605
|
0,07865
|
|
|
КВБбШв 3х50
|
130
|
0,605
|
0,07865
|
|
|
Итого:
|
0,171
|
Общая ёмкость сети с учётом ёмкости электродвигателей и электрических
аппаратов
0,1881
мкФ<1мкФ.
Емкость
сети не превышает 1 мкФ, значит сеть удовлетворяет условиям эксплуатации.
.3.9 Расчёт
токов КЗ
Рисунок 3.4 - расчетная схема токов КЗ для ПУПП №2
Рассчитаем токи двухфазного и трехфазного к.з.
Точка К1:
Для остальных точек к.з. все значения сведены в таблице 3.12.
Таблица 3.12 - Параметры и значения точек к.з.
|
Точка К.З.
|
Обозначение на схеме
|
Рабочий ток, А
|
Сечение кабеля, мм2
|
Длина кабеля, м
|
Приведенная длина кабеля, м
|
Ток двухфазного К.З. , АТок трёхфазного КЗ I(3)∞,
А
|
|
|
К1
|
-
|
-
|
-
|
5
|
10
|
8482
|
|
|
К2
|
l1
|
233
|
95
|
15
|
18.1
|
8033
|
|
|
К3
|
П
|
233
|
95
|
5
|
20.8
|
7556
|
12090
|
|
К4
|
l1,1
|
116
|
50
|
130
|
150.8
|
3594
|
5750
|
|
К5
|
l2
|
116
|
50
|
130
|
280.8
|
2176
|
3482
|
1.4 Выбор и
проверка защитной аппаратуры и уставок ее защит
Фидерный выключатель, магнитный пускатель и магнитная станция по
выбираются исходя из условия:
где Iн - номинальный ток выбранного аппарата;р - рабочий ток
магистрального кабеля или номинальный ток потребителя.
Выбранный фидерный выключатель или магнитный пускатель должны быть
проверены по допустимой нагрузке на вводные зажимы
Отключающая способность аппарата, согласно, должна соответствовать
условию:
.
Если отключающая способность не удовлетворяет условию, то при наличии на
присоединении, питающем данный аппарат, другого аппарата с достаточной
отключающей способностью, необходимо, чтобы соблюдалось условие
Гдеу - уставка тока срабатывания реле максимального тока аппарата с
отключающей способностью, удовлетворяющей вышеуказанным условиям;
Кч = 1,5 - коэффициент чувствительности защиты.
Величина уставки тока срабатывания реле автоматических выключателей или
магнитных пускателей для защиты магистрали, согласно, определяется выражением:
А,
где Iн.руск - номинальный пусковой ток наиболее мощного электродвигателя;
SIн.р. - сумма номинальных токов всех остальных токоприемников.
Для защиты ответвлений величина уставки тока срабатывания реле
определится как
При этом кратность расчетного минимального тока двухфазного к.з. к
уставке тока срабатывания реле должно удовлетворять условию
Номинальный ток плавкой вставки предохранителей для защиты
электродвигателей по выражением:
,
где 1,6 ¸ 2,5 -
коэффициент, обеспечивающий не перегорание плавкой вставки при пусках
электродвигателей с короткозамкнутым ротором, при нормальных условиях пуска
(редкие запуски и быстрое разворачивание) следует принимать значение 2,5, при
тяжелых (частые запуски при длительном разворачивании) - 1,6 ¸2,0.
Выбранная плавкая вставка предохранителя должна быть проверен по току
двухфазного к.з. с соблюдением соотношения.
При выборе уставок реле аппаратов, защищающих магистральную линию,
уставка реле последующего по направлению к ПУПП увеличена на одну - две ступени
по сравнению с уставкой реле предыдущего аппарата при обязательном соблюдении
соотношения:
Таблица 3.13-
Выбор и проверка аппаратуры управления и уставок
|
Тип аппарата
|
Потребитель
|
Номинальный ток аппарата, А
|
Ток уставки, А
|
Ток двухфазного к.з. в удаленной точке, А
|
|
Обозначение
|
|
 
|
|
|
|
ПВИ-250БТ
|
ВМЭ-2 -10 (рабочий 1)
|
250
|
1250
|
7556
|
|
ПВИ-250БТ
|
ВМЭ-2 -10 (рабочий 2)
|
250
|
1250
|
8033
|
В
данном случае уставка максимальной токовой защиты КТПВ-630/6-0,69 №8
принимается
А.
Условие
выполняется.
1.4
Стационарные установки
.4.1
Вентиляторные и калориферные установки
Согласно гидрогеологическому прогнозу, водоприток при проведении
выработок по подготовке лавы 48-2 с учетом повышенной обводненности в
трещиноватой зоне в проходческий забой составит:
главного наклонного ствола - 2,2-3,1 м3/час;
наклонных стволов пл.45 ипл.48 - 3,1-4,6 м3/час;
фланговых наклонных стволов - 12,4-13,4 м3/час;
выемочных штреков - 8,4-13 м3/час.
Для откачки воды непосредственно из забоев подготовительных выработок
применяются самовсасывающие винтовые насосы 1В20/5 - 16,5 производительностью
16 м3/час и напором 50 м вод. ст.
Проектом принята двухступенчатая схема водоотлива: забойный насос 1В20
перекачивает воду в промежуточную емкость V = 6 м3, периодически
перемещающуюся за забоем, а из нее уже насосом ЦНС38-132 по трубопроводу Dу =
100 мм выдается на поверхность и отводится в отстойник шахтных вод.
После оконтуривания выемочного столба лавы 48-2, у флангового наклонного
ствола, с учетом дополнительных водопритоков из выработанного пространства лавы
48-2, устраивается участковый водоотлив, вода из которого насосами ЦНС 105х240
по трубам d = 150 мм, проложенным по вентиляционному штреку 48-3, конвейерному
бремсбергу пл.48 и главному конвейерному стволу, выдается на поверхность в
очистные сооружения шахтных и ливневых вод.
.4.2 Главные водоотливные установки
Согласно горно-геологическому прогнозу при проведении
разведочно-эксплуатационных выработок водоприток с учетом повышенной
трещиноватости и обводненности в трещиноватой зоне в проходческие забои
составил:
· главных наклонных стволов - 2,5-3,1 м3/час;
· уклонов пл.48 и наклонных стволов пл.45 - 3,1-4,6 м3/час;
· фланговых наклонных стволов - 12,4-13,4 м3/час;
· выемочных штреков - 8,4-13,0 м3/час.
В настоящее время применяется каскадная схема водоотлива. Из
подготовительных забоев вода насосами типа НШВ-20/20, НСВ-50/45, НСВ-100/32
перекачивается в промежуточные емкости, оборудованные насосами типа 6Ш-8,
6Ш-8/2, углесосами У-150/70, У-250/70.
Нормальный приток шахтных вод - 150, максимальный - 350 м3/ч,
ливневые и производственные стоки составляют 210 м3/сут. Площадь
водосбора промплощадок составляет 9,7 га.
Для очистки шахтных, производственных и ливневых вод предусматриваются
объединенные очистные сооружения в составе:
аккумулятора отстойника;
станции коагулирования;
нефтеотделителя;
блока доочистки;
обеззараживающей станции.
.4.3 Транспорт горной массы
Отгрузка горной массы при проведении спаренных выработок осуществляется
по следующей схеме: опережающий забой конвейерного штрека с помощью
перегружателя типа ПТК задвигает вслед за уходом забоя концевую станцию
телескопического ленточного конвейера с шириной полотна 1200 мм. Для меньшего
износа подвижных частей конвейера его скорость ограничивается на уровне 1.0-1,5
м/с. В дальнейшем, при отработке лавы, скорость конвейера восстанавливается до
номинальной - 3,15 м/с для обеспечения необходимой производительности при
транспортировке угля.
В свою очередь из отстающего на 100-150 м забоя вентиляционного штрека
нижней лавы горная масса с помощью перегружателя типа ПТК отгружается на
ленточный конвейер типа 2ЛТ-100. Далее через последнюю неизолированную сбойку
скребковым конвейером типа СР-70 горная масса перегружается на ленточный
конвейер, смонтированный в конвейерном штреке.
До поверхности горная масса доставляется ленточным конвейером 2Л-100У,
смонтированном в транспортном наклонном стволе пл.48, который связан грузовым
бункером с конвейерным штреком.
.5 Расчёт проходческого участка
.5.1 Определение численности рабочих проходческого участка
Численность проходческого участка складывается из численности рабочих и
инженерно-технических работников (ИТР) участка.
Таблица 5.1 − Расчет списочной численности рабочих проходческого
участка
|
Профессии и разряды
|
Явочная численность, чел
|
Коэффициент списочного состава
|
Списочная численность, чел
|
|
в смену
|
в сутки
|
|
|
|
МГВМ 6 разряда
|
1
|
3
|
1,51
|
5
|
|
Проходчик 5 разряда
|
2
|
8
|
1,51
|
12
|
|
Электрослесарь
|
2
|
5
|
1,51
|
8
|
|
ГРП 3 разряда
|
1
|
4
|
1,51
|
6
|
|
ИТОГО
|
|
|
|
31
|
Таблица 5.2 − Расчет списочной численности ИТР проходческого
участка
|
Профессии и разряды
|
Явочная численность, чел
|
Коэффициент списочного состава
|
Списочная численность, чел
|
|
в смену
|
в сутки
|
|
|
|
Начальник участка
|
1
|
1
|
1,0
|
1
|
|
Пом. начальника участка
|
1
|
1
|
1,0
|
1
|
|
Механик
|
1
|
1
|
1,0
|
1
|
|
Горные мастера
|
2
|
6
|
1,5
|
9
|
|
ИТОГО
|
|
|
|
12
|
.5.2 Расчет себестоимости по элементу "Материальные затраты"
проходческого участка
Расчет затрат на материалы производится на основе норм расхода отдельных
видов материалов, которые принимаются по отчетным данным формы 10-П, паспортам
крепления и БВР, утвержденным нормативам с учетом мероприятий по
их снижению, разработанных в проекте. Цена каждого вида материала
принимается по существующим ценам на шахте.
Затраты на материалы на 1 м выработок, руб/м:
Таблица
5.3 − Расчет затрат на материалы
|
Наименования
|
Единицы измерения
|
Расход на 1 п.м.
|
Стоимость, руб.
|
Сумма затрат, руб.
|
|
|
|
|
|
|
Рама крепи
|
шт.
|
1,25
|
35000
|
43750
|
|
Затяжки
|
м3
|
1,05
|
12000
|
12600
|
|
Профиль монорельса
|
т
|
0,12
|
420000
|
50400
|
|
Анкера
|
шт.
|
2
|
1200
|
2400
|
|
Неучтенные материалы (10% от суммы затрат)
|
10915
|
|
ИТОГО
|
110065
|
Скорость проходки за месяц L=800 м/мес
Расчет затрат на материалы:
р/п.м.
Расчет
затрат на электроэнергию приведен в таблице 5.4.
Таблица
5.4 − Затраты на электроэнергию
|
Потребители
|
Мощность, кВт
|
Время работы за сутки, час
|
Коэффициент загрузки
|
Расход, кВт*ч
|
Тариф за 1 кВт*ч
|
Затраты, руб/сут
|
|
одного двигателя
|
общая
|
|
|
|
|
|
|
|
|
|
|
|
|
|
|
Комбайн КП-21
|
170
|
170
|
18
|
0,73
|
2234
|
2
|
4468
|
|
СР-70
|
55
|
110
|
18
|
|
1445
|
|
2890
|
|
Компрессор УКВШ-5/7
|
55
|
55
|
10
|
|
402
|
|
804
|
|
ВМЭ-6 осланцовка
|
25
|
25
|
2
|
|
37
|
|
74
|
|
Насос 1В-20
|
15
|
15
|
6
|
|
65,7
|
|
131,4
|
|
ВМЭ-2-10
|
160
|
320
|
24
|
|
5606,4
|
|
11212,8
|
|
Итого
|
|
|
|
|
16690,2
|
Сумма затрат на электроэнергию за месяц:
ΣЗэ=500706руб
Себестоимость по элементу "Электроэнергия":
,
р/п.м.
.5.3 Расчет затрат по элементу "Затраты на оплату труда"
Согласно методике расчета фонда, заработной платы величиной затрат
себестоимости добычи угля в элементе "Затраты на оплату труда"
является норматив заработной платы на одну тонну добываемого угля. Исходя из
норматива заработной платы, определяется среднемесячная заработная плата на
прогнозный период с учетом времени производительного использования горной
техники на очистных работах. Расчет производится в следующей
последовательности.
.5.4 Расчет заработной платы работников проходческого участка
При расчете величины заработной платы по подготовительным участкам
устанавливается порядок, при котором фонд заработной платы и среднемесячная
заработная плата классифицируются по признаку влияния или зависимости от
скорости проведения выработок.
Для этого среднемесячная заработная плата, установленная для различных
уровней скорости проведения выработок, делится на тарифный заработок с
доплатами и районным коэффициентом (постоянная часть) и сдельную часть с
районным коэффициентом, изменяющуюся с изменением скорости проведения выработок
(переменная часть).
Для расчета фонда заработной платы используется выражение:
.
где
ФЗПподг.уч - фонд заработной платы проходческого участка за календарный период
работы, руб;
Тфзп
- тарифный фонд заработной ППП за календарный период, руб;
Нзпсд
- норматив заработной платы на сдельную (переменную) часть, рассчитанный на
плановую численность отдельных категорий ППП, руб.м;
С
- протяженность проведения выработок за календарный период, м.
Для
определения величины тарифного фонда заработной платы ППП за период, заполняем
таблицу 5.5.
Таблица 5.5 − Расчет тарифного фонда заработной платы
подготовительного участка для двух подготовительных забоев
|
Работники
|
Количество работников, чел.
|
Заработная плата одного работника, руб/мес.
|
Тарифный фонд заработной платы, руб/мес.
|
|
|
|
|
|
Начальник участка
|
1
|
130000
|
130000
|
|
Помощник начальника участка
|
1
|
80000
|
80000
|
|
Механик
|
1
|
90000
|
90000
|
|
Горный мастер
|
9
|
60000
|
540000
|
|
Итого руководители и специалисты
|
12
|
-
|
840000
|
|
Проходчики
|
24
|
50000
|
1200000
|
|
МГВМ
|
10
|
50000
|
500000
|
|
Электрослесарь
|
16
|
38000
|
608000
|
|
ГРП
|
12
|
40000
|
480000
|
|
Итого рабочих по участку
|
62
|
-
|
2788000
|
|
Итого по участку
|
74
|
-
|
3628000
|
ФЗП подг.уч.= 3628000 руб.
.5.5 Расчет затрат по элементу "Затраты на оплату труда"
Расчет затрат по элементу "Затраты на оплату труда"
производится по формуле, руб/т:
р/п.м.
Величина
затрат элемента "Отчисления на социальные нужды" складывается из
единого социального налога и обязательного медицинского страхования от
несчастных случаев на производстве и составляет 34,5% от элемента себестоимости
"Затраты на оплату труда".
Единый
социальный налог состоит из отчислений в:
.
Федеральный и территориальный фонды обязательного медицинского страхования;
.
В пенсионный фонд РФ;
.
В фонд социального страхования РФ.
Размер
обязательного медицинского страхования от несчастных случаев на производстве.
Сотч.соц.нужд.=1564,57 руб.
.5.6 Расчет затрат по элементу "Амортизация основных фондов"
Расчет затрат по элементу "Амортизация основных фондов"
осуществляется по нормам амортизации и сводится в таблицу 5.6.
Таблица 5.6 - Амортизация основных фондов
|
Перечень машин и оборудования
|
Кол-во, шт.
|
Стоимость ед. оборудования, тыс. руб.
|
Стоимость всего, тыс. руб.
|
Норма амортизации, % в год
|
Амортизация, тыс. руб.
|
|
|
|
|
|
|
|
Проходческий комбайн КП-21
|
1
|
20000
|
20000
|
22,2
|
4440
|
|
Вентиляционный став
|
1
|
3500
|
3500
|
33
|
1155
|
|
СР-70
|
2
|
1300
|
2600
|
20
|
520
|
|
Вентилятор ВМЭ-2-10
|
2
|
150
|
300
|
25
|
75
|
|
Трансформатор и штрековый распределитель
|
1
|
4470
|
4470
|
20
|
983
|
|
Компрессор
|
1
|
4300
|
4300
|
20
|
860
|
|
Кабельная и шланговая разводка
|
1
|
2418
|
2418
|
22,2
|
532
|
|
ИТОГО
|
1
|
36138
|
37588
|
|
8565
|
|
Неучтенные 20%
|
|
|
7518
|
|
1713
|
|
ВСЕГО
|
−
|
−
|
45106
|
−
|
10278
|
р/п.м.
.5.7 Участковая себестоимость
Таблица 5.7 - Участковая себестоимость 1 п.м.
|
Элементы затрат
|
Величина, руб/т
|
|
Материальные затраты
|
137
|
|
Затраты на оплату труда
|
4535
|
|
Отчисления на социальные нужды
|
1564,57
|
|
Амортизация основных фондов
|
12848
|
|
Затраты на электроэнергию
|
625,8
|
|
Итого:
|
2148,3
|
1.6 Охрана труда и промышленная безопасность
.6.1 Меры
безопасности
1. Для работы в забое допускаются лица, имеющие права МГВМ или проходчика
горизонтальных и наклонных выработок и ознакомленные с "Документацией
…".
. Работы в забое начинать с приведения рабочего места в порядок, согласно
требований Федеральных норм и правил в области промышленной безопасности
"Правил безопасности в угольных шахтах" утвержденных приказом
Федеральной службы по экологическому и атомному надзору от 19.11.2013г. №550 и
"Документации …".
. Проведение и крепление выработки вести согласно данной
"Документации …".
. О всех изменениях горно-геологических условий немедленно извещается
сменный надзор, начальник смены (горный диспетчер), дежурный по шахте,
начальник участка №5 и главный геолог шахты.
. Все работы производить при наличии исправных средствах индивидуальной
защиты и инструмента.
1.6.1.1 Меры безопасности при работе с комбайном КП−21
До начала работы на рабочем месте необходимо:
убедиться в исправном состоянии крепи и её соответствии паспорту
крепления, а также проверить состояние кровли и бортов выработки в
незакреплённом пространстве у забоя;
проверить, не загромождено ли рабочее пространство у комбайна
оборудованием и другими предметами.
Перед пуском комбайна автоматически подаётся предупредительный сигнал.
Запускать рабочий орган, и грузчик допускается только после того, как люди,
находящиеся вблизи комбайна, отошли в безопасные места. Во время работы
необходимо постоянно следить за исправностью гидросистемы комбайна, за нагревом
его узлов и электрооборудования, так как их чрезмерный нагрев может явиться
причиной ожога, пожара, а также взрыва метано-воздушной смеси. Перед заменой
затупленных резцов на рабочем органе комбайна комбайн должен быть удалён из
забоя на безопасное расстояние. В период замены резцов машинист всё время
обязан находиться на своём рабочем месте у комбайна. После очередного
проворачивания рабочего органа кнопка "Стоп" должна быть
зафиксирована в отключенном положении.
При проходческих работах запрещается:
включать в работу неисправный комбайн и другое забойное оборудование;
работать на комбайне при нарушении взрывозащиты оболочек и неисправности
блокировочных устройств его электрооборудования, при нагреве частей этого
оборудования;
отлучаться машинисту от работающего комбайна;
оставлять рукоятки управления включенными после снятия напряжения;
находиться в опасной зоне рабочих органов комбайна во время его работы;
подавать электроэнергию на комбайн при неисправных его дистанционном
управлении и заземлении;
работать без защитной блокировки.
.6.1.2 Меры
безопасности при работе и ремонте скребкового конвейера СР-70
Приступая к работе с конвейером СР-70, необходимо проверить состояние и
исправность:
крепления болтовых соединений двигателей, редукторов и т.п.;
тяговых цепей, скребков, рештаков;
крепление приводных и натяжных головок;
гидромуфт и средств пылеподавления;
наличие масла в редукторах и эмульсии в турбомуфтах.
Запрещается пуск в работу конвейера при:
не полностью собранных и закреплённых рештаках;
незакрепленных приводных и натяжных головках;
ненатянутой цепи;
открытых вводных коробках электродвигателей и пускателей;
недостаточной смазке редукторов.
Во время работы конвейера следить за натяжением цепи. Натяжение цепи
считается нормальным, если при сбегании с ведущей звёздочки цепь имеет провис
не более 50-100 мм. При ослаблении цепи необходимо произвести её натяжение с
помощью натяжных устройств.
Во время работы конвейера запрещается:
производить выравнивание рештаков;
надевать на звёздочки соскочившие цепи, предохранительные кожухи и щитки;
выравнивать и направлять движение цепи стойками, распилами, ломами и т.д.
Механический ремонт конвейера СР-70 следует производить только после
отключения его от сети. При этом на пускателе следует вывесить плакат: "Не
включать - работают люди".
.6.1.3 Меры
безопасностипри работе с пневматической буровой установкой
1. Каждая пневматическая буровая установка (далее пневмосверло) должна быть
тщательно осмотрена и проверена перед началом работ.
. Перед началом работы необходимо до включения пневмосверла проверить
исправность присоединения шланг к компрессору, а после включения - правильность
вращения.
. В начале работы рекомендуется применять короткий забурник и, пробурив
400-500 мм, заменить его инструментом нужной длины. Затупившейся резец следует
заменить другим.
. В процессе работы необходимо постоянно следить за состоянием
пневмодвигателя, редуктора и количеством масла в масленке.
. При перерывах в работе и при переноске пневмосверла из одного забоя в
другой необходимо убрать его в сухое защищенное место.
. По окончании работы компрессор должен быть отключен.
. При работе сверлом необходимо применять:
индивидуальные средства защиты (рукавицы для снижения уровня вибрации,
респираторы, очки);
индивидуальные средства защиты органов слуха;
поддерживающие или подвесные устройства для снижения веса сверла.
.6.2 Основные
типовые правила поведения (действия) работников шахты при авариях
1. Все работники шахты должны твердо знать правила поведения в аварийной
обстановке, места, где располагаются средства противоаварийной защиты и
самоспасения, и уметь пользоваться ими.
. Лица, находящиеся в шахте и заметившие признаки аварии, обязаны
немедленно сообщить об этом горному диспетчеру или сменному инженерно -
техническому работнику.
. Все работники шахты обязаны твердо усвоить основные правила личного
поведения при авариях.
.6.2.1 Пожар (взрыв газа и (или) угольной пыли)
Внезапное изменение направления вентиляционной струи служит сигналом к
выходу на поверхность. При обнаружении дыма необходимо включиться в
самоспасатель и двигаться по ходу вентиляционной струи к ближайшим выработкам
со свежей струей воздуха, к запасным выходам. Изменение направления вентиляционной
струи во время движения свидетельствует, что пожар произошел в основных
воздухоподающих выработках или в надшахтных зданиях воздухоподающих выработок и
произведено общешахтное реверсирование вентиляционной струи. В этом случае
движение навстречу реверсированной свежей струе воздуха, не выключаясь из
самоспасателя, необходимо продолжать до ствола (шурфа, штольни).
При обнаружении очага пожара, находясь со стороны свежей струи воздуха,
необходимо включиться в самоспасатель (респиратор) и начать тушение первичными
средствами пожаротушения. При горении электропусковой аппаратуры, силовых
кабелей необходимо отключить подачу электроэнергии на аварийные агрегаты.
При пожаре в забое тупиковой выработки необходимо включиться в
самоспасатель (респиратор) и начать тушение первичными средствами. Если
невозможно потушить пожар имеющимися средствами, следует выйти из тупиковой
выработки на свежую струю и отключить подачу электроэнергии на механизмы. При
этом в шахтах, опасных по метану, вентилятор местного проветривания должен
работать в нормальном режиме.
При пожаре в тупиковой выработке на некотором расстоянии от забоя, в
котором находятся люди, необходимо взять имеющиеся средства пожаротушения и
самоспасения (самоспасатели, респираторы), а при появлении дыма - включиться в
них, и следовать к выходу из тупиковой выработки, приняв все возможные меры к
переходу через очаг и его тушению. Если перейти через очаг невозможно и
потушить его не удалось, необходимо отойти от очага, приготовить подручные
материалы для возведения перемычек (вентиляционные трубы, доски, обаполы,
спецодежда, гвозди). Как только подачи воздуха по вентиляционным трубопроводам
прекратились, следует установить, как можно ближе к очагу пожара две - три
перемычки, отойти к забою и ждать прихода горноспасателей, используя средства
жизнеобеспечения: сжатый воздух, респираторы пункта ВГС, средства групповой
защиты.
.6.2.2
Внезапный выброс угля и газа, горный удар
Необходимо немедленно включиться в изолирующий самоспасатель, выйти
кратчайшим путем на свежую струю и отключить подачу напряжения на
электроаппаратуру, находящуюся в зоне выброса.
Если в результате аварии пути выхода перекрыты, следует включиться в
средства самоспасения (изолирующие самоспасатели, респираторы пункта ВГС и др.)
и ждать прихода горноспасателей.
Для предотвращения взрыва запрещается пользоваться переключающими
устройствами светильника (если свет погас, светильник не включать!).
.6.2.3
Обрушение
Люди, застигнутые обрушением, должны принять меры к освобождению
пострадавших, находящихся под завалом, установить характер обрушения и
возможность безопасного выхода через купольную часть выработки. Если выход
невозможен, следует установить дополнительную крепь и приступить к разборке
завала.
В случае, когда это невозможно, ждать прихода горноспасателей, подавая
сигналы по коду о металлические (твердые) предметы:
при обрушении в подготовительных выработках - редкие удары по количеству
находящихся за обрушением людей;
при обрушении в лаве крутого падения - первые удары - номер уступа, а затем
с перерывом - количество в нём людей.
В случае, когда застигнутые обрушением люди находятся в тупиковой части
выработки, необходимо рассоединить трубопровод сжатого воздуха и установить в
5-10 м от забоя парусную перемычку для предотвращения поступления метана, при
этом люди должны находиться между перемычкой и завалом.
.6.2.4
Затопление водой
При затоплении необходимо взять самоспасатель и выйти по ближайшим
выработкам на поверхность.
.6.2.5
Загазирование
Следует включиться в изолирующий самоспасатель, отключить электроэнергию
и поставить знак, запрещающий вход в выработку (закрестить выработку) и выйти
на свежею струю.
При проникновении в горные выработки сильнодействующих ядовитых веществ
необходимо после вывода людей отключить ВМП, прекратить подачу сжатого воздуха
на аварийный участок и сообщить горному диспетчеру.
.6.2.6
Общешахтное отключение электроэнергии
Необходимо прекратить работы на участке, отключить механизмы, выйти на
свежую струю, выяснить причину и ориентировочное время отключения электроэнергии.
При длительной остановке необходимо выйти на поверхность.
1.6.2.7
Поражение электрическим током
Необходимо отключить электроэнергию на участке, вызвать дежурного врача
из медпункта. Членам ВГС и надзору участка необходимо направить к пострадавшим
для оказания доврачебной помощи, выставить из членов ВГС посты возле
электроаппаратуры, подготовить средства для вывоза пострадавших на поверхность.
.6.2.8 Несчастный случай, травмирование
Необходимо направить к месту несчастного случая для оказания первой
доврачебной помощи членов ВГС и надзор с ближайших рабочих мест, а также
дежурного фельдшера, сообщить о несчастном случае горному диспетчеру, главному
инженеру, (заместителю директора по ОТ и ПК) и начальнику участка и
поддерживать связь с дежурным фельдшером по рации на 1-й волне. После этого
необходимо оказать первую помощь пострадавшему, вывести пострадавшего на
поверхность, до прихода комиссии по расследованию несчастного случая принять
меры к сохранению места происшествия в нетронутом состоянии.
.6.3
Мероприятия по снижению профзаболеваний
Таблица 6.1 − Мероприятия по снижению профзаболеваний
|
Для снижения возможности возникновения профзаболеваний
трудящихся необходимо осуществлять следующие мероприятия по безопасности,
разработанные на основании "Мероприятий по профилактике профессиональных
заболеваний и снижению уровня заболеваемости по Филиалу "Шахта
"Ерунаковская-VIII"
|
|
Предупреждение пневмокониоза
|
- оборудование проходческих комбайнов средствами орошения в
соответствии с заводскими инструкциями и требованиями нормативных документов.
- применение в местах пересыпов конвейеров окожушивания и орошения. -
обеспечение рабочих профессий, у которых ПДК пыли на рабочих местах превышает
допустимую норму в соответствии с требованиями СанПин 2.2.3.570-96 ежесменно
респираторами типа "Лепесток".
|
|
Защита органов зрения
|
обеспечение рабочих, осуществляющих работы в местах с
высокими скоростями движения воздуха и большой запыленности (МГВМ) защитными
очками.
|
|
Защита органов слуха
|
обеспечение подземных рабочих, работающих вблизи мест с
повышенным шумом (МГВМ, проходчик) наушниками или берушами.
|
|
Для снижения возможности возникновения профзаболеваний
трудящихся необходимо осуществлять следующие мероприятия по безопасности,
разработанные на основании "Мероприятий по профилактике профессиональных
заболеваний и снижению уровня заболеваемости по Филиалу "Шахта
"Ерунаковская-VIII"
|
|
Предупреждение вибрационной болезни
|
обеспечение проходчиков и рукавицами с виброгасящей
прокладкой для снижения уровня вибрации.
|
|
Предупреждение болезней опорнодвигательного аппарата
|
обеспечение МГВМ защитными наколенниками и налокотниками.
|
|
Предупреждение вредного влияния химических веществ
|
при проведении горных выработок с применением
сталеполимерных анкеров запас химических ампул на рабочих местах не более
суточной потребности и хранение в специальной закрытой таре, обеспечение
доставки и хранение масла в шахте в закрытых емкостях
|
Часть II.
Специальная часть "Замена проходческого комбайна в условиях шахты
"Ерунаковская VIII"
.1 Текущее положение
В настоящее время на шахте "Ерунаковская VIII" горные работы по
подготовке очистных участков ведутся с помощью комбайнов типа КП-21.
Проходческий комбайн КП-21 представляет собой самоходную гусеничную
машину со стреловидным исполнительным органом, погрузочным устройством с
нагребными элементами (звезда или лапы) и центрально расположенным скребковым
конвейером.
Комбайном производится разрушение забоя, погрузка отбитой горной массы и
транспортировка её к конвейерным транспортным средствам.
Комбайн КП-21 предназначен для механизации отбойки и погрузки горной
массы при проведении горизонтальных и наклонных ±120 горных выработок арочной,
трапециевидной и прямоугольной форм сечения,площадью от 10 до 28 м2,
прочностью присекаемых пород на одноосное сжатие σсж ≤ 100 МПа. При проведении
выработок с углом наклона свыше ±120 комбайн следует оснащать удерживающими
устройствами.
Таблица 7.1 − Технические характеристики комбайна КП - 21
|
Наименование основных параметров и размеров
|
Норма
|
|
Производительность, не менее
|
|
- по углю, м3/ мин
|
2,0
|
|
- по породе σсж ≤ 100 МПа, м3/мин
|
0,3
|
|
Габаритные размеры комбайна в транспортном положении, м, не
более
|
|
- ширина
|
2,4
|
|
- высота
|
1,85
|
|
- длина
|
12,5
|
|
Масса, т, не более
|
|
- КП21
|
45
|
|
- КП21-01
|
51
|
|
Клиренс, мм, не менее
|
250
|
|
Среднее удельное давление гусениц на почву, МПа, не более
|
0,15
|
|
Удельный расход электроэнергии, кВт*ч/ м3, неболее
|
23
|
|
80 %-ный ресурс до капитального ремонта, м3, не менее
|
|
- σсж. ср. ≤ 42 МПа,
абразивность до 12 мг
|
120000
|
|
- 42 ≤ σсж. ср. ≤ 56 МПа, абразивность
до 12 мг
|
75000
|
|
- 56 ≤ σсж. ср. ≤ 70 МПа,
абразивность до 12 мг
|
50000
|
|
- 70 ≤ σсж. ср. ≤ 100 МПа,
абразивность до 15 мг
|
30000
|
|
Уровень локальной освещенности, лк, не менее
|
75
|
|
Эквивалентный уровень звука, дБА, не более
|
|
- на рабочем месте машиниста
|
90
|
|
- с применением средств индивидуальной защиты органов слуха
|
80
|
|
Корректированный уровень звуковой мощности, дБ
|
123
|
|
Исполнительный орган
|
Телескопическая стрела с продольно-осевой коронкой
|
|
Частота вращения коронки, мин-1
|
50
|
|
Средняя скорость резания, м/с
|
2
|
|
Тип режущего инструмента
|
ПС2-16
|
|
Мощность электродвигателя исполнительного органа (в режиме
S2), кВт, не менее
|
110 (132)
|
|
Наименование основных параметров и размеров
|
Норма
|
|
Величина выдвижения исполнительного органа,мм, не менее
|
500
|
|
Размеры размахов стрелы, м, не менее
|
|
- по высоте
|
4,5
|
|
- по ширине
|
6,5
|
|
Ходовая часть
|
Гусеничная, с самоходными тележками
|
|
Тип привода
|
Гидравлический
|
|
Скорость передвижения, м/ с (м/ мин), не менее
|
|
- маневровая
|
0,067 (4,0)
|
|
- рабочая
|
0,02 (1,2)
|
|
- ускоренная
|
0,17 (10)
|
|
Ширина траков, мм
|
500
|
|
Тип тормозов
|
Кулачковые
|
|
Питатель
|
С быстросменными нагребными элементами: звезды или лапы
|
|
Тип привода
|
Гидравлический
|
|
Частота вращения диска, мин-1
|
30
|
|
Ширина питателя, мм, min / max
|
2400 / 3400
|
|
Конвейер
|
Скребковый,реверсивный
|
|
Тип скребковой цепи
|
Пластинчатая
|
|
Скорость цепи, м/с
|
0,9
|
|
Ширина желоба, мм
|
550
|
|
Мощность электродвигателя, кВт
|
|
Типы насосов
|
313.3.56
|
|
Максимальное давление, МПа
|
|
- в силовой магистрали
|
16
|
|
Наименование основных параметров и размеров
|
Норма
|
|
- в магистрали натяжения цепи конвейера и в линиях
управления
|
4
|
|
Мощность электродвигателя привода станции насосной, кВт, не
менее
|
45
|
|
Напряжение, В
|
|
- силовых цепей
|
660
|
|
- управления, освещения
|
36
|
|
Суммарная мощность электродвигателей, установленных на
комбайне, кВт
|
186,5
|
|
Система пылеподавления
|
|
- тип
|
Орошение с подводом воды в зоны резания ипересыпа
|
|
- насосная установка, тип
|
Центробежный, водяной
|
|
Крепеподъемник, тип
|
Рычажный,гидравлический
|
|
Грузоподъемность, кг, не более
|
200
|
|
Устройство для подсоединения дополнительного
гидрооборудования
|
|
- максимальное давление, МПа
|
16
|
|
- расход, л/мин
|
20…80
|
.2 Обзор
рынка производителей проходческих комбайнов
В связи с наращиванием объёмов добычи угля в Кузбассе вопрос
своевременного восполнения очистного фронта набирает особую актуальность.
Поэтому в настоящее время внедрение нового проходческого комбайна является
рациональным решением.
Рассмотрим несколько проходческих комбайнов актуальных на текущий момент
и их технические характеристики.
ГПКС
Комбайны типа 1ГПКС изготавливаются Копейским машиностроительным заводом.
Предназначен для проведения горизонтальных и наклонных (от +25 до -20°)
горных выработок трапециевидной, прямоугольной, арочной формы поперечного
сечения площадью 6-17 м2, по углю и смешанному забою при коэффициенте
крепости пород присечки до 5, абразивностью до 15 мг и почвах, допускающих
давление не менее 0,09 МПа.
Таблица 7.2 − Техническая характеристика комбайна 1ГПКС
|
Наименование основных параметров и размеров
|
Норма
|
|
Расчетная производительность, т/мин
|
|
- по углю
|
2,0
|
|
- по породе
|
0,66
|
|
- Скорость передвижения комбайна, м/с
|
0,113
|
|
Мощность электродвигателей, кВт
|
|
- исполнительного органа
|
55
|
|
- суммарная установленная
|
110
|
|
- Напряжение питающей сети,
|
380/500/660
|
|
Размеры выработки вчерне
|
|
- площадь сечения, м2
|
6-17
|
|
- высота, м
|
2-4,05
|
|
- ширина по низу, м
|
2,6-4,7
|
|
Габариты комбайна
|
|
- длина, м
|
10,5
|
|
- ширина по гусеницам, м
|
1,6
|
|
- высота в транспортном положении, м
|
1,6
|
|
- масса комбайна базового, т
|
21,0
|
П110-01М
Комбайн П110-01М изготовлен на базе серийной отработанной конструкции
проходческого комбайна П110-01 с учетом многолетнего опыта его эксплуатации.
Комбайн на 100 укомплектован гидро- и электрооборудованием, сертифицированным
на соответствие европейским стандартам (АТЕХ).
Предназначен для механизации отбойки и погрузки горной массы при
проведении выработок арочной, трапециевидной и прямоугольной форм сечения от 7
до 25 м2 в проходке с углом наклона ± 12° по углю и смешанному забою
с максимальным пределом прочности пород при одноосном сжатии (sсж) 100МПа и
абразивностью до 15 мг в шахтах опасных по газу и пыли, кроме пластов опасных
по внезапным выбросам, при этом содержание пород с sсж=100МПа не должно
превышать 15% площади забоя при суммарной присечке пород не более 75%.
Таблица 7.3 - Технические характеристики комбайна П110-01М
|
Наименование основных параметров и размеров
|
Норма
|
|
Техническая производительность при предельной прочности
пород, м3/мин
|
0,3 ... 1,7
|
|
Номинальная мощность электродвигателей исполнительного
органа, кВт
|
2×55
|
|
Суммарная мощность электродвигателей, кВт
|
195
|
|
Номинальные параметры питающей сети:
|
|
- напряжение, В
|
1140/660
|
|
- частота тока, Гц
|
50
|
|
Габаритные размеры в транспортном положении, м:
|
|
- ширина
|
2,3
|
|
- высота
|
1,8
|
|
- длина
|
1,7
|
|
Наименование основных параметров и размеров
|
Норма
|
|
Масса, т
|
41
|
|
Орган исполнительный
|
|
Тип - стреловидный телескопический с двумя аксиальными
резцовыми коронками
|
|
Диаметр коронки, мм
|
900
|
|
Тип резцов
|
RG501D-16S, PT3212, PKC-2
|
|
Питатель
|
|
Тип - неповоротный, опорный, оснащенный нагребающими лапами
с отдельными синхронизированными гидроприводами
|
|
Ширина погрузочного стола, м
|
2,1; 3,8
|
|
Ходовая часть
|
|
Тип - гусеничная самоходная с индивидуальным гидроприводом
левой и правой тележек
|
|
Скорость движения, м/мин
|
0 ... 1,5; 6,0
|
|
Конвейер
|
|
Скорость движения цепи, м/с
|
1,0
|
|
Ширина желоба, мм
|
535
|
|
Гидросистема
|
|
Рабочее давление, МПа
|
16
|
|
Ёмкость гидросистемы, л
|
700
|
|
Система орошения
|
|
Производительность, л/мин
|
210
|
|
Давление воды у оросителей, МПа
|
1,5 ... 3,5
|
EBZ260
Проходческий комбайн XCMG представляет собой машину на
гусеничном ходу, предназначенную для работы в среднем режиме, имеющую
исполнительный орган избирательного типа. Комбайн XCMG применяется для проходки
горных выработок и туннелей. Комбайн XCMG располагает электрогидравлической
системой приводов и представляет собой модульную конструкцию для удобства
транспортировки, монтажа/демонтажа и обслуживания.
Проходческий комплекс XCMG применяется для проведения
горных выработок по углю, смешанным забоям, а также используется для проходки
туннелей.
Таблица 7.4 - Технические характеристики комбайна XCMG
EBZ260
|
Наименование основных параметров и размеров
|
Норма
|
|
Верхний предел прочности разрушаемых пород., МПа
|
60/100
|
|
Максимальное сечение проводимой выработки по размаху стрелы
с одной установки (в проходке), м2
|
25
|
|
Размеры выработки вчерне, м
|
|
·высота
|
4,5
|
|
·ширина
|
5,7
|
|
Диапазон углов наклона проводимых выработок, град
|
±18
|
|
Мощность электродвигателя исполнительного органа, кВт
|
260
|
|
Тип конвейера
|
скребковый, с боковой двойной цепью
|
|
Скорость движения скребковой цепи, м/мин
|
58
|
|
Давление в гидросистеме, МПа,
|
25
|
|
Емкость гидросистемы, л
|
600
|
|
Напряжение электропитания, В
|
1140
|
|
Общая энерговооруженность комбайна, кВт
|
370
|
|
Габаритные размеры в транспортном положении, м
|
|
·длина (без перегружателя)
|
10,8
|
|
·ширина по питателю
|
3,2/3,6
|
|
·высота по корпусу
|
1,8
|
|
Масса комбайна, т
|
85
|
|
Емкость гидросистемы, л
|
600
|
КПЮ - 50
Комбайн проходческий КПЮ-50 предназначен для
механизированного разрушения забоя и погрузки горной массы при проведении
горизонтальных и наклонных горных выработок, производительностью от 0,2 до 2,0
м3/мин.
Таблица 7.5 - Технические характеристики комбайна КПЮ
- 10
|
Наименование основных параметров и размеров
|
Норма
|
|
Верхний предел прочности разрушаемых пород, МПа
|
100
|
|
Абразивность пород, мг, не более
|
15
|
|
Максимальное сечение выработки по размаху стрелы с одной
установки (в проходке), м2
|
35
|
|
Минимальное сечение выработки (в свету), м2
|
10
|
|
Диапазон углов наклона проводимых выработок, град.
|
± 12 °
|
|
Габаритные размеры в транспортном положении, м
|
|
· - длина
|
12,9
|
|
· - ширина по питателю
|
4,0
|
|
- высота по корпусу
|
1,75
|
|
Мощность электродвигателя исполнительного органа, кВт
|
132
|
|
Скорость движения скребковой цепи, м/с
|
1,1
|
|
Скорости движения, м/мин
|
|
- маневровая (без погрузки)
|
4,5
|
|
Максимальное тяговое усилие на одной гусенице, т
|
28
|
|
Наименование основных параметров и размеров
|
Норма
|
|
Удельное давление на почву, МПа
|
0,11
|
|
Мощность электродвигателя насосной станции, кВт
|
110
|
|
Напряжение электропитания, В
|
1140/660
|
|
Масса снаряжённого комбайна, т
|
58
|
MB - 670
Таблица 7.6 - Технические характеристики комбайна
SandvikMB - 670
|
Наименование основных параметров и размеров
|
Норма
|
|
Основные размеры и масса
|
|
- общая масса, т
|
97
|
|
- общая длина, мм
|
11000
|
|
- ширина резания (ширина режущего барабана), м
|
4,2/4,8/4,9/5,2/5,5/6,0/0,22
|
|
- давление на почву, МПа
|
0,22
|
|
Электрооборудование
|
|
- рабочее напряжение (при частоте 50Гц), В
|
1140
|
|
- мощность двигателя режущего органа, кВт
|
270
|
|
Дистанционное управление
|
|
- ход телескопа, мм
|
1000
|
|
- скорость резания (вращение режущего органа), м/с
|
1,5
|
|
Количество навесных бурильных установок для анкерования
|
|
- кроли
|
4
|
|
- бортов
|
2
|
|
Устройство временной крепи, усилие, кН
|
2х200
|
|
Производительность погрузки (нагребающих звёздочек на
погрузочном столе), т/мин
|
25
|
|
Производительность конвейера, т/мин
|
25
|
|
Скорость хода, м/мин
|
3,5/7,0/17,0
|
При рассмотрении технических характеристик комбайнов,
приведённых выше данным проектом, принимается проходческий комбайн Sandvik MB
670.Для того что бы повысить темпы добычи угля на шахте "Ерунаковская
VIII" требуется увеличение производительности в проходческом цикле.
2.3 Характеристики комбайна Sandvik MB-670
Оборудование Sandvik Mining and Construction (Sandvik) широко применяется
на самых эффективных и современных угольных шахтах во всех угледобывающих
странах мира. К числу важнейших приоритетов для предприятий современной
угледобывающей промышленности относятся высокая производительность и
безопасность выполнения всех видов работ. Для достижения этого требуется
высокий уровень автоматизации оборудования и производственных процессов.
Компания Sandvik предлагает угольным шахтам широкий спектр оборудования
для проходки выработок, транспортировки горной массы на поверхность и
дальнейшей её переработки. Проходческие комбайны как узкоспециализированные,
так и универсальные производства компании Sandvik, в России и европейских
странах широко применяются для проходки выработок.
Комбайны типа Bolter Miner с широкозахватным барабанным рабочим органом и
с навесными буровыми установками широко применяются в США, Австралии, Китае,
Западной Европе как для проходки нарезных и подготовительных выработок при
оконтуривании лавы, так и при добыче угля по камерно-столбовой системе.
Мобильные анкероустановщики Sandvik обеспечивают эффективное крепление
кровли выработок, электрические самоходные вагоны - транспортировку угля от
забоя комбайна до ленточного конвейера. Кроме этого, в линейку оборудования
Sandvik входят системы непрерывной транспортировки горной массы, компоненты для
ленточных конвейеров, оборудование для перевалки и складирования угля на складах
и на теплоэлектростанциях.
Комбайн MB-670 был разработан в 1991 г. Австрийской фирмой
"Voest-AlpineBergtechnik". Основная идея и концепция комбайна МВ-670
заключается в одновременности процессов резания и анкерования, за счёт чего
достигается существенное увеличение скорости проходки.
Высокие показатели производительности, которые обеспечивает концепция
комбайна МВ-670, позволяет вести подготовительные работы с теми темпами,
которые требуют для работы лавы с современными высокими нагрузками, причём при
этом обеспечивается высокий уровень безопасности для работы персонала.
Операторы анкероустановщиков работают под защитой козырька временной
крепи, что обеспечивает максимальную безопасность и комфорт. На комбайне
установлены навесные бурильные установки, которые размещаются на рабочих
площадках с гидравлическими уширителями с обеих сторон комбайна. На этих
площадках достаточно места для складирования материалов для анкерования -
буровых штанг, анкеров, ампул и др. - необходимых для работы в течении одной
смены. За счёт модификации погрузочного стола и конвейера комбайна, теперь на
нём можно накапливать до 6 тонн горной массы, что позволяет комбайну работать в
случае задержки с подачей самоходного вагона. Комбайн МВ-670 для условий работы
с существенным объёмом присечки вмещающих пород оснащается режущим органом в
специальном "породном" исполнении, с жёсткими уширителями и с большим
количеством резцов.
Главная особенность МB-670 в том, что он способен одновременно
производить выемку горной массы, крепление кровли и бортов выработок. Раньше
работу комбайна прерывали на время бурения и анкеровки, проведение горных
выработок можно вести в непрерывном режиме. Все процессы, производимые новой
техникой, автоматизированы, данные выводятся на монитор.
Проходческие комбайны Sandvik серии МВ оснащены навесными
анкероустановщиками. Подъехав к забою, комбайн сначала распирается между
кровлей и почвой выработки с помощью устройства временной крепи. Затем режущий
орган и погрузочный стол с конвейером выдвигаются с помощью телескопической
рамы вперед, в то время, как остальной комбайн остается неподвижным. В
результате процессы резания и анкерования на данных комбайнах могут
осуществляться одновременно.
Зарубка в поверхность забоя осуществляется не за счёт продвижения ходовой
части комбайна, а через телескопически выдвигающуюся раму, причём вместе с
режущим барабаном выдвигается вперёд также и погрузочный стол с конвейером.
Остальной комбайн предварительно, до начала процессов резания и анкерования,
распирается с помощь гидроцилиндров между кровлей и почвой выработки по
принципу гидравлической крепи. Также для стабилизации положения комбайна служат
задние опорные гидродомкраты. После того, как комбайн распёрт, режущий барабан
начинает процесс резания, и одновременно работают навесные бурильные установки.
Современные комбайны серии МВ-600 имеют встроенную систему учёта
производственных показателей комбайна: данные о работе комбайна в течении смены
можно распечатать и, если необходимо, проанализировать.
Существенный рост проведения подготовительных работ на комбайнах серии
MB-670 был достигнут, прежде всего, за счёт ряда особенностей комбайна.
. Функции комбайна можно разделить на две основные группы:
· резание, погрузка и перегрузка горной массы;
· стабилизация комбайна для обеспечения работ по бурению шпуров
и установке анкеров, причём операторы бурильных установок работают в безопасной
зоне под защитой козырька устройства временной крепи.
. Комбайн распирается между кровлей и почвой выработки и имеет
четыре навесные бурильные установки для анкерования кровли и две бурильные
установки для анкерования бортов выработки.
. Ключевым моментом в концепции комбайна является телескопическая
рама, которая обеспечивает выдвижение вперёд на 1 м режущего органа и на 0,55 м
погрузочного стола комбайна по отношению к базовой раме комбайна, несущей
устройство временной крепи и навесные бурильные установки.
. Интегрированный на комбайне канал пылеотсоса в комплексе с
системой орошения режущего органа и пылезащитным резиновым фартуком позволяет
эффективно удалять загрязнённый воздух из призабойного пространства. К каналу
пылеотсоса подсоединяются всасывающие спиральные трубы, идущие к пылеотсосу или
к всасывающему вентилятору. Система всасывающего или комбинированного
нагнетательно всасывающего проветривания обеспечивает бурильщикам и машинисту
комбайна хорошие рабочие условия.
. Зарубка за счёт телескопической рамы без передвижки ходовой
части комбайна сводит к минимуму повреждение почвы выработки. После окончания
цикла резания комбайн втягивает опущенный к почве режущий орган, защищая при
этом почву выработки.
. Постоянная повторяемость одних и тех же рабочих циклов комбайна
сокращает производственные простои.
Все эти преимущества, совместно с испытанными и доказавшими свою
эффективность технологиями, позволяют достигать очень высоких темпов проходки
выработок. Эти машины имеют взрывобезопасное исполнение (FLP) в соответствии с
нормативами стран, в которые они поставляются, например, MSHA (США), MA
(Китай), ГОСТ (Россия), ANZEX (Австралия), ATEX (Европа) и SANS (ЮАР).
За последние годы конструкция комбайна была адаптирована применительно к
разнообразным горно-геологическим условиям и технологиям проведения
подготовительных выработок, в первую очередь, исходя из требований к
безопасности ведения горных работ и удобству работы операторов. Неудивительно,
что эти усовершенствования позволили добиться дальнейшего роста
производительности.
2.3.1
Эксплуатация МВ-670 в Австралии
На австралийских шахтах при нарезке лавы, как правило, проводятся две
спаренные выработки, причём используется либо один проходческий комбайн и два
самоходных вагона, либо два проходческих комбайна и два самоходных вагона.
На шахте "Ньюстон" в состав оборудования на проходке двух
спаренных выработок входят: проходческий комбайн МВ-670, два электрических
самоходных вагона грузоподъёмностью по 12 тонн, вентилятор всасывающего
проветривания, вентиляционные трубы, бункер питатель, хвост ленточного
конвейера, пусковое электрооборудование, дизельная доставочная машина для
доставки материалов и дизельная машина для доставки людей.
На шахте "Ньстон" до применения МВ-670 использовались обычные
проходческие комбайны "ContinuousMiner" с навесным бурильным
оборудованием. При этом скорость проходки составляла 6-7 м/смену.
После внедрения двух комбайнов МВ-670, через месяц скорость проходки
составила в среднем 16,5 м/смену. В результате на шахте "Ньюстон"
было принято решение полностью перейти на использование только комбайнов
МВ-670. Через полтора года после начала работы первого комбайна средняя скорость
проходки выросла уже до 25 м/смену.
Раньше годовой объём проведения подготовительных выработок составлявший
16-19 км обеспечивался четырьмя комбайнами, то сейчас этот же объём
обеспечивают два комбайна МВ-670.
Рекордные темпы проходки на австралийских шахтах в условиях, схожих с
шахтой "Ньюстон", превысили 53 м за восьмичасовую смену. И это с
установкой анкеров как в кровлю, так и в борта выработки.
После успешного применения комбайнов серии МВ-600 в Австралии, многие
угольные шахты других стран стали проявлять повышенный интерес к данным
машинам.
2.3.2
Эксплуатация МВ-670 в Великобритании
В Великобритании, в отличии от Австралии, на угольных шахтах чаще
проводятся длинные одиночные выработки.
В настоящее время Британская угольная компания UKCOAL на шахте
"Maltby" эксплуатирует два проходческих комбайна МВ-670. Средние
темпы проведения выработок на шахте "Maltby" составили 55-70 м в
неделю. Это на 56% больше темпов проходки 10 самых скоростных проходческих
забоев в Великобритании и на 100% больше, чем в среднем по угольным шахтам
Великобритании.
На комбайне МВ-670 была достигнута рекордная производительность в размере
312,5 м за неделю. До этого рекордные показатели той же бригады составляли:
м за 15 недель и 156 м в неделю. За рекордную неделю комбайна МВ-670 было
установлено свыше 1800 анкеров в кровлю и около 1800 анкеров в борта выработки.
Было потеряно лишь 157 минут из-за простоев оборудования, когда осуществлялись
работы по плановому техобслуживанию.
После таких рекордных показателей компания UKCOAL приобрела ещё три
проходческих комбайна МВ-670 для шахт "Maltby",
"Kellingley" и "Thoresby".
.3.3
Эксплуатация МВ-670 в Китае
Впервые комбайны серии МВ-600 появились на китайских угольных шахтах в
2003 г. Современные китайские компании осознали потенциал роста
производительности, заложенный в концепции этих комбайнов. За последующие годы
в Китае на комбайнах серии МВ-600 были достигнуты рекордные темпы проходки, как
например 1340 м/месяц на шахте "Shangyuquan", с установкой четырёх
анкеров в каждый борт выработки с шагом акерной крепи 1 м. Проходка велась по
углю. На шахте "Shendong" в схожих условиях был достигнут показатель
в 1482 м/месяц.
2.3.4
Эксплуатация МВ-670 в России
В России комбайны типа МВ-600 эксплуатируются на шахтах
"Распадская" и "Ульяновская" в Кузбассе и на шахте
"Северная" в г. Воркута.
Высокие показатели производительности, которые обеспечивает концепция
комбайна МВ-670, позволяют вести подготовительные работы с теми темпами,
которые требуются для работы лавы с современными высокими нагрузками, причём
при этом обеспечивается высокий уровень безопасности для работы персонала.
Заключение
Приобретение данного проходческого комплекса позволит создать еще более
комфортные и безопасные условия труда для горняков. На данный момент бурение
осуществляется с помощью бурильных установок "Рамбор".
В новом комплексе буровые установки вмонтированы в сам комплекс, их
управление осуществляться с помощью гидравлики, процесс полностью
автоматизирован. Выполнению требований промышленной безопасности способствует и
пылеулавливающая установка, обслуживающий персонал находится вне зоны выемки
угля, где содержится большой объем угольной пыли. Использование проходческих
комбайнов Sandvik позволит увеличить скорость проходки до 50 м в сутки.
В настоящее время компания "Sandvik" выпускает три базовых
модели комбайнов серии МВ-600 - для различных диапазонов вынимаемой мощности в
зависимости от конкретных условий эксплуатации. Это комбайны МВ-630 (высота
резания составляет 1,6-3,2 м), МВ-650 (2,2-3,6) и МВ-670 (3,0-4,5).
Список
использованных источников
1. Горно-техническая
документация шахты "Ерунаковская VIII".
. Руководство
по проектированию вентиляции угольных шахт. - Макеевка: МакНИИ, 1989.
. Временное
руководство по расчету первичного и последующего шагов обрушения пород кровли
при разработке угольных пластов длинными столбами по простиранию в условиях
Кузбасса. - Кемерово: ВостНИИ, 1973.
. Положение
о порядке и контроле безопасного ведения горных работ в опасных зонах,
Утверждено Департаментом угольной промышленности Минтопэнерго России 23 июля
1993 года.
. Федеральные
нормы и правила в области промышленной безопасности "Инструкция по
электроснабжению, выбору и проверке электрических аппаратов, кабелей и
устройств релейной защиты в участковых сетях угольных шахт напряжением до 1200
В", Приказ Ростехнадзора от 06.11.2012 №627 (зарегистрирован Минюстом
России 11.02.2013, рег. №26995).
. Федеральные
нормы и правила в области промышленной безопасности "Правила безопасности
в угольных шахтах", Приказ Ростехнадзора от 19.11.2013 №550
(зарегистрирован Минюстом России 5 июля 2013 г., рег. №28997).
. Федеральные
нормы и правила в области промышленной безопасности "Инструкция по расчету
и применению анкерной крепи на угольных шахтах", Приказ Ростехнадзора от
17.12.2013 №610 (зарегистрирован в Минюсте России 19.02.2014 №31354).
. Федеральные
нормы и правила в области промышленной безопасности "Инструкция по
локализации и предупреждению взрывов пылегазовоздушных смесей в угольных
шахтах", Приказ Ростехнадзора от 06.11.2012 №634 (зарегистрирован в
Минюсте России 25.12.2012, рег. №26359).
. Федеральные
нормы и правила в области промышленной безопасности "Инструкция по
разгазированию горных выработок, расследованию, учету и предупреждению
загазирований", Приказ Ростехнадзора от 06.11.2012 №636
. Федеральные
нормы и правила в области промышленной безопасности "Инструкция по
электроснабжению, выбору и проверке электрических аппаратов, кабелей и
устройств релейной защиты в участковых сетях угольных шахт напряжением до 1200 В",
Приказ Ростехнадзора от 06.11.2012 №627 (зарегистрирован Минюстом России
11.02.2013, рег. №26995).
. Копейский
машиностроительный завод://www.kopemash.ru/products/1/682.html.
. Справочник
по электроустановкам угольных предприятий. Электроустановки угольных шахт. В.Ф.
Антонов, Ш.Ш. Ахмедов, С.А. Волотковский и др. Недра, 1988. - 727 с.: ил.
. Электрооборудование
и электроснабжение горных предприятий. Губко А.А., Губко Е.А., 2008 г.
. Активные
и индуктивные сопротивления кабелей://www.websor.ru/aktivnje_i_induktivnje_soprotivleniya.html.
. Справка
токовой нагрузки на кабели и провода
<http://www.ruscable.ru/info/cable/sprav-toknagr.html>.
16. Правила безопасности в угольных и сланцевых шахтах. - М.: Недра,
1986. - 447 с.
17. Сайт в интернете
<http://goravto.ru/tovar.php?ID=1079>.
18. Справочник
энергетика угольной шахты. - М.: Недра, 1971. - 648 с.
. Водоотливные
установки ЦНС
<http://www.mining-media.ru/ru/article/gorobor/1893-nasosy-shakhtnogo-vodootliva-zavoda-yuzhgidromash>.
20. Цифровой
автономный универсальный контроллер для работы в условиях подземной выработки
угля://poleznayamodel.ru/model/8/88843.html.