Главный привод металлорежущего станка
Содержание
1. Техническое задание
2. Обоснование технической
характеристики проектируемого станка
2.1 Подбор станков-аналогов
.2 Расчет числа ступеней привода
.3 Определение ряда частот вращения
шпинделя
.4 Выбор электродвигателя
3. Кинематический расчет привода
главного движения
3.1 Составление возможных вариантов
структурных формул привода
.2 График частот вращения шпинделя
.3 Расчет передаточных отношений и
чисел зубьев колес
.4 Определение действительных частот
вращения шпинделя
.5 Определение погрешности частот
вращения шпинделя
.6 Кинематическая схема привода
4. Прочностной расчет привода
главного движения
4.1. Расчет модуля зубчатых передач
.1 Определяем размеры зубчатых колес
привода станка
.2 Расчёт крутящих моментов и
диаметра валов
5. Выбор электрических муфт
. Выбор подшипников
Заключение
Список литературы
1. Техническое
задание
Перед станкостроителями нашей страны стоят
огромные задачи по: увеличению объёма производства металлорежущих станков и
кузнечно - прессовых машин; обеспечению опережающего развития выпуска станков с
числовым программным управлением, развитию производства тяжелых, уникальных и
высокоточных станков; значительному увеличению выпуска специальных станков и
автоматических линий, организации производства переналаживаемых на различные
размеры деталей комплексных автоматических линий для отраслей с крупносерийным
и массовым выпуском изделий: созданию комплектов высокопроизводительного
металлообрабатывающего оборудования, управляемых с помощью электронных
вычислительных машин, для организации на базе этого оборудования участков и
цехов в отраслях с мелкосерийным и серийным выпуском изделий; разработке и
производству оборудования для автоматизации сборки массовых изделий в
машиностроении; организации серийного производства автоматических манипуляторов
с программным управлением, позволяющих механизировать и автоматизировать
тяжелые физические и монотонные работы.
Конструкции создаваемых станков должны быть
перспективными, т. е. отвечать требованиям завтрашнего дня. При разработке нового
станка необходимо заложить в проект определенный запас совершенства и новизны
решений его основных элементов по сравнению с уже известными. При создании
нового станка следует стремиться к сокращению сроков проектирования и освоения
его производства. Вновь выпускаемая продукция должна быть конкурентоспособной.
Группа фрезерных станков занимает одно из
ведущих мест в парке металлорежущих станков, что в свою очередь приводит к
необходимости проектирования новых усовершенствованных моделей станков этой
группы. Продольно-фрезерные станки предназначены для обработки заготовок типа
призм, уголков и параллелепипедов сложной конфигурации в серийном производстве.
Наружные поверхности обрабатываются фрезами различных типов, из различных
материалов, с разным числом устанавливаемых зубьев.
При проектировании фрезерных станков следует
обратить внимание на следующие положения:
·
разработка
технологического процесса обработки;
·
определение
предельных режимов обработки, сил резания и эффективной мощности, а также
величин рабочих и холостых ходов рабочих органов станка;
·
определение
основных технических характеристик станка;
·
выбор
типа привода и разработка кинематической схемы станка.
2. Обоснование технической характеристики
проектируемого станка
2.1 Подбор
станков-аналогов
Используя литературу, указанную в списке,
подбираем аналог к проектируемому станку
|
Основные
характеристики
|
Модели
станков
|
Проектируемый
станок
|
|
6Г610
|
6У612
|
6606
|
6Г608
|
|
|
Размеры
стола ВхH, мм
|
1000х
3150
|
1250х
4000
|
630х
2000
|
630х
2500
|
630х
2000
|
|
Мощность
главного электродвигателя N,
кВт
|
18,5
(4)
|
22
(4)
|
11(3)
|
15
(3)
|
8
|
|
Максимальная
частота вращения шпинделя nmax,
об/мин
|
1250
|
1250
|
1600
|
1250
|
1600
|
|
Минимальная
частота вращения шпинделя nmin,
об/мин
|
16
|
25
|
16
|
16
|
80
|
|
Число скоростей шпинделя
|
20
|
18
|
21
|
20
|
|
|
Число
шпиндельных бабок: горизонтальных вертикальных
|
2
2
|
2
2
|
2
1
|
2
1
|
|
|
Габаритные
размеры, мм: длина ширина высота
|
8700
5000 4050
|
11070
5630 5200
|
6200
3750 3600
|
17435
4100 3800
|
|
|
Масса,
кг
|
35000
|
69500
|
21500
|
27500
|
|
В качестве аналога принимаем продольно-фрезерный
станок 6606
2.2
Расчет
числа ступеней привода
а) Определяем знаменатель геометрического ряда
частот вращения шпинделя для базового станка 6606:
j =
=
= 1,25.
Для проектирования привода принимаем
=1,25
б) Определяем диапазон регулирования частот
вращения шпинделя, которые требуются по заданию:
в) Рассчитываем число ступеней привода:

Окончательно принимаем число ступеней привода
главного движения станка Z
= 12
.3
Определение
ряда частот вращения шпинделя
Согласно стандартному ряду [по справочнику Г. А.
Торзиманова] и данной структуре с выпадением выбираем и устанавливаем ряд
частот вращения шпинделя, мин -1:
; 125; 160; 200; 250; 315; 400; 500; 630; 800;
1000; 1600.
Выпали частоты вращения: 100 и 1250
.4
Выбор
электродвигателя
Выбираем двухскоростной двигатель с мощностью N
эд
= 8 кВт. Этой мощности соответствует двигатель асинхронный серии 4А модели
4А160S8 c
номинальными частотами вращения nдв1
= 730 об/мин при использовании 8 пар полюсов, и номинальной частотой вращения nдв2
= 1460 об/мин при использовании 4 пар полюсов.
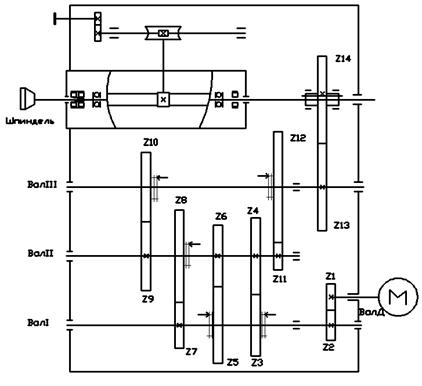
3. Кинематический расчет
привода главного движения
.1 Составление возможных
вариантов структурных формул привода
Составляем возможные варианты общих стандартных
формул привода и их структурные сетки. Выбираем первый тип кинематической формулы,
т.к. он оптимальный.
Z = 2[3] • 3[2] •
2[6]
Другой вариант неоптимальный
Z = 2[3] • 2[2] •
3[4]
Выбираем первый тип кинематический вариант Z
= 2[3] • 3[2] • 2[6], т.к. он оптимальный, потому что количество передач
убывает и характеристики группы возрастает к концу привода.
3.2 График
частот вращения шпинделя
Построим график частот вращения по структурной
сетке.
3.3 Расчет передаточных
отношений и чисел зубьев колес
Подсчитываем число зубьев колес, составляющих
привод главного движения. Критерий для выбора числа зубьев колес в группах
передач - минимальное отклонение передаточного отношения пары шестерня - колесо
от графика.



Основная переборная группа:
|
|
25
|
|
29
|
Первая переборная группа:
|
|
32
|
40
|
|
25
|
32
|
|
|
57
|
72
|
|
|
20
|
24
|
28
|
32
|
|
25
|
30
|
35
|
40
|
|
|
45
|
54
|
63
|
72
|
|
|
20
|
21
|
24
|
|
40
|
42
|
48
|
|
|
60
|
63
|
72
|
Вторая переборная группа:
|
|
50
|
|
50
|
|
|
100
|
|
|
18
|
20
|
|
72
|
80
|
|
|
90
|
100
|
|
|
60
|
|
60
|
|
|
120
|
Тогда число зубьев и передаточные отношения
будут:
|
Z1=25;
z2=29
|
Z3=32;
z4=40 Z5=40;
z6=32 Z7=24;
z8=4
|
Z9=50; z10=50
Z11=20;
z12=80
|
Z13=60; z14=60
|
|
|
|
|
|
3.4
Определение
действительных частот вращения шпинделя
мин-1
мин-1
мин-1
мин-1
мин-1
мин-1
мин-1
мин-1
мин-1
мин-1
мин-1
мин-1
3.5
Определение погрешности частот вращения шпинделя
Относительная погрешность частот вращения
шпинделя фрезерного станка не должна превышать значение
при
выбранном коэффициенте
:
;
;
;
;
;
;
;
;
;
;
;
;
Мы можем сделать вывод о том, что погрешности
частот вращения шпинделя находятся в допустимых пределах (не превышают
допустимые 2,5%.)
Окончательно принимаем числа зубьев всех передач
привода.
3.6 Кинематическая
схема привода
4. Прочностной расчет привода
главного движения
.1
Расчет
модуля зубчатых передач
Расчёт модуля цилиндрических передач по
допускаемым контактным напряжениям и напряжениям изгиба
Расчетный модуль по контактным напряжениям
Расчетный модуль по напряжениям изгиба
где Сk
= 3530,9 и Си = 84,87 - коэффициенты, зависящие от материала
зубчатой пары, для стальной шестерни и стального колеса- передаточное число
зубчатой пары;
- коэффициент
ширины колеса;
- число зубьев
шестерни;
=310 МПа и
-
допускаемые контактные напряжения и напряжения изгиба,- номинальная
передаваемая мощность, кВт, определяется по формуле:
N = Nэ*
;
где Nэ = 8 кВт - мощность
электродвигателя,
- КПД
кинематической цепи от двигателя до рассчитываемой шестерни- коэффициент формы
зуба, зависит от числа зубьев;
и
-
коэффициенты долговечности колес, рассчитываются по формулам:
станок привод муфта
подшипник
где
и
-коэффициенты,
учитывающие изменение мощности.
и
-
коэффициенты, учитывающие переменность частот вращения шестерни;
- долговечность
зубчатой пары, ч
- минимальная
частота вращения в группе, мин-1
- скоростной коэффициент,
определяется по формуле
Где: C - коэффициент, зависящий от материала и
точности обработки шестерен; для закаленных С = 9допускаемая окружная линейная
скорость в зубчатой передаче; для закаленных V
= 9
·
Для Д-I
кВт
об/мин. - частота
вращения шестерни
об/мин. -
минимальная частота в группе
-
число зубьев шестерни
U=1,16;
;
;
Y=0,108 -
коэффициент формы зуба
;
Стандартное значение модуля по ГОСТ 9563 - 60: 5
·
Для I-II
кВт
об/мин. - частота
вращения шестерни
об/мин. -
минимальная частота в группе
-
число зубьев шестерни
U=2;
;
;
Y=0,107 -
коэффициент формы зуба
;
Стандартное значение модуля по ГОСТ 9563 - 60: 5
·
Для II-III
кВт
об/мин. - частота
вращения шестерни
об/мин. -
минимальная частота в группе
-
число зубьев шестерни
U=4;
;
;
Y=0,04 - коэффициент
формы зуба
;
Стандартное значение модуля по ГОСТ 9563 - 60: 6
·
Для III-IV
(Шп.)
кВт
об/мин. - частота
вращения шестерни
об/мин. -
минимальная частота в группе
-
число зубьев шестерни
U=1;
;
;
Y=0,134 -
коэффициент формы зуба
;
Стандартное значение модуля по ГОСТ 9563 - 60: 6
Определяем модули зубчатых зацеплений с помощью
ЭВМ по программе кафедры ОАМ ModLZubCos
и сводим все рассчитанные значения в таблицу
Модули зубчатых зацеплений:
|
Д
- I
|
I - II
|
II - III
|
III - ШП
|
|
Мощность
|
7,76
|
7,45
|
7,23
|
6,95
|
|
Ширина
зубчатого колеса
|
50
|
50
|
60
|
60
|
|
Ширина
зубчатого шестерни
|
60
|
60
|
72
|
72
|
|
Модуль
на контактное напряжение
|
4,76
|
4,77
|
5,74
|
5,32
|
|
Модуль
на напряжение изгиба
|
1,25
|
1,32
|
2,05
|
1,55
|
|
Стандартное
значение модуля по ГОСТ 9563 - 60
|
5
|
5
|
6
|
6
|
|
Значение
межосевого расстояния, расчетное
|
135
|
180
|
300
|
360
|
|
Число
зубьев шестерни
|
25
|
24
|
20
|
60
|
|
Число
зубьев колеса
|
29
|
48
|
80
|
60
|
Вывод: Результат определения модулей
зубчатых зацеплений с помощью ЭВМ совпадают с ручным расчетом.
4.2
Определяем размеры зубчатых колес привода станка
Рабочую ширину шестерни в мм определяют по
формуле:
b =y× m
Общую ширину шестерни в мм с учетом
зубозакруглений, фасок и неточностей сборки находят из выражения:
bобщ = b+2×m.
Делительный диаметр:
d 1 = Z. m
Диаметр вершин зубьев :
d a1 = Z. m + 2m.
Результаты сводим в таблицу:
|
d 1
= Z. m
|
d a1
= Z. m
+ 2m
|
bобщ
= b+2×m
|
|
m
|
|
|
|
|
|
Z1=25
|
5
|
125
|
135
|
|
60
|
|
Z2=29
|
|
145
|
155
|
50
|
|
|
Z3=32
|
5
|
160
|
170
|
60
|
|
|
Z4=40
|
|
200
|
210
|
|
50
|
|
Z5=40
|
|
200
|
210
|
50
|
|
|
Z6=32
|
|
160
|
170
|
|
60
|
|
Z7=24
|
|
120
|
130
|
60
|
|
|
Z8=48
|
|
240
|
250
|
|
50
|
|
Z9=50
|
6
|
300
|
312
|
60
|
|
|
Z10=50
|
|
300
|
312
|
|
72
|
|
Z11=20
|
|
120
|
132
|
72
|
|
|
Z12=80
|
|
480
|
492
|
|
60
|
|
Z13=60
|
6
|
360
|
372
|
72
|
|
|
Z14=60
|
|
360
|
372
|
|
60
|
4.3
Расчёт крутящих моментов и диаметра валов
Диаметр вала d
в мм определяется по формуле:
где [t]к
- допускаемое напряжение кручения, [t]к
= 20 МПа;
T
-
крутящий момент на валу; определяется по формуле:

где N
- передаваемая мощность на валу, кВт;
- частота вращения
шпинделя, мин-1.
Вал Д:
N= 7,76 кВт ;
Принимаем dд
= 30 мм.
Вал I
N= 7,45 кВт ;
Принимаем dI
= 35 мм.
Вал II
N=7,23 кВт ;
Принимаем dII
= 45 мм.
Вал III
N=6,95 кВт ;
Принимаем dIII
= 50 мм.
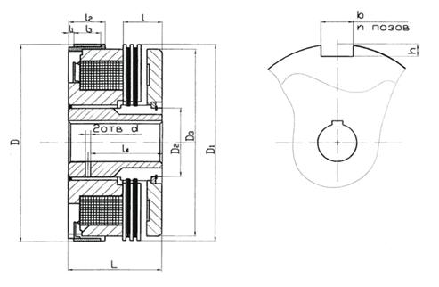
4. Выбор электрических муфт
Выбираем габаритные размеры муфты (по ГОСТ
21573-76) исполнение Э1ТМ…2 с контактным такопроводом.
|
Вал
|
I
|
II
|
III
|
|
d мм
|
45
|
55
|
60
|
|
Габариты
муфты
|
11
|
12
|
13
|
Габаритные размеры электромагнитных муфт по ГОСТ
21573-76:
|
Вал
|
Обозначения
|
D
|
D1
|
D2
|
D3
|
L
|
l
|
d
|
b
|
n
|
диск
|
|
I
|
Э1ТМ112
|
150
|
150
|
45
|
140
|
60
|
15
|
5
|
20
|
8
|
5/6
|
|
II
|
Э1ТМ122
|
170
|
170
|
55
|
160
|
68
|
15
|
5
|
20
|
8
|
5/6
|
|
kIII
|
Э1ТМ132
|
190
|
190
|
60
|
180
|
78
|
15
|
5
|
20
|
8
|
5/6
|
5. Выбор подшипников
Выбираем подшипники шариковые однорядные ГОСТ
8338-75 (легкая серия)
Таблица подшипников
|
Номер
вала
|
I
|
II
|
III
|
|
Диаметр
вала
|
35
|
45
|
50
|
60
|
|
Подшипник
|
207
|
209
|
210
|
212
|
Выбираем подшипники шариковые однорядные ГОСТ
8338-75 (особолегкая серия серия) под шестернями, закрепленными с муфтами.
|
Номер
вала
|
I
|
II
|
III
|
|
Диаметр
вала
|
45
|
55
|
60
|
|
Подшипник
|
7000109
|
7000111
|
7000112
|
Габаритные размеры подшипников по ГОСТ 8338-75
|
Обозначение
|
d
|
D
|
B
|
r
|
|
207
|
35
|
72
|
17
|
2
|
|
209
|
45
|
85
|
19
|
2
|
|
210
|
50
|
90
|
20
|
2
|
|
212
|
60
|
110
|
22
|
2,5
|
|
7000109
|
45
|
75
|
10
|
1
|
|
7000111
|
55
|
90
|
11
|
1
|
|
7000112
|
60
|
95
|
11
|
1
|
Заключение
Спроектирована коробка скоростей
продольно-фрезерного станка модели 6606. В процессе выполнения курсового
проекта были получены необходимые знания для конструирования привода главного
движения. Изучил технические характеристики, назначение основных узлов,
механизмов и органов управления. Приобрел важные знания о движениях в станке и
принципах его работы. Также я ознакомил с кинематикой продольно-фрезерного
станка. Была изучена его кинематическая структура и кинематическая настройка.
Провел построение и сделал описание кинематической схемы станка по заданной структурной
формуле, построил кинематические варианты включения и выбрал оптимальный
вариант. Далее построили график чисел оборотов шпинделя и определили параметры
кинематических передач привода. Вследствие проведённой работы рассчитал оценку
точности кинематического расчёта привода продольно-фрезерного станка. Выбрал
электрические муфты и подшипники для валов и под шестернями, закрепленными с
муфтами. По расчетам был сделан чертеж.
Список литературы
1. Тарзиманов Г.А.
Проектирование металлорежущих станков. - М.: Машиностроение. 1980. - 288 с.
2. Кучер А.М. Металлорежущие
станки. - М.: Машиностроение. 1972. - 305с.
. Металлорежущие станки и
автоматы: учебник для втузов. Под ред. А.С. Проникова. - М.: Машиностроение.
1981. - 479 с., ил.
. Анурьев В.И. Справочник
конструктора - машиностроителя. - М.: Машиностроение. 1979. -Т.2 - 559 с.