Разработка кинематической схемы токарного станка 1И611П
СОДЕРЖАНИЕ
ВВЕДЕНИЕ
1. ОПРЕДЕЛЕНИЕ
ТЕХНИЧЕСКИХ ХАРАКТЕРИСТИК
2.
КИНЕМАТИЧЕСКИЙ РАСЧЕТ ПРИВОДА ГЛАВНОГО ДВИЖЕНИЯ
2.1
Определение , размерный ряд n
2.2
Выбор оптимальной структурной формулы
2.3
Построение структурной сетки
2.4
Построение графика частот
3. КИНЕМАТИЧЕСКИЙ
РАСЧЕТ ПРИВОДА ПОДАЧ
3.1 Определение
S, ряд S
3.2 Выбор
оптимальной структурной формулы
3.3 Построение
структурной сетки
3.4 Построение
графика частот вращения и разработка коробки скоростей
ЗАКЛЮЧЕНИЕ
ИСПОЛЬЗУЕМЫЕ
ИСТОЧНИКИ
ВВЕДЕНИЕ
Металлорежущие
станки являются основным видом заводского оборудования, предназначенным для
производства современных машин, приборов, инструментов и других изделий,
поэтому количество и качество металлорежущих станков, их техническая
оснащенность в значительной степени характеризует производственную мощь страны.
Развитие вычислительной техники позволило создать высокопроизводительные
металлорежущие станки с программным управлением, в том числе с автоматической
сменой инструмента. В настоящее время белорусские станкостроители создают
сложные и уникальные станки, оснащенные современным оборудованием.
Курсовой
проект - это один из последних этапов подготовки инженера, позволяющий показать
общий объем полученных в процессе обучения знаний, умение применять эти знания,
а также в свой практический опыт к решению инженерных вопросов. Цель курсового
проекта - научиться практическому решению применению полученных ранее знаний к
решению конкретной задачи. Темой курсового проекта является разработка
кинематической схемы токарного станка. Базовый станок 1И611П. Предусматривается
конструкторское проектирование и кинематический расчет привода главного
движения и привода подач металлорежущего станка.
кинематический станок привод скорость
1.
ОПРЕДЕЛЕНИЕ ТЕХНИЧЕСКИХ ХАРАКТЕРИСТИК
Станок предназначен для токарной обработки
деталей из различных материалов как быстрорежущими, так и твердосплавными
инструментами в условиях крупносерийного и массового типа производства.
Главное движение - вращение шпинделя с
заготовкой.
Вспомогательное движение - перемещение стола с
инструментом.
Для определения диапазона регулирования коробки
скоростей Rn и диапазона регулирования коробки подач Rs возьмем из базового
станка 1И611П максимальную и минимальную частоты вращения и максимальную и
минимальную продольную подачу, поперечная равна 0,5 от продольной:
Частоты привода главного движения:
=20мин-1;=2000мин-1;
Частоты привода продольных подач:=0.01мм/об;=3
мм/об

(1.1)

(1.2)
Определим эффективную мощность
резания:

; кВт (1.3)
где
, Н - сила резания (1.4)
максимально обрабатываемый
диаметр:Dmax = 250 мм;
обрабатываемые материалы: принимаем
сталь (sв ³ 750 Мпа).
Инструментальные материалы:
быстрорежущая сталь (HSS) и твердые сплавы.
Определим минимальный диаметр
заготовки:

мм (1.5)
Скорость резания (стр. 363, [2]):
; м/мин (1.6)
где СV, m, y, x- коэффициенты,
зависящие от параметров обработки (стр. 367, табл. 17, [2]);
Т - стойкость инструмента, мин (стр.
363, [2]);
S - величина подачи, мм/об (стр.
364, табл. 11, [2]);- глубина резания, мм (стр. 364, табл. 11, [2]);
KV - коэффициент, являющийся
произведением коэффициентов:
|
(1.7)
|
|
где
- коэффициент, учитывающий материал
заготовки (стр. 358, табл. 1, [2]);
- коэффициент, учитывающий состояние
поверхности (стр. 361, табл. 5, [2]);
- коэффициент, учитывающий материал
инструмента (стр. 361, табл. 6, [2]).
Наибольшая сила резания будет при
максимально возможной глубине резания и максимально допустимой подачи для этой
глубины.
Рассчитаем скорость резания:
Выбираем глубину резания 12мм,
подачу 0,9мм/об, коэффициенты Сv=280, x=015, y=045, m=0.2
Сила резания:
|
, Н(1.8)
|
|
где СP, xP, yP, nP - коэффициенты, зависящие от
параметров обработки (стр. 372, табл. 22, [2]);
t - длина лезвия резца, мм;
KP - коэффициент, являющийся произведением
коэффициентов:
|
(1.9)
|
|
где
- коэффициент, учитывающий материал
заготовки (стр. 362, табл. 9, [2]);
- коэффициент, учитывающий главный
угол в плане j (стр. 374,
табл. 23, [2]);
- коэффициент, учитывающий передний
угол g (стр. 374,
табл. 23, [2]);
- коэффициент, учитывающий угол
наклона главного лезвия l (стр. 374,
табл. 23, [2]);
- коэффициент, учитывающий радиус
при вершине резца (стр. 374, табл. 23, [2]).

.
Определим эффективную мощность:
Определим необходимую мощность для
движения подач:
ДП = 0,2×NПР = 0,2×7,5 = 1,5
кВт
Тогда полная мощность двигателя:
дв = NПР + NДП = 7,5 + 1,5 = 9 кВт.
2. КИНЕМАТИЧЕСКИЙ РАСЧЕТ ПРИВОДА
ГЛАВНОГО ДВИЖЕНИЯ
.1 Определение j, размерный ряд n

(2.1)
Из исходных данных принимаем Z=22 и
подставляем данные в формулу 2.1:
=1.24
Округляем до стандартного и получаем
j=1,26.
Определяем размерный ряд n по
формуле 


;

;



;

;



;

;



;

;



;

;



.2 Выбор оптимальной структурной
формулы
Исходными данными у нас является
двухскоростной электродвигатель, поэтому первой в структуре будет располагаться
электрическая группа с характеристикой 
=
, и числом передач соответственно 2.
Далее рассмотрим два возможных
варианта с перебором и выберем наиболее оптимальный.
Первый вариант:
= 2Э3·31·26·(1+1)=24
Так как диапазон регулирования
привода нормальной структуры больше расчетного, создадим частичное перекрытие
частот вращения. Для этого уменьшим характеристику х3 на величину хп = 1.
Получим:
= 2Э3·31·25·(1+1)=22
Второй вариант:=
2Э3·31·(1+3(х3=6))=24
Так как диапазон регулирования
привода нормальной структуры больше расчетного, создадим частичное перекрытие
частот вращения. Для этого уменьшим характеристику х3 на величину хп = 1.
Получим:
= 2Э3·31·(1+3(х3=5))=22
При выборе оптимальной структурной
формулы будем исходить из того что коробки скоростей должны быть простыми и
компактными, иметь малый вес или количество валов, передач, высший КПД, низкий
уровень шумов. Конструкция коробок должна быть технологичной, надёжной в
эксплуатации, удобной в ремонте и обслуживании.
Как видно наиболее оптимальным будет
первый вариант, так как при его применении у нас будет меньше валов в
дополнительной структуре, также в дополнительной структуре не будет передвижных
зубчатых колес и мы избегаем более сложную конструкцию шпинделя.
.3 Построение структурной сетки
Исходя из принятой структурной
формулы строим структурную сетку:
Основная структура привода
Дополнительная структура будет иметь
одну ступень.
.4 Построение графика частот
Выбираем двухскоростной электродвигатель
в зависимости от расчетной мощности пункт 1.
Принимаем двухскоростной асинхронный
электродвигатель серии 4А:
А132М4/М2У3 мощностью 11 кВт,c
синхронными частотами 1500 мин-1 и 3000 мин-1, при номинальных частотах 1460
мин-1 и 2900 мин-1 соответственно.
Определим передаточные отношения
передач. Передаточное отношение передачи определяется выражением:
где k, учитывая логарифмический характер
графика, - число интервалов между горизонтальными линиями, пересекаемыми лучом,
соединяющим отметки частот вращения на соседних валах. Согласно графику частот
вращения получаем:
|
I1
= φ-2,5 = 1,26-2,5 = 0,5;
|
|
|
i2
= φ-1,5 = 1,26-1,5 = 0,7; i3 = φ-0,5 = 1,26-0,5=0,89
|
|
|
i4
= φ-5 = 1,26-5 = 0,31;
|
i5
= φ0
= 1;
|
|
i6
= φ-6 = 1,26-6 = 0,25.
|
|
Для передачи вращающего момента с вала коробки
скоростей на шпиндель применим ременную передачу с передаточным отношением i5
=1;
Произведем разработку кинематической схемы
привода.
Определим числа зубьев колес по таблицам, исходя
из принятой суммы чисел зубьев Σz ведущего
и ведомого колёс каждой группы передач и в зависимости от передаточного
отношения i каждой передачи (u = i при i ³ 1 или u = 1/i при
i < 1).
Результаты сводим в таблицу 1
Таблица 1 Числа зубьев колес.
|
Передаточное
отношение i
|
u
|
Числа
зубьев колес
|
iф
|
|
i1
= 0,5
|
2
|
Σz = 84, z1
= 28, z2 = 56
|
0,5
|
1,42
|
Σz = 84, z3
= 35, z4 = 49
|
0,7
|
|
i3
= 0,89
|
1,12
|
Σz = 84, z5
=40, z6 =44
|
0,9
|
|
i4
= 0,31
|
3,22
|
Σz = 84, z7
= 20, z8 = 64
|
0,31
|
|
i5
= 1
|
1
|
Σz = 84, z9
= 42, z10 = 42
|
1
|
|
i6
= 0,25
|
4
|
Σz = 84,
z11 = 17, z12 = 67
|
0,25
|
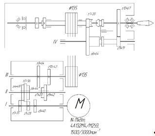
Составим кинематическую схему привода главного
движения:
Рисунок -3 Кинематическая схема привода главного
движения
3. КИНЕМАТИЧЕСКИЙ РАСЧЕТ ПРИВОДА ПОДАЧ
.1 Определение jS, ряд S
Диапазон регулирования частоты привода подачи
равен Rs=300 ( п.1), число ступеней принимаем из исходных данных равным z= 24.
Определим значение знаменателя ряда jS:
Принимаем jS=1,26 из
стандартного ряда.
Определим ряд S, для этого рассчитаем значения
подач в мм/об, и округлим их до стандартных, а также определим ряд частот
вращения ходового винта (1оборот ходового винта/1 оборот шпинделя),
соответствующий округленному ряду подач:
Таблица 2. Значения продольных подач
суппорта и частот вращения ходового винта.
|
S
расчетное (мм/об)
|
S
округленное (мм/об)
|
n
стандартная (1/мин)
|
|
1
|
0,01
|
0,01
|
0,002
|
|
2
|
0,0126
|
0,0125
|
0,0025
|
|
3
|
0,015876
|
0,016
|
0,00315
|
|
4
|
0,020004
|
0,2
|
0,004
|
|
5
|
0,025205
|
0,025
|
0,005
|
|
6
|
0,031758
|
0,0315
|
0,0063
|
|
7
|
0,040015
|
0,04
|
0,008
|
|
8
|
0,050419
|
0,05
|
0,01
|
|
9
|
0,063528
|
0,063
|
0,0125
|
0,080045
|
0,08
|
0,016
|
|
11
|
0,100857
|
0,1
|
0,02
|
|
12
|
0,12708
|
0,125
|
0,025
|
|
13
|
0,16012
|
0,16
|
0,031
|
|
14
|
0,201752
|
0,2
|
0,04
|
|
15
|
0,254207
|
0,25
|
0,05
|
|
16
|
0,320301
|
0,3
|
0,063
|
|
17
|
0,403579
|
0,4
|
0,08
|
|
18
|
0,50851
|
0,5
|
0,1
|
|
19
|
0,640722
|
0.63
|
0,125
|
|
20
|
0,80731
|
0.8
|
0,16
|
|
21
|
1,017211
|
1
|
0,2
|
|
22
|
1,281685
|
1.25
|
0,25
|
|
23
|
1,614924
|
1.6
|
0,315
|
|
24
|
2,034804
|
2
|
0,4
|
Выбор оптимальной структурной формулы.
Нам необходимо получить 24 частоты вращения
ходового винта. Для получения большого числа частот с минимальным количеством
зубчатых колес и валов, наиболее рациональнее использовать структурную формулу
с перебором.
= 23·31·26·(1+1)=24
Построение структурной сетки .
Построение графика частот вращения и разработка
коробки скоростей.
Для построения графика частот вращения определим
число интервалов для цепи редукции 1об. шпинделя - n мин. коробки подач.
Синтезируем кинематическую схему привода коробки
подач (Рисунок 2).
Привод подач получает движение от шпинделя через
коробку подач с регулируемым передаточным отношением Is и постоянным
передаточным отношением Isp. В свою очередь по средством звена увеличивающего
шаг коробка подач может получать движение от промежуточного вала основной
структуры привода главного движения при включенном переборе, что дает
возможность получать высокие подачи при низких оборотах шпинделя, позволяя
нарезать резьбу с большим шагом.

Рисунок 6 - График подач
Определяем передаточные отношения:
|
I1
= φ-1,5 = 1,26-1,5 = 0,7;
|
|
|
I3
= φ-3 = 1,26-3 = 0,5; I4 = φ-1 = 1,26-1=0,79
|
|
|
I5
= φ-2 = 1,26-2 = 0,62;
|
I2
= φ0 = 1;
|
|
i6
= φ-6 = 1,26-6 = 0,25.
|
|
Определим числа зубьев колес по таблицам, исходя
из принятой суммы чисел зубьев Σz ведущего
и ведомого колёс каждой группы передач и в зависимости от передаточного
отношения i каждой передачи (u = i при i ³ 1 или u = 1/i при
i < 1).
Результаты сводим в таблицу 3
Таблица 3 -Числа зубьев колес коробки подач
|
Передаточное
отношение i
|
u
|
Числа
зубьев колес
|
iф
|
|
I1
= 0,7
|
1,42
|
Σz
= 72,
z = 30, z = 42
|
0,7
|
|
I2
= 1
|
1
|
Σz
= 72,
z= 36, z = 36
|
1
|
|
I3
= 0,5
|
2
|
Σz
= 72,
z = 24, z = 48
|
0,5
|
|
I4
= 0,79
|
1,26
|
Σz
= 72,
z =32, z =40
|
0,9
|
|
I5
= 0,62
|
1,61
|
Σz
= 72,
z = 28, z = 44
|
0,31
|
|
i6
= 0,25
|
4
|
Σz
= 84,
z = 17, z = 67
|
0,25
|
По произведенным расчетам строим кинематическую
схему станка. (Лист 1 приложения).
ЗАКЛЮЧЕНИЕ
В данном курсовом проекте на основе базового
токарного станка мод. 1И611П мы произвели расчет привода главного движения и
привода подач, разработали новую кинематическую схему, произвели выбор
различных структурных формул приводов и выбрали наиболее оптимальные.
Таким образом, в ходе выполнения курсового
проекта закрепили теоретические знания, ознакомились со специальной технической
литературой, научились самостоятельно разрабатывать кинематические схему
станков.
ИСПОЛЬЗУЕМЫЕ ИСТОЧНИКИ
1
Справочник технолога-машиностроителя./Под. ред. А. Г. Косиловой и Р. К.
Мещерякова. М.:Машиностроение, 1972.
Кочергин
А.И. Конструирование и расчет металлорежущих станков и станочных комплексов.
Курсовое проектирование. Учебное пособие для ВУЗов. - Мн.: Вышэйшая школа,
1991.
Санюкевич
Ф.М. Детали машин. Курсовое проектирование: Учебное пособие - Брест: БГТУ,
2003.
Металлорежущие
станки. Колл. авторов под ред. проф. В.К. Тепинкичиева. М., «Машиностроение»,
1973.