Кинематический расчет и проектирование шпиндельного узла привода главного движения металлорежущего станка

  • Вид работы:
    Курсовая работа (т)
  • Предмет:
    Другое
  • Язык:
    Русский
    ,
    Формат файла:
    MS Word
    1,17 Мб
  • Опубликовано:
    2013-09-30
Вы можете узнать стоимость помощи в написании студенческой работы.
Помощь в написании работы, которую точно примут!

Кинематический расчет и проектирование шпиндельного узла привода главного движения металлорежущего станка

МИНОБРНАУКИ РОССИИ

Государственное образовательное учреждение высшего профессионального образования

«Волгоградский государственный технический университет »

ВОЛЖСКИЙ ПОЛИТЕХНИЧЕСКИЙ ИНСТИТУТ

КАФЕДРА «Технология и оборудование машиностроительных производств»





Курсовая работа

по дисциплине

«Металлорежущие станки»

Выполнил:

студент гр. ВТМЗ - 365 Коробов Е.И.

Проверил: к.т.н.доц. Федотов Е.В.








ВОЛЖСКИЙ 2012

Задание

Исходные данные

Вариант № 15

Тип структуры - сложная= 6

φ = 1,26

nmin = 40Э = 1.

на основании упрощенной структурной формулы определить общее число возможных вариантов для разрабатываемого привода

написать три полные структурные формулы (для заданий с Z = 21, 22, и 24 записываются только две формулы);

построить для написанных формул структурные сетки и графики частот вращения (для заданий с Z = 21, 22, 24 строятся два графика); при оформлении работы допускается структурные сетки не приводить;

из построенных графиков частот вращения выбрать один, принять его за основу и по нему определить значения всех передаточных отношений между валами;

используя значения передаточных отношений, определить числа зубьев всех зубчатых колес и диаметры шкивов ременных передач;

Составить уравнения кинематического баланса для всех частот вращения последнего вала и вычислить фактические значения оборотов;

разработать и вычертить кинематическую схему для основного графика частот вращения.

Для заданного числа φ = 1,26 выписываем из таблиц рядов предпочтительных чисел проектные значения 14 - ти частот вращения от nmin до nmax:

- 50 - 63 - 80 - 100 - 125 - 160 - 200 - 250 - 315 - 400 - 500 - 630 - 800

При выборе частоты вращении электродвигателя следует обеспечить минимальную степень редукции в приводе, поэтому согласно ряду значений частот односкоростных электродвигателей выбираем nдв = 750 об/мин с фактическим числом оборотов nдвфакт = 750 об/мин

Составление сложной структурной формулы

По исходному заданию возможно составление следующих структурных формул: Z = 6 = 3+3 число возможных вариантов будет равно:


Где m - число групповых передач, q - число групп с одинаковым числом передач.

 вариантов.

Из всех вариантов приводов с обычной множительной кинематической структурой, создающих одно и то же число скоростей на шпинделе станка предпочтение следует отдавать структурам с веерообразной сеткой, в которой группы с большим числом передач расположены ближе к электродвигателю. Нужно также стремиться к тому, чтобы первой в конструктивном порядке была основная группа, за ней следовала первая множительная, далее вторая множительная и т.д. так как это влияет на передаточные отношения привода. При такой последовательности сохраняется быстроходность промежуточных валов. Крутящие моменты на валах и окружные усилия на зубчатых колесах будут меньше, а, следовательно, меньшими окажутся изгибающие моменты и нагрузки на опорах, что приведет к снижению металлоемкости и стоимости изготовления групповых передач. Поскольку диаметры валов и модули зубчатых колес обратно пропорциональны частоте вращения вала или зубчатого колеса, то и габариты привода в этом случае будут меньше.

Исходя из этих рассуждений выберем вариант Z = 6 =3+3

Сложная структурная формула для него запишется в виде:

= (P1 * P2)+ Zпер = 3 +3

Составление полной структурной формулы

Полная структурная формула запишется в виде:

= (P1(X1) * P2(X2)) + Zпер

Для выбранной конструкции привода общее число вариантов кинематических структур привода (структурных сеток, графиков частот вращения, или полных структурных формул) определяется по формуле:


где m - число групповых передач в упрощенной структурной формуле;


Запишем эти варианты: Z = (3) + 3

Согласно условию задания для анализа и сравнения кинематических свойств, выберем три полные структурные формулы и построим для них структурные сетки.

) Z = 3(3) + 3;

Построим графики частот вращения.

Для сложной разделительной структуры число валов равно числу сомножителей в коробке скоростей, плюс 5 валов. Таким образом:= 1 + 5 = 6.

Каждый вал, начиная с электродвигателя, обозначим римскими цифрами.

Число горизонтальных линий, равно числу частот вращения привода, плюс 2…6 линий. Проводим 14 горизонтальных линий. Справа, против каждой горизонтальной линии выписывается соответствующая частота вращения шпинделя. Слева, на I -м валу, отмечается частота вращения электродвигателя, указанного в задании.

Внизу под каждой заготовкой записываем полную структурную формулу.

Построение графика частот вращения электродвигателя начнем с нанесения на заготовки линии минимальной редукции.

Для этого определяем минимальное значение передаточного отношения привода Imin. Это отношение определим по числу m интервалов между nmin и nдв по заготовке графика. От 40 до 750 имеется 13 интервалов, а поскольку nдв = 760, то учитывая что интервал 630 - 800 соответствует передаточному отношению φ примем m = 12,9.

Минимальное передаточное отношение привода, таким образом равно:


Следует учесть, что в проектируемом приводе с числом NB присутствует две ременные передачи. Не следует забывать,что и здесь должно выполняться условие ≥1/4.

Рассмотрим все возможные варианты передаточных отношений в групповых передачах, исходя из граничных условий:


Последнее при φ = 1,26 можно представить в виде:


Построим на заготовке графика ветвь Imin - линию редукции.

Затем, используя выбранные структурные графики, развернутую структурную формулу и структурную сетку, достраиваем остальные передаточные отношения и оформляем график.

Рис. Построение диаграммы частот вращения валов привода

При выборе оптимального варианта диаграммы частот вращения необходимо исходить из следующих рассуждений.

Крутящий момент, передаваемый шестернёй, валом, шкивом и т.д. обратно пропорционален частоте вращения:

, даН*см

Где N - мощность привода в кВт;

η - КПД элементов привода от электродвигателя до рассматриваемого участка.- частота вращения рассматриваемого элемента привода, об/мин.

Исходя из этих рассуждений, в на вал III действуют нагрузки, большие по сравнению с вариантами при которых не было бы чётко установленной переборной группы с передачей оборотов 1/1, увеличены габариты ремённых шкивов при передаче момента с вала III на вал IV и как следствие, это приведет к возможному увеличению модуля и ухудшению плавности работы зацепления, увеличению габаритов всего привода. В итоге останавливаем свой выбор на единственном варианте, как самом оптимальном.

Расчет чисел зубьев передач групп

)        На выбранном графике частот вращения обозначаются передаточные отношения ременных и зубчатых передач: , , , …

)        Диаметры шкивов ремённых передач можно определять непосредственно по передаточным отношениям

)        Передача I-II (ремень), ;

Передача III-IV (ремень),

При этом минимальный диаметр шкива должен быть не менее 80…100 мм, а максимальный - не более 300 мм.

Передачи II-III ; ; ;

Определение чисел зубьев в групповых передачах между двумя валами следует начинать с выбора чисел зубьев той шестерни в группе, которая передает самую низкую частоту вращения. Обычно Zш = 18…20.

Число зубьев передачи (тройной блок) (Передача между валами II - III). Принимаем для шестерни Zш = 18. 2 = (315/400), Zш = 18. Zк = Zш / i2 = 18/ (315/400) = 22,8

Записываем передаточное отношение чисел зубьев в виде 18:23

SZ = 18 + 23 = 41.

Передача 2 валы II - III (тройной блок):3 = (250/400), =16, Zк = 41 - 16 = 25.

Записываем передаточное отношение чисел зубьев в виде 16:25

Передача 3 валы II - III (тройной блок):4 = (200/400), =14, Zк = 41 - 14 = 27.

Записываем передаточное отношение чисел зубьев в виде 14:27

4)      Передача 1 валы IV - V (переборная группа):

5)      i6 = (63/80), Zш = 20. Zк = Zш / i2 = 20/ (63/80) = 25

)        Записываем передаточное отношение чисел зубьев в виде 20:25

)        SZ = 18 + 23 = 41.

8)      i6 = (40/63), , Zк = 41 - 16 = 25

Записываем передаточное отношение чисел зубьев в виде 16:25

Передача 2 валы IV - V ((переборная группа):

i8 = (80/80), ,

Записываем передаточное отношение чисел зубьев в виде 1:1.

шпиндельный узел привод металлорежущий

Уравнение кинематического баланса

) Записываем уравнение кинематического баланса для каждой ступени выходного вала и посчитываем фактические значения передаточных отношений зубчатых пар и ременной передачи.


Отклонение фактической частоты вращения от стандартного значения не должно превышать d = ±10 (j - 1) %. В нашем случае отклонение составляет

d = ±10 (1,26 - 1) % = ± 2,6%

n = 40 - 50 - 63 - 80 - 100 - 125

d = 1,3 - 2,2 - 0,4 - 3,6 -2,4 - 0,1 0,2

Как видно из результатов, 1 частота вращения имеет отклонения выше нормативного.

Для неё является включение передачи 14/27 = 0,518 проектное значение должно обеспечивать отношение i4 = (200/400) = 0,518.

Это связано с тем, что мы округлили число зубьев шестерни в меньшую сторону до 27.

Если полученные числа зубьев не обеспечивают точного передаточного отношения, то нужно применять коррекцию зубьев, которая сводится к увеличению или уменьшению числа зубьев при сохранении диаметра начальной окружности зубчатого колеса. Величину коррекции можно допускать до 10-15%.

Уменьшим число зубьев колеса на 1, тогда передаточное отношение составит i4 i4 = 14/28 = 0,5. Величина коррекции составит 100* (27-28) / 28 = 4%, что является допустимым.

Пересчитаем полученные передаточные отношения:

d = 0,17%

          d = 0,0 %

Что является допустимым.

Запишем общее уравнение кинематического баланса:


Диаграмма частот вращения

В результате проведенных расчетов строим полную диаграмму частот вращения (ДЧВ) с указанием передаточных отношений всех передач привода.

Рис. Диаграмма частот вращения валов привода

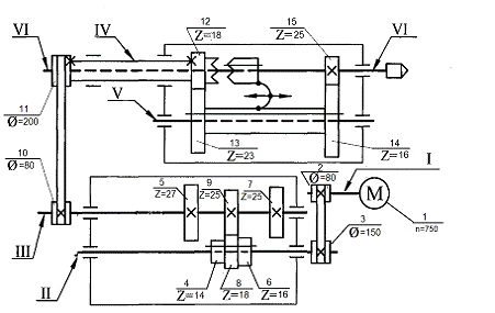
Разработка кинематической схемы

При построении кинематической схемы привода указываем: номера валов, позиции кинематических элементов, частоты вращения электродвигателя, диаметры шкивов, числа зубьев колес. Схема вычерчивается в произвольном масштабе, при этом считают, что модули всех зубчатых колес равны 1 мм. В подрисуночной подписи приведена полная структурная формула.

При вычерчивании подвижных тройных блоков колесо с наибольшим числом зубьев должно располагаться в середине блока, а при необходимости изобразить блок из четырех зубчатых колес, его лучше разбить на два двойных подвижных блока, естественно, расположенных на одном валу.

Рис. Кинематическая схема привода.

Проектирование и расчет шпиндельных узлов

Исходные данные: Вариант №15

Тип станка: Токарный

Характерный размер станка(наибольший диаметр обработки):D= 500мм

Максимальная частота вращения шпинделя: n=5000 об/мин.

Тип смазки: масляный туман.

На основании исходных данных необходимо выполнить следующее:

Выбрать конфигурацию и основной размер переднего конца шпинделя.

Определить диаметры шеек шпинделя под подшипники и диаметр отверстия в шпинделе.

Определить скоростной параметр d * n и выбрать соответствующую кинематическую схему шпиндельного узла.

Определить при помощи справочника радиальную жесткость опор шпинделя.

Рассчитать оптимальное расстояние между опорами, при котором обеспечивается максимальная радиальная жесткость шпиндельного узла.

Вычислить действительную радиальную жесткость шпиндельного узла и сравнить ее с рекомендуемыми значениями жесткости.

Составить рисунки:

а) выбранной типовой кинематической схемы шпиндельного узла с указанием номеров подшипников и величины скоростного параметра;

б) полуконструктивной схемы шпиндельного узла с основными проектными размерами в виде их числовых значений;

в) конструктивные схемы передней и задней опоры шпинделя с указанием номеров подшипников.


Выбор основного размера D переднего конца шпинделя

Статистические данные позволяют практически однозначно связать основной размер переднего конца шпинделя D с характерным размером станка.

При помощи таблицы № [1] определяем основной размер переднего конца шпинделя. D= 210 мм.

Определение диаметров шеек и отверстия шпинделя.

Диаметры шеек шпинделя под подшипники d и d1 d2,

При проектных расчётах можно принимать для фрезерных станков: = 0,53*D = 0,53*210 = 111,3, принимаем d = 120 мм; = 0,85*d; d2 = 0,85*115 = 97,75, принимаем d1= 100 мм;= 0,6 * 100 = 60 мм.

Определение параметра быстроходности.*n = 120 * 5000 = 600 000 = 6 * 105 мм*об/мин.

По заданному значению, используя справочную литературу, выбираем схему 2 табл. 3 [1]:

В передней опоре установлены 3 подшипника типа 36200, в задней 2 - типа 36200. Последние 2 цифры в обозначении (пока это нули) определяют диаметр отверстия подшипника. Разделив величину диаметра отверстия в подшипнике на цифру 5, получим число, обозначающее его размер.

Для передней опоры d = 120 мм, значит, диаметр отверстия в подшипнике обозначается числом: 24 = 120: 5, Соответственно для задней опоры диаметр обозначается 20 = 100:5.

Полные номера подшипников запишутся: 36224 - для передней опоры; 36220 - для задней опоры.

Определение радиальной жесткости передней и задней опор

Определяем радиальную жесткость передней (j 1) и задней (j 2) опор шпинделя.

Для этого сначала в табл. 4 [1] по номерам подшипников (36224), их количеству (3 шт.) и конструктивному оформлению находим код передней опоры - 12. Далее по этому коду в прил. Б находим числовые значения j'1, j'2 и, суммируя их, определяем j1.

Жёсткость передней опоры: j'1=11,40, j'2 = 7,2, j1=11,40+7,2=18,6 МН/см.

Для задней опоры (2 подшипника 36220) выбираем код 92.

Жёсткость задней опоры: j'1=6,22, j'2 = 6,22, j1=6,22+6,22=12,44 МН/см.

Определение оптимального межопорного расстояния

Определяется оптимальное расстояние между опорами l, при котором обеспечивается максимальная жесткость шпиндельного узла. При этом величина консольной части шпинделя, в первом приближении, принимается a=d = 120 мм.


Модуль упругости для стального шпинделя Е = 20 МН/см2. Момент инерции сечения между опорами для вала с отверстием при d=120 мм = 12 см и = 60 мм = 6 см (см. рис. 6):


Податливость опор

 

Определяем параметры уравнения определения l.


Длина межопорного расстояния принимается равной: l =36,1 см = 361 мм.

При этом выдержано ограничение:

Определение действительной суммарной жесткости на переднем конце шпинделя.

Определяем осевой момент инерции шпинделя на консольной части J1:

см.

По таблице [1] определяем коэффициент, учитывающий наличие в передней опоре защемляющего момента ξ3 = 0,2.

Общую податливость шпиндельного узла определяем по формуле:


Действительная суммарная жёсткость на переднем конце (торце) шпинделя определяется по зависимости:

 

Заключение

Рассматриваемый шпиндельный узел относится к высокоскоростным узлам, т.к. d*n= 6 * 105 >5 * 105. Для шпинделей радиальная жесткость находится в пределах: jΣ = 70… 300 Н/мкм, Полученное значение жесткости находится в пределах этих границ.. Учитывая сравнительно большой диаметр шпинделя, высокую жесткость передней опоры, можно считать полученный результат вполне удовлетворительным.

Приложение

Таблица 3


Размеры и радиальная жесткость шпиндельных подшипников





Таблица 4





Список литературы

1       Основы проектирования станочных систем и их элементов: Рабочая программа, методические указания и задания на контрольную работу / сост. А. В. Шестернинов. - Ульяновск: УлГТУ, 2010.-53 с.

         Шестернинов, А.В. Конструирование шпиндельных узлов металлорежущих станков: учебное пособие / А. В. Шестернинов. - Ульяновск: УлГТУ, 2006. - 85 с.

         Металлорежущие станки: учебник для машиностроительных вузов / под ред. В.Э. Пуша. - М.: Машиностроение, 1985. - 575 с.

Похожие работы на - Кинематический расчет и проектирование шпиндельного узла привода главного движения металлорежущего станка

 

Не нашли материал для своей работы?
Поможем написать уникальную работу
Без плагиата!
Без нейросетей!