Модернизация привода главного движения станка 2Л53У
Введение
Производственные процессы в большинстве отраслей народного хозяйства
выполняют машины, и дальнейший рост материального благосостояния тесно связан с
развитием машиностроения. Непрерывное совершенствование и развитие
машиностроения связано с прогрессом станкостроения, поскольку металлорежущие
станки с некоторыми другими видами технологических машин обеспечивают
изготовление любых новых видов оборудования.
К важнейшим требованиям, предъявляемым к проектируемой машине, относятся
экономичность в изготовлении и эксплуатации, удобство и безотказность
обслуживания, надёжность и долговечность.
Для обеспечения этих требований детали должны удовлетворять ряду
критериев, важнейшие среди которых - прочность, надёжность, износостойкость,
жёсткость, виброустойчивость, теплостойкость, технологичность.
Целью модернизации является изменение механизма переключения скоростей
вращения шпинделя станка, использование более мощного двигателя и увеличение
диапазона регулирования.
В данном курсовом проекте производится модернизация привода главного
движения станка 2Л53У. В ходе выполнения курсового проекта определим
особенности конструкции станка.
Произведем расчёт технических характеристик станка. Спроектируем привод
главного движения и осуществим его кинематический расчёт, расчёт зубчатых
передач, валов, подшипников. Спроектируем шпиндельный узел, рассчитаем его на
точность, жёсткость и виброустойчивость. Выберем тип, систему смазки и систему
управления станка.
1.
Назначение станка и область применения
Станок радиально-сверлильный облегчённый модели 2Л53У предназначен для
сверления, рассверливания, зенкерования, развёртывания отверстий, нарезания
резьбы, подрезки плоскостей резцом и торцевым инструментом и выполнения других
аналогичных операций.
Станок рассчитан на сверление отверстий диаметром до 35 мм в стали марки
45 по ГОСТ 1050-74.
2. Выбор
структуры привода главного движения
Для станков фрезерной группы могут быть использованы 3 варианта структуры
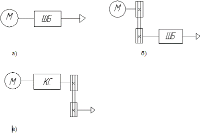
привода главного движения (рисунок 1.1).
Рисунок 2.1-Структуры привода главного движения
Нераздельная структура привода главного движения (рис.2.1а) имеют
следующие характеристики:
компактные габаритные размеры,
малую массу,
достаточно высокую надежность,
минимальную материалоемкость,
относительно высокое быстродействие,
высокий КПД
Однако недостатками такой конструкции являются :
невысокая точность вращения шпинделя,
передача теплоты и вибрации от коробки скоростей к шпинделю
Раздельная структура привода (рис.1.1б,в) по сравнению с нераздельной
имеет преимущества только по точности вращения шпинделя и отсутствия передачи
теплоты и вибраций от коробки скоростей к шпинделю, а по всем остальным
вышеперечисленным параметрам уступают нераздельной структуре привода главного
движения.
Проанализировав данные аспекты для данного станка выбираем нераздельную
структуру привода (рис1.1а).
3.
Определение технических характеристик станка
Согласно техническому заданию:
1. максимальный диаметр обработки dmax=30мм;
2. предельные частоты вращения шпинделя n=90..1400мин-1;
По заданию эффективная мощность резания Nэф=1,6 кВт. Электродвигатель выбираем
по справочнику, приемлемый по мощности и частоте вращения, на основании расчёта
и анализа приводов главного движения станков-прототипов.
Выбираем асинхронный электродвигатель 4А112МА8У3 мощностью 2,2 кВт при
частотах вращения 700 мин-1 .
Определяем диапазон регулирования коробки скоростей:
; (3.1)
Знаменатель геометрического ряда: φ=1,41.
Число ступеней частоты вращения шпинделя:
(3.2)
Принимаем
z=9.
Выписываем стандартные значения частот для φ =1,41.
n1 = nmin
=90 мин-1; n7 = 710
мин-1;
n2 = 125 мин-1; n8 = 1000 мин-1;
n3 = 180 мин-1; n9 = 1400мин-1;
n4 = 250 мин-1; n5 = 355 мин-1;
n6= 500 мин-1;
4. Выбор
структуры станка. Кинематический расчёт привода
Составим структурную формулу привода. Наиболее приемлемой структурной
формулой для рассматриваемого варианта является формула z=31×33 обеспечивающая 9 частот. Данная структура является
обычной множительной структурой.
Строим структурную сетку привода (рисунок 3.2) и кинематическую схему
шпиндельной бабки (рисунок 3.3).
Первой в структуре располагается электрическая группа с характеристикой х1
= 3 и числом передач Р1 = 1. Вторая группа в структуре - основная с
характеристикой х2=3 и числом передач Р2 = 3.
Рисунок 4.1-Структурная сетка
Рисунок 4.2 - Кинематическая схема
Оптимальный вариант кинематической схемы привода определяется
типом станка и предъявляемыми условиями к его компоновке, в соответствии с
которыми выбирается рациональная множительная структура с оптимальным
расположением передач на валах, перебором, связанным колёсами и т.д.
Оптимальный график частот вращения выбирается из условия, чтобы
значения передаточных отношений не выходили за допустимые пределы, частоты
вращения промежуточных валов были по возможности выше и уменьшалась
номенклатура колёс, а так же чтобы показатель
не
превышал допустимых значений
- для
повышающей передачи и
- для понижающей. Построение ведём в
полулогарифмических координатах
валов
привода -
. Число интервалов
,
изображающих частоту вращения электродвигателя по оси
, равно
для
коробки скоростей и коробки подач с раздельным приводом и определяется по
формуле:
; (4.1)
;
Строим
график частот вращения.
Рисунок
4.3-График частот вращения
Передаточные
отношения определяются, используя график частот вращения в соответствии с
числом интервалов
перекрываемых лучом.
По графику частот вращения определяют передаточные отношения из
выражения:
(4.2)
где
φ - знаменатель геометрического ряда частот вращения,
m -
количество интервалов lg φ, пересекаемые лучом, изображающих передачу.
;
;
;
;
;
;
Определяются
фактические передаточные отношения
каждой
передачи через отношения чисел зубьев
ведущего
колеса к числу зубьев
ведомого колеса. Определяем числа зубьев зубчатых
колес (для каждой передачи суммарное число зубьев ∑ z должно быть
одинаково):
z1 = 40 z2=56 ∑
z=96;
z3 = 56 z4=40 ∑
z=96;
z5=48 z6=48 ∑ z=96;
z7=40 z8=56 ∑
z=96;
z9=64 z10=32 ∑ z=96;
z11=40 z12=56 ∑ z=96;
z13=19 z14=77 ∑ z=96;
z15=48 z16=48 ∑ z=96;
Определяются общие передаточные отношения
всей цепи для каждой
ступени привода, через произведение передаточных отношений передач
, обеспечивающих получение частоты
вращения данной ступени.
Определяем
фактические частоты вращения по формуле:
n
= n
∙
, (4.3)
где:
n
- частота вращения вала электродвигателя, мин
;
- общее
передаточное отношение всей цепи.
n
= 700∙0,25∙0,71∙0,71∙1= 88,22
мин
;
n
= 700∙0,25∙1∙0,71∙1= 124,25
мин
;
n
= 700∙0,25∙1,4∙0,71∙1=
173,95 мин
;
n
= 700∙0,71∙0,71∙0,71∙1= 250,54
мин
;
n
= 700∙0,71∙1∙0,71∙1= 352,87
мин
;
n
= 700∙0,71∙1,4∙0,71∙1= 494,02
мин
;
n
= 700∙2∙0,71∙0,71∙1= 705,74
мин
;
n
= 700∙2∙1∙0,71∙1= 994 мин
;
n
= 700∙2∙1,4∙0,71∙1= 1391,6 мин
;
Определим
относительные отклонения фактических частот от стандартных.
, (4.4)
где
niФ -
фактическая частота вращения шпинделя, мин-1;
nст - стандартная частота, мин-1.
;
Допускаемое
отклонение фактических частот от стандартных:
Определяем
расчетную частоту вращения шпинделя и строим расчетную цепь:
np=nmin∙
мин
.
По
графику принимаем np=180 мин
.
Рассчитаем
крутящие моменты на валах привода.
Крутящий
момент на валу электродвигателя рассчитывается по формуле:
(4.5)
Крутящий
момент на каждом последующем валу рассчитывается по формуле:
, (4.6)
где
Тi-1 -
крутящий момент на предыдущем валу, Н·м;
ηi - КПД передачи;
ii -
передаточное отношение между валами.
;
Н·м;
Н·м;
5.
Силовой, прочностной расчет основных элементов привода главного движения
.1 Расчёт
зубчатых колёс привода ГД
Расчёт будем производить по методике, приведенной в источнике [3].
Рассчитаем самую нагруженную зубчатую передачу с передаточным отношением i=0,25. Данная передача является
прямозубой и состоит из шестерни с числом зубьев z1=19 и колеса с
числом зубьев z2=77.
Выбираем материал для зубчатых колёс: легированная сталь 40X
термообработка - закалка с нагревом ТВЧ до твердости 48…52 HRCЭ.
Модуль передачи должен удовлетворять условию:
(5.1)
где
km -
вспомогательный коэффициент (для прямозубых передач km=13);
M1F -
исходный расчетный крутящий момент на шестерне, Нм ;
KF -
коэффициент нагрузки для шестерни (KF=1,4);
z1 - число зубьев шестерни;
YF1- коэффициент, учитывающий форму зуба (YF1=4,3);
ψbm-
отношение ширины колеса b к модулю m;
Рекомендуется ширину венца принимать равной 6-10 модулям: ψbm=8.
Допустимое напряжение при изгибе:
(5.2)
где σFlimb =1050 - предел выносливости материала зубьев, МПа.
kFL -коэффициент режима нагружения и долговечности.
(5.3)
где
mF - показатель кривой усталости;
NF0 - базовое число циклов перемены напряжений при
изгибе;
NFE -
эквивалентное число циклов перемены напряжений.
Для
зубчатых колёс, подвергаемых закалке ТВЧ, принимают mF=6
и NF0=4•106.
NFE
при постоянной нагрузке определяется по следующей формуле:
(5.4)
где
с - число зацеплений зуба рассматриваемого зубчатого колеса за один его оборот
(с=1);-частота вращения рассматриваемого зубчатого колеса, мин-1;
-
расчетный срок службы передачи, ч;
По
таблице 1П.8 приложения 1П источника [4] принимаем коэффициент, характеризующий
интенсивность типовых режимов нагружения передачи при расчёте на сопротивление
контактной усталости, для легкого режима нагружения
Так
как NFE> NF0 , то
принимаем kFL=1.
Принимаем
стандартное значение m=3 мм.
Определим
основные геометрические параметры передачи:
Делительные
диаметры шестерни и колеса:
(5.5)
Межосевое
расстояние ступени:
(5.6)
Диаметры
окружностей вершин:
(5.7)
Диаметры
окружностей впадин:
(5.8)
Ширина
венца колеса и шестерни:
(5.9)
5.2
Основные геометрические параметры зубчатых передач привода ГД
Рассчитаем для оставшихся передач модули, а также основные геометрические
параметры передач по формулам 5.5-5.9. Результаты расчётов сведём в таблицу
4.1.
Таблица 5.1 - Геометрические параметры зубчатых колёс
|
N
|
m
|
Z
|
d
|
da
|
df
|
b
|
|
1
|
3
|
19
|
57
|
63
|
49,5
|
24
|
|
2
|
3
|
77
|
231
|
237
|
223,5
|
24
|
|
3
|
3
|
64
|
192
|
198
|
184,5
|
24
|
|
4
|
3
|
32
|
96
|
102
|
88,5
|
24
|
|
5
|
3
|
40
|
120
|
126
|
112,5
|
24
|
|
6
|
3
|
56
|
168
|
174
|
160,5
|
24
|
|
7
|
3
|
40
|
120
|
126
|
112,5
|
24
|
|
8
|
3
|
56
|
168
|
174
|
160,5
|
24
|
|
9
|
3
|
56
|
168
|
174
|
160,5
|
24
|
|
10
|
3
|
40
|
120
|
126
|
112,5
|
24
|
|
11
|
3
|
48
|
144
|
150
|
136,5
|
24
|
|
12
|
3
|
48
|
144
|
150
|
136,5
|
24
|
|
13
|
3
|
40
|
120
|
126
|
112,5
|
24
|
|
14
|
3
|
56
|
168
|
174
|
160,5
|
24
|
|
15
|
3
|
48
|
144
|
150
|
136,5
|
24
|
|
16
|
3
|
48
|
144
|
150
|
136,5
|
24
|
|
17
|
2,5
|
41
|
31
|
34
|
28,5
|
12
|
Межосевое расстояние найдём по формуле 5.6:
Между I и II:
мм;
между
II и III валами:
мм;
между
III и IV
валами:
мм;
В
блоках зубчатых колёс предусматриваем выточку для выхода долбяка шириной c=6
мм.
5.3
Проектный расчёт передачи на контактную выносливость зубьев
Начальный диаметр шестерни должен удовлетворять условию:
(5.10)
где
kd -
вспомогательный коэффициент (для прямозубых передач kd=770);
kH -
коэффициент нагрузки (kH=1,4);
u - передаточное
число (u ≥
1);
ψbd - отношение рабочей ширины
венца передачи к начальному диаметру шестерни, (ψbd=0,421).
Допускаемое
контактное напряжение для прямозубых передач:
; (5.11)
где
σHlimb - базовый
предел контактной выносливости поверхностей зубьев (σHlimb=1050 МПа);
SH-коэффициент
безопасности (SH=1,2).
МПа;
мм;
Условие
выполняется, так как dw1=57>56,3
мм.
5.4
Проверочный расчет на выносливость зубьев при изгибе
Удельная расчетная окружная сила:
(5.12)
где
Ft - расчётная окружная сила, Н;
b - ширина венца
по основанию зуба, мм;
kFV -
коэффициент, учитывающий динамическую нагрузку в зацеплении, которая возникает
вследствие колебаний масс колёс и ударов в зацеплении;
kFb - коэффициент, учитывающий неравномерность
распределения нагрузки по ширине венца, которая возникает вследствие
погрешностей изготовления колёс, упругих деформаций валов, зазорах в
подшипниках;
kFa - коэффициент, учитывающий при расчёте прямозубых
передач распределение нагрузки между зубьями.
По
таблицам 3.14, 3.15 источника [3] выбираем коэффициенты: kFV=1; kFb=1,2; kFa=1. Получаем:
Расчётное
напряжение изгиба зубьев:
; (5.13)
где
YF - коэффициент формы зуба, YF=4,3;
Ye -
коэффициент, учитывающий перекрытие зубьев: Ye=1;
Yb -
коэффициент, учитывающий наклон зуба, Yb=1.
МПа;
Допускаемое
напряжение при расчёте зубьев на выносливость при изгибе:
; (5.14)
где
sFlimb - длительный предел выносливости зубьев при изгибе, соответствующий
базовому числу от нулевых циклов напряжений;
kFg -
коэффициент, учитывающий влияние шлифования переходной поверхности зубьев, kFg=1,05;
kFa -
коэффициент, учитывающий влияние упрочнения переходной поверхности зубьев в
результате механической обработки kFa=1,3;
kFc -
коэффициент, учитывающий особенности работы зубьев при передаче реверсивной
нагрузки, kFc=0,7;
kxF -
коэффициент, учитывающий размеры зубчатого колеса, kxF=1,0;
kFL -
коэффициент режима нагружения и долговечности, kFL=1,0;
YS -
коэффициент, отражающий чувствительность материала к концентрации напряжений;
YR -
коэффициент, учитывающий параметры шероховатости переходной поверхности зуба, YR=1,2;
SF -
коэффициент безопасности;
Коэффициент
YS находим по формуле:
YS=1,1×m-0,09=1,1×3-0,09=0,99;
(5.15)
Коэффициент
безопасности находим по формуле:
; (5.16)
где
S’F - коэффициент безопасности, учитывающий нестабильность
свойств материала зубчатого колеса и ответственность зубчатой передачи (S’F =1,75);
S’’F -
коэффициент, учитывающий способ получения заготовки, (S’’F=1).
Подставив
значения в формулу 4.14, получим:
МПа;
5.5 Расчёт
передачи на контактную выносливость зубьев
Удельная расчетная окружная сила:
(5.17)
где
FHt - исходная расчётная окружная сила, Н;
bw -
ширина венца по основанию зуба, мм;
kНV
- коэффициент, учитывающий динамическую нагрузку в зацеплении, kНV=1;
kНb - коэффициент, учитывающий неравномерность
распределения нагрузки по ширине венца, kНb=1,2;
kНa - коэффициент, учитывающий распределение нагрузки
между зубьями.
(5.18)
где
n=7 - степень точности зубчатой передачи;
v - окружная
скорость в зацеплении, м/с
м/с; (5.19)
Расчётное контактное напряжение находим по формуле:
; (5.20)
где
zH - коэффициент, учитывающий форму сопряжённых
поверхностей зубьев в полюсе зацепления, (zH=1,76);
zM -
коэффициент, учитывающий механические свойства материала сопряжённых зубчатых
колёс, (для колёс из стали zM=274);
ze -
коэффициент, учитывающий суммарную длину контактных линий;
Коэффициент
ze определяем в зависимости от коэффициентов торцевого
и осевого
перекрытия.
(5.21)
Так
как передача прямозубая, то
=0.
Тогда
по графику 3.11 источника [3] определяем ze=0,88.
Подставив
значения в формулу 4.20, получим:
МПа;
Допускаемое
контактное напряжение для прямозубых передач:
; (5.22)
где
zR - коэффициент, учитывающий параметр шероховатости
поверхностей зубьев, (zR=1);
zv - коэффициент,
учитывающий окружную скорость v, (zv=1);
kL -
коэффициент, учитывающий влияние смазочного материала, (kL=1);
kxH -
коэффициент, учитывающий размеры зубчатого колеса, (kxH=1);
kHL -
коэффициент режима нагружения и долговечности;
SH -
коэффициент безопасности;
sHlimb- предел выносливости зубьев на контактную
выносливость;
Коэффициент режима нагружения и долговечности kHL определяется по формуле:
; (5.23)
где
mH - показатель кривой усталости;
NH0 - базовое число циклов перемены напряжений при изгибе
(NF0=70•106);
NHE -
эквивалентное число циклов перемены напряжений (27•106)
Так
как NHE< NH0, то
коэффициент
определяем по графику 3.10, б. источника [3] -
Подставив значения в формулу 4.22, получим:
МПа;
В
нашем случае sHP=962,5
МПа >sH=559,3
МПа, что удовлетворяет условию.
6. Расчёт
валов привода ГД
.1
Проектировочный расчёт валов привода ГД
В качестве расчётного вала мы принимаем четвертый вал, так как он
наиболее нагружен.
В качестве материала изготовления всех валов выбираем сталь 40Х.
Определим геометрические параметры ступеней вала.
Ориентировочно диаметры валов определяем из соотношения [3]:
(6.1)
где:
Т - крутящий момент на валу, Н·мм;
[τ]k -
допускаемое напряжение на кручение, [τ]k = 15…25
МПа.
Диаметры
валов необходимо согласовать с диаметрами внутренних колец подшипников и
размерами шлицев.
,
принимаем d1 =20 мм;
,
принимаем d2 =25 мм;
,
принимаем d3 =25 мм;
,
принимаем d4 =35 мм;
Остальные
валы коробки скоростей - шлицевые, что значительно упрощает сборку.
Предварительно
выбираем подшипники:
На
валу II:
Подшипники
шариковые радиальные однорядные (ГОСТ 8338-75) 105-1 шт. и (ГОСТ 2893-82) - 2
шт.
На
валу III:
Подшипники
шариковые радиальные однорядные (ГОСТ 8338-75) 904 - 1 шт. и (ГОСТ 2893-82) - 1
шт.
На
валу IV:
Подшипники
шариковые радиальные однорядные (ГОСТ 8338-75) 107 - 1 шт и (ГОСТ 2893-82) - 1
шт.
На
валу V:
Подшипники
шариковые радиальные однорядные (ГОСТ 8338-75) 107 - 5 шт и шариковые упорные
одинарные (ГОСТ 7872-89) - 2 шт.
Схемы
установки подшипников принимаем аналогично прототипу. Диаметры валов необходимо
согласовать с диаметрами внутренних колец подшипников и размерами шлицев.
С
целью упрощения конструкции, примем диаметр вала постоянным по всей длине.
Следовательно,
диаметр вала под подшипники d=35мм.
Длины
ступеней определяется графически на эскизной компоновке.
Расчёт
геометрических параметров для остальных валов производится аналогично.
Результаты расчёта сведём в таблицу.
Таблица
6.1-Геометрические параметры ступеней валов, мм.
|
Вал
|
Расчетный диаметр под
зубчатое колесо, dК, мм
|
|
I
|
20
|
|
II
|
25
|
|
III
|
26
|
|
IV
|
36
|
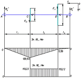
Схема нагружения вала показана на рисунке 6.1.
Рисунок 6.1- Схема нагружения вала
Для определения реакций в подшипниках будем рассматривать вал, как балку,
нагруженную силами, действующими на колеса.
l1 =217мм; l2= 194мм; l3=36,5 мм.
Определим силы, действующие в зубчатом зацеплении.
Окружная сила на делительном цилиндре в торцовом сечении:
, (6.2)
где
d2 -
делительный диаметр колеса, мм
Радиальная
сила:
, (6.3)
где
a - угол исходного контура, a=200.
Подставив
численные значения, получим:
Н;
Н;
Н;
Н;
Разложим
силы, действующие на вал на две взаимоперпендикулярные плоскости, рисунок 6.2.
Плоскость YOZ: Плоскость
XOZ:

Рисунок 6.2-Эпюры моментов
Определим реакции в опорах. Для этого составим 4 уравнения равновесия
сил.
∑ MАYZ : RBY·(l1+l2+l3) - Ft1
·(l1+l2) + Ft2 ·l1= 0,

H,
∑ MBYZ : RAY·(l1+l2+l3)
+ Ft1 ·l3 - Ft2 ·(l2+l3)=
0,

H,
Проверка:
∑ Y: RAY + Ft1 - Ft2
- RBY = 1733+1451,5-3594,3+409,8=
0 ,
Верно
рассчитано.
∑
MАXZ : RBx·(l1+l2+l3) -
Fr1 ·(l1+l2) + Fr2 ·l1= 0 ,
H,
∑ MBXZ : RAx·(l1+l2+l3)
- Fr2·(l3+l2) + Fr1·l3=
0,

H,
Проверка:
∑ X: RAX + Fr1 - Fr2
- RBX = 644,8+540,1-1337,4+152,5= 0;
Верно
рассчитано.
Строим
эпюры изгибающих моментов, действующих на вал, в плоскостях YOZ,
рисунок 4.
МYC= RAY · l1 = 1733·
217·10-3 = 376,1 Н· м,
МYD = -RBY ·
l3 =-409,8·36,5·10-3=-14,96
Н· м.
Строим
эпюры изгибающих моментов, действующих на вал, в плоскостях XOZ,
рисунок 4.
МXC= RAX· l1 = 644,8·
217·10-3 = 139,9 Н· м,
МXD = -RBX· l3 =-152,5·36,5·10-3=-5,6
Н· м.
Построим эпюру крутящих моментов, рисунок 4.
Определяем суммарные реакции в подшипниках:
;
.
Определяем
суммарные изгибающие моменты в наиболее нагруженных точках.
;
.
Расчет
предельных отклонений межосевого расстояния корпуса цилиндрических зубчатых
передач будем производить по источнику [6]:
где
fa - предельное отклонение межосевого расстояния цилиндрической
зубчатой передачи (ГОСТ 1643-81);
Принимаем
fa=50 мкм. Тогда значение предельного отклонения межосевого
расстояния будет равным:
Принимаем
∆=±30 мкм или ∆=±0,03 мм.
6.2
Проверочный расчёт валов на прочность
Цель расчёта - определить коэффициенты запаса прочности в опасных
сечениях вала и сравнить их с допускаемыми.
Расчёт проводим для сечения D, т.к. в данном сечение приложен больший изгибающий момент. Расчёт
проводим по методике изложенной в [4].
Проверочный расчёт валов на прочность выполняем на совместное действие
изгиба и кручения по условию.
S³[S]=1,3...1,5; (6.4)
где S - коэффициент запаса прочности;
[S]- допускаемый коэффициент запаса
прочности;
Нормальные напряжения изменяются по симметричному циклу, при котором
амплитуда напряжений sа равна
расчётным напряжениям изгиба sИ:
, (6.5)
где
М - суммарный изгибающий момент в рассматриваемом сечении, Н×м;
WНЕТТО - осевой момент сопротивления сечения вала, мм3;
Найдём
осевой момент инерции:
мм3;
(6.6)
где
d-диаметр вала.
Касательные
напряжения изменяются по циклу, при котором амплитуда tа равна
половине расчётных напряжений кручения tк:

, (6.7)
где
МК - крутящий момент, Н×м;
WrНЕТТО - полярный момент инерции сопротивления сечения вала,
мм3;
Найдём
полярный момент инерции:
, (6.8)
Подставив
значения, находим полярный момент инерции:
мм3,
Рассчитаем
касательные и нормальные напряжения :
Мпа;
Мпа;
Определим
коэффициент концентрации нормальных и касательных напряжений для расчётного
сечения вала:
, (6.9)
, (4.3.7)
где
Кs и Кt - эффективные
коэффициенты концентрации напряжений, Кs=2,15, Кt=1,6;
Кd
- коэффициент влияния абсолютных размеров поперечного сечения, Кd=0,59;
КF
- коэффициент влияния шероховатости, КF=1,0;
Подставив
значения в формулы, получим:
;
;
Определим
пределы выносливости в расчётном сечении вала:
,
(6.10)
,
(6.11)
где
s-1 и t-1 -
пределы выносливости гладких образцов при симметричном цикле изгиба и кручения,
s-1=410 МПа,
t-1=240 МПа
Подставив
значения в формулы, получим:
Мпа;
Мпа.
Определим
коэффициенты запаса прочности по нормальным и касательным напряжениям:
, (6.12)
, (6.13)
Подставив
значения в формулы, получим:
;
.
Определим
общий коэффициент запаса прочности в опасном сечении:
, (6.14)
Подставив
значения, получаем:
>
1.5; S > [S]
Проверочный
расчёт вала на прочность в опасном сечении выполняется.
6.3 Расчёт
подшипников
Для рассчитываемого вала выбираем шариковые радиальные однорядные ГОСТ
8338-75. Легкая серия, обозначение 107, d = 25 мм, D = 62 мм, B= 9 мм, Cr = 12,4 кН, Cr0 = 6,95 кН.
Проверим пригодность подшипников 207 в опоре В на валу III, т.к. реакция в данной опоре
наибольшая и равна Rr=RB=772,7 Н.
Пригодность подшипников определяется сопоставлением расчётной
динамической грузоподъёмности с базовой, или базовой долговечности с требуемой
по условиям:
Crp ≤ Cr или L10h ≥ Lh, (6.15)
Требуемая долговечность подшипника Lh = 20· 103ч По [2] выбираем основные характеристики подшипников:
Сr= 12,4 кН.
Суммарная статическая грузоподъёмность:
Сr0=6,95 кН.
Расчётная динамическая грузоподъёмность определяется по формуле:
, (6.16)
где:
Pr -
радиальная эквивалентная нагрузка, Н;
n - частота
вращения одного из колец подшипника (n=400), мин-1;
р
- показатель степени, р = 3;
KHE -
коэффициент режима нагрузки (KHE=1);
а23
- коэффициент, характеризующий совместное влияние на ресурс подшипника качения
металла колец, тел качения и условий эксплуатации (а23=0,75);
Рr =
V·X· RrA·Kб ·Kт,
(6.17)
где:
V - коэффициент вращения, V = 1;
RrA
-радиальная действующие на подшипник;
Kб - коэффициент безопасности, Kб =1,4;
Kт - температурный коэффициент, Kт = 1;
X,Y-
коэффициенты радиальной и осевой нагрузок, X=0,56;Y=2,30;
Rr=772,7
H;
Pr =1·0,56·
772,7·1,4 ·1=605,8 Н;
Н.
,2
кН < 12,4 кН - условие Crp ≤
Cr выполняется.
Произведём
расчёт подшипника на долговечность:
, (6.18)
.
Расчёт
подшипника на долговечность выполняется.
Выбранный
подшипник обеспечивает основные эксплуатационные требования.
7.
Проектирование шпиндельного узла
.1 Выбор
схемы ШУ, вида приводного элемента, конструктивных параметров (d, a, l)
Шпиндельный узел сверлильной головки относится к тихоходной группе.
Рисунок 7.1 - Конструктивная схема шпиндельного узла
Данная схема называется триплекс. В этой схеме радиальную и осевую
нагрузку на переднюю опору воспринимают три однорядных шариковых подшипника. станок привод подшипник вал
Конструктивно принимаем межосевое расстояние равным l=500 мм. Для обеспечения
работоспособности шпиндельных подшипников необходимо следующее соотношение
между диаметром d шпинделя и
межопорным расстоянием l:
;
Отсюда
диаметр шпинделя примем равным:
Определим
требуемый коэффициент быстроходности для подшипников ШУ:
Кб=D·nmax;
Кб=45·1400=6,3·104
Данная
схемы относится к тихоходной группе, обеспечивает высокую точность вращения,
минимальное выделение теплоты в сочетании с высокой грузоподъёмностью.
Регулировка
подшипников передней опоры осуществляется при помощи втулки. По окончанию
регулировки опоры положение подшипника фиксируется стопорным кольцом. В задней
опоре установлены такие же подшипники как и на передней. Регулировка задней
опоры осуществляется также втулкой и фиксируются стопорным кольцом. Для
смазывания обеих опор применяется жидкий смазочный материал.
Привод
шпинделя осуществляем от цилиндрической зубчатой передачи, т.к. зубчатые
передачи наиболее просты и компактны и на небольших скоростях обеспечивают
плавное вращение шпинделя. Для лучшей герметичности шпиндельного узла
используем бесконтактные уплотнения с резиновой армированной манжетой и
пружиной. Данный выбор объясняется тем, что контактные уплотнения применяются
при сравнительно малой окружной скорости поверхности шпинделя, тем самым мы
обеспечиваем хорошую защиту шпиндельного узла от загрязнения.
Диаметр
передней опоры под подшипники: d = 45 мм;
диаметр
задней опоры: d = 45 мм;
межопорное
расстояние: l = 500 мм;
вылет
переднего конца шпинделя: a = 95 мм.
Шпиндель
изготовлен из стали 40ХГТ ГОСТ 4543-71с обьемной закалкой до твёрдости 56…60 HRCЭ.
7.2 Расчет
шпиндельного узла на точность
В результате этого расчета выберем класс точности подшипников шпинделя в
зависимости от его допускаемого радиального биения Δ=0,03
мм.
Предполагаем наиболее неблагоприятный случай, когда биение подшипников в
передней опоре и в задней опоре направлены в противоположные стороны.
Рисунок 5.2 - Схема к расчету шпиндельного узла на точность
При этом радиальное биение конца шпинделя
, (7.1)
Приняв
(7.2)
где

-
допустимое радиальное биение подшипников, l =500 мм; a=95
мм;
Получим

=
=0,026 мм;
=
=0,0042мм;
Исходя из расчетов для станков класса точности В для передней и задней
опоры принимаем: один шариковый радиально-упорный подшипник типа 36100К - 5-го
класса точности и три шариковых радиальных однорядных подшипника пятого класса
точности.
7.3 Расчет
шпиндельного узла на жесткость
Станок класса точности Н. Допуск на обрабатываемый размер ∆д=46
мкм. Допускаемое радиальное биение переднего конца шпинделя должно быть:
[∆]£∆д/3=46/3=15,3 мкм
Изобразим схему нагружения шпинделя, заменив подшипники опорами.
Рисунок 5.3-Схема нагружения шпинделя
Расчёт осевой силы будем производить по методике, приведенной в источнике
[5]:
где
Кр-коэффициент, учитывающий фактические условия обработки;подача,
мм/об;
D-диаметр
обрабатываемого отверстия, мм;
Сила
резания находится по формуле:
z=(0,1…0,15)Po;
Тогда
силы резания будет равна:
Перемещение
переднего конца шпинделя без учета защемляющего момента:
(7.3)
где
- сила резания;
-
расстояние между передней опорой А и задней В опорой шпинделя;
- вылет
переднего конца шпинделя (консоль);
-
среднее значение осевого момента инерции сечения консоли;
-
среднее значение осевого момента инерции сечения шпинделя в пролете между
опорами;
Е
- модуль упругости материала шпинделя;
-
радиальная жесткость передней опоры шпинделя;
-
радиальная жесткость задней опоры шпинделя;
Осевой
момент инерции сечения консоли:
(7.4)
где
- средний диаметр консоли;
Осевой
момент инерции сечения шпинделя в пролете между опорами:
(7.5)
где
- средний диаметр шпинделя в пролете между опорами;
Модуль
упругости материала шпинделя:
Тогда
перемещение переднего конца шпинделя без учета защемляющего момента:
Так
как
- значит требуемая жесткость обеспечивается.
Угол
поворота шпинделя в передней опоре:
(7.6)
7.4 Расчет
шпиндельного узла на виброустойчивость
Рассчитаем массу шпинделя:
(7.7)
где
- плотность материала шпинделя:
V - объем
шпинделя;
Тогда
объем шпинделя равен:
Тогда
масса шпинделя:
Определим
собственную частоту колебаний шпинделя:
(7.8)
где:
- относительное расстояние между опорами:
(5.6.3)
-
коэффициент виброустойчивости:
Условие
виброустойчивости шпиндельного узла выполняется:
Следовательно, резонанс не возможен.
8. Выбор
системы смазки станка, привода
При проектировании привода смазыванию подлежат передачи и подшипники.
Цель смазывания - защита от коррозии, снижение интенсивности износа трущихся
поверхностей, отвод тепла и продуктов износа от контактируемых поверхностей, а
также снижение шума.
Для смазывания закрытых зубчатых передач широко применяют картерную
систему смазки - окунание зубьев зубчатых колес в масло, залитое в корпус.
Данный способ применяется при окружных скоростях до 12,5 м/с.
Станок снабжён комбинированной системой смазки.
Механизмы, расположенные внутри сверлильной головки смазываются
автоматически от системы смазки сверлильной головки, состоящей из плунжерного
насоса и системы каналов подводящих смазку на все валы. Направляющие рукава
смазываются периодически вручную при помощи лейки.
Нижние подшипники шпинделя смазываются периодически при помощи шприца.
Смазка возможна при выдвинутом шпинделе. Верхние подшипники шпинделя
смазываются при сборке. Подшипники поворота рукава, винт подъёма бочки, опоры
червяка поворотного стола смазываются периодически вручную.
Таблица 8.1- Перечень точек смазки станка
|
№ точки
|
Периодичность смазки
|
Смазываемая точка
|
Куда входит
|
Смазочный материал
|
|
1
|
Раз в год
|
Подшипники поворота стола
|
Плита и рукав
|
смазкаЦИАТИМ-201
ГОСТ6267-74
|
|
2
|
Раз в неделю
|
Винт механизма подъёма
бочки
|
Плита и рукав
|
|
3
|
Раз в смену
|
Направляющая колонны
|
Плита и рукав
|
Масло индустриальное 20
ГОСТ 1707-51
|
|
4
|
Раз в месяц
|
Опора червяка поворота
стола
|
Бочка
|
смазкаЦИАТИМ-201
ГОСТ6267-747
|
|
6
|
Раз в смену
|
Направляющие рукова
|
Плита и рукав
|
Масло индустриальное 20
ГОСТ 1707-51
|
|
9
|
Непрерывно
|
Сверлильная головка
|
Сверлильная головка
|
Масло индустриальное 20
ГОСТ 1707-51
|
Рисунок 8.1-Схема точек смазки станка
9. Техника
безопасности и охрана труда
1. Общие требования охраны труда
.1. К самостоятельной работе на сверлильном станке допускаются лица в
возрасте не моложе 16 лет, прошедшие соответствующую подготовку, инструктаж по
охране труда, медицинский осмотр и не имеющие противопоказаний по состоянию
здоровья.
К работе на сверлильном станке под руководством учителя (преподавателя,
мастера) допускаются учащиеся с 5-го класса, прошедшие инструктаж по охране
труда, медицинский осмотр и не имеющие противопоказаний по состоянию здоровья.
.2. Обучающиеся должны соблюдать правила поведения, расписание учебных
занятий, установленные режимы труда и отдыха.
.3. При работе на сверлильном станке возможно воздействие на работающих
следующих опасных производственных факторов:
отсутствие защитного кожуха ременной передачи;
травмирование глаз отлетающей стружкой при работе без защитных очков;
ранение рук при плохом закреплении детали;
наматывание одежды или волос на шпиндель станка;
неисправности электрооборудования станка и заземления его корпуса.
.4. При работе на сверлильном станке должна использоваться следующая
спецодежда и индивидуальные средства защиты: халат хлопчатобумажный, берет,
защитные очки. На полу около станка должна быть деревянная решетка с
диэлектрическим резиновым ковриком.
.5. В учебной мастерской должна быть медаптечка с набором необходимых
медикаментов и перевязочных средств для оказания первой помощи при травмах.
.6. Обучающиеся обязаны соблюдать правила пожарной безопасности, знать
места расположения первичных средств пожаротушения. Учебная мастерская должна
быть обеспечена первичными средствами пожаротушения: огнетушителем химическим
пенным, огнетушителем углекислотным или порошковым и ящиком с песком.
При несчастном случае пострадавший или очевидец несчастного случая обязан
немедленно сообщить учителю (преподавателю, мастеру), который сообщает об этом
администрации учреждения. При неисправности оборудования, инструмента
прекратить работу и сообщить об этом учителю (преподавателю, мастеру).
.8. Обучающиеся должны соблюдать порядок выполнения работы, правила
личной гигиены, содержать в чистоте рабочее место.
.9. Обучающиеся, допустившие невыполнение инструкции по охране труда,
привлекаются к ответственности и со всеми обучающимися проводится внеплановый
инструктаж по охране труда.
. Требования охраны труда перед началом работы
.1. Надеть спецодежду, волосы тщательно заправить под берет.
.2. Убедиться в наличии и надежности крепления защитного кожуха ременной
передачи, а также соединения защитного заземления с корпусом станка.
.3. Разложить инструменты и заготовки в определенном установленном
порядке на тумбочке или на специальном приспособлении, убрать все лишнее.
.4. Надежно закрепить сверло в патроне и обрабатываемую деталь на столе
станка в тисках.
.5. Проверить исправную работу станка на холостом ходу.
.6. Проветрить помещение учебной мастерской.
. Требования охраны труда во время работы
.1. Перед сверлением металла накернить центры отверстий, а деревянные
заготовки в центре отверстий наколоть шилом.
.2. Сверло к детали подавать плавно, без усилий и рывков, только после
того, как шпиндель станка наберет полную скорость вращения.
.3. Не наклонять голову близко к вращающемуся шпинделю станка и сверлу.
.4. Запрещается держать руками при сверлении незакрепленную в тисках
деталь, а также работать в рукавицах.
.5. Не класть посторонних предметов на станину станка.
.6. Не смазывать и не охлаждать сверло во время работы станка с помощью
мокрых тряпок.
.7. Не тормозить руками патрон станка или вращающееся сверло.
.8. При сверлении крупных деревянных заготовок подложить под них на стол
станка обрезок доски.
.9. Особое внимание и осторожность проявлять в конце сверления. При
выходе сверла из материала заготовки уменьшить подачу.
.10. Не оставлять работающий станок без присмотра.
. Требования охраны труда в аварийных ситуациях
.1. При возникновении неисправности в работе станка, поломке сверла, а
также при неисправности заземления корпуса станка прекратить работу, отвести
сверло от детали, выключить станок и сообщить об этом учителю (преподавателю,
мастеру).
.2. При загорании электрооборудования станка немедленно выключить станок
и приступить к тушению очага возгорания углекислотным, порошковым огнетушителем
или песком.
.3. При получении травмы сообщить учителю (преподавателю, мастеру),
которому оказать первую помощь пострадавшему, при необходимости отправить его в
ближайшее лечебное учреждение и сообщить об этом администрации учреждения.
. Требования охраны труда по окончании работы
.1. Отвести сверло от заготовки и выключить станок.
.2. После остановки вращения сверла удалить стружку со станка с помощью
щетки, а из пазов станочного стола металлическим крючком. Не сдувать стружку
ртом и не сметать ее рукой.
.3. Протереть и смазать станок, промасленную ветошь убрать в
металлический ящик с крышкой.
.4. Снять спецодежду и тщательно вымыть руки с мылом. Проветрить
помещение учебной мастерской.
Заключение
В данном курсовом проекте на основе исходного радиально-сверлильного станка 2Л53У мы модернизировали привод главного
движения.
Провели силовой и прочностной расчёт привода главного движения и основных
его элементов, рассчитали пары зубчатых колёс.
Провели проектный расчёт валов привода ГД, проверочный расчёт на
прочность.
Разработали конструкцию шпиндельного узла, рассчитали его на прочность,
жёсткость и виброустойчивость.
Выбрали систему смазки станка и ознакомились с ТБ при работе на станке.
Таким образом, в ходе выполнения курсового проекта закрепили теоретические
знания, ознакомились со специальной технической литературой, научились
самостоятельно рассчитывать и проектировать узлы станков.
Литература
1. Анурьев В.И. Справочник конструктора-машиностроителя.
Т1.М. Машиностроение, 1979г.
. Анурьев В.И. Справочник конструктора-машиностроителя. Т2.М.
Машиностроение, 1979г.
.Кочергин А.И. Конструирование и расчет металлорежущих
станков и станочных приспособлений. Курсовое проектирование. Мн.:
Выш.шк.,1991.-382 с.
. Санюкевич Ф.М. Детали машин. Курсовое проектирование.
Брест: БГТУ, 2003.-462 c.
.Справочник технолога-машиностроителя. Т1. Под ред. А.Г.
Косиловой и Р.К. Мещерякова. М. Машиностроение, 1985г.
. П. Ф. Дунаев, Леликов О.П. Конструирование узлов и деталей
машин.