Выбор схемы собственных нужд и трансформаторов
Содержание
электрический трансформатор шина
радиоуправление
Введение
. Выбор и обоснование двух вариантов
схем
. Выбор трансформаторов
. Технико- экономическое сравнение
двух вариантов схем
. Выбор и обоснование схем РУ
. Выбор схемы собственных нужд и трансформаторов
СН
. Расчет токов короткого замыкания
. Выбор электрических аппаратов и
токоведущих частей
.1 В цепи АТ
.2 В цепи СВ- 35кВ
Список литературы
Введение
Электроэнергетика - отрасль промышленности,
занимающаяся производством электроэнергии на электростанциях и передачей ее
потребителям. Стратегия развития электросетевого комплекса Российской Федерации
(далее - Стратегия), разработанная на период до 2030 года во исполнение Указа
Президента Российской Федерации от 22 ноября 2012 года №1567, охватывает
основную деятельность электросетевого комплекса - передачу и распределение
электрической энергии и непосредственно связанные с ней аспекты смежных видов
деятельности (генерацию и сбыт электрической энергии) на территории России. В
Стратегии особое внимание уделяется деятельности создаваемого отрытого
акционерного общества "Российские сети" и входяцих в него
организаций, контролирующих около 70 процентов распеределительных и 90
процентов магистральных сетей в России. При этом большинство положений Стратегии,
относящихся к открытому акционерному обществу "Российские сети",
актуальны и для других сетевых организаций. Основной целью (миссией)
деятельности электросетевого комплекса является долгосрочное обеспечение
надежного, качественного и доступного энергоснабжения потребителей Российской
Федерации путем организации максимально эффективной и соответствующей мировым
стандартам сетевой инфраструктуры по тарифам на передачу электрической энергии,
обеспечивающим приемлемый уровень затрат на электрическую энергию для
российской экономики и инвестиционную привлекательность отрасли через
адекватный возврат на капитал. Основными приоритетами деятельности
магистрального электросетевого комплекса являются поддержание и развитие
инфраструктуры (линии и трансформаторы), позволяющей обеспечить выдачу мощности
станций и передачу электрической энергии в распределительные сети, а также
обеспечение энергетической целостности (безопасности) государства. Целью
функционирования распределительного электосетевого комплекса является
долгосрочное обеспечение надежного, качественного и доступного энергоснабжения
потребителей на всей территории соответствующего региона на этапе распределения
электрической энергии за счет организации максимально эффективной
инфраструктуры. В чисто ключевых задач государственной политики в сфере
электросетевого хозяйства входят создание экономических методов стимулирования
эффективности сетевых организаций, обеспечение условий для стабилизации
тарифов, а также привлечение нового капитала в электросетевой комплекс в
объеме, достаточном для модернизации и реконструкции электрических сетей для
обеспечения надежности энергоснабжения. На сегодняшний день стратегическое
управление отраслью осуществляется на основе Энергетической стратегии России на
период до 2030 года, утвержденной распоряжением Правительства Российской
Федерации от 13 ноября 2009 года, №1715-р, которая направлена на максимально
эффективное использование природных энергетических ресурсов и потенциала
энергетического сектора для устойчивого роста экономики, повышения качества
жизни населения страны и содействия укрепления ее внешнеэкономических позиций.
1. Выбор и обоснование двух вариантов схем
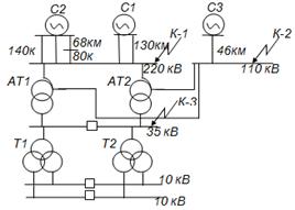
Согласно заданию необходимо разработать
электрическую часть подстанции напряжением U=220/110/35/10кВ.
Питание потребителя осуществляется на стороне
110кВ по шести воздушным линиям мощностью 22/17МВт каждая; на стороне 35кВ по
четырем воздушным линиям мощностью 7,8/6,3МВт каждая и на стороне 10кВ по
двадцати кабельным линиям мощностью 1,9/1,65МВт каждая.
Связь с энергосистемами осуществляется на
сторонах 220кВ и110кВ.
На стороне 220кВ по пяти воздушным линиям.
На стороне 110кВ по одной воздушной линии.
Место сооружения проектируемой подстаниции
Самарская область.
С учетом надежности электроснабжения составлено
два варианта схем.
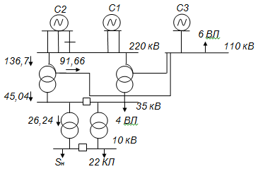
вариант
Рис.1.1
В этом варианте шины 6кВ запитаны от шин 110кВ
через понижающий трансформатор. Связь шин 220, 110, 35кВ осуществляется
автотрансформаторами.
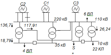
Рис.1.2
В отличие от первого варианта шины 10кВ запитаны
от шин 35кВ через понижающие трансформаторы.
2. Выбор трансформаторов
Таблица 1 - Таблица нагрузок
|
Напряжение,
кВ
|
Нагрузка
|
|
Р,
МВт
|
сos
|
tg
|
Q,МВАр
|
S,МВА
|
|
10
|
41,8
|
0,8
|
0,75
|
31,35
|
52,25
|
|
35
|
31,2
|
0,83
|
0,67
|
20,9
|
37,59
|
|
110
|
132
|
0,85
|
0,62
|
81,8
|
155,29
|
|
Переток
|
24
|
0,85
|
0,62
|
14,88
|
28,24
|
|
Сн
|
0,2
|
0,85
|
0,62
|
0,12
|
0,24
|
Выбор двухобмоточных трансформаторов
I Вариант:
Принято:2хТРДН-40000/110 (8, стр. 148, т. 3.8)
II Вариант:

Принято:2хТРДНС-40000/35 (8 , стр. 142, т. 3.5)
Выбор автотрансформаторов
Принято: 2хАТДЦТН-200000/220/110 ( 8, стр. 156,
т. 3.8)
Проверка по нагрузке НН
I Вариант:
II Вариант
Принято: 2хАТДЦТН-200000/220(8, стр. 156, т.
3.8)
Таблица 3 - Технические данные трансформаторов
3. Технико-экономическое сравнение вариантов
схем
Экономическая целесообразность схемы
определяется минимальными приведенными затратами:
,
где К - капиталовложение на сооружение
электроустановки, тыс. руб.; pн-
нормативный коэффициент экономической эффективности, равный 0,12 К -
капиталовложение на сооружение электроустановки, тыс.руб.; И - годовые эксплуатационные
издержки, тыс.руб./год; У - ущерб от недоотпуска электроэнергии,
тыс.руб./год.(на вновь проектируемых объектах не учитывается).
Вторая составляющая расчетных затрат - годовые
эксплуатационные издержки - определяются по формуле:
Где ра и ро - отчисление
на амортизацию и обслуживание, %;
-
потери электроэнергии,
; β - стоимость
потерь электроэнергии (4, табл.8.2 или 5, табл.6.1 и 6.2)
Таблица 4 - капиталовложение
|
Наименование
|
Стоимость
единицы тыс. руб.
|
Вариант
|
|
|
Первый
|
Второй
|
|
|
Кол-во
единиц, шт
|
Общая
стоимость, тыс. руб.
|
Кол-во
единиц, шт
|
Общая
стоимость, тыс. руб.
|
|
ТРДН-40000/110
|
8800
|
2
|
17600
|
-
|
-
|
|
ТДРНС-40000/35
|
7900
|
-
|
-
|
2
|
15800
|
|
АТДЦТН-200000/220/110
|
27000
|
2
|
54000
|
2
|
54000
|
|
ЯЧЕЙКИ
ОРУ 220Кв
|
30000
|
9
|
270000
|
9
|
270000
|
|
ОРУ
110Кв
|
14500
|
13
|
188500
|
11
|
159500
|
|
ОРУ
35кВ
|
1250
|
7
|
8750
|
9
|
10125
|
|
ЗРУ
10кВ
|
230
|
30
|
6900
|
30
|
6900
|
|
Итого
|
|
|
545750
|
|
516325
|
ТРДН-40000/110
ТРДНС-40000/35
АТДЦТН-200000/220/110
Ркв=Ркс=Ркн=0,5Рк
Таблица 3.2 - Приведённые затраты
|
Наименование
|
Вариант
|
|
Ι
- вариант
|
ΙΙ-вариант
|
|
Кап.
вложения К, тыс.руб.
|
545750
|
517450
|
|
0,12К,
тыс.руб./год
|
65490
|
61959
|
|
Издержки
И, тыс.руб./год
|
50772,68
|
48144,81
|
|
Затраты
З, тыс.руб./год
|
116262,69
|
110103,81
|
II вариант
экономичней, по этому принят к дальнейшим расчетам.
4. Выбор и обоснование схем РУ
На стороне 220кВ количество присоединений -
девять. Согласно Норм технологического проектирования (НТП) принята схема
"Две несекционированные системы шин с обходной". Достоинства:
количество радиальных ВЛ более одной на секцию; возможность поочередного
ремонта выключателей без отключения присоединений; возможность расширения РУ.
Недостатки: сложность схемы; вывод из работы секции сопряжен с погашением ее
присоединений; дорогая.
На стороне 110кВ количество присоединений -
одиннадцать. Согласно НТП принята схема "Две несекционированные системы
шин с обходной". Достоинства: количество радиальных ВЛ более одной на
секцию; возможность поочередного ремонта выключателей без отключения
присоединений; возможность расширения РУ. Недостатки: сложность схемы; вывод из
работы секции сопряжен с погашением ее присоединений; дорогая.
На стороне 35кВ количество присоединений -
девять. Согласно НТП принята схема "Одна секционированная система
шин". Достоинства : позволяет производить ремонт одной системы шин,
сохраняя в работе все присоединения. Недостатки: необходимость отключения линии
или источников питания на все время ремонта выключателя в их цепи.
На стороне 10кВ количество присоединений -
тридцать. Согласно НТП принята схема "Двойная секционированная система
шин". Данная схема имеет те же достоинства и недостатки что и предыдущая
схема.
5. Выбор схемы
электроснабжения собственных нужд
На подстанции наиболее ответственными
потребителями собственных нужд являются: оперативные цепи, системы связи,
телемеханики, система охлаждения трансформаторов, аварийное освещение, система
пожаротушения.
Мощность потребителей собственных нужд не
велика, поэтому они присоединяются к сети 380/220В, получая питание от
понижающих трансформаторов.
Так как подстанция двухтрансформаторная
устанавливают два трансформатора ТСН.
На подстанциях 110-220кВ с числом выключателей
110 или 220кВ более трех, поэтому применяется постоянный оперативный ток.
Выбор ТСН.
Принято: 2хТСЗ -250/10 (3, стр.120,т.3.3)
Исходя из вышеизложенного, принята следующая
схема питания собственных нужд подстанции.
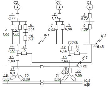
6. Расчет токов короткого замыкания
Расчетная схема
АТ1,АТ2 - АТДЦН-200000/220/110
Т1,Т2 - ТРДНС-40000/35
Расчет сопротивлений
Система
Линии
Автотрансформаторы
Трансформаторы
Преобразование схемы относительно к-1
Преобразование схемы относительно К-2
Преобразование схемы относительно К-3
Расчет токов КЗ относительно К-1
Ветвь С1,2
( , стр. 150, т.
38)
Ветвь С3
( , стр. 150, т.
38)
Расчет токов КЗ относительно К-2
Ветвь С1,2
Ветвь С3
Расчет токов КЗ относительно К-3
Ветвь С1,2,3
Таблица 6.1 - Сводная таблица токов КЗ
|
Точка
кз
|
, кВ
|
, кА
|
Источник
|
, кА
|
, кА
|
|
К-1
|
230
|
2,51
|
С1,2
|
3,8
|
9,23
|
|
|
|
С3
|
1,05
|
2,39
|
|
|
|
Итого:
|
4,85
|
11,62
|
|
К-2
|
115
|
5,02
|
С1,2
|
5,28
|
12,82
|
|
|
|
С3
|
2,38
|
5,41
|
|
|
|
Итого:
|
7,66
|
18,23
|
|
К-3
|
37
|
15,6
|
С1,2,3
|
9,2
|
25,18
|
7. Выбор электрических аппаратов и токоведущих
частей
.1 В цепи АТ
На стороне ВН
Выбор выключателей и разъединителей
Принято: Выключатель:ВГУ-220-45/3150У1
(3,с.275,т.5.5)
Разъединитель: РНД3.1.2-220/1000У1
|
Расчетные
данные
|
Каталожные
данные
|
|
Выключатель
ВГУ-220-45/3150У1
|
Разъединитель
РНДЗ.1.2-220/1000У1
|
|
|
|
|
|
|
|
|
|
|
|
|
|
|
|
|
|
|
|
|
|
|
|
|
|
|
|
|
τ
Ветвь С1,2
( 8, стр. 211,
р.3.62.)
Ветвь С3
Выбор гибкой ошиновки
Выбор гибкой ошиновки производится по
экономической плотности тока
jэк=1
А/мм2(5 с.233 т.4.5)
Принято: с учетом минимального
сечения по коронированию АС-400/22 (8.с624т.3.3)
Проверка:
по нагреву:
на термическую стойкость
проверка не производится, т.к. ошиновка выполнена голым проводом на открытом
воздухе и имеет большую поверхность охлаждения.
на схлестывание: на
схлестывание проверка не производится, т.к.
-на коронирование:

Выбор трансформатора тока

Принято: ТФУМ220Б-IV-1000/5У1
(3.с.306т.5.9)
Таблица 7.2 - Расчеты и каталожные данные
|
Расчетные
данные
|
Каталожные
данные
|
|
|
|
|
|
|
|
|
|
|
|
|
|
|
|
Проверка трансформаторов тока по вторичной
нагрузке
Таблица 7.3 - Вторичная нагрузка трансформаторов
тока
|
Прибор
|
Тип
|
Нагрузка
В∙А фазы
|
|
|
А
|
В
|
С
|
|
Амперметр
|
Э-335
|
-
|
0.5
|
-
|
|
Итого
|
|
-
|
0.5
|
-
|
Общее сопротивление приборов
Допустимое сопротивление проводов
т.к., менее трех приборов. Допустимое свечение
соединительных приборов
Принят контрольный кабель КВВГ-4мм2
Трансформатор тока будет работать в классе
точности 0,5
Выбор ограничителя перенапряжения
Uуст ≤ Uном Uуст =220кВ
Принято: ОПН-220У1 (,с366.т5.21 )
На стороне СН
Выбор выключателя и разъединителя


Принято: выключатель: ВГУ-110-40/2000 У1 (8.
с.67 т.3.1)
разъединитель: РНДЗ.1.2-110/2000 У1 (3. с.272
т.5.5)
Таблица 7.1 Расчетные каталожные данные
|
Расчетные
данные
|
Каталожные
данные
|
|
Выключатель
ВГУ-110-40/2000 У1
|
Разъединитель
РНДЗ.1.2-110/2000 У1
|
|
|
|
|
|
|
|
|
|
|
|
|
|
|
|
|
|
|
|
|
|
|
|
|
|
|
|
|
τ
Ветвь С1,2
( 8, стр. 211,
р.3.62.)
Ветвь С3
( 8, стр. 211,
р.3.62.)
Выбор гибкой ошиновки
Выбор гибкой ошиновки производится по
экономической плотности тока
Принято:
АС-400/22 (8.с624т.3.3)
Проверка:
по нагреву:
на термическую стойкость проверка не
производится, т.к. ошиновка выполнена голым проводом на открытом воздухе и
имеет большую поверхность охлаждения.
на схлестывание: на схлестывание проверка не
производится, т.к.
-на коронирование не производится т.к. принятое
сечение во много раз превышает минимально допустимое (ПУЭ).
Выбор трансформаторов тока

Принято: ТФЗМ110Б-III-1500/5У1
(3.с.304т.5.9)
Таблица 7.2 - Расчеты и каталожные данные
|
Расчетные
данные
|
Каталожные
данные
|
|
|
|
|
|
|
|
|
|
|
|
|
|
|
|
Проверка трансформаторов тока по вторичной
нагрузке
Таблица 7.3 - Вторичная нагрузка трансформаторов
тока
|
Прибор
|
Тип
|
Нагрузка
В∙А фазы
|
|
|
А
|
В
|
С
|
|
Амперметр
|
Э-335
|
-
|
0,5
|
-
|
|
Ваттметр
|
Д-335
|
0,5
|
-
|
0,5
|
|
Варметр
|
Д-304
|
0,5
|
-
|
0,5
|
|
Счетчик
активной энергии
|
СЭТЗа-01-01
|
0,05
|
-
|
0,05
|
|
Счетчик
реактивной энергии
|
СЭТЗр-01-08
|
0,05
|
-
|
0,05
|
|
Итого
|
|
1,1
|
0,5
|
1,1
|
Общее сопротивление приборов
Допустимое сопротивление проводов
т.к., более трех приборов.
Допустимое свечение соединительных приборов
Принят контрольный кабель
КВВГ-2,5мм2
Трансформатор тока будет работать в классе
точности 0,5
Выбор ограничителя перенапряжения
уст ≤ Uном Uуст =110кВ
Принято: ОПН-110У1 (,с366.т5.21 )
На стороне НН
Выбор выключателя и разъединителя


Принято: выключатель: ВБН-35-20/1600 УХЛ1
(с.100)
разъединитель: РНДЗ.1.2-35/2000 У1 (3. с.270
т.5.5)
Таблица 7.1 Расчетные каталожные данные
|
Расчетные
данные
|
Каталожные
данные
|
|
Выключатель
ВБН-35-20/1600 УХЛ1
|
Разъединитель
РНДЗ.1.2-35/2000 У1
|
|
|
|
|
|
|
|
|
|
|
|
|
|
|
|
|
|
|
|
|
|
|
|
|
|
|
|
|
τ
Ветвь С1,2,3
( 8, стр. 211,
р.3.62.)
Выбор гибкой ошиновки
Выбор гибкой ошиновки производится по
экономической плотности тока
Принято:
АС-400/22 (8.с624т.3.3)
Проверка:
по нагреву:
на термическую стойкость проверка не
производится, т.к. ошиновка выполнена голым проводом на открытом воздухе и
имеет большую поверхность охлаждения.
на схлестывание: на схлестывание проверка не
производится, т.к.
-на коронирование не производится т.к. согласно
ПУЭ сечение на 35кВ не коронируется
Выбор трансформаторов тока

Принято: ТФЗМ35Б-I-1500/5У1
(3.с.304т.5.9)
Таблица 7.2 - Расчеты и каталожные данные
|
Расчетные
данные
|
Каталожные
данные
|
|
|
|
|
|
|
|
|
|
|
|
|
|
|
|
Проверка трансформаторов тока по вторичной
нагрузке
Таблица 7.3 - Вторичная нагрузка трансформаторов
тока
|
Прибор
|
Тип
|
Нагрузка
В∙А фазы
|
|
|
А
|
В
|
С
|
|
Амперметр
|
Э-335
|
-
|
0,5
|
-
|
|
Ваттметр
|
Д-335
|
0,5
|
-
|
0,5
|
|
Варметр
|
Д-304
|
0,5
|
-
|
0,5
|
|
Счетчик
активной энергии
|
СЭТЗа-01-01
|
0,05
|
-
|
0,05
|
|
Счетчик
реактивной энергии
|
СЭТЗр-01-08
|
0,05
|
-
|
0,05
|
|
Итого
|
|
1,1
|
0,5
|
1,1
|
Общее сопротивление приборов
Допустимое сопротивление проводов
т.к., более трех приборов.
Допустимое свечение соединительных приборов
Принят контрольный кабель
КВВГ-2,5мм2
Трансформатор тока будет работать в классе
точности 0,5
.2 В цепи СВ-35кВ
Выбор выключателя и разъединителя


Принято: выключатель: ВБН-35-20/1600 УХЛ1
(с.100)
разъединитель: РНДЗ.1.2-35/1000 У1 (3. с.270
т.5.5)
Проверка проведена в пункте 7.1.3.1
Выбор гибкой ошиновки
Выбор гибкой ошиновки производится по
экономической плотности тока
Принято: 2АС-400/22 (8.с624т.3.3)
Проверка проведена в пунтке 7.1.3.2
Выбор трансформаторов тока

Принято: ТФЗМ35Б-I-1500/5У1
(3.с.304т.5.9)
Проверка по токам КЗ проведена в пункте 7.1.3.3.
Проверка трансформаторов тока по вторичной
нагрузке
Таблица 7.3 - Вторичная нагрузка трансформаторов
тока
|
Прибор
|
Тип
|
Нагрузка
В∙А фазы
|
|
|
А
|
В
|
С
|
|
Амперметр
|
Э-335
|
-
|
0.5
|
-
|
|
Итого
|
|
-
|
0.5
|
-
|
Общее сопротивление приборов
Допустимое сопротивление проводов
Допустимое свечение соединительных приборов
Принят контрольный кабель КВВГ-2,5мм2
Трансформатор тока будет работать в классе
точности 0,5
Список литературы
. Правила устройства
электроустановок. - 7-е изд- Все действующие разделы ПУЭ-7, 5-й выпуск, стер. -
Новосибирск: Сиб. унив. изд-во, 2007.- 512 с.
2. Нормы технологического
проектирования тепловых электростанций и тепловых сетей: ВНТП-91 -М.:ЦНТИ
Информэнерго,1991- 122с.
3. Б.Н. Неклепаев, И.П.Крючков
Электрическая часть электростанций и подстанций: Справочные материалы для
курсового и дипломного проектирования .- 4-е изд.-М.;
Энергоатомиздат,1989.-608с.
. С.Рокотян и И.М. Шапиро Справочник
по проектированию электроэнергетических систем.-3-е изд., -М.,
Энергоатомиздат,1985.-352с.
. Справочник по проектированию
электроэнергетических сетей. Под редатцией Д.Л.Файбисовича. -М.: Изд-во НЦ
ЭНАС, 2005-320с.ил.
. Н.А.Ведешенков Электрические
аппараты высокого напряжения. Выключатели. Том1.
Справочник.-М.;Информэлектро,2001,-120с.
7. А.А.Чунихин, Е.Ф. Галтеева
Электрические аппараты высокого напряжения. Выключатели. Том2. Справочник.-М.;Информэлектро,2002,-196с.
8. Л.Д Рожкова, В.С. Козулин
Электрооборудование станций и подстанций .-3-е изд., -М.;
Энергоатомиздат,1987.-648с.
. Журнал "Энергетик"