Электрическая часть КЭС-3200 МВт
Содержание
АННОТАЦИЯ
1. ВЫБОР ГЕНЕРАТОРА
. ВЫБОР ДВУХ ВАРИАНТОВ СХЕМ ПРОЕКТИРУЕМОЙ ЭЛЕКТРОСТАНЦИИ
3. ВЫБОР ТРАНСФОРМАТОРОВ НА ПРОЕКТИРУЕМОЙ ЭЛЕКТРОСТАНЦИИ
3.1 Выбор блочных трансформаторов
.2 Выбор трансформаторов связи
.3 Выбор блочных трансформаторов
.4 Выбор трансформаторов связи
4.
ТЕХНИКО-ЭКОНОМИЧЕСКОЕ СРАВНЕНИЕ ВАРИАНТОВ СХЕМ ПРОЕКТИРУЕМОЙ ЭЛЕКТРОСТАНЦИИ
5. ВЫБОР И
ОБОСНОВАНИЕ УПРОЩЕНЫХ СХЕМ РУ РАЗЛИЧНЫХ НАПРЯЖЕНИЙ
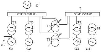
5.1 Выбор числа линий связи с системой
.2 Выбор схемы ОРУ 500 кВ
.3 Выбор схемы ОРУ 220 кВ
.4 Выбор схемы блока генератор-трансформатор
6. ВЫБОР СХЕМЫ
СОБСТВЕННЫХ НУЖД И ТРАНСФОРМАТОРОВ СОБСТВЕННЫХ НУЖД
.1 Принцип
построения схемы собственных нужд ТЭЦ
6.2 Выбор рабочего ТСН
7. РАСЧЕТ ТОКОВ
КОРОТКОГО ЗАМЫКАНИЯ
7.1 Расчетная схема
.2 Схема замещения
.3 Расчет сопротивлений электрической схемы замещения
.4 Расчет токов короткого замыкания в точке К-1
.5 Расчет тока короткого замыкания в точке К-2
.6 Расчет тока короткого замыкания в точке К-3
.7 Расчет тока однофазного короткого замыкания
8. ВЫБОР
ТОКОВЕДУЩИХ ЧАСТЕЙ И АППАРАТОВ ДЛЯ ЗАДАННЫХ ЦЕПЕЙ
8.1 Схема перетоков мощности в нормальном режиме при
минимальной нагрузке
.2 Схема перетоков мощности в аварийном режиме
.3 Расчетные условия для выбора и проверки аппаратов и
токоведущих частей по продолжительному режиму работы и режиму короткого
замыкания
.4 Выбор выключателей в ячейке ОРУ 500кВ
.5 Выбор разъединителей в цепи линии, трансформатора, ячейке
ОРУ 500кВ
.6 Выбор трансформаторов тока в ячейке ОРУ 500кВ
.7 Выбор трансформаторов напряжения в цепи линии
.8 Выбор токоведущих частей в цепи линии за пределами ОРУ 500
кВ
.9 Выбор токоведущих частей в цепи трансформатора за
пределами ОРУ 500 кВ
.10 Выбор токоведущих частей в пределах ОРУ 500 кВ
.11 Выбор изоляторов
.12 Расчетные условия для выбора и проверки аппаратов и
токоведущих частей по продолжительному режиму работы и режиму короткого
замыкания
.13 Выбор выключателя и разъединителя в цепи линии
.14 Выбор выключателя и разъединителя в цепи трансформатора
связи
.15 Выбор трансформатора тока в цепи линии
.16 Выбор трансформатора тока в цепи трансформатора
.17 Выбор трансформатора напряжения
.18 Выбор опорного изолятора
.19 Выбор токоведущих частей в цепи линии
.20 Выбор токоведущих частей в цепи трансформатора связи
9. ВЫБОР
СПОСОБА СИНХРОНИЗАЦИИ
10. РАСЧЁТ
РЕЛЕЙНОЙ ЗАЩИТЫ
10.1 Расчёт продольной дифференциальной защиты
.2 Расчёт защиты от симметричных перегрузок
.3 Расёт защиты от внешних междуфазных КЗ
11. ОПИСАНИЕ
КОНСТРУКЦИЙ ОРУ
11.1 ОРУ 500 кВ
.1 ОРУ 220 кВ
12. РАСЧЁТ
ЗАЗЕМЛЯЮЩЕГО УСТРОЙСТВА
12.1 Определение сопротивления заземлителя типа сетки без
вертикальных электродов
.2 Определение сопротивления заземлителя, включая
естественные заземлители
.3 Определение напряжения приложенного к человеку
.4 Определение сопротивления заземлителя типа сетки с
вертикальными электродами
.5 Определение сопротивления заземлителя, включая
естественные заземлители
.6 Определение напряжения приложенного к человеку
13. ОХРАНА
ТРУДА
14. СПЕЦИАЛЬНОЕ
ЗАДАНИЕ
14.1 Эксплуатация элегазовых трансформаторов тока и напряжения
15.
ЭКОНОМИЧЕСКАЯ ЧАСТЬ
15.1
Капиталовложения в строительство КЭС
15.2 Удельные
капиталовложения
15.3 Годовая
выработка электроэнергии
15.4 Годовой
расход электрической энергии на собственные нужды
15.5 Удельный
расход электроэнергии на собственные нужды
15.6 Годовой
отпуск электроэнергии с шин станции
15.7 Годовой
расход условного топлива
15.8 Годовой
расход натурального топлива
15.9 Удельный
расход условного топлива по отпуску электроэнергии
15.10 КПД
станции по отпуску электроэнергии.
15.11 Проектная
себестоимость электроэнергии с шин КЭС
15.12 Основная
заработная плата производственных рабочих
15.13
Дополнительная заработная плата производственных рабочих
15.14
Отчисления на социальное страхование с заработной платы
производственных
рабочих.
15.15 Расходы
по содержанию и эксплуатации оборудования
15.16 Цеховые
расходы
15.17
Общестанционные расходы
15.18 Общие
издержки производства ТЭЦ.
15.19
Калькуляция себестоимости электрической энергии отпущенной с шин КЭС
15.20 Сводная
таблица технико-экономических показателей ТЭЦ.
16.СПИСОК
ЛИТЕРАТУРЫ
АННОТАЦИЯ
Дипломный проект « Электрическая часть КЭС-3200МВт » выполнен на
основании задания по проектирование.
Место сооружения проектируемой электростанции Пермский край. Топливо,
используемое на станции - газ.
На станции установлено четыре генератора типа Т3В-800-2. Нагрузка
питается от шин 220 кВ по шести воздушным линиям, связь с системой
осуществляется с помощью четырех воздушных линий. Два генератора, в блоке с
трансформаторами, включены на шины 500 кВ и два генератора, в блоке с
трансформаторами, подключены к шинам 220 кВ. Связь между РУ осуществляется с
помощью двух групп из автотрансформаторов типа 3×АОДЦТН-267000/500/220.
На основании НТП ТЭС и в соответствии с числом присоединений на
напряжение 500 кВ принята «С двумя системами сборных шин и тремя выключателями
на две цепи», на напряжение 220 кВ, принята схема «С двумя рабочими системами
сборных шин». Схема блоков «генератор-трансформатор» выполнена с генераторными
выключателями.
В ОРУ 500 кВ установлены выключатели типа LTB 550 E2 и
трансформаторы тока типа ТГФ-500. В цепи линии, трансформатора и ОРУ 500
кВ установлены разъединители типа РПД-500-1/3150 У1. На линиях 500 кВ
установлены трансформаторы напряжения типа НКГ-500.
В цепи линии 220 кВ и трансформаторов связи установлены выключатели типа LTB
245 E1 и разъединители типа РГ-220/3150 УХЛ1. В ячейке ОРУ 220 кВ
установлены трансформаторы тока типа ТГФ-220. На сборных шинах 220 кВ
установлены трансформаторы напряжения типа НОГ-220 II I У1.
На станции установлено четыре рабочих и один пускорезервный
трансформаторы собственных нужд типа ТРДНС-40000/24/6,3-6,3 генераторного
напряжения, и резервный трансформатор типа ТРДНС-40000/230/6,3-6,3
подключенный к шинам 220 кВ.
Для распространенной схемы «С двумя системами сборных шин и тремя
выключателями на две цепи» применяется компоновка с подвесными разъединителями
с трёхрядной установкой выключателей, для схемы «С двумя рабочими системами
сборных шин» - применяется типовая компоновка.
Произведен расчёт релейной защиты трансформатора ПРТСН1 типа ТРДНС-40000/24/6,3-6,3.
На трансформаторе установлены следующие защиты:
. Продольная дифференциальная защита - от всех видов КЗ в обмотке
трансформатора и на выводах
. Газовая защита - от всех повреждений внутри бака трансформатора,
сопровождающихся разложением масла и выделением газа, а том числе от витковых
замыканий, а также от понижения уровня масла в баке трансформатора.
. Защита от симметричной перегрузки, устанавливается на ВН
. Защита от внешних междуфазных коротких замыканий - МТЗ с
комбинированной блокировкой по напряжению, устанавливается на ВН и НН
. Дуговая защита
Капиталовложения в строительство КЭС - 26203200 тыс. руб.
Себестоимость отпускаемой электроэнергии - 48,07 коп/кВтч
КПД станции - 38,8%
1.
ВЫБОР ГЕНЕРАТОРА
На современных станциях для выработки электроэнергии применяются
синхронные генераторы трёхфазного переменного тока. В курсовом проекте
генераторы выбираются по заданной мощности.
Таблица 1 [ 14 ] с. 610
Тип 
C,

x"d
Система
|
Охлаждение
|
|
|
|
|
|
|
|
|
|
|
|
|
МВт
|
МВА
|
Г Р а д
|
кВ
|
об/мин
|
%
|
|
кА
|
возбуждения
|
Обм. статора
|
Обм. ротора
|
Стали статора
|
|
1
|
2
|
3
|
4
|
5
|
6
|
7
|
8
|
9
|
10
|
11
|
12
|
13
|
|
Т3В-800-2
|
800
|
888,9
|
0,9
|
24
|
3000
|
98,93
|
0,2
|
22,65
|
ТН
|
НВд
|
НВд
|
Вд
|
Система возбуждения генератора - независимое тирристорное возбуждение.
Охлаждение обмотки статора - непосредственное водородное
Охлаждение обмотки ротора - непосредственное водородное
Охлаждение стали статора - водородное
Независимое тирристорное возбуждение
Рис.1
На одном валу с генератором G располагается синхронный вспомогательный
генератор GE, который имеет на статоре трехфазную обмотку с отпайками. Имеется
две группы тиристоров (управляемый диод, который открывается и становится
проводящим при подаче напряжения соответствующей полярности в управляющий
диод).-рабочая группа-форсирующая группа
На стороне переменного тока VS1 и VS2 включены на разное напряжение, на
стороне постоянного тока - параллельно.
В нормальном режиме возбуждение генератора обеспечивает VS1; VS2-закрыт.
В режиме форсирования открывается VS1
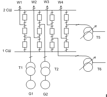
2.
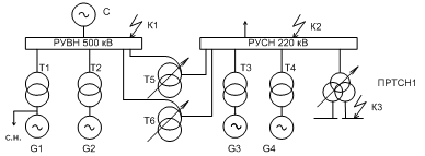
ВЫБОР ДВУХ ВАРИАНТОВ СХЕМ ПРОЕКТИРУЕМОЙ ЭЛЕКТРОСТАНЦИИ
Вариант 1
Рис.2
На ТЭЦ установлено четыре генератора типа Т3В-800-2. Два генератора G1,
G2 в блоке с трансформаторами Т1, Т2 включены на шины РУВН 500кВ. Два
генератора G3, G4 в блоке с трансформаторами Т3, Т4 включены на шины РУСН 220
кВ. Связь между РУ осуществляется с помощью двух автотрансформаторов связи Т5,
Т6. Нагрузка питается по 6 ВЛ. Связь с системой осуществляется по линиям 500
кВ.
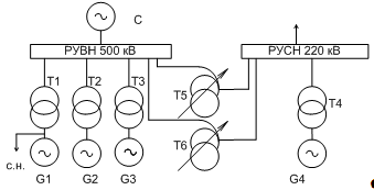
Вариант 2
Рис.3
Три генератора G1, G2, G3 в блоке с трансформаторами Т1, Т2, Т3 включены
на шины РУВН 500кВ. Один генератор G4 в блоке с трансформатором Т4 включен на
шины РУСН 220 кВ. Связь между РУ осуществляется с помощью двух
автотрансформаторов связи Т5, Т6. Нагрузка питается по 6 ВЛ. Связь с системой
осуществляется по линиям 500 кВ.
3.
ВЫБОР ТРАНСФОРМАТОРОВ НА ПРОЕКТИРУЕМОЙ ЭЛЕКТРОСТАНЦИИ
3.1 Выбор
блочных трансформаторов
Вариант 1
Блочные трансформаторы выбираются по мощности генератора за вычетом
нагрузки собственных нужд.
=
(1)
где:
- активная и реактивная мощность генератора.
-
активная и реактивная мощность собственных нужд.
Расход
мощности собственных нужд определяется по формуле(2) [10].
По
формуле (2)
Активная
мощность собственных нужд
Реактивные
мощности генератора и собственных нужд
По
формуле (1)
К
установке принимаются трансформаторы типа
ТНЦ-
1000000/500- Т1,Т2
ТНЦ-
1000000/220- Т3,Т4
3.2 Выбор
трансформаторов связи
Связь между РУ осуществляется двумя трансформаторами связи Т5 и Т6. замыкание электростанция заземлитель электрод
Трансформаторы связи выбираются по наибольшему из трех режимов:
Режим максимальной нагрузки на шинах РУСН:

(3)
Режим минимальной нагрузки на шинах РУСН:
(4)
Аварийный режим ( нагрузка на шинах максимальная, один генератор
отключён):
(5)
Где:
n - число генераторов на шинах ГРУ
-активная
и реактивная мощности генераторов , МВт и Мвар.
-
активная и реактивная мощности собственных нужд , МВт и Мвар.
-
максимальная активная и реактивная нагрузка на шинах ГРУ, МВт и Мвар.
-
минимальная активная и реактивная нагрузка на шинах ГРУ , МВт и Мвар.
Расчет
активной максимальной мощности нагрузки
Где:
n- число воздушных линий
-
максимальная активная мощность одной линии , МВт
-
коэффициент одновременности
Расчет
реактивной максимальной мощности
Расчет
активной минимальной мощности
Расчет
реактивной минимальной нагрузки
По
формуле (3)
По
формуле (4)
По
формуле (5)
Где:
- максимальная полная мощность из трёх режимов, МВА
,4
- коэффициент, учитывающий максимально допустимую перегрузку на 40%
К
установке принимаются две группы автотрансформаторов типа 3*АОДЦТН-267000/500/220-Т5,
Т6
3.3 Выбор
блочных трансформаторов
Вариант 2
Принимаются трансформаторы типа
ТНЦ- 1000000/220- Т3,Т4
ТНЦ- 1000000/500- Т1,Т2
Смотрите пункт 3.1
3.4 Выбор
трансформаторов связи
по формуле (3)
по
формуле (4)
по
формуле (5)
К
установке принимаются две группы автотрансформаторов типа
3*АОДЦТН-267000/500/220-Т5, Т6
4.
ТЕХНИКО-ЭКОНОМИЧЕСКОЕ СРАВНЕНИЕ ВАРИАНТОВ СХЕМ ПРОЕКТИРУЕМОЙ ЭЛЕКТРОСТАНЦИИ
Экономическая целесообразность схемы определяется минимальными
приведёнными затратами
З = ЕнК + И + J ,тыс руб /год (6)
Где: К - капиталовложения на сооружение электроустановки, тыс. руб.
Ен
- нормативный коэффициент экономической эффективности (
)
И
- годовые эксплуатационные издержки, тыс. руб./год
У
- ущерб от недоотпуска электроэнергии, тыс. руб./год.
При
курсовом проектировании ущерб не учитываем, так как считаем, что варианты
равнонадежны
Капиталовложения
К при выборе оптимальных схем выдачи электроэнергии и выборе трансформаторов
определяют по укрупненным показателям стоимости элементов схемы.
Годовые
эксплуатационные издержки определяются по формуле:
(7)
Где:
-отчисления на амортизацию и обслуживание [ 10 ] с.
429
ΔW - потери электроэнергии в трансформаторе, кВт ч
β =2 руб. стоимость 1 кВт*ч потерь электроэнергии
-
коэффициент инфляции
Таблица технико-экономического сравнения вариантов схем проектируемой
электростанции
Таблица 3 [ 14 ] с. 636-638
|
Тип Оборудования
|
Стоимость Единицы Тыс. руб.
.
|
Вариант 1
|
Вариант 2
|
|
|
Кол-во единиц Шт.
|
Общая стоимость Тыс. руб.
|
Кол-во единиц Шт.
|
Общая стоимость Тыс. руб.
|
|
Трансформатор блочный типа
ТНЦ-1000000/220
|
820*60= =49200
|
2
|
98400
|
1
|
49200
|
|
Трансформатор блочный типа
ТНЦ-1000000/500
|
1150*60= =69000
|
2
|
138000
|
3
|
207000
|
|
Ячейка 500 кВ
|
280*60= =16800
|
4
|
67200
|
5
|
84000
|
|
Ячейка 220 кВ
|
78*60= =4680
|
4
|
18720
|
3
|
14040
|
|
Итого К, Тыс.руб.
|
|
322320
|
354240
|
Отчисление
на амортизацию и обслуживание
(6,4+2)/100*
322230=
=27074,9(6,4+2)/100*354240=
|
=29756,2
|
|
|
|
Стоимость потерь
электроэнергии в трансформаторах β=2 руб./кВтч 2*62151244,12*10-3= =124302,5
|
2*608737764,13*10-3=
=121747,53
|
|
Годовые
эксплутационные издержки
тыс.
руб./год
,9+124302,5=
=151377,4
,2+121747,53=
Приведенные
затраты
0,12*322320+151377,4=
=190055,80,12*354240+151503,7=
На основании технико-экономического сравнения двух вариантов схем
проектируемой электростанции делается вывод, что вариант №1 более экономичен,
поэтому он принимается для дальнейших расчетов.
Расчет потерь электроэнергии в трансформаторах:
Потери в двухобмоточном трансформаторе определяются по формуле:
(8)
Где
- потери холостого хода и короткого замыкания
Т
- число часов работы трансформатора в году, ч (Т=8760 ч)
-
максимальная мощность, передаваемая через трансформатор, МВА
- число
часов максимальных потерь
Продолжительность
максимальных потерь определяется по формуле:
(9)
Вариант
1
Определение потерь в трансформаторах связи Т5, Т6.
По формуле (9)
Потери
в трёхобмоточных трансформаторах определяются по формуле
(10)
Потери
в отдельных обмотках
(11)
(12)
По
формуле (11)
По
формуле (12)
По
формуле (10)
Определение потерь в блочных трансформаторах Т1, Т2,Т3,Т4
По формуле (9)
По
формуле (8)
Вариант
2
Определение потерь в трансформаторах связи Т5, Т6.
По
формуле (10)
Определение потерь в блочных трансформаторах Т1, Т2,Т3,Т4
Аналогично расчету для Варианта 1, пункт 4.2.2
5.
ВЫБОР И ОБОСНОВАНИЕ УПРОЩЕНЫХ СХЕМ РУ РАЗЛИЧНЫХ НАПРЯЖЕНИЙ
5.1 Выбор
числа линий связи с системой
Число линий связи с системой выбирается по максимальной мощности,
отдаваемой в систему и мощности одной линии.
Максимальная мощность, передаваемая в систему по линиям, определяется по
формуле:
(13)
Число
линий определяется по формуле:
(14)
по
формуле (13)
по
формуле (14)
На
основании расчетов принимаем 4 линии 500 кВ
5.2 Выбор
схемы ОРУ 500 кВ
На основании НТП ТЭС в соответствии с напряжением и числом присоединений
принята схема «С двумя системами сборных шин и тремя выключателями на две цепи»
Рис. 4
Нормально - все выключатель включены, обе системы шин под напряжением
Достоинства:
. Ремонт любого выключателя без отключения присоединения
. Ремонт любой системы шин без отключения присоединений
. Разъединители - изолирующие аппараты
. Количество операций при выводе в ремонт любого выключателя
минимально
. Высокая надежность, т.к. даже при повреждения на шинах всё
остается в работе
Недостатки:
1. Дороговизна - на каждое присоединение полтора выключателя
. Отключение любого присоединения сразу двумя выключателями, что
приводит к увеличению числа ремонтов выключателей
. Сложная релейная защита
5.3 Выбор
схемы ОРУ 220 кВ
На основании НТП ТЭС в соответствии с напряжением и числом присоединений
должна быть принята схема «С двумя рабочими и обходной системами сборных шин»,
но в связи с применением элегазовых выключателей отпадает потребность в
обходной системе шин, применение которой было эффективным для масляных
выключателей. [ 15 ] с. 50
Рис. 5
Достоинства:
. Ремонт любой системы шин без перерыва электроснабжения.
. При аварии на шинах, перерыв в электроснабжении на время перевода на
другую систему шин.
. Схема гибкая в отношении расширения.
Недостатки:
1. Повреждение шинно-соединительного выключателя приводит к
отключению всех присоединений.
. Отказ выключателя при повреждении элемента приводит к отключению
источников питания и линий присоединенных к данной системе шин.
. Ремонт оборудования связан с большим количеством оперативных
переключений.
. Сложные блокировки между выключателями и разъединителями.
5.4 Выбор
схемы блока генератор-трансформатор
На основании НТП ТЭС в соответствии с числом присоединений принята схема
„Блок генератор-трансформатор с генераторным выключателем”
Рис. 6
Достоинства:
Наличие генераторного выключателя позволяет осуществить пуск генератора
без использования пускорезервного ТСН
Недостатки:
Удорожание схемы в связи с появлением выключателя Q2
6.
ВЫБОР СХЕМЫ СОБСТВЕННЫХ НУЖД И ТРАНСФОРМАТОРОВ СОБСТВЕННЫХ НУЖД
6.1
Принцип построения схемы собственных нужд ТЭЦ
. Для питания крупных двигателей (более 200 МВт) применяется
напряжение 6кВ. Для остальных двигателей применяется напряжение 0,4 кВ.
. Питание собственных нужд осуществляется отпайками от блоков
. Мощность рабочих ТСН определяется по формуле:
(15)
4.
РУСН 6 кВ выполняется с одной системой сборных шин. Сборные шины разделяются на
секции, количество которых, при мощности 800 МВт, две на блок. Применяется ТСН
с расщепленной обмоткой НН для ограничения токов КЗ. Каждая секция
присоединяется к отдельному источнику рабочего питания. На каждой секции
предусмотрен ввод автоматически-включаемого резервного источника питания.
5.
Число ПРТСН принимается равным двум: один присоединенный и один не
присоединенный к генераторному напряжению
6.
Мощность ПРТСН выбирается такой же, как и рабочего ТСН
.
Способ подключения ПРТСН - к шинам РУ низшего из повышенных, при условии, что
оно имеет связь с системой, в том числе через автотрансформатор связи.
.
Магистрали резервного питания СН секционируются через два блока.
.
Для поддержания необходимого напряжения на шинах, все ТСН должны иметь РПН.
.
Количество секций 0,4 кВ - две на каждый блок.
6.2 Выбор
рабочего ТСН
по формуле (15)
Принимаются
к установке трансформатор типа
ТРДНС-40000/24/6,3-6,3
- ТСН1, ТСН3, TCH4, ПРТСН2
ТРДНС-40000/230/6,3-6,3
- ПРТСН1
Таблица номинальных параметров ТСН
Таблица 4 [ 14 ] с.614
|
Тип Трансформатора
|
Номинальное напряжение, кВ
|
Потери, кВт
|
Напряжение К.З., %
|
Ток Х.Х., %
|
Примечание
|
|
ВН
|
НН
|
Х.Х.
|
К.З.
|
|
|
|
|
ТРДНС-40000
|
24
|
6,3-6,3
|
36
|
170
|
12,7
|
0,5
|
ТСН1, ТСН3, TCH4, ПРТСН2
|
|
ТРДНС-40000
|
230
|
6,3-6,3
|
80
|
180
|
11
|
0,8
|
ПРТСН1
|
7.
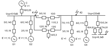
РАСЧЕТ ТОКОВ КОРОТКОГО ЗАМЫКАНИЯ
Расчет токов короткого замыкания производится для выбора и проверки
электрооборудования и токоведущих частей.
Расчет ведется в относительных единицах, за базовую мощность принимается
1000 МВА.
7.1
Расчетная схема
Рис. 8
7.2 Схема
замещения
Рис. 9
7.3 Расчет
сопротивлений электрической схемы замещения
Система
Генераторы
Трансформаторы Т1 и Т2
Трансформаторы Т3 и Т4
Трансформаторы Т5 и Т6
Пускорезервный Трансформатор собственных нужд 1
7.4 Расчет
токов короткого замыкания в точке К-1
Рис. 10
Рис.11
Рис.
12
Рис.13
Таблица расчета токов короткого замыкания в точке К-1.
Таблица 5 [ 14 ] с. 150-152
|
Источники
|
С+G3+G4
|
G1+G2
|
|
|
Расчетные формулы
|
|
|
|
Номинальная
мощность источников, МВА,
15000+2*888,9=
=16777,8
*888,9=1777,8
|
|
|
|
|
Uср. ; кВ
|
515
|
|
|
Хрез.; О.Е.
|

|
|
|
|
Базовая мощность, , МВА1000
|
|
|
|

|
|
|
Э.Д.С.,
о.е.,
1
,13
|
|
|
|
|
  28+7,91=35,91
|
|
|
|
|
 
|
|
|
|
|

|
|
|
|
 
|
|
|
|
|
с.1520,980,95
|
|
|
|
|
  27,44+7,5=34.94
|
|
|
|
|
с.1501,851,967
|
|
|
|
|
с.1500,060,3
|
|
|
|
|
  73,26+22=95,26
|
|
|
|
|
 
|
|
|
|
|
  24,95+10,18=35,13
|
|
|
|
К установке принимается элегазовый выключатель типа LTB-550 E2
7.5 Расчет
тока короткого замыкания в точке К-2
Рис. 14
Рис.15
Таблица расчета токов короткого замыкания в точке К-2.
Таблица 6 [ 14 ] с. 150-152
|
Источники
|
С+G1+G2
|
G3+G4
|
|
|
Расчетные формулы
|
|
|
|
Номинальная
мощность источников, МВА,
15000+2*888,9=
=16777,8
*888,9=1777,8
|
|
|
|
|
Uср. ; кВ
|
230
|
|
|
Хрез.; О.Е.
|

|
|
|
|
Базовая мощность, , МВА1000
|
|
|
|

|
|
|
|
Э.Д.С., о.е., 11,13
|
|
|
|
|
  20,92+18,9=39,82
|
|
|
|
|
 
|
|
|
|
|

|
|
|
|
 
|
|
|
|
|
с.15210,94
|
|
|
|
|
  20,92+17,77=38,69
|
|
|
|
|
с.1501,851,967
|
|
|
|
|
с.1500,060,3
|
|
|
|
|
  54,73+52,57=107,3
|
|
|
|
|
 
|
|
|
|
|
  18,93+24,32=43,25
|
|
|
|
К установке принимается элегазовый выключатель типа LTB-245 E1
7.6 Расчет
тока короткого замыкания в точке К-3
Рис. 16
Рис. 17
Таблица расчета токов короткого замыкания в точке К-3.
Таблица7 [ 14 ] с. 150-152
|
Источники
|
C+G1+G2+G3+G4
|
Д
|
|
|
Расчетные формулы
|
|
|
|
Номинальная
мощность источников, МВА,
+4*888,9=
=18555,6
--------------
|
|
|
|
|
Uср. ; кВ
|
6,3
|
|
|
Хрез.; ОЕ
|
----------------
|
|
|
|
Базовая мощность, , МВА1000
|
|
|
|

|
|
|
|
Э.Д.С., о.е., 1------------
|
|
|
|

-------------
|
---------------
|
|
|
|

|
--------------------
|
|
|
|
|

|
|
|
|

|
----------------
|
|
|
|
|
с.1521---------------
|
|
|
|

,53+3,19=
|
=20,72
|
|
|
|
|
------------0,07
|
|
|
|
|
-------------
|
|
|
|
|
с.1501,86------------
|
|
|
|
|
--------------1,65
|
|
|
|
|
с.1500,067------------
|
|
|
|
|
0,04
|
|
|
|
|
 -------------46,1+31,03=77,13
|
|
|
|
|
------------
|
|
|
|

-----------
|
5,45+1,5=6,95
|
|
|
|
|
----------
|
|
|
|
Принимается к установке выключатель типа ВМПП
7.7 Расчет
тока однофазного короткого замыкания
Определение тока однофазного КЗ производится для расчета заземляющего
устройства. Ток однофазного короткого замыкания определяется по формуле:
(16)
Где:
- результирующее сопротивление прямой
последовательности, о.е.
-
результирующее сопротивление обратной последовательности, о.е.
-
результирующее сопротивление нулевой последовательности, о.е.
Рис.
18
т.к. ток
протекает через одни и те же сопротивления
Схема
замещения нулевой последовательности
Рис.
19
Рис.
20
Рис.
21
Рис.
22
По
формуле (16)
8.
ВЫБОР ТОКОВЕДУЩИХ ЧАСТЕЙ И АППАРАТОВ ДЛЯ ЗАДАННЫХ ЦЕПЕЙ
8.1 Схема
перетоков мощности в нормальном режиме при минимальной нагрузке
Рис. 23
=
8.2 Схема
перетоков мощности в аварийном режиме
Рис. 24
.3
Расчетные условия для выбора и проверки аппаратов и токоведущих частей по
продолжительному режиму работы и режиму короткого замыкания
Таблица 8 [ 14 ] с.213
Расчетные условия Цепь линии 500 кВ
Цепь трансформатора Т2
Ячейка ОРУ 500 кВ
|
|
|
|
|
|
500
|
|

----------------
|
-----------------
|
|
|
|
|
 ----------------------------------
|
|
|
|
|
--------------------- -----------------
|
|
|
|
|
--------------------------------------
|
|
|
|
|
--------------------------------------
|
|
|
|
|
35,91
|
|
|
 95,26
|
|
|
35,13
|
|
|

|
|
8.4 Выбор
выключателей в ячейке ОРУ 500кВ
Таблица 9 [ 9 ]
|
Условия выбора
|
Расчетные данные
|
Каталожные данные
выключателя LTB - 550 E2
|
|
500110
|
|
|
857,2
,7
|
4000
|
|
|
|
34,9450
|
|
|
|
35,13
|
|
|
|
 
|
|
|
|
95,24100
|
|
|
|
361,0750² ∙ 3 = 7500
|
|
|
|
Тип привода
|
|
BLG
|
8.5 Выбор
разъединителей в цепи линии, трансформатора, ячейке ОРУ 500кВ
Таблица 10 [ 9 ]
|
Условия выбора
|
Расчетные данные
|
Каталожные данные
разъединителя РПД-500-1/3150 У1
|
|
Цепь линии
|
Цепь трансформатора
|
Ячейка ОРУ 500 кВ
|
|
|
500500500500
|
|
|
|
|
730,4
,9983,9857,2
|
978,7310
|
|
|
|
|
|
95,26160
|
|
|
|
361,0763² ∙ 3 = 11907
|
|
|
|
Тип привода
|
|
ПД-2 УХЛ1
|
8.6 Выбор
трансформаторов тока в ячейке ОРУ 500кВ
Таблица 11[ 9 ]
|
Условия выбора
|
Расчетные данные
|
Каталожные данные
трансформатора тока ТГФ-500
|
|
500500
|
|
|
857,2
|
978,71000
|
|
|
|
По конструкции и классу
точности
|
|
С элегазовой изоляцией
0,5/10p/10p/10p/10p/10p
|
|
95,26100
|
|
|
|
361,0750² ∙ 3 = 7500
|
|
|
|
4,825
|
|
|
Вторичная нагрузка трансформатора тока
Таблица 12 [ ]
|
Прибор
|
Тип
|
Нагрузка В∙А
|
|
|
|
А
|
В
|
С
|
|
Амперметр
|
Э-335
|
0,5
|
0,5
|
0,5
|
|
Ваттметр
|
Д-335
|
0,5
|
---
|
0,5
|
|
Варметр
|
Д-335
|
0,5
|
---
|
0,5
|
|
Датчик активной мощности
|
Е-829
|
1
|
---
|
1
|
|
Датчик реактивной мощности
|
Е-830
|
1
|
---
|
1
|
|
Итого
|
|
3,5
|
0,5
|
3,5
|
Расчет сечения проводов:
Индуктивное
сопротивление токовых цепей не велико, поэтому
.
Вторичная нагрузка состоит из сопротивления приборов, соединительных проводов и
переходного сопротивления контактов
(17)
Сопротивление
приборов определяется по выражению
т.к.
в цепь включены 5 приборов
Чтобы
ТА работал в выбранном классе точности необходимо выдержать условие
Зная
, можно определить сечение соединительных проводов
(18)
Где:
удельное сопротивление материала провода
-длина
соединительных проводов от трансформатора тока до приборов
, т.к. по
условиям ПУЭ принимаются медные провода [ 14 ] с. 375
По
формуле (18)
По
условиям прочности и в соответствии с ПУЭ применяются контрольный кабель КВВГ
2,5 мм2. Сопротивление проводов

По
формуле (17)
Схема включения приборов во вторичную обмотку трансформатора тока
Рис. 25
8.7 Выбор
трансформаторов напряжения в цепи линии
Таблица 13 [ 9 ]
|
Условия выбора
|
Расчетные данные
|
Каталожные данные
трансформатора напряжения НКГ-500 II II 1У1
|
|
500500
|
|
|
|
По конструкции и классу
точности
|
|
Газонаполненный 0,5
|
|
29100
|
|
|
Вторичная нагрузка трансформатора напряжения
Таблица 14 [ 14 ]
|
Прибор
|
Тип
|
Потребляемая мощность одной
катушкой ВА
|
Число обмоток
|
Сosφ
|
Sinφ
|
Числ приборов
|
Общая потребляемая мощность
|
|
|
|
|
|
|
|
Р, Вт
|
Q, вар
|
|
Ваттметр
|
Д-335
|
1,5
|
2
|
1
|
0
|
1
|
3
|
---
|
|
Варметр
|
Д-335
|
1,5
|
2
|
1
|
0
|
1
|
3
|
---
|
|
Фиксирующий прибор
|
ФИП
|
3
|
1
|
1
|
0
|
1
|
3
|
---
|
|
Датчик активной мощности
|
Е-829
|
10
|
---
|
1
|
0
|
1
|
10
|
---
|
|
Датчик реактивной энергии
|
Е-830
|
10
|
---
|
1
|
0
|
1
|
10
|
---
|
|
Итого
|
|
|
|
|
|
|
29
|
|
Схема включения приборов во вторичную обмотку трансформатора напряжения
Рис. 26
8.8 Выбор
токоведущих частей в цепи линии за пределами ОРУ 500 кВ
Провода ЛЭП напряжением 500 кВ проверяются по экономической плотности
тока
(19)
Где:
- ток нормального режима (без перегрузок)
-
нормированная плотность тока, А/мм2
[
14 ] c.233
По
формуле (19)
В
соответствии с ПУЭ по условиям «короны» принимается гибкий токопровод марки
3*АС-500/27
[ 10 ]
c. 356
Проверка
сечения на нагрев
Проверка
по условиям «короны» необходима для гибких проводников при напряжении 35 кВ и
выше. Разряд в виде «короны» возникает при максимальном значении начальной
критической напряженности электрического поля, кВ/см
(20)
Где:
m - коэффициент, учитывающий шероховатость поверхности провода (m=0,82)
- Радиус провода, см
По
формуле (20)
Напряженность
электрического поля, около поверхности нерасщепленного провода
(21)
При
числе проводов в фазе 3:
По
формуле (21)
Выбранное
сечение проверяется на термическое действие тока КЗ
Проверка
на электродинамическое действие тока КЗ производится, т.к.
(22)
Где:
D - расстояние между фазами, м D=8,8м [ 12 ]
По
формуле (22)
Определяется
сила тяжести 1м токопровода с учетом внутрифазных распорок
(23)
Где:
m - масса 1м токопровода
[ ]
c.356
По
формуле (23)
Определяется
отношение
(24)
Где:
h -максимальная расчетная стрела провеса провода, в каждом пролете, при
максимальном расстоянии h=3 м
-
эквивалентное, по импульсу, время действия быстродействующей защиты, с
По
формуле (24)
По
диаграмме 4.9 [ 14 ] с.235 для значения
Допустимые
отклонения фазы
(25)
8.9 Выбор
токоведущих частей в цепи трансформатора за пределами ОРУ 500 кВ
В соответствии с ПУЭ по условиям «короны» принимается гибкий токопровод
марки 3*АС-500/27
см.
пункт 8.1.8
8.10 Выбор
токоведущих частей в пределах ОРУ 500 кВ
В соответствии с ПУЭ по условиям «короны» принимается гибкий токопровод
марки 3*АС-500/27
см.
пункт 8.1.8
8.11 Выбор
изоляторов
Для крепления проводов марки 3*АС-500/27 применяется шинная опора ШО-500
8.12
Расчетные условия для выбора и проверки аппаратов и токоведущих частей по
продолжительному режиму работы и режиму короткого замыкания
Таблица 15 [ 14 ]
Расчетные условия Цепь линии 220 кВ
Цепь трансформатора связи
220

8.13 Выбор
выключателя и разъединителя в цепи линии
Таблица 16 [ 9 ]
|
Условия выбора
|
Расчетные данные
|
Каталожные данные
выключателя LTB-245 E1
|
Каталожные данные
разъединителя РГ-220/3150-УХЛ1
|
|
220220220
|
|
|
|
|
57640003150
|
|
|
|
|
38,6950-----------------
|
|
|
|
|
43,25 -----------------
|
|
|
|
|
  ------------------
|
|
|
|
|
107,3128125
|
|
|
|
|
443,9850² ∙ 3 = 750050² ∙ 3 = 7500
|
|
|
|
|
6.Тип привода
|
|
BLG
|
ПРГ6 УХЛ1
|
8.14 Выбор
выключателя и разъединителя в цепи трансформатора связи
Таблица 17 [ 9 ]
|
Условия выбора
|
Расчетные данные
|
Каталожные данные
выключателя LTB-245 E1
|
Каталожные данные
разъединителя РГ-220/3150-УХЛ1
|
|
220220220
|
|
|
|
|
2624,340003150
|
|
|
|
|
38,69
|
50
|
-----------------
|
|
|
43,25
|
-----------------
|
|
|
|
  ------------------
|
|
|
|
|
107,3
|
128
|
125
|
|
|
443,98
|
50²
∙ 3 = 7500
|
50²
∙ 3 = 7500
|
|
|
6.Тип привода
|
|
BLG
|
ПРГ6 УХЛ1
|
8.15 Выбор
трансформатора тока в цепи линии
Таблица 18 [ 9 ]
|
Условия выбора
|
Расчетные данные
|
Каталожные данные
трансформатора тока ТГФ-220
|
|
220220
|
|
|
|
576600
|
|
|
|
По конструкции и классу
точности
|
|
Тока Элегазовая изоляция
0,5/10p/10p/10p/10p
|
|
107,3125
|
|
|
|
443,9850² ∙ 3 = 7500
|
|
|
|
0,99
|
|
|
Вторичная нагрузка трансформатора тока
Таблица 19 [ 14 ] с. 364-365 с. 635
|
Прибор
|
Тип
|
Нагрузка В∙А
|
|
|
|
А
|
В
|
С
|
|
Амперметр
|
Э-335
|
---
|
0,5
|
---
|
|
Ваттметр
|
Д-335
|
0,5
|
---
|
0,5
|
|
Варметр
|
Д-335
|
0,5
|
---
|
0,5
|
|
Счетчик активной энергии
|
САЗ-И670
|
2,5
|
---
|
2,5
|
|
Счетчик реактивной энергии
|
СР4-И676
|
2,5
|
---
|
2,5
|
|
Итого
|
|
6
|
6
|
Расчет сечения проводов:
Индуктивное
сопротивление токовых цепей не велико, поэтому
.
Вторичная нагрузка состоит из сопротивления приборов, соединительных проводов и
переходного сопротивления контактов
Сопротивление
приборов определяется по выражению:
т.к.
в цепь включены 5 приборов
Зная
, можно определить сечение соединительных проводов
, т.к. по
условиям ПУЭ принимаются медные провода
По
формуле (18)
По
условиям прочности и в соответствии с ПУЭ применяются контрольный кабель КВВГ 4
мм2
Сопротивление
проводов

По
формуле (17)
Схема включения трансформатора тока в цепи линии
Рис. 27
8.16 Выбор
трансформатора тока в цепи трансформатора
Таблица 20 [ 9 ]
|
Условия выбора
|
Расчетные данные
|
Каталожные данные
трансформатора тока ТГФ-220
|
|
220220
|
|
|
|
2624300
|
|
|
|
По конструкции и классу
точности
|
|
Тока Элегазовая изоляция
0,5/10p/10p/10p/10p
|
|
107,3125
|
|
|
|
443,9850² ∙ 3 = 7500
|
|
|
|
0,945
|
|
|
Вторичная нагрузка трансформатора тока в цепи трансформатора связи
Таблица 21 [ 14 ] с. 364-365 с. 635
|
Прибор
|
Тип
|
Нагрузка В∙А
|
|
|
|
А
|
В
|
С
|
|
Амперметр
|
Э-335
|
-
|
0,5
|
-
|
|
Итого
|
|
-
|
0,5
|
-
|
Расчет сечения проводов:
Индуктивное
сопротивление токовых цепей не велико, поэтому
.
Вторичная нагрузка состоит из сопротивления приборов, соединительных проводов и
переходного сопротивления контактов
Сопротивление
приборов определяется по выражению
т.к.
в цепь включен 1 прибор
Зная
, можно определить сечение соединительных проводов
, т.к. по
условиям ПУЭ принимаются медные провода
По
формуле (18)
По
условиям прочности и в соответствии с ПУЭ применяются контрольный кабель КВВГ 6
мм2
Сопротивление
проводов

По
формуле (17)
Схема включения трансформатора тока в цепи трансформатора связи Т3
Рис. 28
8.17 Выбор
трансформатора напряжения
Таблица 22 [ 9 ]
|
Условия выбора
|
Расчетные данные
|
Каталожные данные
трансформатора напряжения НОГ-220 II I У1
|
|
220220
|
|
|
|
По конструкции и классу
точности
|
|
0,5 Газонаполненный
|
|
195,7400
|
|
|
Вторичная нагрузка трансформатора напряжения
Таблица 23 [ 14 ] с. 635
|
Прибор
|
Тип
|
Потребляемая мощность одной
катушки, ВА
|
Число катушек
|
Сosφ
|
Sinφ
|
Числ приборов
|
Общая потребляемая мощность
|
|
|
|
|
|
|
|
Р, Вт
|
Q, вар
|
|
Ваттметр
|
Д-335
|
1,5
|
2
|
1
|
0
|
5
|
15
|
---
|
|
Варметр
|
Д-335
|
1,5
|
2
|
1
|
0
|
5
|
15
|
---
|
|
Фиксирующий прибор
|
ФИП
|
3
|
1
|
1
|
0
|
5
|
15
|
---
|
|
Счетчик активной энергии
|
САЗ-И670
|
2 Вт
|
2
|
0,38
|
0,925
|
9
|
36
|
87,5
|
|
Счетчик реактивной энергии
|
СР4-И676
|
2
|
2
|
0,38
|
0,925
|
1
|
4
|
9,7
|
|
Вольтметр
|
Э-335
|
2
|
1
|
1
|
0
|
1
|
2
|
---
|
|
Регистрирующие приборы
|
|
Вольтметр
|
Н-394
|
2
|
1
|
1
|
0
|
1
|
2
|
---
|
|
Ваттметр
|
Н-335
|
10
|
2
|
1
|
0
|
1
|
20
|
---
|
|
Частотомер
|
Н-397
|
3
|
1
|
1
|
0
|
1
|
3
|
---
|
|
Приборы синхроннизации
|
|
Частотомер
|
Э-362
|
1
|
1
|
1
|
0
|
2
|
2
|
---
|
|
Вольтметр
|
Э-335
|
2
|
1
|
1
|
0
|
2
|
2
|
---
|
|
Синхроноскоп
|
Э-327
|
10
|
---
|
1
|
0
|
1
|
10
|
---
|
|
Итого
|
|
|
|
|
|
|
157
|
116,8
|
Схема включения трансформатора напряжения РУ 220 кВ
Рис. 29
8.18 Выбор
опорного изолятора
По номинальному напряжению
[ 14
] с.249
=220
кВ
По
допустимой нагрузке
(26)
Где:
- сила, действующая на изолятор
-
допустимая нагрузка на головку изолятора
(27)
Где:
- разрушающая нагрузка на изгиб
При
горизонтальном или вертикальном расположении изоляторов всех фаз расчетная
сила:
(28)
По
формуле (28)
К
установке принимаем опорный изолятор типа С4-950IУХЛ
[ 11
] с.261
По
формуле (27)
По
формуле (26)
,1<7200
8.19 Выбор
токоведущих частей в цепи линии
За пределами ОРУ 220 кВ
По формуле (19)
На
основании ПУЭ с целью уменьшения сечения проводника допускается двукратное
увеличение нормированной плотности тока
По
формуле (19)
Принимается
гибкий токопровод марки АС-400/22
[ 10 ]
c.356
Проверка
сечения на нагрев
Проверка
по условиям «короны» необходима для гибких проводников при напряжении 35 кВ и
выше.
По
формуле (20)
Напряженность
электрического поля, около поверхности нерасщепленного провода
(29)
По
формуле (29)
Выбранное
сечение проверяется на термическое действие тока КЗ
Проверка
на электродинамическое действие тока
=4м
По
формуле (22)
Определяется
масса одного метра токопровода
[ 10 ]
c.356
По
формуле (23)
Определяется
отношение
Где:=1,5
м
По
формуле (24)
По
диаграмме 4.9 [ 14 ] с.235 для значения
Допустимые
отклонения фазы
По
формуле (25)
[ ]
c.234
В пределах ОРУ 220 кВ
Принимается гибкий токопровод марки АС-400/22
См.
пункт 8.19.1
Проверка
по условиям «короны»
По
формуле (29)
8.20 Выбор
токоведущих частей в цепи трансформатора связи
За пределами ОРУ 220 кВ
По формуле (19)
На
основании ПУЭ с целью уменьшения сечения проводника допускается двукратное
увеличение нормированной плотности тока
По
формуле (19)
Принимается
гибкий токопровод марки 3*АС-500/27
[ 10 ]
c.356
Проверка
сечения на нагрев
Проверка
по условиям «короны»
По
формуле (20)
Напряженность
электрического поля, около поверхности нерасщепленного провода
При
числе проводов в фазе 3:
По
формуле (21)
Выбранное
сечение проверяется на термическое действие тока КЗ
Проверка
на электродинамическое действие тока КЗ производится, т.к.
По
формуле (22)
Определяется
масса одного метра токопровода
[ 10
] c.356
По
формуле (23)
По
диаграмме 4.9 [ 14 ] с.235 для значения
Допустимые
отклонения фазы
[ ]
c.234
В пределах ОРУ 220 кВ
Принимается гибкий токопровод марки 3*АС-500/27
См. пункт
8.20.1
Проверка
по условиям «короны»
По
формуле (21)
9.
ВЫБОР СПОСОБА СИНХРОНИЗАЦИИ
В соответствии с ПУЭ для турбогенераторов типа Т3В-800-2
предусматривается способ точной синхронизации. При точной синхронизации, когда
генератор включается возбужденным, необходимо, что бы были выполнены следующие
условия:
. Равенство действующих значений напряжений подключаемого
генератора и сети
. Равенство частот напряжений генератора и сети
. Совпадение фаз одноименных напряжений генератора и сети
Несоблюдение хотя бы одного из условий при точной синхронизации приводит
к большим толчкам тока, опасным не только для подключаемого генератора, но и
для устойчивой работы системы.
При нарушении условий возможны три случая:
а)
векторы разных напряжений генератора
и
энергосистемы
не равны по значениям, но совпадают по фазе и
изменяются во времени с одинаковой частотой
Рис.
30
б)
векторы фазных напряжений разошлись по фазе на некоторый угол
т.е.
Рис.
31
в)
генератор вращается с разными угловыми скоростями
В
двух первых случаях разность напряжений
, которая
обусловит протекание уравнительного тока
возникающего
в третьем случае сразу же в момент включения (если
) или спустя время, когда векторы напряжений
разойдутся на некоторый угол
Где:
и
-
значения ЭДС и сопротивления генератора в момент включения
- сопротивление
энергосистемы, которое обычно невелико и может не учитываться в расчете
имеет
индуктивный характер по отношению к
, так как
активные сопротивления генератора и системы не значительны.
В
первом случае
сохраняет реактивный характер по отношению к
, вследствие чего он не вызывает механических
перегрузок на валу генератора.
при
включении генератора в сеть допускают равной 5-10%
Во
втором случае
по отношению к
имеет
значительную активную составляющую. Вектор
опережает
вектор
, поэтому активная составляющая уравнительного тока
создает вращающий момент, направленный на торможение
ротора генератора.
Если
бы вектор
отставал от
, то
активная составляющая уравнительного тока создавала бы момент, ускоряющий
ротор. Включение генератора в этом случае сопровождалась бы значительными
толчками нагрузки на его вал, что могло бы повлечь механические повреждения. Во
избежание этого угол расхождения векторов напряжений синхронизируемых
источников, в момент включения, не должен превышать 10-20 электрических
градусов.
В
третьем случае, когда угол
изменяется
и разность напряжений
, которую называют напряжением биения, изменяется от 0
до
и с частотой равной полусумме частот напряжений
синхронизируемых источников. Огибающая, проведенная через амплитуды напряжений
биения, имеет частоту равную полусумме частот генератора и системы.
Рис.32
При
большой разности частот машина может и не втянуться в синхронизм. Это
заставляет ограничить допустимую разность до значений 0,1%. Наибольший
возникает при
электрических
градусов.
Приближение
частоты вращения генератора к синхронной и регулирование осуществляется
воздействие на регуляторы частот вращений первичных двигателей.
Визуальный
контроль за выполнением условий синхронизма - с помощью двух вольтметров, двух
частотомеров и синхроноскопа, который дает возможность контролировать
совпадение векторов напряжений одноименный фаз.
Автоматическая
синхронизация выполняется с помощью автоматических синхронизаторов.
Недостатком
является сложность и длительность процесса, особенно в условиях аварийного
режима работы системы, сопровождающегося колебанием частоты и напряжения.
10.
РАСЧЁТ РЕЛЕЙНОЙ ЗАЩИТЫ
Защита трансформатора типа ТРДНС-40000/230/6,3-6,3 с реле типа ДЗТ-11
Согласно ПУЭ на трансформаторе установлены следующие защиты:
. Продольная дифференциальная защита - от всех видов КЗ в обмотке
трансформатора и на выводах
. Газовая защита - от всех повреждений внутри бака трансформатора,
сопровождающихся разложением масла и выделением газа, а том числе от витковых
замыканий, а также от понижения уровня масла в баке трансформатора
. Защита от симметричной перегрузки, устанавливается на ВН
. Защита от внешних междуфазных коротких замыканий - МТЗ с
комбинированной блокировкой по напряжению, устанавливается на ВН и НН
. Дуговая защита
10.1
Расчёт продольной дифференциальной защиты
. Определяются номинальные токи трансформатора
.
Выбор трансформаторов тока для продольной дифференциальной защиты
Схема
соединения трансформатора тока на ВН - треугольник, так как схема соединения
силового трансформатора - звезда
Схема
соединения трансформатора тока на НН - звезда, так как схема соединения
силового трансформатора - треугольник
Принимаем
трансформаторы тока с КIВН=300/5 КIНН=3000/5
.Расчет
вторичных токов в плечах защиты
Сторона
НН принимается за основную, так как у неё вторичный ток больше
6. Расчет тока срабатывания защиты
Расчёт ведется исходя из двух условий:
.1 Условие отстройки от броска намагничивающего тока
.2
(30)
Где:
котс=1,3 - коэффициент отстройки
по
формуле (30)
4.3 Условие отстройки от тока небаланса при внешнем КЗ
(31)
Где:
(32)
- ток
небаланса, обусловленный погрешностью ТА (33)
Где:
ка= 1- коэффициент апериодичности
кодн=1-
коэффициент однотипности трансформаторов тока
=0,1- -
коэффициент 10%-ой погрешности трансформатора тока
(34)
Где:
=0,16 - диапазон регулирования трансформаторов тока в
относительных единицах
Предварительный
расчет ведется без учета
По
формуле (33)
По
формуле (34)
По
формуле (31)
Принимается
наибольшее значение
5925 А
5. Предварительная проверка чувствительности
Используется
реле с торможением типа ДЗТ-11, при этом
должен
удовлетворять только первому условию
6. Определяются токи срабатывания реле и число витков обмоток реле
ДЗТ-11 для двух сторон трансформатора
Число
витков рабочей обмотки
=100
А/витков - МДС срабатывания реле
Принимается
ближайшее меньшее значение
АК
Расчёт
числа витков для неосновной стороны (ВН)
Принимается ближайшее целое значение
7. Определяется
число витков тормозной обмотки, для чего предварительно найти значение
расчетного тока небаланса с учетом составляющей
,
обусловленной округлением расчетного числа витков неосновной стороны (ВН)
Производится
расчёт
Число
витков тормозной обмотки
По
данным реле принимается 14 витков
Производится
расчёт уточненного значения тока срабатывания защиты с учетом
По
формуле (31)
Число
витков тормозной обмотки
По
данным реле принимается 18 витков
. Производится
проверка чувствительности защиты по окончательно принятому
Значение уточненного тока срабатывания защиты приведенного к стороне ВН
Коэффициент
чувствительности
10.2
Расчёт защиты от симметричных перегрузок
. Ток срабатывания защиты
, где (34)
Котс=1,05…1,1
Кв=0,8…0,85
По
формуле (34)
. Ток срабатывания реле
(35)
По
формуле (35)
Принимается
реле типа РТ-40/6
10.3
Расчёт защиты от внешних междуфазных КЗ
МТЗ с комбинированной блокировкой по напряжению устанавливается на стороне
НН. Блокировка по напряжению питается со стороны НН
Реле тока
. Ток срабатывания защиты
Где:
Котс=1,1…1,2
2. Коэффициент чувствительности
3. Ток срабатывания реле
По формуле (35)
Принимается реле типа РТ-40/6
Реле минимального напряжения
. Напряжение срабатывания защиты
Где:
Котс=1,1…1,2
Кв=1,12…1,15
. Коэффициент чувствительности не проверяется, так как при КЗ на
сборных шинах 6,3 кВ Uост=0
. Напряжения срабатывания реле
(36)
Где:
КV=6300/100 - коэффициент трансформации трансформатора напряжения
По
формуле (36)
Принимается реле типа РН-54/160
4. Расчёт уставок реле напряжения обратной последовательности
5. Напряжение срабатывания реле
По формуле (36)
Принимается реле типа РНФ-1М
10.4 Расчёт второго комплекта МТЗ с комбинированной по напряжению на
стороне ВН
Блокировка по напряжению применяется одна для двух комплектов защит
Реле тока
. Ток срабатывания защиты
.Коэффициент
чувствительности
.Ток
срабатывания реле
По
формуле (35)
Принимается реле типа РТ-40/6
11.
ОПИСАНИЕ КОНСТРУКЦИЙ ОРУ
.1 ОРУ 500
кВ
Для схемы с полутора выключателями на применяется компоновка с трёхрядной
установкой выключателей типа LTB-550 E2 и подвесными разъединителями типа
РПД-500-1/3150 У1.
Расстояние между фазами выключателей принимается равным 7 м для того, что
бы автокран мог подъехать к любой фазе во время монтажа или ремонта.
При использовании подвесных разъединителей существенно сокращается ширина
ОРУ, количество ветвей изоляции, длина ошиновки, расход железобетона на сваи.
ОРУ имеет длину ячейки 182 м, шаг ячейки 28 м, ширину - 168 м и площадь
30576 м.
Подвижная часть подвесных разъединителей подвешивается на двух гирляндах
изоляторов к консолям и траверсам опор и порталов. Неподвижная часть
монтируется на трансформаторе тока типа ТГФ-500, трансформаторе напряжения типа
ЗНОГ-500 УХЛ4 и шинных опорах ШО-500. Опускание и подъём подвижной части
разъединителей производится гибким тросом, связанным через блоки с приводом
разъединителей.
Для заземления отключенных цепей применяются телескопические заземлители.
Высота линейных порталов - 34,5 м
Высота шинных порталов - 24 м
На линейных порталах, для защиты от прямых ударов молнии, устанавливаются
молниеотводы высотой 49,1 м
11.1 ОРУ
220 кВ
Для распространенной схемы с двумя рабочими и одной обходной
системами шин применяется типовая компоновка ОРУ разработанная институтом
«Энергосетьпроект». В принятой компоновке все выключатели типа LTB-245 E1
размещаются в один ряд около второй системы шин, что облегчает их обслуживание.
Такое ОРУ называется однорядным.
Каждый полюс шинных разъединителей типа РГ-220/3150 УХЛ1 второй системы
шин расположен под приводом соответствующей фазы сборных шин. Такое
расположение (килевое) позволяет выполнить соединение шинных разъединителей
(развилку) непосредственно под сборными шинами и на том же уровне присоединить выключатель.
Ошиновка ОРУ в цепи линии выполняется проводами марки АС-400/22, в цепи
трансформатора Т3 - 3×АС-500/27.
Линейные порталы высотой 17 м, шинные 11,35 м высотой и все опоры под
аппаратами - стандартные железобетонные.
Кабели проложены в лотках из железобетонных плит, которые служат
одновременно пешеходными дорожками.
Шаг ячейки 15,4 м
Ширина ОРУ 169 м
Длина ОРУ 71 м
Площадь ОРУ 11999 м
Для защиты оборудования от прямых ударов молнии, на линейных порталах
устанавливаются молниеотводы высотой 30,5 м.
12.
РАСЧЁТ ЗАЗЕМЛЯЮЩЕГО УСТРОЙСТВА
Заземляющее устройство, которое выполняется с соблюдением требований
предъявляемых к Uприк, должно обеспечивать в любое время, когда при
стекании с него Iзам с на землю, значение Uприк, не
превышающее нормированного.
В целях выравнивания электрического потенциала и обеспечения
присоединения электрооборудования к заземлителю на территории занятой
оборудованием, прокладываются продольные и поперечные горизонтальные
заемлители, которые соединяются между собой в заземляющую сетку.
Продольные заземлители прокладываются вдоль осей электрического
оборудования со стороны обслуживания на глубине 0,5…0,7 м от поверхности земли
и на расстоянии 0,8…1,0 м от фундамента. Если расстояние между фундаментами
оборудования не превышает 3 м, то можно прокладывать один заземлитель на два
ряда оборудования.
Поперечные заземлители прокладываются в удобных местах между
оборудованием на глубине 0,5…0,7 м. Расстояние между ними принимается
увеличивающимся от периферии к центру заземляющей сетки: 4; 5; 6; 7,5; 9; 11;
13,5; 16; 20 м.
Расстояние между продольными и поперечными заземлителями не должно
превышать 20 м.
В качестве продольных и поперечных заземлителей используется полосовая
сталь размером 40×4 мм.
Рис.33
12.1
Определение сопротивления заземлителя типа сетки без вертикальных электродов
,Ом (37)
Где
А- площадь сетки,
-
удельное сопротивление верхнего слоя грунта, Ом/м
-
удельное сопротивление нижнего слоя грунта, Ом/м=0,7м.- глубина прокладки полос
заземления
Н-
толщина верхнего слоя, м
- общая
длина всех полос проводников, м
По
формуле (37)
12.2
Определение сопротивления заземлителя, включая естественные заземлители
(38)
По
формуле (38)
12.3
Определение напряжения приложенного к человеку
(39)
Где
- ток стекающий с заземлителя, А
-
коэффициент напряжения прикосновения
-
коэффициент, определяемый по сопротивлению тела человека и по сопротивлению
растекания тока от ступней
Где
=1000 Ом, сопротивление человека
-удельное
сопротивление верхнего слоя грунта
(40)
Где:
- эквивалентное удельное сопротивление земли для
определения напряжения прикосновения [ 7 ]

По
формуле (40)
По
формуле (39)
Вывод:
заземлитель типа сетки без вертикальных электродов не обеспечивает
безопасности, следовательно, по контуру сетки забиваются вертикальные электроды
длиной 5 метров на расстоянии 15 метров.
Р=(169+7)×2=480 м.
шт.
12.4
Определение сопротивления заземлителя типа сетки с вертикальными электродами
(41)
По
формуле (41)
12.5
Определение сопротивления заземлителя, включая естественные заземлители
12.6
Определение напряжения приложенного к человеку
=0,4
, где (42)
М=0,55
По
формуле (42)
По
формуле (39)
В
этом случае, когда безопасность прикосновения не обеспечена и после забивания
вертикальных электродов у рабочих мест выполняется подсыпка щебня 0,1м.
=5000 Ом
=0,112
В
,7<400
В
Безопасность
прикосновения обеспечена.
13.
ОХРАНА ТРУДА
Технические мероприятия, обеспечивающие безопасность работ со снятием
напряжения
При подготовке рабочего места со снятием напряжения должны быть в
указанном порядке выполнены следующие технические мероприятия:
произведены необходимые отключения и приняты меры, препятствующие подаче
напряжения на место работы вследствие ошибочного или самопроизвольного
включения коммутационных аппаратов;
на приводах ручного и на ключах дистанционного управления коммутационных
аппаратов должны быть вывешены запрещающие плакаты;
проверено отсутствие напряжения на токоведущих частях, которые должны
быть заземлены для защиты людей от поражения электрическим током;
установлено заземление (включены заземляющие ножи, а там, где они
отсутствуют, установлены переносные заземления);
вывешены указательные плакаты «Заземлено», ограждены при необходимости
рабочие места и оставшиеся под напряжением токоведущие части, вывешены
предупреждающие и предписывающие плакаты.
Отключения
При подготовке рабочего места должны быть отключены: токоведущие части,
на которых будут производиться работы; неогражденные токоведущие части, к
которым возможно случайное приближение людей, механизмов и грузоподъемных
машин:
цепи управления и питания приводов, закрыт воздух в системах управления
коммутационными аппаратами, снят завод с пружин и грузов у приводов
выключателей и разъединителей.
В электроустановках напряжением выше 1000 В с каждой стороны, с которой
коммутационным аппаратом на рабочее место может быть подано напряжение, должен
быть видимый разрыв. Видимый разрыв может быть создан отключением
разъединителей, снятием предохранителей, отключением отделителей и выключателей
нагрузки, отсоединением или снятием шин и проводов.
Видимый разрыв может отсутствовать в комплектных распределительных
устройствах заводского изготовления (в том числе с заполнением элегазом) с
выкатными элементами, и/или при наличии надежного механического указателя
гарантированного положения контактов, а также в элегазовых КРУЭ напряжением 110
кВ и выше.
Силовые трансформаторы и трансформаторы напряжения, связанные с
выделенным для работ участком электроустановки, должны быть отключены и схемы
их разобраны также со стороны других своих обмоток для исключения возможности
обратной трансформации.
После отключения выключателей, разъединителей (отделителей) и
выключателей нагрузки с ручным управлением необходимо визуально убедиться в их
отключении и отсутствии шунтирующих перемычек.
В электроустановках напряжением выше 1000 В для предотвращения ошибочного
или самопроизвольного включения коммутационных аппаратов, которыми может быть
подано напряжение к месту работы, должны быть приняты следующие меры:
у разъединителей, отделителей, выключателей нагрузки ручные приводы в
отключенном положении должны быть заперты на механический замок;
у разъединителей, управляемых оперативной штангой, стационарные
ограждения должны быть заперты на механический замок;
у приводов коммутационных аппаратов, имеющих дистанционное управление,
должны быть отключены силовые цепи и цепи управления, а у пневматических
приводов, кроме того, на подводящем трубопроводе сжатого воздуха должна быть
закрыта и заперта на механический замок задвижка и выпущен сжатый воздух, при
этом спускные клапаны должны быть оставлены в открытом положении;
у грузовых и пружинных приводов включающий груз или включающие пружины
должны быть приведены в нерабочее положение;
должны быть вывешены запрещающие плакаты.
В электроустановках напряжением до 1000 В со всех токоведущих частей, на
которых будет проводиться работа, напряжение должно быть снято отключением
коммутационных аппаратов с ручным приводом, а при наличии в схеме
предохранителей - снятием последних. При отсутствии в схеме предохранителей
предотвращение ошибочного включения коммутационных аппаратов должно быть
обеспечено такими мерами, как запирание рукояток или дверец шкафа, закрытие
кнопок, установка между контактами коммутационного аппарата изолирующих
накладок и др. При снятии напряжения коммутационным аппаратом с дистанционным
управлением необходимо разомкнуть вторичную цепь включающей катушки.
Перечисленные меры могут быть заменены расшиновкой или отсоединением
кабеля, проводов от коммутационного аппарата либо от оборудования, на котором
должны проводиться работы.
Необходимо вывесить запрещающие плакаты.
Отключенное положение коммутационных аппаратов напряжением до 1000 В с
недоступными для осмотра контактами определяется проверкой отсутствия
напряжения на их зажимах либо на отходящих шинах, проводах или зажимах
оборудования, включаемого этими коммутационными аппаратами. Проверку отсутствия
напряжения в комплектных распределительных устройствах заводского изготовления
допускается производить с использованием встроенных стационарных указателей
напряжения.
Вывешивание запрещающих плакатов
На приводах (рукоятках приводов) коммутационных аппаратов с ручным
управлением (выключателей, отделителей, разъединителей, рубильников, автоматов)
во избежание подачи напряжения на рабочее место должны быть вывешены плакаты
«Не включать! Работают люди».
У однополюсных разъединителей плакаты вывешиваются на приводе каждого
полюса, у разъединителей, управляемых оперативной штангой, - на ограждениях. На
задвижках, закрывающих доступ воздуха в пневматические приводы разъединителей,
вывешивается плакат «Не открывать! Работают люди».
На присоединениях напряжением до 1000 В, не имеющих коммутационных
аппаратов, плакат «Не включать! Работают люди» должен быть вывешен у снятых
предохранителей.
Плакаты должны быть вывешены на ключах и кнопках дистанционного и
местного управления, а также на автоматах или у места снятых предохранителей
цепей управления и силовых цепей питания приводов коммутационных аппаратов.
На приводах разъединителей, которыми отключена для работ ВЛ или КЛ,
независимо от числа работающих бригад, вывешивается один плакат «Не включать!
Работа на линии». Этот плакат вывешивается и снимается по указанию оперативного
персонала, ведущего учет числа работающих на линии бригад.
Проверка отсутствия напряжения
Проверять отсутствие напряжения необходимо указателем напряжения,
исправность которого перед применением должна быть установлена с помощью
предназначенных для этой цели специальных приборов или приближением к
токоведущим частям, заведомо находящимся под напряжением.
В комплектных распределительных устройствах заводского изготовления (в
том числе с заполнением элегазом) проверку отсутствия напряжения допускается
производить с использованием встроенных стационарных указателей напряжения.
В электроустановках напряжением 35 кВ и выше для проверки отсутствия
напряжения можно пользоваться изолирующей штангой, прикасаясь ею несколько раз
к токоведущим частям. Признаком отсутствия напряжения является отсутствие
искрения и потрескивания.
В РУ проверять отсутствие напряжения разрешается одному работнику из числа
оперативного персонала, имеющему группу IV - в электроустановках напряжением
выше 1000 В
Проверять отсутствие напряжения выверкой схемы в натуре разрешается:
в ОРУ напряжением 330 кВ и выше и на двухцепных ВЛ напряжением 330 кВ и
выше.
Установка заземления
Устанавливать заземления на токоведущие части необходимо непосредственно
после проверки отсутствия напряжения.
Переносное заземление сначала нужно присоединить к заземляющему
устройству, а затем, после проверки отсутствия напряжения, установить на токоведущие
части.
Снимать переносное заземление необходимо в обратной последовательности:
сначала снять его с токоведущих частей, а затем отсоединить от заземляющего
устройства.
Установка и снятие переносных заземлений должны выполняться в
диэлектрических перчатках с применением в электроустановках напряжением выше
1000 В изолирующей штанги. Закреплять зажимы переносных заземлений следует этой
же штангой или непосредственно руками в диэлектрических перчатках.
Не допускается пользоваться для заземления проводниками, не
предназначенными для этой цели.
Установка заземлений в распределительных устройствах
В электроустановках напряжением выше 1000В заземляться должны токоведущие
части всех фаз отключенного для работ со всех сторон, откуда может быть подано
напряжение, за исключением, сборных шин, на которые достаточно установить одно
заземление
При работах на отключенном линейном разъединителе на проводах спусков со
стороны ВЛ независимо то наличия заземляющих ножей на разъединителе должно быть
установлено дополнительно заземление, не нарушаемое при манипуляциях с
разъединителем.
Заземленные токоведущие части должны быть отделены от токоведущих частей,
находящихся под напряжением, видимым разрывом.
Непосредственно на рабочем месте заземление на токоведущие части дополнительно
должно быть установлено в тех случаях, когда эти части могут оказаться под
наведенным напряжением.
Переносные заземления следует присоединять к токоведущим частям в местах,
очищенных от краски.
В электроустановках выше напряжением 1000В устанавливать должны два
работника:
один - имеющий IV, другой - имеющий III группу.
Ограждение рабочего места, вывешивание плакатов
В электроустановках должны быть вывешены плакаты «Заземлено» на приводах
разъединителей, выключателей, и на ключах и кнопках дистанционного управления
коммутационными аппаратами.
Для временного ограждения токоведущих частей, оставшихся под напряжением,
могут применяться щиты, ширмы и т.п., изготовленные из изоляционных материалов.
На временные ограждения должны быть нанесены надписи или укреплены плакаты
«Стой! Напряжение».
В ОРУ при работах, проводимых с земли, и на оборудовании, установленном
на фундаменте и отдельных конструкциях, рабочее место должно быть ограждено
канатом, веревкой с вывешенными на них плакатами «Стой! Напряжение».
При снятии напряжения со всего ОРУ, за исключением линейных
разъединителей, последние должны быть ограждены канатом с плакатом «Стой!
Напряжение».
В ОРУ на участках конструкции, по которым можно пройти от рабочего места
к граничащим с ним участкам, находящимся под напряжением, должны быть
установлены плакаты «Стой! Напряжение».
На конструкция, граничащих с той, по которой разрешается подниматься,
внизу должен быть вывешен плакат «Не влезай! Убьёт».
На стационарных лестницах и конструкциях, по которым для проведения работ
разрешено подниматься, должен быть вывешен плакат «Влезать здесь!»
На подготовленных рабочих местах в электроустановках должен быть вывешен
плакат «Работать здесь!»
14.
СПЕЦИАЛЬНОЕ ЗАДАНИЕ
14.1
Эксплуатация элегазовых трансформаторов тока и напряжения
Трансформатор тока измерительный газонаполненный
Трансформатор тока ТГФ - это электромагнитный преобразователь тока,
обеспечивающий пропорциональную зависимость вторичного тока от первичного;
наружной установки, опорной конструкции (фарфор), с элегазовой внутренней
изоляцией, одной ступенью трансформации, с 5 и более вторичными обмотками, с
одним или двумя коэффициентами трансформации.
Особенности:
трансформаторы тока имеют элегазовую внутреннюю изоляцию, благодаря чему
пожаро- и взрывобезопасны;
не требуют технического обслуживания в течение всего срока эксплуатации;
в стоимость базовой конструкции трансформатора входит исполнение с одной
измерительной обмоткой класса 0,2S;
широкий диапазон номинальных токов от 50 до 4000 А;
отпайки на вторичных обмотках на требуемое значение первичного тока;
классы точности и номинальный вторичные нагрузки по требованию;
требуемое количество обмоток для защиты (до 6);
повышенные значения токов короткого замыкания.
Конструктивные особенности:
трансформаторы тока имеют либо один, либо два коэффициента трансформации
(например 600 - 1200 - двухвитковый с переключением), изменение коэффициента
трансформации осуществляется путем подсоединения шины к одному из выводов Л2. В
отличие от аналогов, имеющих перемещающиеся перемычки для переключения
коэффициентов трансформации, конструкция ТГФ позволяет визуально контролировать
правильность подключения трансформатора, находящегося под напряжением;
роль второго витка в конструкции с переключением коэффициента
трансформации выполняет алюминиевый корпус, что снижает материалоемкость и как
следствие вес и стоимость трансформатора;
мембранное предохранительное устройство обеспечивает защиту от повышения
давления даже при коротком внутреннем замыкании, толщина стенки корпуса предотвращает
возможность прожига.
Модернизация:
в отличие от аналогов, во внутренней изоляции трансформаторов отсутствует
твердый диэлектрик, что позволило снизить рабочее давление. Пониженное рабочее
давление позволяет эксплуатировать трансформаторы в районах с холодным климатом
до -55°С для ТГФ-110 и до -50° для ТГФ-220 (рабочая температура) без применения
смеси, что значительно облегчает подготовку к установке и сроки проведения
монтажа изделий на подстанции. Трансформаторы с описанными изменениями выпускаются
с конца 2003г., и прошли проверку в зимние периоды 2003 - 2006 г.
Структура условного обозначения ТГФХ-II-[*]/[*]-[*]/[*] У1:
Т - трансформатор тока;
Г - с элегазовой изоляцией;
Ф - с фарфоровой покрышкой;
[*] - номинальное напряжение, кВ;* - степень загрязнения;
[*] - класс точности обмотки для измерения;
[*] - класс точности обмоток для защиты;
[*] - номинальный первичный ток, А;
[*] - номинальный вторичный ток, А;
У1 - климатическое исполнение и категория размещения.
Технические характеристики ТГФ-220
|
Характеристики
|
Значения
|
|
Номинальное напряжение, кВ
|
220
|
|
Наибольшее рабочее
напряжение, кВ
|
252
|
|
Номинальная частота, Гц
|
50
|
|
Номинальный ток первичной
обмотки, А
|
300-600; 500-1000
|
600-1200; 750-1500
|
1000-2000; 1500-3000
|
|
Номинальный вторичный ток,
А
|
1 или 5
|
|
Ток 3-х секундной
термической стойкости, кА
|
50-60
|
|
Ток динамической стойкости,
кА
|
125-150
|
|
Количество вторичных
обмоток
|
4 или 5
|
|
Количество обмоток для
измерений
|
1 или 2
|
|
Класс точности обмоток для
измерений
|
0,2S-0,2; 0,5S-0,5
|
|
Номинальная вторичная
нагрузка обмоток для измерений, В·А
|
2-20, 30
|
|
Коэффициент безопасности
приборов обмотки для измерений
|
5-10-15
|
|
Количество обмоток для
защиты
|
3 или 4
|
|
Класс точности обмоток для
защиты
|
5Р - 10Р
|
|
Максимальная номинальная
нагрузка обмоток для защиты, В·А
|
30
|
30, 40
|
30, 40, 50
|
|
Номинальная предельная
кратность обмоток для защиты
|
20
|
20
|
20
|
|
Климатическое исполнение
|
У1/УХЛ1
|
2,25
|
Варианты по количеству вторичных обмоток и по их характеристикам могут
быть предусмотрены в соответствии с требованиями заказчика.
Технические характеристики ТГФ-500
|
Характеристики
|
Значения
|
|
Номинальное напряжение, кВ
|
500
|
|
Наибольшее рабочее
напряжение, кВ
|
525
|
|
Номинальная частота, Гц
|
50
|
|
Номинальный ток первичной
обмотки, А
|
1000-2000; 1500-3000;
2000-4000
|
|
Номинальный вторичный ток,
А
|
1
|
|
Ток 3-х секундной
термической стойкости, кА
|
50
|
|
Ток динамической стойкости,
кА
|
120
|
|
Количество вторичных
обмоток
|
6
|
|
Количество обмоток для
измерений
|
2
|
|
Класс точности обмоток для
измерений:
|
|
|
- обмотка №1 для
коммерческого учета
|
0,1; 0,2S
|
|
- обмотка №2 для измерений
|
0,5S; 0,5
|
|
Номинальная вторичная
нагрузка обмоток для измерений, В·А
|
30
|
|
Коэффициент безопасности
приборов обмотки для измерений
|
15
|
|
Количество обмоток для
защиты
|
4
|
|
Класс точности обмоток для
защиты
|
5Р;10Р
|
|
Номинальная нагрузка
обмоток для защиты, В·А:
|
|
|
- обмотки №3, №4
|
75
|
|
- обмотки №5, №6
|
60
|
|
Номинальная предельная
кратность обмоток для защиты:
|
|
|
- обмотки №3, №4
|
30
|
|
- обмотки №5, №6
|
20
|
|
Климатическое исполнение
|
У1/УХЛ1
|
|
Удельная длина пути утечки
наружной изоляции, см/кВ
|
2,25
|
Измерительные обмотки могут иметь отпайки на требуемое значение
первичного тока.
Трансформатор напряжения измерительный газонаполненный
Измерительный трансформатор напряжения с элегазовой изоляцией предназначен
для применения в цепях переменного тока частотой 50 или 60 Гц с целью передачи
сигнала измерительной информации приборам измерения, защиты, автоматики,
сигнализации и управления.
Трансформаторы заполнены элегазом и имеют прибор контроля давления с
сигнализирующим устройством.
Конструкция трансформаторов должна предусматривать предохранительное
устройство (мембрану), не допускающее увеличения избыточного давления внутри
трансформатора свыше 7 кгс/см2 при аварии, связанной с пробоем
внутренней изоляции и горением дуги.
Выброс газа через предохранительное устройство должен быть направлен
вверх, вне рабочей зоны обслуживающего персонала.
Трансформаторы устойчивы к действию механических факторов внешней среды
по ГОСТ 17516.1 и выдерживают сейсмические колебания до 8 баллов включительно.
Конструктивные исполнения трансформаторов отличаются количеством
вторичных обмоток и напряжением на вторичных обмотках.
Трансформаторы имеют стабильные характеристики изоляции в течение всего
срока службы и не требуют средних и капитальных ремонтов с сушкой или заменой
изоляции. Трансформаторы взрыво-, пожаробезопасны: не разрушаются
металлоконструкции и не возникает пожар при коротком замыкании. Контроль
давления элегаза осуществляется как визуально по приборам контроля, так и имеет
выход на пульт управления с сигнализацией верхнего и нижнего уровня элегаза.
Трансформаторы соответствуют требованиям ДСТУ ГОСТ 1983-2003, техническим
условиям и рабочим чертежам.
Структура условного обозначения НОГ-[*][*][*]:
Н - трансформатор напряжения;
О - однофазный;
Г - с элегазовой изоляцией;
[*] - номинальное напряжение первичной обмотки, кВ;
[*] - конструктивное исполнение;
[*] - климатическое исполнение и категория размещения (1, 2).
|
Тип изделия
|
Номинальное напряжение,
В
|
|
первичное
|
вторичное основной
обмотки
|
вторичное дополнительной
обмотки
|
|
НОГ - 110 II I У1
|
110000/√3
|
100/√3
|
100
|
|
НОГ - 110 II II У1
|
110000/√3
|
100/√3
|
100
|
|
НОГ - 110 II III У1
|
110000/√3
|
110/√3
|
110
|
|
НОГ - 110 II IV У1
|
110000/√3
|
110/√3
|
110
|
|
НОГ - 110 IV I У1
|
110000/√3
|
100/√3
|
100
|
|
НОГ - 110 IV II У1
|
110000/√3
|
100/√3
|
100
|
|
НОГ - 110 IV III У1
|
110000/√3
|
110/√3
|
110
|
|
НОГ - 110 IV IV У1
|
110000/√3
|
110/√3
|
110
|
|
НОГ - 132 III III У1
|
132000/√3
|
110/√3
|
110
|
|
НОГ - 132 III IV У1
|
132000/√3
|
110/√3
|
110
|
|
НОГ - 132 IV III У1
|
132000/√3
|
110/√3
|
110
|
|
НОГ - 132 IV IV У1
|
132000/√3
|
110/√3
|
110
|
|
НОГ - 150 II I У1
|
150000/√3
|
100/√3
|
100
|
|
НОГ - 150 II II У1
|
150000/√3
|
100/√3
|
100
|
|
НОГ - 150 II III У1
|
150000/√3
|
110/√3
|
110
|
|
НОГ - 150 II IV У1
|
150000/√3
|
110/√3
|
110
|
|
НОГ - 150 IV I У1
|
150000/√3
|
100/√3
|
100
|
|
НОГ - 150 IV II У1
|
150000/√3
|
100/√3
|
100
|
|
НОГ - 150 IV III У1
|
150000/√3
|
110/√3
|
110
|
|
НОГ - 150 IV IV У1
|
150000/√3
|
110/√3
|
110
|
|
НОГ - 220 II I У1
|
220000/√3
|
100/√3
|
100
|
|
НОГ - 220 II II У1
|
220000/√3
|
100/√3
|
100
|
|
НОГ - 220 II III У1
|
220000/√3
|
110/√3
|
110
|
|
НОГ - 220 II IV У1
|
220000/√3
|
110/√3
|
110
|
|
НОГ - 220 IV I У1
|
220000/√3
|
100/√3
|
100
|
|
НОГ - 220 IV II У1
|
220000/√3
|
100/√3
|
100
|
|
НОГ - 220 IV III У1
|
220000/√3
|
110/√3
|
110
|
|
НОГ - 220 IV IV У1
|
220000/√3
|
110/√3
|
110
|
|
НОГ-330 II I
|
330000/√3
|
100/√3
|
100
|
|
НОГ-330 II II
|
330000/√3
|
100/√3
|
100
|
|
НОГ-330 III I
|
330000/√3
|
100/√3
|
100
|
|
НОГ-330 III II
|
330000/√3
|
100/√3
|
100
|
|
НОГ-330 IV I
|
330000/√3
|
100/√3
|
100
|
|
НОГ-330 IV II
|
330000/√3
|
100/√3
|
100
|
Трансформаторы соответствуют следующим показателям:
средний срок службы - 30 лет;
гарантийный срок хранения - 1 год;
гарантийный срок эксплуатации:
с момента ввода в эксплуатацию - 3 года;
со дня отгрузки с предприятия-изготовителя - не более 3,5 лет.
Трансформатор напряжения НКГ-500 (элегазовый
пожаро-взрыво-безопасный)
С конца 2007
года на ОАО “Запорожский завод высоковольтной аппаратуры” внедрены в
производство элегазовые пожаровзрывобезопасные каскадные трансформаторы
напряжения НКГ-500 кВ.
Трансформатор
разработан с исполнениями на две вторичные обмотки (одна основная и одна
дополнительная) и на три вторичные обмотки (двумя основными и одной
дополнительной).
Основные
параметры и характеристики НКГ-500
|
Наименование параметра
|
Значение параметра для
трансформатора
|
|
НКГ-500 II I
|
НКГ-500 II II
|
НКГ-500 III I
|
НКГ-500 III II
|
|
1. Номинальное первичное
напряжение, кВ
|
500⁄√3
|
|
2. Наибольшее рабочее
первичное напряжение, кВ
|
525⁄√3
|
|
3. Количество вторичных
обмоток: · основной; · дополнительной
|
1 1
|
2 1
|
1 1
|
2 1
|
|
4. Номинальное напряжение
вторичных обмоток, В: ·
основной; · дополнительной
|
100⁄√3 100
|
100⁄√3 100
|
100⁄√3 100
|
100⁄√3 100
|
|
5. Номинальная мощность
вторичной основной обмотки (в высшем классе точности) с сos φ2=0,8 в
классе точности 0,2, В•А, (при отсутствии нагрузки на других обмотках)
|
50*)
|
50*)
|
50*)
|
50*)
|
|
6. Номинальная мощность в
классе точности 0,2 основных вторичных обмоток при одновременном включении на
них нагрузки, В•А
|
-
|
100*)
|
-
|
100*)
|
|
7. Номинальная мощность
вторичной основной обмотки с сos φ2=0,8,
В•А, (при отсутствии нагрузки на других обмотках): · в классе точности 0,5; · в классе точности
1,0; · в классе точности 3,0;
|
200 (300*))
300 (400*)) 1200
|
|
8. Номинальная мощность
вторичной дополнительной обмотки с сos φ2=0,8 в
классе точности 3Р, В•А
|
1200
|
|
9. Предельная мощность
трансформатора, В•А
|
2500
|
|
10. Предельная мощность
вторичной основной обмотки, В•А
|
1300
|
1200
|
1300
|
1200
|
|
11. Предельная мощность
вторичной дополнительной обмотки, В•А
|
2500
|
|
12. Характеристика внешней
изоляции по ГОСТ 9920: ·
категория в зависимости от длины пути
утечки внешней изоляции; · удельная длина пути утечки
внешней изоляции, не менее, см⁄кВ;
|
II* 2,25
|
III 2,5
|
|
13. Рабочее давление
(избыточное) элегаза при температуре 20 °C, МПа (кгс⁄см2)
|
0,4±0,01 (4,0±0,1)
|
|
14. Испытательные
напряжения, кВ: · кратковременное (одноминутное) переменное: o внутренней изоляции: § трансформатора;
§ блока; o внешней
изоляции: § в сухом состоянии; § под
дождем; · грозового импульса: o полного;
o срезанного; · коммутационного
импульса в сухом состоянии и под дождем
|
630 340 60 630 1675
1800 1230
|
|
15. Испытательное
напряжение внешней изоляции на отсутствие видимой короны, кВ
|
334
|
|
16. Режим нейтрали сети
|
эффективно заземленная
|
|
*)По требованию заказчика может быть изменена
номинальная мощность вторичных обмоток в соответствии с ДСТУ ГОСТ 1983-2003
при условии соблюдения класса точности
|
15.
ЭКОНОМИЧЕСКАЯ ЧАСТЬ
.1
Капиталовложения в строительство КЭС
, млн.
руб. (43)
1.08
Где:
капиталовложения в первый (головной) блок, тыс. руб.
капиталовложения
в каждый последующий блок, тыс. руб.
число
блоков, шт.
поправочный
коэффициент на территориальный район строительства
коэффициент
инфляции
По
формуле (43)
15.2
Удельные капиталовложения
,
руб./МВт. (44)
Где:
абсолютная величина капитальных вложений в
строительство электростанции, тыс. руб.
установленная
максимальная мощность станции, тыс. МВт
По
формуле (44)
руб./МВт.
.3
Годовая выработка электроэнергии
(45)
Где:
число часов использования установленной расчетной
мощности, ч
Принимается
равным 6200
По
формуле (45)
15.4
Годовой расход электрической энергии на собственные нужды
, МВт/ч (46)
Где:
количество установленных блоков
число
часов работы блока в течении года
По
формуле (46)
МВт/ч
15.5
Удельный расход электроэнергии на собственные нужды
(47)
По
формуле (47)
15.6
Годовой отпуск электроэнергии с шин станции
, МВт/ч (48)
По
формуле (48)
15.7
Годовой расход условного топлива
ту
т/год (49)
Где:
число часов работы турбогенератора в году, ч.
расход
топлива на холостой ход основного оборудования, ту
т/ч
По
формуле (49)
ту
т/год
15.8
Годовой расход натурального топлива
ту
т/год (50)
=34330
кДж/м3
Где:
- удельная теплота сгорания натурального топлива,
кДж/кг
По
формуле (50)
15.9
Удельный расход условного топлива по отпуску электроэнергии
, тут/кВт
ч (51)
По
формуле (51)
тут/кВт ч
15.10
КПД станции по отпуску электроэнергии
(52)
Где:
-удельный расход условного топлива по отпуску
электроэнергии, ту.т/кВт ч
По
формуле (52)
15.11
Проектная себестоимость электроэнергии с шин КЭС
1. Топливо на технологические цели.
Для станций, сжигающих твердое топливо, затраты определяются по формуле:
,
тыс.руб/год (53)
Где:
Цпр - оптовая цена одной тонны натурального топлива по прейскуранту
в зависимости от вида топлива, руб/тн.т;
Вн
г- годовой расход натурального топлива, тыс.тн.т/год - для твердого
топлива
По
формуле (53)
,
тыс.руб/год
2. Цена одной тонны условного топлива
руб/ту.т (54)
Где:
Uтоп - годовые издержки по топливу, тыс.руб/год;
Вуг
- годовой расход условного топлива, тыс.ту.т/год
По
формуле (53)
,
руб/ту.т
3. Вода на технологические цели.
,тыс.руб./год
(55)
Где:
на одну тонну суммарной часовой производительности
котлов
на один
кВт установленной мощности в зависимости от типа блока
номинальная
производительность всех установленных энергетических котлов , т/ч
установленная
мощность станции МВт
количество
установленных однотипных турбин
- плата
за воду в бюджет
По
формуле (55)
тыс.
руб./год
15.12
Основная заработная плата производственных рабочих
, тыс.
руб./год (56)
420 чел
Где:
- 0,6-0,7 -доля производственных рабочих в общей
численности эксплуатационного персонала
средняя
заработная плата одного производственного рабочего, тыс. руб./год
районный
коэффициент оплаты труда
По
формуле (56)
тыс.
руб./год
1. Удельная численность промышленно-производственного персонала
Где:
- численность промышленно-производственного персонала
2. Удельная численность эксплуатационного персонала
Где:
- численность эксплуатационного персоналау
- установленная мощность станции, МВт
15.13
Дополнительная заработная плата производственных рабочих
, тыс.
руб./год (57)
Где:
процент от основной заработной платы
По
формуле (57)
тыс.
руб./год
15.14
Отчисления на социальное страхование с заработной платы производственных
рабочих
, тыс.
руб./год (58)
По
формуле (58)
тыс.
руб./год
15.15
Расходы по содержанию и эксплуатации оборудования
.Стоимость оборудования, являющегося часть капитальных вложений
(59)
Где:
m - коэффициент, зависящий от номинальной мощности блока, равный 0,45
По формуле (59)
2. Амортизационные отчисления для производственного
оборудования
(60)
Где:
Соб - стоимость оборудования, тыс.руб.оба=7,5-8%
- средняя норма амортизации для производственного оборудования
По формуле (60)
3. Расходы по содержанию и эксплуатации оборудования
(61)
Где:
- 1,15- коэффициент учитывающий расходы на текущий
ремонт и эксплуатацию оборудования
По формуле (61)
15.16
Цеховые расходы
(62)
Где:
- зависит от установленной мощности
По формуле (62)
15.17
Общестанционные расходы
, тыс. руб./год (63)
Где:
численность административно - управленческого
персонала, чел.
1.15
0.05
По
формуле (63)
тыс.
руб./год
15.18
Общие издержки производства ТЭЦ
,тыс.руб./год
(64)
По
формуле (64)
15.19
Калькуляция себестоимости электрической энергии отпущенной с шин КЭС
. Себестоимость отпускаемой электроэнергии

(65)
По
формуле (65)
2.Структура годовых эксплуатационных затрат
(66)
По
формуле (66)
Таблица 24 [ ]
|
Наименование статей
калькуляции
|
Годовые издержки,
тыс.руб/год
|
Затраты на кВтч Структура себестоимости,%
|
|
|
Топливо на технологические
цели
|
7876194,3
|
40,68
|
84,63
|
|
Вода на технологические
цели
|
105612
|
0,54
|
1,13
|
|
Основная заработная плата
производственных рабочих
|
81144
|
0,42
|
0,87
|
|
Дополнительна заработная
плата производственных рабочих
|
8114,4
|
0,042
|
0,087
|
|
Отчисления на социальное
страхование с заработной платы рабочих
|
23207,18
|
1,2
|
0,25
|
|
Расходы по содержанию и
эксплуатацию оборудования
|
1084812,48
|
5,6
|
11,63
|
|
Цеховые расходы
|
54240,62
|
0,28
|
0,57
|
|
Общестанционные
(общезаводские) расходы
|
74340,65
|
0,37
|
0,79
|
|
Итого:
|
9307665,63
|
48,07
|
100
|
15.20
Сводная таблица технико-экономических показателей ТЭЦ
Таблица 25 [ ]
|
№
|
Установленная мощность
станции
|
Условные обозначения
|
Единица измерения
|
Величина
|
|
1
|
Установленная мощность
станции
|
МВт400
|
|
|
|
2
|
Число часов использования
установленной мощности
|
ч/год5700
|
|
|
|
3
|
Годовая выработка
элетроэнергии
|
Тыс.МВтч19840000
|
|
|
|
4
|
Годовой отпуск
электроэнергии
|
Тыс.МВтч19361280
|
|
|
|
5
|
Удельный расход
электроэнергии на собственные нужды
|
%2,4
|
|
|
|
6
|
Капитальные вложения в
строительство станции
|
Млн. руб26203,2
|
|
|
|
7
|
Удельные капиталовложения
|
Руб/кВт8188,5
|
|
|
|
8
|
Удельный расход условного
топлива
|
Тут/кВтч317,4
|
|
|
|
9
|
КПД по отпуску
электроэнергии
|
%38,8
|
|
|
|
10
|
Удельная численность
эксплуатационного персонала
|
чел/МВт0,13
|
|
|
|
11
|
Удельная численность
промышленно-производственного персонала
|
чел/МВт0,41
|
|
|
|
12
|
Себестоимость отпущенного
кВтч
|
коп/кВтч48,07
|
|
|
|
13
|
Цена одной тонны условного
топлива
|
Руб/тут1281,5
|
|
|
16.
Список литературы
1. Правила устройства электроустановок / Минэнерго СССР. -
6-е издание Переработано и дополнено - М.: Энергоатомиздат, 1985.
2. Межотраслевые правила по охране труда при
эксплуатации электроустановок - СПб.: Издательство ДЕАН, 2003 - 208 с.
. Правила технической эксплуатации электрических
станций и сетей Российской Федерации. - М.: Изд-во НЦ ЭНАС, 2004. - 264 с.
. Нормы технологического проектирования тепловых
электрических станций и тепловых сетей: ВНТП - 81 Минэнерго СССР. - М. ЦНТИ
Информэнерго, 1981.
. Типовые материалы для проектирования 407-03-498.88.
Открытые распределительные устройства 220 кВ на унифицированных конструкциях.
. Руководящие указания по релейной защите. Релейная
защита понижающих трансформаторов и автотрансформаторов 110 - 500 кВ. Схемы -
М.: Энергоатомиздат, 1985 - 112 с.
. Методическое пособие для дипломного проектирования
по расчету заземляющих устройств в установках 110 кВ и выше с эффективно-заземленной
нейтралью.
. Методическое пособие для дипломного проектирования
по расчету экономической части КЭС
. Справочные материалы для курсового и дипломного
проектирования по электрической части электрических станций и подстанций. СПб
филиал ГУ - ВШЭ ЭТ. 2009 г.
. Электрическая часть электростанций и подстанций:
Справочные материалы для курсового и дипломного проектирования. Учебное пособие
для электроэнергетических специальностей вузов / И.П. Крючков, Н.Н. Кувшинский,
Б.Н. Неклепаев; Под редакцией Б.Н. Неклепаев - 3-е издание, переработано и
дополнено - Москва: Энергия, 1978.
. Справочник по электрическим установкам высокого
напряжения. / Под ред. И.А. Баумштейна, С.А. Бажанова - 3-е издание, перераб. и
доп. - М.: Энергоатомиздат, 1989.
. Электротехнический справочник./ Под общ. ред.
профессоров МЭИ Герасимова В.Г. и др. (гл.ред. Попов А.И. ) Изд-во МЭИ 440
стр., 2003 г.
. Релейная защита энергетических систем: Учебное
пособие для техникумов. - М.: Энергоатомиздат. 1998. - 300 с.
14. Л. Д. Рожкова, В.С. Козулин. Электрооборудование станций
и подстанций: Учебник для техникумов. - 3-е издание, переработанное и
дополненное - Москва: Энергоатомиздат, 1987.
.Электрические станции 2008’12. Ежемесячный
производственно-технический журнал
. http://www.zva.zp.ua/ru/newtnnkg
. http://www.tdtransformator.ru/NOG.html
. http://www.tdtransformator.ru/TGF.html