Цифровой манометр
Министерство
образования и науки Российской Федерации
КАЗАНСКИЙ
НАЦИОНАЛЬНЫЙ ИССЛЕДОВАТЕЛЬСКИЙ ТЕХНИЧЕСКИЙ УНИВЕРСИТЕТ им. А.Н. ТУПОЛЕВА-КАИ
Филиал
«Восток»
Кафедра
Приборостроения
КУРСОВОЙ ПРОЕКТ
по дисциплине
«Электроника и микропроцессорная техника»
«Цифровой манометр»
Выполнил: ст.
группы 21401
Никоноров
А.А.
Проверила:
ст.пр. Шиндор О.В.
г. Чистополь, 2015
Введение
Манометр - прибор, измеряющий давление жидкости или газа.
Принцип действия манометра основан на уравновешивании измеряемого
давления силой упругой деформации трубчатой пружины или более чувствительной
двухпластинчатой мембраны, один конец которой запаян в держатель, а другой
через тягу связан с трибко-секторным механизмом, преобразующим линейное
перемещение упругого чувствительного элемента в круговое движение показывающей
стрелки.
Манометры бывают в основном 2 видов: аналоговые и цифровые.
Большинство отечественных и импортных манометров изготавливаются в
соответствии с общепринятыми стандартами, в связи с этим манометры различных
марок заменяют друг друга. При выборе манометра нужно знать: предел измерения,
диаметр корпуса, класс точности прибора. Также важны расположение и резьба
штуцера.
Манометры применяются во всех случаях, когда необходимо знать,
контролировать и регулировать давление. Наиболее часто манометры применяют в
теплоэнергетике, на химических, нефтехимических предприятиях, предприятиях
пищевой отрасли.
Довольно часто корпуса манометров, служащих для измерения давления газов,
окрашивают в различные цвета. Так манометры с голубым цветом корпуса
предназначены для измерения давления кислорода. Жёлтый цвет корпуса имеют
манометры на аммиак, белый - на ацетилен, тёмно-зелёный - на водород,
серовато-зелёный - на хлор.
1. Синтез ПЧНС
Для реализации цифрового манометра требуется цифровой преобразователь,
который предназначен для преобразования непрерывной величины X в числовой
эквивалент N.
Удобнее всего реализовать цифровой манометр на цифровом измерительном
преобразователе частоты (ЦИПЧ).
Требуется реализовать преобразователь частоты поступающей с частотного
датчика давления.
Суть
метода ПЧНС: берется интервал времени
и
определяется число периодов
измеряемой
частоты, которые укладываются в данном интервале времени. Таким образом,
числовой эквивалент формируется в виде
-
уравнение ПЧНС. Можно заметить, что в данном случае роль коэффициента
пропорциональности
выполняет интервал времени
.
Преобразователь
состоит из датчика и ПЧНС
Рис.1.
Структурная схема цифрового манометра
Технические
условия
1. Назначение: выработка числового эквивалента по давлению при
работе с частотным датчиком давления.
2. Диапазон давления, кПа: 0,02…380
3. Характеристика датчика имеет вид
4. Допустимая приведенная погрешность преобразователя, %: 0,8
5. Допустимое время преобразования, с: 0,95
6. Выход - цифровая индикация в кПа, цифровой двоичный код уровня
ТТЛ.
7. Элементная база - ИМС серии 561.
. Регистр с динамическим управлением.
интервал
цифровой информация параметр
1.1 Приведение технических условий к стандартному виду
Для того чтобы начать расчет преобразователя частоты непрерывного счета
необходимо привести технические условия к стандартному виду.
1.
Определяю диапазон измеряемой величины
,
по формуле:
.
Так как погрешность измеряемого диапазона задана в виде допустимой приведенной
погрешности, то сначала необходимо перевести её в доли, а затем привести её к
абсолютной погрешности преобразования
· перевод относительной погрешности в доли
· приведение относительной погрешности к абсолютной
.
Время преобразования
.
Требуется выработать числовой эквивалент по давлению при работе с частотным
датчиком давления
5.
ИМС серии 561.
1.2 Технические требования в стандартном виде
1. Диапазон
измерения
1500,036…2184
Гц
. Абсолютная
погрешность измерения
. Время
преобразования
. Числовой
эквивалент по давлению при работе с частотным
датчиком
давления имеет характеристику
5. ИМС серии 561
1.3 Анализ масштабных ограничений
Эти ограничения применяются, когда вырабатываемый ЧЭ должен отвечать
требованиям удобства съема информации с преобразователя. Масштабные ограничения
накладываются на некоторые физические параметры преобразователя.
В нашем случае масштабное ограничение накладывается на tф.
-
идеальная характеристика
-
реальная характеристика
Приравнивая
обе характеристики получим:
Т.е.
для того чтобы вырабатывать числовой эквивалент в требуемом виде, интервал
времени tф должен выбираться из ряда масштабных значений:
.4
Анализ суммарной погрешности
Уравнение суммарной погрешности состоит из погрешности квантования,
погрешность вызванная нестабильностью квантующей частоты, погрешности привязки
и имеет вид:
Таким
образом, имеется одно уравнение с четырьмя неизвестными:
и необходимо определить их таким образом, чтобы оно
выполнялось во всем диапазоне частот fx.
1. Проанализируем составляющую погрешности вызванную погрешностью
квантования:
Неравенство содержит две неизвестных, но погрешность квантования может
принимать значение ±1, либо±0,5. Проанализируем оба варианта:
а)
, следовательно:
Кроме
точностных, на величину
накладываются еще и масштабные ограничения, т.е.
полученное значение
необходимо увеличить до ближайшего масштабного
значения, следовательно,
.
б)
, следовательно
Учитывая
масштабные ограничения,
,
, поэтому
ограничение по быстродействию выполняется и, следовательно, этот вариант можно
рассматривать дальше.
Таким
образом, получены значения:
и
2. Проанализируем составляющую, вызванную нестабильностью квантующей
частоты, отбросив последнюю составляющую, а определенные составляющие будем
считать константами:
Целесообразно
использовать генератор с кварцевой стабилизацией частоты, так как
нестабильность выработки опорной частоты у такого генератора меньше, чем у
генератора с ударным возбуждением. По справочнику для генераторов с кварцевой
стабилизацией частоты выберем:
3. Проанализируем составляющую, вызванную погрешностью привязки:
Полученное
значение удовлетворяет требованиям предельного быстродействия заданной
элементной базы. Для КМОП
, т.е. условие выполняется.
Таким
образом определены основные параметры, при которых погрешность укладывается в
пределы допуска и удовлетворяет ограничению по быстродействию. Следовательно,
ПЧНС может быть реализован.
.5 Расчет дополнительных параметров
Определим некоторые дополнительные параметры:
. Параметры УФИВ (расчет коэффициента формирования Nф):
Таким
образом, получили коэффициент формирования
, для
того чтобы аппаратные затраты были наименьшими реализуем ФИВ на двоичных
счетчиках, для этого нужно число 1100 перевести из десятичной в двоичную
систему счисления.
То есть для реализации такого коэффициента формирования требуется 11
разрядов, то есть 3 корпуса двоичных счетчиков.
2. Ёмкость
выходного счетчика
:
Следовательно необходимо 4 корпуса 2-10ых счетчиков.
Таким образом, получены следующие конструктивные параметры
преобразователя:
1. Погрешность
квантования:
. Допустимое
время преобразования: tфп=0,55 сек (
)
. Составляющая
погрешности от нестабильности опорной частоты
δfоп=1·10-5
4. Опорная частота fоп=2 кГц
5. Коэффициент формированияNф=1100 - 3 двоичных счетчика
. Ёмкость выходного счетчикаNсч=1204,20 - 4 двоично-десятичных
счетчика
. Схемотехническое проектирование ПЧНС
Для реализации ПЧНС используем следующие функциональные узлы:
. Генератор квантующей или опорной частоты. Это аналоговый узел, в
нашем случае его разработка не требуется.
2. УВП
- для привязки измеряемого интервала времени
сигнала
к опорной частоте
3. ФИВ,
вырабатывающий постоянный интервал времени
4. Счетчик
СТ (выходной). Это двоично-десятичный четырехразрядный счетчик, предназначенный
для подсчета количества периодов измеряемой частоты, укладывающейся в интервале
времени
. Вырабатывает числовой эквивалент в
двоично-десятичном коде.
. Регистр
RG, предназначенный для хранения информации,
вырабатываемой в счетчике, в промежутках между преобразованиями.
. Устройство
отображения информации УОИ. Предназначено для преобразования выходной
информации регистра в цифровую информацию. Включает преобразователь
двоично-десятичного кода в код управления индикатором и элементы индикации.
. Входной
формирователь F - для формирования сигналов заданного уровня и
крутизны фронтов.
. Узел
управления преобразователя УУП - для управления всеми элементами преобразователя.
9. Устройство начальной установки УНУ, предназначенное для установки
всех узлов преобразователя в заданное начальное состояние при подаче питающего
напряжения или по желанию оператора.
2.1 Разработка электрических схем каждого узла
Определим набор функциональных узлов, применяемых при проектировании
ПЧНС:
. Генератор квантующей или опорной частоты (GQ с f0). Это аналоговый узел
непосредственно в нашем случае его разработка не требуется.
. УВП - для привязки измеряемого интервала времени tx сигнала αx к опорной частоте f0.
3. ФИВ, вырабатывающий постоянный интервал времени
4.
Счетчик СТ (выходной) 2-10ый, 4-ех разрядный. Для выработки числового
эквивалента в двоично-десятичном коде.
.
Регистр RG для хранения информации, вырабатываемой в СТ, в промежутках между
преобразованиями.
.
Устройство отображения информации УОИ предназначено для преобразования выходной
информации регистра в цифровую информацию. Включает преобразователь
двоично-десятичного кода в код управления индикатором и элементы индикации.
.
Входной формирователь F - для формирования сигналов заданного уровня и крутизны
фронтов.
.
Устройство начальной установки - для установки всех узлов преобразователя в
заданное начальное состояние при подаче питающего напряжения или по желанию
оператора.
.
Узел управления преобразователя УУП - для управления всеми элементами
преобразователя.
.1.1
Разработка генератора опорной частоты
Аналоговый
узел, имеющий типовую схему, поэтому разработка его не требуется. Требуется
реализовать генератор, вырабатывающий
,
.
Очевидно,
что применять генератор с ударным возбуждением нецелесообразно, поэтому строим
преобразователь только с использованием генератора с кварцевой стабилизацией
частоты. Эти генераторы обладают очень высокой стабилизацией вырабатываемой
частоты. Такие генераторы выполняются в виде типовых схемотехнических решений,
обычно на базе логических элементов, резисторов и конденсаторов с включением
кварцевых резонаторов. В нашем случае выбираем кварцевый резонатор 1Г 28x155..Таким
образом, необходимо установить формирователь для обеспечения качества сигнала
по фронтам уровня и искажениям.

Рис.
2. Электрическая схема генератора опорной частоты
Ограничимся
упрощенным функциональным обозначением:
Рис.
3. Функциональное обозначение генератора опорной частоты
Генератор должен иметь парафазные выходы
и
. Желательно, чтобы эти выходы были
достаточной мощности.
.1.2. Устройство временной привязки
УВП привязывает сигнал
к фронтам опорной частоты
. Реализуется на динамическом D-триггере К561ТМ2.
1 - выход Q1; 2 - выход инверсный Q1; 3 - вход синхронизации C1; 4 - инверсный
вход установки R1; 5 - вход D1; 6
- инверсный вход установки S1; 7 - общий; 8 - инверсный вход установки S2; 9 -
вход D2; 10 - инверсный вход установки R2; 11 - вход синхронизации C2; 12 -
выход инверсный Q2; 13 - выход Q2; 14 - напряжение питания
Рис.4. УГО К561ТМ2
Триггер расположен в 14ти выводном корпусе, кроме информационных и
установочных входов имеет входы питания, которые на электрической
принципиальной схеме обычно не изображается (7 - общий, 14 - 5В±10%). Необходимо использовать
половину этого корпуса. Если нижняя половина использоваться не будет, то на все
неиспользуемые входы надо подать логический уровень «1». Поэтому подадим S=1 и R=1.
Двухтактный D-триггер микросхемы К561ТМ2 работает следующим образом: По
фронту первого импульса синхронизации на входе C логический уровень со входа D
записывается в первый однотактный D-триггер. По фронту второго синхроимпульса
на входе C информация записывается во вторую ступень триггера и на выходе Q
устанавливается уровень, присутствовавший на входе D перед первым
синхроимпульсом. Таким образом, на выходе двухтактного D-триггера сигнал
задерживается на один такт (период следования синхроимпульсов).
Входы установки (S) и сброса (R) не зависят от импульсов синхронизации
т.е. являются асинхронными. Они имеют активный высокий уровень
(лог."1"). Поступление высокого уровня на один из входов R или S
устанавливает обе ступени D-триггера соответственно в "0" или
"1" независимо от состояния входов C и D.
На
входС подается опорная частота, однако какой конкретно сигнал,
или
, будет
решено в процессе тактирования. Тактовый вход УВП обозначим через С,
информационный вход через D. Для дальнейшей работы поставим в соответствие
упрощенное функциональное обозначение:
Рис.
5. Функциональное обозначение УВП
.1.3
УФИВ
Необходимо
сформировать интервал времени tФ, заданной длительности. Задача построения ФИВ
сводится к следующему:
)
взять счетчик соответствующей емкости;
)
записать в него в исходном состоянии число
;
)
установить счетчик в режим вычитания;
)
запустить счетчик внешним запускающим сигналом aзап.
Счетчик начнет считать в режиме вычитания, отработает NФ импульсов и
должен остановиться, после чего следует ждать следующего запускающего сигнала.
ФИВ предназначен для выработки tф заданной длительности. Он работает в
ждущем режиме, то есть запускается αзап, вырабатывает tф, приходит в
исходное состояние и ждет следующего сигнала запуска.
Поскольку tф не электрическая величина, то везде далее ее электрическим
эквивалентом будем считать прямоугольные импульсы αф , длительность каждого равна tф.
Реализуем УФИВ на счетчиках серии К561ИЕ11. Его удобно применять для
подсчета приращения данных, причем несколько корпусов К561ИЕ11 можно объединить
в многокаскадные синхронные либо асинхронные счетчики. Для организации запуска
и остановки УФИВ необходим дополнительный триггер К561ТМ2.
Рис.6. УГО К561ИЕ11
Рис. 7. Электрическая схема УФИВ
Нам нужно построить ФИВ с заданным произвольным Nф. В исходном состоянии
в счетчик записывается число Nф по входам предварительной установки. По приходу
αзап начинается счет в режиме вычитания,
при достижении состояния (0…00) сигнал с выхода переноса останавливает процесс
счета, в счетчик записывается число Nф и устройство ждет очередного сигнала
запуска.
Формирователь интервалов времени состоит из двоичных счетчиков и
динамического D-триггера, который еще называют управляющим триггером.
По положительному перепаду запускающего сигнала αз запуска, подаваемого на
информационный вход С D-триггера, «1» переписывается на выход триггера, на вход
РЕ, разрешается счет. Счетчики считают в режиме вычитания, начиная с
предустановленного числа. Когда обрабатывается последний такт, появляется
сигнал переноса, который сбрасывает счетчик в начальное состояние. На выходе
переноса со старшего счетчика формируется сигнал низкого уровня, который,
пройдя через инвертор, приходит на асинхронный вход сброса R управляющего
триггера и устанавливает его в нулевое состояние. Далее, сигнал высокого уровня
с выхода Q , D-триггера, подается на входы предустановки счетчиков РЕ и
останавливает их.
На
входы предварительной установки по шине подается ранее вычисленный числовой
эквивалент Nф . Не используемые асинхронные входы сброса R счетчика заземляем,
то есть создаем на их входах уровень логического нуля. Так как счетчики должны
работать в режиме вычитания, то входы “±1” также заземляем. Также подадим
логический ноль на информационный вход D и
на
асинхронный вход установки в единицу S управляющего триггера. На тактовые входы
С будем подавать сигнал α0 с генератора опорной частоты. Запускающий сигнал αз будет вырабатываться узлом управления.
Поставим разработанному устройству в соответствие его функциональное
обозначение.
Рис. 8. Функциональное обозначение УФИВ
.1.4 Счетчик
Nсч
=1204,2
Необходим двоично-десятичный счетчик, суммирующий, работающий от нуля и
имеющий возможность сброса, количество корпусов счетчика - 4. Реализуем счетчик
на корпусах типа К561ИЕ2, предельная частота которого равна 2МГц.
Счетчики выполнены в 16ти выводном корпусе (8 - общий, 16 - +5В±10%). Входы предварительной установки
будем использовать для сброса счетчика в ноль, поэтому на них подаем αСТРЕ=αСТR.
Рис. 9. УГО К561ИЕ2
Микросхема К561ИЕ2 - счётчик, который может работать как двоичный, так и
как десятичный. Счетчик имеет пять двоичных выходов (выводы 10...14) и один
десятичный (15). По входам S1 - S4 (выводы 4...7) можно записать в счетчик
предварительные данные. По входу R счетчику К176ИЕ2 дается асинхронный сброс.
На вывод 3 подается сигнал тактовой частоты С(t). По входу 2/10 осуществляется
переключение счета. Если на входе 2/10 - высокий уровень, счетчик работает как
двоичный; при низком (нулевом) потенциале - как десятичный и на выводе 15
появляются импульсы с частотой f/10.
Простейшее включение счетчика К561ИЕ2: вывод 2 соединить с выводом 16, а
выводы 4, 5, 6, 7, 8 - заземлить. На вывод 3 подать частоту f. На выводах 14,
13, 12, 11, 10 появятся частоты f/2, f/4; f/8, f/16 н f/32 соответственно.
Вывод ЕС (т. е. 2) служит для разрешения счета.
Рис. 10. Электрическая схема соединений счетчиков
Поскольку счетчик работает в режиме суммирования “1” нужно подать на вход
“+1”. Счетчик должен сбрасываться в “0” по входу R с подачей на него “1”, поэтому все входы R необходимо объединить.
- сброс
счетчика в 0.
-
открытие.
Изобразим
упрощенную функциональную схему:
Рис.
11. Функциональная схема блока счетчиков
При
выполненном каскадном соединении корпусов между собой счетчик работает по
асинхронному принципу, следовательно, и сам счетчик в целом должен
рассматриваться как асинхронный, то есть съем информации со счетчика должен
происходить после завершения в нем переходных процессов.
2.1.5 Регистр
Регистр предназначен для хранения информации счетчика в промежутках между
циклами преобразования.
Далее приводится микросхема К564ИР9 (Рис.11) с цоколевкой корпуса,
описанием сигналов, подаваемых на входы, каскадным соединением регистров.
Рис.12. Регистр
Микросхема представляет собой 4х разрядный регистр с тактовыми входными
импульсами. Микросхема расположена в 16 выводном корпусе, поэтому каждый её
триггер имеет только один прямой выход данных Q. Данные вводятся через последовательный вход D. Данные принимаются от этого входа и
сдвигаются поразрядно после каждого положительного перепада на входе С. Сброс в
ноль выходных данныхQ происходит,
когда на вход асинхронного сброса Rдано напряжение высокого уровня.
Четыре выхода каждого регистра позволяют преобразовать последовательный
код, принятый по входу D, в
параллельный, отображаемых через 4 такта на выходах Q0…Q3.
На ножку 16 подается =5В; 8-общий.
Поставим разработанному устройству в соответствие его функциональное
обозначение.
Рис.
13. Функциональное обозначение регистра
.1.6
Входной формирователь F
Необходим
для того, чтобы сформировать внешние асинхронные сигналы, т.е. очистить их от
помех, получить заданный уровень логического сигнала и необходимую крутизну
фронтов.
Чаще
всего используется схема триггера Шмидта.
Воспользуемся
двумя микросхемами К561ТЛ2.
Рис. 14. Электрическая схема формирователя
Достаточно одного элемента триггера Шмидта, или если требуется прямой
сигнал, то двух последовательных элементов. Остальные элементы могут быть
использованы в генераторе и УНУ.
Функциональное обозначение:
Рис.
15. Функциональное обозначение формирователя
.1.7
Устройство начальной установки
Используется
для установки узлов преобразователя и его узлов в заданное начальное состояние
или принудительного сброса преобразователя в исходное состояние.
Чаще
всего для этого используют RC-цепь с последующим триггером Шмидта. Практически
всегда используется подача UПИТ.
Рис. 16. Электрическая схема устройства начальной установки
В момент подачи напряжения источника питания на входе низкий уровень и поэтому
bУНУ=0. этим сигналом можно установить
узлы преобразователя в заданное начальное состояние. После заряда конденсатора bУНУ=1 и схема готова к началу цикла
преобразования.
Время выработки выходного сигнала b определяется как t=RC. При необходимости оператор может замкнуть контакты кнопки и
тем самым подать на вход триггера-Шмидта нулевой уровень, что приведет к
установке bУНУ=0.
Обозначим такое устройство как:
Рис.
17. Функциональное обозначение УНУ
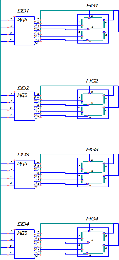
.1.8 Устройство отображения информации (УОИ)
Включает в себя дешифратор и индикатор. Реализуем дешифратор на корпусах
типа К561ИД5 (4 корпуса). Отображаться информация будет на семисегментных
индикаторах HG1- HG4 типа DA/DC08-11 (4 корпуса).
ИМС К561ИД5 представляет собой преобразователь двоично-десятичного кода в
семисегментный со встроенным буферным регистром. Преобразователь имеет вход
стробирования записи данных в буферный регистр
. При подаче высокого уровня на этот
вход, происходит прямое прохождение сигнала с входа на выход. По спаду импульса
данные защелкиваются в буферном регистре. Вход
определяет активный уровень на
выходе дешифратора. Если на этот вход подан «0», то активным будет высокий уровень
и наоборот.
Рис.18. УГО К561ИД5
Рис.19. Устройство отображения информации
Упрощенное функциональное обозначение УОИ:
Рис.20. Функциональное обозначение УОИ
3. Разработка узла управления
Рассмотрим синтез УУ на базе ДА Мура. Разработка УУ на базе ДА включает в
себя два этапа: абстрактный синтез и структурный синтез.
.1 Абстрактный синтез
Изобразим временную диаграмму функционирования и выделим необходимые
состояния преобразователя:
Рис.21. Временная диаграмма: А1 - счет. В этом состоянии ФИВ работает,
счетчик работает, регистр не записывает. Это состояние реализуется в течение
интервала времени tф. А2 - запись. В
этом состоянии регистр записывает, ФИВ остановлен, счетчик открыт. А3 - сброс.
Счетчик закрыт и необходимо сбросить в “0”, ФИВ не работает, в регистре записи
нет
Теперь выделим сигналы, которые должны подаваться на входы узлов в каждом
из этих состояний табл. 1.
Таблица 1
Состояние ДА и функционирование ФИВ, Счетчика и Регистра
|
Состояние
|
ФИВ
|
Счетчик
|
Регистр
|
|
Счет (А1)
|
Работает 1
|
Считает 0
|
Нет записи 0
|
|
Запись (А2)
|
Остановлен 1
|
Открыт 0
|
Запись 1
|
|
Сброс (А3)
|
Остановлен 0
|
Сброс 1
|
Нет записи 0
|
Составим таблицу выходов табл. 2.
Таблица 2. Выходы ДА
|
Состояние
|
Q1 Q2
|
β1УУ
|
β2УУ
|
β3УУ
|
|
А1
|
0 0
|
1
|
0
|
0
|
|
А2
|
0 1
|
1
|
0
|
1
|
|
А3
|
1 1
|
0
|
1
|
0
|
При этом сигнал β1УУ отвечает за управление ФИВ, β2УУ за управлением счетчиком, β3УУ за управлением регистром, т. е. αCФИВ= β1УУ , αRСТ = β2УУ, αСRG= β3УУ.
Следующий этап абстрактного синтеза - это получение таблиц переходов.
Таблица переходов - это функция Аt+1 = δ(Аt,xt). Сигнал xt, зависит от αx и αф , следовательно, организуем
управление используя эти входные сигналы таблица 3
Таблица 3/ Таблица
переходов
|
Аt
|
xt
|
Аt+1
|
|
αx
|
αф
|
|
|
A1 A1 A1 A2 A3 A1 A2 А2
|
0 1 0 0 1 1 1 1
|
1 0 0 0 1
0 0 1
|
A1 A1 A2 A3 A1 A2 A2
А1
|
|
|
|
|
|
|
|
|
|
|
|
|
|
|
|
|
|
|
|
|
|
|
|
|
.2 Анализ УУ на неалгоритмические ситуации
Необходимо выполнить анализ полученного устройства на неалгоритмические
состояния и переходы.
Неалгоритмические состояния возникают в тех случаях, когда количество
состояний, которые могут быть реализованы при заданном числе триггеров, больше,
чем количество используемых состояний. В нашем случае используется два
триггера, с помощью которых можно реализовать все три различных состояния, а
так как мы и рассматриваем все три состояния, то и неалгоритмических состояний
не может возникнуть.
Необходимо проанализировать поведение преобразователя на таких переходах
и если требуется принять соответствующие меры.
Коррективы в работу преобразователя должны вноситься в двух случаях:
. Если, выполнив неалгоритмический переход, преобразователь попадает в такое
состояние, что затем самостоятельно не может из него выйти.
. Если в результате неалгоритмических переходов в работу преобразователя
вносятся грубые ошибки.
Переход А2 “11” → А1 означает, что если сразу после записи приходит
измеряемый сигнал, то преобразователь, не выполнив сброс, переходит в счет, при
этом, очевидно, будет сделана грубая ошибка в очередном измерении.
Переходы же А2 “10”→ А2, А3 “11”→ А1 не приведут к сбою
преобразователя.
.3 Структурный синтез
Прежде
всего необходимо определить количество триггеров памяти, необходимых для
реализации заданного числа состояний. В нашем случае три состояния и значит
необходимо иметь два триггера, так как β1=Q1, β2=
1. Выходы триггеров Q1 и Q2 .
Теперь
необходимо закодировать состояния, т. е. каждому состоянию поставить в
соответствие комбинацию сигналов триггера. При использовании ДА Мура
целесообразно кодировать состояния с учетом таблицы выходов ДА табл.4.
Таблица
4/ Таблица выходов ДА
|
Аt
|
Q1
|
Q2
|
β1УУ
|
β2УУ
|
β3УУ
|
|
A1
|
0
|
0
|
1
|
0
|
0
|
|
A2
|
0
|
1
|
1
|
0
|
1
|
|
A3
|
1
|
1
|
0
|
1
|
0
|
Выразим сигналы β1, β2, β3 в зависимости от выходов Q1 и Q2 . Для этого составим карты Карно.
β1 β2
|
Q2 Q1
|
0
|
1
|
|
Q2 Q1
|
0
|
1
|
|
0
|
1
|
1
|
|
0
|
0
|
0
|
|
1
|
|
0
|
|
1
|
|
1
β3
Построим кодированную таблицу переходов табл.5 - это обычная таблица
переходов, в которой все абстрактные сигналы записаны в двоичных кодах. Кроме
этого, в нее добавляется информация необходимая для построения функции возбуждения
βt.
Таблица
5/ Кодированная таблица
переходов
|
Аt
|
xt
|
Аt+1
|
|
|
|
Q1
|
Q2
|
αx
|
αф
|
Q1
|
Q2
|
D1
|
D2
|
|
|
0
|
0
|
0
|
1
|
0
|
0
|
0
|
0
|
A1,01→A1
|
|
0
|
0
|
1
|
1
|
0
|
0
|
0
|
0
|
A1,10→A1
|
|
0
|
0
|
0
|
0
|
0
|
1
|
0
|
1
|
A1,00→A2
|
|
0
|
1
|
0
|
0
|
1
|
1
|
1
|
1
|
A2,00→A3
|
|
1
|
1
|
1
|
1
|
0
|
0
|
0
|
0
|
A3,11→A1
|
|
0
|
0
|
1
|
0
|
0
|
1
|
0
|
1
|
A1,10→A2
|
|
0
|
1
|
1
|
0
|
0
|
1
|
0
|
1
|
A2,10→A2
|
|
0
|
1
|
1
|
1
|
0
|
0
|
0
|
0
|
А2,11→A1
|
Для того, чтобы записать в таблицу функцию возбуждения необходимо в
первую очередь определиться на каких триггерах будет реализована память ДА. Это
должны быть триггеры, управляющиеся фронтом - это либо динамический D-триггер, либо JK-триггер.
Пусть в нашем случае используем D-триггер, поэтому используем комбинацию входов D1 и D2.
Теперь необходимо записать такие сигналы D1t и D2t , под действием которых память производит переход из At в состояние At+1, т. е.
Q1t Q1t+1 и Q2t Q2t+1
Переход триггеров в новое состояние записывается как матрица переходов D-триггера табл.6.
Таблица6. Матрица переходов D-триггера
|
Qt Qt+1
|
D
|
|
0 0
|
0
|
|
0 1
|
1
|
|
1 0
|
0
|
|
1 1
|
1
|
Таким образом, построили функцию возбуждения.
Теперь необходимо реализовать ЛУ1. Это Bt = μ(xt, At). Теперь можно
построить карты Карно для обоих функций.
D1
|
αхαф Q1Q2
|
00
|
01
|
11
|
10
|
|
00
|
0
|
0
|
0
|
0
|
|
01
|
1
|
|
0
|
0
|
|
11
|
|
|
0
|
|
|
10
|
|
|
|
|
D2
|
αхαф Q1Q2
|
00
|
01
|
11
|
10
|
|
00
|
1
|
0
|
0
|
1
|
|
01
|
1
|
|
0
|
1
|
|
11
|
|
|
0
|
|
|
10
|
|
|
|
|
3.4
Разработка электрической принципиальной схемы
Фактически УУ содержит два триггера и набор логических элементов,
необходимых для реализации функции возбуждения. В качестве элементной базы
используем D - триггеры К155ТМ2, а также
логические элементы базиса И - НЕ:
К155ЛА8 - 4-х входовой элемент, условное графическое обозначение на
Рис.22.
Рис.22. УГО 4-х входового элемента И-НЕ
К155ЛА7 - 2-х входовой элемент, условное графическое обозначение на
Рис.23.
Рис.23. УГО 2-х входового элемента И-НЕ
Преобразуем D1 и D2, β1, β2, β3 в заданный базис.
3.5 Организация тактирования
Разработаны электрические схемы всех узлов преобразователя, включая узел
управления, и на функциональной схеме выполнены соответствующие соединения.
Осталось решить вопрос обмена информации между узлами преобразователя. Это и
есть содержание этапа тактирования. Цель тактирования - это так организовать
обмен информации, чтобы исключить последствия переходных процессов в узлах
преобразователя и устранить возможность возникновения неоднородных ситуаций в
узлах.
Нами разработаны электрические схемы всех узлов, включая узел управления,
сделаны все соединения между узлами. Остались не подключенными только входы, на
которые подается опорная частота. Необходимо подать на эти входы опорную
частоту, чтобы обеспечить функциональную надежность работы преобразователя, то
есть разнести во времени моменты смены информации на входах узлов. С этой целью
все сигналы преобразователя должны быть определенным образом привязаны к
фронтам опорной частоты.
Условимся, что если сигнал привязан к переднему фронту, то ему в
соответствие будем ставить индекс (1), если к заднему, то (2).
Сами сигналы уже получены, уровни известны, речь идет только о моментах
смены этих сигналов.
Например,
начнем с того, что подадим на ,следовательно, на . Для
того, чтобы сигналы, поступающие на входы узлов преобразователя и сигналы
управления этими узлами были разнесены во времени, необходимо, чтобы УУ
переключался по переднему фронту опорной частоты.
Для
уменьшения погрешности квантования, необходимо записать первый импульс в
счетчик через полпериода, измеряемого сигнала после начала интервала времени tф.
Далее
аналогично рассуждая можно получить таблицу тактирования табл.7.
Таблица
7. Таблица тактирования
|
Узел
|
Фронт переключения по тактовому входу
|
Фронт привязки
|
|
|
входы
|
выходы
|
|
УВП
|
Асинхронные (1)
|
|
|
|
ФИВ
|
(1) (2) (1)
|
|
|
|
СТ
|
(1) (2) (1)
|
|
|
|
RG
|
(2) (1) (2)
|
|
|
УУ (1)
Заключение
В ходе выполнения курсовой работы был разработан цифровой пульсомер на
микросхемах ТТЛ.
Также были разработаны все узлы преобразователя, решены вопросы
тактирования и функционирования цифрового устройства.
Конечным результатом проведенной работы, явилась принципиальная схема
цифрового пульсомера, а также алгоритм функционирования системы.
Список литературы
1. Политехнический
словарь. Издание 3. Гл. редактор А.Ю. Ишлинский. 1989г.
. Электроника.
Курс лекций В.А. Прянишников, С.-Петербург: КРОНА принт, 1998г.
. Популярные
цифровые микросхемы. В.Л. Шило, Изд. дом Радио и связь.
. Аналоговая
и цифровая электроника. Ю.Ф. Опадчий, 2005г.
. Интегральные
микросхемы и их зарубежные аналоги: Справочник, 1997. - 608с.
Похожие работы на - Цифровой манометр
|