Расчет пластинчатого конвейера
Федеральное
агентство по образованию
Тверской
государственный технический университет
Кафедра
«Строительные дорожные машины и оборудование»
Расчет
пластинчатого конвейера
Курсовая
работа
Вариант
№ 4
Выполнил: студент
группы
НТС-1204Джафаров
И.Р.
Принял: Корнев Г.П.
Тверь
2015 г
Исходные данные:
Производительность Q=400 т/ч
Горизонт. Проекция трассы L=120 м
Высота транспортирования Н=8 м
Класс использования по времени В2
Класс использования производительности ПЗ
Класс использования по грузоподъемности НЗ
Класс использования по нагружению ЦЗ
Место установки - открытая площадка
Тип загрузочного устройства - воронка
Тип разгрузочного устройства - головные
звездочки
Вид груза - щебень
Насыпная плотность p=1800 кг/м3
Степень образивности Д
Крупность, размер частиц, a =10…..60 мм
Угол естественного откоса в покое Фn=40
Подвижность частиц - средняя
Содержание
Введение
1. Определение основных параметров
2. Выбор типа настила и определение его ширины
3. Приближенный тяговый расчет
4. Тяговый расчёт
5. Определение мощности и выбор двигателя
6. Расчёт и выбор редуктора
7. Определение расчётного натяжения тягового элемента
8. Выбор тормоза
10. Выбор муфт
11.Натяжное устройство
Список используемой литературы
Введение
Пластинчатые конвейеры широко распространены в
пищевой промышленности и применяются для транспортирования как штучных, так и
насыпных грузов, например, соли, известняка и других крупнокусковых грузов.
Пластинчатые конвейеры часто являются элементами технологических линий розлива,
расфасовки и упаковки пищевых продуктов.
Полотно этих конвейеров изгибается в
вертикальной плоскости, а в ряде конструкций (при применении двухшарнирной или
круглозвенной цепи) - в горизонтальной.
Устройство пластинчатого конвейера.
Пластинчатый конвейер состоит из приводного
устройста, натяжного и
пластинчатой
катковой цепи с пластинами,
образующими настил, движущийся по направляющим, поддерживающим
рабочую и холостую ветви конвейера.
Разгрузка происходит с полотна конвейера при
проходе лотков через приводные звездочки, а загрузка может производиться
через
загрузочную воронку в любом месте рабочей ветви конвейера.В передней части
пластины
для
транспортирования сыпучих грузов имеют
закругленную форму, перекрывающую часть следующего лотка, что создает непрерывность
полотна конвейера.
Плоский безбортовой настил применяется главным
образом для транспортирования
штучных грузов. Пластины полотна крепятся к звеньям тяговой цепи сваркой, с
помощью болтов или заклепок.
1. Определение основных параметров
Определим характеристики транспортируемого
груза.
Вид груза - Щебень;
;насыпная
плотность груза
; угол
естественного откоса груза в покое
, а в движении
; Согласно
[3 стр.551] коэффициент трения груза по стальному настилу для щебня
fв=0,47…0,53, принимаем;fв=0,53.
Для заданных условий выбираем
двухцепной конвейер общего назначения с длиннозвенными тяговыми пластинчатыми цепями
и звездочками с малым числом зубьев. С учетом этого принимаем скорость
конвейера
.
Рис. 1. Общий вид конвейера.
электродвигатель;
- рама привода;
- разгрузочная воронка;
- приводная звездочка;
- верхний ограждающий ,борт;
- грузонесущее полотно;
- рама конвейера;
- нижний ограждающий борт;
- переходная секция;
- ограждение переходного устройства;
- натяжное устройство;
- ограждение
Объемная производительность,
соответствующая расчетной производительности
, составляет
конвейер настил
тяговый натяжение
2. Выбор типа настила и определение
его ширины
С учетом параметров груза
и
выбираем
бортовой настил, так как для транспортирования насыпного груза пригодны только
конвейеры с бортовым настилом. Согласно [3] для насыпных грузов тип настила
выбирают с учётом угла наклона конвейера
. Заданный угол наклона конвейера
при гладком и волнистом настилах должен удовлетворять условию 

- угол естественного откоса груза в
движении. Волнистый и коробчатые профили обеспечивают возможность
транспортирования грузов под углом наклона к горизонту до
, при
применении гладкого настила угол подъёма не может превышать
.
;
Согласно [5 табл. 7.1] по ГОСТ
2035-54
выбираем бортовой волнистый настил среднего
типа (рис. 5).
Рис. 2. Волнистый бортовой настил.
Определим высоту бортов. Согласно [7]:
. Принимаем
Находим требуемую ширину настила.
где
- производительность, т/ч;
- скорость конвейера, 0.3 м/с;
- угол естественного откоса груза
(щебня) в покое;
- коэффициент угла наклона
конвейера, [1,табл.6.10,с.247];
- высота борта, м;
- коэффициент использования высоты
борта [1,с.246].
Так как груз мелкокусковой, то
проверка настила по гранулометрическому составу груза не требуется.
Из ряда ГОСТ 2035-54, согласно
источнику [5, таб. 7.4 , таб. 7.5] принимаем ближайшее большее значение ширины
настила
, которому
соответствует значение высота бортов h = 200 мм и скорость полотна равная 0.3
м/с
3. Приближенный тяговый расчет
Максимально возможная сила натяжения цепи:
- согласно [15]
где
- начальное натяжение цепи, Н;
- горизонтальная проекция полной
длины загруженной ветви конвейера, м;
- то же для незагруженной ветви
конвейера, м;
- линейная нагрузка от ходовой
части конвейера, Н/м;
- для металлического настила
[13,с.246].
А - эмпирический коэффициент; А=100
- [13]
- линейная нагрузка от насыпного
груза,Н/м;
- коэффициент сопротивления
движению ходовой части на прямолинейных участках.
- для катков на подшипниках
скольжения [13, с.247]
Определим разрывное усилие
По найденному усилию выбираем цепь
по ГОСТ 588-81 [3 стр.283] цепь М450 с максимальной разрушающей нагрузкой 450
кН, шагом
|
Номер
|
|
|
|
|
Размеры,
мм
|
|
|
|
|
|
|
цепи
|
d1
|
d2
|
d3
|
d4
|
d5
|
b3
|
b1
|
s
|
h
|
b4
|
b2
|
|
М450
|
30
|
42
|
60
|
10
|
150
|
65
|
135
|
6
|
70
|
185
|
14
|
Примечания.
1. Шаг цепи / выбирается из ряда: 40; 50; 63; 80;100; 125; 160; 200; 250; 315;
400; 500; 630; 800; 1000.
2. Для цепи М20 / = 40...160; для М28 и М40 / =
63...250; для М56 / = 63...250; для М80 t = 80...315; для Ml 12 / = 80...400;
для М160 / = 100...500; для М224 / = 125...630; для М315 / = 160...630; для
М450 / = 200...800; для М630 t = 250...1000; для М900 t = 250...1000; для М1250
/ = 315...1000.
4. Тяговый расчёт
Принимаем
,для
пластинчатых конвейеров принимают Smin= 1000…2000 Н
Натяжение в характерных точках
контура:

где
коэффициент увеличения цепи при
огибании звёздочки [7])
Тяговое усилие на приводных
звездочках:
. Определение мощности и выбор
двигателя
Тяговое усилие на приводной
звёздочке или окружная сила на приводной звёздочке: при кзв = 1,1 по [7]
При КПД привода конвейера η=0,85
требуемая
мощность двигателя определяется по формуле
[11, стр 178]
где W - окружная сила на приводной
звездочке, Н; υ
- скорость
конвейера; η
- КПД
передаточного механизма привода конвейера; предварительно можно принять η =
0,85...0,95.
Установочная мощность двигателя:
-коэффициент учитывающий
возможное увеличение потерь [7]
=1.1
|
№
|
Марка
двигателя
|
PДВ
, кВт
|
nДВ
, об/мин
|
UтрТипоразмер
редуктораuР
|
|
|
|
|
1
|
АИР180М2
|
30
|
2925
|
2,7
|
585
|
РМ-500-4
×
2
|
23,5
|
|
2
|
АИР180М4
|
30
|
1470
|
2,7
|
294
|
ПО2-26
|
258
|
|
3
|
4А225М8У3
|
30
|
735
|
1,8
|
147
|
Ц3У-200-2
|
160
|
Из таблицы П2.6. [5 стр. 223] выбираем
электродвигатель серии 4А225М8У3 с мощностью N=30 кВт при частоте вращения
n=735 об/мин
В конвейерах используют двигатели общего
назначения серии АИР. Выбирая двигатель, следует учитывать, что при одной и той
же мощности двигатели с большей частотой вращения имеют меньшую массу, поэтому
они предпочтительнее. Окончательный выбор частоты вращения проводят после
кинематического расчета.
Кинематический расчёт.зв- число зубьев
звездочки, принимаем Zзв=8 ([7] прил. LXXXIII)
Диаметр начальной окружности приводной
звездочки=1.3([7] прил. LXXXIII), м
Частота вращения приводной звездочек (приводного
вала)
nзв =60
υ/(π
Dзв)=60
0,3/(3,14
1.3)=4,41
об/мин
Передаточное число привода определяется по
отношению частот вращения выбранного по мощности электродвигателя
Передаточное число редуктора=nдв/ nзв=735/4,41
=147
В качестве передачи мощности возможно
использовать редуктор
Ц3У-250 ([3]прил.3.7)
Определяем крутящий момент на приводном валу
В качестве передаточного механизма
привода конвейера общего назначения используют стандартные редукторы, поэтому
по полученному передаточному числу выбирается стандартный редуктор. При этом
мощность, которую может передать редуктор, должна быть больше мощности
электродвигателя на 15...25%. Схему исполнения редуктора выбирают в зависимости
от компоновки приводной станции.
. Расчёт и выбор редуктора
Определяем диаметр звёздочки
Dзв=
1.3м
Определяем передаточное число
привода
Расчётная мощность редуктора
где к = 0.65 при непрерывной работе
привода в течении 24 часов в сутки и при нагрузке с умеренными толчками
Принимаем редуктор Ц3У-250 с
номинальным передаточным числом 160
Эскиз редуктора

Эскиз редуктора Эскиз
присоединительных валов
. Определение расчётного натяжения
тягового элемента.
Расчётное усилие в цепи: согласно[5]
Определяем динамическое усилие по
формуле (97) [5]
Расчётная скорость цепи
об/мин
Разрывное усилие цепи:
Так как разрывная нагрузка меньше,
чем у выбранной цепи, то окончательно останавливаемся на тяговой цепи М450
(ГОСТ 588-81) с шагом t = 500мм.
. Выбор тормоза
Для наклонных конвейеров тормоз
необходимо предусматривать при условии:
(qг+ q0)H>W0
Статический тормозной момент при
самопроизвольном обратном ходе ходовой части при выключенном электродвигателе
где Ст- коэффициент возможного уменьшения
сопротивления движению; Ст= 0,6…0,75; Dзв- диаметр начальной окружности
звездочки, м; η - КПД привода.
Расчетный тормозной момент определяется по
формуле
где Кт - коэффициент запаса
торможения; Кт = 1,5…1,75.
Исходя из расчетного тормозного
момента по каталогам выбирается
тормоз
(см. прил. П4), согласно[3].
Отрицательное значение силы означает, что сила
трения элементов конвейера выше силы скатывания груза, а следовательно нет
необходимости в применении тормозного устройства.
. Выбор муфт
Муфта для быстроходного вала
Для соединения двигателя с редуктором часто
используют упругие втулочно-пальцевые МУВП, т.к. может потребоваться
установочные тормоза с тормозным шкивом. Расчетно-тормозной момент определяется
по формуле
Tрб=Tзв
K1
K2,
где K1 - коэффициент безопасности,
согласно [3] K1=1,3 - коэффициент режима работы, для среднего режима работы [3]
K2=1,2
Tрб=(9550
39,5/700)
1,3
1,2 = 841 Н
м
Принимаем муфту со следующими
параметрами ([3]прил. П5.4) Dт=300мм, d=65мм, B=55мм, m=38кг, I=1,13кг
м2,
Tmax=1100 Н
м
(У редуктора dб=50мм,а тут
d=65мм;все параметры с d=65мм возьмем на заготовку и рассверливаем под
dб=50мм.)
Эскиз муфты
Рис 8.
Муфта для тихоходного вала
Для соединения выходного вала
редуктора с валом приводной звездочки обычно используют зубчатую или цепную
муфту. Применим зубчатую муфту со следующими параметрами [3]’=Tрб
Uобщ
K1
K2
ηобщ=841
50
1,3
1,2
0,65 = 65,5
кН
м
Принимаем :МЗ=445мм, d=220мм,
l=1,4кг
м2,мм,
m=382кг, Tmax=71кН
м
(У редуктора dт=110мм,а тут
d=220мм;все параметры с d=220мм возьмем на заготовку и рассверливаем под
dт=110мм.)
Эскиз муфты
Эскиз муфты
Рис 9.
11.Натяжное устройство
Как правило, используют винтовое натяжное
устройство.(согласно рекомендации[3])
- Головка винта.
-Гайка.
-Направляющие.
-Опора (Ползун).
Рис 10.Схема натяжного винтового устройства.
Сводится к расчету передачи винт-гайка. Средний
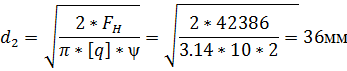
диаметр резьбы винта :
Согласно ([3]).
где
-осевая нагрузка на винт;
-коэффициент
высоты гайки;
=1,5……2;
-допускаемое
давление в резьбе; для закаленной стали по бронзе
=8….10;([3]стр.
94)
Высота гайки
,остальные
размеры гайки получаются конструктивно.
Список используемой литературы
3.
«Проектирование подъемно-транспортных установок», Степыгин и др, 2005 год
.
«Справочник по расчетам механизмов подъемно-транспортных машин», Марон,
Кузьмин, 1990 год
.
«Расчеты грузоподъемных машин и транспортирующих машин»,Иванченко, 1985 год
.
«Транспортирующие машины», Спиваковский, 1983 год
.
«Справочник по расчетам ленточных конвейеров», Зеленский, 1986 год
.
«Машины непрерывного транспорта», Зенков, 1988 год
.
« Редукторы и мотор-редукторы. Каталог-справочник». Часть 1. - М.: НИИ
информации по машиностроению, 1973 год
.
«Справочник конструктора-машиностроителя», Анурьев, 1980год