Цех розлива минеральной воды с разработкой пластинчатого конвейера
Министерство образования и науки Республики
Казахстан
Рудненский индустриальный институт
ДИПЛОМНАЯ РАБОТА
Специальность 050713 - «Транспорт, транспортная
техника и технологии»
Тема: Пластинчатый конвейер. Цех розлива
«Допущен к защите»
И.о. зав. кафедрой ТТиОП:
О.В. Баюк
дипломная работа студента
Ермагамбетова Абата
Серикбаевича
Факультет заочный Кафедра транспортной
техники
и организации перевозок
Рудный 2011
Задание к
дипломной работе:
.Тема работы
Пластинчатый конвейер. Цех розлива
утверждена приказом по
институту от «22» октября 2010 г. № 284 с/с
2.Срок сдачи студентом
законченной работы 08.02.11
.Исходные данные к
работе:
1.Введение.
2.Патентный поиск и анализ существующих
конструкций, технико-экономическое обоснование выбранной тематики
3. Проектные расчеты механизмов
. Прочностные расчеты механизмов
.Эксплуатационная часть
6.Экономическая часть
. Охрана труда
. Заключение
9. Список использованной
литературы
4.Перечень графического (иллюстрационного) материала:
1.Чертеж общего вида конвейера.
.Сборочный чертеж привода.
. Сборочный чертеж натяжного устройства.
. Сборочный чертеж рычага.
. Рабочие чертежи деталей.
5.Консультанты по разделам дипломного проекта (работе)
|
Разделы
дипломного проекта (работы)
|
Консультант
|
Задание выдал
|
Задание принял
|
|
|
Дата
|
Подпись
|
Дата
|
Подпись
|
|
Основная часть
|
|
|
|
|
|
|
Эксплуатационная
часть
|
|
|
|
|
|
|
Экономическое
обоснование
|
|
|
|
|
|
|
Охрана труда
|
|
|
|
|
|
|
Промышленная
экология
|
|
|
|
|
|
|
Нормоконтроль
|
|
|
|
|
|
|
|
|
|
|
|
|
|
|
|
|
|
|
|
|
|
|
|
|
|
|
|
|
|
|
|
|
|
|
|
|
|
|
|
|
|
|
|
|
|
|
|
Научный руководитель :
Задание принял к исполнению:
Содержание
Введение
.Анализ
существующих конструкций
.1
Описание и характеристика основных видов пластинчатых конвейеров
.2
Технологическое оборудование линии
.3
Технология розлива минеральных вод
.Проектные
расчеты
.1
Расчет привода конвейера
.Прочностные
расчеты
.1
Расчет вала приводной станции
3.2
Расчет подшипников вала приводной станции
3.3
Расчет натяжного устройства
.4
Расчет вала натяжной станции
4.Эксплуатационная часть
.1 Техническое обслуживание и ремонт механизированного
участка транспортирования
.2 Смазка конвейера
.3 Характерные неисправности конвейера и способы их
устранения
5.Экономическая
часть
6.Охрана труда
.1 Общие положения
.2 Возможные причины нанесения вреда здоровью и жизни
человека при работе конвейера и способы их предотвращения
.3 Элементы контроля работы конвейера
6.4 Ограждение узлов и управление конвейера
6.5 Обязанности обслуживающего персонала
7.Промышленная
экология
Заключение
Список
использованной литературы
Введение
Эффективность производства, его технический прогресс,
качество выпускаемой продукции во многом зависит от опережающего развития
производства нового оборудования, машин, станков и аппаратов, от всемирного
внедрения технико-экономического анализа. Изделия машиностроения используются
во всех отраслях промышленности, транспорта, сельского хозяйства и других
сферах деятельности человека. От развития машиностроения в большой степени
зависит дальнейший НТП в целом.
Одним из основных факторов успешного создания машин является
совершенство технологии их изготовления. Конструирование и разработка
технологии - это два взаимосвязанных, взаимно дополняющих и стимулирующих друг
друга процесса, обеспечивающих развитие и совершенствование техники.
Технология в значительной степени определяет состояние и
развитие производства. От ее уровня зависит производительность труда,
экономичность расходования материальных и энергетических ресурсов, качество
выпускаемой продукции и другие показатели.
Технический прогресс характеризуется непрерывным совершенствованием
конструкций машин и технологии их производства в зависимости от назначений и
условий эксплуатации машин.
Основной задачей машиностроения является развитие знаний
обеспечивающих непрерывное совершенствование технологических методов производства,
повышение производительности труда и качества продукции. Направление технологии
машиностроения определяется задачей получения нужных обществу машин высокого
качества, изготавливаемых при минимальной себестоимости, минимальных затрат
производственных материалов и высокой производительности труда, облегченного в
максимально возможной степени и безопасного.
В широком смысле - комплекс, объединяющий конвейеры и
вспомогательное оборудование (напр., бункеры, питатели и др.), технические
средства управления производством работ, а также технического обслуживания и
ремонта. Области эффективного использования конвейерного транспорта: на
подземных работах - перемещение угля, калийных и марганцевых руд из забоя (а
крепких руд-от дробильных комплексов) до пунктов перегрузки в другие
транспортные средства или до обогатительной фабрики на поверхности; на открытых
работах - перемещение до различных пунктов угля и мягких вскрышных пород,
разрабатываемых роторными экскаваторами, а также крепких пород и руд после
предварительного дробления.
Целесообразно применение конвейерного транспорта, в
технологических комплексах поверхности шахт и карьеров, на
дробильно-обогатительных и агломерационных фабриках и др., а также при
перемещении грузов на значительное расстояния до мест потребления.
Интенсификация и концентрация очистных работ способствуют
широкому использованию конвейерного транспорта при добыче полезных ископаемых
подземным способом. На угольных шахтах наиболее распространён при панельном
способе подготовки пласта и системах разработки длинными столбами единичными
или спаренными лавами с отработкой обратным ходом. При этом возможны два
варианта схем конвейерного транспорта: с телескопическим конвейером и хвостовым
перегружателем или с надвижным перегружателем под лавой, перегружающим уголь на
обычный ленточный конвейер. Для сглаживания неравномерности грузопотоков в
местах перегрузки в конвейерных линиях устанавливают бункер-конвейеры
вместимостью от 50 до 200 м3. На шахтах, разрабатывающих пологие пласты (с
углом падения до 18°), применяются сочетания (по участковым горизонтальным и
наклонным и магистральным наклонным выработкам) с электровозным транспортом по
главным горизонтальным выработкам. На калийных шахтах конвейерный транспорт
широко применяется при камерно-столбовой и столбовой системах разработки.
С целью повышения эксплуатационных показателей, снижения
трудоёмкости обслуживания, повышения безопасности и улучшения условий труда на
современных конвейерах применяют автоматизированное дистанционное управление
конвейерными линиями и автоматический контроль состояния конвейеров и их
элементов. Дистанционное управление осуществляется оператором с центрального
пульта управления, связанного системой сигнализации и контроля с конвейерными
установками. На комплексах непрерывного действия используется
оперативно-диспетчерское управление, включающее телемеханические системы для
дистанционного управления комплексом, устройство для централизованной
регистрации и обработки данных о производительности, автоматическую телефонную
связь или радиосвязь с приводными станциями конвейеров и телевизионную
промышленную установку.
Технико-экономические показатели конвейерного транспорта
определяются, в первую очередь, производительностью, а также энергоёмкостью и
стоимостными характеристиками конвейерных установок. Эксплуатационная
производительность конвейеров зависит от ширины ленты, скорости
транспортирования, а также от коэффициента использования в течение смены.
Целью данного дипломного проекта является разработка
пластинчатого конвейера, позволившего бы заменить ручной труд, по
транспортировке упакованной продукции цеха по разливу минеральной воды в ПЭТ на
склад готовой продукции.
1. Анализ существующих конструкций
.1 Описание и характеристика основных видов пластинчатых
конвейеров
На современных предприятиях конвейер (транспортер)
пластинчатый предназначен для горизонтального перемещения продукции (бутылок,
банок, флаконов, канистр, пакетов или другой тары) в закрытых помещениях.
Транспортер осуществляет связку различного оборудования линий розлива или
используется при фасовке продукции химического, пищевого и иного производства.
Тяговым элементом конвейера является пластинчатая цепь.
Возможно изготовление конвейера в 2,3,4 и более рядов цепи.
Конвейер может состоять из прямых и поворотных участков.
Регулировка ограждения с помощью кронштейнов, возможна как по
ширине так и по высоте конвейера
Опоры конвейера могут быть или сварные из металла, или в
исполнении "евростандарт" (пластиковые треноги или двуноги)
Регулировка скорости (частотный преобразователь или
механический вариатор)
Таблица 1.1
Технические характеристики
|
Наименование
|
Показатель
|
|
1
|
Скорость, м/сек
|
0,1-1,0
|
|
2
|
Грузоподъемность,
кг
|
0,1-150
|
|
3
|
Габариты груза,
(диаметр), мм
|
80-200, макс
|
|
4
|
Длина
конвейера, м
|
1,5-12
|
|
5
|
Ширина цепи, мм
|
82,5 - 190,5
|
|
6
|
Высота
конвейера, мм
|
400-1500
|
Преимущества данных конвейеров - при сборке используются
конвейерные комплектующие ведущих европейских производителей Sistem Plast, Ave,
Rexnord. Материал пластинчатых цепей - пластик или нержавеющая сталь
Возможное применение
Применительно к условиям производства предусматривается
регулирование скорости перемещения транспортерной цепи в пределах технических
данных. С этой целью в приводе конвейера (конвейера) применяется вариатор или
частотный преобразователь. При установке вариатора осуществляется механическое
регулирование числа оборотов редуктора. Если используется частотный
преобразователь (инвертор), то число оборотов электродвигателя регулируется за
счет вариаций частоты питающего напряжения.
Однорядный пластинчатый транспортер предназначен для
горизонтального перемещения бутылок, банок и другой тары в линиях розлива
жидких пищевых продуктов, а также для соединения различного оборудования в
линию.
Таблица 1.2
Технические характеристики
|
Наименование
параметра
|
Значение
|
|
1
|
Материал
транспортерной цепи
|
нерж. сталь
|
|
2
|
Ширина
транспортерной ленты
|
82 мм
|
|
3
|
Высота уровня
транспортировки от пола
|
900-1100 мм
|
|
4
|
Стандартная
длина транспортера
|
3,0 м
|
|
5
|
Ширина
перемещаемой тары
|
до 198
|
|
6
|
Скорость
транспортировки
|
3-15 м/мин
|
|
7
|
Установленная
мощность
|
1,55 кВт
|
|
8
|
Напряжение
питания
|
380 В
|
|
9
|
Габаритные
размеры
|
3000*300*1100
мм
|
|
10
|
Масса
|
80 кг
|
Однорядные транспортер для бутылок
Предназначен для горизонтального перемещения бутылок,
жестяных и стеклянных банок, канистр, пакетов или другой продукции.
Транспортер является необходимым элементом, соединяющим в
одну поточную линию оборудование розлива, укупоривания, этикетировки, упаковки.
Компания изготавливает пластинчатые транспортеры различной
длинны с плавной регулировкой скорости конвейерной ленты для использования в
линиях розлива жидкостей, консервной промышленности, молочной и других отраслях
пищевых, перерабатывающих, химических и других производств.
Пластинчатые транспортеры выпускаются с различной по ширине и
материалу лентой. В некоторых случаях, для решения задач по обеспечению
буферной зоны, либо для согласования по производительности различных машин,
используются двух и более ручьевые конвейера разной конфигурации.
Оптимальная длина и профиль транспортера подбирается исходя
из особенностей линии и специфики производственного помещения заказчика.
Возможность комплектации системой смазки и нижними поддонами.
Все детали транспортеров изготавливаются из нержавеющей
стали, либо из полимерных материалов.
Конвейера комплектуются фурнитурой ведущих мировых
производителей.
Силовые агрегаты и система автоматики рассчитываются в
зависимости от поставленных перед системой задач.
Таблица 1.3
Основные технические характеристики
|
Наименование
параметра
|
|
Значение
|
|
1
|
Материал
конвейера
|
|
сталь нерж.
|
|
2
|
Материал
транспортерной ленты
|
|
сталь нерж.
(полимер)
|
|
3
|
Ширина
транспортерной ленты
|
мм
|
82-190
|
|
4
|
Высота уровня
транспортировки от пола
|
мм
|
860-1010
|
|
5
|
Длина
транспортера
|
м
|
2,4,6,8,10
|
|
6
|
Ширина
перемещаемой тары
|
мм
|
до 175
|
|
7
|
Установленная
мощность
|
кВт
|
1,24 для
2,4метров
|
|
8
|
Установленная
мощность
|
кВт
|
1.55 для
6,8,10метров
|
|
9
|
Ширина рабочей
зоны для стандартного исполнения
|
мм
|
0-95
|
|
10
|
Напряжение
питания
|
В
|
220-380
|
|
11
|
Ширина рабочей
зоны при дополнительной прокладке
|
мм
|
0-175
|
|
12
|
Габаритные
размеры (Д х Ш х В)
|
мм
|
6000х440х1100
|
|
13
|
Масса
|
кг
|
75(6м)
|
.2 Технологическое оборудование линии
В данном разделе дипломного проекта представлено описание
комплекта автоматического оборудования для линии розлива газированной воды в
ПЭТ бутылки с производительностью до 6000 бут/час ёмкостью 1,5л.
Отделение водоподготовки и фильтрации воды. Любая линия по
производству и разливу газированных напитков и минеральных вод включает в себя
систему водоподготовки и фильтрации воды. Данная система предназначена для
очистки воды от механических примесей, бактериологических и органических
соединений. Её применение позволяет получить продукт, соответствующий нормам
Санэпиднадзора. Системы водоподготовки и фильтрации воды создаются на основе
последних достижений науки. Они включают в себя различные механические и
угольные фильтры, бактерицидные лампы, обезжелезиватели, умягчители, системы
обратного осмоса. Используемые проточные фильтры оснащены компьютерами и
системами регенерации. Система очистки комплектуются на основе промышленных
фильтров (производства фирм “Eco Water sys” (США), “Honey Well” (Германия),
“R-Can” (Канада), “АТОЛЛ” (Россия)).
Окончательная комплектация системы водоподготовки и её
стоимость определяется на основании химического анализа воды используемой для
розлива.
Система охлаждения воды. Предназначена для охлаждения воды
перед насыщением её углекислым газом, что позволяет повысить степень насыщения
СО2, уменьшить вспениваемость напитка и, следовательно, потерю готового напитка
во время розлива, а также способствует достижению максимальной
производительности линии розлива.
Система охлаждения комплектуется компрессорами фирмы
“Copeland”, конденсаторами фирмы “Alfa Laval”, теплообменниками фирмы “Alfa
Laval”, регулирующей и запорной арматурой фирмы “Alco controls”, системой
автоматического управления, гидравлическим блоком и насосом.
Для определения стоимости и комплектации системы охлаждения
необходимо знать следующие параметры: температура воды на входе, требуемую
температуру воды на выходе, температуру окружающей среды и производительность.
Сатурационная установка. Сатурационные установки
предназначены для непрерывного насыщения двуокисью углерода напитков и
минеральных вод. При производстве машины используются насосы производства
Италии (напорный и вакуумный). Насыщение минеральной воды СО2 сначала
проводится на струйной насадке, позволяющей добиться максимального насыщения
воды двуокисью углерода, далее при помощи систем полусфер и тарелок, и наконец
при скапливании воды в нижней части колонны насыщения углекислый газ подаётся
через нижнюю часть колонны, тем самым, проходя через толщу воды насыщает её в
третий раз. Также для наилучшего насыщения минеральной воды или напитка
углекислым газом применяется колонка деаэрации, используемая для удаления из
напитка растворённых примесей других газов.
Рисунок 1.1 Мнемосхема
Особенности:
Напорный насос нерж. сталь Calpeda (Италия).
Вакуумный насос нерж. сталь Ebara (Италия).
Вспомогательная колонна для создания вакуума (в виде
параллелепипеда).
Электромагнитный клапан (Италия).
Материал колонн - зеркальная нержавеющая сталь
(хим.полировка).
Деаэратор D 300 мм, H 1450 мм.
Колонна насыщения D 300 мм, H 1450 мм.
Кондуктометрические датчики уровня (Россия).
Сварочные швы выполнены в среде аргона.
Управление «ОВЕН».
Патрубок для выхода напитка внутренняя резьба 1 1/2".
Патрубок для входа напитка внутренняя резьба 1".
Вход технической воды кран внутренняя резьба "
Выход технической воды кран внутренняя резьба "
Вход СО2 клапан низкого давления - штуцер под шланг
внутренний D 12 мм.
Вакуумметр (Россия).
Манометры импортного производства без разделителей.
Для визуального контроля уровней на колоннах установлены
гаечные диоптры типа иллюминатор.
Рама изготовлена из профильной трубы Ст.3 облицована
зеркальным нерж. листом.
Опоры рамы SYSTEM PLAST (Италия).
Предусмотрена система промывки под СИП - мойку, без включения
сатуратора.
Колонна насыщения оснащена предохранительным клапаном 6
Атмосфер (Италия).
Деаэратор оснащен регулировочным дросселем для коррекции
уровня вакуума.
На панели управления нанесена мнемосхема с указанием всех
уровней и сигнализацией ВКЛ/ВЫКЛ насосов и клапана.
Таблица 1.4
Технические параметры
|
№
|
Показатель
|
Значение
|
|
1
|
Производительность
|
10000 л/ч
|
|
2
|
Напряжение
питания
|
- 3 х 380 В, 50
Гц
|
|
3
|
Установленная
мощность
|
8 кВт
|
|
4
|
Рабочее
давление воды
|
не менее 0,2
МПа.
|
|
5
|
Рабочее
давление СО2
|
0,3-0,4 МПа.
|
|
6
|
Рабочее
разрежение
|
не менее 0,07
МПа.
|
|
7
|
Температура
воды
|
4-6С
|
|
8
|
Содержание СО2
в воде на выходе
|
не менее 4
гр/л.
|
|
9
|
Масса
|
360 кг.
|
|
10
|
Габаритные
размеры
|
1700 х 900 х
2200 мм.
|
Автоматический ополаскиватель бутылок (Польша).
Автоматические ополаскиватели предназначены для удаления механических
загрязнений (фрагменты стекла, картона, пыли и т.п.) из любых бутылок и
ёмкостей перед розливом в автоматическом режиме.
Ополаскиватель состоит из пластинчатого транспортера,
горизонтальной карусели, с расположенными по периметру захватами бутылок,
входной и выходной транспортных звездочек, распределителя жидкости, ограждения,
внутри которого находятся сопла для подачи ополаскивающей воды. Захваты имеют
вид клещей, вращающихся вокруг горизонтальной оси.
Основной материал конструкции - нержавеющая сталь. Бутылки по
транспортеру подаются к дистанционному шнеку, который с определенным интервалом
передает их в загрузочную звездочку и далее в ополаскиватель.
Таблица 1.5
Технические параметры ополаскивателя бутылок
|
№
|
Показатель
|
Значение
|
|
1
|
Производительность
|
до 6000 б/ч
|
|
2
|
Количество
захватов
|
20 шт.
|
|
3
|
Потребляемая мощность
|
0,75 кВт
|
|
4
|
Напряжение
питания
|
3х380 В, 50 Гц.
|
|
5
|
Давление воды
|
мин. 0,2 МПа
|
|
6
|
Потребление
воды
|
0,3 м3/час
|
|
7
|
Масса
|
900 кг
|
|
8
|
Габаритные
размеры
|
1300х1300х2000
мм
|
Моноблок розлива-укупорки (Россия). Предназначена для
автоматического наполнения ПЭТ бутылок ёмкостью 0,25-2л. газированной водой,
напитками и пивом с дальнейшим укупориванием пластиковой крышкой. В машине
используется изобарический принцип розлива, позволяющий максимально сохранить
насыщенность напитка СО2.
Моноблок включает в себя:
- блок розлива с 42 головками с системой впрыска углекислого
газа и с системой механического подавания бутылок;
блок укупорки с 8 головками для пробки винт ПЭ с системой
предварительного позиционирования пробки.
Машина выполнена из нержавеющей стали. Основная стальная
структура оснащается частями и компонентами, выполненными из пластика и других
сплавов, обеспечивающих легкую стерилизацию.
Бутылки деликатно и безопасно транспортируются и
позиционируются с помощью шнека и системой подающих звездочек. Прижим бутылки к
разливочному крану осуществляется при помощи захватов бутылок за горлышко.
Машина обладает регулировкой для розлива в бутылки ёмкостью
от 0,33 до 2 л., плавным стартом и стопом, системой плавной регулировкой
скорости и системой контроля над пропуском бутылки.
Таблица 1.6
Технические параметры моноблока розлива-укупорки
|
№
|
Показатель
|
Значение
|
|
1
|
Производительность
|
до 7000 б/ч
ёмкостью 1,5л
|
|
2
|
Потребляемая
мощность
|
2,6 кВт.
|
|
3
|
Напряжение
питания
|
3 х 380 В, 50
Гц.
|
|
4
|
Число
разливочных патронов
|
42 шт.
|
Число
укупорочных патронов
|
8 шт.
|
|
6
|
Масса
|
3600 кг
|
|
7
|
Габаритные
размеры
|
3200 х 2300 х
2800 мм
|
Моноблок розлива-укупорки. Моноблок предназначен для
автоматического наполнения стеклянных и ПЭТ бутылок ёмкостью 0,33-2л.
газированной водой, напитками и пивом с дальнейшим укупориванием пластиковой
крышкой. В машине используется изобарический принцип розлива, позволяющий
максимально сохранить насыщенность напитка СО2. Моноблок включает в
себя:
блок розлива с 60 головками с системой впрыска углекислого
газа и с системой механического подавания бутылок;
блока укупорки с 12 головками для пробки винт ПЭ с системой
предварительного позиционирования пробки.
Детали машины, соприкасающиеся с продуктом выполнены из
нержавеющей стали. Основная стальная структура оснащается частями и
компонентами, выполненными из сплавов и полимерных материалов, обеспечивающих
легкую стерилизацию.
Бутылки деликатно и безопасно транспортируются и
позиционируются с помощью шнека и системой подающих звездочек. Подающие
цилиндры поднимают бутылки к наполнительным клапанам, где осуществляется прижим
горловины к резиновым прокладкам наполнителей. Выравнивание давлений в
разливочном резервуаре и в бутылке является началом процесса наполнения бутылки
водой.
Машина обладает регулировкой для розлива в бутылки от 0,33 од
2 л., плавным стартом и стопом, системой плавной регулировкой скорости,
системой автоматической смазки и системой контроля над пропуском бутылки.
Таблица 1.7
Технические параметры
|
№
|
Показатель
|
Значение
|
|
1
|
Производительность
|
до 6500 б/час
(газ. вода, 1,5л.).
|
|
2
|
Потребляемая
мощность
|
5,68 кВт.
|
|
3
|
Напряжение
питания
|
3 х 380 В, 50
Гц.
|
|
4
|
Давление
сжатого воздуха
|
0,6 - 0,8 МПа
|
|
5
|
Потребление
сжатого воздуха
|
2 м3/час
|
|
6
|
Число
разливочных патронов
|
60 шт
|
|
7
|
Число
укупорочных патронов
|
12 шт.
|
|
8
|
Давление CO2
|
макс. 0,4 МПа
|
|
9
|
Масса
|
7500 кг.
|
|
10
|
Габаритные
размеры
|
3500 х 2800 х
3000 мм.
|
Этикеточная машина автомат линейного типа (полимерная
этикетка). Этикетировочный автомат предназначен для наклеивания круговой
пленочной полипропиленовой этикетки на наполненные бутылки цилиндрической
формы. Автомат может работать в составе линии и автономно, так как имеет
собственный привод конвейера. Выпускается в версиях «левосторонний» и
«правосторонний» в зависимости от расположения оборудования в помещении и
заказа этикетки.
Описание процесса работы:
- Этикетки, используемые в данном автомате, выполнены в виде
сплошной ленты, намотанной в рулон.
Основным узлом, переносящим этикетку из рулона на бутылку,
является перфорированный барабан с вакуумным насосом.
Нанесение горячего клея на этикетку производится в виде
вертикальной полосы шириной 20мм.
При работе, узел нанесения клея, вращаясь, переносит горячий
клей с цилиндра клеевой ванны на этикетку.
Температура нагрева узла нанесения клея, ножами отрывного
ролика устанавливается с помощью контроллера.
Вращающийся узел ножа, рассекая пленку посередине клеевой
полосы, тем самым отделяет этикетки от рулона.
Вращающийся барабан прижимает начало этикетки к поверхности
бутылки, и, вращая бутылку вдоль обкаточной дуги, наклеивает этикетку на
поверхность.
Синхронность работы всех узлов, обеспечивает храповой
механизм, который размещен внизу станины.
Равномерным поступлением бутылок по конвейеру к барабану
управляет механизм разделения бутылок.
Управление установкой осуществляется программируемым
контроллером "MITSUBISHI".
Детали этикетировочного автомата изготовлены из
антикоррозийных материалов.
Таблица 1.8
Технические характеристики
|
№
|
Показатель
|
Значение
|
|
1
|
Производительность
|
до 6000 бут/час
|
|
2
|
Высота этикеток
|
50 - 120 мм
|
|
3
|
Длина этикеток
|
180 - 360 мм.
|
|
4
|
Размеры рулона
внутренний диаметр внешний диаметр
|
75/150 мм. не
более 450 мм.
|
|
5
|
Отклонение
параллельности наклеивания
|
± 2 мм
|
|
6
|
Давление
сжатого воздуха
|
0,6 - 0,8 МПа
|
|
7
|
Расход клея на
20000 этикеток
|
1 кг
|
|
8
|
Потребление
сжатого воздуха
|
4,5 м3/час
|
|
9
|
Напряжение
питание
|
3 х 380 В/ 50
Гц
|
|
10
|
Установленная
мощность
|
3,4 кВт
|
|
11
|
Потребляемая
мощность
|
2 кВт
|
|
12
|
Масса
|
260 кг
|
|
13
|
Габаритные
размеры
|
2500 х 1400 х
1500 мм
|
Струйный принтер нанесения даты (Англия). Каплеструйный
принтер, предназначен для нанесения маркировки бесконтактным способом на любую
поверхность чернилами, при любых переменных или постоянных скоростях конвейера,
любой ориентации.
Маркировка производится в процессе движения производственной
линии, избавляя от необходимости остановки. Как правило, на первичную упаковку
необходимо наносить маркировку символами небольших размеров - дата выпуска,
срок годности, серийный номер наносятся на бутылки, банки, коробки и т.п.
Простейшим нажатием клавиш, Вы можете легко создавать,
редактировать и просматривать сообщения и выполнять повседневные операции
включения и выключения.
Особенности:
Очень простая установка.
Не требует сжатый воздух.
Печатающий модуль с микро регулировкой, поворот печатающей
головки от 0 до 90.
Простой и удобный интерфейс и меню управления с
функциональными клавишами.
Система чернил: не требуется разбавитель, легкая замена
картриджа без остановки производства
Автоматическая простановка даты, времени, порядкового номера.
Корпус и головка имеет прочную конструкцию из нержавеющей
стали.
Клавиатура пленочная на компактном встроенном терминале.
Дисплей 40-ка значный, девяти строчный, жидкокристаллический.
Таблица 1.9
Технические характеристики.
|
№
|
Показатель
|
Значение
|
|
1
|
Линейная
скорость конвейера при 10 символах на 2,5 см)
|
не более 37
м/мин.
|
|
2
|
Скорость печати
|
не более 476
символов/с.
|
|
3
|
Высота символа
|
2,8 - 8 мм.
|
|
4
|
Количество
символов в строке
|
не более 44 шт.
|
|
5
|
Количество
печатаемых строк
|
1-4 шт.
|
|
6
|
Цвет чернил
|
чёрный,
красный, серый и другие
|
|
7
|
Основа чернил
|
солвент.
|
|
8
|
Расход чернил
|
100мл на
1000000 символов
|
|
9
|
Рабочая
температура воздуха
|
5 - 43 0С
|
|
10
|
Влажность
воздуха
|
10 - 90 %.
|
|
11
|
Напряжение
питания
|
220 В
|
|
12
|
Частота сети
|
50/60 Гц
|
|
13
|
Потребление
энергии
|
не более 30 Вт
|
|
14
|
Размеры блока
управления
|
320 х 210 х 90
мм.
|
|
15
|
Размеры
печатающей головки
|
110 х 40 х 40
мм
|
|
16
|
Длина шланга
|
500 м.
|
|
17
|
Масса
|
3 кг.
|
Упаковочная машина автомат (Польша). Предназначен для
группировки и упаковки в термоплёнку готовой продукции. Формирование упаковки
происходит в автоматическом режиме, при сходе готовой продукции с транспортёра.
Автомат формирует брикеты 3х2 и подаёт их в плёнке в термоусадочный тоннель для
термической усадки плёнки, используемой при формировании брикета с готовой
продукцией. В тоннеле предусмотрено бесступенчатое регулирование скорости
транспортёра для достижения требуемой производительности. Управление всеми
параметрами машины происходит через компьютер.
Машина оснащена двух линейным угловым 900 транспортёром
(упаковщик имеет «правое» или «левое» исполнение); боковыми направляющими;
система рециркуляции воздуха, регулирования потока воздуха внутри камеры
туннеля; система регулирования температуры внутри камеры туннеля; панелью
контроля и электрощитом управления.
Таблица 1.10
Технические параметры
|
№
|
Показатель
|
Значение
|
|
1
|
Производительность
|
до 6000 бут/ч
|
|
2
|
Форма упаковки
|
3 х 2
|
|
3
|
Потребляемая
мощность
|
до 32 кВт
|
|
4
|
Напряжение
питания
|
3 х 380 В, 50
Гц
|
|
5
|
Рабочая длина
шва
|
600 мм.
|
|
6
|
Давление
сжатого воздуха
|
0,6 МПа.
|
|
7
|
Масса
|
1100 кг
|
|
8
|
Габаритные
размеры
|
5750 х 1200 х
2000 мм
|
|
9
|
Длина входного
транспортёра
|
2700 мм
|
|
10
|
Длина выходного
рольганга
|
1400 мм.
|
Полуавтоматический паллетоупаковщик (Италия). Машина
предназначена для обмотки груза на паллете растягивающейся стрейч пленкой для
быстрого и надежного закрепления груза на паллете.
Таблица 1.11
Технические характеристики:
|
№
|
Показатель
|
Значение
|
|
1
|
Поворотный стол
(стандарт), диаметр (для поддонов 1000 х 1200 мм)
|
1650 мм
|
|
2
|
Максимальная
высота поддона (стандарт)
|
2100 мм.
|
|
3
|
Максимальный
вес груза
|
2000 кг
|
|
4
|
Привод
поворотного стола
|
цепной
|
|
5
|
Привод движения
каретки с пленкой
|
ременной
|
|
6
|
Скорость
движения каретки
|
2,2 м./мин.
|
|
7
|
Определение
высоты поддона
|
автоматическое
фотодатчиком
|
|
8
|
Плавный пуск
|
есть
|
|
9
|
Режим работы
|
2 программы
автоматической обмотки + ручной режим
|
|
10
|
Установка
кол-ва витков вверху/внизу поддона
|
программируется.
|
|
11
|
Натяжение
пленки
|
механический
пружинный
|
|
12
|
Тормоз
|
(30% / 60% /
100%).
|
|
13
|
Тип пленки
|
растягиваемая
|
|
14
|
толщина
|
17-30 мкм.
|
|
15
|
Максимальный
диаметр рулона пленки
|
250 мм.
|
|
16
|
Высота рулона
пленки
|
500 мм.
|
|
17
|
Скорость
движения поворотного стола
|
10 об/мин.
|
|
18
|
Напряжение сети
|
380 В
|
|
19
|
Фаза тока
|
3 Фаза
|
|
20
|
Потребляемая
мощность (кВт/час)
|
3 х 380 В; 0,7
кВт
|
|
21
|
Отрезание
пленки
|
ручное
|
|
22
|
Подача пленки
|
ручная.
|
|
23
|
Производительность
(ориентировочно)
|
8-10 паллет в
час.
|
|
24
|
Вес (стандарт)
|
600 кг.
|
|
25
|
Габаритные
размеры (стандарт)
|
1650 х 2700 х
2680 мм
|
|
26
|
Рабочая высота
платформы
|
75 мм
|
Пластинчатый конвейер с бесступенчатой регулировкой скорости
(Россия). Конвейер предназначен для транспортировки продукции между
функциональными узлами линии розлива. Конвейер оснащён станцией натяжения и
вариатором для бесступенчатой регулировки скорости транспортировки. Цепь
выполнена из нержавеющей стали.
Таблица 1.12
Технические параметры
|
№
|
Показатель
|
Значение
|
|
1
|
Напряжение
питания
|
3 х 380 В, 50
Гц.
|
|
2
|
Потребляемая
мощность
|
1,37 кВт
|
|
3
|
Скорость
транспортировки
|
3-15 м/мин.
|
|
4
|
Масса
|
200 кг.
|
|
5
|
Габариты
|
6000 х 198 х
1100 мм
|
Компрессор для линии розлива. Предназначен для подачи сжатого
воздуха на линию розлива.
Оборудование для выдува ПЭТ бутылок ёмкостью 0,33 - 2 л.
Автомат предназначен для производства ПЭТ бутылок ёмкостью от 0,33 до 2 литров
методом двухстадийного выдува.
Комплект машины включает в себя следующее оборудование:
автоматический загрузчик преформ с накопительным бункером;
машина для выдува ПЭТ бутылок автомат (система нагрева (пять
зон нагрева), манипулятор захвата и переноса преформ и силовая установка);
пресс-форма (6ёх местная);
система охлаждения пресс-формы;
устройство мягкого выноса;
компрессорная станция (до 4 МПа);
ресивер (3,2 м3);
комплект КИП и А.
Автомат оснащён электронной панелью управления с контроллером
фирмы “OMRON”, пневматикой фирм “FESTO”, “AIRCOM”, “Burkert”.
Таблица 1.13
Технические характеристики:
|
№
|
Показатель
|
Значение
|
|
1
|
Производительность
(бутылка 1,5л.)
|
до 5600 б/ч
|
|
2
|
Напряжение
питания
|
3 х 380 В, 50
Гц
|
|
3
|
Потребляемая
мощность (без компрессора)
|
40 кВт
|
|
4
|
Давление
предвыдува
|
1,6 МПа
|
|
5
|
Давление
окончательного выдува не более
|
4 МПа
|
|
6
|
1 МПа
|
|
7
|
Расход воздуха
давлением
|
до 4 МПа 7
м3/мин.
|
|
8
|
Расход воздуха
давлением
|
до 1 МПа 1,5
м3/мин.
|
|
9
|
Расход воды
|
1,5 м3/час.
|
|
10
|
Давление
охлаждающей воды
|
0,15-0,3 МПа
|
|
11
|
Количество мест
в пресс-форме
|
6
|
|
12
|
Габаритные
размеры (с ориентатором)
|
9800 х 2760 х
2200 мм.
|
|
13
|
Масса до
|
4000 кг
|
|
14
|
Обслуживающий
персонал
|
1 оператор
|
Особые примечания по эксплуатации оборудования
• данный комплект оборудования рассчитан для розлива
газированной и минеральной воды;
• поставка системы охлаждения воды не является обязательным и
устанавливается в случае, если температура воды, используемой для розлива, на
входе в сатурационную установку составляет более +100 С;
• оборудование комплектуется импортными комплектующими: механические
привода фирмы “Motovario” или “Siti”, пневматика фирмы “Festo”, ”SMC” или
“Camozzi”, электроника фирмы “Toshiba”, “ABB” или “OMRON”.
.3 Технология розлива минеральных вод
Минеральные воды, разливаемые в бутылки, в зависимости от
химического и газового состава, а также способа налива подразделяют на четыре
технологические группы: 1) негазированные воды; 2) углекислые воды; 3)
углекислые воды, содержащие железо; 4) гидросульфитные и
гидросульфидно-сероводородные воды.
К первой технологической группе относятся наиболее стойкие
минеральные воды, которые не подвергаются окислению в процессе розлива и не
изменяют химического состава.
Технологическая схема розлива негазированных вод, относящихся
к первой технологической группе, приведена на рисунке 1.15.
Минеральная вода из скважин 1 под собственным напором или с
помощью глубинного насоса подается в герметически закрытый сборник 3,
установленный в каптажном сооружении 2. Из сборника 3 минеральную воду насосом
4 перекачивают в сборник 5 для хранения и по мере надобности подают насосом 4
на керамические фильтры 6, откуда она поступает в противоточный теплообменник
7, а затем в промежуточный сборник. Из этого сборника воду насосом 4 подают в
сатуратор 9, куда из станции газификации 35 поступает диоксид углерода,
доставленный на завод в специализированных цистернах 36. Насыщенная С02
минеральная вода направляется через обеззараживающую установку 10 в резервуар
разливочной машины 22. Доставляемую на поддонах 11 в кулях 12 или ящиках 13
стеклотару укладывают в ящики и подают по ленточному транспортеру 14 к
автоматам для выемки бутылок из ящиков 15.
Извлеченные из ящиков бутылки подаются ленточным
транспортером 14 к загрузочному устройству бутылкомоечной машины 18, проходя
при этом мимо смотрового экрана 17. Вымытые бутылки пластинчатым транспортером
16 направляются к смотровому экрану 17 для проверки качества мойки. Затем
бутылки проходят последовательно разливочный автомат 22, укупорочный 23,
бракеражный полуавтомат 24, этикетировочный автомат 25 и поступают на автомат
для укладки бутылок в ящики 26, к которому ленточным транспортером 14 подаются
порожние ящики. Готовую продукцию, уложенную в ящики 27, укладывают на поддоны
в штабеля 28 для транспортирования в склад готовой продукции. Концентрированный
раствор щелочи доставляют на завод в автоцистернах 29, из которых его насосом
30 перекачивают в сборник 31 для хранения.
По мере надобности концентрированный раствор щелочи насосом
30 из этого сборника перекачивают в сборник-мерник 32, откуда он поступает в
емкость 33 для приготовления рабочего раствора щелочи, или непосредственно
перекачивают в сборник-мерник 21. Отработавший раствор щелочи сливают в
приемный сборник 19 и после отстаивания подают насосом 20 на фильтр 34, затем -
в емкость для приготовления рабочего раствора 33.
Кронен-пробку для укупорки бутылок с минеральной водой
доставляют на завод в мешках 40, уложенных на поддонах 11. Из мешков
кронен-пробку засыпают в бункер 39, откуда она по лотку поступает в приемный
бункер магнитного подъемника 38 и доставляется ленточным транспортером 37 к
бункеру укупорочной машины.
Ко второй технологической группе относятся минеральные воды,
химический состав которых подвержен изменению. Поскольку содержащийся в них
диоксид углерода является стабилизатором химического состава, розлив таких вод
в бутылки необходимо вести в условиях незначительного избыточного давления,
создаваемого С02, что исключит до минимума возможность дегазации.
Технологическая схема розлива минеральных вод, относящихся ко
второй технологической группе, идентична приведенной выше, но все
технологические операции, связанные с транспортировкой, хранением и розливом
их, проводятся под незначительным избыточным давлением С02.
К третьей технологической группе относятся воды, содержащие
от 5 до 70 мг железа в 1 л.
Во избежание образования осадка в бутылке при розливе этих
минеральных вод должны быть обеспечены условия, предотвращающие окисление
железа и дегазацию вод в процессе розлива. С этой целью в минеральную воду
вводят раствор стабилизирующих кислот - аскорбиновой или лимонной.
Минеральные воды, содержащие железо, относятся к водам
неглубинной циркуляции. Они в наибольшей степени подвержены бактериальному
загрязнению. Вторичное загрязнение вод возможно при перекачке, хранении,
обработке и розливе в бутылки. Введение органических кислот может послужить
источником питания для нетоксичных микроорганизмов, встречающихся в минеральных
водах, в частности сульфатредуцирующих. Поэтому минеральные воды, содержащие
железо, должны подвергаться обязательному обеззараживанию. Содержание С02
в готовой продукции должно быть не менее 0,4% мае, а для укупорки их следует
использовать только кронен-пробки с прокладками из полимерных материалов.
Розлив железистых минеральных вод, относящихся к третьей
технологической схеме, проводится по общепринятой технологической схеме
представленной на рисунке 1.2
Дополнительный процесс стабилизации химического состава вод
при розливе проводится по следующей технологической схеме. Минеральная вода из
скважины 1, расположенной в капотажном сооружении 6, поступает в герметически
закрытый сборник 3, снабженный предохранительным клапаном 2 и манометром. Из
этого сборника вода насосом 4 перекачивается в сборник 5, откуда передается на
производство. В питающий трубопровод к сборнику 5 вносят раствор
стабилизирующей кислоты, концентрированный раствор которой находится в сборнике
8. Рабочий раствор готовят в сборниках 7, снабженных мешалками.
Рисунок 1.2 Технологическая схема розлива негазированных
минеральных вод, относящихся к первой технологической группе
В случае транспортирования минеральных вод, содержащих
железо, на расстояние до 200 км используют герметичные автоцистерны, из которых
предварительно вытесняют воздух диоксидом углерода, подаваемым из углекислотных
баллонов. Стабилизирующий раствор при этом вводят в цистерну или промежуточную
емкость, из которой также предварительно вытесняют воздух.
При использовании для транспортирования двухкамерных
автоцистерн проводят последовательное вытеснение воздуха С02 и
заполнение водой каждой камеры отдельно. Полноту вытеснения воздуха из цистерн
и промежуточной емкости проверяют по помутнению баритовой или известковой воды,
через которую барботируют воздух, выходящий из цистерн или промежуточной
емкости. После полного вытеснения воздуха из цистерн или промежуточной емкости
подачу С02 прекращают. Автоцистерны заполняют минеральной водой на
9/10 объема. Транспортирование минеральной воды ведут под незначительным
избыточным давлением С02.
Для розлива гидросульфидно-сероводородных и гидросульфитных
вод, объединенных в четвертую технологическую группу, могут использоваться
минеральные воды с содержанием сероводорода до 20 мг/л и гидросульфидов до 30
мг/л. Так как содержащиеся в этих водах восстановленные формы серы предрасположены
к окислению с образованием коллоидной серы, вызывающей опалесценцию воды, и,
кроме того, ни сероводород, ни гидросульфидионы не являются полезными
компонентами воды, в технологическую схему розлива таких вод вводят
технологический прием, направленный на выведение их из состава минеральных вод.
Розлив минеральных вод, объединенных в четвертую
технологическую группу, проводится по технологической схеме, приведенной на
рисунке 1.15, с дополнительной обработкой воды в скруббере. Для этого
минеральную воду из накопительной емкости подают насосом в верхнюю часть
скруббера, заполненного кольцами Рашига. Одновременно с этим в нижнюю часть
скруббера подают С02. Вода, стекая тонким слоем по поверхности
колец. Рашига, интенсивно контактирует с С02, при этом происходит
смещение равновесия в сторону образования сероводорода, который выносится из
минеральной воды током диоксида углерода. Вода после десульфирования насосом
направляется в сборник для хранения, а диоксид углерода, отходящий из
скруббера, может быть подвергнут очистке и повторно использован
2. Проектные расчеты
.1 Расчет привода конвейера
Пластинчатые конвейеры состоят из тягового
и несущего органов с поддерживающими и направляющими элементами, ведущего
(приводного) и ведомого барабанов или звездочек, натяжного устройства,
загрузочного и перегрузочного устройств, рамы. В ленточном конвейере тяговый
орган выполняет также функции несущего органа. Привод наиболее часто
осуществляется от электродвигателя через редуктор. При необходимости в приводе
имеется и тормозное устройство (тормоз или останов). Транспортирующее машины
комплектуются, как правило, из стандартных узлов и деталей.
Расчет транспортирующей машины состоит в
определении ее основных параметров расчете и выборе рабочего органа,
определении мощности и выборе двигателя, выборе элементов передач, определении
тормозного момента и выборе тормоза (или останова).
Грузы делятся на насыпные и штучные.
Основными свойствами насыпных грузов являются:
гранулометрический состав, плотность, влажность, угол естественного откоса,
абразивность, липкость, слеживаемость, смерзаемость, сопротивление перемещению
относительно твердых поверхностей. Гранулометрический состав характеризуется
кусковатостью, количественным распределением частиц груза по их крупности.
По плотности насыпные грузы
классифицируются на: легкие - при плотности менее 0,6 т/м3; средние
- 0.6... 1,1 т/м3; тяжёлые - - 1,2…2,0 т/м3; весьма
тяжелые более 2,0 т/м3.
Пластинчатые конвейеры предназначаются для транспортирования
острокромочных или горячих материалов, кусковых или штучных грузов. Эти
конвейеры состоят из тягового органа (в виде одной или двух бесконечных тяговых
цепей) с прикрепленным к нему настилом из отдельных пластин, приводного и
натяжного устройств, загрузочного устройства и рамы. При плоском настиле
возможно наличие и разгрузочного устройства в виде плужкового сбрасывателя.
Привод наиболее часто осуществляется от электродвигателя через редуктор.
а - горизонтального: б -
наклонно-горизонтального: в - наклонного; г -
горизонтально-наклонно-горизонтального: ПМ приводной механизм:
НУ - натяжное устройство.
Рисунок 2.1 Схемы пластинчатых конвейеров:
Пластинчатые конвейеры различаются в основном конструкцией
настила. Тип конвейера выбирается в зависимости от его назначения.
Рисунок 2.2 Устройство пластинчатого конвейера с бункером
Пластинчатый цепной конвейер (рис. 2.3) состоит из следующих
основных частей: приводного устройства, натяжного устройства 6, цепи 3 с пластинами
2, образующими настил, движущийся по направляющим 4, поддерживающих рабочую и
порожнюю ветви конвейера. При проходе пластин через звездочки приводного
устройства происходит разгрузка материала, а загрузка его может производиться
через загрузочную воронку 5 в любом месте рабочей ветви конвейера. Пластины 2
закруглены в передней части, что позволяет перекрывать часть следующих пластин,
создавая непрерывность полотна конвейера при огибании ими звездочек. Для
увеличения производительности конвейера применяют подвижные или неподвижные
борта.
Тяговый элемент пластинчатого конвейера, как правило,
выполнен из одной-двух пластинчатых цепей различных конструкций (катковых,
втулочных, роликовых и т.п.), реже из круглозвенных цепей.
Пластинчатая втулочная цепь собирается из звеньев, состоящих
из внутренних и внешних стальных пластин, валиков, наглухо закрепленных в
проушинах внешних пластин, и втулок (с наглухо насаженными на них внутренними
пластинами), свободно вращающихся на валиках. Стационарные ролики смазываются с
помощью централизованной смазочной системы.
Круглозвенные цепи применяют в изгибающихся конвейерах.
Настил собирают из пластин, изготовленных штамповкой или
листовой стали. Пластины делают короткими (200-250мм) и длинными (320-380 мм).
В зависимости от характеристики транспортируемого груза настил изготовляют с
бортами и без них в различном конструктивном исполнении. Пластины прикрепляют к
звеньям тяговой цепи (или цепям) сваркой или с помощью болтов или заклепок.
Тяговые цепи (если их две) соединяют друг с другом жесткими пластинами настила
или сквозными осями, которые располагают через один-три шага цепи.
Основные размеры настила-ширина В (400, 500, 650, 800,1000,
1200, 1400 и 1600 мм) и высота h бортов, если они меняются (80. 100, 125, 160. 200. 250. 315,
355, 400 и 500 мм).
Опорную станину конвейера набирают из отдельных секций,
изготовленных из угловой или швеллерной стали. Концевые части секций выполняют
в виде отдельных рам для приводной станции и натяжного устройства. Средние
секции бывают линейными, поворотными и переходными, длина секций 2-3,3 м.
Рисунок 2.3 Типы настилов.
Таблица 2.1
Типы пластинчатых конвейеров (ГОСТ
22281-76) и область их применения
|
Обозначение
типа конвейера
|
Тип конвейера
|
Область применения
|
|
ПР
|
Плоский
разомкнутый
|
Для
транспортирования штучных грузов
|
|
ПС
|
Плоский
сомкнутый
|
Для
транспортирования штучных и насыпных (кусковых) грузов
|
|
В
|
Безбортовой
волнистый
|
|
|
БВ
|
Бортовой
волнистый
|
Для
транспортирования насыпных в штучных грузов
|
|
Кг КМ
|
Коробчатый
глубокий Коробчатый мелкий
|
Для
транспортирования насыпных грузов
|
Приводная станция состоит из приводных звездочек,
передаточного механизма и электродвигателя и стопорного устройства (для
наклонных конвейеров). Она может быть концевой и промежуточной, с угловым или
гусеничным приводом. Приводные звездочки, приводящие в движение цепи,
изготовляют литыми из стали или чугуна или составными с литым корпусом из
чугуна и венцом из листовой стали; они имеют семь зубьев. Передаточный механизм
состоит либо из редуктора, либо из редуктора с дополнительной зубчатой или
цепной передачей. Для регулирования скорости применяют вариаторы. Применяют
конвейеры с несколькими приводами.
Расчёт пластинчатого конвейера.
Транспортируемый материал: ПЭТ.
Производительность конвейера: 8 т/ч.
Номинальная плотность материала: 1000 кг/м3
Угол наклона конвейера: 0.
Исходя из транспортируемого материала.
Принимаем следующий тин пластинчатого конвейера БВ - бортовой волнистый
Рисунок 2.4 Конвейер БВ.
По данным проекта ширина настила В 1600
мм.
Проверим заданную ширину настила с учетом производительности.
Рассчитаем ширину настила с учетом производительности и выбираем наиболее
рациональную ее ширину. Ширина настила с бортами. [1]
где
=55° угол естественного откоса груза в
состоянии покоя.
h=160 мм высота бортов. [1]
=0.65...0,8 коэффициент, характеризующий степень использования
высоты бортов, примем
=0,8 [1]
=1 коэффициент, зависящий от угла наклона конвейера
Производительность расчетная конвейера
т/ч, получаем
=0,59м тогда окончательно примем ширину настила но заданию В 650
мм. Принимаем шаг цепи тягового органа 250 мм. Скорость ходовой части конвейера
v=0,2м/с. В качестве тягового органа предварительно
принимаем две пластинчатые, катковые с ребордами на катках, разборные цепи со
сплошными валиками и разрушающей нагрузкой Fраз, 450 кН.
Обозначение цепи: цепь тяговая М 450-4-250-2 ГОСТ 588-81.
Рисунок 2.5 Цепь тяговая М 450-4-250-2 ГОСТ 588-81.
Определим погонную массу груза:
=Q/(3.6*v) (2.1)
Получим
=40/(3,6*0,2)=55,55 (кг/м).
Определение погонных нагрузок:
погонная масса ходовой части конвейера:
=60*В+К (2.2)
К=70 - коэффициент, зависящий от характера груза по плотности
=0,5 т/м3 и параметров
конвейера при ширине настила В=650 мм и типе конвейера БВ. [1]
Получаем
=60*0,65+70=109 (кг/м).
Коэффициент сопротивления
=0,09.
По ширине настила определяем длину и ширину загрузочной воронки
бункера:
В
=430 мм. l
=1500 мм.
Рисунок 2.6 Расчётная схема трассы конвейера
Проведём предварительные расчёты параметров конвейера необходимых
для проведения дальнейших расчётов:
Горизонтальная проекция конвейера
м.
Высота подъёма груза по наклонному участку конвейера Н=0 м.
Сопротивление на натяжных звёздочках:
где
- натяжение тягового органа в набегающей
ветви на звёздочку,
-коэффициент увеличения натяжения тягового органа:
при угле обхвата
=180°
=1,05... 1.07
примем
=180° ,
=1,07,
=
*(1,07-1)= 0,07*
Сопротивление на приводных звёздочках:
(2.3)
Где
- натяжение тягового органа в набегающей
ветви на звёздочку
-коэффициент увеличения натяжения тягового органа.
при угле обхвата
=180°
=1,05... 1.07
примем
=180° ,
=1,05,
=
*(1,05-1)= 0,05*
.
Сопротивление перемещения на рабочих
участках конвейера:
(2.4)
где
- горизонтальная проекция участка
конвейера.
L-длина горизонтального участка конвейера.
Знак "+" при подъеме,"- " при спуске.
получаем по участкам конвейера:
участок 4-5
м.
=(0,09*9,81*[27,8*6+ 154*6])=963 Н.
Сопротивление перемещения па нерабочих(холостых) участках
конвейера.
(2.5)
где
-горизонтальная проекция участка
конвейера,
-длина горизонтального участка конвейера,
получаем по участкам конвейера
участок 1-2 ;
Н.
Сопротивления на натяжной звездочках при
=180°
участок 2-3
Сопротивление на участке загрузки конвейера:
(2.6)
участок 3-4
Н
Определим натяжения в характерных точках.
Проводим обход трасы конвейера начиная с точки 1 (расчетная трасса
конвейера) Примем наименьшее натяжение в точке 1
= 1000 Н.
точка 2
точка 3
точка 4
точка 5
Подставляем найденные ранее величины сопротивлений и
=1000 Н. Находим натяжения в характерных
точках конвейера:
точка 1
=1000 Н.
точка 2
=1000+1088=2088 Н.
Расчетное значение разрушающей нагрузки меньше чем
=450 кН у принятой ранее цени.
Мощность на приводном налу конвейера
кВт.
Необходимая мощность двигателя
(2.7)
где к=1,2- коэффициент запаса
=0.94 кпд передач от двигателя к приводному барабану, получаем:
Рдв=(1,2*0,864)/0,94=1,103 кВт.
Принимаем электродвигатель:
тип 4А90L6У3 (1. стр.
300)
мощность двигателя Рдв=1,5 кВт.
частота вращения
=935 об/мин.
Рисунок 2.7 Электродвигатель тип 4А90L6У3
Частота вращения приводного вала конвейера
(2.8)
Получим
=8 об/мин.
Требуемое передаточное число привода
=935/8=116,8
Примем следующую кинематическую схему привода конвейера.
Рисунок 2.8 Кинематическая схема привода конвейера
Проведем разбивку общего передаточного отношения по всем передачам
привода u=uред=118 . Примем стандартный редуктор КЦ2-500
с передаточным отношением uред =118, тогда
935/118=7,92 об/мин.
Уточним производительность конвейера с
учётом нового передаточного числа:
46.66 (т/час).
Т.е. необходимая производительность
(т/час) обеспечивается.
Рисунок 2.9 Размеры редуктора
В приводе рассчитываемого конвейера
применяем цепь тяговую пластинчатую, катковую с ребордами на катках по
ГОСТ588-81.
Размеры и форма катков установленных в
данной цепи:
Рисунок 2.10 Каток с ребордами, с подшипниками скольжения
Диаметр катка D1=110 мм.
Диаметр приводной и натяжной звездочки конвейера:
Где t=250 мм шаг цепи.
Z=6 число зубьев
звездочки.
Получаем
=500 мм.
Конструкция звездочки.
Выбираем соединительную муфту.
Выбор муфты проводим по величине расчётного момента Тр.
Где k=1,25-коэффициент учитывающий
эксплуатационные условия.
рад/с.
Тогда
Н*м
Получим
=14,1 Н*м
Размеры по ГОСТ 21424-75 - муфта упругая втулочно-пальцевая
Т=31,5 Н*м. - момент передаваемый муфтой.
d=16 мм.
d1=18 мм.- диаметр посадочного отверстия/
D=90 мм.- наружный диаметр муфты.
L=76 мм.- длина муфты
do=20 мм,- диаметр отверстия под упругий элемент.
Расчетные параметры:
B= 0,25*D -ширина полумуфты под упругие элементы.
b=0,5*В -ширина полумуфты под крепеж.
D0=D-(1.5…1,6)*d0-диаметр окружности установки пальцев, получаем
В= 0,25*90=22,5 мм.
b=0,5х22.5=11,25мм.
D0=90-(1,5…1,6)*20=60...58mm. примем D0=60мм.
Пальцы выбираются и устанавливаются так, чтобы выполнялось
условие:
Z*do≤2,8*D0 где Z= 4 - число пальцев.
do=20 мм - диаметр отверстий под упругие элементы.
D0=60мм - диаметр расположения пальцев,
получим
Z*do=4x20= 80 мм.
,8*D0=2,8х60=168 мм.
Упругие элементы проверим па сжатие:
где
Тр=14,1 Н*м- вращающий момент,
dп=10 мм- диаметр пальцев,
=15мм- длина упругого элемента,
=2 Н/мм
допустимое напряжение сжатия
получим
=2*14,1 * 103/(4*60* 10*15)= 0,78 Н/мм2
=2 Н/мм2
Пальцы муфты изготавливаем из стали 45,расчитаем на изгиб:
где С=3 мм. - зазор между полумуфтами,
=(0,4...0,5)*
,
=540 М/мм предел текучести материала пальцев.
=(0,4...0,5)*540=216 Н/мм
.
Получим
=2*14,1*10
*(0,5*15+3)/(4*60*10
)=123 Н/мм
=216 Н/мм
.
конструкция конвейер разлив
3.Прочностные расчеты
.1 Расчет вала приводной станции
Определим диаметр выходного конца вала, мм.:
; где T-вращающий момент на валу,
;
;
Получаем:
;
-допустимое напряжение кручения;
Полученное значение округляем до ближайшего стандартного по ГОСТ
6636-75.
;
Примем
=50
.
Рисунок 3.1 Эскиз проектируемого вала
Размеры вала:
Предварительно выбираем подшипник № 1211 по ГОСТ 5720-75.
Размеры шпонки и шпоночного паза вала:
Силы, действующие на рассчитываемый вал:
-максимальная сила натяжения;
Муфта, установленная на выходном конце вала:
По ГОСТ 5006-55. зубчатая:
Рисунок 3.2 Муфта зубчатая
Рисунок 3.3 Эпюры действующих моментов вала
Определим реакции опор.
В горизонтальной плоскости:
;
Суммарные реакции:
Определим изгибающие моменты.
В горизонтальной плоскости:
Наиболее опасным сечением является точка 2, где сумма
Концентратором в данной точке является посадка барабана на шпонку
с размерами:
Определим коэффициенты.
Коэффициент запаса прочности по нормальным напряжениям:
;
Коэффициент запаса прочности по касательным напряжениям:
где
-предел выносливости при семетричном цикле
изгиба.
-для материала вала Сталь 45.
-предел выносливости при семетричном цикле кручения,
-амплитуда цикла нормальных напряжений,
-среднее напряжение цикла нормальных напряжений,
-амплитуда цикла нормальных напряжений при кручении,
-среднее напряжение цикла нормальных напряжений при кручении,
Для определения найдем все выше перечисленные напряжения и
подставим их в основные формулы.
Получим:
где
-момент сопротивления сечения вала изгибу,
*
-передаваемый крутящий момент в опасном сечении.
-суммарный изгибающий момент в опасном сечении.
Момент сопротивления сечения вала при:
Получим:
Принимаем:
-эффективный коэффициент концентрации нормальных напряжений.
-масштабный фактор для нормальных напряжений.
-коэффициент, учитывающий шероховатость поверхности.
Получаем:
;
Принимаем:
-эффективный коэффициент концентрации касательных напряжений.
-масштабный фактор для касательных напряжений.
-коэффициент, учитывающий шероховатость поверхности.
.
Получаем:
.
Определим результирующий коэффициент прочности:
Получим:
.2 Расчет подшипников вала приводной станции
Из ранее приведенных расчетов приняли предварительно подшипник
1206 ГОСТ 28428-90
при
при
где
-коэффициент радиальной нагрузки;
-коэффициент, учитывающий вращение колец;
-коэффициент осевой нагрузки;
-радиальная нагрузка;
-осевая нагрузка;
-температурный коэффициент;
-коэффициент безопасности.
Расчет будем вести по наиболее нагруженной опоре, суммарные
реакции опор найдены при расчете вала:
Далее расчет проводим для подшипника опоры B, которая наиболее нагружена.
Определим соотношение: Опора B:
, тогда соотношение для опоры B:
Получим:
Требуемая динамическая грузоподъемность
где
часов- требуемая долговечность;
-для шарикоподшипников.
Угловая скорость при вращении вала:
Получим:
Определим расчетную долговечность
, млн. об..
;
где
-для шарикоподшипников.
Получаем:
Определим расчетную долговечность
,часов:
где
-частота вращения подшипника;
часов>
часов.
Проверим шпоночные соединения вала на смятие узких граней.
Должно выполняться условие:
где
-передаваемый вращающий момент;
-диаметр вала в месте установки шпонки;
-высота шпонки;
-ширина шпонки;
-глубина паза в валу;
-допустимое напряжение смятия.
Получаем:
Где
-передаваемый вращающий момент;
-диаметр вала в месте установки шпонки;
-высота шпонки;
-ширина шпонки;
-длина шпонки;
-глубина паза в валу;
-допустимое напряжение смятия.
Получаем:
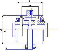
.3 Расчет натяжного устройства
В проектируемом конвейере примем винтовой механизм натяжения.
Усилие натяжения:
Где
-потери на передвижение натяжного
устройства.
-натяжение набегающей и сбегающей ветви на натяжном барабане.
Получаем:
Принимаем натяжное устройство с двумя винтами.
Усилие, воспринимаемое одним винтом:
где
-коэффициент, учитывающий неравномерность
распределения усилия между винтами.
Получаем:
Винты натяжного устройства работают на сжатие.
Предварительно определим длину хода натяжного устройства:
.
Получаем:
Расчет винтов ведем на продольный изгиб.
Получаем:
Примем винт с трапециидальной резьбой
и
Высота гайки:
Получаем:
Примем
конструктивно.
3.4 Расчет вала натяжной станции
Определим диаметр выходного конца вала, мм.:
где
-вращающий момент на валу,
Получаем:
Где
-допустимое напряжение кручения.
Полученное значение округляем до ближайшего стандартного по ГОСТ
6636-75.
Примем
Рисунок 3.4 Эскиз проектируемого вала
Размеры вала:
Предварительно выбираем подшипник № 1211 по ГОСТ 5720-75.
Размеры шпонки и шпоночного паза вала:
4.Эксплуатационная часть
.1 Техническое обслуживание и ремонт
механизированного участка транспортирования
Бесперебойная работа конвейеров
обеспечивается их своевременным планово-предупредительным ремонтом.
Под планово-предупредительным ремонтом
конвейеров понимается комплекс мероприятий по ремонту их оборудования,
запланированных по времени и направленных на предупреждение чрезмерного износа
деталей и связанных с этим аварий, а также на поддержание работоспособности
оборудования. Этот комплекс мероприятий строится на принципе профилактического
ремонта, при котором путем запланированных осмотров оборудования устанавливают
последовательность и объем необходимых ремонтных работ, направленных на
поддержание работоспособности оборудования конвейеров в эксплуатации.
Работы определяемые «Единой системой ППР»
включают:
. межремонтное обслуживание;
. периодические ремонтные и
профилактические работы.
Техническое обслуживание конвейеров при
его эксплуатации заключается в проведении профилактических ремонтов: текущего,
капитального.
Во время ремонта необходимо выполнять
следующие работы:
1.
Проверять
целостность ленты;
2.
Проверять
целостность футеровки на барабане. При износе резиновой футеровки до
металлической поверхности барабан заменить;
3.
Проверять
количество и чистоту масла в редукторах;
4.
Проверять
состояние ботовых соединений крепления всех составных частей конвейера;
5.
Проверять
состояние очистных устройств. При износе рабочего органа очистителя заменить
его на новый;
6.
Проверять
состояние роликов, роликоопор, центрирующих устройств;
7.
Проверять
состояние подшипниковых узлов;
8.
Проверять
и регулировать узлы конвейера (муфт, тормозов, приборов управления, храповых
остановов, натяжных лебедок).
За сохранностью ленты должен быть
установлен строгий надзор. Один раз в смену требуется проверить:
1.
Положение
ленты на роликах;
2.
Наружное
состояние ленты и ее стыков;
3.
Наличие
всех поддерживающих роликов и их вращение (невращающиеся ролики необходимо
своевременно заменять).
Поврежденные участки ленты должны быть
отремонтированы. При эксплуатации конвейеров оборудование должно быть
обеспечено регулярной смазкой узлов с применением масел и консистентных.
Применяемые смазочные материалы должны
быть чистыми и свободными от механических примесей (песка, рудной пыли),
храниться в закрытой таре, предназначенной для смазочных материалов различных
марок.
Перед заменой смазки подшипников
необходимо удалить загрязненную смазку. Замена смазки подшипников роликов
роликоопор должна производиться при их ревизии.
Задачей (Т1) текущего ремонта является
поддержание узлов оборудования конвейера в состоянии постоянной
эксплуатационной надежности немедленное устранение всех возникающих
неисправностей.
Текущий ремонт (Т1) производится
машинистами конвейера, слесарями и электрослесарями, наблюдающими за работой
конвейера при эксплуатации. Текущий ремонт (Т1) является основным. Он
предусматривает регулярный осмотр конвейеров, который является необходимым
условием их бесперебойной работы. Обслуживающий персонал несет ответственность
за тщательность ежедневного осмотра, выявляет опасные места, где в последствии
возникнет необходимость ремонта.
В текущий ремонт (Т1) входят следующие
виды работ:
а) осмотр и очистка конвейера;
б) осмотр ленты и устранение ее
повреждений;
в) осмотр и регулировка узлов конвейера
(натяжных устройств, соединительных муфт, тормозов, приборов управления);
г) осмотр зубчатых муфт;
д) осмотр и регулировка подшипников
качения ;
е) проверка наличия масла в редукторе и
ликвидация его утечек;
ж) проверка уплотнений подшипниковых
узлов;
з) промывка и замена масла в редукторах;
и) проверка и подтяжка всех болтовых
соединений механизмом крепежных и фиксирующих деталей;
к) проверка наличия сорванных или
ослабленных болтов в металлоконструкции и их замена;
л) проверка правильной работы конвейера,
наличия неравномерных шумов и стуков;
м) ремонт ограждений;
н) осмотр и регулирование приборов
безопасности;
о) осмотр, регулировка или замена
прорезиненного фартука приемного устройства;
п) осмотр и регулирование приборов
очистного устройства;
р) проверка и регулирование электрооборудования
и электроаппаратуры управления;
с) восстановление поврежденной окраски.
Задачей текущих (Т2-ТЗ) ремонтов является
восстановление и замена деталей оборудования, срок службы которых меньше
запланированного периода между двумя капитальными ремонтами.
Задачей капитального ремонта является
восстановление первоначальной эксплуатационной готовности конвейера,
отработавшего межремонтный период.
Текущие и капитальный ремонты производить
соответствии с графиками, составленными службами главного механика и главного
энергетика.
Потребитель должен периодически
информировать поставщика о работе конвейеров, заполняя форму по отчету об
эксплуатационной надежности конвейеров по кварталам.
В ходе эксплуатации конвейера должны быть
определены сроки службы основных деталей редукторов, роликоопор и других узлов.
Для определения оптимального комплекта запчастей, рационального проведения
осмотров, планово-предупредительных ремонтов.
.2 Смазка конвейера
При эксплуатации конвейеров, оборудование
должно быть обеспечено регулярной смазкой с применением масел и консистентных
смазок надлежащих марок по таблице 4.1.
Таблица 4.1
Карта смазки
|
Наименование
узла
|
Наименование
смазочных материалов и стандарт
|
Способ
нанесения смазочных материалов
|
Периодичность
проверки и замены смазки
|
|
Подшипники
качения барабанов, блоков
|
Смазка ПЛАТИМ
-203 ГОСТ 8773-73
|
Закладная,
пополнение шприцеванием.
|
Полная замена
один раз в три года. Набивка шприцем не реже одного раза в шесть месяцев
|
|
Подшипники
качения роли-коопор
|
Смазка ЦИАТИМ
-203 ГОСТ 8773-73
|
Закладная.
|
Полная замена
один раз в три года.
|
|
Зубчатые муфты
приводной станции
|
Масло
трансмиссионное ТСЗП ТУ 38-10131378
|
Масляная ванна.
|
Заливка один
раз в шесть месяцев.
|
|
|
Тормоза
|
Смазка
ЦИАТИМ-203 ГОСТ 8773-73
|
|
Редуктор
привода
|
Индустриальное масло
И-30А ГОСТ 20799-75
|
Заполнение
емкости (картерная смазка)
|
Через 2500
часов работы
|
|
Подшипники
редуктора
|
Пластическая
антифрикционная смазка ЦИАТИМ -203 (ГОСТ 8773-73)
|
Шприц -
прессом, шпателем
|
Через 800 часов
работы
|
|
|
|
|
|
|
|
Применяемые смазочные материалы должны
быть чистыми и свободными от механических примесей (песка, рудной пыли),
храниться в закрытой таре, предназначенной для смазочных материалов различных
марок.
Перед смазкой подшипников качения
необходимо удалить загрязненную смазку.
Замена смазки подшипников роликов
роликоопор должна производиться при их ревизии.
Количество смазки должно соответствовать
указанному в чертежах.
Заправка смазочным материалом шприцев и
подача масла в смазываемые точки должна выполняться с соблюдением
предосторожностей, обеспечивающих чистоту смазки.
4.3 Характерные неисправности конвейера и
способы их устранения
Таблица 4.2
Характерные неисправности
|
Неисправность
|
Вероятная
причина
|
Метод
устранения
|
|
1
|
2
|
3
|
|
Конвейерная
лента
|
|
1. Загрязнение
рабочей поверхности ленты
|
Износ рабочих
органов очистных устройств
|
Отрегулировать
или заменить рабочие органы
|
|
2. Загрязнение
нерабочей поверхности ленты
|
Просыпь
материала с рабочей ветви на нерабочую при плохой работе плужка
|
Устранить
просыпь материала, плужок отрегулировать, заменить резиновую полосу
|
|
3. Повышенный
нагрев электродвигателя
|
Чрезмерная
загрузка ленты
|
Снизить
загрузку ленты до нормы
|
|
1
|
2
|
3
|
|
4. Повышенный
нагрев подшипников редуктора
|
Не поступление
масла в подшипник вследствие засорения отверстия в указателе подачи масла
|
Проверить через
указательное стекло наличие струи масла, устранить причину прекращения подачи
масла
|
|
5. Повышенный
шум при работе редуктора
|
Повреждение
подшипника
|
Снять смотровую
крышку и осмотреть подшипник. При необходимости разобрать редуктор и заменить
подшипник.
|
|
Поломка зуба
зубчатого колеса
|
Снять смотровую
крышку и осмотреть зубчатые колеса, в случае поломки зубьев, заменить
зубчатые колеса
|
|
6. Утечка масла
из редуктора
|
Неплотность
соединений деталей корпуса
|
Подтянуть
болты, заменить уплотняющие прокладки
|
|
7. Нагрев
подшип-ников приводного или отклоняющего барабанов
|
Отсутствие
смазки
|
Заправить
корпуса подшипников свежей смазкой
|
|
8. Шум или стук
в подшипниках приводного или отклоняющего барабанов
|
Повреждение
роликов, колец подшипников
|
Заменить
подшипники
|
|
Неполадки с
роликами
|
|
Лента
недостаточно натянута и буксует на приводном барабане при работе конвейера
|
Перекос
барабана на направляющих стойках вследствие их износа
|
Отрегулировать
положение барабана на направляющих и смазать их для обеспечения беспрепятственного
перемещения барабана на них
|
|
Нагрев
подшипников барабана
|
Израсходована
или загрязнена смазка.
|
Заправить
подшипники свежей смазкой
|
|
Ролик не
вращается
|
Повышенное
сопротивление в подшипниках роликоопор
|
Заменить
подшипники в роликоопорах
|
|
|
|
|
|
5.Экономическая часть
Механизация участка заключается в применение
пластинчатого конвеера
для
транспортировки готовой продукции. В таблице 5.1 представлена техническая
характеристика оборудования.
Таблица 5.1
Техническая характеристика оборудования
|
Показатели
|
Обозначение
|
Единица
измерения
|
Значение
|
|
Производительность
|
Q
|
т/час
|
8
|
|
Скорость
|
V
|
м/мин
|
0,25
|
|
Транспортируемый
материал
|
-
|
-
|
ПЭТ
|
|
Установленная
мощность двигателей
|
Nу
|
кВт
|
1,5
|
|
Срок службы
|
-
|
лет
|
15
|
|
Категория
ремонтной сложности
|
-
|
-
|
22
|
|
Группа режима
работы
|
-
|
-
|
22
|
Эффективный (действительный) фонд времени работы для
непрерывного графика работы оборудования определяется по формуле (5.1)
, (5.1)
где Дв - выходные дни;
Дп - праздничные дни;
Тсм - продолжительность смены, час;
Тсм - количество смен.
В таблице 5.2 представлен эффективный фонд работы оборудования
Таблица 5.2
Эффективный фонд рабочего времени
|
Показатели
|
Ед. измерения
|
Значение
|
|
1
|
Число
календарных дней в году, Дк
|
сут.
|
365
|
|
2
|
Число праздничных
дней в году, Дп
|
сут.
|
0
|
|
3
|
Число выходных
дней в году, Дв
|
сут.
|
0
|
|
4
|
Номинальный
фонд работы, Дн
|
сут.
|
365
|
|
5
|
Процент потерь
из-за простоя, P
|
%
|
50
|
|
6
|
Количество смен
в сутки, Ксм
|
ед.
|
2
|
|
7
|
Продолжительность
смены, Тсм
|
час
|
12
|
|
8
|
Эффективный
фонд работы, Fэф
|
час
|
4380
|
Расчет производительности ведется по формуле
В= Fэф ·Q, (5.2)
где Fэф - эффективный фонд работы;
Q - производительность.
Таблица 5.3
Расчет производительности
|
Показатели
|
Обозначение
|
Единица
измерения
|
Значение
|
|
Эффективный
фонд работы линии
|
Fэф
|
час
|
4380
|
|
Производительность
|
Q
|
т/час
|
8
|
|
Годовая
производительность линии
|
Q
|
т/час
|
35040
|
Капитальные затраты на оборудование определяются по формуле
Kб =Ц+Зм +Зтр+Зскл (5.3)
где Ц - цена приобретения;
Зтр - затраты на транспортировку;
Зм - затраты на монтаж;
Зскл - складские расходы;
Kб - всего стоимость.
Зтр=0,06
Ц (5.4)
Зм=0,04
Ц (5.5)
Зскл =0,02
Ц; (5.6)
Таблица 5.4
Расчет первоначальной стоимости участка
|
Показатели
|
Обозначение
|
Значение
|
|
Цена
приобретения линии
|
Ц
|
Тыс.тенге
|
250000
|
|
Затраты на
транспортировку
|
Зтр
|
Тыс.тенге
|
15000
|
|
Затраты на
монтаж
|
Зм
|
Тыс.тенге
|
10000
|
|
Складские
расходы
|
Зскл
|
Тыс.тенге
|
5000
|
|
Всего стоимость
|
Kб
|
Тыс.тенге
|
265000
|
Расчет сметы годовых затрат на содержание и эксплуатацию
оборудования рассчитывается по формуле:
, (5.7)
где Са - годовые затраты на амортизацию, тыс. тенге;
Ср - текущие затраты на ремонт оборудования в год;
Сз/п - годовые затраты на заработную плату работников,
занятых эксплуатацией оборудования с отчислениями в частные пенсионные фонды,
социальный налог и социальные отчисления;
Сэ - энергозатраты;
Св - затраты на вспомогательные материалы.
Расчет годовых отчислений на амортизацию определяется по формулам:
Са=
, (5.8)
где Kб - всего стоимость;
На - норма амортизации.
, (5.9)
где Тсл - срок службы.
Таблица 5.5
Расчет годовых отчислений на амортизацию
|
Показатели
|
Обозна-чение
|
Единица
измерения
|
Значение
|
|
Полная
первоначальная стоимость
|
Kб
|
тыс.тенге
|
265000
|
|
Срок службы
|
Тсл
|
лет
|
15
|
|
Норма
амортизации
|
На
|
%
|
6,6
|
|
Амортизационные
отчисления
|
Са
|
тыс.тенге
|
17490
|
Расчет показателей системы технического обслуживания и
ремонтов оборудования.
Структура ремонтного цикла, трудоёмкость ремонтных работ,
категория ремонтной сложности определяется по справочнику ТО и Р.
Показатели системы ТО и Р оборудования представлены в таблице
8.
Таблица 5.6
Показатели системы ТО и Р оборудования
|
Показатели
|
Ед. измерения
|
Значение
|
|
1
|
Категория
ремонтной сложности
|
|
22
|
|
2
|
Структура
ремонтного хозяйства: - текущий ремонт №1, Т1; - текущий ремонт
№2, Т2; - капитальный ремонт, К.
|
ед. ед. ед.
|
54 17 1
|
|
3
|
Итого
|
ед.
|
72
|
|
4
|
Трудоемкость
ремонтов: - Т1, t1; - Т2, t2; - К, tк.
|
час час час
|
33 110 550
|
|
5
|
Итого
|
час
|
693
|
Длительность межремонтного цикла (то есть промежуток времени
между вводом в эксплуатацию оборудования до 1-го капитального ремонта или между
двумя капитальными ремонтами) оборудования определяется по формуле:
, (5.10)
где А - нормативный ремонтный цикл, час;
βу = 2,0 - режим работы легкий;
βу = 1,75 - режим работы средний;
βу = 1,5 - режим работы тяжелый;
βу = 1,0 - режим работы весьма тяжелый.
Длительность межремонтного периода (то есть период времени между
двумя любыми видами ремонтов) рассчитывается по формуле:
, (5.11)
где Т1, Т2, К - количество ремонтов.
В таблице 5.7 представлен расчет продолжительности межремонтного
периода.
Таблица 5.7
Расчет продолжительности межремонтного периода
|
Показатели
|
Ед. измерения
|
Значение
|
|
1
|
Нормативный
ремонтный цикл, А
|
час лет
|
43800 5
|
|
2
|
Коэффициент,
учитывающий условия производства, βу
|
-
|
1
|
|
3
|
Коэффициент,
учитывающий тип производства, βп
|
-
|
1
|
|
4
|
Межремонтный
цикл, Тмц
|
час
|
87600
|
|
5
|
Количество
ремонтов, Р
|
ед.
|
72
|
|
6
|
Межремонтный
период, Тмр
|
час
|
912
|
На основании показателей ТО и Р составляется график ремонтов
оборудования на год (таблица 5.8).
Таблица 5.8
График планово-предупредительных работ
|
Месяцы
|
Количество
ремонтов
|
|
Т1
|
Т2
|
|
1
|
Январь
|
1
|
|
|
2
|
Февраль
|
1
|
|
|
3
|
Март
|
1
|
|
|
4
|
Апрель
|
|
|
|
5
|
Май
|
|
1
|
|
6
|
Июнь
|
1
|
|
|
7
|
Июль
|
1
|
|
|
8
|
Август
|
1
|
|
|
9
|
Сентябрь
|
|
|
|
10
|
Октябрь
|
|
1
|
|
11
|
Ноябрь
|
1
|
|
|
12
|
Декабрь
|
1
|
|
Годовые затраты на ремонт могут быть определены двумя
способами:
а) составление сметы расходов на каждый вид ремонта (текущий,
капитальный);
б) аналитическо-статистическим способом по формуле:
, (5.12)
где ЗЗ/П - затраты на заработную плату работников,
занятых ремонтом оборудования, находятся по формуле:
, (5.13)
где ТРР - трудоёмкость ремонтных работ, определяемая по
формуле:
, (5.14)
где T1·t1, T2·t2, K·tK - трудоёмкость ремонтов;
ТСР - среднечасовая заработная плата ремонтных рабочих,
тенге/час;
kП -
коэффициент, учитывающий долю премии в заработной плате или прочие затраты;
kД -
коэффициент, учитывающий дополнительную заработную плату;
kСС -
коэффициент, учитывающий затраты на социальное страхование;
ЗИ - затраты на инструмент, материалы, оснастку;
ЗН - накладные расходы.
Расчет затрат на текущий ремонт оборудования представлен в таблице
5.9.
Таблица 5.9
Расчет затрат на текущий ремонт оборудования
|
Показатели
|
Ед. измерения
|
Значение
|
|
1
|
Трудоемкость
ремонтных работ, ТРР
|
час
|
840,4
|
|
2
|
Средний разряд
ремонтных работ
|
-
|
4
|
|
3
|
Часовая
тарифная ставка слесаря, ТСР
|
тенге
|
180
|
4 Затраты на заработную плату: - по тарифу, ЗТ;
- прочие (10%), ЗПР; - дополнительная з/п, ЗД. (ЗТ+
ЗПР)
0,2тенге
тенге
тенге
тенге199679
,2
|
5
|
Затраты на
материалы, ЗМ Зфзп 0,1тенге19967,9
|
|
|
|
6
|
Социальный
налог Зфзп 0,9 0,2тенге35942,2
|
|
|
|
7
|
Затраты на
текущий ремонт, СР
|
тенге
|
255589,12
|
Годовые энергозатраты рассчитываются по формуле:
(5.15)
где ССЭН - расходы на силовую энергию;
СОЭН - расходы на осветительную энергию
(5.16)
где ЦС - цена 1 кВт/час силовой энергии;
ТК - годовой календарный фонд времени работы
оборудования, час;
kВ -
коэффициент использования календарного фонда времени;
kМ - коэффициент
использования установленной мощности электродвигателей;
NΣ - суммарная установленная мощность
электродвигателей, кВт.
Расходы на осветительную энергию СОЭН
определяются
, (5.17)
где ЦО - цена осветительной энергии;
k - коэффициент, учитывающий время включения освещения;
Уосв - удельная мощность освещения, Вт/м2;
Sк - осветительная площадь, м2.
Расчет затрат на электроэнергию представлен в таблице 5.10.
Таблица 5.10
Расчет затрат на электроэнергию
|
Показатели
|
Ед. измерения
|
Значение
|
|
1
|
Цена силовой
электроэнергии, ЦС
|
тенге
|
6,2
|
|
2
|
Эффективный
фонд работы линии, Fэф
|
час
|
4380
|
|
3
|
Суммарная
установленная мощность электродвигателей, NΣ
|
кВт
|
27,5
|
|
4
|
Коэффициент
исп. установленной мощности электродвигателей, kN
|
-
|
0,8
|
|
5
|
Затраты на
силовую энергию, ССЭН
|
тенге
|
271560
|
|
6
|
Цена
осветительной энергии, ЦO
|
тенге
|
6,2
|
|
7
|
Коэффициент,
учитывающий время включения освещения, k
|
-
|
0,5
|
|
8
|
Удельная
мощность освещения, Уосв
|
Вт/м2
|
6
|
|
9
|
Осветительная
площадь, Sк
|
м2
|
60
|
|
10
|
Затраты на
энергию освещения, СОЭН
|
тенге
|
4888
|
|
11
|
Всего затрат на
электроэнергию, СЭН
|
тыс. тенге
|
602,32
|
Расчет годовых затрат на заработную плату работников, занятых
эксплуатацией оборудования определяется по следующей схеме
Таблица 5.11
График работы 1 рабочего за месяц
|
Профессия
|
Дни
|
|
1
|
2
|
3
|
4
|
5
|
6
|
7
|
8
|
9
|
10
|
11
|
12
|
13
|
14
|
15
|
16
|
|
Машинист
конвейера
|
12
|
4
|
8
|
В
|
12
|
4
|
8
|
В
|
12
|
4
|
8
|
В
|
12
|
4
|
8
|
В
|
|
Профессия
|
Дни
|
|
17
|
18
|
19
|
20
|
21
|
22
|
23
|
24
|
25
|
26
|
27
|
28
|
29
|
30
|
31
|
-
|
|
Машинист
конвейера
|
12
|
4
|
8
|
В
|
12
|
4
|
8
|
В
|
12
|
4
|
8
|
В
|
12
|
4
|
8
|
-
Таблица 5.12
Расчет баланса рабочего времени 1 рабочего
|
Показатели
|
Ед. измерения
|
Значение
|
|
1
|
Календарное
время, Дк
|
дни
|
365
|
|
2
|
Выходы по
графику, Вг
|
дни
|
273
|
|
3
|
Невыходы по
графику, Нг
|
дни
|
92
|
|
Невыходы: -
отпуск; - болезни; - прочие
|
дни дни дни дни
|
34
28 5 1
|
|
Эффективный
фонд времени рабочего, Fэф
|
дни час ед. -
|
239 2868
|
|
Количество
смен, nсм
|
|
2
|
|
Коэффициент
списочного состава, kcc
|
|
1,6
|
Ксс=365/Fэф=365/239 (5.18)
Таблица 5.13
Расчет численности рабочих
|
Показатели
|
Значение
|
|
1
|
Профессия
|
Машинист
конвейера
|
|
2
|
Количество
оборудования, ед.
|
3
|
|
3
|
Норма
обслуживания, чел.
|
1
|
|
4
|
Количество смен
в сутки, ед.
|
2
|
|
5
|
Явочная
численность, чел.
|
2
|
|
6
|
Коэффициент
списочного состава
|
1,6
|
|
7
|
Списочная
численность
|
4
|
Таблица 5.14
Расчет фонда заработной платы рабочих
|
1
|
Профессия
|
Машинист
конвейера
|
|
2
|
Разряд рабочего
|
5
|
|
3
|
Часовая
тарифная ставка
|
60
|
|
4
|
Система оплаты
труда
|
повременная
|
|
5
|
График работы
|
непрерывный
|
|
6
|
Явочная
численность
|
2
|
|
7
|
Списочная
численность
|
4
|
|
8
|
Рабочий фонд
времени, час
|
Эффективный
фонд рабочего времени
|
2868
|
|
|
Всего
|
14340
|
|
|
В том числе
|
ночные
|
7170
|
|
|
|
праздничные
|
240
|
|
9
|
Основная з/п ,
тыс. тенге
|
по тарифу
|
860,4
|
|
|
ночные
|
215,1
|
|
|
праздничные
|
5,184
|
|
|
прочие
|
172,08
|
|
|
итого
|
1252,76
|
|
10
|
Дополнительная
з/п, тыс. тенге
|
прочие
|
250,55
|
|
|
отпуск
|
125,27
|
|
11
|
Всего фонд з/п,
тыс. тенге
|
153,31
|
|
12
|
Среднемесячная
з/п 1 рабочего, тыс. тенге
|
31
|
Расчет затрат на вспомогательные материалы и охрану труда
представлен в таблице 5.15.
Таблица 5.15
Расчет затрат на вспомогательные материалы и охрану труда
|
Показатели
|
Ед. измерения
|
Значение
|
|
1
|
Затраты на
электроэнергию, Сэн
|
тыс. тенге
|
602,32
|
|
2
|
Норма
отчислений
|
%
|
12
|
|
3
|
Расходы на
вспомогательные материалы, См
|
тыс. тенге
|
72,27
|
|
4
|
Фонд заработной
платы рабочих, Сз/п
|
тыс. тенге
|
153,31
|
|
5
|
Норма
отчислений
|
%
|
2
|
|
6
|
Расходы на
охрану труда, Qо.т
|
тыс. тенге
|
3,07
|
Смета затрат на содержание и эксплуатацию линии механизации
участка представлена в таблице 5.16.
Таблица 5.16
Смета затрат на содержание и эксплуатацию оборудования
механизации участка, тыс. тенге
|
Показатели
|
Значение
|
|
1
|
Амортизация, Са
|
17490
|
|
2
|
Текущий ремонт,
Ср
|
255,58912
|
|
3
|
Электроэнергия,
Сэн
|
602,32
|
|
4
|
Заработная плата
рабочих, Сз/п
|
153,31
|
|
5
|
Начисления на
з/п, Сн
|
27,59
|
|
6
|
Вспомогательные
материалы, См
|
72,27
|
|
7
|
Охрана труда, Со.т
|
3,07
|
|
8
|
Итого
|
17746,66
|
Таблица 5.17
Определение срока окупаемости механизации участка
|
Показатели
|
Обозначение
|
Ед. изм.
|
Значение
|
|
1.Производительность
в год
|
В
|
Тонн/год
|
35040
|
|
2. Капитальные
вложения
|
Кб
|
Тыс. тг.
|
265000
|
|
3. Численность
рабочих
|
Ч
|
Чел.
|
4
|
|
4. Фонд
зарплаты
|
ФЗП
|
Тыс. тг.
|
153,31
|
|
5. Затраты на
обслуживание
|
З
|
Тыс. тг.
|
17746,66
|
|
6.Средние
затраты на транспортировку 1тонны груза
|
З1
|
тенге
|
50,6
|
|
7.Годовой объем
|
Qгод
|
тонн
|
9600
|
|
8.Цена 1 тонны
|
У
|
Тыс. тг
|
180
|
|
9. Налог с
прибыли (30%)
|
Н
|
Тыс. тг
|
54
|
|
10.
Себестоимость, за исключением расходов на транспортировку
|
С1
|
Тыс. тг
|
115
|
|
11. Общие
затраты на транспортировку1 тонны
|
С
|
Тыс. тг
|
115,05
|
|
12. Годовая
прибыль
|
П
|
Тыс. тг
|
105120
|
|
13. Срок
окупаемости при 2-х сменном режиме работы с момента запуска в работу
|
Ток
|
дни мес лет
|
912,5
30,25 2,5
|
Срок окупаемости дополнительных капитальных вложений равен
2,5 года.
Расчет экономической эффективности механизации участка
свидетельствует о ее целесообразности.
Таблица 5.18
Технико-экономические показатели работы механизированной
линии
|
Показатели
|
Ед.изм.
|
Значение
|
|
1
Производительность
|
т/час
|
8
|
|
2.
Производительность конвейера в год.
|
Тыс. тн.
|
35040
|
|
3. Капитальные
вложения
|
Тыс. тг.
|
56000
|
|
4. Нормативный
срок службы
|
Лет
|
15
|
|
5. Межремонтный
период
|
Час
|
912
|
|
6. Трудоемкость
ремонтных работ
|
Час
|
693
|
|
7. Численность
рабочих
|
Чел
|
4
|
|
8. Фонд
заработной платы
|
Тыс. тг.
|
153,31
|
|
9.
Среднемесячная зарплата 1 рабочего
|
Тг.
|
31000
|
|
10. Затраты на
обслуживание и содержание линии
|
Тыс. тг.
|
17746,66
|
|
11. -//- в т.ч.
на 1тн.
|
Тг.
|
50,6
|
6.Охрана труда
.1 Общие положения
Охрана труда представляет собой
действующую на основании соответствующих законодательных и иных нормативных актов
систему социально-экономических, организационных, технических, гигиенических и
лечебно профилактических мероприятий и средств, обеспечивающих безопасность,
сохранение здоровья и работоспособности человека в процессе труда.
На предприятиях создаются службы по охране
труда, которые действуют в соответствии с типовым положением, утверждаемым
государственным органом охраны труда по согласованию с соответствующими
органами. По своему статусу служба охраны труда приравнивается к основным
производственным службам и подчиняется руководителю предприятия.
Соответствующие службы по охране труда должны создаваться и в образуемых
предприятиями ассоциациях, корпорациях, концернах и других объединениях.
Специалисты служб охраны труда обязаны выдавать руководителям структурных
подразделений обязательные для исполнения предписания об устранении выявленных
нарушений и вносить представления руководителям предприятий о привлечении к
ответственности лиц, нарушающих законодательство об охране труда. В случаях
возникновения непосредственной угрозы здоровью или жизни работников,
специалисты службы охраны труда вправе приостановить работы вплоть до
устранения выявленных нарушений.
Администрация предприятия обязана
проводить обучение, инструктирование, проверку знаний и переаттестацию всех
работников по вопросам охраны труда и порядке в сроки установленные
соответствующими нормативными актами. Лица не прошедшие обучение,
инструктирование и проверку знаний по охране труда, к работе не допускаются.
Проектирование, строительство и реконструкция
производственных зданий и сооружений, разработка и выпуск технологий,
конструирование и изготовление машин, механизмов, оборудования и других
изделий, в том числе приобретенных за рубежом, не отвечающих требованиям
государственных стандартов, правил, норм по охране труда, не допускается.
Разработанные проекты подлежат государственной экспертизе на соответствие их
требованиям охраны и условий труда, а опытные образцы - государственным
испытаниям. Запрещается предусматривать применение веществ, сырья, материалов,
не прошедших токсикологическую, санитарно-гигиеническую, радиационную,
медико-биологическую оценку в части их влияния на организм и здоровье человека.
Новое или реконструируемое предприятие, объект, средство производства или
другой вид продукции не могут быть приняты и введены в эксплуатацию, если они
не имеют сертификата соответствия требованиям безопасности, выдаваемого в
установленном порядке.
.2 Возможные причины нанесения вреда
здоровью и жизни человека при работе конвейера и способы их предотвращения
Рабочая зона механизированной линии
является опасной зоной для безопасной жизнедеятельности человека (рабочего).
Возможными причинами нанесения вреда
здоровью и жизни человека являются:
1.
Поражение
электрическим током;
2.
Нанесение
вреда от движущихся и вращающихся частей конвейера;
3.
Плохая
освещаемость узлов конвейера при работе обслуживающего персонала;
4.
Возникновение
пожара при несоблюдении правил ТБ во время работы со смазочными материалами;
5.
Повышенный
шум при работе конвейера.
Обслуживание и ремонт электрооборудования
могут производить только лица соответствующей квалификации, имеющие допуск к
работе с электроустановками.
Для обеспечения безопасности обслуживающий
персонал должны выполнять следующие требования:
а) переходить через конвейер только по
переходным площадкам;
б) все ремонтные работы производить при
остановленном приводе конвейера, при остановленных лебедках натяжных станций и
обесточенной электрической схеме конвейера;
в) во время работы конвейера запрещается
очищать канат, барабаны и ролики, заменять ролики конвейера и блоки натяжных
станций, снимать или устанавливать ограждения движущихся или вращающихся частей
конвейера и натяжной станции.
К обслуживанию конвейера допускаются лица
не моложе 18 лет, прошедших медицинское освидетельствование, для определения их
физического состояния требованиям, предъявляемым к занимаемой ими должности.
Допуск к работе слесарей и электрослесарей
должен оформляться приказом после инструктажа по ТБ и стажировки на рабочем
месте не менее 10 смен.
Повторная проверка знаний этих лиц,
квалификационной комиссией должна проводиться:
а) периодически не реже одного раза в 12
месяцев;
б) при переходе с одного рабочего места на
другое.
Результаты проверки знаний слесарей и
электрослесарей должны оформляться записью в журнал периодической проверки
знаний персонала, обслуживающего данный конвейер. Повторный инструктаж
проводится два раза в год.
Слесарь, обслуживающий конвейер должен:
а) знать устройство механической части
конвейера;
б) знать основные виды и причины
неисправностей, способы их предупреждения и устранения;
в) знать нормы износа и браковки,
неисправностей ответственных деталей конвейера;
г) знать правила и порядок разборки,
технического обслуживания,
ремонта и сборки узлов и механизмов;
д) знать правила регулировки тормозов;
е) знать ассортимент и назначение
смазочных материалов, применяемых для смазки трущихся частей конвейера;
ж) знать инструмент и приспособления,
применяемые при обслуживании конвейера и уметь пользоваться ими;
з) знать правила элекробезопасности в
объеме первой квалификационной группы;
и) знать инструкцию по технике
безопасности при работе на высоте.
Электрослесарь обслуживающий конвейер
должен:
а) знать устройство электрической части
конвейера;
б) знать основные виды и причины
неисправностей электрооборудования конвейера, способы их предупреждения и
устранения;
в) знать и выполнять "Правила
технической эксплуатации электроустановок потребителей" и "Правила
техники безопасности при эксплуатации электроустановок потребителей" в
объеме третьей квалификационной группы;
г) знать инструкцию техники безопасности
при работе на высоте.
Периодическое техническое обслуживание (осмотр) конвейера
должно производиться в сроки,
установленные графиком планово-предупредительных ремонтов, утвержденным
администрацией предприятия.
Приступить к выполнению
планово-предупредительных ремонтов можно после записи в журнале об остановке
конвейера на ремонт и запрещения работы конвейером. Запись делает лицо
ответственное за содержание конвейеров в технически исправном состоянии.
6.3 Элементы контроля работы конвейера
Устройства контроля провеса на
грузонесущей части конвейера непосредственно после (по ходу) приводного
барабана. Всего на конвейере устанавливается два устройства.
Величина провеса грузонесущей части на
участке определяется первоначальным натяжением грузонесущей части.
Первоначальное натяжение грузонесущей части задается в необходимом размере ее
натяжным устройством и не требует дополнительной регулировки. Поскольку
конвейер на сжатие не может работать (к ней нельзя прилагать толкающих усилий),
то необходимо контролировать согласованность скорости движения грузонесущей
части на всем ее контуре в каждом цикле ее движения.
Сигнализацию об изменении провеса
конвейера, а, следовательно, изменении скорости дает устройства контроля
провеса. Оно представляет собой систему рычагов, на плечах которых установлены
опорные ролики. Рычаг перемещается в шарнире и воздействует на путевой
выключатель при двух положениях.
При нормальной работе конвейера рычаг не
воздействует на выключатель. При первом пределе провеса пластин
(устанавливается на месте по опыту эксплуатации) рычаг воздействует на путевые
выключатели ПВ1,2. При аварийном, чрезмерном провесе пластин рычаг воздействует
на путевой выключатель ПВ2 и выключает привод конвейера. При включении
выключателя ПВ1 производится изменение скорости вращения приводного барабана
при помощи изменения сопротивления в цепи ротора приводного электродвигателя.
Возможны два варианта решения данной задачи: первый - уменьшается скорость
вращения приводного барабана, перед которым образуется чрезмерный провес, до
скорости последующего привода, или же, второй вариант - увеличивается скорость
вращения приводного барабана последующего привода до скорости предыдущего привода.
Устройство контроля скорости конвейера.
Устройство контроля скорости, осуществляет контроль скорости движения
грузонесущей части при помощи датчика скорости УПДС, работающего совместно с
реле скорости РСА. Датчик скорости устанавливается в хвостовой части конвейера
над обратной ветвью, с поверхностью которой непосредственно контактирует ролик
датчика. Контроль скорости выполняется с целью выявления пробуксовки на
приводном барабане. В случае пробуксовки пластин или ее обрыва скорость
вращения датчика уменьшается, что в заданном пределе используется как импульс,
вызывающий срабатывание реле и отключение электродвигателя привода конвейера.
Второй комплект приборов предусмотрен для
управления колодочным тормозом привода. Приложение тормозного усилия производится
в процессе остановки конвейера при достижении скорости не более 50% от ее
номинального значения.
Устройство контроля схода. Контроль схода
осуществляется при помощи реле схода нижней и верхней ветви грузонесущей части.
Реле схода устанавливают по трассе конвейера. Оно выполнено в виде двух
шарнирно закрепленных дефлекторных (боковых) роликов, связанных системой
рычагов с командоаппаратами. При смещении в сторону, соприкасается с
дефлекторными роликами и отклоняет их на определенный угол, что приводит в
действие командоаппарат. При первом пределе отклонения ролика подается
предупредительный сигнал, при втором предельном отклонении - выключается привод
конвейера.
Устройство защиты от переполнения
перегрузочной воронки.
При переполнении воронки перегрузки груза,
то есть при достижении предельного уровня груза в воронке из-за стопорения
выпуска груза из воронки или остановки перегрузочного конвейера, приводится в
действие устройство, фиксирующее уровень груза, которое воздействует на датчик,
выключающий привод конвейера. Датчик расположен на разгрузочной воронке вне
действия потока груза.
Аварийный останов двигателя привода.
Привод конвейера в аварийных случаях может отключаться как вручную, так и
автоматически.
Вручную привод может быть отключен
остановом дистанционным, при необходимости экстренно остановить конвейер. Для
этого вдоль всей трассы конвейера с обеих сторон устанавливаются на расстоянии
30-50 метров друг от друга путевые выключатели с, НО контактами. К рычагам
выключателей прикреплены троса, протянутые вдоль трассы конвейера.
Вручную, воздействуя на трос, отключают
привод и останавливают конвейер.
Автоматическое отключение привода
конвейера предусматривается в следующих случаях:
а) при перегрузке приводных двигателей;
б) при чрезмерном провесе грузонесущей
части;
в) при отсутствии масла в напорном
трубопроводе редуктора;
г) при понижении уровня масла в отстойнике
циркуляционной
станции ниже установленного минимума;
д) при значительном снижении скорости
из-за ее проскаль
зывания на барабане или обрыва;
е) при значительном сбегании пластин в
сторону;
ж) при переполнении грузом разгрузочной
воронки;
и) при крайнем положении барабана
натяжного устройства, а также во всех других аварийных положениях,
рассмотренных ранее.
.4 Ограждение узлов и управление конвейера
Концевые и приводные барабаны имеют
ограждения в виде съемных щитов, снабженных путевыми выключателями, которые
выключают привод конвейера при снятии ограждения. Соединительные муфты приводов
ограждены кожухами, снабженными путевыми выключателями. Работа привода
конвейера возможна только при установленных кожухах и щитах ограждения.
Сам конвейер располагается в отапливаемой
галерее.
Управление пластинчатым конвейером
осуществляется из местного пульта. Центральный пульт управления системы конвейеров
и местный пульт управления конвейером имеют взаимную блокировку: при управлении
конвейером с местного пульта - пуск конвейера с центрального пульта невозможен.
Местный пульт управления конвейером
расположен в отдельном помещении у головного привода конвейера.
.5 Обязанности обслуживающего персонала
Слесарь или электрослесарь, обслуживающий
конвейеры, перед началом работы должен получить задание, а в необходимых
случаях и наряд - допуск, определяющий безопасное условие труда.
Подготовить и проверить исправность
инструмента и приспособлений, необходимых для технического обслуживания и
ремонта конвейера.
Неисправный инструмент и приспособления не
должны допускаться к использованию. При выходе на конвейер, а также при
спускании вниз по лестнице слесарь или электрослесарь должны иметь обе руки
свободными, инструмент должен находиться в сумке.
Слесарь при периодических технических
обслуживаниях (осмотрах) должен проверить:
а) состояние металлоконструкций и сварных
швов с целью выявления трещин, деформаций и других дефектов;
б) исправность переходов, лестниц,
площадок;
в) исправность направляющих стоек в
натяжной станции
г) надежность соединения муфт, тормозных
шкивов, барабанов;
д) крепление редукторов, тормозов,
корпусов подшипников к основаниям.
Электрослесарь при тех. обслуживании и
периодических осмотрах должен проверить:
а) чтобы к рубильникам был свободный
доступ;
б) исправность заземления;
г) работу электродвигателя;
д) исправность осветительной аппаратуры и
др.
Каждый раз после окончания работы слесарь
и электрослесарь должны:
а) убрать с конвейера инструмент,
приспособления, запасные части,
крепежные детали, смазочные материалы и другие предметы, которые
могут упасть с конвейера;
б) тщательно проверить не оставлены ли
посторонние предметы на
конвейере другими лицами;
в) сделать записи об обслуживании
конвейера и результатах про
верки в журнал осмотра и ремонта конвейера.
В случае аварии слесарь и электрослесарь должны сообщить об
этом ответственному лицу, которому они. подчинены, и обеспечить сохранность
обстановки аварии (несчастного случая), если это не представляет опасность для
жизни и здоровья людей, не вызывает новой аварии.
7.Промышленная экология
Раздел должен быть разработан в соответствии с ГОСТ 17.0.004-90
и СНиП 1.12.01-85.
Концентрация вредных веществ, выбрасываемых в атмосферу,
должна соответствовать СН 245-77 и СН 369-74.
Необходимо предусматривать в проектах полную переработку и
утилизацию отходов производства: устанавливать бункера для сбора дробины,
передаваемой затем животноводческим хозяйствам; устанавливать вальцовые сушилки
для сушки кормовых дрожжей;
С целью снижения загрязненности сточных вод, передаваемых на
городские очистные сооружения, предусматривать локальные отстойники для сточных
вод от пивной дробины и кизельгура.
Для предотвращения загрязнения сточных вод щелочные стоки
подлежат нейтрализации с последующим спуском в специальный колодец.
Для уменьшения сброса производственных вод предусматривать
повторное использование воды после охлаждения сусла, гидротранспорта.
Защиту от шума следует выполнять в соответствии со СНиП
II-12-77, ГОСТ 12.1.003-83.
Для снижения уровней звукового давления до допустимого
предела 65 дБА предусматривать:глушители аэродинамических шумов, звукопоглощающую
облицовку помещений и трубопроводов;
Для снижения параметров вибрации предусматривать: пружинные и
резиновые амортизаторы под оборудование, установку двигателей, редукторов,
вентиляторов на виброизолирующих опорах.
Безопасность работы обслуживающего персонала, размещение
оборудования, размеры проходов для его обслуживания, высота и объем
производственных помещений должны соответствовать требованиям "Правил по
технике безопасности и производственной санитарии в пивоваренной и
безалкогольной промышленности", утвержденных Минпищепромом СССР 03.05.82
г., а также требованиям общесоюзных нормативных документов.
Конструкция оборудования и его узлов должны обеспечивать
безопасность и удобство при обслуживании, ремонте и санитарной
обработке.Движущиеся части оборудования, являющиеся источником опасности,
должны иметь конструктивные ограждения.
Все тепловыделяющие поверхности оборудования должны быть
теплоизолированы с таким расчетом, чтобы температура наружной поверхности
теплоизоляции не превышала:
при температуре теплоносителя свыше 100 °С - 45 °С;
при температуре теплоносителя до 100 °С - 35 °С.
Оборудование или отдельные части, являющиеся источником
выделения влаги, газов и пыли должны быть конструктивно укрыты и максимально
герметизированы. При недостаточной герметизации оборудование должно иметь
встроенные устройства, улавливающие и удаляющие вредные вещества, с очисткой
выбрасываемого в атмосферу воздуха до санитарных норм. Сосуды и аппараты,
работающие под давление свыше 0,7 кгс/см2 (0,07 мПа), должны соответствовать
требованиям "Правил устройства и безопасной эксплуатации сосудов,
работающих под давлением".
Современное значение понятия экология имеет более широкое
значение, чем впервые десятилетия развития этой науки. В настоящее время чаще
всего под экологическими вопросами ошибочно понимаются, прежде всего, вопросы
охраны окружающей среды.
Экология, в переводе с греческого, "наука о доме"
или "наука о месте обитания". Экология литейного производства - наука
о том, как следует литейному производству существовать в согласии с окружающей
средой.
Вопросы экологии в настоящее время выходят на первый план в
развитии промышленности и общества.
Отходы, которые остаются после производства, оказывают
пагубное влияние на окружающую нас среду. Например, при производстве всего лишь
одной тонны отливок из стали и чугуна выделяется приблизительно пол центнера
пыли, четверть тонны оксидов углерода, два кг оксидов серы и азота и около двух
кг других вредных веществ и концентратов (фенол, формальдегид, аммиак, цианиды
и другие). Сточные воды линейного производства загрязнены десятками вредных
веществ, а в бассейны морей и океанов поступает до трех куб. м. сточных вод.
Сточные воды поступают от приборов гидравлической и электрогидравлической
очистки отливок, от пылеуловителей и гидрорегенераций отработанных смесей.
Температура сточных вод также является вредным фактором. Попадание горячей воды
в бассейны водоёмов вызывает уменьшение уровня кислорода в воде, что
естественно неблагоприятно влияет на флору и фауну. Теплая вода также снижает
способность водоёмов к самоочищению.
Технологические процессы изготовления отливок характеризуются
большим числом операций, при выполнении которых выделяются пыль, аэрозоли и
газы. Пыль, основной составляющей которой в литейных цехах является кремнезём,
образуется при приготовлении и регенерации формовочных и стержневых смесей,
плавке литейных сплавов в различных плавильных агрегатах, выпуске жидкого
металла из печи, внепечной обработке его и заливке в формы, на участке выбивки
отливок, в процессе обрубки и очистки литья, при подготовке и транспортировке
исходных сыпучих материалов.
Одним из критериев опасности является оценка уровня запахов.
На атмосферный воздух приходится более 70 % всех вредных воздействий
производства.
Содержание вредных веществ в воздухе рабочей зоны и воздухе
населенных мест не должно превышать установленных ПДК.
Сточные воды поступают главным образом от установок
гидравлической и электрогидравлической очистки отливок, гидрорегенерации
отработанных смесей и мокрых пылеуловителей. Как правило, сточные воды
линейного производства одновременно загрязнены не одним, а рядом вредных
веществ. Также вредным фактором является нагрев воды, применяемой при
плавке и заливке (водоохлаждаемые формы при кокильном литье, литье под
давлением, непрерывное литье профильных заготовок, охлаждении катушек
индукционных тигельных печей).
Попадание тёплой воды в открытые водоёмы вызывает снижение
уровня кислорода в воде, что неблагоприятно влияет на флору и фауну, а также
снижает самоочищающую способность водоёмов. Расчёт температуры сточных вод
производится с учётом санитарных требований, чтобы летняя температура речной
воды в результате спуска сточных вод не поднималась более чем на 30 С.
Проблема предупреждения выделения вредностей, их локализации
и обезвреживания, утилизации отходов является особенно острой. Для этих целей
применяется комплекс природоохранных мероприятий, включающий использование: для
очистки от пыли - искрогасителей, мокрых пылеуловителей, электростатических
пылеуловителей, скрубберов (вагранки), тканевых фильтров (вагранки, дуговые и
индукционные печи), щебёночных коллекторов (дуговые и индукционные
электропечи); для дожигания ваграночных газов - рекуператоры, системы очистки
газов, установки низкотемпературного окисления СО; для уменьшения выделения
вредностей формовочных и стержневых смесей - снижение расхода связующего,
окисляющие, связующие и адсорбирующие добавки; для обеззараживания отвалов -
устройство полигонов, биологическая рекультивация, покрытие изоляционным слоем,
закрепление грунтов и т. д.; для очистки сточных вод - механические,
физико-химические и биологические методы очистки.
Все эти мероприятия связаны со значительными затратами.
Очевидно, следует, прежде всего, бороться не с последствиями поражения
вредностями, а с причинами их возникновения. Это должно быть главным аргументом
при выборе приоритетных направлений развития тех или иных технологий в литейном
производстве. С этой точки зрения использование электроэнергии при плавке
металла наиболее предпочтительно, так как при этом минимальны выбросы самих
плавильных агрегатов... Вопрос о выборе процесса формовки базируется на анализе
трёх факторов: технологического - включает основные свойства смесей (прочность,
текучесть, выбиваемость, вероятность образования дефектов); экономического -
включает стоимость смесей и стержней, брак стержней и отливок, возможность
экономии металла за счёт повышения точности, снижения толщины стенок отливок,
стоимости и стойкости оснастки и т. д.; экологического - включает объём газовыделений
в холодной стадии процесса и при заливке, охлаждении и выбивке, возможность и
стоимость депонирования отходов, утилизации и т.д.
Завершая анализ вредных выбросов на рабочем месте, следует
иметь в виду: долгое время считалось, что наиболее неблагополучно с экологией
на плавильном участке, однако с развитием новых технологий изготовления
стержней с применением синтетических смол различных классов эти проблемы
затронули все переделы литейного производства.
Холодильные установки должны соответствовать требованиям
"Правил устройства и безопасной эксплуатации аммиачных холодильных
установок" и "Правил техники безопасности на фреоновых холодильных
установках".Устройство, монтаж и эксплуатация электроустановок должны
соответствовать требованиям ГОСТ 12.2.007-75 "Правил устройства
электроустановок", "Правил изготовления взрыво-защищенного и
рудничного электрооборудования".Молниезащита производственных знаний,
вспомогательных и складских помещений и сооружений должна осуществляться в
соответствии с РД 34.21.122-87 "Инструкцией по устройству молниезащиты
зданий и сооружений".
Для защиты от шума в цехах должны применяться
звукопоглощающие конструкции в виде звукопоглощающей облицовки стен, потолков и
колонн и т.д. Все конструкции должны выполняться из негорючих и трудногорючих
материалов, с полным набором противошумных материалов.
В охлаждаемых помещениях с воздухоохладителями с
непосредственным испарением аммиака (цехи бродильный, лагерный, готовой
продукции и др.) необходимо предусматривать:
а) устройство вытяжной вентиляции с 3-х кратным
воздухообменом в час и включением вентиляторов из коридоров и пульта управления
аммиачной холодильной установки;
б) устройство сигнализации безопасности в помещениях и у
входа в них с подачей сигнала на пульт управления при появлении запаса аммиака;
в) устройство стационарных лестниц и площадок обслуживания
для каждого воздухоохладителя;
г) установку между воздухоохладителями и запорными вентилями
обратных клапанов.
Хранение ядовитых токсичных веществ должно предусматриваться
в специальных закрытых помещениях. Для удаления двуокиси углерода из
цилиндро-конических, бродильных и лагерных танков следует предусматривать
стационарные трубопроводы.
Заключение
В ходе выполнения дипломного проекта был проведен поиск
наиболее используемых пластинчатых конвейеров в промышленности, которые могли
бы стать основой для изготовления конвейера для цеха розлива минеральной воды.
В основной части был произведен проектный и прочностной
расчет основных элементов изготавливаемого конвейера.
В разделе эксплуатационная часть приведен комплекс
мероприятий профилактического ремонта, при котором путем запланированных
осмотров оборудования устанавливают последовательность и объем необходимых
ремонтных работ, направленных на поддержание работоспособности оборудования
конвейеров в эксплуатации.
В разделе экономическая часть произведен расчет
технико-экономических показателей использования конвейера, рассчитан срок
окупаемости капитальных вложений.
В разделе охрана труда приведены основные мероприятия направленные
на обеспечение безопасной эксплуатации пластинчатого конвейера.
При разработке проекта активно использовался персональный
компьютер, в частности вся графическая часть была выполнена в системе
автоматизированного проектирования Kompas 3D V9.
Срок окупаемость данного 2,5 года.
Все предложенные в проекте технические решения и их расчеты
основываются на данных учебной литературы, а также на знаниях автора
приобретенных за время обучения в ВУЗе
Список использованной литературы
1. Кузьмин
А.В., Марон Ф.Л. Справочник по расчету механизмов ПТМ. - М.: Высшая школа,
1983.
. Анурьев
В.И. Справочник конструктора-машиностроителя: В 3 т.- 8-е изд., перераб. и доп.
Под ред. И.И. Жестковой. - М.: Машиностроение, 2001.
. Вайнсон
А.А. Подъемно-транспортные машины: Учебник для вузов- 4-е изд., перераб. и доп.
- М.: Машиностроение, 1989.
. Волков
Р.А. др. Справочник: Конвейеры /Волков Р.А., Гнутов А.Н., Дъячков В.К. и др.; -
Л.: Машиностроение, 1984.
. Зенков
Р.Л., Ивашкин И. И., Колобов П.Н. Машины непрерывного транспорта -М.:
Машиностроение, 1980.
. Курсовое
проектирование деталей машин: Учебное пособие для учащихся машиностроительных
спец /С.А. Чернавский, К.Н. Боков, И.М. Чернин, Г.М. Ицкович и др. - 2-е изд.,
перераб. и доп. - М.: Машиностроение, 1987.
. Спиваковский
А.О., Дьячков В.К. Транспортирующие машины: Учебное пособие для втузов. - 3-е
изд., перераб.- М.: Машиностроение, 1983.
. Справочник
по кранам: В 2 т. Характеристики материалов и нагрузок. Основы расчета кранов,
их приводов и металлических конструкций /В.И. Брауде, М.М. Гохберг, И.Е. Звягин
и др.; Под общ. ред. М.М. Гохберга. - М.: Машиностроение, 1988.
. Годик
Е.И., Хаскин А.М. Справочное руководство по черчению- 4-е изд., перераб. и доп.
- М.: Машиностроение, 1974.
. Дунаев
П.Ф., Леликов О.П. Конструирование узлов и деталей машин: Учеб. пособие для
машиностроит. спец. вузов. - 7-е изд., исправ. - М.: Высш. шк., 2001.
. Курбетьева
Л.П. Методические указания для выполнения курсовой работы по курсу
«Организация, планирование и управление производством» и организационно-экономической
части ДП. - Рудный, РИИ, 2005.- 37 с.
. Гузенков
П.Г. Детали машин: Учеб. пособия для студентов вузов.- 3- е изд. перераб. и
доп.- М.: Высш. школа, 1982.- 351 с.
. Бейзельман
Р.Д., Цыпкин Б.В., Перель А.Я. Подшипники качения. Справочник. изд. 6- е
перераб. доп. М.: Машиностроение, 1975- 572 с.
. Решетов
Д.Н. Детали машин: Учебник для студентов машиностроительных механических
специальностей вузов.- 4- е изд., перераб. доп.- М.: Машиностроение, 1989.- 496
с.
. Н.Г.
Куклин и др. Детали машин: Учебник для техникумов.- 5- е изд., перераб. и доп.-
М.: 1979.- 392 с.
. Денисенко
Г.Ф. Охрана труда: Учеб. пособие для инж. - экон. спец. вузов.- М.: Высш. шк.,
1985.- 319с.
. Аманжолов
Ж.Ж. Охрана труда и техника безопасности.: Учебное пособие.- Астана: Фолиант,
2007.- 444 с.
.
Девисилов В.А. Охрана труда: учебник 5- е изд., перераб. и доп. М.: ФОРУМ,
2010.- 512 с.
.
Валова В.Д. Экология: Учебник.- М.: 2007.- 352 с.
.
Акимова Т.А., Хаскин В. В. Экология: Учебник для вузов.- 2- е изд., перераб. и
доп.- М.: 2000.- 566 с.
. Всемирная
сеть Internet.
22.
Похожие работы на - Цех розлива минеральной воды с разработкой пластинчатого конвейера
|