|
Номер вала
|
Мощность Р, кВт
|
Частота вращения n,
мин-1
|
Вращающий момент Т, Нм
|
|
1
|
1,125
|
2805
|
3,83
|
|
3
|
1,037
|
28,05
|
353
|
|
4
|
0,975
|
7,43
|
1253
|
Исходя из рассчитанных вращающего момента на выходном валу и частоты
вращения на входном валу, выбираем стандартный планетарный двухступенчатый
редуктор Пз2-50-100-3-1-380 ГОСТ 27142-86, Твых = 500 Нм при nвх = 3000 мин-1 [2].
2. ПРОЕКТНЫЙ РАСЧЁТ ОТКРЫТОЙ ЗУБЧАТОЙ ПЕРЕДАЧИ
2.1 Материалы
и термобработка
Для колес зубчатой передачи следует провести цементацию (поверхностное
насыщение зубьев углеродом с последующей закалкой и низким отпуском).
Поверхностная закалка ТВЧ.
Шестерня - Сталь 58 ГОСТ 1050-88; ННВ1=560 НВ; Н1=55
HRC.
Колесо - Сталь 58 ГОСТ 1050-88; ННВ1=560 НВ; Н1=50 HRC.
Предел контактной выносливости:
.2 Коэффициент ширины передач относительно диаметра шестерни
Определяется в зависимости от твёрдости рабочих поверхностей зубьев и от
расположения опор.
т.к.
консольное расположение колеса относительно опор и твердость колес Н1,2≥350
НВ.
2.3
Коэффициент
Коэффициент
, учитывающий неравномерность распределения нагрузки
по длине контактных линий при расчете зубьев на выносливость при изгибе.
Определяется по зависимости от параметра
,
твердости и расположения зубчатых колес относительно опор.
При
твердости Н1,2>350 HV и
коэффициент
.
2.4 Число
зубьев зубчатых колес
Для шестерни число зубьев примем z1= 20. число зубьев колеса z2= z1∙u = 20∙3,7752≈76. Число зубьев колеса округлим до
целого с уточнением передаточного числа:
2.5
Коэффициент
Коэффициент
, учитывающий форму зуба и концентрацию напряжений,
определяется отдельно для шестерни и колеса в зависимости от эквивалентного
числа зубьев. Для прямозубых передач:
.
Тогда
;
.6
Модуль зацепления
Модуль
зацепления определяем из условия выносливости зубьев по изгибу
где
Кm вспомогательный коэффициент; для прямозубых передач:
Кm = 14.
Допускаемые напряжения изгиба σFP, не вызывающие усталостного
разрушения материала, определяется как для шестерни, так и для колеса каждой из
рассчитываемых передач
где
- предел выносливости материала шестерни и колеса;
-
минимальный коэффициент запаса прочности,
;
-
коэффициент долговечности, вычисляемый отдельно для шестерни и колеса
-
показатель степени, для зубчатых колес с нешлифованной переходной поверхностью
при твердости поверхности зубьев Н1,2>350НВ,
;
-
базовое число циклов напряжений изгиба, соответствующее перегибу кривой
усталости,
;
-
эквивалентное число циклов напряжений изгиба на зубьях шестерни или колеса,
определяемое в зависимости от режима нагружения и продолжительности работы
привода, рассчитываемое по формуле
-
коэффициент, характеризующий интенсивность типового режима нагружения при
расчете на изгиб, принимаемый в зависимости от типового режима нагружения
зубчатой передачи, при среднем нормальном режиме и
получим
;
-
коэффициент, учитывающий влияние двустороннего приложения (реверсирования)
нагрузки на зубьях, принимаемый в зависимости от условий нагружения и от
термообработки зубьев,
.
Коэффициент
долговечности:
Допускаемые
напряжения изгибадля шестерни и колеса:
МПа;
МПа.
Тогда
.7
Геометрические размеры зубчатых колес
Делительный диаметр зубьев:
-
шестерня
мм;
колесо
мм.
Диаметр вершин зубьев:
-
шестерня
мм;
колесо
мм.
Диаметр впадин зубьев:
-
шестерня
мм;
колесо
мм.
Межосевое
расстояние
3.
ПРОВЕРОЧНЫЕ РАСЧЕТЫ ОТКРЫТОЙ ПЕРЕДАЧИ
.2
Проверочный расчет передачи на выносливость зубьев при изгибе
3.2.1
Коэффициент
Коэффициент
, учитывающий неравномерность распределения нагрузки
по длине контактных линий при расчете зубьев на выносливость при изгибе.
Определяется по зависимости от параметра
,
твердости и расположения зубчатых колес относительно опор.
При
твердости Н1,2>350 HV и
коэффициент
.
.2.2
Коэффициент
Коэффициент
, учитывающий распределение нагрузки между зубьев. При
расчете на изгибную прочность полагают, что влияние погрешностей изготовления
на распределение нагрузки между зубьями то же, что и в расчетах на контактную
прочность, т.е.
=
=1,0.
3.2.3
Коэффициент, учитывающий динамическую нагрузку, возникающую в зацеплении
;
где
- удельная окружная динамическая сила при расчете на
изгиб
;
-
коэффициент, учитывающий влияние вида зубчатой передачи и модификацию профиля
зубьев, при твердости Н1,2>350 HV и непрямых
зубьях
;
-
коэффициент, учитывающий влияние разности шагов зацепления зубьев шестерни и
колеса, при модуле 5 мм и 9-ой степени точности, коэффициент
=82.
Удельная
окружная динамическая сила
Н/мм;
Коэффициент
.
3.2.4
Удельная расчетная окружная сила
;
Н/мм.
.2.5
Коэффициент
Коэффициент
, учитывающий форму зуба и концентрацию напряжений,
определяется отдельно для шестерни и колеса в зависимости от эквивалентного
числа зубьев:
для
щестерни
;
для
колеса
.
3.2.6
Коэффициент, учитывающий перекрытие зубьев для косозубых передач
Для прямозубых передач Yε=1.
3.2.7
Коэффициент, учитывающий наклон зуба
Для прямозубых передач
3.2.8
Расчётное напряжение изгиба на переходной поверхности зуба
.
Допускаемые
напряжения изгиба σFP,
не вызывающие усталостного разрушения материала, определяется как для шестерни,
так и для колеса каждой из рассчитываемых передач
Этот
расчёт проводится для менее прочного зубчатого колеса передачи, которое
определяется из сравнения отношений для шестерни и колеса
МПа;
МПа.
4. СИЛЫ В
ЗАЦЕПЛЕНИИ ПЕРЕДАЧ
4.1 Окружная
сила
;
где
Т1 - вращающий момент на шестерне, Нм;
dw1 - начальный диаметр шестерни, мм;
kН.
4.2
Радиальная сила
;
где
αw
- угол зацепления в нормальном сечении, αw=20°;
kН.
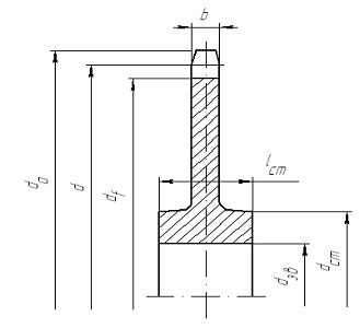
.1 Проектный расчет вала
Диаметр вала определяем по формуле:
Диаметр
цапф вала в местах установки подшипников примем dП=70 мм.
Диаметр буртика для подшипника № 1214 по ГОСТ 24428-90 примем dБП =80 мм [2] :
Диаметр цапф вала под ступицами звездочек примем: dВ = 75 мм.
Длина конца вала примем lк = 100 мм.
Длина ступицы звездочки lст =
90 мм.
.2 Выбор подшипников и шпонок
Исходя из геометрических параметров вала, в месте соединения его со
звездочкой определяем размеры шпонки.
Шпонка призматическая для диаметра вала d = 75 мм [2]:
высота шпонки h = 12мм;
- ширина шпонки b = 20 мм;
- длина шпонки l = 90 мм;
глубина паза вала t1 = 7,5 мм;
глубина паза ступицы t2 = 4,9 мм.
Исходя из геометрических параметров вала, в месте соединения его с зубчатым
колесом определяем размеры шпонки вала под зубчатым колесом.
Шпонка призматическая для диаметра вала d = 68 мм [2]:
высота шпонки h = 12 мм;
- ширина шпонки b = 20 мм;
- длина шпонки l = 100 мм;
глубина паза вала t1 = 7,5 мм;
глубина паза ступицы t2 = 4,9 мм.
Рисунок 5.1 - Эскиз шпоночного соединения.
Для опор вала исполнительного органа применим шариковые радиальные
сферические двухрядные подшипники (ГОСТ 28428 - 90), из-за возможных перекосов
опор подшипников. Назначаем подшипники легкой серии
№ 1214 [2, т. 2].
диаметр отверстия dП = 70 мм;
диаметр внешнего кольца D = 125мм;
ширина подшипника В = 24 мм;
координата фаски r = 3,0 мм;
динамическая радиальная грузоподъёмность Cr = 34,5кН;
статическая радиальная грузоподъёмность C0r = 18,7 кН.
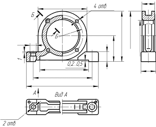
Выбираем корпуса подшипников:
Корпус УБ125 ГОСТ 13218.3 - 80 [2, т. 2].
Ширина корпуса подшипника Bк
= 48 мм.
Выбираем торцовые крышки подшипников с отверстием для манжетного
уплотнения:
Крышка 12 - 125 × 80 ГОСТ 18512 - 73 [2, т. 2].
Высота крышки подшипника hк = 15 мм.
Выбираем торцовые глухие крышки подшипников:
Крышка 22 - 125 ГОСТ 18511 - 73 [2, т. 2].
Выбор уплотнительной манжеты:
Манжета 1 - 80 × 105 - 3 ГОСТ 8752 - 79 [2, т. 3].
Рисунок 5.2 - Эскиз подшипника.
Рисунок 5.3 - Эскиз корпуса УМ 140
Рисунок 5.4 - Эскиз торцевых крышек: а) крышка 12 - 125
× 80,
б) крышка 22 - 125.
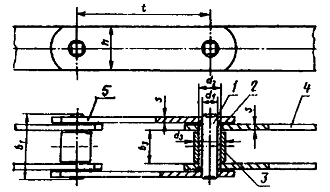
.3 Конструктивные размеры звездочек
Делительный
диаметр звездочки
мм.
Для
определения других размеров звездочки необходимо выбрать цепь. Выбираем цепь по
шагу t=50 мм и разрушающей нагрузке Qразр.

,
Т.к
цепей 2 штуки, то
Выбираем
тяговую пластинчатую втулочную цепь М 28-50-2-1 (рис. 5.5) тип 2, исполнение 1
по ГОСТ 588-81 [2, Т.2, с.618].
-
валик, 2 - втулка, 3 - ролик, 4 - внутренняя пластина, 5 - наружная пластина, 6
- ригель, 7 - болт, 8 - шайба, 9 - полый ролик.
Рисунок
5.5 - Цепь М 28-50-2-1 ГОСТ 588-81
Таблица
5.1 - Параметры цепи М 28-50-2-1 ГОСТ 588-81, мм
Определим диаметр окружности впадин зубьев звездочки:

.
Определим
диаметр вершин зубьев звездочки:

.
Определим
ширину зуба звездочки:

.
Определим
длину ступицы:

.
Принимаю
=100 мм.
Определим
диаметр ступицы:

.
Эскиз
звездочки приводной представлен на рисунке 5.6.
Рисунок
5.6 - Звездочка приводная
.4
Компоновка узла звездочки, назначение размеров
Зная
все необходимые детали, их размеры, скомпонуем узел звездочки .
Назначим
размеры узла звездочки:
lвx = 100 мм
- длина конца вала по ГОСТ 12080-66 [2, Т.2, с.12];
= 35 мм -
зазор между концом вала и крышкой подшипника;
= 91 мм -
зазор между ступицей звездочки и крышкой подшипника;
=4мм-
ширина кольца;
Hк = 23 мм - ширина крышки;
Вк
= 48 мм - ширина корпуса подшипника;
lст =90 мм - ширина ступицы звездочки:
Рассчитаем
необходимые размеры а,
, b, c:

;

;
.5 Проверочный расчет вала на статическую прочность по эквивалентному
моменту
Окружная сила действующая на вал со стороны цепей через звездочки :
Fв = F1+F2;
где
F1
= Ft/0,85 =7500/0,85= 8,824 kН,
F2 = 0,15∙ F1= 0,15∙8,824 = 1,324 kН.
Тогда
FB = F1 + F2 = 8,824 + 1,324 = 10,148 kH.
Из уравнения моментов найдем реакции опор RA и RВ :
Для определения опасного сечения найдем суммарные моменты:
Опасным
сечением является сечение К, так как в этом сечении одновременно приложены
максимальные крутящий и изгибающие моменты.
Максимальное эквивалентное напряжение равно:
где
dК -
Диаметр вала в сечении К,мм.
Тогда:
Допускаемое
напряжение [σ], МПа:
где
Kр -
коэффициент режима работы, Kр =2,0;
[σи] -
допускаемое напряжение изгиба, МПа.
где
σТ -
предел текучести материала (Сталь 45), σТ = 320
МПа;
[n] -
коэффициент запаса, [n] = 2.
Тогда:
,73
МПа ≤ 80 МПа, - условие выполняется.

.6 Проверочный расчет подшипников на долговечность
Определим эквивалентную динамическую нагрузку:
где V - коэффициент внутреннего
кольца, V = 1 [3];
КТ - температурный коэффициент, КТ = 1 [3];
Х - коэффициент радиальной нагрузки, Х = 1 [3];
КБ - коэффициент безопасности, КБ = 1,3 [3].
Fr = FA = 

.
Определяем
по уровню надёжности и условиям применения расчётный ресурс подшипника:
где a1 -
коэффициент долговечности, a1 = 1;23 - коэффициент,
учитывающий влияние на долговечность особых свойств материала, a23 =
0,5 [3];
Сравниваем
с требуемым ресурсом
= 15000, ч:
Условие
выполняется, следовательно подшипник 1214- годен.
.7
Проверочный расчет шпоночного соединения
Проведем проверочный расчет шпонки вала под зубчатое колесо, так как имея
меньший диаметр, при прочих равных условиях, данное соединение является
опасным.
Условие работоспособности шпонки вала:
где Т -
передаваемый момент, Т = 1253 Нм;
d -
диаметр вала, d = 68 мм;
lр - рабочая длина шпонки, мм:
lр = l - b = 90 - 20 = 70 мм;
k -
глубина врезания шпонки, мм:
k = h - t1 =12 - 7,5 = 4,5 мм.
[σсм] -допускаемое
напряжение смятия, [σсм]<120 МПа.
МПа
< 120 МПа условие выполняется.
6.
РАСЧЕТ КОМБИНИРОВАННОЙ МУФТЫ
Комбинированная муфта состоит из упругой полумуфты МУВТ и фрикционной
дисковой полумуфты.
.1 Выбор стандартной упругой полумуфты
Упругую муфту выбираем стандартную, на основе заданного Тр=16
Нм ГОСТ- 12424-93 [4, стр.374]:
zn=4 - кол-во пальцев; dn=50 мм - диаметр расположения пальцев.
.2 Расчет фрикционной дисковой полумуфты
Предохранительная муфта - фрикционная дисковая для соединения валов
диаметром d = 20 мм.
Найдем DН и DВН - соответственно, наружный и внутренний диаметры кольцевой
поверхности трения дисков:
DН=(3,5
5)d,
DВН=(1,5
3)d;
где
d - диаметр вала, на который насаживается муфта.
DН=(3,5
4).20
= 60
100 мм.
Принимаем
DН=100 мм.
DВН=(1,5
3).20
= 30
60 мм.
Принимаем
DВН=60 мм.
Диски
выбираем из стали, коэффициент трения по стали f = 0,15,
допускаемое давление [p]=0,25 МПа [4,стр. 381]
Момент
срабатывания полумуфты под действием критической нагрузки регулируют пружинами,
создающими осевую силу Fа;
предельное значение ее определяют из условия, чтобы давление на диски не
превышало допускаемой величины [р]:
,
Н.
Предельный момент Tпр. начала срабатывания муфты определяют из условия равенства
его моменту от сил трения на дисках:
,
где
f=0,15 - коэффициент трения;
R - приведенный
радиус кольца трения,
,
.
Увеличиваем
расчетный момент на 10%, получаем предельный момент:
Тпр=
7,85+0,785= 8,635 Н.м.
Искомое число пар трения:
,
.
Округляем
до большего четного числа, z=2.
Число
ведущих дисков:
z1 = 0,5z,
z1=1.
Число
ведомых дисков:
z2 = z1 + 1,
z2=2.
Потребная
сила сжатия дисков:
,
6.3 Рачет пружины сжатия
Располагаем m = 3 пружин.
Сила пружины при максимальной деформации:
Н.
Сила
пружины при рабочей деформации:
Н.
Выбираем пружину сжатия по ГОСТ 13771-86 № 393, II класса 2-го разряда с d= 2,2 мм; D = 15
мм; С1=109,1 Н/мм; S3=2,283 мм, Fmax=250 Н [2, т. 3].
Где d - диаметр проволоки, D - наружный диаметр пружины, С1
- жесткость одного витка, S3 - наибольший прогиб одного витка.
D0
= D-d = 15 - 2,2 = 13,8 мм.
Принимаем число рабочих витков nр = 5, тогда
жесткость одного витка:
Н/мм.
Деформация,
мм
∆=F/Спр,
Рабочая
деформация:
∆2=
мм.
Максимальная
деформация:
∆3=
мм.
Высота
пружины при максимальной деформации, мм:
H3 = (n1 - 0,5).d,
где
n1 - полное
число витков,
n1= nр + n3,
где
nр - число
рабочих витков;
n3 - число зашлифованных витков, принимаем n3=2.
n1= 5+2= 7.
H3= (7- 0,5). 2,2= 15,4 мм.
Высота
пружины в свободном состоянии:
H0 = H3 + ∆3
= 15,4+10,5= 25,9 мм.
H2 = H0 - ∆2
= 25,9 - 9,96= 15,94 мм.
Шаг
t = S3 + d =
2,283 + 2,2 = 4,483 мм.
Вычислим
отношение H0/D0
= 25,9/15 = 1,727.
,соблюдено,
значит проверка пружины на устойчивость не требуется.
Рисунок 6.2 - Пружина сжатия
Список литературы
1. Устиновсий
Е.П., Шевцов Ю.А., Яшков Ю.К., Уланов А.Г. Многовариантное проектирование
зубчатых цилиндрических, конических и червячных передач с применением ЭВМ:
Учебное пособие к курсовому проектировании по деталям машин. - Челябинск: ЧГТУ,
1992.
. Анурьев
В.И. Справочник конструктора-машиностроителя. В 3-х тт. - М.: Машиностроение,
1992.
3. Дунаев
П.Ф., Леликов О.П. конструирование узлов и деталей машин: Ученое пособие для
техн. спец. вузов. - 6-е изд., исп. - М.: Высш. шк., 2000. - 477с., ил.
4. Ряховский
О.А., Иванов С.С. Справочник по муфтам. - Л.: Политехника, 1991. - 384 с.: ил.
. Сохрин
П.П., Устиновский Е.П., Шевцов Ю.А. Техническая документация по курсовому
проектировании по деталям машин и ПТМ: Ученое пособие. - Челябинск: Ид. ЮУрГУ,
2001. - 67 с.
. Чурюкин
В.А., Яшков Ю.К. Обозначение конструкторской документации: Ученое пособие. -
Челябинск: ЧГТУ, 1986. - 61 с.
. Сохрин
П.П., Кулешов В.В. Проектирование валов: Учебное пособие. Челябинск: Изд.
ЮУрГУ, 2000. - 94 с.