Проектирование линии связи

  • Вид работы:
    Курсовая работа (т)
  • Предмет:
    Информатика, ВТ, телекоммуникации
  • Язык:
    Русский
    ,
    Формат файла:
    MS Word
    380,47 Кб
  • Опубликовано:
    2015-12-16
Вы можете узнать стоимость помощи в написании студенческой работы.
Помощь в написании работы, которую точно примут!

Проектирование линии связи














Курсовой проект

Проектирование линии связи


Введение

кабель сеть оптический волоконный

Данный курсовой проект посвящён проектированию кабельных и волоконно-оптических линий связи, мерам защиты кабельных линий связи от опасных влияний и мешающих влияний и закреплению знаний курса дисциплины “Линии автоматики, телемеханики и связи на железнодорожном транспорте”, а так же получению навыков самостоятельного решения инженерных задач.


1.      Выбор организации кабельной магистрали и ёмкости кабеля

В соответствии с техническим заданием на курсовой проект, на многопутном участке А-Б железной дороги требуется организовать 210 каналов магистральной связи и 25 каналов дорожной связи, а также, согласно ПТЭ, различные виды отделенческой связи. Для строительства КЛС необходимо использовать кабель марки МКПАБ. В общем случае, не используя аппаратуру уплотнения, по одной цепи связи (одной паре, состоящей из двух жил кабеля) можно организовать один односторонний канал тональной частоты (4 кГц). Поэтому при проектировании необходимо предусмотреть использование аппаратуры уплотнения. По заданию, в качестве такой аппаратуры необходимо использовать аппаратуру К-60. Эта система передачи предназначена для уплотнения симметричных непупинизированных кабельных линий связи. К-60 - аналоговая двухкабельная однополосная система, поэтому для организации связи необходимо прокладывать два кабеля, один для передачи в прямом направлении, другой - в обратном.

Для организации 60 каналов двухсторонней связи потребуется одна пара в одном кабеле, для передачи в прямом направлении связи, и одна пара в другом кабеле, для передачи в обратном направлении.

Таким образом, для организации 210/25 каналов магистральной/дорожной связи необходимо использовать 5 комплектов аппаратуры К-60 и прокладывать два 7-четверочных кабеля МКПАБ. При использовании двухкабельной системы обеспечивается защищенность от переходных токов для каждого комплекта аппаратуры уплотнения.

При определении емкости кабеля необходимо иметь в виду, что цепи ПГС и ПРС являются четырехпроводными, т.е. требуют по две пары кабельных жил. Цепь СЦБ-ДК работает в спектре тональных частот, и поэтому для нее необходимо выделить телефонную пару.

Распределение цепей по четверкам кабеля может быть выполнено по различным типовым схемам в зависимости от емкости кабеля. При этом для двухкабельной системы рекомендуется для ВЧ связи (магистральной и дорожной) использовать в 7-четверочном кабеле вторую, четвертую и шестую четверки.

В таблице 1.1. приведено распределение четверок в кабеле МКПАБ 7x4x1,05+5x2х0,7, при двухкабельной системе и использовании кабелей одинаковой емкости. Кабель в разрезе представлен на рис. 1.1.

Таблица 1.1. Типовое распределение цепей по четвёркам в магистральных кабелях

Номера четвёрок и сигнальных пар

Расцветка

Тип четвёрок

Цепи связи и СЦБ




Кабель 1

Кабель 2

Номер четвёрки 1 2 3 4 пары 1,2 5 6 7

 К Ч Ж Ф Б-С Б-О Б-К

 НЧ ВЧ НЧ ВЧ НЧ ВЧ ВЧ

 СЭМ, МЖС  маг., маг. ЭДС, ПС ПДС, ЛПС ПГС, ПГС дор., резерв маг., маг.

 переезд,СЦБ-ДК  маг., маг. резерв, резерв ТУ, ТС ПРС, ПРС дор., резерв маг., маг.

Сигнальные пары: 1 2 3 4 5 6

 Б Б Б Б Б Б

 - - - - - -

 СЦБ СЦБ СЦБ СЦБ СЦБ СЦБ

 резерв резерв резерв резерв резерв резерв

Контрольная жила

-

-

-

-




Рис. 1.1. Кабель МКПАБ в разрезе

2.   Расчёт первичных параметров кабельных линий

Первичными параметрами кабельных линий являются следующие величины: сопротивление переменному току, индуктивность и ёмкость кабельной цепи. Сопротивление переменному току без учёта потерь в соседних цепях и металлической влагозащитной оболочке определяется по формуле, представленной ниже:

, (2.1)

где -коэффициент укрутки. Поскольку диаметр повива меньше 30 мм, ;

- сопротивление постоянному току при определённой температуре. Согласно указанию преподавателя, температура равна ;

, (2.2)

где - температурный коэффициент металла проводника. , так как проводник медный;

-удельное сопротивление металла проводника при . Поскольку проводник медный, ;

- диаметр проводника. Согласно заданию на курсовой проект необходимо использовать кабель марки МКПАБ 7Х4. Диаметр медных жил у данного кабеля равен 1,05 мм, следовательно, .

,

где - коэффициент, учитывающий тип скрутки. , поскольку используется звёздный тип скрутки;

-расстояние между проводниками. Поскольку используется звёздный тип скрутки, , где - диаметр изолированной жилы.

, (2.3)

где n=2,3

;

;

Параметры ,, являются функциями от , то есть они зависят от этой величины. Следовательно, для определения ,, необходимо найти  Поскольку используются медные проводники, то параметр  будет определяться по следующей формуле:

, (2.4)

где - частота. В задании на курсовой проект сказано, что необходимо рассчитывать параметры цепи кабельной линии связи на частоту .

Так как , , . будет определяться по следующей формуле:

. (2.5)

.

.

Индуктивность двухпроводной цепи определяется по следующей формуле:

, (2.6)

где r- радиус проводника. ;

- функция, зависящая от  Так как ,.

.

Ёмкость двухпроводной цепи определяется по следующей формуле:

, (2.7)

где  - эквивалентная диэлектрическая проницаемость кабельной изоляции. , поскольку используется кабель марки МКПАБ 7Х4;

- коэффициент, учитывающий близость проводов к оболочке кабеля и соседними цепями, который определяется по следующей формуле:

, (2.8)


. (2.9)

.

.

.

Проводимость двухпроводной цепи определяется по следующей формуле:

, (2.10)

где - круговая частота переменного тока на частоте . .

.

3. Расчёт влияний тяговых сетей переменного тока

Опасные влияния в вынужденном режиме

Рис. 3.1. Схема сближения для расчёта опасных влияний в вынужденном режиме

Опасные напряжения между проводами и землёй на конце гальванически неразделённого провода цепи связи при заземлённом другом его конце вычисляется без учёта волновых процессов при длине кабельной линии связи не более 40 километров. При параллельном сближении величина индуктированного напряжения на изолированном конце провода равна индуктированной ЭДС и определяется по формуле (3.1). Схема сближения для расчета опасных влияний в вынужденном режиме представлена на рис. (3.1.).

, (3.1)

где - коэффициент формы кривой влияющего тока тяговой сети. Поскольку рассматривается кабельная линия связи и, соответственно, кабельная жила, ;

 - угловая частота тяговой сети.

, (3.2)

где - частота тяговой сети. .

- взаимная индуктивность между однопроводными цепями.

, (3.3)

где -ширина сближения;

- удельная проводимость грунта.

Величины ширины сближения и удельной проводимости грунта были представлены в задании на курсовой проект.

;

- ток влияния, который определяется с учётом того, что ток в тяговой сети в вынужденном режиме имеет ступенчатый характер.

, (3.4)

где - коэффициент, который характеризует уменьшение влияющего тока по сравнению с нагрузочным током.

, (3.5)

где n - число электровозов, одновременно находящихся на участке. Эта величина представлена в задании на курсовой проект;

 длина плеча питания тяговой сети при вынужденном режиме;

- длина сближения;

- кратчайшее расстояние от ближайшей действующей тяговой подстанции до начала сближения с тяговой сетью расчётного участка в цепи связи;

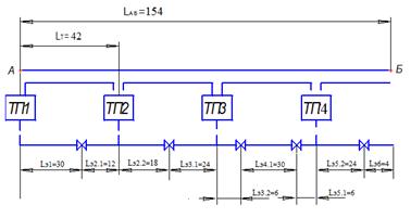
Для определения ,, была построена схема сближения, которая была представлена на рис. 3.1. Согласно схеме сближения получили, что , . ,, , . ,,.

.

.

.

- результирующий ток нагрузки питающей тяговой подстанции при вынужденном режиме работы.

, (3.6)

где - максимальная потеря напряжения в тяговой сети между подстанцией и максимально удалённым электровозом. Так как , ;

- активное сопротивление тяговой сети.

, (3.7)

где ;

- сопротивление одного километра тяговой сети многопутного участка. Поскольку в задании на курсовой проект сказано, что используемый тип подвески - Ае-120, .

.

- реактивное сопротивление тяговой сети.

. (3.8)

.

 и  - коэффициенты мощности электровозов. , следовательно .

.

Зная  и  можно определить .

.

.

.

.

S-результирующий коэффициент экранирующего действия.

, (3.9)

Где - результирующий коэффициент экранирующего действия защитного покрова кабеля. Поскольку в задании на курсовой проект сказано, что используется марка кабеля МКПАБ 74, значение ;

- значение коэффициента экранирующего действия рельсов. Данный коэффициент зависит от величины удельной проводимости грунта , а также от количества путей. В задании на курсовой проект сказано, что участок многопутный, а удельная проводимость грунта , поэтому ;

-к.з.д. заземлённого троса. .

.

.

.

.

.

На основании сравнения полученных значений напряжений по отношению к земле в проводах линий связи с допустимым значением  можно сделать вывод о том, что необходимо применять защиту от влияния тяговой сети переменного тока, которая представлена в 4 разделе.

Опасные влияния в аварийном режиме


Рис. 3.2. Схема сближения для расчёта опасных влияний в аварийном режиме

Величины токов короткого замыкания вычисляются по следующей формуле:

, (3.10)

где - сопротивление трансформатора, питающего тяговую сеть. Эта величина зависит от мощности трансформатора, питающего тяговую сеть, и определяется по формуле:

, (3.11)

где  и - активная и реактивная составляющие сопротивления трансформатора. В задании на курсовой проект сказано, что на подстанциях установлены трансформаторы типа ТДТГ-40500, следовательно , .

;

- величина, которая определяет полное сопротивление линии электропередачи, которая питает тяговые подстанции.

, (3.12)

где - дина линии электропередачи. Эта величина представлена в задании на курсовой проект.

;

- напряжение тяговой сети, которое равно 27500 В.

- сопротивление тяговой сети на участке от тяговой подстанции до места короткого замыкания, которое определяется по формуле:

, (3.13)

где -расстояния от тяговой подстанции до места короткого замыкания тяговой сети. Эти величины были определены с помощью схемы сближения для аварийного режима работы, которая представлена на рисунке 3.2.Согласно схеме сближения получили, что .

.

.

Остальные значения  и  были вычислены аналогично, и представлены в таблице 3.1.

Таблица 3.1. Значения  и , необходимые для построения зависимости тока короткого замыкания от длины тягового плеча

, км

, Ом

, А

8

2,22

4135,34

18

5

2916,22

30

8,34

2153,48

42

11,68

1707,01


Зная значения токов короткого замыкания на определённых длинах тягового плеча, можно построить график зависимости тока короткого замыкания от длины тягового плеча. Этот график представлен ниже:

Рис. 3.3. Зависимость тока короткого замыкания от длины тягового плеча

Индуктированное напряжение для аварийного режима может быть определено по формуле (3.1), при этом , длины сближения были определены по схеме сближения для расчёта опасных влияний в аварийном режиме (рис. 3.2). . Остальные значения длин сближения были представлены в таблице 3.2.

.

Остальные значения  были вычислены аналогично, и представлены в таблице 3.2.

Таблица 3.2. Значения  и , необходимые для построения зависимости величины индуктированного напряжения от длины тягового плеча

, А, км, В



4135,34

8

210,15

2916,22

18

333,45

2153,48

12

164,16

1707,01

24

260,24


Зная значения индуктированных напряжений на определённых длинах тягового плеча, можно построить график зависимости индуктированных напряжений от длины тягового плеча. Этот график представлен ниже:

Рис. 3.4. Зависимость индуктированного напряжения от длины тягового плеча питания

В задании на курсовой проект сказано, что необходимо использовать кабель марки МКПАБ 7Х4. Поскольку в данном кабеле применяется трубчато-полиэтиленовая изоляция жил, . Допустимое напряжение по отношению к земле в проводах линии связи, при котором принятие мер защиты от опасных влияний тяговой сети не нужно определяется по следующей формуле:

. (3.14)

.

На основании сравнения полученных значений напряжений по отношению к земле в проводах линий связи с допустимым значением  можно сделать вывод о том, что необходимо применять защиту от влияния тяговой сети переменного тока, которая представлена в 4 разделе.

Расчёт мешающих влияний тяговой сети переменного тока

Рис. 3.5. Схема сближения для расчёта мешающих влияний в нормальном режиме

Расчет мешающих влияний тяговой сети переменного тока на цепи тональной частоты ведется при нормальном режиме работы тяговой сети. Вычисление производят применительно к ближнему (дальнему) концу усилительного участка, круга избирательной связи или участка между двумя оконечными пунктами. При вычислении величины мешающего напряжения в телефонных цепях в качестве влияющих следует принимать все тяговые плечи в пределах расчетного участка, полагая, что тяговая сеть состоит из плеч одностороннего питания. Сложение величин напряжения шума от нескольких влияющих тяговых плеч одностороннего питания, а так же если цепь содержит несколько усилительных участков, следует производить по квадратичному закону.

Мешающие напряжения для k гармоники определяются по следующей формуле:

, (3.15)

где - угловая частота k-ой гармоники, значение которой определяется по формуле (3.2). Чтобы определить воздействие тока разных частот, принято сравнивать их акустическое воздействие с акустическим воздействием тока той же амплитуды с частотой 800 Гц, который в технике связи является расчетной для каналов низкой частоты. Поэтому берем 16 гармонику.

;

- модуль взаимной индуктивности между двумя однопроводными цепями для k-той гармоники. Он определялся по формуле (3.3).

;

-коэффициент акустического воздействия для k-ой гармоники. ;

-коэффициент чувствительности двухпроводной телефонной цепи к помехам для k-той гармоники тягового тока.

- результирующее к.з.д. для k-той гармоники. Это значение определяется по формуле, представленной ниже:

. (3.16)

;

- длина сближения. Для определения этой величины была построена схема сближения при нормальном режиме работы. Она была представлена на рисунке 3.5. Согласно схеме сближения получили, что ,,,,,

.

.

.

.

.

.

.

.

.

Найдём мешающие напряжения на втором, третьем и пятом усилительном участке. Эти напряжения определяются по следующей формуле:

, (3.17)

где - n- номер участка,-  напряжение в m-ом месте участка n, N- количество напряжений .


Зная мешающее напряжение на усилительных участках, можно определить результирующее значение шума на всём участке А-Б.

, (3.18)

где - напряжение шума на i-том участке, N- число участков.

.

Нормативное значение напряжения шума выбиралось для самого наихудшего случая, то есть для группового канала оперативно-технологической связи.

Поскольку волновое сопротивление кабеля, заданного в задании на курсовой проект отличается от , для сравнения напряжения шума с номинальным значением, необходимо использовать следующую формулу:

, (3.19)

где  - модуль волнового сопротивления для кабеля МКПАБ. Для двухпроводной кабельной непупинизированной цепи в кабеле МК на частоте 800 Гц  [ 2 ].

.

Поскольку полученное напряжение шума превышает номинальное значение,, необходимо применять защиту от опасных влияний тяговой сети переменного тока, которая представлена в 4 разделе.

4.   Меры защиты КЛС от опасных и мешающих влияний от тяговой сети переменного тока

При расчёте опасных и мешающих влияний от тяговой сети переменного тока были получены значения напряжения шума в нормальном режиме работы тяговой сети и индуктированного напряжения в опасном и вынужденном режиме работы тяговой сети, превышающие установленные нормы. В связи с этим при проектировании линии связи необходимо применять защиту от опасных влияний со стороны тяговой сети.

Защитные меры применяются как на влияющих линиях, так и непосредственно на самих линиях связи, которые подвержены влиянию. На линиях связи для уменьшения напряжений влияния используются редукционные трансформаторы, экранирование, заземление, скрещивание и симметрирование. Так же можно переместить линию связи от тяговой сети, тем самым уменьшить от неё влияние.

Принцип действия редукционного трансформатора ясен из рис. 4.1. Ток высоковольтной линии  индуцирует ЭДС и токи в жилах кабеля () и оболочке (). Ток в оболочке  в свою очередь через редукционный трансформатор наводит в жилах кабеля дополнительный ток , противоположно направленный по отношению к токам влияния в жилах кабеля. Таким образом, за счет РТ ток помех в кабеле снижается на величину тока трансформации: .

Рис. 4.1 Принцип действия редукционного трансформатора

Экранирующий эффект редукционных трансформаторов зависит от их числа. При большем количестве трансформаторов экранирующий эффект снижается. Поэтому при наличии трёх РТ можно снизить помехи в 6 раз. Дальнейшее увеличение РТ не приносит ощутимой выгоды. Конструктивно РТ выполнен в виде металлического герметичного ящика и устанавливается в земле на глубине прокладки кабеля.

Заземление - это устройство, состоящее из заземлителей и проводников, соединяющих заземлители с электрическими установками. Заземлителем называют проводник или группу проводников, выполненных из проводящего металла и находящихся в непосредственном соприкосновении с грунтом. В зависимости от выполняемых заземлениями функций различают рабочее, защитное и линейно-защитное заземления. В технике связи рабочим заземлением называют устройство, предназначенное для соединения аппаратуры с землей, служащей одним из проводников электрической цепи. К защитным относятся заземления, предназначенные для соединения с землей приборов защиты (разрядников), а также металлических частей силового оборудования. Линейно-защитными заземлениями называют устройства для заземления металлических оболочек и экранов кабелей.

Наиболее радикальным средством защиты кабельных цепей от помех является их экранирование. Для защиты от внешних помех кабель поверх сердечника покрывается металлическими оболочками. Они, как правило, имеют сплошную цилиндрическую конструкцию и выполняются из свинца, алюминия или стали. Извесны так же конструкции двуслойных экранирующих оболочек типа алюминий-свинец или алюминий-сталь.

На тяговой сети или ЛЭП применяются сглаживающие фильтры, экранирующие тросы и отсасывающие трансформаторы и контуры.

Отсасывающие трансформаторы используются для уменьшения магнитного влияния контактной сети электрифицированной железной дороги переменного тока. Первичная обмотка трансформатора включается последовательно в контактный провод, вторичная обмотка - либо в отдельный, обратный провод, подвешиваемый на опорах контактной сети (рис. 4.2), либо последовательно в рельсы (рис. 4.3). Ток контактной сети, протекая по первичной обмотке, индуцирует во вторичной обмотке почти противоположно направленный ток. Благодаря этому ток, возникающий в обратном проводе, индуцирует в подверженных влиянию цепях связи токи противоположного знака и тем самым результирующее влияние снижается.



Экранирующие тросы являются радикальным средством защиты кабелей связи от воздействия высоковольтных линий. Они полностью локализуют электростатическое влияние и существенно снижают магнитное влияние. Принцип экранирующего действия троса и рельса виден из рис. 4.4. При прохождении по высоковольтной линии тока в тросе и в линии связи индуцируются соответственно токи  и .В свою очередь, ток  наводит в линии связи ток , который находиться в противофазе с током  и уменьшает его: . Таким образом, влияние при наличии троса меньше, чем без троса. Эффективность использования троса тем выше, чем меньше его сопротивление и лучше он заземлен.

Рис. 4.4. Принцип экранирующего действия троса (рельса)


5.   Конструкция волоконно-оптического кабеля A-D(T)2Y

Для подвески ВОК на опорах контактной сети используются самонесущие ВОК с центральной трубкой.

Центральная трубка представляет собой полую трубчатую оболочку со световодами, свитыми внутри так, что они имеют заданную и гарантированную дополнительную длину, что позволяет выдерживать большие механические нагрузки и уменьшить модуль упругости материалов, из которых выполнены элементы конструкции кабеля. Поэтому самонесущие ВОК с центральной трубкой будет иметь меньший вес и оптимальные механические характеристики.

На рис. 5.1, согласно заданию на курсовой проект, была представлена конструкция полностью диэлектрического самонесущего кабеля типа ADSS марки AD-(T)2Y.

А-кабель для наружной прокладки;

-диэлектрическая многоволоконная центральная трубка с наполнителем;

- концентрические элементы, несущие нагрузку на растяжение (арматид);

- полиэтиленовая оболочка.

Рис. 5.1. Конструкция ВОК марки A-D(T)2Y

6. Расчёт механической прочности ВОК

Расчёт удельной нагрузки от собственной силы тяжести кабеля

Удельная нагрузка  определяется по следующей формуле:

, (6.1)

где n- коэффициент перегрузки. n=1,1;

-удельный вес кабеля в расчете на единицу площади его поперечного сечения, который определяется по следующей формуле:

, (6.2)

где - вес одного погонного метра кабеля. Согласно заданию на курсовой проект  ;

S- Площадь поперечного сечения основного несущего элемента конструкции кабеля, мм2. Согласно заданию на курсовой проект  мм2.

 .

.

Расчёт удельной нагрузки от воздействия льда при гололёде

Удельная нагрузка  от силы тяжести льда при гололеде определяется по следующей формуле:

, (6.3)

b - Эквивалентная толщина стенки льда при гололёде. Согласно заданию на курсовой проект  мм;

n - коэффициент перегрузки. n=1,1;

d - Диаметр кабеля. Согласно заданию на курсовой проект d=10 мм;

S - Площадь поперечного сечения кабеля. Поскольку в задании на курсовой проект имеется только диаметр проводника, площадь поперечного сечения кабеля необходимо найти по следующей формуле:

. (6.4)

мм2;

-коэффициент неравномерности гололедной нагрузки. .

.

Расчёт удельной нагрузки от собственной силы тяжести кабеля и силы тяжести льда

С учётом направлений действующих на кабель нагрузок, удельная нагрузка  от собственной силы тяжести кабеля и силы тяжести льда будет равна:

, (6.5)

где  удельная нагрузка от собственной силы тяжести кабеля. Согласно формуле (6.1)  ;

 - удельная нагрузка от силы тяжести льда при гололеде. Согласно формуле (6.2)   .

.

Расчет удельной нагрузки от давления ветра на кабель при отсутствии гололеда

Исходя из условия, что направление ветра перпендикулярно направлению кабельной линии, и с учетом того, что кабель имеет цилиндрическую поверхность, удельная нагрузка  от воздействия ветра на кабель (при отсутствии гололеда) определяется по следующей формуле:

, (6.6)

где  - скорость ветра. Согласно заданию на курсовой проект  ;

n- коэффициент перегрузки. n=1,1;

S-площадь поперечного сечения кабеля. Согласно формуле (6.4)  мм2;

d - Диаметр кабеля. Согласно заданию на курсовой проект d=10 мм;

-аэродинамический коэффициент.

.

Расчет удельной нагрузки от воздействия ветра на кабель, покрытый гололедом

Удельная нагрузка  от воздействия ветра на кабель, покрытый гололедом, определяется по формуле, представленной ниже:

 (6.7)

где b - толщина стенки льда. b=20 мм;

-аэродинамический коэффициент.

-коэффициент неравномерности гололедной нагрузки. ;

n- коэффициент перегрузки. n=1,1;

d - Диаметр кабеля. Согласно заданию на курсовой проект d=10 мм;

S-площадь поперечного сечения кабеля. Согласно формуле (6.4) мм2;

 .

Расчет удельной нагрузки от собственной силы тяжести кабеля и от воздействия ветра

Удельная нагрузка  от собственной силы тяжести кабеля и воздействия ветра на кабель с учетом направления действия нагрузок и  определяется по следующей формуле:

, (6.7)

где  удельная нагрузка от собственной силы тяжести кабеля. Согласно формуле (6.1)  ;

удельная нагрузка от воздействия ветра на кабель (при отсутствии гололеда). Согласно формуле (6.6)  ;

.

Расчет удельной нагрузки от силы тяжести кабеля, покрывающего его льда и воздействия ветра

С учетом направления действия сил удельная нагрузка от силы тяжести кабеля, покрывающего его льда и воздействия ветра, определяется по формуле:

, (6.8)

где  удельная нагрузка от собственной силы тяжести кабеля. Согласно формуле (6.1)  ;

 - удельная нагрузка от силы тяжести льда при гололеде. Согласно формуле (6.2)   ;

 - удельная нагрузка от воздействия ветра на кабель, покрытый гололедом. Согласно формуле (6.7)  .

 .

Определение критической длины пролёта

Перед расчётом механической прочности кабеля необходимо определить критическую длину пролёта, то есть такую длину, для которой напряжение растяжения при действии на кабель гололёда с ветром равно напряжению сжатия при наихудших условиях в отсутствии ветра и гололёда.

Критическая длина пролёта определяется с помощью уравнения состояния кабеля в пролёте.

, (6.9)

где - коэффициент упругого удлинения материала оболочки кабеля.

, (6.10)

где Е- модуль упругости материала оболочки кабеля. Эта величина представлена в задании на курсовой проект.  .

;

 напряжение растяжения кабеля в подвешенном состоянии при воздействии удельной нагрузки  и температуры tх, ;

 напряжение растяжения кабеля в подвешенном состоянии при воздействии удельной нагрузки  и температуры t, ;

коэффициент теплового расширения защитной оболочки кабеля. ;

- Длина пролёта между опорами контактной сети.  м;

Используя уравнение (6.9) получили выражение для определения критической длины пролёта.

(6.11)

где  допустимое напряжение сжатия. При проведении расчёта механической прочности кабеля выбирается такая величина , которая обеспечивает определённый запас прочности при заданных расчётных условиях.

, (6.12)

 

где - максимальная растягивающая нагрузка. Согласно заданию на курсовой проект,  Н;

- площадь поперечного сечения кабеля. Согласно формуле (6.4)  мм2;

-коэффициент запаса прочности..

 ;

 температура гололёда.;

 -максимальная температура, при которой будет эксплуатироваться кабель. .

 м. (6.13)

Согласно заданию на курсовой проект, годовое изменение прокладки температуры в районе прокладки ВОК составляет от  до . На рис. 6.1 показано, какие удельные нагрузки действуют на оболочку кабеля в заданном диапазоне температур.

Рис. 6.1. Удельные нагрузки, действующие на кабель в зависимости от температуры окружающей среды

Зная критическую длину провеса, определим механическую прочность кабеля  при температуре .

Приведём полученное уравнение к следующему виду:

.

.

Методом подбора было установлено, что  .

Определение  велось во всём температурном диапазоне с интервалом в , а так же при температуре -. Вычисления проводились аналогично расчёту  при температуре . Их результаты представлены в таблице 6.1.

Таблица 6.1. Значения  и , необходимые для построения зависимости напряжения кабеля от температуры окружающей среды

, .

,

-30

6,872

-20

 

 6,887

-10

6,903

-5

 

6,91 33,32

0

 

 6,918

10

20

30

 

 6,965

40


По значениям, полученным из уравнения (6.9) и представленным в таблице 6.1, был построен график зависимости напряжения кабеля от температуры окружающей среды, который представлен на рис. 6.2.

Рис. 6.2. Зависимость напряжения ВОК от температуры

Поскольку имеются напряжения кабеля, превышающие допустимые значения , проектируемый ВОК использовать невозможно.


Заключение

В данном курсовом проекте были представлены разрезы кабеля МКС 7х4х1,2, волоконно-оптического кабеля AD-(T)2Y и схемы сближения. Также выполнены расчёты первичных параметров, кабельных линий связи, влияний на них от тяговых сетей переменного тока, а так же производился анализ полученных значений опасных напряжений тяговой сети на предмет их совпадения с нормативными значениями. Поскольку полученные опасные напряжения тяговой сети превышали нормативные значения, в данном курсовом проекте были представлены меры защиты кабельных линий от опасных и мешающих влияний тяговой сети переменного тока. Расчёт критической длины пролёта волоконно-оптической линии показал, что проектируемый волоконно-оптический кабель при заданных параметрах эксплуатировать невозможно.


Литература

1.   Прокофьев В.А. “Проектирование линий автоматики, телемеханики и связи” часть II. ”Расчет параметров воздушных, кабельных и волоконно-оптических линий”. Методические указания для курсового и дипломного проектирования по дисциплине “Линии автоматики, телемеханики и связи на железнодорожном транспорте. М:. МИИТ. 1997,-19с.

2.      Прокофьев. В.А. “Проектирование линий автоматики, телемеханики и связи” часть III. “Методика расчета индуктивных влияний на линии автоматики, телемеханики и связи на железнодорожном транспорте”. Методические указания к курсовому и дипломному проектированию по дисциплине “Линии автоматики, телемеханики и связи на железнодорожном транспорте”. М:. МИИТ. 1997,-47с.

.        Гроднев И.И., Верник С.М. “Линии связи”. Учебник для высших учебных заведений. М:. Радио и связзь.1988.-544с.

.        Волкова Е.С., Казанский Н.А., Бахтиярова Е.А. “Расчет механической прочности полностью диэлектрического самонесущего волоконно-оптического кабеля”. Методические указания для курсового и дипломного проектирования по дисциплине “Линии автоматики, телемеханики и связи на железнодорожном транспорте”. М: МИИТ. 2007,-20с.

Похожие работы на - Проектирование линии связи

 

Не нашли материал для своей работы?
Поможем написать уникальную работу
Без плагиата!
Без нейросетей!