Проектирование кабельной линии связи на участке железной дороги
Уральский государственный Университет
Путей Сообщения
Кафедра «Связь»
КУРСОВОЙ ПРОЕКТ
По дисциплине «Линии автоматики,
телемеханики и связи на железнодорожном транспорте»
Проверил: преподаватель
Художитков П.И.
Екатеринбург
Содержание
Исходные данные
Введение
. Проектирование кабельной сети
.1 Состав проекта на строительство кабельной линии связи
.2 Выбор типа кабельной магистрали и типа кабеля
.3 Устройство переходов линии связи через препятствия по
трассе
. Расчет внешних электромагнитных влияний на кабельную линию
связи
.1 Расчет влияний тяговой сети переменного тока
.2 Расчёт мешающих влияний
. Разработка средств связи на перегоне
. Волоконно-оптическая линия связи
.1 Выбор волоконно-оптических систем передачи
.2 Выбор оптического кабеля связи
.3 Расчет параметров световодов
.4 Определение длины регенерационного участка на основе
расчета затухания и дисперсии
Заключение
Исходные данные
|
Исходные данные
|
|
|
Требуемое число каналов
дальней связи
|
Магистральной
|
170
|
|
Дорожной
|
75
|
|
Перегон для которого
разрабатываются схемы организации цепей связи и СЦБ
|
Б-В
|
|
Вид тяги на участке А-Л
|
~
|
|
Ток контактной сети в
вынужденном режиме
|
600
|
|
Расстояние между осями
станции, км и сторонность их размещения. Станция А расположена по левую
сторону пути ж.д.
|
А-Б
|
6 пр.
|
|
Б-В
|
10 лв.
|
|
В-Г
|
15 лв.
|
|
Г-Д
|
6 пр.
|
|
Д-Е
|
7 пр.
|
|
Е-Ж
|
9 пр.
|
|
Ж-З
|
14 лв.
|
|
З-И
|
7 пр.
|
|
И-К
|
10 пр.
|
|
К-Л
|
13 лв..
|
|
Значение проводимости на
участках σз, См/м
|
σ1*10-2
|
8
|
|
σ2*10-1
|
3
|
|
σ3*10-3
|
3
|
|
σ4*10-4
|
4
|
|
Коррозийная активность
грунта на участке
|
1
|
ОА
|
ОА
|
|
3
|
НА
|
|
4
|
НА
|
|
Размер профиля водной
преграды
|
d1, м
|
75
|
|
d2, м
|
120
|
|
d3, м
|
150
|
|
h1, м
|
8
|
|
h2, м
|
10
|
|
Скорость течения в м/сек.
|
1,2
|
|
Характер дна реки
|
Илистое
|
Введение
Перед железнодорожным транспортом нашей страны стоит задача обеспечения
непрерывно растущих объемов перевозок народнохозяйственных грузов и пассажиров.
Для этого необходимо повышать пропускную способность железнодорожных участков,
скорость и массу поездов при одновременном повышении безопасности движения. Без
сложной, разветвленной сети связи невозможно организовать интенсивный
перевозочный процесс и оперативно управлять им.
Все шире используют волоконно-оптические кабели для цифровых систем
передачи информации, каналы которых являются универсальными, способными
передавать аналоговые (например, речевые) и кодированные дискретные сигналы.
Внедрение на транспорте систем перегонного регулирования движения поездов
привело к необходимости увеличения числа цепей для устройств автоматики и
телемеханики. Распространение электрической централизации стрелок и сигналов на
станциях обусловило применение кабельных станционных сетей.
Разнообразные устройства автоматики и телемеханики, повышающие пропускную
способность перегонов, станций и узлов и обеспечивающие безопасность движения
поездов, размещены не только на станциях, но и на перегонах. Для их нормальной
работы требуются различные линейные сооружения, по которым передается
разнообразная информация в виде сигналов телеуправления, телеконтроля и
телесигнализации. Следует также учитывать, что электроснабжение перегонных
устройств автоматики и телемеханики и других линейных потребителей на перегонах
и малых станциях, осуществляется с помощью специальных высоковольтных линий. На
участках с электротягой над рельсами подвешивают тяговую сеть, питающую
электровозы.
Дальнейший рост объема и скоростей перевозок на железнодорожном
транспорте приводит к появлению новых видов связи, автоматики и телемеханики.
Устройства автоматики и телемеханики должны становиться все более
быстродействующими и надежными, а устройства связи - обеспечивать возможность
служебных переговоров с любым пунктом в данный момент с уменьшением времени
ожидания соединения и ростом качества передачи сигналов. Как следствие этого,
должно существенно возрастать число каналов передачи информации на железных
дорогах, что невозможно без усовершенствования линий автоматики, телемеханики и
связи.
Продолжающийся значительный рост протяженности железных дорог с
электротягой на постоянном и переменном токе, развитие железнодорожных линий автоблокировки,
продольного электроснабжения линейных потребителей, высоковольтных линий
электропередачи приводят к увеличению опасных и мешающих электромагнитных
влияний на цепи и каналы железнодорожной автоматики, телемеханики и связи и к
необходимости разработок мер борьбы с этими явлениями.
В связи с необходимостью увеличения числа каналов и повышением их
качества линии нужно усовершенствовать с учетом экономической целесообразности,
т. е. так, чтобы капитальные затраты па строительство, а в дальнейшем расходы
на эксплуатацию, отнесенные к единице продукции - канало-километру, не были
высокими.
1. Проектирование кабельной сети
.1 Состав проекта на строительство кабельной линии связи
Проект линейных сооружений является составной частью общего проекта строительства
сооружений электросвязи, автоматики и телемеханики на участке железной дороги и
разрабатывается в соответствии с генеральными схемами развития железной дороги
на данном направлении.
Проект - это предварительно подготовленное, обоснованное техническими и
экономическими расчётами и изображенное графически, решение по строительству
линейных сооружений электросвязи. Проект является комплексным
технико-экономическим документом, в котором техническая и экономическая стороны
строительства неразрывно связаны.
В состав проекта входит пояснительная запуска с кратким обоснованием
принятых технических решений, сметно-финансовый расчёт, определяющий стоимость
строительства и рабочие чертежи, по которым выполняются строительные и
монтажные работы.
Проект на строительство линейных сооружений связи разрабатывается на
основе технического задания и данных изысканий.
Техническое гадание включает в себя сведения о потребном количестве
каналов для организации всех видов оперативно-технологической и общеслужебной
связей на каждом участке железной дороги с учётом резервирования и перспективы
развития; сведения о размещении абонентов телефонной и телеграфной сетей и
объектов сети телемеханики, а также электрические и эксплуатационные
требования, предъявляемые к этим каналам.
По результатам изысканий, приведенное на конкретном участки железной
дороги, составляется подробная топографическая схема с описанием характера
окружающей местности и физико-электрических свойств почвы вдоль трассы;
выявляются естественные препятствия, уточняется расположение всех объектов
связи и СЦБ и даётся их привязка к координатам пути; определяются параметры
источников внешних электромагнитных влияний; выясняются климатические условия,
особенности строительства и эксплуатации линии связи.
На основании этих данных обосновывается выбор типа линии связи и, в
случае принятия решения о строительстве кабельной магистрали, производится
выбор системы организации кабельной линии и типа аппаратуры ВЧ уплотнения;
обосновывается выбор типа и ёмкости кабеля, выбор трассы и устройство переходов
и пересечений; выбирают меры защиты кабеля от электромагнитного влияния и
коррозии, определяют способы прокладки кабеля и места отпаев от магистрали для
ввода в промежуточные станции, путевые здания и другие пункты.
Все запроектированные сооружения должны быть технически совершенны и
экономически целесообразны.
После выполнения проекта составляют рабочие чертежи, в сосав которых
входят чертежи трасс воздушной и кабельной магистрали с привязкой к железной
дороге и другим местным сооружениям, чертежи нетиповых конструкций, чертежи
вводов линий связи в здания, переходов через различные препятствия, монтажные
схемы с указанием мест разрезов кабелей и назначением отдельных кабельных цепей
и т.п.
Рис.1.1. План трассы линии связи
1.2 Выбор типа кабельной магистрали и типа кабеля
Выбор типа кабельной магистрали, типа и ёмкости кабеля для КЛС
производится, исходя из требуемого числа каналов для организации всех видов
связи на участке железной дороги и выбранного типа аппаратуры уплотнения.
Наружные покровы кабеля выбираются из условий прокладки и эксплуатации. На ж.д.
транспорте нашли применение одно-, двух- и трёхкабельные способы организации
линий связи. При двухкабельной системе с кабелями МКПАБ 7x4x1,05 (рис.,
табл.1.1.) оба кабеля используют для магистральных, дорожных, отделенческих
связей и цепей автоматики. При этом в каждом из кабелей 6 пар выделяют для ВЧ
связи (уплотняются аппаратурой К-6ОП), 15 пар - для НЧ отделенческих связей в
том числе две пары для управления объектами электроснабжения - ТУ, ТС), одну
пару - для кодовой цепи диспетчерской централизации или диспетчерского контроля
(КЛ) и 10 соединительных линий (по парам с токоведущими жилами диаметром 0,7
мм).
Использование пар двухкабельной линии с кабелями одинаковой ёмкости и
конструкции приведено на рис.
Пятая четверка в перспективе предназначается для систем передачи К-24Т.
При этом цепи ВЦ, ВДС, БДС будут переключаться на каналы ТЧ этих систем
передачи.
Система по количеству каналов магистральной, дорожной и отделенческой
связей 360 каналов, по количеству пар для НЧ отделенческой связи удовлетворяет
требованиям, предъявляемым к магистральным кабельным линиям.
Табл. 1.1
|
Система кабельной линии
|
Марка кабелей
|
Количество физических цепей
в кабельной линии
|
Система уплотнения
|
Количество цепей автоматик
|
Количество двухсторонних
цепей связи
|
|
|
Симметричных 2-х проводной
|
коаксиальных
|
Одинарных с диаметром жил
0.7 мм
|
|
|
|
|
|
Общее количество
|
Для цепей автоматики
|
Для создания каналов связи
|
|
|
|
|
НЧ
|
ТЧ
|
|
|
|
Диаметр жил, мм
|
НЧ
|
ТЧ
|
|
|
|
|
Отделенческой ОТС
|
Магистральных и дорожных
|
отделенческих
|
|
К1
|
К2
|
|
1.05
|
|
|
|
|
|
|
|
|
|
|
двухкабельная
|
Кабели одной емкости
|
МКПАБ
7*4*1.05+5*2*0.7+1*0.7
|
МКПАБ
7*4*1.05+5*2*0.7+1*0.7
|
38
|
1
|
10
|
15
|
12
|
---
|
2
|
К-60П
|
11
|
15
|
360
|
|
|
|
|
|
|
|
|
|
|
|
|
|
|
|
|
Рис 1.2
1.3 Устройство переходов линии связи через препятствия по
трассе
При пересечении кабельной трассы с автомобильными и железными дорогами
кабели связи прокладываются в асбоцементных или полиэтиленовых трубах диаметром
100 мм с выводом их по обе стороны от подошвы насыпи или полевой бровки кювета
на длину не менее 1 м, При этом должны быть соблюдены следующие расстояния по
вертикали:
для железнодорожных и трамвайных путей - не менее 1 м от подошвы рельса;
для автомобильной дороги - не менее 0,8 м ниже дна кювета или 0,5 - 0,4
м, в случае дополнительной защиты кабелей железобетонными плитами.
Количество прокладываемых труб принимается по числу прокладываемых
кабелей с учётом необходимого резерва: при потребности до З труб - одна
резервная труба и от 4 до 8 труб - две резервные трубы.
Кабели ответвлений при пересечении с железными дорогами прокладываются в
трубах без закладки резервных труб.
На пересечении кабельной трассы с грунтовыми дорогами разрешается
прокладка кабеля кабелеукладчиком с защитой железобетонными плитами или
кирпичом.
На пересечении с полевыми дорогами защита кабеля не предусматривается.
При пересечении кабельной линии водной преграды предусмотрено множество
способов прокладки кабеля, так как в данном курсовом проекте река несудоходная
и не сплавная кабель прокладываются с заглублением а дно реки, с от носом от
ж.-д. моста на 50 м ниже по течению.
Рис.1.3. Профиль дна реки
Основными вопросами, подлежащими разрешению при устройстве переходов
кабельных линий связи через реки, являются выбор типа защитных покровов и марки
кабеля, глубина его заглубления в дно реки и другие мероприятия по защите
подводных кабелей от повреждения.
Для данной реки применим кабели, бронированные с круглыми стальными
проволоками в полиэтиленовом шланге.
Основная защита подводного кабеля от повреждений - это углубление его в
дно водного препятствия. При глубине более 8 метров (наименьший уровень воды)
кабели прокладывают по дну реки, не заглубляя.
В прибрежных и на мелководных участках до 1 метра кабели следует заглублять
в дно не менее, чем на 1 метр. В береговой части трассы, до места соединения с
подземным кабелем, подводный кабель должен быть - заглублен также не менее, чем
на 1 метр.
В местах выхода кабелей из воды рекомендуется укреплять берега бетонными
плитами и камнем. Так как укрепление делается бетонными плитами, то их
укладывают над кабелем на расстоянии 0,4 м. Укладку бетонных плит по дну
оканчивают в месте, где глубина реки при её нормальном уровне на 1 метр больше
осадки самых глубоководных судов.
Целесообразно укладывать кабель по прямой линии от одного берега до
другого. Однако в случае пересечения рек с неустойчивым руслом и берегами,
сложенными легко размываемыми грунтами, кабель необходимо прокладывать с
выносом середины пролета вверх по течению на 25 метров от оси трассы (рис.1.4.)
Рис.1.4.
Относ кабеля.
В
конечных точках кабельного перехода строятся колодцы из бетона или кирпича, в
которых размещают соединительные муфты. Располагают колодцы так, чтобы их не
затопляло при максимально высоком уровне воды.

Рис.1.5. План
трассы.
2. Расчет внешних электромагнитных влияний на кабельную линию
связи
.1 Расчет влияний тяговой сети переменного тока
На кабельные линии связи линии высокого напряжения оказывают лишь
магнитное влияние. Электрическое влияние не учитываются, вследствие хороших
экранирующих свойств слоя почвы и внешних металлических оболочек кабеля
Опасное напряжение определяется для одного из концов провода жилы
гальванически неразделенного участка цепи связи при условии заземленного
противоположного конца, т.к. в этом случае на проводе или жиле наблюдается
максимально возможное напряжение относительно земли.
Определение эквивалентных влияющих токов и напряжений входит в
компетенцию организаций, эксплуатирующих линии высокого напряжения, и
выполняется при предпроектных изысканиях, поэтому в дальнейшем мы будем считать
их заданными.
Значение опасного напряжения, индуктированного между проводами или жилами
линии связи и землей за счёт магнитного влияния может быть определено по
формуле:
, В
(2.1.1.)
где
w=2pf - круговая частота влияющего
тока, рад/сек;10экв- величина эквивалентного влияющего тока в
тяговой сети, А;(1-2)- коэффициент взаимной индукции на 1 км
сближения между несимметричной частью влияющей линии индекс "I" и
несимметричной частью линии связи индекс "А", Гн/км;p-
длина участка сближения, км;м - общий коэффициент экранирования
металлических покровов кабеля, рельсов и других соседних сооружений на участке
сближения.
Расчёт
опасного напряжения ведётся на частоте основной гармоники влияющего тока.
В
случае опасного магнитного влияния со стороны тяговой сети переменного тока M(1-2)
определяют либо по номограммам, либо по приближенной формуле:
Гн/км
(2.1.2)
Следует
отметить, что э. д. с. опасного магнитного влияния резко возрастает при
уменьшении ширины сближения “aэ”, м и проводимости почвы, См/м.
Большое
воздействие на величину
оказывает экранирующий эффект рельсов и металлической
кабельной оболочки. Общий коэффициент экранирования:
=Sp*Sт*Sоб
(2.1.3.)
где
Sp - коэффициент экранирования рельс, зависит от проводимости земли, количества
путей электрифицированной железной дороги и имеет разное значение для кабельных
линий, расположенных на разном удалении от оси пути. Зависимость коэффициента Sp
от ширины сближения "а" для проводимости земли σз=10-2,
См/м.
При
а > 15 метров участках железных дорог Sp находится в пределах
0,45-0,55.
Считается,
что величина Sp остается постоянной до частот порядка нескольких
десятков килогерц.т - коэффициент экранизации от действия различных
металлических предметов оценивается величиной Sт=0,65об -
коэффициент защитного действия оболочки кабеля, зависит от соотношения
активного и индуктивного сопротивлений цепи "оболочка кабеля - земля"
и весьма сложно определяется на практике. Ориентировочно можно считать, что на
частоте f=50 Гц: Sоб = 0,1
Расчеты:
1. Участок А-В
lр=16 км; а=10 м; σз=8*10-2 См/м;
=7.31*10-4 Гн/кмм=0.5*0.65*0.1=3.25*10-220=314.16*600*7.31*10-4*16*3.25*10-2=71,65
B
2. Участок В-Г
lр=15 км; а=10 м; σз=8*10-2 См/м;
=7.31*10-4 Гн/кмм=0.5*0.65*0.1=3.25*10-2
U20=314.16*600*7.31*10-4*15*3.25*10-2=67,17
B
3. Участок Г-Е
lр=13 км; а=10 м; σз=3*10-1 См/м;
=6*10-4 Гн/кмм=0.5*0.65*0.1=3.25*10-220=314.16*600*6*10-4*13*3.25*10-2=47,74
B
4. Участок Е-И
lр=30 км; а=10 м; σз=3*10-3 См/м;
=10.6*10-4 Гн/кмм=0.5*0.65*0.1=3.25*10-220=314.16*600*10,6*10-4*30*3.25*10-2=194,75
B
5. Участок И-Л
lр=23 км; а=10 м; σз=4*10-4 См/м;
=12.61*10-4 Гн/кмм=0.5*0.65*0.1=3.25*10-220=314.16*600*12,61*10-4*23*3.25*10-2=177,7
B
Так как значение опасного напряжения не превышает 200 В ни на одном
участке дополнительных мер не принимаем.
Величины мешающих напряжений и токов за счёт внешних влияний определяются
для неуплотненных цепей оперативно-технологических связей, поскольку
спектральная плотность влияющих токов или напряжений - наибольшая в области
тональных частот. Кроме того, на частотах в диапазоне естественной речи
человека экранирующее действие металлических оболочек кабеля меньше, чем в
диапазоне более высоких частот.
Мешающее влияние оценивается псофометрическим средневзвешенным
напряжением между проводами в конце усилительного участка телефонной цепи при
нормальном режиме работы тяговой сети. Расчёт выполняется на одной из
определяющих частотах, находящейся в пределах от 7 до 41 гармоники тягового
тока;
; мВ
(2.2.1)
где
fк - частота к-й гармоники тягового тока;
Мк
- взаимная индуктивность между контактным проводом и жилой кабеля для к-й
гармоники, Гн/км. Рассчитываемся по формуле (2.1.2)к - ток к-й
гармоники тягового тока, А (для данного проекта равный 0.8):
ρк -
коэффициент акустического воздействия к-й гармоники (для данного проекта равный
1.035);
ηк -
коэффициент чувствительности цели к помехам (для данного проекта равный 0.72*10-3);р
- коэффициент экранирования рельс (см. формулу 2.1.3);об -
коэффициент экранирования оболочки кабеля в тональном спектре (применять равным
0,02);рср - длина среднего участка сближения принять равной длине
усилительного участка.
Результирующее
напряжение шума на всей длине диспетчерского круга определяется по формуле:
В (2.2.2.)
где
В (2.2.3.)
Расчеты.
1. Участок А-В
lр=16 км; а=10 м; σз=8*10-2 См/м;
=7.31*10-4 Гн/кмм=0.5*0.65*0.1=3.25*10-2ш=2*3,14*850*7,31*10-4*0.8*1.04*0.72*10-3*0.5*0.02*8=3.23*10-4,
мВ
2. Участок В-Г
lр=15 км; а=10 м; σз=8*10-2 См/м;
=7.31*10-4 Гн/кмм=0.5*0.65*0.1=3.25*10-2
Uш=2*3,14*850*7,31*10-4*0.8*1.04*0.72*10-3*0.5*0.02*7,5=3.03*10-4,
мВ
3. Участок Г-Е
lр=13 км; а=10 м; σз=3*10-1 См/м;
=6*10-4 Гн/кмм=0.5*0.65*0.1=3.25*10-2
Uш=2*3,14*850*6*10-4*0.8*1.04*0.72*10-3*0.5*0.02*6,5=1.25*10-4,
мВ
4. Участок Е-И
lр=30 км; а=10 м; σз=3*10-3 См/м;
=10.6*10-4 Гн/кмм=0.5*0.65*0.1=3.25*10-2ш=2*3,14*850*10,6*10-4*0.8*1.04*0.72*10-3*0.5*0.02*15=5.08*10-4,
мВ
5. Участок И-Л
lр=23 км; а=10 м; σз=4*10-4 См/м;
=12.61*10-4 Гн/кмм=0.5*0.65*0.1=3.25*10-2ш=2*3,14*850*12,61*10-4*0.8*1.04*0.72*10-3*0.5*0.02*11,5=4.64*10-4,
мВ
Результирующее напряжение шума на всей длине диспетчерского круга
определяется по формуле:
=8.274*10-4 В
Так как мешающие напряжения не превышают 1 мВ дополнительных мер по
защите кабельной линии связи не принимаем.
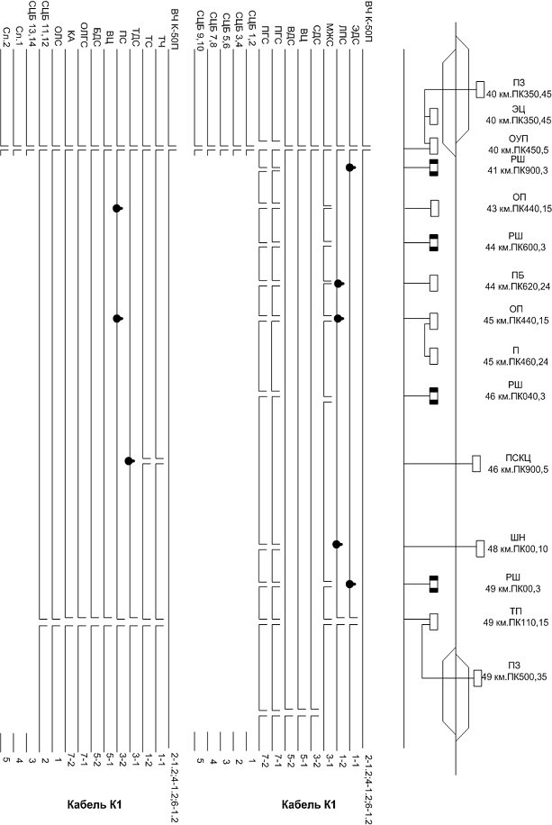
3. Разработка средств связи на перегоне
Скелетная схема является основным документом для монтажа магистрального
кабеля. На ней показывается взаимное расположение всех объектов связи и СЦБ, а
также устраиваемые к ним ответвления с условным изображением необходимой
кабельной арматуры.
Скелетная схема для, заданного перегона строится на основе схемы
организации связи и цепей СЦБ рис. В данном случае на этом перегоне имеются
следующие объекты связи и СЦБ:
пассажирские здания станций Г и Д (ПЗ);
здание службы пути - в нашем случае помещение для обогрева на перегоне
(П);
релейный шкаф выходных светофоров станции (Рш - Вх);
релейный шкаф проходного светофора (Рш - С);
релейный шкаф автоматической переездной сигнализации (Рш - АПС);
квартира электромеханика СЦБ и связи (ЩН);
пост секционирования контактной сети (ПСКЦ);
остановочный пункт пригородных поездов (ОП);
будка дежурного по переезду (ПБ).
На станции "Г" пост ЭЦ располагается в пассажирском здании, а
на станции "Д" - в отдельном здании.
Координаты и сторонность размещения различных объектов связи и СЦБ
указываются согласно инженерно-техническим изысканиям.
Пункты, в которые заводятся все или отдельные виды связи, определяются
характером размещаемых в них объектов. В пассажирское здание или пост ЭЦ, где
размещаются обычно все служебные станционное помещения, заводятся все виды
отделенческой связи. В релейные шкафы сигнальных точек автоблокировки или
переезда заводится перегонная связь, что при необходимости позволяет
организовать на перегоне временный обслуживавши раздельный пункт.
Ответвления цепей ОТС осуществляется шлейфом или параллельно; цепи
автоматики всегда ответвляются шлейфом.
При вводе шлейфом пара жил этой цепи в месте ответвления разрезается и
выводится из кабеля к аппаратуре промпункта, а за тем снова возвращается в
кабель. Сквозного пути по кабелю для разговорных или сигнальных токов, минуя
аппаратуру промпункта, нет.
При параллельном вводе от пары жил кабеля делается отпай к аппаратуре
промпункта. Разговорные токи по цепи ОТС протекают прямо и с ответвлением к
абоненту.
На станциях, где нет усилительных пунктов НУП, ОУП, все цепи ОТС
заводятся в пассажирское здание с устройствами автоматики или пост
электрической централизации шлейфом. На тех же станциях, где находятся
усилительные пункты, ответвления от магистрального кабеля на пост ЭЦ иди в
пассажирское здание с устройствами автоматики, как правило, не делают, а
необходимые цепи связи и автоматики передают от усилительного пункта кабелем
вторичной коммутации.
Аналогично поступают и в том случае, если линейные объекты располагаются
друг от друга на расстояниях менее 100 метров. Ответвление делается лишь к
ближайшему к кабельной магистрали объекту. Для передачи требуемых цепей к
следующим объектам прокладывается кабель вторичной коммутации.
Скелетная схема кабельной линии на перегоне изображена на рис.
Схема организации связи двухкабельная, однополосная, четьрехпроводная,
уплотняемая аппаратурой К-бОП. Оба кабеля приняты одинаковой емкости типа МКПАБ
7*4*1.05+5*2*О.7+1*0.7, содержащие четверки для организации ВЧ и НЧ связей, а
также сигнальные пары для цепей СЦБ.
Для организации ответвлений от кабельной линии к объектам связи или СЦВ
применяют разветвительные муфты РМ, которые желательно размещать на месте
соединительной муфты, устанавливаемой на стыке строительных длин магистрального
кабеля. Однако, если место требуемого ответвления находится более, чем в 100
метрах от ближайшего стыка строительных длин кабеля, то в месте ответвления
монтируют врезную разветвительную муфту.
Ответвления к линейным объектам, расположенным друг от друга на
расстоянии менее 100 метров, следует объединять, т.е. ответвления от
магистрального кабеля организуют лишь до одного из объектов, а все остальные
близлежащие объекты подключаются к линии связи с помощью кабелей вторичной
коммутации. Аналогично поступают и на станциях: передача цепей связи станционным
объектам производится с помощью кабелей вторичной коммутации от
вводно-коммутационных устройств усилительных пунктов, а при их отсутствии - от
вводно-кабельных устройств, размещаемых в помещении дежурного по станции.
Разветвительные муфты, устанавливаемые на стыках строительных длин
магистрального кабеля, имеют двойную нумерацию. Первое число означает
порядковый номер соединительной муфты, а второе после букв РМ - номер
разветвительной муфты по порядку, в пределах от одного усилительного пункта до
другого.
Врезные муфты, устанавливаемые не на месте соединительных, обозначаются
просто РМ8, т.е. восьмая по порядку разветвительная муфта.
Для герметизации кабеля при содержании его под постоянным избыточным
давлением устанавливают газонепроницаемые муфты перед оконечными вводными
устройствами в усилительные пункты и в начале каждого ответвления от
магистрального кабеля.
Установка прямых муфт при вводе в усилительные пункты, совместно с
газонепроницаемыми, объясняется технологией монтажа последних, которые монтируются
предварительно на небольших отрезках кабеля длиной 4-5 м, а затем с помощью
этих отрезков присоединяются к боксам НУПов с одной стороны, а с другой стороны
- через прямую муфту с магистральным кабелем.
Прямая соединительная муфта в этом случае одновременно используется для
подкачки воздуха под металлическую оболочку магистрального кабеля. Для этого в
муфте просверливают отверстие и впаивают ниппель, к которому подводится
трубопровод со сжатым воздухом. Аппаратура для содержания кабеля под давлением
размещается при этом в контейнере НУПа.
Для стандартизации проведения монтажных и ремонтных работ все кабели
ответвлений и их аппаратура имеют определенную нумерацию.
Кабели, ответвляющиеся от KI, получают номера 3 и 5. Если ответвляется
больше двух кабелей, то они получают номера За, 36, 5а, 56 и т.д. От кабеля К2
ответвляются кабели 4 и 6.
Боксам, которыми заканчиваются кабели ответвлений, присваиваются
двузначные номера: первая цифра соответствует номеру кабеля ответвления, вторая
- типу.
Соединительные и газонепроницаемые муфты на кабелях ответвлений
нумеруются по тому же принципу, что и боксы: первая цифра - номер кабеля
ответвления, вторая - для соединительных муфт - 2, газонепроницаемых - 3.
Разветвительные муфты имеют номера 34 и 54 на ответвлении от кабеля K1;
44 и 64 - на ответвлении от К2. В том случае, когда ответвление имеет более
двух разветвительных муфт на одном кабеле, их нумеруют 34а, 346, 54а, 546 для
ответвлений от KI и т.д.
Боксы, устанавливаемые в релейных шкафах или релейных помещениях, на
скелетной схеме кабеля заштриховываются.
Строительная длина кабеля составляет 425 метров.
Требуемая ёмкость и длина кабеля рассчитываются для каждого объекта связи
и СЦБ в соответствии с числом ответвляющихся цепей и удаленностью объекта от
трассы кабельной магистрали.
При этом следует руководствоваться следующими основными положениями:
На устройство вводов дополнительно расходуется кабель в пределах: ОУП,
пост ЭЦ, ПЗ или тяговая подстанция - 20 метров; остановочный пункт, будка на
переезде, линейно-путевое здание, квартира электромеханика - 5 метров, релейный
шкаф сигнальной установки автоблокировки или переездной сигнализации, ПСКЦ -3
метра.
При прокладке кабеля через водоёмы дополнительный расход кабеля
принимается в размере 14% от длины кабеля по трассе
·
Емкость кабеля
выбирается, исходя из количества физических цепей в ответвлении плюс запас в
количестве 10-15% от ожидаемой ёмкости.
Рис.3.1. Схема организации связи на перегоне.
4. Волоконно-оптическая линия связи
.1 Выбор волоконно-оптических систем передачи
При проектировании трактов оптической связи необходимо в первую очередь
принять оптимальное решение по выбору волоконно-оптической системы передачи. В
настоящее время в волоконно-оптических системах передачи общего пользования
применяется унифицированная каналообразующая аппаратура цифровых систем
передачи различных ступеней иерархии. Системы передачи с частотным разделением
каналов связи по оптическим кабелям еще не нашли практического применения, что
связано с определенными трудностями в обеспечении качественных показателей
линейного тракта. В настоящее время созданы следующие системы передачи:
"Соната-2". "Сопка - 2" с аппаратурой ИКМ - 120;
"Сопка - 3" и "Соната-Зм" с аппаратурой ИКМ - 480;
"Соната - 4" и "Соната - 4м" с аппаратурой ИКМ - 1920.
Для данного курсового проекта буду использовать систему передачи
“Соната-2” с аппаратурой ИКМ-480 (описание - табл. 4.1)
Табл. 4.1
|
Характеристика
|
Система передачи
|
Длина волны, мкм
|
Энергетический потенциал,
дБ
|
Тип линейного кода
|
Дальность связи, км
|
Тип источника излучения
|
Тип приемника излучения
|
Тип оптического волокна
|
Скорость передачи, Мбит/с
|
|
Соната-2
|
ИКМ-120
|
0,85
|
45
|
5В6В
|
До 600
|
ЛД
|
ЛФД
|
Многомодовое градиентное
|
34
|
4.2 Выбор оптического кабеля связи
Оптические кабели (ОК) содержат 4, 8 и 16 волокон. Волокна
классифицируются на ступенчатые, градиентные и одномодовые и используются на
длинах волн 0,85. 1,3 и 1.55 мкм. Кабели могут изготовляться с металлическими
элементами (оболочки, оплетки, армирующие стержни) и без них. Достоинствами ОК
без металлических элементов являются существенно меньшие габаритные размеры и
масса.
Выбор ОК осуществляется на основе: заданного числа каналов магистральной
связи и типа аппаратуры связи; назначения кабеля.
В соответствии с заданным числом каналов магистральной связи и типом
волоконно-оптической системы передачи следует определить число волокон ОК. При
использовании цифровой системы - передачи ИКМ-120 для организации 245
двусторонних каналов связи необходимо шесть волокон в ОК: три - для организации
245 каналов связи в прямом, и три - в обратном направлении.
Исходя из типа системы передачи, типа оптического волокна и значения
рабочей длины волны (λ, мкм), (см. табл. 4.1.1), выбирается марка кабеля:
ОК - линейный оптический многомодовый волны 0,85 мкм;
Маркировка оптического кабеля связи может быть записана условно в
следующем виде:
ОК-50-2-5-8
где 50- диаметр сердечника 50 мкм.
- номер разработки конструкции данного типа оптического кабеля;
-максимальное затухание оптического волокна, дБ/км;
- число оптических волокон;
Строительная длина 2000 м,
.3 Расчет параметров световодов
Важной характеристикой световода является числовая апертура NA,
представляющая собой синус максимального угла падения φпад лучей на торец световода, при
котором в световоде луч на границу "сердцевина-оболочка" падает под
критическим углом φкр. Если значение угла падения φпад ≥ φкр то в световоде происходит полное
внутреннее отражение луча. Следовательно
NA=n1cos φкр=
, (4.3.1.)
где
n1 и n2 показатель преломления соответственно сердцевины
и оболочки (для многомодового световода 1,53 и 1.5 соответственно).=
=0.30
Число
мод определяет способность световода "принимать" свет. Чем больше
мод, тем больше световой энергии можно ввести в световод от источника. С
увеличением числа мод полоса передаваемых частот снижается. Чем меньше мод, тем
лучше качество связи, и можно организовать большее число каналов.
Для
расчета числа мод необходимо рассчитать нормированную частоту
=
, (4.3.2)
где
a - радиус сердечника световода, 50 мкм (определяется по маркировке кабеля); λ - длина волны, 0,85 мкм;- числовая апертура;
=110.824
Общее
число передаваемых мод в световодах может быть определено по формулам:
=V2/2
- для градиентного профиля.=6,141*103
Важнейшим параметром световода является затухание передаваемой энергии.
Для заданных значений скорости передачи информации и вероятности ошибки
мощность на входе фотодетектора должна быть больше некоторой определенной
величины. Потери наряду с дисперсией определяют длину ретрансляционного участка
волоконно-оптической, линии связи (ВОЛС), т.е. расстояние, на которое можно
передавать сигнал без усиления. Данное расстояние соответствует расстоянию
между ЛРП волоконно-оптической линии связи, размещенными на схеме трассы линии
связи. В тех участках спектра, где существуют надежные источники излучения,
световоды должны иметь минимально возможное затухание. Существуют две главные
причины собственных потерь в световодах: поглощение и рассеяние энергии.
Затухание поглощения. αп связанное с потерями на диэлектрическую поляризацию,
линейно растет с частотой и существенно зависит от свойств материала световода
tg δ.
Расчет затухания поглощения, дБ/км:
αп
, (4.3.3.)
где,
λ - длина волны, м;
tg δ=10-11 -
тангенс угла диэлектрических потерь в световоде.
= 0,491
дБ/км
В
этой формуле приближенное вычисление объясняется тем, что показатели преломления
и тангенс диэлектрических потерь зависят от частоты, а следовательно, и от
длины волны, в связи с чем не могут быть заданы постоянными величинами при
расчете.
Потери
на рассеяние определяют нижний предел потерь, присущих волоконным счетоводам.
Потери с увеличением длины волны уменьшаются. Рассеяние обусловлено
неоднородностями материала волоконного световода, размеры которых меньше длины
волны, а также тепловой флуктуацией преломления.
Различают
линейное и нелинейное рассеяние. При линейном рассеянии его мощность
пропорциональна мощности падающей волны. В этом случае происходит частичное
изменение потока энергии.
Потери
на рассеяние, возникающие в результате флуктуации показателя преломления,
называются рэлеевскими и определяются по формуле. дБ/км.
, (4.3.4)
где,
λ - длина волны, мкм;p - коэффициент
рассеяния, равный для кварца 1.5 дБ/км*мкм4 для многомодового
световода;
aр=1,5/0,854=2.87 дБ/км
Суммарное
значение собственного затухания оптического волокна в общем случае
αс=αп+αр+αпк+αпр,
(4.3.5.)
αпр - коэффициент
затухания из-за наличия в материале волоконного световода посторонних примесей,
дБ/км (для многомодового световода приблизительно равен на λ=0.85 мкм - 0.3 дБ/км).
Именно
из-за нелинейности потерь αпр на заданных частотах за счет резонансных явлений
возникаю так называемые "окна прозрачности” световода, то есть
существенное уменьшение собственного затухания оптического волокна при длинах
волн 0.85, 1.3 и 1.55 мкм, поэтому передача по ОК осуществляется именно на
данных длинах волн.
αс=0.491+2.87+0.3=3.66
дБ/км
Кроме
собственных потерь αс надлежит
учитывать также дополнительные кабельные потери αк. Они
связаны с непостоянством размеров поперечного сечения волокна, наличием макро-
и микроизгибов из-за скрутки, конструктивных и технологических неоднородностей
и других причин. Установлено, что все кабельные потери увеличивают затухание.
Приближенно
можно рассчитать. дБ/км
αк= αгв+
, (4.3.6.)
где
αгв -
дополнительное затухание за счет геометрии волокна, (в среднем 0. 15* αс), дБ/км;
Ам
- потери на стыке оптических волокон в муфте (0.3 -на стык, дБ);стр
- протяженность строительной длины ОК, км.
αк=0.15*3.66+
=7.45
Качество
ввода зависит от соотношения площадей излучателя Sп и сердцевины
световода Sc. Существенно качество ввода зависит и от апертуры
световода (NA). т. к. только в пределах апертурного угла излучение эффективно
вводится в световод. Обычно площадь излучателя больше площади сердцевины
световода, поэтому не вся излучаемая энергия поступает в оптический тракт.
Потери энергии на вводе, дБ,
, (4.3.7)
где
m - коэффициент, и учитывается при расчете энергетического потенциала
аппаратуры.
Для
расчетов приняты следующие данные: Sп - 3*50 мкм для лазера; Sc=πа2 мкм, где а - радиус сердцевины
световода, мкм; m=10 для лазера.
Повышение
эффективности ввода излучения достигается за счет применения согласующего
оптического устройства в виде увеличительной линзы (или комбинации линз),
которая устанавливается между излучателем и торцом световода. Эффективность
согласующих устройств можно определить по справочным данным. В современных
системах волоконно-оптической передачи благодаря применению излучателей с
оптимальной диаграммой направленности и правильному их согласованию со
световодом потери энергии при вводе не превышают 4% от мощности источника.
Поэтому, учитывая дополнительные потери в разъемных и неразъемных соединениях
на стыке аппаратуры и ОК, торцевые потери
αт = q*αвв,
(4.3.8.)
где
q - поправочный коэффициент, равный 0,2 для многомодового световода.
В
световоде при передаче импульсных сигналов (отличающихся друг от друга
различной мощностью) после прохождения ими некоторого расстояния световые
импульсы искажаются и расширяются во времени, т. е. время подачи одного
импульса увеличивается. В результате наступает такой момент, когда соседние
импульсы начинают перекрывать друг друга. Данное явление в теории световодов
называют дисперсией.
Расширение
импульсов устанавливает предельные скорости передачи информации по световоду
при импульсно-кодовой модуляции и при малых потерях ограничивает длину
ретрансляционного участка. Дисперсия ограничивает пропускную способность ВОЛС,
которая предопределяет полосу частот ∆F, пропускаемую световодом, ширину
линейного тракта и соответственно объем информации, который можно передать по
ОК
Дисперсия
не только ограничивает частотный диапазон использования световодов, она
существенно снижает дальность передачи по ОК, т. к. чем длиннее линия, тем
больше проявляется дисперсия и больше уширение импульса. Дисперсия возникает по
двум причинам: не когерентность источников излучения и появление спектра ∆λ, существование большого числа мод N. Первая называется
хроматической (частотной) дисперсией, которая делится на материальную и
волновую. Материальная дисперсия обусловлена зависимостью коэффициента
преломления материала световода от длины волны. Волновая дисперсия обусловлена
процессами внутри моды и связана со световодной структурой моды. Она
характеризуется зависимостью коэффициента распространения моды от длины волны.
Модовая дисперсия объясняется наличием большого числа мод каждая из которых
распространяется со своей скоростью. Результирующее значение уширения импульсов
за счет модовой τмод (τмод=1.02),
материальной τмат (τмат=0,242)
и волновой τвв (τвв=7.179)
дисперсией.
,
(4.3.9.)
=7,49*10-9
с/км
Дисперсия проявляется по-разному в различных типах волоконных световодов.
В ступенчатых световодах при многомодовый передаче доминирует модовая
дисперсия, достигающая значений порядка 102-107 нс/км. В градиентных световодах
происходит выравнивание времени распространения различных мод, и определяющим
является дисперсия материала, которая уменьшается с увеличением длины волны.
4.4 Определение длины регенерационного участка на основе
расчета затухания и дисперсии
связь кабельный магистраль оптический
Длина регенерационного участка lру ВОЛС определяется
передаточными характеристиками кабеля: его коэффициентом затухания a и дисперсией t.
Затухание кабеля приводит к уменьшению передаваемой мощности, что
соответственно лимитирует длину регенерационного участка. Дисперсия кабеля
приводит к наложению передаваемых импульсов и как следствие к их искажению, и
чем длиннее линия, тем больше вносимые искажения импульсов, что, в свою очередь,
также накладывает ограничения на пропускную способность кабеля ∆F.
Длина
регенерационного участка должна удовлетворять значениям, как затухания, так и
дисперсии. Поэтому производится расчет длины регенерационного участка сначала
исходя из допустимого значения по затуханию
, затем
исходя из требуемых значений дисперсии и пропускной способности
. Из полученных двух значений
и
длин
регенерационного участка выбирается наименьшее значение как отвечающее условиям
затухания и дисперсии.
Допустимая
длина регенерационного участка ВОЛС по затуханию км, определяется исходя из
энергетического потенциала аппаратуры Ώ:
, (4.4.1)руз=(41-5-1,26)/(3.66+7.45)=3.5
км
где
Аз - энергетический запас системы (в среднем - 5 дБ), необходимый
для компенсации эффекта старения аппаратуры и ОК компенсации дополнительных
потерь, возникающих после проведения ремонтных работ на кабеле, случаев
некачественного сращивания сростков ОК и других отклонений параметров участка в
процессе эксплуатации.
Для
расчета длины регенерационного участка по пропускной способности
определим расчетную пропускную способность световода
на 1 км длины (Мбит-км/с)
∆Fx=1/τ, (4.4.2)
где
τ - дисперсия, c/км.
∆Fx=1/7,49*10-9=130
Мбит/с
Длина
регенерационного участка по пропускной способности
км. определяется из выражения
∆Fx=∆F
, (4.4.3)
где
∆F - скорость передачи волоконно-оптической системы, Мбит/с.
=14.61 км
Из
полученных значений
и
выбирается
наименьшее, которое и будет являться значением длины регенерационного участка
. Из данных расчетов можно сделать вывод, что длина
регенерационного участка
будет равна 3,5 км.
Заключение
В данном курсовом проекте рассчитал кабельную линию на перегоне и на всем
участке железной дороги. Рассчитал опасные и мешающие влияния на протяжении
всей линии связи. Разработана схема прокладки кабеля на протяжении всего
участка железной дороги, кроме того рассчитана линия связи с оптико-волоконным
кабелем.
Целью данного проекта было как можно полно узнать методы и способы
прокладки кабельной линии связи в разных условиях с многими мешающими
факторами. Проведена прокладка кабельной линии через водные преграды, в почве с
разными значениями проводимости и коррозийной активностью. Предусмотрена
разбивка всего участка связи на усилительные, чтобы обеспечить хорошую и
надежную передачу информации, и так чтобы не было сильных мешающих влияний.
Кроме всего этого, рассчитана линия связи и СЦБ на перегоне.
Я считаю, что цели данного проекта выполнены.