Разработка текущего (квартального) плана, действующего нефтеперерабатывающего предприятия
Введение
В условиях развития рыночных отношений важнейшей функцией
управления остается функция планирования производственно-хозяйственной и
финансовой деятельности любой предпринимательской структуры, в том числе и
промышленного предприятия. Результативность и эффективность функционирования
хозяйствующего субъекта определяется качеством принимаемых плановых решений,
как в области производства, так и в сфере реализации продукции, рассматриваемых
в тесной взаимосвязи друг с другом.
Между тем, планирование - важная функция управления любым
предприятием. Многолетний опыт зарубежных фирм и российских предприятий
показал, что недооценка планирования предпринимательской деятельности в
условиях рынка, сведение его к минимуму, игнорирование или некомпетентное осуществление
зачастую приводят к неоправданным экономическим потерям и, в конечном счете, к
банкротству.
Календарные планы (месячные, декадные, квартальные,
полугодовые), конкретизирующие цели и задачи предприятия, включают сведения о
заказах, об обеспеченности их материальными ресурсами, о степени загрузки
производственных мощностей и их использовании с учетом срока исполнения каждого
заказа. В них предусматриваются расходы на реконструкцию имеющихся мощностей,
замену оборудования, обучение работников и др. в условиях хозяйствования
предприятия широко используют преимущества планирования в конкурентной борьбе.
Поэтому важно хорошо подготовится к началу ведения предпринимательской
деятельности, уметь составить продуманный и всесторонне обоснованный детальный
план - документ, определяющий стратегию и тактику ведения бизнеса, технологию,
организацию производства и реализацию продукции.
Нефтеперерабатывающие предприятия России производят все виды
топлива, продукцию, пользующуюся большим спросом в нефтехимической и лакокрасочной
промышленности, на предприятиях бытовой химии и в строительной индустрии.
Товарную номенклатуру в основном составляют неэтилированные автомобильные
бензины, дизельные топлива, топливо для реактивных двигателей, мазуты, нефтяные
битумы, углеводородные сжиженные газы, нефтяная ароматика и растворители,
полиалкилбензол, линейный алкилбензол, АБСК (алкилбензолсульфоновая кислота),
нефтяные парафины, серная кислота, сера, кровельные материалы. География рынка
сбыта продукции чрезвычайно широка: основные направления - Северо-западный
регион РФ, Западная и Восточная Европа.
В ходе написания данной курсовой работы предусматривается
решение различных планово-экономических задач:
- планирование производственной программы с учетом
рыночного спроса;
- прогнозирование и планирование развития предприятия
химической промышленности;
оценка прогнозов развития предприятия на основе
показателей финансовой устойчивости;
планирование показателей по труду и оплате труда
работников предприятия;
обоснование основных плановых показателей
производственно-финансовой деятельности предприятия на основе анализа текущих и
капитальных затрат.
Целью курсовой работы является разработка и обоснование
бизнес-плана действующего нефтеперерабатывающего предприятия. В данной курсовой
работе будет рассмотрена установка «Парекс», предназначенная для получения
жидких н-парафинов из прямогонной гидроочищенной дизельной фракции 182-315 С, и
разработан текущий план предприятия[1].
1.
Краткая характеристика выпускаемой готовой продукции и полуфабрикатов
планирование
прогнозирование финансовый спрос
Конечная продукция производится на установке
предфракционирования парафинов, которая предназначена для следующих целей:
ü фракция С9 - как компонент для
приготовления товарного дизельного топлива;
ü парафины С10-13 - как компонент
для производства моющих средств на установках ЛАБ-ЛАБС;
ü парафины С13 - как товарный
продукт для реализации на сторону;
ü парафины С14-17 - как товарный
продукт для реализации на сторону; парафины С18 и выше - как компонент
для приготовления топлива для нужд завода
Метод определения содержания примесей и расчет содержания
н-алканов в нефтяных жидких парафинах определяется ГОСТ 25559-82. Действующий
Настоящий стандарт устанавливает метод определения содержания примесей газовой
хроматографией и расчет содержания н-алканов при массовой доле их 90,0 - 99,5%
в жидких нефтяных парафинах, выкипающих при температуре 170-360 град. С,
включая узкие фракции жидких парафинов С10-С13 и С14-С19, вырабатываемых на
промышленных предприятиях.
Ниже приведены основные физико-технические параметры и
потребительские свойства продуктов[2].
2. Краткое описание технологической схемы
производства
.1 Первичная переработка нефти
Данное производство включает в себя следующие схемы:
ü первичная переработка нефти (установки
АТ-1, АВТ-2, АВТ-6):
ü гидроочистка фракции 230-320 оС,
ü установка «Парекс»,
ü предфракционирование парафинов.
Переработка нефти начинается с ее
первичной перегонки. Сырьем для установок первичной перегонки служат нефть и
газовый конденсат. Их разделяют на фракции для последующей переработки или
использования как товарных продуктов. При первичной переработке нефти проводят
ее атмосферную перегонку и вакуумную перегонку мазута. Эти процессы
осуществляют на атмосферных трубчатых (AT) установках и вакуумных
трубчатых (ВТ) установках. Принципиальная технологическая схема установки
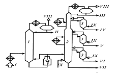
АТ-АВТ представлена на рис. 1.
Рис. 1. Принципиальная технологическая схема блока атмосферной
разгонки нефти ЭЛОУ-АВТ-6
1 - отбензинивающая колонна, 2 - атмосферная колонна, 3 -
отпарные колонны, 4 - атмосферная печь, I - нефть с ЭЛОУ, I I - легкий бензин, I I I - тяжелый бензин, IV - фракция 180-220оС,
V - фракция 220-280оС,
VI - фракция 280-350оС,
VII - мазут, VIII - газ, IX - водяной пар.
На АТ-установках осуществляют неглубокую
перегонку нефти с получением бензиновых, керосиновых, дизельных фракций и
мазута. ВТ-установки предназначены для углубления переработки нефти. На этих
установках из мазута получают газойлевые, масляные фракции и гудрон, которые
используют в качестве сырья в процессах вторичной переработки нефти.
Процесс перегонки происходит в
ректификационной колонне, представляющей собой вертикальный цилиндрический
аппарат высотой до 30 м и диаметром до 4 м. Внутреннее пространство колонны
разделено на отсеки большим количеством горизонтальных дисков (тарелок) в
которых имеются отверстия для прохождения через них паров нефти.
Перед закачкой в колонну нефть нагревают в
трубчатой печи до температуры 360-390 0С. При этом бензин, нафта
(лигроин), керосин, легкий и тяжелый газойль переходят в парообразное
состояние, а жидкая фаза с более высокой температурой кипения представляет
собой мазут. После ввода горячей смеси в колонну мазут стекает вниз, а
углеводороды в парообразном состоянии поднимаются вверх.
Особенность процесса ректификации заключается
в том, что горячие пара, поднимаясь, поочередно проходят через слои горячего
конденсата. Несконденсировавшиеся пары углеводородов направляются на
газофракционирование, где из них получают сухой газ, пропан, бутан и бензиновую
фракцию.
При первичной перегонке нефти получают
широкий ассортимент фракций и нефтепродуктов, различающихся по границам
температур кипения, углеводородному и химическому составу, вязкости, температурам
вспышки, застывания и другим свойствам.
Фракцию именуют нефтепродуктом, если ее
свойства отвечают нормам стандарта или техническим условиям (ТУ) на товарный
продукт, не требующий дополнительного передела.
Фракция 200-320 0С из
высокопарафинистой нефти используется как сырье для получения жидких парафинов.
Жидкие парафины, извлеченные из средних
дистиллятов нефти, являются ценным сырьем для производства основных
составляющих любого синтетического моющего средства, в частности линейных
алкилбензола (ЛАБ), алкилбензолсульфоната (ЛАБС) и алкилбензолсульфоновой
кислоты (ЛАБСК). Использование жидких парафинов для этих целей позволило
высвободить сырьё растительного происхождения (растительные масла). Кроме того,
жидкие парафины могут быть использованы для получения нефтяных растворителей.
Процесс перегонки происходит в ректификационной колонне, представляющей собой
вертикальный цилиндрический аппарат высотой до 30 м и диаметром до 4 м.
Внутреннее пространство колонны разделено на отсеки большим количеством горизонтальных
дисков (тарелок) в которых имеются отверстия для прохождения через них паров
нефти. Наиболее совершенным способом выделения жидких парафинов является
адсорбционный способ с помощью цеолитов (молекулярных сит). По этому способу в
настоящее время в мире работает ряд технологических установок. В России
наиболее распространена установка «Парекс».
В качестве сырья установки используется прямогонная фракция с
пределами выкипания 180-305°С. Поскольку содержащиеся в сырье сернистые,
азотистые и непредельные соединения оказывают неблагоприятное воздействие на
молекулярные сита, эта фракция подвергается глубокому обессериванию и
гидрированию на установках гидроочистки, где используются алюмоникель- или
алюмокобальтмолибденовые катализаторы.
Следующая стадия - гидроочистка фракции 230-320 оС.
Гидроочистка используется для очистки топлив от вредных
примесей главным образом от сернистых соединений. Проводится гидроочистка при
температурах 340-430°С и давлении водорода 5-7 МПа. Принципиальная схема
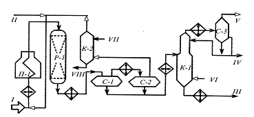
гидроочистки представлена на рис. 2.
Рис. 2. Принципиальная схема гидроочистки дизельной фракции
ЛЧ-24-2000.
I-сырье; II - свежий
водородсодержащий газ; III - гидрогенизат; IV -
бензиновая фракция; V - углеводородный газ на очистку; VI -
отдувочный водородсодержащий газ; VII - регенерированный
моноэтаноламин; VIII - отработанный моноэтаноламин
на регенерацию.
Сырьем для гидроочистки являются в основном сернистые
бензины, дизельные топлива, газойль прямой гонки, вакуумный газойль и смазочные
масла. Целевой продукт - обессеренные топливные фракции и масла. При
гидроочистке гетероатомные соединения превращаются в углеводороды и
гетероатомные газы (аммиак, сероводород, вода), а «очищенные» топливные фракции
используются как топливо либо поступают на последующую переработку[3]. В
частности, гидроочищенная фракция 180-350°С поступает на установку «Парекс».
Рис. 3. Принципиальная схема процесса «Парекс»
Эта технологическая установка предназначена для получения
жидких н-парафинов из прямогонной гидроочищенной фракции 180-350оС
путем разделения ее в результате адсорбции с последующей десорбцией на два
продукта: нормальные жидкие паравины (С10-С20) с чистотой
основного вещества не менее 99,1-99,5% мас. И депарафинированную фракцию -
компонент дизельного топлива с температурой застывания минус 60-70оС.
Выделение жидких парафинов производится в настоящее время на молекулярных ситах
фирмы UnionCarbide кальциевой основы с размера входных окон 5А. Технологическую
схему установки можно разделить на три блока, а именно:
ü подготовка свежего ВСГ;
ü собственно «Парекс» с системами
стабилизации н-парафинов и денормализата;
ü олеумная очистка нормальных парафинов.
Блок подготовки ВСГ предназначен для очистки последнего от
сероводорода, окиси и двуокиси углерода и углеводородов С2 и выше.
Эти ингредиенты губительным образом действуют на активность молекулярных сит,
понижают их емкость и вместе сприсутствующим на установке десорбентом-аммиаком
способствуют образованию различных твердых солей, которые быстро забивают
аппаратуру.
Блок «Парекс», состоящий из трех адсорберов с системами
циркуляцией ВСГ, десорбента-аммиака и аппаратами для стабилизации жидких
парафинов и денормализата, имеет главное назначение - производство непрерывной
адсорбции н-парафинов с последующей десорбцией.
Блок олеумной очистки предназначен для удаления из десорбата
(фракция С10-С20) или неочищенных фракций С14-С17,
возвращаемых с комплекса ЛАБ-ЛАБС, различных непредельных, ароматических и
смолистых соединений с последующими операциями: нейтрализацией кислого парафина
щелочью, промывкой водой от солей и сепарацией от воды с помощью центрифуг.
После выделения на установке «Парекс» жидкие парафины
поступают на установку предфракционирования, то есть предварительного
фракционирования смеси н-парафинов с числом углеродных атомов в ней от 10 до
20. Разделение широкой фракции н-парафинов производится в ректификационных
колоннах. В этом блоке производится целевая фракция н-парафинов С10-С13 для
ЛАБ-ЛАБС, а также фракции С13 и С14-С17, которые уходят с блока как товарные
продукты, фракция С18 и выше используется в качестве компонента мазутов (по
заданию - для нужд завода).
3.
Расчет производственной мощности и обоснование производственной программы
Производственная мощность предприятия - это максимально
возможный выпуск продукции за единицу времени в натуральном выражении в
установленных планом номенклатуре и ассортименте при полном использовании
производственного оборудования и площадей, с учетом применения передовой
технологии, улучшении организации производства и труда, обеспечении высокого
качества продукции. Она определяется, как правило, в расчете на год по мощности
основных (ведущих) цехов, участков или агрегатов, т.е. тех из них, которые
выполняют основные технологические операции по изготовлению продукции.
Расчет производственной мощности завода ведется по всем его
подразделениям в следующей последовательности:
ü по агрегатам и группам технологического
оборудования;
ü по производственным участкам;
ü по основным цехам и заводу в целом.
Для расчета производственной мощности необходимо иметь
следующие исходные данные:
ü плановый фонд рабочего времени одного
станка;
ü количество машин;
ü производительность оборудования;
ü трудоемкость производственной программы;
ü достигнутый процент выполнения норм
выработки.
В условиях многономенклатурного производства ПМ определяется
как частное от деления фонда времени работы оборудования на трудоёмкость
комплекта изделий, изготовляемых на данном оборудовании.
Исходя из данных таблицы 1, сформируем таблицу исходных
данных, необходимых для расчета производственной мощности по каждой из
выделенных основных стадий рассматриваемого производства.
Таблица 1. Основные технико-экономические параметры процессов
и установок
|
Наименование процессов (стадий) и установок
|
Кол-во, единиц
|
Производительность установки (загрузка), м3(т)/час
|
Период между ремонтами, час.
|
Продолжительность ремонта, час.
|
|
|
|
Капитальный
|
Текущий
|
Капитальный
|
Текущий
|
|
I Первичная переработка нефти Установка АТ-1
Установка АВТ-2 Установка АВТ-6
|
1 1 1
|
300 450 450
|
34560 34560 43800
|
720 1440 2160
|
360 360 600
|
12 12 12
|
|
II Гидроочистка фракции 230-320 оС
Установка 24/6 (блоки)
|
2
|
140
|
17280
|
720
|
180
|
18
|
|
III Установка «Парекс»
|
2
|
100
|
25920
|
720
|
360
|
18
|
|
IV Установка
предфракционирования (разделения) парафинов
|
1
|
18,3
|
17280
|
1440
|
600
|
12
|
Таблица 2. График капитальных ремонтов установок
|
Установки
|
Предыдущий кап. ремонт
|
Исходный
|
Следующий кап. ремонт
|
|
АТ-1
|
Апрель 2005
|
Апрель 2009
|
Апрель 2013
|
|
АВТ-2
|
Декабрь 2007
|
Декабрь 2011
|
Декабрь 2015
|
|
АВТ-6
|
Май 2006
|
Май 2011
|
Май 2016
|
|
Гидроочистка №1
|
Сентябрь 2006
|
Сентябрь 2008
|
Сентябрь 2010
|
|
Гидроочистка №2
|
Январь 2007
|
Январь 2009
|
Январь 2011
|
|
Парекс №1
|
Июль 2009
|
Июль 2012
|
Июль 2015
|
|
Парекс №2
|
Август 2008
|
Август 2011
|
Август 2014
|
|
Установка предфракционирования
|
Июнь 2006
|
Июнь 2008
|
Июнь 2010
|
|
парафинов
|
|
|
|
Межремонтный пробег определяем, исходя из табл. 2:
· для установок АТ-1 и АВТ-2 он равен 4
годам;
· для установки АВТ-6 - 5 лет;
· для установок гидроочистки - 2 года;
· для установок «Парекс» - 3 года;
· для установки предфракционирования - 2
года.
В таблице 3 представлен график планово-предупредительных
ремонтов. Текущие ремонты для установок АТ-1, гидроочистки и установки «Парекс»
должны проводиться через 30 дней (12 раз в год), для АВТ-2 и установки
предфракционирования - через 60 дней (6 раз/год), для АВТ-6 - через 90 дней (4
раза/год).
Таблица 3. План-график планово-предупредительных ремонтов
(ППР на 2008 год)
|
1 кв.
|
2 кв.
|
3 кв.
|
4 кв.
|
|
янв.
|
февр.
|
март
|
апр.
|
май
|
Июнь
|
Июль
|
авг.
|
сент.
|
окт.
|
нояб.
|
дек.
|
|
АТ-1
|
ТР
|
ТР
|
ТР
|
ТР
|
ТР
|
ТР
|
ТР
|
ТР
|
ТР
|
ТР
|
ТР
|
ТР
|
|
АВТ-2
|
ТР
|
|
ТР
|
ТР
|
|
ТР
|
ТР
|
|
ТР
|
|
ТР
|
|
|
АВТ-6
|
|
ТР
|
|
|
ТР
|
|
|
ТР
|
|
|
ТР
|
|
|
Гидроочистка №1
|
ТР
|
ТР
|
ТР
|
ТР
|
ТР
|
ТР
|
ТР
|
ТР
|
ТР КР
|
ТР
|
ТР
|
ТР
|
|
Гидроочистка №2
|
ТР
|
ТР
|
ТР
|
ТР
|
ТР
|
ТР
|
ТР
|
ТР
|
ТР
|
ТР
|
ТР
|
ТР
|
|
Парекс №1
|
ТР
|
ТР
|
ТР
|
ТР
|
ТР
|
ТР
|
ТР
|
ТР
|
ТР
|
ТР
|
ТР
|
ТР
|
|
Парекс №2
|
ТР
|
ТР
|
ТР
|
ТР
|
ТР
|
ТР
|
ТР
|
ТР КР
|
ТР
|
ТР
|
ТР
|
ТР
|
|
Уст. предфр.
|
|
ТР
|
|
ТР
|
|
ТР КР
|
|
ТР
|
|
ТР
|
|
ТР
|
Исходя из графика ППР можно рассчитать эффективный фонд
работы оборудования (табл. 5), используя формулу вида:
,
где
- время простоя оборудования в ремонтах в среднем за год в
течение ремонтного цикла.
Tкал = 91 день*24 часа = 2184 ч.
Рассматриваемый период - 2 квартал 2008 года (табл. 4).
Таблица 4. Производственный календарь на 2 квартал 2008 года
|
Апрель
|
Май
|
Июнь
|
IIквартал
|
|
Календарные дни
|
31
|
30
|
31
|
92
|
|
Праздничные дни
|
|
3
|
1
|
4
|
Таблица 5. Эффективный фонд работы оборудования
|
Наименование оборудования
|
Ткал.,
час.
|
Тппр, час.
|
Тэф, час.
|
|
АТ-1
|
2184
|
3*12=36
|
2148
|
|
АВТ-2
|
2184
|
1*12=12
|
2172
|
|
АВТ-6
|
2184
|
1*12=12
|
2172
|
|
Гидроочистка №1
|
2184
|
3*18=54
|
2130
|
|
Гидроочистка №2
|
2184
|
3*18=54
|
2130
|
|
Парекс №1
|
2184
|
3*18=54
|
2130
|
|
Парекс №2
|
2184
|
3*18=54
|
2130
|
|
Уст. предфр.
|
2184
|
2*12=24
|
2160
|
Тппр = nр * Продолжительность ремонта
где nр. - число ремонтов за квартал.
Производственную мощность рассчитываем в пересчете на
производство (переработку) фракции дизельного топлива (230-320 оС)
установок по формуле:
, где
- квартальная мощность производства на отдельной стадии, м3
(т);
- часовая производительность (загрузка) i-ой установки, м3 (т)/час;
- эффективный фонд работы i-ой установки за квартал, час;
- количество i-х
установок;
- коэффициент выхода дизельного топлива наi-ой установке;
- количество типов установок на отдельной стадии производства.
Выход фракции 230-320 оС после первичной переработки
нефти принять в размере 24% (объемных) от загружаемой нефти. При этом плотность
вырабатываемой фракции принимается в размере 0,82 кг/м3.
Выход десорбата (смеси фракции С9и парафинов) с
установки «Парекс» принять в размере 17% (объемных) от загружаемого исходного
продукта. При этом плотность вырабатываемой фракции принимается в размере 0,83
кг/м3.
Результаты расчёта производственной мощности представлены в
таблице 6.
Для точности расчетов правила округления принимаем следующие:
рубли округляем до копеек, тысячи рублей до 0,1, остальные значения округляем
до 2-х знаков после запятой.
Таблица 6. Расчет производственной мощности
|
Установки
|
, часовЗагрузка м3
(т)/час ПМ, м3
(кг)/кв
|
|
|
|
|
АТ - 1
|
2148
|
300
|
0,24
|
2148*300*0,24 =154656
|
|
АВТ- 2
|
2172
|
450
|
0,24
|
2172*450*0,24 = 234576
|
|
АВТ- 6
|
2172
|
450
|
0,24
|
2172*450*0,24 = 234576
|
|
Установка гидроочистки №1
|
2130
|
140
|
0,5
|
2130*140*0,5 = 149100
|
|
Установка гидроочистки №2
|
2130
|
140
|
2130*140*0,5 =149100
|
|
Установка «Парекс» №1
|
2130
|
100
|
0,17
|
2130*100*0,17 = 36210
|
|
Установка «Парекс» №2
|
2130
|
100
|
0,17
|
2130*100*0,17 = 36210
|
|
Установка предфракционирования
|
2160
|
18,3
|
1
|
2160*18,3*1 = 39528
|
Рассчитаем производственную мощность в пересчете на
производство (переработку) продукции фракции дизельного топлива (230-320 оС)
(табл. 7) для:
стадии предфракционирования парафинов - в расчете на объем
десорбата (смеси фракции С9и парафинов), поступающего с установки
«Парекс» с учетом потерь;
установки «Парекс» - в расчете на получение суммарного объема
продукции нормализата и десорбата, исходя из заданного соотношения 83:17;
установки гидроочистки - в расчете на получение фракции
дизельного топлива (230-320 оС) в объеме, из которого до 50%
направляется на установку «Парекс»;
установок первичной переработки нефти - в расчете на выход
фракции 230-320 оС после первичной переработки нефти в размере 82%
(объемных) от загружаемой нефти.
Конечная продукция производится на установке
предфракционирования парафинов.
Таблица 7. Расчет производственной мощности в пересчете на
производство фракции дизельного топлива (230-320С)
|
ПМ
|
Стадии
|
|
1 (АВТ)
|
2 (Гидроочистка)
|
3 («Парекс»)
|
4 (Предфр.)
|
|
ПМ м3 (т)/кв.
|
623808
|
298200
|
72420
|
39528
|
|
*1,35 = десорбат (т)
|
|
|
|
53362,80
|
|
/0,83 = десорбат (м3)
|
|
|
|
64292,53
|
|
*100/17 = диз. фр. (м3)
|
|
|
426000
|
378191,35
|
|
*2 = диз. фр. для гидроочистки (м3)
|
|
596400
|
852000
|
756382,70
|
|
*0,82 = диз. фр. (т/кв)
|
511522,56
|
489048
|
698640
|
620233,82
|
|
/1000 = диз. фр. (тыс. т/кв)
|
511,52
|
489,05
|
698,64
|
620,23
|
На основе производственных мощностей основных стадий
рассматриваемого производства (табл. 7) построим профиль производственных
мощностей по переделам (рис. 4).
Рис. 4. Профиль производственной мощности по стадиям в
пересчете на фракцию ДТ (230-320 оС)
Рассчитываем показатели пропорциональности производственных
мощностей по рассматриваемым стадиям:
Кпроп = Мi / Мвед, где
Мi - мощность на i-стадии производства;
Мвед - мощность установки предфракционирования.
Таблица 8. Показатели пропорциональности
|
Показатели
|
Стадии
|
|
1
|
2
|
3
|
4
|
|
Мi, (тыс. т/кв.)
|
511,52
|
489,48
|
698,64
|
620,23
|
|
Мвед, (тыс. т/кв.)
|
620,23
|
620,23
|
620,23
|
620,23
|
|
Кпроп
|
0,82
|
0,79
|
1,13
|
1
|
Таким образом «узкими» местами являются стадия первичной
переработки нефти и стадия гидроочистки.
Рассчитаем план производства и реализации конечной продукции
в натуральном выражении в соответствии с показателями табл. 9.
Таблица 9. Данные по планируемым объемам производства и
реализации нефтепродуктов за квартал
|
Показатели
|
6 вариант
|
|
I Объем реализации продукции на сторону (тыс.
тонн):
|
|
|
Парафины:
|
|
|
- фракции С13
|
1,95
|
|
- фракции С14-17-
|
13,3
|
|
II Объем производства полуфабрикатов для
собственного производства (тыс. тонн):
|
|
|
- фракции С9
|
0,25
|
|
- фракции С10-13-
|
13,0
|
|
- фракции С18-
|
3,45
|
|
III Остатки продукции на складе товарной
продукции на начало квартала: Парафины:
|
|
|
- фракции С13
|
0,05
|
|
- фракции С14-17-
|
0,45
|
|
IV Остатки продукции на складе товарной
продукции на конец квартала: Парафины:
|
|
|
- фракции С13
|
0,07
|
|
- фракции С14-17-
|
0,25
|
Vреал. = Vпр-ва - D остатков ÞVпр-ва = Vреал.+D остатков
Тогда: Vпр-ва С13 = 1,95 + (0,07 - 0,05)=1,97 тыс. т
Vпр-ва С14-17 = 13,3 + (0,25 - 0,45)=13,1 тыс. т
Vпр-ва С9 = 0,25 тыс. т
Vпр-ва С10-13 = 13,0 тыс. т
Vпр-ва С18 и выше = 3,45 тыс. т
Итого: 31,77 тыс. т
Продукция предназначена для следующих целей:
фракция С9 - как компонент для приготовления
товарного дизельного топлива;
парафины С10-13 - как компонент для производства
моющих средств на установках ЛАБ-ЛАБС;
парафины С13 - как товарный продукт для реализации
на сторону;
парафины С14-17 - как товарный продукт для
реализации на сторону;
парафины С18 и выше - как компонент для
приготовления топлива для нужд завода.
Расчет плановой производственной программы по всем переделам
в пересчете на производство (переработку) продукции фракции дизельного топлива
(230-320 оС) в табл. 10
Таблица 10. Производственная программа по стадиям в пересчете
на производство фракции дизельного топлива
|
Стадии
|
|
1
|
2
|
3
|
4
|
|
Vпр-ва, м3 (т)/кв
|
756382,70
|
378191,35
|
6429,25
|
3952,80
|
|
*1,35 = десорбат (т)
|
|
|
|
5336,28
|
|
/0,83 = десорбат (м3)
|
|
|
|
6429,25
|
|
*100/17 = диз. фр. (м3)
|
|
|
378191,35
|
378191,35
|
|
*2 = диз. фр. для гидроочистки (м3)
|
|
756382,70
|
75682,70
|
75682,70
|
|
*0,82 = диз. фр. (т/кв)
|
620233,82
|
620233,82
|
620233,82
|
620233,82
|
|
/1000 = диз. фр. (тыс. т/кв)
|
620,23
|
620,23
|
620,23
|
620,23
|
Далее проиллюстрируем соотношение производственной программы
и производственной мощности (рис. 5).
Из рис. 5 видно, что производственной мощности не хватает на
стадии гидроочистки. Необходимо увеличить Квых до 55% то есть после
установки гидроочистки на установку «Парекс» пойдет 55% (раньше 50%) очищенной
дизельной фракции.
Таблица 11. Расчет производственной мощности установок
гидроочистки с новым Квых
|
Установки
|
Тэф, ч.
|
Квых
|
Загрузка м3 (т)/час
|
ПМ, м3 (кг)/кв
|
|
Установка гидроочистки №1
|
2130
|
0,55
|
140
|
2130*140*0,55 = 164010
|
|
Установка гидроочистки №2
|
2130
|
0,55
|
140
|
2130*140*0,55 = 164010
|
|
Итого
|
|
|
|
325020
|
Таблица 12. Расчет ПМ в пересчете на производство фракции ДТ
с Квых=55% на установке гидроочистки
|
Стадии
|
|
1
|
2
|
3
|
4
|
|
ПМ м3 (т)/кв
|
623808
|
328020
|
72420
|
39528
|
|
*1,35 = десорбат (кг)
|
|
|
|
53362,8
|
|
/0,83 = десорбат (м3)
|
|
|
|
64292,53
|
|
*100/17 = диз. фр. (м3)
|
|
|
426000
|
378191,35
|
|
*100/55 = диз. фр. для гидроочистки (м3)
|
|
596400
|
665625
|
590923,99
|
|
*0,82 = диз. фр. (т/кв)
|
511522,56
|
489048
|
545812,5
|
484557,67
|
|
/1000 = диз. фр. (тыс. т/кв)
|
511,52
|
489,05
|
545,81
|
484,55
|
Таблица 13. ПП по стадиям с Квых=55% на установке
гидроочистки в пересчете на производство фракции дизельного топлива
|
Стадии
|
|
1
|
2
|
3
|
4
|
|
Vпр-ва, м3 (т)/кв
|
552664,16
|
303965,29
|
51674,10
|
31770
|
|
*1,35 = десорбат (т)
|
|
|
|
42889,5
|
|
/0,83 = десорбат (м3)
|
|
|
|
51674,10
|
|
*100/17 = диз. фр. (м3)
|
|
|
303965,29
|
303965,29
|
|
*100/55 = диз. фр. для гидроочистки (м3)
|
|
552664,16
|
552664,16
|
552664,16
|
|
*0,82 = диз. фр. (т/кв)
|
453184,61
|
453184,61
|
453184,61
|
453184,61
|
|
/1000 = диз. фр. (тыс. т/кв)
|
453,18
|
453,18
|
453,18
|
453,18
|
Рис. 6 Итоговый график выполнения производственной программы
Коэффициент использования производственной мощности по всем
стадиям производства определяем по формуле:
На 1 ой стадии Кимп = 453,18/511,52=88,59%
На 2 ой стадии Кимп = 453,18/489,05=92,67%
На 3 ой стадии Кимп =453,18/545,81= 83,03%
На 4 ой стадии Кимп = 453,18/484,55=93,53%
Уровень использования производственной мощности ведущего
оборудования приемлемый (выше 75%). Таким образом, никаких изменений
производственной программы не требуется.
Балансовая стоимость оборудования представлена в табл. 14.
Таблица 14. Балансовая стоимость оборудования
|
Наименование процессов (стадий) и установок
|
Кол-во, единиц
|
Балансовая стоимость единицы, тыс. руб.
|
Стоимость оборудования тыс. руб.
|
|
I Первичная переработка нефти Установка АТ - 1
Установка АВТ - 2 Установка АВТ - 6
|
1 1 1
|
58,6 65,0 62,9
|
58,6 65,0 62,9
|
|
II Гидроочистка фракции 230-320 оС
Установка 24/6 (блоки)
|
2
|
18,5
|
37
|
|
III Установка «Парекс»
|
2
|
43,8
|
87,6
|
|
IV Установка
предфракционирования (разделения) парафинов
|
1
|
27,6
|
27,6
|
Итоговый вариант плана загрузки производственных мощностей и
соответствующего плана выполнения производственной программы по всем видам
продукции на планируемый квартал года в натуральном выражении представлен в
табл. 15.
На всех стадиях производственная мощность превышает
производственную программу, следовательно производственная программа может быть
выполнена.
Таблица 15. План загрузки мощностей
|
Стадии
|
|
1
|
2
|
3
|
4
|
|
Производственная Мощность м3 (т)/кв
|
623808
|
328020
|
72420
|
39528
|
|
Производственная программа м3 (т)/кв
|
552664,16
|
303965,29
|
51674,10
|
31770
|
Таблица 16. План загрузки мощностей в пересчете на дизельную
фракцию
|
Стадии
|
|
1
|
2
|
3
|
4
|
|
Производственная Мощность тыс. т/кв
|
511,52
|
489,05
|
545,81
|
484,55
|
|
Производственная программа тыс. т/кв
|
453,18
|
453,18
|
453,18
|
453,18
|
На всех стадиях производственная мощность превышает
производственную программу, следовательно производственная программа может быть
выполнена.
План
обеспечения производства материально-техническими ресурсами
По плану производственной программы объем производства
парафинов в II квартале 2008 года будет 31,77 тыс.т (в пересчете на десорбат -
42,89 тыс. т). Из них парафины С10-13 и С14-17
составляют соответственно 13,0 тыс. т и 13,1 тыс. т.
Таблица 17. Нормы расхода материальных и энергетических
ресурсов по установке предфракционирования парафинов
|
№ п/п
|
Наименование ресурсов
|
Ед. изм.
|
Стоимость единицы, руб.
|
Норма расхода на 1 тонну продукта
|
Стоимость на объем производства, руб.
|
|
1
|
Десорбат с установки «Парекс»
|
т
|
29300*)
|
-
|
29300*42,89 = 1256677,0
|
|
2
|
Потери безвозвратные десорбата
|
%
|
-
|
0,35
|
0,35*1255885,9=4394560,07
|
|
3
|
Реагенты, в том числе: - аммиак - сода
каустическая
|
кг кг
|
8,554 13,183
|
5,6**) 12,5***)
|
8,554*5,6*42,89 = 2054,53
13,183*12,5*(13,1+13) =4300,95
|
|
4
|
Технологическое топливо
|
т
|
6740
|
0,186**)
|
6740*0,186*42,89= =53768,62
|
|
5
|
Тепловая энергия (пар)
|
Гкал
|
815
|
0,077**)
|
815*0,077*42,89 = =2691,56
|
|
6
|
Электроэнергия
|
2,19
|
0,01**)
|
2,19*0,01*42,89 = 0,94
|
|
7
|
Сжатый воздух
|
м3
|
0,562
|
5,88***)
|
0,562*5,88*(13,1+13)=86,25
|
|
8
|
Азот
|
м3
|
5,65
|
1,94***)
|
5,65*1,94*(13,1+13)=286,08
|
Примечания:
*) по себестоимости продукции установки
«Парекс»
**) в расчете на десорбат, поступающий с
установки «Парекс»
***) в расчете на получаемые товарные продукты
(парафины С10-13 и С14-17)
План
по труду и заработной плате производственно-промышленного персонала (ППП)
Персонал предприятий подразделяется на
промышленно-производственный и непромышленный персонал. К промышленно-производственному
персоналу (ППП) относят лиц, занятых трудовыми операциями, связанными с
основной деятельностью предприятия (изготовление промышленной продукции и
выполнение работ промышленного характера, организация производства и управление
предприятием и др.). К непромышленному персоналу относят лиц, трудовая
деятельность которых связана с выполнением работ, относящихся к другим (кроме
промышленности) отраслям экономики.
ППП, в зависимости от характера выполняемых им функций
классифицируется на следующие категории: руководители; специалисты; служащие;
рабочие (включая младший обслуживающий персонал).
В состав завода (на правах цеха) по производству ЛАБ-ЛАБС
входят следующие структурные подразделения:
управление завода по производству ЛАБ-ЛАБС,
цех по производству ЛАБ-ЛАБС, в состав которого включаются:
участок №1 - установка предфракционирования,
участок №2 - установка Пакол-Дифайн,
участок №3 - установка алкилирования,
участок №4 - установка по производству ЛАБС,
лаборатория завода ЛАБ-ЛАБС,
участок по техническому обслуживанию и ремонту
технологического оборудования;
участок по техническому обслуживанию и ремонту
электрооборудования,
общезаводское хозяйство завода ЛАБ-ЛАБС,
Штатное расписание ППП цеха по производству ЛАБ-ЛАБС и
установки предфракционирования представлено в таблицах 18 и 19 [1].
Таблица 18. Штатное расписание общецехового персонала цеха по
производству ЛАБ-ЛАБС
|
№ п/п
|
Должность (специальность, профессия), разряд
|
Штатное кол-во, чел.
|
Тарифный месячный оклад, руб.
|
|
1
|
Начальник цеха
|
1
|
17850
|
|
2
|
Заместитель начальника цеха
|
1
|
14560
|
|
3
|
Механик
|
1
|
14560
|
|
4
|
Начальник смены
|
5
|
9820
|
|
5
|
Кладовщик, 2 разряд
|
1
|
4700
|
|
6
|
Слесарь по ремонту ТУ, 4 разряд
|
2
|
6050
|
|
7
|
Уборщик служебных помещений, 1 разряд
|
2
|
3825
|
Таблица 19. Профессионально-квалификационный состав ППП
установки предфракционирования
|
№ п/п
|
Профессия
|
Тарифный разряд
|
Явочное кол-во, чел
|
Тарифная ставка (мес), руб.
|
|
Начальник установки
|
|
1
|
12050
|
|
Механик
|
|
1
|
11330
|
|
ОСНОВНЫЕ РАБОЧИЕ
|
|
Отделение производства парафинов
|
|
1
|
Оператор технологической установки
|
6
|
1
|
7350
|
|
2
|
Оператор технологической установки
|
5
|
1
|
6330
|
|
3
|
Оператор технологической установки
|
4
|
1
|
5550
|
|
4
|
Машинист технологических насосов
|
5
|
1
|
6330
|
|
Отделение приготовления товарных парафинов
|
|
1
|
Сливщик-разливщик
|
4
|
1
|
5550
|
|
2
|
Оператор технологической установки
|
5
|
1
|
6330
|
План
по численности работников подразделения
Для основных рабочих приведена явочная (сменная) численность.
Для расчета списочной численности необходимо составить график сменности.
Рассмотрим график сменности для 4-х и 5-ти бригад:
Сравним два варианта:
) 4-х бригадный график сменности с периодом сменооборота 16
дней (табл. 20);
) 5-ти бригадный график сменности с периодом сменооборота 20
дней (с учетов вредных условий труда) (табл. 21).
Таблица 20. 4-х бригадный график сменности
|
Смена
|
Дни месяца
|
|
1
|
2
|
3
|
4
|
5
|
6
|
7
|
8
|
9
|
10
|
11
|
12
|
13
|
14
|
15
|
16
|
|
0.00 - 8.00
|
А
|
А
|
А
|
А
|
Б
|
Б
|
Б
|
Б
|
В
|
В
|
В
|
В
|
Г
|
Г
|
Г
|
Г
|
|
8.00 - 16.00
|
В
|
Г
|
Г
|
Г
|
Г
|
А
|
А
|
А
|
А
|
Б
|
Б
|
Б
|
Б
|
В
|
В
|
В
|
|
16.00 - 0.00
|
Б
|
Б
|
В
|
В
|
В
|
В
|
Г
|
Г
|
Г
|
Г
|
А
|
А
|
А
|
А
|
Б
|
Б
|
|
Отдых
|
Г
|
В
|
Б
|
Б
|
А
|
Г
|
В
|
В
|
Б
|
А
|
Г
|
Г
|
В
|
Б
|
А
|
А
|
Отдых - не менее 42 часов
Таблица 21. 5-ти бригадный график сменности
|
Смена
|
Дни месяца
|
|
1
|
2
|
3
|
4
|
5
|
6
|
7
|
8
|
9
|
10
|
11
|
12
|
13
|
14
|
15
|
16
|
17
|
18
|
19
|
20
|
|
0.00 - 6.00
|
А
|
А
|
А
|
А
|
Б
|
Б
|
Б
|
Б
|
В
|
В
|
В
|
В
|
Г
|
Г
|
Г
|
Г
|
Д
|
Д
|
Д
|
Д
|
|
6.00 - 12.00
|
Г
|
Д
|
Д
|
Д
|
Д
|
А
|
А
|
А
|
А
|
Б
|
Б
|
Б
|
Б
|
В
|
В
|
В
|
В
|
Г
|
Г
|
Г
|
|
12.00 -8.00
|
В
|
В
|
Г
|
Г
|
Г
|
Г
|
Д
|
Д
|
Д
|
Д
|
А
|
А
|
А
|
А
|
Б
|
Б
|
Б
|
Б
|
В
|
В
|
|
18.00 - 0.00
|
Б
|
Б
|
Б
|
В
|
В
|
В
|
В
|
Г
|
Г
|
Г
|
Г
|
Д
|
Д
|
Д
|
Д
|
А
|
А
|
А
|
А
|
Б
|
|
Отдых
|
Д
|
Г
|
В
|
Б
|
А
|
Д
|
Г
|
В
|
Б
|
А
|
Д
|
Г
|
В
|
Б
|
А
|
Д
|
Г
|
В
|
Б
|
А
|
Выбираем 5-ти бригадный график сменности, т.к. производство
парафинов относится к вредным производствам. Следовательно, должна быть 36-ти
часовая рабочая неделя, что достигается при 5-ти бригадном графике.
На основе выбранного варианта графика сменности определяется
число дней отдыха (выходных) в рамках одного сменооборота и за год в целом:
, где:
Тсо - длительность сменооборота в днях,
n - количество дней непрерывной работы,
m - количество бригад,
Нсо - количество сменооборотов за год.
Ткал - календарный период времени,
- количество выходных дней одной бригады за год.
- количество выходных дней одной бригады за один сменооборот;
дней - длительность сменооборота
оборотов/год
выходных дня одной бригады за год
С учетом графика сменности устанавливается штатная (потребная на
сутки) численность основных рабочих.
Штатная численность в прерывных производствах
устанавливается исходя из явочной численности и числа смен.
Коэффициент штата определяется делением среднемесячного
календарного фонда времени (в часах) на месячную норму времени одного рабочего
(в часах):
Кшт = 31*24/152,3 = 4,89 ≈5
Среднемесячная норма времени одного рабочего составляет при
36-часовой рабочей неделе - 152,3 часа.
Ч шт.
= 6*5=30 чел.
Для перехода от штатной численности к списочной необходимо
составить баланс рабочего времени одного среднесписочного работника, для чего
следует использовать данные табл. 22.
Таблица 22. Данные для составления баланса рабочего времени
среднесписочного рабочего
|
Показатели
|
Количество
|
|
Невыходы на работу, в днях:
|
|
- очередные и дополнительные отпуска
|
30
|
|
- болезни
|
8
|
|
- отпуска по учебе
|
2
|
|
- отпуска по беременности и родам
|
2
|
|
- неявки, разрешенные законом и с разрешения
администрации
|
2
|
Расчет списочной численности для рабочих ведется по следующим
формулам:
, где:
- коэффициент перехода от штатной к списочной численности,
- номинальный фонд рабочего времени (в днях);
- эффективный (полезный) фонд времени одного рабочего.
Тпол = (366-73) - (30+8+2+2+2)=293 - 44 = 249 дней
Ксп = 293 / 249 =1,18
Чсп =30*1,18=35,4 чел.
Принимаем значение Чсп =36 чел. для 2 квартала 2008 г.
1 человек будет работать на производстве около 5 месяцев.
План
по фонду заработной платы ППП подразделения
При определении годового фонда заработной платы (ФЗП) нужно
предусмотреть доплаты за работу в ночное время и праздничные дни и премии.
Доплата за работу в ночное время (
) при круглосуточной работе в производствах с непрерывным режимом
определяется по формуле:
,
где:
- годовой тарифный ФЗП,
- коэффициент доплат за работу в ночное время (принять равным
0,6).
Оплату за работу в праздничные дни принять по двойным
тарифным ставкам.
Расчет доплаты за работу в праздничные дни (
) рассчитывается по формуле:
, где:
. - часовая тарифная ставка,
. - продолжительность смены в часах,
- число праздничных дней, установленных в планируемом году
постановлениями Правительства РФ (в 2008 г. - 12 дней).
Часовая тарифная ставка (усредненная)
рассчитывается на основе тарифного фонда рассматриваемой группы работников,
который делится на общий (суммарный) фонд рабочего времени за год (квартал) по
данной группе.
При среднемесячной норме рабочего времени 152,3 часа
суммарный годовой фонд рабочего времени по группе составит:
часов
Например, часовая тарифная ставка для операторов технологической
установки 6 разряда составит:
руб./час
Размер доплат за работу в праздничные дни может быть рассчитан
также и на основе дневной тарифной ставки (
):
Премию за основные результаты хозяйственной деятельности (в
процентах) к окладу (тарифной ставке) принять в следующих размерах:
специалистам и руководителям - 80%
служащим - 50%
основным рабочим - 75%
вспомогательным и ремонтным рабочим - 60%.
Вознаграждение за общие результаты работы предприятия за год
принять для всех категорий работников в размере 1,3 месячного тарифного оклада.
Распределение работников по технологическим установкам принять
согласно данным табл. 23.
Таблица 23. Месячный тарифный фонд работников установок цеха
по производству ЛАБ-ЛАБС
|
Наименование установок
|
Численность списочная, чел
|
Месячный тарифный фонд, тыс. руб.
|
|
Всего
|
в т.ч. рабочие
|
Всего
|
в т.ч. рабочие
|
|
Установка предфракционирования
|
38
|
36
|
248
|
224,6
|
|
Установка Пакол-Дифайн
|
28
|
26
|
199,2
|
165,9
|
|
Установка алкилирования
|
33
|
31
|
222,5
|
197,7
|
|
Установка по производству ЛАБС
|
31
|
29
|
215,6
|
190,8
|
|
|
|
|
|
|
Таблица 24. Расчет годового фонда оплаты труда ППП установки
предфракционирования и общецехового персонала цеха по производству ЛАБ-ЛАБС
|
№ п/п
|
Профессия (должность)
|
Тариф-ный разряд
|
Списочная численность, чел.
|
Тарифный фонд (оклад), руб.
|
Доплаты за работу, руб.
|
Премии, руб.
|
Вознаграждение за общие результаты работы за
год, руб.
|
Всего годовой ФЗП, тыс. руб.
|
В т.ч. квартальный ФЗП, тыс. руб.
|
|
|
|
|
месячный
|
годовой
|
в ночное время
|
в праздничные дни
|
|
|
|
|
|
|
ОСНОВНЫЕ РАБОЧИЕ установки предфракционирования
|
|
|
1
|
Оператор технологической установки
|
6
|
6
|
44100
|
529200
|
105840
|
34747,2
|
33075
|
57330
|
760,2
|
184,3
|
|
2
|
Оператор технологической установки
|
5
|
6
|
37980
|
455760
|
91152
|
29926,8
|
28485
|
49374
|
654,7
|
158,7
|
|
3
|
Оператор технологической установки
|
4
|
6
|
33300
|
399600
|
79920
|
26236,8
|
24975
|
43290
|
574
|
139,1
|
|
4
|
Машинист технологических насосов
|
5
|
6
|
37980
|
455760
|
91152
|
29926,8
|
28485
|
49374
|
654,7
|
158,7
|
|
Итого по участку производства парафинов
|
24
|
153360
|
1840320
|
368064
|
120837,6
|
115020
|
199368
|
2643,6
|
640,8
|
|
1
|
Сливщик-разливщик
|
4
|
6
|
33300
|
399600
|
79920
|
26236,8
|
24975
|
43290
|
574
|
139,1
|
|
2
|
Оператор технологической установки
|
5
|
6
|
37980
|
455760
|
91152
|
29926,8
|
28485
|
49374
|
654,7
|
158,7
|
|
Итого по участку приготовления товарных
парафинов
|
12
|
71280
|
855360
|
171072
|
56163,6
|
53460
|
92664
|
1228,7
|
297,8
|
Планирование
себестоимости продукции
Себестоимость промышленной продукции - это выраженные в
денежной форме текущие затраты предприятия на ее производство и реализацию
(сбыт). По объему учитываемых затрат различают два вида себестоимости:
производственная себестоимость, включающая в себя затраты на
производство продукции в пределах цеха или предприятия;
полная себестоимость продукции - показатель, объединяющий
производственную себестоимость продукции (работ, услуг) и расходы по ее
реализации (сбыту), т.е. коммерческие расходы[1].
Планирование себестоимости представляет собой систему технико
- экономических расчетов, целью которых является экономически обоснованное
определение текущих затрат, необходимых в планируемом периоде для производства
и сбыта промышленной продукции предприятия, отвечающей требованиям,
предъявляемым к ее качеству в условиях рыночных отношений.
При планировании, учете, калькулировании и анализе
себестоимости продукции (работ, услуг) затраты, включаемые в себестоимость,
подразделяются на следующие основные классификационные группы:
а) по связи с технологическим процессом (производством),
переделом или установкой: основные и накладные.
Основные затраты непосредственно связаны
с технологическим процессом производства продукции: затраты на сырье,
полуфабрикаты, основные и вспомогательные материалы, топливо и энергию всех
видов на технологические цели, оплату труда с отчислениями на социальные нужды
производственного персонала и др.
Накладные расходы связаны с управлением и
обслуживанием производства (общепроизводственные и общехозяйственные расходы);
б) в зависимости от объема производства: на условно -
постоянные и переменные.
Условно - постоянные расходы - это такие расходы,
абсолютная величина которых не зависит от изменения объема производства или
зависит от него в незначительной степени. На нефтеперерабатывающих и
нефтехимических предприятиях к таким расходам относятся: затраты на подготовку
и освоение производства продукции, общепроизводственные и общехозяйственные
расходы.
К переменным относятся расходы, абсолютная величина
которых непосредственно зависит от объема производства: затраты на сырье и
полуфабрикаты, основные и вспомогательные материалы, топливо и энергию всех
видов на технологические цели, на внутризаводскую перекачку;
в) в зависимости от времени возникновения и списания на
производство: на затраты текущего периода и затраты будущих периодов.
Затраты текущего периода связаны с производством
и реализацией продукции в данном периоде, а также часть резервируемых расходов
и затрат будущих отчетных периодов, включаемых в себестоимость продукции
планового и отчетного периода (вознаграждение за выслугу лет и др.). К затратам
будущих периодов относятся затраты, возникающие в данном планируемом и
отчетном периоде, но подлежащие отнесению на себестоимость конкретных видов
продукции (в заранее определенном размере) в течение нормативного срока
(затраты на подготовку и освоение производства, затраты на катализаторы в
технологических процессах со стационарным слоем катализатора и др.) [5].
При разработке плана себестоимости должны быть решены
следующие задачи:
ü проведение анализа стоимостных показателей
производственной деятельности предприятия и его подразделений;
ü выявление возможностей и уточнение
размеров снижения себестоимости продукции в планируемом году по сравнению с
предшествующим;
ü составление калькуляций себестоимости
отдельных видов выпускаемой продукции;
ü выявление нецелесообразных затраты и
разработка мер по их ликвидации;
ü оценка влияния на себестоимость увеличения
затрат на освоение производства новой продукции.
План по себестоимости продукции включает следующие разделы:
. Смета затрат на производство продукции (составляется по
экономическим элементам).
. Расчет себестоимости всей товарной и реализованной
продукции.
. Сравнение плановых калькуляций отдельных изделий.
. Расчет снижения себестоимости товарной продукции по
технико-экономическим факторам.
Смета затрат - это плановый и отчетный документ,
который составляется по экономическим элементам затрат на производство и
реализацию продукции. В состав сметы включается четыре вида расходов:
. материальные расходы (оборотные средства);
. затраты труда (заработная плата и отчисления на
социальные нужды);
. затраты основных средств (амортизационные
отчисления);
. накладные расходы (расходы на реализацию продукции,
косвенные налоги и др.) [6].
Калькулирование себестоимости продукции (работ, услуг) - это
исчисление величины затрат, приходящихся на единицу (выпуск) продукции. Ведомость,
в которой производится расчет на единицу продукции, называется калькуляцией.
В качестве типовой группировки применяется следующая
номенклатура статей калькуляции себестоимости продукции:
. Покупные сырье и материалы.
. Покупные полуфабрикаты, комплектующие изделия, услуги
кооперированных предприятий.
. Полуфабрикаты собственного производства.
. Возвратные отходы (вычитаются).
. Топливо и энергия на технологические нужды.
. Основная и дополнительная заработная плата основных
производственных рабочих.
. Единый социальный налог.
. Общепроизводственные расходы
.1 Амортизация основных средств (производственного
оборудования, общецеховых зданий, сооружений).
.2 Расходы на содержание, эксплуатацию и обслуживание
оборудования (РСЭО).
.3 Ремонтный фонд
.4 Цеховые расходы.
. Общехозяйственные расходы.
. Прочие производственные расходы.
. Внепроизводственные (коммерческие) расходы.
К калькулируемой продукции процесса предфракционирования
относятся:
парафины С10-13 - как компонент для производства
моющих средств на установках ЛАБ-ЛАБС;
парафины С14-17 - как товарный продукт для
реализации на сторону.
К некалькулируемой продукции процесса предфракционирования
относятся:
фракция С9 - как компонент для приготовления
товарного дизельного топлива списывается по средней себестоимости
калькулируемой продукции первичной переработки;
парафины С13 - как товарный продукт для реализации
на сторону списывается по себестоимости десорбата, поступающей с установки
«Парекс», увеличенной на коэффициент рентабельности продукции;
парафины С18 и выше - как компонент для
приготовления топлива для нужд завода списывается по стоимости (цене)
поступающей на переработку нефти с коэффициентом в зависимости от отопительного
сезона (0,4-1,0).
4.
Расчет прямых производственных затрат
Прямые производственные затраты непосредственно относятся на
себестоимость единицы каждого вида продукции: сырье, основные материалы,
электроэнергия, заработная плата основных рабочих.
Согласно вышеуказанной структуре себестоимости проводится
расчет по каждой из калькулируемых видов продукции в расчете на единицу
продукции и на планируемый объем производства (табл. 25).
Исходные данные для расчета берем из табл. 16 и табл. 24.
По плану производственной программы объем производства
парафинов в IV квартале 2008 года будет 31,75 тыс. т (в пересчете на десорбат =
42,863 тыс. т). Из них парафины С10-13 и С14-17
составляют соответственно 13,55 тыс. т и 12,9 тыс. т
Таблица 25. Сводная таблица прямых производственных затрат
|
По видам калькулируемой продукции
|
|
Парафины С10-13
|
Парафины С14-17
|
|
На 1 т, руб.
|
На весь объем, тыс. руб.
|
На 1 т, руб.
|
На весь объем, тыс. руб.
|
|
1. Десорбат с установки «Парекс»
|
39262,00
|
577151,40
|
39262,00
|
526110,80
|
|
2. Аммиак
|
64,19
|
943,58
|
64,19
|
860,14
|
|
3. Сода каустическая
|
164,79
|
2422,38
|
164,79
|
2208,15
|
|
4. Технологическое топливо
|
1679,88
|
24694,20
|
1679,88
|
22510,36
|
|
5. Тепловая энергия (пар)
|
84,09
|
1236,15
|
84,09
|
1126,83
|
|
6. Электроэнергия
|
0,03
|
0,43
|
0,03
|
0,39
|
|
7. Сжатый воздух
|
3,30
|
48,58
|
3,30
|
44,28
|
|
8. Азот
|
10,96
|
161,13
|
10,96
|
146,88
|
|
9. Заработная плата основных рабочих
|
63,69
|
936,22
|
63,69
|
853,42
|
|
10. ЕСН (26%)
|
19,11
|
280,87
|
19,11
|
256,03
|
|
Итого
|
41352,04
|
607874,92
|
41352,04
|
554117,28
|
Заработная плата основных рабочих за 2 квартал 2008 года
составила 938,6 тыс. руб. за производство 31,77 тыс. т парафинов.
Следовательно, на 1 т продукции заработная плата составит 29,54 руб.
Расчет
общепроизводственных и общехозяйственных расходов
Исходя из состава общепроизводственных расходов рассчитаем
отдельные сметы расходов на:
ü амортизацию основных средств цеха,
ü РСЭО,
ü ремонтный фонд,
ü цеховые расходы.
Таблица 26. Расчет амортизационных отчислений по заводу и
цеху по производству ЛАБ-ЛАБС
|
Наименование основных средств
|
Нормы амортизации (в% от стоимости)
|
Первоначальная стоимость основных средств на
01.12.2009, тыс. руб.
|
Амортизационные отчисления
|
|
|
Завода ЛАБ-ЛАБС, всего
|
В т.ч. цеха по производству ЛАБ-ЛАБС
|
По заводу, тыс. руб.
|
В т.ч. по цеху, тыс. руб.
|
|
Здания
|
2,5
|
138639,5
|
105367,7
|
3466
|
2634,2
|
|
Сооружения
|
5,6
|
359793,1
|
96808,7
|
20148,4
|
5421,3
|
|
Рабочие машины
|
9,5
|
144684,4
|
121883,3
|
13745
|
11578,9
|
|
Силовые машины
|
8,6
|
43779,4
|
7977
|
686
|
|
КИП и А
|
15
|
220977,8
|
189569,6
|
33146,7
|
28435,4
|
|
Инструменты
|
14,3
|
461,7
|
16,1
|
66
|
2,3
|
|
Производственный инвентарь
|
1,8
|
1022,6
|
36,9
|
18,4
|
0,7
|
|
Вычислительная техника
|
19,9
|
3604,7
|
1191,7
|
717,3
|
237,1
|
|
Хозяйственный инвентарь
|
1,8
|
10848,9
|
1586,1
|
195,3
|
28,5
|
|
Итого
|
|
923812,1
|
524437,1
|
75268,1
|
49024,4
|
Инструменты - средства труда, участвующие в производственном
процессе более 1 года. Согласно НК РФ, инструменты относятся к 1 группе
основных средств - недолговечное имущество со сроком полезного использования от
1 года до 2 лет включительно с нормой амортизации 14,3%.
Производственный инвентарь и хозяйственные принадлежности,
которые служат для выполнения производственных операций и создания условий
безопасной работы (верстаки, рабочие столы и т.д.).
Хозяйственный инвентарь, который обеспечивает условия для
работы и выполняет функцию по обслуживанию производства (копировальная техника,
офисная мебель и т.д.).
Производственный и хозяйственный инвентарь отнесем к 6 группе
основных средств - имущество со сроком полезного использования свыше 10 лет до
15 лет включительно - с нормой амортизации 1,8%.
Затраты на содержание и эксплуатацию
технологического оборудования (РСЭО)
Принимаем в размере 1,5% от стоимости активной части основных
средств.
Стоимость активной части:
· по заводу:
144684,4+43779,4+220977,8+461,7+1022,6+3604,7+10848,9 =
425379,5 тыс. руб.
Зсто =425379,5*0,015=6380,7 тыс. руб.
· по цеху:
121883,3+7977+189569,6+16,1+36,9+1191,7+1586,1 = 322260,7
тыс. руб.
Зсто = 322260,7 * 0,015 = 4833,9 тыс. руб.
Ремонтный фонд формируется за счет затрат на:
· текущий ремонт,
· капитальный (средний) ремонт
Таблица 27. Затраты на текущий ремонт за 2 квартал
|
Статьи
|
Расчет затрат, тыс. руб.
|
|
Материальные затраты, в т.ч.
|
1933,8
|
|
для зданий
|
105367,7*0,0035/4 = 92,2
|
|
для сооружений
|
96808,7*0,0035/4 = 84,7
|
|
для оборудования
|
(121883,3+7977+189569,6)*0,022/4=1756,9
|
|
Трудовые затраты, в т.ч.
|
117,6
|
|
з/п ремонтного персонала
|
51,3+42=93,3
|
|
ЕСН
|
93,3*0,26=24,3
|
|
Итого
|
2051,4
|
Материальные затраты на текущий ремонт принять в размере (%
от стоимости):
а) для зданий и сооружений - 0,35%,
б) для оборудования - 2,2%.
Заработная плата ремонтного персонала:
механик -51,3 тыс. руб./кв.;
слесарь по ремонту ТУ -42 тыс. руб./кв.
Таблица 28. Расчет сметы затрат на капитальный ремонт
|
Наименование типа основных средств
|
Затраты на капитальный ремонт (в% от стоимости)
|
Затраты на капитальный ремонт, тыс. руб.
|
|
|
По заводу, тыс. руб.
|
В т.ч. по цеху, тыс. руб.
|
|
Здания
|
2,5
|
3466
|
2634,2
|
|
Сооружения
|
4,5
|
16190,7
|
4356,4
|
|
Силовые машины
|
8,0
|
3502,4
|
638,2
|
|
Рабочие машины
|
10,5
|
15191,9
|
12797,7
|
|
КИП и А
|
15,5
|
34251,6
|
29383,3
|
|
Итого
|
|
72602,6
|
49809,8
|
В связи с проведением капитальных ремонтов с периодичностью
более одного года затраты на капитальный ремонт можно относить на себестоимость
продукции одним из рекомендуемых способов, закрепленных в учетной политике
предприятия, согласно Налоговому кодексу РФ:
- в полном объеме в год проведения капитального ремонта;
- равными частями на каждый год из расчета
межремонтного периода.
По плану-графику ППР в 2008 г. планируется провести
капитальный ремонт установок АТ-1, гидроочистки №2 и установки
предфракционирования парафинов. Затраты на проведение капитального ремонта
рабочих машин составляют 10,5% от их стоимости.
Исходя из этого, затраты на капитальный ремонт, относимые на
калькулируемую продукцию за квартал, составят:
,5*0,105/4=0,48 тыс. руб.;
,8*0,105/4=1,15 тыс. руб.;
,6*0,105/4=0,72 тыс. руб.
,48+1,15+0,72= 2,35 тыс. руб.
Цеховые расходы
Составим сводную смету цеховых расходов.
Таблица 29. К расчету цеховых расходов цеха по производству
ЛАБ-ЛАБС
|
Исходные данные
|
Значение
|
|
К расчету затрат на освещение
|
|
|
1. Площадь помещений цеха
|
16850 м2
|
|
2. Высота подвески
|
2,8 - 7,5 м
|
|
3. Удельный расход мощности
|
6,8 вт/м2
|
|
4. Коэффициент спроса
|
0,85
|
|
5. Годовое число часов использования ламп
|
4200
|
|
К расчету затрат на вентиляцию
|
|
|
1. Установленная мощность вентиляторов
|
250 кВт
|
|
2. Коэффициент спроса
|
0,8
|
|
3 Годовое число часов использования (макс.)
|
6500
|
|
К расчету тепла на отопление
|
|
|
1. Удельный расход тепла на отопление
|
0,56 ккал/0С м3час
|
|
2. Удельный расход тепла на вентиляцию
|
3,05 ккал/0С м3час
|
|
3. Отопительный период
|
220 сут.
|
|
4. Средняя расчетная наружная температура
|
80С
|
|
5. Объем зданий
|
174350 м3
|
|
6. Средняя внутренняя температура в помещении
|
180С
|
|
К расчету затрат на спецпитание и молоко
|
|
|
1. Спецпитание выдается основным рабочим,
дежурному персоналу
|
|
2. Молоко выдается всем работающим в цехе.
|
|
3. Цена одного талона, руб.: а) на спецпитание
б) на молоко
|
125 руб. 25 руб.
|
|
К расчету питьевой воды на хозяйственно бытовые
нужды
|
|
1. Расходная норма воды на 1 человека
|
25 л.
|
|
2. Количество рабочих, работающих в сутки
|
36
|
|
3. Расходная норма на 1 сетку (душевую)
|
500 м3/час
|
|
4. Время работы 1 сетки в сутки
|
4 часа
|
|
5. Количество душевых сеток
|
4 шт.
|
|
6. Календарный фонд времени
|
92
|
|
Прочие затраты в месяц, тыс. руб.
|
|
|
1. Расходы по испытаниям, опытам
|
50,0.
|
|
2. Транспортные расходы (услуги транспортного
цеха)
|
150,0
|
|
3. Услуги цеха по очистке сточных вод
|
35,0
|
|
4 Прочие материальные затраты
|
5% от статей 1-3 (11,75)
|
|
Охрана труда
|
данные табл. 12
|
|
Прочие цеховые расходы
|
3% от суммы цеховых расходов
|
Таблица 30. Расчет цеховых расходов цеха по производству
ЛАБ-ЛАБС на квартал
|
Наименование статьи расходов
|
Производимые расчеты
|
Итого, тыс. руб.
|
|
Затраты на освещение
|
Площадь помещений цеха * удельный расход
мощности * коэффициент спроса * годовое число часов использования * цена 1
кВт*ч = (16850*0,0068*0,85*4200*2,19)/4
|
224
|
|
Затраты на вентиляцию
|
Мощность вентилятора * коэффициент спроса *
годовое число часов использования * цена 1 кВтч = =(250*0,8*6500*2,19)/4
|
711,8
|
|
Затраты на тепло для отопления
|
Удельный расход тепла на отопление и на
вентиляцию * отопительный период * Температура (в помещении - наружная) *
объем здания * цена 1 Гкал =
((0,00000056+0,00000305)*220*(18-8)*174350*815)/4
|
282,1
|
|
Затраты на спецпитание и молоко
|
1. на спецпитание 125*(6*6+6)*92 2. на молоко
25*(38+14)*92
|
483 119,6
|
|
Затраты питьевой воды
|
Затраты на воду для персонала = расходная норма
на 1 человека * количество работающих в сутки * календарный фонд времени *
цена 1 м3 = 0,025*36*92 *26,9 Затраты на воду (душ) = расходная
норма на 1 сетку * время работы 1 сетки в сутки * количество сеток *
календарный фонд времени * цена 1 м3 = 500*4 *4*92*26,9
|
2,2 19798,4
|
|
Прочие затраты
|
|
|
1. Расходы по испытаниям, опытам
|
50000*3
|
150
|
|
2. Транспортные расходы (услуги транспортного
цеха)
|
150000*3
|
450
|
|
3. Услуги цеха по очистке сточных вод
|
35000*3
|
105
|
|
4 Прочие материальные затраты
|
(150+450+105)*0,05
|
35,3
|
|
Охрана труда
|
данные табл. 32
|
11,71
|
|
Прочие цеховые расходы
|
3% от суммы цеховых расходов 22373,11*0,03
|
671,2
|
|
Итого
|
23044,3
|
Цена 1 м3 холодной питьевой воды - 26,9 руб./м3, в
соответствии с тарифом ГУП «Водоканал Санкт-Петербурга».
Для расчета затрат на охрану труда работников цеха используем
таблицу 31.
Таблица 31. Расчёт затрат на охрану труда работников цеха
|
Наименование Спецодежды
|
Наименование Профессий
|
Срок носки (месяц)
|
Цена руб.
|
|
Костюм Хлопчатобумажный
|
Все специалисты, руководители и служащие,
аппаратчики, машинисты
|
12
|
250
|
|
Халат х/б
|
Лаборанты
|
6
|
180
|
|
Костюм суконный
|
Слесари
|
9
|
315
|
|
Ботинки
|
Все профессии рабочих
|
12
|
300
|
|
Куртка ватная
|
Все профессии рабочих, включая начальника смены
|
12
|
350
|
|
Рукавицы комбинированные
|
Все профессии рабочих
|
1
|
12
|
|
Рукавицы суконные
|
Слесари
|
3
|
18
|
|
Каски
|
Все профессии рабочих
|
-
|
185
|
Таблица 32. Расчет затрат на охрану труда работников цеха на
квартал
|
Наименование Спецодежды
|
Расчеты
|
Сумма затрат, руб.
|
|
Костюм хлопчатобумажный
|
250*48/4
|
3000
|
|
Костюм суконный
|
315*2/3
|
210
|
|
Ботинки
|
40*300/4
|
3000
|
|
Куртка ватная
|
46*350/4
|
4025
|
|
Рукавицы комбинированные
|
40*12*3
|
1440
|
|
Рукавицы суконные
|
2*18
|
36
|
|
Итого
|
|
11711
|
В связи с тем, что установка предфракционирования входит в
состав основного производственного цеха по производству ЛАБ-ЛАБС, а цех в свою
очередь входит в состав завода по производству ЛАБ-ЛАБС, в составе которого
находятся управленческие и общецеховые службы, то, следовательно, все расходы
этих подразделений должны переноситься на продукцию, создаваемую в основном
производстве.
Для этого необходимо было бы определить весь объем выпуска
калькулируемой продукции.
Для упрощения процесса калькулирования следует принять
величину расходов этих подразделений завода по производству ЛАБ-ЛАБС в
следующем размере: 327,4 руб. на одну тонну калькулируемой продукции.
Тогда, на парафин С10-13: 327,4 * 13,0 = 4256,2
тыс. руб.,
на парафин С14-17: 327,4 * 13,1 = 4288,94 тыс.
руб.
Таблица 33. Цеховая себестоимость по калькулируемым видам
продукции
|
Наименование статей
|
По видам калькулируемой продукции
|
|
Парафины С10-13
|
Парафины С14-17
|
|
руб./ т
|
тыс. руб. на весь объем
|
руб./ т
|
тыс. руб. на весь объем
|
|
1. Прямые материальные затраты
|
41581,11
|
563424,1
|
41581,11
|
536396,24
|
|
2. Амортизация основных средств
|
386
|
5230,3
|
386
|
4979,4
|
|
3. РСЭО
|
38,06
|
515,7
|
38,06
|
491
|
|
4. Ремонтный фонд
|
64,7
|
876,7
|
64,7
|
834,6
|
|
5. Цеховые расходы
|
725,8
|
9834,6
|
725,8
|
9362,8
|
|
6. Расходы подразделений цеха
|
327,4
|
4256,2
|
327,4
|
4288,94
|
|
Итого
|
43123,07
|
584137,6
|
43123,07
|
556352,98
|
. Прямые материальные затраты - из табл. 25
. Амортизация основных средств. Исходя из табл. 26
вычисляем амортизационные расходы на 1т продукции:
,4/4/31,77=385,78 руб./т
. Расходы на сооружение и эксплуатацию оборудования.
,9/4/31,77=38,03 руб./т
. Ремонтный фонд рассчитываем исходя из табл. 27
(2051,4+2,7) / 31,77=64,65 руб./т
. Цеховые расходы. Таблица 29
,3/31,77=725,38 руб./т
. Расходы подразделений цеха принимаем - 327,4 руб. на
1т.
К некалькулируемой продукции процесса предфракционирования
относятся:
фракция С9 - как компонент для приготовления
товарного дизельного топлива списывается по средней себестоимости
калькулируемой продукции первичной переработки;
руб./т.*0,25 тыс.т =4900 тыс. руб.
парафины С13 - как товарный продукт для реализации
на сторону списывается по себестоимости десорбата, поступающего с установки
«Парекс», увеличенной на коэффициент рентабельности продукции;
руб./т*1,2*1,97 тыс. т =69265,2 тыс. руб.
парафины С18 и выше - как компонент для
приготовления топлива для нужд завода списывается по стоимости (цене)
поступающей на переработку нефти с коэффициентом в зависимости от отопительного
сезона (0,4-1,0).
руб./т.*1*3,45= 46575 тыс. руб.
Калькулирование
производственной (полной) себестоимости продукции (полуфабрикатов,
незавершенного производства, готовой продукции).
Расчет себестоимости единицы конкретного вида продукции
осуществляется посредством калькулирования (суммирования) по установленным
статьям затрат.
Общехозяйственные расходы предприятия принимаем в размере
7,5% от цеховой себестоимости для продукции, реализуемой на сторону, то есть
для парафинов С14-17.
Прочие общехозяйственные расходы - 3% от цеховой
себестоимости с учетом общехозяйственных расходов.
Коммерческие расходы - 2% от производственной себестоимости.
Производственная себестоимость парафинов С14-17:
,54*1,075 + 556287,54*1,075 * 0,03 = 598009,1+ 17940,3 =
615949,4 тыс. руб.
Полная себестоимость 615949,4*1,02= 628268,4 тыс. руб.
Парафины С13 списываются по себестоимости десорбата,
поступающей с установки «Парекс» (29300 руб./т), увеличенной на коэффициент
рентабельности продукции (принимаем 20%). Тогда отпускная цена равна 29300*1,2=
35160 (руб./т).
Таблица 34. Калькуляция себестоимости парафинов С14-17
|
№ п/п
|
Наименование статей расхода
|
Затраты на единицу продукции, руб./т
|
Затраты на весь выпуск, тыс. руб.
|
|
1
|
Сырье и материалы:
|
|
Десорбат с установки «Парекс»
|
39555,46
|
510265,43
|
|
Аммиак
|
64,67
|
834,24
|
|
Сода каустическая
|
137,28
|
1770,91
|
|
Итого сырье и материалы
|
39757,41
|
512870,58
|
|
2
|
Энергозатраты:
|
|
Технологическое топливо
|
1692,43 253,64
|
21832,35
|
|
Тепловая энергия (пар)
|
84,72
|
1092,88
|
|
Электроэнергия
|
0,029
|
0,37
|
|
Сжатый воздух
|
2,75
|
35,47
|
|
Азот
|
9,13
|
117,77
|
|
Итого энергозатраты
|
1789,05
|
23078,74
|
|
3
|
Трудовые затраты:
|
|
Заработная плата осн. рабочих
|
27,49
|
354,62
|
|
ЕСН
|
7,15
|
92,2
|
|
Итого трудовые затраты
|
34,64
|
446,82
|
|
Итого прямые материальные затраты
|
43123,07
|
536396,14
|
|
4
|
Амортизация основных средств
|
386
|
4979,4
|
|
5
|
РСЭО
|
38,06
|
491
|
|
6
|
Ремонтный фонд
|
64,7
|
834,6
|
|
7
|
Цеховые расходы
|
725,8
|
9362,8
|
|
8
|
Расходы подразделений цеха
|
327,4
|
4288,98
|
|
Итого общепроизводственные расходы
|
1541,96
|
19956,78
|
|
Цеховая себестоимость
|
44665,03
|
556352,92
|
|
9
|
Общехозяйственные расходы
|
3349,88
|
41726,47
|
|
Прочие общехозяйственные расходы
|
1440,45
|
17942,38
|
|
Производственная себестоимость
|
49455,36
|
616021,77
|
|
10
|
Коммерческие расходы
|
989,12
|
12320,44
|
|
Полная себестоимость
|
50444,48
|
628342,21
|
Таблица 35. Калькуляция себестоимости парафинов С10-13
|
№ п/п
|
Наименование статей расхода
|
Затраты на единицу продукции, руб./т
|
Затраты на весь выпуск, тыс. руб.
|
|
1
|
Сырье и материалы:
|
|
Десорбат с установки «Парекс»
|
39555,46
|
535976,5
|
|
Аммиак
|
64,67
|
876,28
|
|
Сода каустическая
|
137,28
|
1860,14
|
|
Итого сырье и материалы
|
39759,41
|
538712,92
|
|
2
|
Энергозатраты:
|
|
Технологическое топливо
|
1692,43
|
22932,48
|
|
Тепловая энергия (пар)
|
84,72
|
1147,95
|
|
Электроэнергия
|
0,029
|
0,39
|
|
Сжатый воздух
|
2,75
|
37,3
|
|
Азот
|
9,13
|
123,71
|
|
Итого энергозатраты
|
1789,05
|
24241,83
|
|
3
|
Трудовые затраты:
|
|
Заработная плата осн. рабочих
|
27,49
|
372,49
|
|
ЕСН
|
7,15
|
96,85
|
|
Итого трудовые затраты
|
36,64
|
469,34
|
|
Итого прямые материальные затраты
|
41583,1
|
563424,09
|
|
4
|
Амортизация основных средств
|
386
|
5230,3
|
|
5
|
РСЭО
|
38,06
|
515,7
|
|
6
|
Ремонтный фонд
|
64,7
|
876,7
|
|
7
|
Цеховые расходы
|
725,8
|
9834,6
|
|
8
|
Расходы подразделений цеха
|
327,4
|
4256,2
|
|
Итого общепроизводственные расходы
|
1541,96
|
20713,5
|
|
Цеховая себестоимость
|
44665,03
|
584137,59
|
Разработка
ценовой политики предприятия
Ценовая политика предприятия формируется в рамках общей
стратегии предприятия и включает ценовую стратегию и тактику ценообразования.
Ценовая стратегия предполагает позиционирование предлагаемого продукта на
рынке; в рамках ценовой стратегии выбираются используемые методики определения
цены. В дальнейшем в рамках реализации стратегии разрабатываются тактические
мероприятия (для стимулирования продаж), включая системы ценовых скидок и
неценовых поощрений покупателей.
Существуют три основные цели ценовой политики: обеспечение
выживаемости; максимизация прибыли; удержание рынка.
С учетом специфики российского рынка отечественные экономисты
создали уточненную схему разработки ценовых стратегий (рис. 7). Рис. 7.
Основные элементы и этапы разработки ценовых стратегий.
Для правильного формирования цен предприятие разрабатывает
ценовую стратегию, исходя из особенностей товара, возможностей изменения цен и
условий производства (издержек), ситуации на рынке, соотношения спроса и
предложения.
Практика показывает, что грамотно сформированная ценовая
стратегия - одна из слагаемых коммерческого успеха фирмы, обеспечения ее
конкурентоспособности. Успех и результативность ценовой стратегии зависят, в
частности, от того, насколько правильно с самого начала организован процесс ее
создания.
Оптовые цены на продукцию промышленности - цены, по которым
реализуется и закупается продукция предприятий, фирм и организаций
промышленности независимо от форм собственности в порядке оптового оборота.
Продукция продается и покупается оптовыми партиями со сменой форм
собственности, чего не было при административном ценообразовании. В этом
принципиальное отличие оптовых цен в условиях перехода к рыночным отношениям.
Оптовые цены на продукцию промышленности в свою очередь
подразделяются на два подвида:
ü оптовая цена предприятия (отпускная цена);
ü оптовая цена промышленности.
Оптовая цена предприятия (отпускная цена) - цена изготовителя
продукции, по которой предприятие реализует произведенную продукцию
оптово-сбытовым организациям или другим предприятиям. В условиях перехода к
рынку эти цены призваны обеспечивать возможность дальнейшей хозяйственной
деятельности предприятиям и организациям. Другими словами, реализуя свою
продукцию по оптовым ценам, предприятие или фирма должны возместить свои
издержки производства и реализации и получить такой размер прибыли, который бы
позволил им выжить в условиях рынка. Прибыль является важнейшим элементом цены.
Оптовые цены промышленности - цены, по которым
предприятия и организации-потребители оплачивают продукцию
снабженческо-сбытовым (оптовым) организациям.
Оптовая цена промышленности помимо оптовой (отпускной) цены
включает в себя снабженческо-сбытовую (оптовую) наценку или скидку и НДС.
Снабженческо-сбытовая (оптовая) наценка или скидка - это цена на услугу по
снабжению и сбыту; как любая цена она должна компенсировать издержки снабженческо-сбытовых
или оптовых организаций и обеспечить им прибыль.
5.
Методические подходы к формированию отпускных цен на реализуемую продукцию
Принимая во внимание многономенклатурность рассматриваемого
производства по возможности предусмотреть выпуск разного уровня рентабельности
продукции (в пределах от 5 до 25-30%) с обеспечением в целом рентабельного
производства и реализации продукции. Дать обоснование плановых цен по каждому
виду продукции.
В зависимости от особенностей производимого продукта, размеров
и финансовой мощи предприятия-продавца, целей, которые он ставит, для расчета
цены могут быть использованы различные методы.
Методы определения цены на промышленную продукцию можно
охарактеризовать в нескольких категориях:
· Методы определения цены на основе издержек
производства
· Рыночные методы определения цен
· Параметрические методы установления цены
Метод установления цены на основе издержек
производства бывает нескольких видов:
1. На основе полных (или только прямых) издержек
производства.
Полные издержки - суммирование совокупных издержек
(переменные (прямые) плюс постоянные (накладные) издержки) и прибыли, которую
фирма рассчитывает получить.
Прямые издержки - добавление к переменным затратам
определенной надбавки прибыли. При этом постоянные расходы как расходы
предприятия в целом не распределяются по отдельным товарам, а погашаются из
разницы между суммой цен реализации и переменными затратами на производство
продукции. Эта разница получила название «добавленной» или «маржинальной» прибыли.
. На основе анализа безубыточности и получения целевой
прибыли.
Точка безубыточности - точка пересечения кривой общей выручки
и кривой общих затрат, в которой объем прибыли предприятия равняется нулю.
3. На основе анализа рентабельности инвестиций. Надбавка
к издержкам производства включает в себя также процент дохода на
инвестированный капитал.
Рыночный метод установления цены предполагает несколько
вариантов:
а) метод потребительской оценки (ориентация на спрос). Данный
метод тесно связан с дифференциацией товара и дифференциацией рынка. Дает
возможность осуществлять стратегию высоких цен;
б) метод следования за лидером (ориентация на конкуренцию).
При данном методе производитель руководствуется ценами конкурента, а учет
собственных издержек и спроса играет здесь подчиненную роль. Производитель
устанавливает цену чуть выше или чуть ниже, чем у ближайшего конкурента. Это
возможно лишь на рынке с однородной продукцией. Опираясь на этот метод, фирма
избавляется от риска, связанного с установлением собственной цены и адаптацией
ее на рынке;
в) метод «запечатанного конверта» или тендерного
ценообразования.
Используется в тех случаях, когда несколько компаний ведут
серьезную конкуренцию за получение определенного контракта. Выигрывает тот, чья
цена предложения обеспечивает продавцу максимальную прибыль;
г) метод определения цен, ориентированный на нахождение
равновесия между издержками производства и состоянием рынка.
Параметрический метод установления цены
предполагает, что основу методов обоснования затрат и цен составляют
количественные зависимости между затратами (ценами) и основными
потребительскими свойствами продукции, входящей в параметрический ряд.
Под параметрическим рядом понимается совокупность
конструктивно и (или) технологически однородных изделий, предназначенных для
выполнения одних и тех же функций и отличающихся друг от друга значениями
основных технико-экономических параметров в соответствии с выполняемыми
производственными операциями[8].
ООО «КИНЕФ» является единственным нефтеперерабатывающим заводом
и оптовым поставщиком на Северо-Западе России: производит все виды топлива,
продукцию, пользующуюся большим спросом в нефтехимической и лакокрасочной
промышленности, на предприятиях бытовой химии и в строительной индустрии, в том
числе парафин нефтяной жидкий фракций С10-С13, С14-С17,
С13 [4].
Цена на парафин нефтяной жидкий фракции С14-С17 составляет
23200 рублей за тонну.
Таблица 37. Расчет планируемых цен на продукцию.
|
Показатели
|
Парафин С13
|
Парафин С14-17
|
|
Объем производства, тыс. т
|
1,97
|
13,1
|
|
Объем реализации, тыс. т
|
1,95
|
13,3
|
|
Полная себестоимость, руб./т
|
29300
|
50444,48
|
|
Рентабельность продукции, %
|
20%
|
20%
|
|
Оптовая цена, руб./т
|
35160
|
60533,8
|
|
НДС (18%), руб.
|
6328,8
|
10896,00
|
|
Рыночная цена, руб./т.
|
41488,8
|
71429,8
|
6.
Использование метода «директ-костинг» для построения графика безубыточности
производства и реализации продукции
Основной характеристикой метода «директ-костинг» является
подразделение затрат на постоянные и переменные в зависимости от изменения
объема производства. При этом в себестоимость продуктов включаются только
переменные затраты, а затраты постоянные сразу относятся на финансовый
результат. Постоянные расходы как расходы данного периода списывают с
полученной прибыли в течение того периода, в котором они были произведены.
Таблица 38. Калькуляция себестоимости парафина С14-17
|
№ п/п
|
Наименование статей расхода
|
Затраты на единицу продукции, руб./т
|
Затраты на весь выпуск, тыс. руб.
|
|
|
Переменные затраты, в т.ч.
|
41546,45
|
535949,32
|
|
1
|
Сырье и материалы
|
39757,41
|
512870,58
|
|
2
|
Энергозатраты
|
1789,05
|
23078,74
|
|
|
Постоянные затраты, в т.ч.
|
5915,6
|
74450,51
|
|
3
|
Трудовые затраты:
|
34,64
|
446,82
|
|
4
|
Амортизация основных средств
|
386
|
4979,4
|
|
5
|
РСЭО
|
38,06
|
491
|
|
6
|
Ремонтный фонд
|
64,7
|
834,6
|
|
7
|
Цеховые расходы
|
725,8
|
9362,8
|
|
8
|
Расходы подразделений цеха
|
327,4
|
4288,98
|
|
9
|
Общехозяйственные расходы
|
3349,88
|
41726,47
|
|
10
|
Коммерческие расходы
|
989,12
|
12320,44
|
|
|
Полная себестоимость
|
47462,06
|
610399,8
|
Для определения критического объема продаж в натуральном
измерении используем формулу вида:
Vкр = Зпост / (Ц - Зперем),
где
Зпост - постоянные затраты;
Ц - цена единицы реализованной продукции;
Зперем - переменные затраты единицы продукции,
(Ц - Зперем) = Мд - маржинальный доход
на единицу продукции.
Таблица 38. Расчет показателей устойчивости
|
Наименование статей
|
Парафин С14-17
|
|
Постоянные затраты на весь выпуск продукции,
руб.
|
74 450 510
|
|
Переменные затраты на ед. продукции, руб./т
|
41546,45
|
|
Цена ед. продукции, руб./т
|
71429,8
|
|
Планируемый объем производства, тыс. т
|
13,1
|
|
Маржинальный доход на ед. продукции, руб./т
|
29883,35
|
|
Критический объем производства, тыс. т
|
2,491
|
|
Коэффициент устойчивости
|
0,19
|
Коэффициент устойчивости:
,
где:
- критический объем продаж;
- планируемый (отчетный) объем продаж
Финансовый
план
Финансовый план - документ, отражающий объем
поступления и расходования денежных средств, фиксируемый в балансе доходов и
расходов (БДР) предприятия, организации, включая взаимоотношения с бюджетом на
планируемый период. Финансовый план необходим предприятию, организации для
составления прогноза финансовых результатов деятельности и организации
рационального движения финансовых ресурсов в соответствии с выбранной
финансовой стратегией.
Финансовый план выражает в денежной форме результаты
хозяйственно-финансовой деятельности, взаимоотношения с бюджетом, банками,
вышестоящими организациями. БДР предприятия состоит из четырех разделов: доходы
и поступления средств, расходы и отчисления, кредитные взаимоотношения,
взаимоотношения с бюджетом. Размер плановых доходов и расходов определяется на
основе обоснованных расчетов, которые составляются по каждой статье баланса.
В разделе «Доходы и поступления средств» отражается доход в
виде прибыли, амортизационных отчислений, других внутренних доходов
предприятия, а также разного рода поступлений из внешних источников. В составе
прибыли основную часть занимает прибыль от реализации товарной продукции. В
общую балансовую прибыль предприятия входит прибыль от реализации прочей
продукции и услуг непромышленного характера. Планирование амортизационных
отчислений осуществляется по каждому виду или группе основных фондов,
числящихся на балансе предприятия. Сумма амортизационных отчислений
определяется умножением среднегодовой стоимости этих фондов на соответствующие
нормы амортизационных отчислений.
В разделе «Расходы и отчисления средств» предусматриваются
централизованные капитальные вложения, затраты на капитальный ремонт, расходы
на прирост норматива собственных оборотных средств, убытки от эксплуатации
жилищно-коммунального хозяйства, расходы на содержание зданий и сооружений,
отчисления на образование фондов экономического стимулирования расходы на
НИОКР, подготовку кадров и премирование работников за создание и внедрение новой
техники, для оказания финансовой помощи, другие расходы и отчисления.
Примерное содержание разделов финансового плана можно
представить следующими основными статьями доходов и расходов.. Доходы и
поступления средств
. Прибыль от реализации продукции, работ, услуг.
. Прибыль от прочей реализации (основных средств, других
активов).
. Планируемые внереализационных доходы, в том числе: доходы
от долевого участия в уставном капитале других предприятий; доходы, полученные
от ценных бумаг; доходы от хранения денежных средств на депозитных счетах в
банках и других финансово-кредитных учреждениях; доходы от сдачи имущества в
аренду.
. Амортизационные отчисления на полное восстановление
основных фондов и нематериальных активов.
. Поступления средств от других предприятий.. Расходы и
отчисления средств
. Налоги, уплаченные из прибыли (по видам налогов).
. Распределение чистой прибыли, в том числе: на накопление
(по направлениям использования); на потребление (по направлениям
использования).
. Долгосрочное инвестирование (по формам инвестиций), в том
числе: за счет амортизационных отчислений; за счет других источников
финансирования (по видам источников).
. Прочие расходы.
7.
Действующие модели и механизмы распределения прибыли предприятия
Чистая прибыль - часть балансовой прибыли предприятия,
остающаяся в его распоряжении после уплаты налогов, сборов, отчислений и других
обязательных платежей в бюджет. Чистая прибыль используется для увеличения
оборотных средств предприятия, формирования фондов и резервов, и реинвестиций в
производство.
Объём чистой прибыли зависит от объёма валовой прибыли и
величины налогов; исходя из объёма чистой прибыли, исчисляют дивиденды
акционерам предприятия.
Распределение и использование прибыли имеют свои особенности,
обусловленные организационно-правовой формой предприятий. Прибыль, остающаяся в
распоряжении предприятия, используется по его усмотрению и может быть
направлена на создание:
· Резервного фонда, состав и назначение
которого зависит от организационно-правовой формы предприятия. Все предприятия
создают резервный фонд оплаты труда для обеспечения выплаты зарплаты и других
выплат в случае банкротства, ликвидации предприятия (до 25% годового ФОТ).
Резервный фонд образуется за счет 5% ежегодных отчислений от прибыли,
остающейся в распоряжении предприятия.
· Фонда накопления, средства которого
направляются на производственное развитие предприятия (финансирование
строительства и обновления ОФ, перевооружения, реконструкции, освоения новой
техники и технологии) и являются источником увеличения собственного капитала.
· Фонда потребления, который является
источником социального развития предприятия, материального стимулирования и
социальной защиты коллектива. В этом фонде можно выделять:
· Фонда материального поощрения, для выплаты
премий, не связанных с производственными результатами, оплаты дополнительных
отпусков, дивидендов по акциям и вкладам, премий по итогам смотров-конкурсов,
направленных на повышение качества и эффективности работы.
· Фонда социальной защиты (оплата путевок на
отдых, для детей, удешевление питания). Отличительная особенность фонда
потребления заключается в том, что мероприятия, не приводят к образованию
нового имущества предприятия, т.е. носят поощрительный, компенсационный
характер.
Для обеспечения оптимального размера и соотношения между
фондом накопления и фондом потребления, рациональных пропорций между входящими
в их состав специальными фондами необходимо придерживаться следующих принципов:
· прибыль направляется в первую очередь на
накопление;
· увеличение средств на развитие, приводит к
увеличению объема реализации и прибыли.
Возможные варианты использования прибыли, остающейся в
распоряжении предприятия, если оно имеет организационно-правовую форму:
а) государственного предприятия
Порядок распределения прибыли на государственных и
муниципальных унитарных предприятиях различен. Государственные и муниципальные
унитарные предприятия на праве хозяйственного ведения распределяют прибыль,
исходя из ст. 295 ГК РФ, самостоятельно. Однако собственник (государство или
муниципальное образование) имеет право на получение части прибыли от
использования имущества, находящегося в хозяйственном ведении предприятия.
Законодательством не устанавливается режим распределения прибыли
государственного или муниципального предприятия на праве хозяйственного
ведения. Как правило, в Уставах вышеназванных предприятий, утвержденных
собственником, отмечается, что предприятие самостоятельно распоряжается частью
полученной в результате его деятельности прибыли после уплаты налогов и
перечисления в соответствующий бюджет доли, устанавливаемой собственником.
б) открытого акционерного общества
В ОАО могут быть образованы в добровольном порядке следующие
фонды:
· Фонд акционирования работников - для
приобретения у акционеров акций общества для их последующего распределения
среди работников предприятия с целью стимулирования и премирования
высококвалифицированных специалистов.
· Дивидендный фонд - для выплаты дивидендов
по привилегированным акциям[9].
8.
Обоснование планируемых финансовых результатов производственно-хозяйственной
деятельности
Принимая во внимание исходные данные и содержание основных
разделов разработанного сводного плана, сводим в итоговую таблицу планируемые
показатели производственно-хозяйственной и финансовой деятельности предприятия
на планируемый квартал.
Таблица 38. Показатели деятельности предприятия
|
Показатели
|
Ед. изм.
|
Парафин С14-17
|
Парафин С13
|
|
Объем производства продукции:
|
|
|
|
|
- в натуральном выражении
|
тыс. тонн
|
13,1
|
1,97
|
|
- в стоимостном выражении
|
тыс. руб.
|
792992,8
|
69265,2
|
|
Объем товарной продукции
|
тыс. тонн
|
13,1
|
1,97
|
|
Объем реализованной продукции
|
тыс. тонн
|
13,3
|
1,95
|
|
Себестоимость единицы продукции
|
руб.
|
50444,5
|
29300
|
|
Себестоимость реализованной продукции
|
тыс. руб.
|
660822,9
|
57721
|
|
Цена единицы продукции
|
руб./т
|
71429,8
|
41488,8
|
|
Выручка
|
тыс. руб.
|
935730,4
|
81732,9
|
|
Выработка на одного рабочего
|
т/чел.
|
363,89
|
54,7
|
|
Средняя заработная плата одного рабочего
|
тыс. руб.
|
25,9
|
|
Фондоотдача
|
руб. ТП/руб.
|
1,51
|
0,13
|
|
Балансовая прибыль
|
тыс. руб.
|
274907,5
|
24011,9
|
|
Рентабельность всей продукции
|
%
|
46,3
|
|
Рентабельность по видам продукции
|
%
|
4,05
|
20
|
|
Рентабельность всех продаж
|
%
|
29,3
|
|
Рентабельность продаж по видам продукции
|
%
|
29,3
|
29,3
|
Выработка на одного рабочего определяется как отношение
объема произведенной продукции в плановом году к среднесписочной численности
рабочих.
Средняя заработная плата одного рабочего определяется как
годовой фонд заработной платы на среднесписочную численность рабочих.
Фондоотдача определяется как товарная продукция к
среднегодовой стоимости основных производственных фондов.
Ф=792992,8/524437,1=1,51
Предприятие получает 1,51 руб. прибыли с каждого рубля
имеющихся у него основных фондов.
Балансовая прибыль определяется как разница между выручкой и
себестоимостью реализованной продукции.
Рентабельность продукции равна отношению балансовой прибыли
на себестоимость реализуемой продукции.
Предприятие имеет 4,05% прибыли с каждого рубля, затраченного
на производство и реализацию парафина С14-17, 20% - с
парафина С13.
Рентабельность продаж в свою очередь определяется отношением
балансовой прибыли к выручке.
Выводы
и рекомендации
В ходе выполнения данной работы был составлен квартальный
план производства, поставлены цели и рассчитаны ресурсы, необходимые для их
достижения.
Для успешного выполнения составленного плана рекомендуется
увеличить коэффициент выхода целевой фракции с установки гидроочистки до 55%,
так как в связи с проведением капитального ремонта на одной из установок
гидроочистки, производственная мощность не соответствует выполнению плана
производства.
Высокая себестоимость товарных продуктов делает отпускную
цену неконкурентоспособной с другими ценами на отраслевом рынке, что позволяет
сделать вывод о необходимости снижения себестоимости.
Список литературы
1. Планирование на предприятии: [Электронный
ресурс]. Режим доступа:
http://www.center-yf.ru/data/Marketologu/Planirovanie-na-predpriyatii.php.
(Дата обращения: 21.05.2014)
2. Государственный стандарт СССР. ПАРАФИНЫ
НЕФТЯНЫЕ ЖИДКИЕ. Метод определения содержания примесей и расчет содержания
н-алканов. Режим доступа: [http://www.standartov.ru/norma_doc/27/27808/index.htm]
(Дата обращения 21.05.2014)
3. ООО «ПО «Киришинефтеоргсинтез» // Официальный
сайт ООО «ПО «Киришинефтеоргсинтез»: [Электронный ресурс]. Режим доступа:
http://www.kinef.ru/index.php? option=com_content&view=article&id=59. (Дата обращения:
21.05.2014).
. Инструкция по планированию, учету и
калькулированию себестоимости продукции на нефтеперерабатывающих и
нефтехимических предприятиях» от 17. 11. 1998 -
http://www.consultant.ru/document/cons_doc_LAW_2435/
5. Ильин А.И. Планирование на предприятии.
Учебник. - Минск: Новое знание, 2001. - 635 с.
6. Вержичинская С.В., Дигуров Н.Г., Синицин С.А.
Химия и технология нефти и газа: учебное пособие. - М.: ФОРУМ: ИНФРА-М, 2007. -
400 с.
7. Нефтегазовое дело. Полный курс. Учебное
пособие / Тетельмин В.В., Язев В.А. - Долгопрудный: Изд. Дом «Интеллект», 2009.
- 800 с.
8. Виды цен и их классификация. Состав и
структура цен: [Электронный ресурс]. Режим доступа [http://rudiplom.ru/lectures/ceny-i-cenoobrazovanie/1837.html (Дата обращения:
25.05.2014).
9. Понятие, принципы распределения и
использования прибыли предприятия: [Электронный ресурс]. URL: http://newinspire.ru/l/2/24/658-ponyatie-printsipy-raspredeleniya-i-ispolzovaniya-pribyli-predpriyatiya.html. (Дата обращения:
11.05.2014).