Разработка редуктора для привода ленточного конвейера

  • Вид работы:
    Курсовая работа (т)
  • Предмет:
    Другое
  • Язык:
    Русский
    ,
    Формат файла:
    MS Word
    185,59 Кб
  • Опубликовано:
    2014-11-06
Вы можете узнать стоимость помощи в написании студенческой работы.
Помощь в написании работы, которую точно примут!

Разработка редуктора для привода ленточного конвейера

Введение

Машиностроению принадлежит ведущая роль среди остальных отраслей народного хозяйства, т.к. остальные производственные процессы выполняют машины. На основе развития машиностроения осуществляются комплексная механизация и автоматизация производственных процессов в промышленности, строительстве, сельском хозяйстве, на транспорте.

Повышение эксплуатационных и качественных показателей, сокращение времени разработки и внедрения новых машин, повышение их надежности и долговечности - основные задачи инженера-конструктора.

В данном курсовом проекте мне необходимо разработать редуктор для привода ленточного конвейера, который должен удовлетворять требованиям надежности, долговечности и иметь высокие эксплуатационные характеристики.

Для достижения поставленных целей необходимо произвести прочностной расчет валов и зубчатых передач, предусмотреть установку предохранительной муфты.

Долговечность редуктора определяется в основном его подшипниковыми и сальниковыми узлами. Исходя из этого, необходимо произвести расчет подшипников на долговечность по их динамической грузоподъемности и подобрать соответствующие прокладки и манжеты для обеспечения герметичности редуктора.

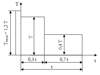
Дано:

. Окружная сила на барабане привода ленточного конвейера:

Fраб = 7.5 кН

. Скорость движения ленты:

Vраб = 0,5 м/с

. Диаметр барабана:

D б = 300 мм

. Длина барабана:

В б = 500 мм

Срок службы 5 лет

Кг = 0,7, Кс = 0,5

График загрузки:


1. Потребляемая мощность привода.

Рвых = Fраб × Vраб = 7,5 кН × 0,5 м/с =3,75 кВт

. Общий КПД привода:

          hо =hрем × hред × hв= 0,95 × 0,962 × 0.99=0,86

Принимаем hрем = 0,95; hред=0,96; hв=0.99

3. Потребная мощность электродвигателя:



Принимаем Рэ.потр. = 4 кВт

. Выбор электродвигателя по полученным данным (по табл. 2.2 [4]): двигатель 4А112МВ6У3

Р = 4 кВт;

nс = 1000 об/мин;

S = 5,1%

. Определение частоты вращения барабана транспортера:


. Определение и разбивка общего передаточного отношения:

И = n ном / n в = 970 / 31,85 = 30,458

Ирем. = 2

Иред. = И / Ирем = 30,458 / 2 = 15,23; Ит=3,15; Иб=5,6

. Определение частоты вращения валов привода: n1 = 970 об/мин


. Определение крутящих моментов:

         

редуктор вал подшипник прокладка

9. Коэффициенты эквивалентности по графику нагрузки:

10. Время работы:

tS = L × 365 × Кг × 24 × Кс = 5 × 365 × 0,7 × 24 × 0,5 = 15330 ч.

. Расчет клиноременной передачи:

По графику для определения сечения ремня (стр. 134, [1]) примем ремень сечения А, данные из табл.7.7 [1].


 lр

 W

 T0

площадь сечения А

 L

масса 1 м длины

 А

 11

 13

 8

81 мм2

560…4000

0,10 кг


Ртр = 4 кВт

n1 = 970 об/мин

n2 = 485 об/мин

Т1 = 40 Н × м

Т2 = 79 Н × м

) Вращающий момент:


2) Диаметр меньшего шкива:


Примем d1 = 125 мм. (по ГОСТ 17383-73)

) Диаметр большего шкива:

d2 = d1 × Ирем × (1-e) = 125 × 2 × (1-0,01)= 247.5 мм

Примем d2 = 250 мм. (по ГОСТ 17383-73)

) Уточняем передаточное отношение:


5) Межосевое расстояние:

а min = 0,55 × (d1 + d2) + Т0 = 0,55 × (125 + 250) + 8 = 214,25 мм

а max = d1 + d2 = 125 + 250 = 375 мм


6) Длина ремня:


Принимаем: Lр = 1400 мм.

) Уточняем межосевое расстояние:

, где

w = 0,5 × p × (d1 + d2) = 0,5 × 3,14 × (125 + 250) = 588,75 мм

у = (d2 - d1)2 = (250 -125)2 = 15625 мм2

Принимаем а = 400 мм.

) Угол обхвата:


9) Число ремней:


Р0 - мощность, допускаемая для передачи одним ремнем = 1,52 кВт (табл. 7.8 [1]);

CL - коэффициент, учитывающий влияние длины ремня = 0,98 (табл. 7.9 [1]);

Ср - коэффициент режима работы = 1,0 (табл. 7.10 [1]);

Сz- коэффициент, учитывающий число ремней = 0,90        

Сa - коэффициент угла обхвата = 0,95

) Натяжение одной ветви ремня:

,

где Q - коэффициент, учитывающий центробежную силу = 0,10.


) Сила, действующая на вал:


12) Рабочий ресурс клиноремённой передачи (стр. 271, [3]):


Так как условие не выполняется, то вычисленный выше ресурс недостаточен. Чтобы увеличить его до требуемого срока, следует взять шкивы большего диаметра.

d1=250 мм, d2= d1Ирем(1-e)=495, по ГОСТ 17383-73 d2=500 мм.

Ориентировочно можно считать, что при переходе к диаметру d1=250 мм ресурс возрастает пропорционально отношению диаметров в шестой степени:

, т.е. составляет Н= 282 64=18048

) Уточняем передаточное отношение:


5) Межосевое расстояние:

а min = 0,55 × (d1 + d2) + Т0 = 0,55 × (250 + 500) + 8 = 420,5 мм

а max = d1 + d2 = 250 + 500 = 750 мм


6) Длина ремня:


Принимаем: Lр = 2500 мм

) Уточняем межосевое расстояние:

, где

w = 0,5 × p × (d1 + d2) = 0,5 × 3,14 × (250 + 500) = 1177,5 мм

у = (d2 - d1)2 = (500 -250)2 = 62500 мм2

Принимаем а = 650 мм

) Угол обхвата:


9) Число ремней:


Р0 - мощность, допускаемая для передачи одним ремнем = 1,52 кВт (табл. 7.8 [1]);

CL - коэффициент, учитывающий влияние длины ремня = 0,98 (табл. 7.9 [1]);

Ср - коэффициент режима работы = 1,0 (табл. 7.10 [1]);

Сz- коэффициент, учитывающий число ремней = 0,90        

Сa - коэффициент угла обхвата = 0,95

) Натяжение одной ветви ремня:

,

где Q - коэффициент, учитывающий центробежную силу = 0,10.


) Сила, действующая на вал:


12) Рабочий ресурс клиноремённой передачи (стр. 271, [3]):


Приняли 4 ремня.

Ремень А- 2500 Т ГОСТ 1284.1-80, шкивы примем изготовленными из чугуна СЧ15, т.к. V £ 30 м/с (V = 9м/c).

Dнаруж. = dp + 2 h0

Примем шкивы с диском для меньшего и со спицами для большего.

Параметры шкивов (стр.286, [3]):

dp = 250      dp = 500

lp = 11,0      lp = 11,00 = 3,3     h0 = 3,3= 8,7        h = 8,7

е = 15,         е = 15,0 = 10,       f = 10,0

a = 38°       a = 38°

r = 1 мм      r = 1 мм

Ширина шкива (стр. 287, [3]):

Вш = (z - 1) × e + 2 × f = 3 × 15 + 2 × 10,0 = 65 мм

Толщина обода:

dчуг. = (1,1…1,3) × h = 9,57 ¸ 11,31 » 10 мм

Толщина диска:

С = (1,2…1,3) × d = 9,6 ¸ 10,4 = 10 мм

Диаметр ступицы: dст. = (1,8…2) × d,

где     d - диаметр вала.

dст.1 = 2 × 28 = 56 мм

dст.2 = 2 × 32 = 64 мм

Длина ступицы: lст. = (1,5…2) * d,

lст.1 = (1,5…2) × d = 42…112 мм       примем lст.1 = 110 мм

lст.2 = (1,5…2) × d = 96…128 мм       примем lст.1 = 110 мм

Число спиц для шкивов с D ³ 350 мм


принимаем z = 4

Ширина спицы

,

где     Т - передаваемый шкивом крутящий момент:


[s]F = 30 Н/мм2 - для чугунных шкивов

Толщина спицы а = (0,4…0,5) × h = 14,8…18,5 мм, примем а = 4 мм

Для эллиптического сечения

а1 = 0,8 × а = 0,8 × 4 = 3,6

h1 = 0,8 × h = 0,8 × 8,7 = 6,96

Меньший шкив примем:

Шкив Б3.250.50. Ц. СЧ 15 ГОСТ 20894 - 75

l = 90 L = 50

Вш = 65 мм

Dнаруж. = 256,6 мм

Большой шкив примем:

Шкив Б3.500.50 К. СЧ 15 ГОСТ 20897 - 75

l = 90           L = 50

Вш = 65 мм

Dнаруж. = 566,6 мм

. Расчет на контактную выносливость.

Определение допускаемых напряжений к расчету зубчатых передач на контактную выносливость

Рекомендуемые сочетания твердостей зубьев

Шестерня зубчатое колесо

Hb 320 hb 25046 hb 29062 hrc 45

645.4545288085938

Допускаемые контактные напряжения для колеса в МПа

.1818237304688

Допускаемые контактные напряжения к расчету параметров в МПа

.6363525390625

Допускаемые контактные напряжения для шестерни в МПа

.9077758789062

Допускаемые контактные напряжения для колеса в МПа

.9091186523438

Допускаемые контактные напряжения к расчету параметров в МПа

.4176025390625

Допускаемые контактные напряжения для шестерни в МПа

.371948242188

Допускаемые контактные напряжения для колеса в МПа

.8224487304688

Допускаемые контактные напряжения к расчету параметров в МПа

.637451171875

Тихоходная ступень редуктора

1. Расчетные допускаемые напряжения 523 МПа

Межосевое расстояние a= 250 мм

Модуль нормальный mn= 4 мм

Число зубьев шестерни z1= 29

Число зубьев колеса z2= 93

Делительный диаметр шестерни d1= 118.8524551391602 мм

Диаметр выступов шестерни da1= 126.8524551391602 мм

Делительный диаметр зубчатого колеса d2= 381.1475219726562 мм

Диаметр выступов колеса da2= 389.1475219726562 мм

Ширина венца шестерни b1= 84.75 мм

Ширина венца зубчатого колеса b2= 78.75 mм

Угол наклона зубьев b3= .2195295393466949 рад

Коэффициент смещения исходного контура x= 0

Окружная сила в зацеплении ft= 7267.84228515625 h

Распорная сила в зацеплении fr= 2645.49462890625 h

Осевая сила в зацеплении fa= 1621.640869140625 h

2. Расчетные допускаемые напряжения 634 МПа

Межосевое расстояние a= 200 мм

Модуль нормальный mn= 3.150000095367432 мм

Число зубьев шестерни z1= 30

Число зубьев колеса z2= 94

Делительный диаметр шестерни d1= 96.77419281005859 мм

Диаметр выступов шестерни da1= 103.0741958618164 мм

Делительный диаметр зубчатого колеса d2= 303.2257995605469 мм

Диаметр выступов колеса da2= 309.5257873535156 мм

Ширина венца шестерни b1= 69 мм

Ширина венца зубчатого колеса b2= 63 mм

Угол наклона зубьев b3= 2172214984893799 рад

Коэффициент смещения исходного контура x= 0

Окружная сила в зацеплении ft = 9135.5029296875 h

Распорная сила в зацеплении f r= 3325.322998046875 h

Осевая сила в зацеплении fa = 2016.240112304688 h

3. Расчетные допускаемые напряжения 1061 МПа

Межосевое расстояние a = 140 мм

Модуль нормальный mn = 2.5 мм

Число зубьев шестерни z1= 27

Число зубьев колеса z2= 83

Делительный диаметр шестерни d1= 68.72727203369141 мм

Диаметр выступов шестерни da1= 73.72727203369141 мм

Делительный диаметр зубчатого колеса d2= 211.2727203369141 мм

Диаметр выступов колеса da2= 216.2727203369141 мм

Ширина венца шестерни b1= 50.09999847412109 мм

Ширина венца зубчатого колеса b2= 44.09999847412109 mм

Угол наклона зубьев b3= .1892645508050919 рад

Коэффициент смещения исходного контура x = 0

Окружная сила в зацеплении ft = 13111.583984375 h

Распорная сила в зацеплении fr = 4772.61669921875 h

Осевая сила в зацеплении fa = 2511.61962890625 h

Быстроходная ступень

1. Расчетные допускаемые напряжения 523 МПа

Межосевое расстояние a = 180 мм

Модуль нормальный mn = 3.150000095367432 мм

Число зубьев шестерни z1 = 17

Число зубьев колеса z2= 95

Делительный диаметр шестерни d1= 54.64285659790039 мм

Диаметр выступов шестерни da1= 60.94285583496094 мм

Делительный диаметр зубчатого колеса d2= 305.3571472167969 мм

Диаметр выступов колеса da2= 311.6571350097656 мм

Ширина венца шестерни b1= 62.70000076293945 мм

Ширина венца зубчатого колеса b2= 56.70000076293945 мм

Угол наклона зубьев b3= .2003347426652908 рад

Коэффициент смещения исходного контура x = 0

Окружная сила в зацеплении ft = 2888.81396484375 h

Распорная сила в зацеплении fr = 1051.5283203125 h

Осевая сила в зацеплении fa = 586.598388671875 h

2. Расчетные допускаемые напряжения 634 МПа

Межосевое расстояние a = 140 мм

Модуль нормальный mn = 2.5 мм

Число зубьев шестерни z1= 17

Число зубьев колеса z2= 93

Делительный диаметр шестерни d1= 43.27272796630859 мм

Диаметр выступов шестерни da1= 48.27272796630859 мм

Делительный диаметр зубчатого колеса d2= 236.7272644042969 мм

Диаметр выступов колеса da2= 241.7272644042969 мм

Ширина венца шестерни b1= 50.09999847412109 мм

Ширина венца зубчатого колеса b2= 44.09999847412109 мм

Угол наклона зубьев b3= .1892645508050919 рад

Коэффициент смещения исходного контура x = 0

Окружная сила в зацеплении ft = 3726.3134765625 h

Распорная сила в зацеплении fr = 1356.378051757812 h

Осевая сила в зацеплении fa = 713.8025512695312 h

3. Расчетные допускаемые напряжения 1061 МПа

Межосевое расстояние a = 100 мм

Модуль нормальный mn = 2 мм

Число зубьев шестерни z1= 15

Число зубьев колеса z2= 83

Делительный диаметр шестерни d1= 30.61224365234375 мм

Диаметр выступов шестерни da1= 35.08283233642578 мм

Делительный диаметр зубчатого колеса d2= 169.3877563476562 мм

Диаметр выступов колеса da2= 172.9171752929688 мм

Ширина венца шестерни b1= 37.5 мм

Ширина венца зубчатого колеса b2= 31.5 мм

Угол наклона зубьев b3= .2003347426652908 рад

Коэффициент смещения исходного контура x = .1176470592617989

Окружная сила в зацеплении ft = 5207.6962890625 h

Распорная сила в зацеплении fr = 1895.601440429688 h

Осевая сила в зацеплении fa = 1057.46728515625 h

. Диаметры валов (стр.43 [3])

а) тихоходный вал


Принимаем 68 мм


Принимаем 78мм


Принимаем 88 мм, dв ³ dn

б) промежуточный вал


Принимаем 55 мм


Принимаем 45 мм

 

Принимаем 63 мм



Принимаем 55 мм, dк ³ dn;     dБП £ dк

в) быстроходный вал


Принимаем 30 мм, dп = 38 мм


Принимаем 42 мм.

14. Проектировочный расчет валов.

а) быстроходный вал

MxA = -Ft1 × в + хB × (в + с) = 0,

хB = (Ft1 × в) / (в + с) = (2794,69 × 215) / (215 + 77) = 2057,73Н

xA - Ft1 + xв = 0

хА = Ft1 - xв = 2794,69 - 2057,73 = 736,96 Н

МА = (Fa1 × d) / 2 = (535,34 × 0,048) / 2 = 12,85 Н×м

MyA = МА - Ft1 × в + Ув × (в + с) - SA = 0

где SA = 456 Н

B = (Fr1 × в - МА + SA) / (в + c)] =

= (1017,27 × 0,215 - 12,85 + 456) / 0,292 = 750,5 Н

УА - Fr1 + Ув + SA = 0

УА = Fr1 - Ув - SA = 1017,27 - 750,5 - 456 = -189,23 Н

I уч. 0 £ х1 £ а

MUx1 = 0

MUy1 - SА × х1 = 0

MUx1 = S × x1 = 456 × 0 = 0

× 0,247 = 112,63 Н×м

II уч. 0 £ х2 £ в


736,96 × 0,215 = 158,39 Н×м

MUy2 - yА × x2 - SА × (а + х2) = 0

MUy2 = -189,23 × 0 + 456 × (0,247 + 0) = 112,63 Н×м

-189,23 * 0,215 + 456 * (0,247 + 0,215) = 169,98Н*м

III уч. 0 £ х3 £ c

MUx3 + xB × x3 = 0

MUx3 = 2057,73 × 0 = 0

,73 × 0,077 = 158,45 Н×м

MUy3 + yB × x3 = 0

MUy3 = 750,5 × 0 = 0

,5 × 0,077 = 57,79 Н×м







б) промежуточный вал.

MxA = -хB × (а + в + с) - Ft2 × (a + в) - Ft3 × a = 0

хB = - (Ft2 × (a + в) + Ft3 × a) / (а + в + с) = - (7604,2 × 0,219 + 2794,69 × 0,1) / 0,3 = - 6482,78 Н

хА + Ft3 + Ft2 + хв = 0

хА = -Ft3 - Ft2 - хв = -7604,2 - 2767,93 + 6482,78 = -3889,35 Н

МА2 = (Fa2 × d) / 2 = (535,34 × 0,241) / 2 = 64,5 Н*м

МА3 = (Fa3 × d) / 2 = (1544,1 × 0,093) / 2 = 71,8 Н*м

MyA = МА2 + МА3 + yB (а + в + c) - Fr3 × a + Fr2 × (а + в) = 0

yB = (Fr3 × a - Fr2 × (а + в) - М3 - М2) / (а + в + c) = (1017,27 × 0,1 - 2767,93 × 0,219 - 64,5 - 71,8) / 0,3 = -640,75 Н

уА - Fr3 + Fr2 + Ув = 0

уА = Fr3 - Fr2 - Ув = 2767,93 - 1017,27 + 640,75 = 2391,41 Н

I уч. 0 £ х1 £ а

MUx1 - xa × x1 = 0

MUx1 = xa × x1 =-3889,35 × 0     = 0

,35 × 0,1 = -388,94

Uy1 - yA × x1 = 0Uy1 = yA × x1 = 2391,41 × 0   = 0

,41 × 0,1 = 239,14

II уч. 0 £ х2 £ в

MUx2 - xА (а × x2) - Ft3 × x2 = 0

MUx2 =-3889,35 × (0,1 + 0) + 7604,2 × 0 = -388,94

,35 × (0,1+ 0,119) +7604,2 × 0,119 =53,13

MUy2 - yА (а × x2) + Fr3 × х2 + М3 = 0

MUy2 = 2391,41 × (0,1 + 0) - 2767,93 × 0 - 71,8 =167,34

,41 × (0,1 + 0,119) - 2767,93 × 0,119 - 71,8 = 122,54

III уч. 0 £ х3 £ c

MUx3 + xB × x3 = 0

MUx3 = -6482,78 × 0 = 0

-6482,78 × 0,081 = -525,1

MUy3 + yB × x3 = 0

Uy3 =-640,75 × 0 = 0

-640,75 × 0,081 = -51,9






,63 × 0,059 = 200,99

II уч. 0 £ х2 £ в

MUx2 - xА (а × x2) - Ft3 × x2 = 0

MUx2 = -8576,1 × (0,059 + 0) + 11041,94 × 0 = -505,99

,1 × (0,059 + 0,0585) + 11041,94 × 0,0585 = -361,74

MUy2 - yА (а × x2) + Fr3 × х2 + М3 = 0

MUy2 = 3406,63 × (0,059 + 0) - 4019,26 × 0 - 118,19 = 82,8

,63 × (0,059 + 0,0585) - 4019,26 × 0,0585 - 118,19 = 46,96

III уч. 0 £ х3 £ c

MUx3 + xB × x3 = 0

MUx3 = -7307,8 × 0 = 0

,8 × 0,0495 = -361,74

MUy3 + yB × x3 = 0

Uy3 = -1149,84 × 0 = 0

-1149,84 × 0,0495 = -56,9


в) тихоходный вал.

MxA = хB × (а + в) - Ft4 × a = 0

хB = (Ft4 × a) / (а + в) = (7604,2× 0,11) / 0,33 = 2534,73 Н

хА - Ft4 + хв = 0

ха = Ft4 - хв =7604,2 - 2534,73 = 5069,47 Н

МА4 = (FA4 × d) / 2 = (1544,1× 0,2795) / 2 = 215,79 Н*м

MyA = yB × (а + в) + Fr4 × а + МА4 = 0B = - (Fr4×а + МА4) / (а + в) = - (2767,93× 0,11 +215,79) / 0,33 = -1576,55Н

yA + Fr4 + ув = 0

уА = -Fr4 - ув = -2767,93+1576,55 = -1191,38 Н

I уч. 0 £ х1 £ а

MUx1 - xa × x1 = 0Ux1 = xa × x1 = 5069,47 × 0 = 0

          5069,47 × 0,11 = 557,64

Uy1 - yA × x1 = 0Uy1 = yA × x1 = -1191,38 × 0 = 0

-1191,38 × 0,11     = -131,05

II уч. 0 £ х2 £ в

MUx2 = xв × x2 = 2534,73 × 0 = 0

,73 × 0,21 = 532,29

MUy2 = yв × x2 = -1576,55 × 0 = 0

,55 × 0,21 = -331,09







. Проверка валов на прочность.

а) быстроходный вал:

Запас прочности должен составлять ³ 2,5…3.

Выберем Ст. 45.

По табл. 14.2 стр. 426 [4]:

НВ 270

sв = 870 МПа      sт = 640 МПа      s-1 = 370 МПа     fs = 0,1

t = 380 МПа        t-1 = 220 МПа      ft = 0,05    

Опасным сечение является то сечение, где действует Миmax.

Миmax = 232,34 Н×м

             

b - коэфф., учитывающий влияние шероховатости, при Rz £ 20 мкм b = 1 (стр. 298 [4])

es и et - масштабные факторы:

es =0,79      et = 0,675 (табл. 11.6 [4])

Кs и Кt - коэф. концентрации:

Кs = 2, Кt = 2,1 (для валов со шпоночной канавкой, стр. 300 [4])

Напряжение изгиба в валах изменяется по симметричному знакопеременному циклу (стр. 113 [5])

sа = s                   sm = 0

Для вала нереверсивной передачи примерно принимается, что напряжения кручения изменяются по пульсирующему отнулевому циклу.


W0 = 18760 мм3; Wp = 40000 мм3;

в ´ h 18 ´ 11 (шпонка) (табл. 5.9 [5])


Считаем коэффициент запаса прочности:

          

Общий коэффициент запаса прочности:


Прочность обеспечена.

б) промежуточный вал:

Запас прочности должен составлять ³ 2,5…3.

Выберем Ст. 45.

По табл. 14.2 стр. 426 [4]:

НВ 270

sв = 870 МПа      sт = 640 МПа      s-1 = 370 МПа     fs = 0,1

t = 380 МПа        t-1 = 220 МПа      ft = 0,05    

Опасным сечение является то сечение, где действует Миmax (сечение шестерни не учитываем в виду ее большего передаваемого момента и большей ширины).

Миmax = 534,43 Н×м

             

b - коэфф., учитывающий влияние шероховатости, при Rz £ 20 мкм b = 1 (стр. 298 [4])

es и et - масштабные факторы:

es =0,805    et = 0,69 (табл. 11.6 [4])

Кs и Кt - коэф. концентрации:

Кs = 2, Кt = 2,1 (для валов со шпоночной канавкой, стр. 300 [4])

Напряжение изгиба в валах изменяется по симметричному знакопеременному циклу (стр. 113 [5])

sа = s                   sm = 0

Для вала нереверсивной передачи примерно принимается, что напряжения кручения изменяются по пульсирующему отнулевому циклу.


W0 = 14510 мм3; Wp =30800 мм3;

в ´ h 16 ´ 10 (шпонка) (табл. 5.9 [5])

тогда

Считаем коэффициент запаса прочности:

         

Общий коэффициент запаса прочности:


Прочность обеспечена.

в) тихоходный вал:

Запас прочности должен составлять ³ 2,5…3.

Выберем Ст. 40Х.

По табл. 14.2 стр. 426 [4]:

НВ 270

sв = 880 МПа      sт = 740 МПа      s-1 = 400 МПа     fs = 0,1

t = 440 МПа        t-1 = 230 МПа      ft = 0,05    

Опасным сечение является то сечение, где действует Миmax.

Миmax = 626,86 Н×м

             

b - коэфф., учитывающий влияние шероховатости, при Rz £ 20 мкм b = 1 (стр. 298 [4])

es и et - масштабные факторы:

es =0,72      et = 0,61 (табл. 11.6 [4])

Кs и Кt - коэф. концентрации:

Кs = 2, Кt = 2,1 (для валов со шпоночной канавкой, стр. 300 [4])

Напряжение изгиба в валах изменяется по симметричному знакопеременному циклу (стр. 113 [5])

sа = s                   sm = 0

Для вала нереверсивной передачи примерно принимается, что напряжения кручения изменяются по пульсирующему отнулевому циклу.


W0 = 64698,75 мм3; Wp = 137598,75 мм3;

в ´ h 25 ´ 14 (шпонка),

тогда


Считаем коэффициент запаса прочности:

             

Общий коэффициент запаса прочности:


Прочность обеспечена.

. Выбор типа подшипников

Для опор валов цилиндрических колес редукторов применяют чаще всего шариковые радиальные однорядные подшипники. Первоначально примем подшипники шариковые радиальные однорядные.

а) быстроходный вал: подшипник 307 ГОСТ 8338 - 75.

б) промежуточный вал: подшипник 309 ГОСТ 8338 - 75.

в) тихоходный вал: подшипник 315 ГОСТ 8338 - 75.

. Проверка выбора подшипников

а) подшипник 307

d =35 мм;   D = 80 мм; В = 21; r = 2,5; Сr = 33,2кН; С0r = 18 кН

          хА = 736,96 Н;     уА = -189,23 Н;

хв = 2057,73 Н;    ув = 750,5 Н.

FA = 535,34 Н

n = 485 об/мин

(табл. 9.18 [1])

для 1 опоры:

(табл. 9.18 [1]),

где V - коэффициент вращения = 1.

Эквивалентная динамическая радиальная нагрузка:

P = (Х ×V × Fr1 + У × Fa) × Кб × Кт,

где     Кт = 1 (т. к. t < 100°)

Кб = 1,4 (табл. 9.19 [1])

P = (1 × 0,56 × 2185,72 + 1,71 × 535,34) × 1 × 1,4 = 2995,21 H

Определим номинальную долговечность (ресурс):

,

где С - динамическая грузоподъемность,

Р - эквивалентная нагрузка,

р - показатель степени, для шарикоподшипников = 3.



для 2 опоры:


Эквивалентная динамическая радиальная нагрузка:

P = (Х × V × Fr1 + У × Fa) × Кб × Кт,

где     Кт = 1 (т. к. t < 100°)

Кб = 1,4 (табл. 9.19 [1])

P = (1 × 0,56 × 773,99 + 1,71 × 535,34) × 1 × 1,4 = 1888,4 H

Определим номинальную долговечность (ресурс):



Следовательно, окончательно принимаем подшипники 307 для быстроходного вала. (вывод)

б) подшипник 309

d = 45 мм; D = 100 мм; В = 25; r = 2,5; С = 52,7 кН; С0 = 30 кН

хА = -3889,35 Н;  уА = 2391,41Н;

хв = -6482,78 Н;   ув = -640,75 Н.

FA = Fa3 - Fa2 = 1544,1 - 535,34 = 1008,76 Н

n = 86,61 об/мин

(табл. 9.18 [1])

для 1 опоры:

(табл. 9.18 [1]),

где V - коэффициент вращения = 1.

Эквивалентная динамическая радиальная нагрузка:

P = Fr1 × V × Кб × Кт,

где Кт = 1 (т. к. t < 100°)

Кб = 1,4 (табл. 9.19 [1])

P = 7559,99 × 1 × 1 × 1,4 = 10583,986

Определим номинальную долговечность (ресурс):

,

где С - динамическая грузоподъемность,

Р - эквивалентная нагрузка,

р - показатель степени, для шарикоподшипников = 3.



для 2 опоры:


Эквивалентная динамическая радиальная нагрузка:

P = Fr1 × V × Кб × Кт,

где     Кт = 1 (т. к. t < 100°)

Кб = 1,4 (табл. 9.19 [1])

P = 2475,76× 1,4 × 1 × 1 = 3466,06 H

Определим номинальную долговечность (ресурс):



в) подшипник 315

d = 75 мм;  D = 160 мм; В = 37; r = 3,5; С = 112 кН; С0 = 72,5 кН

          хА = 5069,47 Н;   уА = -1191,38 Н;

хв = 2534,73Н;     ув = -1576,55 Н.

FA = 1544,1Н

n = 27,6 об/мин

(табл. 9.18 [1])

для 1 опоры:

(табл. 9.18 [1]),

где V - коэффициент вращения = 1.

Эквивалентная динамическая радиальная нагрузка:

P = (Х × V × Fr1 + У × Fa) × Кб × Кт,

где     Кт = 1 (т. к. t < 100°)

Кб = 1,4 (табл. 9.19 [1])

P = (1 × 0,56 × 5667,84 + 1,71 ×1544,1) × 1,4 = 8140,16 H

Определим номинальную долговечность (ресурс):



для 2 опоры:


Эквивалентная динамическая радиальная нагрузка:

P = (Х × V × Fr1 + У × Fa) × Кб × Кт,

где     Кт = 1 (т. к. t < 100°)

Кб = 1,4 (табл. 9.19 [1])

P = (1 × 0,56 × 1976,08 + 1,71 × 1544,1) × 1,4 = 5245,82 H

Определим номинальную долговечность (ресурс):



. Расчет муфты.

Тр = Тн × К,

где Тн - номинальный крутящий момент = 1385 Н×м

К - коэффициент режима, приближенно учитывающий режим работы привода

К = 1,5…2

Тр = 1385 × 1,5 = 2077,5Н×м

Примем предохранительную фрикционную муфту, т.к. она обладает большой несущей способностью при малых габаритах, плавностью срабатывания и простотой эксплуатации. (стр. 272 [2]).

Определяем число пар трения:

, где

Dн - наружный диаметр кольца контакта дисков = 272 мм;

Dв - внутренний диаметр кольца контакта дисков = 163,2 мм;

Dср - средний диаметр кольца контакта дисков = 217,6 мм;

[р] - допускаемое давление на трущихся поверхностях;

f0 - коэффициент трения покоя;

Выбираем сталь по дискам из порошковых материалов:

[р] = 0,25             f0 = 0,3

Сила сжатия пружины:


Для пружины выбираем легированную сталь 60С2.

Определение усилия, приходящееся на одну пружину при включенной муфте:

- число пружин

Определение силы, действующей на одну пружину при выключенной муфте:


Из характеристики пружины с учетом увеличения осадка пружины на 3мм при возрастании силы от  до , определяем  из подобия:

;

Так как посадка витка на виток недопустима, то предельная нагрузка не должна превышать  при зазоре между витками

Выбираем для пружин стальную углеродистую проволоку ll класса по ГОСТ 9389-75; из табл. 16,1 [4] находим:

Задавшись индексом пружины  и вычислив коэффициент:

 ,находим диаметр проволоки:


Принимаем

Определяем осадку пружины под действием силы F:

, где

z - число рабочих витков пружины = 3

G - модуль сдвига = 8 × 104 МПа

Шаг пружины в свободном состоянии:

,

где sp - зазор = 0,1 × d = 1 мм

Полное число витков:

z1 = z + 1,5 = 3 + 1,5 = 4,5 мм

Высота пружины при полном ее сжатии:

Н3 = (z1 - 0,5) × d = (4,5 - 0,5) × 10 = 40 мм

Высота пружины в сводном состоянии:

Н0 = Н3 + z × (t - d) = 40 + 3 × (21 - 10) = 73 мм

Длина заготовки проволоки для пружины:

.

. Расчет болтов

Рвых = Рэд × h0 = 4 × 0,86 = 3,44 кВт



Определение нагрузки, действующей на болт:

Fn = Fц × sin45 = 131,8× sin45 = 85,59 Нсд = Fц × cos45 = 131,8 × cos45 = 100,22 Н

Моп = Тзв + Fсд × 0,216 + Fсд × 0,122 = 943,73 Н

Определяем усилие затяжки из условия отсутствия сдвига:

, где

Определяем силы затяжки из условия нераскрытия стыка:

F1max = F1мом + Fa1

Fa1 - осевая сила, действующая на один болт:


F1max = 15867,6 + 4488,5 = 20356,1 Н

Fз.нс = к × F1max × (1 - c) = 1,4 × 20356,1 × (1 - 0,2) = 22798,8 Н

c = 0,2

FSрасч = 1,4 × Fз.сд + F1max × c = 1,4 × 27436,23 + 20356,1 × 0,2 = 42481,9 Н

[sр] = 116 МПа


Выбираем d = 20 мм

Список литературы

1.      Чернавский С.А. Курсовое проектирование деталей машин: Учеб. пособие для машиностроит. спец. техникумов. - М.: Высш. шк., 1988. - 416 с., ил.

2.       В.С. Поляков, И.Д. Барбаш, О.А. Ряховский

.         Справочник по муфтам. Л., "Машинострое-

.         ние" (Ленингр. отд-ние), 1974, 352 с.

.         Дунаев П.Ф., Леликов О. П. Детали машин. Курсовое проектирование: Учеб. пособие для машиностроит. спец. техникумов. - М.: Высш. шк.. 1990. - 399 с., ил.

.         Чернавский С.А. Проектирование механических передач: Учебно-справочное пособие для втузов. - М.: Машиностронение, 1984. - 560 с., ил.

.         Детали машин: Атлас конструкций. Уч. пособие для машиностроительных вузов/ В.Н. Беляев, И.С. Богатырев, А.В. Буланже и др.; Под ред. д-ра техн. наук проф.

.         Д.Н. Решетова. - 4-е изд., перераб. И доп. - М.: Машино-

.         строение, 1979. -367 с., ил.

Похожие работы на - Разработка редуктора для привода ленточного конвейера

 

Не нашли материал для своей работы?
Поможем написать уникальную работу
Без плагиата!
Без нейросетей!