Конструктивная разработка привода к ленточному конвейеру

  • Вид работы:
    Курсовая работа (т)
  • Предмет:
    Другое
  • Язык:
    Русский
    ,
    Формат файла:
    MS Word
    366,55 Кб
  • Опубликовано:
    2015-06-09
Вы можете узнать стоимость помощи в написании студенческой работы.
Помощь в написании работы, которую точно примут!

Конструктивная разработка привода к ленточному конвейеру

РЕФЕРАТ

Курсовой проект содержит 42 с., 6 таблиц, 4 рисунка, 4 источника.

ПРИВОД, ДВИГАТЕЛЬ, ШКИВ, РЕДУКТОР, ШЕСТЕРНЯ, КОЛЕСО, ПОДШИПНИК, КОРПУС, ФЛАНЕЦ, БОЛТ, МАСЛО, РЕМЕНЬ.

В курсовом проекте произведена конструктивная разработка привода к ленточному конвейеру. Выполнены расчеты на прочность различных деталей редуктора: таких как зубчатое колесо, валы, подшипники. Проведены конструкторские расчеты шпоночных соединений. Рассчитана клиноременная передача.

 

СОДЕРЖАНИЕ


Введение

. Расчет и конструирование

.1      Выбор электродвигателя и кинематический расчет

1.2    Расчёт клиноременной передачи

1.3    Расчёт зубчатых колёс

.4      Предварительный расчёт валов редуктора и выбор подшипников

.5      Конструктивные размеры шестерни и колеса

.6      Конструктивные размеры корпуса редуктора

.7      Первый этап компоновки

.8      Проверка долговечности подшипников

.9      Выбор муфты

.10    Расчёт шпонок на смятие

.11    Уточнённый расчет валов

. Посадки зубчатого колеса, шкивов и подшипников

. Выбор сорта масла

. Сборка редуктора

Заключение

Библиографический список

 

 

ВВЕДЕНИЕ


Целью данного курсового проекта является разработка привода к ленточному конвейеру, конструирование одноступенчатого цилиндрического косозубого редуктора.

Редуктором называют механизм, состоящий из зубчатых колес или червячных передач, выполненный в виде отдельного агрегата и служащий для передачи вращения от вала двигателя к валу рабочей машины.

Назначение редуктора - понижение угловой скорости и соответственно повышения вращающего момента ведомого вала по сравнению с ведущим (рисунок 1).

1 - электродвигатель; 2 - клиноременная передача; 3 - одноступенчатый цилиндрический редуктор; 5 - ленточный конвейер.

Рисунок 1 - Привод ленточного конвейера с цилиндрическим редуктором и клиноременной передачей.

Основные характеристики редуктора - КПД, передаточное отношение, передаваемая мощность, максимальные угловые скорости валов, количество ведущих и ведомых валов, тип и количество передач и ступеней.

Цилиндрический редуктор общемашиностроительного назначения используется для передачи вращательного движения между валами расположенными параллельно друг к другу. Установленный в различных агрегатах и механизмах цилиндрический редуктор способен снизить частоту вращения, и в тоже время увеличить крутящий момент.

В данном курсовом проекте будет использована клиноременная передача.

Клиноременная передача - один из видов ременной передачи.

В клиноременной передаче гибкая связь осуществляется приводным ремнем трапециевидного сечения с углом профиля, равном 40° (в недеформированном состоянии). По сравнению с плоским ремнем клиновидный ремень передает большие тяговые усилия, но передача с таким ремнем имеет пониженный КПД.

Достоинства ременных передач:

• простота конструкции и малая стоимость;

• возможность передачи мощности на значительные расстояния (до 15 метров);

• плавность и бесшумность работы;

• смягчение вибрации и толчков вследствие упругой вытяжки ремня.

Недостатки ременных передач:

• большие габаритные размеры, в особенности при передаче значительных мощностей;

• малая долговечность ремня в быстроходных передачах;

• большие нагрузки на валы и подшипники от натяжения ремня;.

• отсутствие в необходимости смазки;

• малая стоимость.

1. 
РАСЧЕТ И КОНСТРУИРОВАНИЕ

1.1 Выбор электродвигателя и кинематический расчет

Для выбора электродвигателя необходимо знать примерную мощность, требуемую на входном валу привода. Коэффициент полезного действия механических передач определяется отношением мощности на выходном валу к мощности на входном валу:

 

где h - коэффициент полезного действия (КПД) привода;

- требуемая мощность на выходном валу редуктора;

Р - требуемая мощность двигателя.

Используя формулу (1) выразим требуемую мощность двигателя:

 

КПД привода определяется произведением КПД передач, входящих в кинематическую систему, а так же потерями на трение в опорах на трение каждого вала (3):

 

КПД зубчатой передачи .

КПД ременной передачи .

Коэффициент трения в опорах

 

Зная КПД, выразим из выражения (2) требуемую мощность:

 

В соответствие с ГОСТ 19523 - 81 подберём электродвигатель требуемой мощности. Выбираем электродвигатель АО2 - 51 - 6, с параметрами Рдв= 5,5 кВт,частотой вращения n =970 об/мин и диаметром вала.

Угловая скорость двигателя :

 

 

Определяем передаточное отношение:

 

 

Намечаем для редуктора тогда для клиноременной передачи:

 

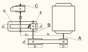
Угловая скорость и частота вращения ведущего вала редуктора (рисунок 2, вал В):

 

 

 

 

А - вал электродвигателя; В - ведущий вал редуктора; С - ведомый вал редуктора и вал барабана

Рисунок 2 - Кинематическая схема привода.

Полученные результату поместим в таблицу.

Таблица 1 - Кинематические характеристики валов привода

Вал

n, об/мин

, с-1

А

966

В

483

С

69

7,22


1.2 Расчет клиноременной передачи


При выборе между плоскоременной и клиноременной передачей, предпочтение отдано клиноременной, так как применение клинового ремня позволяет увеличить тяговую способность передачи за счет повышения трения, при этом сцепление с поверхностью шкива увеличится примерно в три раза.

Исходные данные для расчета:

передаваемая мощность Р = 3,3 кВт,

частота вращения ведущего (меньшего) шкива nдв= 970 об/мин,

передаточное отношение iк.р.= 2,1,

скольжение ремня e = 0,01.

         В зависимости от частоты вращения меньшего шкива и передаваемой мощности Р= 3,3 кВт принимаем сечение клинового ремня О.

         Вращающий момент:

 

         Диаметр меньшего шкива определим по эмпирической формуле:

 

(17)

Полученный результат округлим до стандартного значения. Принимаем значение диаметра меньшего шкива .

         Диаметр большего шкива:

 

         Уточненное передаточное отношение

 

При этом угловая скорость вала:

 

Расхождение с заданным значением:

 

 

Следовательно, окончательно принимаем диаметры шкивов

d1=112 мм

d2=221 мм

         Межосевое расстояние в интервале:

 

где  - высота сечения ремня,

 

 

Принимаем предварительное значение

         Расчетная длина ремня:

 

 

Ближайшее значение длины ремня по стандарту

         Уточненное межосевое расстояние с учетом стандартной длины ремня:

 

Где L = 1180 мм,

 

 

 

9       Угол обхвата ремнем малого шкива:

 

10      Коэффициент режима работы, учитывающий условия эксплуатации передач, для привода к ленточному конвейеру при двухсменной работе Ср=1,0.

11     Коэффициент, учитывающий влияние длины ремня, для ремня сечения О при длине L= 1180 мм коэффициент СL= 0,98.

Коэффициент влияния длины обхвата(таблица 1):

 

Таблица 1 - Коэффициент

180

160

140

120

100

90

70

1,0

0,95

0,89

0,82

0,73

0,68

0,56


При = 160°коэффициент = 0,95.

         Коэффициент, учитывающий число ремней в передаче (таблица 2):

Таблица 2 - Коэффициент

z

2-3

4-6

св. 6

Сz

0,95

0,90

0,85


Предполагая, что число ремней от 2 до 3, принимаем Сz=0,9.

Число ремней в передаче:

 

где Р- мощность электродвигателя

Ро = 3 кВт для ремня сечения В.

 

Принимаем число ремней z =7

.        Предварительное натяжение ветви ремня

 

где

q- коэффициент, учитывающий влияние центробежных сил (таблица 3).

Таблица 3 - Коэффициент q

Сечение ремня

О

А

Б

В

Г

Д

q, Н×с22

0,06

0,1

0,18

0,3

0,6

0,9


Для сечения ремня О коэффициент q=0,06 Н×с22. Тогда:

 

.        Сила, действующая на вал:


.        Ширина шкивов Вш:

 

 

 

 

1.3 Расчет зубчатых колес


Выбираем материалы для зубчатых колес. Для шестерни - сталь 45, термообработка - улучшение, твердость НB=230. Для колеса - сталь 45, термообработка - улучшение, твёрдость HB=200. Допускаемое контактное напряжение для косозубых колес из указанных материалов [] = 410 МПа.

Примем, коэффициент ширины венца.

Коэффициентучитывающий неравномерность распределения нагрузки по ширине венца. Несмотря на симметричное расположение колес относительно опор, примем значение этого коэффициента, как в случае несимметричного расположения колес, так как со стороны клиноременной передачи действует сила давления на ведущий вал, вызывающая его деформацию и ухудшающая контакт зубьев: .

Мощность на ведомом валу редуктора Найдем вращающий момент на этом валу:

 

Межосевое расстояние из условия контактной выносливости активных поверхностей зубьев считаем по формуле (38):

 

 

Ближайшее значение межосевого расстояния по ГОСТ 2185-66

.

Нормальный модуль:

 

Принимаем по ГОСТ 9563-60 .

Примем предварительно угол наклона зубьев .

Число зубьев шестерни считаем по формуле (41):

 

 

 

Уточняем значение угла наклона зубьев:

 

 

 

Основные размеры шестерни и колеса.

Диаметры делительные:

 

 

Проверка:

 

Диаметры вершин зубьев:

 

 

 

 

Ширина колеса  ширина шестерни

.

Коэффициент ширины шестерни по диаметру:

 

Окружная скорость колес:

электродвигатель вал редуктор подшипник

 

Коэффициент нагрузки:

 

При , твердости НВ<350 и несимметричном расположении колес (учет натяжения клиноременной передачи) коэффициент .

При и 8-й степени точности коэффициент .

Для косозубых колес при скорости менее 5 м/с коэффициент .

Таким образом,.

Проверяем контактные напряжения по формуле (54):

 

 

что менее [] = 410 МПа. Условие прочности выполнено.

Силы, действующие в зацеплении:

 

 

 

где окружная сила,

радиальная сила,

осевая сила.

Проверяем зубья на выносливость по напряжениям изгиба по формуле (59):

 

Коэффициент нагрузки:

 

гдекоэффициент, учитывающий неравномерность распределения нагрузки по ширине венца (коэффициент концентрации нагрузки), приYвd =2,3 НВ < 350 и несимметричном расположении колес (учет натяжения клиноременной передачи) KFb= 1,53;

коэффициент, учитывающий динамическое действие нагрузки (коэффициент динамичности),.

Таким образом,

 

Коэффициент , учитывающий форму зуба, определяем по эквивалентному числу зубьев :

 

 

Коэффициенты и .

Определяем коэффициенты  и :

 

 

где  - среднее значение торцового перекрытия,

 - степень точности.

 

Допускаемое напряжение при проверке на изгиб определяем по формуле (67):

 

Для объемно закаленной стали 45предел выносливости при нулевом цикле изгиба

Коэффициент безопасности:

 

Для стали 45 улучшенной , коэффициент  для поковок и штамповок. Следовательно,

Допускаемые напряжения:

 

Проверку на изгиб следует проводить для того зубчатого колеса, для которого отношение допускаемого напряжения  к коэффициенту  меньше. Найдем эти отношения.

Для шестерни:

 

Для колеса:

 

Проверку на изгиб проводим для шестерни по формуле (72):

 

Условие прочности выполнено.

 

1.4 Предварительный расчет валов редуктора и выбор подшипников


Предварительный расчет валов, как уже было указано, проводят на кручение, принимая пониженные допускаемые напряжения.

Вращающий момент ведущего вала :

 

Допускаемое напряжение на кручение Это невысокое значение принято с учетом того, что ведущий вал испытывает изгиб от натяжения клиноременной передачи.

Определим диаметр выходного конца вала:На выходной конец вала насаживается шкив клиноременной передачи:

 

 

Принимаем ближайшее большее значение .

Вращающий момент ведомого вала .

Допускаемое напряжение на кручение

Определим диаметр выходного конца вала :На выходной конец вала насаживается муфта:

 

 

Принимаем ближайшее большее значение .

Примем радиальные шарикоподшипники средней серии; габариты выбираем по диаметру вала в месте посадки подшипников  и . Габариты подшипников указаны в таблице 4.

Таблица 4 - Габаритные размеры подшипников

Условное обозначение подшипника

d

D

B


Размеры, мм

305

25

62

17

309

45

100

25


1.5 Конструктивные размеры шестерни и колеса


Шестерню выполняем за одно целое с валом. Ее размеры: ; ; .

Колесо кованное. Размеры колеса: ; ; .

Диаметр ступицы

 

где  - диаметр вала под зубчатым колесом;

 

Длина ступицы

 

 

 

Толщина обода

 

 

 

Толщина диска

 

 

1.6 Конструктивные размеры корпуса редуктора


Толщина стенок корпуса и крышки:

 

где aw - межосевое расстояние редуктора.

 

 

Принимаем  и .

Толщина фланцев поясов корпуса и крышки. Верхний пояс корпуса:

 

 

Нижний пояс корпуса:

 

 

Диаметр болтов фундаментных . Принимаем болты с резьбой М20.

Диаметр болтов, крепящих крышку к корпусу . Принимаем болты с резьбой М16.

1.7 Первый этап компоновки


Принимаем зазор между торцом ступицы и внутренней стенкой корпуса

 

Принимаем зазор от окружности вершин зубьев колеса до внутренней стенки корпуса

Принимаем расстояние между наружным кольцом подшипника ведущего вала и внутренней стенкой корпуса

Решаем вопрос о смазывании подшипников. Принимаем для подшипников пластичный смазочный материал. Для предотвращения вытекания смазки внутрь корпуса и вымывания пластичного смазочного материала жидким маслом из зоны зацепления устанавливаем мазеудерживающие кольца толщиной .

Измерением устанавливаем расстоянияи определяющие положение опор валов, относительно центральной оси. Также устанавливаем расстояние , которое определяет положение барабана конвейера относительно ближайшей опоры вала.

 

1.8 Проверка долговечности подшипников


Ведущий вал.

Из предыдущих расчетов имеем силы в зубчатом зацеплении:

Ft=2646 Н

Fr= 978 Н

Fa= 447 Н

Сила, действующая на вал, в клиноременной передаче:Fрп=898 Н.

Из первого этапа компоновки l1 = 89 мм и l0 =80 мм.

Реакции опор. Рассматриваем худший вариант, когда Ft и Fрпнаправлены в одну сторону:

в плоскости хz:

 

 

 

 

Проверка:

 

в плоскости yz:

 

 

 

 

Проверка:

 

Суммарные реакции:

 

 

 

 

Выбираем подшипники по более нагруженной опоре .

Намечаем радиальные однорядные шарикоподшипники 309 средней серии:

;

;

;

 

 

Эквивалентная нагрузка:

 

где  радиальная нагрузка,

осевая нагрузка,

коэффициент, зависящий от того, какое кольцо подшипника вращается; при вращении внутреннего кольца,

Отношение:

 

 

Отношение:

 

 

 

 

Расчетная долговечность, млн.об.:

 

 

Расчетная долговечность, ч.:

 

 

Таким образом расчетная долговечность больше минимально допустимой, равной 10000 ч.

Ведомый вал.

Из предыдущих расчетов имеем силы в зубчатом зацеплении:

Ft=2224 Н

Fr= 836 Н

Fa= 224 Н

Из первого этапа компоновки l2 = 89 мм и d2 =315 мм.

Реакции опор. Находим опорные реакции вала от нагрузки в зацеплении:

в вертикальной плоскости :

 

 

- в горизонтальной плоскости :

 

 

 

 

Проверка:

 

Суммарные реакции:

 

 

 

 

Выбираем подшипники по более нагруженной опоре .

Намечаем радиальные шарикоподшипники305 средней серии:

;

;

;

 

 

Эквивалентная нагрузка:

 

Отношение:

 

 

Отношение:

 

 

 

 

Расчетная долговечность, млн.об.:

 

 

Расчетная долговечность, ч.:

 

 

 

1.10 Расчет шпонок на смятие


Материал шпонок - сталь 45 нормализованная.

 

 

Произведём проверку прочности соединения, передающего вращающий момент от вала двигателя к шкиву, .

Диаметр вала в этом месте 24 мм. Сечение шпонки  мм, глубина паза  мм. Длина шпонки

Напряжение смятия:

 

Произведём проверку прочности соединения, передающего вращающий момент от ведомого вала к зубчатому колесу, .

Диаметр вала в этом месте 58 мм. Сечение шпонки мм, глубина паза  мм. Длина шпонки

Напряжение смятия:

 

После проведенных расчетов, выполняем второй этап компоновки.

 

1.11 Уточненный расчет валов


Уточненный расчет валов состоит в определении коэффициентов запаса прочности S для опасных сечений и сравнении их с требуемыми значениями [S].

Условие прочности соблюдено при S³[S] = 2,5.

Уточненный расчет ведущего вала с диаметром  и

.

Предел выносливости при изгибе:

 

Предел выносливости при касательных нагрузках:

 

Рисунок - 3 - Ведущий вал

Проверяем опасное сечение А - А:Это сечение вала под шкивом клиноременной передачи, рассчитываем на кручение. Концентрацию напряжений вызывает наличие шпоночной канавки.

Коэффициент запаса прочности:

 

где t-1 - предел выносливости стали при симметричном цикле кручения;

kt- эффективный коэффициент концентрации касательных напряжений;

et- масштабный фактор для касательных напряжений;

tv - амплитуда цикла касательных напряжений;

Yt - коэффициент чувствительности материала к асимметрии цикла касательных напряжений, Yt= 0,1;

tm - среднее напряжение цикла касательных напряжений.

 

При диаметре , , :

 

 

 

 

 

 

 

Вращающий момент от шкива (консольная нагрузка):

 

Коэффициент запаса прочности по нормальным напряжениям:

 

где s-1 - предел выносливости стали при симметричном цикле изгиба;

ks- эффективный коэффициент концентрации нормальных напряжений;

es- масштабный фактор для нормальных напряжений;

sv - амплитуда цикла нормальных напряжений;

Ys- коэффициент чувствительности материала к асимметрии цикла нормальных напряжений, для углеродистых сталей Ys= 0,2, для легированных Ys= 0,25..0,30;

sm - среднее напряжение цикла нормальных напряжений.

 

 

 

 

Рассчитываем результирующий коэффициент запаса прочности.

 

Уточненный расчет ведомого вала. Материал - Сталь 45нормализованная,

Предел выносливости при изгибе:

 

Предел выносливости при касательных нагрузках:

 

Рисунок - 5 - Ведущий вал

Проверяем опасное сечение А - А:

 

 

 

 

 

 

 

 

Изгибающий момент:

 

Момент сопротивления кручению при , , :

 

 

Момент сопротивления изгибу:

 

 

Амплитуда и среднее напряжение цикла касательных напряжений:

 

Амплитуда нормальных напряжений изгиба:

 

 

Коэффициенты запаса прочности:

 

 

Рассчитываем результирующий коэффициент запаса прочности.

 

Проверяем сечение Б - Б:

Концентрация напряжений обусловлена посадкой подшипника с гарантированным натягом (для диаметра вала мм):

 

 

 

 

Осевой момент сопротивления сечения:

 

Полярный момент сопротивления кручению:

 

Амплитуда и среднее напряжение цикла касательных напряжений:

 

Коэффициент запаса прочности:

 

 

Рассчитываем результирующий коэффициент запаса прочности.

 

        

.        ПОСАДКИ ЗУБЧАТОГО КОЛЕСА, ШКИВОВ И ПОДШИПНИКОВ

Посадка зубчатого колеса на вал  по ГОСТ 25347-82. Шейки валов под подшипники выполняем с отклонением вала k6. Отклонения отверстий в корпусе под наружные кольца по H7. Остальные посадки назначаем, пользуясь табличными данными.

Таблица 6 - Посадки основных деталей редуктора

Рекомендуемые посадки

Пример соединения

распорные втулки

Муфты при тяжелых ударных нагрузках

Шкивы и звездочки

Распорные кольца; сальники

Отклонение отверстия

Наружные кольца подшипников качения в корпусе

Отклонение вала

Внутренние кольца подшипников качения свыше 100 мм при тяжелых ударных нагрузках


Предельные отклонения размеров посадочных поверхностей подшипников регламентированы ГОСТ 520-89. Посадки подшипников отличаются от обычных расположением и величинами полей допусков на посадочные поверхности колец.

.       
ВЫБОР СОРТА МАСЛА

Для смазки зубчатых колес выбираем способ смазывания погружением зубчатых колес в масло, залитое в картер редуктора. Данный способ используют при окружных скоростях менее 15 м/с.Уровень масла в картере редуктора должен обеспечить погружение венца колеса на глубину до двух высот зубьев, но не менее 10 мм.

В спроектированном редукторе доступ масляных брызг к подшипникам качения затруднен и смазку подшипников масляными брызгами осуществить нельзя. Поэтому полость подшипника отделяем от внутренней части корпуса мазеудерживающим кольцом. Свободное пространство внутри подшипникового узла заполняем на одну треть объема пластичной мазью. Для подачи в подшипниковую полость смазочного материала без снятия крышки используем пресс-масленки.

Для наблюдения за уровнем масла в картере редуктора используем жезловый маслоуказатель.

При работе передачи масло постепенно загрязняется продуктами износа. С течением времени оно стареет, свойства его ухудшаются. Поэтому масло, налитое в корпус редуктора, периодически меняют. Отработанное масло нужно слить таким образом, чтобы не производить разборку механизмов привода. Для этой цели в нижней части корпуса редуктора предусматриваем сливное отверстие, закрываемое пробкой.

Для имеющих место контактных напряжений и скорости V = 1,21 м/с, рекомендуемая вязкость масла. Принимаем масло индустриальное И-70А по ГОСТ 20799-75.

.       
СБОРКА РЕДУКТОРА

Перед сборкой внутреннюю полость корпуса редуктора тщательно очищают и покрывают маслостойкой краской.

Сборку производят в соответствии со сборочным чертежом редуктора, начиная с узлов валов:на ведущий вал насаживаютмазеудерживающие кольца и шарикоподшипники, предварительно нагретые в масле до 80 - 100°С;в ведомый вал закладывают шпонку  и напрессовывают зубчатое колесо до упора в бурт вала; затем надевают распорную втулку, мазеудерживающие кольца и устанавливают шарикоподшипники, предварительно нагретые в масле.

Собранные валы укладывают в основание корпуса редуктора и надевают крышку корпуса, покрывая предварительно поверхности стыка крышки и корпуса спиртовым лаком. Для центровки устанавливают крышку на корпус с помощью двух конических штифтов; затягивают болты, крепящие крышку к корпусу.

После этого на ведомый вал надевают распорное кольцо, в подшипниковые камеры закладывают пластичную смазку, ставят крышки подшипников с комплектом паронитовых прокладок для регулировки.

Перед постановкой сквозных крышек в проточки закладывают резиновые манжеты. Проверяют проворачиванием валов отсутствие заклинивания подшипников (валы должны проворачиваться от руки) и закрепляют крышки винтами.

Далее на конец ведомого вала в шпоночную канавку закладывают шпонку, устанавливают звездочку и закрепляют ее торцовым креплением; винт торцового крепления стопорят специальной планкой.

Затем ввертывают пробку маслоспускного отверстия с прокладкой и жезловый маслоуказатель.

Заливают в корпус масло и закрывают смотровое отверстие крышкой с прокладкой из технического картона и закрепляют крышку.

ЗАКЛЮЧЕНИЕ

При выполнении курсового проекта были закреплены знания, полученные за период обучения в таких дисциплинах как: и сопротивление материалов и детали машин.

При расчете был выбран электродвигатель АО2-51-6.

По результатам расчета по напряжениям изгиба действующие напряжения изгиба меньше допускаемых напряжений.

В ходе решения поставленной передо мной задачей, была освоена методика выбора элементов привода, получены навыки проектирования, позволяющие обеспечить необходимый технический уровень, надежность и долгий срок службы механизма.


БИБЛИОГРАФИЧЕСКИЙ СПИСОК

1 Дунаев, П.Ф., Леликов О.П.Детали машин. Курсовое проектирование. Пятое издание, дополненное - М.: Машиностроение, 2004. - 560 с.

Дунаев, П.Ф., Леликов О.П.Конструирование узлов и деталей машин. Восьмое издание, переработанное и дополненное - М.: Академия, 2003. - 496 с.

Решетов, Д. Н. Детали машин. Атлас конструкций. Пятое издание, переработанное и дополненное - М.: Машиностроение, 1992. - 352 с.

Чернавский, С. А. Курсовое проектирование деталей машин. Третье издание, стер. - М.: Альянс, 2005. - 416 с.

Похожие работы на - Конструктивная разработка привода к ленточному конвейеру

 

Не нашли материал для своей работы?
Поможем написать уникальную работу
Без плагиата!
Без нейросетей!