Проектирование редуктора привода ленточного конвейера

  • Вид работы:
    Курсовая работа (т)
  • Предмет:
    Другое
  • Язык:
    Русский
    ,
    Формат файла:
    MS Word
    756,57 Кб
  • Опубликовано:
    2014-03-02
Вы можете узнать стоимость помощи в написании студенческой работы.
Помощь в написании работы, которую точно примут!

Проектирование редуктора привода ленточного конвейера

Реферат

Расчётно-пояснительная записка содержит: 68 листов, 22 рисунка, 41 таблица, 9 источников, 5 приложений.

Объект исследования - двухступенчатый горизонтальный редуктор привода ленточного конвейера.

Цель работы: спроектировать двухступенчатый горизонтальный редуктор и провести все необходимые расчёты по нахождению значений его составляющих частей.

В курсовом проекте выбран оптимальный по стоимости вариант двигателя. Приведён выбор материалов для зубчатых колёс и валов и сделаны их расчёты на прочность. Рассчитаны и выбраны шпонки, подшипники и муфты. Подобраны стандартизированные детали, выбрана система смазки зубчатых передач и подшипников. Определена марка масла. Сконструирован привод. Показана целесообразность применения разработанного варианта привода конвейера.

Разработано: сборочный чертёж редуктора в трёх проекциях и рабочие чертежи четырёх деталей.

Мощность, угловая скорость, вращающий момент, зубчатое зацепление, прочность, вал, подшипник, шпонка, муфта, редуктор.

Содержание

Введение

. Определение исходных данных

1.1 Определение требуемой мощности и частоты вращения электродвигателя. Выбор электродвигателя

.2 Определение общего передаточного числа привода и разбивка его по ступеням редуктора

.3 Определение угловой скорости, мощности и крутящих моментов на каждом из валов

2. Расчёт зубчатых передач

.1 Расчёт шевронной передачи

.1.1 Предварительный расчёт модуля

2.1.2 Выбор материала для зубчатых колёс и определение допускаемых напряжений

.1.3 Проектный расчёт шевронной зубчатой передачи на прочность при изгибе

.1.4 Расчёт основных параметров передачи

.1.5 Проверочный расчёт передачи на изгибную и контактную прочность

2.2 Расчёт прямозубой передачи

.2.1 Предварительный расчет модуля

.2.2 Выбор материала для зубчатых колёс и определение допускаемых напряжений

.2.3 Проектный расчёт прямозубой зубчатой передачи на прочность при изгибе

.2.4 Расчёт основных параметров передачи

.2.5 Проверочный расчёт передачи на изгибную и контактную прочность

2.3 Проверочный расчёт шевронной зубчатой передачи по программе APM Win Machine

.4 Проверочный расчёт прямозубой зубчатой передачи по программе APM Win Machine

2.5 Конструирование шестерни и колеса

3. Проектирование и конструирование валов

3.1 Определение основных размеров валов редуктора и сил, действующих на него. Выполнение эскиза редуктора

3.2 Определение изгибающего и эквивалентного моментов

.3 Проверочный расчёт тихоходного вала на сопротивление усталости

3.4 Определение основных размеров и коэффициента запаса по усталостной прочности тихоходного вала по программе APM Shaft

3.5 Выбор и расчёт шпоночных соединений

.6 Расчёт шпоночных соединений быстроходного вала по программе Joint

4. Выбор подшипников редуктора и проверочный расчёт подшипников

4.1 Расчёт и проверка подшипников на тихоходном валу

4.2 Расчёт и проверка подшипников на быстроходном валу по программе APM Bear

5. Выбор смазки

. Выбор и расчёт муфт

7. Конструирование и расчёт элементов корпуса, крышек подшипников и подшипниковых узлов

Выводы

Литература

Введение

Назначение редуктора - понижение угловой скорости и увеличение вращающего момента ведомого вала по сравнению с валом ведущим. Механизмы для повышения угловой скорости, выполненные в виде отдельных агрегатов, называют ускорителями или мультипликаторами.

Редуктором называется механизм, состоящий из зубчатых или червячных передач, выполненный в виде отдельного агрегата и служащий для передачи мощности от двигателя к рабочей машине.

В настоящее время зубчатые редукторы широко применяются во многих отраслях народного хозяйства и промышленностей, особенно в подъёмно-транспортном, металлургическом, химическом машиностроении, а также в судостроении и других отраслях.

Редуктор состоит из корпуса, в котором помещают элементы передачи - зубчатые колёса, валы, муфты, подшипники и т. д. В отдельных случаях в корпусе редуктора размещают также устройства для смазки зацеплений и подшипников или устройства для охлаждения.

Редукторы классифицируются по следующим основным признакам: тип передачи; тип зубчатых колёс; относительное расположение валов редуктора в пространстве; особенности кинематической схемы.

Наиболее распространёнными являются двухступенчатые редукторы с зубчатыми передачами.

1. Определение исходных данных

.1 Определение требуемой мощности и частоты вращения электродвигателя. Выбор электродвигателя

При заданной скорости ленты и диаметре барабана определим угловую скорость рабочего органа:

,

где  - скорость ленты конвейера;

 - диаметр барабана конвейера.

,

Определим вращающий момент рабочего органа:

,

где  - тяговое усилие транспортерной ленты.

.

Определим мощность на рабочем органе:

.

Определим диапазон возможных значений передаточных чисел:

,

значение  приведено в приложении Д 3 [1].

Соответственно, диапазон возможных значений угловых скоростей ротора электродвигателя составит:

.

Соответствующий диапазон частоты вращения ротора двигателя:

.

КПД привода будет равен:

,

где  и  - коэффициенты полезного действия зубчатых передач и подшипников, соответственно,  - коэффициент полезного действия муфты. Степенные показатели свидетельствует о количестве пар подшипников, муфт и зубчатых передач. Значения КПД отдельных элементов приведены в приложении Д 3 [1].

Определим значение максимальной мощности на валу электродвигателя:

.

Определим среднеквадратическую мощность:

,

где  - коэффициент приведения эксплуатационной нагрузки к эквивалентной мощности двигателя.

;

.

По найденным частоте вращения, требуемой мощности двигателя и условиям работы механизма выбираем электродвигатель из приложения Д 4 [1]. При этом угловая скорость двигателя должна быть ближайшей к ожидаемой, а номинальная мощность двигателя должна быть больше или равна требуемой.

Таблица 1.1 - Варианты асинхронных электродвигателей

№ п/п

Типоразмер

Pдн, кВт

n, об/мин

Тпуск/Тном

Масса, кг

1

4А 180M6У 3

18,5

975

1,2

195

2

4А 200M8У 3


735

1,2

270


Для выбранного двигателя должно выполняться условие запуска двигателя под нагрузкой:

.

) ;

) .

Т.к. ни один из выбранных вариантов двигателей не удовлетворил условию запуска двигателя под нагрузкой, то целесообразно выбрать двигатели со следующим значением мощности.

Таблица 1.2 - Варианты асинхронных электродвигателей

№ п/п

Типоразмер

Pдн, кВт

n, об/мин

Тпуск/Тном

Масса, кг

1

4А 200M6У 3

22,0

975

1,2

270

2

4А 200L8У 3


730

1,2

310


Для выбранного двигателя должно выполняться условие запуска двигателя под нагрузкой:

.

) ;

) .

Т.к. ни один из выбранных вариантов двигателей не удовлетворил условию запуска двигателя под нагрузкой, то целесообразно выбрать двигатели со следующим значением мощности.

Таблица 1.3 - Варианты асинхронных электродвигателей

№ п/п

Типоразмер

Pдн, кВт

n, об/мин

Тпуск/Тном

Масса, кг

1

4А 200L6У 3

30,0

930

1,2

310

2

4А 225M8У 3


735

1,2

335


Для выбранного двигателя должно выполняться условие запуска двигателя под нагрузкой:

.

) ;

) .

Выбираем электродвигатель - 4А 200L6У 3 с мощностью  и частотой вращения .

1.2 Определение общего передаточного числа привода и разбивка его по ступеням редуктора

Определим угловую скорость вала ротора двигателя:

.

Тогда передаточное число привода составит:

.

Для двухступенчатых редукторов с развёрнутой схемой распределение передаточного числа будет следующим:

быстроходная ступень:

;

тихоходная ступень:

.

Из единого стандартного ряда передаточных чисел ГОСТ 1285-66 выбираем:

 и  [1, Приложение Д 5].

Тогда передаточное число редуктора составит:

.

В сравнении с предыдущим значением разница составит:

.

1.3 Определение угловой скорости, мощности и крутящих моментов на каждом из валов

Определим время эксплуатации:

,

где  - средняя продолжительность рабочей недели, ;

 - количество смен в сутки, ;

 - среднее количество недель в год, ;

 - коэффициент использования привода на протяжении смены, ;

 - продолжительность эксплуатации, .

.

Вал электродвигателя:

;

 ;

.

Быстроходный вал редуктора (вал I):

;

;

;

;

.

Т.к. , то  и расчёт на кратковременные перегрузки выполнять не надо.

Промежуточный вал редуктора (вал II):

;

;

;

;

.

Т.к. , то  и расчёт на кратковременные перегрузки выполнять не надо.

Тихоходный вал редуктора (вал III):

;

;

;

;

.

Т.к. , то  и расчёт на кратковременные перегрузки выполнять не надо.

Проверка:

; ; .

;

;

.

В соответствии с этим по [2] выбираем тип двигателя (рис. 1.1) и его габаритные, установочные и присоединительные размеры (табл. 1.4).

Рисунок 1.1 - Общий вид электродвигателя

Таблица 1.4 - Основные размеры асинхронного электродвигателя

Тип

Количество полюсов

Габаритные размеры

Установочные и присоединяющие размеры



L

H

D

l1

l2

l3

d

d1

b

h

h1

4А 200L6У 3

6

830

535

450

140

305

133

60

19

318

200

25


2. Расчёт зубчатых передач

.1 Расчёт шевронной передачи

.1.1 Предварительный расчёт модуля

Назначаем для зубчатых колёс вид термообработки - закалка ТВЧ, твёрдость HRC50…55, предел выносливости  [2, табл. 2.1].

После этого определяем приближенное значение модуля:

,

где - номинальный вращающий момент на быстроходном валу, ;

 - предварительные допускаемые напряжения при изгибе.

;

;

.

Согласно с ГОСТ 9563-60 [2, табл. 2.4] принимаем: .

2.1.2 Выбор материала для зубчатых колёс и определение допускаемых напряжений

Предельные напряжения - это максимальные напряжения цикла, при которых разрушение не происходит практически при неограниченном числе нагружений.

Допускаемые напряжения - максимальные напряжения (меньше предельных), при которых в течение заданного срока службы обеспечивается работа детали без нарушения условий её нормальной эксплуатации (поломок остаточных деформаций и т. д.).

Определим приближённые значения диаметров вершин зубьев шестерни и колеса:

;

.

Ширину шестерни и колеса принимают из интервала:

;

.

Принимаем .

Определим приближённое значение диаметра вала шестерни:

,

где  - вращающий момент на быстроходном валу;

 - допускаемые напряжения при кручении. Предварительно можно принять .

.

Диаметр быстроходного вала необходимо согласовать с диаметром вала электродвигателя. Для этого определим диаметр входного конца быстроходного вала:

,

где  - диаметр вала электродвигателя, .

Принимаем .

Тогда принимаем диаметр шипов быстроходного вала .

По ряду  нормальных линейных размеров (ГОСТ 6636-69) [2, табл. 2.5] принимаем: .

По таблице 2.2 [2] выбираем сталь 45:  - любой, твёрдость поверхности HRC48…53, твёрдость сердцевины HВ 170…210, предел прочности , предел текучести , предел контактной выносливости , предел выносливости на изгиб .

Допускаемые напряжения при расчёте на изгибную прочность определяем для шестерни, т.к. колесо и шестерня изготовлены из одинакового материала:

,

где  - допускаемый коэффициент запаса прочности, при закалке ТВЧ ;

 - коэффициент, учитывающий характер изменения напряжения,  - для нереверсивных передач;

 - коэффициент долговечности.

,

где  - эквивалентное число циклов нагружений;

 - для шлифованной поверхности;

 - базовое число циклов нагружений.

, (2.1)

где  - частота вращения быстроходного вала;

 - срок службы передачи в часах, ;

 - коэффициент эквивалентности нагружения, для типовой диаграммы нагрузки (рис. 2.1):

.

Имеем:

.

Подставляя полученные значения в формулу (2.1), получим:

.

Т.к. , то принимаем .

Зная это, определим допускаемые напряжения на изгиб:

.

Рисунок 2.1 - Диаграмма нагрузки привода машины

Допускаемые напряжения при расчёте на контактную прочность определяются по формуле:

,

где  - допускаемый коэффициент запаса прочности по контактным напряжениям, для ТО - закалка ТВЧ ;

 - коэффициент долговечности, учитывающий изменение  при числе циклов нагружения, меньше базового.

,

где  - эквивалентное число циклов нагружения.

, (2.2)

где  - коэффициент эквивалентности нагружения.

.

Получим:

.

Подставляя полученные значения в формулу (2.2), имеем:

.

 - базовое число циклов нагружения, при HRC40…60 - .

Т.к. , то принимаем .

Зная это, определим допускаемые напряжения на контакт:

.

2.1.3 Проектный расчёт шевронной зубчатой передачи на прочность при изгибе

Этот расчёт выполняется для колёс с твёрдостью рабочих поверхностей зубьев .

При одинаковых допускаемых напряжениях, расчёт проводим по шестерне.

Минимальное значение модуля зацепления, при котором обеспечивается изгибная прочность зубьев, определяется:

,

где , принимаем .

 - коэффициент, который учитывает форму зубьев и концентрацию напряжений [2, табл. 2.3];

 определяется по эквивалентному числу зубьев :

,

где  - угол наклона зубьев, .

Принимаем .

;

.

 - коэффициент, который учитывает угол наклона зубьев;

;

.

 - коэффициент, который учитывает участие в зацеплении одновременно несколько пар зубьев;

,

где  - торцовый коэффициент перекрытия;

,

где  - число зубьев колеса косозубой зубчатой передачи.

;

;

.

 - коэффициент нагружения, предварительно принимаем  с последующим уточнением;

 - коэффициент ширины колеса

;

для шевронных передач , принимаем .

.

По ГОСТу 9563-60 [2, табл. 2.4] принимаем .

2.1.4 Расчёт основных параметров передачи

Межосевое расстояние:

.

Принимаем  [2, табл. 2.6].

Уточняем фактический угол наклона зубьев:

.

Диаметры окружностей зубчатой шестерни и колеса:

делительной

;

впадин

;

;

выступов

;

.

Ширина зубчатого венца:

.

По ряду  нормальных линейных размеров (ГОСТ 6636-69) [2, табл. 2.5] принимаем .

.

По ряду  нормальных линейных размеров (ГОСТ 6636-69) [2, табл. 2.5] принимаем .

Таблица 2.1 - Основные размеры колёс быстроходной передачи

Элемент зацепления

Колесо

Шестерня

Диаметр делительной окружности

490,864

69,136

Диаметр впадин

485,864

64,136

Диаметр выступов

494,864

73,136

Межосевое расстояние

280

Ширина зубчатого венца

50

56


2.1.5 Проверочный расчёт передачи на изгибную и контактную прочность

Определим окружную скорость зубчатых колес быстроходной ступени:

.

Назначаем девятую степень точности [2, табл. 3.1] Rz 20…10.

Тогда коэффициент нагружения составит:

,

где  - коэффициент неравномерности распределения нагрузки по длине зуба.

 при

 

и схемы передачи 3 [2, рис. 3.1].

 - коэффициент динамичности нагрузки;  [2, табл. 3.2].

 - коэффициент, который учитывает неравномерность распределения нагрузки между зубьями.

,

где  - назначенная степень точности передачи.

;

.

Расчётная нагрузка (окружная сила):

.

Определим фактический коэффициент запаса прочности в зубьях шестерни на изгиб:

,

где

,

где  [2, табл. 2.3].

.

Определим фактический коэффициент запаса прочности для колеса по контакту:

,

где

,

где  - коэффициент, который учитывает более высокую прочность косозубых колёс,  [2, рис. 3.2].

;

.

Фактические коэффициенты запаса прочности превышают рекомендованные, таким образом, прочность зубьев по изгибу и контакту обеспечена.

2.2 Расчёт прямозубой передачи

.2.1 Предварительный расчёт модуля

Назначаем для зубчатых колёс вид термообработки - закалка ТВЧ, твёрдость HRC50…55, предел выносливости  [2, табл. 2.1].

После этого определяем приближенное значение модуля:

,

где  - номинальный вращающий момент на промежуточном валу, ;

 - предварительные допускаемые напряжения при изгибе.

;

;

.

Согласно с ГОСТ 9563-60 [2, табл. 2.4] принимаем: .

2.2.2 Выбор материала для зубчатых колёс и определение допускаемых напряжений

Определим приближённые значения диаметров вершин зубьев шестерни и колеса:

;

.

Ширину шестерни и колеса принимают из интервала:

;

.

Определим приближённое значение диаметра вала шестерни:

,

где  - вращающий момент на промежуточном валу;

 - допускаемые напряжения при кручении. Предварительно можно принять .

.

Принимаем .

По таблице 2.2 [2] выбираем сталь 45:  - любой, твёрдость поверхности HRC48…53, твёрдость сердцевины HВ 170…210, предел прочности , предел текучести , предел контактной выносливости , предел выносливости на изгиб .

Допускаемые напряжения при расчёте на изгибную прочность определяем для шестерни, т.к. колесо и шестерня изготовлены из одинакового материала:

,

где  - допускаемый коэффициент запаса прочности, при закалке ТВЧ ;

 - коэффициент, учитывающий характер изменения напряжения;  - для нереверсивных передач;

 - коэффициент долговечности.

,

где  - эквивалентное число циклов нагружений;

 - для шлифованной поверхности;

 - базовое число циклов нагружений.

, (2.1)

где  - частота вращения промежуточного вала;

 - срок службы передачи в часах, ;

 - коэффициент эквивалентности нагружения, для типовой диаграммы нагрузки (рис. 2.1):

.

Имеем:

.

Подставляя полученные значения в формулу (2.1), получим:

.

Т.к. , то принимаем .

Зная это, определим допускаемые напряжения на изгиб:

.

Допускаемые напряжения при расчёте на контактную прочность определяются по формуле:

,

где  - допускаемый коэффициент запаса прочности по контактным напряжениям, для ТО - закалка ТВЧ ;

 - коэффициент долговечности, учитывающий изменение  при числе циклов нагружения, меньше базового.

,

где  - эквивалентное число циклов нагружения.

, (2.2)

где  - коэффициент эквивалентности нагружения.

.

Получим:

.

Подставляя полученные значения в формулу (2.2), имеем:

.

 - базовое число циклов нагружения, при HRC40…60 - .

Принимаем .

.

Зная это, определим допускаемые напряжения на контакт:

.

2.2.3 Проектный расчёт прямозубой зубчатой передачи на прочность при изгибе

Этот расчёт выполняется для колёс с твёрдостью рабочих поверхностей зубьев .

При одинаковых допускаемых напряжениях, расчёт проводим по шестерне.

Минимальное значение модуля зацепления, при котором обеспечивается изгибная прочность зубьев, определяется:

,

где , принимаем ;

 - коэффициент, который учитывает форму зубьев и концентрацию напряжений [2, табл. 2.3];

 - допускаемые напряжения при изгибе;

 - коэффициент нагружения, предварительно принимаем  с последующим уточнением;

 - номинальный вращающий момент на промежуточном валу;

 - коэффициент ширины колеса,

;

для прямозубых передач ; принимаем .

.

По ГОСТу 9563-60 [2, табл. 2.4] принимаем .

2.2.4 Расчёт основных параметров передачи

Диаметры окружностей зубчатой шестерни и колеса:

делительной

;

.

впадин

;

.

- выступов

;

.

Межосевое расстояние:

.

Ширина зубчатого венца:

.

По ряду  нормальных линейных размеров (ГОСТ 6636-69) [2, табл. 2.5] принимаем .

.

По ряду  нормальных линейных размеров (ГОСТ 6636-69) [2, табл. 2.5] принимаем .

Таблица 2.2 - Основные размеры колёс тихоходной передачи

Элемент зацепления

Колесо

Шестерня

Диаметр делительной окружности

560

140

Диаметр впадин

542,5

122,5

Диаметр выступов

574

154

Межосевое расстояние

350

Ширина зубчатого венца

71

75


2.2.5 Проверочный расчёт передачи на изгибную и контактную прочность

Определим окружную скорость зубчатых колес тихоходной ступени.

.

Назначаем девятую степень точности [2, табл. 3.1] Rz 20…10.

Тогда коэффициент нагружения составит:

,

где  - коэффициент неравномерности распределения нагрузки по длине зуба,  при


и схемы передачи 7 [2, рис. 3.1];

 - коэффициент динамичности нагрузки,  [2, табл. 3.2];

 - коэффициент, который учитывает неравномерность распределения нагрузки между зубьями.

,

где  - назначенная степень точности передачи.

;

.

Расчётная нагрузка (окружная сила):

.

Определим фактический коэффициент запаса прочности в зубьях шестерни на изгиб:

,

где

,

где  [2, табл. 2.3].

.

Определим фактический коэффициент запаса прочности для колеса по контакту:

,

где

.

;

.

Фактические коэффициенты запаса прочности превышают рекомендованные, таким образом, прочность зубьев по изгибу и контакту обеспечена.

.3 Проверочный расчёт шевронной зубчатой передачи по программе APM Win Machine

 

Заданные параметры

Передача: Шевронная

Тип расчета: Проверочный по моменту

Стандарт расчета: ГОСТ

 

Основные данные

Рабочий режим передачи

Постоянный

Термообработка колес

 Шестерня

Закалка

 Колесо

Закалка

Расположение шестерни на валу

Несимметричное

Нереверсивная передача

Момент вращения на ведомом валу, Нм

2740.36

Частота вращения ведомого вала, об./мин.

131.00

Передаточное число

0.00

Ресурс, час

11808.00

Число зацеплений

 Шестерня

1

 Колесо

1

 

Результаты АPМ Trans

 

Таблица 1. Основная геометрия

Описание

Символ

Шестерня

Колесо

Единицы

Межосевое расстояние

aw

279.999

мм

Модуль

m

 2.000

мм

Угол наклона зубьев

b

29.789

град.

Делительный диаметр

d

69.136

490.862

мм

Основной диаметр

db

63.756

452.665

мм

Начальный диаметр

dw

69.136

490.862

мм

Диаметр вершин зубьев

da

73.136

494.862

мм

Диаметр впадин

df

64.136

485.862

мм

Коэффициент смещения

x

 0.000

 0.000

-

Высота зубьев

h

 4.500

 4.500

мм

Ширина зубчатого венца

b

56.000

50.000

мм

Число зубьев

z

30

213

-

 

Таблица 2. Свойства материалов

Описание

Символ

Шестерня

Колесо

Единицы

Допускаемые напряжения изгиба

sFa

352.941

352.941

МПа

Допускаемые контактные напряжения

sHa

875.000

МПа

Твёрдость рабочих поверхностей

-

50.0

50.0

HRC

Действующие напряжения изгиба

sFr

297.707

293.116

МПа

Действующие контактные напряжения

sHr

875.000

МПа

 

Таблица 3. Силы

Описание

Символ

Шестерня

Колесо

Единицы

Тангенциальная сила

Ft

11165.494

Н

Радиальная сила

Fr

5395.648

Н

Осевая сила

6391.692

Н

Расстояние от торца колеса до точки приложения силы

B

28.000

мм

Плечо силы

R

34.568

мм

 

Таблица 4. Параметры торцевого профиля

Описание

Символ

Шестерня

Колесо

Единицы

Угол профиля зубьев в точке на окружности вершин

aa

29.338

23.833

град.

Радиус кривизны профиля зуба в точке на окружности вершин

ra

17.917

99.979

мм

Радиус кривизны активного профиля зуба в нижней точке

rp

 8.312

90.374

мм

 

Таблица 5. Параметры постоянной хорды

Описание

Символ

Шестерня

Колесо

Единицы

Постоянная хорда зуба

sc

 2.774

 2.774

мм

Высота до постоянной хорды

hc

 1.495

 1.495

мм

Радиус кривизны разноимённых профилей зубьев в точках, определяющих положение постоянной хорды

rs

14.675

96.226

мм

Основной угол наклона зубьев

bb

27.830

град.

 

Таблица 6. Параметры общей нормали

Описание

Символ

Шестерня

Колесо

Единицы

Угол профиля

ax

22.753

22.753

град.

Радиус кривизны профиля в точках пересечения с общей нормалью

rw

12.304

94.012

мм

Длина общей нормали

W

27.825

212.616

мм

Число зубьев в общей нормали

znr

5

35

-

 

Таблица 7. Параметры по хорде

Описание

Символ

Шестерня

Колесо

Единицы

Заданный диаметр

dy

69.136

490.862

мм

Угол профиля в точке на заданном диаметре

ay

22.753

22.753

град.

Окружная толщина зубьев на заданном диаметре

sty

 3.620

 3.620

мм

Угол наклона зубьев на заданном диаметре

bv

29.789

29.789

град.

Половина угловой толщины зубьев

yyv

 1.961

 0.276

град.

Толщина по хорде зуба

sy

 3.141

 3.142

мм

Высота до хорды зуба

hay

 2.027

 2.004

мм

 

Таблица 8. Контроль по роликам

Описание

Символ

Шестерня

Колесо

Единицы

Диаметр ролика

D0

 3.500

мм

Диаметр окружности проходящей через центр ролика

dD

70.649

492.449

мм

Торцевой размер по роликам

M

74.149

495.936

мм

Угол профиля на окружности проходящей через центры ролика

ad

25.520

23.189

град.

Радиус кривизны профиля в точках касания с роликом

rm

13.671

95.407

мм

 

Таблица 9. Параметры взаимного положения профилей зубьев

Описание

Символ

Шестерня

Колесо

Единицы

Шаг зацепления

pa

 5.904

мм

Осевой шаг

px

12.647

мм

Ход зубьев

pz

379.414

2693.838

мм

 

Таблица 10. Проверка качества зацепления

Описание

Символ

Шестерня

Колесо

Единицы

Мин. число зубьев нарезаемых без подреза при данном смещении

zmin

17.097

-

Угол наклона линии вершины зубьев

ba

31.198

29.990

град.

Нормальная толщина зуба на поверхности вершин

sna

 1.541

 1.663

мм

Радиальный зазор в зацеплении

c

 0.500

 0.500

мм

Коэффициент торцевого перекрытия

ea

 1.439

-

Коэффициент осевого перекрытия

eb

 3.953

-

Коэффициент перекрытия

ec

 5.392

-

Угол зацепления

atw

22.753

град.

 

Таблица 11. Допуски колеса и шестерни

 

Описание

Символ

Шестерня

Колесо

Единицы

Минимально возможный зазор

jn min

81.000

мкм

Максимально возможный зазор

jn max

293.040

мкм

Предельное отклонение межосевого расстояния

fa

40.000

мкм

Класс точности

Np

8

-

Вид сопряжения

-

D

-

Класс отклонений межосевого расстояния

-

III

-

Минимальный возможный угол поворота

Djmin

9' 51.70"

1' 23.34"

-

Максимальный возможный угол поворота

Djmax

35' 40.65"

5' 1.50"

-

Допуск на радиальное биение зубчатого венца

Fr

0.045

0.080

мм

Наименьшее дополнительное смещение исходного контура

EH

-0.055

-0.120

мм

Допуск на смещение исходного контура

TH

0.090

0.140

мм

Верхнее отклонение высоты зуба

ESH

-0.055

-0.120

мм

Нижнее отклонение высоты зуба

EIH

-0.145

-0.260

мм

Наименьшее отклонение средней длины общей нормали

EWm

-0.051

-0.098

мм

Допуск на среднюю длину общей нормали

TWm

0.040

0.060

мм

Верхнее отклонение средней длины общей нормали

ESWm

-0.051

-0.098

мм

Нижнее отклонение средней длины общей нормали

EIWm

-0.091

-0.158

мм

Наименьшее отклонение длины общей нормали

EW

-0.040

-0.080

мм

Допуск на длину общей нормали

TW

0.060

0.100

мм

Верхнее отклонение длины общей нормали

ESW

-0.040

-0.080

мм

Нижнее отклонение длины общей нормали

EIW

-0.100

-0.180

мм

Наименьшее отклонение толщины зуба с m>=1 мм

Ecs

-0.040

-0.090

мм

Допуск на толщину зуба с m>=1 мм

Tc

0.070

0.100

мм

Верхнее отклонение толщины зуба

ESsc

-0.040

-0.090

мм

Нижнее отклонение толщины зуба

EIsc

-0.110

-0.190

мм


2.4 Проверочный расчёт прямозубой зубчатой передачи по программе APM Win Machine

 

Заданные параметры

Тип расчета: Проверочный по моменту

Стандарт расчета: ГОСТ

 

Основные данные

Рабочий режим передачи

Постоянный

Термообработка колес

 Шестерня

Закалка

 Колесо

Закалка

Расположение шестерни на валу

Симметричное

Нереверсивная передача

Момент вращения на ведомом валу, Нм

7526.56

Частота вращения ведомого вала, об./мин.

 33.00

Передаточное число

0.00

Ресурс, час

11808.00

Число зацеплений

 Шестерня

1

 Колесо

1

 

Результаты АPМ Trans

 

Таблица 1. Основная геометрия

Описание

Символ

Шестерня

Колесо

Единицы

Межосевое расстояние

aw

350.000

мм

Модуль

m

 7.000

мм

Угол наклона зубьев

b

 0.000

град.

Делительный диаметр

d

140.000

560.000

мм

Основной диаметр

db

131.557

526.228

мм

Начальный диаметр

dw

140.000

560.000

мм

Диаметр вершин зубьев

da

154.000

574.000

мм

Диаметр впадин

df

122.500

542.500

мм

Коэффициент смещения

x

 0.000

 0.000

-

Высота зубьев

h

15.750

15.750

мм

Ширина зубчатого венца

b

75.000

71.000

мм

Число зубьев

z

20

80

-

 

Таблица 2. Свойства материалов

Описание

Символ

Шестерня

Колесо

Единицы

Допускаемые напряжения изгиба

sFa

352.941

352.941

МПа

Допускаемые контактные напряжения

sHa

950.410

МПа

Твёрдость рабочих поверхностей

-

54.0

54.0

HRC

Действующие напряжения изгиба

sFr

242.664

214.443

МПа

Действующие контактные напряжения

sHr

950.410

МПа

 

Таблица 3. Силы

Описание

Символ

Шестерня

Колесо

Единицы

Тангенциальная сила

Ft

26880.590

Н

Радиальная сила

Fr

9783.734

Н

Осевая сила

Fa

 0.000

Н

Расстояние от торца колеса до точки приложения силы

B

37.500

мм

Плечо силы

R

70.000

мм

 

Таблица 4. Параметры торцевого профиля

Описание

Символ

Шестерня

Колесо

Единицы

Угол профиля зубьев в точке на окружности вершин

aa

31.321

23.541

град.

Радиус кривизны профиля зуба в точке на окружности вершин

ra

40.027

114.630

мм

Радиус кривизны активного профиля зуба в нижней точке

rp

 5.077

79.680

мм

Таблица 5. Параметры постоянной хорды

ОписаниеСимволШестерняКолесоЕдиницы





Постоянная хорда зуба

sc

 9.709

 9.709

мм

Высота до постоянной хорды

hc

 5.233

 5.233

мм

Радиус кривизны разноимённых профилей зубьев в точках, определяющих положение постоянной хорды

rs

29.108

100.932

мм

Основной угол наклона зубьев

bb

 0.000

град.

 

Таблица 6. Параметры общей нормали

Описание

Символ

Шестерня

Колесо

Единицы

Угол профиля

ax

20.000

20.000

град.

Радиус кривизны профиля в точках пересечения с общей нормалью

rw

26.812

91.747

мм

Длина общей нормали

W

53.623

183.495

мм

Число зубьев в общей нормали

znr

3

9

-

 

Таблица 7. Параметры по хорде

Описание

Символ

Шестерня

Колесо

Единицы

Заданный диаметр

dy

140.000

560.000

мм

Угол профиля в точке на заданном диаметре

ay

20.000

20.000

град.

Окружная толщина зубьев на заданном диаметре

sty

10.996

10.996

мм

Угол наклона зубьев на заданном диаметре

bv

 0.000

 0.000

град.

Половина угловой толщины зубьев

yyv

 4.500

 1.125

град.

Толщина по хорде зуба

sy

10.984

10.995

мм

Высота до хорды зуба

hay

 7.216

 7.054

мм

 

Таблица 8. Контроль по роликам

Описание

Символ

Шестерня

Колесо

Единицы

Диаметр ролика

D0

12.000

мм

Диаметр окружности проходящей через центр ролика

dD

144.402

564.729

мм

Торцевой размер по роликам

M

156.402

576.729

мм

Угол профиля на окружности проходящей через центры ролика

ad

24.350

21.279

град.

Радиус кривизны профиля в точках касания с роликом

rm

23.769

96.473

мм

 

Таблица 9. Параметры взаимного положения профилей зубьев

Описание

Символ

Шестерня

Колесо

Единицы

Шаг зацепления

pa

20.665

мм

Осевой шаг

px

 0.000

мм

Ход зубьев

pz

 0.000

 0.000

мм

 

Таблица 10. Проверка качества зацепления

Описание

Символ

Шестерня

Колесо

Единицы

Мин. число зубьев нарезаемых без подреза при данном смещении

zmin

17.097

-

Угол наклона линии вершины зубьев

ba

 0.000

 0.000

град.

Нормальная толщина зуба на поверхности вершин

sna

 4.864

 5.593

мм

Радиальный зазор в зацеплении

c

 1.750

 1.750

мм

Коэффициент торцевого перекрытия

ea

 1.691

-

Коэффициент осевого перекрытия

eb

 0.000

-

Коэффициент перекрытия

ec

 1.691

Угол зацепления

atw

20.000

град.

 

Таблица 11. Допуски колеса и шестерни

Описание

Символ

Шестерня

Колесо

Единицы

Минимально возможный зазор

jn min

89.000

мкм

Максимально возможный зазор

jn max

355.760

мкм

Предельное отклонение межосевого расстояния

fa

45.000

мкм

Класс точности

Np

8

-

Вид сопряжения

-

D

-

Класс отклонений межосевого расстояния

-

III

-

Минимальный возможный угол поворота

Djmin

4' 38.63"

1' 9.66"

-

Максимальный возможный угол поворота

Djmax

18'33.78"

4'38.44"

-

Допуск на радиальное биение зубчатого венца

Fr

0.080

0.100

мм

Наименьшее дополнительное смещение исходного контура

EH

-0.080

-0.140

мм

Допуск на смещение исходного контура

TH

0.140

0.160

мм

Верхнее отклонение высоты зуба

ESH

-0.080

-0.140

мм

Нижнее отклонение высоты зуба

EIH

-0.220

-0.300

мм

Наименьшее отклонение средней длины общей нормали

EWm

-0.068

-0.112

мм

Допуск на среднюю длину общей нормали

TWm

0.060

0.070

мм

Верхнее отклонение средней длины общей нормали

ESWm

-0.068

-0.112

мм

Нижнее отклонение средней длины общей нормали

EIWm

-0.128

-0.182

мм

Наименьшее отклонение длины общей нормали

EW

-0.050

-0.090

мм

Допуск на длину общей нормали

TW

0.100

0.110

мм

Верхнее отклонение длины общей нормали

ESW

-0.050

-0.090

мм

Нижнее отклонение длины общей нормали

EIW

-0.150

-0.200

мм

Наименьшее отклонение толщины зуба с m>=1 мм

Ecs

-0.060

-0.100

мм

Допуск на толщину зуба с m>=1 мм

Tc

0.100

0.120

мм

Верхнее отклонение толщины зуба

ESsc

-0.060

-0.100

мм

Нижнее отклонение толщины зуба

EIsc

-0.160

-0.220

мм


2.5 Конструирование шестерни и колеса

Определим для шестерни тихоходной ступени:

,

таким образом, изготовляем тихоходную вал-шестерню.

Определим для шестерни быстроходной ступени:

,

таким образом, изготовляем быстроходную вал-шестерню.

Конструктивные размеры зубчатых колёс (рис. 2.2).

Зубчатое колесо тихоходной ступени

Толщина обода зубчатого колеса:

;

.

Принимаем .

Толщина отверстий в колесе:

;

.

Принимаем .

Диаметр обода колеса:

;

.

Принимаем .

Диаметр ступицы:

,

где  - диаметр вала, на который насаживается колесо.

;

.

Принимаем .

Тогда получим диаметр ступицы:

.

Принимаем .

Рисунок 2.2 - Эскиз цилиндрического зубчатого колеса

Диаметр между отверстиями колеса:

;

.

Принимаем .

Длина ступицы:

;

.

Принимаем .

Диаметр отверстия:

;

.

Принимаем .

Радиус скруглений на колесе: .

Длина фаски: .

Зубчатое колесо быстроходной ступени

Толщина обода зубчатого колеса:

;

.

Принимаем .

Толщина отверстий в колесе:

;

.

Принимаем .

Диаметр обода колеса:

;

.

Принимаем .

Диаметр ступицы:

,

где  - диаметр вала, на который насаживается колесо.

Тогда получим диаметр ступицы:

.

Принимаем .

Диаметр между отверстиями колеса:

;

.

Принимаем .

Длина ступицы:

;

.

Принимаем .

Диаметр отверстия:

;

.

Принимаем .

Радиус скруглений на колесе: .

Длина фаски: .

3. Проектирование и конструирование валов

.1 Определение основных размеров валов редуктора и сил, действующих на него. Выполнение эскиза редуктора

редуктор конвейер двигатель подшипник

Основными нагрузками на валы являются усилия в зубчатых и червячных зацеплениях, натяжения ветвей ремня или цепи соответствующих передач, а также крутящие моменты. Собственный вес вала и насаженных на нём деталей в большинстве случаев не учитывают.

Силы, действующие в передачах, определяются следующим образом.

Окружная сила, :

,

где  - крутящий момент на колесе, ;

 - диаметр делительной окружности колеса, .

.

Радиальная сила:

,

где  - угол зацепления.

.

Направление действия сил определяется так.

Окружная сила лежит на касательной к делительной окружности и направлена в сторону, противоположную вращению на ведущем элементе передачи (шестерне), а на ведомом элементе (колесе) - по вращению.

Радиальная сила всегда направлена от точки приложения к оси вала по радиусу.

Схема сил, действующих в прямозубой цилиндрической передаче, показана на рисунке далее (рис. 3.1).

В нашем случае у нас отсутствует осевая сила, так как рассматривается прямозубое зацепление. На выходной вал действует изгибающая нагрузка в вертикальной и горизонтальной плоскостях, а также крутящий момент.

Радиальная сила, которая возникает в зубчатой муфте:

;

,

где  - диаметр делительной окружности зубчатой муфты, принимаем равный удвоенному диаметру хвостовика вала под муфту;

 - окружная сила на муфте.

.

Определим диаметр выходного конца тихоходного вала:

.

Определим диаметр шипов тихоходного вала:

.

Округляем и принимаем .

.

Принимаем .

;

;

.

Принимаем .

Далее определим расстояние между опорами вала, а также между опорами и точкой приложения сил по эскизной компоновке.

Рисуем эскиз редуктора, на котором проставляем все необходимые для определения расстояния размеры (рис. 3.2).

Рисунок 3.1 - Силы в прямозубых цилиндрических передачах

Рисунок 3.2 - Эскизная компоновка двухступенчатого цилиндрического редуктора

Определим диаметр шипов промежуточного вала:

.

Округляем и принимаем .

Определим толщину стенки корпуса редуктора:

,

где  - межосевое расстояние тихоходной ступени, .

.

Принимаем .

Ориентировочно принимаем подшипники для всех валов:

Тихоходный вал

Принимаем подшипник шариковый радиальный однорядный средней серии

: ; ; .

Промежуточный вал

Принимаем подшипник шариковый радиально-упорный однорядный средней серии

: ; ; .

Быстроходный вал

Принимаем подшипник роликовый радиальный с короткими цилиндрическими роликами

: ; ; .

Определим диаметр буртика промежуточного вала:

.

Принимаем .

Определим диаметр буртика тихоходного вала:

.

Принимаем .

Определим зазор между внутренними стенками корпуса и поверхностями вращающихся деталей:

.

Принимаем .

Определим зазор между торцевыми поверхностями зубчатых колёс:

.

Принимаем .

Определим ширину фланца для крепления крышки к корпусу редуктора:

.

Принимаем .

Определим длину хвостовика тихоходного вала:

.

Принимаем .

Определим длину хвостовика быстроходного вала:

.

Принимаем .

3.2 Определение изгибающего и эквивалентного моментов

Определив все необходимые для дальнейших расчётов параметры, строим эпюры изгибающих и крутящих моментов на валу (рис. 3.3).

По этим эпюрам можем определить суммарный изгибающий и эквивалентный моменты.

Вертикальная плоскость

;

;

.

;

;

.

Проверка:

;

;

.

Реакции опор определены верно.

Определим изгибающие моменты на участках вала в вертикальной плоскости:

участок

;

;

;

.

участок

;

;

;

.

Горизонтальная плоскость

;

;

.

;

;

.

Проверка:

;

;

.

Реакции опор определены верно.

Определим изгибающие моменты на участках вала в горизонтальной плоскости:

участок

;

;

;

.

участок

;

;


Рисунок 3.3 - Эпюры изгибающих и крутящих моментов

3 участок

;

;

;

.

Определим сначала суммарный изгибающий момент:

,

где  - изгибающий момент в вертикальной плоскости;

 - изгибающий момент в горизонтальной плоскости.

.


,

где  - вращающий момент на тихоходном валу.

.

Определим суммарный изгибающий момент в точке опоры B:

.

Определим полные радиальные нагрузки на опоры вала:

;

.

Опасными сечениями являются:

Сечение 1 - 1 под ступицей колеса , концентратор напряжений - шпоночный паз.

Сечение 2 - 2 под муфтой , концентратор напряжений - шпоночный паз.

Определим моменты сопротивлений этих сечений осевые и полярные:

;

;

;

.

Определим эквивалентные напряжения:

;

.

Расчёт опасного сечения вала на кратковременные нагрузки не проводим, т.к. определённое ранее количество циклов нагружения больше базового.

3.3 Проверочный расчёт тихоходного вала на сопротивление усталости

Определим коэффициент запаса сопротивления усталости по нормальным напряжениям:

. (3.1)

Определим коэффициент запаса сопротивления усталости по касательным напряжениям:

. (3.2)

Выбираем материал вала по таблице 3.7 [3]: Сталь 40; HB 160 - 190; ; ; . Термообработка - нормализация.

Для диаметра  масштабный коэффициент . Для диаметра  масштабный коэффициент  [3, табл. 6.3].

Коэффициент влияния местного упрочнения опасных сечений - без упрочнения .

Цикл нагружения при изгибе - симметричный.

; , т.к. передача не реверсивная.

Амплитудные значения напряжений:

;

;

.

Эффективные коэффициенты концентрации напряжений:

 - способ обработки - точение  [3, табл. 6.4].

; . [3, табл. 6.5].

Для шпоночного паза под колесом:

;

.

Для шпоночного паза под муфтой:

;

.

Коэффициент, который характеризует чувствительность материала к ассиметрии цикла  [3, табл. 6.9].

Определим запасы сопротивления усталости в опасных сечениях по формулам (3.1) и (3.2):

;

;

.

Полный коэффициент запаса сопротивления усталости в опасных сечениях:

;

.

Коэффициенты запаса по усталостной прочности оптимальные, ранее принятые значения диаметров валов в опасных сечениях остаются неизменными.

.4 Определение основных размеров и коэффициента запаса по усталостной прочности тихоходного вала по программе APM Shaft


Таблица: Нагрузки. Радиальные силы

N

Расстояние от левого конца вала, мм

Модуль, Н

Угол, град

0

219.00

25763.00

0.00

1

219.00

9377.00

90.00

2

557.00

21641.00

90.00

Моменты кручения

N

Расстояние от левого конца вала, мм

Значение, Нxм

0

 219.00

 7214.00

1

 557.00

 -7214.00


Реакции в опорах

N

Расстояние от левого конца вала, мм

Реакция верт., Н

Реакция гориз., Н

Реакция осевая, Н

Модуль, Н

Угол, град

0

 28.00

-12881.50

 3639.32

 0.00

 13385.73

 -74.22

1

 410.00

-12881.50

-34657.32

 0.00

 36973.81

 -159.61






3.5 Выбор и расчёт шпоночных соединений

В большинстве случаев в двухступенчатых горизонтальных редукторах привода цепного конвейера для крепления колёс и муфт на валах применяют призматические шпонки (рис. 3.4).

Выбор шпонок для выходного вала.

Из приложения В [3] шпонка под зубчатым колесом имеет размеры:

; ; ; ; .

Рисунок 3.4 - Эскиз призматических шпонок

Проведём проверочный расчёт на смятие:

,

где  - напряжение смятия, ;

 - крутящий момент на выходном валу, ;

 - диаметр вала, ;

 - высота шпонки, ;

 - рабочая длина шпонки, .

.

Получим:

.

 - допускаемое напряжение смятия (для шпонок из стали Ст 45 принимаем при непрерывном использовании редуктора с полной нагрузкой ).

.

Для насадки зубчатого колеса на вал применяем шпонку А×32×18×125 (по ГОСТу 23360-78).

Шпонка под муфтой имеет размеры: , , , , .

Рабочая длина шпонки:

.

Проведём проверочный расчёт на смятие:

.

Т.к. , то целесообразно увеличить длину хвостовика тихоходного вала: .

Тогда длина шпонки: .

Рабочая длина шпонки:

;

.

Для насадки муфты на вал применяем шпонку А×28×16×160 (по ГОСТу 23360-78).

Подбор шпонок для промежуточного вала

Выбираем шпонку под колесо быстроходной ступени:

;

;

;

;

;

.

Выбрана шпонка А×22×14×70 (по ГОСТу 23360-78).

3.6 Расчёт шпоночных соединений быстроходного вала по программе Joint

Шпонка под муфту

Соединение: Призматической шпонкой

Исходные данные

Диаметр вала

48.0

мм

Передаваемый момент

270.0

Нм

Тип нагрузки

Постоянная


Тип соединения

Неподвижное


Материал вала

40


Материал шпонки

Ст 3кп


Материал втулки

35



Результаты расчёта

Ширина шпонки14.0мм



Высота шпонки

9.0

мм

Глубина паза на валу

5.5

мм

Глубина паза во втулке

3.8

мм

Длина шпонки

100.0

мм

Допускаемое напряжение смятия

32.3

МПа

Напряжение смятия

32.143

МПа

Допускаемое напряжение среза

94.0

МПа

Напряжение среза

8.036

МПа


4. Выбор подшипников редуктора и проверочный расчёт подшипников

.1 Расчёт и проверка подшипников на тихоходном валу

Подшипники качения являются основным видом опор, и их широкое применение в промышленности обусловлено многими преимуществами.

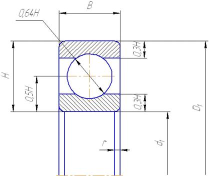
Для выходного вала выбираем подшипники шариковые радиальные, так как отсутствует осевая нагрузка (рис. 4.1).

Выбираем подшипники средней серии 322, которые имеют параметры:  - внутренний диаметр;  - наружный диаметр;  - ширина подшипника; .

Проведём расчёт долговечности подшипника

Найдём ресурс работы подшипника по формуле:

,

где  - динамическая грузоподъёмность, ;

 - условная нагрузка на подшипник, .

,

Рисунок 4.1 - Эскиз шарикового радиального подшипника

где  - коэффициент радиальной нагрузки, ;

 - коэффициент, учитывающий какое кольцо вращается (при вращении внутреннего );

 - коэффициент безопасности, принимаем  [3, табл. 8.1];

 - температурный коэффициент, принимаем ,  [3, табл. 8.2];

 - частота вращения вала, .

Подставляя значения, имеем:

Для опоры А:

.

Для опоры B:

.

Наиболее нагружен подшипник в опоре В. Для него рассчитываем долговечность:

.

Для проверки сравниваем величину  с необходимым ресурсом работы . Т.к.  значительно превышает , то целесообразно сменить серию подшипника на лёгкую:

: ; ; ; .

.

4.2 Расчет и проверка подшипников на быстроходном валу по программе APM Bear

Роликовый радиальный подшипник (Подшипник 32211 ГОСТ 8328-75)

Исходные данные

Геометрия

Внешний диаметр

100.000

мм

Внутренний диаметр

55.000

мм

Диаметр тела качения

11.000

мм

Число тел качения

17.000

 

Длина ролика

11.000

мм

Число рядов тел качения

1.000

 

Точность

Радиальные биения внешн. кольца 0.035мм



Радиальные биения внутр. кольца

0.020

мм

Условия работы

Радиальная сила5395.650 Н



Рад. смещение преднатяга

0.000

мм

Скорость вращения

930.000

 об/мин

Коэфф. динамичности

1.300

 

Тип нагрузки

Постоянная


Резюме

 Средняя долговечность35687.972час



 Максимальное контактное напряжение

927.407

Н/кв.мм

 Выделение тепла

46104.515

Дж/час

 Динамическая грузоподъемность

68506.841

 Н

 Радиальные биения

18.686

мкм

 Боковые биения

-1.512

мкм

 Момент трения

0.132

Н x м

 Потери мощности

12.807

Вт


5. Выбор смазки

Смазка в редукторах зубчатых передач производится нефтяными маслами. Главной характеристикой смазочного масла является его вязкость, которую выбирают тем выше, чем ниже скорость и тяжелее нагрузка. Так, для нашего двухступенчатого редуктора вязкость смазки назначается по средней скорости ступеней.

Таким образом, получим рабочую формулу:

, (5.1)

где  - окружная скорость первой ступени.

.

 - окружная скорость второй ступени.

.

Подставляя полученные значения в формулу (5.1), имеем:

.

По  и  по табл. 10.8 [5] принимаем кинематическую вязкость смазки . Исходя из этого, выбираем по табл. 10.10 [5] масло индустриальное И - 30А.

6. Выбор и расчёт муфт

Муфты являются узлами, часто определяющими надёжность и долговечность всей машины. В приводах при помощи муфт осуществляется соединение вала двигателя с ведущим валом редуктора, ведомого вала редуктора с валом рабочего органа.

Наряду с кинематической и силовой функциями с помощью муфт решается ряд задач: компенсация неточностей относительного расположения, возникающих при монтаже оборудования; ослабление вибрации, толчков и ударов, передаваемых от рабочего органа на двигатель; предохранение деталей и сборочных единиц машин от случайных перегрузок; ограничение частоты вращения; облегчение запуска машин; соединение или разъединение валов во время работы машины на холостом ходу и под нагрузкой.

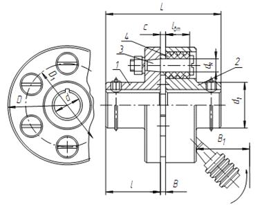
Так, для проектируемого двухступенчатого горизонтального редуктора выбираем для выходного вала зубчатую муфту, размеры которой в зависимости от расчётного момента устанавливают по ГОСТу 5006-94 [4].

Для выходного вала редуктора установим компенсирующую зубчатую муфту. Она является самоустанавливающейся универсальной муфтой, имеет небольшие габаритные размеры и массу, имеет большую нагрузочную способность.

Муфты выбирают по max расчётному моменту и наибольшему диаметру концов валов, которые соединяются.

Определим расчётный момент:

,

где  - наибольший, долгодействующий вращающий момент на тихоходном валу, ;

 - коэффициент, который учитывает степень ответственности механизма,  [4, табл. 1.2];

 - коэффициент, который учитывает условия работы,  [4, табл. 1.3];

 - коэффициент углового смещения,  при угле перекоса  [4, табл. 1.4];

 - наибольший вращающий момент, который передаётся муфтой.

.

Рисунок 6.1 - Муфта зубчатая

Таблица 6.1 - Параметры зубчатой муфты (из ГОСТ 5006-94)

[Т], Н·м

Параметр, мм

Количество зубьев, z

Масса, кг


d

D

D1

D2

А

L

l

m

b



10000

100

270

200

145

145

340

165

3,0

25

56

36,9


Проведём проверочный расчёт на смятие пальцев на выходном валу:

,

где  - модуль зацепления, ;

 - количество зубьев на полумуфте;

 - длина зуба, ;

 - допускаемое напряжение смятия, .

.

Для передачи вращающего момента от вала электродвигателя к быстроходному валу редуктора установим упругую муфту типа МУВП. Эти муфты предназначены для смягчения толчков и ударов, для защиты от крутящих колебаний, для компенсации смещений валов.

МУВП конструктивно могут быть выполнены с неметаллическими (резиновыми) и металлическими (пружинными) упругими элементами. Наибольшее распространение получили упругие муфты с неметаллическими упругими элементами, с помощью сравнительно простой конструкции и дешевизны изготовления.

Рисунок 6.2 - Муфта упругая втулочно-пальцевая

Определим расчётный момент:

,

.

По  и диаметрам валов, которые соединяются из таблицы 1.6 [4] выбираем муфту типа: Муфта упругая втулочно-пальцевая 1000 - 63 ГОСТ 21424 - 93. Её параметры приведены в таблице 6.2.

Таблица 6.2 - Параметры муфты МУВП (ГОСТ 21424-93)

[Т], Н·м

Параметр, мм

Количество пальцев, z

Масса, кг


d

D

D1

L

l

d1

dп

lвт

с



1000

63

210

160

216

105

110

18

36

6

10

23,0


Проведём проверочный расчёт пальцев на изгиб:

,

где  - расчётный момент на быстроходном валу, ;

 - диаметр окружности расположения центров пальцев, ;

 - толщина распорной втулки, ;

 - длина упругой втулки, ;

 - диаметр пальцев, ;

 - число пальцев;

 - допускаемые напряжения при изгибе пальцев;

 - предел текучести материала пальцев.

Т.к. пальцы изготовляют из стали марки не ниже 45, то .

;

.

Проведём проверочный расчёт упругих втулок на смятие:

,

где  - допускаемые напряжения смятия материала упругой втулки.

.

7. Конструирование и расчёт элементов корпуса, крышек подшипников и подшипниковых узлов

Корпус двухступенчатого горизонтального редуктора служит для размещения в нём деталей передач обеспечения смазки передач и подшипников, а также предохранения деталей от загрязнения и восприятия усилий, возникающих при работе редуктора. Он должен быть достаточно прочным и жёстким, так как при значительных деформациях корпуса возможен перекос валов и вследствие этого повышение неравномерности распределения нагрузки по длине зубьев.

Для повышения жёсткости корпуса его усиливают рёбрами, располагаемыми снаружи или внутри у приливов под подшипники. Для удобства монтажа деталей корпус обычно выполняют разъёмным. Плоскость разъёма при этом проходит через оси валов. В вертикальных цилиндрических одноступенчатых редукторах обычно делают разъёмы по двум плоскостям, а в двухступенчатых даже по трём.

Корпус с одной плоскостью разъёма состоит из основания и крышки (рис. 7.1). В серийном производстве корпуса редукторов изготавливают литыми из серого чугуна марки не ниже СЧ 15 (ГОСТ 1412-79). Редукторы ответственных машин выполняют из стального литья марки 25Л (ГОСТ 977-75). При индивидуальном изготовлении корпуса выполняют сваркой конструкции из листовой стали Ст 2, Ст 3 (ГОСТ 380-71).

Рисунок 7.1 - Конструктивные элементы корпуса и крышки редуктора

В соответствии с требованиями технической эстетики корпуса редукторов должны иметь строгие геометрические формы: выступающих частей следует по возможности избегать; бобышки и рёбра можно располагать внутри корпуса. Для облегчения формовки бобышки и рёбра в крышке можно располагать снаружи. Верх крышки целесообразно делать горизонтальным, что упрощает её обработку и позволяет использовать поверхность крышки как монтажную базу. Элементы для строповки следует выполнять в виде ушей или крюков, отлитых вместе с корпусом. Крышку с корпусом целесообразно соединять винтами, ввёртываемыми в гнёзда, нарезанные в корпусе. Фундаментные болты лучше всего располагать в выемках корпуса, выполненных так, чтобы лапы не выступали за габариты корпуса.

При конструировании и изготовлении корпусов должно быть обеспечено выполнение следующих технических требований:

заготовка корпуса после черновой обработки основных сопрягаемых поверхностей (плоскости разъёма и основания, отверстия под подшипники, торцы и т. д.) должна быть подвергнута отжигу;

необработанные поверхности должны быть окрашены;

постановка прокладок в плоскость разъёма недопустима (течь масла надёжно предотвращается пастой "Герметик");

отклонение от плоскостности поверхностей разъёма не должно превышать 0,05 мм;

шероховатость поверхностей разъёма RZ ≤ 20 мкм;

поле допуска отверстия под подшипник - Н 7;

шероховатость отверстий под подшипник Rа ≤ 2,5 мкм.

Конструктивные размеры корпуса определяются размерами расположенных в нём зубчатых колёс, а также кинематической схемой редуктора. Основой корпуса является его коробка, контур которой образуют прочным обводом зубчатых колёс. Поэтому разработка конструкции зубчатых колёс, валов и опор предшествует разработка конструкции корпуса.

Толщина стенки основания корпуса равна:

,

где  - наиболее вращающий момент на тихоходном валу, .

.

Определим толщину стенки крышки редуктора:

;

.

Для крепления основания и крышки корпуса традиционной конструкции по всему их контуру выполняют фланцы, в которых размещают болты или винты (рис. 7.2).

Наименьший зазор между внешней радиальной поверхностью колеса и стенкой корпуса:

.

Принимаем .

Зазор между торцами зубчатых колёс принимают:

.

Зазор между торцом колеса и внутренними деталями корпуса:

.

Зазор между зубчатым колесом и дном подставки корпуса принимают равным:

.

Толщина верхнего пояса фланца подставки:

.

Толщина нижнего фланца крышки:

.

Принимаем .

Для крепления подставки корпуса редуктора к раме или плите изготовляют фланцы, толщина которых (без бобышек):

.

Принимаем .

Диаметр фундаментных болтов:

.

Принимаем .

Количество фундаментных болтов выбираем в соответствии с указаниями [4] .

Диаметр отверстия под фундаментный болт ; диаметр цековки ; глубина цековки .

Размеры гнёзд подшипников и крышек (рис. 7.3) также выбраны в соответствии с рекомендациями [4].

Диаметр болтов подшипниковых гнёзд:

.

Диаметр стяжных болтов:

.

Принимаем .

Диаметр отверстия под стяжной болт ; диаметр цековки ; глубина цековки .

Определение размеров гнёзд подшипников и крышек

Быстроходный вал: ;

;

;

;

;

.

Количество винтов .

Промежуточный вал: ;

;

;

;

;

.

Количество винтов .

Тихоходный вал: ;

;

;

;

;

.

Количество винтов .

а - крепление болтами б - крепление винтами

Рисунок 7.2 - Размеры фланцев основания крышки

Для захватывания редуктора при его подъёме к основанию корпуса у верхнего пояса его прилиты крюки. Для подъёма и транспортировки крышки и собранного редуктора применяют грузовые винты, или рым-болты. В нашем случае, применим проушины (рис. 7.4), размеры которых примем в соответствии с рекомендациями [4].

Толщина проушины и захвата

,

диаметр отверстия в проушине

.

Осмотр редуктора и заливку масла для смазки зубчатых колёс осуществляют через окно. В некоторых случаях его располагают на одной из свободных боковых сторон редуктора. Размеры окна должны обеспечивать хороший обзор зацепления. Иногда у многоступенчатых редукторов одно окно не позволяет осматривать зацепление всех ступеней, тогда выполняют два окна. Отверстие смотрового окна выполняют чаще всего прямоугольным. Края отверстия оформляют платиками, к которым прижимается крышка. Под крышку кладут мягкую уплотняющую прокладку (например, прессшпана).

Конструктивные размеры смотрового окна и крышки выбраны в соответствии с рекомендациями [4].

с крышкой на винтах с врезной крышкой

Рисунок 7.3 - Размеры гнёзд подшипников и крышек

Рисунок 7.4 - Винты грузовые и гнёзда под них, размеры проушин

Редукторы с большим тепловыделением должны иметь отдушину. Вследствие разбрызгивания масла быстровращающимися деталями воздушная среда внутри корпуса содержит взвешенные частицы масла (масляный туман). Наличие отдушины предотвращает повышение давления воздушной среды и просачивание воздуха со взвешенными частицами масла через стык корпуса и уплотнения валов в крышках подшипников.

Отверстие для отдушины выполняют чаще всего в крышке смотрового окна, для которой отдушина служит одновременно ручкой. Если смотровая крышка выполнена из тонкого листа, пробку-отдушину приваривают к ней или закрепляют развальцовкой. В чугунных крышках отдушины закрепляют на резьбе. Если смотровое отверстие отсутствует или оно расположено на боковой стенке корпуса, то отдушину устанавливают непосредственно сверху крышки корпуса редуктора.

Конструктивное исполнение отдушины изображено на рисунке 7.5, а её размеры выбраны в соответствии с рекомендациями [4].

Рисунок 7.5 - Конструктивное исполнение отдушины

Отверстия для сливной пробки и маслоуказателя следует располагать там, где к ним обеспечен доступ. Неудобным можно считать, например, стенки редуктора под выходными концами валов. Оба отверстия желательно размещать рядом, на одной стенке.

Нижняя кромка маслоспускного отверстия должна быть на уровне днища или несколько ниже его. Дно желательно делать с уклоном не менее 1…2о в сторону отверстия. У самого отверстия в отливке выполняют местное углубление, которое способствует стоку масла и, кроме того, обеспечивает свободный выход инструмента при сверлении отверстия и нарезании резьбы в нём. С наружной стороны отверстие оформляют бобышкой. Маслоспускное отверстие закрывают специальной пробкой (рис. 7.6), размеры которой приведены в [4].

Для замера уровня смазки в корпусе редуктора применяют маслоуказатели различных конструкций. Маслоуказатели выбирают с учётом удобства обзора, величины перепада уровней смазки и опасности повреждения. Наиболее распространены жезловые маслоуказатели, так как они удобны для осмотра, конструкция их проста и достаточно надёжна. Жезловый маслоуказатель показан на рисунке 7.7 а и 7.7 б. Для возможности контроля уровня во время работы маслоуказатель размещают в трубке, ввёрнутой в корпус (рис. 7.7 а).

Размеры жезлового маслоуказателя показаны на рисунке 7.7 в. Маслоуказатель завинчивается в корпус редуктора на резьбе. Иногда он вставляется в отверстие в корпусе без резьбы по посадке Н 11/d11.

Рисунок 7.6 - Пробка к маслоспускному отверстию

Рисунок 7.7 - Жезловый маслоуказатель

Выводы

В данном курсовом проекте на основе исходных данных были рассчитаны мощности, угловые скорости, частоты вращения, вращающие моменты на всех валах редуктора. Выбран подходящий электродвигатель.

Также был выбран материал зубчатых колёс, определены его допустимые напряжения на изгиб и по контакту. Был выполнен проектный расчёт зубчатых передач на прочность при изгибе. Рассчитаны все параметры зацепления, сконструированы колёса и шестерни.

В процессе выполнения данного курсового проекта был рассчитан вручную и с помощью программы APM Shaft тихоходный вал. Также определены коэффициенты запаса по усталостной прочности в опасных сечениях. Были выбраны и рассчитаны на смятие шпонки, выбраны и рассчитаны на долговечность подшипники.

Подобраны муфты: на входе - МУВП, на выходе - зубчатая. Сконструированы основные и вспомогательные элементы корпуса, рассчитаны крышки подшипников. Подобраны фундаментные болты, болты крышек подшипников и подшипниковых гнёзд, стяжные болты. Выбран вид смазки и смазочный материал.

Литература

. Методические указания к курсовому проектированию Деталей машин. Раздел I. "Выбор электродвигателя и определение исходных данных для расчёта привода". Авторы: В.С. Исадченко, В.П. Онищенко, В.Б. Недосекин. - Донецк.: ДонНТУ, 2005. - 36с.

. Методические указания к курсовому проектированию Деталей машин. Раздел II. "Проектирование зубчатых и червячных передач". Авторы: В.Ф. Блескун, С.Л. Сулейманов. - Донецк.: ДонНТУ, 2005. - 48с.

. Методические указания к курсовому проектированию Деталей машин. Раздел III. "Проектирование валов и их опор на подшипниках качения". Авторы: А.В. Деркач, А.В. Лукичов, В.Б. Недосекин, С.В. Проскуряков. - Донецк.: ДонНТУ, 2005. - 106с.

. Методические указания к курсовому проектированию Деталей машин. Раздел IV. "Конструирование муфт и корпусов". Авторы: В.С. Исадченко, П.М. Матеко, В.А. Голдобин. - Донецк.: ДонНТУ, 2005. - 40с.

5. Чернавский С.А., Боков К.Н., Чернин И.М., Ицкович Г.М., Козинцов В.П. "Курсовое проектирование деталей машин": - 3-е изд. - М.: ООО ТИД "Альянс", 2005. - 416с.

. Учебное пособие "Атлас конструкций редукторов". - сост. Цехнович Л.И., Петриченко И.П. - Киев: Высшая школа, 1979. - 128с.

. Чернилевский Д.В. Детали машин. Проектирование приводов технологического оборудования: Учебное пособие для студентов вузов. 3-е изд., исправл. - М.: Машиностроение, 2003. - 560с.

. Перель Л.Я. Подшипники качения: Расчет проектирование и обслуживание опор: Справочник. - М.: Машиностроение, 1983. - 543с.

. "Детали машин. Атлас". - сост. Бопов В.Н., Чернилевский Д.В., Будько П.П. - Москва: Машиностроение, 1983. - 215с.

Похожие работы на - Проектирование редуктора привода ленточного конвейера

 

Не нашли материал для своей работы?
Поможем написать уникальную работу
Без плагиата!
Без нейросетей!