|
Номер вала
|
Мощность
Р, кВт
|
Частота вращения n, мин-1
|
Вращающий момент
Т, Нм
|
|
1
|
5.5
|
2850
|
18.43
|
|
2
|
5.22
|
989.58
|
50.38
|
|
4
|
4.86
|
72.79
|
638.94
|
Исходя из рассчитанных вращающего момента на выходном валу и
частоты вращения на входном валу, выбираем стандартный коническо-цилиндрический
редуктор по ГОСТ 27142-86 типоразмера КЦ1-200 Твых = 750 Нм при nвх = 1000 мин-1.
Рисунок 3 - Эскиз редуктора
Исходя из рассчитанных параметров вращающего момента на
входном валу и технического задания, выбираем компенсирующую цепную однорядную
муфту по ГОСТ 20742-81, рассчитанную на максимальный вращающий момент равный
1000 Нм, допускающая угловое смещение осей соединяемых валов до 1° и радиальное
смещение от 0,5 до 1,2 мм.
Эти муфты отличает возможность использования серийно
изготовленных цепей, небольшие габаритные размеры, простота монтажа без осевых
смещений соединяемых валов, способность компенсировать радиальные и угловые
смещения валов за счет взаимных перемещений деталей муфты и наличия зазоров. Из-за
наличия в цепных муфтах значительных зазоров их не применяют в реверсивных
приводах и приводах с большими динамическими нагрузками.
Рисунок 4 - Эскиз муфты.
По сравнению с другими видами передач ременные имеют ряд
существенных преимуществ: возможность передачи движения на сравнительно большие
расстояния без особого увеличения массы передачи; простота конструкции и эксплуатации;
плавность хода и бесшумность работы; эластичность привода, смягчающая колебания
нагрузки и предохраняющая от значительных перегрузок за счет скольжения; меньшая
начальная стоимость.
Следует отметить и недостатки, присущие ременным передачам: сравнительно
небольшие передаваемые мощности (обычно до 50 кВт); непостоянство передаточного
отношения; значительные габариты; повышенные нагрузки на валы и опоры; необходимость
натяжения ремня в процессе эксплуатации; малая долговечность ремней, особенно
быстроходных передачах.
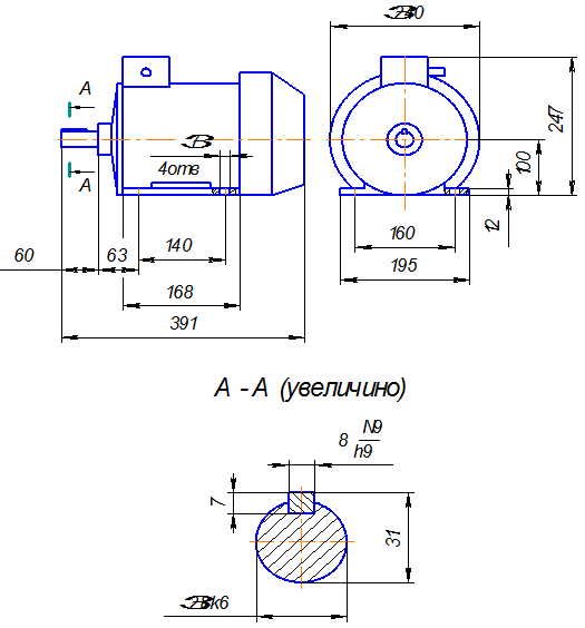
Принимаем минимальный диаметр вала равным диаметру выходного
конца редуктора. d = 45 мм.
Диаметр цапф вала в местах установки подшипников dП, мм определяем по формуле:
где t2- глубина паза в
ступице, мм, t2 = 3,8 мм.
для более лучшего торцевого фиксирования муфты примем: dП = 60 мм.
Диаметр буртика для подшипника № 1212 по ГОСТ 20226-82 (67,0
мм < dБП< 71,0 мм) примем dБП =70 мм:
Диаметр цапф вала в местах установки барабана примем: dВ = 65 мм.
Исходя из геометрических параметров муфты и вала под муфтой,
определяем размеры шпонки вала под муфту:
Шпонка призматическая для диаметра вала d
= 45 мм:
высота шпонкиh = 9 мм;
ширина шпонкиb = 14 мм;
длина шпонкиl =
70 мм;
глубина паза валаt1 = 6
мм;
глубина паза ступицыt2 = 3,8
мм.
Шпонка призматическая для диаметра вала d
= 60 мм:
высота шпонкиh = 11 мм;
ширина шпонкиb = 18 мм;
длина шпонкиl =
100 мм;
глубина паза валаt1 = 7
мм;
глубина паза ступицыt2 =
4,4 мм.
Рисунок 6 - Эскиз шпоночного соединения.
Для опор вала исполнительного органа применим шариковые
радиальные сферические двухрядные подшипники (ГОСТ 28428 - 90), из-за возможных
перекосов опор подшипников. Назначаем подшипники легкой серии № 1212.
диаметр отверстияdП = 60 мм;
диаметр внешнего кольцаD = 110 мм;
ширина подшипникаВ = 22 мм;
координата фаскиr =
2,5 мм;
динамическая радиальная грузоподъёмностьCr = 30,0 кН;
статическая радиальная грузоподъёмностьC0r = 16,0 кН.
Рисунок 7 - Эскиз подшипника.
Окружная сила действующая на барабан со стороны ремня задана
в техническом задании: Ft = 3500 Н
Сила натяжения ремня на ненагруженной стороне равна:
S2 = 0,25. Ft =0,25.3500 = 875 Н
Сила натяжения на нагруженной стороне равна:
S1 = Ft
+ S2 = 3500 + 875 = 4375 Н
Общая сила, действующая на барабан со стороны ремня:
Q = S1 + S2 = 875 +
4375 = 5250 Н
Из уравнения моментов найдем силы FA
и FВ:
Так как схема нагружения симметричная то FA
= FВ = 2625 Н.
В нашем случае на вал действуют сила натяжения ремня Q и крутящий момент Т, тогда формула
для определения эквивалентного момента примет вид:
Из расчетной схемы (Рисунок 8) видно, что опасным сечением
является сечение D, так как в этом сечении одновременно
приложены максимальные крутящий и изгибающие моменты.
ТD = 638,94 Нм
МD = 0,111.2625 = 291,38 Нм
Тогда:
Максимальное эквивалентное напряжение равно:
где dD -
Диаметр вала в сечении D, мм.
Тогда:
Рисунок 8 - Расчетная схема вала исполнительного органа
Допускаемое напряжение [σ], МПа:
где Kр- коэффициент
режима работы, Kр = 1,8;
[σи] - допускаемое напряжение изгиба, МПа.
где σТ- предел текучести материала (Сталь
40Х), σТ = 640 МПа;
[n] - коэффициент запаса, [n] = 2.
Тогда:
25,57 МПа ≤ 177,78 МПа, - условие выполняется.
Fr = FA
= FВ = 2625 Н;
Х- коэффициент радиальной нагрузки, Х = 1;
е- коэффициент осевого нагружения, е = 0, 19;
Определим эквивалентную динамическую нагрузку:
Pr = VXFrKБKТ,
гдеV- коэффициент внутреннего кольца,
V = 1;
КТ- температурный коэффициент, КТ = 1;
КБ- коэффициент безопасности, КБ = 1,3.
Pr = 1.1.2625.1,3.1
= 3412,5 Н.
Определяем по уровню надёжности и условиям применения
расчётный ресурс подшипника:
гдеa1- коэффициент долговечности, a1
= 1;
a23- коэффициент, учитывающий влияние на
долговечность особых свойств материала, a23 = 0,3;
Сравниваем с требуемым ресурсом
=
9500, ч:

Условие работоспособности шпонки вала:
гдеТ- передаваемый момент, Т = 638.94Нм;
d- диаметр вала, d
= 45 мм;
lр- рабочая длина шпонки,
мм: lр = l - b = 70 - 14 = 56 мм;
k- глубина врезания шпонки, мм: k = h - t1 = 9 - 5,5 = 3,5 мм.
[σсм] -допускаемое
напряжение смятия, [σсм] <180 МПа.
144,5 МПа < 180 МПа
условие выполняется.
Условие работоспособности шпонки вала:
гдеТ- передаваемый момент, Т = 638.94Нм;
d- диаметр вала, d
= 60 мм;
lр- рабочая длина шпонки,
мм: lр = l - b = 100 - 18 = 82 мм;
k- глубина врезания шпонки, мм: k = h - t1 = 11 - 7 = 4 мм.
[σсм] -допускаемое
напряжение смятия, [σсм] <180 МПа.
64,9 МПа < 180 МПа - условие
выполняется.
Шпоночное соединение показано на рисунке 6.
1.
Устиновсий Е.П., Шевцов Ю.А., Яшков Ю.К., Уланов А.Г. Многовариантное
проектирование зубчатых цилиндрических, конических и червячных передач с
применением ЭВМ: Учебное пособие к курсовому проектировании по деталям машин. -
Челябинск: ЧГТУ, 1992.
2.
Справочник конструктора - машиностроителя: В 3 т. - 8-е изд., перераб. и
доп. Под ред. И.Н. Жестковой. - М.: Машиностроение, 2001.
3.
Дунаев П.Ф., Леликов О.П. конструирование узлов и деталей машин: Ученое
пособие для техн. спец. вузов. - 6-е изд., исп. - М.: Высш. шк., 2000. - 477с.,
ил.
4.
Ряховский О.А., Иванов С.С. Справочник по муфтам. - Л.: Политехника,
1991. - 384 с.: ил.
5.
Сохрин П.П., Устиновский Е.П., Шевцов Ю.А. Техническая документация по
курсовому проектировании по деталям машин и ПТМ: Ученое пособие. - Челябинск: Ид.
ЮУрГУ, 2001. - 67 с.
6.
Чурюкин В.А., Яшков Ю.К. Обозначение конструкторской документации: Ученое
пособие. - Челябинск: ЧГТУ, 1986. - 61 с.
7.
Сохрин П.П., Кулешов В.В. Проектирование валов: Учебное пособие. Челябинск:
Изд. ЮУрГУ, 2000. - 94 с.
8.
Сохрин П.П. Проектирование ременных передач: Ученое пособие: Челябинск: ЧГТУ,
1997. - 94 с.