Производительность
|
Q
|
т/ч
|
80
|
|
Транспортируемый материал
|
Зерно
|
|
Насыпная плотность
|
r
|
т/м3
|
0,25
|
|
Размеры участков конвейера
|
l
|
м
|
16
|
|
l
|
м
|
28
|
|
Угол наклона
конвейера
|
β
|
град
|
15
|
|
Режим работы
|
вт
|
|
|
|
Чертежи общего вида
|
Конвейер ленточный
|
|
Чертежи сборочных единиц
|
Станция натяжная;
роликоопора верхняя
|
Введение
Подъемно–транспортные
установки нашли широкое применение во всех отраслях промышленности. Трудно
представить себе завод, где бы не использовались даже простейшие
транспортирующие средства.
В
пищевой промышленности буквально все производства представлены в виде линии,
основным звеном которых являются конвейеры и подъемные средства.
Подъемно-транспортные
машины можно разделить на следующие группы:
1.
Машины и установки, применяемые как средства межцехового и внутрицехового
перемещения грузов.
2. Машины
и средства общего назначения.
3. Специальные
установки.
В
зависимости от рода перемещаемого груза, конвейеры используют для перемещения
штучных грузов, сыпучих мелко и крупно кусковых грузов. Поэтому форма
грузонесущего элемента может быть различна. Для ленточных конвейеров форма ленты
может быть прямой или желобчатой.
С
помощью ленточных конвейеров можно перемещать грузы в горизонтальном или
наклонном направлениях. Протяженность трассы конвейера – от нескольких метров
до километров (горнодобывающая промышленность).
1.
Описание работы ленточного конвейера
В
отличие от грузоподъемных машин, которые перемещают грузы определенными
порциями и обратным движением без груза возвращаются за новой порцией груза,
транспортирующие машины конвейеры предназначаются для перемещения грузов
непрерывным потоком без остановок для их загрузки и разгрузки. Конвейеры
предназначены для работы с массовыми грузами, т.е. грузами, состоящими из
большого числа однородных частиц или кусков, или штучными грузами, перемещаемыми
в большом количестве.
Все
машины непрерывного транспорта можно подразделить на две группы -
транспортирующие машины с тяговым элементом (лента, цепь, канат), в котором
груз перемещается вместе с тяговым элементом и транспортирующие машины без
тягового элемента.
Основной
характеристикой конвейеров является из производительность – объемная V, м3/ ч,
массовая Q т/ч или штучная С шт/ч.
По
абразивным свойствам грузы подразделяются на категории:
- неабразивные – продукты силосного хозяйства, зерно,
опилки, щепа, штучные пакетированные грузы,
-
малоабразивные – бурый уголь, каменный уголь, формовочная земля, половая сера,
глина, шамот, песок, гравий, цемент,
-
абразивная – железная руда, антрацит, горные породы средней твердости, кокс,
рудный концентрат, известняк, магнезит, щебень,
-
высокоабразивные – полиметаллические руды, руда цветных металлов, твердые
горные породы, железная руда.
Многие
параметры конвейера и разгрузочных устройств, включая форму желоба и др.
зависит от степени подвижности.
Форма и
площадь сечения груза, свободно насыпанного на неподвижную плоскость, определяют
углом
естественного откоса в потоке. Значение
этого угла зависит от сил сцепления между отдельными частицами определяемых от
влажности груза, и от сил трения, возникающих при относительном перемещении частиц.
Ленточные
конвейеры остаются наиболее распространенным типом транспортирующих машин
непрерывного действия во всех отраслях промышленности. Из более числа
конвейерных установок более 90 % составляют ленточные конвейеры. Они
используются в горнодобывающей промышленности – для транспортировки руд
полезных ископаемых и угля при открытой разработке, в металлургии – для подачи
земли и топлива, на предприятиях с поточным производством - для транспортировки
заготовок между рабочими местами и т.д.
Обычно
ленточные конвейеры имеют тяговый элемент в виде бесконечной ленты, являющийся
и несущим элементом конвейера, привод, приводящий в движение барабан, натяжное
устройство, роликовые опоры на рабочей и полостной ветви ленты, а также
загрузочно-разгрузочные устройства, устройства для очистки ленты. Все элементы
конвейера смонтированы на раме.
С
помощью установок, оснащенных ленточными конвейерами можно транспортировать
сыпучие грузы на весьма большие расстояния.
Ленточные
конвейеры отличаются высокой производительностью до 30-40 тыс. т/ч, простотой
конструкции, малой материалоемкостью, и как следствие относительно низкой
стоимостью, надежностью в работе и удобством в эксплуатации, относительно небольшим
расходом энергии. Они могут иметь криволинейную трассу с поворотами в
горизонтальной плоскости и с подъемами и спусками в вертикальной плоскости в
зависимости от рельефа местности. Однако создание криволинейной трассы
сопряжено с трудностями обеспечения надежного и стабильного положения ленты на
криволинейном участке. Радиус поворота ленты в горизонтальной плоскости зависят
от конструкции конвейера, типа ленты и ее ширины и имеет широкий диапазон
значений.
Схемы
ленточных конвейеров весьма разнообразны и определяются назначением конвейера.
Технико-экономические исследования и опыт показывают, что для транспортирования
массовых грузов с грузооборотом 5-25 млн. т. в год на расстояние до 100 км применять ленточные конвейеры экономичнее, чем использовать железнодорожный или автомобильный
транспорт. Достоинствами конвейерных лент являются их относительно малая масса,
отсутствие быстроизнашивающихся шарниров, возможность перемещения грузов с
большими скоростями. Срок службы конвейерных резинотканевых лент в зависимости
от условий эксплуатации, характеристики транспортируемого груза, типа тканевого
каркаса и времени одного оборота пробега ленты составляет 15-48 месяцев.
Применение
ленточных конвейеров ограничено диапазоном температур от 60 до 2000С.
К
недостаткам ленточных конвейеров следует отнести пыление при транспортировании
мелких сыпучих грузов.
При
перемещении штучных грузов ширину ленты выбирают так, чтобы на ленте остались с
обеих сторон свободные поля шириной 50-100 мм.
Чтобы
груз не сползал вниз, вдоль ленты необходимо угол наклона конвейера принимать
на 100 меньше угла трения груза о полотно конвейера, потому что
из-за провисания полотна угол его подъема больше, чем угол наклона оси конвейера.
Кроме
того, на опорах полотно встряхивается, что способствует сползанию груза. Это
встряхивание тем больше, чем выше скорость движения полотна [1]
Ленточный
конвейер для перемещения свеклы (рис 1) состоит из приводного барабана 1, лент
2, натяжного барабана 3.
Приводной
барабан представляет собой полый металлический барабан, которому сообщается
вращающийся момент от двигателя посредством передачи. Основными параметрами
характеризующие приводные барабаны, являются диаметр, ширина, а также коэффициент
трения. Для снижения проскальзывания ленты на барабане его необходимо
футеровать резиной или деревом.
Ленты
являются основным грузонесущим и тяговым элементом. Наиболее распространение
получили прорезиненные тканевые ленты.
Лента
состоит из технической ткани – бельтинга, резиновой прослойки и резиновой
обкладки. Обычно количество тканевых прокладок не менее 3. Используют также
специальные ленты, изготовленные из особых сортов резины, теплостойкие – Т,
морозостойкие М, маслостойкие МС, пищевые – П. Для восприятия больших нагрузок
применяют резинотросовые ленты.
Концы
ленты соединяют различными методами (вулканизацией, сшивкой, закрепленной и
др.)
. По ширине ленты бывают от 300 до 3000 мм.
Натяжные
устройства служат для создания необходимого натяжения ленты и обеспечения
передачи тягового усилия от барабана к ленте. В основном применяют винтовые и
грузовые натяжения устройства, реже – грузо-пружинные, гидравлические. В данном
конвейере используется винтовое натяжное устройство.
Ленточный
конвейер приводится в движение с помощью двигателя посредством привода.
Разгрузка происходит пересыпанием через приводной барабан. Длина конвейера__метров.
Скорость такого типа конвейера – в пределах__м/с.
2. Предварительный
расчет ленточного конвейера
Принимаем
скорость движения ленты v=1.50 м/с.
Угол
естественного откоса материала в движении 25º.
Угол наклона
конвейера 15º.
Ширина
ленты конвейера:
(1.1)
где Q –
производительность конвейера, т/ч;
v – скорость ленты, м/с;
γ – насыпная масса
груза, т/м3;
k – коэффициент,
зависящий от угла естественного откоса груза;
kβ – коэффициент,
зависящий от угла наклона конвейера.
.
Выбираем
конвейерную ленту типа 2 шириной B=400 мм с тремя прокладками из
бельтинта Б-820 с резиновой обкладкой на рабочей стороне толщиной 3 мм и на нерабочей стороне – 1 мм
Погонная
нагрузка от массы груза
(1.2)
Погонная
нагрузка от массы ленты
(1.3)
где B=0,4 м;
δ – толщина ленты мм;
(1.4)
где δпр=1,5
мм – толщина прокладки;
δр=3 мм –
толщина резиновой обкладки рабочей стороны ленты;
δн=1 мм –
толщина резиновой обкладки нерабочей стороны ленты;
i=3 – число
прокладок.
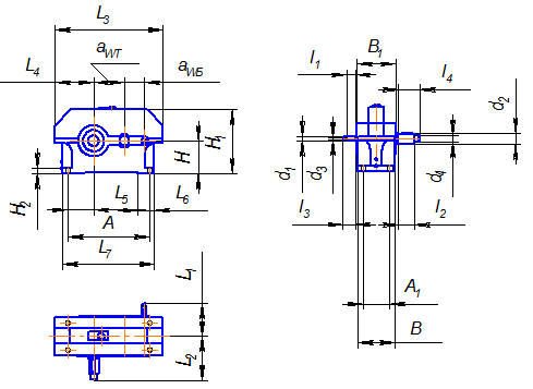
Принимаем
диаметр роликов роликоопор ровным 60 мм.
Принимаем
расстояние между роликоопорами рабочей ветви lр=1000 мм,
расстояние между роликоопорами холостой ветви lх=2000 мм
Масса
вращающихся частей желобчатой роликоопоры Gр-8,4 кг.
Масса
вращающихся частей холостой роликоопоры Gх-2,5 кг.
Погонная
нагрузка от массы вращающихся частей роликов:
на груженой
ветви
(1.5)
на
холостой ветви
(1.6)
Погонная
нагрузка от движущихся частей конвейера:
(1.7)
Для
предварительного определения тяговой силы конвейера примем:
коэффициент
сопротивления w=0,04;
длина
проекции конвейера на горизонтальную плоскость Lг=40 м.
Сопротивление
разгрузчика:
Тяговая
сила конвейера:
, (1.8)
где q – погонная нагрузка
от массы груза, q=9.79 кгс/м=96,04 Н;
Н –
высота подъема груза, Н=3,2м;
m – коэффициент,
Принимаем
коэффициент сцепления между прорезиненной лентой и стальным барабаном μ=0,25.
Приняв
угол обхвата барабана лентой равным 200º, найдем коэффициент ks по формуле:
Максимальное
статическое натяжение ленты:
(1.9)
Рекомендуемый
номинальный запас прочности конвейерной ленты n0=9.
Предел
прочности прокладок выбранной ленты kр=55 кгс=539,55Н.
Проверяем
необходимое число прокладок ленты.
(1.10)
Определяем
требуемый диаметр приводного барабана:
(1.11)
где
принимаем коэффициент а=125
Принимаем
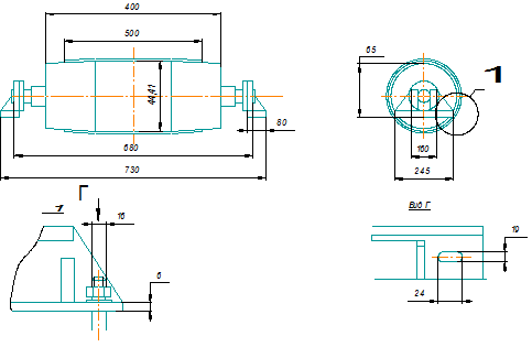
диаметр приводного барабана Dпб=400 мм.
Диаметр
натяжного барабана примем равным диаметру приводного барабана Dнб=Dпб=400 мм.
Длину
приводного и натяжного барабанов принимаем равной

Разобьем
конвейер на отдельные участки, пронумеровав их границы.
Принимаем
kп – коэффициент
увеличения натяжения тягового органа от сопротивления на поворотном пункте:
при угле
обхвата тяговым органом барабана
Натяжение
в точке 2
(2.1)
Сопротивление
на прямолинейном порожнем участке конвейера
(2.2)
Принимаем
центральный угол криволинейного участка 2 – 3 α < 90,
Cопротивление на
криволинейном участке 2 – 3
Натяжение
в точке 3
(2.3)
Сопротивление
на участке 3 – 4
,
где L
=12м; H=l
·tgβ=12·tg15˚=3,2м;
Натяжение
в точке 4
(2.4)
Натяжение
в точке 5
Принимаем
α=200˚,
k
=1.11
Сопротивление
на погрузочном пункте от сообщения грузу скорости тягового органа
Сопротивление
от направляющих бортов загрузочного лотка
Общее
сопротивление при загрузке
Натяжение
в точке 6
Сопротивление
на участке 6 – 7
,
где
;
;
Натяжение
в точке 7
Сопротивление
на криволинейном участке 7 – 8
Натяжение
в точке 8
Сопротивление
на участке 8 – 9
,
Где L
=21м
Натяжение
в точке 9
Сопротивление
на участке 9 – 10 (сбрасывающая тележка)
Натяжение
в точке 10
Используя
соотношение Эйлера между натяжениями набегающей и сбегающей ветвей на приводном
барабане:
(2.5)
α=200º=3,49 рад
– принятый угол обхвата барабана лентой.
4. Проверочный
расчет ленточного конвейера
По
уточненному значению
проверяем прочность ленты.
Требуемое
число прокладок:
(3.1)
Диаметр
приводного барабана по давлению ленты на барабан:
(3.2)
где
– тяговая сила;
– допустимое давление ленты на барабан;
– принятый угол обхвата барабана
лентой;
– принятый коэффициент сцепления между
лентой и барабаном;
КПД
приводного барабана:
(3.3)
где
– коэффициент сопротивления барабана;
(3.4)
Мощность
на приводном валу конвейера
(3.5)
Мощность
двигателя для привода конвейера
(3.6)
коэффициент запаса;
– КПД передачи от двигателя к
приводному валу.
Выбираем
электродвигатель АИР112МA6 мощность которого N=3 кВт при
частоте вращения n=945 об/мин.
Частота
вращения приводного барабана
(3.7)
Требуемое
передаточное число
(3.8)
Выбираем
редуктор с передаточным числом ip=12,5, рассчитанного
на мощность 4,35 кВт при частоте вращения 945 об/мин на быстроходном валу. Номинальный
вращательный момент на выходном валу ТВЫХ=2000 Н×м.
Уточняем
скорость ленты
(3.9)
Фактическая
производительность конвейера
(3.10)
Усилие
натяжного устройства
(3.11)
Выбираем
неприводной барабан 4025-30 диаметром 400 мм для ленты шириной В=400 мм.
Приводной
барабан, имеющий обозначение 4040-60.
Усилие в
конвейерной ленте в период пуска км=1,6 – коэффициент соотношения
пускового и номинального моментов электродвигателя.
(3.12)
Проверим
прочность ленты в период пуска.
Требуемое
число прокладок ленты.
(3.13)

кр=55 кгс/см – предел
прочности прокладок ленты.
кс=0,75 коэффициент
прочности стыка ленты
км=1-0,03×i=1-0,03×3=0,91 – коэффициент неравномерности работы прокладок ленты.
5. Проверочный
расчет вала приводного барабана
Найдем
реакции в опорах:
Найдем
моменты на участках:
I. :
II. :
Подбор
сечения вала:
Принимаем
диаметр вала приводного барабана исходя из стандартных размеров для выбранного
типа барабана, т.е. d=60 мм.
Так как
диаметр выбрали заведомо больший, то проверочный расчет на прочность не
требуется.
5. Подбор подшипников
Выбираем
подшипники радиальные сферические двухрядные ГОСТ 5720-75 средней узкой серии,
исходя из характера приложенной нагрузки.
|
d
|
D
|
B
|
r
|
C,
кН
|
Co, кН
|
e
|
Yo
|
Y*
|
|
60
|
130
|
31
|
3,5
|
57,2
|
26,2
|
0,23
|
2,8/4,83
|
2,93
|
7. Проверочный
расчет винта натяжного устройства на растяжение
Выбираем
материал: сталь 45 незакаленная.
Размер
винта: 20 х 4 мм.
[σ]=σ
=3,7 кН/см
;
Из
условия прочности:

Следовательно,
d=20 мм удовлетворяет
условию прочности.
Применение
барабанных разгружателей
Барабанные
разгружатели применяют для широкой номенклатуры насыпных грузов при загрузке
длинных бункерных эстакад или открытых складов. Они имеют реверсное движение вдоль
всего фронта разгрузки длиной 100м и более. К преимуществам барабанных
разгружателей относятся полная автоматизация управления, возможность разгрузки на
участке большой протяженности широкого ассортимента насыпных грузов.
Недостатками являются сложность конструкции, большая масса, значительные
габаритные размеры, двукратный перегиб ленты. Из-за этих недостатков барабанные
разгружатели подвижными распределительными загрузочными конвейерами.
Библиографический
список
1. Марон Ф.Л.,
Кузьмин А.В. Справочник по расчетам механизмов подъемно-транспортных машин.
Минск, “Вышэйш. школа”, 1977. – 272 с.: ил.
2. Анурьев В.И. Cправочник
конструктора-машиностроителя: В 3 т. Т 3 – 8-е изд. перераб. и доп. Под ред. И.
Н. Жестковой. – М.: Машиностроение, 1999. – 848 с.: ил.