|
Тип
|
Передаточное число
|
Номинальный момент, Нм
|
Номинальная радиальная
нагрузка, Н
|
Диаметр вала, мм
|
Масса, кг
|
|
ЦУ-160-3,15-33У2
|
3,15
|
1000
|
4000
|
55
|
75
|
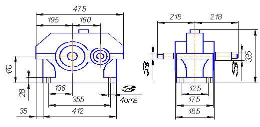
На рисунке 4.1 приведен эскиз выбранного редуктора.
Рис. 4.1 Редуктор ЦУ-160-3,15-33-У2 ГОСТ21426-75
5. Выбор и расчет муфты
Так как привод устанавливается на прочном и жестком основании
при минимальной несоосности валов, то в качестве муфт выбираем упругую
втулочно-пальцевую муфту по ГОСТ 21424-75.
Выбор производим по условию: Мрi<М,
где Мрi – расчетный крутящие моменты
М – паспортный крутящие моменты, причем Мрi,=К
Мi, здесь К=1,2...2,0=1,5,
Мi
– передаваемый расчетный крутящий момент i-ой муфты.
М1=26,9Н
м;
Мр1= К
М1= 1,5
26,9=40,35 Н
м;
Заданному условию для обеих муфт удовлетворяет Муфта
500-55-3-УЗ ГОСТ21424-75. Параметры муфты взяты по каталогу [3, т.2, с.263] и
приведены в таблице 6.1 и рисунке 6.1.
Таблица 5.1.
|
Паспортный крутящий
момент, Нм
|
Диаметр посадочного
отверстия, мм
|
Исполнение полумуфт
|
Габаритный размер, мм
|
Частота вращения, с-1
|
|
По диаметру
|
По длине
|
|
500
|
28-55
|
3
|
170
|
225
|
60
|
Рис. 5.1 Муфта 500-55-3-УЗ ГОСТ21424-75
6. Расчет цепной передачи
Цепные передачи применяют в тех случаях, когда расстояние
между валами слишком малы для ременной передачи или велико для зубчатых передач.
Преимущество цепной передачи состоит в том, что она обеспечивает постоянство
передаточного отношения, имеет малые габариты и вызывает меньшую нагрузку на
валы, так как не требует предварительного натяжения. Цепные передачи имеют
высокий к.п.д., могут осуществлять передачу значительных мощностей.
Недостатка цепной передачи: повышенная виброактивность и шум
вследствие пульсации скорости цепи и динамических нагрузок, интенсивный износ
шарниров вследствие трения и трудностей смазки, вытягивание цепи из-за износа
шарниров и удлинения пластин.
Исходными данными для расчета являются: мощность на валу
ведущей звездочки Ni=3,73
кВт; угловая скорость вращения этого вала ω2=47,17 рад/с;
передаточное число передачи Uц=12,4.
Дополнительными данными являются:
- угол наклона передачи к горизонту α=45°;
- нагрузка - неравномерная;
- число смен работы – 1;
- способ регулирования цепной передачи - нажимной звездочкой;
- способ смазки - периодический.
6.1 Выбор шага цепи
Плотность, долговечность и бесшумность работы цепной передачи
в значительной степени зависит от величины шага цепи: чем меньше шаг, тем
меньше динамические нагрузки и выше качество работы передачи. В связи с этим
при проектировании цепной передачи следует стремиться к выбору меньшего шага
цепи.
С другой стороны, нагрузочная способность цепи возрастает с увеличением
шага. Величина шага цепи ограничивает максимально допустимым значением угловой
скорости малой звездочки ω1мах с учетом рекомендуемых значений
угловой скорости ω1рек для втулочно-роликовых цепей.
Угловая скорость малой звездочки ωз=47,17
рад/с. Это значение находится в промежутке между ω1рек= 42рад/с
и ω1мах=63рад/с, что соответствует численному значению шага t=44,45мм.
6.2 Определение числа зубьев ведущей звездочки
6.3 Определение числа зубьев ведомой звездочки:
6.4 Определение расчетного шага цепи
Предварительно выбираем шаг цепи 44,45 мм.
где N= 3,73
- мощность на валу ведущей звездочки, кВт;
S1=4,72 -
коэффициент для цепи типа ПР по ГОСТ 13568-75;
Z1 =15 -
число зубьев ведущей звездочки;
Кт - коэффициент рядности цепи (для
предварительных расчетов принимаем Кт=1,0);
[р] =18,21МПа- табличное допустимое удельное давление в
шарнире, определяемое интерполяцией табличных данных, в зависимости от частоты
вращения ведущей звездочки n1 и предполагаемого шага цепи равного t=44,45 мм.
Кэ – коэффициент эксплуатации, определяемый по
формуле:
Кэ=Кд
Крег
Кн
Ксм
Креж
Ка=1,1
1,1
1
1,4
1
0,8 =1,36,
здесь Кд =1,1 - коэффициент характера нагрузки;
Крег =1,1 - коэффициент способа регулирования
провисания цепи с помощью нажимной звездочкой;
Кн =1 - коэффициент наклона передачи к горизонту
при а=45 ° <70°;
Ксм =1,4 - коэффициент смазки при нерегулярной
смазке;
Креж = 1 - коэффициент режима при односменной
работе;
Ка =0,8 - коэффициент длины цепи (предположительно
межосевое расстояние будет соответствовать благоприятному значению А= (30-50)t
6.5 Определение стандартного шага цепи
Принимаем значение стандартного шага цепи t=25,4 мм, что не соответствует ранее
принятым предположениям.
По стандарту принимаем цепь ПР-25,4-6000, у которого шаг цепи
t=25,4, Q=6000H, Son=1,79мм2.
Проверяем условие na<nmax
При t=25,4мм
nmax=1420об/мин, следовательно условие
выполняется.
Средняя скорость цепи V не должна превышать максимального допустимого значения Vmax, т.е. должно выполняться условие:
где
20,23<5,61, следовательно условие выполнилось.
6.6 Расчет межосевого расстояния
Межосевое расстояние определяется по формуле :
a = at·t,
где аt
– межосевое расстояние в шагах (для благоприятных условий работы цепи: at=30…50)
В реальных с/х машинах межосевое расстояние может быть
наперед задано, исходя из конструкционных соображений. Следует иметь в виду,
что предельные значения МОР ограничены соотношениями:
amax = 80·t
amin = 0.6·(De1+De2)+(30…50),
мм
где De1 и De2– диаметры окружностей выступов ведущей и ведомой
звездочки, мм
6.7 Окружное усилие, передаваемое цепью.
6.8 Среднее удельное давление на шарнирах цепи.
что меньше допускаемого удельного давления [р] =18,21МПа, при
частоте вращения ведущего вала nA=450,7об/мин.
6.9 Определение срока службы цепи.
где ∆t=3% -
допускаемое увеличение шага цепи.
здесь КСМ = 1,4 для нерегулируемой смазки.
Кэ – коэффициент эксплуатации
что больше ожидаемого срока службы Т=2000* КСМ=2000*1,4=2800
часов.
6.10 Проверка запаса прочности цепи.
Запас прочности цепи определяется по формуле:
где Qразр
= 6000 Н -
разрушающая нагрузка;
Fs- натяжение в ведущей ветви цепи, которая определяется по формуле:
где Ft= 5650Н - окружная сила
Fд = 1,4 -
коэффициент характера нагрузки
Ff
- сила натяжения цепи от
провисания, Н;
FЦ - сила
натяжения цепи от центробежных сил, Н, при скорости цепи V=0,23<12 м/с центробежная сила
мала и ее не учитывают, FЦ=0.
Силы Ff определяем по формуле:
где Кf =
4 - коэффициент, зависящий от угла наклона передачи к горизонту α=40;
q=l,9 кг/м- погонная масса цепи;
а= 40t = 1,016м
- межосевое расстояние;
g= 9,81 м/с2- ускорение свободного падения;
Итак,
Тогда запас прочности:
что больше допускаемого [n] = 6,8 [1, Приложение 2, таблица 2.20].
6.11 Геометрический расчет передачи
Межосевое расстояние а = 1016мм (см. п.8.5).
Число зубьев ведомой звездочки Z2 = 120 (см. п.8.2).
Расчет числа звеньев цепи:
где
Полученное значение числа звеньев Lt принимаем ближайшим чётным для более равномерного износа: Lt=154. Длина цепи L = Lt*t= 154*25,4 =3911,6мм.
Уточнение межосевого расстояния

Аут = 0,997*а = 0,997*1019=1016мм.
Диаметр окружности выступов звездочки определяется по
формуле:
ведущая
ведомая
Кроме определенных ранее сил Ft, Fq и Fц, необходимо рассчитать усилие R, действующие на валы ведущей и ведомой звездочки, которые
можно определить как:
Полученное значение необходимо сравнить с номинальной
радиальной нагрузкой на быстроходном валу Fб.hom =1000 Н (см. таблицу 5.1). Должно
выполняться условие: R <
Fб.hom.
R=6780H < Fб.hom=1000 H - условие не выполняется.
Как отмечалось ранее (см. п.7.29), подобрать более мощный
редуктор не представляется возможным.
Для решения
возникшей проблемы необходимо разгрузить быстроходный вал редуктора со стороны
цепной передачи, например, установив ведущую звездочку цепной передачи на
отдельных опорах с подшипниками качения и соединив вал этой звездочки с
быстроходным валом редуктора с помощью компенсирующей муфты. Потери мощности на
дополнительных опорах и муфте будут компенсированы запасом мощности выбранного
электродвигателя.
7. Расчет вала ведомой звездочки цепной передачи
В процессе эксплуатации валы передач испытывают деформации от
действия внешних сил, масс самих валов и насаженных на них деталей. Однако в
типовых передачах, разрабатываемых в курсовых проектах, массы валов и деталей,
насаженных на них, сравнительно невелики,, поэтому их влиянием обычно
пренебрегают, ограничиваясь анализом и учетом внешних сил, возникающих в
процессе работы.
В цилиндрической прямозубой передаче силу в зацеплении одной
пары зубьев раскладывают на две взаимно перпендикулярные составляющие (рис. 5,1):
окружную силу
и радиальную
здесь Ft и Fr – действующие силы, Н ;
Р -
передаваемая мощность, Вт ;
v -
окружная скорость, м/с;
α - угол зацепления.
Рис. 7.1 Цилиндрическая прямозубая передача
В цепной передаче нагрузка на валы звездочек, направлена по
линии центров звездочек
где Fл - окружная сила на звездочке, Н, Fл=10кН;
к1 - коэффициент, учитывающий влияние провисания
цепи;
q - масса одного метра цепи, кг/м;
а -
межосевое расстояние, м.
Валы предназначены для передачи крутящего момента вдоль своей
оси и поддержания вращающихся деталей (зубчатых колес, шкивов, звездочек,
полумуфт и т.д.). Основными критериями работоспособности валов являются их
прочность и жесткость.
Во время работы они испытывают деформации кручения, изгиба и
растяжения (сжатия), т.е. материал вала находится в сложном напряженном
состоянии. Силовыми факторами вызывающими указанные деформации, являются
сосредоточенные силы и моменты: крутящий момент; силы, действующие в зубчатом
зацеплении; or натяжения ремней и цепей, а так же
радиальные силы, возникающие в муфтах вследствие неизбежной несоосности
соединяемых валов.
Проектирование вала
начинают с определения диаметра выходного конца его из расчета на чистое
кручение по пониженному допускаемому напряжению без учёта влияния изгиба
где М - крутящий момент, Н мм;
[г]к - допускаемое напряжение на кручении: для валов из
сталей 40,45,Ст6 принимают пониженное значение [гк] = 15-20 (Н/мм2).
Полученный результат округляют до ближайшего большего
значения из стандартного ряда: 64мм.
Для редукторов общего назначения рекомендуем изготовлять валы
одинакового диаметра по всей длине. Однако для облегчения монтажа подшипников,
зубчатых колёс и других деталей применяют и ступенчатую конструкцию вала. Для
удобства соединения вала редуктора с валом электродвигателя стандартной муфтой
соблюдают условие, чтобы диаметры соединяемых валов, отличающиеся не более, чем
на 20%.
Наметив конструкцию вала, установив основные размеры его
(диаметры и длины участков вала, расстояние между серединами опор и др.),
выполняют уточненный расчет валов т.е. проверочный расчет для определения
коэффициента запаса прочности S в
опасных сечениях:
где Sδ – коэффициент запаса прочности по нормальным напряжениям;
δ-1 – предел выносливости стали при
симметричном цикле изгиба
(для углеродистых конструкционных сталей δ-1=0,43*β
МПа);
Кδ – эффективный коэффициент концентрации
нормальных напряжений. В углеродистом расчете Rδ ≈ 1,5, Кτ ≈ 1,2.
εδ
– масштабный фактор для нормальных напряжений, εδ ≈
0,7; ετ ≈ 0,6;
β – коэффициент учитывающий шероховатости поверхности,
β ≈ 0,95;
δν– амплитуда цикла нормальных
напряжений, равная наибольшему напряжению изгиба δ4 в
рассматриваемом сечении;
δm
– среднее напряжение
цикла нормальных напряжений; если осевая нагрузка на вал отсутствует, то
принимают δm
= 0; в противном случае:
ψδ =
0,2 – для углеродистых сталей
где Sτ – коэффициент запаса прочности по
касательным напряжениям
τ-1 – предел выносливости стали при
симметричном цикле кручения
(τ-1=0.58δ-1 МПа)
ψδ =
0,1 – для углеродистых сталей
где Wk - момент сопротивления кручения
Расчетное значение S не ниже допускаемого [S]=2.5
8. Расчет шпоночных соединений
Для удобства сборки и разборки узла вала, замены подшипников
и других насаживаемых деталей вал выполняют ступенчатым. По конструкции шпонки
бывают призматические и сегментные.
Длинна шпонки; при спокойной нагрузке [δ]см <100МПа;
при колебаниях нагрузки следует снижать [δ]см на 20-г 25%; при ударной
нагрузке снижать на 40-50%, для насаживаемых на вал чугунных деталей [δ]см
снижать вдвое.
Если окажется δ СМ > [δ]см, то
допускается установка других шпонок под углом 180°, однако рациональнее перейти
на шлицевое соединение.
Шлицевые соединения надежнее шпоночных, в особенности при переменных
нагрузках; в них допускается более точная центровка деталей на валу, облегчает
перемещение подвижных деталей вдоль на валу.
Материал шпонок — сталь чисто тянутая с временным
сопротивлением разрыва не менее 590 МПа.
Длину шпонки назначают из стандартного ряда так, что бы она
была меньше длинны ступицы на 5-10мм. Выбираем шпонку 18*11*60
Рис. 8.1 Шпонка призматическая 18*11*60
где
Т – вращающий момент Нмм;
d – диаметр вала в месте установки шпонки;
Асм- площадь смятия, Асм = (h-t1)* 1р;
9. Технико-экономическая характеристика и стоимость проекта
Технико-экономический анализ проекта в полном объеме не
проводился, так как это зависит от многих факторов. Например, первичные цены
стандартных устройств устанавливает предприятие-изготовитель, которые работает
с корпоративным заказчиком по оптовым ценам. Дилеры предлагают большой
ассортимент продукции разных производителей при большом разбросе розничных цен,
существенно отличающихся от оптовых.
Кроме того, для данного проекта необходимо проектировать
специальную раму, на которой будут монтироваться элементы привода, и фундамент
для установки всего привода. Стоимость этих работ можно оценить после
соответствующей технической проработки. Однако, эти вопросы не входили в объем
курсового проектирования.
Экономическую оценку проекта проведем, учитывая стоимость
только наиболее дорогих элементов привода: электродвигателя (8500 руб, см.
п.4.2), редуктора (10400 руб) и муфт (1300 руб). Общая стоимость этих элементов
составляет 21200 рублей.
Список литературы
1. О.Н.
Левитский, Н.И. Левитская " Курс теории механизмов и машин", М,ВШ,
1985г.
2. А.А.
Эрдеди, Ю.А. Медведев " Техническая механика", М, "ВШ",
1991.
3. Е.А.
Сигаев, "Сопротивление материалов", ч-1, Кемерово Кузбассвузиздат,
2002г.
4. Г.Г. Баловнев, Ю.В. Чернов
"Сборник задач по сопротивлению материалов", М, изд-во МСХА, 1993г.
5. В.В.
Красников и др., "Подъёмно транспортные машины", изд-во
"Колос", 1987г.
6. И.И.
Устюгов, "Детали машин", М, "ВШ", 1981г.
7. С.А.
Чернавский и др., "Курсовое проектирование деталей машин", М,
"Машиностроение", 1988г.
8. В.И.
Анурьев, "Справочник конструктора-машиностроителя", Том 1,2,3, М,
"Машиностроение", 1980г.
9. А.А.
Вайнсон, "Подъёмно-транспортные машины строительной промышленности".
Атлас конструкций. М, "Машиностроение", 1985г.
10. Д.Н.
Решетов. "Детали машин". Атлас конструкций. М,
"Машиностроение",
19 8 0г. 11. А.А. Мамедов, "Механика". Конспект лекций, "Бел
ГСХА", 2008г.