|
№
вала
|
n,
об /мин
|
щ,
с -1
|
Т,
Н··м
|
Р,
кВт
|
|
Вал
двигателя №1
|
1450
|
48,(3)
92.05913.9785
|
|
|
|
Входной
вал редуктора №2
|
720
|
24 176.20113.2852
|
|
|
|
Выходной
вал редуктора №3
|
45
|
1,5 2232.81310.522
|
|
|
|
Вал
звездочки №4
|
15
|
0,5 6366.210
|
|
|
Часть 2. Расчет цилиндрической зубчатой передачи
.1 Выбор материала
Для изготовления колеса и шестерни выбираем
сталь марки СТ40Х. Термообработка колеса - улучшение до твердости Н2 =
235 … 262 НВ. Термообработка шестерни - улучшение до твердости Н1 =
269 … 302 НВ.
2.2 Допускаемые напряжения
.2.1 Допускаемые контактные напряжения
[ у ]н = унlim
·
МПа ,
где ун lim - предел
контактной выносливости (таблица 3 (приложение 2))
ун lim = 2 ·НВср
+ 70 - для улучшенных сталей , где:
НВср - среднее значение
твердости.
Определяем предел контактной
выносливости:
для колеса: НВср2 =
= 248,5 HB
ун lim2 = 2 ·248,5 + 70 =
567 МПа
для шестерни: НВср1 =
=285,5 HB
ун lim1 = 2 ·285,5 + 70 =
641 МПаN - коэффициент долговечности;
N =
при условии
1 ≤ ZN ≤ ZNmax ,
Где ZNmax = 2,6 - для
улучшенных сталей.HG - число циклов, соответствующее перелому кривой
усталости;
HG = 30 ·НВ
≤ 1,2
· 10 7
для колеса: NHG2 = 30
·248,5 2,4 = 1,6823·10 7
для шестерни: NHG1 = 30
·285,5 2,4 = 2,34734 ·10 7HЕ - число циклов,
эквивалентное назначенному ресурсу NК.
Заданную циклограмму нагружения
(график нагрузки) заменяем соответствующим ей типовым режимом - I I (рис.2.3
(приложение 2))
HЕ = мH
·NK ,
где мH = 0,25 -
коэффициент эквивалентности (таблица 2.4 (приложение 2))K - ресурс
передачи:
K2 = 60 ·n ·Lhh
= L ·365 ·Kгод ·24 ·Kсут
h = 5 ·365
·0,7 ·24 ·0,25 = 7665 ч
для колеса: n = n4
= 15 об /мин (таблица 1 , расчет 1.3.)K2 = 60 ·15 · 7665 =
0,68985·10 7HЕ2 = 0,25 ·0,968985·107 =
0,1724625·10 7
для шестерни: n = n3 = 45
об /мин (таблица 1)K1 = 60 ·45 ·7665= 2,06955 ·10 7HЕ1
= 0,25 ·2,06955= 0,5173875 ·10 7
Так как NHЕ < NHG
, то ZN определяем по формуле ZN =
:
для колеса: ZN2 =
= 1,46173
для шестерни: ZN1 =
= 1,28665R
- коэффициент, учитывающий влияние шероховатости соприкасающихся поверхностей
зубьев.
Принимаем ZR = 1 - для
шлифованных и полированных поверхностей (Ra = 0,8 мкм).V
- коэффициент, учитывающий влияние окружной скорости.
Принимаем ZV = 1.H
- коэффициент запаса прочности;
Принимаем SH = 1,1 - для
улучшенных сталей.
Определяем допускаемые контактные
напряжения:
для колеса: [ у ]Н2 = 567
МПа ·
= 753,46
МПа
для шестерни: [ у ]Н1 =
641 МПа •
= 749,77
МПа
Допускаемое контактное напряжение
равно меньшему из двух (для колеса или для шестерни).
Принимаем [ у ]Н = 749
МПа.
.2.2 Допускаемые напряжения изгиба
[ у ]F = уF lim
·
,
где уF lim - предел
выносливости при изгибе (из таблицы 4 (приложение 2));
уFlim = 1,75 ·НВср,
где НВср - среднее
значение твердости.
Определяем предел контактной
выносливости:
для колеса: уF lim2 =
1,75•248,5 = 434,875 МПа
для шестерни: уF lim1 =
1,75·285,5 = 499,625 МПаN - коэффициент долговечности
N =
при условии
1 ≤ YN ≤ YNmax ,
где: YNmax = 4, q= 6 - для
улучшенных сталей,FG - число циклов, соответствующее перелому кривой
усталости;FG = 4 ·10 6
FE = мF
·NK - число циклов эквивалентное ресурсу,
где мF - коэффициент
эквивалентности, в зависимости от типового режима I I (раздел 2.2.1. и q (из
таблицы 5 (приложение2)).
Принимаем мF = 0,143 и q
= 6.K - ресурс передачи (из раздела 2.2.1.)
для колеса: NFЕ2 = 0,143
·6,8985 ·10 6 = 0,9864855 ·10 6
для шестерни: NFЕ1 =
0,143 ·20,6955 ·10 6 = 2,9594565 ·10 6
Так как NFЕ < 4 ·10 6,
то YN определяем по формуле
N =
:
для колеса: YN2 =
= 1,2628
< 4
для шестерни:YN1 =
= 1,0515
< 4R = 1,05 … 1,2 - при шлифовании и полировании поверхности
Принимаем YR = 1,1 (Ra
= 0,8 мкм).А - коэффициент, учитывающий влияние двухстороннего
режима нагрузки.
Принимаем YА = 1 - при
одностороннем приложении нагрузки.F - коэффициент запаса прочности;
Принимаем SF = 1,7 - для
улучшенных сталей.
Определяем допускаемые напряжения
изгиба:
для колеса: [ у ]F2 =
434,875 •
= 355,395
МПа
для шестерни: [ у ]F1 =
499,625 •
= 339,936
МПа
Допускаемое напряжение изгиба равно
меньшему из двух (для колеса или для шестерни).
Принимаем [ у ]F = 339
МПа.
2.3 Межосевое расстояние
Определяем предварительное значение межосевого
расстояния:
а
= К ·(U + 1) ·
мм ,
где: К = 10 для Н1 и Н2
≤ 350 НВ.=3 - передаточное число зубчатой передачи (расчет 1.2.)
Т1 = 2232.813 Н ·м -
вращающий момент на валу шестерни (таблица 1: Т1 = Т3).
а
= 10 ·(3+1) •
= 362.50 мм
Находим окружную скорость:
V =
=0,43 м /c ,
Где n1 => n3
- частота вращения шестерни
Принимаем, по таблице 6 (приложение
2) для зубчатой передачи степень точности 8 при V < 10 м /c.
Принимаем , что зубчатая передача
будет косозубой.
Уточняем предварительно найденное
значение межосевого расстояния:
а
= Ка ·(U + 1) ·
мм ,
где Ка = 410 - для
косозубой передачи= 3 - передаточное число зубчатой передачи (раздел 1.2.)
Т1 = 2232,813 Н ·м
(вращающий момент на валу шестерни (таблица 1: Т1 => Т3)
шва - коэффициент ширины
зубчатого венца относительно межосевого расстояния.
При консольном расположении колес из
диапазона 0,2…0,25
Принимаем шва = 0,25
[ у ]Н - допускаемые
контактные напряжения 749 МПа.
КН - коэффициент
нагрузки.
КН = КНV ·КНв
·КНб
КНV - коэффициент
учитывающий внутреннюю динамику нагружения связанную с ошибками шагов
зацепления (таблица 7 (приложение 2)), так как значения V не совпадают с
табличными значениями, применяем формулу экстраполяции:
КНV = КНV<
+
·(V - V<
)
КНV< - значение КНV
для меньшего табличного значения скорости (V< )
КНV> - значение КНV
для большего табличного значения скорости (V> )< и
V> меньшее и большее табличное значение скорости в диапазоне
которых находится действительное значение скорости V.
КНV = 1,02 +
·(0.43 - 1)
= 1,0086
КНв - коэффициент
учитывающий неравномерность распределения нагрузки по длине контактных линий.
К
- в начальный период работы (из
таблицы 8 (приложение 2) в зависимости от шbd , схемы передачи и
твердости зубьев).
шbd - коэффициент ширины
зубчатого венца относительно диаметра;
шbd =
Определяем шbd
ориентировочно:
шbd = 0,5 ·шbа
·(U + 1);
шbd = 0,5 ·0,25 ·(3 + 1)
= 0,5
Формула экстраполяции:
К
= 1,17 +
·(0,5- 0,4)
= 1,22
КНв = 1 + (К
- 1) • КHW=1+(1,22-1)
•0,2541=1,055946
КHW - коэффициент
учитывающий приработку зубьев (из таблицы 9 (приложение 2) в зависимости от V,
для твердости Н = 250 НВ).
Формула экстраполяции:
КНW = КНW<
+
·(V - V<
)
КНW = 0,26 +
·(0,43 - 1)
= 0,2543
КНб - коэффициент
учитывающий распределение нагрузки между зубьями в связи с погрешностью шага
зацепления.
КНб = 1 + (К
- 1) • КHW
К
= 1 + А • (nст - 5)
при условии 1 ≤ К
≤ 1,6
- для косозубых передач.ст = 8 - для степени точности зубчатой
передачи 8.
А = 0,25 - для Н1 <
350 НВ и Н2 < 350 НВ.
К
= 1 + 0,25 •(8 - 5) = 1,75
К
=1.75 >1.6
Принимаем К
= 1,6.
КНб = 1 + (1,6 - 1)
·0,2543 = 1,15258
Определяем коэффициент нагрузки:
КН = 1,0086
·1,055946·1,152458= 1,2275
Определяем межосевое расстояние:
а
= 410 ·(3 + 1) ·
=
306.285779 мм
Значение а
округляем в
большую сторону до величины из стандартного ряда (из таблицы 13 (приложение
2)).
Принимаем а
= 320 мм.
2.4 Предварительные основные размеры колеса
делительный
диаметр: d2 =
, мм2
=
= 480 мм
ширина:
b2 = шва ·а
, мм2 = 0,25 ·320 = 80
мм
Принимаем
b2 = 80 мм.
2.5 Модуль передачи
Из условия подрезания зубьев:
mmax =
мм;
max =
= 9.41 мм
Из условия прочности зуба на изгиб:
min =
мм
m = 2,8 ·10 3
-коэффициент модуля для косозубой передачи;
Т1 = 2232,813 Н•м -
вращающий момент на валу шестерни (таблица 1: Т1 =>T3)
[ у]F=339 Мпа -
допускаемые напряжения на изгиб (расчет 2.2.2.)
а
=320 мм- межосевое расстояние
в2=80 мм - ширина
зубчатого венцаF - коэффициент нагрузки:
КF = КFV ·КFв
·КFб
FV -
коэффициент, учитывающий внутренние динамические нагрузки (из таблицы 10
(приложение 2))
Применяем формулу экстраполяции:
КFV = КFV<
+
•·(V - V<
)
КFV = 1,04 +
·(0,43 - 1)
= 1,0172
КFв = 0,18 + 0,82 ·К
, где:
К
- из раздела 2.3
КFв = 0,18 + 0,82 ·1,22 =
1,1804
КFб = КHб =
1,15258 (из раздела 2.3)
КF = 1,0172 ·1,1804
·1,15258 = 1,3839min =
= 3,99 мм
Значение модуля принимаем из
стандартного ряда (приложение2).
Принимаем m = 4 мм.
2.6 Суммарное число зубьев и угол наклона
Минимальный угол наклона косозубых колес:
вmin = arcsin
вmin = arcsin
=
11,53695903 °
Суммарное число зубьев:
zs =
s =
≈
156,77
Полученное число округляем в меньшую
сторону до ближайшего целого числа, которое бы делилось без остатка на (U + 1).
Принимаем zs = 156
Определяем действительное значение
в:
в = arcсos
в = arccos
=
12,83856814°
Для значения в должны выполняться
два условия:
1. в
должно находится в диапазоне 8 … 20°.
2. для
косозубых передач проверяется условие
b2 ≥
=>
80
> 45,00351604
.7 Число зубьев шестерни и колеса
для шестерни:
1 =
=39 ≥
z1 min1 min = 17 ·cos 3в
z1 min =
15,75660938
z1 = 39 > z1 min
для колеса: z2 = zs
- z12 = 156 - 39 = 117
Так как z1 > z1
min, то смещение при нарезании зубьев шестерни и колеса не требуется.
Следовательно, x1 = 0, x2 = 0 и y = 0.
Uф =
;
ДU =
·100 %;
ф =
= 3
ДU =
·100 % = 0 %
.9 Диаметры колес
Делительный диаметр, мм:
для шестерни:
d1 =
;
1 =
= 160 мм
для
колеса:
2 =
;
d2
=
= 480 мм
Проверка:
а
W =
А
W =
= 320 мм
Диаметры
da и df , мм:
для
шестерни:
a1 = d1 + 2 ·mf1
= d1 - 2,5 ·m
a1 = 160 + 2 ·4 = 168 ммf1
= 160 - 2,5 ·4 = 150 мм
для колеса:
da2 = d2 + 2
·mf2 = d2 - 2,5 ·m
a2 = 480 + 2
·4 = 488 ммf2 = 480 - 2,5
·4 = 470 мм
2.10 Размеры заготовок
При выборе конструктивной схемы шестерни и
колеса необходимо руководствоваться рис.2 и рис.4 (приложение 3) и следующими
соотношениями:
если: Dзаг1 ≤ Dпр1заг2
≤ Dпр2
то конструктивная схема колес по рис.2,
если: Dзаг1 > Dпр1заг2
> Dпр2
то конструктивная схема колес по рис.4,в.
для шестерни: Dзаг1 = 168 +
6 = 174 мм
для колеса: Dзаг2 = 488 + 6 = 494 мм
Т.к. Dзаг1> Dпр1, то
конструктивная схема шестерни по рис. 4,в.
Т.к. Dзаг2> Dпр2, то
конструктивная схема колеса по рис. 4,в.
При этом:
за
= 8 ·m ≤ Sпр
Сзаг = 0,5 ·b2 ≤ Sпр
,
где Sпр1 = 80 мм и Sпр2
=125 мм (по таблице 2 (приложение 2)).заг = 8 ·4 = 32 мм
мм < 125 мм и 32 мм < 80 ммзаг
= 0,5 ·80 = 40 мм
мм < 125 мм и 40 мм < 80 мм
.11 Проверка зубьев колес по контактным
напряжениям
Расчетное значение:
уН =
≤ [
у]Н
у = 8400 -
для косозубых колес.
КН = 1,2275 (из раздела
2.3)
Т1 = 2232,813 Н·м -
вращающий момент на валу шестерни (из таблицы 1: Т1 =>T3);
[у]Н = 749 МПа - допускаемое
контактное напряжение (из расчета 2.2.1)
уН =
= 709,66
МПа
,66 Мпа < 749 МПа
При этом должно выполняться условие:
,8
< 1,05
=
= 0,94
,8 < 0,94 < 1,05
.12 Силы в зацеплении
Окружная, Н:
t =
t =
≈
27910 Н
Радиальная, Н:
r =
r =
≈
10420 Н
Осевая, Н:
Fа = Ft • tgв
a = 27910 •
tg(12.83856814) ≈ 6361 Н
2.13 Проверка зубьев колес по напряжениям
изгиба
Расчетное значение в зубьях колеса:
уF2 =
≤ [
у]F2
Расчетное значение в зубьях
шестерни:
уF1 =
≤ [
у]F1
УFS - коэффициент, учитывающий
форму зуба и концентрацию напряжений (принимаем по таблице 11 (приложение 2)
для x = 0 и приведенного числа зубьев ZV =
).
Применяем формулу интерполяции:
УFS = УFS<
-
·(Z - Z<
)
для колеса:
V2 =
ZV2 =
=
126.2327416
УFS =3,59 для ZV2>100
для шестерни:
V1 =
;
V1 =
= 42.08
УFS = 3,7 -
·(42.08 -
40) = 3,6917
Ув = 1 -
- при
условии Ув ≥ 0,7
Ув = 0,8716
Уе = 0,65 - для косозубых
передач.
для колеса:уF2 =
= 245.5 МПа
.5 МПа < 355.34 МПа
для шестерни: уF1 =
= 252.5 МПа
.5 МПа < 339.94 МПа
2.14 Проверочный расчет на прочность зубьев при
действии пиковой нагрузки
Действие пиковых нагрузок оценивают
коэффициентом перегрузки:
Kпер =
= 2,3 (из
данных электродвигателя раздел 1.1)
Для предотвращения остаточных
деформаций или хрупкого разрушения поверхностного слоя:
уН max = уН ·
≤ [
у]Н max ,
где уН = 709,66 МПа (из
раздела 2.11).
[у]Н max = 2,8 • уT ,
где уT - предел текучести
материала колеса (из таблицы 2 (приложение 2));
для колеса: ут =
640 МПа
[ у]Н max = 2,8 ·640 =
1792 МПа
уН max = 741,496 ·
= 1076,3
МПа < 1792 МПа
Для предотвращения остаточных
деформаций или хрупкого разрушения зубьев:
уF max = уF ·Kпер
≤ [ у]F max
уF - расчетное значение
напряжений изгиба колеса и шестерни (из раздела 2.13)
для колеса:
[у]F max2 = уF lim2 ·УN max ·
уF lim2 = 434,875 МПа (из
раздела 2.2.2)
УN max = 4 - для
улучшенных сталей.
Кst - коэффициент влияния
частоты приложения пиковой нагрузки.
Кst = 1,2 … 1,3 - в
случае единичных перегрузок.
Принимаем Кst = 1,3 - при
объемной термообработке колеса.st = 1,75 - коэффициент запаса
прочности.
[ у]F max2 = 434,875 ·4 ·
= 1292,2
МПа
уF max 2 = 245,5 ·2,3 =
564,65 МПа < 1292,2 МПа
для шестерни:
[у]F
max1 = уF
lim1
·УN
max
·
уF lim1 = 499,625 МПа (из
раздела 2.2.2)
УN max = 4 - для
улучшенных сталей.
Кst - коэффициент влияния
частоты приложения пиковой нагрузки.
Кst = 1,2 … 1,3 - в
случае единичных перегрузок.
Принимаем Кst = 1,3 - при
объемной термообработке колеса.st = 1,75 - коэффициент запаса
прочности.
[ у]F max1 = 499,625 ·4 ·
= 1484,6
МПа
уF max 1 = 252,5 · 2,3 =
580,75 МПа < 1484,6 МПа.
Часть 3. Расчет червячной передачи
.1 Выбор материала червяка и колеса
Для червяка выбираем сталь 40Х.
Термообработка: улучшение до
твердости 269…302 HB в сердцевине и закалка токами
высокой частоты поверхностного слоя до твердости 45 … 50 HRC, шлифование и
полирование витков червяка до Ra ≤ 0,8 мкм
Для выбора материала червячного
колеса находим ожидаемое значение скорости скольжения:
Vск = 0,45 ·10 -3·n1
·
,м /с
1 = n2 =
720 об /мин - частота вращения червяка (из таблицы 1)
Т2 =Т3 =
2232,813 Н ·м- вращающий момент на валу червячного колеса (из таблицы 1)ск
= 0,45 ·10 -3 ·720·
= 4,23 м/с
Выбор материала зубчатого венца
червячного колеса производится в зависимости от Vск (по таблице 2.14
(приложение 3)):
II
группа-безоловянные бронзы и латуни применяют при Vск =2…5 м/с
Принимаем: материал - БрА9ЖЗЛ литье
центробежное
ув = 500 МПа
уТ = 200 МПа
3.2 Допускаемые напряжения
.2.1 Допускаемые контактные напряжения
I
I группа
[ у]Н = [ у]Н0 -25 ·Vск
, МПа
[ у]Н0 = 300 МПа для шлифованного и
полированного червяка
Определяем допускаемые контактные напряжения:
[ у]Н = 300 -25 ·4,23 = 194,25 МПа
.2.2 Допускаемые напряжения изгиба
[ у]F = КFL ·[ у]F0
КFL - коэффициент долговечности;
КFL =
FE = KFE
·NК - эквивалентное число циклов нагружения зубьев червячного колеса
за весь срок службы.
6 ≤ NFE
≤ 25 ·10 7FE - коэффициент эквивалентности,
принимают в зависимости от типового режима (из раздела 2.2.1) по таблице 15
(приложение 2).
Принимаем KFE = 0,1К
= 20,696 ·10 6(из раздела 2.2.1)FE = 0,1 ·20,696 ·10 6
= 2,0696 ·10 6
10 6 < 2,0696 ·10 6
< 25 •10 7
КFL =
= 0,922
[ у]F0 = 0,25 ·уТ
+ 0,08 · ув
[ у]F0 = 0,25 ·200 + 0,08
·500 = 90 МПа
Определяем напряжения изгиба:
[ у]F = 0,922 ·90 = 83
МПа
Принимаем [ у]F = 83 МПа
.3 Межосевое расстояние
аW = Ка •·
Ка = 610 - для
эвольвентных червяков
Т2 =Т3=
2232,813 Н ·м- вращающий момент на валу червячного колеса (из таблицы 1)
[ у]Н=194,25 МПа -
допускаемое контактное напряжение.
КHв - коэффициент
концентрации нагрузки. При переменном режиме нагружения:
КHв = 0,5 ·(К
+ 1)
К
- определяется по графику на
рис.2.12 (приложение 3) в зависимости от Z1 = 2 и Uчер =
16.
Принимаем К
= 1,16
КHв = 0,5 •·(1,16 + 1) =
1,08
аW = 610 ·•
= 214,3 мм
Полученное значение округляем в
большую сторону до стандартного числа из таблицы 24.1 (приложение 3).
Принимаем аW =250 мм.
.4 Основные параметры червячной
передачи
.4.1 Число зубьев колеса
2 = z1 ·U
,
2 = 2 ·16 =
32
.4.2 Модуль передачи
= (1,4 … 1,7) ·
min = 1,4 ·
= 10,94 mmax
= 1,7 ·
= 13,28
Принимаем m = 12,5 мм.
.4.3 Коэффициент диаметра червяка
=
- z2
=
- 32 = 8
Принимаем q = 8
Определяем минимальное допустимое
значение q из условия жесткости червяка:
q min
= 0,212 ·z2
min
= 0,212 ·32 = 6,784= 8 > q min = 6,784
3.4.4 Коэффициент смещения
=
- 0,5 ·(z2 + q)
=
- 0,5 ·(32 + 8) = 0
Принимаем х = 0.
.4.5 Угол подъема линии витка
червяка на делительном диаметре
г = arctg (
)
г = arctg (
) =
14,03624347 °
на начальном диметре
гW = arctg (
) = arctg (
) =
14,03624347 °
.4.6 Фактическое передаточное число
ф =
ДU =
• 100 %
Uф =
= 16
ДU =
• 100 % = 0 %
.5 Размеры червяка и колеса
) Делительный диаметр, мм:
1 = q ·m;
1 = 8 ·12,5 = 100 мм
Принимаем
d1 = 100 мм
)
Диаметр вершин витков, мм:
a1 = d1 + 2 ·m
a1 = 100+ 2 ·12,5 = 125 мм
Принимаем
da1 = 125 мм
)
Диаметр впадин, мм:
f1 = d1 - 2,4 ·m
f1 = 100 - 2,4 ·12,5 = 70 мм
Принимаем
df1 = 70 мм
)
Длина нарезанной части червяка при коэффициенте смещения x ≤ 0, мм:
b1 = (10 + 5,5
+ z1 ) •·m;
b1 = (10 + 5,5
+ 2) ·12,5
= 150 мм1 = 150+ 37 =187 мм
Округляем
b1 в ближайшую сторону по табл. 13 (приложение 2)
Принимаем
b1 = 190 мм
)
Делительный диаметр колеса червяка, мм:
2 = z2 ·m;
2 = 32 ·12,5 = 400 мм
Принимаем
d2 = 400 мм
)
Диаметр вершин зубьев, мм:
a2 = d2 + 2 ·m ·(1 + x);
a2 = 400 + 2 ·12,5 ·(1 + 0) = 425 мм
Принимаем
da2 = 425 мм
)
Диаметр впадин, мм:
f2 = d2 - 2 ·m ·(1,2 - x);
f2 = 400 - 2 ·12,5 · (1,2 - 0) = 370
мм
Принимаем
df2 = 370 мм
)
Диаметр колеса наибольший:
aM2 ≤ da2 +
,
где:
к = 2 - для эвольвентных червяков.aM2 ≤ 425+
= 443,75 мм
Принимаем
daM2 = 443 мм
)
Ширина венца , мм:
2 = ша ·аW
ша
= 0,355 при z1 = 2.2 = 0,355 ·250 = 90 мм
Принимаем
b2 = 63 мм.
.6
Проверочный расчет передачи на прочность
Определяем
действительное значение скорости скольжения:
ск =
,
где
VW1 =
- окружная
скорость на начальном диаметре червякаW1 =
= 3,77 м /сск
=
= 3,89 м /с
Принимаем
Vск = 3,89 м /с.
Уточняем
допускаемое напряжения[ у]Н :
[ у]Н = [ у]Н0 -25 ·Vск=300-25
·3,89 = 202,75 МПа
Находим расчетное значение контактного напряжения:
уН =
≤ [ у]Н
Zq = 5350 - для
эвольвентных червяков.
К = КHV ·KHв -
коэффициент нагрузки
Для определения коэффициента КHV
находим окружную скорость червячного колеса:
2 =
2 =
= 0,94 м /с
КHV = 1 при V2
≤ 3 м /сHв - коэффициент концентрации нагрузки
Hв = 1 +
·(1 - X)
и - коэффициент деформации червяка ,
выбирают в зависимости от = 8 и z1 = 2.
Принимаем и = 57- коэффициент,
учитывающий влияние режима работы передачи в зависимости от принятого типового
режима (типовой режим I I).
Принимаем X = 0,5Hв = 1 +
·(1 - 0,5) =
1,08847
К = 1 • 1,08847= 1,08847
уН =
= 186,5 МПа
уН= 186,5 МПа < [ у]Н
= 202,75 МПа.
Принимаем уН = 186,5 МПа.
3.7 КПД передачи
з =
гW = 14,03624347 °- угол подъема
линии витка червяка на начальном диаметреск = 3,89 м /с.
с - приведенный угол трения;
с = с(V< ) -
·(Vск
- V< )
с = 2 °00' -
·(3,89- 3)
= 1,70°
з =
= 0,887
Принимаем з = 0,887
.8 Силы в зацеплении
Окружная сила на колесе, равная осевой силе на
червяке:
Ft2 = Fa1 =
, Н
t2 = Fa1
=
= 11164 Н
Принимаем Ft2 = Fa1 =
11164 Н
Окружная сила на червяке, равная осевой силе на
колесе:
Ft1 = Fa2 =
, Н
t1 = Fa2
=
= 3147 Н
Принимаем Ft1 = Fa2 = 3147
Н
Радиальная сила:
Fr = Ft2
, Н
r = 11164
= 4189 Н
Принимаем Fr = 4189 Н
Т2
= 2232,813 Н ·м - вращающий момент на валу червячного колеса2 =
400 мм - делительный диаметр червячного колеса1 = 100 мм -
делительный диаметр червякаф = 16 - фактическое передаточное число
б=200
- угол профиля делительный
з
=0,887 - расчетное значение КПД
г
w=14,036243470-
угол подъема линии витка червяка на делительном диаметре
.9
Проверка зубьев колеса по напряжениям изгиба
Расчетное
напряжение изгиба:
уF
=
≤ [
у]F
K
= 1,08847 - коэффициент нагрузки (из расчета 3.6).
Из
расчета 3.4. находим:= 12,5= 8= 0
гW
= 14,03624347 °
[
у]F = 83 МПа (из расчета 3.2.2.)F2 - коэффициент формы
зуба колеса, выбирается в зависимости от zV2 =
:
Применяем
формулу интерполяции:
УF2
=
V2 =
= 35,046
УF2
= 1,64 -
·(35,046 -
35 )=1,63931
уF
=
= 11,9
МПа< [ у]F = 83 МПа
Принимаем
уF = 11,9 МПа.
.10
Проверочный расчет на прочность зубьев червячного колеса при действии пиковой
нагрузки
Проверка
на контактную прочность:
уH
max = уH ·
≤ [ у]H max
уH
= 186.5 МПа (из расчета 3.6)
Кпер
= 2,9 (из данных электродвигателя)
[
у]H max = 2 ·уТ
[
у]H max = 2 ·200 = 400 МПа
уH
max = 186.5·
= 317.60 МПа
.60
МПа < 400 МПа
Проверка
зубьев колеса на прочность по напряжениям изгиба:
уF
max = уF ·Kпер ≤ [ у]F max
[
у]F max = 0,8 · уТ
[
у]F max = 0,8 ·200 = 160 МПа
уF
max = 11.9 ·2,9 = 34.51 МПа
.51
МПа < 160 МПа.
.11
Тепловой расчет
Мощность
на червяке:
1 = 0,1 ·
, Вт
2 = 2232.813 Н ·м - вращающий момент
на валу червячного колеса2 = 45 об /мин - частота вращения
червячного колеса
з
= 0,887 - расчетное значение КПД1 = 0,1 ·
= 11327.7
Вт
Температура
масла при установившемся тепловом режиме без искусственного охлаждения:
tраб
=
≤ [t]раб
КТ
= 12 …18
Принимаем
КТ =15
Ш
≈ 0,3 - коэффициент учитывающий отвод теплоты в плиту
А
=1.14 м2 - площадь поверхности корпуса (приложение 3)
[t]раб
= 95 …110 °С (в зависимости от марки масла)раб =
= 77.6 °С
Т.к. tраб = 77.6 < [t]раб
= 95 …110 °С, то искусственное охлаждение не требуется.
4. Расчет клиноременной передачи
.1 Выбор сечения ремня
Сечение ремня выбирают по графику на рис. 8
(приложение 4), где область применения данного сечения расположена выше собственной
линии и ограничена линией предыдущего сечения.
Исходные данные:
Р1 = Рдв =13,9785 кВт;
n1
= nдв =1450
об/мин;
Uрем
=2,013(8);
Т1 =92,059 Н·м.
Принимаем сечение В(Б).
Параметры ремня:
h =11 мм;
b0 =17мм;
bp =14мм;
p min =630 мм;
p max =6300 мм;
(dp ) min =125
мм;
=138 ·10 -6 м 2 - площадь сечения; q
=0.18 кг/м - масса 1м длины.
.2 Определение диаметров шкивов
Диаметр ведущего (меньшего) шкива определяем по
эмпирической формуле:
d1 =(38 …42) ·
=171,58 …
189,64,
где Т1 =92,059 Н·м - вращающий момент
на валу электродвигателя.
Принимаем d1
=180мм
Диаметр ведомого шкива определяем по
формуле d2 = d1 ·ipn (1 -
),
где i pn = Upем =2,013(8)(раздел1.2.);
=0,01 … 0,02 - коэффициент
скольжения.
Принимаем
= 0,015.
d2 = 180 ·
2,013(8) · (1 - 0,015)= 357,06 мм.
Принимаем d2 = 480 мм
Уточняем передаточное отношение:
i ф =
=
=2,002256
Принимаем i ф = 2,002256.
Отклонение
Д i =
• 100 % ≤
±4 %;
Д i = -0,58 % ≤
± 4%
Определим предварительное межосевое
расстояние по следующей рекомендации:
i …. 1 2 3
aпред ….1,5 d2 1,2 d2 d2
aпред =[1,2 -
] · d2 =425,84 мм.
Принимаем aпред = 430мм.
пред = 180 - 2arcsin (
);
пред = 180 -2arcsin (
)= 156,52°,
,52° > 120 °
Определяем длину ремня:
l = 2 ·
пред + 0.5
·( d2 + d1 )+
= 1718,18
мм.
Принимаем l = 1800 мм.
По принятой длине ремня уточняем
межосевое расстояние:
а =
Принимаем а = 472 мм
Уточняем угол обхвата:
= 180 -2arcsin (
)= 158,633°
.4 Определение мощности передаваемой
одним ремнем
Pp =
;
P0 -номинальная
мощность передаваемая одним ремнем при
= 180, i = 1, P0 находим по
графику на рис. 3,4,5 (приложение 4) для сечения B(Б).
P0 =4,35 кВт.
C
-
коэффициент угла обхвата ремнем ведущего шкива;
C
= 0,92 +
· (
-150) =
0,9459
Cl -
коэффициент длины ремня находим по графику на рис. 7 (приложение 4);
Cl =0,95
Ci -
коэффициент передаточного отношения находим по графику на рис. 6 (приложение
4);
Ci = 1,126
Cp -
коэффициент режима нагрузки;
Cp = 1,2 к1
= 1
Pp =
=3,6679 кВт.
z =
;
где P мощность на
ведущем валу передачи (Pтр ,см.рис.
4,1).
= 0,925;
z =
= 4,06
Принимаем z = 5.
.5 Определение силы предварительного
натяжения одного ремня
F0 =
;
V- окружная
скорость на расчетном диаметре ведущего шкива.
V =
, м/с;
V =
= 13,6659
м/с
Fv - сила
дополнительного натяжения ремня от центробежных сил.
Fv =
,н
где p
= 1250 кг/м 3 плотность материала ремня.
А = 138 · 10 -6 м 2
Fv =
=32,236 Н
F0 =
= 218,336 Н
Определение силы передаваемой на
валы.
Fr
= z · 2 · F0 сos(
);
где
=180 -
= 180 -
158,633= 29,81860
Fr
= 5 · 2 ·
218,336 сos(10,6835) = 2145,514 Н
Принимаем Fr
=2146 Н
.6 Ресурс наработки передач
T = Tср · к1
·к2 ,
где Tср = 2000 ч.
к1 = 1 - коэффициент
режима нагрузки;
к1 = 1 - для центральной
зоны.
T = Tср = 2000 ч.Для
заданного ресурса Ln = 7665 ч
необходимо приложить в виде запасных частей 4 комплекта ремней.
5. Конструктивные размеры элементов
одноступенчатого редуктора
.1 Передачи редуктора
.1.1
Червячная передача (индекс “чр”)w = 250 мм - межосевое расстояние1
= 100 мм - делительный диаметр червякаa1 = 125 мм - диаметр вершин витковf1
= 70 мм - диаметр впадин червяка
в1
= 190 мм - длина нарезанной части червяка2 = 400 мм - делительный
диаметр червячного колесаa2 = 425 мм - диаметр вершин зубьевf2 =
370 мм - диаметр впадинam2 = 443 мм - диаметр колеса наибольший
в2
= 90 мм - ширина венца
Примечание:
вышеуказанные параметры смотри в соответствующих разделах части 3 - расчёта
червячной передачи.
Lст - длины
ступицы червячного колеса:
Lст > в2;
Lст =(0,8…1,5)
dкчр ,
где
dкчр - диаметр вала под червячное колесо.ст - диаметр
ступицы червячного колеса.
Для
стального центра dст =(1,5…1,55) dкчр
А
- радиальный зазор между зубьями червячного колеса (по daM2) и
элементами корпуса редуктора:
Так
как дтin = 8мм, то
принимаем A =8 … 15 мм.
д
-толщина стенки корпуса.
Примечание:
уточненный расчет A ≈
+3, где
L - расстояние между внешними
поверхностями вращающихся деталей:
L=
Принимаем
L=534 мм
≈
+3= 11,1130
Принимаем
A=12 мм.
.2
Конструкция входного вала
кон1 - диаметр концевой части вала
1 = T2 = 176,201 Н·м -
вращающий момент на входном валу, нм (см. раздел 1.3 расчёта).
= 18 МПа -
допускаемое касательное напряжение для входного вала.
= 36,8046 мм
Принимаем
= 40 мм.
Принимаем законцовку вала конусной формы.
Дынные законцовки вала:
d(dкон1)
= 40 мм
d3(M)
= М24 х 2,0 мм
l = 110 мм,
l1 =
82 мм,
в = 10;
h = 8;
t
=
5,0 мм.
Размеры проточки резьбы f(впр)
см.2, том 1, стр. 5,6 в зависимости от шага для резьбы, для нормальной проточки
1.
Параметры:
f(впр) =
5;
R = 1,6;
R1 =
0,5;
df
=
d - 3,0
z = 2,0ман - диаметр вала
под манжету (смотри 2, том 3, стр. 96):ман = dкон1 = 40
мм.
Манжеты
резиновые армированные для валов (из ГОСТ 8752-79).
Дынные
на манжету:
D1 = 60 мм,
d = 40 мм,
h1 = 10 мм.
Манжета
1 - 45 х 60 ГОСТ 8752-79.рез - диаметр резьбы шлицевой гайки,
предназначенной для поджатия подшипников правой опоры к буртику вала и
законтренной стопорной шайбой:рез(d) - смотри 1, стр. 470, 471.
Принимаем
dрез = М42 х 1,5* мм.
Гайки
M42 x 1.5*
круглые шлицевые класса точности А, ГОСТ 11871-88:
D = 65 мм; D1 = 52 мм;
H = 10 мм; в = 8
мм;
h = 3 мм;
с
1
мм.
Шайбы стопарные
многоколчатые. Тип H-нормалҗные
(из ГОСТ 11872- 89), мм.
d = М42 x 1.5 мм; D = 67 мм;
d1 =42.5
D1 =
52 мм;
l = 39 мм; h
= 5;
в = 5,8 мм; S
= 1,6 мм.
Паза под язычок
стопорной шайбы,
мм.
а1 = 8 мм; а4 =
1,5 мм;
а2 = 3 мм; d1
=
38,5 мм.
а3 = 5,0 мм; d
= 42 x 1.5
Для шага 1,5 проточка резьбы,
мм.
f = 4.0
R = 1.0
R1 = 0.5n1
- диаметр вала под внутреннее кольцо подшипника (d):n1 ≥ dрез
, внутренний диаметр резьбы
Принимаем
dn1 = 45 мм.
По
диаметру d(dn1) для правой опоры производим выбор конического
роликоподшипника ГОСТ 27365-87 в количестве 2 шт. легкой или средней серии
(см.1,стр.165).
Для
выбора серии подшипника руководствуемся следующим соотношением:
,
где КЕ = 0,63-
коэффициент эквивалентности (смотри 1, стр. 118)t1 = 3147 Н -
окружная сила на червяке (см раздел 3.8 расчёта)r = 4189 Н -
радиальная сила на червяке (см раздел 3.8 расчёта)а1 = 11164 Н-
осевая сила на червяке (см раздел 3.8 расчёта)h = 7665 ч - заданный
ресурс работы привода в часах (см раздел 2.2 расчёта)1 = n2 = 720
об/мин - частота вращения входного вала №1 (см. раздел 1.3 расчёта)
- показатель степени для роликовых
подшипников (см. 1, стр. 119).
Т.к.
=
Н < 120480.5 H, то для
нормальной работы специально подбирают 2 подшипника по d и D. Тогда
вместо
принимаем
= 1.714 *
=173114 Н
> 120480.5 H
Принимаем подшипник 7309А ГОСТ 27365
- 87.
d = 45 мм; B = 25 мм; r2 = 1.5 мм; e = 0,35
D = 100 мм; C = 22 мм; Cr = 101.0 кН;
У = 1,7;
Tнаиб = 27,5 мм; r1 = 2 мм; C0r = 72.0 кН;
У0 = 0,9.
Построение конического
роликоподшипника.
Отрезок ав делится точками 1,2,3 на
четыре равные части. Из точки 3 под углом
проводится образующая конуса до
пересечения с осью подшипника в точке О (разм. L).
3 = D - 0,25 (D - d) = 100 -
0,25 (100 - 45) = 86,25 мм.2 = D - 0,5 (D - d) = 100 -
0,5 (100 - 45) = 72,5 мм.1 = D - 0,75 (D - d) = 100 -
0,75 (100 - 45) = 58,75 мм.
где d1 ,d2 , d3-диаметры
точек 1,2 и 3.
, где
мм
мм
мм
fk = de = 0,05 (D - d) = 0.05
(100 - 45) = 2,75 мм
h1 = 0,124 fm (при
построении)
Б1 - диаметр буртика справа и слева от
червяка.
,
где
= 70 мм -
диаметр впадин червяка..
= 45 + 3 *
2 = 51 мм
Принимаем
= 55 мм.
ℓБ1
прав - расстояние от торца червяка до торца буртика справа:
=
= 80,5 мм
,где
- толщина
буртика стакана (см. ниже)
Т
и В - смотри параметры роликоподшипника
= 190 мм -
параметр червяка раздел 5.1;
К2
- расстояние от плоскости симметрии червячной передачи до прилива на корпусе
редуктора для правого подшипникового узла:
=
=162,68 мм
Принимаем
К2 = 162 мм ,
где
Г - гипотенуза прямоугольного треугольника с катетами
К2
и К1 - расстояние от оси червячного колеса до прилива
К1
- расстояние от плоскости разъёма корпуса редуктора до диаметра прилива.

= 233,5 мм,
где
= 443 мм -
диаметр червячного колеса наибольший (смотри раздел 5,1 расчета)

= 167,5 мм,
где
=250 мм-
межосевое расстояние червячной передачи (смотри раздел 5.1 расчёта)
- диаметр
прилива, приравниваемый наружному диаметру крышки подшипникового узла (смотри.
2, том 2, стр. 68…75).
-
определяется по наружному диаметру стакана для подшипников правой опоры (смотри
1, стр. 167, рис 8.1.а).

= 120 мм ,
где
(Д)1 = 100 мм - наружный диаметр роликоподшипника;
(д)1
- толщина стенки стакана.
Для
стакана:
= 10 мм
Принимаем
= 10 мм
= 1,2 · 10
= 12 мм
= 140 мм
= 165 мм
Производим
выбор подшипника левой опоры по (dn1 ) = 45 мм.
Выбираем
шариковый радиальный однорядный подшипник средней серии (смотри 1, стр. 459).
Принимаем
подшипник 309 ГОСТ 8338 - 75.
d = 45 мм; B = 25 мм; Dw = 17,462 мм;
D = 100 мм; Cr = 52,7 кН;
r = 2,5 мм; C0r = 30,0 кН;
ℓБ1
лев - расстояние от торца нарезанной части червяка до торца подшипника
слева:
,
- смотри
выше.
= 78 мм.
Принимаем
= 78 мм.
Посадки
деталей при установке входного вала:
посадка
внутреннего кольца на вал - Ф45 к6 (для dn1 = 45 мм)
посадка
наружного кольца в отверстии корпуса - Ф100Н7 (для D=100мм)
посадка
стакана в отверстии корпуса - Ф120
(для Da =120 мм ).
.3
Конструкция выходного вала
кон2 - диаметр концевой части вала:
мм ,
где
Т2= 2232,813 Н·м - вращающий момент на валу (Т2
Т3,
см. раздел 1.3. расчёта);
= 30 МПа -
допускаемое касательное напряжение для выходного вала.
= 72,37 мм
Принимаем
75мм
Принимаем
форму законцовки вала цилиндрической.
Размеры
цилиндрической законцовки - смотри 2, том 2, стр. 97. исполнение «Длинные»
l=140 мм,
r=2,5 мм,
c=2,0 мм.сал - диаметр
вала под сальник (смотри 2, том 3, стр 94,95):
сал = dкон + 5
сал = 75 + 5 = 80мм.n2 -
диаметр вала под внутреннее кольцо подшипника (d):
Принимаем
dn2 = dсал = 80 мм.
Для
выбора серии подшипника находим динамическую грузоподъёмность подшипника.
,
где
КЕ =0,63- коэффициент эквивалентности (смотри 1, стр. 118)t2
= 11164 Н - окружная сила на колесе (см раздел 3.8 расчёта)r = 4189
Н - радиальная сила на колесе (см раздел 3.8 расчёта)а2 = 3147 Н-
осевая сила на червяке (см раздел 3.8 расчёта)h = 7665 ч - заданный
ресурс работы привода в часах (см раздел 2.2 расчёта)2 = 45 об/мин -
частота вращения выходного вала (см. раздел 1.3 расчёта)
-
показатель степени для роликовых подшипников (см. 1, стр. 119).
=22832 Н
Н
< 140000Н.
Принимаем
подшипник легкой серии 7216А ГОСТ 27365-87.
d = 80 мм; B = 26 мм; r2 = 2 мм; e = 0,43;
D = 140 мм; C = 22 мм; Cr = 140 кН; У
= 1,4;
Tнаиб = 28,5 мм; r1 = 2,5 мм; C0r = 114кН; У0
= 0,8.
Построение
конического роликоподшипника.
Отрезок
ав делится точками 1,2,3 на четыре равные части. Из точки 3 под углом
проводится
образующая конуса до пересечения с осью подшипника в точке О (разм. L).
3 = D - 0,25 (D - d) = 140 -
0,25 (140 - 80) = 125 мм.2 = D - 0,5 (D - d) = 140 -
0,5 (140 - 80) = 110 мм.1 = D - 0,75 (D - d) = 140 -
0,75 (140 - 80) = 95мм.
где d1 ,d2 , d3-диаметры
точек 1,2 и 3.
, где
мм
мм
мм
fk = de = 0,05 (D - d) = 0.05
(140 - 80) = 3 мм
h1 = 0,124 fm (при
построении)
кчр - диаметр вала под червячное колесо
кчр = dn2 + (5…15) мм.
Конструктивная
добавка варьируется в зависимости от значения dn2 :
…12
мм для dn2 = 65…85 ммкчр = 80+10 = 90 мм.
Принимаем
dкчр = 90 ммБ2 - диаметр буртика для упора червячного
колеса:
Б2 = dкчр + (8…15) мм.
Б2 = 90+10 = 100 мм.
Принимаем
dБ2 = 100 мм
Определение
размеров шпонки в соединении червячного колеса с валом:
размеры
шпонки подбираются по диаметру dкчр = 90 мм
Выбираем
шпонку с параметрами:
в
= 25 мм= 14 мм1 = 9 мм
Рабочая
длина шпонки рассчитывается из условия прочности на смятие:
мм,
где
= 2232,813
Н ·м - вращающий момент на валу
= 100 МПа -
допускаемое напряжение на смятие.
= 99,236 мм
ℓш
= ℓр + в
ℓш
= 99,236 + 25 = 124,236 мм
Принимаем
ℓш = 125 мм.
Принимаем
шпонку 25 х 14 x 125 ГОСТ 23360-78.
ℓстчр
- длина ступицы червячного колеса:
ℓстчр
= ℓш + (4…10) мм
ℓстчр
= 125 + 10 = 135 мм
Принимаем
ℓстчр = 135 ммстчр - диаметр ступицы:
стчр = (1,5…1,55) dкчр.
стчр = (1,5…1,55) 90 = 135…139,5 мм
Принимаем
dстчр = 140 мм
Ввн
= (D2)1
Принимаем
Ввн = 165 мм
ℓпр
- высота прилива на корпусе для гнезда подшипника:
ℓпр
= Кi + д ≥(h2 ) + (Т)2
мм,
где
Кi -
рекомендуемое расстояние от поверхности прилива до поверхности корпуса
редуктора. Подбирается в зависимости от диаметра болта.2 cм. ниже.
д
= 12 мм - толщина стенки корпуса.
Кi = 39;
ℓпр
= 39 + 12 = 51 мм ≥ 36,5 мм
Принимаем
ℓпр = 51 мм
(h)2
= 8 - высота выступа крышки подшипника (см. ниже).
(Т)
2 = 28,5 - смотри параметры подшипника.
ℓБ2
=
;
Принимаем
ℓБ2 = 29,5 мм
Посадки
применяемые при установке выходного вала:
посадка
внутреннего кольца на вал - Ф 90 к6 (для dn2 = 80 мм)
посадка
наружного кольца в отверстии корпуса - Ф 160 Н7 (для D = 140 мм)
посадка
червячного колеса на вал - Ф 90
(для dкчр = 90 мм)
посадка
шпонки в паз вала -
( для в = 20
мм)
посадка
шпонки в паз ступицы червячного колеса -
.
5.4
Крышки подшипниковых узлов
-
крышка торцовая с отверстием для манжетного уплотнения (смотри 2, том 2, стр.
68..74). Крышка поз.1 для входного вала подбирается по наружному диаметру
подшипника правой опоры (Д)1
D = 100 мм; D3 = 90 мм; D5 = 41 мм;
D6 = 60 мм; d(d4) = M10 x 11 мм; H = 23 мм;
h = 8 мм; l = 3 мм; B = 20 мм;
n = 6; в1 = 11 мм; с =
1,6 мм.
Примечание
: (D1 )1
= 140 мм и (D2)1.=
165 мм. - см в разделе 5,2.
-
крышка торцовая глухая (смотри 2, том 2, стр. 66, 67). Крышки позизиции.2
подбираются по наружному диаметру подшипника левой опоры (D)1.
D = 100 мм; D3 = 90 мм; d(d4) = M10 x 11 мм;
H = 23 мм; h = 8 мм; l1 = 16 мм;
n = 6.
Примечание
: (D1 )1
= 140 мм и (D2)1.=
165 мм.
-
крышка торцовая с канавкой для уплотнительного кольца (сальника) (смотри 2, том
2, стр. 75 … 86).
D = 140 мм; D1 = 160 мм; D2 = 185 мм;
D3 = 125 мм; D4 = 81,5 мм; D5 = 99 мм;
d(d4) = M10 x 11 мм; H = 23 мм; h = 8 мм;
l = 10 мм; l1 = 19,5 мм ; B = 13 мм;
n = 6; а = 6 мм.
-
крышка торцовая глухая (смотри 2, том 2, стр. 66, 67).
D = 140 мм; D1 = 160 мм; D2 = 185 мм;
D3 = 125 мм; d(d4) = M10 x 11 мм; H1 = 23 мм;
h = 8 мм; l1 = 16 мм ; n = 6.
5.5
Конструктивные элементы корпуса
Рассматриваются
на базе корпуса из чугуна СЧ15 ГОСТ 1412-85 (смотри 3, рис. 10.18, стр.
240…242).
Толщина
стенки корпуса и крышки редуктора:
д
= 0,04 · awчр + 2 = 0.04 * 250 + 2 = 12 мм
д1
= 0,032 · awчр + 2 = 0.032 * 250 + 2 = 10 мм
Примечание:
д = д1 ≥ 8 мм
Принимаем
д = д1 = 12 мм
Толщина
верхнего пояса (фланца) корпуса:
в
= 1,5 · д
в
= 1,5 · 12 = 18 мм
Толщина
нижнего пояса (фланца) крышки корпуса:
в1
= 1,5 · д1
в1
= 1,5 · 12= 18 мм
Толщина
нижнего пояса (основания) корпуса при наличии бобышек под фундаментные болты:
р1
= 1,5 · д
р2
= (2,25…2,75) · д.
р1
= 1,5 · 12 = 18 мм
р2
= (2,25…2,75) · 12 = 27… 33 мм
Принимаем
р2 = 30 мм
Толщина
ребер корпуса и крышки корпуса:
т
= (0,85…1) · д
т1
= (0,85…1) · д1.
т
= (0,85…1) · 12 = 10.2…12 мм
т1
= (0,85…1) · 12 = 10.2…12 мм
Принимаем
т = т1 = 12 мм
Диаметр
фундаментных болтов (n ≥ 4):
1 = (0,03…0,036) · awчр +
12;
1 = (0,03…0,036) · 250 + 12. =
19.5…21 мм
Принимаем
d1 = М20 мм. Для М20: K1 = 48 мм , С1 = 25 мм.
Примечание:
диаметр отверстия в основании корпуса должен быть на 2…3 мм больше диаметра
фундаментного болта.
Диаметр
болтов:
у
подшипников
2 = (0,7…0,75) · d1
2 = (0,7…0,75) · 20 = 14…15 мм
Принимаем
d2 = М16 мм. Для М16: K2 = 39 мм , С2 = 21 мм.
в
соединении фланцев корпуса и крышки
3 = (0,5…0,6) · d1.
3 = (0,5…0,6) · 20 = 10…12 мм.
Принимаем
d3 = М12 мм. Для М12: K3 = 33 мм , С3 = 18 мм.
Высота
бобышки hб под болт d2 выбирается конструктивно так,
чтобы на поверхности бобышки образовалась опорная площадка под головку болта и
гайку.
Размеры,
определяющие положение болтов d2:
≈
(1…1,2)d2; q ≥ 0,5d2 + d4 ,
где
d4 - диаметр болта крепления крышки подшипника.
≈
(1…1,2) · d2
e
≈ (1…1,2) · 16 = 16…19,2 мм
Принимаем
e = 18 мм
≥
0,5 · d2 + d4
=
0,5 · 16 + 10 = 18 мм
Принимаем
q = 18 мм
Диаметр
гнезда под подшипник:
Dк2 = D2 + (0…4) мм
,
Dк1 = (D2)1 =165
мм.
Dк2 = (D2)2 =
185 мм
Размеры
распорных втулок, применяемых в конструкции валов редуктора определяются из
условия обеспечения необходимых зазоров между вращающимися и неподвижными
элементами редуктора.
Радиус
сопряжений переходных поверхностей корпуса R = 5…12 мм.
Принимаем
R = 10 мм.
Построение
бобышки под болт d2.
D-диаметр головки болта d2; D = 26,2 мм
Dб - диаметр
площадки под головку болта d2:
Dб = D + (4…6),
мм.
Dб = 26,2 + 5 =
31,2 мм.
Lб- расстояние
от оси крышки до оси болта d2:
,
где
(D1)2
и (D2)2
-параметры крышки
(D1)2
=160 мм;
,
где
n- число
болтов d4.
hб- высота бобышки:
, мм.
мм.
Принимаем
hб = 59 мм.
6.
Определение сил, нагружающих подшипники входного вала
Подшипники
качения для опор входного вала - см. раздел 5.2.
Подшипник
7310 ГОСТ 27365-87 и 310 ГОСТ 8338-75.
Требуемый
ресурс при вероятности безотказной работы 90%: Lh = 7665ч, (см.
раздел 2.2 расчета).
Вал
выполнен совместно с червяком из стали 40Х, подвергается термообработке:
улучшение и закалка ТВЧ до твердости 269…302 НВ в сердцевине и 45…50 HRC на
поверхности витков; механическая обработка: шлифование и полирование витков
червяка.
Диаметр
червяка:
делительный
d1 =100 мм
диаметр
впадин df1 = 70 мм.
окружная
сила Ft1 = 3147 H (смотри раздел 3.8 расчета)
осевая
сила Fa1 = 11164 H (смотри раздел 3.8 расчета)
радиальная
сила Fr = 4189 H (смотри раздел 3.8 расчета).
Типовой
режим нагружения - II (средний равновероятный), возможны
кратковременные перегрузки до 150% номинальной нагрузки. Условия эксплуатации
подшипников - обычные. Ожидаемая рабочая температура tраб < 100˚C.
На
законцовке входного вала установлен ведомый шкиф клиноременной передачи.
.1
Радиальные реакции опор от сил в зацеплении
Рис.
3
По
конструктивной схеме №3 определяются: плечи сил для расчетной схемы входного
вала.
для
правой опоры (2) принимаем, что опорная реакция расположена на плоскости
соприкосновения роликоподшипников;
для
левой опоры (1) опорная реакция проходит по оси симметрии шарикоподшипника.
= 200,5 мм
,
где
- параметр
шарикоподшипника (смотри раздел 5.2);
= 386 мм.
Равновесие
сил и моментов в вертикальной плоскости (Y0Z):
.
= 566,994 Н
.
= 3622,006 Н
Примечание:
если R1B получится с отрицательным знаком, то это значит, что
действительное направление вектора R1B противоположно предварительно
заданному.
Проверка:
∑Y = R1B - Fr + R2B = 0.
3622,006
- 4189 + 566,994 = 0.
=
0
Равновесие
сил и моментов в горизонтальной плоскости (X0Z):
.
= 1512,35 Н
.
= 1634,65 Н
Проверка:
∑X = - R1Г + Ft1 - R2Г = 0
-
1634,65 + 3147 - 1512,35 = 0
0
= 0.
6.2
Радиальные реакции опор от действия силы Fк на консольной законцовке
вала
Рис.
4
Плечо
радиальной консольной силы рассчитывается как расстояние от опоры 2 до середины
консоли вала.
, мм,
где
=23 мм-
параметры крышки подшипника поз.1;
= 110 мм -
параметр законцовки вала
= 126 мм
Принимаем
l2 = 126 мм.
Реакции
опор
= 2846,508
Н
= 700,508 Н
Проверка:
0
= 0
.3
Реакции опор для расчета подшипников
Принимаем
направление вектора Fк противоположным
направлению вектора Ft1 .
Тогда
суммарные реакции опор:
Fr1 max =
;
Fr2 max =
;
r1 max =
= 4309,512 Н
Fr2 max =
= 1449,64 Н
Внешняя
осевая сила, действующая на вал, FA max = Fa= 11164 Н
Для
типового режима нагружения II коэффициент эквивалентности КЕ = 0,63
(см.1, стр. 118) эквивалентные нагрузки:
Fr1 = KE ·Fr1
max
Fr2 = KE ·Fr2
max
FA = KE ·FA
max
Fr1 = 0,63 ·
4309,512 = 2715 Н
Fr2 = 0,63 ·
1449,64 = 913,3 Н
FA = 0,63 ·
11164 = 7033,32 Н
Подшипник
правой опоры (2).
В
соответствии с разработанной конструктивной схемой редуктора (схема №3)
фиксирующей опорой вала червяка является опора 2, в которой установлено два
симметрично расположенных конических роликоподшипника. Так как при сборке узла
подшипники специально не подбирают и не подгоняют, а при необходимости они
могут быть заменены независимо друг от друга, то можно предположить, что только
один подшипник из двух будет воспринимать всю нагрузку, приходящуюся на опору.
Таким
образом, Fa1 = 0; Fa2 = FA = 7033,32 Н
Для
расчета эквивалентной динамической нагрузки Рr2 используются
параметры роликоподшипника из раздела 5.2:
Сrсум
= 1731144 Н; е = 0,35; Y =1,7 .
Для
определения коэффициента Х рассчитывается соотношение
,
где
V - коэффициент вращения кольца:= 1 - при вращении внутреннего кольца
подшипника
Если
> е, то Х
= 0,4, Y =1,7 , если
< е, то
принимается Х = 1, Y = 0.
= 7,7 >
0,35
Рr2
= (V ·X ·Fr2 + Y ·Fa2) ·KБ ·КТ,
Н ,
где
KБ = 1,4 - коэффициент динамичности нагрузки: (смотри 1, табл. 7.6,
стр. 118)
КТ
= 1 - температурный коэффициент: при tраб < 100˚C (смотри 1, стр. 117).
Рr2
= (1 · 0,4 · 913,3 + 1,7 · 7033,32) · 1,4 ·
1 = 17250,75 Н
Подшипник
левой опоры (1).
Для
левой опоры применен радиальный однорядный шарикоподшипник с параметрами:
Сr
= 52,7 кН .
Так
как подшипник не воспринимает осевую нагрузку, то коэффициент осевого
нагружения е = 0. В этом случае Х = 1; Y = 0. Эквивалентная динамическая
радиальная нагрузка:
Рr1
= (V · X · Fr1) · KБ · КТ,
при
этом V = 1; КБ = 1,4; КТ = 1 (смотри выше).
Рr1
= (1 · 1 · 2715) · 1,4 · 1 = 3801 Н
.4
Расчетный скорректированный ресурс
, час,
где
-
коэффициент корректирующий ресурс в зависимости от надежности:
= 1 - при
вероятности безотказной работы 90% (смотри 1, табл. 7.7, стр. 119)
коэффициент
корректирующий ресурс в зависимости от особых свойств подшипника (см.1, стр.
119):
= 0,6…0,7 -
для конических роликоподшипников
Принимаем
= 0,65.
= 0,7…0,8 -
для шарикоподшипников
Принимаем
= 0,75.
= 173114 Н
- динамическая грузоподъемность подшипника, (смотри раздел 5.2);
n1 = 720 об/мин
- частота вращения входного вала (смотри раздел 1.3 ).
к
- показатель степени:
к
= 3 - для шарикоподшипников;
к
= 10/3 - для роликоподшипников;
= 7665 ч -
заданный ресурс работы привода (смотри раздел 2.2 расчета).
= 32797.7
ч.
.7
ч > 7665 ч
= 46271.7 ч
.7
ч > 7665 ч
.5
Проверка выполнения условия Рr max ≤ 0,5 Cr
С
этой целью для подшипников обеих опор используется эквивалентная динамическая
радиальная нагрузка при наибольших значениях Х заданных сил переменного режима
нагружения:
Рrmax
= (V ·X
·Frmax
+ Y ·FAmax)
·KБ·КТ
Рrmax2
= (1 · 0.4 · 1449.64 + 1,7 · 11164) · 1,4 · 1 = 27382
<
(0,5 · 101000) = 50500 Н
Рrmax1
= (1 · 1 · 4309.512) · 1,4· 1 = 6033.32
.32
< (0,5 · 52700) = 26350 Н
Оба
условия выполняются предварительно выбранный подшипник считается
пригодным.
привод зубчатый редуктор прочность
7. Определение сил нагружающих подшипники
выходного вала
Подшипника качения для опор выходного вала:
«Подшипник 7216 А ГОСТ 27365-87»
Требуемый ресурс, режим нагружения, условия эксплуатации
подшипников аналогичны входному валу. Силы в зубчатом зацеплении при передаче
максимального момента:
окружная сила на колесе Ft2 = 11164 Н
радиальная сила Frчр = 3147 Н
осевая сила на колесе Fa2 = 4189 Н
Делительный диаметр червячного колеса d2чр
= 400 мм (смотри раздел 2.9 расчета).
Вращающий момент от червячного колеса передается
выходному валу с помощью шпоночного соединения. Диаметр вала под червячным
колесом dкчр = 90 мм (смотри раздел 5.3).
Материал вала - сталь 40Х, термообработка -
улучшение, Н =269…302 НВ.
На законцовке выходного вала устанавливается
шестерня зубчатой цилиндрической передачи. Силы в зацеплении:
окружная сила на колесе Ftзб = 27910
Н
радиальная сила Frзб = 6361 Н
осевая сила на колесе Faзб = 10420 Н
Делительный диаметр шестерни d1зб =
160 мм (смотри раздел 2.9).
Вращающий момент от выходного вала к шестерни
передается с помощью шпоночного соединения. Диаметр вала под шестерней dкон2
= 75 мм (смотри раздел 5.3).
7.1 Радиальные реакции опор от сил в зацеплении
червячной и зубчатой передач
Рис. 6
Размеры плеч для расчетной схемы:
, мм,
где
= 165 мм - (смотри раздел 5.3
расчета)
= 51 мм - (смотри раздел 5.3)
Т = 28,5 мм; d = 80 мм; D = 140 мм; е
= 0,43
, мм,
где
= 30,017 мм
Принимаем а = 30 мм
= 95,5 мм
Опоры 1 и 2 расположены симметрично
относительно точки приложения сил в червячном зацеплении:
, мм;
мм.
Принимаем l = 191 мм. l1 = 95.5 мм.
Плечо сил в зубчатом зацеплении на
консоли вала:
мм
а = 30 мм - см. выше;
H = 23 мм -
параметр крышки поз 3 ( см. раздел 5.4);
= 140 мм - параметр законцовки вала
( см. раздел 5.3).
мм.
Принимаем l2 = 133 мм.
Равновесие сил и моментов в
вертикальной плоскости (Y0Z):
= 46143,92408 Н
= - 14044,92408 Н
Проверка: -R1в + Frчр
- R2в + Ftзб = 0.
,92408 + 4189 - 46143,92408 + 27910
= 0.
= 0
Равновесие сил и моментов в
горизонтальной плоскости (X0Z):
= 25922,10471 Н
= - 4338,104712 Н
Проверка:
1Г - Ft2
+R2Г - Frзб = 0.
,10471 - 11164 + 25922,10471 - 10420
= 0.
= 0
Суммарные реакции опор:
1 =
R2 =
1 =
14699,62737 Н; 2 = 52926,52683 Н.
.2 Реакции опор для расчета
подшипников
Fr1 max = R1 = 14699,6 Н
Fr2 max = R2 = 52926,5 Н
FA max = Fазб - Fа = 6361 -
3147 = 3214 Н;
Коэффициент эквивалентности КЕ
= 0,63 (смотри раздел 6.3).
Эквивалентные нагрузки:
Fr1 = KE · Fr1 max = 0,63
· 14699,6 = 8219,2 Н
Fr2
= KE ·
Fr2 max= 0,63 ·
52926,5 = 33434,7 Н
FA
= KE ·
FA max= 0,63 ·
3214 = 2024,82 Н
Минимально необходимые для
нормальной работы радиально-упорных подшипников осевые силы:
Fa1min
= 0.83 ·
e ·
Fr1 ; a2min = 0.83 · e ·
Fr2 ;
= 0,43a1min
= 3305,1 Н;a2min
= 11900,4 Н.
Находим осевые силы нагружающие
подшипник:
Так как Fa1min < Fa2min
,5 < 12659,7 то
при FA < Fa2min - Fa1min ;
Принимаем Fa2 = Fa2min = 11900,4
Н;
Принимаем Fa1 = Fa2 - FA = 9875,6 Н.
В соответствии с конструктивной
схемой №3, подшипник правой опоры (2) является наиболее нагруженным.
Для расчета эквивалентной
динамической радиальной нагрузки Pr2 используются параметры
роликоподшипника:
Сr = 140 кH; е = 0,43; Y = 1,4.
Для определения коэффициента Х
рассчитывается отношение
,
где V = 1 (вращается внутреннее
кольцо).
= 0,357
Так как 0,357 < 0,43, то
принимаем Х = 1, Y = 1,4.
Pr2
= (V ·X
·Fr2
+ Y ·Fa2)
·KБ ·KT,
где КБ = 1,4; КТ
= 1 (смотри раздел 6.3). r2 = (1 · 1 · 33343,7 + 0) ·1,4
·1 = 46681,18 Н
Принимаем Pr2 = 46681,18
Н.
.3 Расчетный скорректированный
ресурс
,
где a1 = 1,
a23 = 0.65,
Lh = 7665 ч,
n2 = 45 об/мин
- частота вращения выходного вала (см. раздел 1.3 расчета).
= 9364,9 ч.
L10ah > Lh , 9364,9 ч
> 7665 ч.
7.4 Проверка выполнения условия Pr
max = ≤ 0.5 Cr
Pr max
= (V ·
X ·
Fr max + Y ·
FA max) · КБ · КТ
Pr max = (1 · 1 ·
52926.5 + 0) · 1.32 = 69863 Н
Изменим коэффициент динамичности
нагрузки КБ.
Примем КБ = 1,32
(диапазон 1,3 … 1,5 ).
69863 Н < 70000 Н
9364,9 ч > 7665 ч.
Оба условия выполняются предварительно
выбранный подшипник считается пригодным.
8. Расчёт валов на прочность
.1 Входной вал
Рис. 7
Мк =Т2 =
211,44 Н · м - вращающий момент на входном валу (смотри раздел 1.3 расчёта)
Из рассмотрения эпюр внутренних
силовых факторов и конструкции узла следует, что опасным являются сечения:- I -
диаметр впадин червяка: сечение нагружено изгибающим и крутящим моментом,
осевой силой; концентратор напряжений - переходы от поверхности витков червяка
к диаметру впадин;- II - место установки на вал подшипника в опоре 2: сечение
нагружено изгибающим и крутящим моментом, осевой силой; концентратор напряжений
- посадка с натягом внутреннего кольца подшипника на вал.
.1.1 Определение силовых факторов
Сечение I - I .
Изгибающие моменты:
в горизонтальной плоскости (XOZ)
М1Г = (R1Г + R1К
) · (ℓ - ℓ1 ) · 10 -3;
М1Г = (1634,65 + 700,508)
· (386 - 200,5) · 10 -3 = 433,17 Н · м
в вертикальной плоскости (YOZ)
справа от сечения
М1В пр = R1В ·
(ℓ - ℓ1 ) · 10 -3;
М1В пр = 3622,006 ·
(386 - 200,5) · 10 -3 = 671,88 Н · м
в вертикальной плоскости (YOZ) слева
от сечения
М1В лев = R1В ·
ℓ1 · 10 -3;
М1В лев = 566,994 ·
386 · 10 -3 = 218,86 Н · м
Суммарный изгибающий момент
Н · м;
= 832,92 Н · м
Крутящий момент МК1 = МК
= Т2 = 176,201 Н · м.
Осевая сила Fa1 = Fa,
= 11164 Н
Сечение II - II.
Изгибающий момент
Н · м
= 270,396 Н
Крутящий момент МК2 = МК
= 176,201 Н · м
Осевая сила Fa2 = Fa,=
11164 Н.
.1.2 Геометрические характеристики
опасных сечений вала
Сечение I - I.
Сечение II - II.
.1.3 Расчёт вала на статическую
прочность
Сечение I - I.
Напряжения изгиба с растяжением
(сжатием) у1 и напряжения кручения ф1
МПа,
где
- коэффициент перегрузки (смотри
раздел 1.1.
).
= 77,25 МПа,
МПа.
= 7,59 МПа
Частные коэффициенты запаса
прочности по нормальным и касательным напряжениям:
,
где
и
- пределы текучести по нормальным и
касательным напряжениям (смотри 1, табл. 10.2, стр. 185 для стали 40х и ув
= 900 МПа).
Принимаем
= 750 МПа и
= 450 МПа
= 9,71
= 59,29
Общий коэффициент запаса прочности
по пределу текучести:
9,59 > 2,0
Сечение II - II.
Напряжение изгиба с растяжением
(сжатием) у2 и напряжения кручения ф2:
МПа
МПа
= 108 МПа
= 28,6 МПа
Частные коэффициенты запаса
прочности по нормальным и касательным напряжениям:
= 6,94
= 15,73
Общий коэффициент запаса прочности
по пределу текучести:
6,35 > 2,0.
.1.4 Расчёт вала на сопротивление
усталости
Сечение I - I.
Определяются амплитуда напряжений и
среднее напряжение цикла:
= 23,74
= 1,308
= 1,308;
Витки червяка представляют собой
винтовую поверхность, поэтому концентраторы напряжений - переходы по диаметру
впадин. По табл. 10.12 (смотри 1, стр. 192), для у1 = 900 МПа.
Ку = 2,45 - для резьбы;
Кф = 2,1 - для резьбы.
По табл. 10.7 (смотри 1, стр 191)
для диаметра df1 = 70 мм, для кручения и изгиба Kdу(Kdф) = 0.65.
Кf у и Kf ф-
коэффициенты, учитывающие влияние качества поверхности. По табл. 10.8 (смотри
1, стр. 191) для и чистового шлифования: f у = 0,91…0,86; f ф
= 0,95…0,92.
Принимаем Kf у = 0,885 и
Kf ф = 0,935;
Кv - коэффициент влияния
поверхностного упрочнения:
По табл. 10.9 (1, стр. 191) при
закалке ТВЧ для Ку > 1,8v = 2,4…2,8.
Принимаем Kv = 2,6;
Коэффициенты снижения предела
выносливости:
= 1,5
Пределы выносливости вала в
рассматриваемом сечении:
,
где
и
- пределы выносливости гладких
образцов при симметричном цикле изгиба и кручения (смотри 1, табл. 10.2, стр.
185, для стали 40х, ув = 900 МПа)
Принимаем
= 410 и
= 240
= 273,3
= 188,98
Коэффициент влияния асимметрии
цикла:
, где ш = 0,1 (смотри 1, табл.
10.2).
= 0,079
Коэффициенты запаса по нормальным и
касательным напряжениям:
= 11,51
= 133,9
Коэффициент запаса прочности в
рассматриваемом сечении:
= 11,47 > 2,0
Сечение II - II.
Амплитуды напряжений и среднее
напряжение цикла:
= 30,22
= 4,9
=4,9
Внутреннее кольцо подшипника качения
установлено на вал по посадке с натягом, которое является концентратором
напряжений.
По таб. 10.13 (1, стр. 192) для ув
= 900 МПа и dn1 = 45 мм:
Принимаем
4,4 и
2,65 .
Поверхность вала шлифуется под подшипник
с Ra = 0,8 мкм. По табл. 10.8(смотри 1, стр. 191) для ув
> 700 МПа:f у = 0,91…0,86; f ф = 0,95…0,92
Принимаем Kf у = 0,885 и
Kf ф = 0,935.
KV = 1 -
поверхность вала без упрочнения.
Коэффициенты снижения предела
выносливости:
.
= 4,53
= 2,72
Пределы выносливости вала в сечении:
= 90,5
= 88,2
= 0,037
Коэффициенты запаса по нормальным и
касательным напряжениям:
= 2,99
= 17,36
Коэффициент запаса прочности:
= 2,95 > 2,0
Вывод: статическая прочность
входного вала и сопротивление усталости вала в обоих опасных сечениях
обеспечены: T > [ST] 9,58 и 6,35 > 2,0; > [S]
11,47 и 2,95 > 2.0.
.2 Выходной вал
Мк = Т3 =
2232.813 Н · м - вращающий момент на выходном валу (смотри раздел 1.3 расчёта)
Опасные сечения:- I - место
установки на вал червячного колеса с применением шпоночного соединения. Сечение
нагружено изгибающим и крутящим моментом, а так же осевой силой. Концентратор
напряжений - паз на валу под шпонку.- II - место установки на вал подшипника в
опоре 2: сечение нагружено изгибающим и крутящим моментом, а так же осевой
силой. Концентратор напряжений - посадка с натягом внутреннего кольца
подшипника на вал.
Рис. 9
8.2.1 Определение силовых факторов
Сечение I - I .
Изгибающие моменты:
в горизонтальной плоскости (XOZ)
М1Г = R1Г ·
(ℓ - ℓ1 ) · 10 -3, Н ·
м
М1Г = 4338.104712 ·
(191 - 95.5) · 10 -3 = 414.289 Н · м
в вертикальной плоскости (YOZ)
М n1В = R1В ·
(ℓ - ℓ1 ) · 10 -3
· 10 -3
Н · м
М n1В =14044.92408
· (191 - 95.5) ·10 -3
· 10 -3
= 1970.69 Н ·м;
Суммарный изгибающий момент
Н · м.
= 2013,77 Н · м
Крутящий момент МК1 = МК
= Т3 = 2232,813 Н · м.
Осевая сила Fa1 = Fa
= I Fазб - Fа2 I = 6361 -
3147 = 3214 Н.
Сечение II - II.
Изгибающие моменты:
в горизонтальной плоскости (XOZ)
М2Г = R1Г·
ℓ · 10 -3 + Ft2 · ℓ1
· 10 -3, Н · м;
М2Г = 4338,104712 · 191 ·
10 -3 + 11164 · 95,5 · 10 -3 = 1894,74 Н · м
в вертикальной плоскости (YOZ)
М2В = R1В·ℓ
· 10 -3
Н ·
м
М2В = 14044 ·191 ·10 -3 +
4189 ·95,5 ·10 -3 + 3147 ·0,5 ·400 ·10 -3 = 3711,85 Н
· м
Суммарный изгибающий момент;
Н · м.
= 4167,48 Н · м
Крутящий момент МК2 = МК
= Т3 = 2232,813 Н · м.
Осевая сила Fa2 = Fa
= I Fазб - Fа2 I = 6361 -
3147 = 3214 Н.
.2.2 Геометрические характеристики
опасных сечений вала
Сечение I - I.
Сечение II - II.
.2.3 Расчёт вала на статическую
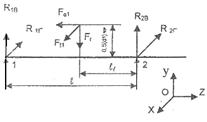
прочность
Сечение I - I.
Напряжения изгиба с растяжением
(сжатием) у1 и напряжения кручения ф1
МПа,
где
- коэффициент перегрузки (смотри
раздел 1.1.
=2,9).
= 83,06 МПа
МПа.
= 45,24 МПа
Частные коэффициенты запаса
прочности по нормальным и касательным напряжениям:
,
где
и
- пределы текучести по нормальным и
касательным напряжениям (смотри 1, табл. 10.2, стр. 185 для стали 40х и ув
= 900 МПа).
Принимаем
= 750 МПа и
= 450 МПа
= 9,03
= 9,95
Общий коэффициент запаса прочности
по пределу текучести:
6,67 > 2,0
Сечение II - II.
Напряжение изгиба с растяжением
(сжатием) у2 и напряжения кручения ф2:
МПа
МПа.
= 242,29 МПа
= 64,41 МПа
Частные коэффициенты запаса
прочности по нормальным и касательным напряжениям:
= 3,095
= 6,986
Общий коэффициент запаса прочности
по пределу текучести:
2,83 > 2,0.
.2.4 Расчёт вала на сопротивление
усталости
Сечение I - I.
Определяются амплитуда напряжений и
среднее напряжение цикла:
= 28,14
= 7,799
= 7,799;
По табл. 10.11 (смотри 1, стр. 192),
для у1 = 900 МПа. для шпоночного паза, выполненного концевой фрезой:
Ку = 2,2 и Кф
= 2,05
По табл. 10.7 (смотри 1, стр 191)
для диаметра dкчр = 90 мм для кручения и изгиба
= 0,61
Кf у и Kf ф-
коэффициенты, учитывающие влияние качества поверхности. По табл. 10.8 (смотри
1, стр. 191) для и чистового шлифования: f у = 0,91…0,86; Kf ф
= 0,95…0,92.
Принимаем Kf у = 0,885 и
Kf ф = 0,935.
Кv - коэффициент влияния
поверхностного упрочнения:
По табл. 10.9 (1, стр. 191) при
закалке ТВЧ для Ку > 1,8
Принимаем Kv = 1 - без
упрочнения поверхностного слоя.
Коэффициенты снижения предела
выносливости:
= 3,74
= 3,43
Пределы выносливости вала в
рассматриваемом сечении:
,
где
и
- пределы выносливости гладких
образцов при симметричном цикле изгиба и кручения (смотри 1, табл. 10.2, стр.
185, для стали 40х, ув = 900 МПа)
Принимаем
= 410 и
= 240
= 109,63
= 69,97
Коэффициент влияния асимметрии
цикла:
, где ш = 0,1 (смотри 1, табл.
10.2).
= 0,029
Коэффициенты запаса по нормальным и
касательным напряжениям:
= 3,896
= 8,72
Коэффициент запаса прочности в
рассматриваемом сечении:
= 3,56 > 2,0.
Сечение II - II.
Амплитуды напряжений и среднее
напряжение цикла:
= 82,92
= 11,11
= 11,11
Внутреннее кольцо подшипника качения
установлено на вал по посадке с натягом, которое является концентратором
напряжений.
По таб. 10.13 (1, стр. 192) для ув
= 900 МПа и d(dn2) = 80 мм:
Принимаем
4.95 и
3,0 .
Поверхность вала шлифуется под
подшипник с Ra = 0,8 мкм. По табл. 10.8(смотри 1, стр. 191)
для ув > 700 МПа: Kf
у = 0,91…0,86; Kf ф = 0,95…0,92
Принимаем Kf у = 0,885 и
Kf ф = 0,935
Принимаем Kv = 2,6 -
выполняется закалка поверхностного слоя вала токами высокой частоты.
Коэффициенты снижения предела
выносливости:
= 1,95
= 1,18
Пределы выносливости вала в сечении:
= 210,26
= 203,39
= 0,085
Коэффициенты запаса по нормальным и
касательным напряжениям:
= 2,54
= 16,87
Коэффициент запаса прочности:
= 2,51 > 2,0.
Вывод: статическая прочность
входного вала и сопротивление усталости вала в обоих опасных сечениях
обеспечены:
ST > [ST] 6,67 и
2,83 > 2,0
S > [S] 3,56 и
2,51 > 2,0.
Литература
1. Леонтьев Б.С., П.Ф. Дунаев, О.П.
Леликов "Конструирование узлов и деталей машин". Учебное пособие для
студентов ВУЗов, Москва, 2003г.
. В.И. Анурьев "Справочник
конструктора - машиностроителя", в 3х томах. Москва, т. 1 - 1978г, т. 2 -
1982г, т. 3 - 1978г.
. С.А. Чернавский и др.
"Курсовое проектирование деталей машин", Москва, 1988г.
. Курсовое проектирование по деталям
машин “Методические указания и задания к проектам ”. Схема, график нагрузки и
исходные данные.
. Руководство по расчету привода
“Курсовой проект по деталям машин”.
Каталог: редукторы и мотор -
редукторы.
. Каталоги электродвигателей.