C=степень точности зубчатых колес, при учебном проектировании
принимают среднее значение, равное 8. е=1,5
Материалы для изготовления выбираем по [2. таблица 2.1]
Выбранный материал и термообработка удовлетворяют условию
прочности по контактным напряжениям
Учитывая погрешности сборки и возможные осевые смещения
зубчатого колеса, ширину шестерни назначают на 5 мм больше ширины колеса:
|
Параметр
|
Обозначение и формула
|
Колесо
|
|
Делительный диаметр
|
d=mz
|
25,5
|
133,5
|
|
Диаметр выступов
|
dа=d+2×m
|
28,5
|
136,5
|
|
Диаметр впадин
|
d1=d-2,5×m
|
21,75
|
129,75
|
|
Ширина колеса
|
В
|
40
|
45
|
Ширину шестерни назначают на 5 мм больше ширины колеса [3, c22]
Окружная скорость колеса, м/с
где n-частота вращения колеса, мин-1, d-диаметр делительной
окружности, мм.
м/с
Проверочный
расчет цилиндрической зубчатой передачи по контактным напряжения.
Расчетное
контактное напряжение
где КН- коэффициент нагрузки
KН=КН2×КНb×КНY
где КНa - коэффициент для
прямозубых колес КНa=1
KHb -коэффициент
концентрации нагрузки;
при НВ<350 и V<15 м/с КНb=1
KHV - коэффициент динамичности, КHV=1,25
КН = 1×1×1,25 = 1,25
Условие прочности выполняется т.к.
Проверочный расчет по контактным напряжениям
при z=17 YF=4,28 - коэффициент, учитывающий форму
зуба
KFV=1,25 -коэффициент динамичности, принимаю
по таблице 4.4.
Условие прочности выполняется т.к.
Определяем максимальные контактные напряжения
Где [уH]max=2.8уT=2100 предельное допускаемое
контактное напряжение
уT=750-предел текучести материала.
Условие прочности выполняется т.к.
Определяем максимальные изгибающие напряжения еFMAX
Где [уF]max=0.8уT= 600
предельное допускаемое изгибаюшее напряжение
Условие прочности выполняется т.к.
3. Ориентировочный
расчет валов редуктора. Подбор подшипников
.1 Ориентировочный
расчет валов редуктора
Ориентировочный диаметр вала в опасном сечении определяется
из условий прочности при кручении в случае контактных допускаемых напряжений.
мм (3,1)
где Т-крутящий момент [Н/мм], [ф]-допускаемое напряжение на
кручение [ф]=15
Быстроходный вал редуктора
мм, принимаем d=15 мм
Диаметр вала под манжет
dм=17 мм
Диаметр вала под подшипник
dп=20 мм
Диаметр вала под шестерни
dп=24 мм
Тихоходный вал редуктора
мм, принимаем d=26 мм
Диаметр вала под манжет
dм=28 мм
Диаметр вала под подшипник
dп=30 мм
Диаметр вала под колесо
dk=34 мм
Промежуточный вал редуктора
мм, принимаем d=20 мм
Диаметр вала под подшипник
dп=20 мм
Диаметр вала под колесо
dп=22 мм
Диаметр вала под шестерни
dп=24 мм
.2 Подбор
подшипников
Необходимый
ресурс работы подшипника
[Lh] = 24×КСУТ×365КГОд×Т (3.2)
где КСУТ,КГод - коэффициенты
использования подшипников во времени;
КСУТ=0,26; КГОд=0,6
Т - полный срок службы; Т=5 лет
[Lh ] = 24×0,26×365×0,6×5 = 6833 ч
Ресурс
подшипника
(3.3)
где L- номинальная долговечность
(3.4)
где Сr - каталожная динамическая грузоподъемность, Н
R - эквивалентная расчетная нагрузка на подшипник
т - степенной показатель, для шарикоподшипников т=3
n - частота вращения кольца подшипника, мин-1
Подшипники
на быстроходный вал
По таблице 24.15 принимаем радиально-упорный однорядный
подшипник средней серии 46304
Размеры: d=20 мм, D=52, B=15, r=1.1, Dw=9.525,
Грузоподъёмность: Cr=17.8 кН, C0r=9.0 кН
Выбранные подшипники удовлетворяют условию прочности по
динамической грузоподъемности
Подшипники
на промежуточный вал
По таблице 24.15 принимаем радиальный шарикоподшипник
однорядный легкой серии 50204
Размеры: d=20 мм, D=52, B=15, r=1.1, Dw=9.525,
Грузоподъёмность: Cr=17.8 кН, C0r=9.0 кН
Выбранные подшипники удовлетворяют условию прочности по
динамической грузоподъемности
Подшипники
на тихоходный вал
По таблице 24.15 принимаем радиальный шарикоподшипник
однорядный легкой серии 50206
Размеры: d=30 мм, D=62, B=16, r=1.5, Dw=9525,
Грузоподъёмность: Cr=19.5 кН, C0r=10.0 кН
Выбранные подшипники удовлетворяют условию прочности по
динамической грузоподъемности
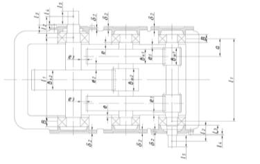
4. Эскизная компоновка редуктора


Толщина
стенки корпуса и крышки
d = 0,025×аWT+3 мм (4.1)
где аWT=80 мм - межосевое расстояние в тихоходной
ступени
d = 0,025×80+3 = 5 мм
Принимаем б = 5 мм
Расстояние от внутренней стенки редуктора до
торца вращающейся детали
е1=1,1*d =1,1*5=5,5 мм (4.2)
Расстояние от торца подшипника качения до
внутренней стенки корпуса редуктора зубчатого конического
е=0,5*d4=4 мм (4.3)
Ширина подшипника
В1=18 мм, В2=14 мм
Наименьший зазор между внутренней стенкой корпуса
редуктора и зубчатым колесом
b≈1.2*d≈1.2*5≈6 мм (4.4)
Расстояние между вращающимися колесами смежных
ступеней
е2=0,75*d=0,75*5=3,75 мм (4.5)
Расстояние между зубчатым колесом и валом
е3=1,75*d=1,75*5=8,75 мм (4.6)
Расстояние от окружности выступов наибольшего
зубчатого колеса до внутренней поверхности днища
в0=7,5*m=7,5*1,5=11,25 мм (4.7)
5. Расчет клиноременной передачи
Крутящий
момент на быстроходном валу
(5.1)
Н×м
По таблице 7.2 принимаем сечение ремня "0"
Диаметр ведущего шкива dР1 = 80 мм
Диаметр ведомого шкива
dР2 = dP1×uP×(1-x) (5.2)
где x - коэффициент
скольжения клинового ремня; x = 0,02
dР2 = 80×2,89×(1-0,02) = 226 мм
По ГОСТ 17383-73 принимаем dP2 = 224 мм
Фактическое передаточное число
(5.3)
Скорость пробега ремня
(5.5)
Частота вращения ведомого шкива
(5.6)
мин-1
Межосевое расстояние
а = 1×dР2 (5.7)
а = 1×224 = 224
мм
Расчетная
длина ремня
(5.8)
мм
По ГОСТ 1284 1-89 принимаем L = 1000 мм
Уточняем
межосевое расстояние
(5.9)
Минимальное межосевое расстояние
аMin = а+0,025×L (5.10)
аMin = 248+0,025×1000 = 273 мм
Угол
обхвата на меньшем шкиве
(5.11)
Относительная длина ремня
Допускаемая мощность на один ремень
(5.12)
где N0 - исходная мощность на один ремень; при dP1=80 мм и V=2,9 м/с NO=0,719 кВт;
Ca - коэффициент угла обхвата, Ca=0,89 [ таблица 7.4 ]
CL - коэффициент длины ремня; CL=0,86 [ таблица 7.5 ]
DNH - поправка к мощности
DNH =
0,0001×DMH×nДВ
где DМН - поправка к крутящему моменту на
передаточное число;
DМН=0,5 [ таблица 7.6]
DNН = 0,0001×1,2×700 = 0,035 кВт
СР - коэффициент режима работы
СР=0,84 [ таблица 7,7 ]
[N] = (0,719×0,89×0,86+0,035)×0,84 = 0,35 кВт
Расчетное
число ремней
Действительное число ремней
(5.12)
где Ct - коэффициент неравномерности нагрузки; Ct=0,9 [3, c 47 ]
Принимаем число ремней Z=3
Сила начального натяжения одного ремня
(5.13)
где g =0,1 кг/м
Н
Усилие,
действующее на валы передачи
(5.14)
Н
Размеры обода шкивов [ таблица 7.2]
h =7 мм h1 min= 6 мм
в = 2,5 мм a1 = 36о
e = 12 мм a2 = 38о
f = 8 мм
Наружные
диаметры шкивов
d1 = dPi + 2в (5.15)
d1 = 80+2×2,5 = 80 мм
d2 = 224+2×2,5 = 229 мм
Ширина
обода шкивов
М = (Z-1)×е+2×f (5.16)
M = (3-1)×12+2×8 =40 мм
6.
Построение эпюр изгибающих и крутящих моментов для валов привода
.1
Расчет быстроходного вала
Составляющие усилия в зацеплении
Окружная
(6.2)
Радиальная
(6.3)
Осевая
(6.4)
где
-крутящий момент на валу,
-делительная окружность
зубчатого колеса,
-угол захвата,
-угол наклона зуба.
Определим
силы, действующие на вал.
;
;
;
;
Q=807 Н;
Составляющие усилия в зацеплении
Окружная
Радиальная
Осевая
Построим
эпюру крутящих моментов в вертикальной плоскости.
Определим реакции опор.
RAX=RBX=Ft=3342 H
Ma= RBXa=3342*0.041=137
Построим эпюру крутящих моментов в горизонтальной
плоскости.
Определим
реакции опор.
RBY=721 H
RAY=3765 H
участок
Мa(0)=0 Н×м
Ma(0.041)=30 Н×м
участок
Мa(0)=-499 Н×м
Мa(0.088)=512 Н×м
участок
Мa(0)=-56.49 Н×м
Ma(0.041)=17 Н×м
участок
Ma(0)=0 кН·см
Ma(0.07)=-56.49 Н×м
Расчет
вала на статическую прочность
Коэффициент
запаса прочности
(6.5)
где sТ - пробел текучести материала;
для стали 45 sТ = 540 МПа [ 1, таблица 2.1]
Kn - коэффициент перегрузки
sЭКВ - эквивалентное напряжение
(6.6)
где М - результирующий изгибающий момент в опасном сечении
(6.7)
где МХ, МУ - максимальный горизонтальный и
вертикальный моменты
МХ = 137 Н×м, МУ = 512 Н×м (из эпюры)
530 Н×м
W -осевой момент сопротивления
(6.8)
м3
МПа
Выбранный материал для вала сталь45 удовлетворяет условию
прочности, т.к. ST = 4.87 >[ST ] = 1…3
.2 Расчет промежуточного вала
Составляющие усилия в зацеплении
Окружная
;
(6.9)
Радиальная
;
(6.10)
Осевая
(6.11)
где
-крутящий момент на валу,
-делительная окружность зубчатого колеса,
-угол захвата,
-угол наклона зуба.
Определим
силы, действующие на вал.
;
;
;
;
;
Составляющие усилия в зацеплении
Для колеса
Окружная
Радиальная
Осевая
Для шестерни
Окружная
Радиальная
Построим
эпюру крутящих моментов в вертикальной плоскости.
Определим реакции опор.
участок
Мa(0)=0 Н×м
Ma(0.041)=429 Н×м
участок
Мa(0)=429 Н×м
Мa(0.045)=512 Н×м
участок
Мa(0)=4295 Н×м
Ma(0.045)=755 Н×м
участок
Ma(0)=0 Н×м Ma(0.041)=429 Н×м
Построим
эпюру крутящих моментов в горизонтальной плоскости.
Определим
реакции опор.

участок
Мa(0)=0 Н×м
Ma(0.041)=191 Н×м
участок
Мa(0)=703 Н×м
Мa(0.045)=1150 Н×м
участок
Мa(0)=703 Н×м
Ma(0.045)=1150 Н×м
участок
Ma(0)=703 Н×м
Ma(0.041)=0 Н×м
Расчет
вала на статическую прочность
Коэффициент
запаса прочности
(6.11)
где sТ - предел текучести материала;
для стали 45 sТ = 540 МПа [ 1, таблица 2.1]
Kn - коэффициент перегрузки
sЭКВ - эквивалентное напряжение
(6.12)
где М - результирующий изгибающий момент в опасном сечении
(6.13)
где МХ, МУ - максимальный горизонтальный и
вертикальный моменты
МХ = 755 Н×м, МУ = 1150 Н×м (из эпюры)
1375 Н×м
W -осевой момент сопротивления
(6.14)
м3
МПа
Выбранный материал для вала сталь45 удовлетворяет условию
прочности, т.к. ST = 2,49 =[ST ] = 1…3
.3 Расчет тихоходного вала
Составляющие усилия в зацеплении
Окружная
; (6.15)
Радиальная
(6.16)
Осевая
где
-крутящий момент на валу,
-делительная окружность зубчатого колеса,
-угол захвата,
-угол наклона зуба.
Определим
силы, действующие на вал.
;
;
Составляющие усилия в зацеплении
Окружная
Радиальная
Построим
эпюру крутящих моментов в вертикальной плоскости.
Определим реакции опор.
1 участок
Мa(0)=0 Н×м
Ma(0.041)=579 Н×м
участок
Мa(0)=579 Н×м
Мa(0.045)=0 Н×м
Определим
реакции опор.
H
H
участок
Мa(0)=0 Н×м
Ma(0.041)=191 Н×м
участок
Мa(0)=703 Н×м
Мa(0.045)=1150 Н×м
участок
Мa(0)=703 Н×м
Ma(0.045)=1150 Н×м
участок
Ma(0)=703 Н×м
Ma(0.041)=0 Н×м
Расчет
вала на статическую прочность
Коэффициент
запаса прочности
(6.17)
где sТ - предел текучести материала;
для стали 45 sТ = 540 МПа [ 1, таблица 2.1]
Kn - коэффициент перегрузки
sЭКВ - эквивалентное напряжение
(6.18)
где М - результирующий изгибающий момент в опасном сечении
(6.19)
где МХ, МУ - максимальный горизонтальный и
вертикальный моменты
МХ = 579 Н×м, МУ = 248 Н×м (из эпюры)
629 Н×м
W -осевой момент сопротивления
(6.20)
м3
МПа
Выбранный материал для вала сталь45 удовлетворяет условию
прочности, т.к. ST = 2,44 =[ST ] = 1…3
7.
Расчет подшипников
.1 Расчет подшипников на
быстроходный вал
Расчет
подшипников на динамическую грузоподъемность
P-эквивалентная расчетная
нагрузка на подшипник
где
-радиальная нагрузка на
подшипник (Н).
-осевая нагрузка на
подшипник (Н).
X-коэффициент радиальной
нагрузки (табл. 6.1).
Y-коэффициент осевой нагрузки
(табл. 6.1)
-коэффициент безопасности
-температурный
коэффициент
Выбираем коэффициент X и Y. Отношение
По таблице 6,1 [6. C.197] определяем
.
, то X=0,56, Y=1,71
По таблице 20 [6. c. 262] по скорости вращения
внутреннего кольца и долговечности подшипника определяем отношение
для шарикоподшипников.
Следовательно, потребуется динамическая
грузоподъемность:
Выбранный подшипник
удовлетворяет условию динамической нагрузки
Расчет
на статическую грузоподъемность
-эквивалентная расчетная
нагрузка на подшипник
,где
-радиальная нагрузка на
подшипник (Н).
-осевая нагрузка на
подшипник (Н).
-коэффициент радиальной
нагрузки (табл. 6.1).
-коэффициент осевой
нагрузки (табл. 6.1)
Для правильного выбора подшипника должно
выполнять условие:
Условие статической
грузоподъемности выполняется.
.2 Подбор подшипников на тихоходный вал
Расчет
подшипников на динамическую грузоподъемность
P-эквивалентная расчетная
нагрузка на подшипник
где
-радиальная нагрузка на
подшипник (Н).
осевая нагрузка на
подшипник (Н).
X-коэффициент радиальной
нагрузки (табл. 6.1).
Y-коэффициент осевой
нагрузки (табл. 6.1)
-коэффициент безопасности
-температурный
коэффициент
Выбираем коэффициент X и Y. Отношение
По таблице 6,1 [6. C.197] определяем
.
, то X=1, Y=0
По таблице 20 [6. c. 262] по скорости вращения
внутреннего кольца и долговечности подшипника определяем отношение
для роликовых подшипников.
Следовательно, потребуется динамическая
грузоподъемность:
Выбранный подшипник
удовлетворяет условию динамической нагрузки
Расчет
на статическую грузоподъемность
-эквивалентная расчетная
нагрузка на подшипник
где
-радиальная нагрузка на
подшипник (Н).
осевая нагрузка на
подшипник (Н).
-коэффициент радиальной
нагрузки (табл. 6.1).
-коэффициент осевой
нагрузки (табл. 6.1)
Для правильного выбора подшипника должно
выполнять условие:
Условие статической
грузоподъемности выполняется.
7.3 Расчет подшипников на
тихоходный вал
Расчет
подшипников на динамическую грузоподъемность
P-эквивалентная расчетная
нагрузка на подшипник
где
-радиальная нагрузка на
подшипник (Н).
-осевая нагрузка на
подшипник (Н).
X-коэффициент радиальной
нагрузки (табл. 6.1).
Y-коэффициент осевой
нагрузки (табл. 6.1)
-коэффициент безопасности
-температурный
коэффициент
Так как осевая нагрузка на подшипник
, то проверку на
динамическую нагрузку произвести не получится, тогда оставляем выбранный
подшипник.
Расчет
на статическую грузоподъемность
-эквивалентная расчетная
нагрузка на подшипник
где
-радиальная нагрузка на
подшипник (Н).
-осевая нагрузка на
подшипник (Н).
-коэффициент радиальной
нагрузки (табл. 6.1).
-коэффициент осевой
нагрузки (табл. 6.1)
Для правильного выбора подшипника должно
выполнять условие:
Условие статической
грузоподъемности выполняется.
8. Проверка прочности шпоночных соединений
Принимаем шпонки призматические, размеры шпонок и пазов по
ГОСТ 23360-72 [1]
Материал шпонок сталь45 нормализованная
Напряжения смятия из условия прочности:
(6.1)
где М - момент, передаваемый валом;
d - диаметр вала
h - высота шпонки
l - длина шпонки, принимаем на 5..10 мм меньше длины ступицы из
ряда длин
в - ширина шпонки
8.1 Проверка прочности шпонок на быстроходном
валу
На валу установлена 1 шпонка под стальной шкив.
Посадочный диаметр d=15 мм
Передаваемый момент Нб=38,44 Н×м
Размеры шпонки в*h*l = 5×6×40, t1=2.5 мм
Напряжения смятия
МПа
sCМ=102
МПа< [sСМ]=120 МПа условие прочности выполняется
8.2 Проверка прочности шпонок на промежуточном
валу
На валу установлены две одинаковые шпонки под цилиндрические
колеса.
Посадочный диаметр d=22 мм
Передаваемый момент МПР=184,57 Н×м
Размеры шпонок в*h*l = 6×7×32, t1= 3.5 мм
Напряжения смятия
МПа
Прочность
шпонок обеспечена
8.3 Проверка прочности шпонок на тихоходном валу
На валу установлена шпонка под цилиндрическое колесо;
Посадочный диаметр d=33 мм
Передаваемый момент МТ=859,63 Н×м
Размеры шпонки в*h*l = 10*9*39, t1=3.8 мм
Напряжения смятия
МПа
На валу установлена 1 шпонка под стальное колесо.
Посадочный диаметр d=26 мм
Передаваемый момент МТ=859,63 Н×м
Размеры шпонки в*h*l = 8*7*39, t1=3.5 мм
Напряжения смятия
Мпа
Прочность шпонок обеспечена
9.
Выбор масла
Смазывание зубчатых колес производится опусканием их в масло,
заливаемое внутрь корпуса до уровня, обеспечивающего погружение колес на 10….12
мм
Требуемую вязкость масла определяют в зависимости от
контактного напряжения и окружной скорости колес
Быстроходная ступень: V = 1,46 м/с, [sП ] = 549,15 Н/мм2
Тихоходная ступень: V = 0,08 м/с, [sП ] = 644.5 Н/мм2
Рекомендуемая вязкость масла должна быть примерно равна
n = 34×10-6 м3/с
[1, таблица 11.1]
Такой вязкости соответствует масло индустриальное И-Г-А-32
ГОСТ20799-75
Список литературы
1. П.Ф. Дунаев, О.П. Леликов. Конструирование
узлов и деталей машин. М "Высшая школа", 1985 г. -416с
. П.Ф. Дунаев, О.П. Леликов. Детали машин.
Курсовое проектирование М "Высшая школа", 1990 г. -399с
. Е.Ф. Катаев, Ю.Т. Костенко. Расчет передачи
зацеплением. Белгород, 1993 г. -61с
. Е.Ф. Катаев, Ю.Т. Костенко, Н.В. Столбов.
Расчет и конструирование валов и подшипников. Белгород,1995 г. -87с
. И.А. Биргер и др. Расчет на прочность деталей
машин; справочник М "Машиностроение", 1972 г. -702 с.