Оптимальний спосіб перегонки і ректифікації спирту для заводу потужністю 4000 дал/добу

  • Вид работы:
    Курсовая работа (т)
  • Предмет:
    Другое
  • Язык:
    Украинский
    ,
    Формат файла:
    MS Word
    91,62 Кб
  • Опубликовано:
    2015-03-15
Вы можете узнать стоимость помощи в написании студенческой работы.
Помощь в написании работы, которую точно примут!

Оптимальний спосіб перегонки і ректифікації спирту для заводу потужністю 4000 дал/добу















Оптимальний спосіб перегонки і ректифікації спирту для заводу потужністю 4000 дал/добу

Вступ

Етиловий спирт відіграє важливу роль в народному господарстві. Харчова промисловість - його головний споживач: спирт використовують при виготовленні лікеро-горілчаних та плодово-ягідних напоїв, для кріплення виноматеріалів і купажування виноградних вин, у виробництві оцету, харчових ароматизаторів і парфюмерно-косметичних виробів. У мікробіологічній і медичній промисловості спирт потрібний для осадження ферментних препаратів із культуральної рідини або екстракту із твердофазної культури, для одержання вітамінів та інших препаратів і ліків, також етиловий спирт використовується як дезинфікуючий засіб і як речовина, яка запобігає інфікуванню і псуванню лікувальних екстрактів (валеріани, пустирнику та ін.). Невелика кількість спирту використовується у хімічній, машинобудівній, автомобільній та інших галузях промисловості.

Таким чином,спиртова промисловість тісно зв'язана, з одного боку, з численними галузями народного господарства, для яких спирт є сировиною, основним і допоміжним матеріалами, з другого - із сільським господарством.

У даний час спиртова промисловість України являє собою одну з найбільших науково та технологічно розвинутих галузей. Саме в цій галузі широко застосовуються перспективні технологічні процеси, високий рівень механізації і автоматизації, проводяться роботи по виведенню нових рас і гібридів дріжджів.

Одним з найбільших процесів у спиртовій галузі є виробництво спирту з крохмалевмісної сировини та його складові частини - виділення спирту з бражки. Виділення спирту з бражки та його очистка відбуваються внаслідок перегонки і ректифікації.

Зріла бражка - багатокомпонентна система, що складається з води (82..90 % мас.), сухих речовин (4..10 % мас.) та етилового спирту із супровідними леткими домішками (5..9 % мас., або 6…11 об. %). Виділення спирту з бражки та його очистка відбуваються внаслідок перегонки й ректифікації. Під перегонкою розуміють розділення суміші летких речовин, що мають різну леткість, на окремі компоненти або фракції шляхом часткового випаровування та наступної конденсації пари. У процесі перегонки пара збагачується легколеткими (ЛЛК), а залишок (рідина) збагачується важколеткими компонентами (ВЛК). Ректифікація - складна багаторазова перегонка в протитечійному потоці, яка здійснюється в спеціальних апаратах - ректифікаційних колонах.

В даній курсовій роботі розглянуто і досліджено основи процесів перегонки і ректифікації, а також ректифікацію бражки з крохмалевмісної сировини, на брагоректифікаційних установках непрямої дії.

1. Аналітична частина

ректифікація перегонка спирт

1.1 Асортимент і характеристика проектованої продукції, сировини та допоміжних матеріалів

Асортимент і характеристика проектованої продукції

Залежно від ступеня очистки спирт етиловий ректифікований виготовляють таких сортів:

·   «Пшенична сльоза»

·        «Люкс»

·        «Екстра»

·        «Вищої очистки»

Таблиця 1 - Асортимент проектованої продукції.

Назва продукції

Відсоток від загальної кількості

Виробництво в дал



За добу

За рік

Умовний спирт-сирець, у тому числі:

100

4000

1080000

Спирт етиловий ректифікованй “Люкс”

95

3800

1026000

Головна фракція

2

80

21600

Сивушне масло

0,4

16

4320

Сивушний спирт

1

40

10800

Втрати під час перегонки та ректифікації

1,5

26,7

7209

Барда

100

3962,7

1069929


За органолептичними показниками спирт етиловий ректифікований повинен відповідати вимогам, зазначеним у таблиці 1.1

Таблиця 1.1-Органолептичні показники ректифікованого етилового спирту

Назва показника

Характеристика

Метод контролю

Зовнішній вигляд

Прозора рідина без сторонніх часток

Згідно з ДСТУ-4181

Колір

Безбарвна рідина

Згідно з ДСТУ-4181

Смак і запах

Характерний для кожного сорту етилового спирту, виробленого з відповідної сировини, без присмаку і запаху сторонніх речовин

Згідно з ДСТУ-4181


За фізико-хімічними показниками спирт етиловий ректифікований повинен відповідати вимогам, зазначеним в таблиці 1.2

Таблиця 1.2-Фізико-хімічні показники ректифікованого етилового спирту

Назва показника

"Пшенична сльоза"

"Люкс"

"Екстра"

“Вищої очистки'

Метод контролю

Об' ємна частка етилового спирту, за t+20°С, %,не менше

96,3

96,3

96,3

96,0

Згідно з ДСТУ 4181:2003

Проба на чистоту з сірчаною кислотою

витримує

витримує

витримує

витримує

-II-

Проба на окислюваність за t+20°С хв, не менше

23

22

20

15

-II-

Масова концентрація альдегідів у перерахунку на оцтовий альдегід в безводному спирті,мг/дм3, не більше

2,0

2,0

2,0

4,0

Згідно з ДСТУ 4181:2003 та ДСТУ 4222:2003

Масова концентрація сивушного масла:пропіловий, ізопропіловий,бутиловий ,ізобутиловий та ізоаміловий спирти, в перерахунку на суміш пропілового, ізобутилового та ізоамілового спиртів (3:1:1) в безводному спирті, мг/дм3, не більше

3,0

4,0

7,0

10,0

--//--

Масова концентрація еcтерів , у перерахунку на оцтовоетиловий естер в безводному спирті,мг/дм3,не більше

1,5

2,0

3,0

5,0

--//--

Об'ємна частка метилового спирту , в перерахунку на безводний спирт ,%, не більше

0,005

0,01

0,02

0,03

--//--

Масова концентрація вільних кислот (без СО2),в перерахунку на оцтову кислоту, в безводному спирті, мг/дм3,не більше

8,0

8,0

12,0

15,0

Згідно з ДСТУ 4181:2003

Масова концентрація органічних речовин , що омилюються, в перерахунку на оцтовий естер в безводному спирті, мг/дм3, не більше

12,0

18,0

25,0

30,0

--//--

Проба на фурфурол

витримує

витримує

витримує

витримує

--//--

Масова концентрація сухого залишку, мг/дм3, не більше

5,0

5,0

5,0

10,0

--//--


Таблиця 1.3-Характеристика сировини (зернових культур)

№п/п

Назва показника

Пшениця

Жито

Кукурудза

Ячмінь

1.

ДСТУ

ДСТУ3768-98."Пшениця. Технічні умови"

ГОСТ 16990-88"Рожь. Требования при заготовках и поставках"

ГОСТ 13634-90"Кукуру-за. Требования при заготовках и поставках"

ДСТУ 3769-98" Ячмінь.Тех-нічні умови"

2.

Колір

Світлоко-ричневий-коричневий

Світлокоричневий, Сірий

Жовтий, червоно-жовтий

Світло коричневий, жовтий

3.

Запах

Характерний для здорового зерна

Характерний для здорового зерна

Характерний для здорового зерна

Характерний для здорового зерна

4.

Вологість,% не більше

14,5

14,5

15,0

14,5

5.

Натура, г/дм3, не менше

710

715

780

620

6.

Засміче-ність,% не більше

5,0

5,0

5,0

2,0

7.

Зернова домішка,% не більше

15,0

15,0

15,0

15,0

8.

Зараженість

Кліщ до 2ст.

Кліщ до 2ст.

Кліщ 1ст . кліщ 1ст.


 

Таблиця 1.4-Характеристика головної фракції етилового спирту

Назва показника

Характеристика

Методи контролю

Об' ємна частка етилового спирту, %

Не менше 92,0

ТУУ 18.401-97 "Фракція головна етилового спирту. Технічні умови."

Масова концентрація альдегідів в перерахунку на оцтовий ,г/дм3 безводного спирту

Не більше 10,0

--//--

Масова концентрація вищих спиртів (сивушного масла) в перерахунку на суміш ізоамілового та ізобутилового спиртів (3:1),г/дм3 безводного спирту

Не більше 20,0

--//--

Масова концентрація складних ефірів в перерахунку на оцтово-етиловий, г/дмі безводного спирту

Не більше 30,0

--//--

Об' ємна частка метилового спирту, %

Не більше 1,5

--//--

Масова концентрація кислот в перерахунку на оцтову кислоту, г/дмі безводного спирту

Не більше 1,0

--//--


Таблиця 1.5-Характеристика сивушного масла

Органолептичні і фізико-хімічні показники сивушного масла

Назва показника

Характеристика

Методи контролю

Зовнішній вигляд

Прозора рідина без механічних домішок та помутніння

ГОСТ 17071-91 "Масло сивушное. Технические условия"

Колір

Від світло-жовтого до світло-коричневого

--//--

Температурна границя пере- гонки при тиску 101,325 кПа (760мм.рт.ст),° С

Не менше 120,0

--//--

Об'ємна частка сивушного масла, %

Не менше 50,0

--//--

Показник заломлення ПД-20

Не менше 1,395

--//--

Густина при 20 ° С, г/см3

Не більше 1,0

--//--


Характеристика допоміжних, миючих, дезинфекційних засобів наведена в таблиці 1.6

Таблиця 1.6-Характеристика допоміжних, миючих, дезинфекційних засобів

Назва допоміжних матеріалів

Назва та позначення НД

Назва показника

Номінальне значення показника

Кислота сірчана технічна

Кислота серная техническая Технические условия-ГОСТ 2 184-77

Масова частка моно-гідрата ,%

Не менше 92,5

Концентровані ферментні препарати: оцукрюючий фермент Сан-Супер

Висновок державної санітарно-епідеміоло-гічної експертизи України №05.03.02-03/14946 від 16.04.2004р.

Зовнішній вигляд

Без осаду

Карбамід.

Карбамид Технические условия-ГОСТ 208 1-92

Зовнішній вигляд

Білий гранульований порошок

Ортофосфорна кислота

ГОСТ 10678-76



Хлорне вапно

Известь хлорная Технические условия-ГОСТ 1692-85

Масова частка активного хлору , %

Не менше 28

Каустична сода

Натр едкий технический Технические условия ГОСТ 2263-79

Зовнішній вигляд

Білий порошок


1.2 Принципова технологічна схема

Рис.1

1.3 Вибір і обґрунтування технологічних способів та режимів

Виділення спирту з бражки та його очистка відбуваються внаслідок перегонки і ректифікації. Під перегонкою розуміється розділення суміші летких речовин, що мають різну леткість, на окремі компоненти або фракції шляхом часткового випаровування та наступної конденсації пари. У процесі перегонки пара збагачується легколеткими компонентами (ЛЛК), а залишок (рідина) збагачується важколеткими компонентами (ВЛК). Ректифікація - складна багаторазова перегонка в протитечійному потоці, яка здійснюється в спеціальних апаратах - ректифікаційних колонах. Теорія перегонки й ректифікації спирту базується на основі законів П.Д.Коновалова і М.С.Вревського.

Леткість окремих компонентів бінарної суміші характеризують коефіцієнтом випаровування К=У/Х - відношенням концентрації даної речовини у паровій фазі Y до концентрації її у рідкій фазі X при умові, що розглянуті фази бінарної суміші находяться у рівноважному стані.

Летка частина бражки складається в основному з води і етанолу, тому в процесі виділення спирту бражку розглядають як бінарну суміш етанолу і води.

При очистці спирту від супровідних летких домішок доводиться піддавати розділенню багатокомпонентну суміш.

Для оцінки леткості домішок у порівнянні з леткістю етилового спирту введено поняття "коефіцієнт ректифікації" домішок.

К' = КДС = в • Х / (б • У),

де, Кд = в /б - коефіцієнт випаровування домішок; б і в - вміст домішок у рідини та парі;

Кс - коефіцієнт випаровування етанолу; X і У - вміст етанолу в рідині та парі.

Коефіцієнт ректифікації показує, на скільки збільшується або зменшується вміст у парі домішки по відношенню до етанолу в порівнянні з рідиною. Він дозволяє в наочній формі відобразити поведінку домішки в процесі ректифікації. Коефіцієнти випаровування і ректифікації домішок залежать від концентрації етанолу у водному розчині, з якого виділяються домішки. Через те, що в спирті - сирці (не очищеному від супутніх домішок) вміст домішок невеликий (звичайно в сумі не перевищує 0,6 % від кількості етанолу), допускають, що леткість окремих домішок не залежить від наявності у розчині інших домішок.

Ректифікація - процес розділення рідких летких сумішей на компоненти або групи компонентів (фракції) шляхом багаторазового двобічного масо- і теплообміну між протитечійно рухомими паровими та рідинними потоками. Необхідна умова ректифікації - різна леткість (пружність пари) окремих компонентів.

При взаємодії протитечійно рухомих потоків у процесі ректифікації відбувається дифузія легколеткого компонента з рідини в пару та важколеткого компонента з пари в рідину. Процес ректифікації здійснюється в спеціальних апаратах - ректифікаційних колонах. Спосіб контактування потоків у колонах може бути ступінчастим (у тарілчастих колонах) або безперервним (у насадних і плівкових колонах).

У колонах спеціальні контактні пристрої (тарілки, насадки) створюють умови, що сприяють максимальному наближенню взаємодіючих парового та рідинного потоків. Щоб ці потоки могли обмінюватись речовиною та енергією, вони повинні бути нерівноважні. При контактуванні потоків у результаті тепло - і масообміну величина нерівноважності зменшується. Далі потоки відділяються один від одного процес продовжується шляхом нового контактування цих фаз уже на другому суміжному ступені з другими рідинними та паровими потоками. В одній повній ректифікаційній колоні можна розділити на чисті компоненти тільки бінарну суміш. Для розділення багатокомпонентних сумішей застосовують декілька послідовно працюючих ректифікаційних колон, кожна з яких розділяє суміш, яка поступає до неї, на дистилят, що складається з одного або кількох легколетких компонентів, і залишок, що складається з важколетких компонентів.

Усі відомі домішки за леткістю можна згрупувати в чотири види: головні, хвостові, проміжні та кінцеві.

До головних домішок належать ті, які мають більшу леткість, тобто більший коефіцієнт випаровування, ніж етиловий спирт, при всіх концентраціях його у розчині. Для них завжди К' > 1.

Спирто-водяна суміш у даному випадку виступає у ролі ВЛК. Основні представники головних домішок - оцтовий і масляний альдегіди, акролеїн, мурашиноетиловий, оцтовометиловий, оцтовоетиловий, диетиловий ефіри та ін. Леткість хвостових домішок завжди менша леткості спирту (К' < 1), тому хвостові домішки у суміші із спирто-водяною рідиною можуть розглядатися як ВЛК. Вони будуть виходити в залишок. Типовими хвостовими домішками є, наприклад, оцтова кислота і фурфурол.

Проміжні домішки мають подвійні властивості. При високих концентраціях етанолу вони мають характер хвостових домішок (К′<1), а при низьких, навпаки, - характер головних домішок (К'>1). При визначеній концентрації етанолу у водно-спиртових розчинах леткість проміжних домішок дорівнює леткості етанолу (К'=1). Основні представники проміжних домішок - ізоаміловий, ізобутиловий, пропіловий спирти, ізовалеріаноізоаміловий, оцтовоізоаміловий, ізовалеріановий ефіри.

Для кінцевих домішок, як і для проміжних, характерна леткість у локальних умовах, однак на противагу їм кінцеві домішки мають коефіцієнт ректифікації К'>1 при високих концентраціях спирту і К'<1 при низьких концентраціях. Характерна кінцева домішка - метанол.

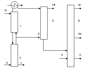
Брагоректифікаційні установки

При одержані ректифікованого спирту з бражки використовують браго- ректифікаційні установки. Вони, звичайно мають три основні колони та 1...3 додаткові, що встановлюються в разі необхідності.

Основними колонами в БРУ є: бражна, епюраційна і спиртова. Бражна колона використовується для відокремлення леткої частини бражки від нелеткої. Бражка звільнена від леткої частини відводиться з нижньої частини колони у вигляді барди. З нею відводяться екстрактивні речовини, завислі частки, значна частина води та хвостових домішок. Летка частина бражки, що містить етиловий спирт, воду й супровідні леткі домішки, у вигляді пари, або бражного дистиляту надходить на живлення епюраційної колони. Далі проходить процес очистки спирту.

За складом спирто-водяна пара, що виходить з бражної колони й бражний дистилят не відрізняється від слабоградусного спирту-сирцю в спирто-водяній парі з концентрацією - 35...55 % об. Склад і концентрація домішок спирту в основному такі ж. В залежності від включення бражної колони в схему розрізняють БРУ непрямої, прямої та напівпрямої дії.

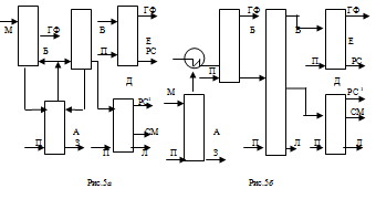
Брагоректифікаційна установка прямої дії

Принципова особливість установок прямої дії полягає в тому, що живлення ректифікаційної колони відбувається спиртоводною парою, що виходить безпосередньо з бражної колони (рис.1а).

В установках прямої дії теплота гріючої пари використовується дворазово. Свіжа гріюча пара вводиться тільки в нижню частину бражної колони А, а епюраціїна колона Б й ректифікаційна В обігріваються спирто-водяною парою, що виходить з верхньої частини бражної колони. В бражну колону подають бражку, звільнену від головних домішок (епюровану) і флегму, яка надходить з ректифікаційної колони. Таким чином, в бражній колоні відбувається спільне вилучення спирту з бражки й флегми. Концентрація сухих речовин у барді при цьому зменшується за рахунок розбавлення її лютерною водою, що утворюється після вилучення спирту з флегми.

Принцип побудови схеми БРУ прямої дії:

А-бражна колона, Б-епюраціїна колона, В-ректифікаційна колона, П-гріюча пара, М-бражка, З-барда, Л-лютерна вода, СМ-сивушне масло, ГФ-головна фракція, РС-ректифікований спирт.

На рис.2 подана видозмінена схема установки прямої дії, у якій передбачено розділене виділення спирту з бражки й флегми.

В зв’язку з цим потрібне додаткове введення гріючої пари в нижню частину ректифікаційної колони, але при цьому барда не розбавляється лютерною водою.

Рис.2а     Рис.2б

Рис. 2 Принцип побудови схеми БРУ прямої дії

Брагоректифікаційна установка непрямої дії

Принципова особливість установки непрямої дії (рис.3) - попереднє вилучення з бражки спирту й домішок, в результаті чого одержується спирт-сирець (бражний дистилят), який направляється в епюраційну колону, а потім в спиртову колону. Спирто-водяна пара, що виходить з бражної колони А, надходить в конденсатор. В епюраційну колону Б подають бражний дистилят, який надходить з конденсатора.

Спирто-водяний дистилят в колоні Б очищується від головних домішок під дією свіжої гріючої пари. Рідкий епюрат, що надходить в колону В, звільняється від хвостових й проміжних домішок також в результаті введення гріючої пари.

Треба відмітити, що в установках непрямої дії колони зв’язані між собою тільки рідинними потоками, в той час як в установках прямої дії-рідинними й паровими потоками, що ускладнює управління ними.

Принцип побудови схеми БРУ непрямої дії.

А-бражна колона, Б-епюраціїна колона, В-ректифікаційна колона, П-гріюча пара, М-бражка, З-барда, Л-лютерна вода, СМ-сивушне масло, ГФ-головна фракція, РС-ректифікований спирт.

Рис. 3 Принцип побудови схеми БРУ непрямої дії

 

Брагоректифікаційна установка напівпрямої дії

Особливість БРУ напівпрямої дії полягає в епюрації бражки за рахунок обігріву епюраційної колони водно-спиртовими парами бражної колони. Ця установка подібна до установки прямої дії, але до неї входять суттєво відрізняючі елементи: ректифікаційна колона живиться частково епюрованим паром з бражної колони (що притаманно БРУ прямої дії), колона Г є залишком (відгінною частиною) епюраційної колони установок прямої дії. Ці установки більш складні в експлуатації, але приблизно 10-15% менше споживають гріючої пари та холодної води.

Принцип побудови схеми БРУ напівпрямої дії.

А-бражна колона, Б-епюраціїна колона, В-ректифікаційна колона, Г-колона попередньої епюрації бражки; П-гріюча пара, М-бражка, З-барда, Л-лютерна вода, СМ-сивушне масло, ГФ-головна фракція, РС-ректифікований спирт.

 

Рис. 4 Принцип побудови схеми БРУ напівпрямої дії.

 

Брагоректифікаційні установки з додатковими колонами

Включення додаткових колон (Е-остаточної очистки, Д-сивушної) не залежить від принципу дії установки. На рис.5 а,б наведені схеми установок прямої та непрямої дії з двома додатковими колонами. З метою збільшення ректифікованого спирту було запропоновано і реалізовано на більшості заводів додаткове встановлення колони для розгонки головної фракції, що дало можливість заводам зменшити відбір побічного продукту (головної фракції) з 3…5 % до 0,1…0,2 %, при цьому відповідно збільшився вихід ректифікованого спирту.

Принцип побудови схеми БРУ з додатковими колонами

А-бражна колона, Б-епюраціїна колона, В-ректифікаційна колона,Д-сивушна колона;Е-остаточної очистки колона; П-гріюча пара, М-бражка, З-барда, Л-лютерна вода, СМ-сивушне масло, ГФ-головна фракція, РС і РС-ректифікований спирт

Рис.5 Принцип побудови схеми БРУ з додатковими колонами

Додаткові колони: сивушна, остаточної очистки, розгінна.

Завдяки установці розгінної колони, можна виділити основну масу спирту з ГФ, а головні домішки одержати в концентрованому вигляді, внаслідок чого вихід ректифікованого спирту підвищується з 94…96 до 98…98,5 % від спирту введеного з бражкою.

Колона має 40...45 багатоковпачкових тарілок з міжтарілковою відстанню 170 мм , забезпечена дефлегматором і декантатором. Живлення (ГФ) подається на 24...28-му тарілку знизу колони, на верхню вводиться гаряча лютерна вода, а в нижню частину колони - гріюча пара.

При надходженні води на верхню тарілку колони концентрація спирту на тарілках знижується, леткість головних домішок збільшується, в результаті чого вони добре вилучаються. Спирт звільнений від домішок, виходить з нижньої частини колони (кубова рідина) і направляється до бражки або в бражну колону і таким чином вводиться знову в цикл брагоректифікації.

Головні домішки концентруються у верхній частині розгінної колони. Після конденсації пари, яка виходить з колони, одержується гетерогенна суміш, що складається з ефірів, альдегідів, води й невеликої кількості спирту, яку направляють в декантатор для розшарування.

Верхній шар, що являє собою концентрат головної фракції (КГФ) з невеликим вмістом спирту, виводиться з установки як побічний продукт ректифікації .

Нижній водяний шар, в якому міститься деяка кількість головної фракції і залишок спирту надходить на зрошення колони (флегма).

У колоні остаточної очистки з ректифікованого спирту виділяють залишки головних і кінцевих домішок, внаслідок чого покращуються органолептичні й аналітичні показники якості спирту. Типова колона обігрівається закритою парою, має 30 багатоковпачкових тарілок, 20 з них - у відгінній частині.

Головні і кінцеві домішки, які виділені в нижній частині колони та сконцентровані у вигляді головної фракції, відбирають у кількості 0,5…1 % від спирту, що введений до колони. Головна фракція поступає до верхньої частини епюраційної колони, а при наявності розгінної колони приєднується до ГФ епюраційної колони. Ректифікований спирт видаляється з нижньої частини колони. За такої схеми колона остаточної очистки працює в режимі повторної епюрації й ефективна при підвищеному вмісті метанолу , однак при цьому за нашими розрахунками кількість тарілок належить збільшити до 45…60 (з них 35…45 у відгінній частині).

Колона остаточної очистки може працювати в режимі повторної ректифікації.

У цьому випадку живлення (пастеризований спирт з ректифікаційної колони) подається на 2…4-у тарілку, рахуючи знизу, а ректифікований спирт відводиться з рідкої фази з 6-10-х тарілки, рухаючись зверху. Спирт очищується переважно в результаті пастеризації , одночасно він (на 0,2…0,3 %) концентрується, в той час як при роботі в режимі повторної епюрації концентрація спирту знижується на 0,05… 0,1 %. При експлуатації колони в режимі повторної ректифікації з куба необхідно відводити невелику кількість (2…5 % ) спирту зниженої концентрації (біля 80 %) в ректифікаційну колону (на тарілку живлення).

У сивушній колоні відбувається подальше концентрування сивушного масла та інших проміжних домішок, що почалося в спиртовій колоні. До неї подаються сивушна фракція й сивушний спирт , що відбирається зі спиртової колони в зоні концентрування проміжних домішок. Типова сивушна колона подібна спиртовій, має 56 багатоковпачкових тарілок, забезпечена дефлегматором і конденсатором. Обігрівання колони може бути як відкритою, так і закритою парою. У відгінній частині встановлюють 15…17 тарілок. Між відгінною та концентраційною частиною колони розташовують акумулятор, у якому знаходиться значний об’єм спирто-водної рідини, що забезпечує стабільну роботу колони. Висота шару рідини в акумуляторі від 200 до 700 мм. Живлення в колону подають на тарілку, що розташована безпосередньо над акумулятором.

Концентровані проміжні продукти відбирають з акумулятора, де накопичується велика кількість сивушного масла (СМ), в результаті чого, флегма, яка надходить до нього розшаровується, утворюючи верхній шар з високим вмістом спиртів (концентрат сивушного масла) й нижній - підсивушний, що складається з розчину етилового спирту та інших компонентів у воді.

Частина акумулятора, в якому розміщено зливний стакан вище тарілки, відділена перегородкою від основного об’єму так, що утворюється кишеня. Перегородка знизу не доходить до дна, а зверху закінчується вище рівня рідини, завдяки чому кишеня сполучається,

з іншою частиною акумулятора і встановлюється спокійна поверхні рідини в кишені. На рівні рідини до кишені прикріплений ліхтар, через який відводиться з акумулятора концентрат сивушного масла.

Етиловий спирт і головні домішки концентруються у верхній частині колони і відводиться у епюраційну колону. Інколи цей спирт відбирають як технічний. Знизу колони відводиться лютерна вода.

Брагоректифікаційні установки, що працюють під розрідженням

Брагоректифікаційні установки споживають велику кількість теплоти. З метою зниження енерговитрат створенні установки, в яких одна або декілька колон працюють під вакуумом. Це означає, що теплота гріючої пари в цих апаратах використовується багаторазово.

Такі установки, як правило, створюються на базі апаратів непрямої дії за двома варіантами.

За першим варіантом під розрідженням працює бражна колона (іноді і епюраційна), обігрівається вона за рахунок теплоти конденсації спиртової пари спиртової колони (іноді сивушної).

За другим варіантом передбачається дія під розрідженням спиртової (іноді епюраційної) колони, а обігрівається вона за рахунок теплоти спирт-водяної пари, що виходить з бражної колони.

На вакуумних установках питомі витрати пари та води на 30-40 % нижчі у порівнянні з витратами на типових установках непрямої дії. Звичайно вони споживають 30-35 кг пари і 0,3-0,4 м3 води на 1 дал виробничого спирту. Додаткове споживання електроенергії біля 0,1-0,2 кВт*год/дал. За енергетичними показниками варіант перший має перевагу, тому що при експлуатації спиртової колони під розрідженням азеотропна точка спиртово-водяного розчину зсувається в сторону більш високих концентрацій спирту, внаслідок чого можна працювати при меншому флегмовому числі, а отже, з меншими витратами пари. В установках, що діють за другим варіантом, бражка підігрівається за рахунок теплоти конденсації пари спиртової колони (в дефлегматорі) та за рахунок теплоти барди. Установки, що працюють під розрідженням, більш складні за апаратурним оформленням та в експлуатації: для них потрібна більш жорстка і надійна система автоматизації для підтримання заданого технологічного режиму. Такі установки найбільш доцільно застосовувати на заводах великої потужності зі стабільним енергозабезпеченням. В довершені аналізу роботи брагоректифікаційних установок приводимо орієнтовані витрати які представлені в таблиці 1.7

Таблиця 1.7-Орієнтовані витрати пари і води на БРУ (на 1дал безводного спирту, отриманого з установки)

Колони

Вищої очистки


Витрати пари,кг

Витрати води,м3

Витрати парт,кг

Витрати води,м3

Непрямої дії

Бражна

18-22

0,05-0,1

18-20

0,05-0,1

Епюраційна

8-10

0,095-0,1

10-12

0,1-0,12

Ректифікаційна

20-24

0,2-0,24

28-30

0,28-0,3

Сивушна

3-4

0,035-0,05

3-4

0,035-0,05

Розгінна

2,5-3

0,03-0,035

3-4

0,035-0,05

Кінцевої очистки

3-4

0,04-0,05

4-5

0,03-0,06

Сумарні витрати для типової БРУ

56

0,44

62

0,52

Сумарні витрати для типової БРУ з додатковими колонами

67

0,575

69

0,68

Прямої дії

Бражна

32

--

35

--

Епюраційна

--

0,07-0,08

--

0,08-0,09

Ректифікаційна

--

0,08-0,09

--

0,09-0,1

Сумарні витрати

32

0,17

35

0,19

Напівпрямої дії

Бражна

24-25

--

27-28

--

Епюраційна

--

0,1-0,12

--

0,14-0,15

Ректифікаційна

16-17

0,22-0,23

21-22

0,24-0,25

Сумарні витрати

42

0,35

50

0,4

Установка яка працює під вакуумом

Бражна

25

--

27

--

Епюраційна

1,5

0,1-0,15

1,5

0,12

Ректифікаційна

1,5

0,2-0,25

1,5

0,3-0,35

Відгінна частина

3-4

--

4-5

--

Сумарні витрати

32

0,4

34,5

0,53


Таблиця 1.8 -Порівняльна характеристика брагоректифікаційних установок

Тип БРУ

Переваги

Недоліки

Особливості

п/п





1

Прямої дії

Теплота гріючої

Концентрація

Особливість



пари

сухих речовин у

установок такої



використовується

барді при

дії полягає у



дворазово.

одноразовій

живленні



Свіжа гріюча пара

подачі свіжої

спиртової колони



вводиться тільки

гріючої пари

спиртово-водяною



у нижню частиу

знижується за

парою, що



бражної колони, а

рахунок

виходить



епюраційна і

розбавлення її

безпосередньо із



спиртова колони

лютерною

бражної колони.



обігріваються

водою, що




спиртово-

утворюється




водяною парою,

після вилучення




що виходить з

спирту із




верхньої частини

флегми.




бражної колони.

При




У бражну колону

використанні




подають бражку

видозміненої




звільнену від

схеми установки




головних домішок

прямої дії




(епюровану), і

потрібне




флегму, яка

додаткове




надходить із

введення




спиртової колони.

граючої пари у




Таким чином, у

нижню(відгінну)




бражній колоні

частину




відбувається

спиртової




спільне вилучення

колони.




спирту з бражки і

Колони




флегми.

зв'язані між




Останнім часом

собою




розроблена дещо

рідинними і




видозмінена

паровими




схема установки

потоками, що




прямої дії, в якій

ускладнює




передбачено

регулювання їх




роздільне

роботи.




виділення спирту





з бражки і





флегми(барда не розбавляється з лютерною водою)



2

Непрямо (побічної) дії

Колони зв'язані

Відбір головної

Принципова



між собою тільки

фракції по

особливість



рідинними

відношенню до

установок



потоками, що

виробленого

побічної дії -



полегшує

спирту

попереднє



регулювання їх

становить 2-3%-

вилучення з



роботи.

нижчий вихід

бражки спирту й



Стабільні у

спирту у

супутніх йому



роботі, легкі у

порівнянні з

домішок, в



керуванні,

некласичною

результаті чого



регулюванні. На

установкою

одержують спирт-



них одержують

побічної дії.

сирець(бражний



спирт високої


дистилят), який у



якості.


рідкому вигляді





направляється в





епюраційну





колону, а потім у





спиртову для





очистки.





Спиртово-водяна





пара, що виходить





із бражної колони,





надходить у





конденсатор. В





епюраційну





колону подається





спиртово-





водяний(бражний)





дистилят, який





надходить з





конденсатора.

3

Напівпрямої (періодичної) дії

Приблизно на 10-

Більш складні в

Живлення



15% менше

експлуатації.

епюраційної



споживають


колони



гріючої пари та


відбувається



холодної води.


спиртово-водяною





парою, яка





виходить





безпосередньо з





бражної колони, а





не бражним дистилятом.

4

Установки, що працюють під розрідженням






Зниження енерговитрат при

Більш складні за апаратурним

Такі установки, як правило



брагоректифікації.

оформленням та

створюються на



Можна

в експлуатації:

базі апаратів



багаторазово

для них

непрямої дії за



використовувати

потрібна більш

двома варіантами:



теплоту гріючої

жорстка і

за варіантом 1 під



пари.

надійна система

розрідженням



На вакуумних

автоматизації

працює бражна



установках питомі

для підтримання

колона (іноді і



витрати пари та

заданого

епюраційна),



води на 30-40%

технологічного

обігрівається вона



нижчі ніж у

режиму.

за рахунок



порівнянні з


теплоти



витратами на


конденсації



типових


спиртової пари



установках


спиртової (іноді



непрямої дії.


сивушної колони;



Звичайно вони


за варіантом 2



споживають 30-


передбачається



35кг пари і 0,3-


дія під



0,4м3 води на


розрідженням



Ідал.


спиртової (іноді і



Виробленого


епюраційної)



спирту.


колони, а





обігрівається вона





теплоти спиртово-





водяної пари, що





виходить 3





бражної колони.





За енергетичними .





показниками





варіант 2 має





перевагу, тому що





при експлуатації





спиртової колони





під розрідженням





азеотропна точка





спиртово-





водяного розчину





зсувається у





сторону більш





високих





концентрацій



-


спирту, в наслідок





чого можна





працювати при





меншому





флегмовому числі,





а отже, з меншими





витратами пари.

5

Некласична установка непрямої дії (по патенту 2178)

Витрати пари

Необхідність

Використання



32-35 кг (70-80%)

використання

кип'ятильника-



дал

додаткового

конденсатора



Відбір головної

обладнання

епюраційної



фракції від 0,8-1%

(кип'ятильник-

колони.



по відношенню до

конденсатор




виробленого

епюраційної




спирту. За

колони).




рахунок цього

Додаткові




збільшується

витрати




вихід готового

пов'язані з




продукту

експлуатацією




(приблизно 2% у

цього




порівнянні з

обладнання




установкою

(поверхня




непрямої дії).

обміну його




Зменшується

50м2, що




нагрузка на

еквівалентно




спиртову і

приблизно




епюраційну

15000$.




колони , що





сприяє





підвищенню





якості спирту.





Виділення





домішок





покращується.




1.4 Опис апаратурно-технологічної схеми

Дозріла бражка, термін бродіння складає 72 год, з вмістом спирту 9,0-11,0 % об. Подається відцентровим насосом на перегонку в брагоректифікаційне відділення.

З бражки, що містить до 40 різноманітних компонентів, виділяють п’ять фракцій:

ü  Етиловий спирт.

ü  Головна фракція.

ü  Сивушні спирти.

ü  Сивушне масло.

ü  Залишок (барда та лютерна вода).

Бражка спочатку поступає у підігрівач бражки (12) в трубний простір, підігріваючись спирто-водяною парою бражної колони до температури 85-90 °С і направляється в сепаратор (2), де звільняється від двоокису вуглецю та інших газів. Із сепаратора бражка поступає на тарілку живлення 20 бражної колони (10), де підтримується температура 93-94 °С. А паровий потік поступає в конденсатор вуглекислоти (3), де пари спирту конденсуються. СО2 та несконденсовані гази і частка парів спирту через повітряну комунікацію поступають в спиртовловлювач(15). Введена вниз БК пара рухається вверх по колоні назустріч стікаючій по тарілкам бражці і збагачується спиртом (виварює із бражки спирт). Бражка звільнена від парів спирту виводиться із колони через паро інжектор(7) або бардо регулятор(6). З метою економії тепла застосовують термокомпресію. Зараз широкого розповсюдження набули установки з пароінжекційним охолодженням барди і використанням парів її самовипаровування для обігріву бражної колони. Економія в витраті пари на обігрів колони при цьому складає до 20%.

Виділена спиртоводна пара з бражної колони з вмістом спирту 45-50% об. проходить через підігрівачі бражки(12), де частково конденсується і поступає на 32-37 тарілки епюраційної колони(17).

Далі пара проходить у водяний дефлегматор(18), частково конденсується і поступає на 39 тарілку епюраційної колони і невелика кількість цього конденсату омиває верхню тарілку бражної колони від залишків бражки. Несконденсована пара із водного конденсатора поступає в конденсатор бражної колони(14), а далі в спиртовловлювач(15). Бражка звільнена від спирту, називається бардою.

 В епюраційній колоні(17) проходить очистка бражного дистиляту від головних домішок і їх концентрування. Для повного виділення домішок проводиться гідроселекція в епюраційній колоні(17) в зв'язку з цим пом'якшена вода подається на 49 або 47,40 тарілки. З 42 або 48 відбираєьбся кротоновий альдегід. ЕК підігрівається парами, які утворюються при кип’ятінні епюрату в кип’ятильнику(21). Пари спирту які утворюються при кипінні епюрату містять в собі в основному головні домішки, поступають вверх колони, йдучи в дефлегматор(18), конденсат в спиртовловлювач(20) ЕАФ.

 Із дефлегматора(18) флегма іде назад на першу тарілку зверху колони, а із конденсатора(19) і спртовловлювача(20) відбирається головна фракція в кількості 3-5 % на 100 дал спирту і через холодильник, ліхтар(35) та лічильник головної фракції(36) поступає в зливне відділення. Епюрат із вмістом спирту 35-40 % об. направляється на живильні тарілки спиртової колони(22), тобто на шістнадцяту тарілку СК .

В спиртових колонах(22) проходить повна очистка спирту, доведення його до заданої концентрації, а також концентрування компонентів сивушного масла і пастеризація спирту, тобто його додаткова очистка від головних домішок на тарілках розташованих над зоною відбору спирту.

Із дефлегматорів(23) спиртових колон флегма повертається назад на верхні тарілки. А із конденсаторів(24) СК відбирається непастеризований спирт (в кількості до 3%), який направляється на епюраційної колону на 32, 49 тарілки з СК. Гази, що сконденсувалися відводяться на спиртовловлювач(29).

Ректифікований етиловий спирт відбирається із вказаних тарілок: 66, 68, 70, 72, 74 і через холодильник(5), ліхтар та лічильник етилового спирту(37) поступає в ємкості зливного відділення .

Відбір сивушного спирту проводять з 17, 19, 21 тарілок. Із зон 9, 10, 11, 12 тарілок знизу СК проводять відбір сивушного масла. Пари сивушного масла, що не сконденсувалися поступають на ліхтар, де промиваються водою.

У колоні кінцевої очистки(26) з ректифікованого спирту виділяють залишки головних і кінцевих домішок, внаслідок чого покращуються органолептичні і аналітичні показники якості спирту. Типова колона обігрівається закритою парою, має 30 багатоковпачкових тарілок, 20 з них - у відгінній частині.

Головні і кінцеві домішки, які виділенні в нижній частині колони та сконцентровані у вигляді головної фракції, відбирають у кількості 0,5-1 % від спирту, що введений до колони. Головна фракція поступає до верхньої частини епюраційної колони(17). Ректифікований спирт видаляється з нижньої частини колони. За такої схеми колона остаточної очистки працює в режимі повторної епюрації й ефективна при підвищеному вмісті метанолу, однак при цьому кількість тарілок належить збільшити до 45-60 (з них 35-45 у відгінній частині колони).

Розгінні колони(40) призначені для виділення спирту з домішок (головна фракція) і концентрування головних домішок, тобто використовується для збільшення виходу спирту з одиниці сировини. Розгінна колона має 39-45 багатоковпачкових тарілок з відстанню 170 мм. Обігрів колони може бути як закритий так і відкритий.

Практиці замість додаткової колони використовують пастеризацію спирту. Суть її полягає в наступному. В зоні високої пастеризації спирту кінцеві домішки мають більшу леткість , ніж етиловий спирт, тому вміст їх в рідкій фазі завжди менше , ніж в паровій, яка поступає на дану тарілку. У зв’язку з цим спирт(пастеризований) відбирають з рідкої фази з тарілок, які лежать на 2-6 нижче верха колони. На верхніх тарілках, в дефлегматорі(41) і конденсаторі(42) проходе концентрування кінцевих домішок.

При пастеризації (відбору спирту із рідкої фази) необхідно з верхньої точки колони (практично з конденсатора) відбирати невелику кількість продукту (не пастеризованого спирту), який збагачений на кінцеві домішки.

За рахунок пастеризації спирт звільняється і від залишку головних домішок, які неповністю видалились в ЕК. Очистка спирту від домішок за рахунок пастеризації тим ефективніша, чим вище коефіцієнт випаровування домішок при міцності пастеризованого спирта. Пастеризація буде ефективніше тільки при невеликому вмісті домішок. Якщо ж концентрація домішок велика. Необхідно встановлювати додаткову колону.

2. Розрахункова частина

.1 Вихідні дані для розрахунків

продуктивність заводу G =4000 дал / добу;

-розрахунок продуктів проводиться на 100 дал умовного спирту-сирцю;

сировина для виробництва - кукурудза з крохмалистістю Kp=63 %, вологістю W= 13,0%,

розріджуючі матеріали: Termamyl SC , San-Super 360L;

вихід спирту з 1т умовного крохмалю В=65 дал/т.

2.2 Розрахунок продуктів

Вихід спирту

Плановий вихід спирту по нормам безперервного розварювання з надбавками на технічні вдосконалення (дал/т):

Впр= В+ 0,7 + 0,8;

Впр= 65 + 0,7 + 0,8 = 66,5,

де 0,7 - повна заміна солоду ферментним препаратом;

,8 - продовження термінів бродіння до 72 год.

Витрати зерна для отримання 100 дал спирту

Кількість крохмалю сировини, яка необхідна для одержання 100 дал спирту

Gкр=100 * 1000 / Впр;

Gкрох =100 * 1000 / 66,5 = 1504 кг.

Витрати зерна кукурудзи для отримання 100 дал спирту:

Gкр = Gкрох * 100 / Кр;

Gкр =1504 * 100 / 63= 2387 кг.

Де Кр - крохмалистість кукурудзи, %.

У цій кількості кукурудзи міститься:

Води:

Gв = Gкр *W/100;

Gв =2387 *13/100 = 310,3кг;

Сухих речовин :

СР= Gкр - Gв;

СР= 2387-310,3=2076,7кг;

З них зброджуваних:

СРзб= Gкр *Кр/100;

СРзб=2387*63 /100 =1503,8 кг;

незброджуваних:

Gнезб = СР - СРзб;

Gнезб =2076,7-1503,8 =572,9 кг.

Витрати ферментного препарату

На 1 т умовного крохмалю зерна витрачають від 0,25 до 0,5 дм3 розріджуючого ферментного препарату Termamyl SC DS(приймаємо для розрахунків 0,35 дм3) та 0,6 - 0,8 дм3 оцукрюючого ферментного препарату San-Super 360L (приймаємо для розрахунку 0,75 дм3)

Витрати Termamyl SC DSскладатиме:

Vterm=СРзб*0,35;

Vterm =1,5038* 0,35 = 0,5263 дм3 .

Перед введенням ферментного препарату в збірник замісу і в термоферментатор його розводять водою 1 : 10. Об’єм води для розведення ферментного препарату:

Vterm1 = Vterm1* 10;

Vterm1 = 0,5263 * 10 = 5,2639дм3.

Густина ферментного препарату 1,2 кг/ дм3, звідси знаходимо масу ферментного препарату:

mф = Vterm * 1,2 ;

mф = 0,5263 * 1,2 = 0,613 кг.

Загальна масса розчину ферментного препарату Termamyl SC DS:

mфз = mф + Vterm1;

mфз =0,613+5,2639 =5,89 кг.

Маса розчину ферментного препарату, що вводиться в заміс:

mфзам = mфз* 0,2;

mфзам = 5,89 * 0,2 = 1,179 кг.

де 0,2 - 20% від об'єму ферментного препарату, який задають у збірник для приготування замісу:

Витрати San-Super 360L:

VSS=CPзб*0,75;

VSS=1,5038* 0,75 = 1.128дм3.

Об’єм води для розведення ферментного препарату:

VSS1=VSS*10;

VSS1=1,128* 10 =11,28 дм3.

Маса ферментного препарату:

mSS= VSS*1,2;

mSS=1,128 * 1,2 =1,354 кг.

Маса розчину ферментного препарату SAN Super 360L:

Mp-ну SS=VSS1+mSS;

Mp-ну SS=11,28 + 1,354 = 12,634 кг.

Приготування замісу

Для приготуванню замісу використовують помел зерна ( температура 200), воду з температурою 500 С і фільтрат барди в кількості 30% від кількості води. Середню температуру замісу розраховуємо за поданною нижче схемою. У заміс задають 20% від загальних витрат розчину Termamyl SC DS.

Кількість води і фільтрату барди,яка потрібна для приготування замісу:

Gв.б=Gкр*3,5;

Gв.б=2387 *3,5 =8354,5кг,

де 3,5 - витрати води і фільтрату барди, кг на 1 кг помелу зерна.

Із цієї кількості витрати:

фільтрату барди складатимуть:

Gбар=8354,5*0,3 = 2506,3 кг;

води складатимуть:

Gв=8354,5* 0,7 =5848 кг.

Маса замісу складає:

Mзам=Gкр+Gв.б+mфзам;

Mзам=2387+8354,5+1,179 = 10742,7 кг.

У замісі міститься води:

Взам=Gв.б+Gв+Vterm1;

Взам=8354,5+5848+5,2639=14207,7 кг.

Сухих речовин у замісі така ж кількість, що і у кукурудзі, тобто 2076,7кг. Процентний вміст сухих речовин у замісі:

СР*100/Мзам;

,7* 100 / 10742,7= 19,33%.

Температура замісу

Теплоємність замісу:

Сзам=(Gкр1+Gв2+Gбар3+mфзам4)/Мзам,

де С1 - теплоємність кукурудзи, кДж/кг*град;

С2 - теплоємність води, кДж/кг*град;

С3 - теплоємність фільтрату барди, кДж/кг*град;

С4 - теплоємність ферментного препарату, кДж/кг*град;

Сзам=(2387*1,5+5848*4,2+2506,3*4,17+1,179*4,185)/ 10742,7=3,59кДж/кг*град.

Кількість тепла замісу:

Qзам=Gкр1*tкр+Gв2*tв+Gбар3*tбар+mфзам*С4*tфзам;

Qзам=2387*1,5*20+5848*4,2*50+2506,3*4,17*100+1,179*4,185*25=2344940,45 кДж.

Температура замісу в збірнику:

tзам=Qзам /Mзамзам;

tзам=2344940,45 /10742,7 *3,59=61 0 С

Термоферментативна обробка замісу

У контактній головці перед поступанням в термоферментатор заміс підігрівають до температури tк=800 С парою з тиском 130 кПа. Витрата пари складуть:

Gп.тфо=Mзамзам(tк-tзам)*1,02/(2739-398);

Gп.тфо=10742,7 *3,59* ( 80-61 ) * 1,02 / (2739 - 398) =319,3 кг,

де, 1,02 - коефіцієнт, що враховує втрати пари в навколишнє середовище;

- ентальпія пари (тиск 130 кПа), кДж/кг;

- ентальпія конденсату пари, кДж/кг;

Маса замісу, що виходить із контактної головки в термоферментатор:

Gзам.тфо=Mзам+Gп.тфо;

Gзам.тфо=10742.7+319.3=11062 кг.

Оцукрювання розрідженої маси

Оцукрювання розрідженої маси передбачено у бродильному апараті. У даному розрахунку розріджену масу охолоджують в спіральному теплообміннику з оцукренням в бродильному апараті.

Після розрідження відбирають 8-10% сусла на дріжджегенерування. Решта поступає на охолодження до температури складки з 85-95 0С до 28-30 0С.

Кількість сусла яка перекачується на охолодження до температури «складки»:

Gскл= Gзам.тфо *90/100;

Gскл= 11062*90/100=9955,8 кг.

Із маси замісу 10 % сусла відбирають для приготування виробничих дріжджів:

,7 * 0,1 = 1074,27кг

Кількість води, яка використовується на охолодження розрідженої маси при охолодженні її до 300 С:

Gохол.в= Gсклзам*(85-30)/Св*(45-20);

Gохол.в=9955,8*3,59*(85-30)/4,2*(45-20)=18721.6кг,

де, 45 і 20 - температура води на виході і вході в теплообмінник, 0С.

У бродильний апарат вносять антисептик «Фріконд» з розрахунку 50 см3 на 1 м3 сусла:

Vфріконд= Gзам.тфо *50/с*100;

Vфріконд=11062*50/1100*100= 5,03 г.

Приготування виробничих дріжджів

Кількість сусла, що подається в дріжджогенератори;

Gсус.др =Gзам.тфо*0,1;

Gсус.др=11062*0,1=1106,2 кг.

Витрати води на охолодження сусла в дріжджанці до 28-30 0С

Gох.в.др=Gсус.дрзам*(85-30)/Св*(40-20);

Gох.в.др=1106,2*1,1*3,59 * (85 - 30) / 4,19 * (40 - 20) =2867кг,

де, 20 і 40 - температура охолоджуючої води на вході і виході із поверхні охолодження, 0 С.

,1 - коефіцієнт, що враховує збільшення маси в дріжджанці за рахунок внесення засівних дріжджів.

У дріжджанку вносять з розрахунку на 1 м3 1,3 кг ортофосфорної кислоти, тобто з розрахунку на 100 дал спирту вносять

ортофосфатної кислоти 1074,27* 1,3/ 1000 =1,4 кг.

Витрати вуглеводів на утворення спирту і накопичення маси під час вирощування виробничих дріжджів:

GВВ=Gсус.др*1,1*(19,11-10)/100;

GВВ=1106,2* 1,1 (19,11 - 10) / 100 =110,8 кг,

де 19,11 - початкова концентрація сухих речовин сусла, %;

- концентрація сухих речовин у дріжджах, %.

Під час вирощування дріжджів виділяється діоксиду вуглецю:

СО2= GВВ* Bnp*1,002*0,7893/100;

СО2= 110,8* 66,5 * 1,002 * 0,7893*0,9554 / 100 =55,7 кг,

де 1,002 - коефіцієнт, що враховує втрати спирту при перегонці бражки;

,7893 - густина безводного спирту, кг/дм3;

,9554 - вихід діоксину вуглецю, кг / кг спирту.

Маса виробничих дріжджів:

Мвр.др=Gсус.др*1,1- СО2+0,442+0,137;

Мвр.др=1106,2* 1,1 -55,7 +0,442+0,137= 1160,5 кг.

Зброджування сусла

Всього в бродильне відділення надходить продуктів:

Gзаг.бр.від=Gсклвр.др+Gскл*0,5/100+Gскл*2,5/100;

Gзаг.бр.від=9955.8 +1160,5 +9955,8*0,5/ 100+9955,8*2,5 /100 =11415кг,

де, 0,5 - кількість замивочної води для сусла,%;

,5 - кількість замивочної води для дріжджів, %.

Вихід діоксиду вуглецю з розрахунку на 100 дал утвореного спирту:

СО2.100=100 * 10 *0,7893 * 0,9554 = 754,1 кг.

Кількість водно-спиртового розчину, що надходить із спиртовловлювача у бражку:

1415* 2,5 / 100 = 285,4кг,

де, 2,5 - кількість водно-спиртового розчину, % до об’єму бражки.

Кількість дозрілої бражки:

Gбр.дозр=Gзаг.бр.від-GCO2.100+285,4;

Gбр.дозр=11415- 754,1 + 285,4 =10946,3 кг.

Кількість спирту у дозрілій бражці з розрахунку його втрат при перегонці (0,2%):

+ 100 * 0,002 = 100,2 дал = 1002 дм3,

або 1002 * 0,7893 = 790,9 кг.

Об’єм дозрілої бражки:

Vбр.дозр.=Gбр.дозр/1,0099;

Vбр.дозр.= 10946,3/ 1,0099 =10839дм3,

де 1,0099 - густина дозрілої бражки.

Вміст спирту в дозрілій бражці:

Vспирт=1002 * 100 /10839= 9,2 % об.

Загальний об’єм дозрілої бражки, що надійде на перегонку з врахуванням розведення водою, одержаною під час замивки бродильних апаратів, що звільнилися:

Vбр.дозр.заг=10839+ 10839* 0,5 / 100 = 10893,2дм3,

де, 0,5 - кількість промивної води, одержаної під час замивки бродильного апарата, % до об’єму бражки.

При потужності заводу 4000 дал на добу за 24 години в бродильне віділення надійде (разом з суслом виробничі дріжджі, промивна вода після сусла та виробничих дріжджів:

,2* 30= 509085кг =326796 м3

Об’єм бродильних апаратів за періодичного способу зброджування на кожну добу:

Vбр.ап=332,3/ 0,8 =415,4 м3

Тобто 3 бродильні апарати (415,4/ 3 = м3) по 140 м3 на кожну добу.

Всього потрібно встановити бродильних аппаратів при загальній тривалості бродіння 72 год 3 * 3 + 1 передаточний = 10 шт.

Добова потреба в виробничих дріжджах:

.27 * 35 = 37600 кг = 37,6 м3.

Сумарний геометричний об’єм дріжджанок на одну добу:

Vcум.др =37,6 / 0,8 =47 м3.

За одну добу заповнють 3 бродильні апарати і потрібно мати 3 дріжджанки об’ємом кожна

7/ 3 = 15,7 м3

Через кожні 24 год дріжджанки звільнюють від виробничих дріжджів і їх готують до наступного культивування. При наявності однієї дріжджанки для приготування сусла для дріжджів достатньо для забезпечення роботи мати 4 дріжджанки об’ємом по 15,7 м3.

Спирт і продукти ректифікації

Розрахунок продуктів проведено на 100 дал умовного спирту-сирцю. У процесі перегонки і ректифікації на браго ректифікаційних апаратах мають місце втрати, які залежать від типу і продуктивності апаратів, а також періоду року. В середньому вони становлять під час виробництва зернового ректифікованого спирту “Люкс” 0,6 % від безводного спирту-сирцю, який поступив на ректифікацію.

Вихід окремих продуктів ректифікації спирту коливається залежно від виду, сировини обраної технологічної схеми та інших причин у таких межах,%

- головна фракція етилового спирту -  5,0 - 7,0 % ;

сивушне масло -    0,3 - 0,5 % ;

сивушний спирт -    0,5 - 1,5 %.

Приймаємо для прикладу вихід головної фракції етилового спирту міцністю 95 об. % рівним 5,0, сивушного масла міцність 88 об. % - 0,3 %, сивушного спирту міцністю 85 об. % - 1,0 %. Тоді вихід головної фракції етилового спирту буде:

Вгол.фр= 100 * 5,0 / 100 / 95 * 100 = 5,26 дал = 52,6 дм3.

Маса головної фракції етилового спирту:

Мгол.фр.= 52,6 *0,8114 = 42,68 кг,

де 0,8114 - густина водно-спиртового розчину міцністю 95,0 %.

Вихід сивушного масла при відборі 0,3 % міцністю 88 %:

Vсив.мас=((100 *-( 0,3 / 100 ))/ 88) * 100 = 0,34 дал = 3,4 дм3.

Масса сивушного масла:

Мсив.мас= 3,4 * 0,8357 = 2,84 кг.

Вихід сивушного спирту при відборі 1 % міцністю 85,0 %:

* 1,0 / 100 / 85 * 100 = 1,18 дал = 11,8 дм3.

Масса сивушного спирту:

,8 * 0,8449 = 9,97 кг.

Вихід ректифікованого спирту“ Люкс ” міцністю 96,3 об. %:

Vлюкс=100 - 5,0 - 0,3 - 1,0 - 0,6 = 93,1%.

З урахуванням цих даних визначаємо кількість ректифікованого спирту міцністю 96,3 об. %, яку можна одержати із 100 дал спирту-сирцю:

100 * 93,1 * 100 / 96,3 * 100 = 96,68 дал = 966,8 дм3.

Його маса складає:

,8 * 0,7893 = 763,10 кг.

Розрахована кількість сировини, проміжних і кінцевих продуктів ректифікації для отримання 100 дал умовного спирту сирцю використовують для визначення їх величини для годинної та добової продуктивності заводу.

Розрахунок барди

Припустимо, що бражку переганяють на бражній колоні брагоректифікаційного апарата непрямої дії. Маса барди дорівнюватиме масі бражки і пари, які надходять в колону, без маси одержуваного спирту.

Умовимось, що витрата пари дорівнює 18% маси бражки. Тоді її буде потрібно

Gп= Gб р.доз Ч 0,18 =10946,3 Ч 0,18 = 1970,3 кг,

де, Gб р.доз -маса дозрілої бражки, яка надходить в апарат, кг.

Маса водно-спиртової пари, яка залишає колону, буде

Gсп..п =Gсп..без Ч 100 / 44,9;

Gсп..п =763,10 Ч 100 / 44,9 = 1699,55 кг

де Gсп..без -маса безводного спирту, що міститься у бражці, яка надходить на перегонку, кг;

х - рівновагова концентрація водно-спиртової пари,

Барди буде одержано

Gбар. = Gб р.доз + Gп + Gсп..без = 10946,3 + 1970,3 + 1699,55 = 14616,15 кг;

З літературних джерел відомо, що кількість СР барди становить 9% від маси барди, отже

GСР бар. = 14616,15 Ч 0,09 = 1315,4 кг

Таблиця 1.9 - Зведена таблиця розрахунків

Продукти

Кількість продуктів на


На 100 дал безводного спирту

На добову потужність

На годинну потужність


кг

л

кг

л

кг

л

1

2

3

4

5

6

7

2387


95480


3978


Дефлегматорна вода на приготування замісу

5848

5848

233920

233920

9746,7

9746,7

Termamyl SC

0,613


24,52


1,02


San-Super 360L

1,354


54,16


2,26


Заміс

10742.7


429708


17904,5


Сусло на приготування дріжджів

1074.27


42970,8


1790,45


Кількість дозрілої бражки Міцність якої 9,2 % об.

10946,3

10839

437852

433560

18243,8

18065

 Сусло

9955.8


398232


16593


Сивушний спирт

10

11.8

400

472

16,7

19,7

Сивушне масло

2,8

3,4

112

136

4,7

5,7

Спирт ректифікований

763,1

966,8

30524

38672

1271,8

1611,3


3.Схема технохімічного контролю

Об’єкт Контролю

Місце відбору проби

Контрольов. показник, одиниця виміру

Метод контролю

Норма або Технол. показники

Періодичн Відбору проби

Відповідал за проведення аналізу

Спирт ректифікований

Колона кінцевої очистки

Згідно з ДСТУ 4181

Згідно з ДСТУ 4181

Згідно з ДСТУ 4181

3-4 рази на зміну

Змінний хімік

Сивушне масло

Рект.Колона

Вміст спирту,% об.

Аеромет-ричний

3-15

3-4 рази на зміну

Змінний хімік

Лютерна вода

Рект.Колона

Вміст спирту,% об.не більше

Аеромет-ричний

0,000

3-4 рази на зміну

Змінний хімік

Барда

Бражна колона

Вміст спирту,% об. не більше

Аерометр.

0,015

3-4 рази на зміну

Змінний хімік

Головна фракція етилов спирту

Ємність спиртоприймального відділення

Вміст спирту,% об. не більше

Ареометр.

Не менше 92%

3-4 рази на зміну

Змінний хімік


Висновки

У спиртовій промисловості ректифікований спирт одержують виключно з бражки, що вважається економічно більш доцільним. Одержання ректифікованого спирту безпосередньо з бражки здійснюється на безперервно діючих брагоректифікаційних установках (БРУ), на яких можна виділити спирт з бражки й звільнити його від супутніх летких домішок. Вони звичайно мають три основні колони та 1-3 додаткові, що встановлюються в разі необхідності.

Принципова особливість установок непрямої дії - попереднє вилучення з бражки спирту й супутніх йому домішок, в результаті чого одержується спирт-сирець (бражний дистилят), який у рідкому вигляді направляється в епюраційну колону, а потім у спиртову для очистки. Перевагою є те, що в установках непрямої дії колони зв'язані між собою тільки рідинними потоками, в той час як в установках прямої дії - рідинними й паровими потоками, що ускладнює регулювання їх роботи. Установки непрямої дії стабільні в роботі, легкі в керуванні та регулюванні, на них одержують спирт високої якості. Побічно-протитечійні установки більш складні в експлуатації, але приблизно на 10- 15 % менше споживають гріючої пари та холодної води.

Бражна колона працює по схемі непрямої дії при тиску, близькому до атмосферного, епюраційна, спиртова працюють під малим вакуумом, епюраційна колона обігрівається парами бражної колони через розвинену площу виносного кип’ятильника епюраційної колони. Колона кінцевої очистки працює в режимі повторної епюрації, під тиском.

Список використаної літератури

1. Цыганков П.С. Реатифткационные установки спиртовой промышленности .-М.:Лег.и пищ. пром-сть, 2010.-336с.

2. Інноваційні технології спиртової промисловості. Теорія і практика : Шиян П.Л., Сосницький В.В., Олійнійчук С.Т. - К.: Видавничий дім “Асканія”, 2009. - 424с.

3. Интенсификация спиртового производства/ В.А Маринченко, П.С. Цыганков, В.Н. Швец та ін. -К.: Техника, 1983. - 128с, ил. - Библиогр.: с. 122-125.

4. Розрахунок продуктів бродильних виробництв, лікеро-горілчаних і безалкогольних напоїв / М.М. Коробов, І.М. Ройтер, П.М. Мальцев та ін. - К.:Вища шк., 1972.-380 с.

5. Справочник по производству спирта. Оборудывание средства механизации и автоматизции / Ю.П. Богданов, В.Н. Золотов, С.П.Колосков.-М.: Лег. И пищ. пром.-сть .2009.-478с.

6. Справочник по производству спирта. Сырье,технология и технохимконтроль / В.Л. Яровенко, Б.А. Устинников, Ю.П. Богданов, С.П. Громов.-М.:Лег.и пищ. пром.-сть ,1981.-355с.

. Оборудывание спиртових заводов / С.П.Колосков, В.Л.Яровенко, В.Н. Стабников, Б.А. Устинников.-М.: Пищ.пром-сть,1975-296с.

8. Технологія спирту / В.О. Маринченко, В.А. Домарецький, П.Л. Шиян та ін.; Під ред. проф. В.О. Маринченка. - Вінниця: Поділля - 2011. - 480с.

. Технологія галузі: Метод, вказівки до викон. курс, роботи для студ. спец. 6.091700 "Технологія бродильних виробництв і виноробство" ден. Та заоч. форми навчання / Укр.: В.А. Домарецький, А.Є. Мелетьєв, A.M. Куц, Н.Я. Гречко. - К.: НУХТ, 2009. - 40 с.

Похожие работы на - Оптимальний спосіб перегонки і ректифікації спирту для заводу потужністю 4000 дал/добу

 

Не нашли материал для своей работы?
Поможем написать уникальную работу
Без плагиата!
Без нейросетей!