Расчет параметров силового трансформатора
РОССИЙСКАЯ ФЕДЕРАЦИЯ
МИНИСТЕРСТВО СЕЛЬСКОГО ХОЗЯЙСТВА
ФЕДЕРАЛЬНОЕ ГОСУДАРСТВЕННОЕ БЮДЖЕТНОЕ
ОБРАЗОВАТЕЛЬНОЕ УЧРЕЖДЕНИЕ
ВЫСШЕГО ПРОФЕССИОНАЛЬНОГО ОБРАЗОВАНИЯ
«ОРЛОВСКИЙ ГОСУДАРСТВЕННЫЙ АГРАРНЫЙ УНИВЕРСИТЕТ»
Кафедра «Электроснабжение»
КУРСОВАЯ РАБОТА
по дисциплине
«Электрические машины»
Тема курсовой работы
Расчет параметров силового
трансформатора
Автор
Карпенко Е.А.
Группа БЭл
321с шифр 121346
Орел 2015г.
АННОТАЦИЯ
В данной курсовой работе выполнено описание силового трансформатора с
заданной, согласно варианта, мощностью. Указаны типы выпускаемых
трансформаторов данной мощности, их особенности по конструкции, назначению,
маркировке. Построена упрощенная векторная диаграмма трансформатора. Так же
построены схема замещения трансформатора с расчетными значениями сопротивлений
и однолинейная схема трансформаторной подстанции с трансформатором данной
мощности и ее описание.
ВВЕДЕНИЕ
Статические электромагнитные устройства, используемые для преобразования
электрической энергии и ее передачи из одних цепей в другие, называются
трансформаторами. С помощью трансформаторов можно преобразовывать основные
параметры электрической энергии в цепях переменного тока: напряжение, силу тока
и форму кривой.
Наиболее широкое применение находят силовые трансформаторы. Они являются
неотъемлемой частью схем многих элементов автоматики. Требования к таким
трансформаторам определяются в основном их назначением. При массовом выпуске
прежде всего учитываются удельные массогабаритные показатели, надежность и
стоимость.
Стремление максимально использовать возможности магнитного материала
выбором высоких значений магнитной индукции позволяет снизить массу, габариты и
стоимость трансформатора. Под надежностью трансформатора понимается его
способность безотказно работать с неизменными техническими характеристиками в
течение заданного времени и при определенных условиях эксплуатации. В настоящей
курсовой работе необходимо рассчитать понижающий тороидальный силовой
трансформатор малой мощности с требованием минимальных массогабаритных
характеристик. В данной работе содержится три раздела: в первом разделе
приводится расчет параметров трансформатора; во втором разделе рассчитывается
распределение нагрузки между двумя трехфазными трансформаторами; в третьем -
описывается оптимизация потерь электроэнергии в силовых трансформаторах.
1. РАСЧЕТ ПАРАМЕТРОВ ТРАНСФОРМАТОРА
Определить следующие параметры силового трансформатора, приведенного в
таблице 1.1, согласно своего варианта:
1. номинальные значения фазных токов и напряжений;
2. коэффициент трансформации;
. составляющие напряжения короткого замыкания и тока холостого
хода в процентах и именованных единицах;
. параметры Т-образной схемы замещения трансформатора;
. наибольшее значение коэффициента полезного действия трехфазного
трансформатора;
. коэффициент мощности при коротком замыкании и холостом ходе,
. сопротивления схемы замещения для режима короткого замыкания;
. КПД при номинальной нагрузке и коэффициентах мощности cosφ=1 и cosφ=0.8;
. активную мощность на вторичной стороне для cos φ= 0.8, при которой значение КПД будет
наибольшим;
. потери в трансформаторе при заданной мощности;
. напряжение на выводах вторичной обмотки при номинальной нагрузке
и коэффициентах мощности cos φ=1 и cos φ=0.8.
. начертить схему замещения трансформатора с расчетными значениями
сопротивлений;
. построить упрощенную векторную диаграмму трансформатора.
Таблица 1. Данные трансформаторов для задания 1.1
|
Вариант
|
Sн, кВА
|
U1н, кВ
|
U2н, кВ
|
Uк,%
|
Iхх, %
|
Рхх, Вт
|
Рк, Вт
|
Схема соединения
|
S,% от Sн, ; сos φ2
|
|
5
|
160
|
10
|
0,4
|
4,5
|
2,4
|
510
|
2650
|
Y/Yн
|
80; 0,7
|
Дано:
. Определяем номинальные значения фазных токов и напряжений:
так как схема «звезда», то номинальный ток
. Определяем значения напряжения короткого замыкания в В и в % и ток
холостого хода в А и %
. Определяем коэффициент трансформации:
. Определяем параметры схемы замещения трансформатора для опыта к.з.:
Рисунок 1.1 - Схема замещения одной фазы трансформатора в режиме КЗ
Рисунок 1.2 - Упрощённая схема замещения одной фазы трансформатора в
режиме КЗ
Активное сопротивление к.з.:
Индуктивное сопротивление к.з.:
Коэффициент мощности к.з.:
Активная составляющая напряжения к.з.:
Индуктивная составляющая напряжения к.з.:
Определяем параметры холостого хода:
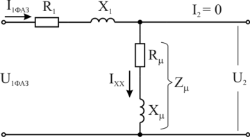
Рисунок 1.3 - Схема замещения одной фазы трансформатора в режиме ХХ
Сопротивление цепи намагничивания для схемы замещения опыта холостого
хода:
Коэффициент мощности при холостом ходе:
Сопротивления первичной обмотки согласно схемы замещения:
Приведенные сопротивления вторичной обмотки согласно схемы замещения:
Сопротивления вторичной обмотки:
Коэффициент загрузки трансформатора:
Коэффициент загрузки трансформатора, соответствующий максимальному КПД:
Максимальный КПД трансформатора:
Ток первичной обмотки, при котором КПД максимален:
Приведенные значения тока на вторичной стороне для схемы Y:
Приведенные значения напряжения на вторичной обмотке при номинальной
нагрузке и соответствующем коэффициенте мощности:
Напряжение на вторичной стороне при номинальной нагрузке:
Активная мощность, при которой КПД максимален:
Потери мощности в трансформаторе:
. РАСПРЕДЕЛЕНИЕ НАГРУЗКИ МЕЖДУ ДВУМЯ ТРЕХ-ФАЗНЫМИ ТРАНСФОРМАТОРАМИ
Найти распределение нагрузки между двумя трехфазными трансформаторами,
имеющими одинаковые коэффициенты трансформации и одинаковые группы соединения
обмоток (Y/Y-12), но различные значения напряжения короткого замыкания.
Коэффициент мощности cosφ2=0.8, ток нагрузки отстающий I = 80 А.
Напряжение на первичных обмотках U1н=35 кВ, напряжение на вторичных обмотках U2н=10 кВ.
Трансформаторы имеют следующие отличные данные, согласно варианта (см.
таблицу 2).
Таблица 2 - Данные трансформаторов для задания 1.2
|
Вариант
|
Sн(1), кВА
|
Sн(2), кВА
|
Uк(1), %
|
Uк(2), %
|
Рк(1), кВт
|
Рк(2), кВт
|
|
5
|
1000
|
630
|
4.5
|
6
|
12.2
|
7.6
|
Дано:
Определяем напряжение короткого замыкания для обоих трансформаторов в кВ,
учитывая схему соединения Y/Y:
Определяем активную составляющую напряжения короткого замыкания в % и кВ:

Определяем номинальные токи трансформаторов, А:
Определяем сопротивления схемы замещения в режиме короткого замыкания,
Ом:
Определяем комплексное значение тока нагрузки, А:
Определяем распределение токов по трансформаторам:
Для сравнения выполним упрощенный расчет, который применяется, в основном
для крупных трансформаторов. Для этого вначале определяем сопротивления
короткого замыкания:
Определяем распределение токов:
Погрешность не превышает 5%.
Распределение нагрузки между трансформаторами определим:
Определяем мощность нагрузки:
Мощность приходящаяся на Т1:
Мощность приходящаяся на Т2:
. ОПТИМИЗАЦИЯ ПОТЕРЬ ЭЛЕКТРОЭНЕРГИИ В СИЛОВЫХ ТРАНСФОРМАТОРАХ
Для трансформаторов, представленных в задании 1.2, выбрать оптимальный
режим распределения нагрузки для минимизации потерь электроэнергии, исходя из
условий, что трансформаторы работают не параллельно, а на разные секции шин.
Суммарная нагрузка на них указана в таблице 3. Определить суммарные потери
электроэнергии на трансформаторах в течение года при рассматриваемых вариантах
распределения нагрузки и затраты, руб., на оплату данных потерь электроэнергии.
Стоимость электроэнергии принять равной 5 руб. Изобразить схему
двухтрансформаторной подстанции и описать ее.
Таблица 3 - Суммарная нагрузка на трансформаторы, % от мощности
трансформатора №2
|
Вариант
|
5
|
|
Sнагр, % от Sн(2)
|
80
|
|
Т
|
3000
|
Sнагр
- максимальная мощность нагрузки, кВА, Sн2 - мощность трансформатора Т2 (см. задание 1.2), кВА, Т -
время использования максимума нагрузки Sнагр, ч/год.
Дано:
Эту задачу можно решить составив выражение зависимости потерь мощности в
трансформаторах от распределения нагрузки между ними и определив из данного
выражения минимальное значение потерь. Фактически, это метод нахождения точки
оптимального распределения нагрузки между трансформаторами.
Построим зависимость потерь мощности и электроэнергии от распределения
загрузок трансформаторов Т1 и Т2.
Зададимся значением суммарной нагрузки на трансформаторы как долей от
суммарной номинальной мощности трансформатора Т2.
Номинальные мощности трансформаторов:
Задаем коэффициент, показывающий, какую долю от суммарной мощности
трансформаторов составляет нагрузка:
В этом случае мощность нагрузки составит:
Определим потери мощности при равном распределении нагрузки на
трансформаторы:
Зададимся, в виде матриц - столбцов, коэффициентами Х и Y, которые
являются, по сути коэффициентами загрузки трансформаторов Т1 и Т2. При этом
матрицы X и Y составлены так, чтобы загрузке Т1 равной 0 соответствовала
загрузка Т2 равная 1 и наоборот. То есть Хi +Yi = 1. Так же, доля нагрузки
каждого трансформатора изменяется от 0 до 1.
Составляем выражение для определения суммарных потерь в силовых
трансформаторах при различном распределении нагрузки.
При этом коэффициент загрузки каждого трансформатора выражаем,
соответственно через коэффициенты Х и Y а так же через мощность нагрузки.
Выражение суммарных потерь примет вид:
Задаемся значением времени Т:
Тогда потери электроэнергии в год составят
Построим зависимость потерь электроэнергии и стоимости данных потерь от
доли загрузки трансформатора Т1, то есть от коэффициента Х
Из графика видно, что при данной величине нагрузки наименьшие потери при
доле загрузки Т1 равной 0,7, то есть 70%.
Соответственно, минимум потерь наблюдается при доле загрузки второго
трансформатора, равной 30%. Подтверждением этому следующий график:
Аналогично выглядят графики зависимости потерь мощности при разных долях
загрузки Т1 и Т2.
При изменении номинальной мощности силовых трансформаторов может
измениться и оптимальное распределение их долей загрузки.
ЗАКЛЮЧЕНИЕ
В данной курсовой работе выполнено описание силового трансформатора с
заданной, согласно варианта, мощностью. Указаны типы выпускаемых
трансформаторов данной мощности, их особенности по конструкции, назначению,
маркировке. Выполнен расчет силового трансформатора. И расчет распределения
нагрузки между двумя трехфазными трансформаторами. Оптимизация потерь в
электроэнергии в силовых трансформаторах. Построена упрощенная векторная
диаграмма трансформатора. Так же построены схема замещения трансформатора с
расчетными значениями сопротивлений и однолинейная схема трансформаторной
подстанции с трансформатором данной мощности и ее описание.
трансформатор
фазный ток нагрузка
СПИСОК ИСПОЛЬЗОВАННЫХ ИСТОЧНИКОВ
1. Гольдберг,
О. Д. Электромеханика : учебник / О. Д. Гольдберг, С. П. Хелемская ; под ред.
О. Д. Гольдберга. - М. : Академия, 2007. - 512 с.
2. Вольдек,
А. И. Электрические машины. Введение в электромеханику. Машины постоянного тока
и трансформаторы : учебник / А. И. Вольдек, В. В. Попов. - СПб. : Питер, 2007.
- 320 с.
. Вольдек,
А. И. Электрические машины. Машины переменного тока : учебник / А. И. Вольдек,
В. В. Попов. - СПб. : Питер, 2007. - 350 с.
. Копылов,
И. П. Электрические машины : учебник / И. П. Копылов. - 5-е изд., стер. - М. :
Высш. шк., 2006. - 607 с.
. Шпиганович,
А. Н. Электрические машины и трансформаторы систем электроснабжения предприятий
металлургической и горной промышленности : учеб. пособие / А. Н. Шпиганович, Д.
И. Шишлин. - Липецк : ЛГТУ, 2007. - 340 с.