Устройство измерения температуры

  • Вид работы:
    Курсовая работа (т)
  • Предмет:
    Информатика, ВТ, телекоммуникации
  • Язык:
    Русский
    ,
    Формат файла:
    MS Word
    131,29 Кб
  • Опубликовано:
    2015-04-30
Вы можете узнать стоимость помощи в написании студенческой работы.
Помощь в написании работы, которую точно примут!

Устройство измерения температуры

1. ВВЕДЕНИЕ

Предлагаемое устройство измерения температуры, выполненное на микроконтроллере ATmega8515L и датчике температуры DS18S20, отличается простотой схемы и конструкции при повышенной точности измерения. Благодаря использованию указанного микроконтроллера термометр может быть запитан от любого источника постоянного напряжения 4,5…5,5В.

Данное устройство является цифровым, а значит, имеет линейную шкалу температуры, что устраняет погрешности в измерениях.

В ходе выполнения курсового проекта необходимо разработать комплект конструкторской документации для устройства «Термометр повышенной точности с датчиком DS18S20»:пояснительная записка, а так же выполнить расчеты электрических параметров печатного проводника, расчет технологичности конструкции. Разработать чертежи: сборочный чертеж, чертеж печатной платы конструкции.

2. конструктивные особенности типовых элементов схемы

1. Микроконтроллер DD1. Изображение корпуса приведено на рисунке 1.

Рисунок 1

Маркировка:                                                                  ATmega8515;

Напряжение питания:                                                     2.7-5.5В;

Диапазон рабочих температур:                                    -10...+70 0С;

Масса, г:                                                                         ≤ 1.

2.Резисторы R1 - R25. Изображение корпуса приведено на рисунке 2.

Рисунок 2

Тип:                                                                               МЛТ;

Номинальная мощность, Вт:                                       0,125;

Диапазон номинального сопротивления, Ом:            1…106;

Предельное напряжение, В:                                         200

Масса, г:                                                                        0,10.

3.Кварцевый резонатор ZQ1. Изображение корпуса приведено на рисунке 3.

Рисунок 3

Маркировка:                                                                   MA;

Диапазон частот, МГц:                                                  14-50;

Температурная стабильность, ppm:                              ±50.

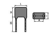
. Конденсаторы С2 - С3. Изображение корпуса приведено на рисунке 4.

Рисунок 4

Маркировка:                                                             К10 - 17;

Номинальная емкость, пкФ:                                     2,2-2000.

Номинальное напряжение, В: 50

5.Конденсаторы С1. Изображение корпуса приведено на рисунке 5.

Рисунок 5

Маркировка:                                                             КМ6;

Номинальная емкость, мкФ:                                    0,33-0,47;

Номинальное напряжение, В:                                  25.

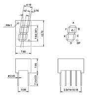
6.Сегментный индикатор HG1. Изображение корпуса приведено на рисунке 6.

Рисунок 6

Маркировка:                                                             GNT-3012BS;;

Количество сегментов:                                              7;

Цвет:                                                                          красный;

Прямой ток, мА:                                                       10;

Прямое напряжение (max), В:                                 4.

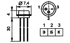
.Транзистор VT1. Изображение корпуса приведено на рисунке 7.

Рисунок 7

Маркировка:                                                                   КТ306Б;

Ток коллектора (max) IК, мА:         30; Номинальная мощность (max), Вт:  0,15.

8. Датчик BK1 . Изображение корпуса приведено на рисунке 8.

Рисунок 8

Маркировка:                                                                  DS18S20.

. КОНСТРУКТИВНО-ТЕХНОЛОГИЧЕСКИЕ ТРЕБОВАНИЯ К ПРОЕКТИРОВАНИЮ ЧЕРТЕЖА ПЕЧАТНОЙ ПЛАТЫ.

.1 Определение требований к печатной плате

Исходными данными курсового проекта является субтрактивный метод изготовления печатной платы. . Исходя из этого, в качестве материала печатной платы выбираем стеклотекстолит фольгированный(СФ-2-35), который имеет следующие параметры:

1)    толщина фольги, мкм                                            35;

2)       толщина материала, мм                                               0,5…3;

)         Поверхностное сопротивление, Ом                             5*1010,5*109;

)         удельное объемное сопротивление, Ом  5*109;

)         прочность отделения 3 мм полоски фольги от
диэлектрического основания, Н                                  4,5;

)         водопоглощение, % мг менее                                                25;

)         стойкость к воздействию ванны для пайки °С  260/30.

Определим общую требуемую площадь печатной платы. Для этого рассчитаем площади всех установленных элементов.

1.       SDD1=52,58х17,53=921,73 мм2;

2.       SBK1=5х3,8=19 мм2;

3.       SR1-R25=(2,2х0,6x6)x25=198 мм2;

4.       SVT1=7,4х7.4=54,76мм2;

6.       SZQ1=19,5x11,1=216,45 мм2;

7.       SHG1=(12,7х7,6)х3=289,56 мм2;

8.       SC2-С3=(6,8х4,6)х2=62,56 мм2;

Общая площадь установленных элементов определяется по формуле

=∑Sэл-ов;                                                                                         (1)

S=921,73 +19+198+54,76+72+216,45+289,56+62,56=1834,06мм2;

Для определения окончательно требуемой площади печатной платы умножим площадь элементов на коэффициент заполнения. Коэффициент заполнения может лежать в интервале от 1,5 до 3.

Выберем значение К=2,5 для оптимального заполнения и теплоотвода.

=SппxK=1834,06х2,5≈4585,15мм2; (2)

На основании данной площади рассчитаем размеры сторон печатной платы. На основании п.5.1.2 ГОСТ Р 53.429-2009 «Печатные платы. Основные параметры конструкции» стороны должны быть кратны 2,5 мм, следовательно, стороны равны 47,5х100мм2.

На основании расчетов ширины печатных проводников, диаметров отверстий, приведенных в п. 4.1ПЗ, и ГОСТ Р 53.429-2009 «Платы печатные. Основные параметры конструкции» устанавливаем 4-й класс точности печатной платы.

Для четвертого класса точности устанавливаем:

)         Расстояние между проводниками, мм 0,15;

)         Гарантийный поясок контактной площадки, мм 0,05;

)         Предельное отклонение диаметра отверстия , мм -0,07;

)         Предельные отклонения размеров проводящего рисунка, мм 0,03;

)         Позиционный допуск на расположение осей отверстия, мм 0,05;

)         Позиционный допуск расположения центров контактных площадок, мм 0,15;

)         Позиционный допуск расположения печатного проводника, мм 0,08;

)         Допустимую токовую нагрузку на элементы
проводящего рисунка, А/мм2                                      250;

)         Рабочее напряжение, В 25.

3.2 Описание сборочного чертежа печатной платы. Требования к формовке выводов, лужению и пайке

Сборочный чертеж печатной платы представлен в графической части. Лист 2. Для изготовления «Термометра повышенной точности с датчиком DS18S20 » был выбран субтрактивный метод изготовления печатной платы. Для удобства выполнения трассировки было решено изготавливать двухстороннюю печатную плату. Материал был выбран стеклотекстолит фольгированный СФ-2-35 . Согласно расчетам, приведённым в пункте 3.1, печатная плата имеет размеры 47,5х100 мм. Толщина диэлектрического основания платы была выбрана 1,5мм.

При размещении элементов на печатной плате был применен системный подход, так как было необходимо с одной стороны обеспечить плотную компоновку элементов, а с другой обеспечить наилучшие условия для трассировки, так как в схеме присутствуют 4 интегральные схемы. В итоге было выбрано размещение элементов без применения регулярной структуры.

Монтаж элементов на плате проводить в соответствии с требованием ГОСТ 29.137-91 «Формовка выводов и установка изделий электронной техники на печатные платы». Поэтому минимальный размер от корпуса до места изгиба при формовке вывода установлен:

Для резисторов, конденсаторов, мм                                               0,5;

Для микросхем, мм                                                                          1,0;

Для полупроводниковых приборов, мм                                        2,0;

Минимальный внутренний радиус изгиба вывода, мм:

для вывода толщиной до 0,5 мм, включительно                           0,5;

для вывода толщиной от 0,5 до 1,0, включительно                      1,0

для вывода толщиной свыше 1,0                                                   1,5;

При обрезке выводов нужно учитывать, что за основания платы выводы должны выступать не менее чем по 1 мм с каждой стороны. В нашем случае, при толщине печатной платы 1,5 мм длина ножек должна быть не менее 3-4 мм.

Пайку проводить в соответствии с требованиями ГОСТ 23.592-96 «Общие требования к объемному монтажу изделий электронной технике и электротехнических». При пайке элементов следует использовать припой ПОС61 в соответствии с ГОСТ 21.930. Температуру паяльника установить в пределах от 240 до 280 ˚С. Время пайки на должно превышать 5с. Использовать флюс-гель марки ТТ.

. РАСЧЕТНЫЙ РАЗДЕЛ

4.1 Расчет электрических и конструктивных параметров элементов печатной платы

микроконтроллер датчик температура печатный

Расчет электрических и конструктивных параметров включает в себя расчет диаметров монтажных и переходных отверстий, контактных площадок, ширины печатного проводника и падения напряжения на печатном проводнике.

При компоновке радиоэлектронной аппаратуры должны быть учтены требования оптимальных функциональных связей между модулями, их устойчивость и стабильность, требования прочности и жесткости, помехозащищенности и нормального теплового режима, требования технологичности, эргономики, удобства эксплуатации и ремонта.

Расчёт диаметра переходных отверстий по формуле:

                                                                              (1)

где: Н - толщина диэлектрика, мм;

- коэффициент, который зависит от электролита (0,45мм).по = 1 x 0,45 = 0,45 мм

Расчет диаметра монтажного отверстия по формуле:

g (2)

где:g - погрешность диаметра отверстия (0,01);

hr - толщина гальванически наращенной меди (35мкм);

- диаметр вывода элемента;

- зазор между выводом и монтажным отверстием (0,5мм).

Диаметр монтажного отверстия для DD1:

dо = 1,7 +0,5 + 0,07 + 0,01 = 2.28 мм

Диаметр монтажного отверстия для R1-R25, C1-C3:

dотв = 0,6 + 0,5 + 0,07 + 0,01 = 1,18 мм

Диаметр монтажного отверстия для HG1-HG3:

dотв = 0,45 + 0,5 + 0,07 + 0,01 = 1,03 мм

Диаметр монтажного отверстия для ZQ1:

dотв = 1 +0,5 + 0,07 + 0,01 = 1,58 мм

Диаметр монтажного отверстия для BK1, VT1:

dотв = 0,5 + 0,5 + 0,07 +0,01 = 1,08 мм

Расчет диаметра контактной площадки по формуле:

 (3)

где:-диаметр монтажного отверстия;

- минимально необходимая радиальная ширина кольца(0,55мм);

- технологический коэффициент погрешности производства(0,1мм).

Диаметр контактной площадки для DD1:

dкп = 2,28 + 0.55 x 2 + 0,1 = 3,48 мм

Диаметр контактной площадки для R1-R25, C1-C3:

dкп = 1,18 + 0.55 x 2 + 0,1 = 3 мм

Диаметр контактной площадки для HG1-HG3:

dкп = 1,03 + 0.55 x 2 + 0,1 = 2,23 мм

dкп = 1,58 + 0.55 x 2 + 0,1 = 2,78 мм

Диаметр контактной площадки BK1, VT1:

dкп = 1,08 + 0.55 x 2 + 0,1 = 2.28 мм

Расчет электрических параметров печатных проводников

Рассчитаем ширину печатного проводника по формуле:

 (4)

где:-ширина печатного проводника, мм;

-общий потребляемый ток, А;

-толщина печатного проводника, мм(0,035);

-допустимая плотность тока, А/мм2 (250).

Общий потребляемый ток рассчитывается по формуле:

 (5)

где: - потребляемый ток одного элемента, А.

Потребляемый ток DD1:

 

Потребляемый ток HG1- HG3:

 

Потребляемый ток R1,R10:

 

Потребляемый ток R2-R9,R12-R25:

 

Потребляемый ток R11:

 

Потребляемый ток BK1:

 

Потребляемый ток VT1:

 

Общий потребляемый ток:

 

Ширина печатного проводника:

 

Рассчитаем ток идущий через печатный проводник по формуле:

 (6)

 

Рассчитаем сопротивление печатного проводника по формуле:

 (7)

где:-обьемное электрическое сопротивление,  (0,02);

-длинна проводника, м (0,054).

 

Рассчитаем падение напряжения на печатном проводнике по формуле:

 (8)

 

4.2 Расчет технологичности конструкции

Данный блок содержит следующие элементы:

ИМС в количестве 1 шт;

Конденсаторы в количестве 3 шт;

Резисторы в количестве 25 шт;

Транзисторы в количестве 1 шт;

Кварц в количестве 1 шт;

Индикаторы в количестве 3 шт;

Датчик в количестве 1шт;

Все ИМС и электрорадиоэлементы стандартные

ИМС имеет 1 тип корпуса:

–   Корпус на 40 выводов (штыревые выводы)

Конденсаторы имеют 2 типоразмера. Конденсаторы имеют по 2 вывода, следовательно, 3х2=6 выводов.

Индикатор имеет 1 типоразмер. Имеет 10 вывода, следовательно, общее количество выводов 3х10=30 выводов.

Резисторы имеют 1 типоразмер по 2 вывода, следовательно, общее количество выводов 2х25=50 выводов.

Транзисторы имеет 1 типоразмера по 3 вывода, следовательно, общее количество выводов 3.

Кварц резонатор имеет 1 типоразмер, имеет 2 вывода, следовательно, общее количество выводов 2.

Датчик имеет 1 типоразмер по 3 вывода, следовательно, общее количество выводов 3.

Данная конструкция содержит 1 оригинальную деталь:

Печатная плата;

Расчет показателей технологичности

Рассчитаем конструкторские показатели технологичности

- коэффициент применяемости деталей:

Кпд=1-Дтр ор/Дтр общ =1-1/7=0,857 (9)

Где Дтр ор- число типоразмеров оригинальных деталей;

Дтр общ- общее число типоразмеров деталей;

коэффициент применяемости ЭРЭ:

Кп эрэ=1-Нтр ор эрэ/Нтр эрэ=1-0/6=1 (10)

Нтр эрэ - общее число типоразмеров ЭРЭ;

коэффициент повторяемости ИМС и микросборок:

Кпов имс =1-Нтр ис/Нис=1-2/2=0 (11)

Где Нтр ис- число типоразмеров корпусов ИМС;

Нис - общее число ИМС;

коэффициент использования ИМС и микросборок:

Кисп ис = Нис/(Нис+Нэрэ)=1/(1+35)=0,03 (12)

Где Нэрэ- общее число ЭРЭ;

коэффициент повторяемости ЭРЭ:

Кпов эрэ =1-Нтр эрэ/Н эрэ=1-6/34=0,824 (13)

Где Нтр эрэ - общее число типоразмеров ЭРЭ;

Н эрэ - общее число ЭРЭ;

коэффициент повторяемости ПП

Кпов пп =1-Нтр/Нпп=1-1/1=0 (14)

Где Нтр- число типоразмеров печатных плат;

Нпп- общее число печатных плат;

Рассчитаем технологические показатели технологичности

Кам=Нам/Нм=134/134=1 (15)

Где Нам- число монтажных изделий, выполняемых с использованием автоматизации и механизации;

Нм-общее число монтажных изделий;

Коэффициент механизации = 1

Коэффициент автоматизации и контроля =0,7

Ктп=3/3=1 (16)

Рассчитаем значение комплексного показателя технологичности:

К=((0,857*0,187)+(0,03*1)+(0,824*0,31)+(1*1)+(0,7*1)+(1*1)+(1*0,75))/(1+1+0,75+1+0,31+0,31+0,187+1)=0,71

Как видно из расчета, значение комплексного показателя технологичности разрабатываемой конструкции не ниже нормативного значения серийного производства, что удовлетворяет требованиям производства печатной платы.

5. ТЕХНОЛОГИЧЕСКИЙ РАЗДЕЛ

5.1 Описание метода изготовления печатной платы

Существует несколько методов изготовления печатных плат: субтрактивный, аддитивный, комбинированный позитивный методы и т.д. Субтрактивный метод изготовления печатных плат применяется при производстве однослойных и многослойных печатных плат, а так же при изготовлении внутренних слоев МПП (выполненных методами металлизации сквозных отверстий и послойного наращивания). В качестве исходного материала используется фольгированные медью изоляционные материалы. После переноса рисунка печатных проводников ( в виде пленки, стойкой к растворам травления) на фольгированную основу незащищенные от нее места химически удаляются-стравливаются. Отсюда и название метода: фотополиграфия (защитная пленка формируется из фоторезиста - материала, очувствляемого через фотокопию печатного рисунка - фотошаблон), трафаретная печать( используется специальная химически стойкая краска.

Химический метод

Субтрактивный метод, в чистом виде, реализуется в производстве односторонних печатных плат, где присутствуют только процессы селективной защиты рисунка проводников и стравливания металла фольгированных диэлектриков с незащищенных мест (рис. 1.2.).

Схема стандартного субтрактивного (химического) метода изготовления двусторонних печатных плат:

)         вырубка заготовки;

)         сверление отверстий;

)         подготовка поверхности фольги (дезоксидация), устранение заусенцев;

)         трафаретное нанесение кислотостойкой краски, закрывающей участки фольги, неподлежащих вытравливанию;

)         травление открытых участков фольги;

)         сушка платы;

)         нанесение паяльной маски;

)         горячее облуживание открытых монтажных участков припоем;

)         нанесение маркировки;

)         контроль.

Преимущества:

возможность полной автоматизации процесса изготовления;

высокая производительность;

низкая себестоимость.

Недостатки:

низкая плотность компоновки связей;

использование фольгированных материалов;

наличие экологических проблем из-за образования больших объемов отработанных травильных растворов.

Механическое формирование зазоров (оконтуривание проводников)

Вместо химического травления, изоляционные зазоры между проводниками можно формировать механическим удалением при помощи режущего инструмента. Для изготовления односторонних печатных плат можно обойтись всего одним станком с ЧПУ, позволяющим по программе сверлить сквозные отверстия и скрайбирование зазоры.

Скрайбирование обычно ведется коническими фрезами с углом при вершине 60 или 30 градусов (в ряде случаев - менее 18 градусов). Для получения стабильной ширины контурной канавки необходимо строго контролировать глубину врезания фрезы в заготовку. На плоскостность подложки, неравномерный прижим заготовки к рабочему столу могут привести к разбросу ширины реза. Именно поэтому свер-лильно-фрезерные станки должны иметь специальные прижимные головки, принудительно выравнивающие заготовки плат в плоскость стола станка.

Метод отличается коротким технологическим циклом изготовления, малой капиталоемкостью, не создает экологических проблем. Он очень удобен для изготовления полноценных экспериментальных образцов монтажных подложек. Но образцы плат получаются дороже (большой расход фрез), чем изготовленные химическим методом. Поэтому и из-за большого ритма выпуска (плата изготавливается более, чем 4 часа) этот метод не годится для серийного производства.

Чтобы избежать необходимости химических процессов металлизации отверстий, при изготовлении печатных плат методами скрайбирования и фрезеровки используют примитивные методы соединения двух сторон

При скрайбирование контура проводников фрезы неизбежно вспарывают стеклоткань диэлектрика, что повышает его восприимчивость к загрязнениям. Поэтому такие платы требуют повышенного внимания к последующим процессам защиты поверхности от воздействия внешних сред паяльной маской или специальной пропиткой, не мешающей пайке, или лакировкой после монтажа.

Лазерное гравирование

Ультрафиолетовые лазеры (эксимерные и Nd:YAGwnvi Nd:LIF-na-зеры) способны испарять медь фольги и минимально травмировать диэлектрическую подложку Это позволяет использовать их для гравирования контуров проводников. Современное оборудование, предназначенное для этой цели, сочетает в себе две лазерных головки: СО^-лазер и УФ-лазер, которые попеременно сверлят сквозные и глухие отверстия и гравируют пробельные места плат.Лазерные методы прямого формирования рисунка высокопроизводительны, воспроизводят рисунок с разрешением проводник/зазор = 0,05/0.05 мм. Но пока это оборудование слишком дорого для повсеместного использования.

5.2 Выбор технологического оборудования и технологических режимов изготовления печатной платы

Учитывая метод изготовления печатной платы, проведем анализ и выбор применяемого оборудования.

В настоящее время для вычерчивания оригиналов и фотошаблонов применяют программные автоматические координатографы, для управления которыми используют файл из САПР ПП.

В графопостроителе чертежная головка и двухкоординатный стол с головкой перемещаются друг относительно друга по программе. Вычерчивание проводников происходит при непрерывном перемещении проектора над фотопленкой, остальные элементы топологии оригинала получают засвечиванием фотопленки вспышкой при неподвижном проекторе.

Химико-фотографическую обработку проводят для получения видимого изображения элементов топологии фотошаблона при неактиничном освещении за светофильтром № 107в кюветах, фотованнах или в проявочных установках.

При контактном способе печати на диазоматериалах применяются контактно-копировальные установки с источником УФ-излучения с длиной волны 350...450нм с ксеноновыми, галогенными или другими лампами. Прямая запись шаблонов печатной платы осуществляется в лазерных растровых плоттерах семейства LaserGraver. В них реализуется термический способ записи изображения шаблона лучом волоконного лазера с полупроводниковой накачкой. Погрешность на поле 500х500 мм ±0,025 мм, что позволяет получать проводники шириной 50 мкм.

Машина LaserGraver и ПО представляют собой систему, обеспечивающую совместимость со всеми современными технологиями разработки печатных плат. Фотоплоттеры отличаются высоким качеством, точностью и разрешающей способностью.

Для контроля фотошаблонов применяют оптическую измерительную систему OPTEK VideoMic

. ЗАКЛЮЧЕНИЕ

Выполнение курсового проекта было проведено в соответствии с графиком. В процессе выполнения был сформирован комплект конструкторской документации, включающий в себя конструктивные особенности элементов схемы, конструктивно-технологические требования к проектированию чертежа печатной платы, чертежи, а так же некоторые расчеты.

Произведены расчеты площади печатной платы и в соответствии с ГОСТ 53.429-2009 «Печатные платы. Основные параметры конструкции» были определены линейные размеры требуемой печатной платы. Они составили 47,5х100 мм.

На основании ГОСТ 29.137-91 «Формовка выводов и установка изделий электронной техники на печатные платы» были определены требования по формовке выводов при установке на печатную плату. А так же перечислены некоторые требования к пайки элементов. Температура пайки должна быть 240-280 ˚С, паять при помощи флюс-геля ТТ и пропоя ПОС 61.

Исходя из наличия интегральной схемы, и сложности трассировки было принято решение разрабатывать двухстороннюю печатную плату. Это

послужило основанием для выбора материала печатной платы. Мы выбрали стеклотекстолит фольгированный (СФ-2-35).

Так же в результате были разработаны чертежи: сборочный чертеж, чертеж печатной платы, схема электрическая принципиальная. Все чертежи прилагаются.

Похожие работы на - Устройство измерения температуры

 

Не нашли материал для своей работы?
Поможем написать уникальную работу
Без плагиата!
Без нейросетей!