Разработка устройства для измерения температуры неподвижного объекта (корпус электрической машины)

  • Вид работы:
    Курсовая работа (т)
  • Предмет:
    Информационное обеспечение, программирование
  • Язык:
    Русский
    ,
    Формат файла:
    MS Word
    514,65 Кб
  • Опубликовано:
    2014-10-20
Вы можете узнать стоимость помощи в написании студенческой работы.
Помощь в написании работы, которую точно примут!

Разработка устройства для измерения температуры неподвижного объекта (корпус электрической машины)

Введение

Целью данной курсовой работы является разработка устройства для измерения температуры неподвижного объекта (корпус электрической машины). А также ознакомление с порядком поиска аналогов в бюллетенях изобретений.

В работе будут рассмотрены четыре аналога, найденных на первом этапе работы. Это необходимо для определения оптимальной конструкции, как самого датчика, так и самого устройства. Проведен сравнительный анализ данных устройств.

Параметры технического задания представлены в таблице 1.1

Таблица 1.1 - Параметры технического задания

Диапазон изменения температуры

20˚C - 150˚C

Допустимая погрешность измерения

2%

Напряжение питания

115 В

Частота питания

400 Гц

Выходной сигнал устройства

8-ми разрядный параллельный код

 

1. Сравнительный анализ существующих решений


Устройство 1 (патент приведен в приложении А1) предназначено для многоканального измерения температуры, может быть использовано в пищевой, химической и других отраслях промышленности. Способ многоканального измерения температуры, с последующим вводом полученных данных в IBM совместимый компьютер, основанный на применении преобразователя напряжения в частоту, представлен схемой преобразования термоЭДС термопар, состоящей из блоков: блока коммутации аналоговых сигналов, блока усиления аналогового сигнала, блока АЦП, блока управления, блока сопряжения с шиной компьютера, блока опорных напряжений. Недостаток данного устройства в использовании термопары. Огромный плюс термопар - широкий температурный диапазон измерения в текущей задаче остается невостребованным.

Минус: влияние на показания температуры свободных концов становится существенным при относительно низких температурах (20-150 ˚C)

Второе устройство (патент приведен в приложении А2) содержит источник тока, аналого-цифровой преобразователь, блок управления, ключи, образцовые резисторы, мультиплексор, подключенный к его входу терморезистор, генератор сигналов, счетчик, регистр, процессор.

Второе рассмотренное устройство, на мой взгляд, в рамках поставленной задачи, является наиболее удачным, т.к.

1.      объект измерения неподвижен

2.      терморезистор, как датчик, является дешевым устройством, что приводит к существенной экономии ресурсов.

.        устройство будет просто в реализации

.        защищено от влияния пыли и загрязнений.

.        обеспечивает высокую точность

.        обладает линейной характеристикой

В дальнейшем будем рассматривать его как прототип относится к области оптической пирометрии и может быть использовано в измерительной технике, метрологии, дистанционном зондировании. Устройство содержит оптическую систему, блок спектрального разложения, матрицу приемников и процессорный блок. Технический результат состоит в том, что точность измерения температуры повышается за счет инвариантности устройства к динамическому изменению угла направления на источник излучения.

Достоинства: очень маленькая постоянная времени - несущественно, т.к. электрические машины обычно массивны - постоянная времени разогрева очень большая.

Недостатки: влияние загрязненности, сложность устройства, дороговизна.

Четвертое устройство (патент приведен в приложении А4) содержит датчик температуры - термодиод с определенной ВАХ, в котором датчик температуры выдает анодный потенциал диода как сигнал температуры; стабилизированный ток на аноде диода; напряжение на аноде является выходным сигналом в момент переключения полупроводника.

Недостатки - нелинейная характеристика, сложность выделения полезного сигнала.

датчик усилитель микроконтроллер

2. Разработка функциональной схемы


Разработаем функциональную схему устройства.

Рисунок 2.1 - Функциональная схема устройства

ИЭ - источник энергии 115 В 400 ГЦ

БП - блок питания

ИТ - источник стабилизированного тока

ОУ - объект управления

Датчик - датчик температуры (терморезистор)

Усилитель - предварительный усилитель сигнала с датчика

МК - микроконтроллер.

Сигнал с датчика усиливается до необходимого уровня операционным усилителем и поступает на вход АЦП микроконтроллера. Источник тока необходим для работы датчика по четырёхпроводной схеме.

3. Выбор элементов, входящих в систему, статический расчет


.1 Датчик

Возьмем в качестве датчика температуры медный датчик (ГОСТ 8.625-2006) класса B с линейной характеристикой в диапазоне (0˚-200˚C) :


где  - сопротивление ТС, Ом при температуре t˚C,

=100 Ом - номинальное сопротивление ТС, при температуре 0˚C,

.

Для класса B допуск в ˚C:

При t=150˚C

Допуск:

Или максимальная погрешность датчика:

Датчик подключим по четырехпроводной схеме.

.2 Источник тока

Для питания датчик необходим источник тока.

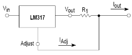
Источник тока реализуем на интегральном стабилизаторе напряжения LM317LD, включенном по схеме на рисунке 3.1

Рисунок 3.1 - Схема включения LM317 в качестве источника тока


при


Ом

Резистор выберем из стандартного ряда E192.

.3 Усилитель

Усилитель соберем на инструментальном ОУ с высокоомными входами, для исключения влияния входного сопротивления усилителя на датчик.

Рисунок 3.3.1 - Эквивалентная схема четырехпроводной схемы включения датчика

Рисунок 3.3.2 - Схема включения AD620AR

На вывод reference будем подавать напряжение, соответствующее значению при температуре равной 0˚С, для того, чтобы увеличить ширину полезного сигнала. Напряжение на датчике при 0 ˚С равно:

При 150 ˚С:



Максимальное напряжение на АЦП равно 3 В

Коэффициент усиления ОУ:


Коэффициент усиления задается выбором Rg


Из ряда Е192 выберем 32,8 кОм

.4 Микроконтроллер

Микроконтроллер возьмем со встроенным АЦП.

Atmel - AT89C51CC02, корпус SO28

Напряжение питания - 3-5.5В

Основные характеристики приведены в приложении В.

.5 Блок питания

В качестве блока питания выберем МАА20-1К9-СКН, входное напряжение - 115В, 400 Гц, выходное - 9В постоянного тока. Описание блока питания приведено в приложении Б.

Для питания микропроцессора, обеспечения двухполярного питания ОУ используем резисторный делитель с повторителем на ОУ.

Рисунок 3.5.1 - Схема резисторного делителя напряжения.

Зададим ток в 1 мА.


Из стандартного ряда R2=4,48 кОм

Для Ureference необходимо напряжение в 4В

Рисунок 3.5.2 - Схема включения интегрального регулятора напряжения LM317LD


Выбираем стандартный из ряда E192

R2=657 Ом

Для АЦП микроконтроллера необходимо напряжение, которое будем максимальным значение оцифровываемого напряжения. Зададим его значение в 1,875В резисторным делителем из опорного напряжения 2,5В.

Зададим ток в 8,3 мА.


Из стандартного ряда

R2=301Ом

 

4. Блок-схема программы


Рисунок 4.1 - Блок-схема программы

 

Заключение


В результате данной курсовой работы было спроектировано устройство для измерения температуры.

Устройство содержит микроконтроллер AT89C51CC02 фирмы Atmel, инструментальный усилитель AD620AR фирмы Analog Devices, операционный усилитель LF353D, стабилизатор напряжения LM317LD фирмы ST Microelectronics, датчик температуры (терморезистор), подключаемый по четырехпроводной схеме. Устройство обеспечивает измерение температуры от 20°-150°C с точностью 2%, и выходной сигнал - 8-ми разрядный параллельный код, что соответствует требованиям технического задания.

Литература


1.  Алексеев А.Г., Войшвилло Г.В. Операционные усилители и их применение - М., издательство: "Радио и связь" 1995. - 120 с.

2.      Аш Ж. и др. Датчики измерительных систем. - М., издательство: Мир 1992. 480 с.

.        ГОСТ Р 8.625-2006 Термометры сопротивления из платины, меди и никеля. Общие технические требования и методы испытания.

.        Методичка КОНТРоль и АВТоматика / Научно-производственная фирма КонтрАвт, 2005

.        Микушин А. Занимательно о микроконтроллерах -СПб., издательство: БХВ-Петербург 2006. 424 с.

Приложение А1


Патент 2339922; Авторы: Дороганов В.П (RU), Короткий И.А. (RU), Ибрагимов М.И. (RU), Николаец Е.А. (RU), Николаева Е.А. (RU)

СПОСОБ ИЗМЕРЕНИЯ ТЕМПЕРАТУРЫ

Изобретение относится к измерительной технике и предназначено для многоканального измерения температуры, может быть использовано в пищевой, химической и других отраслях промышленности. Способ многоканального измерения температуры, с последующим вводом полученных данных в IBM совместимый компьютер, основанный на применении преобразователя напряжения в частоту, представлен схемой преобразования термо ЭДС термопар, состоящей из блоков: блока коммутации аналоговых сигналов, блока усиления аналогового сигнала, блока АЦП, блока управления, блока сопряжения с шиной компьютера, блока опорных напряжений. Технический результат заявленного изобретения заключается в повышении точности получаемых результатов, а также многоканальном преобразовании термо ЭДС термопар с последующим вводом полученных данных в компьютер.

Рисунок А1.1

Изобретение относится к измерительной технике и предназначено для многоканального измерения температуры, и может быть использовано в пищевой, химической и других отраслях промышленности.

Известен способ измерения температуры [1], основанный на применении преобразователя напряжения в частоту с использованием в качестве преобразователя температуры диода VD2, что обеспечивает измерение температуры от 0 до 100°С с разрешающей способностью ±0,1°С; при этом погрешность измерений не превышает ±0,3°С во всем диапазоне [см. Алексенко А.Г. Применение прецизионных аналоговых микросхем. - М: Радио и связь, 1985 г., с 147, рис 3.10].

Недостатком данного способа измерения температуры является малый диапазон измерения температуры, недостаточная стабильность преобразования.

Известен способ [2] одноканального измерения температуры, основанный на применении преобразователя напряжения в частоту, реализованного на интегральном таймере с использованием в качестве таймера интегрального таймера 1006ВИ1 с частотой выходных импульсов от 0 до 10 кГц. /см. Алексенко А.Г. Применение прецизионных аналоговых микросхем. - М: Радио и связь, 1985 г., с 146, рис 3.9/.

Недостатком данного способа измерения температуры является невысокая стабильность, одноканальность.

Технический результат заявленного изобретения заключается в повышении точности получаемых результатов, а также многоканальном преобразовании термо ЭДС термопар с последующим вводом полученных данных в компьютер.

Технический результат достигается тем, что в процессе преобразования напряжения термопар в частоту выполняют следующую последовательность действий: обеспечивают возможность приема сигнала от термопар по многим каналам при помощи аналогового коммутатора К590КН6, усиливают и нормализуют сигнал при помощи операционного усилителя К140УД8, формируют цифровую последовательность при помощи аналого-цифрового преобразователя (АЦП) и подают сигнал на шину ISA компьютера для дальнейшей обработки при помощи параллельного - периферийного адаптера 580ВВ55, при этом дополнительно формируют сигналы выбора канала передачи сигнала в аналоговом коммутаторе К590КН6 и сигналы управления АЦП при помощи блока управления, а также формируют стабильные опорные напряжения в АЦП и аналоговом коммутаторе К590КН6 при помощи блока опорных напряжений.

Применение данного сочетания микросхем, компьютерная программная обработка результатов позволяют существенно повысить точность измерений и компенсировать все виды нестабильности (температурная нестабильность, нестабильность напряжений питания и временная, т.е. влияние эффекта старения радиоэлементов).

 

Приложение А2


Патент 2253846 Авторы: Баженов В.И. (RU), Будкин В.Л. (RU), Горбатенков Н.И. (RU), Федулов Н.П. (RU).

УСТРОЙСТВО ДЛЯ ИЗМЕРЕНИЯ ТЕМПЕРАТУРЫ

Изобретение относится к области измерительной техники, а именно к измерительным преобразователям температурных условий.

Известно устройство для измерения температуры [1], содержащее терморезистор, коммутатор, усилитель, аналого-цифровой преобразователь, преобразователь сопротивление-код, ключ, блок управления, образцовый резистор.

Наиболее близким по технической сущности является устройство для измерения температуры [2], содержащее источник тока, аналого-цифровой преобразователь, блок управления, ключи, первый образцовый резистор, мультиплексор, подключенный к его первому входу терморезистор.

Недостатком такого устройства для измерения температуры является погрешность измерения температуры вследствие потери информации при преобразовании и различиях разрешающей способности на верхнем и нижнем пределах измерения температуры, вызванных нелинейной функцией преобразования терморезистора.

Техническим результатом изобретения является повышение точности измерения температуры.

Данный технический результат достигается в устройстве для измерения температуры, содержащем источник тока, аналого-цифровой преобразователь, блок управления, ключи, первый образцовый резистор, мультиплексор, подключенный к его первому входу терморезистор, тем, что в него введены многофункциональный генератор сигналов, счетчик, регистр, процессор, выполненный с сопротивлением 40-60 от сопротивления первого образцового резистора второй образцовый резистор, первый ключ выполнен как сдвоенный ключ с одним замыкающим контактом и одним размыкающим контактом, первый образцовый резистор подключен к входу замыкающего контакта сдвоенного ключа, второй образцовый резистор подключен к входу размыкающего контакта сдвоенного ключа, выходы замыкающего и размыкающего контактов сдвоенного ключа соединены и подключены к второму входу мультиплексора; в источнике тока нагрузка выполнена из последовательно соединенных первого и второго резисторов, сопротивление первого резистора выполнено с отношением 4-10 к сопротивлению второго резистора, вход одного из ключей подключен к первому выводу первого резистора, выход этого ключа подключен к второму выводу первого резистора, выход источника тока подключен к выходу мультиплексора, к которому также подключен вход аналого-цифрового преобразователя, выход аналого-цифрового преобразователя подключен к первому входу блока управления, к второму входу блока управления подключен первый выход многофункционального генератора сигналов с первой частотой, по крайней мере в два раза большей максимальной частоты преобразования аналого-цифрового преобразователя, к третьему входу блока управления подключен второй выход многофункционального генератора сигналов со второй частотой, по крайней мере на два порядка меньшей первой частоты, первый выход блока управления подключен к входу счета счетчика, к входу обнуления которого подключен второй выход блока управления, выход счетчика подключен к входу данных регистра, к входу разрешения записи которого подключен третий выход блока управления, первый выход процессора подключен к управляющему входу сдвоенного ключа, второй выход процессора подключен к входу управления ключа в источнике тока, третий выход процессора подключен к входу разрешения чтения регистра, еще два выхода процессора подключены к входам селекции мультиплексора, выход регистра соединен шиной данных с входом процессора; блок управления содержит первый, второй, третий, четвертый и пятый D-триггеры, первый, второй, третий, четвертый, пятый, шестой и седьмой инверторы, первое и второе логические устройства 2И-НЕ, логическое устройство И, являющийся первым входом блока управления вход первого инвертора предназначен для подключения выхода аналого-цифрового преобразователя, выход первого инвертора подключен к сигнальному входу первого D-триггера, прямой выход которого подсоединен к сигнальному входу второго D-триггера и первому входу первого логического устройства 2И-НЕ, инверсный выход первого D-триггера подключен к первому входу логического устройства И, являющиеся вторым входом блока управления тактовый вход первого D-триггера, тактовый вход пятого D-триггера, вход второго инвертора предназначен для подключения к первому выходу многофункционального генератора сигналов, к выходу второго инвертора подключены тактовые входы второго D-триггера и четвертого D-триггера, являющийся третьим входом блока управления тактовый вход третьего D-триггера предназначен для подключения к второму выходу многофункционального генератора сигналов, выход третьего D-триггера подключен к второму входу логического устройства И, выход которого соединен с сигнальным входом четвертого D-триггера, выход четвертого D-триггера подключен к сигнальному входу пятого D-триггера и первому входу второго логического устройства 2И-НЕ, выход которого соединен с входом третьего инвертора и с входом сброса третьего D-триггера, инверсный выход второго D-триггера подсоединен к второму входу первого логического устройства 2И-НЕ, выход которого является первым выходом блока управления и предназначен для подключения к входу счета счетчика, инверсный выход пятого D-триггера подключен к второму входу второго логического устройства 2И-НЕ, выход третьего инвертора, являющийся третьим выходом блока управления и предназначенный для подключения к входу разрешения записи регистра, подключен к входу четвертого инвертора, выход которого соединен с входом пятого инвертора, выход пятого инвертора соединен с входом шестого инвертора, выход которого подключен к входу седьмого инвертора, выход седьмого инвертора является вторым выходом блока управления, предназначенным для подключения к входу обнуления счетчика.

Приложение А3


Патент 2213942 Авторы: Бодров В.Н., Мельников Б.С., Обидин Г.И.

УСТРОЙСТВО БЕСКОНТАКТНОГО ИЗМЕРЕНИЯ ТЕМПЕРАТУРЫ

Изобретение относится к области оптической пирометрии и может быть использовано в измерительной технике, метрологии, дистанционном зондировании. Устройство содержит оптическую систему, блок спектрального разложения, матрицу приемников и процессорный блок. Технический результат состоит в том, что точность измерения температуры повышается за счет инвариантности устройства к динамическому изменению угла направления на источник излучения. 2 ил.

Изобретение относится к области оптической пирометрии и может быть использовано в измерительной технике, метрологии, дистанционном зондировании.

Известен способ измерения температуры (а.с. 437926, МПК G 01 J 5/00, 1974 г. ), по которому температура определяется по отношению интенсивности монохроматического излучения и первой производной интенсивности излучения по длинам волн, взятой для значения той же длины волны, что и величина интенсивности монохроматического излучения.

Известно устройство бесконтактного измерения температуры (а.с. 1803747, МПК 5 G 01 J 5/60, 1987 г.), содержащее оптическую систему, приемник излучения, дифференциатор, два амплитудных детектора, оптический гетеродин, перестраиваемый оптический модулятор, устройство смешения оптических пучков, резонансный усилитель и блок деления.

Недостатками известных устройств является зависимость измерений от угла направления на источник излучения, так как при изменении этого угла изменяется положение изображения спектра излучения на поверхности детектора спектра излучения.

Задачей изобретения является повышение точности измерений при изменении угла направления на источник излучения.

Решение задачи достигается тем, что в устройстве бесконтактного измерения температуры, содержащем оптическую систему, на оптической оси которой расположен блок спектрального разложения, формирующий изображение спектра излучения на поверхности детектора, выход которого соединен с процессорным блоком, детектор выполнен в виде матрицы приемников, границы которой превышают возможные перемещения границ изображения спектра излучения, а выход каждого из приемников через детектор соединен с соответствующим входом процессорного блока, выполненного с возможностью поиска максимального значения выходного сигнала приемника по матрице приемников, возможностью определения максимального значения производной выходных сигналов приемников по матрице приемников и возможностью вычисления температуры по отношению максимального значения производной выходных сигналов по матрице приемников к максимальному значению выходного сигнала приемника по матрице приемников с учетом коэффициента пропорциональности.

Технический результат состоит в том, что точность измерения температуры повышается за счет инвариантности устройства к динамическому изменению угла направления на источник излучения.

Структурная схема устройства представлена на фиг.1, принцип работы пояснен на фиг.2.

Устройство содержит оптическую систему 1, блок 2 спектрального разложения, матрицу 3 приемников и процессорный блок 4.

Устройство работает следующим образом. При перемещении источника 5 излучения (фиг. 2) угол направления на источник излучения изменяется и изображение спектра излучения перемещается по поверхности матрицы приемников. Однако это не приводит, как в прототипе, к перемещению центра тяжести спектра и соответствующей ошибке измерений, т.к. приемники приемной матрицы не соотнесены с длинами волн спектра излучения. Посредством процессорного блока производится сканирование сигналов всех приемников и выявляется лишь значение максимального сигнала вне зависимости от топологического расположения приемника в приемной матрице. Аналогично находится максимальное значение производной при последовательном переборе сигналов приемников по всей приемной матрице. В процессорном блоке 4 реализуется известный (например, из аналогов) алгоритм для вычисления температуры по отношению максимального значения производной выходных сигналов по матрице приемников к максимальному значению выходного сигнала приемника по матрице приемников с учетом коэффициента пропорциональности. Таким образом обеспечивается инвариантность измерения температуры к динамическому изменению угла направления на источник излучения.

Элементы устройства могут быть выполнены из типовых модулей и на элементной базе, применяемых в измерительной технике и метрологии. Конструктивное выполнение блоков 1 и 2 может совпадать с аналогичными блоками прототипа. Конструкции блоков 3 и 4 очевидны из уровня техники.

Приложение А4


Патент 7535128 (US) Авторы: Wang, Dong (Tokyo, JP) Yamamoto, Akihisa (Tokyo, JP)

Temperature detectorOF THE INVENTION present invention relates to a temperature detector for detecting the temperature of a chip on which a semiconductor switching device or devices are formed, and more particularly to a temperature detector that can avoid outputting erroneous temperature signals during the switching operation of the semiconductor switching device. ART switching devices such as IGBTs (Insulated Gate Bipolar Transistors) will be thermally damaged if they are heated to excessive temperature due to high current operation. To prevent this, a temperature detector is used to detect the temperature of the chip. . 10 is a diagram showing the configuration of a conventional temperature detector (see, e.g., Japanese Laid-Open Patent Publication No. 2000-307403). Referring to the figure, a temperature sensing diode 13 is formed on the same chip 12 as a semiconductor switching device 11 . A constant current circuit 14 supplies a constant current to the anode of the temperature sensing diode 13 , and the anode potential of the temperature sensing diode 13 is used as a temperature signal indicating the temperature state of the semiconductor switching device 11 . In this case, the circuit (not shown) that receives the temperature signal is designed to have a high input impedance, as is well known in the art. The forward voltage (Vf) of the temperature sensing diode 13 has a negative temperature coefficient (when the forward current is maintained constant), as shown in FIG. 11. should be noted that during the switching operation of the semiconductor switching device 11 , negative noise is superimposed on the anode potential of the temperature sensing diode 13 due to wire inductance, loops, etc., resulting in a reduction in the anode potential. To prevent this, a CR filter 15 is inserted between the anode of the temperature sensing diode 13 and the output terminal to shape the temperature signal. , as the switching frequency increases, the potential of the temperature signal from the temperature sensing diode 13 gradually decreases, as shown in FIG. 12. Therefore, a conventional temperature detector may output an erroneous output signal even if the temperature signal from the temperature sensing diode 13 is shaped by the above filter, since the portions of the temperature signal affected by the negative noise may have a lower potential level than a predetermined threshold level. OF THE INVENTION present invention has been devised to solve the above problem. It is, therefore, an object of the present invention to provide a temperature detector that can avoid outputting erroneous temperature signals during the switching operation of the semiconductor switching device. to one aspect of the present invention, a temperature detector for outputting a temperature signal comprises: a temperature sensing diode formed on the same chip as a semiconductor switching device and having a specific temperature vs. voltage characteristic, wherein the temperature detector outputs the anode potential of the temperature sensing diode as the temperature signal; a constant current circuit for supplying a current to the anode of the temperature sensing diode; and anode potential holding means for holding the anode potential of the temperature sensing diode as the temperature signal at the start of switching operation of the semiconductor switching device. , the present invention provides a temperature detector that can avoid outputting erroneous temperature signals during the switching operation of the semiconductor switching device. and further objects, features and advantages of the invention will appear more fully from the following description.

Приложение Б


Блок питания МАА20-1К9-СКН, основные характеристики.

Серии модулей МАА и МДД выпускаются для использования в жёстких условиях эксплуатации. Они защищены полимерным компаундом и элементная база для них подобрана для работы в расширенном диапазоне температур. Основные параметры модулей серий МАА и МДД даны в таблице Б.1.

Таблица Б.1 - Основные параметры модулей серий МАА и МДД


Характеристики МАА20-1К9-СКН:

Выходная мощность 20Вт

Выходное напряжение 9 В, 1 канал

Входное напряжение 115В 400 Гц

Максимальный выходной ток 2,2А.

Приложение В


Микроконтроллер AT89C51CC02 фирмы Atmel, основные характеристики.

Рисунок В.1- Назначение основных выводов микроконтроллера

VCC - питание +3..5,5 В

VSS,VAGND - общий

VAVCC - питание для АЦП - опорное напряжение для АЦП

P1.0..P1.7 - 8-битовый порт ввода-вывода. Кроме того данные выводы могут использоваться в качестве входов АЦП

P3.0..P3.7 - 8-битовый порт ввода-вывода. Кроме того данные выводы могут использоваться в качестве источников прерывания, счетчиков, программирования, UART и для других функций.

XTAL1 - вход осциллятора

XTAL2 - выход осциллятора

Микроконтроллер содержит 8 мультиплексируемых входов АЦП, встроенный UART, CAN-контроллер, 256 байт оперативной памяти, 16 килобайт памяти программ.

Похожие работы на - Разработка устройства для измерения температуры неподвижного объекта (корпус электрической машины)

 

Не нашли материал для своей работы?
Поможем написать уникальную работу
Без плагиата!
Без нейросетей!