Переходные процессы в линейной электрической цепи
Введение
четырехполюсник переходный операторный сопротивление
Теория электрических цепей является
базовым курсом, дающим основные понятия и аналитический аппарат, необходимый
для количественного описания электромагнитных процессов в технических системах,
предназначенных для производства, передачи и распределения электрической
энергии, распространения, преобразования и обработки информации, - системах
связи, автоматического управления, средствах информационной и вычислительной
техники, в электромеханических и электротехнических устройствах.
Курс теории цепей базируется на
основных физических понятиях об электрических и магнитных явлениях. В основе
курса лежат также знания, полученные в различных областях математики - линейной
алгебре, теории дифференциальных уравнений, преобразований Фурье и Лапласа,
численного решения алгебраических и дифференциальных уравнений.
В свою очередь, на базе теории
электрических цепей строятся многие последующие дисциплины, связанные с
анализом конкретных классов систем, в которых методы и приёмы теории цепей
развиваются и получают проблемную ориентацию.
Прикладная направленность курса
требует на ряду с изучением теории решения задач, предлагаемых в виде
самостоятельных расчётных заданий и курсовых работ.
При выполнении курсовой работы перед
студентом ставятся следующие задачи и цели:
Закрепление и более глубокое
усвоение определенного объёма теоретических знаний, включающего следующие
вопросы:
комплексные частотные характеристики
электрических цепей;
расчёт переходной и импульсной характеристики
цепи;
расчёт характеристических и
первичных параметров четырехполюсников
Приобретение навыков, освоение
методов расчёта и анализа электрических цепей;
Развитие самостоятельности и
творческой инициативы при решении конкретных задач.
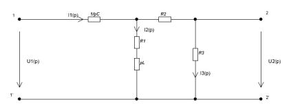
1. Расчёт
комплексного коэффициента передачи по напряжению
для
четырёхполюсника
Рассчитываемая
цепь
Комплексная схема
замещения
Входными зажимами буду считать
зажимы 1 - 1’, а выходными зажимами 2 - 2’.
Рассчитаем комплексный коэффициент
передачи по напряжению:
где
-
комплексное входное напряжение четырехполюсника;
- комплексное выходное
напряжение;
- зададимся значением
для входного напряжения.
Комплексное выходное напряжение
найдем из выражения:
где
-
комплексный второй ток;
- комплексное
сопротивление резистора.
Определяем комплексные
токи для данного четырехполюсника:
где
-
комплексное входное напряжение;
- комплексное входное
сопротивление всей цепи четырехполюсника.
Токи в параллельных
ветвях определяются следующим выражением:
где
-
комплексный первый ток;
- комплексное
сопротивление резистора
;
- комплексное
сопротивление резистора
;
- комплексное
сопротивление катушки L.
- комплексное
сопротивление резистора
;
Определяем комплексное
входное сопротивление цепи:
После элементарных преобразований
комплексное входное сопротивление цепи принимает вид:
где
,
,
,
,
и
-
индивидуальные численные значения выбранные для своего варианта и
соответственно равные 100 Ом, 120 Ом, 140 Ом, 0,3 мкФ, 2мГн, а j - комплексная постоянная численно равная
.
Полученное выражение для
комплексного входного сопротивления четырехполюсника подставляем в выражение
для первого тока, тогда получим:
Полученное выражение для
первого тока подставляем в выражение для второго тока и получаем следующее
выражение:
Определяем комплексное
выходное напряжение заданной цепи, подставляя выражение второго тока в
выражение:
Подставляем полученную
дробь (1.10) в выражение для получения комплексного коэффициента передачи по
напряжению (1.1):
После сокращения выражение для
комплексного коэффициента передачи принимает вид:
Где А=
Комплексный коэффициент
передачи по напряжению в показательной форме имеет вид:
где
-
модуль коэффициента передачи по напряжению, соответственно являющийся функцией
АЧХ;
- аргумент коэффициента
передачи по напряжению, соответственно являющийся функцией ФЧХ.
В результате аналитические
выражения для АЧХ и ФЧХ представляют собой соответственно:
Построение АЧХ
Построение ФЧХ
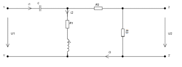
2. Расчет переходной
характеристики цепи классическим методом
Рассчитываемая цепь до коммутации
Параметры заданного четырёхполюсника:
Производим анализ цепи
до коммутации. В результате этого анализа определяю токи во всех ветвях
электрической цепи и напряжение на ёмкости в момент времени, непосредственно
предшествующий коммутации (t=0_).
По законам коммутации:
Независимые начальные
условия равны:
Составляем систему
дифференциальных уравнений на основании законов Кирхгофа, описывающую процесс в
цепи после коммутации (t≥0):
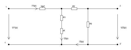
Рассчитываемая цепь после коммутации
Направление обхода выбираем
произвольно. U1=1B
Ток представим в виде суммы
установившегося и свободного режима цепи:
Определим ток в
установившемся режиме цепи после коммутации. Так как на входе цепи включена
ёмкость, то в установившемся режиме работы цепи все токи будут равны нулю.
Определим свободную
составляющую тока для этого необходимо, получить характеристическое уравнение
цепи после коммутации. Наиболее простой способ составления характеристического
уравнения - метод входного сопротивления.
Запишем
характеристическое уравнение заданного четырехполюсника:

Приравняем к нулю числитель
выражения:
Подставив числовые
значения параметров цепи в характеристическое уравнение, вычислим его корни:
Дискриминант получился
,
находим корни:
Корни
характеристического уравнения комплексно - сопряженные, поэтому характер
переходного процесса - колебательный, следовательно свободная составляющая тока
будет
иметь вид:
где
,
-
постоянные интегрирования.
Для расчета постоянных
интегрирования определим зависимые начальные условия. Запишем исходную систему
уравнений для т=0:
Из независимых начальных
условий
,
Из второго уравнения
системы уравнений определяем
:
Из третьего уравнения
системы уравнений определяем
:
Подставляем значений
второго тока
и
третьего тока
в
первое уравнение системы уравнений и получаем значение первого тока в нулевой
момент времени
:
Продифференцируем первое
и второе уравнение системы уравнений (2.75) и запишем их для
:
Из второго уравнения
системы уравнений находим
,
подставляя известные значения конденсатора
, значения сопротивлений
и
значения первого тока в нулевой момент времени
(2.78):
Определим постоянные
интегрирования
и
для
определения свободной составляющей третьего тока. Так как установившаяся
составляющая тока третьего равна нулю, то ток в цепи будет определяться только
свободной составляющей:
Продифференцируем
уравнение для тока
(2.81)
и запишем их для
:
Запишем уравнение (2.81)
для
:
Из двух уравнений составим одну
систему уравнений:
Решаем систему уравнений
(2.84), подставляя известные численные значения
(2.76),
(2.80),
(2.73),
(2.73)
и находим постоянные интегрирования
и
:
Подставляем полученные
постоянные интегрирования
в
выражения для искомого тока третьего:
Таким образом,
переходная характеристика заданного четырехполюсника имеет вид:

3. Расчет переходной
характеристики операторным методом
Рассчитываемая цепь в операторном
виде
На вход рассчитываемой
цепи подается напряжение
,
в операторном виде это напряжение будет равно
.
Запишем операторное
сопротивление цепи:
Запишем выражение для
первого тока в операторном виде:

Запишем выражение тока
третьего
через
в
операторной форме:
Запишем выражение
выходного напряжения
в
операторном виде:
Обозначим числитель и
знаменатель дроби соответственно
и
:
Приравниваем знаменатель
выражения к нулю -
и
находим корни заданного квадратного уравнения:
Найдем производную от
знаменателя дроби (2.92) то есть
:

применяя
теорему разложения, определим оригинал
по формуле:
Найдём,
подставив
вместо
в
выражении (числитель) (2.92) первый корень характеристического уравнения
Найдём,
подставив
вместо
в
выражении (числитель) второй корень характеристического уравнения:
В выражение подставим,
первый корень характеристического уравнения и получим:
В выражение подставим
второй корень характеристического уравнения (2.95) и получим:
Подставляем найденные
значения в выражение:
Построим график переходной характеристики четырёхполюсника:
Переходная характеристика
четырёхполюсника
4. Расчёт импульсной
характеристики четырёхполюсника
Операторная схема заданного
четырехполюсника
На вход рассчитываемой
цепи подается напряжение
,
в операторном виде это напряжение, для расчета импульсной характеристики, будет
равно
.
Запишем операторное
сопротивление цепи:
Запишем выражение для
первого тока
в
операторном виде:
Запишем выражение тока
третьего
через
в
операторной форме:
Запишем выражение для
выходного напряжения
в
операторном виде:
Выполним обратное
преобразование Лапласа с помощью теоремы разложения. Обозначим числитель и
знаменатель дроби соответственно
и
:
Приравниваем знаменатель
выражения к нулю -
и
находим корни заданного квадратного уравнения:
Корни заданного
уравнения будут совпадать с корнями при расчете переходной характеристики, так
как заданные уравнения идентичны:
Найдем производную от
знаменателя дроби то есть
:
В соответствии с
теоремой разложения
имеет
вид:
Найдём,
подставив
вместо
в
выражении (числитель) первый корень характеристического уравнения:
Найдём,
подставив
вместо
в
выражении (числитель) второй корень характеристического уравнения:
В выражение подставим
первый корень характеристического уравнения и получим:
В выражение подставим
второй корень характеристического уравнения и получим:
Подставляем
найденные выражения в аналитическую форму импульсной характеристики;
5. Расчет
-
параметров четырехполюсника
При записи уравнений в
форме
положительное
направление токов выбирается согласно рисунку 4.1. Удобство выбора именно
такого положительного направления тока
связано в данном случае
с тем, что форма
применяется
обычно при передаче электрической энергии от входных выводов к выходным, причем
четырехполюсник, включенный между источником и приёмником, может состоять из
нескольких четырехполюсников, соединенных каскадно; вход каждого последующего
четырехполюсника совпадает с выходом предыдущего четырехполюсника.
Коэффициенты
в
общем случае комплексные и зависят от частоты:
и
-
безразмерные,
-
имеет размерность сопротивлений,
имеет размерность
проводимости. Эти коэффициенты могут быть определены следующим образом (рисунок
4.1):
- отношение напряжений
при разомкнутых выходных зажимах;
- отношение токов при
закороченных выходных зажимах;
- величина, обратная
передаточной проводимости при закороченных выходных зажимах;
- величина, обратная
передаточному сопротивлению при разомкнутых выходных зажимах;
В нашем случае расчет
-
параметров будет произведен через параметры холостого хода и короткого
замыкания.
Коэффициенты
и
представляют
собой входные проводимости четырехполюсника рисунок 6.1, измеренные слева и
справа при закороченных противоположных выводах; соответственно
и
представляют
собой входные сопротивления четырехполюсника при разомкнутых выводах.
Введя индексы «к» и «х» для
обозначения режимов короткого замыкания (выводы замкнуты) и холостого хода
(выводы разомкнуты), получим параметры холостого хода и короткого замыкания:

Параметры холостого хода
и короткого замыкания могут быть выражены через любую систему коэффициентов,
например через коэффициенты
:
В свою очередь любая
система коэффициентов обратимого четырехполюсника может быть выражена через
параметры холостого хода и короткого замыкания. Например, для коэффициентов
получаем:
Основываясь на наше
задание начнем расчет
-
параметров с того, что рассчитаем сопротивления холостого хода и короткого
замыкания для заданной цепи.
Сопротивления холостого
хода цепи найдем, используя выражения (5.1) и (5.3):
где
-
входное сопротивление со стороны зажимов 1 -1’, в режиме холостого хода на
зажимах 2 - 2’, Ом. То есть зажимы 2 -2’ не подключены.
где
-
сопротивление со стороны зажимов 2 - 2’, в режиме холостого хода на зажимах 1 -
1’, Ом. То есть зажимы 1 - 1’ разомкнуты и ток не будет проходить через
конденсатор, а будет протекать в направлении резистора
,
поэтому
будет
определяться выражением (4.3).
где
-
входное сопротивление со стороны зажимов 1 - 1’, при закороченных зажимах 2 -
2’, Ом. Так как зажимы 2 - 2’ соединены между собой, соответственно ток третий,
протекающий через резистор
не будет проходить
через R3, а пойдет по пути наименьшего сопротивления, поэтому
будет
определяться выражением (5.5);
где
-
входное сопротивление со стороны зажимов 2 - 2’, в режиме короткого замыкания
на зажимах 1 - 1’, Ом. То есть зажимы 1 - 1’ соединены между собой и токи,
протекающие в заданной схеме, будут проходить через все элементы цепи. Поэтому
будет
определяться выражением (4.7).
Используя значения
определяю
-
параметры
Проверим условие
правильности подсчёта А-параметров:
. Расчет
характеристической (собственной) постоянной передачи четырехполюсника
Условие, когда
четырехполюсник нагружен соответствующим характеристическим сопротивлением,
называется условием согласованной нагрузки или согласованного включения.
Характеристические
сопротивления будут выглядеть следующим образом:
Положим, что
сопротивления
и
в
схемах рисунок 6.1 а и б подобраны таким образом, что
и
.
Иначе говоря, будем считать, что существуют два сопротивления:
и
,
которые удовлетворяют следующему условию: входное сопротивление
четырехполюсника,
нагруженного сопротивлением
, равно
(рисунок
6.1 в); входное сопротивление
четырехполюсника, нагруженного
сопротивлением
,
равно
(рисунок
6.1, г).
Такие два сопротивления
называются характеристическими сопротивлениями несимметричного
четырехполюсника.
Условие, когда
четырехполюсник нагружен соответствующим характеристическим сопротивлением,
называется условием согласованной нагрузки или согласованного включения.
Предположим, что
Тогда получим:
Совместное решение этих
уравнений относительно
и
дает:
Введем для
рассматриваемого обратимого четырехполюсника новый параметр
,
удовлетворяющий условиям:
Эти условия всегда
осуществимы, так как параметр
может быть комплексным.
Кроме того, эти условия взаимно дополняют друг друга, так как имеющая место
связь между коэффициентами соответствует тригонометрической формуле:
Параметр
в
общем случае комплексный;
называется
характеристической постоянной передачи четырехполюсника. Это - третий
характеристический параметр обратимого четырехполюсника. Его действительная
часть - А называется постоянной ослабления четырехполюсника, а мнимая часть
В-постоянной фазы.
Децибел - единица затухания, в 10 раз меньшая бела. Затухание 1 дБ
соответствует уменьшению полной мощности в 1,26 раза или уменьшению напряжения
и тока в 1,12 раза. Затуханию 1 Нп соответствует уменьшение амплитуды и
действующего значения напряжения или тока в 2,718 раза.
Используя
-
параметры четырехполюсника, получаем характеристические сопротивления
четырехполюсника (5.1), (5.2) и (5.3) (рисунок 4.2).
где
-
коэффициент передачи
по напряжению;
- передаточное
сопротивление, Ом;
- передаточная
проводимость, См;
- отношение токов при
режиме короткого замыкания одних из зажимов.

где
-
характеристическая (собственная) постоянная передачи четырехполюсника;
- характеристическая
(собственная) постоянная ослабления четырехполюсника, Нп или дБ;
- характеристическая
(собственная) постоянная фазы четырехполюсника, рад или град.
Заключение
В ходе выполнения данной
курсовой работы были исследованы: комплексный коэффициент передачи по
напряжению
,
амплитудно-частотные (АЧХ) и фазо-частотные (ФЧХ) характеристики цепи,
переходная характеристика
и
импульсная характеристика
заданного
четырехполюсника, сопротивления холостого хода
,
и короткого замыкания
,
,
А - параметры четырехполюсника, характеристические сопротивления
четырехполюсника
и
,
и характеристическая (собственная) постоянная передачи четырехполюсника.
Список литературы
1. Попов В.П. Основы
теории цепей: учебник / Попов В.П. - 6-е изд., испр. - М.: Высшая школа, 2007 -
575 с.
. Атабеков Г.И. Основы
теории цепей: учебник / Атабеков Г.И. - 2-е изд., испр. - М.: Лань, 2006 - 432
с.
. Атабеков Г.И. Основы
теории цепей: линейные электроцепи / Атабеков Г.И. - 6-е изд. - СПб: Лань,
2008-592 с.
. Новгородцев А.Б.
Теоретические основы электротехники. 30 лекций по теории электрических цепей.
СПб: Питер, 2006
. Новиков Ю.Н. Н73
Электротехника и электроника. Теория цепей и сигналов, методы анализа: Учебное
пособие. СП6: Питер, 2005.