Стабилизатор постоянного напряжения

  • Вид работы:
    Курсовая работа (т)
  • Предмет:
    Информатика, ВТ, телекоммуникации
  • Язык:
    Русский
    ,
    Формат файла:
    MS Word
    455,71 Кб
  • Опубликовано:
    2015-05-06
Вы можете узнать стоимость помощи в написании студенческой работы.
Помощь в написании работы, которую точно примут!

Стабилизатор постоянного напряжения

Реферат

Курсовой проект имеет объем страниц, содержится шесть рисунков, использовано 6 источников. Разработанный стабилизатор постоянного напряжения предназначен для стабильности работы транзисторных и микроэлектронных устройств. Был разработан двухполюсный стабилизатор на основе операционного усилителя с защитой по току. Полученные параметры КСТАБ=20833,3, КП=0,004%, входные и выходные значения напряжений и токов удовлетворяют техническому заданию.

Содержание

Введение

. Выбор и обоснование структурной схемы

. Выбор и обоснование принципиальной схемы

.1 Защита ПСН на основе ОУ от перегрузок по току и КЗ

. Расчет принципиальной схемы

3.1 Расчет схемы сравнения и усилителя

.1.1 Выбор стабилитрона

.1.2 Расчет сопротивлений R3, R4, R5

.1.3 Расчет сопротивлений R7, R8

.1.4 Расчет ОУ

.2 Расчет регулирующего элемента

.3 Расчет защиты от перегрузок по току и КЗ в нагрузке

.4 Расчет параметров стабилизации

. Расчет КПД устройства

Заключение

Список использованных источников

Введение

В наши дни невозможно представить жизнь без каких-либо электронных устройств, как например мобильный телефон, радио или телевизор. Для нормального функционирования всех видов радиоэлектронных устройств (вычислительных комплексов, аппаратуры радио и связи, робототехнических средств и т.д.) необходимы эффективные системы энергоснабжения.

Высокие технические и экономические показатели радиоэлектронных устройств во многом зависят от параметров источников вторичного электропитания. Для питания электронных устройств используются источники питания, к стабильности которых предъявляются высокие требования. Для удовлетворения этих требований в качестве источников электропитания электронной аппаратуры используют стабилизаторы напряжения.

Развитие полупроводниковой техники дало возможность получить простые и стабильные источники образцового напряжения, любой мощности и сравнительно малых габаритов. Дальнейшее развитие ИВЭ (источники вторичного электропитания) привело к созданию и развитию класса силовых интегральных микросхем.

Для питания электронных устройств используются источники питания, к стабильности которых предъявляются высокие требования. Для удовлетворения этих требований в качестве источников электропитания электронной аппаратуры используют стабилизаторы напряжения.

1. Выбор и обоснование структурной схемы


По используемому принципу действия полупроводниковые стабилизаторы напряжения (ПСН) делятся на параметрические и компенсационные.

В первом типе ПСН используют постоянство напряжения на некоторых видах приборов при изменении протекающего через них тока. Примером такого прибора является стабилитрон.

Во втором типе ПСН задачу стабилизации напряжения решают по компенсационному принципу, основанному на автоматическом регулировании напряжения, подводимого к нагрузке.

По режиму работы различают ПСН непрерывного и импульсного действия.

В ПСН непрерывного действия регулирующий элемент (РЭ) работает в активном режиме, и стабилизация выходного напряжения осуществляется непрерывно за счет компенсации изменения напряжения на нагрузке, изменением напряжения на РЭ.

В ПСН импульсного действия РЭ работает в импульсном, т.е. ключевом режиме. В импульсных ПСН энергия поступает от первичного источника прерывисто, при этом возможно два режима регулирования напряжения на нагрузке:

при постоянной частоте, изменением длительности импульсов;

при постоянной длительности импульсов, изменением их частоты.

Импульсные стабилизаторы имеют следующие достоинства по сравнению с ПСН с непрерывным регулированием:

в несколько раз меньше мощность рассеяния регулирующего транзистора;

более высокий КПД;

Недостатки:

большая величина пульсации выходного напряжения;

большая сложность схемы;

плохие динамические свойства при импульсном изменении тока нагрузки.

ПСН непрерывного действия имеют высокий коэффициент стабилизации, низкое выходное сопротивление и малую величину пульсации выходного напряжения. По месту включения РЭ относительно нагрузки ПСН делятся на параллельные и последовательные. В первых из них регулирующий транзистор включается параллельно нагрузке, а во вторых - последовательно с ней.

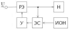
В результате синтезируем следующую структурную схему, представленную на рисунке 1.

Рисунок 1: Н - нагрузка, ИОН - источник опорного напряжения, ЭС - элемент сравнения, У - усилитель постоянного тока, РЭ - регулирующий элемент.

2. Выбор и обоснование принципиальной схемы

Высокие качественные показатели имеют ПСН, в качестве УПТ которых применены ОУ в интегральном исполнении, представленном на рисунке 2. Улучшение параметров ПСН при применении в них ОУ обуславливается высоким коэффициентом усиления ОУ и глубокой ООС, охватывающей стабилизатор.

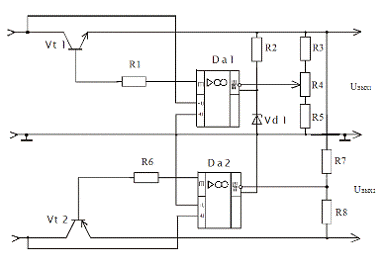
Рисунок 2 - Принципиальная схема ПСН на основе ОУ

Регулирующий элемент выполнен на транзисторе VT1, в качестве УПТ применен ОУ DA1.

Неинвертирующий вход ОУ подключен к параметрическому стабилизатору на резисторе R2 и стабилитроне VD1, служащему источником опорного напряжения. С делителя R3, R4, R5 снимается часть выходного напряжения, которое в ОУ сравнивается с опорным напряжением. Выход ОУ подключен к базе VT1, включенного по схеме с ОК, что обуславливает более низкое выходное сопротивление ПСН, чем при включении VT1 по схеме с ОЭ.

Резистор R1 служит для ограничения выходного тока ОУ, а с помощью резистора R4 можно регулировать выходное напряжение ПСН в небольших пределах.

Для питания ОУ и устройств на них применяются, как правило, двухполярное напряжение. Для его получения могут использоваться 2 одинаковых ПСН, показанных на рисунке 3.

В номинальном режиме потенциал средней точки делителя R7 - R8 будет равен потенциалу общей шины, т.е. 0. Т. о., UДИФ2 = U02 = 0. При уменьшении отрицательного UВЫХ2 потенциал инвертирующего входа DA2 становится положительным. Это напряжение усиливается и инвертируется, поэтому UВЫХ DA2 становится более отрицательным; токи базы, коллектора, эмиттера увеличиваются, UКЭ VT2 падает, а UВЫХ увеличивается до номинального значения.

При уменьшении положительного UВЫХ1 из-за внешних факторов или за счет регулировки резистором R4, потенциал средней точки делителя R7 - R8 становится отрицательным. Это напряжение усиливается и инвертируется ОУ DA2, его выходное напряжение становится более отрицательным. В результате UБЭ2 падает, его токи базы, коллектора, эмиттера уменьшаются, а UКЭ2 возрастает до тех пор, пока потенциал средней точки делителя R7 - R8 не станет равным 0, это произойдет при UВЫХ1 = UВЫХ2.

Рисунок 3

.1 Защита ПСН на основе ОУ от перегрузок по току и КЗ в нагрузке

Перегрузки по току в ПСН возникают при недопустимом снижении сопротивления нагрузки и при КЗ выхода стабилизатора. При этом ток через регулирующий транзистор возрастает до недопустимой величины и он выходит из строя. Для предотвращения выхода из строя элементов стабилизатора в его схему вводится защита по току.

Рисунок 4 - Структурная схема защиты: RS1 - шунт (датчик тока), УПТ - усилитель постоянного тока, ИУ - исполнительное устройство.

Работа защиты осуществляется следующим образом: в номинальном режиме работы стабилизатора через сопротивление нагрузки и шунт RS1 протекает ток IH, не превышающий установленной величины тока защиты IЗ.

В УПТ ток через RS1 или пропорциональные ему падения напряжения на RS1 сравниваются с величиной UЗ или IЗ. Превышение тока нагрузки над IЗ вызывает появление сигнала на выходе УПТ и срабатывание ИУ, которое либо разрывает цепь нагрузки, выключая РЭ, либо подзапирает регулирующий транзистор. Таким образом, защита может осуществляться двумя способами:

а) полное обесточивание нагрузки, т.е. отсечка тока нагрузки;

б) ограничение тока нагрузки на определенном уровне.

В качестве исполняющего устройства, как правило, используются полупроводниковые элементы и иногда электромагнитные реле.

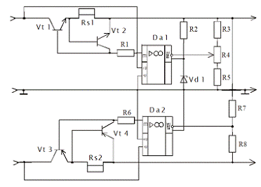
Рисунок 5 - Схема стабилизатора с защитой по второму способу

Защита с ограничением по уровню тока нагрузки основана на форме входной характеристики кремниевого транзистора, имеющей вид, представленный на рисунке 6.

Рисунок 6

Точка перегиба входной характеристики UПОР (пороговое) характеризует напряжение между базой и эмиттером, выше которого наблюдается быстрый рост тока базы, поэтому при превышении током нагрузки значения IЗ = UПОР / RS1, IБ начинает резко увеличиваться, ток коллектора также резко возрастает. VT2 входит в насыщение, при котором UКЭ2 приблизительно равно нулю, и шунтирует эмиттерный переход VT1 в запирающем направлении, поэтому IЭ VT1 не может превышать заданной величины IЗ. В качестве VT2 необходимо выбирать кремниевый транзистор с частотными свойствами не хуже, чем у VT1. Элементы RS1 и VT2 могут быть включены в общую шину питания.



3. Расчет принципиальной схемы

.1 Расчет схемы сравнения и усилителя

Согласно схеме находим наименьшее напряжение на входе стабилизатора:

ВХ.MIN= UH + UКЗMIN + UПВХ = 30 + 3 + 0,01 =33,01 В.

где Uкзmin - минимальное напряжение на регулирующем транзисторе, ПВХ - максимальный уровень пульсаций входного напряжения.

Исходя из того, что транзистор предположительно кремневый, то Uкзmin выбираем в пределе 3..5 В.

Учитывая нестабильность входного напряжения на входе стабилизатора ±10%, находим среднее и максимальное напряжение на входе стабилизатора:


.1.1 Выбор стабилитрона

Для выбора типа стабилитрона, используемого в качестве источника опорного напряжения, найдем величину требуемого опорного напряжения по формуле:ОП = (0,6…0,7). UВЫХ,ОП = 0,7. 30 = 21 В.

Тип кремниевого стабилитрона подбираем, имея в виду, что напряжение стабилизации выбранного прибора должно соответствовать значению опорного напряжения (UСТ ~ UОП). Параметры стабилитрона 2C127Д1 приведены в таблице 1.

Таблица 1 - параметры стабилитрона 2С127Д1

Uст,В

2,7

Uст max,В

2,9

Uст min,В

2,5

ТКН,%/°C

-7,5

Iст.мин., мA

0,25

Iст.макс., мA

18,5

Rст., Ом

180


Таким образом сопротивление резистора R2 (IR2 = IVD1):


Из ряда Е24 выбираем номинал 110 кОм. Рассеиваемая мощность на R2 равна:

= (UВЫХ max - UСТ)2 / R2 = (30 - 2,7)2 / 109200 = 0,0068 Bт.

.1.2 Расчет сопротивлений R3, R4, R5

Для расчета задаемся током делителя (обычно Iд = (5…10) мА). Далее находим общее сопротивление выходного делителя:

Д=R3 + R4 + R5 = UВЫХ max / IД = 30 / 10. 10-3 = 3000 Ом.

Вычисляем минимальный и максимальный коэффициенты передачи делителя:

αmin = UСТ min / UВЫХ max = 2,5 / 30 = 0,083,

αmax = UСТ max / UВЫХ min = 2,9 / 3 = 0,967.

Сопротивление резистора R5 равно:

R5 = αmin. RД = 0,083. 3000 = 249 Ом,= IR52. R5 = (10. 10-3)2. 249 = 0,0249 Вт.

Из ряда Е24 выбираем номинал 270 Ом.

Сопротивление резистора R3 равно:

= R5. (1 - αmax) / αmin = 270. (1 - 0,967) / 0,083 = 107,3 Ом,= IR32. R3 = (10. 10-3)2. 107,3 = 0,01073 Вт.

Из ряда Е24 выбираем номинал 110 Ом.

Сопротивление переменного резистора R4 равно:

= RД - R3 - R5 = 3000 - 110 - 270 = 2620 Ом,= IR42. R4 = (10. 10-3)2. 2620 = 0,262 Вт.

Из ряда Е24 выбираем номинал 2,7 кОм.

.1.3 Расчет сопротивлений R7, R8Д рассчитываем аналогично резисторам R3, R4, R5:

Д = R7 + R8 = UВЫХ max / IД = 30 / 10. 10-3 = 3000 Ом,= R8 = RД / 2 = 3000 / 2 = 1500 = 1,5 кОм,= IR72. R7 = (10. 10-3)2. 1500 = 0,15 Вт.

Из ряда Е24 выбираем номинал 1,5 кОм.

.1.4 Расчет ОУ

Критериями выбора ОУ являются: синфазное напряжение UСФ, равное UСТ, входное напряжение UВХ, скорость нарастания выходного напряжения ОУ VUВЫХ. Для снижения динамических потерь в РЭ необходимо, чтобы фронт и срез выходных импульсов ОУ не превышал 1-2 мкс.

Указанным требованиям удовлетворят ОУ типа К140УД11. Параметры К140УД11 приведены в таблице 2.

Таблица 2 - параметры ОУ типа К140УД11

КU

25000

±UПИТ, В

±20

IПОТР, мA

10

±UВЫХ, В

±12

UСФ, В

±15

VUВЫХ, В/мкс

20

RН, кОм

2

RВХ, МОм

10


Ограничение выходного тока ОУ DA1 осуществляется резистором R1, который не должен превышать 5 миллиампер.


.2 Расчет регулирующего элемента

Согласно заданию выходной ток один ампер, т.е. ток IЭ =1 А. Ток базы VT1 равен току резистора R1: IБ = 5 мА.

Ток коллектора транзистора VT1 равен:

IК = IЭ - IБ = 1 - 5. 10-3 = 0,995.

Тогда коэффициент усиления по току РЭ равен:

КI ≥ IК / IЭ = 0,995 / 1 = 0,995.

В качестве РЭ необходим транзистор с допустимым напряжением коллектор-эмиттер:КЭ.ДОП ≥ 1,5 · UВХ,КЭ.ДОП ≥ 1,5 · 36 = 54 В.

Выберем транзистор VT1 КТ630Е. Параметры транзистора КТ630Е приведены в таблице 3.

Таблица 3 - параметры транзистора КТ630Е

Марка транзистора

КТ630Е

Тип транзистора

N-P-N

Iнmax, А

1

Доп. напряжение коллектор-эмиттер, Uк мах, В

60

Рассеиваемая мощность коллектора, Pмах, Вт

0,8


Сопротивление резистора R1 рассчитаем по формуле:

= (UВЫХ.ОУmax - UБЭНАС) / IR1,

где IR1 = 5·10-3 А,= (24- 0,85) / 5 · 10-3 = 4,63 · 103 Ом.

Из ряда Е24 выбираем номинал 4,7 кОм.

Мощность, рассеиваемая на резисторе R1, равна:

= IR12·R1 = (5 ·10-3)2 · 4,7 · 103 = 1,17. 10-3 Вт.

Подобно VT1 выбираем транзистор VT3. Параметры транзистора КТ664Б9 приведены в таблице 4.

Таблица 4 - параметры транзистора КТ664Б9

Марка транзистора

КТ664Б9

Тип транзистора

P-N-Р

Iнmax, А

1

Доп. напряжение коллектор-эмиттер, Uк мах, В

80

Рассеиваемая мощность коллектора, Pмах, Вт

0,3


Резистор R6 выбираем такой же как R1.

.3 Расчет защиты от перегрузок по току и КЗ в нагрузке

Расчет регулирующего транзистора и резистора. Зададим значение Iз = 1 A, а UПОР = 0,8 В. Выбираем транзистор VT2 типа КТ635А.

з =UПОР / RS1,= UПОР / Iз = 0,8 / 1 = 0,8 Ом,= IRS12 · RS1 = 12 · 0,8 = 0,8 Вт.

Параметры транзистора КТ635А приведены в таблице 5.

Таблица 5 - параметры транзистора КТ635А

Марка транзистора

КТ635А

Тип транзистора

N-Р-N

Iнmax, А

1

Постоянное напряжение база-эмитер, В

5

Рассеиваемая мощность коллектора, Pмах, Вт

0,5


Подобно VT2 выбираем транзистор VT4. Параметры транзистора КТ684А приведены в таблице 6.

Таблица 6 - Параметры транзистора КТ684А

Марка транзистора

КТ684А

Тип транзистора

Р-N-Р

Iнmax, А

1

Постоянное напряжение база-эмитер, В

5

Рассеиваемая мощность коллектора, Pмах, Вт

0,8


Резистор RS2 выбираем такой же как RS1.

.4 Расчет параметров стабилизации

Рассчитываем коэффициент стабилизации рассчитанного стабилизатора напряжения, а также величину пульсаций на выходе:

КСТ = (UH * K) / UBX =(30 * 25000) / 36 = 20833,3.

Рассчитываем коэффициент пульсаций:


Проверяем соответствие рассчитанных параметров заданным условиям:

Кст = 20833,3 > Кст.зад = 5000,

Кп = 4´10-3 % < Кп.зад = 50´10-3 %.

Полученные параметры удовлетворяют заданным условиям.

4. Расчет КПД устройства

Определяем номинальное и минимальное значения КПД:


Заключение

Курсовой проект выполнен в соответствии с заданием на проектирование, полученные результаты КСТАБ=20833,3, КП=0,004% удовлетворяют требуемым заданиям.

Номинальный КПД устройства превышает 80%, это говорит об эффективности использования стабилизаторов напряжения на основе операционного усилителя.

стабилизатор напряжение ток замыкание

Список литературы

1.       Додик С.Д. Полупроводниковые стабилизаторы постоянного напряжения и тока (с непрерывным регулированием). - М.: Сов. радио, 1980. - 618 c.

2.      Полупроводниковые приборы: Транзисторы. Справочник/ В.Л. Аронов, А.В. Баюков, А.А. Зайцев и др. Под общ. ред. Н.Н. Горюнова. - 2-е изд., перераб. - М.: Энергоатомиздат, 1986. - 904 с.

.        Гершунский Б.С. Справочник по расчету электронных схем. - Киев: Вища школа, 1983. - 240 с.

.        Фрумкин Г.Д. Расчет и конструирование радиоэлектронной радиоаппаратуры. - М.: Высшая школа, 1989. - 463 с.

.        Полупроводниковые приборы. Диоды выпрямительные, стабилитроны, тиристоры: Справочник/ А.Б. Гитцевич, А.А. Зайцев, В.В. Мокряков и др. Под ред. А.В. Голомедова. - М.: Радио и связь, 1988. - 528 с.

Приложение А

ВАХ транзисторов КТ630Е, КТ635А, КТ664Б9.


ВАХ транзистора КТ635А


ВАХ транзистора КТ664Б9

Похожие работы на - Стабилизатор постоянного напряжения

 

Не нашли материал для своей работы?
Поможем написать уникальную работу
Без плагиата!
Без нейросетей!