Исследование полупроводникового стабилизатора напряжения

  • Вид работы:
    Практическое задание
  • Предмет:
    Информатика, ВТ, телекоммуникации
  • Язык:
    Русский
    ,
    Формат файла:
    MS Word
    68,09 Кб
  • Опубликовано:
    2015-06-18
Вы можете узнать стоимость помощи в написании студенческой работы.
Помощь в написании работы, которую точно примут!

Исследование полупроводникового стабилизатора напряжения

Лабораторная работа

Тема: Исследование полупроводникового стабилизатора напряжения.

Цель работы: экспериментальное определение характеристик полупроводниковых параметрического и компенсационного интегрального стабилизатора напряжения постоянного тока.

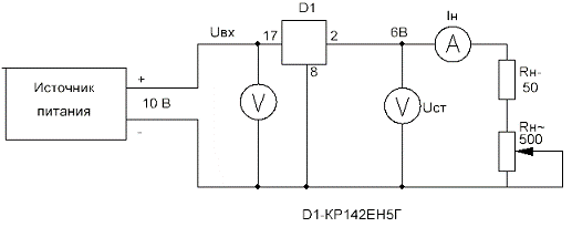
Используемое оборудование и аппаратура: источник постоянного напряжения величиной 10 В, исследуемый параметрический и компенсационный стабилизатор, 3 мультиметра в качестве вольтметров постоянного напряжения, миллиамперметра постоянного тока, монтажные провода.

Теоретические сведения

Стабилизатор напряжения - преобразователь электрической энергии <#"892003.files/image001.gif">

Подключаем мультиметры к стабилизатору и выставляем их на нужные величины.

Uвх=9,74 В.

Проведем опыт с параметрическим стабилизатором, в котором будем менять сопротивление резистора. Данные запишем в таблицу.

напряжение стабилизатор полупроводник ток

Uвых.,, В

5,65

5,65

5,64

5,63

5,62

5,6

5,58

Iвых., мА

5

25

38,2

52,6

75

94,7



Видим, что при увеличении сопротивления ток увеличивается, а напряжение падает.

Проведем аналогичный опыт для компенсационного стабилизатора.


Данные запишем в таблицу.

Uвых.,, В

5,85

5,85

5,85

5,85

5,84

5,84

5,84

Iвых., мА

5,2

25,7

38,4

52

88,5

102,6



Вывод: в ходе выполнения лабораторной работы мы исследовали 2 стабилизатора: компенсационный и параметрический. По данным, полученным в ходе проведения работы можно сделать вывод, что компенсационный стабилизатор лучше стабилизирует напряжение.

Контрольные вопросы

. Можно ли соединять стабилитроны последовательно и параллельно?

Стабилитроны одного типа нельзя соединять параллельно, так как при этом невозможно обеспечить одновременность их зажигания и одинаковый режим работы. Однотипные по току стабилитроны можно соединять последовательно для повышения стабилизируемого напряжения или образования делителя напряжений.

. Как изменится ток через стабилитрон в первой схеме, если разорвать цепь нагрузки?

Т.к. ток стабилитрона соответствует формуле Iст = I - Iн, то при разрыве цепи нагрузки ток станет меньшим по величине общего на величину тока, который протекал бы в цепи нагрузки.

. Как вычислить мощность, рассеиваемую на стабилитроне в первой схеме, и на микросхеме DA во второй схеме?

Мощность в параметрическом стабилизаторе: P = Iст ∙ Uст.

Мощность на микросхеме D1: P = (Uвх - Uвых) ∙ Iн

Похожие работы на - Исследование полупроводникового стабилизатора напряжения

 

Не нашли материал для своей работы?
Поможем написать уникальную работу
Без плагиата!
Без нейросетей!