Исследование характеристик диодов и тиристоров

  • Вид работы:
    Дипломная (ВКР)
  • Предмет:
    Информатика, ВТ, телекоммуникации
  • Язык:
    Русский
    ,
    Формат файла:
    MS Word
    2,37 Мб
  • Опубликовано:
    2015-04-12
Вы можете узнать стоимость помощи в написании студенческой работы.
Помощь в написании работы, которую точно примут!

Исследование характеристик диодов и тиристоров

Введение


Современный мир трудно представить без полупроводниковых приборов. Они открывают большие возможности в самых различных областях науки, техники, быту, медицине, военной и аэрокосмической отраслях.

Основной целью дипломного проекта является разработка стендов для изучения и исследования полупроводниковых приборов с использованием современных компонентов оборудования «Основы аналоговой электроники» предназначенных для быстрого освоения лабораторного практикума по разделам курсов «Электронная техника», «Промышленная электроника», «Электроника и микроэлектроника».


1. Классификация полупроводниковых приборов и их применение в преобразователях энергии и передаче информации


1.1 Назначение и классификация полупроводниковых приборов

полупроводниковый преобразователь диод тиристор

Полупроводниковыми приборами называются электронные устройства, действие которых основано на электронных процессах в полупроводниках. В электронике полупроводниковые приборы используются для обработки электрических сигналов, а также для преобразования одних видов энергии в другие. Полупроводниковые приборы делятся на дискретные и интегральные.

Дискретные полупроводниковые приборы, выполняются в виде отдельных устройств, различаются по назначению, виду характеристик, типу материала, принципу действия, области применения, конструкции и технологии. К их основным классам относят:

электропреобразовательные приборы (диод, транзистор, тиристор и другие);

оптоэлектронные приборы, преобразующие световые сигналы в электрические и наоборот (фоторезистор, фотодиод, фототранзистор, полупроводниковый лазер, излучающий диод и т.д.);

термоэлектрические, преобразующие тепловую энергию в электрическую и наоборот (термоэлемент, термоэлектрический генератор, терморезистор и т.п.);

магнитоэлектрические приборы (измерительный преобразователь на основе эффекта Холла);

пьезоэлектрические и тензометрические приборы, реагирующие на изменение давления или механическое смещение.

Интегральные полупроводниковые приборы являются активными элементами интегральных схем. Интегральные схемы состоят из интегральных диод, транзистор, тиристор, резисторов, конденсаторов и соединений между ними. Элементы интегральных схем создаются в едином техническом цикле на одном кристалле полупроводника. Если же пассивные элементы изготавливают отдельно на диэлектрической подложке, а активные элементы устанавливают в схему в виде дискретных бескорпусных полупроводниковых приборов, то интегральная схема называется гибридной.

Интегральные системы классифицируются по областям использования (аналоговые и цифровые). Цифровые включают в себя логические, счетно-преобразовательные и интегральные схемы памяти. Аналоговые интегральные схемы охватывают приборы усиления, источники вторичного питания, сверхвысокочастотные схемы.

В зависимости от применяемого полупроводникового материала различают германиевые. Кремневые, арсенид-галлиевые и другие приборы.

По конструктивным и технологическим признакам полупроводниковые приборы разделяют на точечные и плоскостные. Плоскостные в свою очередь делятся на диффузионные, мезапланарные, планарные и другие. Основной технологией полупроводниковых приборов является планарная технология.

В зависимости от мощности преобразуемых сигналов различают полупроводниковые приборы малой мощности (токи до 10А) и силовые полупроводниковые приборы (СПП).

1.2 Применение полупроводниковых приборов в преобразователях энергии и передаче информации


Преобразователь электрической энергии - это электротехническое устройство, предназначенное для преобразования параметров электрической энергии (Рис. 1.1)

Рис. 1.1. Классификация по характеру преобразования

Выпрямители

Выпрямители делятся на выпрямители тока и выпрямители напряжения.

В выпрямителях тока ток на выходе протекает в одном направлении, а мгновенные значения напряжения на выходе могут менять полярность. В качестве вентилей в них применяют диоды и тиристоры.

В выпрямителях напряжения напряжение на выходе не меняет полярность, а ток на выходе может менять направление. В качестве вентилей в них применяют диоды и транзисторы или запираемые тиристоры.

В настоящее время основное применение имеют выпрямители тока. Именно они рассматриваются в этой и последующих главах. Для сокращения в дальнейшем будем называть их просто выпрямителями, опуская слово тока.

Выпрямители напряжения сложнее и будут рассмотрены позже. Выпрямители тока классифицируются по ряду признаков (рис. 1.2).

Рис. 1.2 Классификация выпрямителей

. По числу фаз выпрямители делятся:

а) на однофазные, которые питаются от однофазной сети;

б) на многофазные, которые питаются от многофазной сети.

. По числу выпрямляемых полуволн выпрямители делятся:

а) на однополупериодные;

б) на двух полупериодные.

. По построению схем выпрямители делятся на следующие:

а) нулевые (однотактные, в которых ток по вторичной обмотке трансформаторов протекает в одном направлении);

б) мостовые (двухтактные, в которых ток по вторичной обмотке трансформаторов протекает в двух направлениях). В мостовой схеме трансформатор может отсутствовать.

. По мощности выпрямители делятся на следующие:

а) малой мощности (до сотен ватт);

б) средней мощности (до десятков киловатт);

в) большой мощности (сотни и тысячи киловатт).

. По возможностям управления выпрямители делятся:

а) на неуправляемые, выполненные на диодах;

б) на управляемые, выполненные на тиристорах.

На рис. 1.3 приведена обобщенная структурная схема выпрямителя, содержащая сетевой фильтр СФ, трансформатор Т, вентильный блок ВБ, сглаживающий фильтр СГФ, стабилизатор СТ, систему управления СУ и нагрузку Н. Энергия из сети подается через сетевой фильтр, служащий для уменьшения вредного влияния выпрямителя на питающую сеть. Трансформатор служит для согласования выпрямленного напряжения и напряжения сети, а также для потенциального разделения нагрузки и сети. Вентильный блок служит для выпрямления переменного тока. Сглаживающий фильтр осуществляет фильтрацию (сглаживание) выпрямленного напряжения. Стабилизатор обеспечивает поддержание с необходимой точностью требуемой величины постоянного напряжения на нагрузке в условиях изменения напряжения питающей сети и тока нагрузки. Система управления в управляемом выпрямителе обеспечивает регулирование выпрямленного напряжения.

Рис. 1.3. Обобщённая структурная схема выпрямителя

Не все указанные блоки обязательно присутствуют в схеме. В зависимости от предъявляемых требований могут отсутствовать все блоки, кроме ВБ. Однако, в большинстве случаев необходим и трансформатор. Поэтому в дальнейшем процессы рассматриваются для комплекта Т - ВБ. Наличие сглаживающего фильтра оказывает значительное влияние на режим работы выпрямителя и его элементов. Существенным при этом является характер входной цепи сглаживающего фильтра, определяющий совместно с внешней нагрузкой вид нагрузки выпрямителя.

Возможны следующие виды нагрузок выпрямителя (с учетом фильтра):

а) активная;

б) активно-индуктивная (например, выпрямитель работает на обмотку возбуждения двигателя);

в) активно-индуктивная с противо-ЭДС (выпрямитель работает на якорь двигателя);

г) активно-емкостная (емкостный фильтр).

В виду сложности расчетов выпрямителей, анализ процессов в них в первом приближении выполняется при упрощающих допущениях об индуктивности нагрузки. Принимается, что либо индуктивность в цепи выпрямленного тока Ld =0, либо Ld =∞.

Инверторы

Классификация инверторов

Инвертирование - это преобразование постоянного тока в переменный. Существует два типа инверторов: ведомые и автономные.

Ведомые инверторы (ВИ) работают на сеть, в которой есть другие источники электроэнергии. Коммутации вентилей в них осуществляются за счет энергии этой сети. Частота на выходе ВИ равна частоте сети, а напряжение - напряжению сети.

Автономные инверторы (АИ) - это инверторы, которые работают на сеть, в которой нет других источников электроэнергии. Коммутации вентилей в них осуществляются благодаря применению полностью управляемых вентилей или устройств искусственной коммутации. При этом частота на выходе АИ определяется частотой управления, а напряжение - параметрами нагрузки и системой регулирования.

Наиболее часто ведомые инверторы применяются, когда нужно отдать механическую энергию, запасенную в маховых массах электродвигателя и рабочей машины, обратно в сеть. Торможение электропривода, осуществляемое таким образом, является наиболее энергетически эффективным. Количество возвращаемой энергии может быть весьма велико.

Автономные инверторы применяются для получения регулируемой частоты в электроприводах переменного тока, а также для получения более высоких частот в электротермических и электротехнологических установках. Они являются основной частью преобразователей частоты.

Переход от выпрямительного к инверторному режиму

Ведомые инверторы выполняются по тем же схемам, что и управляемые выпрямители. Переход от выпрямительного к инверторному режиму возможен в системе (рисунок 1.4 а), содержащей выпрямитель и электрическую машину (ЭМ). Реактор (индуктивность Ld) между выпрямителем и ЭМ воспринимает на себя разницу мгновенных значений ЭДС выпрямителя и ПЭДС двигателя. На рисунке 1.4 б приведены диаграммы токов и напряжений, иллюстрирующие процессы в выпрямителе, нагруженном на ЭМ, работающую в двигательном режиме. ЭДС выпрямителя создается в основном положительными участками полуволн напряжения и ее среднее значение положительно. Также положительна ПЭДС двигателя.

Если угол управления увеличить до 90°, то ЭДС выпрямителя уменьшится до нуля, и двигатель остановится. При этом ЭДС выпрямителя в одинаковой степени создается положительными и отрицательными участками полуволн напряжения (рисунок 1.4 в).

Изменение направления потока мощности в системе, содержащей вентили, возможно только по второму способу, описанному выше. Для того чтобы перейти из выпрямительного режима в инверторный нужно:

) привести во вращение ЭМ в другом направлении, подведя к ней механическую энергию и переведя ее в генераторный режим;

) увеличить угол управления (больше 90°), чтобы в основном использовать отрицательные участки полуволн напряжения сети и сделать среднее значение ЭДС инвертора отрицательным (рисунок 1.4 г.).

При описании процессов в ведомом инверторе, кроме угла управления a (угла запаздывания), используется угол управления b (угол опережения), отсчитываемый от точки, находящейся через 180° от точки естественной коммутации. Следовательно, в= 180°-б.

Угол управления в не может достигать 0°, т.к. требуется время на восстановление запирающих свойств тиристора в прямом направлении (рисунок 1.4 г.).


Рис. 1.4. Переход из выпрямленного в инверторный режим в трёхфазной нулевой схеме (а); б, в, г - диаграммы токов и напряжений при различных углах б.

Регулировочные и внешние характеристики ведомого инвертора

Преобразователь, который может работать как в выпрямительном, так и в инверторном режиме назовем ведомым преобразователем. На рисунке 1.5 приведены внешние и регулировочные характеристики ведомого инвертора в режиме непрерывного тока совместно с характеристиками выпрямителя.

Рис. 1.5. Регулировочные характеристики преобразователя в непрерывном и прерывистом режиме при работе на ПЭДС (а) и его внешние характеристики в непрерывном режиме (б)

Напряжение на зажимах постоянного тока инвертора назовем инвертируемым напряжением. Так как оно измеряется между теми же точками, что и выпрямленное, то будем обозначать их одинаково - Ud. Закон изменения этого напряжения при изменении угла управления тот же, что и в выпрямительном режиме. Поэтому регулировочная характеристика ведомого преобразователя в непрерывном режиме (рис. 1.5 а) определяется тем же уравнением

daо = Ucosб. (1.1)

Коммутация вентилей происходит за счет напряжения сети, и на участке коммутации напряжение идет посредине между фазными ЭДС (рис. 7.4 а - б). За счет дополнительной коммутационной площадки с ростом тока напряжение по модулю увеличивается.

Внешние характеристики приведены на рисунке 1.5 б.

Рисунок 1.6. Диаграммы токов и напряжений в ведомом инверторе при Хd=∞, Xa ≠ 0 для трёхфазной нулевой (а) и мостовой (б) схем

В первом квадранте (для выпрямителя) они связывают выходные величины и являются выходными. Характеристики в 4-м квадранте (ведомого инвертора) связывают входные величины (по энергетическому каналу) и поэтому являются входными. Внешние характеристики выпрямителя по смыслу являются выходными, и поэтому выходное напряжение за счет внутреннего сопротивления с ростом тока падает. Внешние характеристики инвертора являются по смыслу входными и поэтому, если необходимо «загнать» в инвертор больший ток, нужно подать на вход большее напряжение.

Внешние характеристики с учетом наличия области прерывистого режима приведены на рисунке 1.7.

Рисунок 1.7. Внешние характеристики ведомого преобразователя, выполненного по трёхфазной нулевой (а) и трёхфазной мостовой (б) схемам.

Преобразователи частоты

Преобразователи частоты (ПЧ) предназначены для преобразования переменного напряжения одной частоты в переменное напряжение другой частоты. Преобразователи частоты для частотно-регулируемых электроприводов преобразуют электроэнергию, поступающую из сети переменного тока, в электроэнергию с меняющейся по заданным законам частотой и напряжением.

Преобразователи частоты по построению могут быть разбиты на два типа:

а) двухзвенные преобразователи частоты (ДПЧ);

б) непосредственные преобразователи частоты (НПЧ).

В ДПЧ первое звено представляет собой выпрямитель (управляемый или неуправляемый) с фильтром на выходе, а второе - автономный инвертор. Таким образом, нагрузка связана с сетью через два звена, и происходит двукратное преобразование энергии. Второе звено в ДПЧ может быть выполнено как на основе автономного инвертора напряжения (АИН), так и на основе автономного инвертора тока (АИТ).

ДПЧ позволяют получить на выходе частоты как меньшие, так и большие входных. Их недостаток - двойное преобразование энергии, ведущее к увеличению потерь.

НПЧ выполняются на основе реверсивных преобразователей. Однофазный НПЧ представляет собой двухкомплектный реверсивный преобразователь, на выходе которого подключена нагрузка. Каждый комплект вентилей пропускает одну полуволну тока. Трехфазный НПЧ представляет собой три реверсивных преобразователя, каждый из которых питает одну фазу нагрузки.

НПЧ позволяют получить на выходе частоты, только меньшие входных. В НПЧ происходит однократное преобразование энергии.

Принцип действия НПЧ

В НПЧ напряжение сети подается непосредственно на двигатель через управляемые вентили. Каждая фаза НПЧ выполняется на основ реверсивного двухкомплектного преобразователя с раздельным или совместным управлением комплектами.

На рисунке 1.8 а приведена схема трехфазно-однофазного НПЧ, выполненного на основе трехфазных нулевых схем, преобразующего трехфазное напряжение сети частотой 50 Гц в однофазное с регулируемой частотой. При переключении комплектов В и Н на выходе формируется двуполярное напряжение. Возможны два закона управления - прямоугольный и синусоидальный. При прямоугольном управлении в течение полуволны тока на один комплект подаются управляющие импульсы с углом управления (углом задержки) a = const пока этот комплект работает в выпрямительном режиме, а затем с углом управления (углом опережения) b = a, когда для снижения тока необходим переход в инверторный режим (рисунок 1.8 б). После бестоковой паузы аналогично подаются управляющие импульсы на второй комплект.

При синусоидальном управлении угол управления a непрерывно меняется так, чтобы гладкая составляющая выходного напряжения изменялась по синусоидальному закону (рисунок 1.8 в).

Рисунок 1.8. Схема трёхфазно-однофазного НПЧ (а), диаграммы напряжения и тока нагрузки при прямоугольном управлении (б) и диаграммы напряжения на нагрузке при синусоидальном управлении (в)

Схема трехфазно-трехфазного НПЧ, выполненного на основе трехфазных мостовых схем приведена на рисунке 1.9. Эта схема требует разделения фаз нагрузки.


Рисунок 1.9. Схема трёхфазно-трёхфазного НПЧ

Преобразователи постоянного напряжения

Классификация преобразователей постоянного напряжения

Преобразователи постоянного напряжения (ППН) предназначены для преобразования постоянного напряжения одного уровня в постоянное напряжение другого уровня с высоким КПД. Иногда их называют конверторами. Они служат для питания нагрузки постоянным напряжением Uн, отличающимся по величине от напряжения источника питания Ud.

По построению ППН делятся:

а) на двухзвенные ППН, состоящие из автономного инвертора (АИ), преобразующего постоянное напряжение в переменное, и выпрямителя. Трансформатор, стоящий между выпрямителем и АИ, позволяет получить на выходе напряжения как меньшие, так и большие входного.

б) на непосредственные ППН, выполненные на основе прерывателей.

Понижающий ППН

На рисунке 1.10 а показана схема непосредственного ППН, понижающего на напряжение, а на рисунке 1.10 б - диаграммы напряжений на нагрузке ин и на коллекторе ик и токов: потребляемого от источника питания id, коллектора iк, диода iД и нагрузки iН. Построения выполнены при допущении, что транзистор и диод идеальны, емкость конденсатора Сф = ∞, а ток в цепи нагрузки непрерывен. Диод VD служит для пропускания тока, проходящего при выключении транзистора VT за счет энергии, запасенной в индуктивности нагрузки. Конденсатор Сф уменьшает потери в источнике питания, делая потребление энергии от него более постоянным. Если транзистор VT включается в момент t1, напряжение источника питания прикладывается к нагрузке (к нагрузке прикладывается импульс напряжения), а когда он выключается в момент t2, ток нагрузки протекает за счет энергии, запасенной в индуктивности Lн, и замыкается через диод VD. В момент t3 процессы повторяются.

Для регулирования напряжения на выходе ППН изменяют длительность включенного состояния транзистора. Регулирование напряжения, при котором частота подачи импульсов на нагрузку постоянна, но изменяется их длительность, называется широтно-импульсной модуляцией (ШИМ). ППН, в которых применяется такой способ регулирования, называют широтно-импульсными преобразователями (ШИП).

Рис. рисунок 1.10 Схема понижающего ППН (а) и диаграммы напряжений и токов, иллюстрирующие его работу (б)

Таким образом, при ШИМ частота и период следования импульсов постоянны. Возможны и другие способы регулирования, при которых регулирование средне го значения напряжения на выходе производится изменением частоты следования импульсов постоянной длительности (частотно-импульсная модуляция) или одновременным изменением частоты и длительности импульсов (частотно-широтно-импульсная модуляция). Наиболее часто применяется ШИМ. Поэтому далее рассматривается только ШИМ.

Все соотношения ниже рассматриваются для непрерывного тока в нагрузке, когда за время прохождения тока через диод он не спадает до нуля (рисунок 1.10 б). Ширина области прерывистых токов обычно весьма мала, и даже токи холостого хода двигателя обычно не попадают в эту область, поэтому при проектировании электропривода она, как правило, не учитывается.

Чем больше длительность включенного состояния транзистора, тем больше среднее значение напряжения на нагрузке Uн

H =гUd, (1.2)

где г - относительная длительность включенного состояния транзистора. Так как г не может быть больше 1, то этот ППН называется понижающим. В понижающем ППН у соответствует относительной длительности импульсов напряжения, прикладываемых к нагрузке, то есть

г = , (1.3)

где tн - длительность импульсов напряжения прикладываемых к нагрузке или длительность включенного состояния транзистора; T - период следования импульсов.

Регулировочная характеристика ППН - это зависимость напряжения на нагрузке от относительной длительности включенного состояния транзисторов или в понижающем ППН от относительной длительности импульсов напряжения, прикладываемых к нагрузке. Следовательно, уравнение (1.2) является уравнением регулировочной характеристики понижающего ППН. Тогда уравнение регулировочной характеристики понижающего ППН в относительных единицах (при принятии за базовое напряжения Ud).

= г. (1.4)

Если вентили идеальны, то КПД ППН равен единице. При этом мощность, потребляемая от источника питания, равна мощности, выделяемой в нагрузке

Uн Iн = Ud Id, (1.5)

где Id - ток, потребляемый от источника питания; Iн - ток нагрузки.

Из выражений (1.4), (1.5) может быть определен ток нагрузки:

Iн = Id ·  = . (1.6)

В соответствии с формулой (1.4) диапазон регулирования выходного напряжения понижающего ППН теоретически начинается от нуля (при tH = 0, у = 0) и достигает Ud (при tH = Т, г = 1), т.е. эта схема понижает напряжение и, в соответствии с формулой (1.6), увеличивает ток. Схема работает как «трансформатор постоянного тока».

Введем понятие коэффициента преобразования напряжения Ки:

Ки = . (1.7)

Тогда уравнение регулировочной характеристики:

Ки = г. (1.8)

На рисунке 1.11 показаны регулировочные характеристики различных ППН в зависимости от относительной длительности включенного состояния транзисторов.

Рисунок 1.11 Регулировочные характеристики понижающего, повышающего и инвертирующего ППН

Внешняя характеристика ПП - это зависимость среднего значения напряжения на нагрузке от тока нагрузки при постоянной относительной длительности включенного состояния транзисторов.

Внешняя характеристика понижающих ППН весьма жесткая. Они имеют достаточно высокий КПД.

Повышающий ППН

На рисунке 1.12 а показана схема непосредственного ППН, повышающего напряжение, а на рисунке 1.12 б - диаграммы напряжений на нагрузке ин и на коллекторе ик и токов: потребляемого от источника питания id, коллектора iк, диода iД и нагрузки /н.

Рассмотрим работу схемы. В момент t1 включается транзистор VT, ток через дроссель L нарастает. В момент t2 выключается транзистор и за счет энергии, запасенной в индуктивности, под действием суммы напряжения источника питания Ud и ЭДС самоиндукции через вентиль VD заряжается конденсатор Сн, а ток, потребляемый от источника питания, спадает.

В момент t3 процессы повторяются. В этой схеме, в отличие от предыдущей, можно только поднять напряжение.

Таким образом, в течение времени tи ток id идет через транзистор, и запасается энергия в индуктивности. Затем, в течение интервала времени T - tи ток id идет через диод на зарядку конденсатора и на нагрузку. Постоянная составляющая тока id не проходит через конденсатор, поэтому среднее значение тока, протекающего через нагрузку,

Iн=Id· . (1.9)

Или

Iн=Id (1 - г). (1.10)

Здесь г - относительное время включенного состояния транзистора.

Рисунок 1.12. Схема повышающего ППН (а) и диаграммы напряжений и токов иллюстрирующие его работу (б)

С учетом справедливости равенства мощностей на входе и выходе (1.5)

Uн=  Ud (1.11)

Тогда уравнение регулировочной характеристики в относительных единицах:

Ки =  =  (1.12)

Из формулы (1.12) следует возможность бесконечного увеличения напряжения на нагрузке. Однако, из-за роста потерь в дросселе (он не может быть выполнен без потерь) при увеличении g получить очень большое напряжение невозможно. Целесообразно увеличение напряжения максимум в 3…4 раза. Регулировочная характеристика показана на рисунке 1.11.

Внешняя характеристика этого ППН очень мягкая.

Нужно также отметить, что у этой схемы хуже КПД. Он резко падает с ростом коэффициента преобразования напряжения Ки.

Инвертирующий ППН

На рисунке 1.13 а показана схема непосредственного ППН, инвертирующего напряжение (т.е. меняющего не только величину, но и знак напряжения на выходе), а на рисунке 1.13 б - диаграммы напряжений на нагрузке ин и на коллекторе ик и токов: потребляемого от источника питания id, коллектора /к, диода iД и нагрузки iH.

Рассмотрим работу схемы. В момент t1 включается транзистор VT, ток через индуктивность L нарастает. В момент t2 выключается транзистор, и за счет энергии, запасенной в индуктивности, проходит ток по цепи L, C, VD. Следовательно, на участке t2 - t3 происходит заряд емкости С, и ток спадает. В момент t3 процессы повторяются. На участке t3-t4 одновременно с запасанием энергии в дросселе происходит разряд конденсатора на сопротивление нагрузки.

Уравнение регулировочной характеристики:

Ки =  =  (1.13)

Здесь г - так же относительное время включенного состояния транзистора.

Из формулы (1.13) следует возможность бесконечного увеличения напряжения на нагрузке. Однако, из-за роста потерь в реакторе (он не является идеальной индуктивностью) при увеличении g получить большое напряжение невозможно. Целесообразно увеличение напряжения максимум в 2 - 3 раза. Регулировочная характеристика показана на рисунке 1.11.

Эта схема имеет мягкую внешнюю характеристику. Нужно также отметить, что у этой схемы низкий КПД. Он резко падает с ростом коэффициента преобразования напряжения Ки.

Рисунок 1.13. Схема инвертирующего ППН (а) и диаграммы напряжений и токов, иллюстрирующие его работу (б)

Преобразователи переменного напряжения

Преобразователи переменного напряжения (регуляторы переменного напряжения) предназначены для изменения величины переменного напряжения.

На рисунке 1.14 а приведена схема однофазного преобразователя переменного напряжения, а на рисунке 14.2 а диаграмма напряжения на нагрузке. Изменение действующего значения напряжения на нагрузке осуществляется изменением угла управления б. Такое регулирование называется фазовым или импульсной модуляцией на основной частоте (ИМ-ОЧ). При этом даже при активной нагрузке ухудшается cosц и коэффициент мощности. При таком регулировании даже печь сопротивления, имеющая практически чисто активное сопротивление, представляет для сети как бы индуктивную нагрузку. Тем не менее, такая схема применяется для регулирования активных и активно-индуктивных нагрузок - печей сопротивления, ламп накаливания, а также однофазных двигателей переменного тока, например, в электроинструменте.

В схеме рисунке 1.14 б применены запираемые тиристоры, что позволяет получить на нагрузке напряжение в соответствии с рисунке 1.15 б или рисунке 1.15 в. При этом cosц может быть меньше или равен 1, но угол сдвига ц получается опережающим (фазовое регулирование с опережающим углом сдвига) или равным нулю. При таком регулировании печь сопротивления представляет для сети как бы емкостную нагрузку. В связи со сложностью быстрого прерывания тока в цепи, в которой имеется хотя бы небольшая индуктивность, схема усложняется за счет применения дополнительных элементов и поэтому не получила распространения.

В описанных способах изменение действующего значения напряжения на нагрузке осуществляется за счет изменения формы напряжения, что нежелательно для ряда потребителей.

Импульсная модуляция на высокой частоте (ИМ-ВЧ) (рисунок 1.15 г.) позволяет при небольшом фильтре получать синусоидальную гладкую составляющую тока, потребляемого из сети, и напряжения на нагрузке при cosц = 1. Однако, в связи со сложностью прерывания тока в индуктивной цепи схема усложняется и поэтому также не получила распространения. Импульсная модуляция на низкой частоте (ИМ-НЧ) иллюстрируется рисунком 1.15 д. Эта модуляция реализуется в схеме рисунок 1.14 а. Уменьшение мощности, выделяемой в активной нагрузке, производится включением и выключением тиристоров в моменты перехода тока и напряжения через нуль. При питании активной нагрузки и ИМ-НЧ сохраняется cosц = 1. Однако, за счет возникающих гармоник с частотами ниже частоты напряжения сети, коэффициент мощности ухудшается. В литературе доказано, что коэффициент мощности одиночного регулятора не зависит от способа импульсной модуляции, а определяется глубиной регулирования. Импульсная модуляция на низкой частоте применима для инерционных объектов (например, печей сопротивления).

Рисунок 1.14. Преобразователи переменного напряжения: однофазные на не полностью (а) и полностью управляемых (б) тиристорах; однофазные на первичной стороне трансформатора (в) и трансформатора с отпайками (г); трехфазные для регулирования напряжения на активной нагрузке (д) и двигателе (е)

Диапазон номинальных значений напряжений и токов электрических нагрузок чрезвычайно широк. Для согласования с напряжением сети применяются трансформаторы. При малых или очень больших напряжениях на грузки для регулирования целесообразно включать тиристорные ключи на первичной стороне трансформатора, однако при этом возникает ряд проблем, связанных с насыщением трансформатора. Эти проблемы обостряются при ИМ-НЧ, когда включения трансформатора происходят очень часто.

Рисунок 1.15. Диаграммы напряжений на нагрузке ППН при различных способах управления (модуляции): ИМ-ОЧ (фазовое регулирование) с отстающим (б > 0), опережающим (в > 0) и равным нулю (б = в) углом сдвига ц (а, б, в); ИМ-ВЧ (г); ИМ-НЧ (д); ИМ-НЧ на первичной стороне трансформатора (е); многозонные ИМ-ОЧ (ж), ИМ-ВЧ (з) и ИМ-НЧ (и)

При включении трансформатора начальная магнитная индукция имеет определенные значения. В переходном процессе изменения индукции после включения с произвольным углом управления может быть превышено максимальное значение индукции установившегося цикла перемагничивания. Это вызывает насыщение трансформатора и резкое увеличение (выброс) тока намагничивания, который снижается до установившегося значения за десятки периодов. Выбросы тока намагничивания могут в десятки раз превышать номинальный ток трансформатора. Введением определенного угла управления в первом полупериоде в начале каждого цикла включения мож но практически устранить выбросы тока намагничивания. При этом диаграмма напряжения на нагрузке соответствует рисуке 1.15 е.

Качество напряжения на выходе тиристорного регулятора переменного напряжения и коэффициент мощности могут быть улучшены при применении многозонной импульсной модуляции. Такая модуляция может быть реализована в схеме рисунка 1.14 г. При этом вид напряжения на нагрузке будет соответствовать диаграммам рисунка 1.15 ж, з, и. Диаграмма рисунка 1.15 з может быть реализована, если в схеме рисунка 1.14 г. заменить обычные тиристоры на запираемые.

На рисунке 1.14 д приведена схема трехфазного преобразователя переменного напряжения. Если нагрузка при этом имеет нулевой вывод, то процессы и диаграммы напряжений на нагрузке ничем не отличаются от процессов в однофазной схеме. При отсутствии нулевого вывода процессы и диаграммы существенно усложняются.

Фазовое регулирование может быть применено для регулирования скорости асинхронного двигателя (рисунок 1.14 д). Однако, из-за большого содержания высших гармоник в токе, протекающем через фазы двигателя при таком регулировании, понижение скорости может быть весьма кратковременным во избежание перегрева двигателя. Такое регулирование получило очень широкое применение в устройствах для ограничения пусковых токов асинхронных двигателей. В устройствах для плавного пуска асинхронных двигателей угол управления плавно уменьшается от начального значения до полного включения тиристоров. При этом пусковые токи снижаются в 2…3 раза.


2. Силовая электроника. Система условных обозначений диодов и тиристоров. Основные характеристики и параметры. Способы охлаждения расчёт нагрузочной способности


2.1 Силовая электроника. Система условных обозначений диодов


Принцип действия и классификация диодов

Основу диодов составляет двухслойная монокристаллическая полупроводниковая структура с электронно-дырочным переходом или контакт металл-полупроводник. Принцип действия Диодов определяется свойством односторонней проводимости p-n перехода. Полупроводниковая структура с p-n переходом конструктивно оформляется в виде узла выпрямительного элемента, который помещается в герметичный корпус с выводами анода и катода. Полупроводниковые диоды выполняются на токи от нескольких миллиампер до килоампер прямого тока (обратное напряжение 5 кВ и выше).

Рис. 2.1 Условное обозначение диода на схемах

Диоды малой и средней мощности () делятся на точечные и бескорпусные; силовые диоды () делятся на штыревые и таблеточные (Таблица 2).

По назначению диоды подразделяются на выпрямительные, импульсные и специальные. Выпрямительные которые предназначены для выпрямления переменного тока. К ним относятся в основном силовые диоды. Силовые диоды по нагрузочной способности в области пробоя обратной ветви ВАХ подразделяются на простые выпрямленные и лавинные с контролируемым пробоем (стабилитроны).

По назначению диоды подразделяются на выпрямительные, импульсные и специальные. Выпрямительные которые предназначены для выпрямления переменного тока. К ним относятся в основном силовые диоды. Силовые диоды по нагрузочной способности в области пробоя обратной ветви ВАХ подразделяются на простые выпрямленные и лавинные с контролируемым пробоем (стабилитроны).

Таблица 2


Признак классификации


Наименование диода


Площадь диода


Плоский Точечный

 

Полупроводниковый материал

 

Германиевый Кремниевый Арсенид галлиевый


Назначение


Выпрямительный Импульсный Сверхвысокочастотный Стабилитрон Варикап и т.д.


Принцип действия


Туннельный Диод Шотки Излучающий Фотодиод Диод Ганна Лавинно-пролётный


По назначению диоды подразделяются на выпрямительные, импульсные и специальные. Выпрямительные которые предназначены для выпрямления переменного тока. К ним относятся в основном силовые диоды. Силовые диоды по нагрузочной способности в области пробоя обратной ветви ВАХ подразделяются на простые выпрямленные и лавинные с контролируемым пробоем (стабилитроны).

В зависимости от времени обратного восстановления диоды делятся на: диоды с нормируемым временем восстановления и быстродействующие диоды с нормируемым временем восстановления (частотные).

Силовые диоды того или иного вида, подвида и модификации в зависимости от допускаемого тока подразделяются по типу, а диоды одного типа - на классы и допустимому обратному напряжению

Импульсные диоды применяются в маломощных цепях автоматики. Они отличаются малым временем переключения из закрытого состояния в открытое и обратного переключения и обладают хорошими частотными характеристиками.

К специальным диодам относят стабилитроны, фотодиоды, светодиоды, варикапы, туннельные диоды.

Параметры и обозначение силовых диодов

Параметры - это численные значения величин, определяющих характерные точки ВАХ и допустимые режимы.

Параметры силовых диодов:

) повторяющееся импульсное обратное напряжение URRM - максимальное обратное напряжение, которое каждый период может прикладываться к диоду (рис. 2.2 б), которое примерно составляет 0,7 напряжения пробоя UBR. В современных диодах оно достигает 10 кВ. URRM в сотнях вольт определяет класс выпрямительного диода. Например, если URRM = 5000 В, то диод 50 класса;

) максимально допустимый средний прямой ток (предельный ток) IFAVm, определяемый в однофазной однополупериодной схеме выпрямления при синусоидальном токе частотой 50 Гц, угле проводимости 180° и заданной температуре кристалла или корпуса:

IFAVm =  (2.1)

Здесь Um - амплитудное значение напряжения сети; Rd - активное сопротивление нагрузки; Im - амплитудное значение выпрямленного тока. Предельный ток IFAVm определяет тип вентиля, в современных выпрямительных диодах он достигает 8 кА;

) максимальный обратный ток IR (доли мкА - десятки мА);

) импульсное прямое напряжение UFM - максимальное значение прямого напряжения, обусловленное максимально допустимым средним прямым током IFAVm (рис. 2.2 б). Оно составляет 1…3 В;

) пороговое напряжение U0 (0,5… 1,5 В) и дифференциальное сопротивление rД (рис. 2.2 б - в).

) время восстановления обратного сопротивления trr (рис. 2.3) - интервал времени, прошедший с момента прохождения тока через нуль (после изменения полярности приложенного напряжения) до момента, когда обратный ток достигнет заданного малого значения (доли нс - доли мкс для высокочастотных и 25… 100 мкс для низкочастотных);

) заряд обратного восстановления Qrr - используется для определения мощности потерь обратного восстановления (десятки нК - десятки мкК).

Расшифровка буквенно-цифрового обозначения силовых диодов представлена на рисунке 2.2.

Рис. 2.2 Обозначения силовых диодов

Разновидности силовых диодов

Диоды низкочастотные общего применения (на средние напряжения) на основе р-n-перехода с допустимыми напряжениями до 1 кВ выпускаются на токи до 8 кА. Время обратного восстановления диодов обычно находится в диапазоне 25… 100 мкс, что ограничивает их использование при частоте свыше 500 Гц. Их основное применение - неуправляемые выпрямители при промышленной частоте.

Диоды низкочастотные высоковольтные, основанные на процессах в р - i-n структуре с допустимыми напряжениями до 10 кВ (i - слой собственного полупроводника). Слой собственного полупроводника, имеющий высокое сопротивление позволяет увеличить допустимое напряжение.

Диоды высокочастотные (быстровосстанавливающиеся) на средние напряжения на основе р-п-перехода, но дополнительно легированные золотом методом диффузии. Атомы золота создают рекомбинационные центры, обеспечивающие ускорение рекомбинации носителей заряда после прохождения тока. Время восстановления обратного сопротивления trr в них снижается в пределе до 100 нс. Предельный ток этих диодов 1 кА, допустимые напряжения достигают 1 кВ, а при некотором увеличении времени восстановления обратного сопротивления - 3 кВ.

Быстровосстанавливающиеся силовые диоды применяются в схемах преобразователей при частотах 2 - 20 кГц для шунтирования запираемых тиристоров и транзисторов и пропускания тока в обратном направлении.

Для высоковольтных преобразователей рекомендуется использовать специально разработанные ультрабыстрые диоды Hexfred, которые имеют величину обратного напряжения URRM до 1200 В, время обратного восстановления trr до 100 нс, прямое падение напряжения до 2,0 В, максимально допустимый средний прямой ток IFAVm до 100 А и выше.

Диоды Шоттки - высокочастотные низковольтные диоды на основе перехода металл-полупроводник. Их особенностью является то, что прямой ток обусловлен движением только основных носителей - электронов. Таким образом, диоды Шоттки являются униполярными приборами с одним типом основных носителей. Отсутствие накопления неосновных носителей существенно уменьшает их инерционность. Время восстановления trr составляет обычно не более 0,3 мкс, падение прямого напряжения UFM примерно 0,3 - 0,6 В. Значения обратных токов IR в этих диодах на 2 - 3 порядка выше, чем в диодах с р-п-переходом. Диапазон предельных обратных напряжений URRM обычно ограничивается 200 В, максимально допустимый средний прямой ток IFAVm до 100 А. Диоды Шоттки применяются в схемах преобразователей при частотах 2 - 100 кГц для шунтирования полевых транзисторов и пропускания тока в обратном направлении.

Статические характеристики и схема замещения силового диода при низкой частоте

Выпрямительные диоды применяются в основном для построения выпрямителей в промышленных сетях переменного тока частотой 50 - 60 Гц.

Выпрямление основано на свойстве р-п-перехода, хорошо пропускать ток в одном направлении и почти не пропускать его в другом. Таким образом, выпрямительный диод представляет собой электронный ключ, управляемый приложенным к нему напряжением. При прямом напряжении ключ замкнут, при обратном - разомкнут. Такому электронному ключу соответствует вольтамперная характеристика (ВАХ) идеального диода (рисунок 2.3 а).

Однако в действительности диод не является идеальным, т.к. во включенном состоянии на нем падает прямое напряжение порядка 1 - 2 В, а в выключенном состоянии через диод протекает обратный ток, который мал. Поэтому ВАХ реального диода отличается от идеальной (рисунок 2.3 б).


Рисунок 2.3. Вольтамперные характеристики силового диода: идеальная (а), реальная (б), идеализированная (в) и его схема замещения (г)

При расчетах ВАХ аппроксимируются. Выделяют идеализированную ВАХ (рис. 2.3 в), которая позволяет учесть потери в проводящем состоянии, а для закрытого состояния диод считается идеальным (сопротивление равно бесконечности). Согласно идеализированной ВАХ модель диода в открытом состоянии описывается линейным уравнением

= U0 + I · rД, (2.2)

где U0 - пороговое напряжение диода; rд = ДU/ДI - дифференциальное сопротивление диода во включенном состоянии.

На рисунке 2.3 г. приведена схема замещения диода при низкой частоте, где VD - идеальный диод.

2.2 Система условных обозначений тиристоров. Основные характеристики и параметры


Назначение и классификация тиристоров

Тиристорами называются полупроводниковые приборы с тремя и более р-п-переходами, предназначенные для использования в качестве электронных ключей в схемах переключения электрических токов. Классификация тиристоров представлена на рисунке 2.4.

По способу управления тиристоры можно разделить на две группы:

а) с неполной управляемостью - включение осуществляется сигналом управления, а выключение - при спаде тока через прибор до нуля. К этой группе относятся следующие разновидности тиристоров: асимметричный тиристор (SCR), симистор, фототиристор и оптотиристор. Тиристоры данной группы нашли широкое применение в регулируемом электроприводе постоянного тока, а также в системах плавного пуска асинхронных электродвигателей. На их основе строятся управляемые выпрямители тока, преобразователи переменного напряжения и др. виды преобразователей;

б) полностью управляемые - включение и выключение осуществляется сигналом управления. К этой группе относятся запираемые тиристоры и их разновидности: запираемый тиристор GTO, запираемый тиристор GTC, интегрированный запираемый тиристор IGTC и полевые тиристоры MCT.

Рисунок 2.4. Классификация тиристоров

Аббревиатура GTO - это сокращение названия gate turn-off thyristor. В переводе это значит тиристор, включаемый выключаемый управлением. Аббревиатура GCT - это сокращение названия gate commutated thyristor. В переводе это значит тиристор, коммутируемый управлением. Аббревиатура IGCT - это сокращение названия integrated gate commutated thyristor. В переводе это значит интегрированный тиристор, коммутируемый управлением. Аббревиатура MCT - это сокращение названия MOS - control thyristor. В переводе это значит тиристор, управляемый МОП.

Возможность полного управления предопределила их области применения - это регулируемый электропривод переменного тока (автономные инверторы напряжения для преобразователей частоты), мощные источники питания электрических подстанций, системы бесперебойного питания, статические компенсаторы и т.д.

Условные обозначения тиристоров показаны на рисунке 2.4. В дальнейшем при изложении материала асимметричный тиристор будем называть просто тиристором.

Статические характеристики тиристоров

Тиристор - это полупроводниковый прибор, содержащий четыре слоя с разным типом проводимости, способный под действием управляющего сигнала переходить из закрытого в открытое состояние.

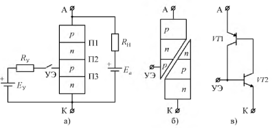
Тиристоры с четырехслойной структурой р-п-р-п имеют три вывода: анод (А), катод (К) и управляющий электрод (УЭ) (рисунок 2.5 а). Если напряжение на аноде по отношению к катоду положительное, то переходы П1 и П3 смещаются в прямом направлении, а П2 - в обратном.

Рисунок 2.5. Структура обычного тиристора (а) и его эквивалентная схема (б, в)

Структуру тиристора можно представить в виде двух соединенных трехслойных структур: р - п - р и п-р-п (рисунок 2.5 б), эквивалентных биполярным транзисторам VT1 и VT2 (рисунок 2.5 в). Включение тиристора происходит при наличии между анодом и катодом положительного напряжения и подаче на его управляющий электрод импульса управления. Благодаря положительной обратной связи между эквивалентными транзисторами VT1 и VT2 процесс включения тиристора начинает лавинообразно развиваться до состояния, когда анодный ток становится равным значению, определенному сопротивлением нагрузки.

Анализируя процессы в схеме с эквивалентными транзисторами (рисунок 2.5 в), можно убедиться в том, что если произошло включение тиристора (протекает анодный ток), то прекращение тока управления не приводит к выключению схемы. Это связано с наличием внутренней положительной обратной связи. Чтобы выключить тиристор нужно уменьшить ток в цепи анода до малой величины или приложить к нему обратное напряжение. Таким образом, обычный тиристор - это прибор с неполной управляемостью.

Идеальная статическая выходная ВАХ тиристора представлена на рисунке 2.6 а из которой видно, что тиристорный ключ может проводить ток только в одном направлении, а в закрытом состоянии может выдерживать как прямое, так и обратное напряжение.

Рисунок 2.6. Идеальная (а) и реальная (б) выходные статические ВАХ тиристора

На рисунке 2.6 б представлено семейство реальных выходных статических ВАХ при разных значениях тока управления IУ. Предельное прямое напряжение, которое выдерживает тиристор без его включения, имеет максимальные значения при IУ = 0. Чем больше ток управления, тем при меньшем напряжении на аноде включается тиристор. Включенному состоянию тиристора соответствует ветвь 3, а выключенному - ветвь 1. Процессу включения соответствует участок 2 ВАХ. При приложении к тиристору обратного напряжения прибор все время находится в закрытом состоянии (участок 4), поскольку переходы П1 и П3 находятся под обратным напряжением, а П2 смешен в прямом направлении (рисунок 2.5 а). При увеличении обратного напряжения начинается резкое возрастание обратного тока (участок 5), связанное с лавинным пробоем тиристора. Участок 5 является запрещенным участком работы тиристора.

На рисунке 2.7 а приведена схема управления тиристором. Управляющие импульсы амплитудой ЕУ (рисунок 2.7 б) подаются на управляющий электрод через резистор RУ, служащий для ограничения тока. Диаграмма управления тиристором (рисунок 2.7 в) служит для выбора параметров схемы управления. Жирными линиями на рисунке 2.7 в показаны границы области существования входных характеристик соответствующих минимальному и максимальному сопротивлению управляющего перехода. Заштрихованная область 1 - это область существования токов управления, при которых тиристор не включается при минимальных напряжениях на аноде. Кривые 2 - это гиперболы постоянной средней мощности, выделяемой на управляющем переходе при различной относительной длительности импульсов А = (tИ·100%)/T (рисунок 2.7 б), где tИ - время импульса, а Т - период их следования. На диаграмме показаны также предельно допустимые значения тока и напряжения управления.

По диаграмме управления выбираются значения ЕУ, Ry и tИ (А), при которых ток управления IУ и напряжение на управляющем электроде UУ должны находиться внутри разрешенной области. Во время действия управляющего импульса справедливо уравнение, записанное по второму закону Кирхгофа для цепи управления (рисунок 2.7 а)

ЕУ = UУ + IУ ·RУ или UУ = ЕУ - IУ · RУ. (2.3)

Уравнение (2.4) является прямой, которая может быть построена по двум точкам: если IУ = 0, то UУ = ЕУ; если UУ = 0, то IУ = ЕУ / RУ.

При значениях ЕУ, RУ, выбранных на рисунке 2.7 в, не превышаются допустимые величины IУ.ДОП, UУ.ДОП, а значение А не должно превышать 0,1%.

Динамические характеристики тиристоров

Динамические характеристики тиристоров определяются по переходным процессам включения и выключения.

Рисунок 2.7. Схема управления тиристором (а); форма сигнала управления (б) и диаграмма управления тиристором (в)

. Переходный процесс включения. Схема включения тиристора и переходные процессы при включении тиристором активной нагрузки приведены на рисунке 2.8. Включение происходит не мгновенно, так как должны произойти сложные физические процессы, связанные с накоплением носителей зарядов в средних слоях и расширением проводящего канала от управляющего электрода по всему объему. Для количественной оценки процесс включения разбивается на ряд интервалов. Время включения тиристора tвкл - это время от момента подачи управляющего импульса до момента спада напряжения на тиристоре до 0,1 начального значения (оно составляет несколько микросекунд)

tвкл= tз + tН, (2.4)

где tз - время задержки (время от момента подачи управляющего импульса до момента спада напряжения на тиристоре до 0,9 начального значения); tН - время нарастания (время изменения напряжения на тиристоре от 0,9 до 0,1 начального значения или нарастания тока от 0,1 до 0,9 установившегося значения).

Однако по истечении времени включения тиристор еще не полностью включается и напряжение на нем продолжает спадать до установившегося значения. Время спада напряжения на тиристоре от 0,1 начального до установившегося значения называется временем установления tУСТ (оно составляет 10…500 мкс).

При включении тиристора мгновенная мощность потерь может достигать очень больших значений. Например, если Е= 1000 В, а IУСТ = 1000 А, то Рmах = 0,5Е·0,5IУСТ = 250000 Вт = 250 кВт. Чтобы облегчить условия работы тиристора при включении, целесообразно включить последовательно с тиристором индуктивность L (рисунок 2.8). Это снизит скорость нарастания анодного тока и уменьшит потери при включении. С учетом допустимых потерь при включении тиристора вводится параметр допустимая скорость нарастания анодного то  =(10… 100)


Рисунок 2.8. Переходный процесс включения: схема включения (а) и переходные процессы включения тиристора (б)

. Переходный процесс выключения. На рисунке 2.9 показана схема подачи на включенный тиристор обратного напряжения, и приведены временные диаграммы переходных процессов, возникающих при выключении тиристора.

Переходный процесс выключения тиристора состоит из двух этапов:

) восстановление запирающей способности в обратном направлении;

) восстановление управляемости в прямом направлении.

На интервале 0 - t1 тиристор находится во включенном состоянии

(анодный ток равен Iуст, прямое напряжение равно UT). При приложение к тиристору скачком обратного напряжения анодный ток начинает уменьшаться (темп спада ограничивается индуктивностью LОГP) - интервал t1 - t2. После спада анодного тока и анодного напряжения до нуля, как и у диодов, начинается процесс обратного восстановления в течение времени trr. За это время р-n - переход, образованный между управляющим электродом и катодом (рисунок 2.5 а), освобождается от заряда избыточных носителей Qrr (дырок), накопленных в базовом p-слое тиристора. Время обратного восстановления trr складывается из двух интервалов:
rr = ts + tf, (2.5)

где ts - время запаздывания обратного напряжения; tf - время спада обратного тока.

Рисунок 2.9. Схема подачи на включенный тиристор обратного напряжения (а) и диаграммы переходных процессов при выключении тиристора

Заряд, вытекающий из вентиля за время обратного восстановления:

rr = Qs + Q f. (2.6)

Здесь Qs, Qf - заряды, вытекающие из вентиля соответственно за время запаздывания обратного напряжения и за время спада обратного тока.

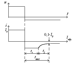
Таким образом, время обратного восстановления trr - это время от перехода прямого тока через нуль до перехода через нуль касательной к уменьшающемуся обратному току (составляет доли или единицы микросекунд).

Однако после этого нельзя подавать прямое напряжение на тиристор, так как заряд избыточных дырок в n-базе достаточно велик и мгновенно приведет к действию регенеративный механизм включения тиристора. Поэтому требуется время на рекомбинацию накопленного заряда дырок в базовом n-слое тиристора. За это время тиристор восстанавливает свою управляющую способность в прямом направлении.

Время выключения (время восстановления запирающей способности тиристора в прямом направлении) tq - это наименьший интервал времени от момента спада тока до нуля, до момента перехода анодного напряжения через нуль без включения тиристора. Оно составляет 10…500 мкс и ограничивает частотные возможности тиристоров. Если время, предоставленное для выключения тиристора, меньше tq (рисунок 2.9 б пунктирные кривые u’, i’a, u’a), то происходит прорыв анодного тока, т.е. включение тиристора без подачи управляющего сигнала (это аварийный режим).

Переходный процесс при резком нарастании прямого напряжения на тиристоре. При нарастании прямого напряжения на тиристоре (рисунок 2.9 а) центральный р-n-переход П2 смещается в обратном направлении и через его емкость C на управляющий электрод протекает ток, определяемый скоростью нарастания прямого напряжения:

, ic = C · ()

Если при каком-то  этот ток достигает достаточной величины, то тиристор включается без подачи управляющего импульса. Следовательно, существует ДОП, при котором тиристор не включится. В современных тиристорах ДОП = (20…1000) .

Параметры тиристоров

Ряд параметров мощных тиристоров аналогичен параметрам выпрямительных диодов, но имеется много дополнительных параметров. Разобьем параметры тиристоров на группы.

Параметры силовой цепи по току

) IТАVт - максимально допустимый средний прямой ток (предельный ток), определяемый в однофазной однополупериодной схеме выпрямления при синусоидальном токе с частотой 50 Гц, угле проводимости 180°, допустимой температуре кристалла или корпуса и заданных условиях охлаждения. Таким образом, он определяется так же, как и у диода. Предельный ток достигает 10 кА.

Допустимый ток тиристора, при условиях не соответствующих указанным выше, зависит от ряда факторов: частоты, угла проводимости, температуры охлаждающей среды и скорости охлаждающего воздуха (рисунок 2.10).

Зависимость допустимого тока ITAVm от частоты в относительных единицах Ki = Ш(f) представлена на рисунок 2.10 а, где Ki = ITAV / ITAVm. С ростом частоты ток ITAV уменьшается, так как растут коммутационные потери.

Рисунок 2.10. Зависимость допустимого тока в относительных единицах от различных факторов: частоты (а); угла проводимости (б); температуры окружающей среды (в) и скорости охлаждающего воздуха (г)

С уменьшением частоты ниже 50 Гц ток ITAV падает из-за больших колебаний температуры кристалла иpn, превышающих допустимую температуру иДОП, так как при той же максимальной температуре должна быть уменьшена средняя (сравните рисунок 2.11 а и б).

Рисунок 2.11. Диаграммы тока и температуры кристалла при f = 50 Гц (а) и при f = 1 Гц (б)

Зависимость допустимого тока ITAV от угла проводимости в относительных единицах Ki=fv(л) представлена на рисунок 2.10 б. С уменьшением угла проводимости растет коэффициент формы тока, поэтому при сохранении действующего значения тока снижается его среднее значение.

Зависимость допустимого тока ITAV от температуры окружающей среды в относительных единицах Ki = f (T°) представлена на рисунок 2.10 в.

Зависимость допустимого тока ImV от скорости охлаждающего воздуха в относительных единицах Ki =f(V) представлена на рисунок 2.10 г. При отсутствии принудительного охлаждения воздух продолжает двигаться из-за конвекции. Эта точка на графике помечена: е.о. (естественное охлаждение).

) ITSM - ударный ток - максимально допустимая амплитуда импульса

аварийного тока синусоидальной формы длительностью 10 мс. Этот ток в 15…30 раз превышает предельный ток ITAVm. Но так как предельный ток - это среднее значение, то амплитудное значение предельного тока превышается лишь в 7…10 раз.

)  dt - максимально допустимое значение интеграла аварийного тока по времени, обычно за время полупериода промышленной частоты. Оно определяет энергию, которая может выделиться в тиристоре без его разрушения.

Параметры силовой цепи по напряжению:

) URRM и UDRM - повторяющееся импульсное напряжение в обратном и прямом направлении - максимальное напряжение, которое каждый период может прикладываться к тиристору (рисунок 2.12)

URRM =(0,7…0,8) - UBR; UDRM = (0,7 k 0,8) - U BO. (2.7)

Здесь UBR - напряжение лавинного пробоя; UBO - напряжение переключения тиристора. В современных тиристорах повторяющееся импульсное напряжение достигает 10 кВ. Как и у диодов, оно определяет класс тиристора;

) URSM и UDSM - неповторяющиеся импульсные напряжения в обратном и прямом направлениях, которые редко могут прикладываться к тиристору (рисунок 2.12);

Рисунок 2.12. Параметры по напряжению на ВАХ тиристора в запертом (а) и открытом (б) состоянии

) URWM и UDWM - рабочие напряжения (рисунок 2.12), которые следует использовать в расчетах (составляют 70% от URRM или UDRM);

) UTM - импульсное напряжение в открытом состоянии при протекании предельного тока (1.3) В;

) UT(TO) - пороговое напряжение тиристора, а также его дифференциальное прямое сопротивление rТ.

Динамические параметры тиристора tВК, tq, ,  определены при описании переходных процессов включения и выключения тиристора (рисунок 2.8 - 2.9).

Параметры цепи управления Iу. доп, Uy. доп, Ру.доп определены при описании диаграммы управления (рисунок 2.7).


3. Исследование силовых полупроводниковых приборов на лабораторном стенде


3.1 Введение


Лабораторные занятия по курсу «Электронная преобразовательная техника» дают представление о физических свойствах, параметрах и характеристиках дискретных полупроводниковых приборов.

Лабораторный стенд имеет источники питания, наборную панель с гнёздами и клеммами для сборки электрических схем, необходимых для снятия характеристик используемого прибора. На рабочем месте имеется комплект проводов с наконечниками, измерительными и исследуемыми приборами. На рисунке 3.1 представлен план учебной лаборатории.

Рисунок 3.1 План учебной лаборатории

Входное напряжение блока питания 127 В. Выходное напряжение постоянное:

В 1 А;

…15 В 0,5 А - регулируемый G1;

…15 В 0,5 А - регулируемый G2;

…5 В 3 А - регулируемый G3.

Регулируемые источники питания имеют защиту от короткого замыкания. При срабатывании защиты необходимо выключить стенд и выдержать в таком состоянии 5…10 сек.

Источник питания выполнен в виде отдельного модульного элемента в корпусе и вмонтирован в лабораторный стенд.

Источник питания осеспечивает

В; 0,1 А - нерегулируемый;

В; 5 А - нерегулируемый;

В; 0,3 А - для питания входных цепей транзисторов, регулируемый 0…4,5 В;

В; 0,5 А - для питания выходных цепей транзисторов, регулируемый 0…14 В.

3.2 Исследование силовых полупроводниковых диодов


Цель работы - изучение свойств силовых полупроводниковых диодов и условий их работы при групповом соединении в схемах преобразователей.

Выпрямительные диоды представляют собой полупроводниковые приборы с одним электронно-дырочным переходом (p-n-переходом одним из свойств p-n-перехода является способность изменять свое сопротивление в зависимости от полярности напряжения внешнего источника. Причем разница сопротивлений при прямом и обратном направлениях тока через p-n-переход может быть настолько велика, что в ряде случаев, например для силовых диодов, можно считать, что ток протекает через диод только в одном направлении - прямом, а в обратном направлении ток настолько мал, что им можно пренебречь. Прямое направление - это когда электрическое поле внешнего источника направлено навстречу электрическому полю p-n-перехода, а обратное - когда направления этих электрических полей совпадают.

Полупроводниковые диоды, использующие вентильное свойство p-n-перехода, называются выпрямительными диодами и широко используются в различных устройствах для выпрямления переменного тока.

Вольт-амперная характеристика (ВАХ) идеализированного p-n перехода описывается известным уравнением:

, (3.1)

где  - обратный ток p-n-перехода; q - заряд электрона (q =1,6 ⋅ Кл); k - постоянная Больцмана (k =1,38⋅Дж/К); T - температура в градусах Кельвина.

Графическое изображение этой зависимости представлено на рисунке 3.1

Вольт-амперная характеристика имеет явно выраженную нелинейность, что предопределяет зависимость сопротивления диода от положения рабочей точки.

Различают сопротивление статическое Rст и динамическое Rдин. Статическое сопротивление Rст, например в точке А (рисунке 3.1), определяется как отношение напряжения UA и тока IA, соответствующих этой точке: Rст =  = tgб.

Динамическое сопротивление определяется как отношение приращений напряжения и тока (рисунке 3.2): Rдин = .


Рисунок 3.2 Динамическое сопротивление диода

При малых значениях отклонений ДU и ДI можно пренебречь нелинейностью участка АВ характеристики и считать его гипотенузой прямоугольного треугольника АВС, тогда Rдин = tgв.

Если продолжить линейный участок прямой ветви вольт-амперной характеристики до пересечения с осью абсцисс, то получим точку U0 - напряжение отсечки, которое отделяет начальный пологий участок характеристики, где динамическое сопротивление Rдин сравнительно велико от круто изменяющегося участка, где Rдин мало.

Если увеличивать напряжение, приложенное в обратном направлении к диоду, то сначала обратный ток будет изменяться незначительно, а затем при определенной величине Uпроб начнется его быстрое увеличение (рисунок 3.3), что говорит о наступлении пробоя p-n-перехода.

Существуют несколько видов пробоя p-n-перехода в зависимости от концентрации примесей в полупроводнике, от ширины p-n-перехода и температуры:

обратимый (электрический пробой);

необратимые (тепловой и поверхностный пробои).

Необратимый пробой для полупроводникового прибора является нерабочим и недопустимым режимом.

Рисунок 3.3 Пробой p-n-перехода

Поэтому в паспортных данных диода всегда указывается предельно допустимое обратное напряжение Uпроб (напряжение лавинообразования), соответствующее началу пробоя p-n-перехода. Обратное номинальное значение напряжения составляет обычно 0,5Uпроб и определяет класс прибора по напряжению. Так, класс 1 соответствует 100 В обратного напряжения, класс 2 - 200 В и т.д.

3.3 Оборудование, используемое в лабораторной работе


испытуемые диоды VD1 - VD4 (В 50);

мультиметр;

соединительные провода;

ЛАТР (лабораторный автотрансформатор);

вольтметр Ш4313

амперметр (15 mA);

волльметр (15 В).

Основные технические параметры В 50-10:

диод кремниевый диффузионный.

предназначен для работы в цепях статических преобразователей электроэнергии постоянного и переменного токов на частотах до 2 кГц.

выпускаются в металлостеклянном корпусе с гибким выводом.

средний прямой ток - 50 А

повторяющееся импульсное обратное напряжение - 1000 В

охлаждение воздушное естественное или принудительное.

обозначение типономинала и полярность выводов приводятся на корпусе.

Масса диода не более 190 г.

Технические условия: ТУ 16-529.765-73.

3.4 Исследование полупроводникового диода В 50


Изучить схемы включения полупроводниковых приборов (рисунок 3.4-3.7) для снятия вольт-амперных характеристик ВАХ диода.

Оборудование, используемое в лабораторной работе.

. Экспериментальное получение прямой ветви ВАХ диода Iпр = f (Uпр), представленной на рисунок 3.4.

.1. Подключить стенд к сети, поставив сетевой тумблер в положение ВКЛ и нажав кнопку СЕТЬ на блоке питания.

.2. На одном из источников питания V1 или V2 с помощью ручек установить напряжение 5 В, измерив его мультиметром на пределе измерения 20 В.

.3. Отключить сетевой тумблер.

.4. Ручку потенциометра R1 повернуть против часовой стрелки до упора.

.5. Подать питание на исследуемую схему: «+» - X1, «-» - Х2.

.6. Подключить согласно схеме, соблюдая указанную полярность мультиметра со следующими пределами измерения: «20 mA» - в режиме амперметра, «2 V» - в режиме вольтметра.

.7. После проверки схемы преподавателем включить сетевой тумблер.

Рисунок 3.4. Принципиальная схема лабораторной установки для снятия прямой ветви ВАХ диода

.7. После проверки схемы преподавателем включить сетевой тумблер.

.8. Поворачивая ручку потенциометра R1 по часовой стрелке, изменять прямое напряжение диода в пределах, указанных в таблтце 3.1, фиксируя значения тока через каждые 0,1-0,05 В. Результаты измерений занести в таблицу 3.1.

Таблица 3.1

I, мА


2

4

6,67

9,4

11,3

 U, B

VD1

0,48

0,6

0,74

0,88

0,92


VD2

0,42

0,5

0,56

0,63

0,69


VD3

0,45

0,55

0,66

0,76

0,84


VD4

0,43

0,48

0,56

0,6

0,67



1.9. Выключить сетевой тумблер.

. Экспериментальное получение обратной ветви ВАХ диода Iобр = f (Uобр) с использованием схемы А2.

.1. На обоих источниках питания V1 и V2 выставить максимальные напряжения 15 В, повернув ручки ГРУБО и ПЛАВНО по часовой стрелке до упора. Соединить источники последовательно, установив, таким образом, напряжение блока питания 30 В.

.2. Подать напряжение питания на исследуемую схему: «+» источника V2 - на клемму X1, «-» источника V1 - на клемму Х2.

.3. Ручку потенциометра R2 повернуть против часовой стрелки до упора.

.4. Подключить согласно мнемосхеме, соблюдая указанную полярность мультиметра со следующими пределами измерения: «200 мA» - в режиме амперметра, «200 V» - в режиме вольтметра.

Рисунок 3.6 Принципиальная схема лабораторной установки для снятия обратной ветви ВАХ диода

.5. После проверки схемы преподавателем включить стенд в сеть, поставив сетевой тумблер в положение ВКЛ и нажав кнопку СЕТЬ на блоке питания.

.6. Поворачивая ручку потенциометра R2 по часовой стрелке, изменять обратное напряжение на диоде в пределах, указанных в таблице 3.2. Значения тока фиксировать через каждые 5 В. Результаты измерений занести в таблицу 3.2

Таблица 3.2

VD1

VD2

VD3

VD4

I, мА

U, B

I, мА

U, B

I, мА

U, B

I, мА

U, B

10

9

18

8

8

9

4

10

14

20

22

18

11

49

8

71

18

61

28

37

14

128

12

141

22

163

32

62

16

200

16

220

25

260

42

259

18

260

18

261


Рисунок 3.6 ВАХ диодов

.7. Выключить сетевой тумблер.

. По данным табл. 3.1 и 3.2 построить ВАХ диода (рисунок 3.6)

.3 Исследование тиристоров

.3.1 Характеристики исследуемого тиристора ТЧ100-10

Тиристор быстродействующий штыревого исполнения. Предназначен для работы в статических преобразователях электроэнергии, в силовых установках постоянного и переменного тока, в которых требуется малое время выключения и включения, а также высокие критические скорости нарастания напряжения в закрытом состоянии и тока в открытом состоянии. Выпускаются в металлокерамическом корпусе с жестким выводом. Максимально допустимый действующий ТОК-100А. Повторяющееся импульсное напряжение в закрытом состоянии И повторяющееся импульсное обратное напряжение - 1000 В. Охлаждение воздушное естественное или принудительное.

Обозначение типономинала приводится на корпусе.

Габаритные размеры:

общая длина - 100,8 мм

длина шпильки - 15 мм

резьба - М20

.3.2 Цель и программа работы

Целью работы является изучение свойств тиристоров как полупроводниковых переключательных приборов с двумя устойчивыми состояниями и принципа их применения с схемах управляемых преобразователей.

.3.3 Рекомендации по подготовке к работе

Тиристор - полупроводниковый прибор с двумя устойчивыми состояниями (низкой проводимости - закрыт, высокой проводимости - открыт), в основу которого положена четырёхслойная монокристаллическая структура (р-n-p-n) с тремя электронно-дырочными переходами. Обычный (триодный) тиристор имеет три электрода: анод, катод и управляющий электрод. Переключение тиристора из закрытого состояние в открытое достигается при приложении прямого напряжения и подаче сигнала по цепи управления. При обратном напряжении тиристор не проводит ток. Таким образом, тиристор представляет собой электронный ключ с односторонней проводимостью. Кроме обычных не запираемых тиристоров имеются запираемые тиристоры.

Выключение не запираемых тиристоров происходит при снижении прямого тока ниже тока управления, равно нулю, и выдержке в таком состоянии не менее времени выключения.

Для выключения запираемого тиристора требуется лишь одно условие - подать по цепи управления в обратном направлении кратковременный импульс тока с амплитудой, примерно равной одной трети выключаемого анодного тока.

В данной работе исследуется обычный не запираемый тиристор, являющийся самым распространённым типом тиристоров в мощных выпрямительных установках подстанций и электроподвижного состава.

Конструктивное исполнение силовых тиристоров аналогично силовым диодам. Проблемой нагрузочной и перегрузочной способностей, охлаждения, разброса характеристик, группового соединения являются аналогичными с диодами, рассмотренными в предыдущей лабораторной работе.

Свойства тиристоров оцениваются по предельным и характеризующим параметрам. Основными параметрами тиристоров являются:

повторяющееся импульсное напряжение в закрытом состоянии и в обратном направлении (определяет класс тиристора) UDRM; URRM;

максимальный допустимый средний ток в открытом состоянии ITAVm;

импульсное напряжение в открытом состоянии UTM;

пороговое напряжениеUTO;

дифференциальное сопротивление в открытом состоянии rr;

время выключения tq;

время включения tqt;

критическая скорость нарастания прямого напряжения () crit;

критическая скорость нарастания анодного тока () cri;

отпирающее напряжение управления UGT;

отпирающий ток управления IGT;

.3.4 Исследование вольт-амперных характеристик тиристора

а)

б)

Рисунок 3.7 Электрические схемы для исследования тиристора

Прежде чем приступить к исследованию ВАХ, необходимо правильно подобрать измерительные приборы по их типам и пределам измерений, руководствуясь предельными параметрами тиристора ITAV, URRM, IRRM, UTM, UGM, IGM. Перед включением тиристора в измерительную схему нужно произвести его ревизию, обратив внимание на обозначение типа и данные заводской маркировки, правильность определения электрических выводов (анод, катод, управляющий электрод).

Исследование ВАХ следует выполнять в два приёма.

Вначале нужно собрать схему рисунок 3.7 а для снятия характеристики цепи управления и прямой ветви ВАХ в открытом состоянии тиристора. В схеме предусмотрены два источника питания: один для питания цепи управления, второй для задания тока нагрузки и анодной цепи тиристора.

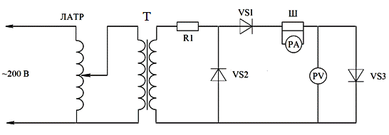
Источник анодного напряжения выполнен на основе автотрансформатора (ЛАТР), разделительного трансформатора (Т), ограничительного резистора (R), выпрямительных диодов (VD1, VD2).

Вначале нужно провести измерения по приборам PA2 и PV2 тока IF0 в пяти - шести точках, задавая напряжение на зажимах цепи управления путём регулирования источника питания при отключённой анодной цепи тиристора. Построив характеристику цепи управления исследуемого тиристора, нужно убедиться, что она проходит через область гарантированного управления.

Далее следует определить отпирающий ток IGT и отпирающее напряжение UGT. Для этого, включив источник анодного напряжения и задав невысокое анодное напряжение (10…20 В) при токе IFG = 0, плавным увеличением напряжения UFG цепи управления зафиксировать показания приборов PA2 и PV2.

Затем производятся измерения в пяти-шести точках ВАХ тиристора в открытом состоянии, задав ток управления в сообтетствии с областью гарантированного управления. При этом максимальный ток не должен превышать предельного тока ITAVm. Через открытый тиристор VSu в прямом направлении будет протекать анодный ток в положительный полупериоды питающего синусоидального напряжения. Значение тока можно плавно изменять, регулируя входное напряжение с помощью ЛАТР. При этом посредствам приборов PA1 и PV1 измеряется среднее значение прямого тока ITAV и среднее значение прямого напряжения в открытом состоянии тиристора.

Для построения ВАХ нужно получить импульсные (амплитудные) значения анодного тока и анодного напряжения. Поэтому показания амперметра и вольтметра необходимо пересчитать, умножив их на число р=3,14.

Далее нужно собрать схему по рисунку 3.7 б для снятия ВАХ в закрытом состоянии тиристора. При отключении цепи управления тиристора с помощью ЛАТР следует знать задать в нарастающем порядке пять-шесть значений анодного напряжения сначала в прямом, а затем в обратном направлении.

По результатам измерений нужно построить обратную и прямую ветви ВАХ тиристора и оценить совпадение измеренных данных напряжений и токов с соответствующими справочными значениями.

Пример заполнения таблиц параметров при прямом направлении в закрытом состоянии таблица 3.3, в прямом направлении открытом состоянии таблица 3.4, обратном направлении в закрытом состоянии таблица 3.5, а так же параметры цепи управления таблица 3.6.

Таблица 3.3

I, мА

4,3

5,1

6,7

7,5

8,5

U, B

0,6

0,67

0,73

0,78

0,85


Таблица 3.4

I, мА

5

6,3

8,3

9,4

10,5

U, B

25,6

43,5

77,3

95,5

114,58



Таблица 3.5

I, мА4,25,16,77,58,5






U, B

0,6

0,67

0,73

0,78

0,85


Таблица 3.6

iG, мкА

0,5

1

1,5

2

2,5

2,6

uG, мВ

0,96

1,22

1,42

1,62

1,81

1,88


Рисунок 3.8 ВАХ исследуемого тиристора


4. Специальные типы диодов. Система условных обозначений. Основные характеристики

 

.1 Виды и обозначение диодов


В зависимости от свойств и поведения ВАХ различают следующие виды диодов.

) Выпрямительные диоды различных классов, отличающиеся напряжением, временем переключения, рабочей полосой частот. ВАХ как у обычного p-n-перехода. Обозначение стандартное (таблица 2.1). В качестве выпрямительных используют сплавные эпитаксиальные и диффузионные диоды, выполненные на основе несимметричных p-n-переходов. Для выпрямительных диодов характерны малые сопротивления и большие токи в прямом режиме. Барьерная емкость из-за большой площади перехода достигает значений десятков пикофарад. Германиевые выпрямительные диоды применяют до температур 70-80оС, кремниевые до 120-150оС, арсенид-галлиевые до 150оС.

Основные параметры выпрямительных диодов:обр,макс - максимально допустимое обратное напряжение, которое диод может выдержать без нарушения его работоспособности;вып,ср - средний выпрямленный ток;пр,п - пиковое значение импульса тока при заданных максимальной длительности, скважности и формы импульса;пр,ср - среднее прямое напряжение диода при заданном среднем значении прямого тока;ср - средняя за период мощность, рассеиваемая диодом, при протекании тока в прямом и обратном направлениях;диф - дифференциальное сопротивление диода в прямом режиме.

Стоит отметить класс импульсных диодов, имеющих очень малую длительность переходных процессов из-за малых емкостей переходов (доли пикофарад); уменьшение емкостей достигается за счет уменьшения площади p-n-перехода, поэтому допустимые мощности рассеяния у них меньше, чем у низкочастотных выпрямительных диодов. Их используют в импульсных схемах.

К параметрам, перечисленным выше, для импульсных диодов следует отнести общую емкость СД, максимальные импульсные прямые и обратные напряжения и токи, время установления прямого напряжения от момента подачи импульса прямого тока до достижения им заданного значения прямого напряжения и время восстановления обратного сопротивления диода с момента прохождения тока через нуль до момента, когда обратный ток достигает заданного малого значения (рисунок 4.1).

Рисунок 4.1 Ток обратной ветви

После изменения полярности напряжения в течение времени t1 обратный ток меняется мало, он ограничен только внешним сопротивлением цепи. При этом заряд неосновных носителей, накопленных в базе диода, рассасывается. Далее ток уменьшается до своего статического значения при полном рассасывании заряда в базе.

) Стабилитроны - диоды, предназначенные для работы в режиме электрического пробоя. Условное обозначение отличается от стандартного (таблица 2.1). В этом режиме при значительном изменении тока стабилитрона напряжение на нем меняется мало. В низковольтных (до 5,7В) стабилитронах используется туннельный пробой, а в высоковольтных - лавинный пробой. В них более высокоомная база.

Основные параметры:ст - напряжение стабилизации при заданном токе в режиме пробоя;ст,мин и Iст,макс - минимально допустимый и максимально допустимый токи стабилизации;ст - дифференциальное сопротивление стабилитрона на участке пробоя;

 - температурный коэффициент напряжения (ТКН) стабилизации при заданном токе стабилизации. Туннельный пробой характеризуется отрицательным ТКН, а лавинный - положительным.

Для стабилизации малых напряжений (0,3…1,9В) используют диоды, называемые стабисторами, которые работают в прямом режиме, имеют специальную форму прямой ветви. Обозначение такое же, как у выпрямительных диодов.

) Диод Шотки - разновидность выпрямительных диодов, работающий на основе выпрямляющего контакта металл - полупроводник, образующего контактную разность потенциалов из-за перехода части электронов из полупроводника n - типа в металл и уменьшения концентрации электронов в полупроводниковой части контакта. Эта область обладает повышенным сопротивлением. При подключении внешнего источника плюсом к металлу, а минусом к полупроводнику, потенциальный барьер понизится и через переход пойдет прямой ток.

В диоде Шотки отсутствуют явления накопления и рассасывания основных носителей, поэтому они очень быстродействующие и могут работать на частотах до десятков ГГц. Прямое напряжение составляет ~0,5 В, прямой допустимый ток может достигать сотни ампер, а обратное напряжение - сотен вольт. ВАХ диода Шотки напоминает характеристику обычных p-n-переходов, отличие состоит в том, что прямая ветвь в пределах 8-10 декад напряжения представляет почти идеальную экспоненциальную кривую, а обратные токи достаточно малы - 10-10…10-9 А.

Конструктивно диоды Шотки выполняют в виде пластины из низкоомного кремния, на которую нанесена высокоомная эпитаксиальная пленка с электропроводностью того же типа. На поверхность пленки вакуумным напылением нанесен слой металла.

Диоды Шотки применяют в переключательных схемах, а также в выпрямителях больших токов и в логарифмирующих устройствах, из-за соответствующей вида его ВАХ.

) Варикап - полупроводниковый диод, предназначенный для работы в качестве емкости, величина которой зависит от приложенного к нему напряжения. Основная его характеристика - вольт-фарадная С(U) (таблица 2.1).

Варикап работает как правило при обратном напряжении, при изменении которого изменяется в широких пределах барьерная емкость диода, причем:

, (4.1)

где С(0) - емкость при нулевом напряжении на диоде;  - контактный потенциал; n=2 для резких и n =3 для плавных p-n-переходов.

Основные параметры варикапа:

С - емкость, измеренная между выводами при заданном обратном напряжении;

коэффициент перекрытия по емкости;П - суммарное активное сопротивление диода;

добротность, определяемая при заданном значении емкости.

) Туннельный диод - полупроводниковый диод с падающим участком на прямой ветви ВАХ, обусловленный туннельным эффектом. Обозначение и ВАХ даны в таблице 2.1. Падающий участок характеризуется отрицательным дифференциальным сопротивлением.

В зависимости от функционального назначения туннельные диоды условно подразделяются на усилительные, генераторные и переключательные.

4.2 Основные параметры:

П и UП - пиковые ток и напряжение начала падающего участка;В и UВ - ток и напряжение впадины (конца падающего участка);

отношение тока впадины к пиковому току;Р - диапазон напряжений падающего участка (раствор).Д - полная последовательная индуктивность диода при заданных условиях (рис. 4.2, представляющий схему замещения диода на падающем участке ВАХ для малых изменений тока и напряжения на диоде).

Рисунок 4.2 Схема замещения диода

0 - резонансная частота, при которой общее реактивное сопротивление p-n-перехода и индуктивности корпуса обращается в нуль;R - предельная резистивная частота, при которой активная составляющая полного сопротивления последовательной цепи, состоящей из p-n-перехода и сопротивлений потерь, обращается в нуль;

КШ - шумовая постоянная туннельного диода, определяющая коэффициент шума диода;П - сопротивление потерь, включающее сопротивление кристалла, контактных соединений и выводов.

Разновидностью туннельного диода является обращенный диод. Это полупроводниковый диод, физические явления в котором подобны физическим явлениям в туннельном диоде. Его рассматривают иногда как вариант туннельного диода. Здесь участок с отрицательным сопротивлением выражен более слабо, чем у туннельного, а иногда даже отсутствует. Обозначение и ВАХ даны в таблице. Обратная ветвь обращенного диода используется как прямая ветвь обычного диода.

Таблица 4.1

Тип диода

Условное обозначение

Характеристика

Выпрямительный

Диод Шотки

Стабилитрон

Стабистор

Варикап

Туннельный диод

Обращенный диод



5. Исследование специальных типов диодов на лабораторном

5.1 Основные компоненты оборудования

Основными компонентами являются:

- блок генераторов напряжений с наборным полем;

два набора миниблоков;

блок мультиметров;

двухканальный осциллограф, имеющий режим X - Y;

соединительные провода и перемычки, питающие кабели;

настольная рама для установки оборудования с выдвижным ящиком для хранения аксессуаров;

руководство по выполнению базовых экспериментов;

сборник руководств по эксплуатации компонентов аппаратной части комплекта.

Описание каждого эксперимента содержит:

- общие сведения,

экспериментальную часть.

Раздел «Общие сведения» содержит краткое введение в теорию соответствующего эксперимента. Для более глубокого изучения теоретического материала учащемуся следует обратиться к учебникам и компьютерным программам тестирования для проверки усвоения теории и оценки готовности к лабораторно-практическим занятиям.

 

.2 Оборудование, используемое в лабораторной работе


Всё оборудование располагается на столе. На стол устанавливается специальная рама с подставкой, в которой устанавливаются блок генераторов с наборным полем, блок мультиметров, и блок однофазного источника питания. Расположение блоков в раме жёстко не фиксировано. Оно может изменяться для удобства проведения того или иного конкретного эксперимента. В выдвижном ящике подставки хранятся соединительные провода, перемычки и шнуры питания, методические материалы. Ящик имеют встроенный замок.

Наборы миниблоков располагаются на столе. На стол устанавливается также осциллограф.

Однофазный источник питается от трёхпроводной однофазной сети (фаза, ноль и земля). В нём смонтированы устройство защитного отключения при нарушении изоляции, автомат для защиты от сверхтоков и блок розеток и разъёмов (на тыльной стороне блока) для подключения всех остальных блоков и осциллографа. На рисунке 5.1 представлено рабочее место для проведения лабораторных работ.

Блок генераторов напряжений с наборным полем (код 213.3)

Общий вид блока генераторов напряжений показан на рисунке 5.2. В левой части расположены органы управления источников питания, в правой - гнёзда для подключения исследуемых элементов электрической цепи (миниблоков). В нижней части показан фрагмент электрической цепи, собранной на наборном поле.

Все источники напряжений включаются и выключаются общим выключателем «СЕТЬ» и защищены от внутренних коротких замыканий плавким предохранителем с номинальным током 0,5 А.

На лицевой панели блока указаны номинальные напряжение и ток каждого источника напряжения, а также диапазоны изменения регулируемых выходных величин. Все источники напряжений имеют общую точку «0», не соединённую с заземлённым корпусом блока. Источники защищены от перегрузок и внешних коротких замыканий самовосстанавливающимися предохранителями с номинальным током 0,2 А. О срабатывании предохранителя свидетельствует индикатор «I >».

Источник синусоидальных напряжений содержит трёхфазный регулируемый по амплитуде выходного напряжения преобразователь однофазного напряжения 50 Гц в трёхфазное напряжение (Uф = 0…8 В). Выходное сопротивление трёхфазного источника в рабочем диапазоне токов близко к нулю.

Генератор напряжений специальной формы вырабатывает на выходе синусоидальный, прямоугольный двухполярный, прямоугольный однополярный или треугольный сигнал в зависимости от положения переключателя «ФОРМА». Выходное сопротивление генератора в рабочем диапазоне токов также близко к нулю. Частота сигнала регулируется десятиоборотным потенциометром «ЧАСТОТА» с цифровой индикацией положения подвижной части и переключателем диапазонов «МНОЖИТЕЛЬ». Имеется три диапазона регулирования частоты:

×1 - от 25…30 до 1020…1025 Гц (индикация в окошке счётчика соответствует частоте в герцах);

×10 - от 250…300 до 10200…10250 Гц (показание счётчика, умноженное на 10, соответствует частоте в герцах);

×100 - от 2500…3000 до 102000…102500 Гц (показание счётчика, умноженное на 100, соответствует частоте в герцах).

Частота выходного напряжения не зависит как от формы и амплитуды сигнала, так и от тока нагрузки.

Амплитуда выходного сигнала регулируется потенциометром «АМПЛ». При положениях переключателя диапазонов ×1 и ×10 амплитуда регулируется от 0 до 12…12,5 В, а при положении ×100 - от 0 до 6…6.5 В.

Генератор постоянных напряжений содержит два источника стабилизированного напряжения +15 В и - 15 В относительно общей точки 0 и регулируемый источник от -13 В до + 13 В. Выходные сопротивления этих источников также близки к нулю. Регулируемый источник допускает режим работы с обратным током (режим потребления энергии).

Наборная панель, расположенная справа от генератора напряжений служит для расположения на ней миниблоков в соответствии со схемой данного опыта.

Гнёзда на этой панели соединены в узлы, как показано на ней линями. Поэтому часть соединений выполняется автоматически при установке миниблоков в гнёзда панели. Остальные соединения выполняются проводами и перемычками. Так на фрагменте цепи, показанной на рисунке 5.2, напряжение от фазы С трёхфазного источника подводится с помощью перемычки к одной из обмоток трансформатора. К другой обмотке подключены резистор и конденсатор, соединённые последовательно. Общая точка «0» источников подсоединена к цепи проводом.

Для измерения токов в ветвях цепи удаляется одна из перемычек и вместо неё в образовавшийся разрыв включается амперметр. Для измерения напряжений на элементах цепи параллельно рассматриваемому элементу включается вольтметр.

Миниблоки представляют собой отдельные элементы электрических цепей (резисторы, конденсаторы, индуктивности диоды, транзисторы и т.п.), помещённые в прозрачные корпуса, имеющие штыри для соединения с гнёздами наборной панели. Некоторые миниблоки содержат несколько элементов, соединённых между собой, или более сложные функциональные блоки. На этикетках миниблоков изображены условные обозначения элементов или упрощённые электрические схемы их соединения, показано расположение выводов и приведены некоторые технические характеристики. Миниблоки хранятся в специальном контейнере.

Для индетификации миниблоков им присвоены коды.

Набор 600.15 состоит только из одноэлементных миниблоков. Он содержит резисторы, конденсаторы и катушки индуктивности.

Набор 600.16 содержит одноэлементные миниблоки с отдельными полупроводниковыми приборами и микросхемами, а также миниблоки с различными полупроводниковыми устройствами. Общий вид контейнера (600.16) с миниблоками представлен на рисунке 5.3

В табл. 5.1 приведены характеристики одноэлементных миниблоков, входящих в оба набора, а ниже дано описание более сложных миниблоков.

Таблица 5.1

Наименование и характеристики

Кол.

Наименование и характеристики

Кол.

Резисторы МЛТ, 2 Вт, ±5% (или ±10%): 1 Ом 10 Ом 22 Ом 33 Ом 47 Ом 68 Ом 100 Ом 150 Ом 220 Ом 330 Ом 470 Ом 680 Ом 1 кОм 2,2 кОм 3,3 кОм 4,7 кОм 10 кОм 15 кОм 22 кОм 33 кОм 47 кОм 100 кОм 1 Мом

  1 2 1 1 1 1 2 1 1 1 1 1 3 1 1 2 4 1 2 1 1 2 1

Конденсаторы К73-17, 63 или 100 В 0,01 мкФ 0,022 мкФ 0,1 мкФ 0,22 мкФ 0,47 мкФ 1 мкФ Конденсатор К10-17,25 В 4,7 мкФ Конденсаторы К50-35 или SR, 25, 50 или 63 В 10 мкФ 47 мкФ 100 мкФ 470 мкФ Индуктивности СW-68 10 мкГн Iмакс=1300 мА, R=0,09 Ом 22 мкГн Iмакс=960 мА, R=0,12 Ом 47 мкГн Iмакс=830 мА, R=0,23 Ом 100 мкГн Iмакс=710 мА, R=0,44 Ом 1 мГн Iмакс=210 мА, R=4,55 Ом

  1 1 2 1 2 2  1   1 1 1 1  1 1  1  1  1

Потенциометры СП4-2М 1 Вт: 1 кОм 10 кОм Лампа сигнальная СМН-10-55 10 В, 55 мА Диоды выпрямит. КД226 (1N5408) 100 В, 1,7 А Диод импульсный КД522Б 100 мА, 50 В Диод Шотки 1N5819 1А 40 В, Uпр < 0,6В Стабилитрон КС456 5,6 В, Iмин/макс =3…139 мА, Светодиод АЛ307Б(красный) 2 В, 20 мА Варикап КВ105А 400…600 пФ, Uмакс обр=90 В, Iобр=20мкА Динистор КН102А Iпр.=2 А, Uпр.=1,5 В, Uзакр.=5 В Тиристор ВТ149 Iпр.=0,8 А, Uпр.=1,2 В, Uзакр.=400 В, Iупр.откр.<200 мкА, Uупр.откр.<0,8 В Симистор МАС97А6 Iоткр.=0,6 А, Uоткр.=1,4 В, Uзакр.=400 В, Iупр.откр.<7мА,

  1 1   1   6   1  1  1  1  1  1  1 1

Транзисторы биполярные: КТ502Г pnp, =80…240, Uкб=60 В, Uбэ=5 В, Iк=150 мА КТ503Г npn, =80…240, Uкб=60 В, Uбэ=5 В, Iк=150 мА Транзисторы полевые с pn переходом: КП103Е канал типа р, S=2,8 мА/В, Uси=10 В, Uзс=17 В, Uзи=10 В КП303Е канал типа n, S>4 мА/В, Uси=25 В, Uзс=30 В, Uзи=30 В, Iс=20 мА Транзисторы полевые с изолированным затвором: IFRD024 с индуцированным каналом типа р, Uси=60 В, Uзи=±20 В, Iс=2,5 А, Rоткр=0,1 Ом IFRD9024 с индуцированным каналом типа n, Uси=-60 В, Uзи=±20 В, Iс=1,6 А, Rоткр=0,28 Ом Линейный стабилизатор напряжения L7805CV 5 В (±4%), 1,5 А, Uвх.макс=35 В

  2  2     1    1     1    1   1


. Миниблок «ОЭП13» содержит резистивную оптопару ОЭП13 и токоограничивающий резистор 1 кОм, включённый последовательно со светоизлучающим прибором - лампой накаливания. Это позволяет включать миниблок на напряжение до 30 В без добавочных сопротивлений. Выходное темновое сопротивление фоторезистора не менее 1,5×108 Ом, световое при Iвх=16 мА - не более 3×103 Ом.

Предельные эксплуатационные данные: входной средний ток оптопары 20 мА, выходной ток - 2 мА, напряжение изоляции - 100 В, выходная мощность рассеяния - 25 мВт.

. Миниблок «3ОД101Б» содержит диодную оптопару 3ОД101Б, токоограничивющий резистор 1,5 кОм, включённый последовательно со светодиодом и диод КД522, шунтирующий светодиод в обратном направлении. Это позволяет включать миниблок на напряжение до 30 В без добавочных сопротивлений и не опасаться пробоя светодиода при подаче на него обратного напряжения. Коэффициент передачи по току при Iвх=10 мА составляет 1,5%.

Предельные эксплуатационные данные: входной постоянный ток оптопары 20 мА, входное обратное напряжение 3,5 В, выходное обратное напряжение 100 В, выходной ток - 2 мА.

. Миниблок «АОТ110А» содержит транзисторную оптопару АОТ110А, токоограничивющий резистор 1,5 кОм, включённый последовательно со светодиодом и диод КД522, шунтирующий светодиод в обратном направлении. Это позволяет включать миниблок на напряжение до 30 В без добавочных сопротивлений и не опасаться пробоя светодиода при подаче на него обратного напряжения. Кроме того, эмиттерный переход зашунтирован сопротивлением 100 кОм.

Предельные эксплуатационные данные: входной постоянный ток оптопары 30 мА, входное обратное напряжение 0,7 В, коммутируемое напряжение 100 В, выходной ток - 200 мА, напряжение изоляции - 100 В, выходная мощность рассеяния - 360 мВт.

. Миниблок «МОС3010» содержит симисторную оптопару МОС3010, токоограничивющий резистор 1,5 кОм, включённый последовательно со светодиодом и диод КД522, шунтирующий светодиод в обратном направлении. Это позволяет включать миниблок на напряжение до 30 В без добавочных сопротивлений и не опасаться пробоя светодиода при подаче на него обратного напряжения. Остаточное напряжение симистора в открытом состоянии - не более 1,8 В, открывающий входной ток - не более 15 мА.

Предельные эксплуатационные данные: входной постоянный ток оптопары 60 мА, выходной - 100 мА, входное обратное напряжение 3 В, коммутируемое напряжение 250 В, напряжение изоляции - 5300 В, выходная мощность рассеяния - 300 мВт.

. Миниблок «Измерительный преобразователь» (ИП) служит для измерения высокочастотных сигналов, например, при снятии частотных характеристик электрических цепей. Необходимость в этом миниблоке обусловлена тем, что диапазон частот мультиметров, входящих в комплект стенда, составляет от 40 до 400 Гц. В миниблоке смонтирован выпрямитель на быстродействующем операционном усилителе LF357N. На вход миниблока подаётся синусоидальное измеряемое напряжение, а к выходу подключается мультиметр в режиме измерения постоянного напряжения. Коэффициент передачи выпрямителя подобран так, что величина постоянного выходного напряжения равна действующему значению переменного входного напряжения. При увеличении частоты погрешность измерения возрастает и на частоте 100кГц может достигать 5…10%.

. Миниблок «Трансформатор». Трансформатор выполнен на разъёмном U-образном сердечнике из электротехнической стали с толщиной листа 0,08 мм. Сечение сердечника 16´12 мм. На сердечнике установлены катушки 900 и 300 витков. Номинальные параметры трансформатора при частоте 50 Гц приведены в таблице 5.2. Если между половинками сердечника вставить полоски бумаги (немагнитный зазор), то устройство можно использовать в качестве дросселя.

Таблица 5.2

UH, B

IH, мА

R, Ом

SH, ВА

300

7

200

4,8

1,4

900

21

66,7

37

1,4

7. Миниблок «140УД608» содержит операционный усилитель КР140УД608 или импортный аналог ОР-07С, подстроечный резистор для балансировки и два диода, защищающие микросхему от подачи обратного напряжения питания.

Основные характеристики: напряжение питания ±15 В, потребляемый ток <5 мА, входной ток <7 нА, напряжение смещения <150 мкВ, коэффициент усиления >27000, частота единичного усиления >0,3 МГц.

. Миниблок «LM393» содержит сдвоенный компаратор LM393 и диоды, защищающие микросхему от подачи обратного напряжения питания. Ввиду большого количества выводов микросхемы, часть их подсоединена к штырям, которыми миниблок вставляется в наборную панель, а другая часть - к гнёздам на крышке миниблока. Выходной каскад компаратора представляет собой транзистор с открытым коллектором.

Основные характеристики: напряжение питания от +2 до +36 В или от ±1 В до ±18 В, входное напряжение от -0,3 до +36 В, потребляемый ток <1 мА (при Uпит = 15 В), входной ток <250 нА, выходной ток - до 20 мА, напряжение смещения <5 мВ, низкий уровень выходного напряжения -400 мВ, коэффициент усиления >50000.

. Миниблок «NE555» содержит таймер NE555 и конденсатор, подключённый между выводом 5 (опорное напряжение) и общей точкой для сглаживания помех, приходящих по цепи питания.

Основные характеристики: напряжение питания от +4,5 до +18 В, потребляемый ток <15 мА (при Uпит = 15 В), входной ток <500нА, выходной ток - до 200 мА, максимальная частота импульсов 0,5 МГц.

10. Миниблок «XR-8038» содержит функциональный генератор XR-8038А, два диода, защищающие микросхему от подачи обратного напряжения питания и резистор 10 кОм, включённый в цепь открытого коллектора выходного транзистора микросхемы для формирования прямоугольных импульсов на выходе.

Общие характеристики: напряжение питания от 10 до 30 В или от ±5 до ±15 В, потребляемый ток 12…20 мА.

Частотные характеристики: Диапазон генерируемых частот от 0,001 Гц до 200 кГц, максимальная частота модуляции 100 кГц, диапазон модуляции 1000:1, линейность в диапазоне модуляции 10:1 составляет 0,2%.

Выходные характеристики: двойная амплитуда выходного напряжения прямоугольной формы (0,9…0,98) Uпит, треугольной формы (0,3…0,33) Uпит, синусоидальной формы (0,2…0,22) Uпит, нелинейные искажения без коррекции формы 0,8…3%, выходное сопротивление 200 Ом.

11. Миниблок «Усилительный каскад с общим эмиттером» (УКОЭ) служит для исследования однокаскадных и двухкаскадных транзисторных усилителей. Его схема изображена на рисунке 5.4. Конденсатор С1 является разделительным, а конденсатор С2 служит для уменьшения верхней границы полосы пропускания.

. Миниблок «Фазовое управление тиристора» (ФУТ) содержит маломощный тиристор ВТ149 и генератор импульсов. Генератор импульсов выполнен на однопереходном транзисторе VT1. При подаче полуволны напряжения на анод запертого тиристора конденсатор C1 заряжается через сопротивления R1, и R3. Когда напряжение на конденсаторе достигает значения 0,7…0,8 от напряжения стабилизации стабилитрона (т.е. на верхнем выводе базы КТ317Г), транзистор открывается и конденсатор разряжается по цепи эмиттер - база - управляющий электрод - катод тиристора. Тиристор отпирается, создает цепь для протекания тока через нагрузку и одновременно шунтирует генератор импульсов. Скорость заряда конденсатора и, следовательно, задержка подачи отпирающего импульса по отношению к моменту подачи положительного напряжения на анод тиристора регулируется потенциометром R3. Вывод Х2 служит только для наблюдения импульсов управления с помощью осциллографа.

. Миниблок «ADP1111» содержит импульсный стабилизатор напряжения ADP1111 с встроенным ключевым транзистором, шунтирующий диод Шотки для защиты микросхемы от подачи входного напряжения обратной полярности, электролитический конденсатор 10 мкФ, сглаживающий входное напряжение и резистор 100 Ом, включённый между выводами 1 и 2 микросхемы для ограничения амплитуды импульсов выходного тока.

Основные характеристики микросхемы: напряжение питания от 2 до 5 В в обратноходовой схеме преобразования (с повышением напряжения) и не более 30 В в прямоходовой схеме (с понижением напряжения), выходное напряжение 4,75…5,25 В, максимальный ток ключа 1,5 А, максимальная рассеиваемая мощность 500 мВт, частота преобразования 54…88 кГц, скважность 43…65%.

Блок мультиметров (код 509.2)

Блок мультметров предназначен для измерения напряжений, токов, сопротивлений, а также для проверки диодов и транзисторов. В нём установлены 2 серийно выпускаемых мультиметра MY60, MY62 или MY64. Подробная техническая информация о них и правила применения приводится в руководстве по эксплуатации изготовителя. В блоке установлен источник питания мультиметров от сети с выключателем и предохранителем на 1 А. На лицевую панель блока вынесены также четыре предохранителей защиты токовых цепей мультиметров.

Для обеспечения надёжной длительной работы мультиметров соблюдайте следующие правила:

Не превышать допустимых перегрузочных значений, указанных в заводской инструкции для каждого рода работы.

Когда порядок измеряемой величины неизвестен, устанавливать переключатель пределов измерения на наибольшую величину.

Перед тем, как повернуть переключатель для смены рода работы (не для изменения предела измерения!), отключать щупы от проверяемой цепи.

Не следует измерять сопротивление в цепи, к которой подведено напряжение.

Не следует так же измерять ёмкость конденсаторов, не убедившись, что они разряжены.

До подключения мультиметра к цепи необходимо выполнить следующие операции: выбрать род измеряемой величины: - V, ~ V, - A, ~ A или W; выбрать диапазон измерений соответственно ожидаемому результату измерений; правильно подсоединить зажимы мультиметра к исследуемой цепи.

5.2 Экспериментальная часть

Задание

Проверить работоспособность блока генераторов напряжений и измерительных приборов.

Порядок выполнения эксперимента

Необходимо собрать цепь согласно схеме рисунок 5.8, включив в нее для начала резистор R = 100Ом. Подать на вход питание от нерегулируемого источника постоянного напряжения +15 В, отрегулировать осциллограф и убедиться, что пульсации напряжения незначительны или отсутствуют, что напряжение равно 15±0,5 В, а ток примерно равен 150 мА.

Переключить мультиметр для измерения тока 2 А, заменить резистор 100 Ом на 47 или 33 Ом, при этом убедившись, что появляются пульсации напряжения на выходе и через некоторое время срабатывает защита и включается сигнализация перегрузки.

Повторить этот опыт с другим нерегулируемым источником напряжения -15 В и с регулируемым источником при максимальном напряжении на его выходе. Проверить, как работает регулятор напряжения источника

Установить в схему резистор 47 Ом, переключить мультиметры для измерения синусоидальных сигналов и подключите к схеме генератор напряжений специальной формы.

Установить синусоидальный сигнал на выходе и убедитсь, что частота и амплитуда напряжения регулируются (по осциллографу). На частоте 1000 Гц (или какой нибудь другой) убедититься, что переключается форма сигнала. Внимание! Мультиметры не предназначены для измерения несинусоидальных токов и напряжений!

Заменить резистор 47 Ом на 22 Ом и убедитесь, что срабатывает защита и сигнализация перегрузки.

Снова включить в схему резистор 100 Ом, и, подключая к ней напряжения UAO, UBO, UCO, UAB, UBC и UCA трёхфазного источника, убедившись что фазные напряжения регулируются в пределах от 0 до 8 В, а линейные в √3 раз больше. Замените резистор 100 Ом на 22 Ом и проверить работу защиты каждой фазы.

Полупроводниковые приборы

5.3 Исследование характеристик полупроводниковых диодов на постоянном и переменном токах


Общие сведения

Двухэлектродный полупроводниковый элемент -- диод содержит n-p - структуру (рисунок 5.9). В n-проводящем слое в качестве свободных носителей заряда преобладают электроны, а в p-проводящем слое -- дырки. В результате диффузии электронов из n-области в р-область и, наоборот, дырок из р-области в n-область на границе создаётся потенциальный барьер.

При прямом приложенном напряжении («+» к слою p, «-» к слою n) потенциальный барьер уменьшается, и диод начинает проводить ток (диод открыт). При обратном напряжении потенциальный барьер увеличивается (диод заперт).

Прямой ток через р-n переход определяется носителями заряда, неосновными для того слоя, куда они проникают. В процессе движения они сталкиваются с основными носителями данного слоя и рекомбинируют. С увеличением прямого тока падение напряжения на диоде несколько возрастает. При рекомбинации может выделятся энергия в виде излучения. Это явление используется в светодиодах.

В обратном направлении через диод протекает только небольшой ток утечки, обусловленный неосновными носителями. С увеличением обратного напряжения выше предельно допустимого для данного типа диода наступает пробой р-n перехода. В диодах различных типов он протекает по разному: в обычных выпрямительных диодах - это необратимое разрушение р-n перехода в результате его перегрева, в лавинных - происходит лавинное размножение неосновных носителей, что приводит к резкому уменьшению обратного напряжения на нём и уменьшению нагрева, в стабилитронах - при увеличении обратного тока имеется достаточно протяжённый участок вольт-амперной характеристики, на котором напряжение мало зависит от тока (зенеровский пробой).

Основные статические параметры диодов, такие как пороговое напряжение U0, прямое падение напряжение Uпр, дифференциальное сопротивление Rд, обратный ток Iобр, напряжение стабилизации стабилитрона Uст, можно определить по вольтамперной характеристике, снятой на постоянном или медленно изменяющемся токе.

Переключение диода из закрытого состояния в открытое происходит не мгновенно. Это можно наблюдать на экране осциллографа, если приложить к диоду напряжение прямоугольной формы высокой частоты.

При переходе из закрытого в открытое состояние необходимо время tвкл, необходимое для рассасывания избыточных зарядов потенциального барьера и достижения диффузионного равновесия.

При переходе из открытого состояния в закрытое необходимо время t1, за которое рассасываются избыточные носители и время t2, за которое вновь устанавливается потенциальный барьер. Общее время выключения tвыкл = t1 + t2. На этапе t1 через диод протекает большой обратный ток, а напряжение на нём убывает, сохраняя прямое направление. На этапе t2 ток обратный ток убывает до нормального значения. Реальная картина, наблюдаемая на экране осциллографа, может несколько отличаться от описанной из-за влияния входной ёмкости осциллографа и монтажа.

Экспериментальная часть

Задание

Снять вольтамперные характеристики выпрямительного диода (типа КД226, 1N5408), импульсного диода (типа КД521, КД522, 1N4148), диода Шотки (типа 1N5819). По характеристикам определить основные параметры и сравнить их. На экране осциллографа пронаблюдать процессы включения и выключения диода, определить время включения и выключения.

Устанавливая токи, указанные в таблице 5.9 снять прямую ветвь вольтамперной характеристики сначала выпрямительного диода, затем - импульсного и, наконец, диода Шотки. На рисунке 5.12 построить графики.

Изменить схему для снятия обратной ветви вольтамперных характеристик переключив вольтметр в точку А (до амперметра) и перевернув диод. В этой схеме через амперметр не протекает ток вольтметра, который теперь соизмерим и даже больше обратного тока через диод. В то же время падение напряжения на амперметре ничтожно мало по сравнению с обратным напряжением на диоде.

Устанавливая напряжения, указанные в таблице 2.2, снять обратную ветвь вольтамперной характеристики диода Шотки. Убедиться, что обратный ток выпрямительного и импульсного диодов настолько мал, что его невозможно измерить приборами, имеющимися в стенде. На рисунке 5.12 построить графики.

Таблица 5.3 (прямая ветвь)

I, мА

2

5

10

20

30

40

 U, B

КД226

0,584

0,626

0,658

0,689

0,708

0,719


КД521

0,652

0,7

0,742

0,792

0,823

0,848


1N5819

0,211

0,236

0,253

0,273

0,284

0,293


Таблица 5.4 (обратная ветвь)

U, B


2

5

10

15

20

25

27,9

 I, мА

КД226

0,2

0,5

0,99

1,5

2,01

2,52

2,8


КД521

0,22

0,51

0,1

1,53

2,01

2,51

2,81


1N5819

1,2

1,87

2,9

3,96

5,09

6,35

7,26


Для исследования характеристик диодов на переменном токе соберите на наборном поле цепь согласно принципиальной схеме рисунке 5.13. Измерительные приборы в схему не включайте, так как они могут создать дополнительные паразитные ёмкости. Не забудьте включить инвертирование сигнала по каналу II, чтобы отклонение луча вверх соответствовало прямому току через диод.

Для начала нужно включить в цепь выпрямительный диод, подать на вход синусоидальное напряжение частотой 1 кГц, установить ручку регулятора амплитуды примерно в среднее положение (4…6 В) и отрегулировать развертку, синхронизацию и усиление по двум каналам осциллографа так чтобы на экране помещались 1,5…2 периода кривых тока и напряжения.

Переключая множитель частоты ×1, ×10, ×100, и регулируя каждый раз длительность развёртки осциллографа, пронаблюдать за изменением кривой тока. Объясните результаты (нужно иметь в виду, что в положении множителя ×100 выходное напряжение генератора снижается примерно в 2 раза).

Переключить осциллограф в режим X-Y. При этом на экране появится изображение динамической вольтамперной характеристики диода: прямой ток по оси Y вверх, прямое падение напряжения - по оси Х вправо.

Снова попереключить множитель частоты, наблюдая за изменением динамической вольтамперной характеристики. Объясните, почему при низкой частоте динамическая вольтамперная характеристика совпадает со статической, а при высокой - не совпадает.

Попробуйте повторить эти опыты с импульсным диодом и с диодом Шотки. Объясните отличия.

Снова включите в цепь выпрямительный диод, переключите осциллограф в режим развёртки и установите на входе прямоугольное двухполярное напряжение частотой примерно 40…50 кГц и небольшой амплитуды (2…3 В), чтобы меньше искажалось выходное напряжение генератора.

Настройте изображение, перерисуйте осциллограмму в отчёт, не забыв указать масштабы по осям (масштаб по оси тока вычисляется как масштаб напряжения, по каналу II, делённый на сопротивление, с которого снимается сигнал.).

5.4 Определение основных характеристик стабилитрона и исследование параметрического стабилизатора напряжения


Общие сведения

Стабилитрон представляет собой кремниевый диод, характеристика которого в открытом состоянии такая же, как у выпрямительного диода. Отличие стабилитрона заключается в относительно низком напряжении пробоя при обратном напряжении. Когда это напряжение превышено, ток обратного направления возрастает (пробой Зенера). В выпрямительных диодах такой режим является аварийным, а стабилитроны нормально работают при обратном токе, не превышающем максимально допустимого значения.

Наличие почти горизонтального участка на вольтамперной характеристике стабилитрона делает его пригодным для стабилизации постоянного напряжения на нагрузке. Для этого нагрузку включают параллельно стабилитрону. Чтобы избежать перегрузки, последовательно со стабилитроном включают балластный резистор. Величина его вычисляется следующим образом:

RБАЛ = (UРАБ - UСТ) ¤¤ (IСТ + IНАГР),

где    UРАБ -- приложенное рабочее напряжение,СТ -- напряжение стабилизации стабилитрона испытываемого типа,СТ -- допустимый ток стабилизации,Н -- ток в резисторе нагрузки RН, включенном параллельно стабилитрону.

Экспериментальная часть

Задание

Снять с помощью осциллографа вольтамперную характеристику и определить напряжение стабилизации UСТ стабилитрона. Исследовать зависимость выходного напряжения и тока стабилитрона от входного напряжения в цепи параметрического стабилизатора напряжения.

Порядок выполнения эксперимента

Собирать цепь согласно принципиальной схеме или монтажной. Подайте на вход синусоидальное напряжение от генератора напряжения специальной формы частотой 0,5…1 кГц максимальной амплитуды.

Включить и настроить осциллограф в режиме X-Y. Включить инвертирование вертикального входа.

Определить по осциллограмме напряжение стабилизации, напряжение на стабилитроне при прямом токе, дифференциальное сопротивление в середине диапазона стабилизации.

Увеличить частоту в 10 раз и посмотрите, как изменится вольтамперная характеристика. Объяснить почему.

Включите генератор напряжений и, изменяя постоянное напряжение на входе стабилизатора от 0 до максимального значения 13…14 В, снимите зависимость выходного напряжения от входного на холостом ходу. Результаты записать в таблице 5.5

Таблица 5.5

UВХ, В

0

2

4

6

8

10

12

UВЫХ, В

0

2

4

5,7

5,76

5,78

5,8


Установите максимальное напряжение на входе и, включая различные сопротивление нагрузки, согласно таблице 5.6, снимите зависимость выходного напряжения стабилизатора от тока нагрузки.

Таблица 5.6

RН Ом

150

100

47+22

47+10

47

33+10

33

IН, мА

0 (х.х.)

37,2

54,4

70,6

73,1

79,7

83,1

89,3

UВЫХ, В

5.8

5,56

5,7

4,96

4,3

3,93

3,9

3,1



Укажите минимально допустимое входное напряжение, максимально допустимый ток нагрузки и определите коэффициенты стабилизации по напряжению и по току, приняв UВХ НОМ = 8 В и IН.НОМ = 80 мА.

Экспериментальное снятие вольтамперной характеристики светодиода

Общие сведения

В случаях, когда полупроводниковые диоды выполнены из таких материалов как арсенид галлия или фосфид галлия, часть подводимой к ним электрической энергии преобразуется не в тепло, как в других полупроводниках, а в световые потоки с намного более короткой длиной волны. Цвет излучения определяется выбором соответствующего материала и присадками. Цвет может быть инфракрасным, красным, желтым, оранжевым, зеленым или голубым.

Экспериментальная часть

Задание

Снять вольтамперную характеристику светодиода посредством осциллографа. Изучить влияние напряжения UСД и тока IСД светодиода на световую эмиссию.

Порядок выполнения эксперимента

Собрать цепь согласно схеме (рисунок 5.28). Включите осциллограф в режиме X - Y, на горизонтальный вход (Х) подайте напряжение со светодиода, а на вертикальный (Y) - напряжение с сопротивления, пропорциональное току. Включите инвертирование канала Y, чтобы прямому напряжению на светодиоде соответствовало отклонение луча осциллографа вверх. Обычный диод шунтирует светодиод в обратном направлении для предотвращения его пробоя.

Входное напряжение последовательными шагами, как указано в таблице 5.6 измерить прямое напряжение UСД и ток IСД светодиода с помощью мультиметра и оцените визуально светоизлучение (отсутствует, слабое, среднее, сильное). Занести данные в таблицу.

Таблица 5.6

UВХ, В

UСД, В

IСД, мА

светоизлучение

2

1,79

0,02

слабое

4

1,90

2,1

слабое

6

1,96

4,1

среднее

8

2,01

6,2

среднее

10

2,06

8,2

среднее

12

2,1

10,1

сильное

14

2,14

12,2

сильное

15

2,17

13,3

сильное




6. Транзисторы. Система обозначений основные характеристики и параметры


6.1 Классификация транзисторов

Транзистор - это электропреобразовательный прибор, содержащий два и более p - n - переходов, имеющий три и более вывода и предназначенный для усиления мощности. В силовой электронике транзисторы практически всегда применяются только в ключевом режиме, то есть могут быть либо полностью открыты, либо полностью закрыты. Транзисторы обычно не допускают приложения к ним обратного напряжения и, поэтому, шунтируются встречно включенными диодами. Такое сочетание транзистора и диода будем называть транзисторным ключом.

В настоящее время существует множество различных типов транзисторов. На рисунке 6.1 приведена классификация основных типов транзисторов.

Транзисторы по принципу действия делятся на биполярные (управляемые током), униполярные (управляемые электрическим полем или полевые) и /GST-транзисторы. Аббревиатура IGBT - это сокращение названия Insulated gate bipolar transistor. В переводе это значит биполярный транзистор с изолированным затвором (БТИЗ).

В биполярных транзисторах ток определяется движением носителей зарядов обоих знаков: электронов и дырок, поэтому они называются биполярными.

В полевых транзисторах ток определяется шириной проводящего канала, по которому движутся носители зарядов одного знака, отсюда их другое название - униполярные.

IGBT-транзисторы являются гибридными, в них сочетаются положительные свойства биполярных и полевых транзисторов.

Биполярные транзисторы содержат три чередующихся слоя с различным типом проводимости. Средний слой структуры называется базой. Крайний слой, являющийся источником носителей заряда, называется эмиттером. Другой крайний слой, принимающий заряды, называется коллектором. В зависимости от порядка их чередования биполярные транзисторы делятся на транзисторы типа n-p-n и p-n-p.

Полевые транзисторы (ПТ) делятся по принципу действия на ПТ с затвором в виде p-n-перехода и на ПТ с изолированным затвором (ПТИЗ). Последние по их структуре называют также МОП-транзисторами.

Электрод, из которого выходят основные носители, называется истоком. Электрод, куда приходят основные носители, называется стоком. От истока к стоку носители движутся по каналу. Электрод, регулирующий ширину канала, называется затвором.

МОП-транзисторы могут быть выполнены с встроенным и с индуцированным каналом. МОП-транзисторы с встроенным каналом при отсутствии управляющего сигнала открыты (нормально открыты). МОП-транзисторы с индуцированным каналом при отсутствии управляющего сигнала закрыты (нормально закрыты).

Из полевых транзисторов МОП-транзисторы с индуцированным каналом получили наибольшее применение в преобразовательной технике.

В зависимости от типа полупроводника, из которого выполнен канал, ПТ делятся на ПТ с каналом n-типа и ПТ с каналом p-типа. Биполярные транзисторы с изолированным затвором (БТИЗ) или, как они сокращенно называются по-английски /GBT, представляют собой гибрид биполярного транзистора и ПТИЗ, сочетающий их лучшие свойства. БТИЗ - это сложная многослойная структура и процессы в ней весьма сложны. Поэтому на рисунке 6.2 приведена очень упрощенная схема замещения. При подаче на затвор З напряжения, положительного относительно точки Э, ПТИЗ открывается и начинает проходить ток от точки К через эмиттерно-базовый переход биполярного транзистора и открытый ПТИЗ к точке Э. При этом открывается биполярный транзистор, через который проходит ток от точки К к точке Э. Буквами Э, К, З обозначены эмиттер, коллектор и затвор БТИЗ. БТИЗ могут работать только в ключевом режиме.

БТИЗ в настоящее время получили наибольшее распространение в устройствах силовой электроники при мощностях от сотен Вт до тысячи кВт.

6.2 Основные статические характеристики транзисторов


Семейство выходных ВАХ Iк = f (Uк)Iб = const для схемы с общим эмиттером. Характеристика при Iб = - Iк0 соответствует подаче на базу запирающего напряжения. Нанесена разрешенная область работы транзистора, ограниченная допустимым напряжением, допустимым током и кривой допустимой мощности. Для описания усилительных свойств часто используют характеристику прямой передачи по току.

Выходные Iс = f (Uс)UЗ = const и передаточные (стоко-затворные) Iс=f(Uз)Uc=const характеристики для ПТИЗ индуцированным каналом для схемы включения с общим истоком. Другие схемы включения практически не применяются.

Выходные характеристики ПТИЗ похожи на характеристики биполярных (рисунок 6.4). Но вместо тока базы у них параметром является напряжение на затворе Uз, а вместо тока коллектора Iк и напряжения на коллекторе Uк - ток стока Ic и напряжение на стоке Uc.

Выходные характеристики БТИЗ похожи на характеристики ПТИЗ, но на участке насыщения они идут значительно круче. Это обуславливает значительно меньшее падение напряжения в ключевом режиме. Передаточные характеристики аналогичны.

В ключевом режиме рабочая точка может находиться только в двух положениях - в точке отсечки О и в точке насыщения Н.

В точке отсечки транзистор заперт, и через него проходит очень маленький ток Iк0. Поэтому, несмотря на значительное напряжение, мощность, выделяемая в транзисторе в состоянии отсечки, очень мала. Если на базу подан ток, обеспечивающий насыщение, то падение напряжения Uкн на транзисторе мало. Поэтому даже при существенном токе Iкн потери в точке насыщения невелики. И те и другие потери существенно меньше, чем в точке Р в линейном режиме. Следовательно, ключевой режим энергетически значительно более выгоден, чем линейный.

В ключевом режиме все транзисторы в открытом состоянии работают на вертикальной части выходной ВАХ (малое падение напряжения), а в закрытом - на нижней горизонтальной ВАХ (малый ток). Все транзисторные ключи не допускают приложения обратного напряжения и, поэтому, как правило, шунтируются обратными диодами.

Участки обобщенных статических выходных характеристик транзисторов, используемые в ключевом режиме (с учетом шунтирующих обратных диодов), приведены на рисунок 2.23 г. - е. На рисунке 2.23 ж приведены те же характеристики для идеального транзисторного ключа.

При расчете вентильных преобразователей на напряжения 100 В и более можно с достаточной точностью использовать ВАХ по рисунку 2.23 ж. Для расчета статических потерь в транзисторных ключах можно использовать характеристики по рисунку 2.23 г. - е и определенные по ним параметры. При таком расчете не учитываются коммутационные потери, возникающие при переключениях ключа. Обычно они не превышают 1 5 …2 5% от статических потерь и будут рассмотрены далее.

В связи с уменьшением потерь в ключевом режиме уменьшаются и теплоотводящие устройства (радиаторы), а следовательно, резко уменьшаются габариты и масса устройств. Поэтому применение ключевого режима - основной путь улучшения массогабаритных и энергетических показателей электронных устройств.

6.3 Основные статические параметры транзисторов


Основные параметры биполярных транзисторов

По току коллектора:

- максимально допустимый ток коллектора Iк.тах при заданной температуре корпуса (достигает 200 А);

ток обратно смещенного коллекторного перехода (через запертый транзистор) IК0.

По напряжению на коллекторе:

- максимально допустимое напряжение коллектор-эмиттер икэтах при токе базы равном нулю (достигает 1000 В);

напряжение насыщения коллектор-эмиттер Uкэ.нас при заданном токе коллектора (1-2 В и более);

Iк.мах и Uкэ.мах не могут достигать одновременно максимальных значений.

По мощности: максимальная мощность рассеяния на коллекторе Рк.мах при заданной температуре корпуса.

По управлению:

- коэффициент передачи (усиления) по току в схеме с общим эмиттером в (до сотен, у высоковольтных это единицы);

максимально допустимое обратное напряжение база-эмиттер Uбэ.мах;

предельная частота усиления в схеме с общим эмиттером ∫в, при которой коэффициент в уменьшается в .

Тепловые параметры:

- тепловое сопротивление переход-корпус (при применении охладителя) RТ(П-К);

тепловое сопротивление переход-окружающая среда (при отсутствии охладителя) R Т(П-С);

максимально допустимая температура перехода Тп.мах.

Здесь RТ = ДТ/Рк; ДT - разность температур между окружающей средой или корпусом и переходом.

Основные параметры ПТИЗ и БТИЗ

Основные параметры ПТИЗ и БТИЗ практически одинаковы, только взамен названий электродов сток и исток употребляются термины коллектор и эмиттер.

По току стока:

- максимально допустимый ток стока Iс.мах при заданной температуре корпуса (достигает 100 А у ПТИЗ и 2000 А у БТИЗ);

ток стока отсечки (через запертый транзистор) Iотс.

По напряжению на стоке:

максимально допустимое напряжение сток-исток Uси.мах при токе базы равном нулю (достигает 900 В у ПТИЗ и 4500 В у БТИЗ);

I с.мах и Uси.мах не могут достигать одновременно максимальных значений.

По сопротивлению: сопротивление сток-исток в открытом состоянии при заданном токе стока и напряжении затвор-исток Rси (от десятков мОм до единиц Ом).

По мощности: максимальная мощность рассеяния на стоке Рс.мах при заданной температуре корпуса.

По управлению:

крутизна передаточной характеристики S = (dI/dUз)Uз = const;

максимально допустимое напряжение затвор-исток Uзи.мах (до 20 В);

пороговое напряжение затвор-исток UЗ0 (2 - 5 В).

Тепловые параметры:

тепловое сопротивление переход-корпус (при применении охладителя) RТ(П-К);

тепловое сопротивление переход-окружающая среда (при отсутствии охладителя) RТ(П-С).

Параметры для БТИЗ практически те же, но вместо параметра сопротивление сток-исток Rси в открытом состоянии используется напряжение насыщения коллектор-эмиттер Uкэ.нас, которое определяется при заданном токе коллектора и напряжении затвор-эмиттер (1,5 - 3,5 В).

7. Исследование характеристик транзистора на лабораторном стенде

 

.1 Снятие статических характеристик транзистора на постоянном токе

Общие сведения

Свойства транзисторов описываются следующими четырьмя семействами характеристик.

Входная характеристика показывает зависимость тока базы IБ от напряжения в цепи база / эмиттер UБЭ (при UКЭ = const).

Выходная характеристика показывает зависимость тока коллектора IК от напряжения цепи коллектор / эмиттер UКЭ при различных фиксированных значениях тока базы.

Характеристика управления представляет собой зависимость тока коллектора IК от тока базы IБ (при UКЭ = const).

Характеристика обратной связи есть зависимость напряжения цепи база ¤¤ эмиттер UБЭ, от напряжения цепи коллектор / эмиттер UКЭ при различных фиксированных значениях тока базы.

Экспериментальная часть

Задание

Снять экспериментально и построить графики четырех семейств характеристик биполярного транзистора n-p-n типа.

Порядок выполнения экспериментов

Потенциометр 1 кОм используется для регулирования тока базы, резисторы 100 и 47 кОм - для ограничения максимального тока базы. Регулирование напряжения UКЭ осуществляется регулятором источника постоянного напряжения. Для предотвращения подачи обратного напряжения на транзистор в цепь коллектора включён диод. Переход эмиттер база также защищён шунтирующим диодом. Измерение тока базы IБ и напряжения UБЭ производятся мультиметрами на пределах 200 мА и 2 В соответственно, Пределы измерения тока коллектора IК и напряжения UКЭ изменяются в ходе работы по мере необходимости. При сборке схемы предусмотрите перемычки для переключения амперметра из одной ветви в другую.

Установите первое значение тока базы 20 мА, переключите миллиамперметр в цепь коллектора и, изменяя напряжение UКЭ согласно значениям, указанным в табл. 7.1, снимите зависимости IК(UКЭ) и UБЭ(UКЭ). Повторите эти измерения при каждом значении IБ, указанном в таблице.

Примечание: характеристики транзистора изменяются в ходе работы из-за его нагрева. Поэтому для большей определенности рекомендуется установить нужные значения IБЭ и UКЭ, выключить на 30 с блок генераторов напряжений, затем включить его и быстро записать показания приборов V1 и A2.

Таблица 7.1

UКЭ, В

IБ = 20 мА

IБ = 40 мА

IБ = 60 мА

IБ = 80 мА


IК, мА

UБЭ, В

IК, мА

UБЭ, В

IК, мА

UБЭ, В

IК, мА

UБЭ, В

0

0

0,49

0

0,56

0

0,48

0

0,48

0,5

2

0,69

2,87

0,62

2,8

0,62

4,04

0,63

1

2,2

0,63

0,63

2,81

0,62

4,04

0,63

2

2,22

0,63

2,9

0,63

2,84

0,62

4,03

0,62

5

2,28

0,63

2,41

0,63

2,82

0,62

4,15

0,62

10

2,35

0,63

2,4

0,63

2,93

0,62

4,26

0,62

15

2,4

0,63

2,27

0,63

3,03

0,62

4,34

0,11


Установить UКЭ = 0 и изменяя ток базы в соответствии со значениями, указанными в таблице 7.2, снять зависимость UБЭ(IБ), увеличив напряжение UКЭ до 5 В и снова снять зависимость UБЭ(IБ), а также и IК(IБ). Повторить этот опыт при UКЭ = 15 В.

На рисунке 7.3 построить графики входных IБ(UБЭ) и регулировочных IК(IБ) характеристик, указав для каждой кривой соответствующие значения UКЭ.

Таблица 7.2

IБ, мА

UКЭ = 0 В

UКЭ = 5 В

UКЭ = 15 В


UБЭ, В

IК, мА

UБЭ, В

IК, мА

UБЭ, В

IК, мА

0

0

0

0

0

0

0

5

0,51

0

0,52

0,06

0,52

0,06

10

0,52

0

0,56

0,16

0,56

0,18

20

0,56

0

0,61

0,46

0,62

0,47

50

0,62

0

0,75

1,95

0,75

2,7

80

0,66

0

0,84

4

0,88

4,11


7.2 Выбор рабочей точки биполярного транзистора и ознакомление с режимами усиления переменного напряжения классов A, B, AB и D


Общие сведения

На рисунке 7.4 изображены простейшая схема транзисторного усилителя с общим эмиттером и поясняющая диаграмма. Резистор RК является сопротивлением нагрузки, на резисторах R1 и R2 выполнен делитель напряжения, создающий постоянный ток в цепи база - эмиттер. Он поддерживает транзистор в открытом состоянии при отсутствии входного сигнала, благодаря чему через сопротивление RК протекает постоянный ток. При этом напряжение на транзисторе UКЭ(IК) = UПИТ - RКIК. Точки пересечения этой прямой с вольтамперными характеристиками IК(UКЭ) позволяют определить напряжение и ток в транзисторе при любом токе базы. В зависимости от начального положения точки покоя (при отсутствии входного сигнала) различают несколько классов усиления.

В класса А точка покоя выбирается в примерно в середине активной зоны от IК МАКС до IК ММИН, в которой характеристики транзистора близки к линейным (точка А на поясняюще диаграмме). В этом случае при подаче на базу переменного сигнала (например, синусоидального) в токе базы появляется переменная составляющая, что вызывает соответствующие изменения тока IК и напряжения UКЭ. Рабочая точка при этом перемещается по прямой линии UПИТ - RКIК между зонами насыщения (IК МАКС) и отсечки (IК МИН). Если входной сигнал не превышает допустимую величину, то происходит пропорциональное усиление всего сигнала. При превышении допустимого уровня наступает ограничение выходного сигнала на уровнях IК МАКС и IК МИН по току и на уровнях UКЭ МИН и UКЭ МАКС по напряжению.

В классе АВ точка покоя смещена в сторону зоны отсечки, поэтому часть синусоидального сигнала (меньше полупериода) при усилении «обрезается».

В классе В усиливается точно половина синусоидального сигнала. Для этого точка покоя должна выбираться на границе зоны отсечки (точка В, D). В действительности её выбирают несколько выше, чтобы избежать искажений, вызванных существенной нелинейностью начального участка входной характеристики транзистора.

В классе D транзистор работает в ключевом режиме. Для этого точка покоя выбирается также как и в классе В на границе зоны отсечки, но на вход подаётся большой сигнал, чтобы транзистор быстро переходил в режим насыщения. Ещё лучше в этом режиме на вход подавать сигнал прямоугольной формы. Тогда отпадает необходимость в его большой амплитуде. Становится ненужной и цепь, задающая начальное смещение (делитель из резисторов R1 и R2), так как при отсутствии входного сигнала транзистор должен быть надёжно закрыт.

Экспериментальная часть

Задание

Экспериментально ознакомиться различными классами усиления. В классах А и В подобрать оптимально точку покоя и определить максимальную амплитуду неискажённого выходного сигнала и допустимую амплитуду входного сигнала. В классе D определить минимальную амплитуду прямоугольного входного напряжения, при которой транзистор надёжно переходит в режим насыщения.

Порядок выполнения экспериментов

Собрать цепь согласно рисунку 7.6 и 7.7. В ней постоянный ток базы регулируется потенциометром 1 кОм и ограничивается постоянным сопротивлением тоже 1 кОм. Последовательно с источником переменного сигнала включен конденсатор 1 мкФ для предотвращения протекания через источник постоянного тока и токоограничивающее сопротивление 1 кОм. Диод включён для защиты эмиттерного перехода от обратного напряжения, а сопротивление 10 Ом для стабилизации характеристик транзистора. Измерение входного и выходного напряжений осуществляется осциллографом, а токов - двумя мультиметрами в режиме миллиамперметров.

Включите осциллограф для наблюдения по двум каналам одновременно (канал I - 0,5 В/дел., канал II - 5 В/дел). Включите мультиметры для измерения постоянных токов (пределы измерения: ток базы - 2 мА, ток коллектора - 200 мА). Включите блок генераторов напряжений и установите частоту синусоидального напряжения 1 кГц, а амплитуду сначала равной нулю. Настройте осциллограф, установите и запомните положение линий нулевого сигнала.

Изменяя напряжение смещения на базе поворотом ручки потенциометра вправо и влево, наблюдайте по осциллографу за изменением напряжения на коллекторе, а по мультиметрам за изменением токов базы и коллектора. Установите напряжение покоя UКЭ 0 примерно в середине диапазона его изменения.

Подаёте на вход усилителя синусоидальное напряжение и, регулируя его амплитуду, наблюдайте за изменением выходного сигнала. Уточните положение точки покоя так, чтобы вершины выходного сигнала начинали уплощаться одновременно.

Установить на входе максимальный сигнал, соответствующий неискажённому напряжению на выходе, и запишите в таблице 7.2 токи базы и коллектора и напряжение, амплитуды входного и выходного напряжений, перерисовать осциллограммы.

Регулируя смещение в сторону зоны отсечки (закрывания транзистора), добейтесь, чтобы усиливалась точно половина периода синусоиды. Увеличить входное напряжения до максимального значения, при котором выходной сигнал не искажается, подкорректировать ещё раз смещение и записать в таблицу 7.2 параметры режима усиления в классе В.

Примечание. IБ 0, IК 0 и UКЭ 0 измерять при отключённом входном сигнале!

Таблица 7.2

Класс

IБ 0, мА

IК 0, мА

UКЭ 0, В

UВХ МАКС, В

UВЫХ МАКС, В

А

0,217

18,5

10

1,8

14

В

0,272

21,1

6,5

2,7

15

D (~U)

0,257

21,9

7

2,4

14


Увеличивая входной сигнал, убедиться, что выходной сигнал принимает форму трапеции. Переключить форму входного сигнала с синусоиды на прямоугольник и убедиться, что выходной сигнал тоже стал прямоугольным. Отключить цепь смещения и убедиться, что выходной сигнал не изменился.

Подобрать и записать минимальную амплитуду входного прямоугольного сигнала, при которой транзистор надёжно переходит в режим насыщения.

Uмин.прямоуг. = …В.

7.3 Снятие статических характеристик полевого транзистора с изолированным затвором и индуцированным каналом


Общие сведения

Полевые транзисторы с изолированным затвором отличаются тем, что затвор выполнен в виде слоя металла, отделённого от полупроводникового канала тонким изолирующим слоем оксида кремния. Поэтому их называют МОП-транзисторами (металл - окисид - полупроводник). Канал между истоком и стоком МОП-транзистора можем быть встроенным, т.е. специально изготовленным или наведённым. В первом случае характеристики МОП-транзистора аналогичны характеристикам транзистора с p-n переходом, но отличаются возможностью работы с прямым смещением затвора (в режиме обогащения).

В подложке типа р изготовлены только небольшие области противоположного типа проводимости. При подаче на затвор положительного напряжения относительно истока к затвору будут притягиваться электроны, в то время как дырки от него будут оттесняться. При некотором напряжении, называемым пороговым (UЗИпор) под затвором образуется n-слой, перемыкающий n-области под истоком и стоком. Вся стоко-затворная характеристика лежит в области обогащения.

В МОП транзисторе с индуцированным каналом типа р структура симметрична, и аналогичные процессы протекают при отрицательном напряжении на затворе.

Экспериментальная часть

Задание

Снять статические выходные характеристики и стоко-затворную характеристику МОП-транзистора с индуцированным каналом типа n, определить пороговое напряжение UЗИпор, максимальную крутизну стоко-затворной характеристики S, сопротивления канала в ключевом режиме (в закрытом состоянии RСИзакр и в открытом - RСИоткр).

Порядок выполнения экспериментов

Собрать цепь для снятия характеристик транзистора. Диод Д226 включен в схему для предотвращения подачи отрицательного напряжения на транзистор при снятии выходных характеристик. Диод, показанный внутри микросхемы IRFD024 является паразитным элементом, обусловленным конструкцией p-n переходов в транзисторах подобного типа.

Включите блок генераторов напряжений и мультиметры. Регулируя напряжение на затворе потенциометром, определите пороговое напряжение, при котором появляется ток стока.

UЗИпор = …В.

Устанавливая потенциометром напряжения на затворе, указанные в таблице 7.3, снимите стоко-затворную характеристику.

Таблица 7.3

UЗИ, В

3,5

3,6

3,7

3,8

3,9

4,0

4,1

4,2

4,3

4,4

IC, мА

0,01

0,02

0,03

0,09

0,13

0,17

0,18

0,18

0,18

0,18


Построить график стоко-затворной характеристики (рис. 2.9.4) и определите крутизну:


Для снятия выходных характеристик транзистора переключите питание на регулируемый источник постоянного напряжения -13…+13 В, как показано на схеме пунктиром, установить напряжение на затворе равным 3,9 В и переключить вольтметр для измерения напряжения UСИ.

Регулируя напряжение питания от 0 до максимального значения (13…14.В), снять зависимость IС(UСИ) при UЗИ = 3,9 В (табл. 7.4).

Таблица 7.4

UСИ, В

0

0,2

0,5

1

 IС, мА

при UЗИ=3,9 В

0

69,9

80

82,6


при UЗИ=4 В

0

90,8

100

110


при UЗИ=4,1 В

0

150

190

203


при UЗИ=4,2 В

0







Переключите снова вольтметр для измерения напряжения UЗИ, установите потенциометром UЗИ = 4 В, переключите вольтметр обратно для измерения напряжения UСИ и снимите зависимость (UСИ) при UЗИ = 4 В.

Аналогично снимите выходные характеристики при других значениях UЗИ.

Установить такое напряжение на затворе, при увеличении которого ток стока не изменяется (полностью открытое состояние транзистора) и определите сопротивление:

RСИоткр= UСИ/ IС = …Ом.

Установить на затворе напряжение равным нулю и определите сопротивление транзистора в закрытом состоянии:

RСИоткр= UСИ/ IС = …Ом.

Примечание: В последнем опыте ток весьма мал, поэтому для его измерения необходимо отключить вольтметр и переключить прибор на минимальный предел измерения тока.

 

.4 Экспериментальное определение основных характеристик тиристоров


Общие сведения

Тиристоры - переключающие полупроводниковые приборы, имеющие четырёхслойную структуру. Они имеют два устойчивых состояния: открытое (проводящее) и закрытое (непроводящее). Они выпускаются с двумя или тремя выводами. В первом случае они называются динисторами (или диодными тиристорами) во втором - тринисторами (триодными или управляемыми тиристорами).

При прямом приложенном напряжении, показанном на рисунках, левый и правый p - n переходы открыты, а средний закрыт. Через тиристор протекает лишь незначительный ток неосновных носителей. По мере увеличения прямого напряжения энергия носителей заряда, проходящих через запертый n1 - p2 увеличивается и при некотором напряжении (UВКЛ) возникает ударная ионизация атомов полупроводника в зоне n1 - p2 перехода, ток резко возрастает, два транзистора открываются, напряжение на тиристоре резко падает, и он переходит в открытое состояние. Вольт-амперная характеристика открытого тиристора аналогична вольт-амперной характеристике диода. При снижении тока тиристор остаётся в открытом состоянии до некоторого небольшого тока, называемого током удержания (IУД).

Управляемые тиристоры имеют кроме основных выводов «Анод» и «Катод» третий вывод «Управляющий электрод». Он показан на рисунке 7.14 в пунктиром. Подавая на него импульс тока положительной полярности, мы принудительно открываем один из транзисторов, второй транзистор также открывается, так как через его базу начинает протекать ток коллектора другого транзистора. При токе управления, превышающем открывающий ток управления (I откр. у) вольт-амперная характеристика тиристора полностью аналогична характеристике диода.

Важно, что управляемый тиристор остаётся во включенном состоянии и после снятия управляющего тока. Он выключается только при снижении тока через него ниже тока удержания. Причём, для того чтобы тиристор не включился самопроизвольно при следующей подаче на него прямого напряжения, он должен находиться в выключенном состоянии определённое время, называемое временем восстановления запирающих свойств. Кроме того, скорость нарастания анодного напряжения не должна превышать для данного типа тиристоров допустимую величину.

Экспериментальная часть

Задание

Снять статические вольт-амперные характеристики динистора, управляемого тиристора и триодного симистора. Определить напряжение включения динистора, минимальные открывающие ток тиристора и симистора, токи удержания.

Порядок выполнения эксперимента

Плавно увеличивая напряжение регулируемого источника напряжения, определите напряжение включения динистора (это наибольшее напряжение, при котором ток еще равен нулю, при дальнейшем увеличении напряжения источника ток возрастает скачком, а напряжение на динисторе скачком уменьшается). Запишите значение UВКЛ в таблице 7.5

Плавно уменьшая напряжение регулируемого источника напряжения, определить ток удержания динистора (это наименьшее значение тока, при котором динистор еще остается включенным, при дальнейшем снижении напряжения источника ток скачком падает до нуля, а напряжение на динисторе скачком возрастает). Запишите значение IУД также в табл. 7.5

Привести динистор во включенное состояние и, уменьшая напряжение регулируемого источника, поочередно устанавливать значения тока, указанные в табл. 7.5 и записать соответствующие напряжения на динисторе.

Таблица 7.5


I, мА

5

10

20

30

40

50

Динистор (IУД=0,4 мА, UВКЛ=18,7 В)

U, В

0,66

0,69

0,72

0,74

0,75

0,77

Тринистор (IУД=0,4 мА, Iоткр.у=30 мА)

U, В

0,79

0,81

0,81

0,86

0,86

-

Симистор при +U (IУД=0,4.мА, Iоткр.у=0,63.мА, -5,3мА)

U, В

0,7

0,76

0,76

0,82

0,85

-

Симистор при -U (IУД=0,4.мА, Iоткр.у=4,03мА, -2,3мА)

U, В

0,7

0,8

0,8

0,84

0,85

-


Собрать цепь для исследования характеристик управяемых тиристоров. Ручку потенциометра поверните вправо до упора (ток управления равен нулю).

Включите питание и, вращая ручку регулятора постоянного напряжения влево и вправо до упора, убедитесь, что тиристор закрыт, как при прямом, так и при обратном приложенном напряжении.

Оставьте ручку регулятора постоянного напряжения в крайнем правом положении, и потенциометром увеличивайте ток управления до тех пор, пока не включится лампочка, что свидетельствует о переходе тиристора в открытое состояние. Верните ручку потенциометра в правое крайнее положение и убедитесь, что и при отсутствии тока управления тиристор остаётся включённым.

Выключите тиристор кратковременным разрыванием анодной цепи или снижением приложенного напряжения до любого отрицательного значения.

Снова включив тиристор и, плавно уменьшая напряжение регулируемого источника напряжения, определите ток удержания тиристора (Определяйте его при токе управления равном нулю!). Запишите значение IУД также в таблице 7.5.

Медленно увеличивая ток управления потенциометром (при максимальном анодном напряжении и непроводящем состоянии тиристора), зафиксировать ток управления, при котором происходит включение тиристора. Проделать этот опыт несколько раз и записать Iоткр.у в таблицу 7.5

Заменить тиристор симистором МАС97А6, сопротивление в цепи управления 10 кОм на 1 кОм и проделать аналогичные опыты по определению Iоткр.у, при двух напряжениях питания: +13 В (ручка регулятора в правом крайнем положении) и - 13 В (ручка регулятора в левом крайнем положении). В каждом из этих случаев симистор может открываться как положительным током управления, так и отрицательным. Для получения отрицательного тока управления переключите питание потенциометра с гнезда +15 В на гнездо -15 В.

 


Заключение

 

Современный мир трудно представить без полупроводниковых приборов. Они открывают большие возможности в самых различных областях науки, техники, быту, медицине, военной и аэрокосмической отраслях.

Основной целью дипломного проекта является разработка стендов для изучения и исследования полупроводниковых приборов с использованием современных компонентов оборудования «Основы аналоговой электроники» предназначенных для быстрого освоения лабораторного практикума по разделам курсов «Электронная техника», «Промышленная электроника», «Электроника и микроэлектроника».

В проекте рассмотрены следующие вопросы:

классификация полупроводниковых приборов и их применение в преобразователях энергии и передаче информации;

система условных обозначений диодов и транзисторов. Основные характеристики и параметры. Способы охлаждения. Расчёт нагрузочной способности;

исследования силовых полупроводниковых приборов на лабораторном стенде;

специальные типы диодов. Система условных обозначений. Основные характеристики и параметры;

транзисторы. Система обозначений. Основные характеристики и параметры;

охрана труда и техника безопасности при проведении работ;

технико-экономический расчет;

безопасность в чрезвычайных ситуациях.


Библиографический список


1 Федеральный закон «О железнодорожном транспорте Российской Федерации». // Российская газета от 18.01.2003 г.

Федеральный закон «Об энергетике» от 26.03.2003 г. №35 ФЗ // Российская газета от 01.04.2003 г.

Энергетическая стратегия ОАО «РЖД» на период до 2010 г. И на перспективу до 2030 г. №269 р - М.: ОАО «РЖД», 2008, -76 с.

Правила устройства системы тягового электроснабжения железных дорог. ЦЭ-462. - М.: МПС, 1997. - 147 с.

Концепция модернизации устройств электроснабжения железных дорог. - М.: МПС, Департамент электрификации и электроснабжения, 1999. - 147 с.

Межотраслевые правила по охране труда (Правила безопасности) при эксплуатации электроустановок. ПОТ Р М - 016 - 2001 РД 153-34.0 - 03.150-00. С изменениями и дополнениями, утверждёнными Минтруда России. - 2003.

Инструкция по технике безопасности при эксплуатации тяговых подстанций, пунктов питания и секционирования железных дорог. ЦЭ-4054. - 17.03.2008 г.

Правила безопасности при эксплуатации контактной сети и устройств электроснабжения автоблокировки железных дорог ОАО «РЖД» ДЭЭ №103, 16.12.2010 г.

Схемотехника аналоговых и аналого-цифровых электронных устройств / Г.И. Волович. - М.: Издательский дом «Додэка-ХХI», 2005. - 528 с.

Силовые полупроводниковые ключи: семейства, характеристики, применение / П.А. Воронин. - 2-е издание перераб. и доп. - М.: Издательский дом «Додэка-ХХI», 2005. - 384 с.

Преобразовательная техника. Полупроводниковые приборы и элементы микроэлектроники: учебное пособие / М.В. Гельман. - Челябинск: Изд-во ЮУрГУ, 200. - Ч. 1. - 106 с.

Преобразовательная техника: учебное пособие / М.В. Гельман. - Челябинск: Изд-во ЮУрГУ, 2002. - Ч. 2. - 104 с.

Преобразовательная техника: учебное пособие / М.В. Гельман. - Челябинск: Изд-во ЮУрГУ, 2004. - Ч. 3. - 155 с.

Проектирование тиристорных преобразователей для электроприводов постоянного тока: учебное пособие / М.В. Гельман. - Челябинск: Изд-во ЧГТУ, 1996. - 91 с.

Электронная техника и преобразователи: учебник для выхов ж.-д. трансп. - М.: Транспорт, 1999. - 464 с.

Полупроводниковые приборы: учебник для вузов/ Н.М. Тугов, Б.А. Глебов, Н.А. Чарыков / под ред. В.А. Лабунцова. - М.: Энерго, том издат, 1990. - 576 с.

Силовая электроника: от простого к сложному / Б.Ю. Семёнов. - М.: СОЛОН-ПРЕСС. 2006. - 416 с.

. Полупроводниковые выпрямители / В.И. Преображенский. - М.: Энергия, 1976. - 120 с.

Преобразовательная техника: учебное пособие к лабораторным работам / М.В. Гельман, М.М. Дудкин, Н.М. Сапрунова, О.Г. Терещина. - Челябинск: Изд-во ЮУрГУ, 2008. - 161 с.

«Оформление текстовых документов». Методические указания /Сост. В.А. Болотин, В.В. Ефимов, В.П. Игнатьева, Н.В. Фролова, - СПб.:ПГУПС, 2002. - 44 с.

И.Н. Соколова, Э.П. Селедцов. «Разработка технико-экономических вопросов в дипломных проектах». Методические указания для студентов электромеханического факультета специализации «Системы электроснабжения и автоматики». - Л.:ЛИИЖТ, 1980. - 33 с.

Похожие работы на - Исследование характеристик диодов и тиристоров

 

Не нашли материал для своей работы?
Поможем написать уникальную работу
Без плагиата!
Без нейросетей!