|
Category
|
Discrete Semiconductor Products
|
|
Family
|
Transistors (BJT) - Single
|
|
Series
|
-
|
|
Transistor Type
|
NPN
|
|
Current - Collector (Ic) (Max)
|
600mA
|
|
Voltage -
Collector Emitter Breakdown (Max)
|
40V
|
|
Vce Saturation
(Max) @ Ib, Ic
|
1V @ 50mA, 500mA
|
|
Current - Collector Cutoff (Max)
|
10nA
|
|
DC Current Gain
(hFE) (Min) @ Ic, Vce
|
100 @ 150mA, 10V
|
|
Power - Max
|
625mW
|
|
Frequency - Transition
|
300MHz
|
|
Mounting Type
|
Through Hole
|
|
Package / Case
|
TO-226-3, TO-92-3 (TO-226AA)
|
|
Supplier Device Package
|
TO-92-3
|
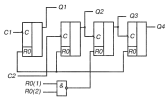
1.1.2 Формирование токов базы
транзистора Q3
Далее приведены графики, поэтапно показывающие,
как формируются семь различных токов базы для исследуемого транзистора Q3.
Рис. 5. Напряжение на стабилитроне D10 (5
вольт)
Рис. 6. Напряжение на коллекторе
транзистора Q1
Рис. 7. Напряжение на коллекторе
транзистора Q1 в большем
масштабе
Транзистор Q1 формирует импульсы, подаваемые на
5й (счетный) вход счётчика 74193.
Рис. 8. Напряжения, подаваемые на входы
счётчика 74193
Рис. 9. Цифровые сигналы на выходе
счётчика 74193
Рис. 10. Напряжения на резисторах R3, R4,
R9.
Рис. 11. Токи базы транзистора Q3
1.1.3 Формирование напряжения
на коллекторе
Далее приведены графики, поэтапно показывающие,
как формируется развёртывающее напряжение коллектора для исследуемого
транзистора Q3. Операционный
усилитель U4B формирует прямоугольный сигнал из синусоидального напряжения за
счёт большого коэффициента усиления. ОУ U3A является интегрирующим и из
прямоугольного сигнала формирует пилообразный сигнал. ОУ U5A является
инвертирующим и формирует напряжение коллектора исследуемого транзистора Q3.
Рис. 12. Графики выходных напряжений
операционных усилителей U3A, U4B и U5A.
Рис. 13. Токи коллектора и эмиттера
транзистора Q3
Рис. 14. Напряжение на эмиттере транзистора
Q3
Рис. 15. График выходной вольт-амперной
характеристики транзистора Q3 при разных токах базы
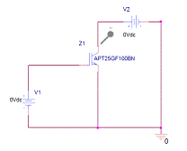
1.2 Схема на основе аналогового
коммутатора К590КН6
Для транзистора p-n-p
следует сформировать базовые токи другого направления (вытекающие из
транзистора) и для подобной схемы вместо счётчика К155ИЕ5 (74193) используется
аналоговый коммутатор К590КН6 (ADG408B),
в прочем работу самого аналогового коммутатора обеспечивает тот же самый
счётчик К155ИЕ5. Принципиальная схема данного формирователя представлена на
рис. 16.
Рис. 16. Схема исследования биполярного
транзистора методом характериографа на основе микросхемы К590КН6
1.2.1 Описание элементов
Основные параметры и характеристики восьмиканального
аналогового коммутатора с дешифратором К590КН6
Микросхемы К590КН6 (зарубежный аналог ADG408B)
представляют собой восьмиканальный аналоговый коммутатор с дешифратором и
предназначены для коммутации цифровых и аналоговых сигналов в системах сбора и
обработки информации, АЦП и ЦАП. Эти схемы совместимы со схемами ТТЛ.
Содержат 230 интегральных элементов.
Корпус типа 402.16-18, масса не более 2 г.
Напряжение питания: ±15 ±10% В.
Рабочая температура: -60...+85 °С.к=300 Ом;
Uк=15 В; Tв=300 нс
Основные параметры биполярного p-n-p
транзистора BF821
Исходный полупроводниковый материал, на основе
которого изготовлен транзистор: кремний (Si)
|
Pc max Ucb max
Uce max Ueb max Ic max Tj max Ft max Cc tip Hfe
|
310mW 300V 300V
5V 50mA 150°C 60MHz - 50MIN
|
Производитель:
PHILIPS
Характеристики остальных элементов уже были
приведены при описании первой схемы моделирования на основе счётчика К155ИЕ5.
1.2.2 Формирование токов базы
транзистора Q8
Восьмиканальный аналоговый коммутатор К590КН6 по
очереди коммутирует токи с каждого из 8 своих входов на базу транзистора Q8.
Имея постоянное напряжение на всех входах коммутатора и 8 специально
подобранных по номиналу резисторов, мы получаем 8 различных уровней тока базы,
возрастающих каждый раз в два раза. Индуктивность L1
отфильтровывает часть нежелательных выбросов, возникающих при переключении
аналогового коммутатора. Переключение же самого аналогового ключа обеспечено
цифровым счётчиком К155ИЕ5, описание которого уже было приведено выше.
Рис. 17. Токи базы транзистора Q8
1.2.3 Формирование напряжения
на коллекторе
Часть схемы формирования
пилообразного напряжения на коллекторе исследуемого транзистора Q3 идентична
соответствующей части схемы с использованием цифрового счётчика К155ИЕ5 и
подробно описана выше в пункте 1.1.3.
Рис. 18. График выходной вольт-амперной
характеристики транзистора Q8 при разных токах базы
2. Моделирование характеристик
биполярных транзисторов
Биполярный транзистор - это полупроводниковый
прибор с двумя взаимодействующими выпрямляющими электрическими переходами и
тремя (или более) выводами, усилительные свойства которого обусловлены
явлениями инжекции и экстракции неосновных носителей заряда.
.1 Статические характеристики биполярного p-n-p
транзистора в схеме с общей базой
Рис. 19. Схема моделирования биполярного p-n-p
транзистора с общей базой
2.1.1 Входные характеристики
Параметры моделирования:
.DC LIN I_I1 0 10m 0.001m
.STEP V_V1 LIST 0 100
.PROBE V(alias(*)) I(alias(*))
W(alias(*)) D(alias(*)) NOISE(alias(*))
.INC"..\SCHEMATIC1.net"
Рис. 20. Входная характеристика биполярного p-n-p
транзистора в схеме с общей базой
Как видно из графика, с ростом коллекторного
напряжения уменьшается падение напряжения на эмиттерном переходе, что
свидетельствует о наличии отрицательной обратной связи по постоянному
напряжению.
2.1.2 Выходная характеристика
Параметры моделирования:
.DC
LIN V_V1
-1 20 0.01
.STEP I_I1 LIST 1m 2m 3m 4m 5m
.PROBE V(alias(*)) I(alias(*))
W(alias(*)) D(alias(*)) NOISE(alias(*))
.INC "..\SCHEMATIC1.net"
Рис. 21. Выходная ВАХ биполярного p-n-p
транзистора в схеме с общей базой
Начальный участок графика (V1<0)
соответствует режиму насыщения транзистора, а область неизменного тока
коллектора - активному режиму работы.
2.2 Статические характеристики биполярного p-n-p
транзистора в схеме с общим эмиттером
Рис. 22. Схема моделирования выходных ВАХ
биполярного p-n-p
транзистора в схеме с общим эмиттером
2.2.2 Выходная характеристика
Параметры моделирования:
.DC LIN V_V1 0 20 0.01
.STEP I_I1 LIST 0 0.1m 0.2m 0.3m
0.4m 0.5m
.PROBE V(alias(*)) I(alias(*))
W(alias(*)) D(alias(*)) NOISE(alias(*))
.INC"..\SCHEMATIC1.net"
Рис. 23. Выходная ВАХ биполярного p-n-p
транзистора в схеме с общим эмиттером
Виден заметный наклон характеристик в области
активного режима работы транзистора, что связано с зависимостью коэффициента
передачи транзистора по току от напряжения на коллекторе из-за модуляции
толщины базовой области транзистора коллекторным напряжением.
2.2.3 Характеристика обратной
связи
Параметры моделирования:
.DC LIN V_V1 0.001 400m 0.0001
.STEP I_I1 LIST 0.1m 0.3m 0.5m
.PROBE V(alias(*)) I(alias(*))
W(alias(*)) D(alias(*)) NOISE(alias(*))
.INC "..\SCHEMATIC1.net"
Рис. 24. График характеристики обратной
связи по напряжению биполярного p-n-p
транзистора
Из графика видно, что в схеме с общим эмиттером
обратная связь по напряжению положительная.
2.2.4 Характеристика прямой
передачи
Параметры моделирования:
.DC LIN I_I1 10u 500u 0.01u
.STEP V_V1 LIST 1 10
.PROBE V(alias(*)) I(alias(*))
W(alias(*)) D(alias(*)) NOISE(alias(*))
.INC "..\SCHEMATIC1.net"
Рис. 25. График зависимости коэффициента
передачи по току от рабочего тока при разных коллекторных потенциалах
биполярного p-n-p
транзистора
При малых токах базы коэффициент передачи
нарастает с ростом током базы, что связано с появлением электрического поля в
базе. Спад же при больших токах базы связан с эффектом Федотова-Кирка
(возрастание толщины базы в биполярном транзисторе с ростом тока коллектора при
неизменном напряжении на коллекторе, вызванное уменьшением размера области
пространственного заряда коллекторного перехода из-за увеличения концентрации
неосновных носителей в базе при больших токах коллектора).
2.3 Частотные характеристики
Рис. 26. Схема моделирования частотных
свойств биполярного p-n-p
транзистора
Помимо моделирования частотных свойств схемы с
общим эмиттером из моделирования этой же схемы можно также получить и частотные
свойства схемы с общей базой.
2.3.1 В схеме с общей базой
Параметры моделирования:
.AC LIN 1000 10 20Meg
.STEP I_I1 LIST 10u 20u 50u
.PROBE V(alias(*)) I(alias(*))
W(alias(*)) D(alias(*)) NOISE(alias(*))
.INC "..\SCHEMATIC1.net"
Рис. 27. Частотная зависимость коэффициента
передачи биполярного p-n-p
транзистора при разных токах базы в схеме с общей базой
С ростом частоты растёт шунтирующее действие
барьерных ёмкостей p-n
перехода и в токе эмиттера возрастает не связанная с усилительными свойствами
транзистора ёмкостная составляющая тока эмиттера, поэтому усилительные свойства
транзистора ухудшаются. С ростом тока базы усиливается действие поля,
создаваемого подвижными носителями заряда, ускоряющее движение неосновных
носителей заряда. Вследствие этого время пролёта через базу уменьшается,
уменьшается рекомбинация в базе и до коллектора доходит большее число
неосновных носителей заряда.
Параметры моделирования:
.AC
LIN 1000 10 20Meg
.STEP
V_V1
LIST 1 5 20
.PROBE V(alias(*)) I(alias(*))
W(alias(*)) D(alias(*)) NOISE(alias(*))
.INC "..\SCHEMATIC1.net"

При увеличении напряжения на коллекторе
расширяется коллекторный переход, т.е. уменьшается толщина нейтральной базы,
что приводит к увеличению коэффициента передачи.
2.3.2 В схеме с общим эмиттером
Параметры моделирования:
.AC LIN 1000 10 20Meg
.STEP I_I1 LIST 10u 20u 50u
.PROBE V(alias(*)) I(alias(*))
W(alias(*)) D(alias(*)) NOISE(alias(*))
.INC "..\SCHEMATIC1.net"
Рис. 29. Частотная зависимость коэффициента
передачи тока базы в зависимости от выбора рабочей точки (постоянной
составляющей тока базы) в схеме с общим эмиттером
В схеме с общим эмиттером проявляются те же
эффекты, что и в схеме с общей базой. Поэтому влияние рабочих токов и
коллекторного напряжения подобны ранее приведённым.
Параметры моделирования:
.AC LIN 1000 10 20Meg
.STEP V_V1 LIST 1 5 20
.PROBE V(alias(*)) I(alias(*))
W(alias(*)) D(alias(*)) NOISE(alias(*))
.INC "..\SCHEMATIC1.net"
Рис. 30. Частотная зависимость коэффициента
передачи при разных напряжениях коллектора в схеме с общим эмиттером
Параметры моделирования:
.AC LIN 1000 10 20Meg
.STEP V_V1 LIST 1 5 20
.PROBE V(alias(*)) I(alias(*))
W(alias(*)) D(alias(*)) NOISE(alias(*))
.INC "..\SCHEMATIC1.net"
Рис. 31. Частотная зависимость коэффициентов
передачи в схемах с общей базой и общим эмиттером
Из графика видно, что частотные свойства
биполярного транзистора хуже в схеме с общим эмиттером. Различия в частотных
свойствах связаны с тем, что в отличие от схемы с общей базой схеме с общим
эмиттером чувствует фазовый сдвиг между токами, в то время как схема с общей
базой чувствительна только к амплитудам токов.
2.4 Импульсные характеристики
2.4.1 В схеме с общей базой
Рис. 32. Схема моделирования работы
биполярного транзистора на импульсах
Параметры моделирования:
.TRAN 0 0.5u 0 0.001u
.STEP PARAM Ie LIST 10m 100m
.TEMP 125
.PROBE V(alias(*)) I(alias(*))
W(alias(*)) D(alias(*)) NOISE(alias(*))
.INC "..\SCHEMATIC1.net"
Рис. 33. График зависимости тока коллектора
как функции времени при разных токах эмиттера
С ростом тока эмиттера возрастает количество
инжектированных в базу транзистора неосновных носителей заряда, что увеличивает
время их рассасывания.
2.4.2 В схеме с общим эмиттером
Рис. 34. Схема моделирования импульсных
характеристик биполярного транзистора в схеме с общим эмиттером
Параметры моделирования:
.TRAN 0 9u 0 0.001u
.STEP
PARAM qwe
LIST 500u
1m 2m
5m
.PROBE V(alias(*)) I(alias(*))
W(alias(*)) D(alias(*)) NOISE(alias(*))
.INC "..\SCHEMATIC1.net"
Рис. 35. Импульсные характеристики
биполярного транзистора в схеме с общим эмиттером
С ростом тока базы возрастает количество
инжектированных в базу транзистора неосновных носителей заряда, что увеличивает
время их рассасывания. Как видно из рисунка в режиме насыщения коллекторный ток
не зависит от тока базы.
Параметры моделирования:
.TRAN 0 9u 0 0.001u
.TEMP -60 27 125
.PROBE V(alias(*)) I(alias(*))
W(alias(*)) D(alias(*)) NOISE(alias(*))
.INC "..\SCHEMATIC1.net"
Рис. 36. Зависимость импульсных
характеристик биполярного транзистора в схеме с общим эмиттером от температуры
С ростом температуры увеличивается время жизни
неосновных носителей заряда что приводит к увеличению времени рассасывания
накопленного заряда, т.е. к снижению быстродействия транзистора.
2.4.3 Схема с диодом Шоттки
Диод Шоттки - это полупроводниковый диод,
выпрямительные свойства которого основаны на использовании выпрямляющего
электрического перехода между металлом и полупроводником.
Рис. 37. Схема моделирования биполярного
транзистора с диодом Шоттки
Параметры моделирования:
.TRAN 0 9u 0 0.01u
.PROBE V(alias(*)) I(alias(*))
W(alias(*)) D(alias(*)) NOISE(alias(*))
.INC "..\SCHEMATIC1.net"
Рис. 38. Импульсные свойства биполярного
транзистора с диодом Шоттки
Диод Шоттки шунтирует коллекторный переход
транзистора, уменьшая степень (глубину) насыщения, что увеличивает
быстродействие импульсной схемы при её выключении.
.5 Режимные зависимости
усилительных свойств транзистора
Рис. 39. Схема моделирования режимных
зависимостей биполярного транзистора в схеме с общей базой
Параметры моделирования:
.DC
LIN I_I1
10u 10m
0.1u
.STEP V_V1 LIST 5 10 15
.PROBE V(alias(*)) I(alias(*))
W(alias(*)) D(alias(*)) NOISE(alias(*))
.INC "..\SCHEMATIC1.net"
Рис. 40. Зависимости альфа и бета
биполярного транзистора от тока базы при разных U
коллектора
2.6 Режимные зависимости
динамических свойств транзистора
Рис. 41. Схема моделирования импульсных
характеристик биполярного транзистора в схеме с общим эмиттером
Параметры моделирования:
.TRAN
0 9u 0 0.01u
.STEP
V_V1
LIST 5 10 15 20
.PROBE V(alias(*)) I(alias(*))
W(alias(*)) D(alias(*)) NOISE(alias(*))
.INC "..\SCHEMATIC1.net"
Рис. 42. Режимные зависимости импульсных
свойств биполярного транзистора в схеме с общим эмиттером
Из графика видно, что время рассасывания
уменьшается с увеличением напряжения на коллекторе, т.к. уменьшается толщина базы
и в ней накапливается меньший заряд.
3.
Моделирование характеристик транзистора Дарлингтона
Составной транзистор (транзистор Дарлингтона) -
объединение двух или более биполярных транзисторов с целью увеличения
коэффициента усиления по току. Такой транзистор используется в схемах,
работающих с большими токами (например, в схемах стабилизаторов напряжения,
выходных каскадов усилителей мощности) и во входных каскадах усилителей, если
необходимо обеспечить большой входной импеданс. До появления полевых транзисторов
этот транзистор использовался в двух основных назначениях: как элемент с
высоким входным сопротивлением и как элемент с большим коэффициентом усиления
по току.
Рис. 43. Схема моделирования входных,
выходных и частотных характеристик транзистора Дарлингтона
3.1 Входная характеристика
Параметры моделирования:
.DC
LIN I_I1
0 0.5m 0.01m
.STEP V_V1 LIST 10 20 30
.PROBE V(alias(*)) I(alias(*))
W(alias(*)) D(alias(*)) NOISE(alias(*))
.INC "..\SCHEMATIC1.net"
Рис. 44. Входные характеристики транзистора
Дарлингтона при разных напряжениях коллектора
Как видно из рисунка входное напряжение
складывается из двух падений напряжений на эмиттерных переходах транзистора.
3.2 Выходная характеристика
Параметры моделирования:
.DC
LIN V_V1
0 20 0.01
.STEP I_I1 LIST 0 0.2m 0.25m 0.3m
0.35m 0.4m 0.45m 0.5m
.PROBE V(alias(*)) I(alias(*))
W(alias(*)) D(alias(*)) NOISE(alias(*))
.INC "..\SCHEMATIC1.net"
Рис. 45. Выходные характеристики транзистора
Дарлингтона при разных токах базы
Как видно из графика у транзистора Дарлингтона
выходная ВАХ начинается не с нулевого значения напряжения в отличие от обычного
биполярного транзистора.
3.3 Частотные свойства
Параметры моделирования:
.AC LIN 1000 10 2Meg
.STEP V_V1 LIST 10 20 30
.PROBE V(alias(*)) I(alias(*))
W(alias(*)) D(alias(*)) NOISE(alias(*))
.INC "..\SCHEMATIC1.net"
Рис. 46. Частотная зависимость тока
транзистора Дарлингтона при разных напряжениях коллектора
С увеличением напряжения на коллекторе,
частотные свойства транзистора Дарлингтона практически не изменяются. В тоже
время заметно существенное ухудшение частотных свойств транзистора Дарлингтона
(из-за последовательного включения двух транзисторов) по сравнению с обычным
биполярным транзистором.
Параметры моделирования:
.AC LIN 1000 10 2Meg
.STEP I_I1 LIST 100u 500u 1000u
.PROBE V(alias(*)) I(alias(*))
W(alias(*)) D(alias(*)) NOISE(alias(*))
.INC "..\SCHEMATIC1.net"
Рис. 47. Частотная зависимость выходного
тока транзистора Дарлингтона при разных входных токах
Как видно из графика граничная частота
практически не изменяется с изменением входного тока, в то время как
статический коэффициент усиления изменяется существенно, что хорошо заметно на
графике токовой зависимости статического коэффициента усиления по току от тока
базы приведённым ниже.
Параметры моделирования:
.DC
LIN I_I1
0.1u 5000u
0.1u
.PROBE V(alias(*)) I(alias(*))
W(alias(*)) D(alias(*)) NOISE(alias(*))
.INC "..\SCHEMATIC1.net"
Рис. 48. График токовой зависимости
статического коэффициента усиления по току от тока базы транзистора Дарлингтона
Из данного графика видна более существенная
зависимость усилительных свойств транзистора от выбора рабочей точки.
4. Моделирование характеристик
однопереходного транзистора
Однопереходный транзистор (ОПТ) - это
полупроводниковый прибор с одним выпрямляющим электрическим переходом и тремя
выводами, переключающие и усилительные свойства которого обусловлены модуляцией
сопротивления базы в результате инжекции в неё неосновных носителей заряда.
Основой транзистора является кристалл
полупроводника (например n-типа), который называется базой . На концах
кристалла имеются омические контакты Б1 и Б2, между которыми располагается
область, имеющая выпрямляющий контакт Э с полупроводником p-типа, выполняющим
роль эмиттера.
Усилительные и переключающие свойства ОПТ
обусловлены изменением сопротивления базы в результате инжекции в неё
неосновных носителей заряда.
Принцип действия однопереходного транзистора
удобно рассматривать, воспользовавшись эквивалентной схемой, где верхнее
сопротивление
и нижнее
сопротивление
- сопротивления
между соответствующими выводами базы и эмиттером, а Д - эмиттерный р-п переход.
Ток, протекающий через сопротивления
и
,
создаёт на первом из них падение напряжения, смещающее диод Д в обратном
направлении. Если напряжение на эмиттере Uэ меньше падения напряжения на
сопротивлении
- диод Д закрыт, и
через него течёт только ток утечки. Когда же напряжение Uэ становится выше
напряжения на сопротивлении
, диод начинает
пропускать ток в прямом направлении. При этом сопротивление
уменьшается,
что приводит к увеличению тока в цепи Д-
,
что в свою очередь, вызывает дальнейшее уменьшение сопротивления
.
Этот процесс протекает лавинообразно. Сопротивление
уменьшается
быстрее, чем увеличивается ток через р-n переход, в результате на вольт-амперной
характеристике однопереходного транзистора, появляется область отрицательного
сопротивления. При дальнейшем увеличении тока зависимость сопротивления
от
тока через р-n переход уменьшается, и при значениях больших некоторой величины
Iвыкл сопротивление не зависит от тока (область насыщения).
При уменьшении напряжения смещения Uсм
вольт-амперная характеристика смещается влево и при отсутствии его обращается в
характеристику открытого
р-n перехода. Если
посмотреть на кривую на графике зависимости тока эмиттера однопереходного
транзистора напряжения (см. рисунок (a)), видно, что напряжение VE поднимается,
ток IЕ возрастает до значения IP в точке включения. За пределами точки включения,
ток возрастает, а напряжение падает в области отрицательного сопротивления.
Напряжение становится минимальным в так называемой точке впадины. Сопротивление
RB1, - сопротивление насыщения, - будет наименьшим в точке впадины.
Рис. 49. Схема для моделирования ВАХ
однопереходного транзистора
Параметры моделирования:
.DC
LIN I_I1
0 100mA 0.001mA
.TEMP -60 125
.PROBE V(alias(*)) I(alias(*))
W(alias(*)) D(alias(*)) NOISE(alias(*))
.INC "..\SCHEMATIC1.net"
Рис. 50. ВАХ однопереходного транзистора
На рисунке хорошо виден падающий участок -
участок отрицательного дифференциального сопротивления.
5. Моделирование характеристик
тиристоров
Тиристор - это полупроводниковый прибор с двумя
устойчивыми состояниями, имеющий три (или более) выпрямляющих перехода, который
может переключаться из закрытого состояния в открытое и наоборот.
5.1 Триодный тиристор
Триодный тиристор (тринистор) - это тиристор,
имеющий два основных и один управляющий вывод.
Рис. 51. Схема моделирования триодного
тиристора
Параметры моделирования:
.DC
LIN I_I2
0 10m 0.001m
.STEP I_I1 LIST 0 1m 5m 10m 12m
.PROBE V(alias(*)) I(alias(*))
W(alias(*)) D(alias(*)) NOISE(alias(*))
.INC "..\SCHEMATIC1.net"
Рис. 52. График ВАХ триодного тиристора
С ростом тока управляющего электрода уменьшается
напряжение включения.
5.2 Симметричный триодный
тиристор
Симметричный триодный тиристор (триак) - это
триодный тиристор, который при подаче сигнала на его управляющий электрод
включается как в прямом, так и в обратном направлениях.
5.2.1 Фазовое (временное)
регулирование
Рис. 53. Схема моделирования симистора
Параметры моделирования:
.TRAN 0 20ms 0 0.001ms
.STEP I_I1 LIST -10m 0 10m
.PROBE V(alias(*)) I(alias(*))
W(alias(*)) D(alias(*)) NOISE(alias(*))
.INC "..\SCHEMATIC1.net"
Рис. 54. График тока через симистор
На графике заметно изменение времени открытого
состояния тиристора с изменением тока управляющего электрода.
Параметры моделирования:
.TRAN 0 15ms 0 0.001ms
.STEP I_I1 LIST -10m 0 10m
.PROBE V(alias(*)) I(alias(*))
W(alias(*)) D(alias(*)) NOISE(alias(*))
.INC "..\SCHEMATIC1.net"
Рис. 55. График напряжения на симисторе при
подаче на него синусоидального напряжения промышленной частоты
Два последних рисунка иллюстрируют работу
симистора в качестве регулятора мощности переменного тока.
6. оделирование характеристик
полевых транзисторов
Полевой транзистор - это полупроводниковый
прибор, усилительные свойства которого обусловлены потоком основных носителей,
протекающим через проводящий канал и управляемый электрическим полем.
6.1 МДП полевые транзисторы
6.1.1 Передаточная характеристика транзистора с
индуцированным p- каналом
Рис. 56. Схема моделирования передаточной
характеристики полевого МДП транзистора с индуцированным p-каналом
Параметры моделирования:
.DC
LIN V_V1
0 7 0.01
.STEP V_V2 LIST 0 3 5 10
.PROBE V(alias(*)) I(alias(*))
W(alias(*)) D(alias(*)) NOISE(alias(*))
.INC "..\SCHEMATIC1.net"
Рис. 57. График передаточной характеристики
полевого МДП транзистора с индуцированным p-каналом
Из графика видно, что пороговое напряжение
данного полевого транзистора составляет 2.4 В.
.1.2 Передаточная характеристика транзистора с
встроенным p- каналом
Рис. 58. Схема моделирования передаточной
характеристики полевого МДП транзистора со встроенным p-каналом
Параметры моделирования:
.DC
LIN V_V1
0 -5 -0.001
.STEP V_V2 LIST 5 10
.PROBE V(alias(*)) I(alias(*))
W(alias(*)) D(alias(*)) NOISE(alias(*))
.INC "..\SCHEMATIC1.net"
Рис. 59. Передаточная характеристика
полевого МДП транзистора со встроенным p-каналом
Из рисунка видно, что для данного транзистора
напряжение отсечки канала составляет -1.5 В.
.1.3 Выходная характеристика транзистора с
индуцированным p-каналом
Рис. 60. Схема моделирования полевого
выходной ВАХ p-канального МДП
транзистора
Параметры моделирования:
.DC LIN V_V2 0.01 100 0.01
.STEP V_V1 LIST 0 5 6 7 8 9
.PROBE V(alias(*)) I(alias(*))
W(alias(*)) D(alias(*)) NOISE(alias(*))
.INC "..\SCHEMATIC1.net"
Рис. 61. График выходной ВАХ МДП полевого
транзистора M2N6806
.1.4 Температурная зависимость передаточных
характеристик МДП транзистора с p
и n каналами
Рис. 62. Схема моделирования температурных
зависимостей передаточных характеристик МДП полевых транзисторов с n
и p каналами
Параметры моделирования:
.DC LIN V_V1 -4 7 0.001
.TEMP -60 125
.PROBE V(alias(*)) I(alias(*))
W(alias(*)) D(alias(*)) NOISE(alias(*))
.INC "..\SCHEMATIC1.net"
Рис. 63. График температурных зависимостей
передаточных характеристик МДП полевых транзисторов с n
и p каналами
С ростом температуры падает подвижность
носителей зарядов из-за увеличения тепловых колебаний решётки, а их
концентрация с ростом температуры увеличивается.
6.2 Полевые транзисторы с p-n
переходом в качестве затвора
.2.1 Передаточная
характеристика p-канального
полевого транзистора
Рис. 64. Схема моделирования передаточной
характеристики p-канального
полевого транзистора с p-n
переходом в качестве затвора
Параметры моделирования:
.DC LIN V_V1 0 20 0.0001
.STEP V_V2 LIST 5 10
.PROBE V(alias(*)) I(alias(*))
W(alias(*)) D(alias(*)) NOISE(alias(*))
.INC "..\SCHEMATIC1.net"
Рис. 65. Передаточная характеристика p-канального
полевого транзистора с p-n
переходом в качестве затвора при разных напряжениях на стоке
С ростом напряжения увеличивается дрейфовая
скорость носителей зарядов в канале, следовательно, возрастает и ток.
6.2.2 Выходная характеристика p-канального
полевого транзистора
Рис. 66. Схема моделирования выходной
характеристики p-канального
полевого транзистора с p-n
переходом в качестве затвора
Параметры моделирования:
.DC LIN V_V2 0 10 0.001
.STEP V_V1 LIST 0.5 1 1.5
.PROBE V(alias(*)) I(alias(*))
W(alias(*)) D(alias(*)) NOISE(alias(*))
.INC "..\SCHEMATIC1.net"
Рис. 67. График выходной характеристики p-канального
полевого транзистора с p-n
переходом в качестве затвора при разных напряжениях на затворе
С ростом обратного напряжения на p-n
переходе затвора увеличивается ширина объёмного заряда p-n
перехода, следовательно, снижается сечение проводящего канала, растет его
сопротивление и протекающий по каналу ток.
.2.3 Температурная зависимость выходной
характеристики p-канального
полевого транзистора
Параметры моделирования:
.DC
LIN V_V2
0 10 0.001
.TEMP -60 27 125
.PROBE V(alias(*)) I(alias(*))
W(alias(*)) D(alias(*)) NOISE(alias(*))
.INC "..\SCHEMATIC1.net"
Рис. 68. Температурная зависимость выходной
характеристики p-канального
полевого транзистора с p-n
переходом в качестве затвора при разных напряжениях на затворе
Рост температуры приводит к снижению подвижности
носителей заряда в канале и как следствие к уменьшению тока стока.
7.
Моделирование характеристик IGBT транзистора
Биполярные транзисторы с изолированным затвором
являются типом транзистора, который появился сравнительно недавно. Его входные
характеристики подобны входным характеристикам полевого транзистора, а выходные
- выходным характеристикам биполярного.
Рис. 69. IGBT транзистор
в разрезе
В литературе этот прибор называют IGBT
(Insulated Gate Bipolar Transistor). По быстродействию они значительно
превосходят биполярные транзисторы. Чаще всего IGBT-транзисторы используют в
качестве мощных ключей, у которых время включения 0,2 - 0,4 мкс, а время
выключения 0,2 - 1,5 мкс, коммутируемые напряжения достигают 3,5 кВ, а токи
1200 А.
Рис. 70. Схема для моделирования
характеристик IGBT транзистора
7.1 Выходная характеристика
Параметры моделирования:
.DC
LIN V_V2
0 100 0.1
.STEP V_V1 LIST 0 2 4 6 8 10
.PROBE V(alias(*)) I(alias(*))
W(alias(*)) D(alias(*)) NOISE(alias(*))
.INC
"..\SCHEMATIC1.net"
Рис. 71. График зависимости тока коллектора
от напряжения на коллекторе IGBT
транзистора при различных напряжениях на затворе
Видно, что график выходной ВАХ транзистора
начинается не из начала координат, а при напряжении на коллекторе, превышающем
пороговое напряжение.
.2 Характеристика передачи
Параметры моделирования:
.DC
LIN V_V1
0 10 0.1
+ V_V2 LIST 5 10
.PROBE V(alias(*)) I(alias(*))
W(alias(*)) D(alias(*)) NOISE(alias(*))
.INC "..\SCHEMATIC1.net"
Рис. 72. График зависимости тока коллектора
от напряжения на базе IGBT
транзистора при двух различных напряжениях на коллекторе
Из данного графика видно, что пороговое
напряжение для этого IGBT
транзистора примерно составляет 3.5 В.
.3 Температурная зависимость
характеристики передачи
Параметры моделирования:
.DC LIN V_V1 0 10 0.1
+ V_V2 LIST 5 10
.TEMP -60 27 125
.PROBE V(alias(*)) I(alias(*)) W(alias(*))
D(alias(*)) NOISE(alias(*))
.INC "..\SCHEMATIC1.net"
Рис. 73. Температурная зависимость тока
коллектора от напряжения на базе IGBT
транзистора при двух различных напряжениях на коллекторе
С ростом температуры увеличивается коэффициент
усиления биполярного транзистора, что приводит к росту тока коллектора. Это
связано с увеличением времени жизни неосновных носителей зарядов.
8. Моделирование характеристик
диодов
Полупроводниковый диод - полупроводниковый
прибор с одним выпрямляющим (p-n)
переходом или выпрямляющим контактом метал-полупроводник и двумя выводами
(электродами).
8.1 Вольт-амперные
характеристики диода
Вольт-амперная характеристика (ВАХ) - график
зависимости тока через двухполюсник от напряжения на этом двухполюснике.
Вольт-амперная характеристика описывает поведение диода на постоянном токе.
Рис. 74. Схемы моделирования ВАХ диода.
Левая для прямой ветви, правая для обратной ветви.
Как видно, схемы моделирования прямой и обратной
ветвей отличаются. Это следует из принципа работы диода. При моделировании
прямой ветви ВАХ диода, должен задаваться ток, поскольку рабочим механизмом при
протекании прямого тока является инжекция не основных носителей заряда (сильная
зависимость прямого тока от напряжения). На обратной ветви ток до наступления
пробоя слабо зависит от напряжения. Такая модель является хорошо обусловленной,
или адекватной, что обеспечивает минимальные погрешности при моделировании.
8.1.1 Прямая ветвь ВАХ диода и
её температурная зависимость
Параметры моделирования:
.DC
LIN I_I1
0 500m 0.1m
.TEMP -60 27 125
.PROBE V(alias(*)) I(alias(*))
W(alias(*)) D(alias(*)) NOISE(alias(*))
.INC "..\SCHEMATIC1.net"
Рис. 75. График прямой ветви ВАХ диода.
При повышении температуры падение напряжения на
диоде уменьшается из-за снижения высоты потенциального барьера (становится уже
ЗЗ).
8.1.2 Обратная ветвь ВАХ диода
и её температурная зависимость
Параметры моделирования:
.DC
LIN V_V1
0 125 0.01
.TEMP -60 27 125
.PROBE V(alias(*)) I(alias(*))
W(alias(*)) D(alias(*)) NOISE(alias(*))
.INC "..\SCHEMATIC1.net"
Рис. 76. График тока через диод при малых
обратных напряжениях и различных температурах.
При низких температурах видно, что зависимость
тока характерна для генерационной природы тока, а при повышенных температурах
наблюдается насыщение тока, что характерно для диффузионной природы обратного
тока.
.1.3 Обратная ветвь ВАХ диода и её температурная
зависимость. Область пробоя
Параметры моделирования:
.DC
LIN V_V1
119 125 0.0001
.TEMP -60 27 125
.PROBE V(alias(*)) I(alias(*))
W(alias(*)) D(alias(*)) NOISE(alias(*))
.INC
"..\SCHEMATIC1.net"
Рис. 77. График тока через диод при больших
обратных напряжениях и различных температурах.
Рис. 78. Начальный участок графика тока
через диод при больших обратных напряжениях и различных температурах.
В начальной области ток определяется свойствами p-n
перехода, а при больших токах ограничивающим действием сопротивления
нейтральных областей диодной структуры. На этом участке можно определить
сопротивление нейтральных областей.
8.2 Динамические характеристики
диода
.2.1 На гармоническом сигнале
Рис. 79. Схема моделирования зависимости
тока диода от частоты и температуры.
8.2.1.1 Временная зависимость
тока через диод
Параметры моделирования:
.TRAN 0 0.01u 0 0.0001u
.STEP PARAM qwe LIST 1 5 10 20
.PROBE V(alias(*)) I(alias(*))
W(alias(*)) D(alias(*)) NOISE(alias(*))
.INC "..\SCHEMATIC1.net"

С ростом амплитуды выпрямляемого напряжения увеличивается
инжектированный в базу диода заряд, на рассасывание которого требуется больше
времени, поэтому с ростом амплитуды прямого напряжения увеличивается время
восстановления обратного сопротивления диода.
8.2.1.2 Зависимость
динамических свойств диода от температуры
Параметры моделирования:
.TRAN
0 0.01u 0 0.0001u
.TEMP
-60 27 125
.PROBE V(alias(*)) I(alias(*))
W(alias(*)) D(alias(*)) NOISE(alias(*))
.INC "..\SCHEMATIC1.net"
Рис. 81. Влияние температуры на динамические
свойства диода
Так как с ростом температуры увеличивается время
жизни неосновных носителей, заряда инжектированных в базу диода, то
увеличивается и время восстановления обратного сопротивления диода. С ростом
частоты и температуры ухудшаются динамические свойства диода.
8.3.1 На импульсном сигнале
Рис. 82. Схема моделирования
переключательных свойств диода
Параметры моделирования:
.TRAN 0 0.45ns 0 0.0001ns
.STEP PARAM qwe LIST 1 3 5
.PROBE V(alias(*)) I(alias(*))
W(alias(*)) D(alias(*)) NOISE(alias(*))
.INC "..\SCHEMATIC1.net"
Рис. 83. Временные зависимости тока диода
при подаче прямоугольного импульса напряжения
С ростом амплитуды прямого напряжения
увеличивается как амплитуда прямого тока, так и время рассасывания накопленного
заряда, т.е. снижается быстродействие диода.
8.3.1.1 Температурный анализ
импульсных свойств диода
Параметры моделирования:
.TRAN 0 0.45ns 0 0.0001ns
.TEMP -60 27 125
.PROBE V(alias(*)) I(alias(*))
W(alias(*)) D(alias(*)) NOISE(alias(*))
.INC "..\SCHEMATIC1.net"
Рис. 84. Ток диода при различных
температурах
С ростом температуры увеличивается время жизни
неосновных носителей, заряда инжектированных в базу диода, поэтому
увеличивается и время восстановления обратного сопротивления диода. С ростом
частоты и температуры ухудшаются динамические свойства диода.
8.4 Ёмкостные свойства диода
Прямое моделирование ёмкостных свойств диода в
программе Cadance OrCaD
Capture невозможно, однако
можно предложить простой способ определения барьерной ёмкости по изменению
обратного тока при воздействии импульсного сигнала.
Iс бар=Сбар*(dU/dt)
Отсюда Cбар=
Iс бар/(dU/dt).
Если U=k*t
то
Сбар= Iс
бар/k.
Рис. 85. Схема моделирования ёмкостных
свойств диода
Параметры моделирования:
.TRAN
0 0.9ms 0.001ms
.PROBE V(alias(*)) I(alias(*))
W(alias(*)) D(alias(*)) NOISE(alias(*))
.INC "..\SCHEMATIC1.net"
Рис. 86. График зависимости барьерной
ёмкости от напряжения.
Как видно из графика, ёмкость уменьшается с
ростом обратного напряжения смещения на диоде из-за расширения
электронно-дырочного перехода.
По результатам расчета определяется Fi
контактная и характер распределения примесей (линейный p-n переход либо резкий
p-n переход). Как видно из графика, ближе к линейной зависимости график функции
1/Cбар^3,
т.е. можно сделать вывод что исследованный диод имеет линейное распределение
примесей. Перенесение этой функции с осью абсцисс даёт значение контактной
разности потенциалов 0.7 В.
Рис. 87. Графики зависимости от напряжения
1/Сбар^2 и 1/Сбар^3
Возможны и другие способы определения Сбар
по результатам исследования резонансных частот параллельного или
последовательного резонансного контура в котором в качестве ёмкости
используется барьерная ёмкость p-n
перехода.
8.5 Стабилитрон как
формирователь прямоугольных импульсов
Полупроводниковый стабилитрон - это
полупроводниковый диод, напряжение на котором в области электрического пробоя
при обратном смещении слабо зависит от тока в заданном его диапазоне и который
предназначен для стабилизации напряжения.
Рис. 88. Схема использования стабилитрона
как формирователя прямоугольных разнополярных импульсов
Параметры моделирования:
.TRAN 0 4m 0
.PROBE V(alias(*)) I(alias(*))
W(alias(*)) D(alias(*)) NOISE(alias(*))
.INC "..\SCHEMATIC1.net"
Рис. 89. Разнополярные напряжения
прямоугольной формы, сформированные с помощью стабилитрона
9. Моделирование характеристик
варикапа
Варикап - это полупроводниковый диод, действие
которого основано на использовании зависимости емкости от обратного напряжения
и который предназначен для применения в качестве элемента с электрически
управляемой емкостью.
Рис. 90. Схема моделирования частотных
свойств последовательного резонансного контура с варикапом
Параметры моделирования:
.AC
LIN 5000 6meg
20meg
.STEP PARAM qwe LIST 1 5 10
.PROBE V(alias(*)) I(alias(*))
W(alias(*)) D(alias(*)) NOISE(alias(*))
.INC "..\SCHEMATIC1.net"
Рис. 91. Зависимость резонансной частоты
последовательного контура с варикапом от напряжения смещения
С изменением напряжения смещения изменяется
ёмкость варикапа и как следствие этого - резонансная частота контура.
10. Моделирование характеристик
диффузионного резистора
В полупроводниковых интегральных микросхемах на
биполярных структурах в качестве резисторов часто используются проводящие
области полупроводника помещённые, в изолированных с помощью p-n
перехода областях. Наличие изолирующего p-n
перехода с его барьерной ёмкостью будет сказываться на значении сопротивления
при работе на переменном сигнале, особенно в области высоких частот из-за
шунтирующего действия ёмкостного сопротивления p-n
перехода. На рис. 92 приведены эквивалентные
схемы диффузионного резистора состоящего из 1, 3, 5 и 10 Т-образных RC
звеньев.
Рис. 92. Эквивалентные схемы моделирования
диффузионного резистора состоящего из 1, 3, 5 и 10 Т-образных RC
звеньев.
Параметры моделирования:
.AC LIN 5000 1 10meg
.PROBE V(alias(*)) I(alias(*))
W(alias(*)) D(alias(*)) NOISE(alias(*))
.INC "..\SCHEMATIC1.net"
Рис. 93. Зависимость сопротивления
диффузионного резистора от частоты при использовании эквивалентных схем,
состоящих из различного числа звеньев
Из рисунка видно, что использование
эквивалентной схемы состоящей из трёх звеньев уже даёт довольно точные
результаты моделирования.
11. Моделирование характеристик
транзисторной оптопары
Оптопара - это оптоэлектронный полупроводниковый
прибор, состоящий из излучающего и фотоприёмного элементов, между которыми
имеется оптическая связь и обеспечена электрическая изоляция.
Транзистор, реагирующий на облучение световым
потоком и способный одновременно усиливать фототок, называют фототранзистором.
Рис. 94. Схема для моделирования ВАХ
фототранзистора на основе транзисторной оптопары
Параметры моделирования:
.DC
LIN V_V1
0 15 0.01
.STEP I_I1 LIST 0 5mA 10mA 50mA 100m
.PROBE V(alias(*)) I(alias(*))
W(alias(*)) D(alias(*)) NOISE(alias(*))
.INC "..\SCHEMATIC1.net"
Рис. 95. График зависимости тока коллектора
от напряжения на коллекторе транзисторной оптопары
Как видно из графика, с увеличением тока
светодиода, возрастает и ток коллектора.
12. Моделирование характеристик
фотоэлемента
Полупроводниковый фотоэлемент - это
полупроводниковый прибор с выпрямляющим электрическим переходом,
предназначенный для непосредственного преобразования световой энергии в
электрическую.
Схема для
моделирования характеристик фотоэлемента на основе транзисторной оптопары
Параметры моделирования:
.DC LIN I_I1 0 100m 0.01m
.PROBE V(alias(*)) I(alias(*))
W(alias(*)) D(alias(*)) NOISE(alias(*))
.INC "..\SCHEMATIC1.net"
Рис. 96. График генерированных фото ЭДС p-n
переходами фототранзистора
В транзисторе уровни легирования эмиттера и
коллектора различные, поэтому коллекторный и эмиттерный переходы имеют
различные разности потенциалов что и приводит к отличию генерированных p-n
переходами ЭДС.
13. Моделирование характеристик
варистора
Варистор - это полупроводниковый резистор,
сопротивление которого зависит от приложенного напряжения.
Нелинейность ВАХ варисторов обусловлена
явлениями на точечных контактах между кристаллами карбида кремния. При малых
напряжениях на варисторе может происходить туннелирование электронов сквозь
тонкие потенциальные барьеры, существующие на поверхности кристаллов карбида
кремния.
При больших напряжениях на варисторе и
соответственно при больших токах, проходящих через него, плотность тока в
точечных контактах оказывается очень большой. Всё напряжение, приложенное к
варистору, падает на точечных контактах. Поэтому удельная мощность (мощность в
единице объема), выделяющаяся в точечных контактах, достигает таких значений,
которые нельзя не учитывать. Разогрев точечных контактов приводит к уменьшению
их сопротивления и к нелинейности ВАХ.
Рис. 97. Схема моделирования характеристик
варистора
13.1 Вольт-амперная
характеристика варистора
Параметры моделирования:
.DC LIN V_V1 -30 30 0.01
.PROBE V(alias(*)) I(alias(*))
W(alias(*)) D(alias(*)) NOISE(alias(*))
.INC "..\SCHEMATIC1.net"
Рис. 98. График ВАХ варистора
13.2 Моделирование
характеристик варистора в динамическом режиме
Рис. 99. Схема моделирования характеристик
варистора в динамическом режиме
Параметры моделирования:
.TRAN 0 1 0 0.001
.PROBE V(alias(*)) I(alias(*))
W(alias(*)) D(alias(*)) NOISE(alias(*))
.INC "..\SCHEMATIC1.net"
Рис. 100. График работы варистора в
динамическом режиме при подаче синусоидального напряжения
Временная зависимость напряжения падения
напряжения на варисторе. Иллюстрирует нелинейный характер ВАХ варистора.
13.3 Утроение частоты на
варисторе
Мостовая схема с варисторами иллюстрирует
возможность утроения частоты синусоидального сигнала.
Рис. 101. Мостовая схема с варисторами
Параметры моделирования:
.TRAN
0 220ms 200ms
0.01ms
.PROBE V(alias(*)) I(alias(*))
W(alias(*)) D(alias(*)) NOISE(alias(*))
.INC "..\SCHEMATIC1.net"
Рис. 102. Графики входного синусоидального
напряжения и выходного утроенного по частоте напряжения
14. Моделирование характеристик термистора
Терморезистор - это резистор, в котором
используется зависимость электрического сопротивления полупроводника от
температуры.
Термистор - это полупроводниковый терморезистор
с отрицательным температурным коэффициентом сопротивления.
В термисторах прямого подогрева сопротивление
изменяется или под влиянием теплоты, выделяющейся в них при прохождении
электрического тока, или в результате изменения температуры термистора из-за
изменения его теплового облучения (например, при изменении температуры
окружающей среды).
Уменьшение сопротивления полупроводника с
увеличением температуры (отрицательный температурный коэффициент сопротивления)
может быть вызвано разными причинами - увеличением концентрации носителей
заряда, увеличением интенсивности обмена электронами между ионами с переменной
валентностью или фазовыми превращениями полупроводникового материала.
. Первое явление характерно для
термисторов, изготовленных из монокристаллов ковалентных полупроводников
(кремний, германий, карбид кремния, соединений AIIIBIV
и др.). Такие полупроводники обладают отрицательным температурным коэффициентом
сопротивления в диапазоне температур, соответствующих примесной
электропроводности, когда не все примеси ионизированы, а также в диапазоне
температур собственной электропроводности, когда концентрация носителей
изменяется из-за ионизации собственных атомов полупроводника. И в том и в
другом случае зависимость сопротивления полупроводника определяется в основном
изменением концентрации носителей заряда, так как температурные изменения
подвижности при этом пренебрежимо малы.
. Основная часть термисторов, выпускаемых
промышленностью, изготовлена из оксидных полупроводников - оксидов металлов
переходной группы таблицы Д. И. Менделеева (от титана до цинка).
Электропроводность оксидных полупроводников с преобладающей ионной связью
отличается от электропроводности ковалентных полупроводников. Для металлов
переходной группы характерны наличие незаполненных электронных оболочек и
переменная валентность. В результате при образовании оксида в определённых
условиях (наличие примесей, отклонение от стехиометрии) в одинаковых
кристаллографических положениях оказываются ионы с разными зарядами.
Электропроводность таких материалов связана с обменом электронами между
соседними ионами. Энергия, необходимая для такого обмена, экспоненциально
уменьшается с увеличением температуры. В результате изменения интенсивности
обмена электронами между ионами температурная зависимость сопротивления
термистора из оксидного полупроводника имеет такой же характер, как и у
термисторов из ковалентных полупроводников, но коэффициент температурной
чувствительности в этом случае отражает изменение интенсивности обмена
электронами между ионами, а не изменение концентрации носителей заряда.
. В оксидах ванадия V2O4
и V2O3
при температуре фазовых превращений (68 и - 110оС) наблюдается
уменьшение удельного сопротивления на несколько порядков. Это явление также
может быть использовано для создания термисторов с большим отрицательным
температурным коэффициентом сопротивления в диапазоне температур
соответствующих фазовому превращению.
Рис. 103. Схема моделирования термистора
Параметры моделирования:
.DC
LIN I_I1
0.0001 0.4 0.0001
.PROBE V(alias(*)) I(alias(*))
W(alias(*)) D(alias(*)) NOISE(alias(*))
.INC"..\SCHEMATIC1.net"
Рис. 104. График ВАХ термистора
На начальном участке разогрев термистора
незначителен, поэтому его дифференциальное сопротивление положительное. С
ростом рабочего тока увеличивается мощность, выделяющаяся в термисторе, что
приводит к разогреву прибора и уменьшению его сопротивления, т.е. к снижению
падения напряжения на нём.
Параметры моделирования:
.DC
LIN I_I1
0.0001 0.4 0.0001
.TEMP -10 27 125
.PROBE V(alias(*)) I(alias(*))
W(alias(*)) D(alias(*)) NOISE(alias(*))
.INC "..\SCHEMATIC1.net"
Рис. 105. График ВАХ термистора при разных
внешних температурах
При малых температурах окружающей среды
сопротивление термистора определяется только внутренним разогревом, т.е.
протекающим через него током.
С ростом температуры окружающей среды возникает
дополнительный разогрев термистора, поэтому максимум ВАХ термистора наблюдается
при меньших напряжениях.
Выводы
Данная работа показала, что компьютерное
моделирование является мощным современным методом исследования характеристик
полупроводниковых приборов. В качестве достоинств данного метода можно отметить
безопасность моделирования, быстроту, а большая база электронных элементов
позволяет разнообразить учебный процесс. Данные наработки по моделированию
можно использовать при построении физических аналогов лабораторных макетов
исследованных полупроводниковых приборов.
Список литературы
1. С.В. Якубовский, Л.И.
Ниссельсон, В.И. Кулишова. Цифровые и аналоговые интегральные микросхемы:
Справочник. - Москва.: Радио и связь, 1989.
. Егоров А.В. Выпускная
квалификационная работы бакалавра. Тема: Разработка электронных схем
лабораторного макета «Исследование статических характеристик биполярного
транзистора».
. А.В. Нефедов. Интегральные микросхемы
и их зарубежные аналоги: Справочник. Том 2. - М.:ИП РадиоСофт, 1998г. - 640 с.:
ил.
. Перельман Б.Л., Шевелев
В.И. Отечественные микросхемы и зарубежные аналоги Справочник. - "НТЦ
Микротех", 1998г.,376 с.
. Программный
пакет
Cadence OrCAD Capture
6. Пасынков В.В., Чиркин Л.К.
Полупроводниковые приборы: Учебное пособие. 8-е изд., испр. - СПб.: Изд.
«Лань», 2006г. - 480 с.: ил.