Устройство питания электронных схем

  • Вид работы:
    Дипломная (ВКР)
  • Предмет:
    Информатика, ВТ, телекоммуникации
  • Язык:
    Русский
    ,
    Формат файла:
    MS Word
    58,36 kb
  • Опубликовано:
    2011-07-12
Вы можете узнать стоимость помощи в написании студенческой работы.
Помощь в написании работы, которую точно примут!

Устройство питания электронных схем














КУРСОВОЙ ПРОЕКТ

на тему: «Устройство питания электронных схем»

Введение

Современный научно-технический прогресс тесно связан с развитием электроники. Успехи электроники являются результатом создания разнообразных по своим свойствам электровакуумных и полупроводниковых приборов. В настоящее время число различных типов электронных приборов велико.

Электроника представляет собой бурную развивающуюся область науки и техники. Она изучает принципы устройства, работы и применения различных электронных приборов. Применение электронных устройств позволяет проводить разнообразные исследования и измерения, частности такие, которые сами не имеют ни чего общего с электроникой. Электронные усилители, генераторы, выпрямители, осциллографы, измерительные приборы и другие устройства стали мощными средствами для научных исследований, автоматизации и контроля производственных процессов.

Питание радиоаппаратуры от электросетей переменного тока - наиболее экономичный, удобный и надежный способ электропитания. Но для питания для питания цепей требуется постоянный ток, для этого переменный ток электросети преобразуют в пульсирующий (ток постоянного напряжения, периодически изменяющийся по величине), уменьшая затем пульсации до столь малой величины, что он не создает заметных помех (фона) в громкоговорителе, телефоне, на экране и т.п.

Преобразование переменного тока в пульсирующий называется выпрямлением, а сами преобразователи - выпрямителями.

Процесс уменьшения пульсаций называется сглаживанием пульсаций и осуществляется сглаживающими фильтрами. Выпрямителем часто называют весь комплекс, в который входят как собственно выпрямитель, так и сглаживающий фильтр.

Выпрямитель (электрического тока) - преобразователь электрической энергии; механическое, электровакуумное, полупроводниковое или другое устройство, предназначенное для преобразования переменного входного электрического тока в постоянный выходной электрический ток


1. Задание

Разработать источник питания электронной схемы согласно следующим требованиям:

1.       U сети = 220 В,

2.       Тип выпрямителя: однофазная мостовая схема,

.        Фильтр: RC,

.        Коэффициент пульсации на выходе фильтра: 0,06,

5.       KСТ = 500,

6.       UН = 9 В,

7.       RН =200 Ом

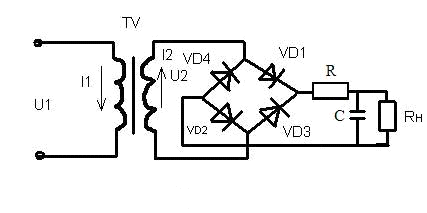
.1 Описание схемы


Однофазная мостовая схема представляет собой мост из вентилей VD1 - VD4, в одну диагональ которого включена нагрузка, а в другую переменное напряжение U2, и сглаживающий RC-фильтр, подключенный параллельно нагрузке. В положительном полупериоде открыты диоды VD1 - VD2, в отрицательном - VD3 - VD4. Ток в нагрузке протекает в одном и том же направлении в течение обоих полупериодов.

1. Теоретические сведения

1.1 Выпрямитель

Выпрямительное устройство предназначено для преобразования переменного тока в постоянный и состоит, в общем случаи, из трех узлов: трансформатора, выпрямителя и сглаживающего фильтра. В случае необходимости в выпрямитель добавляется стабилизатор напряжения.

Режим работы выпрямителя в основном определяется типом фильтра, включенного на его выходе. В маломощных выпрямителях, которые питаются от однофазной сети переменного тока, применяются емкостные фильтры, Г - образные LC, RC и П-образные CLC и CRC фильтры.

Емкостный фильтр характерен для выпрямителей, рассчитанных на малые токи нагрузки, и, в общем случае, представляет собой обычный конденсатор, подключенный параллельно нагрузке для уменьшения пульсаций выпрямленного напряжения. Реакция нагрузки на выпрямитель зависит от емкости конденсатора, сопротивление которого для переменной составляющей на много меньше сопротивления нагрузки.

Если же фильтр выпрямителя начинается с дросселя, обладающего большой индуктивностью, то нагрузка выпрямителя - индуктивная.

1.2 Характеристики выпрямителя

схема выпрямитель электрический ток

Выпрямитель характеризуется: выходными параметрами, режимом работы диодов, и параметрами трансформатора.

Выходные параметры выпрямителя:

номинальное среднее выпрямленное напряжение U0;

номинальный средний выпрямленный ток I0;

коэффициент пульсаций выпрямленного напряжения Kп01;

частота пульсаций выпрямленного напряжения Fп;

внутреннее сопротивление выпрямителя R0;

Коэффициентом пульсации Kп01 называется отношение амплитуды первой гармоники выпрямленного напряжения U01 к среднему значению выпрямленного напряжения U0.

Характеристика диодов в выпрямителе:

среднее значение прямого тока Iпр ср;

действующее значение прямого тока Iпр;

амплитуда тока Iпр max;

амплитуда обратного напряжения Uобр max;

средняя мощность Рпр ср;

1.3 Схемы выпрямления

Существуют различные схемы выпрямления для питания РЭА от однофазной сети переменного тока.

1.       Однополупериодный выпрямитель.

Простейшая схема однополупериодного выпрямителя состоит только из одного выпрямляющего ток элемента (диода). На выходе - пульсирующий постоянный ток. На промышленных частотах (50-60 Гц) не имеет широкого применения, так как для питания аппаратуры требуются сглаживающие фильтры с большими величинами емкости и индуктивности, что приводит к увеличению габаритно-весовых характеристик выпрямителя. Однако схема однополупериодного выпрямления нашла очень широкое распространение в импульсных блоках питания с частотой переменного напряжения свыше 10 КГц, широко применяющихся в современной бытовой и промышленной аппаратуре. Объясняется это тем, что при более высоких частотах пульсаций выпрямленного напряжения, для получения требуемых характеристик (заданного или допустимого коэффициента пульсаций), необходимы сглаживающие элементы с меньшими значениями емкости (индуктивности). Вес и размеры источников питания уменьшаются с повышением частоты входного переменного напряжения.

Выпрямители по однополупериодной схеме применяются в основном с емкостным фильтром и обычно рассчитаны на выпрямленные токи до десятков миллиампер.

К достоинствам такого выпрямителя относится: простота и возможность работать без наличия трансформатора. К недостаткам: низкая частота пульсаций, высокое обратное напряжение на вентиле, плохое использование трансформатора (если он есть), подмагничивание сердечника постоянным током.

. Двухполупериодный со средней точкой.

Эта схема представляет собой два однополупериодных выпрямителя, работающих на общую нагрузку и питающихся от находящихся в противофазе ЭДС. Для создания этих ЭДС в схеме является обязательным наличие трансформатора с двумя полуобмотками на вторичной стороне, имеющими среднюю точку.

Двухполупериодный выпрямитель с выводом от средней точки в основном работает с емкостным, Г- и П - образным RC и LC фильтрами. Достоинства такого выпрямителя - повышенная частота пульсаций, малое число вентилей, возможность использовать общего радиатора для диодов без изоляции. К недостаткам данной схемы можно отнести: большая габаритная мощность трансформатора по сравнению с мостовой схемой и по схеме удвоения напряжения, повышенное обратное напряжение на диодах.

3.       Однофазный выпрямитель по мостовой схеме.

Такая схема является наилучшим вариантом по техническим и экономическим показателям.

Мостовая схема так же является двухполупериодной. Форма напряжения на нагрузке оказывается такой же, как и на схеме со средней точкой. Рабочее напряжение конденсатора так же равняется амплитуде переменного напряжения на вторичной обмотке.

Мостовая схема содержит четыре диода. В течение одной половины периода ток проходит от верхнего по схеме вывода вторичной обмотки через диод VD1, нагрузку, диод VD2 и к нижнему выводу обмотки. В течение следующей полуволны ток проходит от нижнего по схеме вывода вторичной обмотки, через VD3, нагрузку, VD4 и к верхнему выводу обмотки. Таким образом, В течении обоих полупериодов диодами выпрямляется одно и тоже напряжение вторичной обмотки, и составляющая пульсации с частотой 50 Гц отсутствует. Так как ток нагрузки проходит через диоды поочередно, то ток каждого диода будет равен половине тока нагрузки.

Увеличение числа диодов в мостовой схеме окупается вдвое меньшим числом витков вторичной обмотки, уменьшением пульсаций, относительно небольшим обратным напряжением, хорошим использованием трансформатора, возможностью работать от сети переменного тока без трансформатора. К недостаткам такой схемы можно отнести повышенное падение напряжения на диодном комплекте. (падение напряжения на кремневом диоде может достигать порядка 1В. А на двух последовательных - соответственно 2В как в мостовой схеме. Таким образом, если выпрямитель рассчитан на низкое напряжение, соизмеримое с падением напряжения на диодах, нужно будет увеличивать напряжение вторичной обмотки трансформатора), невозможность установки, используемых диодов на одном радиаторе без изолирующих прокладок.

1.4 Выпрямление электрического тока

. Блоки питания аппаратуры.

Применение выпрямителей в блоках питания радио- и электроаппаратуры обусловлено тем, что обычно в системах электроснабжения зданий или транспортных средств (самолётов, поездов) применяется переменный ток, и выходной ток любого электромагнитного трансформатора, применённого для гальванической развязки цепей или для понижения напряжения, всегда переменный, тогда как в большинстве случаев электронные схемы и электродвигатели целевой аппаратуры рассчитаны на питание током постоянного напряжения.

а) Блоки питания промышленной и бытовой радио- и электроаппаратуры (в т.ч. так называемые адаптеры (англ. AC-DC adaptor)).

б) Блоки питания бортовой радиоэлектронной аппаратуры транспортных средств.

. Выпрямители электросиловых установок.

а) Выпрямители питания главных двигателей постоянного тока автономных транспортных средств и буровых станков.

Как правило, на автономных транспортных средствах (автомобилях, тракторах, тепловозах, теплоходах, атомоходах, самолётах) для получения электроэнергии применяют генераторы переменного тока, так как они имеют большую мощность при меньших габаритах и весе, чем генераторы постоянного тока. Но для приводов движителей транспорта обычно применяются двигатели постоянного тока, так как они позволяют простым переключением полюсов питающего тока управлять направлением движения. Это позволяет отказаться от сложных, тяжёлых и ненадёжных коробок переключения передач. Также применяется и для привода бурильных станков буровых вышек.

б) Преобразователи бортового электроснабжения постоянного тока автономных транспортных средств: автотракторной, железнодорожной, водной, авиационной и другой техники.

Генерация электроэнергии на транспортном средстве обычно производится генератором переменного тока, но для питания бортовой аппаратуры необходим постоянный ток. Например, в легковых автомобилях применяются электомеханические или полупроводниковые выпрямители.

. Сварочные аппараты.

В сварочных аппаратах постоянного тока применяются чаще всего мостовые схемы на мощных кремниевых выпрямительных диодах - вентилях, с целью получения постоянного сварочного напряжения и тока. Он отличается от переменного тем, что при использовании его сильнее нагревается область дуги около положительного (+) её полюса, что позволяет либо осуществлять щадящую сварку свариваемых деталей преимущественно плавящимся сварочным электродом, либо экономить электроды, осуществляя резку металла электродуговой сваркой.

Применение выпрямителей для преобразования переменного тока в постоянный вызвало понятие среднего значения тока по модулю (т.е. без учета знака ординаты) за период. При двухполупериодном выпрямлении среднее значение по модулю определяется как среднеарифметическое значение всех ординат обеих полуволн за целый период без учета их знаков (т.е. полагая все ординаты за период положительными, что и имеет место при двухполупериодном идеальном выпрямлении.

В качестве вентилей до последнего времени использовались в основном ртутные выпрямители (неуправляемые и управляемые). В настоящее время широкое применение находят преимущественно кремниевые полупроводниковые выпрямители. Внедряются тиристорные выпрямители.

Обычно выпрямительные установки выполняются большой мощности и присоединяются через специальные трансформаторы к питающей сети на напряжении 6 - 10 кВ. Выпрямительные установки небольшой мощности выполняются по трехфазной схеме с нулевым выводом.

. Вентильные блоки преобразовательных подстанций систем энергоснабжения.

а) Для питания главных двигателей постоянного тока прокатных станов, кранов и другой техники

Энергоснабжение заводов осуществляется электросетью переменного тока, но для приводов прокатных станов и других агрегатов выгоднее использовать двигатели постоянного тока по той же причине, что и для двигателей транспортных средств.

б) Для гальванических ванн (электролизёров) для получения цветных металлов и стали, нанесения металлических покрытий и гальванопластики.

в) Установки электростатической очистки промышленных газов (электростатический фильтр)

г) Установки очистки и обессоливания воды

д) Для электроснабжения контактных сетей электротранспорта постоянного тока (трамвай, троллейбус, электровоз, метро)

е) Для несинхронной связи энергосистем переменного тока

ж) Для дальней передачи электроэнергии постоянным током.

. Детектирование высокочастотного сигнала.

В простейшем случае детектор амплитудно-модулированного сигнала устроен аналогично выпрямителю. Принцип работы основан на предположении, что частота несущей значительно выше частоты модулирующего сигнала, а коэффициент модуляции меньше единицы. В этом случае сигнал на входе устройства выпрямляется и фильтруется с помощью ФНЧ с частотой среза большей, чем максимальная частота модулирующего сигнала.

1.5 Основные параметры выпрямителя


2. Расчёт параметров

Необходимо рассчитать параметры выпрямителя, исходя из этих параметров выбрать диоды, рассчитать параметры RC-фильтра и по ним подобрать резистивный элемент и конденсатор.

Определим основные параметры выпрямителя.

Определяем постоянную составляющую выпрямленного тока (ток нагрузки) Iн:


Определяем действующее значение напряжения вторичной обмотки трансформатора U2:

Определяем действующее значение тока, протекающего через вторичную обмотку трансформатора:

Максимальное значение обратного напряжения на закрытом диоде:

Так как ток через диоды протекает полпериода, то среднее значение тока диода равно:

Выбираем диоды по двум параметрам: Iпр и Uобр.max, которые должны быть не менее расчетных значений. Выбираем по справочнику диод Д103A, который имеет Iпр max= 30mA, Uобр.max=30В.

Произведем расчет параметров RC-фильтра.

Определим сопротивление резистивного элемента:


Таким образом, нам необходим резистор сопротивлением 200 Ом.

В фильтре присутствует конденсатор, подключенный параллельно нагрузке. Коэффициент пульсации напряжения на выходе находят по формуле:

, где m=2 для мостового выпрямителя, ω=2πf (f=50Гц).

С помощью этой формулы найдем емкость конденсатора C:


Выбираем конденсатор емкостью 16 мкФ.

Заключение

В ходе работы я рассчитал необходимые параметры и изобразил принципиальную схему мостового выпрямителя. Для нормальной работы источника питания, как показали расчеты, требуются диоды Д103А, резистор сопротивлением 200 Ом и конденсатор емкостью 16 мкФ.

Однофазный мостовой выпрямитель можно считать пределом совершенства тех однофазных выпрямителей, которые могут использоваться без трансформатора. Не известна другая однофазная схема без трансформатора, в которой бы так рационально использовались диоды. Диоды в рассматриваемой схеме включаются и выключаются парами.

Такой выпрямитель характеризуется высокими технико-экономическими показателями и широко используется на практике. Часто все четыре диода выпрямителя помещают в один корпус.

Увеличение числа диодов в мостовой схеме окупается вдвое меньшим числом витков вторичной обмотки, уменьшением пульсаций, относительно небольшим обратным напряжением, хорошим использованием трансформатора, возможностью работать от сети переменного тока без трансформатора.


Список литературы

1. О.В. Миловзоров, И.Г. Панков «Электроника» ФГУП «Высшая школа» 2005-288 с.:ил.

. В.И. Лачин, Н.С. Савелов «Электроника» учебное пособие, Ростов/нД: Феникс, 2005, - 74 с.

. Жеребцов И.П. Основы электроники. - 4-е изд., перераб. и доп. - Л.: Энергоатомиздат. Ленингр. отд-ние, 1985. - 352 с.


Не нашли материал для своей работы?
Поможем написать уникальную работу
Без плагиата!
Без нейросетей!