Источник бесперебойного питания
Источник бесперебойного питания
2006 г.
Вступление
В настоящее время наблюдается увеличение потребности в
высокоскоростных центрах обработки данных, системах телекоммуникационной связи
в реальном масштабе времени и применении систем с непрерывным автоматическим
технологическим процессом. Рост потребности в таком оборудовании вместе с
обеспечением большим количеством разнообразных возможностей выдвигает повышенные
требования к источникам электропитания.
Невзирая на то, что при генерации электроэнергии,
напряжение имеет отличные характеристики, в тот момент, когда электропитание
достигает потребителя, его качество далекое от идеального. Большинство типов помех
недопустимое, например, значительные провалы напряжения и колебания частоты,
что может привести к непоправимым потерям, вызванным повреждением оборудования.
Обычно же финансовые последствия этого могут быть существенными, влияя не
только на текущую работу, но, что является серьезнее, и на развитие предприятия,
которое понесло убытки.
При проектировании радиоэлектронной аппаратуры, одним
из основных критериев экономичности является снижение потребляемой устройством
мощности (в частности, применение новых технологий позволило сократить на
несколько порядков потребление энергии бытовой аппаратурой, по сравнению,
например с тем, что было десятки лет тому назад).
За прошедшие более чем 100 лет от момента появления
первого электронного устройства (радио А.С. Попова) до наших дней изменилось
несколько поколений электронных устройств, которые имеют принципиальные отличия
по функциональным возможностям, типу применяемой элементной базы,
конструктивно-техническому решению и т.д. Это равной мерой относится к радиоэлектронной
аппаратуре бытового назначения, так и системам управления сложными техническими
объектами, такими как воздушные лайнеры, космические аппараты и др. Однако
каждый вид электронных средств, будь это компьютер, схема управления работой
системы жизнеобеспечения, проигрыватель компакт дисков или радиолокационная
станция, все они имеют устройство, которое обеспечивает электропитанием все узлы
и элементы (электронных ламп, транзисторов, микросхем), устройств, которые
входят в ту или другую систему. Следовательно, наличие источника питания в
любом устройстве вещь вполне очевидная и требования к нему достаточно большие,
ведь от его качественной работы зависит работа устройства в целом. Особенное
внимание, при разработке источников питания, стали уделять при построении
сложных цифровых устройств (персональный компьютер или любая другая
микропроцессорная техники), где возникла потребность обеспечения этих устройств
непрерывным и самое главное - качественным питанием. Пропадание напряжения для
устройств этого класса может быть фатальным: медицинские системы
жизнеобеспечения нуждаются в постоянной работе комплекса устройств, и
требования к их питанию очень строги; системы банковской защиты и охранные системы;
системы экстренной связи и передачи информации.
При создании электронного устройства отдельного класса
и назначения (электронно-вычислительные машины, медицинская и бытовая
электронная техника, средства автоматизации) источник обеспечения
гарантированного питания может быть подобран из тех, которые выпускаются серийно.
В некоторых странах существуют фирмы, которые специализируются на промышленном
выпуске источников бесперебойного питания, и потребитель имеет возможность
выбрать тот, который ему больше всего подходит. Однако, когда по
эксплуатационным, конструкторским или другим характеристикам источника
бесперебойного питания, которые выпускаются серийно, не удовлетворяют
потребностям потребителя, необходимо разработать новый, с учетом всех правил,
специфических для этого вида.
Темой данного проекта является разработка универсального
источника бесперебойного питания (далее ИБП). Его универсальность заключается в
том, чтобы он мог использоваться в любой аппаратуре мощностью до 600 Вт,
начиная с персонального компьютера и заканчивая медицинской аппаратурой. Причина
построения бесперебойного источника — это возможность его использования в любой
аппаратуре, для которой стабильное электропитание является важным фактором.
Раздел № 1. Техническая часть. Обоснование обеспечения
условий ТЗ.
Исходя из назначения проектируемого устройства и
специфики области его применения, рассмотрим основные критерии, согласно
которым будет вестись последующая разработка.
К основным критериям разработки источника
бесперебойного питания стоит отнести надежность и стойкость к внешним воздействиям
(в частности, к вибрационным и ударным нагрузкам).
Для повышения надежности блока, при его
проектировании, предлагается:
- обеспечить легкие электрические, тепловые рабочие
режимы деталей и материалов конструкции, их правильный выбор;
- обеспечить надежную защиту от внешних и внутренних
дестабилизирующих факторов;
- широко использовать интегральные микросхемы (далее ИМС),
а также стандартные компоненты;
- обеспечить ремонтопригодность изделия, используя
функционально-узловой метод конструирования.
На ранней стадии, процесс проектирования заключаться в
рассмотрении подобных систем с подбором технологии электропитания. Перечислим
факторы, что влияют на этот этап:
- стоимость;
- масса и размеры;
- коэффициент полезного действия блока питания;
- входное напряжение;
- срок действия аккумуляторной батареи;
- необходимое качество выходящего напряжения;
- время, необходимое для выхода продукции на рынок.
С целью обеспечения эстетических и эргономичных
показателей, предлагается использовать современный дизайн.
Для обеспечения заданных климатических и механических
требований предлагается использовать элементную базу и материалы, учитывая
предельные внешние воздействия, которые негативно влияют на работоспособность
изделия.
1.2. Обзор аналогов изделия.
Одним из аналогов нашего изделия являются ИБП PW5125RM
и PW5115RM производства фирмы Powerware. Они также предназначены для крепления
в серверную стойку и имеют выходную мощность 1000ВА. Другие технические
характеристики можно привести в виде таблицы.
Характеристики ИБП. Таблица 1.2.1.
|
Параметры
|
PW5125RM
|
PW5115RM
|
|
Выходная мощность (ВА/Вт)
|
1000/900
|
1000/670
|
|
Габаритные размеры (мм)
|
432*494*89
|
440*450*58
|
|
Масса (кг)
|
27
|
20
|
|
Номинальное выходное напряжение
(В)
|
220-240
|
220-240
|
|
Возможный диапазон входного
напряжения (В)
|
166-276
|
175-250
|
|
Рабочая частота (Гц)
|
50/60
|
50/60
|
|
Номинальное входное
напряжение (В)
|
220-240
|
220-240
|
|
КПД (%)
|
93
|
90
|
|
Индикация параметров
|
Светодиоды
|
Светодиоды
|
|
Коммуникационный порт
|
RS232
|
RS-232
|
|
Рабочий диапазон температур
|
0 – 40 С0
|
0-40 С0
|
|
Шум (дБ)
|
Не больше 50
|
Не больше 45
|
|
Время работы при максимальной
нагрузке (мин.)
|
7
|
5
|
Данные ИБП имеют хорошие параметры и высокую цену.
Поэтому, возникает необходимость в дешевых и надежных ИБП, которые не уступают
по характеристикам их зарубежным аналогам и даже превосходят. В дипломном
проекте будет проведена разработка такого устройства.
1.3. Описание структурной схемы.
1.3.1. Обзор и анализ структурных схем систем бесперебойного
питания
Источник бесперебойного питания — автоматическое
устройство, которое обеспечивает питание нагрузки при полном исчезновении
напряжения во внешней электросети, например в результате аварии или от недопустимо
высокого отклонения параметров напряжения сети от номинальных значений. Пари
этом ИБП использует для аварийного питания нагрузки энергию аккумуляторных
батарей.
Рассмотрим несколько основных типов построения
структурных схем ИБП:
ИБП резервного типа.
Линейно-интерактивный ИБП.
ИБП с двойным преобразованием напряжения.
ИБП резервного типа (Off-Line или standby)
Рис.
1.3.1. ИБП типа Off-Line.
Источник бесперебойного питания, выполнен по схеме с
коммутирующим устройством, которое в нормальном режиме работы обеспечивает
подключение нагрузки непосредственно к внешней электросети, а в аварийном
переводит ее на питание от аккумуляторных батарей. Преимуществом ИБП резервного
типа является его простота и невысокая стоимость, а недостатком – ненулевое время
переключения (~4 мс) на питание от аккумуляторов и более интенсивная их
эксплуатация, потому что ИБП переводится в аварийный режим при любых
неисправностях в электросети.
ИБП резервного типа, как правило, имеет небольшую
мощность и применяется для обеспечения гарантированного электропитания
отдельных устройств (персональных компьютеров, рабочих станций, офисного
оборудования) в регионах с хорошим качеством электросети.
Линейно-интерактивный (Line-Interactive) .
Источник бесперебойного питания, выполненный за схемой
с коммутирующим устройством (Off-Line), дополненный стабилизатором входного
напряжения на основе автотрансформатора с переключающимися обмотками.
Рис.
1.3.2. ИБП, тип Line-Interactive.
Основное преимущество линейно-интерактивного ИБП по
сравнению с источником резервного типа заключается в том, что он способен обеспечить
нормальное питание нагрузки при повышенном или пониженном напряжении
электросети (самый распространенный вид неисправностей в отечественных линиях
электроснабжения) без перехода в аварийный режим. В итоге повышается срок
службы аккумуляторных батарей. Недостатком линейно-интерактивной схемы является
ненулевое время переключения (~4 мс) нагрузки на питание от батарей.
По эффективности линейно-интерактивные ИБП занимают
промежуточное значение между простыми и относительно дешевыми резервными
источниками (Off-Line) и высокоэффективными, но и более дорогими источниками с
двойным преобразованием напряжения (On-Line). Как правило,
линейно-интерактивные ИБП применяют для обеспечения гарантированного питания
персональных компьютеров, рабочих станций, файловых серверов, узлов локальных
вычислительных сетей и офисного оборудования. Механизм автоматической регулировки
напряжения построен на основе автотрансформатора с переключающимися обмотками.
Применяется в ИБП, собранных по линейно-интерактивной схеме, для ступенчатой корректировки
входного напряжения в сторону его повышения. Число обмоток регулятора
определяет диапазон входных напряжений, при которых ИБП обеспечивает нормальное
питание нагрузки без перехода в аварийный режим работы. В ИБП такой структуры,
в среднем, диапазон допустимого изменения входного напряжения составляет от
-20% к +20% от номинального значения 220 В.
ИБП с двойным преобразованием напряжения (On-Line)
Источник бесперебойного питания, в котором входное
переменное напряжение сначала преобразуется выпрямителем в постоянную, а затем
посредством инвертора опять в переменную – является источником с двойным преобразованием
напряжения (энергии) (On-Line). Аккумуляторная батарея постоянно подключена к
выходу выпрямителя и ко входу инвертора и питает последний в аварийном режиме.
Рис.
1.3.1. ИБП, тип On-Line.
Такая схема построения ИБП позволяет обеспечить
практически идеальное питание нагрузки при любых неполадках в сети (включая
фильтрацию высоковольтных импульсов и электромагнитных помех) и характеризуется
нулевым временем переключения в аварийный режим без возникновения переходных
процессов на выходе устройства.
К недостаткам схемы с двойным преобразованием напряжения
стоит отнести ее сравнительно большую сложность и как следствие — более высокую
стоимость.
ИБП On-Line типа применяют в случаях, когда из-за тех
или иных причин, имеются повышенные требования к качеству электропитания
нагрузки, которая может быть в роли узлов локальных вычислительных сетей
(сетевое оборудование, файловые серверы, рабочие станции, персональные
компьютеры), оборудование вычислительных залов, системы управления
технологическим процессом.
По схеме с двойным преобразованием (On-Line)
построены, например, модели PW5125RM компании Powerware. Они оснащены плавным
стабилизатором входного напряжения, благодаря которому диапазон допустимых значений
входного напряжения, при которых источник не переходит на питание от батарей,
составляет от 166 до 276 Вольт.
В таких схемах присутствует режим Bypass — питание
нагрузки отфильтрованным напряжением электросети в обход основной схемы ИБП.
Переключение в режим Bypass, который поддерживается внутренней схемой ИБП или
специальным внешним модулем, может выполняться автоматически или вручную. ИБП, который
имеет соответствующую встроенную схему, автоматически переходит в режим Bypass
по команде устройства управления, при перегрузке электросетей или при выявлении
неисправности в важных узлах ИБП. Таким способом нагрузка защищается не только
от сбоев в электросети, но и от неполадок в самом ИБП. Возможность ручного
включения режима Bypass предусматривается на случай проведения
профилактического обслуживания ИБП или замены его узлов без отключения
нагрузки.
Схема типа Off-Line является более простой и дешевой.
Соответственно разрабатываемый в данном дипломном проекте источник
бесперебойного питания тоже построим по этому принципу. Однако, усовершенствованные
узлы функциональной схемы и соответственно характеристики позволят получить более
востребованное и конкурентно-способное изделие с лучшими параметрами
эксплуатации и меньшей ценой, чем его зарубежные аналоги.
1.3.2. Описание структурной схемы источника
бесперебойного питания.
Структурная схема источника бесперебойного питания
представлена в графической части дипломного проекта на листе РТ01.430127.001
Э1.
Построение систем бесперебойного питания зависит от задач,
которые на них возлагаются. В некоторых случаях необходимо добиться наименьшего
показателя — время переключения нагрузки на питание от аккумуляторных батарей или
наоборот. В других случаях необходимо обеспечить долговременную работу от аккумуляторной
батареи, при этом время переключения не является критической величиной. То
есть, можно сказать, что для каждого конкретного случая нужно решать абсолютно
разные технические задачи.
Разрабатываемый блок предназначен для обеспечения
непрерывного питания разнообразных устройств (серверов, персональных
компьютеров, модемов и др.) стабилизированным напряжением 220В, 50Гц. Конкретней,
система предназначена для питания устройств, которые имеют импульсные источники
питания. Это позволяет смягчить требования относительно разработки нашего
прибора, так как импульсные источники питания способны работать в сети с
отклонениями напряжения ± 20% от номинального значения. Еще одним преимуществом
является способность их работы от сети, которая имеет не синусоидальную форму напряжения
(аппроксимированная синусоида, квази синусоида).
Рассмотрим основные блоки, которые входят в состав
устройства:
Устройство коммутаций.
Сетевой фильтр.
Зарядное устройство.
Аккумуляторная батарея.
Преобразователь переменного напряжения в постоянное.
Стабилизатор постоянного напряжения.
Преобразователь постоянного напряжения в переменное.
Устройство коммутаций байпас.
Датчик тока.
Исходный фильтр.
Датчик температуры.
Интерфейс.
Устройство индикации.
Устройство управления работой ИБП.
Для обеспечения работы и нормального функционирования всех
частей ИБП, необходимо звено, которое осуществляло бы связь между всеми этими
частями. Можно рассмотреть несколько видов таких схем:
Аналоговые системы, операции регулирования в которых
осуществляются путем сравнения, усиления и преобразования аналоговых сигналов.
Погрешность установки параметров в такой системе сильно зависит от параметров
активных и пассивных элементов схемы. Такие системы используются, в основном в
недорогих устройствах.
Цифровые системы, операции управления проводятся над
цифровыми величинами, полученными из аналоговых сигналов путем оцифровки
аналого-цифровыми преобразователями (АЦП). Точность таких систем намного выше
за счет использования математического аппарата вычисления.
Комбинируемые, операции управления и регуляции в
которых выполняются либо аналоговыми, либо цифровыми устройствами.
В нашем случае система управления работой ИБП построена
на микроконтроллере ATTiny26. Он представляет собой высокопродуктивный
контролер с функциями многоканального аналого-цифрового преобразователя. Ввод и
вывод информации в микроконтроллер (далее МК) может осуществляться как в
аналоговом так и в цифровом виде. Использование новейших разработок, которые содержат
в своем составе МК, позволяет намного упростить схему. Микроконтроллер
управляет работой как схемы управления так и работой всего устройства.
Схема управления выполняет роль интерфейса ИБП,
подавая соответствующую команду включения на устройство коммутаций,
осуществляет управление переключения нагрузки на питание от сети или от аккумуляторных
батарей, следит за напряжением на аккумуляторных батареях (далее АБ). Если
напряжение на АБ становится меньшим 10,5 В, то осуществляется аварийное
отключение ИБП. Аварийное отключение осуществляется также, когда температура
окружающей среды выходит за пределы допустимой. Для измерения температуры
используется температурный датчик. На устройство управления работой ИБП
поступает информация о величинах напряжения в сети. Обрабатывая эту информацию
МК производит соответствующие сигналы управления для других узлов, составляющих
блока.
Для измерения выходной мощности используется датчик
тока. Если через датчик протекает ток больше допустимого, схема управления
отключает нагрузку. Это обеспечивает защиту от выхода из строя устройства преобразования
постоянного напряжения в переменную.
Особенно большое значение в ИБП имеет наличие связи с
ПК. Это позволяет оператору (администратору) следить за состоянием сети, состоянием
АБ и всей работы ИБП. В данном случае используется стандартный интерфейс связи
МК и ПК – RS-232. Это позволяет осуществлять дистанционный мониторинг ИБП и
безопасное завершение работы ПК при аварии или долговременном отсутствии
напряжения в сети (при условии настройки программного обеспечения ПК).
Входное напряжение 220В, 50Гц поступает через
устройство коммутации и сетевой фильтр на зарядное устройство и байпас.
Сетевой фильтр предназначен для предотвращения
попадания помех в сеть, которые возникают при работе ИБП.
Зарядное устройство обеспечивает зарядку АБ при
наличии напряжения в сети, обеспечивая тем самым постоянную готовность к работе
ИБП в автономном режиме. Устройство преобразования напряжения сети в
стабилизированное постоянное напряжение. Величина напряжения заряда постоянно
контролируется МК. Это позволит правильно эксплуатировать батареи.
Достаточно большая выходная мощность зарядного
устройства дает “плюс” при работе ИБП со значительно заниженным входным
напряжением устройства (диапазон от 90 до 185 Вольт). При таком входном
напряжении часть выходной мощности источника обеспечивается работой зарядного
устройства, что существенно продлевает работу нагрузки в случаях неисправности электросети.
Преобразователь переменного напряжения в постоянное выполняет
роль преобразователя переменного напряжения 220В в постоянное 200В. Данное
устройство построено по схеме импульсного преобразователя с ШИМ. Напряжение на
его выходе постоянно, но не стабилизировано, то есть зависит от изменения
входного напряжения. Для стабилизации используется стабилизатор постоянного
напряжения. Стабилизатор построен по схеме однотактного импульсного повышающего
стабилизатора. Напряжение на аккумуляторе изменяется в пределах 10,5...13,8 В,
а выходное ИБП должно оставаться стабильным.
Преобразователь постоянного напряжения в переменное осуществляет
формирование выходного стабилизированного напряжения 220В, 50Гц. Управление и
синхронизацию данного устройства с сетью осуществляет устройство управления ИБП.
Выходной фильтр служит фильтром электромагнитных помех
и предотвращению их попадания в нагрузку.
Алгоритм работы ИБП приведен в графической части
проекта.
1.4. Описание схемы электрической принципиальной.
Схема электрическая принципиальная представленная в
графической части дипломного проекта на листе РТ01.430127.001Э3.
Соответственно структурной схеме, источник
бесперебойного питания состоит из нескольких функциональных узлов. Рассмотрим
каждый из них отдельно.
1.4.1. Зарядное устройство
Зарядное устройство построено по однотактной поворотно-ходовой
схеме преобразования энергии.
Управляющей микросхемой являются IMS UC3842 фирмы
Fairchild. Функциональная схема IMS UC3842 приведена на рис. 1.4.1. Принцип
работы состоит в следующем.
На диодный VD1 подается переменное напряжение сети
220В. После VD1 на сглаживающем конденсаторе имеем постоянное напряжение 306В.
Начальный запуск работы IMS VC2 происходит через резистор R41. Дальше при
нормальном режиме работы DA1 питается от дополнительной обмотки W3
трансформатора Т2. Напряжение, снятое с W3 выпрямляется диодом VD8 и
сглаживается емкостным фильтром, который построен на конденсаторах С24, С25.
Величина напряжения питания IMS составляет 12В.
После подачи питания на 8 выводе DA2 устанавливается
опорное напряжение 5В. На вход тактового генератора, через интегрирующую цепь R14C11
подается сигнал 5В.
Рис. 1.4.1. Функциональная схема UC3842.
На выводе № 6 DA2 устанавливается высокий потенциал
(12В), который через резисторный делитель R27R29 поступает на затвор полевого
транзистора VT1. Транзистор VT1 включается, когда потенциал между затвором и
истоком составляет более 4В. При включении VT1 через обмотку W2, транзистор VT1
и резистор R30 начинает протекать ток. Резистор R30 является измерительным
резистором. С него снимаем сигнал о величине тока, который протекает через
транзистор и первичную обмотку трансформатора Т2. Этот сигнал поступает через
R28 на вход с DA2. Данный вход является прямым входом внутреннего компаратора
по току. На вход 1 DA2 подается сигнал обратной связи по напряжению. Этот
сигнал подается на инвертирующий вход от компаратора по току. При достижении
порогового уровня на входе компаратора производится сигнал на выключение входного
транзистора.
Ток через первичную обмотку Т2 нарастает линейно, но
при включении и выключении транзистора возникают скачки тока. Эти скачки могут
приводить к самовольному включению и выключению интегральной микросхемы (далее ИМС).
Для предотвращения этого, применяется RC фильтр. Рис. 1.4.2.:
Рис. 1.4.2. Схема компаратора тока с RC-фильтром.
После включения транзистора начинается этап передачи
энергии, накопленной в трансформаторе, в нагрузку. Напряжение, которое снято с
обмотки W1, Т2 выпрямляется диодом VD11 и фильтруется емкостным фильтром С35,
С36.
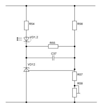
Схема стабилизации выходного напряжения построена на
управляющем стабилитроне VD12-TL431.
Резисторы R56, R57, R58 образуют резисторный делитель,
величиной сопротивлений которого, выставляется значение выходного напряжения
зарядного устройства. Резистор R54 является ограничительным резистором по току для
стабилитрона VD12 и оптрона U1.2.
Преобразователь постоянного напряжения
Данный узел предназначен для преобразования
постоянного напряжения 12В в постоянное напряжение 300В. Выходное напряжение
данного преобразователя является нестабилизированным, при Uвх=13,8В, Uвых=300В
при Uвх=10,5В, Uвых=225В.
Поэтому, для нормальной работы ИБП нужная понижающая стабилизация
Uвых.
Данный преобразователь построен на микросхеме S63525А,
функциональная схема которой приведена на Рис. 1.4.3.
Рис. 1.4.3. Функциональная схема SG3525.
Из выходов микросхемы (выводы 14 и 11) прямоугольные
импульсы поступают на трансформатор Т1. На вторичных обмотках трансформатора
импульсы будут двухполярные со скважностью 0,9.
Резисторно–конденсаторные цепи С23R31 и С27R32 предназначены
для того, чтобы сбить амплитуду скачков при переключении.
Сам преобразователь построен по схеме с плавающей
средней точкой. Пары силовых транзисторов VT4, VT5 и VT6, VT7 включаются в
порядке очереди с плотностью 0,5. Такой режим выбран с целью уменьшения скачков
при переключении, и получения симметрии в каждый период переключения. Из
вторичной обмотки прямые импульсы выпрямляются диодным мостом VD17, VD18, VD19,
VD20 и сглаживается фильтром С1L1, С2С4, С3С5. Из вторичной обмотки Т3 также
берутся дополнительные напряжения питания 9В и 18В, которые гальванически развязаны
между собой. Стабилизация этих напряжений проводится стабилитроном VD21 VD22
VD23 VD24.
Микросхема VD1 включена по типичной схеме включения.
Звеном С7, R1 определяется выходная частота. Питание выходных каскадов ИМС
проводится через R15. С12, С13 предназначены для фильтрации напряжения питания
ИМС. Дистанционное управление работой преобразователя проводится через вывод № 10
DA1.
Стабилизатор напряжения 300В
Данный стабилитрон построен по схеме однотактного
повышающего преобразователя. Схема построена на ИМС UC3842. Принцип работы состоит
в следующем.
При подаче питания на DA4, на ее выход (вывод 6)
подается импульс амплитудой 9В, который через делитель R18R33 поступает на
затвор VT2 и открывает его, когда через транзистор, открытый L2 VT2 R34 протекает
ток. Индуктивность L2 накапливает энергию. При достижении определенного уровня
сигнала, который снимается с измерительного резистора R34, на выходе DA1
появляется логический ноль. Следующий импульс появится при новом цикле
тактового генератора. Обратная связь по напряжению осуществляется через
резисторную цепь R11, R8, R9.
Поскольку для образования общей точки с напряжением
сети образован емкостной делитель С2С4, С3С5 то узел на DA4 стабилизирует положительную
полуволну выходного напряжения, а узел на DA5 – отрицательную.
Элементы схемы подобраны таким образом, что на выходе получаем
300В, то есть стабилизация не нужна. По мере уменьшения напряжения на
аккумуляторе, на выходе преобразователя постоянного напряжения в постоянную
также напряжение будет уменьшаться, а узел стабилизации будет стабилизировать
до 300В. Поскольку заземленные выводы DA5 подключены к отрицательному напряжению,
которое нужно стабилизировать, а стабилизацию необходимо осуществить относительно
нулевой шины, используется еще дополнительный узел на DA3.
Выходной инвертор
Выходной инвертор построен на полумостовой схеме.
Нагрузка подключается к средней точке конденсаторного делителя C2 C4, C3 C5 и
выхода инвертора (коллектор VT13).
Ключевыми элементами каскада являются силовые
транзисторы VT12, VT13. Управление работой осуществляется с помощью
микроконтроллера.
Данный узел обеспечивает достаточно хорошее приближение
формы напряжения к синусоидальному. Это позволило выполнить два силовых ключа
VT12, VT13 на биполярных транзисторах с изолированным затвором (IGBT), которые
работают в линейном режиме. Их поочередным открытием руководят прямоугольные
импульсы, которые поступают в противофазе от контролера DD1. Эти импульсы
проходят звенья, которые формируют из них сигнал, подобный по форме к полупериоду
синусоиды и подаются на затворы VT12, VT13.
Индуктивность L4 обеспечивает приглаживание фронтов импульсов
на выходе инвертора.
Схема байпаса
Схема байпаса предназначена для быстрого переключения
нагрузки на работу от сети или на работу от аккумуляторной батареи.
Переключение осуществляется посредством реле K1, которым управляет микро
контролер. Конденсаторы C52, C53 предотвращают возникновение искры и как
следствие подгорание контактов реле при переключении.
Для обеспечения лучшей формы исходного напряжения и
предотвращению попадания электромагнитных помех от ДБЖ в нагрузку служит фильтр
C56, L6, C59.
1.4.6. Узел управления
Узел управления работой ИБП выполнен на
микроконтроллере DD1-ATTiny 261. Функциональная схема контролера приведена на
рис. 1.4.4.
Рис. 1.4.4. Функциональная схема ATTiny26.
Для синхронизации работы ИБП с сетью используется
измерительный трансформатор T4, у которого выходной сигнал выпрямляется и
подается на входы АЦП микроконтроллера. Для измерения тока, который
потребляется нагрузкой, используется трансформатор тока T5. Его выходной сигнал
выпрямляется и подается на вход АЦП микроконтроллера. Общий алгоритм работы МК
вписывается в алгоритм работы всего ИБП.
После включения включателя SA1 (“Вкл”) на вход DA6
поступает постоянное напряжение с аккумулятора. DA6 формирует на выходе +5В, которые
необходимы для питания микроконтроллера.
Микроконтроллер, после подачи на него питания,
начинает проводить измерение напряжения аккумуляторной батареи, а также
включает реле K2, тем самым подсоединив ИБП к сети. Дальше МК измеряет
напряжение сети. Если напряжение сети не в пределах нормы, то МК дает команду
на переключение на работу от аккумулятора. Когда же ни напряжение аккумулятора,
ни напряжение сети не удовлетворяет нормам, то МК осуществляет полное
отключение нагрузки от сети.
При нормальном функционировании от сети МК постоянно
следит за сетью и подгоняет фазу выходного сигнала от инвертора к фазе сигнала
сети. Это нужно для того, чтобы в случае исчезновения напряжения сети, переключение
на работу от АБ прошло с наименьшими потерями.
Соответственно при возобновлении напряжения в сети, МК
сначала делает подгонку фазы выходного сигнала с инвертора к сигналу электросети,
и только потом происходит переключение на работу от сети.
Для предотвращения попадания помех с ИБП в сеть предназначен
сетевой фильтр C54, C55, C56, L5, C58.
Связь микроконтроллера с ПК осуществляется через
стандартный интерфейс RS-232 (Com port). Интерфейс выполнен с оптоизоляцией,
что увеличивает электробезопасность при работе с ИБП.
Для индикации режимов работы ИБП используются
индикаторы HL1 – “Сеть”, HL2 – “~220В”, HL3 – “АБ 10.5В”.
1.5. Разработка и расчет отдельных узлов схемы
электрической принципиальной.
1.5.1. Электрический расчет схемы зарядного устройства.
За базовую схему для зарядного устройства возьмем
схему однотактного обратно-ходового преобразователя напряжения.
Рис. 1.5.1 Принципиальная схема зарядного устройства.
Это целесообразно тем, что нужна относительно
небольшая мощность Рвых.=100Вт для того, чтобы заряжать аккумуляторы. Также эта
схема привлекательная простотой и дешевизной, сравнительно с такими схемами как
полумостовая или прямоходная. Воспользуемся методикой расчета, представленной в
[5].
Выходные данные для расчетов Таблица 1.5.1.
|
Параметры
|
Обозначения
|
Значение
|
|
Минимальная переменная вх.
напряжения
|
|
85В
|
|
Максимальная переменная вх.
напряжение
|
|
270В
|
|
Частота сети
|
|
50Гц
|
|
Максимальна вых. мощность
|
|
100 Вт
|
|
Минимальна вых. мощность
|
|
1Вт
|
|
Выходное напряжение
|
|
13,8В
|
|
Пульсации выходного напряжения
|
|
0,05В
|
|
Напряжение первичной
обмотки
|
|
100В
|
|
Прогнозируемый КПД
|
|
0,84
|
|
Пульсации вх. постоянного
напряжения
|
|
10В
|
|
Напряжение питания ИМС
|
|
12В
|
|
Количество оптопар
|
|
1
|
Рассчитаем характеристики входного диодного моста и
конденсатора.
Максимальна входная мощность:
;
Найдем максимальное значение тока, протекающего через
диодный мост VD1:
;
Рассчитаем максимальное значение напряжения на диодном
мосте:
;
Найдем параметры входного конденсатора C6:
;
,
где: VDCminPK минимальное амплитудное значение
входного напряжения, VDCmin минимальное значение входного напряжения с учетом
пульсаций.
Найдем время разряда конденсатора C6 за половину периода:
;
Рассчитаем мощность, которая берется из конденсатора
за время разряда:
;
Найдем минимальное значение емкости C6:
;
Расчет трансформатора T2
Найдем максимальный ток, который протекает через
первичную обмотку трансформатора T2:
,
где Dmax=0,5, скважность импульсов на первичной
обмотке.
Рассчитаем максимальный ток через демпферный диод VD7:
;
Определим начальную индуктивность первичной обмотки
при максимальном цикле:
;
Выберем тип сердечника трансформатора из каталога
продукции фирмы Epcos. Выбираем сердечник E3211619.
Параметры сердечника. Таблица 1.5.2.
|
Параметр
|
Обозначение
|
Значение
|
|
Индуктивность одного витка
|
AL
|
24,4нГн
|
|
Площадь окна
|
AN
|
108,5мм2
|
|
Ширина сердечника
|
S
|
0,5мм
|
|
Площадь разреза сердечника
|
Ae
|
83мм2
|
|
Длина средней линии
|
IN
|
64,6мм
|
|
Взвешивающий коэффициент
мощности (при 100кГц)
|
PV
|
190мВт/г
|
|
Индукция насыщения сердечника
|
Bmax
|
0,2Т...0,3Т
|
|
Масса
|
m
|
30г
|
Найдем количество витков первичной обмотки:
,
Принимаем Np равным 24 витка.
Определим количество витков вторичной обмотки:
,
где: VFDiode падение напряжения на диоде. Возьмем NS=4
витка.
Найдем количество витков дополнительной обмотки:
;
Принимаем NAUX=4 витка.
Рассчитаем реальную индуктивность первичной обмотки:
;
Найдем максимальный ток через первичную обмотку T2:
;
Высчитаем максимальную индукцию трансформатора:
,
B<Bmax ;
Найдем площадь разреза с учетом количества витков
обмотки Np:
;
Конструкция трансформатора для сердечника E3211619:
Из таблицы данных сердечника E3211619: BWmax=20,1мм –
максимальное значение ширины обмотки с сердечником; М=4мм минимальное
рекомендованное значение ширины обмотки с сердечником.
Определим эффективное значение ширины обмотки с сердечником:
,
Выбираем коэффициент заполнения окна трансформатора
обмотками:
Первичная – 0,5
Вторичная – 0,45
Вспомогательная – 0,05
Коэффициент заполнения меди из таблицы данных сердечника:
fCu=0,2.0,4. Выберем fCu=0,3:
Рассчитаем площадь разреза проводника первичной
обмотки T1:
;
Принимаем диаметр провода для первичной обмотки
dP=0.64мм (22 AWG)
Рассчитаем площадь разреза проводника вторичной
обмотки T1:
.
Принимаем диаметр проводника dS=2 x 0,8 мм (2x20 AWG).
Рассчитаем площадь разреза проводника дополнительной
обмотки:
Принимаем диаметр проводника dAUX=0,64мм (22 AWG).
Рассчитаем параметры выходного диода VD11.
Определим максимальное обратное напряжение на диоде:
;
Определим максимальный импульсный прямой ток через
диод:
;
Определим максимальный импульсный прямой ток через
диод, с учетом коэффициента заполнения:
;
Рассчитаем параметры выходного конденсатора С36.
Максимальная импульсная нестабильность выходного
напряжения Vout=0,5В, при количестве периодов тактовой частоты: ncp=5.
Определим максимальный выходной ток:
;
Минимальная емкость конденсатора C36:
;
Выбираем конденсатор на 2200мкФ – 25В.
Расчет демпферной цепи: C23, R26, VD7
Найдем напряжение демпферной цепи:
,
где V(BR)DSS – максимально допустимое напряжение
сток-выток транзистора.
Для расчета демпферного звена необходимо знать
индуктивность рассеивания (LLK) первичной обмотки, которая очень сильно зависит
от конструкции трансформатора. Поэтому, примем значение индуктивности
рассеивания на уровне 5% от первичной обмотки.
.
Найдем емкость конденсатора C23 демпферной цепи:
.
Принимаем С23=470пФ.
Найдем сопротивление резистора демпферного звена R26:
.
Принимаем R26=1,2 кОм.
Расчет потерь
Определим потери на диоде VD1:
;
Определим сопротивление первичной обмотки:
;
Определим сопротивление вторичной обмотки:
,
где: удельное сопротивление меди P100=0,0172Ом×мм2/м.
;
Определим потери в меди во вторичной обмотке:
;
Найдем суммарные потери в первичной и вторичной
обмотках трансформатора:
;
Вычислим потери на выходном диоде VD11:
;
Потери на силовом транзисторе
Из таблицы характеристик транзистора имеем: C0=50пФ –
выходная емкость сток-исток транзистора; RDSon=1,6Ом (150 С0) – выходное сопротивление
сток-исток транзистора.
Расчет проведем при входном напряжении VDCmin=110В;
Найдем потери при включении транзистора:
,
где f=100кГц – рабочая частота преобразователя.
Найдем потери при выключении транзистора:
;
Определим потери на сопротивлении сток-исток при
открытом транзисторе:
;
Подсчитаем общие потери на транзисторе:
;
Расчет звена обратной связи
Из таблицы выходных данных, минимальное напряжение
стабилизации управляемого стабилитрона TL431 — VREF=2,5В, а его минимальный ток
стабилизации IkAmin=1мА.
Из выходных данных оптопары TLP521 ее падение
напряжения на диоде VFD=1,2В; максимальный прямой ток через диод IFmax=10мА;
Из выходных данных микросхемы UC3842 опорное
напряжение VRefint=5,5В; максимальное напряжение обратной связи VFBmax=4,8В, а
внутреннее сопротивление — RFB=3,7кОм.
Найдем максимальный входной ток DA2:
;
Рассчитаем минимальный входной ток DA2:
;
Схема цепи обратной связи представлена на рис. 1.5.2.
Рис. 1.5.2. Схема цепи обратной связи на
управляемом стабилитроне TL431.
Найдем величину сопротивления резистора R56:
,
где R57=4,99кОм, а R58=5кОм – рекомендованные значения
из таблицы характеристик TL431.
Определим сопротивление резистора R54:
,
;
Рис. 1.5.3. Структурная схема всей цепи обратной связи.
Рассчитаем переходные характеристики схемы
Внутренний коэффициент передачи DA2:
;
Внутренний коэффициент передачи делителя цепи обратной
связи:
;
Найдем коэффициент передачи силовой части:
;
,
где ZPWM – крутизна характеристики ΔVFB /
ΔlD;
Коэффициент передачи выходного фильтра:
,
где RESR – емкостное сопротивление конденсатора.
Коэффициент передачи цепи регулятора:
;
Переходные характеристики при минимальной и
максимальной нагрузке:
Определим выходное сопротивление блока питания при
максимальной нагрузке:
;
Определим выходное сопротивление блока питания при
минимальной нагрузке:
;
Найдем частоту среза при максимальной нагрузке:
,
а также при минимальной нагрузке:
;
Коэффициент передачи цепи обратной связи:
,
;
Коэффициент передачи делителя цепи обратной связи:
;
Выходной импеданс промежутка времени ton:
;
;
Коэффициент передачи на граничной частое:
,
где: RL=3,6Ом – выходное индуктивное сопротивление,
LP=12,6мкГн – индуктивность первичной обмотки трансформатора, fg=3000Гц –
частота на которой проводится расчет, f0=76,18 – граничная частота при
максимальной нагрузке.
;
;
Общий коэффициент передачи:
;
Поскольку GS(ω)+Gr(ω)=0, то:
;
Отсюда найдем коэффициент передачи цепи регулятора:
Gr(ω)=0-(- GS(ω))=17,2дБ;
Коэффициент передачи регулятора:
;
;
Отсюда найдем сопротивление резистора R55:
Нижняя частота передачи цепи обратной связи при C37=0:
;
Найдем емкость конденсатора C37:
;
1.5.2. Электрический расчет схемы импульсного
стабилизатора.
Импульсный стабилизатор напряжения построим по
однотактной повышающей схеме без гальванической развязки - rising transducer.
Схему управления построим на контролере UC3842. Его
внутренняя структура показана на рис.4.1.
UC3842 — интегральная схема, которая предназначена для
управления и контроля работы импульсных стабилизаторов напряжения, построенных
по разнообразным однотактным схемам: с гальванической развязкой — однотактной обратно-ходовой
и прямоходной схемах, без гальванической развязки — снижающего, повышающего и
инвертирующего преобразователей. Микроконтроллер может непосредственно
руководить работой силового ключа, контролировать выходное напряжение
(стабилизировать его при изменении входного напряжения.)
Рис. 1.5.4. - Структура контролера UC3842.
Данная микросхема имеет следующие возможности:
блокировка работы при перенапряжении;
запуск работы при малых уровнях мощности;
помехоустойчивый усилитель ошибки;
защита от перенапряжения на выходе;
переходный способ функционирования;
схема измерения тока и напряжения;
внутренний генератор.
Организация питания микроконтроллера
Прецензионная ширина запрещенной границы напряжения и
тока построена на базе контролера, предназначена, чтобы обеспечить добротную
регуляцию. Компаратор перенапряжения с гистерезисом и очень низким током
питания позволяет минимизировать схему запуска и питания (рис.4.2а). Питание
ИМС берется из вторичной обмотки трансформатора Т3 и стабилизируется
стабилитроном до уровня 12В (рис.4.2б).
а) внутренний компаратор по питанию.
б) схема подключения по питанию.
Рис. 1.5.5. Схема организации питания ІМС UC3842.
Тактовый генератор
Тактовый генератор UC3842 (рис. 4.3) рассчитан на
работу в частотном диапазоне от 10кГц до 1Мгц. В нашем случае он будет работать
на частоте 100кГц, так как это оптимальная частота для работы всего
преобразователя.
Рис. 1.5.6. Тактовый генератор, форма напряжения и
рабочий цикл.
Рассчитаем значения Rt та Ct:
(4.1.2)
(4.1.2)
где: f=100кГц, - заданная рабочая частота.
Ct = 0.01мк
Ф, - рекомендованное значение емкость, выбирается
в пределах 0.001…0.1 мкФ.
Усилитель ошибки и блок датчика перенапряжения.
Вход усилителя ошибки, через отношение двух внешних
резисторов, связанных с выходной шиной, что позволяет за счет обратной связи
повышать выходное постоянное напряжение, тем самым осуществлять регуляцию
напряжения.
Устройство обеспечено эффективной защитой от
перенапряжения, реализовано на том же выводе что и регулятор напряжения
постоянного тока.
Когда увеличится выходное напряжение, соответственно и
увеличится напряжение на выводе 2 IMC. Разностное значение тока протекает через
конденсатор. Величина тока определяется внутри микроконтроллера и сравнивается
с эталонным значением 40 мкА. Если это значение будет превышено, соответственно
это отобразится на управлении работой силового ключа — длительность импульсов
открытого состояния ключа становится меньшей, что приводит к снижению выходного
напряжения.
Рис. 1.5.7. Усилитель ошибки.
Компаратор тока струму и триггер, который управляет
модуляцией переключений
Рис. 1.5.8. Схема компаратора тока.
Компаратор тока постоянно следит за напряжением на
резисторе Rs и сравнивает его с опорным напряжением (1В) на другом входе
компаратора.
;
;
Выходной буфер ІМС UC3842.
Схема управления являет собой собою выходной буферный
каскад, выходной ток этого каскада — ±1А. Этот каскад может управлять работой силового
ключа на большой частоте.
Рис. 1.5.9. Выходной буфер UC3842
Расчет элементов импульсного стабилизатора.
Поскольку импульсный стабилизатор состоит из двух
одинаковых полуплеч (стабилизатор положительного напряжения и стабилизатор отрицательного
напряжения), целесообразно будет посчитать только один из них, и рассчитанные
значения элементов перенести на другой. Для расчета выберем стабилизатор
положительного напряжения.
Исходные данные для электрического расчета:
- Входное напряжение Uвх = 65...150 В;
- Выходное напряжение Uвых = 150 В;
- Изменение выходного напряжения DU = 5В;
- Выходная мощность Рвых = 300 Вт;
- Частота переключения силового ключа fs = 100 кГц.
Схема корректора мощности приведена на рис.4.8.
Рис. 1.5.10. Схема импульсного стабилизатора
Расчет емкости входного конденсатора
Определим минимальную емкость входного конденсатора
С2:
Сin LF ³ Р0 /(2·p·f ·V0·η) (4.10)
где – f – частота переключения силового ключа (100
кГц)
– V0 – выходного напряжение (150 В)
– η=0.9 – прогнозированный КПД преобразователя
– Р0 – выходная мощность – 300 Вт
Сin LF = 300 / (2·3,14·25000·0.9·150) =82.7 мкФ
Выбираем к качестве входного конденсатора конденсатор емкостью
330мкФ и рабочим напряжением 400В.
Расчет емкости входного высокочастотного конденсатора
Входной высокочастотный конденсатор фильтра (C4) должен
уменьшить шумы, которые возникают при высокочастотных переключениях силового
ключа, что в свою очередь вызывает импульсы тока в индуктивности.
Cin HF = Irms /(2·p·f·r·Vin min) (4.7)
где – f – частота переключения (100 кГц);
– Іrms – входной высокочастотный ток;
– Vin min – минимальное входное напряжение (65 В);
– r – коэффициент высокочастотных пульсаций входного
напряжения, который находится между 3 і 9 %. Принимаем r = 7%.
Іrms = Рout / Uin min; (4.8)
Іrms = 300 / 65 = 4,64 А;
Сin =
4,64/(2×3,14×100000×7×65) = 0.0065 мкФ.
Выбираем в качестве входного высокочастотного
конденсатора конденсатор емкостью 0.01мкФ и рабочим напряжением 400В.
Выходной конденсатор
Определим значение емкости выходного конденсатора:
С0 ³ Р0 /(4·p·V0 ·DV0) (4.10)
где –DV0 – изменение выходного
напряжения (5 В)
–f – частота переключения силового ключа ( 100 кГц)
–V0 – выходное напряжение (150 В)
–Р0 – выходная мощность – 300 Вт
С0 = 300 / 4·3,14·100000·5·150 =63.7 мкФ
Выбираем в качестве выходного — конденсатор емкостью
220мкФ и рабочим напряжением 400В.
Расчет катушки индуктивности
Значение индуктивности катушки рассчитывается исходя
их необходимой мощности, которая протекает через последнюю, и значения тока
пульсаций.
(4.11)
(4.12)
где - s - длительность цикла открытия/закрытия
силового ключа;
- ІLpk - пиковый токи катушки индуктивности;
- f - частота переключения силового ключа;
- V0 – выходное напряжение.
Длительность цикла ми можем определить по формуле:
(4.13)
Значение пикового тока, которое протекает через
индуктивность можем определить по формуле:
(4.14)
где - Vin min – минимальное значение входного напряжения
(65В),
Следовательно, значение s равняется
s = (150 – 1,41·65)/150 = 0,389 сек
Значение пикового тока:
ІLpk = (2×1,41×300) / 65 = 13 А
Тогда значение индуктивности, которая необходима для
работы преобразователя напряжения:
L = (2·300·0,389)/(132·100000) = 15 мкГн.
Расчет силового ключа.
Выбор управляющего ключа предопределяется максимальным
током коллектора, рабочим напряжением и предельной частотой переключения.
Так как у нас максимальный ток, который будет
протекать через транзистор составляет 13 А, рабочее напряжение до 200 В, а
частота переключений составляет 100 кГц, в качестве силового ключа выбираем
полевой транзистор К1531.
Его параметры следующие:
- Максимальное напряжение Uсе – 400 В;
- Постоянный ток коллектора при Т = 1000С Iс – 27 А;
- Падение напряжения в открытом состоянии Uсе – 1,65
В;
- Максимальна частота переключений – 160 кГц.
Рассчитаем, какая же мощность будет рассеваться на
транзисторе.
Формула расчета потерь следующая:
Р = Iс2·Rсе (4.15)
Rсе – падение напряжения транзистора в открытом
состоянии (0.14 Ом)
Iс – ток, который протекает через транзистор (13А – из
расчета максимального пульсирующего тока в катушке индуктивности).
Следовательно, потери транзистора в открытом состоянии
составляют
РIGBT = 13·0.14 = 23.6 Вт.
Расчет выходных диодов.
Максимальное значение среднего тока, исходя из
значения мощности, которая должна передаваться в нагрузку – 300 Вт.
Можно рассчитать:
І = P/U
І = 300/150 = 2A
Диоды выбираем из следующих условий, которые
гарантируют надежную работу
ІDm ≥ 1,2Імакс
UDm ≥ 1,2Uмакс
Следовательно, исходя из этих расчетов, выбираем в
качестве выходных диодов, диод типа MUR860. Параметры диода следующие:
Максимальное обратное напряжение – 500 В;
Максимальный рабочий ток – 8 А;
Максимальная допустимая температура диода – 150 0С.
1.5.3. Электрический расчет входного и выходного
фильтра.
Природа и источники электрического шума.
Борьба с генерацией и излучением высокочастотного шума
– один из загадочных “черных ящиков” в проектировании импульсных источников
питания и конечного изделия.
Шум создается везде, где имеют место быстрые переходы
в сигналах напряжения или тока. Много сигналов, особенно в импульсных
преобразователях напряжения, являются периодическими, то есть, сигнал, который
содержит импульсы с ВЧ фронтами, повторяется с предполагаемой частотой
следования импульсов (pulse repetition frequency, PRF). Для импульсов
прямоугольной формы значения этого периода определяет основную частоту самой
волны. Преобразование Фурье волны прямоугольной формы создает множество
гармоник этой основной частоты двойного значения времени переднего или заднего
фронта импульсов. Это типично в мегагерцовом диапазоне, и гармоники могут
достичь очень высоких частот.
В импульсных преобразователях напряжения с ШИМ ширина
импульсов постоянно меняется в ответ на выходную нагрузку и входное напряжение.
В результате получаем почти распределение энергии белого шума с отдельными
пиками и уменьшением амплитуды с повышением частоты.
Кондуктивный шум (то есть, шумовые токи, которые выходят
из корпуса прибора через линии питания ) может появляться в двух формах: синфазных
помех (common-mode) и помех при дифференциальном включении (differential-mode).
Синфазные помехи – это шум, который выходит из корпуса только по линиям
электропитания, а не заземления. Помехи, при дифференциальном включении – это
шум между линией и одним из выводов питания. Шумовые токи фактически вытекают
через вывод заземления.
Типовые источники шума.
Существует несколько основных источников шума внутри
импульсного преобразователя напряжения с ШИМ, что и создает большую часть
излучаемого и кондуктивного шума.
Источники шума являются частью шумовых контуров,
которые представляют собой соединение на печатной плате между потребителями ВЧ
тока и источниками тока. Главным источником шума является входная схема
питания, которая содержит ключ, первичную обмотку трансформатора и конденсатор
входного фильтра. Конденсатор входного фильтра обеспечивает трапецеидальные
сигналы тока, необходимые для преобразования напряжения, поскольку входная
линия всегда хорошо фильтруется с полосой пропускания, какая намного ниже
рабочей частоты преобразователя напряжения. Конденсатор входного фильтра и ключ
должен размещаться близко возле трансформатора, чтобы минимизировать длину соединений.
Кроме этого, поскольку электролитические конденсаторы имеют плохие ВЧ
характеристики, параллельно им должен быть включенный керамический или
пленочный резистор.
Чем хуже характеристики конденсатора входного фильтра,
тем больше блок из силовой линии будет забирать энергию ВЧ тока, что приведет к
возникновению кондуктивных синфазных электромагнитных помех.
Вторым основным источником шума является контур, который
состоит из выходных диодов, конденсатора выходного фильтра и вторичных обмоток
трансформатора. Между этими компонентами протекают трапецеидальной формы токи
большой амплитуды. Конденсатор выходного фильтра и выпрямитель необходимо
размещать как можно ближе к трансформатору; для минимализации излучаемого тока.
Этот источник также создает синфазные кондуктивные помехи, главным образом, на выходных
каскадах источника питания.
Фильтры кондуктивных электромагнитных помех.
Существует два типа входных силовых шин. Силовые шины
постоянного тока – это однопроводные силовые соединения, второе плечо питания
которых формирует заземление. Другим типом входного соединения является двух
или трехпроводная система питания от сети переменного тока. Проектирование
фильтра электромагнитных (далее ЭМ) помех для систем постоянного тока осуществляется
в основном в виде простого LC-фильтра. Все помехи между одним силовым проводом
и соединением через “землю” называются синфазными. Фильтр постоянного тока,
значительно более сложный, поскольку учитывает паразитарные характеристики
компонентов.
Входной фильтр кондуктивных ЭМ помех предназначен для удержания
ВЧ кондуктивного шума в середине корпуса. Фильтрация линий входа/выхода также
важна для защиты от шума внутренних схем (например микропроцессоров, АЦП, ЦАП).
Проектирование фильтра синфазных помех.
Фильтр синфазных помех фильтрует шум, который
создается между двумя линиями питания (H1 и H2). Схема такого фильтра приведена
ниже на рис.1.5.11.
Рис. 1.5.11. Фильтр синфазных помех.
В фильтре синфазных помех обмотки катушки
индуктивности находятся в фазе, но переменный ток, который протекает через эти
обмотки – в противофазе. В итоге, для тех сигналов, которые совпадают или
противоположны по фазе на двух линиях электропитания, синфазный поток внутри
сердечника уравновешивается.
Проблема проектирования фильтра синфазных помех заключается
в том, что при высоких частотах (когда собственно и нужная фильтрация)
идеальные характеристики компонентов искажаются через паразитарные элементы.
Основным паразитарным элементом является межвитковая емкость самого дросселя.
Это небольшая емкость, которая существует между всеми обмотками, где разница
напряжений (В/виток) между витками ведет себя подобно конденсатору. Этот
конденсатор при высокой частоте действует как шунт вокруг обмотки и позволяет
ВЧ переменному току протекать в обход обмоток. Частота, при которой это явление
является проблемой, выше частоты авторезонанса обмотки.
Между индуктивностью самой обмотки и этой
распределенной межвитковою емкостью формируется колебательный контур. Выше
точки авто резонанса влияние емкости становится большим от влияния
индуктивности, что снижает уровень затухания при высоких частотах.
Частотная характеристика фильтра изображена на рис.
1.5.12.

Рис. 1.5.12. Частотная характеристика фильтра.
Этот эффект можно уменьшить, использовав Cx большей
емкости. Частота авторезонанса является той точкой, в которой проявляется
возможность наибольшего затухания для фильтра. Таким образом, путем выбора
метода намотки обмоток индуктивности, можно разместить эту точку поверх
частоты, которая нужна для наилучшей фильтрации.
Чтобы начать процесс проектирования необходимо измерить
спектр не фильтрованного кондуктивного шума или принять по отношению к нему
некоторые предположения. Это необходимо для того, чтобы знать, каким должно
быть затухание и на каких частотах.
Примем, что нам необходимо 24дБ затухания на частоте
переключения преобразователя напряжения.
Определим частоту среза характеристики фильтра:
,
де Gζ – затухания;
,
где: fc – желаемая частота среза характеристики фильтра,
fsw- рабочая частота преобразователя напряжения. В нашем случае fsw=100кГц, затухание
Gζ= -24дБ.
Выбор коэффициента затухания
Минимальный коэффициент затухания (ζ) не должен
быть менее 0,707. Меньшее значение приведет к “резонансу” и не даст меньшее 3дБ
затухания на частоте среза характеристики.
Расчет начальных значений компонентов

,
где: ζ – коэффициент затухания, ζ=0,707, RL
=50Ом - импеданс линии,
;
Принимаем С≈0,1мкФ 400В.
Принимаем Сх=0,22мкФ
400В. Данные конденсаторы размещены между
линиями электропитания и должны выдерживать напряжение 250 В и скачки
напряжения.
Величину Су – конденсаторов, которые размещены между
каждой фазой и “землей”, и должны выдерживать высокие напряжения ≈2500 В
выбирают на несколько порядков меньше Су чем Сх. Это связано с тем, что
наибольшая емкость конденсатора, доступная при номинальном напряжении 4 кВ,
составляет 0,01 мкФ. Принимаем Су=2,2 нФ.
Поскольку суммарная емкость выбранных конденсаторов
больше рассчитанной, то можно допустить, что фильтр будет обеспечивать минимум
— 60 дБ затухания при частотах в диапазоне от 500 кГц до 10 Мгц.
Расчетная схема фильтра подходит как для входной, так
и для выходной цепи:
Рис. 1.5.13. Входной фильтр электромагнитных помех.
L5=L=450 мкГн
С55=С58=Сх=0,22 мкФ
400 В
С54=С56=Су=3,3 нФ
3 кВ.
Рис.1.5.14. Выходной фильтр электромагнитных помех.
L6=L=450 мкГн
С54=С56=Су=3,3 нФ
3 кВ.
С57=С59=Сх=0,22 мкФ
400 В
1.6. Обоснование выбора элементов схемы
Источник бесперебойного питания должен обеспечивать
круглосуточную работу любого устройства, которое подключено к нему, с
сохранением выходных параметров, поэтому к нему выдвигаются жесткие требования,
как к конструкции, так и к выбору элементов схемы.
Условно элементы схемы можно разделить на элементы
общего применения и специальные.
Элементы общего применения являются изделиями
массового производства, поэтому они достаточно широко стандартизированы.
Стандартами и нормами установлены технико-экономические и качественные
показатели, параметры и размеры элементов. Такие элементы называют типовыми.
Выбор типовых элементов проводится по параметрам и характеристикам, которые описывают
их свойства, как при нормальных условиях эксплуатации, так и при разных
влияниях (климатических, механических и др.).
Основными электрическими параметрами является:
номинальное значение величины, характерной для данного элемента (сопротивление
резисторов, емкость конденсаторов, индуктивность катушек и т. д.) и границы
допустимых отклонений; параметры, которые характеризуют электрическую прочность
и способность долгосрочно выдерживать электрическую нагрузку; параметры, которые
характеризуют потери, стабильность и надежность.
Основными требованиями, которыми нужно руководствоваться
при проектировании радиоэлектронной аппаратуры, являются требования по
наименьшей стоимости изделия, его высокой надежности и минимальным малогабаритным
показателям. Кроме того, при проектировании важно увеличивать коэффициент
повторяемости электрорадиоэлементов. Исходя из перечисленных выше критериев
сделаем выбор элементной базы проектируемого устройства.
1.6.1. Выбор резисторов.
При выборе резисторов, прежде всего, обращаем внимание
на их габариты, стоимость и надежность, которая обусловлена наработкой на
отказ. Исходя из того, что современные интегральные технологии далеко продвинулись
вперед, по сравнению с прошлыми годами, мы имеем резисторы, которые
характеризуются: высокой надежностью и низкой себестоимостью, компактными
размерами и большой разновидностью.
Сравним несколько типов резисторов.
Толстопленочные резисторы с допуском ±5%.
Технические параметры. Таблица 1.6.1
|
Параметры
|
Значения
|
|
Тип
|
RC01
|
RC11
|
RC21
|
RC31
|
RC41
|
|
Типоразмер корпуса
|
1206
|
0805
|
0603
|
0402
|
0201
|
|
Диапазон номиналов сопротивления
|
1 Ом …1 МОм
|
10 Ом…
1 МОм
|
|
Допуск
|
±5%
|
|
Максимальная мощность
|
0.25 Вт
|
0.125Вт
|
0.1 Вт
|
0.063 Вт
|
0.005 Вт
|
|
Максимальное рабочее
напряжение
|
200 В
|
150 В
|
50 В
|
15В
|
|
Диапазон рабочих температур
|
-55 … +155 ºС
|
Толстопленочные резисторы с допуском ±1%.
Технические параметры. Таблица 1.6.2
|
Параметры
|
Значения
|
|
Тип
|
RC02H
|
RC02G
|
RC12H
|
RC12G
|
RC22H
|
|
Типоразмер корпуса
|
1206
|
1206
|
0805
|
0805
|
0603
|
|
Диапазон номиналов сопротивлений
|
1 Ом …1 Мом
|
10 Ом…
1 МОм
|
|
Допуск
|
±1%
|
|
Максимальная мощность
|
0.25 Вт
|
0.25Вт
|
0.125Bт
|
0.125 Вт
|
0.1 Вт
|
|
Максимальное рабочее
напряжение
|
200 В
|
150 В
|
50 В
|
|
Диапазон рабочих температур
|
-55 … +155 ºС
|
Типоразмеры SMD резисторов. Таблица 1.6.3
|
Типоразмер корпуса
|
L (мм)
|
W (мм)
|
Масса (г)
|
|
0201
|
0.6
|
0.3
|
0.3
|
0.02
|
|
0402
|
1.0
|
0.5
|
0.35
|
0.06
|
|
0603
|
1.6
|
0.8
|
0.45
|
0.2
|
|
0805
|
2.0
|
1.25
|
0.55
|
0.55
|
|
1206
|
3.2
|
1.6
|
0.55
|
1.0
|
Исходя из таб.1.6.1. и таб.1.6.3. в качестве
сопротивлений выбираем толстопленочные резисторы RC01 и RC02H с типоразмером корпуса
1206 (рис.1.6.1).
Мощные SMD резисторы. Технические характеристики. Таблица
1.6.4
|
Параметры
|
Значение
|
|
Тип
|
XC0204
|
RWN5020
|
RWP5020
|
|
Типоразмер корпуса
|
SMD MELF
|
SMD POW
|
SMD POW
|
|
Диапазон номиналов
сопротивлений
|
0.22Ом…10МОм
|
0.003Ом…1МОм
|
1Ом…0.1МОм
|
|
Допуск
|
0.1%...5%
|
1;2;5%
|
1;5%
|
|
Максимальная мощность
|
1 Вт
|
1.6Вт
|
1.6Bт
|
|
Максимальное рабочее
напряжение
|
300 В
|
|
Диапазон рабочих температур
|
-55 … +155ºС
|
Исходя из таб.1.6.4. в качестве мощных сопротивлений
выбираем резисторы RWN5020 с типоразмером корпуса SMD POW (рис.6.2.б).
А = 1.5 мм.
В = 1.2 мм.
С = 4.7 мм.
Рис.1.6.1. Рекомендованное расположение резисторов при
пайке: RC01, RC02H типоразмера 1206.
а)
б)
Рис.1.6.2. Типоразмеры корпусов резисторов:
а)
SMD MELF ; б) SMD POW
В качестве подстроечных сопротивлений выбираем
резисторы PVZ3A фирмы Murata черт. 1.6.3.
Подстроечные сопротивления PVZ3A.
Технические параметры. Таблица 1.6.5
|
Функциональная
характеристика
|
Линейная
|
|
Номинальная мощность
|
0.1Вт при 50°С
|
|
Максимальное рабочее
напряжение
|
50V
|
|
Рабочий диапазон температур
|
-25°C…85°C
|
|
Допустимое отклонение
номинального значения сопротивления
|
±30%
|
|
Угол поворота
|
230°± 10°
|
|
Диапазон номинальных
сопротивлений
|
100Ом…2МОм
|
|
Температурный коэффициент
сопротивления (ТКО)
|
500ppm/°C
|
|
Усилие поворота
|
20-200 г./см
|
Рис.1.6.3. Типоразмер подстроечных резисторов PVZ3A.
1.6.2 Выбор конденсаторов.
При выборе конденсаторов, учитывая условия
эксплуатации изделия, а также электрические параметры, будем руководствоваться
тем, что для конденсаторов выдвигаются следующие требования:
- наименьшая масса;
- наименьшие размеры;
- относительная дешевизна;
- высокая стабильность;
- высокая надежность;
Возьмем для рассмотрения несколько типов
конденсаторов, и сделаем сравнение относительно класса диэлектрика в виде
таблицы.
SMD конденсаторы. Технические параметры. Таблица 1.6.6
|
Класс диэлектрика
|
Класс 1
|
Класс 2
|
|
Типоразмер корпусу
|
0402…1210
|
0402…2220
|
|
Номинальное напряжение Uн
|
50В; 200В;500В;1кВ;3кВ
|
25В; 50 В; 100В; 200В;
500В;1кВ;2кВ;3кВ
|
|
Диапазон емкостей
|
1 пФ…10 нФ;1нФ…10мкФ
|
1 пФ…1 нФ; 1нФ…10мкФ
|
|
Допуск емкостей
(в % или пФ)
|
При Сн<10 пФ:
±0.1 пФ
±0.25 пФ
±0.5 пФ
При Сн≥10 пФ:
±1 %
±2 %
±5 %
±10 %
|
±5 %
±10 %
±20 %
|
|
Максимально относительная
девиация емкости ΔС/С
|
-
|
±15 %
|
|
Диапазон рабочих температур
|
-55…+125ºС
|
-55…+125ºС
|
|
Максимальное значение тангенса
угла потерь tg δ
|
<1.10-3
|
<25.10-3
<35.10-3 (16В)
|
|
Сопротивление изоляции при
25 ºС
|
> 105 МОм
|
> 105 МОм
|
|
при 125 ºС
|
-
|
> 104 МОм
|
|
Постоянная времени
при 25 ºС
|
> 1000 с
|
> 1000 с
|
|
при 125 ºС
|
> 100 с
|
> 100 с
|
Типоразмер SMD конденсаторов. Таблица 1.6.6
|
Размер
мм
|
0402
1005
|
06032
1608
|
0805
2012
|
1206
3216
|
1210
3225
|
|
l
|
1.5±0.1
|
1.6±0.15
|
2.0±.02
|
3.2±0.2
|
3.2±0.3
|
|
b
|
0.5±0.05
|
0.8±0.1
|
1.25±0.15
|
1.6±0.15
|
2.5±0.3
|
|
s
|
0.5±0.05
|
0.8±0.1
|
1.35max
|
1.3max
|
1.7max
|
|
k
|
0.1-0.4
|
0.1-0.4
|
0.13-0.75
|
0.25-0.75
|
0.25-0.75
|
Исходя из таб.1.6.6., в качестве SMD конденсаторов выбираем
конденсаторы с диэлектриком 1-го класса, типоразмером корпуса 1206
(рис.1.6.4.).
А = 1.5 мм.
В = 1.2 мм.
С = 4.7 мм.
Рекомендованное расположение
при пайке SMD конденсаторов типорозмера 1206.
Выбираем электролитические конденсаторы фирмы Hitano,
для обычного монтажа серии ECR.
Серия ECR:
|
диапазон напряжений
|
6.3…100В
|
160…460В
|
|
диапазон емкостей
|
0.47…10000мкФ
|
0.47…220мкФ
|
|
температурный диапазон
|
-40…+85°С
|
-25…+85°С
|
|
ток потерь
|
<0.01CU
|
<0.03CU
|
|
разброс емкостей
|
±20% при 20°С, 120Гц
|
Диэлектрические потери (tgs), не больше
|
U,B
|
16
|
25
|
35
|
50
|
63
|
100
|
200
|
350
|
400
|
|
tgs(D4-6.3)
|
0.16
|
0.14
|
0.12
|
0.1
|
0.1
|
0.08
|
0.18
|
0.2
|
0.2
|
Стабильность при низких температурах (отношение
импедансов на частоте 120Гц).
|
U,B
|
16
|
25
|
35
|
50
|
63
|
100
|
200
|
350
|
400
|
|
Z(-25°C)/ Z(+20°C)
|
2
|
2
|
2
|
2
|
2
|
2
|
2
|
2
|
2
|
|
Z(-40°C)/ Z(+20°C)
|
4
|
4
|
3
|
3
|
3
|
3
|
|
|
|
Типоразмеры электролитических конденсаторов. Таблица
1.6.8
|
мкФ/B
|
16
|
25
|
35
|
50
|
63
|
100
|
200
|
350
|
400
|
|
1
|
|
|
|
5´11
|
5´11
|
5´11
|
5´11
|
6´11
|
6´11
|
|
2.2
|
|
|
|
5´11
|
5´11
|
5´11
|
6´11
|
6´11
|
8´12
|
|
4.7
|
|
|
|
5´11
|
5´11
|
5´11
|
8´12
|
8´12
|
10´13
|
|
10
|
5´11
|
5´11
|
5´11
|
5´11
|
5´11
|
6´11
|
10´16
|
10´13
|
10´13
|
|
22
|
5´11
|
5´11
|
5´11
|
5´11
|
6´11
|
6´11
|
10´21
|
10´13
|
10´16
|
|
33
|
5´11
|
5´11
|
5´11
|
6´11
|
6´11
|
8´12
|
13´21
|
10´21
|
10´21
|
|
47
|
5´11
|
5´11
|
5´11
|
6´11
|
6´11
|
10´13
|
13´21
|
13´21
|
13´26
|
|
100
|
5´11
|
6´11
|
6´11
|
8´12
|
10´13
|
10´21
|
16´26
|
16´32
|
16´32
|
|
220
|
6´11
|
8´12
|
8´14
|
10´13
|
10´16
|
13´26
|
18´36
|
18´41
|
|
|
330
|
8´12
|
10´13
|
10´17
|
10´20
|
13´26
|
|
|
|
|
470
|
8´12
|
8´14
|
10´16
|
13´21
|
13´26
|
16´26
|
|
|
|
|
1000
|
10´16
|
10´21
|
13´21
|
13´26
|
16´25
|
18´41
|
|
|
|
|
2200
|
13´21
|
13´21
|
16´26
|
16´36
|
18´36
|
|
|
|
|
|
3300
|
13´26
|
16´26
|
16´32
|
18´36
|
22´41
|
|
|
|
|
|
4700
|
16´26
|
16´32
|
18´36
|
22´41
|
25´41
|
|
|
|
|
Рис.1.6.5. Габаритные размеры электролитических
конденсаторов.
|
D
|
5
|
6
|
8
|
10
|
13
|
16
|
18
|
22
|
25
|
|
P
|
2.0
|
2.5
|
3.5
|
5.0
|
5/0
|
7.5
|
7.5
|
10
|
12.5
|
|
d
|
0.5
|
0.5
|
0.5
|
0.6
|
0.6
|
0.8
|
0.8
|
1.0
|
1.0
|
1.6.3 Выбор индуктивности и трансформаторов
Выбираем изделия фирмы Epcos.
В качестве дросселей, для фильтров по питанию, из
таблицы выберем дроссели типа DB36-10-47, DST4-10-22, FMER-K26-09.
Катушки индуктивности. Технические параметры. Таблица
1.6.9
|
Тип
|
индуктивность
мкГн
|
Q
|
Тест. частота
Гц
|
сопротивление
Ом
|
Ток тип.
А
|
Ток нас.
А
|
|
L
|
Q
|
|
DB36-10-47
|
150±20%
|
46
|
100К
|
2.520М
|
0.02
|
12.80
|
14.20
|
|
DST4-10-22
|
47±20%
|
42
|
100К
|
2.520М
|
0.01
|
12.20
|
15.50
|
|
FMER-K26-09
|
60±20%
|
56
|
100К
|
2.520М
|
0.12
|
8.2
|
10.4
|
Выбираем тип трансформаторов TS40-15-2, KERBIP-2-K20,
TS300-12-K28, TS12-300-K32 диапазон рабочих температур -40…+45оС.
1.6.4 Выбор активных элементов
Выбираем транзисторы фирмы STMicroelectronics
табл.1.6.10.
Технические параметры транзисторов. Таблица 1.6.10
|
Параметры
|
К1531
|
GT15Q101
|
BC556
|
IRFP150
|
IRFD123
|
2N2907
|
К792
|
|
Напряжение коллектор-база
|
500B
|
1200В
|
80В
|
100В
|
80В
|
-60В
|
900В
|
|
(сток-затвор)
|
500B
|
1200В
|
65В
|
100В
|
80В
|
-40В
|
900В
|
|
Напряжение
коллектор-эмиттер (сток-исток)
|
±30B
|
±20В
|
5В
|
±20B
|
±20B
|
-5В
|
±20B
|
|
Напряжение
|
15A
|
15А
|
100мА
|
43A
|
1.1А
|
-600мА
|
3A
|
|
база-эмиттер
|
60A
|
30А
|
200мА
|
170A
|
4.4А
|
-1.2А
|
5A
|
|
(затвор-исток)
|
|
|
2мА
|
|
|
20мА
|
|
|
Ток коллектора
|
150Bт
|
150Вт
|
0.5Вт
|
193Вт
|
1.5Вт
|
200мВт
|
100Вт
|
|
(сток)
|
1480пФ
|
1800пФ
|
10пФ
|
1750пФ
|
450пФ
|
30пФ
|
800пФ
|
|
Импульсный ток коллектора
|
400пФ
|
|
3пФ
|
420пФ
|
200пФ
|
8пФ
|
250пФ
|
|
(сток)
|
150°C
|
150°С
|
150°С
|
175°С
|
150°С
|
150°С
|
150 °С
|
Выбираем диоды фирм
Fairchild и International Rectifier.
Технические параметры диодов. Таблица 1.6.11
|
Параметры
|
U обр. В
|
І макс., А
|
І обр, мА
|
F макс., кГц
|
|
PSOF107
|
300
|
0.3
|
0.005
|
40
|
|
1N4937
|
600
|
1.5
|
2
|
150
|
|
LL4148
|
100
|
0.2
|
0.005
|
300
|
|
LL414P
|
60
|
0.5
|
0.01
|
300
|
|
MUR860
|
600
|
10
|
20
|
200
|
|
MUR31
|
800
|
8
|
2
|
10
|
|
RUR30100
|
1000
|
30
|
1
|
300
|
Выбираем микросхемы фирм
Unitrode, National Semiconductor, Intersil, STMicroelectronics.
В качестве контролеров питания выбираем UC3842 фирмы
Unitrode, SG3525 фирмы STMicroelectronics.
В качестве микросхемы стабилизатора напряжения
выбираем ИМС фирмы STMicroelectronics.
Технические параметры микросхемы
интегрального стабилизатора. Таблица 1.6.13
|
Тип
|
Входное напряжение, В
|
Напряжение стабилизации, В
|
Выходной ток, А
|
Температура, °С
|
|
78M05ST
|
+30
|
+5
|
1.2
|
-55…+125
|
1.7. Расчет печатной платы.
1.7.1. Расчет площади печатной платы.
Определяем стандартные размеры элементов, которые
применяются, и возводим данные в таблицу. 1.7.1.
Размеры элементов и их суммарная позиция. Таблица.
1.7.1.
|
Название групп компонентов
|
Количество N, шт.
|
Длинна
L, мм
|
Ширина
В, мм
|
Диаметр
D, мм
|
Площадь
S=L*В, мм2
|
Площадь N элем.
S*N,мм2
|
Диаметр
выводов
d, мм
|
|
Резисторы
постоянные 0.25...0.5Вт
|
119
|
4.7
|
1.5
|
|
7.05
|
838.95
|
|
|
Резисторы
постоянные 1...2Вт
|
10
|
12
|
5
|
|
60
|
600
|
0.85
|
|
Резисторы переменные
|
3
|
3.1
|
3.6
|
|
11.16
|
33.48
|
|
|
Конденсаторы керамические
|
37
|
4.7
|
1.5
|
|
7.05
|
260.85
|
|
|
Конденсаторы
электролитические
|
14
|
|
|
16
|
200.96
|
2813
|
|
|
8
|
|
|
20
|
314
|
2512
|
|
|
Транзисторы
|
17
|
25
|
40
|
|
1000
|
17000
|
1.0
|
|
Диоды малой мощности
|
8
|
4.7
|
1.5
|
|
7.05
|
56.4
|
0.6
|
|
Диоды большой мощности
|
16
|
15
|
20
|
|
300
|
4800
|
1.2
|
|
Стабилитроны
|
5
|
4.7
|
2
|
|
9.4
|
47
|
|
|
IMC SMD
|
6
|
14
|
12
|
|
168
|
1008
|
|
|
IMC DIP
|
5
|
10
|
8
|
|
80
|
400
|
1.0
|
|
Дроссели
|
6
|
22
|
|
924
|
5544
|
1.2
|
|
Трансформаторы сигнальные
|
3
|
|
|
15
|
176
|
530
|
1.0
|
|
Трансформаторы питания
|
2
|
70
|
60
|
|
4200
|
8400
|
1.2
|
|
Вставка плавкая
|
4
|
30
|
10
|
|
300
|
1200
|
1.2
|
|
Реле
|
2
|
50
|
20
|
|
1000
|
2000
|
1.0
|
|
Разъемы
|
6
|
20
|
10
|
|
200
|
1200
|
0.85
|
Из таблицы. 1.7.1. получили суммарную плоскость
SСУМ=49233мм2, тогда определяем устанавливаемую площадь всех элементов на
плате, если КУСТ=1,2
Определяем плоскость печатной платы, которая
необходима для установки элементов с учетом расстояния между элементами и
выводами, а также для обеспечения нормальных тепловых режимов работы, по формуле,
если коэффициент использования равен: КИСП=0,9, тогда
Определяем площадь, которая необходима для размещения
элементов крепления, которые крепят плату. Принимаем, что плата крепится шестью
винтами М3, если под один болт отводится плоскость SБ=100(мм2).
Определяем общую площадь платы:
Исходя из полученной площади выбираем ширину платы L=300(мм),
тогда длинна:
Принимаем В=216(мм).
1.7.2. Расчет параметров металлизированных отверстий.
Исходя из диаметров элементов, которые устанавливаются
на плату, определим диаметр металлизированных отверстий, если толщина
металлизированного покрытия при металлизации гальваническим методом:
mпок=0,05(мм).
И зазор между выводом и стенкой металлизированного
покрытия берется:
К=0,2(мм).
Элементы, которые устанавливаются, имеют шесть
диаметров выводов:
d1=0,5 (мм)
d2=0,6 (мм)
d3=0,8 (мм)
d4=0,85 (мм)
d5=1(мм)
d6=1,2 (мм),
тогда:
Определяем параметры контактных площадок вокруг
металлизированного отверстия, если контактные площадки выполняются в виде
контактного кольца с обеих сторон платы. Если необходимая радиальная величина
будет В=0,55, а технологический коэффициент на ошибку С=0,1, тогда:
Исходя из полученных размеров металлизированных
отверстий и диаметров выводов элементов, выбираем технологически обусловленные
размеры металлизированных отверстий, и полученные данные записываем в таблицу
1.7.2.
Размеры диаметров отверстий и контактных площадок. Таблица
1.7.2.
|
№
|
Диаметр вывода
элемента, мм
|
Расчетные данные
|
Стандартные
|
|
Диаметр отверстия, мм
|
Диаметр площадки, мм
|
Диаметр отверстия, мм
|
Диаметр площадки, мм
|
|
1
|
0,5
|
1
|
2,2
|
1
|
2,2
|
|
2
|
0,6
|
1,1
|
2,3
|
1
|
2,2
|
|
3
|
0,8
|
1,3
|
2,5
|
1,2
|
2,5
|
|
4
|
0,85
|
1,35
|
2,55
|
1,2
|
2,5
|
|
5
|
1
|
1,5
|
2,7
|
1,5
|
2,8
|
|
6
|
1,2
|
1,7
|
2,9
|
1,8
|
3
|
1.7.3. Расчет ширины печатных проводников.
Ширина печатных проводников определяется по
максимальному току для разных цепей схемы, если допустимая плотность тока
JДОП=30(А/мм2), максимальный ток ІМ=8(А), а толщина металлизированного покрытия
mПОК=0,05(мм), тогда ширина будет равной:
Расстояние между проводниками найдем по разнице
потенциалов, с учетом электрических характеристик выбранного метода
изготовления. В нашей схеме, в основном, максимально возможное напряжение не
превышает 450(В), расстояние между печатными проводниками — 1,8(мм).
1.8. Тепловой расчет.
Рассчитаем тепловой режим транзистора в импульсном
стабилизаторе напряжения.
Полная мощность, которая выделяется в транзисторе во
время его работы при переключении определяется за формулой:
Р=Рпер+Роткр+Рупр+Ри (1.8.1)
где: Р – полная мощность, которая рассеивается;
Рпер – потери мощности при переключении;
Роткр – потери на активном сопротивлении транзистора;
Рупр – потери на управлении в цепи затвора;
Ри – потери мощности за счет истока в закрытом
состоянии.
Сразу можно отметить, что потери мощности, которые
вызваны током истока (Ри), имеют очень маленькое значение, поэтому ими можно
пренебречь. Также потери, которые возникают в цепи управления, тоже имеют очень
малые значения, поэтому формула принимает вид:
Р=Рпер+Роткр., (1.8.2)
где
Роткр=RDS(on)I2эф. (1.8.3)
(1.8.4)
Мощность Рпер определяется
(1.8.5)
где
i=IН/n. (1.8.5)
IL=3/0,98=3,06(A).
тогда
Отсюда
проверяем тепловой режим работы транзистора
,
(1.8.6)
где
tнс – температура окружающей среды 35 С.
Rja – тепловое сопротивление кристалл-среды 75 С/Ут.
С.
По результатам проделанных расчетов видно, что при
использовании транзисторов в режиме ключей и при заданных параметрах работы
преобразователя, необходимо обязательное применение охладительных радиаторов и
принудительного обдува. Радиатор выбираем ребристого типа по методике,
описанной в [10] ст. 221.
1.9. Расчет надежности устройства.
Надежность - это свойство изделия выполнять заданные
функции в определенных условиях эксплуатации при сохранении значений основных
параметров в заданных границах.
Надежность характеризуется рядом расчетных
показателей, наиболее важной из которых является интенсивность отказов, средняя
наработка на отказ, вероятность безотказной работы.
Вероятность безотказной работы указывает на то, какая
часть изделий будет работать безотказно в течение заданного времени tp. Для
большинства радиоэлектронных устройств вероятность безотказной работы зависит,
как от физических свойств, так и от времени tp, в течение которого устройство
должно работать безотказно:
(1.11.1.)
Интенсивностью отказов называют количество отказов за
единицу времени, что приходится на одно изделие, которое продолжает работать в
данный момент времени:
(1.11.2)
Интенсивность отказов аппарата, который состоит из m разных элементов, определяют по формуле:
(1.11.3)
Расчет надежности проводим в такой последовательности:
1. Составляем таблицу исходных данных для расчета,
определяем конструктивную характеристику компонентов, количество компонентов по
группам, рассчитываем интенсивность отказов λі для каждой из групп
компонентов:
(1.11.4)
где: m – количество компонентов в
одной группе.
Выходные данные для расчета надежности сводим в
таблицу 1.11.1.
Исходные данные расчета надежности. Таблица 1.11.1
|
№
|
Названия групп компонентов
|
Кол-во
|
|
|
|
|
1.
|
Резисторы
непроволочные постоянные 0.125-0.5
непроволочные постоянные 1.0-2.0
непроволочные переменные
|
82
10
3
|
0.4
1.0
2.5
|
0.42
0.42
0.42
|
13.78H10-6
4.2H10-6
3.15H10-6
|
|
2.
|
Конденсаторы
керамические
электролитические
|
37
22
|
1.2
2.2
|
0.1
0.4
|
4.44H10-6
19,36H10-6
|
|
3.
|
Транзисторы
кремниевые
|
17
|
1.7
|
0.35
|
11.56H10-6
|
|
4.
|
Диоды
Выпрямители
малой мощности
большой мощности
стабилитроны малой мощности
светодиоды
|
8
16
5
3
|
0.7
5.0
2.4
2.8
|
0.81
0.81
0.81
0.81
|
4.54H10-6
64.8H10-6
9.72H10-6
6.8H10-6
|
|
5.
|
Интегральные микросхемы
полупроводниковые
|
6
|
0.01
|
1.0
|
0.06H10-6
|
|
6.
|
Дроссели
|
6
|
1.0
|
1.0
|
6.0H10-6
|
|
7.
|
Трансформаторы
сигнальные
питания
|
3
2
|
0.1
3.0
|
1.0
1.0
|
0.3H10-6
6.0H10-6
|
|
8.
|
Вставка плавкая
|
4
|
0.5
|
1.0
|
2.0H10-6
|
|
9.
|
Тумблер
|
1
|
1.1
|
1.0
|
1.1H10-6
|
|
10.
|
Реле
|
2
|
1.7
|
0.35
|
1.19H10-6
|
|
11,
|
Клеммы
|
2
|
1.0
|
1.0
|
2.0H10-6
|
|
12.
|
Печатная плата
|
1
|
0.1
|
0.1
|
0.01H10-6
|
|
11.
|
Пайка на плате
|
910
|
0.01
|
1.0
|
9.1H10-6
|
|
12.
|
Корпус прибора
|
1
|
1.0
|
1.0
|
1.0H10-6
|
|
13.
|
Проводники и пайки навесные
|
24
|
0.02
|
1.0
|
0.48H10-6
|
2. Для учета условий эксплуатации находим поправочные
коэффициенты
,
,
и по формуле (1.11.5) рассчитываем поправочный
коэффициент
. Принимаем
,
,
.
(1.11.5)
3. Расчет интенсивности отказов проводим по формуле:
(1.11.6)
4. Среднюю наработку на отказ рассчитываем по формуле:
(1.11.7)
5. Проводим расчет вероятности безотказной работы
радиоустройства по формуле (1.11.1):
-λHtρ (1.11.1.)
где
- основа натурального логарифма;
-
интенсивность отказов;
-
время испытания.
Результаты расчетов вероятности безотказной работы
устройства записываем в таблицу 1.11.2.
Результаты расчета надежности. Таблица 1.11.2
№
|
|

|
|
1.
2.
3.
4.
5.
6.
|
0
101
102
103
104
105
|
0
-0.001759
-0.017590
-0.175900
-1.759000
-17.59000
|
1
0.9982
0.9825
0.8394
0.1737
0.0002
|
6. По результатам расчетов строим график зависимости
вероятности безотказной работы устройства от времени
:
Рис. 1.11.1. График зависимости вероятности
безотказной работы устройства от времени.
Раздел 2. Экономический расчет.
Целью данного раздела дипломного проекта является
выполнение необходимых расчетов организационно-экономических показателей.
Данный раздел включает:
1. Расчет себестоимости устройства.
2. Определение цены устройства.
3. Оценка уровня качества устройства.
4. Определение цены потребления.
5. Определение рыночной цены.
6. Прогноз сбыта.
7. Прибыль от реализации.
Экономический расчет будем проводить с учетом того,
что производство устройства является мелкосерийным.
2.1. Анализ рынка.
Блок бесперебойного питания предназначен для питания
разнообразной электрической и электронной аппаратуры стабилизированным напряжением
220В, в том числе устройств охранной, пожарной и охранно-пожарной сигнализации,
питание аппаратуры на АТС, питание персональных компютеров.
Преимуществами новой разработки является высокий КПД и
большая выходная мощность. Возможные объемы продажи изделия приблизительно 1000
шт. в год. Ближайшим аналогом данного блока является блок питания PW5115 фирмы
Powerware, его мы и берем за базовое изделие.
2.2 Расчет уровня качества
2.2.1. Основные технические параметры устройства.
Технические параметры характеризуют качество изделия.
Качество – совокупность свойств, которые делают его способным выполнять
заданные функции, тем самым удовлетворять соответствующие рыночные требования.
Конкурентоспособность – это степень соответствия товара в данной рыночной ситуации
по техническим, экономическим, эксплуатационным характеристикам.
Основными показателями данного изделия является:
1. Выходное напряжение.
2. Коэффициент полезного действия.
3. Выходная мощность.
4. Частота сети.
5. Выходной ток.
2.2.2. Определение важности каждого показателя.
Следующим этапом, после выбора более важных
показателей, является ранжирование показателей по степени их важности. Самому
важному присваивается ранг 1, менее важному ранг 2 и так далее.
Результаты занесем в таблицу 2.1.1
Показатели ранжирования по степени важности. Таблица
2.2.1.
|
Показатель
|
Ранг показателя, на мнение
эксперта
|
Сума рангов, Ri
|
Di
|
Di2
|
|
1
|
2
|
3
|
4
|
5
|
|
1
|
4
|
3
|
4
|
3
|
3
|
17
|
2
|
4
|
|
2
|
2
|
1.5
|
1
|
2
|
1
|
7.5
|
-7.5
|
56.25
|
|
3
|
3
|
4
|
2,5
|
4
|
4
|
17.5
|
2.5
|
6.25
|
|
4
|
1
|
1.5
|
2,5
|
1
|
2
|
8
|
-7
|
49
|
|
5
|
5
|
5
|
5
|
5
|
5
|
25
|
10
|
100
|
|
Всего
|
15
|
15
|
15
|
15
|
15
|
75
|
0
|
215.5
|
где :
(2.2.1)
(2.2.2)
Проведем проверку пригодности экспертных оценок.
Проверка проводится на основе расчета коэффициента соответствия экспертных
оценок.
Коэффициент соответствия:
(2.2.3)
(2.2.4)
где:
N – количество экспертов
n – количество оценок
Коэффициент соответствия может принимать значение
.
В случае, когда W=1 – полное соответствие экспертов.
Рассчитанный коэффициент уравнивается с минимально допустимым Wн. При условии
полученные данные
заслуживают доверия и пригодные для последующей работы. Для радиотехнических
устройств Wн=0,77
Полученный результат пригодный для последующего
использования.
Для оценки уровня качества изделия используем обобщающий
показатель - коэффициент технического уровня:
Кт.у=åφ і· qі (2.2.5)
где:
φ і – относительный (единичный) показатель
качества.
q i – коэффициент весомости.
Если зависимость между параметром и качеством линейна,
то относительные показатели вычисляются по формулам:
q і = РНі/ РБі (2.2.6)
и
q і = РБі/ РНі (2.2.7)
Если зависимость между параметром и качеством нелинейная,
то относительные показатели вычисляются по формулам:
q і =lg(РНі/ РБі)+1 (2.2.8)
и
q і =lg(РБі/ РНі)+1 (2.2.9)
где: РНі , РБі - числовые значення і -го параметра соответственно
нового і базового изделия.
В качестве базового изделия возьмем блок бесперебойного
питания PW5115 фирмы Powerware.
Результаты расчетов сведем в таблицу 2.2.2.
Результаты расчетов. Таблица 2.2.2.
|
Показатель
|
Название показателя
|
Значение базового
показателя
|
Значение нового показателя
|
q і
|
|
Х1
|
Выходное напряжение, В
|
0...24
|
0... 30
|
1.25
|
|
Х2
|
Коэффициент полезного
действия
|
0.85
|
0.89
|
1,05
|
|
Х3
|
Выходная мощность, Вт
|
240
|
300
|
1.25
|
|
Х4
|
Частота сети, Гц
|
50...60
|
50...60
|
1.0
|
|
Х5
|
Выходной ток, А
|
10
|
10
|
1.0
|
Определим коэффициент важности каждого показателя
Воспользуемся средством экспертных оценок. Эксперты
независимо один от другого сравнивают между собой показатели, оценивая, что
важнее. В оценке принимают участие не менее 5 экспертов.
При этом если показатель “>” то ставим коэффициент
1.5
Если показатель “<” то ставим коэффициент 0.5
Если показатель “=” то ставим коэффициент 1.
На основании таблицы построим матрицу, куда перенесем
числовые значения оценок.
Экспертная оценка. Таблица 2.2.3
Показатели
|
Эксперты
1 2 3 4 5
|
Суммирующая оценка
|
Числовое значение оценки
|
|
Х1 і Х2
|
<
|
=
|
<
|
<
|
=
|
<
|
0.5
|
|
Х1 і Х3
|
=
|
<
|
>
|
<
|
<
|
<
|
0.5
|
|
Х1 і Х4
|
<
|
<
|
=
|
<
|
<
|
<
|
0.5
|
|
Х1 і Х5
|
<
|
>
|
>
|
>
|
=
|
>
|
1.5
|
|
Х2 і Х3
|
<
|
<
|
<
|
<
|
<
|
<
|
0.5
|
|
Х2 і Х4
|
>
|
>
|
=
|
>
|
=
|
>
|
1.5
|
|
Х2 і Х5
|
>
|
>
|
=
|
>
|
>
|
>
|
1.5
|
|
Х3 і Х4
|
<
|
=
|
<
|
<
|
<
|
<
|
0.5
|
|
Х3 і Х5
|
>
|
>
|
>
|
=
|
>
|
>
|
1.5
|
|
Х4 і Х5
|
=
|
>
|
>
|
>
|
>
|
>
|
1.5
|
Определение важности каждого показателя определим в
два шага:
1-й шаг: определим bi - сумму числовых значений оценок
(сумма по строке);
Kbi=bi/åbi; (2.2.10)
2-й шаг: определим bi1:
bi1=ai1*b1+ai2*b2+….+ain*bn (2.2.11)
Результат занесем в таблицу 2.1.4
Значение показателей. Таблица 2.1.4.
|
Х1
|
Х2
|
Х3
|
Х4
|
Х5
|
1-я итерация
bi φi
|
2-я итерация
bi φi
|
|
Х1
|
1
|
0.5
|
0.5
|
0.5
|
0.5
|
3
|
0.12
|
14
|
0.12
|
|
Х2
|
1.5
|
1
|
1.5
|
1.5
|
1.5
|
7
|
0.28
|
34
|
0.3
|
|
Х3
|
1.5
|
0.5
|
1
|
0.5
|
1.5
|
5
|
0.2
|
22
|
0.19
|
|
Х4
|
1.5
|
0.5
|
1.5
|
1
|
1.5
|
6
|
0.24
|
27.5
|
0.24
|
|
Х5
|
1.5
|
0.5
|
0.5
|
0.5
|
1
|
4
|
0.16
|
17.5
|
0.15
|
|
|
|
|
|
|
25
|
1
|
115
|
1
|
Перша итерация:
φi=bi/åbi (2.2.12)
bi=åaij (2.2.13)
где: bi – весомость і-го параметра
Вторая итерация:
φi=bi/åbi (2.2.14)
bi=ai1b1+ai2b2+...+ ainbn (2.2.15)
где: bi – весомость і-го параметра
Уровень качества изделия
КТ.Р.=0.12*1.25 +0.3*1.05+ 0.19 *1.25+ 0.24 *1.0+0.
15*1.0=1.1
Таким образом, уровень качества разрабатываемого
устройства равен 1,1.
Согласно ТЗ, производство источника бесперебойного
питания – мелкосерийное, поэтому будем пользоваться соответствующими
нормативами и методикой.
2.3.1 Расчет затрат на приобретение материалов.
Расходы на приобретение материалов вычисляются на
основании норм их расходования и цен, с учетом транспортно-заготовительных
расходов. Расчет по стоимости материалов занесен в таблицу 2.3.1
Стоимость материалов. Таблица 2.3.1.
|
Наименование материала
|
Стандарт,
марка
|
Единица измер.
|
Норма расхода на одно
изделие
|
Цена за ед., грн
|
Сума, грн
|
|
Припой
|
ПОС-61
|
кг
|
0.30
|
7
|
2.1
|
|
Стекло-текстолит
фольгированный
|
СФ-2-15
|
кг
|
0.7
|
30
|
21
|
|
Провод монтажный
|
МГШВ-0.75
|
м
|
1
|
0.15
|
0.15
|
|
Провод монтажный
|
МГШВ-0.5
|
м
|
1,5
|
0.5
|
0.75
|
|
Провод монтажный
|
МГШВ-0.35
|
м
|
0.7
|
0.3
|
0.21
|
|
Провод монтажный
|
МГШВ-1,5
|
м
|
1.5
|
1.3
|
1.95
|
|
Железо оцинкованное
|
Ст3-1.5
|
кг
|
1
|
5
|
5
|
|
Алюминий
|
Амг-3
|
кг
|
3.1
|
6.2
|
19.22
|
|
Флюс
|
ФС-1
|
кг
|
0.10
|
10
|
1.0
|
|
Лак
|
|
кг
|
0.1
|
8
|
0.8
|
|
Краска
|
ПФ-115
|
кг
|
0.35
|
7
|
2.45
|
|
Итого
|
54.63
|
|
Неучтенные материалы,5%
|
2.73
|
|
Транспортно-заготовительные
работы , 10%
|
5.46
|
|
Всего
|
62.82
|
2.3.2. Расчет расходов на покупные изделия и
полуфабрикаты.
В данную статью включается стоимость готовых изделий,
приобретенных для укомплектовки блока питания. Покупные изделия определяются по
схеме электрической принципиальной. Расчеты занесены в таблицу 2.3.2
Покупные изделия. Таблица 2.3.2.
|
Наименование
|
Марка
|
Кол-во
|
Цена, грн.
|
Сумма, грн.
|
|
Резисторы
|
|
RC01-1206± 5%
|
64
|
0.05
|
3.2
|
|
RC02H-1206± 1%
|
18
|
0.05
|
0.9
|
|
RWN5020-1.6± 5%
|
9
|
1.60
|
14.4
|
|
RWN5020-1.6± 1%
|
3
|
1.80
|
5.4
|
|
PVZ3A ± 20%
|
3
|
0.70
|
2.10
|
|
TR1223± 5%
|
1
|
1.1
|
1.1
|
|
Конденсаторы
|
|
ECR-400B-100мкФ
|
4
|
6.00
|
24
|
|
ECR-25B-1000мкФ
|
3
|
1.40
|
4.20
|
|
ELV-25B-22мкФ
|
14
|
0.60
|
8.40
|
|
X7R-1206-50B
|
20
|
0.10
|
2
|
|
X7R-1206-3кВ
|
8
|
0.90
|
7.2
|
|
X7R-1206-400B
|
10
|
1.20
|
12
|
|
Микросхемы
|
|
UC3842
|
3
|
7.80
|
23.4
|
|
UA723
|
1
|
3.30
|
3.30
|
|
SG3525
|
1
|
3.30
|
3.30
|
|
7805ACD2T
|
1
|
1.00
|
1
|
|
ATTiny26
|
1
|
14.30
|
14.3
|
|
Транзистор
|
|
K1531
|
2
|
0.20
|
0.4
|
|
K792
|
3
|
0.20
|
0.6
|
|
IRFP150
|
4
|
7.20
|
28.80
|
|
IRFD123
|
2
|
4.1
|
8.2
|
|
2N2907
|
2
|
3.2
|
6.4
|
|
GT15Q101
|
2
|
12.5
|
25
|
|
BC550B
|
4
|
2.4
|
9.6
|
|
Диоды
|
|
RUR30100
|
2
|
3.70
|
7.40
|
|
PBU607
|
1
|
4.10
|
4.10
|
|
LL4148
|
4
|
0.10
|
0.40
|
|
1N4937
|
4
|
0.40
|
1.6
|
|
HFA16TB600
|
4
|
6.80
|
27.20
|
|
BZV55C9.2V
|
2
|
0.20
|
0.40
|
|
BZV55C3.342V
|
2
|
0.20
|
0.40
|
|
BZV55C18V
|
2
|
0.20
|
0.40
|
|
TPL921
|
2
|
1.15
|
2.30
|
|
TPL559
|
2
|
1.25
|
2.50
|
|
4N35
|
3
|
1.25
|
3.75
|
|
Дроссель
|
|
|
|
|
|
|
DST4-10-22
|
3
|
5.70
|
17.10
|
|
FMER-K26-0.9
|
3
|
6.20
|
18.60
|
|
Трансформаторы
|
|
TS200-3-2-X20
|
1
|
4.10
|
4.10
|
|
KERMOP-2-K20
|
1
|
2.00
|
2.00
|
|
TS110-30-K28
|
1
|
12.30
|
12.30
|
|
TSI-40A-3-X20
|
1
|
6.20
|
6.20
|
|
Реле
|
|
AJR3221
|
2
|
10.25
|
20.30
|
|
Разъемы
|
|
SN-6-1
|
3
|
1.90
|
5.70
|
|
DB-9-1
|
1
|
1.80
|
1.80
|
|
AN-6-2
|
1
|
0.85
|
0.85
|
|
Выключатели
|
|
|
В127В-6-100В
|
1
|
1.50
|
1.50
|
|
Предохранители
|
|
ZP-20А-50В
|
2
|
1.40
|
2.80
|
|
BP-6.3A-250B
|
1
|
0.40
|
0.40
|
|
Ножки
|
|
И28.128.064
|
4
|
0.50
|
2.00
|
|
Аккумулятор
|
|
Yuasa12A-7Ah
|
4
|
|
4
|
|
|
Итого
|
356.5
|
|
Транспортно-заготовительные
работы.10%
|
35.65
|
|
Всего
|
392.15
|
|
|
|
|
|
|
2.3.3. Расчет основной заработной платы.
Потери по данной статье рассчитываются по каждому виду
работ, в зависимости от нормы времени и почасовой тарифной ставки рабочих.
Сз.о.=åСтіtші (2.3.1)
где: Сті- почасовая тарифная ставка.
tі – время на одну операцию.
Нормы времени на операциях были взяты из
технологических карт. Перечень работ отвечает технологическому процессу
производства изделия. Нормы времени для монтажных и сборочных работ
определяются типичными нормами времени на сборочно-монтажные работы, — таблица
2.3.3.
Основная заработная плата. Таблица 2.3.3.
|
Название работ
|
Тариф. разряд
|
Часовая тарифная ставка,
грн./час.
|
Норма времени, час.
|
Сумма
зарплаты, грн.
|
|
1
|
Заготовительные
|
3
|
2.6
|
3
|
7.8
|
|
2
|
Сверлильные
|
3
|
2.6
|
2
|
5.2
|
|
3
|
Монтажные
|
4
|
2.8
|
6
|
16.8
|
|
4
|
Сборочные
|
5
|
3.2
|
4
|
12.8
|
|
5
|
Маркировочные
|
2.6
|
5
|
13
|
|
6
|
Регулировочные
|
5
|
3.2
|
6
|
19.2
|
|
Итого
|
74.8
|
|
Доплаты и надбавки
(20%-60%)
|
37.4
|
|
Всего
|
112.2
|
2.3.4. Дополнительная заработная плата рабочих.
Расходы по этой статье определяются в процентах от
основной заработной платы. Ориентировочная величина норматива дополнительной
заработной платы для приборостроительных предприятий может быть принята в
размере 30-40 %.
Сз.буд.=0.30×Сз.о. (2.3.3)
где: Сз.о.- основная заработная плата.
Сз.буд.=0.30×112.2=33.66
грн.
2.3.5. Отчисление на социальное страхование.
За действующими на 23.01.2006 р. нормативами отчислений
на социальное страхование составляет 37.8% от суммы основной и дополнительной
заработной платы.
Сс.с.=0.378( Сз.про + Сз.д) (2.3.4)
Сс.с.=0.378(112.2+33.66) = 55.13 грн.
2.3.6. Общепроизводственные затраты.
Учитывая, что себестоимость изделия определяется на
ранних стадиях его проектирования в условиях ограниченной информации
относительно технологии производства и расходов на его подготовку, в общепроизводственные
расходы включаются, кроме этих расходов, расходы на: освоение основного производства,
возмещение износа специальных инструментов и устройств целевого назначения,
содержание и эксплуатацию оборудования. При этом общепроизводственные расходы
определяются в процентах к основной заработной плате. При таком комплексном
составе общепроизводственных расходов их норматив (
) достигает 200–300%.
Сз.в.=
(2...3)×Сз.про (2.3.5)
Сз.в.= 2 ×112.2 = 224.4
грн
Таким образом, производственная себестоимость
составляет 880.36 грн.
2.3.7. Административные расходы.
Эти расходы относятся к себестоимости изделия
пропорционально основной заработной плате и на приборостроительных предприятиях
они составляют 100–200%:
Сз.г=1×Сз.про (2.3.6)
Сз.г=1×112.2= 112.2грн
2.3.8. Расходы на сбыт.
Расходы по этой статье определяются в процентах к
производственной себестоимости (обычно 2,5 - 5,0%). Ссбыт = 0.025×880.36=22
Сумма по всем нижеприведенным статьям является полной
себестоимостью продукции.
Результаты расчета сведем в таблицу 2.3.4.
Коммерческие расходы. Таблица 2.3.4.
|
№
|
Статьи расходов
|
Сумма, грн.
|
Удельный вес, %
|
|
1.
|
Сырье и материалы.
|
62.82
|
6.19
|
|
2.
|
Покупные комплектующие
изделия, полуфабрикаты, работы и услуги производственного характера
посторонних предприятий.
|
392.15
|
38.65
|
|
3.
|
Основная заработная плата.
|
112.2
|
11.5
|
|
4.
|
Дополнительная заработная
плата.
|
33.66
|
3.31
|
|
5.
|
Отчисление на социальное
страхование.
|
55.13
|
5.43
|
|
6.
|
Общепроизводственные расходы.
|
224.4
|
22.11
|
|
Производственная
себестоимость
|
880.36
|
86.77
|
|
7.
|
Административные расходы.
|
112.2
|
11.5
|
|
8.
|
Расходы на сбыт
|
22
|
2.2
|
|
Полная себестоимость.
|
1014.56
|
100
|
Следовательно, полная себестоимость устройства
составит: 1014.56 грн.
2.4. Определение цены изделия.
Среди разных методов ценообразования на ранних стадиях
проектирования, достаточно распространен метод лимитных цен. При этом
определяется верхняя и нижняя граница цены.
2.4.1.
Нижняя граница цены.
Нижняя граница цены (
) защищает интересы производителя продукции и
предусматривает, что цена должна покрыть расходы производителя, связанные с
производством и реализацией продукции, и обеспечить уровень рентабельности не
ниже того, что имеет предприятие при производстве уже освоенной продукции.
|
(2.4.1)
|
|
|
(2.4.2)
|
|
|
|
|
|
|
|
где:
– оптовая цена предприятия, грн.;
–
полная себестоимость изделия, грн.;
–
нормативный уровень рентабельности, 15%;
–
налог на добавочную стоимость, 20%.
Таким образом, получаем:
грн.
.
2.4.2.
Верхняя граница цены.
Верхняя граница цены (
) защищает интересы потребителя и определяется
той ценой, которую потребитель готов платить за продукцию с лучшим
потребительским качеством
(2.4.3)
де:
– цена базового изделия, 3000 грн.;
2.4.3. Договорная цена.
Договорная цена (
) может быть установлена по договоренности между
производителем и потребителем в интервале между нижней и верхней лимитными
ценами.
Из выражения:
,
Значит, выбираем
2.4.4. Определение
минимального объема
производства продукции.
Себестоимость годового выпуска продукции:
|
(2.4.4)
|
|
где 
- полная себестоимость единицы продукции, грн;
-
условно-сменные расходы
=0.65;
-
условно-постоянные расходы
=0.35;
Х – производственная мощность производства X=150 ед./год;
-
годовой объем выпуска продукции
=100 ед./год;
Стоимость годового выпуска продукции:
(2.4.5)
Объем продукции, при которой прибыль отсутствует:
|
(2.4.6)
|
|
ед.
Объем продукции, при котором будет достигнут
запланированный уровень рентабельности:
(2.4.6)
Годовая прибыль при достижении запланированного уровня
рентабельности составит:
|
(2.4.7)
|
|
|
|
|
Рис. 2.4.1 Характеристика минимального объема
производства продукции.
Вывод
В данном разделе были проведены анализ уровня качества
и конкурентной способности источника бесперебойного питания, расчеты
себестоимости производства, целесообразности производства, определение цены
изделия.
Полная себестоимость составляет 1014.56 грн.
Нижняя граница цены -
Верхняя граница цены -
Договорная цена -
Объем продукции, при котором прибыль отсутствует -
ед.
Раздел 3. Охрана труда.
В данном разделе дипломного проекта приводится анализ
условий труда в производственном помещении по производству источника
бесперебойного питания, при разработке и производстве плат управления и
питания. Этой части дипломного проекта нужно уделить особенное внимание, т.к.
при не соблюдении норм, установленных законодательством, возможно нарушение
работоспособности и жизнедеятельности рабочих. Поэтому, мы должны определить
опасные и вредные производственные факторы, а также степень их опасности на
рабочем месте. Конечно, нужно разработать мероприятия, чтобы защитить рабочих
от влияния этих факторов, если они будут превышать допустимые нормы.
3.1. Анализ опасных и вредных производственных
факторов.
К основным вредным и опасным факторам, что влияют на
людей, занятых на производстве радиоэлектронной аппаратуры (далее РЭА), можно
отнести:
Плохая освещенность рабочей зоны (условия освещенности
производственных помещений должны удовлетворять нормам, отмеченным в СНиП
II-4-79/85);
Повышенные уровни электромагнитных излучений (уровни
излучений и полей должны отвечать ГОСТ 12.2.006-87);
Опасность поражения электрическим током;
Неудовлетворительные параметры микроклимата рабочей
зоны в производственных помещениях должны удовлетворять нормам, отмеченным в
ГОСТ 12.1.005-88 и ДСН 3.3.6.042-99;
Содержание в воздухе рабочей зоны вредных веществ
разного характера влияния в концентрациях, что превышают предельно допустимые (гранично-допустимая
концентрация (ГДК) вредных веществ в воздухе рабочей зоны должны удовлетворять
нормам, отмеченным в ГОСТ 12.1.005-88 и ГОСТ 12.1.007-80);
Повышенный уровень шума на рабочем месте (допустимые
уровни звукового давления в октавных полосах частот, уровни звука и
эквивалентные уровни звука на рабочих местах) должен соответствовать санитарным
нормам допустимых уровней шума на рабочих местах ДСН 3.3.6.037-99;
Повышенная напряженность электрического поля
промышленной частоты на рабочем месте (напряженность электрических полей
промышленной частоты на рабочих местах должна удовлетворять нормам, отмеченным
в ГОСТ 12.1.002-88);
Влияние вредных факторов влияния мониторов ПК (ДСанПиН
3.3.2.007-98).
3.2. Характеристика параметров рабочего помещения.
При разработке и изготовлении изделия основные трудозатраты
составляет разработка программного обеспечения, а именно: разработка программы
прошивки микроконтроллера и программного обеспечения для связи устройства с
персональным компьютером (ПК). Помещение, в котором находится ПК является
рабочей комнатой лаборатории исследовательского института. Помещение
лаборатории находится на втором этаже панельного дома. Вибрация в помещении
отсутствует. Вредные вещества в помещении лаборатории также отсутствуют. Состав
воздушной среды в норме. В рабочей комнате находится монитор в составе ПК,
офисная мебель. Покрытие пола - паркет. Стены обклеены обоями.
Основные геометрические размеры помещения, котором
будут проводится работы по проектированию платы управления:
- длинна а = 6 м;
- ширина b = 5 м;
- высота h = 2,60 м.
В помещении лаборатории будут работать два инженера.
Исходя из значений a, b, h, рассчитаем площадь помещение:
S > i = a × b = 6 × 5 = 30 (кв.м) -
площадь помещения;
Sn = 6.2 (кв.м) – общая площадь столов и шкафа.
S = Si - Sn = 30– 6.2 = 23,8 (кв.м)
V = S × h = 23,8 × 2,60 = 61,88 (куб.м)
Площадь и объем, что приходится на одного рабочего,
определяется по формулам:
S1 = S2 = S / 2 = 23,8 / 2 = 11,9 кв.м
V1 = V2 = V / 2 =61,88 / 2 = 30,94 кв.м
На основании приведенных выше данных рассчитаем
значение площади и объема помещения, что приходится на одного служащего.
Результаты расчетов приведены в таблице.
Результаты расчетов. Таблица 1.
|
Параметр
|
Норматив
|
Реальные
параметры
|
|
Площадь, S
|
не меньше 6 кв. м.
|
11,9 кв.м
|
|
Объем , V
|
не меньше 15 куб. м.
|
30,94 кв.м
|
Анализируя условия труда в помещении, заметим, что
объем помещения, который приходится на одного человека, больше нормативного
значения СН245-82 и ОНТП24-86.
3.3. Расчет природного освещения.
Согласно СНиП ИИ-4-79/85 для наименьшего различения
объектов (разряд зрительной работы ІІІ (б)) 0.3 – 0.5 мм значения коэффициента
природного освещения (КПО) должно равняться 2%.
Целью расчета условного освещения является проверка
его соответствия СНиП ИИ-4-79/85. При боковом одностороннем освещении
формируется минимальное значении КПО в точке, размещенной на расстоянии одного
метра от стены, наиболее отдаленной от световых проемов на пересечении
характерного разреза плоскости помещения и рабочей поверхности. Характерный
разрез помещения – поперечный разрез по средине помещения, плоскость которого
перпендикулярная плоскости проемов. Условная рабочая поверхность – горизонтальна
и расположена на высоте 0.8 м от полу.
Находим номер светового климата. Для Киева номер
светового климата – IV. На основе СНиП ИИ-4-79, находим коэффициент природного
освещения (КПО = 2), для работы высокой точности (разряд зрительной работы ІІІ
(б)).
Для домов города Киева (IV пояс светового климата)
нормируемое значение КПО находим по формуле:
,
де: еІІІ – КПО для ІІІ светового климата;
m – коэффициент светового климата, m = 0.9;
с – коэффициент солнечности климата, с = 0.75, для световых
проемов во внешних стенах дома, ориентированных по сторонах горизонта 136° ...
225°.
Фактическое значение КПО рассчитывается по формуле:
где: Es- геометрический КПО в
расчетной точек при боковом освещении, учитывая прямой свет неба, который
находим по формуле;
g – коэффициент, который учитывает неравномерность
яркости солнечного неба g = 0.75 для условной высоты светового проема над рабочей
поверхностью 20°.
R – коэффициент, который учитывает относительную
яркость напротив стоящего дома.
r1 – коэффициент, который учитывает увеличение КПО при
боковом освещении благодаря свету, отбитому от поверхности помещения и подсвечивающего
слоя, прилегающего к дому, учитывая отношение глубины помещения к высоте верха
окна к уровню рабочей поверхности, отношение расстояния рассчитанной точки от
внешней стены к глубине помещения В, коэффициенте отражения поверхности
помещения rср;
t0 – общий коэффициент пропускания света, который рассчитывается за
формулой;
k3 – коэффициент запаса, k3 = 1.3.
Езд – геометрический КПО в расчетной точке при боковом
освещении, учитывает отраженный свет, отбитый от бокового строения, и,
рассчитывается по формуле.
Найдем геометрический КПО в расчетной точке при
боковом освещении:
где: n1 – количество лучей проходящих от неба через
световые проемы в расчетную точку при поперечном разрезе помещения (n1 = 8);
n2 – количество лучей проходящих от неба через
световые проемы в расчетную точку на плане помещения (n2 = 30).
Найдем индекси строения в плане разреза:
где: ln – длинна противоположного дома, ln = 100 м;
Н – высота противоположного дома, Н = 20 м;
l – расстояние от расчетной точки в помещении к
внешней поверхности стены дома, l = 95 м;
р – расстояние между домами, р = 50 м;
а – ширина окна на плане, а = 3 м;
h – высота верхней грани окна над полом, h = 4 м.
Отделочный материал фасада противоположного дома –
бетон.
Находим по рассчитанным значениям z1 и z2, R – коэффициент,
который учитывает относительную яркость противоположного дома:
R = 0.22
Рассчитаем коэффициент отражения поверхности
помещения:
где: р1, р2, р3 – коэффициенты отражения потолка, стен,
пола.
Соответственно (р1 = 0.7, р2 = 0.5, р3 = 0.1);
S1, S2, S3 – площадь потолка, стен, пола (S1 = 110 м2,
S2 = 210 м2, S3 = 110 м2)
.
Находим r1, учитывая, что:
;
;
; рср = 0.46;
r1 = 5.4;
Находим общий коэффициент пропускания света:
где: τ1 – коэффициент светопропускания материала
остекления, для стекла оконного листового двойного τ 1 = 0.8;
τ 2 – коэффициент, учитывающий потери света в
деревянных перегородках. τ 2 = 0.7;
τ 3 – коэффициент, учитывающий потери света в
несущих конструкция при боковом освещении, τ 3 = 1;
τ 4 – коэффициент, учитывающий потери света в
солнцезащитных устройствах. Зависит от типа устройства, вида изделия и
материалов для защитных козырьков, τ 4 = 0.9;
τ 5 – коэффициент, учитывающий потери света в
защитной стенке при боковом освещении, τ 5 = 1.
Находим геометрический КПО в расчетной точке при
боковом освещении, учитывая свет, отбитый от соседнего здания, по формуле:
Значение
та
,
та
(
= 5;
= 22)
Находим фактический КПО по формуле (8.3.1)
Рассчитанное значение КПО больше нормированного –
зрительные Работы при естественном освещении отвечают нормативным требованиям.
3.4. Расчет искусственного освещения.
Сделаем расчет искусственного освещения. Исходные
данные для расчета:
лампа дневного освещения ЛБ – 65;
световой поток ФЛ = 465 ЛК;
тип осветлителя ЛПО – 02 (две лампы по 65 Вт);
количество светильников N = 12;
высота подвеса h = 3,3 м (с учетом высоты столов).
Освещение находится по формуле:
где:
n – количество ламп в светильнике;
m – коэффициент, учитывающий увеличение освещения за счет отражения
отдаленных светильников, m = 1.2;
m – количество рядов светильников, m = 6;
Еі – относительная освещенность в расчетной площади,
от і-го полуряда светильников (ЛК), рассчитывается по формуле ;
Фі – коэффициент перехода от горизонтального освещения
к наклонному, так как столы горизонтальные, то Ф = 1 для всех Е;
k3 – коэффициент запаса, учитывается запыленность, k3
= 1.5;
Ір – длинна ряда, Ір = 8.4 м;
-
вспомогательная функция, значение которой находится в зависимости от
относительных координат
та
;
-
сила света в направлении расчетной точки, рассчитывается в зависимости от угла
, который находят для
соответствующих значений
и
по условной группе светильников.
Найдем соответствующие значения Е:
Находим освещенность Е за формулою :
Норма освещенности для данного вида работ (разряд работы
IІІ (б), робота высокой точности) равняется 300 ЛК. Таким образом, общая
освещенность удовлетворяет требованиям СНиП II-4-79.
3.5. Оценка санитарных норм условий труда при пайке.
В данной работе будем рассматривать процесс пайки на
этапе конструкторской разработки (ОКР). При этом используется ручная пайка,
выполняемая электрическим паяльником непрерывного действия мощностью 20...40Вт.
При этом удельное образование аэрозоля свинца составляет 0,02...0,04мг/100
паек.
Соответственно сборочному чертежу, в качестве припоя
используется оловянно-свинцовый припой марки ПОС-61 ГОСТ 21931-76. Флюс
используется безкислотний — КЭ ГОСТ 1797-64. Для удаления остатков флюса
применяется этиловый спирт. В состав припоя входит олово (Sn) в количестве 60-62%
и свинец (Рb) в количестве 38-40%.
Флюс состоит из сосновой канифоли (С2Н3ООН2) в
количестве 15-28%, и этилового спирта (С2Н5ОН) в количестве 72-85%.
Свинец является чрезвычайно опасным веществом (класс
1), соответственно ГОСТ 12.1.005-88. ГДК в воздухе рабочей зоны 0,01мг/м3.
Олово является веществом умеренно опасным (класс 3). ГДК в воздухе рабочей зоны
10мг/м3. Спирт этиловый является малоопасным веществом (класс 4). ГДК в воздухе
рабочей зоны 1000мг/ м3..
Определим концентрацию аэрозоля свинца:
C = 0,6 × A × B × t × N / V,
где:
A- удельное образование аэрозоля свинца;
B - количество паек в минуту;
N - количество рабочих мест;
V - объем помещения, м3;
t - длительность сборки изделия, час.
В нашем случае:
A = 0,04мг / 100 паек,
B=5, t = 1,2 часа, N = 2, V = 50,44 м.
Тогда:
С = 0,6 × 0,04 × 5 × 1,2 × 2 /
50,44 = 0,005709 мг/м.
Следовательно, при данных условиях технологического
процесса, концентрация аэрозоля свинца в воздухе рабочей зоны не будет
превышать предельно допустимую концентрацию 0,01мг/м. Так, как пары свинца не
превышают ГДК, то нет необходимости в вентиляции.
3.6. Электробезопасность.
В помещение лаборатории не жарко, сухо, и
соответственно к ОНТП24-86 и ПУЕ-87 она относится к классу помещений без
повышенной опасности поражения персонала электрическим током, поскольку
относительная влажность воздуха не превышает 75%, температура не более 35 0С,
отсутствующие химически агрессивные среды.
Питание электроприборов внутри помещения
осуществляется от трехфазной сети с заземлением, напряжением 220 В и частотой
50 Гц с использованием автоматов токовой защиты. В помещении применена схема
заземления.
В анализируемом помещении используются следующие типы электрооборудования:
- ПК Prime Medio 80 - 1 шт.;
- монитор Samsung 730BF (ВДТ) 220В - 1 шт.;
- системный блок 220 В - 1 шт.
Предусмотрено защитное отключение напряжения питания
сети при аварийном режиме работы оборудования.
В рассмотренном помещении электропроводка спрятана,
проведена в под штукатуркой на высоте 2 м. Силовые проводники, которые соединяют
между собой ПК с системным блоком и принтером имеют двойную изоляцию.
Штепсельные розетки установлены на высоте одного метра от пола. Выключатели на
стенах расположены на высоте 1,75 метра от пола со стороны ручки для открытия
двери. Корпус дисплея, клавиатуры и принтера изготовлен из специального
материала — ударопрочного пластика, что делает поражение электрическим током
человека, при прикосновении к нему практически невозможным. То есть,
специальных мероприятий для электробезопасности применять не нужно.
Корпус системного блока изготовлен из металлических
деталей. Соответственно возникает опасность поражения человека электрическим
током через нарушение изоляции и перехода напряжения от токоведущих частей. В
связи с этим, корпус системного блока, необходимо преднамеренно соединить с
нулевым проводом. В помещении примененная схема зануления, где rз (рабочее
заземление) избран с учетом использования природных заземлений и повторного
заземления нулевого проводника rn=4 Ом, r0=1,0 Ом.
Поражение человека электрическим током может быть в
случае:
1. Касания к открытым токоведущим частям;
2. В результате токопроводящих элементов оборудования,
которые оказались под напряжением в результате нарушения изоляции или из-за
других причин.
Выполним электрический расчет способности защитных
автоматов. При расчете тока однофазного короткого замыкания воспользуемся
формулой:
Iкз = Uф / (rn + Zт/3),
Где rn - сумма активных сопротивлений фазного и нулевого
провода,
rn = rф +r0;
Zт/3 – расчетное сопротивление трансформатора;
В данном случае Uф = 220В , rф = 0,8 Ом , r0 = 1,0 Ом.
, Zт/3 = 0,12 Ом.
Ікз = 220 /( (0,8 + 1,0) +0,12) =121,6 А
Определим значение Iср из расчета на то, что автоматический
выключатель используется как токовая защита.
Ікз > 1.4 × Іср
Получаем Iср < 86,8 А.
Заземление сделано посредством гибкого сплетенного
медного провода диаметром порядка 1,5 мм2.
Для уменьшения значений напряжений прикосновения и
соответствующих им величин токов, при нормальном и аварийном режимах работы
оборудования необходимо выполнить повторное защитное заземление нулевого
провода. Соответственно ГОСТ-12.2.007.0-75 все оборудование (кроме ЭВМ - II
класс) относится к I классу, оно имеет рабочую изоляцию соответственно
требованиям ГОСТ 12.1.009-76. Подключение оборудования выполнено соответственно
требованиям ПБЕ и ПУЕ. Дополнительные мероприятия по электробезопасности не
нужны.
3.7. Пожарная безопасность помещения.
Рабочее помещение соответственно ПБЕ та ОНТП 24 –86 по
взрывоопасной безопасности можно отнести к категории "В".
Соответственное с ПУЕ класс рабочей зоны помещения по
пожарной безопасности П-II а.
Потому, что в рассмотренном помещении находится ПЕОМ, пожар
может привести к большим материальным затратам. Следовательно, проведение работ
по созданию условий, при которых вероятность возникновения пожара уменьшается,
имеет еще более важное значение.
Возможными причинами возникновения пожара в данном
помещении:
Короткое замыкание проводки;
Использование бытовых электроприборов.
Несоблюдение условий противопожарной безопасности.
В связи с этим, соответственно ПУЕ, необходимо
предусмотреть следующие мероприятия по пожарной безопасности:
- тщательная изоляция всех токоведущих проводников на
рабочих местах; периодический осмотр и проверка изоляции;
- строгое соблюдение норм противопожарной безопасности
на рабочем месте.
Были соблюдены все требования СНиП 2.01.02-85 и СНиП
2.09.02-85по огнестойкости домов, времени эвакуации в случае пожара, ширине
эвакуационных проходов и выходов из помещений наружу.
Помещение оборудовано двумя пожарными датчиками типа
ДТЛ, сигнал от которых поступает на станцию пожарной сигнализации (площадь, которая
защищается, 2 Ч 15=30м2 ).
Расстояние между датчиками составляет 4 м
соответственно ГОСТ 12.4.009-75 та ДБН.
Такое количество датчиков удовлетворяет нормам размещения
согласно ДБН, потому что площадь, которая защищается датчиком ДТЛ составляет 15
м2, два датчика защищают площадь помещения 30м2, а площадь помещения
лаборатории составляет 19,4 м2.
Помещение оборудовано следующими элементами
пожаротушения:
- огнетушитель ОУБ-3 1 шт.;
- огнетушитель ОП-1 “Момент” 1 шт.
Такое количество огнетушителей отвечает требованиям
ISO3941-77, которыми предусмотрено обязательное наличие двух огнетушителей на
100м2 площади для помещений типа конструкторских бюро. Выбор вещества –основывается
на том, что пожар, который может возникнуть в помещении лаборатории, относится
к категории В, потому что пылающими объектами окажутся электроустановки, находящиеся
под напряжением. Огнетушительный состав на основе галоидных углеводородов (бромный
этил 70%, углекислота 30%) применяется в огнетушителях ОУБ-3, в огнетушителях
ОП-1 “Момент” используется порошковые составы, в которые входят
кальцинированная сода, стеариновая кислота, графит и др.
Наличие первичных средств пожаротушения и огнетушителей,
их количество и содержание отвечает требованиям ГОСТ 12.4.009-75 и ISO3941-77.
В помещении выполняются все требования по пожарной
безопасности соответственно требованиям НАПБ А.0.001-95 “Правила пожарной
безопасности в Украине”.
В помещении также мается план эвакуации на случай
возникновения пожара. Время эвакуации отвечает требованию СНиП 2.01.02-85О, а
максимальное удаление рабочих мест от эвакуационных выходов отвечает СНиП
2.09.02-85.
Выводы
В ходе выполнения дипломного проекта был разработан
источник бесперебойного питания, который имеет цифровое управление и
предназначен для защиты разного рода электронной аппаратуры от проблем, которые
могут возникнуть в сети питания.
Проведя анализ существующих на сегодняшний день схем
построения подобных систем, была определена и обоснована структурная схема, а
именно, устройство имеет структуру построения типа Line-interractive, что
позволяет полностью решить требования, выдвинутых к устройству, а также
определенные технические требования.
Электрический расчет определил требования к силовым
элементам схемы электрической принципиальной, в частности, к силовым ключам,
диодам и др.. Также в процессе выполнения дипломной работы были достигнуты
соответствующие технические показатели, которые удовлетворяют требования
технического задания. А также обеспечен надлежащий уровень качества изделия,
что отвечает общепринятым стандартам.
В экономической части дипломного проекта проведен
расчет экономических показателей, определена себестоимость и цена устройства,
проведена оценка уровня качества, прогнозируемый уровень сбыта.
Данная дипломная работа содержит информацию об
условиях, которые должны быть обеспечены на предприятии для нормального труда
рабочих и обеспечения должного состояния их здоровья.
Список литературы
В.Г. Костиков, Е.М. Парфенов, В.А. Шахнов «Источники
электропитания электронных средств» Москва, Горячая линия – Телеком 2001г.
Гребнев В.В. Микроконтроллеры семейства AVR фирмы
Atmel.-М.: ИП Радиософт, 2002 – 176 с.: ил.
ДСТУ 3169 - 95 (ГОСТ 23585-79) – Монтаж электрической
радиоэлектронной аппаратуры и приборов.
ДСТУ 3413-96 – Требования к электрическим бытовым
сетям.
www.fairchild.com K. Zeeman and V. Wadoock
“Calculation PWM supply”, 2004.
Фрунзе А.В. Микроконтроллеры? Это же просто! Т.1. –
М.:ООО ” ИД СКИМЕН”, 2002. – 336 с., илл.
Методические указания к дипломному проекту для студентов
специальности “Радиотехника” / В.О. Дмитрук, В.В. Лысак, С.М.Савченко, В.І. Правда.
– К.: КПІ, 1993. – 20 с.
Костиков В.Г., Парфенов Е.М., Шахнов В.А. Источники
электропитания электронных средств. Схемотехника и конструирование: Учебник для
вузов. – 2-е изд. – М.: Горячая линия – Телеком, 2001. – 344 с.: ил.
Перельман Б.Л. Полупроводниковые приборы. Справочник –
“Солон”, “Микротех”, 1996 г. –176 с.: ил.
ГОСТ 27.003-90 – Надежность в технике. Состав и общие
правила задания требований по надежности.
Семенов Б.Ю. Силовая электроника для любителей и
профессионалов. М.: Солон-Р, 2001. – 334 с.: ил.
ГОСТ 12.2.007.0-75 Изделия электротехнические. Общие
требования безопасности.