|
Фасадная
ферма
|
Ветровая
ферма
|
|
№
стержня
|
Усилия,
кН
|
№
стержня
|
Усилия,
кН
|
|
1,8
|
29,6
|
1,3
|
-3,6
|
|
2,3,6,7
|
-582,7
|
2
|
-4,8
|
|
4,5
|
-776,9
|
4,14
|
0
|
|
9,21
|
-35,4
|
5
|
-2,4
|
|
10
|
-374,1
|
6
|
-4,025
|
|
11
|
441,6
|
7
|
-3
|
|
12,15,18
|
-70,8
|
8
|
-1,342
|
|
13
|
-124,7
|
9,13
|
-4,2
|
|
14
|
147,2
|
10
|
1,342
|
|
16
|
124,7
|
11
|
-5,4
|
|
17
|
-147,2
|
12
|
4,025
|
|
19
|
374,1
|
15,17
|
3,6
|
|
20
|
-441,6
|
16
|
4,8
|
|
22,25
|
291,4
|
|
|
|
23,24
|
|
|
4. Подбор сечений элементов галереи
Проектируем наиболее сильно загруженные стержни
(сжатые и растянутые), и по ним принимаем сечение остальных стержней фермы.
Принимаем марку стали
конструкции и устанавливаем ее расчетное сопротивление.
Ферма выполнена из стали марки
ВСтЗпс6-1 расчетное сопротивление которой 240 МПа (табл. 50, табл. 51 (3)).
Устанавливаем расчетную длину
стержней (табл.. 11 (3)). При расчете сжатых стержней (поясов, опорных
распоров, стоек) расчетную длину в плоскости фермы принимают равной их
геометрической длине, т.е. расстоянию между центрами смежных узлов.
Принимаем коэффициент условий
работы (табл. 6 (4)) для сжатых стержней поясов и опорных раскосов при расчете
на устойчивость γс = 0,95,
для сжатых элементов решетки ферм при гибкости λ≥60,
γс=0,8,
для растянутых элементов ферм, γс=0,95.
Принимаем тип сечения стержней
(табл. 29 (5)). Для элементов решетки используем тавровое сечение из равнобоких
уголков. Для сжатых стержней поясов ферм рекомендовано сечение из двух
неравнобоких уголков, располагаемых широкими полками в плоскости ветровой
фермы. Крестовое сечение из двух или четырех уголков рекомендовано в поясах
пространственных ферм, в опорных и средних стойках ферм.
Принимаем толщину фасок (табл.
33 (5)). При усилии в опорном раскосе 600 кН толщину фасок для фермы принимаем
10 мм.
Определим поперечное сечение
растянутого стержня и установим его конструкцию.
Необходимую площадь поперечного
сечения определяю по формуле:
где N - усилие в стержне, кН;-
расчетное сопротивление стали, Па;
γс
- коэффициент условий работы элемента.
По необходимости площади
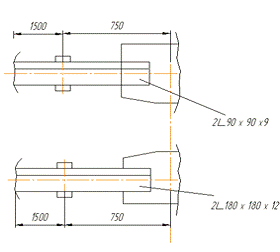
выбираем типовое сечение:
∟90 х 90 х 9 /ГОСТ
8509-93
Проверяю стержень на изгиб:
Ближайшее значение радиуса инерции Т-образного
сечения из двух равнобоких уголков в площади фермы
.
где h - высота профиля;
- условие
выполняется.
Определяем максимальное расстояние между
прокладками стержня, равное:
где - iy - радиус инерции сечения одного уголка
относительно оси, параллельной площади расположения прокладки и которая
проходит через центр веса сечения уголка.
Принимаем конструктивный размер 1500 мм,
составляем эскиз конструкции стержня.
Определяем поперечное сечение сжатого стержня и
установим его конструкцию.
Необходимую площадь поперечного сечения
определяем по формуле:
где φ -
коэффициент продольного изгиба.
Определяем минимальный радиус инерции сечения
стержня:
Принимаем 2∟180 х 180 х 12.
Устанавливаем фактическую гибкость принятого
сечения и соответствие минимальной гибкости значения коэффициента φ.
Проверим напряжения в стержне, что не должны
превышать Ry:
- условие
выполняется.
Определим максимальное расстояние между
прокладками стержня, которое равно:
Принимаем конструктивный размер 1500 мм, составляем
эскиз конструкции стержня.
Рисунок 3 - Эскиз стержней
5. Конструирование и расчет сварных узлов
Определим расчетное сопротивление сварного
соединения угловым швом на срез (условный), табл.3 {3}:
по металлу шва:
где
-
нормативное сопротивление металлу шва сварного соединения с угловыми швами. При
ручной сварке электродами Э42, 342А и др.
=410МПа,
- коэффициент
надежности по металлу шва; при
< 490 МПа,
=
1,25.
По металлу границы сплавки:
где
-
нормативное значение временного сопротивления стали, для стали марки ВСт3пс6-1
=
370 МПа.
Определяем усилия в швах обушка и пера (расчет
ведем для сжатого стержня):
,
где N0, Nn - усилия в швах обушка и пера
соответственно,- высота профиля,- расстояние от нейтральной оси пересечения до
внешней поверхности обушка.
Рисунок 4 - Сварное соединение
Посчитаем расчетную длину шва по обушку и по
перу по формулам:
по металлу шва
по металлу границы сплавки
где βf,βz - коэффициенты,
которые зависят от вида сварки. При ручной и полуавтоматной сварке βf
= 0,7; βz = 1;
kf - катет шва:
- наименьшая толщина элементов, что свариваются
,
-
коэффициенты условия работы шва, равные 1;- число швов. Для стержней из двух
уголков n=2
По обушку:
по металлу шва
по металлу границы сплавки
По перу:
по металлу шва
по металлу границы сплавки
Принимаем конструктивную длину швов, больше
расчетной на 10 мм, значит, длина шва по обушку составит 27 см, по перу - 10
см.
Аналогично производим расчет
для растянутого стержня. Длина швов составляет: по обушку - 29 см, по перу - 11
см, катет шва - 9 мм.
6. Расчет опоры
Принять для колонны и базы сталь марки
ВСт3пс6-1, коэффициент условия работы γс=
1, коэффициент условия работы бетона γВ2
= 1. Длина колонны lx = 15 м, ly = 5,8 м. Расчетное усилие N = 680 кН. Класс
бетона - В 15.
1. Определяю расчетную длину колонны по схеме
ее закрепления:
где μ = 1 - коэффициент
приведения длины,х = 15 м, lу = 5,8 м - геометрические длины колонны.
. Устанавливаю расчетное сопротивление стали.
Для марки стали ВСт3пс6-1 табл. 5.1 (4): Ry = 240 МПа.
. Определяем необходимую площадь поперечного
сечения:
где φ = 0,419 - коэффициент
продольного изгиба,
. Определяем наименьшие радиусы сечения колонны:
где l = 120 - гибкость
стержня.
. По сортаменту принимаем двутавр типа К:
30К1/ГОСТ26020-83
. Определяем фактическое значение гибкости
стержня:
При l = 115,8, φ =
0,434
7. Определяем фактическое напряжение в колонне:
. Определяем необходимую площадь опорной плиты:
где RB = 8.5 МПа - расчетное сопротивление
бетона сжатию.
Приблизительный размер сторон бетонной плиты:
Конструктивно принимаем:
,
фактическая площадь опорной плиты составит
. Определяем реактивный отпор фундамента:
. Принимаем базу колонны в виде плоской плиты с
передачей всех усилий через сварные швы. Делаем расчет толщины плиты по
изгибающему моменту в консольном участке плиты.
. Изгибающий момент в опорной раме:
. Определяем толщину плиты:
Конструктивно принимаем 10 мм. Для крепления
базы используем болты Ш 20 мм.
. Определяем параметры сварного соединения.
Примем, что вся продольная сила передается через сварные швы. Примем следующие
параметры сварки:
Βf = 0.7, βz = 1.0, Rwf = 180МПа,
Rwz = 166МПа, γwf = γwz = 1.0.
Конструктивно принимаем расчетную длину шва lw =
180 см и вычисляем высоту катета шва:
По металлу шва:
По металлу границы сплавки:
Конструктивно согласно полученным результатам
принимаем высоту катета шва равную 30 мм.
Составляем эскиз базы колонны с расчетной схемой
(рис.4):
Рисунок 5 - Конструкция и расчетная схема базы
колонны
7. Расчет фундамента
В качестве фундамента под металлическую колонну
принимаем железобетонный фундамент. Глубина заложения фундамента - 1,4 м, грунт
- пески средней крупности, расчетное сопротивление грунта - R0 - 0,4 МПа,
удельный вес гранта - γ11 = γ’11 -19 кН/м
3, коэффициент пористости грунта - 0,55.
Производим расчет центрально-сжатого фундамента.
Характеристика бетона:
Класс бетона - В 15, Rb = 8.5 МПа, Rbt = 0.75
МПа, Е = 2,3 ·10 4
Коэффициент условий работы γС
=1
Коэффициент условий работы бетона γВ2
= 1
Аоп = 0,16 м2
Размер плиты
Реактивный отпор фундамента - q = 6,25 МПа.
Определяю поперечный размер подошвы фундамента:
где N - предварительное напряжение:
п = N / γf
Nп = 680 / 1,15 = 591,3 кН
- расчетное сопротивление грунтов при
предварительном определении размеров подошвы фундамента;
γср - средняя
нагрузка от веса единицы объема фундамента и грунта на его уступах.
Принимаем:
Тогда:
Конструктивно принимаем:
Площадь подошвы составляет:
Определяем высоту фундамента:
Принимаем высоту фундамента равную 1 м, с
высотой уступа 50 см, h1 = h2 = 500 мм.
Определяем расчетное сопротивление грунта
подставы:
где γС1
и γС2
- коэффициенты условий работы;= 1.1 при определении прочностных характеристик
грунта по СНиП;
Мγ, Mq,, Mo - коэффициенты,
принятые в зависимости от угла внутреннего трения;= 1, при ширине фундамента
меньше 10 м;- ширина подошвы фундамента;- глубина подвала;
сп - расчетное значение удельного сцепления
грунта
Определяем давление под подошвой фундамента:
Условие выполняется.
Проверяю прочность фундамента на продавливание:
где F - расчетная сила, которая продавливает:
Ао - площадь части фундамента:
Условие выполняется.
Проверяю прочность фундамента на действие
поперечной силы в сечениях 1-1 и 2-2.
Напряжение под подошвой фундамента от расчетных
нагрузок составляет:
где Gп = γБ
∙ V,- объем фундамента;
γБ - объемный вес
бетона;
= Gп ∙ γf;
Gгр.п
= γг
∙ Vг;г
= A(d1 - h) + (A - b 2)n2гр
= Gгр.п
∙ γf;п
= 24 ∙ 1,345 = 32,28 кН;=
32,28 ∙ 1,1 = 35,51;г
= 1.69(1,4 - 1) + (1.69 - 1,3 2)2 = 0.68;гр.п
= 1,1 ∙ 0.68 = 0.75;гр
= 0.75 ∙ 1,1 = 0.83;
Условие выполняется.
Поперечная сила в сечениях 1-1 и 2-2 равняется:
Проверяю условие:
Условие выполняется, поперечная арматура не
нужна.
Определяю сгибающий момент в сечениях 1-1 и 2-2.
Рассчитываю площадь сечения рабочей арматуры:
эстакада галерея фундамент опора
;
;

Проверяю процент армирования:
Условие выполняется.
Рисунок 6 - Конструкция фундамента
Рисунок 7 - Конструкция армировки
Заключение
Для настила пола применяют железобетонные плиты.
Плиты укладывают на нижние связи металлического каркаса галереи, а в случае
необходимости и на дополнительные поперечины, опираемые на нижние пояса ферм.
Для установки конвейеров укладывают продольные брусья. Каркас стены утепленных
галерей заполняют легкими, преимущественно ячеистыми материалами, например
пенобетонными плитами. Обшивку стен холодных галерей устраивают из
асбоцементных листов. В качестве утеплителя для полов и покрытий применяют
различные легкие теплоизоляционные материалы.
Кровлю эстакад делают, как
правило, двухскатной. По условиям пожарной безопасности целесообразно галереи с
железобетонными сборными элементами ограждающих конструкций. Для устройства
перекрытий следует применить унифицированные плиты: например, с размерами 1,5 х
6,1,5 х 3 м.
Нередко конвейерные галереи
оборудуют паровым или водяным отоплением. Трубы отопления целесообразно
укладывать вдоль галереи под конвейерами, так как при этом обеспечивается более
равномерный прогрев транспортируемого материала. Радиаторы применяют обычные,
устанавливают их у стен.
Для периодического смыва пыли с
полов, стен и потолков в галереях целесообразно укладывать водопроводные трубы
с кранами.
Фермы пролетного строения
служат в закрытых галереях каркасом наружных стен, а в открытых - ограждением.
Решетку ферм проектируют обычно с нисходящими к середине раскосами, что
обеспечивает работу более длинных элементов (раскосов) на растяжение, более
коротких - на сжатие. Раскосы в первой от опоры панели рекомендуется делать
восходящими, т.е. работающими на сжатие, что приводит к лучшему распределению
усилий в элементах первой панели. Необходимая высота ферм определяется
размерами оборудования, возможностью беспрепятственного прохода людей,
рациональным соотношением с величиной пролета и составляет 2,5 - 3 м. При
значительных пролетах высота ферм доводится до 4 м.
Фермы изготавливают, как
правило, сварными, за исключением монтажных стыков, собираемых на болтах.
Свободная температурная
деформация ферм обеспечивается устройством гибких (в продольном направлении)
промежуточных опор и подвижной опоры в одном из концов эстакады (обычно в
верхнем). Простейшим видом подвижной опоры является скользящая опора. При пролетах
более 30 м и значительном весе пролетного строения эстакады применяют катковые
опоры.
Стальные плоскости опоры, т.е.
гибкие в направлении вдоль эстакады, делают в виде вертикальных ферм. При
относительно, небольшой высоте опора представляет собой прямоугольную ферму
состоящую из четырех-пяти панелей.
Список использованной литературы
1. Стальные конструкции производственных
зданий: Справочник / А.А. Нилов, В.А Пермяков, А.Я. Прицкер. - К.: Будівельник,
1986 - 272 с.
2. Строительные конструкции горнотехнических
зданий и сооружений. Программа, методические указания, контрольные вопросы для
самостоятельных занятий студентов специальности 6.090304.01 (Шахтное и
подземное строительство) очной и заочной форм обучения / сост В.Б. Волошин. -
Алчевск: ДГМИ, 1988 - 49 с.
. СНиП 11-23-81. Стальные конструкции.
М.: Стройиздат, 1986.
. Баклашов И.В., Борисов В.Н.,
Проектирование и строительство горнотехнических зданий и сооружений: Учеб. для
вузов /под ред. И.В. Баклашова. - М.: Недра, 1990.-272 с.
. Файбшпенко В.К. Металлические
конструкции: Учеб. пособие для вузов. - М.: Стройиздат, 1984. - 336 с.
. СНиП 2.01.07-85. Нагрузки и
воздействия. М.: Стройиздат, 1986.
Металлические конструкции / М.М. Жербин, В.А.
Владимирский. - К.: Вища шк., 1986.-215 с.